ФЕДЕРАЛЬНОЕ АГЕНТСТВО
ПО ТЕХНИЧЕСКОМУ РЕГУЛИРОВАНИЮ И МЕТРОЛОГИИ
|
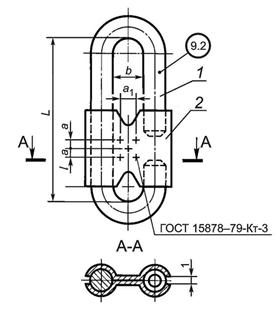
|
НАЦИОНАЛЬНЫЙ |
ГОСТ Р |
СТРОПЫ ГРУЗОВЫЕ КАНАТНЫЕ
ДЛЯ СТРОИТЕЛЬСТВА
Технические условия
|
|
Москва |
Предисловие
1 РАЗРАБОТАН Федеральным государственным бюджетным общеобразовательным учреждением высшего образования «Национальный исследовательский Московский государственный строительный университет» (НИУ МГСУ)
2 ВНЕСЕН Техническим комитетом по стандартизации ТК 465 «Строительство»
3 УТВЕРЖДЕН И ВВЕДЕН В ДЕЙСТВИЕ Приказом Федерального агентства по техническому регулированию и метрологии от 12 декабря 2019 г. № 1383-ст
4 ВВЕДЕН ВПЕРВЫЕ
Правила применения настоящего стандарта установлены в статье 26 Федерального закона от 29 июня 2015 г. № 162-ФЗ «О стандартизации в Российской Федерации». Информация об изменениях к настоящему стандарту публикуется в ежегодном (по состоянию на 1 января текущего года) информационном указателе «Национальные стандарты», а официальный текст изменений и поправок - в ежемесячном информационном указателе «Национальные стандарты». В случае пересмотра (замены) или отмены настоящего стандарта соответствующее уведомление будет опубликовано в ближайшем выпуске ежемесячного информационного указателя «Национальные стандарты». Соответствующая информация, уведомление и тексты размещаются также в информационной системе общего пользования - на официальном сайте Федерального агентства по техническому регулированию и метрологии в сети Интернет (www.gost.ru)
Содержание
НАЦИОНАЛЬНЫЙ СТАНДАРТ РОССИЙСКОЙ ФЕДЕРАЦИИ
СТРОПЫ ГРУЗОВЫЕ КАНАТНЫЕ ДЛЯ СТРОИТЕЛЬСТВА
Технические условия
Cargo handling rope slings for building. Specifications
Дата введения - 2020-09-01
Настоящий стандарт распространяется на грузовые канатные стропы, изготовляемые из стальных канатов и применяемые в строительстве в качестве грузозахватного средства для строповки грузов.
Грузовые канатные стропы могут включать в конструкцию коуши, жесткие соединительные элементы (звенья) и захваты.
В настоящем стандарте использованы нормативные ссылки на следующие стандарты:
ГОСТ 12.3.002 Система стандартов безопасности труда. Процессы производственные. Общие требования безопасности
ГОСТ 12.4.253 (EN 166:2002) Система стандартов безопасности труда. Средства индивидуальной защиты глаз. Общие технические требования
ГОСТ 380 Сталь углеродистая обыкновенного качества. Марки
ГОСТ 397 Шплинты. Технические условия
ГОСТ 977 Отливки стальные. Общие технические условия
ГОСТ 1050 Металлопродукция из нелегированных конструкционных качественных и специальных сталей. Общие технические условия
ГОСТ 1497 (ИСО 6892-84) Металлы. Методы испытаний на растяжение
ГОСТ 2224 Коуши стальные для стальных канатов. Технические условия
ГОСТ 2688 Канат двойной свивки типа ЛК-Р конструкции 6×19(1+6+6/6)+1 о. с. Сортамент
ГОСТ 3070 Канат стальной двойной свивки типа ТК конструкции 6×19(1+6+12)+1 о. с. Сортамент
ГОСТ 3071 Канат стальной двойной свивки типа ТК конструкции 6×37(1+6+12+18)+1 о. с. Сортамент
ГОСТ 3077 Канат двойной свивки типа ЛК-О конструкции 6×19(1+9+9)+1 о. с. Сортамент
ГОСТ 3079 Канат двойной свивки типа ТЛК-О конструкции 6×37(1+6+15+15)+1 о. с. Сортамент
ГОСТ 3242 Соединения сварные. Методы контроля качества
ГОСТ 3282 Проволока стальная низкоуглеродистая общего назначения. Технические условия
ГОСТ 4543 Металлопродукция из конструкционной легированной стали. Технические условия
ГОСТ 4784 Алюминий и сплавы алюминиевые деформируемые. Марки
ГОСТ 5919 Гайки шестигранные прорезные и корончатые низкие класса точности В. Конструкция и размеры
ГОСТ 6111 Резьба коническая дюймовая с углом профиля 60°
ГОСТ 6211 Основные нормы взаимозаменяемости. Резьба трубная коническая
ГОСТ 6996 (ИСО 4136-89, ИСО 5173-81, ИСО 5177-81) Сварные соединения. Методы определения механических свойств
ГОСТ 7505 Поковки стальные штампованные. Допуски, припуски и кузнечные напуски
ГОСТ 7665 Канат двойной свивки типа ЛК-3 конструкции 6×25(1+6; 6+12)+1 о. с. Сортамент
ГОСТ 7668 Канат двойной свивки типа ЛК-РО конструкции 6×36(1+7+7/7+14)+1 о. с. Сортамент
ГОСТ 7798 Болты с шестигранной головкой класса точности В. Конструкция и размеры
ГОСТ 7829 Поковки из углеродистой и легированной стали, изготовляемые ковкой на молотах. Припуски и допуски
ГОСТ 8479 Поковки из конструкционной углеродистой и легированной стали. Общие технические условия
ГОСТ 8732 Трубы стальные бесшовные горячедеформированные. Сортамент
ГОСТ 8734 Трубы стальные бесшовные холоднодеформированные. Сортамент
ГОСТ 9012 (ИСО 410-82, ИСО 6506-81) Металлы. Метод измерения твердости по Бринеллю
ГОСТ 9013 (ИСО 6508-86) Металлы. Метод измерения твердости по Роквеллу
ГОСТ 9389 Проволока стальная углеродистая пружинная. Технические условия
ГОСТ 9454 Металлы. Метод испытания на ударный изгиб при пониженных, комнатной и повышенных температурах
ГОСТ 9649 Шайбы стальные класса точности А для пальцев. Технические условия
ГОСТ 9650 (СТ СЭВ 5959-87) Оси. Технические условия
ГОСТ 10602 (ИСО 4014-88) Болты с шестигранной головкой с диаметром резьбы свыше 48 мм класса точности В. Технические условия
ГОСТ 12840 Замки предохранительные для однорогих крюков. Типы и размеры
ГОСТ 14192 Маркировка грузов
ГОСТ 15150-69 Машины, приборы и другие технические изделия. Исполнения для различных климатических районов. Категории, условия эксплуатации, хранения и транспортирования в части воздействия климатических факторов внешней среды
ГОСТ 15878-79 Контактная сварка. Соединения сварные. Конструктивные элементы и размеры
ГОСТ 16504 Система государственных испытаний продукции. Испытания и контроль качества продукции. Основные термины и определения
ГОСТ 18482 Трубы прессованные из алюминия и алюминиевых сплавов. Технические условия
ГОСТ 19281 Прокат повышенной прочности. Общие технические условия
ГОСТ 25032 Средства грузозахватные. Классификация и общие технические требования
ГОСТ 30893.1 (ИСО 2768-1-89) Основные нормы взаимозаменяемости. Общие допуски. Предельные отклонения линейных и угловых размеров с неуказанными допусками
ГОСТ Р 12.1.019-2009 Система стандартов безопасности труда. Электробезопасность. Общие требования и номенклатура видов защиты
Примечание - При пользовании настоящим стандартом целесообразно проверить действие ссылочных стандартов в информационной системе общего пользования - на официальном сайте Федерального агентства по техническому регулированию и метрологии в сети Интернет или по ежегодному информационному указателю «Национальные стандарты», который опубликован по состоянию на 1 января текущего года, и по выпускам ежемесячного информационного указателя «Национальные стандарты» за текущий год. Если заменен ссылочный стандарт, на который дана недатированная ссылка, то рекомендуется использовать действующую версию этого стандарта с учетом всех внесенных в данную версию изменений. Если заменен ссылочный стандарт, на который дана датированная ссылка, то рекомендуется использовать версию этого стандарта с указанным выше годом утверждения (принятия). Если после утверждения настоящего стандарта в ссылочный стандарт, на который дана датированная ссылка, внесено изменение, затрагивающее положение, на которое дана ссылка, то это положение рекомендуется применять без учета данного изменения. Если ссылочный стандарт отменен без замены, то положение, в котором дана ссылка на него, рекомендуется применять в части, не затрагивающей эту ссылку.
В настоящем стандарте применены следующие термины с соответствующими определениями:
3.1 грузозахватное средство: Устройство, предназначенное для обеспечения надежного и эффективного соединения груза с рабочим органом грузоподъемной машины.
3.2 соединительный элемент: Элемент грузозахватного средства, связывающий захват с рабочим органом грузоподъемной машины.
3.3 захват: Элемент грузозахватного средства, непосредственно взаимодействующий с грузом.
Грузовые канатные стропы следует изготовлять следующих типов:
1СК - одноветвевые;
2СК - двухветвевые;
3СК - трехветвевые;
4СК - четырехветвевые (исполнения 1 и 2);
СКП - петлевые (исполнения 1 и 2);
СКК - кольцевые (исполнения 1 и 2).
4.2.1 Одноветвевые канатные стропы
Основные параметры и размеры стропов типа 1СК должны соответствовать указанным на рисунке 1 и в таблице 1.
1 - канатная ветвь; 2 - звено; 3 - захват
Рисунок 1 - Одноветвевый канатный строп: с заделкой концов
каната опресовкой алюминиевой
или стальной втулкой (а) и с заделкой
концов каната заплеткой (б)
Таблица 1 - Одноветвевые канатные стропы
|
Обозначение стропа |
Грузоподъемность, т |
Длина стропа L, м |
Обозначение канатной ветви |
Допускаемая нагрузка на звено и захват, кН (тс) |
|
1СК-0,32 |
0,32 |
900 - 5000 |
ВК-0,32 |
3,14 (0,32) |
|
1СК-0,4 |
0,40 |
ВК-0,4 |
3,92 (0,40) |
|
|
1CK-0,5* |
0,50 |
1100 - 10000 |
ВК-0,5 |
4,90 (0,50) |
|
1CK-0,63 |
0,63 |
ВК-0,63 |
6,18 (0,63) |
|
|
1СК-0,8 |
0,80 |
1100 - 15000 |
ВК-0,8 |
7,85 (0,80) |
|
1СК-1,0* |
1,00 |
ВК-1,0 |
9,81 (1,00) |
|
|
1CK-1,25 |
1,25 |
ВК-1,25 |
12,26 (1,25) |
|
|
1CK-1,6 |
1,60 |
1400 - 16000 |
ВК-1,6 |
15,70 (1,60) |
|
1CK-2,0* |
2,00 |
ВК-2,0 |
19,62 (2,00) |
|
|
1CK-2,5 |
2,50 |
ВК-2,5 |
24,52 (2,50) |
|
|
1CK-3,2* |
3,20 |
1500 - 20000 |
ВК-3,2 |
31,40 (3,20) |
|
1CK-4,0 |
4,00 |
ВК-4,0 |
39,24 (4,00) |
|
|
1CK-5,0* |
5,00 |
ВК-5,0 |
49,05 (5,00) |
|
|
1CK-6,3 |
6,30 |
2000 - 20000 |
ВК-6,3 |
61,80 (6,30) |
|
1CK-8,0 |
8,00 |
ВК-8,0 |
78,50 (8,00) |
|
|
1CK-10,0* |
10,00 |
ВК-10,0 |
98,10 (10,00) |
|
|
1CK-12,5 |
12,50 |
ВК-12,5 |
122,60 (12,50) |
|
|
1CK-16,0* |
16,00 |
2500 - 25000 |
ВК-16,0 |
156,90 (16,00) |
|
1CK-20,0 |
20,00 |
ВК-20,0 |
196,13 (20,00) |
|
|
1CK-25,0 |
25,00 |
ВК-25,0 |
245,17 (25,00) |
|
|
1CK-32,0 |
32,00 |
ВК-32,0 |
313,81 (32,00) |
|
|
1CK-40,0 |
40,00 |
ВК-40,0 |
392,27 (40,00) |
|
|
Примечание - Здесь и в таблицах 2 - 5 стропы, рекомендуемые для преимущественного применения, отмечены знаком «*». |
||||
Конструкция и размеры канатной ветви - в соответствии с приложением А. Рекомендации по конструкции и размерам звеньев и захватов приведены в приложении Б, по способам заделки концов каната - в приложении В.
В условное обозначение входят наименование изделия, тип, грузоподъемность, длина и обозначение настоящего стандарта.
Пример условного обозначения одноветвевого канатного стропа грузоподъемностью 1,6 т, длиной 2000 мм:
Строп 1СК-1,6/2000 ГОСТ Р 58753-2019
То же, предназначенного для эксплуатации в районах с холодным климатом:
Строп 1СК-1,6 ХЛ/2000 ГОСТ Р 58753-2019
4.2.2 Двухветвевые канатные стропы
Основные параметры и размеры стропов типа 2СК должны соответствовать указанным на рисунке 2 и в таблице 2.
1 - канатная ветвь; 2 - звено; 3 - захват
Рисунок 2 - Двухветвевый канатный строп
Таблица 2 - Двухветвевые канатные стропы
|
Обозначение стропа |
Грузоподъемность, т |
Длина стропа L, мм |
Обозначение канатной ветви |
Допускаемая нагрузка, кН (тс) |
|
|
на звено |
на захват |
||||
|
2СК-0,4 |
0,40 |
900 - 5000 |
ВК-0,32 |
3,92 (0,40) |
3,14 (0,32) |
|
2СК-0,5* |
0,50 |
ВК-0,4 |
4,90 (0,50) |
3,92 (0,40) |
|
|
2СК-0,63 |
0,63 |
1100 - 10000 |
ВК-0,5 |
6,18 (0,63) |
4,90 (0,50) |
|
2СК-0,8 |
0,80 |
ВК-0,63 |
7,85 (0,80) |
6,18 (0,63) |
|
|
2СК-1,0* |
1,00 |
1100 - 15000 |
ВК-0,8 |
9,81 (1,00) |
7,85 (0,80) |
|
2СК-1,25 |
1,25 |
ВК-1,0 |
12,26 (1,25) |
9,81 (1,00) |
|
|
2СК-1,6 |
1,60 |
ВК-1,25 |
15,70 (1,60) |
12,26 (1,25) |
|
|
2СК-2,0* |
2,00 |
1400 - 16000 |
ВК-1,6 |
19,62 (2,00) |
15,70 (1,60) |
|
2СК-2,5 |
2,50 |
ВК-2,0 |
24,52 (2,50) |
19,62 (2,00) |
|
|
2СК-3,2* |
3,20 |
ВК-2,5 |
31,40 (3,20) |
24,52 (2,50) |
|
|
2СК-4,0 |
4,00 |
1500 - 20000 |
ВК-3,2 |
39,24 (4,00) |
31,40 (3,20) |
|
2СК-5,0* |
5,00 |
ВК-4,0 |
49,05 (5,00) |
39,24 (4,00) |
|
|
2СК-6,3 |
6,30 |
ВК-5,0 |
61,80 (6,30) |
49,05 (5,00) |
|
|
2СК-8,0 |
8,00 |
2000 - 20000 |
ВК-6,3 |
78,50 (8,00) |
61,80 (6,30) |
|
2СК-10,0* |
10,00 |
ВК-8,0 |
98,10 (10,00) |
78,50 (8,00) |
|
|
2СК-12,5 |
12,50 |
ВК-10,0 |
122,60 (12,50) |
98,10 (10,00) |
|
|
2СК-16,0* |
16,00 |
ВК-12,5 |
157,00 (16,00) |
122,60 (12,50) |
|
|
2СК-20,0 |
20,00 |
2500 - 25000 |
ВК-16,0 |
196,13 (20,00) |
156,90 (16,00) |
|
2СК-25,0 |
25,00 |
ВК-20,0 |
245,17 (25,00) |
196,13 (20,00) |
|
|
2СК-32,0 |
32,00 |
ВК-25,0 |
313,81 (32,00) |
245,17 (25,00) |
|
|
2СК-40,0 |
40,00 |
ВК-32,0 |
392,27 (40,00) |
313,81 (32,00) |
|
|
2СК-50,0 |
50,00 |
ВК-40,0 |
490,33 (50,00) |
392,27 (40,00) |
|
4.2.3 Трехветвевые канатные стропы
Основные параметры и размеры стропов типа 3СК должны соответствовать указанным на рисунке и в таблице 3.

1 - канатная ветвь; 2 - звено; 3 - захват
Рисунок 3 - Трехветвевой канатный строп
Таблица 3 - Трехветвевые канатные стропы
|
Обозначение стропа |
Грузоподъемность, т |
Длина стропа L, мм |
Обозначение канатной ветви |
Допускаемая нагрузка, кН (тс) |
|
|
на звено |
на захват |
||||
|
3СК-0,63 |
0,63 |
900 - 5000 |
ВК-0,32 |
6,18 (0,63) |
3,14 (0,32) |
|
3СК-0,8 |
0,80 |
ВК-0,4 |
7,85 (0,80) |
3,92 (0,40) |
|
|
3СК-1,0* |
1,00 |
1200 - 10000 |
ВК-0,5 |
9,81 (1,00) |
4,90 (0,50) |
|
3СК-1,25 |
1,25 |
ВК-0,63 |
12,26 (1,25) |
6,18 (0,63) |
|
|
3СК-1,6 |
1,60 |
1200 - 15000 |
ВК-0,8 |
15,70 (1,60) |
7,85 (0,80) |
|
3СК-2,0* |
2,00 |
ВК-1,0 |
19,62 (2,00) |
9,81 (1,00) |
|
|
3СК-2,5 |
2,50 |
ВК-1,25 |
24,52 (2,50) |
12,26 (1,25) |
|
|
3СК-3,2* |
3,20 |
1600 - 16000 |
ВК-1,6 |
31,40 (3,20) |
15,70 (1,60) |
|
3СК-4,0 |
4,00 |
ВК-2,0 |
39,24 (4,00) |
19,62 (2,00) |
|
|
3СК-5,0* |
5,00 |
ВК-2,5 |
49,05 (5,00) |
24,52 (2,50) |
|
|
3СК-6,3 |
6,30 |
1700 - 20000 |
ВК-3,2 |
61,80 (6,30) |
31,40 (3,20) |
|
3СК-8,0 |
8,00 |
ВК-4,0 |
78,50 (8,00) |
39,24 (4,00) |
|
|
3СК-10,0* |
10,00 |
2200 - 20000 |
ВК-5,0 |
98,10 (10,00) |
49,05 (5,00) |
|
3СК-12,5 |
12,50 |
ВК-6,3 |
122,60 (12,50) |
61,80 (6,30) |
|
|
3СК-16,0* |
16,00 |
ВК-8,0 |
157,00 (16,00) |
78,50 (8,00) |
|
|
3СК-20,0 |
20,00 |
ВК-10,0 |
196,20 (20,00) |
98,10 (10,00) |
|
|
3СК-25,0 |
25,00 |
ВК-12,5 |
245,17 (25,00) |
122,60 (12,50) |
|
|
3СК-32,0 |
32,00 |
2700 - 25000 |
ВК-16,0 |
313,81 (32,00) |
157,00 (16,00) |
|
3СК-40,0 |
40,00 |
ВК-20,0 |
392,27 (40,00) |
196,13 (20,00) |
|
|
3СК-50,0 |
50,00 |
ВК-25,0 |
490,33 (50,00) |
245,17 (25,00) |
|
|
3СК-63,0 |
63,00 |
ВК-32,0 |
617,82 (63,00) |
313,81 (32,00) |
|
|
3СК-80,0 |
80,00 |
ВК-40,0 |
784,53 (80,00) |
392,27 (40,00) |
|
4.2.4 Четырехветвевые канатные стропы
Основные параметры и размеры стропов типа 4СК исполнения 1 должны соответствовать указанным на рисунке 4 и в таблице 4.
1 - канатная ветвь; 2 - звено 1; 3 - захват; 4 - звено 2
Рисунок 4 - Четырехветвевый канатный строп исполнения 1
Таблица 4 - Четырехветвевые канатные стропы исполнения 1
|
Обозначение стропа |
Грузоподъемность, т |
Длина стропа L, мм |
Обозначение канатной ветви |
Допускаемая нагрузка, кН (тс) |
||
|
на звено 1 |
на звено 2 |
на захват |
||||
|
4СК1-0,63 |
0,63 |
900 - 5000 |
ВК-0,32 |
6,18 (0,63) |
4,90 (0,50) |
3,14 (0,32) |
|
4СК1-0,8 |
0,80 |
7,85 (0,80) |
||||
|
4СК1-1,0* |
1,00 |
ВК-0,4 |
9,81 (1,00) |
6,18 (0,63) |
3,92 (0,40) |
|
|
4СК1-1,25 |
1,25 |
1200 - 10200 |
ВК-0,5 |
12,26 (1,25) |
7,85 (0,80) |
4,90 (0,50) |
|
4СК1-1,6 |
1,60 |
ВК-0,63 |
15,70 (1,60) |
9,81 (1,00) |
6,18 (0,63) |
|
|
4СК1-2,0* |
2,00 |
1300 - 15000 |
ВК-0,8 |
19,62 (2,00) |
12,26 (1,25) |
7,85 (0,80) |
|
4СК1-2,5 |
2,50 |
ВК-1,0 |
24,52 (2,50) |
15,70 (1,60) |
9,81 (1,00) |
|
|
4СК1-3,2* |
3,20 |
ВК-1,25 |
31,40 (3,20) |
19,62 (2,00) |
12,26 (1,25) |
|
|
4СК1-4,0 |
4,00 |
1600 - 16000 |
ВК-1,6 |
39,24 (4,00) |
24,52 (2,50) |
15,70 (1,60) |
|
4СК1-5,0* |
5,00 |
ВК-2,0 |
49,05 (5,00) |
31,40 (3,20) |
19,62 (2,00) |
|
|
4СК1-6,3 |
6,30 |
ВК-2,5 |
61,80 (6,30) |
39,24 (4,00) |
24,52 (2,50) |
|
|
4СК1-8,0 |
8,00 |
1800 - 20000 |
ВК-3,2 |
78,50 (8,00) |
49,05 (5,00) |
31,40 (3,20) |
|
4СК1-10,0* |
10,00 |
ВК-4,0 |
98,10 (10,00) |
61,80 (6,30) |
39,24 (4,00) |
|
|
4СК1-12,5 |
12,50 |
ВК-5,0 |
122,60 (12,50) |
78,50 (8,00) |
49,05 (5,00) |
|
|
4СК1-16,0* |
16,00 |
2500 - 25000 |
ВК-6,3 |
157,00 (16,00) |
98,10 (10,00) |
61,80 (6,30) |
|
4СК1-20,0 |
20,00 |
ВК-8,0 |
196,20 (20,00) |
122,60 (12,50) |
78,50 (8,00) |
|
|
4СК1-25,0 |
25,00 |
ВК-10,0 |
245,25 (25,00) |
157,00 (16,00) |
98,10 (10,00) |
|
|
4СК1-32,0 |
32,00 |
ВК-12,5 |
313,92 (32,00) |
196,20 (20,00) |
122,60 (12,50) |
|
|
4СК1-40,0 |
40,00 |
3000 - 25000 |
ВК-16,0 |
392,27 (40,00) |
245,17 (25,00) |
157,00 (16,00) |
|
4СК1-50,0 |
50,00 |
ВК-20,0 |
490,33 (50,00) |
313,81 (32,00) |
196,13 (20,00) |
|
|
4СК1-63,0 |
63,00 |
ВК-25,0 |
617,82 (63,00) |
392,27 (40,00) |
245,17 (25,00) |
|
|
4СК1-80,0 |
80,00 |
ВК-32,0 |
784,53 (80,00) |
490,33 (50,00) |
313,81 (32,00) |
|
|
4СК1-100,0 |
100,00 |
ВК-40,0 |
980,66 (100,00) |
617,82 (63,00) |
392,27 (40,00) |
|
Основные параметры и размеры стропов типа 4СК исполнения 2 должны соответствовать указанным на рисунке 5 и в таблице 5.
1 - канатная ветвь; 2 - звено 1; 3 - звено 2 (уравнительное); 4 - захват; 5 - уравнительная ветвь
Рисунок 5 - Четырехветвевой канатный строп исполнения 2°
Таблица 5 - Четырехветвевые канатные стропы исполнения 2
|
Обозначение стропа |
Грузоподъемность, т |
Длина стропа L, мм |
Обозначение канатной ветви |
Допускаемая нагрузка, кН (тс) |
||
|
на звено 1 |
на звено 2 |
на захват |
||||
|
4СК2-0,4 |
0,40 |
1000 - 5000 |
ВК-0,32 |
3,92 (0,40) |
3,14 (0,32) |
3,14 (0,32) |
|
4СК2-0,5 |
0,50 |
4,90 (0,50) |
3,92 (0,40) |
|||
|
4СК2-0,63 |
0,63 |
6,18 (0,63) |
4,90 (0,50) |
|||
|
4СК2-0,8 |
0,80 |
7,85 (0,80) |
6,18 (0,63) |
|||
|
4СК2-1,0* |
1,00 |
ВК-0,4 |
9,81 (1,00) |
7,85 (0,80) |
3,92 (0,40) |
|
|
4СК2-1,25 |
1,25 |
1000 - 10000 |
ВК-0,5 |
12,26 (1,25) |
9,81 (1,00) |
4,90 (0,50) |
|
4СК2-1,6 |
1,60 |
ВК-0,63 |
15,70 (1,60) |
12,26 (1,25) |
6,18 (0,63) |
|
|
4СК2-2,0* |
2,00 |
ВК-0,8 |
19,62 (2,00) |
15,70 (1,60) |
7,85 (0,80) |
|
|
4СК2-2,5 |
2,50 |
ВК-1,0 |
24,52 (2,50) |
19,62 (2,00) |
9,81 (1,00) |
|
|
4СК2-3,2* |
3,20 |
ВК-1,25 |
31,40 (3,20) |
24,52 (2,50) |
12,26 (1,25) |
|
|
4СК2-4,0 |
4,00 |
1600 - 15000 |
ВК-1,6 |
39,24 (4,00) |
31,40 (3,20) |
15,70 (1,60) |
|
4СК2-5,0* |
5,00 |
ВК-2,0 |
49,05 (5,00) |
39,24 (4,00) |
19,62 (2,00) |
|
|
4СК2-6,3 |
6,30 |
ВК-2,5 |
61,80 (6,30) |
49,05 (5,00) |
24,52 (2,50) |
|
|
4СК2-8,0 |
8,00 |
1800 - 20000 |
ВК-3,2 |
78,50 (8,00) |
61,80 (6,30) |
31,40 (3,20) |
|
4СК2-10,0* |
10,00 |
ВК-4,0 |
98,10 (10,00) |
78,50 (8,00) |
39,24 (4,00) |
|
|
4СК2-12,5 |
12,50 |
ВК-5,0 |
122,60 (12,50) |
98,10 (10,00) |
49,05 (5,00) |
|
|
4СК2-16,0* |
16,00 |
ВК-6,3 |
157,00 (16,00) |
122,60 (12,50) |
61,80 (6,30) |
|
|
4СК2-20,0 |
20,00 |
ВК-8,0 |
196,20 (20,00) |
157,00 (16,00) |
78,50 (8,00) |
|
|
4СК2-25,0 |
25,00 |
ВК-10,0 |
245,25 (25,00) |
196,20 (20,00) |
98,10 (10,00) |
|
|
4СК2-32,0 |
32,00 |
ВК-12,5 |
313,92 (32,00) |
245,25 (25,00) |
122,60 (12,50) |
|
|
4СК2-40,0 |
40,00 |
2500 - 25000 |
ВК-16,0 |
392,27 (40,00) |
313,81 (32,00) |
157,00 (16,00) |
|
4СК2-50,0 |
50,00 |
ВК-20,0 |
490,33 (50,00) |
392,27 (40,00) |
196,13 (20,00) |
|
|
4СК2-63,0 |
63,00 |
ВК-25,0 |
617,82 (63,00) |
490,33 (50,00) |
245,17 (25,00) |
|
|
4СК2-80,0 |
80,00 |
ВК-32,0 |
784,53 (80,00) |
617,82 (63,00) |
313,81 (32,00) |
|
|
4СК2-100,0 |
100,00 |
ВК-40,0 |
980,66 (100,00) |
784,53 (80,00) |
392,27 (40,00) |
|
4.2.5 Петлевые канатные стропы
Основные параметры и размеры стропов типа СКП исполнения 1 должны соответствовать указанным на рисунке 6 и в таблице 6.
1 - стальной канат грузового назначения марки 1,
нераскручивающийся; 2 - место заделки концов каната;
dk - диаметр каната; r -
внутренний радиус петли стропа
Рисунок 6 - Петлевой канатный строп исполнения 1 с заделкой
концов каната опрессовкой
алюминиевой втулкой (а) и с заделкой
концов каната заплеткой (б)
Основные параметры и размеры стропов типа СКП исполнения 2 должны соответствовать указанным на рисунке 7 и в таблице 6.
1 - стальной канат грузового назначения марки 1,
нераскручивающийся; 2 - место заделки концов каната; 3 - втулка;
dk - диаметр каната; R -
внутренний радиус петли стропа
Рисунок 7 - Петлевой строп канатный исполнения 2
Таблица 6 - Петлевые канатные стропы
|
Обозначение стропа |
Грузоподъемность стропа, т, при угле наклона к вертикали |
Длина стропа L, мм |
Длина петли стропа l, мм |
Расчетное разрывное усилие ветви каната, кН (тс), не менее |
||
|
Исполнение 1 |
Исполнение 2 |
α = 0° |
α = 45° |
|||
|
СКП1-0,32 |
СКП2-0,32 |
0,32 |
0,22 |
1000 - 15000 |
240 |
18,8 (1,92) |
|
СКП1-0,36 |
СКП2-0,36 |
0,36 |
0,25 |
1000 - 15000 |
240 |
21,2 (2,16) |
|
СКП1-0,40 |
СКП2-0,40 |
0,40 |
0,28 |
23,5 (2,40) |
||
|
СКП1-0,45 |
СКП2-0,45 |
0,45 |
0,30 |
26,5 (2,70) |
||
|
СКП1-0,50 |
СКП2-0,50 |
0,50 |
0,35 |
29,4 (3,00) |
||
|
СКП1-0,56 |
СКП2-0,56 |
0,56 |
0,39 |
32,9 (3,36) |
||
|
СКП1-0,63 |
СКП2-0,63 |
0,63 |
0,44 |
37,1 (3,78) |
||
|
СКП1-0,70 |
СКП2-0,70 |
0,70 |
0,49 |
2000 - 20000 |
320 |
41,2 (4,20) |
|
СКП1-0,80 |
СКП2-0,80 |
0,80 |
0,56 |
47,1 (4,80) |
||
|
СКП1-0,90 |
СКП2-0,90 |
0,90 |
0,63 |
52,9 (5,40) |
||
|
СКП1-1,0 |
СКП2-1,0 |
1,00 |
0,70 |
58,9 (6,00) |
||
|
СКП1-1,1 |
СКП2-1,1 |
1,10 |
0,77 |
64,8 (6,60) |
||
|
СКП1-1,25 |
СКП2-1,25 |
1,25 |
0,88 |
73,6 (7,50) |
||
|
СКП1-1,4 |
СКП2-1,4 |
1,40 |
1,00 |
82,4 (8,40) |
||
|
СКП1-1,6 |
СКП2-1,6 |
1,60 |
1,10 |
94,2 (9,60) |
||
|
СКП1-1,8 |
СКП2-1,8 |
1,80 |
1,20 |
106,0 (10,80) |
||
|
СКП1-2,0 |
СКП2-2,0 |
2,00 |
1,40 |
118,0 (12,00) |
||
|
СКП1-2,25 |
СКП2-2,25 |
2,25 |
1,50 |
3000 - 25000 |
400 |
132,0 (13,50) |
|
СКП1-2,5 |
СКП2-2,5 |
2,50 |
1,80 |
147,0 (15,00) |
||
|
СКП1-2,8 |
СКП2-2,8 |
2,80 |
2,00 |
165,0 (16,80) |
||
|
СКП1-3,2 |
СКП2-3,2 |
3,20 |
2,30 |
188,0 (19,20) |
||
|
СКП1-3,6 |
СКП2-3,6 |
3,60 |
2,55 |
212,0 (21,60) |
||
|
СКП1-4,0 |
СКП2-4,0 |
4,00 |
2,80 |
235,0 (24,00) |
||
|
СКП1-4,5 |
СКП2-4,5 |
4,50 |
3,20 |
265,0 (27,00) |
||
|
СКП1-5,0 |
СКП2-5,0 |
5,00 |
3,55 |
294,0 (30,00) |
||
|
СКП1-5,6 |
СКП2-5,6 |
5,60 |
4,00 |
329,0 (33,60) |
||
|
СКП1-6,3 |
СКП2-6,3 |
6,30 |
4,45 |
4000 - 30000 |
500 |
371,0 (37,80) |
|
СКП1-7,0 |
СКП2-7,0 |
7,00 |
5,00 |
412,0 (42,00) |
||
|
СКП1-8,0 |
СКП2-8,0 |
8,00 |
5,56 |
471,0 (48,00) |
||
|
СКП1-9,0 |
СКП2-9,0 |
9,00 |
6,36 |
529,0 (54,00) |
||
|
СКП1-10,0 |
СКП2-10,0 |
10,00 |
7,00 |
589,0 (60,00) |
||
|
СКП1-11,0 |
СКП2-11,0 |
11,00 |
7,50 |
647,0 (66,00) |
||
|
СКП1-12,5 |
СКП2-12,5 |
12,50 |
8,50 |
736,0 (75,00) |
||
|
СКП1-16,0 |
СКП2-16,0 |
16,00 |
11,00 |
5000 - 35000 |
600 |
941,0 (96,00) |
|
СКП1-20,0 |
СКП2-20,0 |
20,00 |
14,00 |
1177,0 (120,00) |
||
|
СКП1-25,0 |
СКП2-25,0 |
25,00 |
17,50 |
|
|
1471,0 (150,00) |
|
СКП1-32,0 |
СКП2-32,0 |
32,00 |
22,50 |
1883,0 (192,00) |
||
|
СКП1-40,0 |
СКП2-40,0 |
40,00 |
28,00 |
2354,0 (240,00) |
||
|
СКП1-50,0 |
СКП2-50,0 |
50,00 |
35,00 |
2942,0 (300,00) |
||
|
Примечание - Диаметр стального каната для изготовления стропов следует принимать по соответствующим стандартам в зависимости от маркировочных групп, при этом расчетное разрывное усилие ветви каната, указанное в настоящей таблице, должно быть меньше разрывного усилия каната в целом, указанного в соответствующем стандарте. |
||||||
4.2.6 Кольцевые канатные стропы
Основные параметры и размеры стропов типа СКК исполнения 1 должны соответствовать указанным на рисунке 8 и в таблице 7.
1 - стальной
канат грузового назначения марки 1, нераскручивающийся; 2 - место
заделки концов каната; 3 - втулка (2 шт.)
dk - диаметр каната
Рисунок 8 - Строп канатный кольцевой исполнения 1 с заделкой
концов каната опрессовкой
алюминиевой втулкой (а) и с заделкой
концов каната заплеткой (б)
Основные параметры и размеры стропов типа СКК исполнения 2 должны соответствовать указанным на рисунке 9 и в таблице 7.
1 - стальной канат грузового назначения марки 1, нераскручивающийся; 2 - место заделки концов каната; 3 - втулка
Рисунок 9 - Кольцевой канатный строп исполнения 2
Таблица 7 - Кольцевые канатные стропы
|
Обозначение стропа |
Грузоподъемность стропа, т, при угле наклона к вертикали |
Длина стропа L, мм |
Ширина стропа В, мм |
Расчетное разрывное усилие ветви каната, кН (тс), не менее |
||
|
Исполнение 1 |
Исполнение 2 |
α = 0° |
α = 45° |
|||
|
СКК1-0,32 |
СКК2-0,32 |
0,32 |
0,22 |
800 - 30000 |
50 |
9,4 (0,96) |
|
СКК1-0,36 |
СКК2-0,36 |
0,36 |
0,25 |
10,6 (1,08) |
||
|
СКК1-0,40 |
СКК2-0,40 |
0,40 |
0,28 |
11,8 (1,20) |
||
|
СКК1-0,45 |
СКК2-0,45 |
0,45 |
0,32 |
13,2 (1,35) |
||
|
СКК1-0,50 |
СКК2-0,50 |
0,50 |
0,35 |
14,7 (1,50) |
||
|
СКК1-0,56 |
СКК2-0,56 |
0,56 |
0,40 |
16,5 (1,68) |
||
|
СКК1-0,63 |
СКК2-0,63 |
0,63 |
0,45 |
18,5 (1,89) |
||
|
СКК1-0,70 |
СКК2-0,70 |
0,70 |
0,50 |
20,6 (2,10) |
||
|
СКК1-0,80 |
СКК2-0,80 |
0,80 |
0,56 |
23,5 (2,40) |
||
|
СКК1-0,90 |
СКК2-0,90 |
0,90 |
0,63 |
26,5 (2,70) |
||
|
СКК1-1,0 |
СКК2-1,0 |
1,00 |
0,70 |
29,4 (3,00) |
||
|
СКК1-1,1 |
СКК2-1,1 |
1,10 |
0,78 |
32,4 (3,30) |
||
|
СКК1-1,25 |
СКК2-1,25 |
1,25 |
0,88 |
36,8 (3,75) |
||
|
СКК1-1,4 |
СКК2-1,4 |
1,40 |
1,00 |
150 |
41,2 (4,20) |
|
|
СКК1-1,6 |
СКК2-1,6 |
1,60 |
1,10 |
1500 - 30000 |
47,1 (4,80) |
|
|
СКК1-1,8 |
СКК2-1,8 |
1,80 |
1,30 |
53,0 (5,40) |
||
|
СКК1-2,0 |
СКК2-2,0 |
2,00 |
1,40 |
59,0 (6,00) |
||
|
СКК1-2,25 |
СКК2-2,25 |
2,25 |
1,60 |
66,0 (6,75) |
||
|
СКК1-2,5 |
СКК2-2,5 |
2,50 |
1,80 |
74,0 (7,50) |
||
|
СКК1-2,8 |
СКК2-2,8 |
2,80 |
2,00 |
82,0 (8,40) |
||
|
СКК1-3,2 |
СКК2-3,2 |
3,20 |
2,30 |
94,0 (9,60) |
||
|
СКК1-3,6 |
СКК2-3,6 |
3,60 |
2,55 |
106,0 (10,80) |
||
|
СКК1-4,0 |
СКК2-4,0 |
4,00 |
2,80 |
118,0 (12,00) |
||
|
СКК1-4,5 |
СКК2-4,5 |
4,50 |
3,20 |
2000 - 30000 |
200 |
132,0 (13,50) |
|
СКК1-5,0 |
СКК2-5,0 |
5,00 |
3,55 |
147,0 (15,00) |
||
|
СКК1-5,6 |
СКК2-5,6 |
5,60 |
4,00 |
165,0 (16,80) |
||
|
СКК1-6,3 |
СКК2-6,3 |
6,30 |
4,45 |
185,0 (18,90) |
||
|
СКК1-7,0 |
СКК2-7,0 |
7,00 |
5,00 |
206,0 (21,00) |
||
|
СКК1-8,0 |
СКК2-8,0 |
8,00 |
5,56 |
235,0 (24,00) |
||
|
СКК1-9,0 |
СКК2-9,0 |
9,00 |
6,36 |
265,0 (27,00) |
||
|
СКК1-10,0 |
СКК2-10,0 |
10,0 |
7,10 |
294,0 (30,00) |
||
|
СКК1-11,0 |
СКК2-11,0 |
11,0 |
7,80 |
324,0 (33,00) |
||
|
СКК1-12,5 |
СКК2-12,5 |
12,5 |
8,50 |
368,0 (37,50) |
||
|
СКК1-14,0 |
СКК2-14,0 |
14,00 |
9,90 |
250 |
412,0 (42,00) |
|
|
СКК1-16,0 |
СКК2-16,0 |
16,00 |
11,30 |
470,0 (48,00) |
||
|
СКК1-20,0 |
СКК2-20,0 |
20,00 |
14,00 |
3000 - 30000 |
589,0 (60,00) |
|
|
СКК1-25,0 |
СКК2-25,0 |
25,00 |
17,50 |
736,0 (75,00) |
||
|
СКК1-32,0 |
СКК2-32,0 |
32,00 |
22,50 |
941,0 (96,00) |
||
|
СКК1-40,0 |
СКК2-40,0 |
40,00 |
28,00 |
300 |
1177,0 (120,00) |
|
|
СКК1-50,0 |
СКК2-50,0 |
50,00 |
35,00 |
1471,0 (150,00) |
||
|
СКК1-63,0 |
СКК2-63,0 |
63,00 |
44,50 |
1853,0 (189,00) |
||
|
СКК1-80,0 |
СКК2-80,0 |
80,00 |
56,50 |
2354,0 (240,00) |
||
|
СКК1-100,0 |
СКК2-100,0 |
100,00 |
70,50 |
2942,0 (300,00) |
||
|
Примечание - Диаметр стального каната для изготовления стропов следует принимать по соответствующим стандартам в зависимости от маркировочных групп, при этом расчетное разрывное усилие ветви каната, указанное в настоящей таблице, должно быть меньше разрывного усилия каната в целом, указанного в соответствующем стандарте. |
||||||
5.1.1 Грузовые канатные стропы следует изготовлять в соответствии с требованиями настоящего стандарта, ГОСТ 25032, федеральных норм и правил в области промышленной безопасности [1], рабочими чертежами, утвержденными в установленном порядке.
5.1.2 Стропы климатического исполнения ХЛ по ГОСТ 15150 должны сохранять работоспособность в условиях низких температур до минус 60 °С.
5.1.3 Канаты для стропов должны соответствовать требованиям ГОСТ 3071, ГОСТ 3079 и ГОСТ 7668.
Для стропов типов 1СК, 2СК, 3СК и 4СК допускается применять канаты по ГОСТ 2688, ГОСТ 3070, ГОСТ 3077 и ГОСТ 7665.
Для стропов климатического исполнения ХЛ следует применять канаты по ГОСТ 3071 и ГОСТ 3079.
5.1.4 Коуши стропов должны соответствовать техническим требованиям ГОСТ 2224.
5.1.5 Канатные ветви стропов следует изготовлять из целого каната. Сращивание канатов не допускается.
5.1.6 При изготовлении ветвей стропов типов 1СК, 2СК, 3СК и 4СК концы канатов заделывают опрессовкой алюминиевой или стальной втулками либо заплеткой.
Для стропов климатического исполнения ХЛ заделка концов канатов стальной втулкой не допускается.
5.1.7 При заделке концов канатов заплеткой места заплетки следует обкатывать обжимными роликами или протягивать через обжимную втулку.
При индивидуальном изготовлении стропов допускается место заплетки уплотнять обстукиванием молотком.
Места заплетки с выступающими концами проволок прядей должны быть обмотаны проволокой диаметром 1 мм по ГОСТ 3282 или другим материалом.
При обмотке проволокой или другим материалом должно быть обеспечено перекрытие участка с выступающими концами проволок прядей на 10 - 30 мм в обе стороны в зависимости от диаметра каната.
Витки проволоки должны плотно прилегать к канату и друг к другу, а концы проволоки - заделаны способом, исключающим ее разматывание.
5.1.8 На поверхности деталей звеньев и захватов не допускаются трещины, плены, расслоения, волосовины и надрывы.
Заваривать и заделывать указанные дефекты не допускается.
5.1.9 Соединительные элементы (звенья) из круглой стали следует изготовлять гибкой в холодном или горячем состоянии, а зацепные захваты - ковкой или штамповкой.
Качество поковок - по группе II ГОСТ 8479.
Применение сварки при изготовлении крюков не допускается.
5.1.10 В зацепных захватах допускается применять предохранительные замки, изготовленные по ГОСТ 12840 или рабочим чертежам предприятий-изготовителей, утвержденным в установленном порядке и согласованным с базовой организацией по грузозахватным устройствам.
5.1.11 Стропы, имеющие разъемные звенья типа Рт2 с увеличенным радиусом гибки скобы и овальные звенья типа Ов2, навешивают на зацепной захват грузоподъемных машин грузоподъемностью от 3 до 25 т согласно таблице 8.
Таблица 8 - Применение звеньев Рт2 и Ов2
|
Грузоподъемность зацепного захвата, т |
Тип звена |
|
|
Рт2 |
Ов2 |
|
|
3 |
|
Ов2-0,4 |
|
- |
Ов2-0,5 |
|
|
|
Ов2-0,63 |
|
|
5 |
Рт2-0,8 |
Ов2-0,8 |
|
Рт2-1,0 |
Ов2-1,0 |
|
|
Рт2-1,25 |
Ов2-1,25 |
|
|
10 |
Рт2-1,6 |
Ов2-1,6 |
|
Рт2-2,0 |
Ов2-2,0 |
|
|
Рт2-2,5 |
Ов2-2,5 |
|
|
Рт2-3,2 |
Ов2-3,2 |
|
|
16 |
Рт2-4,0 |
Ов2-4,0 |
|
Рт2-5,0 |
Ов2-5,0 |
|
|
Рт2-6,3 |
Ов2-6,3 |
|
|
Рт2-8,0 |
Ов2-8,0 |
|
|
25 |
Рт2-10,0 |
Ов2-10,0 |
|
Рт2-12,5 |
Ов2-12,5 |
|
|
Рт2-16,0 |
Ов2-16,0 |
|
5.2.1 Основные детали стропов следует изготовлять из материалов, указанных в таблице 9.
Таблица 9 - Материалы деталей стропов
|
Наименование деталей стропов |
Марка материала для деталей климатического исполнения |
|
|
У (умеренный климат) |
ХЛ (холодный климат) |
|
|
Захват |
Сталь 20 по ГОСТ 1050 |
15ХСНД, 09Г2С по ГОСТ 19281 |
|
Детали жестких соединительных элементов, несущие силовую нагрузку |
15ХСНД, 09Г2С по ГОСТ 19281 |
|
|
Детали жестких соединительных элементов, не несущие силовую нагрузку |
Ст3пс по ГОСТ 380 |
Ст3сп по ГОСТ 380 |
5.2.2 Втулки для заделки концов канатов опрессовкой следует изготовлять из алюминиевых сплавов марок АД0, АД1, АД31, АМц по ГОСТ 4784 или из стали марки 20 по ГОСТ 1050.
5.2.3 Конструкция и размеры втулок для опрессовки приведены в приложении В.
Поверхность втулки до опрессовки не должна иметь забоин, вмятин и других механических повреждений.
Алюминиевые втулки после опресовки не должны иметь вмятин глубиной более 35 % толщины стенки втулки. Алюминиевые и стальные втулки после опрессовки не должны иметь трещин. В противном случае строп бракуют.
Заделанный конец каната должен выступать из втулки не менее чем на 2 мм.
5.2.4 Разность длин канатных ветвей стропов типа 4СК1 не должна превышать значений, указанных в таблице 10.
Таблица 10 - Допустимая разность длин канатных ветвей стропов 4СК1
|
Длина ветвей, мм |
Разность длин ветвей, мм |
|
|
До 2000 |
включительно |
20 |
|
Св.2000 |
» 3000 » |
30 |
|
» 3000 |
» 4000 » |
40 |
|
» 4000 |
» 6000 » |
50 |
|
» 6000 |
|
60 |
5.2.5 Зацепные захваты после ковки или штамповки, скобы разъемных звеньев после гибки, а неразъемные звенья после сварки должны быть термообработаны и очищены от окалины.
Детали для стропов климатического исполнения У должны быть подвергнуты нормализации, а детали климатического исполнения ХЛ - нормализации или закалке с последующим отпуском.
После термообработки твердость металла деталей климатического исполнения У должна быть не менее 110 НВ, климатического исполнения ХЛ - не менее 135 НВ, ударная вязкость металла деталей климатического исполнения ХЛ должна быть не менее 29 Дж/см2 (3 кгс · м/см2) при температуре минус 40 °С.
Предел текучести и относительное удлинение металла деталей после термообработки должны быть не ниже, чем до термообработки.
5.2.6 Планки для разъемных звеньев Рт1, Рт2 и Рт3 допускается изготовлять из набора пластин толщиной не менее 12 мм.
5.2.7 Неуказанные предельные отклонения размеров:
- по ГОСТ 30893.1 - Н16, h16, ±IТ16/2 - для деталей, изготовленных гибкой;
- по ГОСТ 30893.1 - Н14, h14, ±IТ14/2 - образуемых при механической обработке;
- по группе II ГОСТ 7505 - образуемых штамповкой;
- по ГОСТ 7829 - образуемых ковкой.
5.3.1 После гибки или штамповки концы звеньев из круглой стали следует сваривать контактной стыковой сваркой сопротивлением или оплавлением.
Сварной шов треугольного звена должен быть расположен в центре нижней стороны звена, а овальных звеньев - на прямолинейном участке.
Допускается применять ручную дуговую сварку сварного соединения с конструктивными элементами, разработанными по документации, утвержденной в установленном порядке.
5.3.2 В местах сварки не должно быть непроваров и подрезов.
5.3.3 Сварку пластин Пк звеньев Кр, приведенных в приложении Б, проводят точечной контактной сваркой по ГОСТ 15878. Пластины после сварки должны перемещаться свободно без заеданий.
5.3.4 При сварке звеньев из круглой стали увеличение диаметра в месте сварки не должно превышать 10 %.
5.3.5 Смещение свариваемых концов звена в месте стыка не должно превышать значений, приведенных в таблице 11.
Таблица 11 - Допустимое смещение свариваемых концов звена
|
Диаметр сечения звена, мм |
Смещения концов звена, мм |
|
|
До 13 |
включ. |
0,5 |
|
Св. 13 |
» 24 » |
1,0 |
|
» 24 |
» 40 » |
1,5 |
|
» 40 |
|
2,0 |
5.3.6 Сварочные материалы, применяемые для сварки деталей стропов, должны обеспечивать механические свойства сварного соединения не ниже механических свойств основного металла.
5.3.7 Сварку звеньев стропов должны проводить сварщики, аттестованные в соответствии с правилами безопасности [2].
5.4.1 Конструкция блоков (уравнительных звеньев) должна иметь канавку для расположения в ней каната. Диаметр канавки больше диаметра каната на (1,0 ± 0,1) мм по всему периметру блока.
Глубина канавки должна быть не менее половины диаметра каната.
5.4.2 Диаметры блоков по впадинам канавки должны быть не менее восьми диаметров каната.
5.4.3 Конструкция обойм уравнительных звеньев должна исключать возможность самопроизвольного спадания канатов с блока.
5.4.4 Уравнительные блоки должны свободно вращаться на осях.
5.4.5 Блоки следует изготовлять из стали с механическими свойствами не ниже стали марки 25Л по ГОСТ 977.
5.4.6 Оси блоков следует изготовлять в соответствии с требованиями ГОСТ 9650.
5.4.7 Оси блоков следует изготовлять из стали с механическими свойствами не ниже стали марки 35 по ГОСТ 1050, исполнения ХЛ - из стали 40Х по ГОСТ 4543.
5.5.1 Втулки для стропов типов СКП2 и СКК2 следует изготовлять по рабочим чертежам предприятий-изготовителей, утвержденным в установленном порядке и согласованным с базовой организацией по грузозахватным устройствам.
5.5.2 Втулка для стропов типов СКП2 и СКК2 должна свободно перемещаться по канату. Гарантированный зазор между стенкой втулки и канатом должен быть не менее 5 мм.
5.5.3 Втулки для стропов типов СКП2 и СКК2 следует изготовлять из стали марки 20 по ГОСТ 1050 и стали марки 25Л по ГОСТ 977.
5.5.4 Крюк втулки для стропов типов СКП2 и СКК2 должен выдерживать нагрузку, равную половине номинальной грузоподъемности стропа и направленную параллельно его ветви.
5.5.5 Коэффициент запаса прочности крюка втулки для стропов типов СКП2 и СКК2 должен быть не менее 1,25 от половины номинальной грузоподъемности стропа.
5.6.1 Стропы и их элементы должны выдерживать статическую нагрузку, превышающую на 25 % их номинальную грузоподъемность.
5.6.2 Расчетный коэффициент запаса прочности канатов стропов должен быть не менее 6.
5.6.3 Расчетный коэффициент запаса прочности жестких соединительных элементов и захватов стропов должен быть не менее 5.
5.6.4 Статическое разрывное усилие грузовых канатных стропов должно быть не менее 5-кратного превышения их номинальной грузоподъемности.
6.1 При изготовлении стропов необходимо соблюдать следующие требования безопасности: к производственному процессу - по ГОСТ 12.3.002, к электробезопасности - по ГОСТ Р 12.1.019.
6.2 Резку каната абразивным кругом следует выполнять с использованием средств индивидуальной защиты глаз по ГОСТ 12.4.253.
6.3 Зацепные захваты стропов должны быть снабжены предохранительными замками, конструкция и размеры которых приведены в приложении Б. Допускается применять предохранительные замки крюков по ГОСТ 12840 и рабочим чертежам предприятий-изготовителей, утвержденным и согласованным с базовой организацией по грузозахватным устройствам.
6.4 При проведении испытаний стропы или канатная ветвь должны быть ограждены сплошным или сетчатым кожухом для предохранения рабочих от травм.
6.5 Испытания и эксплуатация стропов должны производиться в соответствии с требованиями настоящего стандарта, федеральных норм и правил в области промышленной безопасности [1] и строительных норм и правил [3].
6.6 Грузовые стропы должны проходить техническое освидетельствование, объем, порядок и периодичность которых определяются инструкциями по эксплуатации.
При отсутствии в инструкции по эксплуатации указаний по проведению технического освидетельствования его проводят согласно федеральным нормам и правилам в области промышленной безопасности [1].
Грузовые стропы, не прошедшие техническое освидетельствование, к работе не допускаются.
7.1 Стропы, захваты и звенья должны подвергаться приемо-сдаточным, приемочным и сертификационным испытаниям в соответствии с ГОСТ 16504.
Перед испытаниями изделий необходимо удалить консервационную смазку.
Все испытания должны проводиться в нормальных климатических условиях согласно ГОСТ 15150:
- температура - (25 ± 10) °С;
- относительная влажность воздуха - 45 % - 80 %;
- атмосферное давление 84,0 - 106,7 кПа (630 - 800 мм рт. ст.),
если в стандартах на отдельные группы изделий не приняты другие пределы, обусловленные спецификой изделий.
Перед испытаниями образцы выдерживают в нормальных климатических условиях в течение 24 ч, если не оговорено иное требование.
7.2 При приемо-сдаточных испытаниях стропы и их элементы проверяют в соответствии с таблицей 12.
Таблица 12 - Проверка при приемо-сдаточных испытаниях
|
Выборка для проверки |
Пункты требований |
|
Все стропы и их элементы |
5.1.5 - 5.1.8; 5.2.3, 5.2.4; 5.3.1 - 5.3.5; 5.4.1 - 5.4.4; 5.5.2 |
|
10 % от партии, но не менее 2 шт., включая первое и последнее изделие партии |
|
|
Все стропы и их элементы при индивидуальном изготовлении |
Партия стропов должна состоять из изделий одних типа и грузоподъемности, изготовленных из каната с одного барабана (бухты) и деталей из одной партии.
Партия деталей должна состоять из деталей одного типоразмера, изготовленных из металла одной марки и совместно прошедших термообработку.
7.3 Приемочным испытаниям подвергается один образец, который должен соответствовать всем техническим требованиям.
Допускается после испытания в соответствии с 5.6.1 проводить испытания по 5.6.4.
7.4 Для сертификационных испытаний используют три образца. Выбор образцов проводят случайным образом. Все три образца должны соответствовать всем техническим требованиям.
Допускается после испытания в соответствии с 5.6.1 проводить испытания по 5.6.4.
При получении неудовлетворительных результатов проверки по какому-либо из показателей хотя бы одного стропа должна проводиться повторная проверка по всем показателям удвоенного числа образцов, взятых от той же партии.
В случае неудовлетворительных результатов повторной проверки партию бракуют.
7.5 При серийном изготовлении необходимо проводить периодические и типовые испытания на соответствие всем техническим требованиям.
8.1 Соответствие материалов деталей стропов и сварочных материалов указанным в рабочих чертежах проверяют по документам по оценке соответствия или результатам лабораторного анализа.
8.2 Качество поверхностей деталей звеньев и захватов, правильность расположения сварных швов звеньев, качество заделки концов канатов, цельность канатов ветвей стропов проверяют органолептическими методами.
8.3 Увеличение диаметра сечения звеньев и смещение их концов в месте сварки, размер конца каната, выступающего из втулки после заделки, а также разность длин канатных ветвей проверяют линейкой, штангенциркулем, шаблонами или калибрами.
8.4 Качество сварных соединений звеньев проверяют путем их осмотра и обмера по ГОСТ 3242. Механические испытания звеньев на статическое растяжение проводят по ГОСТ 6996.
8.5 Твердость металла определяют по ГОСТ 9012 и ГОСТ 9013.
Предел текучести, временное сопротивление разрыву и относительное удлинение металла определяют по ГОСТ 1497.
Ударную вязкость металла определяют по ГОСТ 9454.
8.6 Испытание стропов на статическое нагружение в соответствии с 5.6.1 проводят статической нагрузкой или контрольным грузом. Контроль нагружения осуществляется динамометром, включенным последовательно в цепь нагружения. Нагружение осуществляется плавно, без рывков. Нагружению подвергают каждый строп по отдельности.
При серийном изготовлении либо изготовлении стропов партиями время их выдержки под нагрузкой не менее 3 мин, а при индивидуальном - не менее 10 мин.
8.7 Испытание стропов на статическую прочность в соответствии с 5.6.4 проводят на статической разрывной машине. Контроль нагружения осуществляется динамометром, включенным последовательно в цепь нагружения. Нагружение осуществляется плавно, без рывков, со скоростью линейного перемещения подвижной части статической разрывной машины от 20 до 50 мм/мин. Испытанию подвергают каждый строп по отдельности.
9.1 Каждый строп должен быть снабжен клеймом или прочно прикрепленной металлической биркой, на которой указывают:
- наименование или товарный знак предприятия-изготовителя;
- тип стропа в соответствии с классификацией настоящего стандарта;
- номер стропа по системе нумерации предприятия-изготовителя;
- грузоподъемность стропа, тонна-сил;
- дату приемо-сдаточных испытаний (месяц, год).
9.2 На каждом звене и захвате стропа на установленном для маркировки месте ударным способом или штамповкой должны быть нанесены:
- наименование или товарный знак предприятия-изготовителя;
- допускаемая нагрузка;
- год испытания (последние две цифры).
9.3 Стропы одного типа, длины и одинаковой грузоподъемности, свернутые кольцом, комплектуют в одну общую бухту, которую завязывают по периметру не менее чем в трех местах.
Канатные стропы диаметром до 11,5 мм и длиной до 35 м могут быть связаны в пачки или уложены в контейнеры. Масса пачки не должна превышать 100 кг.
9.4 Маркировка грузовых мест бухты, пачки - по ГОСТ 14192.
9.5 Транспортирование стропов - по группе условий хранения ОЖ3 по ГОСТ 15150-69 (пункт 10.1) транспортом любого вида.
9.6 Хранение стропов - по группе условий хранения ОЖ4 по ГОСТ 15150-69 (пункт 10.1).
9.7 Сведения об изготовленных стропах должны заноситься в журнал в соответствии с федеральными нормами и правилами в области промышленной безопасности [1].
9.8 Строп, канатная ветвь, звено или их партии, изготовляемые для сторонних организаций, должны сопровождаться документом (паспортом), удостоверяющим соответствие их требованиям настоящего стандарта, в котором указывают:
- наименование или товарный знак предприятия-изготовителя;
- тип изделия;
- грузоподъемность (допускаемую нагрузку);
- длину (для стропов и канатных ветвей);
- порядковый номер по системе нумерации предприятия-изготовителя;
- количество в партии;
- год и месяц выпуска;
- результаты проверок и испытаний;
- гарантийные обязательства;
- обозначение настоящего стандарта.
10.1 Изготовитель должен гарантировать соответствие стропов требованиям настоящего стандарта при соблюдении потребителем условий хранения и эксплуатации, установленных стандартом.
10.2 Гарантийный срок эксплуатации стропов типа СК - не менее 6 мес, для стропов типов СКП и СКК - 3 мес при односменной работе.
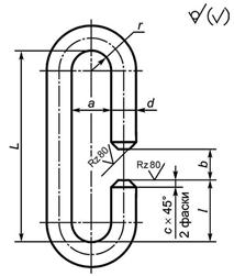
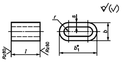
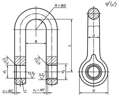
Конструкция и размеры канатных ветвей должны соответствовать указанным на рисунке А.1 и в таблице А.1.
Допускается изготовлять канатную ветвь с переходным звеном по рисунку А2.
Конструкция и размеры разъемных переходных звеньев должны соответствовать указанным на рисунках Б.29 и в таблице Б.43 приложения Б.
1 - стальной канат грузового назначения марки 1,
нераскручивающийся; 2 - коуш по ГОСТ
2224; 3 - место заделки концов
каната (рекомендации по способам заделки приведены в приложении В); dk -
диаметр каната
Рисунок А.1 - Канатная ветвь с заделкой концов каната
опрессовкой алюминиевой или стальной втулкой (а)
и с заделкой концов каната заплеткой (б)
1 - стальной канат грузового назначения марки 1,
нераскручивающийся; 2 - коуш по ГОСТ
2224; 3 - место заделки концов
каната (рекомендации по способам заделки приведены в приложении В); 4 - звено разъемное
переходное РП;
dk - диаметр каната
Рисунок А.2 - Канатная ветвь с переходным звеном
Таблица А.1 - Канатные ветви
|
Обозначение ветви каната |
Допускаемая нагрузка, кН (тс) |
Расчетное разрывное усилие ветви каната, кН (тс) |
Нагрузка при испытании в соответствии с 5.6.1, кН (тс) |
Длина канатной ветви L, мм |
|
ВК-0,32 |
3,14 (0,32) |
18,8 (1,92) |
3,92 (0,40) |
800 - 5000 |
|
ВК-0,4 |
3,92 (0,40) |
23,5 (2,40) |
4,90 (0,50) |
|
|
ВК-0,5 |
4,90 (0,50) |
29,4 (3,00) |
6,18 (0,63) |
1000 - 10000 |
|
ВК-0,63 |
6,18 (0,63) |
37,1 (3,78) |
7,85 (0,80) |
|
|
ВК-0,8 |
7,85 (0,80) |
47,1 (4,80) |
9,81 (1,00) |
1000 - 15000 |
|
ВК-1,0 |
9,81 (1,00) |
58,9 (6,00) |
12,26 (1,25) |
|
|
ВК-1,25 |
12,26 (1,25) |
73,6 (7,50) |
15,70 (1,60) |
|
|
ВК-1,6 |
15,70 (1,60) |
94,2 (9,60) |
19,62 (2,00) |
1250 - 16000 |
|
ВК-2,0 |
19,62 (2,00) |
118,0 (12,00) |
24,52 (2,50) |
|
|
ВК-2,5 |
24,52 (2,50) |
147,0 (15,00) |
31,40 (3,20) |
|
|
ВК-3,2 |
31,40 (3,20) |
188,0 (19,20) |
39,24 (4,00) |
1250 - 20000 |
|
ВК-4,0 |
39,24 (4,00) |
235,0 (24,00) |
49,05 (5,00) |
|
|
ВК-5,0 |
49,05 (5,00) |
294,0 (30,00) |
61,80 (6,30) |
|
|
ВК-6,3 |
61,80 (6,30) |
371,0 (37,80) |
78,50 (8,00) |
1600 - 20000 |
|
ВК-8,0 |
78,50 (8,00) |
471,0 (48,00) |
98,10 (10,00) |
|
|
ВК-10,0 |
98,10 (10,00) |
589,0 (60,00) |
122,60 (12,50) |
|
|
ВК-12,5 |
122,60 (12,50) |
736,0 (75,00) |
157,00 (16,00) |
|
|
ВК-16,0 |
156,90 (16,00) |
941,0 (96,00) |
196,13 (20,00) |
2500 - 25000 |
|
ВК-20,0 |
196,13 (20,00) |
1177,0 (120,00) |
245,17 (25,00) |
|
|
ВК-25,0 |
245,17 (25,00) |
1471,0 (150,00) |
313,81 (32,00) |
|
|
ВК-32,0 |
313,81 (32,00) |
1883,0 (192,00) |
392,27 (40,00) |
|
|
ВК-40,0 |
392,27 (40,00) |
2354,0 (240,00) |
490,33 (50,00) |
Б.1 Соединительные элементы
Б.1.1 В качестве соединительных элементов могут быть использованы:
- треугольные разъемные звенья Рт исполнений Рт1, Рт2, Рт3 и Рт4;
- овальные разъемные звенья Ров;
- треугольные звенья Т;
- овоидные звенья О;
- овальные звенья Ов исполнений Ов1 и Ов2;
- звенья в виде карабинов Кр;
- переходные разъемные звенья РП.
Допускается применение иных соединительных элементов. При этом предприятие-изготовитель должно гарантировать их соответствие требованиям настоящего стандарта, стандартам или техническим условиям на соединительные элементы конкретного типа.
Б.1.2 Треугольные разъемные звенья Рт исполнения Рт1
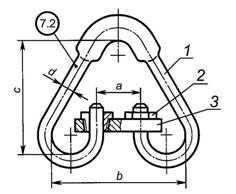
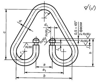
Б.1.2.1 Конструкция и размеры звеньев Рт исполнения Рт1, эксплуатируемых в районах с умеренным климатом, должны соответствовать указанным на рисунке Б.1 и в таблице Б.1, а в районах с холодным климатом - на рисунке Б.1 и в таблице Б.2.
1 - скоба; 2 - ограничитель; 3 - планка; 4
- болт по ГОСТ
7798;
5 - гайка по ГОСТ
5919; 6 - шплинт по ГОСТ 397
Рисунок Б.1 - Звено Рт1
Таблица Б.1 - Треугольные разъемные звенья Рт1 для умеренного климата
|
Обозначение звена |
Допустимая нагрузка, кН (тс) |
Размер, мм |
Обозначение деталей звена |
Масса, кг |
|||||||||
|
d |
а |
b |
c |
r |
Скоба |
Ограничитель |
Планка |
Болт |
Гайка |
Шплинт |
|||
|
Рт1-0,63 |
6,18 (0,63) |
14 |
32 |
126 |
115 |
20 |
Ст1-1,0 |
Ог-1,0 |
П-1,0 |
2М8×35.36 |
М8,4 |
2×20.001 |
1,00 |
|
Рт1-0,8 |
7,85 (0,80) |
||||||||||||
|
Рт1-1,0 |
9,81 (1,00) |
||||||||||||
|
Рт1-1,25 |
12,26 (1,25) |
16 |
38 |
142 |
130 |
22 |
Ст1-1,25 |
Ог-1,25 |
П-1,25 |
1,33 |
|||
|
Рт1-1,6 |
15,70 (1,60) |
18 |
156 |
140 |
25 |
Ст1-1,6 |
Ог-1,6 |
П-1,6 |
1,69 |
||||
|
Рт1-2,0 |
19,62 (2,00) |
20 |
42 |
174 |
160 |
30 |
Ст1-2,0 |
Ог-2,0 |
П-2,0 |
2,29 |
|||
|
Рт1-2,5 |
24,52 (2,50) |
22 |
50 |
192 |
175 |
32 |
Ст1-2,5 |
Ог-2,5 |
П-2,5 |
2М10×40.36 |
М10,4 |
2,5×25.001 |
3,00 |
|
Рт1-3,2 |
31,40 (3,20) |
25 |
55 |
200 |
185 |
35 |
Ст1-3,2 |
Ог-3,2 |
П-3,2 |
4,12 |
|||
|
Рт1-4,0 |
39,24 (4,00) |
28 |
60 |
228 |
215 |
40 |
Ст1-4,0 |
Ог-4,0 |
П-4,0 |
2М12×45.36 |
М12,4 |
3,2×32.001 |
5,76 |
|
Рт1-5,0 |
49,05 (5,00) |
32 |
68 |
260 |
240 |
45 |
Ст1-5,0 |
Ог-5,0 |
П-5,0 |
8,50 |
|||
|
Рт1-6,3 |
61,80 (6,30) |
35 |
74 |
289 |
265 |
50 |
Ст1-6,3 |
Ог-6,3 |
П-6,3 |
2М12×50.36 |
11,00 |
||
|
Рт1-8,0 |
78,50 (8,00) |
40 |
82 |
322 |
295 |
55 |
Ст1-8,0 |
Ог-8,0 |
П-8,0 |
15,48 |
|||
|
Рт1-10,0 |
98,10 (10,00) |
45 |
90 |
355 |
325 |
60 |
Ст1-10,0 |
Ог-10,0 |
П-10,0 |
2М12×55.36 |
22,40 |
||
|
Рт1-12,5 |
122,60 (12,50) |
50 |
100 |
390 |
360 |
65 |
Ст1-12,5 |
Ог-12,5 |
П-12,5 |
2М12×60.36 |
30,00 |
||
|
Рт1-16,0 |
157,00 (16,00) |
55 |
110 |
425 |
395 |
75 |
Ст1-16,0 |
Ог-16,0 |
П-16,0 |
2М12×70.36 |
41,10 |
||
|
Примечание - В настоящей таблице и таблицах Б.2 - Б.53, В.1 последние цифры в обозначении звена и деталей звена соответствуют допускаемой нагрузке на них. |
|||||||||||||
Таблица Б.2 - Треугольные разъемные звенья Рт1 для холодного климата
|
Обозначение звена |
Допустимая нагрузка, кН (тс) |
Размер, мм |
Обозначение деталей звена |
Масса, кг |
|||||||||
|
d |
а |
b |
c |
r |
Скоба |
Ограничитель |
Планка |
Болт |
Гайка |
Шплинт |
|||
|
Рт1-0,63ХЛ |
6,18 (0,63) |
14 |
32 |
126 |
115 |
20 |
Ст1-0,63ХЛ |
Ог-0,63ХЛ |
П-0,63ХЛ |
2М8×35.36 |
М8,4 |
2×20.001 |
1,00 |
|
Рт1-0,8ХЛ |
7,85 (0,80) |
Ст1-0,8ХЛ |
Ог-0,8ХЛ |
П-0,8ХЛ |
|||||||||
|
Рт1-1,0ХЛ |
9,81 (1,00) |
Ст1-1,0ХЛ |
Ог-1,0ХЛ |
П-1,0ХЛ |
|||||||||
|
Рт1-1,25ХЛ |
12,26 (1,25) |
Ст1-1,25ХЛ |
Ог-1,25ХЛ |
П-1,25ХЛ |
|||||||||
|
Рт1-1,6ХЛ |
15,70 (1,60) |
16 |
38 |
142 |
130 |
22 |
Ст1-1,6ХЛ |
Ог-1,6ХЛ |
П-1,6ХЛ |
1,33 |
|||
|
Рт1-2,0ХЛ |
19,62 (2,00) |
18 |
156 |
140 |
25 |
Ст1-2,0ХЛ |
Ог-2,0ХЛ |
П-2,0ХЛ |
1,69 |
||||
|
Рт1-2,5ХЛ |
24,52 (2,50) |
20 |
42 |
174 |
160 |
30 |
Ст1-2,5ХЛ |
Ог-2,5ХЛ |
П-2,5ХЛ |
2,29 |
|||
|
Рт1-3,2ХЛ |
31,40 (3,20) |
22 |
50 |
192 |
175 |
32 |
Ст1-3,2ХЛ |
Ог-3,2ХЛ |
П-3,2ХЛ |
2М10×40.36 |
М10,4 |
2,5×25.001 |
3,00 |
|
Рт1-4,0ХЛ |
39,24 (4,00) |
25 |
55 |
200 |
185 |
35 |
Ст1-4,0ХЛ |
Ог-4,0ХЛ |
П-4,0ХЛ |
4,12 |
|||
|
Рт1-5,0ХЛ |
49,05 (5,00) |
28 |
60 |
228 |
215 |
40 |
Ст1-5,0ХЛ |
Ог-5,0ХЛ |
П-5,0ХЛ |
2М12×45.36 |
М12,4 |
3,2×32.001 |
5,76 |
|
Рт1-6,3ХЛ |
61,80 (6,30) |
32 |
68 |
260 |
240 |
45 |
Ст1-6,3ХЛ |
Ог-6,3ХЛ |
П-6,3ХЛ |
8,50 |
|||
|
Рт1-8,0ХЛ |
78,50 (8,00) |
35 |
74 |
289 |
265 |
50 |
Ст1-8,0ХЛ |
Ог-8,0ХЛ |
П-8,0ХЛ |
2М12×50.36 |
11,00 |
||
|
Рт1-10,0ХЛ |
98,10 (10,00) |
40 |
82 |
322 |
295 |
55 |
Ст1-10,0ХЛ |
Ог-10,0ХЛ |
П-10,0ХЛ |
15,48 |
|||
|
Рт1-12,5ХЛ |
122,60 (12,50) |
45 |
90 |
355 |
325 |
60 |
Ст1-12,5ХЛ |
Ог-12,5ХЛ |
П-12,5ХЛ |
2М12×55.36 |
22,40 |
||
|
Рт1-16,0ХЛ |
157,00 (16,00) |
50 |
100 |
390 |
360 |
65 |
Ст1-16,0ХЛ |
Ог-16,0ХЛ |
П-16,0ХЛ |
2М12×60.36 |
30,00 |
||
|
Рт1-20,0ХЛ |
196,20 (20,00) |
55 |
110 |
425 |
395 |
75 |
Ст1-20,0ХЛ |
Ог-20,0ХЛ |
П-20,0ХЛ |
2М12×70.36 |
41,10 |
||
Пример условного обозначения разъемного звена Рт1 с допускаемой нагрузкой 78,5 кН (8,0 тс) для районов с умеренным климатом:
Звено Рт1-8,0 ГОСТ Р 58753-2019
То же, предназначенного для эксплуатации в районах с холодным климатом:
Звено Рт1-8,0 ХЛ ГОСТ Р 58753-2019
Б.1.2.2 Конструкция и размеры скобы Ст1 для звеньев Рт1, эксплуатируемых в районах с умеренным климатом, должны соответствовать указанным на рисунке Б.2 и в таблице Б.3, а в районах с холодным климатом - на рисунке Б.2 и в таблице Б.4.
Материал для деталей климатического исполнения У - сталь 20 по ГОСТ 1050 или Ст3сп по ГОСТ 380, для деталей климатического исполнения ХЛ - 15ХСНД или 09Г2С по ГОСТ 19281.
Рисунок Б.2 - Скоба Ст1 для звеньев Рт1
Таблица Б.3 - Скобы Ст1 звеньев Рт1 для умеренного климата
Размеры в миллиметрах
|
Обозначение скобы |
d |
d1 |
а |
а1 |
b |
h |
l |
l1 |
с |
r |
r1 |
Длина развертки |
Масса, кг |
|
|
Номин. |
Пред. откл. |
|||||||||||||
|
Ст1-0,63 |
14 |
8 |
32 |
±1,0 |
86 |
126 |
72 |
13 |
6 |
115 |
20 |
20 |
495 |
0,6 |
|
Ст1-0,8 |
||||||||||||||
|
Ст1-1,0 |
||||||||||||||
|
Ст1-1,25 |
16 |
10 |
38 |
98 |
142 |
80 |
17 |
130 |
22 |
22 |
560 |
0,9 |
||
|
Ст1-1,6 |
18 |
12 |
106 |
156 |
85 |
140 |
25 |
25 |
610 |
1,2 |
||||
|
Ст1-2,0 |
20 |
42 |
118 |
174 |
90 |
160 |
28 |
30 |
672 |
1,7 |
||||
|
Ст1-2,5 |
22 |
14 |
50 |
±1,5 |
132 |
192 |
97 |
18 |
175 |
30 |
32 |
750 |
2,2 |
|
|
Ст1-3,2 |
25 |
18 |
55 |
140 |
200 |
100 |
185 |
35 |
779 |
3,1 |
||||
|
Ст1-4,0 |
28 |
22 |
60 |
158 |
228 |
115 |
22 |
7 |
215 |
35 |
40 |
894 |
4,3 |
|
|
Ст1-5,0 |
32 |
26 |
68 |
±1,5 |
180 |
260 |
130 |
25 |
7 |
240 |
40 |
45 |
1016 |
6,4 |
|
Ст1-6,3 |
35 |
28 |
74 |
199 |
289 |
140 |
265 |
50 |
50 |
1113 |
8,4 |
|||
|
Ст1-8,0 |
40 |
30 |
82 |
222 |
322 |
150 |
8 |
295 |
55 |
55 |
1232 |
12,0 |
||
|
Ст1-10,0 |
45 |
35 |
90 |
245 |
355 |
175 |
35 |
10 |
325 |
60 |
60 |
1376 |
17,0 |
|
|
Ст1-12,5 |
50 |
40 |
100 |
270 |
390 |
195 |
40 |
360 |
65 |
65 |
1514 |
22,8 |
||
|
Ст1-16,0 |
55 |
45 |
110 |
295 |
425 |
215 |
45 |
12 |
395 |
75 |
75 |
1670 |
31,0 |
|
Таблица Б.4 - Скобы Ст1 звеньев Рт1 для холодного климата
Размеры в миллиметрах
|
Обозначение скобы |
d |
d1 |
а |
а1 |
b |
h |
l |
l1 |
с |
r |
r1 |
Длина развертки |
Масса, кг |
|
|
Номин. |
Пред. откл. |
|||||||||||||
|
Ст1-0,63ХЛ |
14 |
8 |
32 |
±1,0 |
86 |
126 |
72 |
13 |
6 |
115 |
20 |
20 |
495 |
0,6 |
|
Ст1-0,8ХЛ |
||||||||||||||
|
Ст1-1,0ХЛ |
||||||||||||||
|
Ст1-1,25ХЛ |
||||||||||||||
|
Ст1-1,6ХЛ |
16 |
10 |
38 |
98 |
142 |
80 |
17 |
130 |
22 |
22 |
560 |
0,9 |
||
|
Ст1-2,0ХЛ |
18 |
12 |
106 |
156 |
85 |
140 |
25 |
25 |
610 |
1,2 |
||||
|
Ст1-2,5ХЛ |
20 |
42 |
±1,5 |
118 |
174 |
90 |
160 |
28 |
30 |
672 |
1,7 |
|||
|
Ст1-3,2ХЛ |
22 |
14 |
50 |
132 |
192 |
97 |
18 |
175 |
30 |
32 |
750 |
2,2 |
||
|
Ст1-4,0ХЛ |
25 |
18 |
55 |
140 |
200 |
100 |
185 |
35 |
779 |
3,1 |
||||
|
Ст1-5,0ХЛ |
28 |
22 |
60 |
158 |
228 |
115 |
22 |
7 |
215 |
35 |
40 |
894 |
4,3 |
|
|
Ст1-6,3ХЛ |
32 |
26 |
68 |
180 |
260 |
130 |
25 |
240 |
40 |
45 |
1016 |
6,4 |
||
|
Ст1-8,0ХЛ |
35 |
28 |
74 |
199 |
289 |
140 |
265 |
50 |
50 |
1113 |
8,4 |
|||
|
Ст1-10,0ХЛ |
40 |
30 |
82 |
222 |
322 |
150 |
8 |
295 |
55 |
55 |
1232 |
12,0 |
||
|
Ст1-12,5ХЛ |
45 |
35 |
90 |
245 |
355 |
175 |
35 |
10 |
325 |
60 |
60 |
1376 |
17,0 |
|
|
Ст1-16,0ХЛ |
50 |
40 |
100 |
270 |
390 |
195 |
40 |
360 |
65 |
65 |
1514 |
22,8 |
||
|
Ст1-20,0ХЛ |
55 |
45 |
110 |
295 |
425 |
215 |
45 |
12 |
395 |
75 |
75 |
1670 |
31,0 |
|
Б.1.2.3 Конструкция и размеры ограничителя Ог для звеньев Рт, эксплуатируемых в районах с умеренным климатом, должны соответствовать указанным на рисунке Б.3 и в таблице Б.5, а в районах с холодным климатом - на рисунке Б.3 и в таблице Б.6.
Рисунок Б.3 - Ограничитель Ог для звеньев Рт
Материал для деталей климатического исполнения У - Ст3пс по ГОСТ 380, для деталей климатического исполнения ХЛ - Ст3сп по ГОСТ 380.
Таблица Б.5 - Ограничители Ог звеньев Рт для умеренного климата
Размеры в миллиметрах
|
Обозначение ограничителя |
а |
a1 |
b |
b1 |
c |
d |
l |
l1 |
Толщина ограничителя s |
r |
Масса, кг |
|||
|
Номин. |
Пред. откл. |
Номин. |
Пред. откл. |
Номин. |
Пред. откл. |
|||||||||
|
Ог-1,0 |
32 |
±0,5 |
16,0 |
±0,35 |
25 |
14 |
4,5 |
±0,5 |
9 |
90 |
9 |
4 |
4,5 |
0,06 |
|
Ог-1,25 |
38 |
19,0 |
28 |
16 |
100 |
11 |
5,5 |
0,08 |
||||||
|
Ог-1,6 |
30 |
18 |
110 |
14 |
7,0 |
0,09 |
||||||||
|
Ог-2,0 |
42 |
21,0 |
32 |
20 |
130 |
0,11 |
||||||||
|
Ог-2,5 |
50 |
±1,0 |
25,0 |
36 |
22 |
10,5 |
11 |
150 |
16 |
8,0 |
0,15 |
|||
|
Ог-3,2 |
55 |
27,5 |
40 |
25 |
160 |
20 |
10,0 |
0,17 |
||||||
|
Ог-4,0 |
60 |
30,0 |
45 |
28 |
15,0 |
14 |
190 |
24 |
5 |
12,0 |
0,28 |
|||
|
Ог-5,0 |
68 |
34,0 |
50 |
32 |
220 |
28 |
14,0 |
0,36 |
||||||
|
Ог-6,3 |
74 |
37,0 |
35 |
240 |
30 |
15,0 |
0,41 |
|||||||
|
Ог-8,0 |
82 |
41,0 |
60 |
40 |
17,0 |
270 |
32 |
6 |
16,0 |
0,65 |
||||
|
Ог-10,0 |
90 |
45,0 |
65 |
45 |
300 |
37 |
8 |
18,5 |
1,03 |
|||||
|
Ог-12,5 |
100 |
50,0 |
70 |
50 |
320 |
42 |
21,0 |
1,16 |
||||||
|
Ог-16,0 |
110 |
55,0 |
75 |
55 |
360 |
47 |
10 |
23,5 |
1,71 |
|||||
|
Ог-20,0 |
140 |
70,0 |
80 |
60 |
20,0 |
400 |
64 |
32,0 |
2,00 |
|||||
Таблица Б.6 - Ограничители Ог звеньев Рт для холодного климата
Размеры в миллиметрах
|
Обозначение ограничителя |
а |
a1 |
b |
b1 |
c |
d |
l |
l1 |
Толщина ограничителя s |
r |
Масса, кг |
|||
|
Номин. |
Пред. откл. |
Номин. |
Пред. откл. |
Номин. |
Пред. откл. |
|||||||||
|
Ог-0,63ХЛ |
32 |
±0,5 |
16,0 |
±0,35 |
25 |
14 |
4,5 |
±0,5 |
9 |
90 |
9 |
4 |
4,5 |
0,06 |
|
Ог-0,8ХЛ |
||||||||||||||
|
Ог-1,0ХЛ |
||||||||||||||
|
Ог-1,25ХЛ |
32 |
±0,5 |
16,0 |
±0,35 |
25 |
14 |
4,5 |
±0,5 |
9 |
90 |
9 |
4 |
4,5 |
0,06 |
|
Ог-1,6ХЛ |
38 |
19,0 |
28 |
16 |
100 |
11 |
5,5 |
0,08 |
||||||
|
Ог-2,0ХЛ |
30 |
18 |
110 |
14 |
7,0 |
0,09 |
||||||||
|
Ог-2,5ХЛ |
42 |
21,0 |
32 |
20 |
130 |
0,11 |
||||||||
|
Ог-3,2ХЛ |
50 |
±1,0 |
25,0 |
36 |
22 |
10,5 |
11 |
150 |
16 |
8,0 |
0,15 |
|||
|
Ог-4,0ХЛ |
55 |
27,5 |
40 |
25 |
160 |
20 |
10,0 |
0,17 |
||||||
|
Ог-5,0ХЛ |
60 |
30,0 |
45 |
28 |
15,0 |
14 |
190 |
24 |
5 |
12,0 |
0,28 |
|||
|
Ог-6,3ХЛ |
68 |
34,0 |
50 |
32 |
220 |
28 |
14,0 |
0,36 |
||||||
|
Ог-8,0ХЛ |
74 |
37,0 |
35 |
240 |
30 |
15,0 |
0,41 |
|||||||
|
Ог-10,0ХЛ |
82 |
41,0 |
60 |
40 |
17,0 |
270 |
32 |
6 |
16,0 |
0,65 |
||||
|
Ог-12,5ХЛ |
90 |
45,0 |
65 |
45 |
300 |
37 |
8 |
18,5 |
1,03 |
|||||
|
Ог-16,0ХЛ |
100 |
50,0 |
70 |
50 |
320 |
42 |
21,0 |
1,16 |
||||||
|
Ог-20,0ХЛ |
110 |
55,0 |
75 |
55 |
360 |
47 |
10 |
23,5 |
1,71 |
|||||
Б.1.2.4 Конструкция и размеры планки П для звеньев Рт, эксплуатируемых в районах с умеренным климатом, должны соответствовать указанным на рисунке Б.4 и в таблице Б.7, а в районах с холодным климатом - на рисунке Б.4 и в таблице Б.8.
Материал для деталей
климатического исполнения У - сталь 20 по ГОСТ
1050 или Ст3сп по ГОСТ 380,
для деталей
климатического исполнения ХЛ - 15ХСНД или 09Г2С по ГОСТ
19281; размеры со «*» ориентировочные
Рисунок Б.4 - Планка П для звеньев Рт1 и Рт2 штампованная планка (а) и из проката (б)
Таблица Б.7 - Планки П звеньев Рт для умеренного климата
Размеры в миллиметрах
|
Обозначение планки |
а |
a1 |
b |
b1* |
с |
d |
d1 |
L |
L1* |
s |
R |
Масса, кг, планки |
||||
|
Номин. |
Пред. откл. |
Номин. |
Пред. откл. |
Номин. |
Пред. откл. |
штампованной |
из проката |
|||||||||
|
П-1,0 |
32 |
±0,5 |
16,0 |
±0,35 |
32 |
36 |
4,5 |
±0,5 |
16 |
9 |
64 |
68 |
20 |
16 |
0,24 |
0,25 |
|
П-1,25 |
38 |
19,0 |
36 |
40 |
18 |
74 |
78 |
18 |
0,32 |
0,33 |
||||||
|
П-1,6 |
40 |
44 |
20 |
78 |
82 |
20 |
0,36 |
0,43 |
||||||||
|
П-2,0 |
42 |
21,0 |
44 |
48 |
22 |
86 |
90 |
22 |
0,43 |
0,46 |
||||||
|
П-2,5 |
50 |
±1,0 |
25,0 |
48 |
52 |
10,5 |
24 |
11 |
93 |
102 |
22 |
24 |
0,60 |
0,60 |
||
|
П-3,2 |
55 |
27,5 |
54 |
58 |
27 |
108 |
112 |
27 |
0,74 |
0,79 |
||||||
|
П-4,0 |
60 |
30,0 |
60 |
64 |
15,0 |
30 |
14 |
120 |
124 |
25 |
30 |
1,02 |
1,11 |
|||
|
П-5,0 |
68 |
34,0 |
68 |
72 |
34 |
136 |
140 |
28 |
34 |
1,46 |
1,60 |
|||||
|
П-6,3 |
74 |
37,0 |
74 |
78 |
37 |
148 |
152 |
30 |
37 |
1,85 |
2,04 |
|||||
|
П-8,0 |
82 |
41,0 |
84 |
88 |
17,0 |
42 |
166 |
170 |
42 |
2,34 |
2,60 |
|||||
|
П-10,0 |
90 |
45,0 |
94 |
98 |
47 |
184 |
188 |
35 |
47 |
3,39 |
3,76 |
|||||
|
П-12,5 |
100 |
50,0 |
104 |
108 |
52 |
204 |
208 |
40 |
52 |
4,72 |
5,28 |
|||||
|
П-16,0 |
110 |
55,0 |
114 |
118 |
57 |
224 |
228 |
45 |
57 |
6,38 |
7,16 |
|||||
|
П-20,0 |
140 |
70,0 |
120 |
125 |
20,0 |
64 |
270 |
280 |
50 |
60 |
8,87 |
10,13 |
||||
Таблица Б.8 - Планки П звеньев Рт для холодного климата
Размеры в миллиметрах
|
Обозначение планки |
а |
a1 |
b |
b1* |
с |
d |
d1 |
L |
L1* |
s |
R |
Масса, кг, планки |
||||
|
Номин. |
Пред. откл. |
Номин. |
Пред. откл. |
Номин. |
Пред. откл. |
штампованной |
из проката |
|||||||||
|
П-0,63ХЛ |
32 |
±0,5 |
16,0 |
±0,35 |
32 |
36 |
4,5 |
±0,5 |
16 |
9 |
64 |
68 |
20 |
16 |
0,29 |
0,32 |
|
П-0,8ХЛ |
||||||||||||||||
|
П-1,0ХЛ |
||||||||||||||||
|
П-1,25ХЛ |
||||||||||||||||
|
П-1,6ХЛ |
38 |
19,0 |
36 |
40 |
18 |
74 |
78 |
18 |
0,30 |
0,33 |
||||||
|
П-2,0ХЛ |
40 |
44 |
20 |
78 |
82 |
20 |
0,35 |
0,38 |
||||||||
|
П-2,5ХЛ |
42 |
21,0 |
44 |
48 |
22 |
86 |
90 |
22 |
0,43 |
0,46 |
||||||
|
П-3,2ХЛ |
50 |
±1,0 |
25,0 |
48 |
52 |
10,5 |
24 |
11 |
93 |
102 |
22 |
24 |
0,59 |
0,62 |
||
|
П-4,0ХЛ |
55 |
27,5 |
54 |
58 |
27 |
108 |
112 |
27 |
0,77 |
0,80 |
||||||
|
П-5,0ХЛ |
60 |
30,0 |
60 |
64 |
15,0 |
30 |
14 |
120 |
124 |
25 |
30 |
1,08 |
1,11 |
|||
|
П-6,3ХЛ |
68 |
34,0 |
68 |
72 |
34 |
136 |
140 |
28 |
34 |
1,64 |
1,67 |
|||||
|
П-8,0ХЛ |
74 |
37,0 |
74 |
78 |
37 |
148 |
152 |
30 |
37 |
2,07 |
2,10 |
|||||
|
П-10,0ХЛ |
82 |
41,0 |
84 |
88 |
17,0 |
42 |
166 |
170 |
42 |
2,72 |
2,75 |
|||||
|
П-12,5ХЛ |
90 |
45,0 |
94 |
98 |
47 |
184 |
188 |
35 |
47 |
4,26 |
4,29 |
|||||
|
П-16,0ХЛ |
100 |
50,0 |
104 |
108 |
52 |
204 |
208 |
40 |
52 |
5,97 |
6,00 |
|||||
|
П-20,0ХЛ |
110 |
55,0 |
114 |
118 |
57 |
224 |
228 |
45 |
57 |
8,26 |
8,29 |
|||||
Б.1.3 Треугольные разъемные звенья Рт исполнения Рт2
Б.1.3.1 Конструкция и размеры звеньев Рт исполнения Рт2 с увеличенным радиусом гибки скобы, эксплуатируемых в районах с умеренным климатом, должны соответствовать указанным на рисунке Б.5 и в таблице Б.9.
1 - скоба; 2 - ограничитель; 3 - планка; 4
- болт по ГОСТ
7798; 5 - гайка по ГОСТ
5919;
6 - шплинт по ГОСТ 397
Рисунок Б.5 - Звено Рт2
Таблица Б.9 - Треугольные разъемные звенья Рт2 для умеренного климата
|
Обозначение звена |
Допустимая нагрузка, кН (тс) |
Размер, мм |
Обозначение деталей звена |
Масса, кг |
|||||||||
|
d |
а |
b |
c |
R |
Скоба |
Ограничитель |
Планка |
Болт |
Гайка |
Шплинт |
|||
|
Рт2-0,63 |
7,85 (0,80) |
14 |
32 |
126 |
115 |
45 |
Ст2-1,0 |
Ог-1,0 |
П-1,0 |
2М8×35.36 |
М8,4 |
2×20.001 |
1,03 |
|
Рт2-0,8 |
|||||||||||||
|
Рт2-1,0 |
9,81 (1,00) |
16 |
38 |
142 |
130 |
Ст2-1,25 |
Ог-1,25 |
П-1,25 |
1,34 |
||||
|
Рт2-1,25 |
12,26 (1,25) |
18 |
156 |
140 |
Ст2-1,6 |
Ог-1,6 |
П-1,6 |
1,74 |
|||||
|
Рт2-1,6 |
15,70 (1,60) |
20 |
42 |
174 |
160 |
60 |
Ст2-2,0 |
Ог-2,0 |
П-2,0 |
2,30 |
|||
|
Рт2-2,0 |
19,62 (2,00) |
22 |
50 |
192 |
175 |
Ст2-2,5 |
Ог-2,5 |
П-2,5 |
2М10×40.36 |
М10,4 |
2,5×25.001 |
3,07 |
|
|
Рт2-2,5 |
24,52 (2,50) |
25 |
55 |
200 |
185 |
Ст2-3,2 |
Ог-3,2 |
П-3,2 |
4,01 |
||||
|
Рт2-3,2 |
31,40 (3,20) |
28 |
60 |
228 |
215 |
Ст2-4,0 |
Ог-4,0 |
П-4,0 |
2М12×45.36 |
М12,4 |
3,2×32.001 |
5,83 |
|
|
Рт2-4,0 |
39,24 (4,00) |
32 |
68 |
260 |
240 |
75 |
Ст2-5,0 |
Ог-5,0 |
П-5,0 |
8,58 |
|||
|
Рт2-5,0 |
49,05 (5,00) |
35 |
74 |
289 |
265 |
Ст2-6,3 |
Ог-6,3 |
П-6,3 |
2М12×50.36 |
11,09 |
|||
|
Рт2-6,3 |
61,80 (6,30) |
40 |
82 |
322 |
295 |
Ст2-8,0 |
Ог-8,0 |
П-8,0 |
15,68 |
||||
|
Рт2-8,0 |
78,50 (8,00) |
45 |
90 |
355 |
325 |
Ст2-10,0 |
Ог-10,0 |
П-10,0 |
2М12×55.36 |
22,80 |
|||
|
Рт2-10,0 |
98,10 (10,00) |
50 |
100 |
390 |
360 |
110 |
Ст2-12,5 |
Ог-12,5 |
П-12,5 |
2М12×60.36 |
30,97 |
||
|
Рт2-12,5 |
122,60 (12,50) |
55 |
110 |
425 |
395 |
Ст2-16,0 |
Ог-16,0 |
П-16,0 |
2М12×70.36 |
41,44 |
|||
|
Рт2-16,0 |
157,00 (16,00) |
60 |
140 |
480 |
440 |
Ст2-20,0 |
Ог-20,0 |
П-20,0 |
2М12×80.36 |
53,20 |
|||
Примечание - Навешивание на крюки грузоподъемных машин проводят в соответствии с 5.1.11, таблица 8.
Б.1.3.2 Конструкция и размеры скобы Ст2 для звеньев Рт2, эксплуатируемых в районах с умеренным климатом, должны соответствовать указанным на рисунке Б.6 и в таблице Б.10.
Материал: сталь 20 по ГОСТ 1050 или Ст3сп по ГОСТ 380.
Рисунок Б.6 - Скоба Ст2 для звеньев Рт2
Таблица Б.10 - Скобы Ст2 звеньев Рт2
Размеры в миллиметрах
|
Обозначение скобы |
d |
d1 |
a |
a1 |
b |
h |
l |
l1 |
с |
r |
r1 |
Длина развертки |
Масса, кг |
|
|
Номин. |
Пред. откл. |
|||||||||||||
|
Ст2-0,63 |
14 |
8 |
32 |
±0,5 |
86 |
126 |
72 |
13 |
6 |
115 |
20 |
45 |
516 |
0,62 |
|
Ст2-0,8 |
||||||||||||||
|
Ст2-1,0 |
16 |
10 |
38 |
98 |
142 |
80 |
17 |
130 |
22 |
574 |
0,91 |
|||
|
Ст2-1,25 |
18 |
12 |
106 |
156 |
85 |
140 |
25 |
625 |
1,25 |
|||||
|
Ст2-1,6 |
20 |
42 |
118 |
174 |
90 |
160 |
28 |
60 |
695 |
1,71 |
||||
|
Ст2-2,0 |
22 |
14 |
50 |
±1,0 |
132 |
192 |
97 |
175 |
30 |
756 |
2,26 |
|||
|
Ст2-2,5 |
25 |
18 |
55 |
140 |
200 |
100 |
18 |
185 |
778 |
3,00 |
||||
|
Ст2-3,2 |
28 |
22 |
60 |
158 |
228 |
115 |
215 |
35 |
903 |
4,37 |
||||
|
Ст2-4,0 |
32 |
26 |
68 |
180 |
260 |
130 |
22 |
7 |
240 |
40 |
75 |
1026 |
6,47 |
|
|
Ст2-5,0 |
35 |
28 |
74 |
199 |
289 |
140 |
25 |
265 |
45 |
1126 |
8,50 |
|||
|
Ст2-6,3 |
40 |
30 |
82 |
222 |
322 |
150 |
295 |
50 |
1236 |
12,20 |
||||
|
Ст2-8,0 |
45 |
35 |
90 |
245 |
355 |
175 |
10 |
325 |
55 |
1394 |
17,40 |
|||
|
Ст2-10,0 |
50 |
40 |
100 |
270 |
390 |
195 |
35 |
360 |
60 |
110 |
1540 |
23,73 |
||
|
Ст2-12,5 |
55 |
45 |
110 |
295 |
425 |
215 |
40 |
12 |
395 |
65 |
1682 |
31,34 |
||
|
Ст2-16,0 |
60 |
50 |
140 |
340 |
480 |
235 |
45 |
14 |
440 |
70 |
1856 |
41,17 |
||
Б.1.3.3 Конструкция и размеры ограничителя Ог и планки П для звеньев Рт2, эксплуатируемых в районах с умеренным климатом, должны соответствовать указанным на рисунках Б.3 и Б.4 и в таблицах Б.5 и Б.7.
Б.1.4 Треугольные разъемные звенья Рт исполнения Рт3
Б.1.4.1 Конструкция и размеры звеньев Рт исполнения Рт3, эксплуатируемых в районах с умеренным климатом, должны соответствовать указанным на рисунке Б.7 и в таблице Б.11.
1 - скоба; 2 - ограничитель; 3 - планка; 4
- болт по ГОСТ
7798;
5 - гайка по ГОСТ
5919; 6 - шплинт по ГОСТ 397
Рисунок Б.7 - Звено Рт3
Таблица Б.11 - Треугольные разъемные звенья Рт3
|
Обозначение звена |
Допустимая нагрузка, кН (тс) |
Размер, мм |
Обозначение деталей звена |
Масса, кг |
||||||||
|
d |
а |
b |
с |
Скоба |
Ограничитель |
Планка |
Болт |
Гайка |
Шплинт |
|||
|
Рт3-1,25 |
12,26 (1,25) |
14 |
36 |
130 |
125 |
Ст3-1,25 |
Ог3-1,25 |
П3-1,25 |
2М8×35.36 |
М8,4 |
2×20.001 |
0,95 |
|
Рт3-1,6 |
15,70 (1,60) |
Ст3-1,6 |
Ог3-1,6 |
П3-1,6 |
1,00 |
|||||||
|
Рт3-2,0 |
19,62 (2,00) |
16 |
38 |
142 |
150 |
Ст3-2,0 |
Ог3-2,0 |
П3-2,0 |
1,45 |
|||
|
Рт3-2,5 |
24,52 (2,50) |
18 |
46 |
164 |
165 |
Ст3-2,5 |
Ог3-2,5 |
П3-2,5 |
1,93 |
|||
|
Рт3-3,2 |
31,40 (3,20) |
20 |
50 |
182 |
180 |
Ст3-3,2 |
Ог3-3,2 |
П3-3,2 |
2М10×40.36 |
М10,4 |
2,5×25.001 |
2,50 |
|
Рт3-4,0 |
39,24 (4,00) |
22 |
54 |
196 |
205 |
Ст3-4,0 |
Ог3-4,0 |
П3-4,0 |
3,64 |
|||
|
Рт3-5,0 |
49,05 (5,00) |
25 |
60 |
205 |
225 |
Ст3-5,0 |
Ог3-5,0 |
П3-5,0 |
2М12×45.36 |
М12,4 |
3,2×32.001 |
4,98 |
|
Рт3-6,3 |
61,80 (6,30) |
28 |
68 |
236 |
250 |
Ст3-6,3 |
Ог3-6,3 |
П3-6,3 |
6,70 |
|||
|
Рт3-8,0 |
78,50 (8,00) |
32 |
74 |
266 |
280 |
Ст3-8,0 |
Ог3-8,0 |
П3-8,0 |
2М12×50.36 |
9,62 |
||
|
Рт3-10,0 |
98,10 (10,00) |
36 |
80 |
296 |
300 |
Ст3-10,0 |
Ог3-10,0 |
П3-10,0 |
13,70 |
|||
|
Рт3-12,5 |
122,60 (12,50) |
40 |
90 |
330 |
340 |
Ст3-12,5 |
Ог3-12,5 |
П3-12,5 |
2М12×55.36 |
18,80 |
||
|
Рт3-16,0 |
157,00 (16,00) |
45 |
100 |
365 |
375 |
Ст3-16,0 |
Ог3-16,0 |
П3-16,0 |
2М12×60.36 |
26,34 |
||
|
Рт3-20,0 |
196,20 (20,00) |
50 |
110 |
400 |
400 |
Ст3-20,0 |
Ог3-20,0 |
П3-20,0 |
2М12×70.36 |
34,50 |
||
|
Рт3-25,0 |
245,25 (25,00) |
56 |
125 |
461 |
425 |
Ст3-25,0 |
Ог3-25,0 |
П3-25,0 |
2М12×80.36 |
51,60 |
||
Б.1.4.2 Конструкция и размеры скобы Ст3 для звеньев Рт3, эксплуатируемых в районах с умеренным климатом, должны соответствовать указанным на рисунке Б.8 и в таблице Б.12.
Таблица Б.12 - Скобы Ст3 звеньев Рт3
Размеры в миллиметрах
|
Обозначение скобы |
d |
d1 |
а |
a1 |
b |
b1 |
h |
l |
l1 |
l2 |
l3 |
с |
r |
r1 |
Длина развертки |
Масса, кг |
|
|
Номин. |
Пред. откл. |
||||||||||||||||
|
Ст3-1,25 |
14 |
8 |
36 |
±1,0 |
90 |
158 |
8 |
20 |
72 |
13 |
5 |
55 |
125 |
20 |
22 |
528 |
0,64 |
|
Ст3-1,6 |
60 |
25 |
532 |
0,71 |
|||||||||||||
|
Ст3-2,0 |
16 |
10 |
38 |
98 |
174 |
9 |
23 |
76 |
70 |
150 |
22 |
30 |
606 |
1,00 |
|||
|
Ст3-2,5 |
18 |
12 |
46 |
±1,5 |
114 |
200 |
10 |
26 |
85 |
15 |
80 |
165 |
25 |
32 |
674 |
1,35 |
|
|
Ст3-3,2 |
20 |
50 |
126 |
222 |
11 |
29 |
90 |
90 |
180 |
28 |
35 |
736 |
1,70 |
||||
|
Ст3-4,0 |
22 |
14 |
54 |
136 |
240 |
12 |
32 |
102 |
20 |
6 |
100 |
205 |
30 |
40 |
824 |
2,46 |
|
|
Ст3-5,0 |
25 |
18 |
60 |
145 |
255 |
14 |
36 |
108 |
110 |
225 |
45 |
892 |
3,44 |
||||
|
Ст3-6,3 |
28 |
22 |
68 |
166 |
292 |
16 |
39 |
118 |
120 |
250 |
35 |
50 |
992 |
4,80 |
|||
|
Ст3-8,0 |
32 |
26 |
74 |
186 |
330 |
18 |
45 |
127 |
7 |
130 |
280 |
40 |
55 |
1106 |
7,00 |
||
|
Ст3-10,0 |
35 |
28 |
80 |
206 |
368 |
20 |
51 |
146 |
25 |
9 |
140 |
300 |
45 |
60 |
1220 |
9,80 |
|
|
Ст3-12,5 |
40 |
30 |
90 |
230 |
410 |
22 |
57 |
165 |
30 |
160 |
340 |
50 |
65 |
1372 |
13,50 |
||
|
Ст3-16,0 |
45 |
35 |
100 |
255 |
455 |
25 |
64 |
185 |
35 |
11 |
180 |
375 |
55 |
75 |
1524 |
19,00 |
|
|
Ст3-20,0 |
50 |
40 |
110 |
280 |
500 |
28 |
71 |
205 |
40 |
13 |
200 |
400 |
60 |
80 |
1656 |
25,50 |
|
|
Ст3-25,0 |
56 |
46 |
125 |
±2,0 |
320 |
573 |
32 |
77 |
231 |
45 |
14 |
250 |
425 |
70 |
120 |
2063 |
40,00 |
Б.1.4.3 Конструкция и размеры ограничителя Ог3 для звеньев Рт3, эксплуатируемых в районах с умеренным климатом, должны соответствовать указанным на рисунке Б.3 и в таблице Б.13
Таблица Б.13 - Ограничители Ог3 звеньев Рт3
Размеры в миллиметрах
|
Обозначение ограничителя |
a |
a1 |
b |
b1 |
с |
d |
l |
l1 |
s |
r |
Масса, кг |
|||
|
Номин. |
Пред. откл. |
Номин. |
Пред. откл. |
Номин. |
Пред. откл. |
|||||||||
|
Ог3-1,25 |
36 |
±0,5 |
18,0 |
±0,35 |
28 |
16 |
4,5 |
±0,5 |
9 |
90 |
10 |
4 |
5,0 |
0,07 |
|
Ог3-1,6 |
30 |
18 |
0,08 |
|||||||||||
|
Ог3-2,0 |
38 |
19,0 |
32 |
20 |
100 |
12 |
6,0 |
0,09 |
||||||
|
Ог3-2,5 |
46 |
23,0 |
36 |
22 |
10,5 |
11 |
110 |
14 |
7,0 |
0,11 |
||||
|
Ог3-3,2 |
50 |
±1,0 |
25,0 |
40 |
25 |
130 |
0,20 |
|||||||
|
Ог3-4,0 |
54 |
27,0 |
45 |
28 |
15,0 |
14 |
150 |
16 |
5 |
8,0 |
0,23 |
|||
|
Ог3-5,0 |
60 |
30,0 |
50 |
32 |
160 |
20 |
10,0 |
0,26 |
||||||
|
Ог3-6,3 |
68 |
34,0 |
35 |
190 |
24 |
12,0 |
0,30 |
|||||||
|
Ог3-8,0 |
74 |
37,0 |
60 |
40 |
17,0 |
220 |
28 |
6 |
14,0 |
0,52 |
||||
|
Ог3-10,0 |
80 |
40,0 |
65 |
45 |
240 |
30 |
8 |
15,0 |
0,80 |
|||||
|
Ог3-12,5 |
90 |
45,0 |
70 |
50 |
270 |
32 |
16,0 |
1,03 |
||||||
|
Ог3-16,0 |
100 |
50,0 |
75 |
55 |
300 |
37 |
10 |
18,5 |
1,44 |
|||||
|
Ог3-20,0 |
110 |
55,0 |
80 |
60 |
20,0 |
320 |
42 |
12 |
21,0 |
1,70 |
||||
|
Ог3-25,0 |
125 |
±1,5 |
62,5 |
±0,50 |
95 |
66 |
18 |
350 |
48 |
24,0 |
2,20 |
|||
Б.1.4.4 Конструкция и размеры планки П3 для звеньев Рт3, эксплуатируемых в районах с умеренным климатом, должны соответствовать указанным на рисунке Б.4 и в таблице Б.14.
Таблица Б.14 - Планки П3 звеньев Рт3
Размеры в миллиметрах
|
Обозначение планки |
a |
a1 |
b |
b1* |
с |
d |
d1 |
L |
L1* |
s |
R |
Масса, кг, планки |
||||
|
Номин. |
Пред. откл. |
Номин. |
Пред. откл. |
Номин. |
Пред. откл. |
штампованной |
из проката |
|||||||||
|
П3-1,25 |
36 |
±0,5 |
18,0 |
±0,35 |
32 |
36 |
4,5 |
±0,5 |
16 |
9 |
64 |
68 |
20 |
16 |
0,24 |
0,25 |
|
П3-1,6 |
36 |
40 |
18 |
0,27 |
0,29 |
|||||||||||
|
П3-2,0 |
38 |
19,0 |
40 |
44 |
18 |
74 |
78 |
20 |
0,35 |
0,37 |
||||||
|
П3-2,5 |
46 |
23,0 |
44 |
48 |
10,5 |
20 |
11 |
78 |
82 |
22 |
22 |
0,44 |
0,48 |
|||
|
П3-3,2 |
50 |
±1,0 |
25,0 |
50 |
54 |
22 |
86 |
90 |
25 |
0,54 |
0,59 |
|||||
|
П3-4,0 |
54 |
27,0 |
60 |
64 |
15,0 |
24 |
14 |
98 |
102 |
25 |
30 |
0,78 |
0,95 |
|||
|
П3-5,0 |
60 |
30,0 |
64 |
68 |
27 |
108 |
112 |
28 |
32 |
1,12 |
1,26 |
|||||
|
П3-6,3 |
68 |
34,0 |
70 |
74 |
30 |
120 |
124 |
30 |
35 |
1,44 |
1,61 |
|||||
|
П3-8,0 |
74 |
37,0 |
80 |
84 |
17,0 |
34 |
136 |
140 |
40 |
1,86 |
2,10 |
|||||
|
П3-10,0 |
80 |
40,0 |
90 |
94 |
38 |
148 |
152 |
36 |
45 |
2,72 |
3,08 |
|||||
|
П3-12,5 |
90 |
45,0 |
100 |
104 |
42 |
166 |
170 |
40 |
50 |
3,76 |
4,29 |
|||||
|
П3-16,0 |
100 |
50,0 |
110 |
114 |
47 |
184 |
188 |
45 |
55 |
5,13 |
5,87 |
|||||
|
П3-20,0 |
110 |
55,0 |
120 |
124 |
20,0 |
52 |
204 |
208 |
50 |
60 |
6,88 |
7,88 |
||||
|
П3-25,0 |
125 |
±1,5 |
62,5 |
±0,50 |
58 |
18 |
225 |
229 |
55 |
8,19 |
9,27 |
|||||
Б.1.5 Треугольные разъемные звенья Рт исполнения Рт4
Б.1.5.1 Конструкция и размеры звеньев Рт исполнения Рт4, эксплуатируемых в районах с умеренным климатом, должны соответствовать указанным на рисунке Б.9 и в таблице Б.15.
1 - скоба; 2 - гайка (2 шт.); 3 - планка
Рисунок Б.9 - Звено Рт4
Таблица Б.15 - Треугольные разъемные звенья Рт4
|
Обозначение звена |
Допустимая нагрузка, кН (тс) |
Размер, мм |
Обозначение деталей звена |
Масса, кг |
|||||
|
d |
а |
b |
с |
Скоба |
Гайка |
Планка |
|||
|
Рт4-1,25 |
12,26 (1,25) |
14 |
36 |
130 |
125 |
Ст4-1,25 |
Г-1,25 |
П4-1,25 |
0,95 |
|
Рт4-1,6 |
15,70 (1,60) |
Ст4-1,6 |
Г-1,6 |
П4-1,6 |
1,00 |
||||
|
Рт4-2,0 |
19,62 (2,00) |
16 |
38 |
142 |
150 |
Ст4-2,0 |
Г-2,0 |
П4-2,0 |
1,45 |
|
Рт4-2,5 |
24,52 (2,50) |
18 |
46 |
164 |
165 |
Ст4-2,5 |
Г-2,5 |
П4-2,5 |
1,93 |
|
Рт4-3,2 |
31,40 (3,20) |
20 |
50 |
182 |
180 |
Ст4-3,2 |
Г-3,2 |
П4-3,2 |
2,50 |
|
Рт4-4,0 |
39,24 (4,00) |
22 |
54 |
196 |
205 |
Ст4-4,0 |
Г-4,0 |
П4-4,0 |
3,64 |
|
Рт4-5,0 |
49,05 (5,00) |
25 |
60 |
205 |
225 |
Ст4-5,0 |
Г-5,0 |
П4-5,0 |
4,98 |
|
Рт4-6,3 |
61,80 (6,30) |
28 |
68 |
236 |
250 |
Ст4-6,3 |
Г-6,3 |
П4-6,3 |
6,70 |
|
Рт4-8,0 |
78,50 (8,00) |
32 |
74 |
266 |
280 |
Ст4-8,0 |
Г-8,0 |
П4-8,0 |
9,62 |
|
Рт4-10,0 |
98,10 (10,00) |
36 |
80 |
296 |
300 |
Ст4-10,0 |
Г-10,0 |
П4-10,0 |
13,70 |
|
Рт4-12,5 |
122,60 (12,50) |
40 |
90 |
330 |
340 |
Ст4-12,5 |
Г-12,5 |
П4-12,5 |
18,80 |
|
Рт4-16,0 |
157,00 (16,00) |
45 |
100 |
365 |
375 |
Ст4-16,0 |
Г-16,0 |
П4-16,0 |
26,34 |
|
Рт4-20,0 |
196,20 (20,00) |
50 |
110 |
400 |
400 |
Ст4-20,0 |
Г-20,0 |
П4-20,0 |
34,50 |
|
Рт4-25,0 |
245,25 (25,00) |
56 |
125 |
461 |
425 |
Ст4-25,0 |
Г-25,0 |
П4-25,0 |
51,60 |
Б.1.5.2 Конструкция и размеры скобы Ст4 для звеньев Рт4, эксплуатируемых в районах с умеренным климатом, должны соответствовать указанным на рисунке Б.10 и в таблице Б.16.
Таблица Б.16 - Скобы Ст4 звеньев Рт4
Размеры в миллиметрах
|
Обозначение скобы |
d |
а |
a1 |
b |
b1 |
h |
l |
l1 |
с |
r |
r1 |
Длина развертки |
Масса, кг |
|
|
Номин. |
Пред. откл. |
|||||||||||||
|
Ст4-1,25 |
14 |
36 |
±1,0 |
90 |
158 |
8 |
20 |
72 |
55 |
125 |
20 |
22 |
528 |
0,64 |
|
Ст4-1,6 |
60 |
25 |
532 |
0,71 |
||||||||||
|
Ст4-2,0 |
16 |
38 |
98 |
174 |
9 |
23 |
76 |
70 |
150 |
22 |
30 |
606 |
1,00 |
|
|
Ст4-2,5 |
18 |
46 |
±1,5 |
114 |
200 |
10 |
26 |
85 |
80 |
165 |
25 |
32 |
674 |
1,35 |
|
Ст4-3,2 |
20 |
50 |
126 |
222 |
11 |
29 |
90 |
90 |
180 |
28 |
35 |
736 |
1,70 |
|
|
Ст4-4,0 |
22 |
54 |
136 |
240 |
12 |
32 |
102 |
100 |
205 |
30 |
40 |
824 |
2,46 |
|
|
Ст4-5,0 |
25 |
60 |
145 |
255 |
14 |
36 |
108 |
110 |
225 |
45 |
892 |
3,44 |
||
|
Ст4-6,3 |
28 |
68 |
166 |
292 |
16 |
39 |
118 |
120 |
250 |
35 |
50 |
992 |
4,80 |
|
|
Ст4-8,0 |
32 |
74 |
186 |
330 |
18 |
45 |
127 |
130 |
280 |
40 |
55 |
1106 |
7,00 |
|
|
Ст4-10,0 |
35 |
80 |
206 |
368 |
20 |
51 |
146 |
140 |
300 |
45 |
60 |
1220 |
9,80 |
|
|
Ст4-12,5 |
40 |
90 |
230 |
410 |
22 |
57 |
165 |
160 |
340 |
50 |
65 |
1372 |
13,50 |
|
|
Ст4-16,0 |
45 |
100 |
255 |
455 |
25 |
64 |
185 |
180 |
375 |
55 |
75 |
1524 |
19,00 |
|
|
Ст4-20,0 |
50 |
110 |
280 |
500 |
28 |
71 |
205 |
200 |
400 |
60 |
80 |
1656 |
25,50 |
|
|
Ст4-25,0 |
56 |
125 |
±2,0 |
320 |
573 |
32 |
77 |
231 |
250 |
425 |
70 |
120 |
2063 |
40,00 |
Б.1.5.3 Конструкция и размеры планки П4 для звеньев Рт4, эксплуатируемых в районах с умеренным климатом, должны соответствовать указанным на рисунке Б.11 ив таблице Б.17.
Материал: сталь 20 по ГОСТ 1050 или Ст3сп по ГОСТ 380
Рисунок
Б.11 - Планка П4 для звеньев Рт4: а) штампованной планки (а); вариант планки из проката (б);
размеры со «*» ориентировочные
Таблица Б.17 - Планки П4 звеньев Рт4 для умеренного климата
Размеры в миллиметрах
|
Обозначение планки |
а |
b |
b1* |
Резьба |
L |
L1* |
s |
R |
Масса, кг |
планки |
|
|
Номин. |
Пред. откл. |
штампованной |
из проката |
||||||||
|
П4-1,25 |
36 |
±0,5 |
32 |
36 |
К ½" ГОСТ 6111 |
64 |
68 |
20 |
16 |
0,21 |
0,24 |
|
П4-1,6 |
36 |
40 |
18 |
0,26 |
0,29 |
||||||
|
П4-2,0 |
38 |
40 |
44 |
К ¾" ГОСТ 6111 |
74 |
78 |
20 |
0,34 |
0,37 |
||
|
П4-2,5 |
46 |
44 |
48 |
78 |
82 |
22 |
22 |
0,45 |
0,48 |
||
|
П4-3,2 |
50 |
±1,0 |
50 |
54 |
К 1" ГОСТ 6111 |
86 |
90 |
25 |
0,57 |
0,60 |
|
|
П4-4,0 |
54 |
60 |
64 |
98 |
102 |
25 |
30 |
0,92 |
0,95 |
||
|
П4-5,0 |
60 |
64 |
68 |
108 |
112 |
28 |
32 |
1,25 |
1,28 |
||
|
П4-6,3 |
68 |
70 |
74 |
К 1¼" ГОСТ 6111 |
120 |
124 |
30 |
35 |
1,57 |
1,60 |
|
|
П4-8,0 |
74 |
80 |
84 |
136 |
140 |
40 |
2,07 |
2,10 |
|||
|
П4-10,0 |
80 |
90 |
94 |
К 1½" ГОСТ 6111 |
148 |
152 |
35 |
45 |
3,07 |
3,10 |
|
|
П4-12,5 |
90 |
100 |
104 |
Rc 1½" ГОСТ 6211 |
166 |
170 |
40 |
50 |
4,27 |
4,30 |
|
|
П4-16,0 |
100 |
110 |
114 |
Rc 2" ГОСТ 6211 |
184 |
188 |
45 |
55 |
5,87 |
5,90 |
|
|
П4-20,0 |
110 |
120 |
124 |
204 |
208 |
50 |
60 |
7,47 |
7,50 |
||
|
П4-25,0 |
125 |
±1,5 |
Rc 2½" ГОСТ 6211 |
225 |
229 |
55 |
9,37 |
9,40 |
|||
Б.1.5.4 Конструкция и размеры гайки Г для звеньев Рт4, эксплуатируемых в районах с умеренным климатом, должны соответствовать указанным на рисунке Б.12 и в таблице Б.18.
Материал: сталь 20 по ГОСТ 1050.
Рисунок Б.12 - Гайка Г для звеньев Рт4
Таблица Б.18 - Гайки Г звеньев Рт4 для умеренного климата
Размеры в миллиметрах
|
Обозначение гайки |
D |
Резьба |
s |
b |
h |
Н |
Масса, кг |
|
Г-1,25 |
16 |
К ½" ГОСТ 6111 |
22 |
3 |
10 |
35 |
0,05 |
|
Г-1,6 |
|||||||
|
Г-2,0 |
18 |
К ¾" ГОСТ 6111 |
28 |
0,08 |
|||
|
Г-2,5 |
20 |
0,07 |
|||||
|
Г-3,2 |
22 |
К 1" ГОСТ 6111 |
34 |
40 |
0,15 |
||
|
Г-4,0 |
24 |
0,13 |
|||||
|
Г-5,0 |
27 |
0,09 |
|||||
|
Г-6,3 |
30 |
К 1¼" ГОСТ 6111 |
45 |
15 |
50 |
0,31 |
|
|
Г-8,0 |
34 |
0,23 |
|||||
|
Г-10,0 |
38 |
К 1½" ГОСТ 6111 |
50 |
4 |
55 |
0,33 |
|
|
Г-12,5 |
42 |
R 1½" ГОСТ 6211 |
0,23 |
||||
|
Г-16,0 |
47 |
R 2" ГОСТ 6211 |
60 |
20 |
60 |
0,50 |
|
|
Г-20,0 |
52 |
0,32 |
|||||
|
Г-25,0 |
58 |
R 2½" ГОСТ 6211 |
80 |
1,13 |
Б.1.6 Овальные разъемные звенья Ров грузоподъемностью до 2,00 тс
Б.1.6.1 Конструкция и размеры звеньев Ров с допускаемой нагрузкой до 19,62 кН (2,00 тс), эксплуатируемых в районах с умеренным климатом, должны соответствовать указанным на рисунке Б.13 и в таблице Б.19.
1 - скоба; 2 - полумуфта (2 шт.); 3 -
кольцо; 4 - болт по ГОСТ
7798;
5 - гайка по ГОСТ
5919; 6 - шплинт по ГОСТ 397
Рисунок Б.13 - Звено Ров грузоподъемностью до 2,00 тс
Таблица Б.19 - Овальные разъемные звенья Ров грузоподъемностью до 2,00 тс
|
Обозначение звена |
Допустимая нагрузка, кН (тс) |
Размер, мм |
Обозначение деталей звена |
Масса, кг |
|||||||||
|
d |
с |
s |
R |
b |
Скоба |
Полумуфта |
Кольцо |
Болт |
Гайка |
Шплинт |
|||
|
Ров-0,4 |
3,92 (0,40) |
14 |
135 |
20 |
35 |
70 |
Сов-0,4 |
Пм-0,4 |
Кц-0,4 |
2М8×60.36 |
М8,4 |
2×20.001 |
0,90 |
|
Ров-0,5 |
4,90 (0,50) |
Сов-0,5 |
Пм-0,5 |
Кц-0,5 |
0,91 |
||||||||
|
Ров-0,63 |
6,18 (0,63) |
16 |
145 |
25 |
Сов-0,63 |
Пм-0,63 |
Кц-0,63 |
2М8×65.36 |
1,25 |
||||
|
Ров-0,8 |
7,85 (0,80) |
18 |
170 |
45 |
90 |
Сов-0,8 |
Пм-0,8 |
Кц-0,8 |
2М8×70.36 |
1,54 |
|||
|
Ров-1,0 |
9,81 (1,00) |
20 |
180 |
30 |
Сов-1,0 |
Пм-1,0 |
Кц-1,0 |
2,01 |
|||||
|
Ров-1,25 |
12,26 (1,25) |
22 |
190 |
Сов-1,25 |
Пм-1,25 |
Кц-1,25 |
2М10×70.36 |
М10,4 |
2,5×25.001 |
2,41 |
|||
|
Ров-1,6 |
15,70 (1,60) |
25 |
225 |
60 |
120 |
Сов-1,6 |
Пм-1,6 |
Кц-1,6 |
3,37 |
||||
|
Ров-2,0 |
19,62 (2,00) |
Сов-2,0 |
Пм-2,0 |
Кц-2,0 |
2М10×75.36 |
3,39 |
|||||||
Б.1.6.2 Конструкция и размеры скобы Сов для звеньев Ров с допускаемой нагрузкой до 19,62 кН (2,00 тс), эксплуатируемых в районах с умеренным климатом, должны соответствовать указанным на рисунке Б.14 и в таблице Б.20.
Материал: сталь 20 по ГОСТ 1050 или Ст3сп по ГОСТ 380
Рисунок Б.14 - Скоба Сов для звеньев Ров грузоподъемностью до 2,00 тс
Таблица Б.20 - Скобы Сов звеньев Ров грузоподъемностью до 2,00 тс для умеренного климата
Размеры в миллиметрах
|
Обозначение скобы |
d |
с |
s |
R |
b |
d1 |
h |
Длина развертки |
Масса, кг |
|
Сов-0,4 |
14 |
135 |
25 |
35 |
70 |
24 |
8 |
372 |
0,45 |
|
Сов-0,5 |
|||||||||
|
Сов-0,63 |
16 |
145 |
32 |
26 |
391 |
0,62 |
|||
|
Сов-0,8 |
18 |
170 |
45 |
90 |
28 |
429 |
0,86 |
||
|
Сов-1,0 |
20 |
180 |
38 |
30 |
10 |
489 |
1,21 |
||
|
Сов-1,25 |
22 |
190 |
32 |
517 |
1,54 |
||||
|
Сов-1,6 |
25 |
225 |
60 |
120 |
35 |
629 |
2,42 |
||
|
Сов-2,0 |
Б.1.6.3 Конструкция и размеры полумуфты Пм для звеньев Ров с допускаемой нагрузкой до 19,62 кН (2,00 тс), эксплуатируемых в районах с умеренным климатом, должны соответствовать указанным на рисунке Б.15 и в таблице Б.21.
|
Материал: сталь 20 по ГОСТ
1050 или Ст3сп по Рисунок
Б.15 - Полумуфта Пм для звеньев Ров |
Таблица Б.21 - Полумуфты Пм звеньев Ров грузоподъемностью до 2,00 тс
Размеры в миллиметрах
|
Обозначение полумуфты |
d |
d1 |
d2 |
d3 |
L |
h |
Масса, кг |
|
Пм-0,4 |
16 |
26 |
38 |
10 |
66 |
17 |
0,8 |
|
Пм-0,5 |
|||||||
|
Пм-0,63 |
18 |
28 |
42 |
73 |
19 |
0,25 |
|
|
Пм-0,8 |
20 |
30 |
44 |
20 |
0,26 |
||
|
Пм-1,0 |
22 |
32 |
46 |
83 |
21 |
0,31 |
|
|
Пм-1,25 |
24 |
34 |
48 |
12 |
22 |
0,32 |
|
|
Пм-1,6 |
28 |
38 |
52 |
24 |
0,36 |
||
|
Пм-2,0 |
Б.1.6.4 Конструкция и размеры кольца Кц для звеньев Ров, эксплуатируемых в районах с умеренным климатом, должны соответствовать указанным на рисунке Б.16 и в таблице Б.22.
Таблица Б.22 - Кольца Кц звеньев Ров
Размеры в миллиметрах
|
Обозначение кольца |
d |
d1 |
l |
Масса, кг |
Обозначение кольца |
d |
d1 |
l |
Масса, кг |
|
Кц-0,4 |
50,0 |
10 |
12 |
0,06 |
Кц-3,2 |
60,0 |
12 |
38 |
0,25 |
|
Кц-0,5 |
14 |
0,07 |
Кц-4,0 |
63,5 |
42 |
0,30 |
|||
|
Кц-0,63 |
54,0 |
18 |
0,10 |
Кц-5,0 |
68,0 |
14 |
0,31 |
||
|
Кц-0,8 |
57,0 |
20 |
0,12 |
Кц-6,3 |
73,0 |
50 |
0,41 |
||
|
Кц-1,0 |
24 |
0,15 |
Кц-8,0 |
83,0 |
56 |
0,53 |
|||
|
Кц-1,25 |
60,0 |
12 |
0,15 |
Кц-10,0 |
89,0 |
0,57 |
|||
|
Кц-1,6 |
63,5 |
0,16 |
Кц-12,5 |
95,0 |
18 |
64 |
0,69 |
||
|
Кц-2,0 |
26 |
0,18 |
Кц-16,0 |
102,0 |
70 |
0,82 |
|||
|
Кц-2,5 |
75,0 |
32 |
0,20 |
Кц-20,0 |
108,0 |
88 |
1,10 |
Б.1.7 Овальные разъемные звенья Ров грузоподъемностью свыше 2,00 тс
Б.1.7.1 Конструкция и размеры звеньев Ров с допускаемой нагрузкой свыше 19,62 кН (2,00 тс), эксплуатируемых в районах с умеренным климатом, должны соответствовать указанным на рисунке Б.17 и в таблице Б.23.
1 - скоба; 2 - полумуфта (2 шт.); 3 -
кольцо; 4 - болт по ГОСТ
7798;
5 - гайка по ГОСТ
5919; 6 - шплинт по ГОСТ 397
Рисунок Б.17 - Звено Ров грузоподъемностью свыше 2,00 тс
Таблица Б.23 - Овальные разъемные звенья Ров грузоподъемностью свыше 2,00 тс
|
Обозначение звена |
Допустимая нагрузка, кН (тс) |
Размер, мм |
Обозначение деталей звена |
Масса, кг |
|||||||||
|
d |
с |
s |
R |
b |
Скоба |
Полумуфта |
Кольцо |
Болт |
Гайка |
Шплинт |
|||
|
Ров-2,5 |
24,52 (2,50) |
28 |
240 |
36 |
60 |
120 |
Сов-2,5 |
Пм-2,5 |
Кц-2,5 |
2М10×70.36 |
М10,4 |
2,5×25.001 |
4,10 |
|
Ров-3,2 |
31,40 (3,20) |
32 |
260 |
42 |
Сов-3,2 |
Пм-3,2 |
Кц-3,2 |
5,57 |
|||||
|
Ров-4,0 |
39,24 (4,00) |
36 |
300 |
46 |
75 |
150 |
Сов-4,0 |
Пм-4,0 |
Кц-4,0 |
2М10×75.36 |
7,91 |
||
|
Ров-5,0 |
49,05 (5,00) |
40 |
320 |
Сов-5,0 |
Пм-5,0 |
Кц-5,0 |
2М12×80.36 |
М12,4 |
3,2×32.001 |
10,12 |
|||
|
Ров-6,3 |
61,80 (6,30) |
42 |
330 |
54 |
Сов-6,3 |
Пм-6,3 |
Кц-6,3 |
2М12×90.36 |
11,58 |
||||
|
Ров-8,0 |
78,50 (8,00) |
50 |
360 |
60 |
Сов-8,0 |
Пм-8,0 |
Кц-8,0 |
2М12×100.36 |
17,67 |
||||
|
Ров-10,0 |
98,10 (10,00) |
56 |
450 |
110 |
220 |
Сов-10,0 |
Пм-10,0 |
Кц-10,0 |
2М12×110.36 |
27,19 |
|||
|
Ров-12,5 |
122,60 (12,50) |
60 |
470 |
68 |
Сов-12,5 |
Пм-12,5 |
Кц-12,5 |
2М16×110.36 |
М16,4 |
4×36.001 |
32,50 |
||
|
Ров-16,0 |
157,00 (16,00) |
65 |
490 |
74 |
Сов-16,0 |
Пм-16,0 |
Кц-16,0 |
2М16×120.36 |
39,51 |
||||
|
Ров-20,0 |
196,29 (20,00) |
72 |
530 |
92 |
Сов-20,0 |
Пм-20,0 |
Кц-20,0 |
2М16×130.36 |
51,26 |
||||
Б.1.7.2 Конструкция и размеры скобы Сов для звеньев Ров с допускаемой нагрузкой свыше 19,62 кН (2,00 тс), эксплуатируемых в районах с умеренным климатом, должны соответствовать указанным на рисунке Б.18 и в таблице Б.24.
Материал: сталь 20 по ГОСТ 1050 или Ст3сп по ГОСТ 380
Рисунок Б.18 - Скоба Сов для звеньев Ров грузоподъемностью свыше 2,00 тс
Таблица Б.24 - Скобы Сов звеньев Ров грузоподъемностью свыше 2,00 тс
Размеры в миллиметрах
|
Обозначение скобы |
d |
с |
s |
R |
b |
d1 |
h |
h1 |
Длина развертки |
Масса, кг |
|
Сов-2,5 |
28 |
240 |
36 |
60 |
120 |
18 |
12 |
14 |
668 |
3,23 |
|
Сов-3,2 |
32 |
260 |
42 |
20 |
714 |
4,51 |
||||
|
Сов-4,0 |
36 |
300 |
46 |
75 |
150 |
24 |
838 |
6,70 |
||
|
Сов-5,0 |
40 |
320 |
28 |
890 |
8,78 |
|||||
|
Сов-6,3 |
42 |
330 |
54 |
30 |
908 |
9,88 |
||||
|
Сов-8,0 |
50 |
360 |
60 |
36 |
14 |
26 |
988 |
15,23 |
||
|
Сов-10,0 |
56 |
450 |
110 |
220 |
40 |
1266 |
24,48 |
|||
|
Сов-12,5 |
60 |
470 |
68 |
44 |
1310 |
29,08 |
||||
|
Сов-16,0 |
65 |
490 |
74 |
48 |
16 |
18 |
1360 |
35,43 |
||
|
Сов-20,0 |
72 |
530 |
92 |
52 |
1444 |
46,15 |
Б.1.7.3 Конструкция и размеры полумуфты Пм для звеньев Ров с допускаемой нагрузкой свыше 19,62 кН (2,00 тс), эксплуатируемых в районах с умеренным климатом, должны соответствовать указанным на рисунке Б.19 и в таблице Б.25.
Материал: сталь 20 по ГОСТ 1050 или Ст3сп по ГОСТ 380
Рисунок Б.19 - Полумуфта Пм для звеньев Ров грузоподъемностью свыше 2,00 тс
Таблица Б.25 - Полумуфты Пм звеньев Ров грузоподъемностью свыше 2,00 тс
Размеры в миллиметрах
|
Обозначение полумуфты |
d |
d1 |
d2 |
d3 |
L |
l |
h |
Масса, кг |
|
Пм-2,5 |
18 |
30 |
44 |
12 |
84 |
12 |
20,0 |
0,30 |
|
Пм-3,2 |
20 |
34 |
48 |
90 |
22,0 |
0,37 |
||
|
Пм-4,0 |
24 |
38 |
52 |
94 |
24,0 |
0,42 |
||
|
Пм-5,0 |
28 |
42 |
56 |
14 |
26,0 |
0,46 |
||
|
Пм-6,3 |
30 |
44 |
60 |
102 |
28,0 |
0,59 |
||
|
Пм-8,0 |
36 |
52 |
70 |
116 |
14 |
33,0 |
0,90 |
|
|
Пм-10,0 |
40 |
58 |
76 |
36,0 |
1,00 |
|||
|
Пм-12,5 |
44 |
62 |
82 |
18 |
124 |
39,0 |
1,25 |
|
|
Пм-16,0 |
48 |
67 |
87 |
138 |
16 |
41,5 |
1,51 |
|
|
Пм-20,0 |
52 |
74 |
94 |
156 |
45,0 |
1,87 |
Б.1.8 Треугольные звенья Т грузоподъемностью до 12,5 тс
Б.1.8.1 Конструкция и размеры звеньев Т с допускаемой нагрузкой до 122,6 кН (12,5 тс), эксплуатируемых в районах с умеренным климатом, должны соответствовать указанным на рисунке Б.20 и в таблице Б.26, а в районах с холодным климатом - на рисунке Б.20 и в таблице Б.27.
1 - скоба; 2 - упор
Материал для звена Т
климатического исполнения У - сталь 20 по ГОСТ
1050 или Ст3сп по ГОСТ 380,
для звена Т климатического исполнения ХЛ - 15ХСНД или 09Г2С по ГОСТ
19281
Рисунок Б.20 - Звено Т грузоподъемностью до 12,5 тс
Таблица Б.26 - Треугольные звенья Т грузоподъемностью до 12,5 тс для умеренного климата
|
Обозначение звена |
Допустимая нагрузка, кН (тс) |
Размер звена, мм |
Обозначение упора |
Масса, кг |
||||||
|
l |
k |
b |
с |
d |
r |
Длина развертки |
||||
|
Т-0,4 |
3,92 (0,40) |
23 |
5 |
54 |
50 |
9 |
13 |
194 |
У-0,4 |
0,11 |
|
Т-0,5 |
4,90 (0,50) |
4 |
60 |
55 |
10 |
14 |
216 |
У-0,5 |
0,14 |
|
|
Т-0,63 |
6,18 (0,63) |
6 |
64 |
60 |
11 |
16 |
231 |
У-0,63 |
0,18 |
|
|
Т-0,8 |
7,85 (0,80) |
7 |
76 |
70 |
12 |
18 |
270 |
У-0,8 |
0,25 |
|
|
Т-1,0 |
9,81 (1,00) |
29 |
8 |
86 |
80 |
14 |
20 |
308 |
У-1,0 |
0,40 |
|
Т-1,25 |
12,26 (1,25) |
33 |
9 |
97 |
90 |
16 |
22 |
347 |
У-1,25 |
0,58 |
|
Т-1,6 |
15,70 (1,60) |
41 |
6 |
108 |
100 |
18 |
25 |
388 |
У-1,6 |
0,81 |
|
Т-2,0 |
19,62 (2,00) |
11 |
119 |
110 |
20 |
28 |
427 |
У-2,0 |
1,09 |
|
|
Т-2,5 |
24,52 (2,50) |
7 |
130 |
120 |
22 |
30 |
468 |
У-2,5 |
1,45 |
|
|
Т-3,2 |
31,40 (3,20) |
47 |
6 |
130 |
25 |
35 |
478 |
У-3,2 |
1,90 |
|
|
Т-4,0 |
39,24 (4,00) |
54 |
12 |
161 |
150 |
28 |
40 |
583 |
У-4,0 |
2,95 |
|
Т-5,0 |
49,05 (5,00) |
56 |
10 |
182 |
170 |
32 |
45 |
659 |
У-5,0 |
4,30 |
|
Т-6,3 |
61,80 (6,30) |
68 |
9 |
204 |
190 |
36 |
50 |
738 |
У-6,3 |
6,06 |
|
Т-8,0 |
78,50 (8,00) |
75 |
8 |
225 |
210 |
40 |
55 |
815 |
У-8,0 |
8,23 |
|
Т-10,0 |
98,10 (10,00) |
82 |
247 |
230 |
44 |
60 |
901 |
У-10,0 |
11,01 |
|
|
Т-12,5 |
122,60 (12,50) |
90 |
279 |
260 |
50 |
70 |
1013 |
У-12,5 |
15,92 |
|
Таблица Б.27 - Треугольные звенья Т грузоподъемностью до 12,5 тс для холодного климата
|
Обозначение звена |
Допустимая нагрузка, кН (тс) |
Размер звена, мм |
Обозначение упора |
Масса, кг |
||||||
|
l |
k |
b |
с |
d |
r |
Длина развертки |
||||
|
Т-0,4ХЛ |
3,92 (0,40) |
23 |
5 |
54 |
50 |
9 |
13 |
194 |
У-0,4 |
0,11 |
|
Т-0,5ХЛ |
4,90 (0,50) |
4 |
60 |
55 |
10 |
14 |
216 |
У-0,5 |
0,14 |
|
|
Т-0,63ХЛ |
6,18 (0,63) |
6 |
64 |
60 |
11 |
16 |
231 |
У-0,63 |
0,18 |
|
|
Т-0,8ХЛ |
7,85 (0,80) |
7 |
76 |
70 |
12 |
18 |
270 |
У-0,8 |
0,25 |
|
|
Т-1,0ХЛ |
9,81 (1,00) |
29 |
8 |
86 |
80 |
14 |
20 |
308 |
У-1,0 |
0,40 |
|
Т-1,25ХЛ |
12,26 (1,25) |
33 |
9 |
97 |
90 |
16 |
22 |
347 |
У-1,25 |
0,58 |
|
Т-1,6ХЛ |
15,70 (1,60) |
37 |
108 |
100 |
25 |
381 |
У-1,6 |
0,64 |
||
|
Т-2,0ХЛ |
19,62 (2,00) |
38 |
6 |
119 |
110 |
18 |
28 |
421 |
У-2,0 |
0,88 |
|
Т-2,5ХЛ |
24,52 (2,50) |
39 |
11 |
130 |
120 |
20 |
30 |
462 |
У-2,5 |
1,20 |
|
Т-3,2ХЛ |
31,40 (3,20) |
44 |
7 |
130 |
22 |
35 |
468 |
У-3,2 |
1,46 |
|
|
Т-4,0ХЛ |
39,24 (4,00) |
51 |
8 |
161 |
150 |
25 |
40 |
573 |
У-4,0 |
2,34 |
|
Т-5,0ХЛ |
49,05 (5,00) |
52 |
15 |
182 |
170 |
28 |
45 |
646 |
У-5,0 |
3,26 |
|
Т-6,3ХЛ |
61,80 (6,30) |
64 |
10 |
204 |
190 |
32 |
50 |
726 |
У-6,3 |
4,74 |
|
Т-8,0ХЛ |
78,50 (8,00) |
71 |
9 |
225 |
210 |
36 |
55 |
802 |
У-8,0 |
6,60 |
|
Т-10,0ХЛ |
98,10 (10,00) |
78 |
247 |
230 |
40 |
60 |
883 |
У-10,0 |
8,97 |
|
|
Т-12,5ХЛ |
122,60 (12,50) |
84 |
279 |
260 |
44 |
70 |
994 |
У-12,5 |
13,17 |
|
Б.1.8.2 Конструкция и размеры упора У для звеньев Т с допускаемой нагрузкой до 122,6 кН (12,5 тс) должны соответствовать указанным на рисунке Б.21 и в таблице Б.28.
|
Материал для деталей
климатического исполнения Рисунок Б.21 - Упор У для звеньев Т грузоподъемностью до 12,5 тс |
Таблица Б.28 - Упоры У звеньев Т грузоподъемностью до 12,5 тс
Размеры в миллиметрах
|
Обозначение упора |
b |
b1* |
l |
s |
r |
Масса, кг |
|
У-0,4 |
9 |
15 |
13 |
2,5 |
2,0 |
0,01 |
|
У-0,5 |
||||||
|
У-0,63 |
11 |
20 |
12 |
3,0 |
||
|
У-0,8 |
12 |
3,5 |
||||
|
У-1,0 |
14 |
25 |
16 |
4,0 |
3,0 |
0,02 |
|
У-1,25 |
16 |
30 |
17 |
4,0 |
0,03 |
|
|
У-1,6 |
21 |
0,04 |
||||
|
У-2,0 |
20 |
30 |
20 |
6,0 |
0,04 |
|
|
У-2,5 |
40 |
19 |
0,05 |
|||
|
У-3,2 |
23 |
0,06 |
||||
|
У-4,0 |
28 |
50 |
26 |
6,0 |
8,0 |
0,13 |
|
У-5,0 |
60 |
24 |
0,14 |
|||
|
У-6,3 |
30 |
32 |
9,0 |
0,16 |
||
|
У-8,0 |
65 |
35 |
0,19 |
|||
|
У-10,0 |
32 |
70 |
38 |
10,0 |
0,26 |
|
|
У-12,5 |
34 |
80 |
40 |
11,0 |
0,31 |
Б.1.9 Треугольные звенья Т грузоподъемностью свыше 12,5 тс
Б.1.9.1 Конструкция и размеры звеньев Т с допускаемой нагрузкой свыше 122,6 кН (12,5 тс), эксплуатируемых в районах с умеренным климатом, должны соответствовать указанным на рисунке Б.22 и в таблице Б.29, а в районах с холодным климатом - на рисунке Б.22 и в таблице Б.30.
1 - скоба; 2 - упор (2 шт.)
Материал для звена Т
климатического исполнения У - сталь 20 по ГОСТ
1050 или Ст3сп по ГОСТ 380,
для звена Т климатического исполнения ХЛ - 15ХСНД или 09Г2С по ГОСТ
19281.
Рисунок Б.22 - Звено Т грузоподъемностью свыше 12,5 тс
Таблица Б.29 - Треугольные звенья Т грузоподъемностью свыше 12,5 тс для умеренного климата
|
Обозначение звена |
Допустимая нагрузка, кН (тс) |
Размер звена, мм |
Обозначение упора |
Масса, кг |
|||||||
|
а |
l |
k |
b |
с |
d |
r |
Длина развертки |
||||
|
Т-16,0 |
157,00 (16,00) |
60 |
93 |
7 |
312 |
290 |
56 |
75 |
1133 |
У-16,0 |
22,04 |
|
Т-20,0 |
196,20 (20,00) |
75 |
102 |
9 |
339 |
320 |
65 |
100 |
1249 |
У-20,0 |
32,77 |
|
Т-25,0 |
245,25 (25,00) |
80 |
110 |
8 |
370 |
350 |
72 |
110 |
1366 |
У-25,0 |
43,91 |
|
Т-32,0 |
314,00 (32,00) |
95 |
115 |
7 |
413 |
390 |
80 |
120 |
1519 |
У-32,0 |
60,16 |
Таблица Б.30 - Треугольные звенья Т грузоподъемностью свыше 12,5 тс для холодного климата
|
Обозначение звена |
Допустимая нагрузка, кН (тс) |
Размер звена, мм |
Обозначение упора |
Масса, кг |
|||||||
|
а |
l |
k |
b |
с |
d |
r |
Длина развертки |
||||
|
Т-16,0ХЛ |
157,00 (16,00) |
60 |
87 |
8 |
312 |
290 |
50 |
75 |
1114 |
У-16,0 |
22,04 |
|
Т-20,0ХЛ |
196,20 (20,00) |
75 |
93 |
11 |
339 |
320 |
56 |
100 |
1221 |
У-20,0 |
32,77 |
|
Т-25,0ХЛ |
245,25 (25,00) |
80 |
104 |
9 |
370 |
350 |
65 |
110 |
1345 |
У-25,0 |
43,91 |
|
Т-32,0ХЛ |
314,00 (32,00) |
95 |
107 |
8 |
413 |
390 |
72 |
120 |
1499 |
У-32,0 |
60,16 |
Б.1.9.2 Конструкция и размеры упора У для звеньев Т с допускаемой нагрузкой свыше 122,6 кН (12,5 тс) должны соответствовать указанным на рисунке Б.23 и в таблице Б.31.
Материал для деталей
климатического исполнения У - Ст3пс по ГОСТ 380,
для деталей климатического исполнения ХЛ - Ст3сп по ГОСТ 380
Рисунок Б.23 - Упоры У для звеньев Т грузоподъемностью свыше 12,5 тс
Таблица Б.31 -Упоры У звеньев Т грузоподъемностью свыше 12,5 тс
Размеры в миллиметрах
|
Обозначение упора |
d |
l |
s |
Масса, кг |
|
У-16,0 |
34 |
37 |
6 |
0,13 |
|
У-20,0 |
42 |
38 |
8 |
0,24 |
|
У-25,0 |
39 |
0,25 |
||
|
У-32,0 |
35 |
0,22 |
Б.1.10 Звенья овоидные О
Конструкция и размеры звеньев О, эксплуатируемых в районах с умеренным климатом, должны соответствовать указанным на рисунке Б.24 и в таблице Б.32, а в районах с холодным климатом - на рисунке Б.24 и в таблице Б.33.
Материал для звена Т
климатического исполнения У - сталь 20 по ГОСТ
1050 или Ст3сп по ГОСТ 380,
для звена Т климатического исполнения ХЛ - 15ХСНД или 09Г2С по ГОСТ
19281
Рисунок Б.24 - Звено О
Таблица Б.32 - Овоидные звенья О для умеренного климата
Размеры в миллиметрах
|
Обозначение звена |
Допустимая нагрузка, кН (тс) |
d |
с |
r |
r1 |
Длина развертки |
Масса, кг |
|
О-0,4 |
3,92 (0,40) |
9 |
50 |
13 |
7 |
152 |
0,08 |
|
О-0,5 |
4,90 (0,50) |
10 |
55 |
14 |
8 |
167 |
0,11 |
|
О-0,63 |
6,18 (0,63) |
11 |
60 |
16 |
9 |
185 |
0,13 |
|
О-0,8 |
7,85 (0,80) |
12 |
70 |
18 |
10 |
211 |
0,19 |
|
О-1,0 |
9,81 (1,00) |
14 |
80 |
20 |
12 |
242 |
0,29 |
|
О-1,25 |
12,26 (1,25) |
16 |
90 |
22 |
13 |
272 |
0,43 |
|
О-1,6 |
15,70 (1,60) |
18 |
100 |
25 |
14 |
302 |
0,60 |
|
О-2,0 |
19,62 (2,00) |
20 |
110 |
28 |
16 |
334 |
0,81 |
|
О-2,5 |
24,52 (2,50) |
22 |
120 |
30 |
19 |
367 |
1,10 |
|
О-3,2 |
31,40 (3,20) |
25 |
130 |
35 |
20 |
405 |
1,54 |
|
О-4,0 |
39,24 (4,00) |
28 |
150 |
40 |
22 |
463 |
2,22 |
|
О-5,0 |
49,05 (5,00) |
32 |
170 |
45 |
25 |
524 |
3,28 |
|
О-6,3 |
61,80 (6,30) |
36 |
190 |
50 |
27 |
586 |
4,71 |
|
О-8,0 |
78,50 (8,00) |
40 |
210 |
55 |
28 |
546 |
6,41 |
|
О-10,0 |
98,10 (10,00) |
44 |
230 |
60 |
36 |
710 |
8,48 |
|
О-12,5 |
122,60 (12,50) |
50 |
260 |
70 |
40 |
809 |
12,49 |
|
О-16,0 |
157,00 (16,00) |
56 |
290 |
75 |
42 |
895 |
17,21 |
|
О-20,0 |
196,20 (20,00) |
65 |
320 |
100 |
47 |
1028 |
26,05 |
|
О-25,0 |
245,25 (25,00) |
72 |
350 |
110 |
49 |
1128 |
31,96 |
Таблица Б.33 - Овоидные звенья О для холодного климата
Размеры в миллиметрах
|
Обозначение звена |
Допустимая нагрузка, кН (тс) |
d |
с |
r |
r1 |
Длина развертки |
Масса, кг |
|
О-0,4ХЛ |
3,92 (0,40) |
9 |
50 |
13 |
7 |
152 |
0,08 |
|
О-0,5ХЛ |
4,90 (0,50) |
10 |
55 |
14 |
8 |
167 |
0,11 |
|
О-0,63ХЛ |
6,18 (0,63) |
11 |
60 |
16 |
9 |
185 |
0,13 |
|
О-0,8ХЛ |
7,85 (0,80) |
12 |
70 |
18 |
10 |
211 |
0,19 |
|
О-1,0ХЛ |
9,81 (1,00) |
14 |
80 |
20 |
12 |
242 |
0,29 |
|
О-1,25ХЛ |
12,26 (1,25) |
16 |
90 |
22 |
13 |
272 |
0,43 |
|
О-1,6ХЛ |
15,70 (1,60) |
100 |
25 |
14 |
296 |
0,47 |
|
|
О-2,0ХЛ |
19,62 (2,00) |
18 |
110 |
28 |
16 |
329 |
0,66 |
|
О-2,5ХЛ |
24,52 (2,50) |
20 |
120 |
30 |
19 |
360 |
0,89 |
|
О-3,2ХЛ |
31,40 (3,20) |
22 |
130 |
35 |
20 |
395 |
1,18 |
|
О-4,0ХЛ |
39,24 (4,00) |
25 |
150 |
40 |
22 |
464 |
1,79 |
|
О-5,0ХЛ |
49,05 (5,00) |
28 |
170 |
45 |
25 |
508 |
2,46 |
|
О-6,3ХЛ |
61,80 (6,30) |
32 |
190 |
50 |
27 |
572 |
3,61 |
|
О-8,0ХЛ |
78,50 (8,00) |
36 |
210 |
55 |
28 |
641 |
5,12 |
|
О-10,0ХЛ |
98,10 (10,00) |
40 |
230 |
60 |
36 |
699 |
6,90 |
|
О-12,5ХЛ |
122,60 (12,50) |
44 |
260 |
70 |
40 |
789 |
9,42 |
|
О-16,0ХЛ |
157,00 (16,00) |
50 |
290 |
75 |
42 |
881 |
13,57 |
|
О-20,0ХЛ |
196,20 (20,00) |
56 |
320 |
100 |
47 |
991 |
19,16 |
|
О-25,0ХЛ |
245,25 (25,00) |
65 |
350 |
110 |
49 |
1105 |
28,79 |
Б.1.11 Овальные звенья Ов исполнения Ов1
Конструкция и размеры звеньев Ов исполнения Ов1, эксплуатируемых в районах с умеренным климатом, должны соответствовать указанным на рисунке Б.25 и в таблице Б.34, а в районах с холодным климатом - на рисунке Б.25 и в таблице Б.35.
Материал для звена Т
климатического исполнения У - сталь 20 по ГОСТ
1050 или Ст3сп по ГОСТ 380,
для звена Т климатического исполнения ХЛ - 15ХСНД или 09Г2С по ГОСТ
19281
Рисунок Б.25 - Звено Ов
Таблица Б.34 - Овальные звенья Ов1 для умеренного климата
Размеры в миллиметрах
|
Обозначение звена |
Допустимая нагрузка, кН (тс) |
d |
b |
с |
r |
Длина развертки |
Масса, кг |
|
Ов1-0,4 |
3,92 (0,40) |
10 |
28 |
50 |
14 |
163 |
0,10 |
|
Ов1-0,5 |
4,90 (0,50) |
11 |
32 |
55 |
16 |
181 |
0,14 |
|
Ов1-0,63 |
6,18 (0,63) |
14 |
36 |
60 |
18 |
205 |
0,25 |
|
Ов1-0,8 |
7,85 (0,80) |
40 |
70 |
20 |
230 |
0,28 |
|
|
Ов1-1,0 |
9,81 (1,00) |
16 |
44 |
80 |
22 |
260 |
0,41 |
|
Ов1-1,25 |
12,26 (1,25) |
18 |
50 |
90 |
25 |
294 |
0,46 |
|
Ов1-1,6 |
15,70 (1,60) |
20 |
56 |
100 |
28 |
327 |
0,78 |
|
Ов1-2,0 |
19,62 (2,00) |
22 |
60 |
110 |
30 |
358 |
1,07 |
|
Ов1-2,5 |
24,52 (2,50) |
25 |
70 |
120 |
35 |
401 |
1,55 |
|
Ов1-3,2 |
31,40 (3,20) |
28 |
80 |
130 |
40 |
439 |
2,12 |
|
Ов 1-4,0 |
39,24 (4,00) |
32 |
90 |
150 |
45 |
503 |
3,18 |
|
Ов1-5,0 |
49,05 (5,00) |
36 |
100 |
170 |
50 |
567 |
4,53 |
|
Ов1-6,3 |
61,80 (6,30) |
40 |
110 |
190 |
55 |
631 |
6,23 |
|
Ов1-8,0 |
78,50 (8,00) |
45 |
120 |
210 |
60 |
698 |
8,71 |
|
Ов1-10,0 |
98,10 (10,00) |
50 |
140 |
230 |
70 |
777 |
11,98 |
|
Ов1-12,5 |
122,60 (12,50) |
56 |
150 |
260 |
75 |
867 |
16,76 |
|
Ов1-16,0 |
157,00 (16,00) |
65 |
200 |
290 |
100 |
1015 |
26,44 |
|
Ов1-20,0 |
196,20 (20,00) |
72 |
220 |
320 |
110 |
1117 |
35,38 |
Таблица Б.35 - Овальные звенья Ов1 для холодного климата
Размеры в миллиметрах
|
Обозначение звена |
Допустимая нагрузка, кН (тс) |
d |
b |
с |
r |
Длина развертки |
Масса, кг |
|
Ов1-0,4ХЛ |
3,92 (0,40) |
10 |
28 |
50 |
14 |
163 |
0,10 |
|
Ов1-0,5ХЛ |
4,90 (0,50) |
11 |
32 |
55 |
16 |
181 |
0,14 |
|
Ов1-0,63ХЛ |
6,18 (0,63) |
12 |
36 |
60 |
18 |
199 |
0,18 |
|
Ов1-0,8ХЛ |
7,85 (0,80) |
14 |
40 |
70 |
20 |
230 |
0,28 |
|
Ов1-1,0ХЛ |
9,81 (1,00) |
16 |
44 |
80 |
22 |
260 |
0,41 |
|
Ов1-1,25ХЛ |
12,26 (1,25) |
50 |
90 |
25 |
287 |
0,45 |
|
|
Ов1-1,6ХЛ |
15,70 (1,60) |
18 |
56 |
100 |
28 |
320 |
0,64 |
|
Ов1-2,0ХЛ |
19,62 (2,00) |
20 |
60 |
110 |
30 |
351 |
0,87 |
|
Ов1-2,5ХЛ |
24,52 (2,50) |
22 |
70 |
120 |
35 |
389 |
1,16 |
|
Ов1-3,2ХЛ |
31,40 (3,20) |
25 |
80 |
130 |
40 |
433 |
1,66 |
|
Ов1-4,0ХЛ |
39,24 (4,00) |
28 |
90 |
150 |
45 |
491 |
2,38 |
|
Ов1-5,0ХЛ |
49,05 (5,00) |
32 |
100 |
170 |
50 |
555 |
3,50 |
|
Ов1-6,3ХЛ |
61,80 (6,30) |
36 |
110 |
190 |
55 |
618 |
4,94 |
|
Ов1-8,0ХЛ |
78,50 (8,00) |
40 |
120 |
210 |
60 |
682 |
6,73 |
|
Ов1-10,0ХЛ |
98,10 (10,00) |
45 |
140 |
230 |
70 |
758 |
9,05 |
|
Ов1-12,5ХЛ |
122,60 (12,50) |
50 |
150 |
260 |
75 |
828 |
12,76 |
|
Ов1-16,0ХЛ |
157,00 (16,00) |
56 |
200 |
290 |
100 |
984 |
19,03 |
|
Ов1-20,0ХЛ |
196,20 (20,00) |
65 |
220 |
320 |
110 |
1098 |
28,60 |
Б.1.12 Овальные звенья Ов исполнения Ов2
Конструкция и размеры звеньев Ов исполнения Ов2, эксплуатируемых в районах с умеренным климатом, должны соответствовать указанным на рисунке Б.25 и в таблице Б.36.
Таблица Б.36 - Овальные звенья Ов2 для умеренного климата
Размеры в миллиметрах
|
Обозначение звена |
Допустимая нагрузка, кН (тс) |
d |
b |
с |
r |
Длина развертки |
Масса, кг |
|
Ов2-0,4 |
3,92 (0,40) |
14 |
70 |
120 |
35 |
364 |
0,44 |
|
Ов2-0,5 |
4,90 (0,50) |
||||||
|
Ов2-0,63 |
6,18 (0,63) |
16 |
370 |
0,58 |
|||
|
Ов2-0,8 |
7,85 (0,80) |
18 |
90 |
150 |
45 |
459 |
0,92 |
|
Ов2-1,0 |
9,81 (1,00) |
20 |
465 |
1,15 |
|||
|
Ов2-1,25 |
12,26 (1,25) |
22 |
472 |
1,41 |
|||
|
Ов2-1,6 |
15,70 (1,60) |
25 |
120 |
180 |
60 |
575 |
2,23 |
|
Ов2-2,0 |
19,62 (2,00) |
||||||
|
Ов2-2,5 |
24,52 (2,50) |
28 |
585 |
2,83 |
|||
|
Ов2-3,2 |
31,40 (3,20) |
32 |
597 |
3,77 |
|||
|
Ов2-4,0 |
39,24 (4,00) |
36 |
150 |
230 |
75 |
744 |
5,94 |
|
Ов2-5,0 |
49,05 (5,00) |
40 |
150 |
230 |
75 |
757 |
7,47 |
|
Ов2-6,3 |
61,80 (6,30) |
42 |
763 |
8,30 |
|||
|
Ов2-8,0 |
78,50 (8,00) |
50 |
788 |
12,15 |
|||
|
Ов2-10,0 |
98,10 (10,00) |
56 |
220 |
350 |
110 |
1127 |
21,80 |
|
Ов2-12,5 |
122,60 (12,50) |
60 |
1139 |
25,29 |
|||
|
Ов2-16,0 |
157,00 (16,00) |
65 |
1155 |
30,09 |
|||
|
Ов2-20,0 |
196,20 (20,00) |
72 |
1177 |
37,62 |
Б.1.13 Звенья в виде карабинов Кр
Конструкция и размеры звена Кр, эксплуатируемых в районах с умеренным климатом, должны соответствовать указанным на рисунке Б.26 и в таблице Б.37, а в районах с холодным климатом - на рисунке Б.26 и в таблице Б.38.
1 - скоба; 2 - планка
Рисунок Б.26 - Звено Кр
Таблица Б.37 - Звенья в виде карабинов Кр для умеренного климата
|
Обозначение звена |
Допустимая нагрузка, кН (тс) |
Размер звена, мм |
Обозначение деталей звена |
Масса, кг |
|||||
|
b |
L |
l |
а |
а1 |
Скоба |
Пластина |
|||
|
Кр-0,32 |
3,14 (0,32) |
18 |
120 |
20 |
10 |
12 |
Ск-0,32 |
Пк-0,32 |
0,47 |
|
Кр-0,4 |
3,92 (0,40) |
20 |
135 |
15 |
Ск-0,4 |
Пк-0,4 |
0,58 |
||
|
Кр-0,5 |
4,90 (0,50) |
24 |
150 |
16 |
Ск-0,5 |
Пк-0,5 |
0,82 |
||
|
Кр-0,63 |
6,18 (0,63) |
26 |
155 |
15 |
18 |
Ск-0,63 |
Пк-0,63 |
1,04 |
|
|
Кр-0,8 |
7,85 (0,80) |
30 |
170 |
Ск-0,8 |
Пк-0,8 |
1,32 |
|||
|
Кр-1,0 |
9,81 (1,00) |
32 |
170 |
20 |
15 |
25 |
Ск-1,0 |
Пк-1,0 |
1,91 |
|
Кр-1,25 |
12,26 (1,25) |
36 |
185 |
25 |
Ск-1,25 |
Пк-1,25 |
2,60 |
||
|
Кр-1,6 |
15,70 (1,60) |
40 |
205 |
25 |
30 |
Ск-1,6 |
Пк-1,6 |
3,75 |
|
|
Кр-2,0 |
19,62 (2,00) |
44 |
235 |
Ск-2,0 |
Пк-2,0 |
5,25 |
|||
Таблица Б.38 - Звенья в виде карабинов Кр для холодного климата
|
Обозначение звена |
Допустимая нагрузка, кН (тс) |
Размер звена, мм |
Обозначение деталей звена |
Масса, кг |
|||||
|
b |
L |
l |
а |
а1 |
Скоба |
Пластина |
|||
|
Кр-0,4ХЛ |
3,92 (0,40) |
20 |
135 |
20 |
10 |
15 |
Ск-0,4ХЛ |
Пк-0,4ХЛ |
0,51 |
|
Кр-0,5ХЛ |
4,90 (0,50) |
24 |
150 |
16 |
Ск-0,5ХЛ |
Пк-0,5ХЛ |
0,65 |
||
|
Кр-0,63ХЛ |
6,18 (0,63) |
26 |
155 |
15 |
18 |
Ск-0,63ХЛ |
Пк-0,63ХЛ |
0,86 |
|
|
Кр-0,8ХЛ |
7,85 (0,80) |
30 |
170 |
Ск-0,8ХЛ |
Пк-0,8ХЛ |
1,09 |
|||
|
Кр-1,0ХЛ |
9,81 (1,00) |
32 |
25 |
Ск-1,0ХЛ |
Пк-1,0ХЛ |
1,53 |
|||
|
Кр-1,25ХЛ |
12,26 (1,25) |
36 |
185 |
25 |
Ск-1,25ХЛ |
Пк-1,25ХЛ |
2,12 |
||
|
Кр-1,6ХЛ |
15,70 (1,60) |
40 |
205 |
25 |
30 |
Ск-1,6ХЛ |
Пк-1,6ХЛ |
2,87 |
|
|
Кр-2,0ХЛ |
19,62 (2,00) |
44 |
235 |
Ск-2,0ХЛ |
Пк-2,0ХЛ |
4,18 |
|||
Б.1.13.1 Конструкция и размеры скобы Ск для звеньев Кр, эксплуатируемых в районах с умеренным климатом, должны соответствовать указанным на рисунке Б.27 и в таблице Б.39, а в районах с холодным климатом - на рисунке Б.27 и в таблице Б.40.
Материал для деталей
климатического исполнения У - сталь 20 по ГОСТ
1050 или Ст3сп по ГОСТ 380,
для деталей климатического исполнения ХЛ - 15ХСНД или 09Г2С по ГОСТ
19281
Рисунок Б.27 - Скоба Ск для звена Кр
Таблица Б.39 - Скобы Ск звеньев Кр для умеренного климата
Размеры в миллиметрах
|
Обозначение скобы |
d |
L |
а |
b |
r |
l |
с |
Длина развертки |
Масса, кг |
|
Ск-0,4ХЛ |
15 |
135 |
20 |
20 |
10 |
35 |
1,0 |
320 |
0,44 |
|
Ск-0,5ХЛ |
16 |
150 |
24 |
25 |
12 |
353 |
0,56 |
||
|
Ск-0,63ХЛ |
18 |
155 |
26 |
13 |
1,2 |
371 |
0,74 |
||
|
Ск-0,8ХЛ |
20 |
170 |
30 |
30 |
15 |
43 |
407 |
0,97 |
|
|
Ск-1,0ХЛ |
22 |
32 |
16 |
45 |
416 |
1,23 |
|||
|
Ск-1,25ХЛ |
25 |
185 |
36 |
35 |
18 |
1,5 |
445 |
1,76 |
|
|
Ск-1,6ХЛ |
28 |
205 |
40 |
20 |
55 |
509 |
2,43 |
||
|
Ск-2,0ХЛ |
32 |
235 |
44 |
40 |
22 |
580 |
3,66 |
Таблица Б.40 - Скобы Ск звеньев Кр для холодного климата
Размеры в миллиметрах
|
Обозначение скобы |
d |
L |
а |
b |
r |
l |
с |
Длина развертки |
Масса, кг |
|
Ск-0,32 |
15 |
120 |
18 |
16 |
9 |
30 |
1,0 |
292 |
0,41 |
|
Ск-0,4 |
16 |
135 |
20 |
20 |
10 |
35 |
323 |
0,51 |
|
|
Ск-0,5 |
18 |
150 |
24 |
25 |
12 |
359 |
0,72 |
||
|
Ск-0,63 |
20 |
155 |
26 |
13 |
1,2 |
377 |
0,92 |
||
|
Ск-0,8 |
22 |
170 |
30 |
30 |
15 |
43 |
413 |
1,19 |
|
|
Ск-1,0 |
25 |
32 |
16 |
45 |
425 |
1,59 |
|||
|
Ск-1,25 |
28 |
185 |
36 |
35 |
18 |
1,5 |
463 |
2,22 |
|
|
Ск-1,6 |
32 |
205 |
40 |
20 |
55 |
521 |
3,29 |
||
|
Ск-2,0 |
36 |
235 |
44 |
40 |
22 |
592 |
4,72 |
Б.1.13.2 Конструкция и размеры пластины Пк для звена Кр, эксплуатируемых в районах с умеренным климатом, должны соответствовать указанным на рисунке Б.28 и в таблице Б.41, а в районах с холодным климатом - на рисунке Б.28 и в таблице Б.42.
Материал для деталей
климатического исполнения У - Ст3пс по ГОСТ 380,
для деталей климатического исполнения ХЛ - Ст3сп по ГОСТ 380
Рисунок Б.28 - Пластина Пк для звена Кр
Таблица Б.41 - Пластины Пк звеньев Кр для умеренного климата
Размеры в миллиметрах
|
Обозначение пластины |
А |
L |
l |
r |
r1 |
s |
Масса, кг |
|
Пк-0,32 |
33 |
55 |
13 |
8,0 |
5 |
1 |
0,030 |
|
Пк-0,4 |
36 |
60 |
8,5 |
0,035 |
|||
|
Пк-0,5 |
42 |
70 |
9,5 |
0,047 |
|||
|
Пк-0,63 |
46 |
80 |
16 |
10,5 |
8 |
0,059 |
|
|
Пк-0,8 |
52 |
11,5 |
0,065 |
||||
|
Пк-1,0 |
57 |
85 |
13,0 |
2 |
0,160 |
||
|
Пк-1,25 |
64 |
90 |
14,5 |
0,190 |
|||
|
Пк-1,6 |
72 |
100 |
18 |
16,5 |
10 |
0,230 |
|
|
Пк-2,0 |
80 |
105 |
18,5 |
0,267 |
Таблица Б.42 - Пластины Пк звеньев Кр для холодного климата
Размеры в миллиметрах
|
Обозначение пластины |
А |
L |
l |
r |
r1 |
s |
Масса, кг |
|
Пк-0,4ХЛ |
35 |
60 |
13 |
8,0 |
5 |
1 |
0,035 |
|
Пк-0,5ХЛ |
40 |
70 |
8,5 |
0,046 |
|||
|
Пк-0,63ХЛ |
44 |
80 |
9,5 |
0,058 |
|||
|
Пк-0,8ХЛ |
50 |
16 |
10,5 |
8 |
0,062 |
||
|
Пк-1,0ХЛ |
54 |
85 |
11,5 |
2 |
0,150 |
||
|
Пк-1,25ХЛ |
61 |
90 |
13,0 |
10 |
0,180 |
||
|
Пк-1,6ХЛ |
68 |
100 |
18 |
14,5 |
0,220 |
||
|
Пк-2,0ХЛ |
76 |
105 |
16,5 |
0,258 |
Б.1.14 Переходные разъемные звенья РП
Б.1.14.1 Конструкция и размеры звеньев РП, эксплуатируемых в районах с умеренным климатом, должны соответствовать указанным на рисунке Б.29 и в таблице Б.43.
1 - скоба; 2 - болт по ГОСТ
7798 (до 48 мм) или по ГОСТ
10602 (св. 52 мм);
3 - шайба по ГОСТ
9649; 4 - шплинт по ГОСТ 397
Рисунок Б.29 - Звено РП
Таблица Б.43 - Переходные разъемные звенья РП для умеренного климата
|
Обозначение звена |
Допустимая нагрузка, кН (тс) |
Размеры, мм |
Обозначение деталей звена |
Масса, кг |
||||||
|
d |
d1 |
В |
L |
Скоба |
Болт |
Шайба |
Шплинт |
|||
|
РП-1,0 |
9,81 (1,00) |
14 |
18 |
29 |
70 |
Сп-1,0 |
2М18-6g×65.36 |
20.02.Ст3кп |
4×50 |
0,48 |
|
РП-1,25 |
12,26 (1,25) |
16 |
32 |
74 |
Сп-1,25 |
2М18-6g×75.36 |
0,63 |
|||
|
РП-1,6 |
15,70 (1,60) |
18 |
20 |
80 |
Сп-1,6 |
2М20-6g×80.36 |
0,71 |
|||
|
РП-2,0 |
19,62 (2,00) |
20 |
24 |
36 |
90 |
Сп-2,0 |
2М24-6g×90.36 |
24.02.Ст3кп |
5×50 |
1,12 |
|
РП-2,5 |
24,52 (2,50) |
22 |
27 |
40 |
100 |
Сп-2,5 |
2М27-6g×95.36 |
28.02.Ст3кп |
1,59 |
|
|
РП-3,2 |
31,40 (3,20) |
24 |
30 |
45 |
110 |
Сп-3,2 |
2М30-6g×105.36 |
32.02.Ст3кп |
6,3×70 |
2,26 |
|
РП-4,0 |
39,24 (4,00) |
28 |
36 |
50 |
120 |
Сп-4,0 |
2М36-6g×120.36 |
36.02.Ст3кп |
6,3×90 |
3,29 |
|
РП-5,0 |
49,05 (5,00) |
32 |
42 |
58 |
130 |
Сп-5,0 |
2М42-6g×140.36 |
45.02.Ст3кп |
8×100 |
4,68 |
|
РП-6,3 |
61,80 (6,30) |
36 |
64 |
150 |
Сп-6,3 |
2М42-6g×160.36 |
6,32 |
|||
|
РП-8,0 |
78,50 (8,00) |
40 |
48 |
70 |
170 |
Сп-8,0 |
2М48-6g×170.36 |
50.02.Ст3кп |
8×110 |
8,85 |
|
РП-10,0 |
98,10 (10,00) |
45 |
52 |
80 |
190 |
Сп-10,0 |
2М52-6g×200.36 |
55.02.Ст3кп |
8×125 |
12,48 |
|
РП-12,5 |
122,60 (12,50) |
48 |
56 |
90 |
215 |
Сп-12,5 |
2М56-6g×220.36 |
60.02.Ст3кп |
10×135 |
16,10 |
Б.1.14.2 Конструкция и размеры скобы Сп для звеньев РП, эксплуатируемых в районах с умеренным климатом, должны соответствовать указанным на рисунке Б.30 и в таблице Б.44.
Материал: сталь 20 по ГОСТ 1050 или Ст3сп по ГОСТ 380
Рисунок Б.30 - Скоба Сп для звена РП
Таблица Б.44 - Скобы Сп звеньев РП для умеренного климата
Размеры в миллиметрах
|
Обозначение скобы |
D |
d |
d1 |
d2 |
В |
L |
с |
с1 |
Масса, кг |
|||
|
Номин. |
Пред. откл. |
Номин. |
Пред. откл. |
Номин. |
Пред. откл. |
|||||||
|
Сп-1,0 |
35 |
±1,5 |
14 |
19 |
М18 |
28 |
+1,5 |
70 |
±2,5 |
1,0 |
2,5 |
0,32 |
|
Сп-1,25 |
40 |
16 |
32 |
+2,0 |
74 |
0,45 |
||||||
|
Сп-1,6 |
18 |
21 |
М20 |
80 |
0,47 |
|||||||
|
Сп-2,0 |
45 |
±2,0 |
20 |
25 |
М24 |
36 |
90 |
±3,0 |
1,5 |
0,79 |
||
|
Сп-2,5 |
50 |
22 |
30 |
М27 |
40 |
100 |
1,04 |
|||||
|
Сп-3,2 |
60 |
±2,5 |
24 |
32 |
МЗО |
45 |
110 |
1,50 |
||||
|
Сп-4,0 |
68 |
28 |
38 |
М36 |
50 |
120 |
2,24 |
|||||
|
Сп-5,0 |
75 |
32 |
44 |
М42 |
58 |
+2,5 |
130 |
±3,5 |
2,0 |
4,0 |
3,15 |
|
|
Сп-6,3 |
80 |
36 |
64 |
150 |
4,25 |
|||||||
|
Сп-8,0 |
90 |
±3,0 |
40 |
50 |
М48 |
70 |
170 |
5,98 |
||||
|
Сп-10,0 |
100 |
45 |
54 |
М52 |
80 |
190 |
2,5 |
8,45 |
||||
|
Сп-12,5 |
110 |
48 |
58 |
М56 |
90 |
+3,0 |
215 |
±4,0 |
10,90 |
|||
Б.2 Захваты
Б.2.1 В качестве захватов в стропах рекомендуется применять зацепной захват в виде крюка исполнений К1 и К2.
Допускается применение иных захватов. При этом изготовитель должен гарантировать их соответствие требованиям настоящего стандарта, стандартам или техническим условиям на захваты конкретного типа.
Б.2.2 Крюки исполнения К1
Б.2.2.1 Конструкция и размеры крюков исполнений К1, эксплуатируемых в районах с умеренным климатом, должны соответствовать указанным на рисунке Б.31 и в таблице Б.45.
1 - крюк чалочный; 2 - замок; 3 - заклепка
Рисунок Б.31 - Зацепной захват в виде крюка исполнения К1
Таблица Б.45 - Зацепные захваты К1 для умеренного климата
|
Обозначение захвата |
Допустимая нагрузка, кН (тс) |
Размер захвата, мм |
Обозначение деталей захвата |
Масса, кг |
||||||
|
D |
d |
с |
s |
b |
Крюк чалочный |
Замок |
Заклепка |
|||
|
К1-0,63 |
6,18 (0,63) |
25 |
22 |
88,5 |
22 |
12 |
Кч 1-0,63 |
З1-0,63 |
6×24,00 |
0,45 |
|
К1-0,8 |
7,85 (0,80) |
30 |
25 |
102,5 |
24 |
Кч1-0,8 |
З1-0,8 |
0,50 |
||
|
К1-1,0 |
9,81 (1,00) |
32 |
26 |
109,0 |
15 |
Кч1-1,0 |
З1-1,0 |
6×26,00 |
0,76 |
|
|
К1-1,25 |
12,26 (1,25) |
36 |
30 |
118,0 |
28 |
18 |
Кч1-1,25 |
З1-1,25 |
6×30,00 |
0,87 |
|
К1-1,6 |
15,70 (1,60) |
40 |
125,0 |
30 |
Кч1-1,6 |
З1-1,6 |
8×32,00 |
1,33 |
||
|
К1-2,0 |
19,62 (2,00) |
45 |
35 |
145,0 |
36 |
20 |
Кч1-2,0 |
З1-2,0 |
8×38,00 |
1,62 |
|
К1-2,5 |
24,52 (2,50) |
50 |
38 |
154,0 |
38 |
26 |
Кч1-2,5 |
З1-2,5 |
8×42,00 |
2,51 |
|
К1-3,2 |
31,40 (3,20) |
55 |
42 |
173,5 |
40 |
30 |
Кч1-3,2 |
З1-3,2 |
8×45,00 |
3,23 |
|
К1-4,0 |
39,24 (4,00) |
60 |
44 |
187,0 |
45 |
32 |
Кч1-4,0 |
З1-4,0 |
8×48,00 |
4,20 |
Б.2.2.2 Координаты отверстия в чалочном крюке Кч1 для замка с противовесом З1 должны соответствовать указанным на рисунке Б.32 и в таблице Б.46, остальные размеры - на рисунке Б.35 и в таблице Б.50.
Материал для деталей
климатического исполнения У -
сталь 20 по ГОСТ
1050 или Ст3сп по ГОСТ 380
Рисунок Б.32 - Чалочный крюк Кч1 для захвата К1
Таблица Б.46 - Чалочные крюки Кч1 захватов К1
Размеры в миллиметрах
|
Обозначение крюка чалочного |
d1 |
l1 |
l2 |
|
Кч1-0,63 |
6,2 |
24 |
3 |
|
Кч1-0,8 |
28 |
||
|
Кч1-1,0 |
6,2 |
29 |
3 |
|
Кч1-1,25 |
32 |
4 |
|
|
Кч1-1,6 |
8,2 |
||
|
Кч1-2,0 |
35 |
5 |
|
|
Кч1-2,5 |
38 |
||
|
Кч1-3,2 |
45 |
6 |
|
|
Кч1-4,0 |
50 |
7 |
Б.2.2.3 Конструкция и размеры замков 31 для захватов К1, эксплуатируемых в районах с умеренным климатом, должны соответствовать указанным на рисунке Б.33 и в таблице Б.47.
Материал для деталей климатического исполнения У- сталь 20 по ГОСТ 1050 или Ст3сп по ГОСТ 380
Рисунок Б.33 - Замок З1 для захвата К1
Таблица Б.47 - Замки З1 захватов К1 для умеренного климата
Размеры в миллиметрах
|
Обозначение замка |
d |
l |
l1 |
l2 |
t |
t1 |
t2 |
t3 |
t4 |
t5 |
t6 |
r |
r1 |
Масса, кг |
|
З1-0,63 |
6,2 |
50 |
15 |
16 |
43 |
30 |
16 |
22 |
44 |
9 |
113 |
8 |
6 |
0,038 |
|
З1-0,8 |
60 |
18 |
45 |
35 |
18 |
23 |
46 |
135 |
0,048 |
|||||
|
З1-1,0 |
17 |
21 |
53 |
45 |
21 |
24 |
48 |
139 |
9 |
11 |
0,052 |
|||
|
З1-1,25 |
70 |
23 |
55 |
23 |
26 |
52 |
10 |
161 |
0,065 |
|||||
|
З1-1,6 |
8,2 |
18 |
26 |
59 |
26 |
28 |
56 |
11 |
163 |
0,071 |
||||
|
З1-2,0 |
90 |
20 |
30 |
65 |
50 |
30 |
32 |
64 |
205 |
10 |
15 |
0,102 |
||
|
З1-2,5 |
32 |
71 |
58 |
32 |
34 |
68 |
12 |
211 |
16 |
0,111 |
||||
|
З1-3,2 |
100 |
22 |
38 |
78 |
38 |
36 |
72 |
14 |
234 |
0,132 |
||||
|
З1-4,0 |
110 |
23 |
40 |
82 |
72 |
40 |
44 |
88 |
256 |
11 |
19 |
0,176 |
Б.2.3 Крюки исполнения К2
Б.2.3.1 Конструкция и размеры крюков исполнений К2, эксплуатируемых в районах с умеренным климатом, должны соответствовать указанным на рисунке Б.34 и в таблице Б.48, а в районах с холодным климатом - на рисунке Б.34 и в таблице Б.49.
1 - чалочный крюк; 2 - замок
Рисунок Б.34 - Зацепной захват в виде крюка исполнения К2
Таблица Б.48 - Зацепные захваты К2 для умеренного климата
|
Обозначение захвата |
Допустимая нагрузка, кН (тс) |
Размер захвата, мм |
Обозначение деталей захвата |
Масса, кг |
|||||
|
D |
d |
с |
s |
b |
Крюк чалочный |
Замок |
|||
|
К2-0,32 |
3,14 (0,32) |
18 |
16 |
67,0 |
15 |
9 |
Кч2-0,32 |
З2-0,32 |
0,10 |
|
К2-0,4 |
3,92 (0,40) |
20 |
18 |
74,0 |
16 |
10 |
Кч2-0,4 |
З2-0,4 |
0,15 |
|
К2-0,5 |
4,90 (0,50) |
25 |
22 |
83,5 |
22 |
11 |
Кч2-0,5 |
З2-0,5 |
0,25 |
|
К2-0,63 |
6,18 (0,63) |
88,5 |
12 |
Кч2-0,63 |
З2-0,63 |
0,41 |
|||
|
К2-0,8 |
7,85 (0,80) |
30 |
25 |
102,5 |
24 |
Кч2-0,8 |
З2-0,8 |
0,46 |
|
|
К2-1,0 |
9,81 (1,00) |
32 |
26 |
109,0 |
15 |
Кч2-1,0 |
З2-1,0 |
0,71 |
|
|
К2-1,25 |
12,26 (1,25) |
36 |
30 |
118,0 |
28 |
18 |
Кч2-1,25 |
З2-1,25 |
0,81 |
|
К2-1,6 |
15,70 (1,60) |
40 |
125,0 |
30 |
Кч2-1,6 |
З2-1,6 |
1,25 |
||
|
К2-2,0 |
19,62 (2,00) |
45 |
35 |
145,0 |
36 |
20 |
Кч2-2,0 |
З2-2,0 |
1,52 |
|
К2-2,5 |
24,52 (2,50) |
50 |
38 |
154,0 |
38 |
26 |
Кч2-2,5 |
З2-2,5 |
2,40 |
|
К2-3,2 |
31,40 (3,20) |
55 |
42 |
173,5 |
40 |
30 |
Кч2-3,2 |
З2-3,2 |
3,10 |
|
К2-4,0 |
39,24 (4,00) |
60 |
44 |
187,0 |
45 |
32 |
Кч2-4,0 |
З2-4,0 |
3,80 |
|
К2-5,0 |
49,05 (5,00) |
65 |
48 |
206,5 |
50 |
36 |
Кч2-5,0 |
З2-5,0 |
5,12 |
|
К2-6,3 |
61,80 (6,30) |
75 |
56 |
227,5 |
58 |
40 |
Кч2-6,3 |
З2-6,3 |
7,23 |
|
К2-8,0 |
78,50 (8,00) |
85 |
60 |
262,5 |
65 |
46 |
Кч2-8,0 |
З2-8,0 |
10,23 |
|
К2-10,0 |
98,10 (10,00) |
95 |
70 |
297,5 |
75 |
50 |
Кч2-10,0 |
З2-10,0 |
14,26 |
|
К2-12,5 |
122,60 (12,50) |
110 |
80 |
345,0 |
85 |
54 |
Кч2-12,5 |
З2-12,5 |
20,57 |
Таблица Б.49 - Зацепные захваты К2 для холодного климата
|
Обозначение захвата |
Допустимая нагрузка, кН (тс) |
Размер захвата, мм |
Обозначение деталей захвата |
Масса, кг |
|||||
|
D |
d |
с |
s |
b |
Крюк чалочный |
Замок |
|||
|
К2-1,0ХЛ |
9,81 (1,00) |
32 |
26 |
104,0 |
24 |
12 |
Кч2-1,0ХЛ |
З2-1,0ХЛ |
0,46 |
|
К2-1,25ХЛ |
12,26 (1,25) |
36 |
30 |
113,0 |
28 |
15 |
Кч2-1,25ХЛ |
З2-1,25ХЛ |
0,61 |
|
К2-1,6ХЛ |
15,70 (1,60) |
40 |
125,0 |
30 |
16 |
Кч2-1,6ХЛ |
З2-1,6ХЛ |
0,81 |
|
|
К2-2,0ХЛ |
19,62 (2,00) |
45 |
35 |
140,0 |
36 |
18 |
Кч2-2,0ХЛ |
З2-2,0ХЛ |
1,11 |
|
К2-2,5ХЛ |
24,52 (2,50) |
50 |
38 |
154,0 |
38 |
20 |
Кч2-2,5ХЛ |
З2-2,5ХЛ |
1,42 |
|
К2-3,2ХЛ |
31,40 (3,20) |
55 |
42 |
168,5 |
40 |
24 |
Кч2-3,2ХЛ |
З2-3,2ХЛ |
1,72 |
|
К2-4,0ХЛ |
39,24 (4,00) |
60 |
44 |
177,0 |
45 |
30 |
Кч2-4,0ХЛ |
З2-4,0ХЛ |
2,42 |
|
К2-5,0ХЛ |
49,05 (5,00) |
65 |
48 |
196,5 |
50 |
Кч2-5,0ХЛ |
З2-5,0ХЛ |
3,53 |
|
|
К2-6,3ХЛ |
61,80 (6,30) |
75 |
50 |
217,5 |
58 |
36 |
Кч2-6,ЗХЛ |
З2-6,3ХЛ |
5,03 |
|
К2-8,0ХЛ |
78,50 (8,00) |
85 |
60 |
252,5 |
65 |
42 |
Кч2-8,0ХЛ |
З2-8,0ХЛ |
7,45 |
|
К2-10,0ХЛ |
98,10 (10,00) |
95 |
70 |
287,5 |
75 |
44 |
Кч2-10,0ХЛ |
З2-10,0ХЛ |
10,86 |
|
К2-12,5ХЛ |
122,60 (12,50) |
110 |
80 |
330,0 |
85 |
46 |
Кч2-12,5ХЛ |
З2-12,5ХЛ |
14,57 |
Б.2.3.2 Конструкция и размеры чалочного крюка Кч2 для захватов К2, эксплуатируемых в районах с умеренным климатом, должны соответствовать указанным на рисунке Б.35 и в таблице Б.50, а в районах с холодным климатом - на рисунке Б.35 и в таблице Б.51.
|
Материал для деталей климатического исполнения У- сталь 20 по ГОСТ 1050 или Ст3сп по ГОСТ 380, для деталей климатического исполнения ХЛ - 15ХСНД или 09Г2С по ГОСТ 19281 Рисунок Б.35 - Чалочный крюк Кч2 для захвата К2 |
Таблица Б.50 - Чалочные крюки Кч2 захватов К2 для умеренного климата
Размеры в миллиметрах
|
Обозначение чалочного крюка |
s |
D |
d |
d1 |
L |
В |
b |
b1 |
b2 |
e |
h |
h1 |
h2 |
h3 |
|
Кч2-0,32 |
15 |
18 |
16 |
2,5 |
50 |
24 |
12 |
11 |
9 |
8 |
18 |
15,0 |
10,0 |
14 |
|
Кч2-0,4 |
16 |
20 |
18 |
53 |
26 |
13 |
10 |
9 |
21 |
18,0 |
12,0 |
16 |
||
|
Кч2-0,5 |
20 |
25 |
22 |
60 |
30 |
16 |
13 |
11 |
5 |
24 |
20,0 |
13,0 |
18 |
|
|
Кч2-0,63 |
22 |
65 |
32 |
12 |
8 |
26 |
22,0 |
14,0 |
20 |
|||||
|
Кч2-0,8 |
24 |
30 |
25 |
3,0 |
75 |
40 |
18 |
14 |
5 |
30 |
25,0 |
16,0 |
||
|
Кч2-1,0 |
32 |
26 |
80 |
20 |
16 |
15 |
8 |
32 |
27,0 |
18,0 |
25 |
|||
|
Кч2-1,25 |
28 |
36 |
30 |
85 |
44 |
22 |
17 |
18 |
5 |
36 |
31,0 |
20,0 |
26 |
|
|
Кч2-1,6 |
30 |
40 |
3,5 |
90 |
48 |
24 |
19 |
2 |
40 |
34,0 |
22,0 |
27 |
||
|
Кч2-2,0 |
36 |
45 |
35 |
105 |
56 |
28 |
24 |
20 |
4 |
45 |
38,0 |
25,0 |
32 |
|
|
Кч2-2,5 |
38 |
50 |
38 |
4,0 |
110 |
58 |
30 |
26 |
2 |
50 |
42,5 |
27,5 |
34 |
|
|
Кч2-3,2 |
40 |
55 |
42 |
125 |
65 |
36 |
29 |
30 |
5 |
55 |
47,0 |
30,0 |
38 |
|
|
Кч2-4,0 |
45 |
60 |
44 |
135 |
70 |
38 |
32 |
60 |
51,0 |
32,0 |
42 |
|||
|
Кч2-5,0 |
50 |
65 |
48 |
4,5 |
150 |
75 |
45 |
34 |
40 |
10 |
70 |
60,0 |
39,0 |
50 |
|
Кч2-6,3 |
58 |
75 |
50 |
165 |
80 |
50 |
40 |
9 |
75 |
64,0 |
41,0 |
54 |
||
|
Кч2-8,0 |
65 |
85 |
60 |
190 |
95 |
55 |
45 |
46 |
10 |
85 |
72,0 |
47,0 |
59 |
|
|
Кч2-10,0 |
75 |
95 |
70 |
5,5 |
215 |
110 |
62 |
49 |
50 |
95 |
81,0 |
52,0 |
65 |
|
|
Кч2-12,5 |
85 |
110 |
80 |
250 |
130 |
70 |
58 |
54 |
110 |
94,0 |
61,0 |
73 |
Продолжение таблицы Б.50
Размеры в миллиметрах
|
Обозначение крюка чалочного |
l |
l1 |
l2 |
l3 |
l4 |
r |
r1 |
r2 |
r3 |
r4 |
r5 |
r6 |
r7 |
r8 |
r9 |
Масса, кг |
|
Кч2-0,32 |
14 |
17 |
15 |
6 |
8 |
25 |
11 |
3,0 |
15 |
22 |
3,5 |
12,0 |
12 |
1,5 |
22 |
0,10 |
|
Кч2-0,4 |
16 |
24 |
17 |
28 |
12 |
4,0 |
18 |
25 |
4,0 |
13,0 |
13 |
1,7 |
25 |
0,15 |
||
|
Кч2-0,5 |
18 |
25 |
19 |
32 |
13 |
20 |
27 |
15,0 |
2,0 |
29 |
0,25 |
|||||
|
Кч2-0,63 |
22 |
34 |
26 |
35 |
16,0 |
15 |
31 |
0,40 |
||||||||
|
Кч2-0,8 |
22 |
25 |
23 |
8 |
10 |
40 |
14 |
5,0 |
20 |
30 |
4,5 |
20,0 |
10 |
3,0 |
36 |
0,45 |
|
Кч2-1,0 |
24 |
28 |
27 |
44 |
16 |
29 |
33 |
15 |
2,5 |
38 |
0,70 |
|||||
|
Кч2-1,25 |
26 |
30 |
29 |
49 |
18 |
5,5 |
25 |
35 |
5,5 |
22,0 |
20 |
45 |
0,80 |
|||
|
Кч2-1,6 |
30 |
30 |
54 |
30 |
6,0 |
20 |
42 |
6,0 |
24,0 |
3,5 |
49 |
1,24 |
||||
|
Кч2-2,0 |
34 |
34 |
61 |
30 |
48 |
6,5 |
28,0 |
25 |
4,5 |
55 |
1,50 |
|||||
|
Кч2-2,5 |
40 |
34 |
39 |
67 |
36 |
7,0 |
28 |
50 |
7,0 |
29,0 |
26 |
3,0 |
60 |
2,38 |
||
|
Кч2-3,2 |
45 |
45 |
43 |
12 |
15 |
75 |
38 |
8,0 |
35 |
8,0 |
32,5 |
38 |
4,0 |
70 |
3,08 |
|
|
Кч2-4,0 |
50 |
46 |
81 |
42 |
9,0 |
40 |
58 |
35,0 |
40 |
4,5 |
72 |
3,78 |
||||
|
Кч2-5,0 |
50 |
55 |
51 |
92 |
45 |
50 |
65 |
9,0 |
37,0 |
36 |
82 |
5,10 |
||||
|
Кч2-6,3 |
56 |
65 |
55 |
101 |
53 |
10,0 |
73 |
12,0 |
40,0 |
45 |
5,0 |
90 |
7,20 |
|||
|
Кч2-8,0 |
65 |
65 |
115 |
60 |
12,0 |
52 |
80 |
14,0 |
47,5 |
50 |
5,5 |
102 |
10,20 |
|||
|
Кч2-10,0 |
70 |
70 |
73 |
15 |
20 |
127 |
68 |
13,0 |
55 |
85 |
55,0 |
55 |
6,0 |
114 |
14,20 |
|
|
Кч2-12,5 |
82 |
80 |
80 |
149 |
75 |
90 |
20,0 |
65,0 |
8,0 |
132 |
20,50 |
Таблица Б.51 - Чалочные крюки Кч2 захватов К2 для холодного климата
Размеры в миллиметрах
|
Обозначение чалочного крюка |
s |
D |
d |
d1 |
L |
В |
b |
b1 |
b2 |
e |
h |
h1 |
h2 |
h3 |
|
Кч2-1,0ХЛ |
24 |
32 |
26 |
3,0 |
75 |
38 |
12 |
10 |
12 |
5 |
32 |
27 |
18 |
22 |
|
Кч2-1,25ХЛ |
28 |
36 |
30 |
80 |
42 |
15 |
12 |
15 |
2 |
36 |
31 |
20 |
25 |
|
|
Кч2-1,6ХЛ |
30 |
40 |
90 |
44 |
16 |
13 |
16 |
6 |
40 |
34 |
22 |
26 |
||
|
Кч2-2,0ХЛ |
36 |
45 |
35 |
3,5 |
100 |
50 |
18 |
15 |
18 |
5 |
45 |
38 |
25 |
30 |
|
Кч2-2,5ХЛ |
38 |
50 |
38 |
110 |
54 |
20 |
16 |
20 |
6 |
50 |
43 |
28 |
34 |
|
|
Кч2-3,2ХЛ |
40 |
55 |
42 |
4,0 |
120 |
60 |
24 |
18 |
24 |
5 |
55 |
47 |
30 |
38 |
|
Кч2-4,0ХЛ |
45 |
60 |
44 |
125 |
62 |
30 |
20 |
30 |
3 |
60 |
51 |
32 |
40 |
|
|
Кч2-5,0ХЛ |
50 |
65 |
48 |
140 |
70 |
24 |
5 |
70 |
55 |
35 |
44 |
|||
|
Кч2-6,ЗХЛ |
58 |
75 |
50 |
4,5 |
155 |
74 |
36 |
30 |
36 |
6 |
75 |
64 |
40 |
48 |
|
Кч2-8,0ХЛ |
65 |
85 |
60 |
180 |
85 |
42 |
32 |
42 |
10 |
85 |
72 |
46 |
56 |
|
|
Кч2-10,0ХЛ |
75 |
95 |
70 |
5,5 |
205 |
100 |
33 |
44 |
95 |
81 |
52 |
64 |
||
|
Кч2-12,5ХЛ |
85 |
110 |
80 |
235 |
116 |
46 |
34 |
46 |
9 |
110 |
94 |
60 |
72 |
Продолжение таблицы Б.51
Размеры в миллиметрах
|
Обозначение чалочного крюка |
l |
l1 |
l2 |
l3 |
l4 |
r |
r1 |
r2 |
r3 |
r4 |
r5 |
r6 |
r7 |
r8 |
r9 |
Масса, кг |
|
Кч2-1,0ХЛ |
24 |
28 |
24,0 |
8 |
10 |
43 |
16 |
4,5 |
20 |
30 |
5,0 |
19 |
15 |
2,0 |
39 |
0,45 |
|
Кч2-1,25ХЛ |
30 |
26,0 |
49 |
18 |
5,5 |
25 |
33 |
5,5 |
21 |
20 |
2,5 |
43 |
0,60 |
|||
|
Кч2-1,6ХЛ |
30 |
32 |
27,0 |
54 |
30 |
5,0 |
20 |
42 |
6,0 |
22 |
15 |
48 |
0,80 |
|||
|
Кч2-2,0ХЛ |
32 |
36 |
31,5 |
61 |
6,0 |
25 |
45 |
25 |
24 |
54 |
1,10 |
|||||
|
Кч2-2,5ХЛ |
38 |
38 |
34,0 |
68 |
36 |
7,0 |
28 |
48 |
7,0 |
27 |
28 |
3,0 |
60 |
1,40 |
||
|
Кч2-3,2ХЛ |
40 |
42 |
41,0 |
9 |
12 |
74 |
38 |
6,0 |
35 |
50 |
30 |
24 |
2,5 |
66 |
1,70 |
|
|
Кч2-4,0ХЛ |
45 |
44 |
44,0 |
10 |
15 |
81 |
42 |
8,0 |
32 |
60 |
8,0 |
31 |
50 |
71 |
2,40 |
|
|
Кч2-5,0ХЛ |
45 |
45 |
47,0 |
10 |
15 |
86 |
45 |
9,0 |
40 |
60 |
9,0 |
35 |
40 |
3,0 |
80 |
3,50 |
|
Кч2-6,ЗХЛ |
50 |
48 |
52,0 |
102 |
53 |
10,0 |
65 |
10,0 |
37 |
61 |
3,5 |
94 |
5,00 |
|||
|
Кч2-8,0ХЛ |
58 |
55 |
62,0 |
114 |
60 |
45 |
73 |
12,0 |
42 |
78 |
4,0 |
103 |
7,40 |
|||
|
Кч2-10,0ХЛ |
65 |
70 |
68,0 |
15 |
20 |
128 |
68 |
11,0 |
50 |
80 |
14,0 |
50 |
55 |
3,5 |
115 |
10,80 |
|
Кч2-12,5ХЛ |
75 |
75 |
74,0 |
149 |
75 |
13,0 |
55 |
85 |
15,0 |
58 |
5,0 |
130 |
14,50 |
Б.2.3.3 Конструкция и размеры замков З2 для захватов К2, эксплуатируемых в районах с умеренным климатом, должны соответствовать указанным на рисунке Б.36 и в таблице Б.52, а в районах с холодным климатом - на рисунке Б.36 и в таблице Б.53.
Материал: проволока П - d по ГОСТ 9389
Рисунок Б.36 - Замок З2 для захвата К2
Таблица Б.52 - Замки 32 захватов К2 для умеренного климата
Размеры в миллиметрах
|
Обозначение замка |
d |
l |
l1 |
l2 |
l3 |
l4 |
l5 |
r |
Длина развертки |
Масса, кг |
|
З2-0,32 |
2,0 |
33,0 |
19 |
14 |
22 |
8 |
37 |
2,0 |
129 |
0,003 |
|
З2-0,4 |
35,0 |
20 |
23 |
38 |
130 |
|||||
|
З2-0,5 |
38,0 |
21 |
17 |
26 |
40 |
138 |
||||
|
З2-0,63 |
48,0 |
22 |
42 |
155 |
0,004 |
|||||
|
З2-0,8 |
2,5 |
52,5 |
24 |
19 |
30 |
10 |
46 |
2,5 |
173 |
0,007 |
|
З2-1,0 |
54,5 |
27 |
20 |
32 |
49 |
183 |
||||
|
З2-1,25 |
32 |
21 |
36 |
57 |
196 |
0,008 |
||||
|
З2-1,6 |
3,0 |
63,0 |
23 |
38 |
3,0 |
213 |
0,012 |
|||
|
З2-2,0 |
70,0 |
34 |
25 |
42 |
59 |
229 |
0,013 |
|||
|
З2-2,5 |
3,6 |
71,0 |
42 |
27 |
46 |
67 |
3,6 |
247 |
0,019 |
|
|
З2-3,2 |
78,6 |
46 |
30 |
52 |
15 |
71 |
270 |
0,022 |
||
|
З2-4,0 |
3,6 |
86,6 |
52 |
31 |
58 |
15 |
77 |
3,6 |
299 |
0,024 |
|
З2-5,0 |
88,6 |
56 |
34 |
65 |
81 |
317 |
0,026 |
|||
|
З2-6,3 |
4,0 |
104,0 |
60 |
38 |
70 |
85 |
4,0 |
358 |
0,035 |
|
|
З2-8,0 |
114,0 |
68 |
40 |
77 |
93 |
395 |
0,039 |
|||
|
З2-10,0 |
5,0 |
140,0 |
72 |
45 |
84 |
20 |
97 |
5,0 |
452 |
0,069 |
|
З2-12,5 |
160,0 |
92 |
502 |
0,077 |
Таблица Б.53 - Замки З2 захватов К2 для холодного климата
Размеры в миллиметрах
|
Обозначение замка |
d |
l |
l1 |
l2 |
l3 |
l4 |
l5 |
r |
Длина развертки |
Масса, кг |
|
З2-1,0ХЛ |
2,5 |
52,5 |
24 |
14 |
24 |
10 |
35 |
2,5 |
161 |
0,005 |
|
З2-1,25ХЛ |
54,5 |
27 |
15 |
27 |
38 |
172 |
0,006 |
|||
|
З2-1,6ХЛ |
57,5 |
28 |
16 |
28 |
41 |
183 |
0,007 |
|||
|
З2-2,0ХЛ |
3,0 |
65,0 |
32 |
17 |
32 |
44 |
3,0 |
204 |
0,011 |
|
|
З2-2,5ХЛ |
71,0 |
34 |
19 |
34 |
47 |
223 |
0,012 |
|||
|
З2-3,2ХЛ |
3,6 |
79,6 |
40 |
23 |
40 |
12 |
54 |
3,6 |
253 |
0,022 |
|
З2-4,0ХЛ |
86,6 |
46 |
46 |
15 |
62 |
278 |
0,026 |
|||
|
З2-5,0ХЛ |
4,0 |
99,0 |
68 |
4,0 |
308 |
0,029 |
||||
|
З2-6,3ХЛ |
109,0 |
56 |
27 |
56 |
73 |
343 |
0,034 |
|||
|
З2-8,0ХЛ |
5,0 |
128,0 |
62 |
32 |
62 |
82 |
5,0 |
402 |
0,062 |
|
|
З2-10,0ХЛ |
140,0 |
68 |
38 |
68 |
20 |
91 |
430 |
0,066 |
||
|
З2-12,5ХЛ |
160,0 |
32 |
100 |
485 |
0,074 |
В.1 Заделка концов стропа может быть выполнена способами, приведенными на рисунке В.1. Элементы заделки представлены в таблице В.1.
Рисунок В.1 - Способы заделки концов стропов опрессовкой
алюминиевой втулкой (а),
опрессовкой стальной втулкой (б)
и заплеткой с последующей обмоткой концов прядей проволокой (в)
Таблица В.1 - Элементы заделки концов стропов
|
Обозначение канатной ветви |
Диаметр каната dk, мм |
Обозначение втулок |
Длина участка от стенки коуша до втулки l1, мм |
Число проколов каждой прядью при заплетке, не менее |
Длина участка, обмотанного проволокой, l2, мм |
Длина развертки проволоки, мм |
|
|
алюминиевой |
стальной |
||||||
|
ВК-0,32 |
6,2; 6,3 |
Вт9 |
СВт8 |
60 |
4 |
60 |
1400 |
|
ВК-0,4 |
6,7; 6,9; 7,6 |
70 |
1600 |
||||
|
ВК-0,5 |
8,1; 8,3; 8,5 |
Вт11 |
СВт8,5 |
1800 |
|||
|
ВК-0,63 |
8,1; 8,3 |
СВт9 |
|||||
|
9,0; 9,1 |
СВт11 |
80 |
80 |
2500 |
|||
|
ВК-0,8 |
9,7; 9,9 |
Вт12 |
СВт11 |
80 |
4 |
80 |
2800 |
|
11,5 |
Вт13 |
СВт13 |
95 |
3100 |
|||
|
ВК-1,0 |
11,0; 11,5 |
||||||
|
ВК-1,25 |
11,5 |
Вт13 |
СВт13 |
95 |
4 |
80 |
3400 |
|
12,0; 13,0 |
Вт15 |
СВт15 |
105 |
4100 |
|||
|
ВК-1,6 |
13,5; 14,0 |
90 |
|||||
|
15,5 |
Вт16 |
СВт17 |
5 |
4600 |
|||
|
ВК-2,0 |
15,0; 15,5 |
5200 |
|||||
|
ВК-2,5 |
16,5 |
Вт18 |
130 |
100 |
5500 |
||
|
17,0; 18,0 |
Вт19 |
СВт19 |
130 |
7500 |
|||
|
19,5 |
Вт20 |
СВт21 |
145 |
8400 |
|||
|
ВК-3,2 |
20,0 |
Вт23 |
8500 |
||||
|
ВК-4,0 |
21,0; 21,5 |
- |
190 |
13500 |
|||
|
22,0; 22,5; 23,0 |
Вт25 |
1400 |
|||||
|
ВК-5,0 |
23,5; 24,0; 24,5 |
Вт26 |
170 |
15200 |
|||
|
25,0; 25,5 |
Вт28 |
16000 |
|||||
|
ВК-6,3 |
27,0 |
Вт30 |
205 |
16700 |
|||
|
29,0 |
Вт33 |
6 |
260 |
19000 |
|||
|
ВК-8,0 |
30,5 |
230 |
25600 |
||||
|
31,0 |
Вт36 |
26000 |
|||||
|
33,5 |
Вт38 |
28000 |
|||||
|
ВК-10,0 |
32,0 |
Вт36 |
26800 |
||||
|
35,0 |
Вт38 |
29000 |
|||||
|
36,5; 37,0 |
Вт40 |
255 |
30500 |
||||
В.2 Алюминиевые втулки
Конструкция и размеры алюминиевых втулок Вт для заделки концов стропов должны соответствовать указанным на рисунке В.2 и в таблице В.2.
Таблица В.2 - Алюминиевые втулки Вт для заделки концов стропов
Размеры в миллиметрах
|
Обозначение втулки |
Диаметр каната dk |
Втулка |
Заготовка - труба по ГОСТ 18482 |
Масса втулки, кг |
||||
|
b |
b1* |
l* |
L |
D* |
s* |
|||
|
Вт9 |
6,2 - 7,6 |
9 |
19 |
20,0 |
50 |
25 |
5,0 |
0,05 |
|
Вт11 |
8,0 - 9,1 |
11 |
21 |
22,0 |
60 |
28 |
0,06 |
|
|
Вт12 |
9,7 - 10,0 |
12 |
24 |
24,5 |
32 |
6,0 |
0,08 |
|
|
Вт13 |
11,0 - 11,5 |
13 |
27 |
27,0 |
70 |
35 |
7,0 |
0,12 |
|
Вт15 |
12,0 - 14,0 |
15 |
30 |
31,0 |
40 |
7,5 |
0,15 |
|
|
Вт16 |
15,0 - 15,5 |
16 |
36 |
34,8 |
48 |
10,0 |
0,24 |
|
|
Вт18 |
15,0 - 16,5 |
18 |
38 |
37,0 |
80 |
50 |
0,28 |
|
|
Вт19 |
17,0 - 18,0 |
19 |
39 |
39,4 |
52 |
0,30 |
||
|
Вт20 |
17,0 - 19,5 |
21 |
41 |
43,0 |
90 |
55 |
0,36 |
|
|
Вт23 |
20,0 - 21,5 |
23 |
43 |
46,5 |
58 |
0,39 |
||
|
Вт25 |
22,0 - 23,0 |
25 |
45 |
48,5 |
100 |
60 |
0,45 |
|
|
Вт26 |
22,0 - 24,5 |
26 |
46 |
51,0 |
65 |
0,49 |
||
|
Вт28 |
25,0 - 26,0 |
28 |
53 |
55,0 |
110 |
70 |
12,5 |
0,71 |
|
Вт30 |
27,0 |
30 |
55 |
60,0 |
125 |
75 |
0,87 |
|
|
Вт33 |
28,5 - 30,5 |
33 |
63 |
80 |
15,0 |
1,09 |
||
|
Вт36 |
31,0 - 33,0 |
36 |
66 |
66,0 |
140 |
85 |
1,32 |
|
|
Вт38 |
33,5 - 35,0 |
38 |
68 |
73,0 |
150 |
90 |
1,52 |
|
|
Вт40 |
36,5 - 37,0 |
40 |
70 |
80,0 |
160 |
95 |
1,71 |
|
В.3 Стальные втулки
Конструкция и размеры стальных втулок СВт для заделки концов стропов должны соответствовать указанным на рисунке В.3 и в таблице В.3.
Размеры со «*» ориентировочные
Рисунок В.3 - Стальная втулка СВт
Таблица В.3 - Стальные втулки СВт для заделки концов стропов
Размеры в миллиметрах
|
Обозначение втулки |
Диаметр каната dk |
Втулка |
Масса втулки, кг |
|||||
|
b |
b1* |
l* |
L |
D* |
s* |
|||
|
СВт8 |
6,3 - 7,6 |
8,0 |
12,0 |
21 |
50 |
16 |
2,0 |
0,034 |
|
СВт8,5 |
7,6 - 8,1 |
8,5 |
13,5 |
23 |
80 |
22 |
2,5 |
0,076 |
|
СВт9 |
8,5 - 9,0 |
9,0 |
14,0 |
26 |
25 |
0,086 |
||
|
СВт11 |
9,7 - 10,0 |
11,0 |
16,0 |
25 |
||||
|
СВт13 |
11,0 - 12,0 |
13,0 |
19,0 |
32 |
85 |
30 |
3,0 |
0,138 |
|
СВт15 |
12,5 - 14,0 |
15,0 |
21,0 |
35 |
112 |
32 |
0,207 |
|
|
СВт17 |
15,0 - 16,5 |
17,0 |
23,0 |
41 |
160 |
38 |
0,344 |
|
|
СВт19 |
17,0 - 18,0 |
19,0 |
27,0 |
49 |
45 |
4,0 |
0,536 |
|
|
СВт21 |
18,0 - 20,0 |
21,0 |
29,0 |
48 |
185 |
0,620 |
||
В.3.1 Заделка концов стропа опрессовкой стальной втулкой должна соответствовать указанной на рисунке В.4 и в таблице В.4.
Размеры со «*» ориентировочные
Рисунок В.4 - Заделка конца стропа опрессовкой стальной втулкой
Таблица В.4 - Размеры заделок конца стропа опрессовкой стальной втулкой
Размеры в миллиметрах
|
Диаметр каната dk |
а |
l |
l1 |
a1 |
Число обжатий z |
Длина втулки после обжатия L |
|
6,3 - 8,1 |
5 |
10 |
7 |
7 |
3 |
56 |
|
8,2 - 11,5 |
6 |
10 |
4 |
85 |
||
|
11,6 - 13,5 |
7 |
12 |
8 |
91 |
||
|
13,6 - 16,5 |
10 |
10 |
5 |
118 |
||
|
16,6 - 18,0 |
12 |
14 |
6 |
166 |
||
|
18,1 - 20,0 |
15 |
12 |
7 |
196 |
|
Федеральные нормы и правила в области промышленной безопасности |
Федеральные нормы и правила в области промышленной безопасности «Правила безопасности опасных производственных объектов, на которых используются подъемные сооружения» (приняты приказом Федеральной службой по экологическому, технологическому и атомному надзору от 12 ноября 2013 г. № 533) |
|
|
Правила безопасности ПБ 03-273-99 |
Правила аттестации сварщиков и специалистов сварочного производства (утверждены постановлением Госгортехнадзора России от 30 октября 1998 г. №63) |
|
|
Строительные нормы и правила СНиП 12-04-2002 |
Безопасность труда в строительстве. Часть 2. Строительное производство |
Ключевые слова: грузовой строп, канатный строп, стальной строп, строп для строительства, трос, захват, крюк, звено, соединительный элемент, грузовой захват, соединительное звено, грузовое звено, зацепной захват, карабин