ГОСУДАРСТВЕННЫЙ СТАНДАРТ РОССИЙСКОЙ ФЕДЕРАЦИИ
|
ГАЙКИ ШЕСТИГРАННЫЕ С ФЛАНЦЕМ КЛАССА ТОЧНОСТИ А |
ГОСТ Р |
|
Технические условия |
|
|
Hexagon nuts with flange - Product grade A. Specifications |
Дата введения 1995-01-01
Предисловие
1 ПОДГОТОВЛЕН И ВНЕСЕН ТК 229 «Крепежные изделия»
2 УТВЕРЖДЕН И ВВЕДЕН В ДЕЙСТВИЕ Постановлением Госстандарта России от 8 сентября 1993 г. № 205
3 Настоящий стандарт полностью соответствует международному стандарту ИСО 4161-83 «Гайки шестигранные с фланцем. Класс точности А»
4 ВВЕДЕН ВПЕРВЫЕ
5 ПЕРЕИЗДАНИЕ
Содержание
Настоящий стандарт распространяется на шестигранные гайки с фланцем с номинальным диаметром резьбы от 5 до 20 мм.
В настоящем стандарте использованы ссылки на следующие стандарты:
ГОСТ 9.301-86 Единая система защиты от коррозии и старения. Покрытия металлические и неметаллические неорганические. Общие требования
ГОСТ 9.303-84 Единая система защиты от коррозии и старения. Покрытия металлические и неметаллические неорганические. Общие требования к выбору
ГОСТ 1759.0-87 Болты, винты, шпильки и гайки. Технические условия
ГОСТ 1759.1-82 Болты, винты, шпильки, гайки и шурупы. Допуски. Методы контроля размеров и отклонений формы и расположения поверхностей
ГОСТ 1759.3-83 Гайки. Дефекты поверхности и методы контроля
ГОСТ 1759.5-87 Гайки. Механические свойства и методы испытаний
ГОСТ 16093-2004 (ИСО 965-1:1998, ИСО 965-3:1998) Основные нормы взаимозаменяемости. Резьба метрическая. Допуски. Посадки с зазором
ГОСТ 17769-83 Изделия крепежные. Правила приемки
ГОСТ 18160-72 Изделия крепежные. Упаковка. Маркировка. Транспортирование и хранение
ГОСТ 24705-2004 (ИСО 724:1993) Основные нормы взаимозаменяемости. Резьба метрическая. Основные размеры
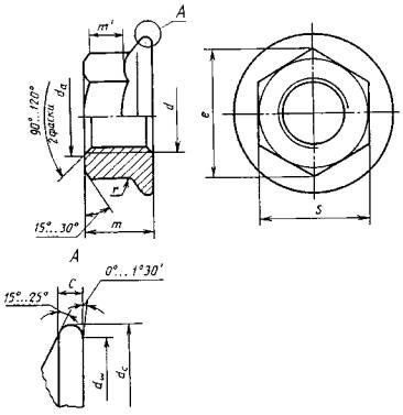
Конструкция и размеры гаек должны соответствовать указанным на рисунке 1 и в таблице 1.

В миллиметрах
|
Резьба d |
М5 |
М6 |
М8 |
М10 |
М12 |
(М14)1) |
М16 |
М20 |
|
|
P2) |
|
0,8 |
1 |
1,25 |
1,5 |
1,75 |
2 |
2 |
2,5 |
|
c |
не менее |
1,0 |
1,1 |
1,2 |
1,5 |
1,8 |
2,1 |
2,4 |
3,0 |
|
da |
не менее |
5 |
6 |
8 |
10 |
12 |
14 |
16 |
20 |
|
не более |
5,75 |
6,75 |
8,75 |
10,80 |
13,00 |
15,10 |
17,30 |
21,60 |
|
|
dc |
не более |
11,8 |
14,2 |
17,9 |
21,8 |
26,0 |
29,9 |
34,5 |
42,8 |
|
dw |
не менее |
9,8 |
12,2 |
16,8 |
19,6 |
23,8 |
27,6 |
31,9 |
39,9 |
|
e |
не менее |
8,79 |
11,05 |
14,38 |
16,64 |
20,03 |
23,36 |
26,75 |
32,95 |
|
m |
не более |
5 |
6 |
8 |
10 |
12 |
14 |
16 |
20 |
|
не менее |
4,7 |
5,7 |
7,6 |
9,6 |
11,6 |
13,3 |
15,3 |
18,9 |
|
|
m'3) |
не менее |
2,2 |
3,1 |
4,5 |
5,5 |
6,7 |
7,8 |
9,0 |
11,1 |
|
S |
не более |
8 |
10 |
13 |
15 |
18 |
21 |
24 |
30 |
|
не менее |
7,78 |
9,78 |
12,73 |
14,73 |
17,73 |
20,67 |
23,67 |
29,16 |
|
|
r4) |
не более |
0,30 |
0,36 |
0,48 |
0,60 |
0,72 |
0,88 |
0,96 |
1,20 |
|
1) Размер, заключенный в скобки, применять не рекомендуется. 2) Шаг резьбы. 3) m' - минимальная высота под ключ. 4) r - радиус сопряжения углов и граней шестигранника. |
|||||||||
Таблица 2
|
Материал |
Сталь |
|
|
Общие требования |
||
|
Резьба |
Поле допуска 6Н |
ГОСТ 16093, ГОСТ 24705 |
|
Механические свойства |
Класс прочности 8, 10 и 12 |
|
|
Допуски |
Класс точности А |
|
|
Поверхность изделия |
Покрытие |
|
|
Дефекты поверхности |
||
|
Приемка |
||
|
Упаковка гаек, маркировка тары, транспортирование и храпение |
||
Примечания
1 Теоретическая масса гаек указана в приложении А.
2 Проверка размеров шестигранной гайки и фланца дана в приложении В.
3 Допускается применять другие методы контроля, обеспечивающие достоверность и необходимую точность измерений.
Допускается изготавливать гайки класса прочности 6 с резьбой M8×1, M10×1,25, M12×1,25, M14×l,5, М16×1,5.
Пример условного обозначения гайки диаметром резьбы d = 12 мм, с крупным шагом резьбы с полем допуска 6Н, класса прочности 10, без покрытия:
Гайка М12 - 6Н.10 ГОСТ Р 50592-93
То же гайки диметром резьбы d = 10 мм, с мелким шагом резьбы с полем допуска 6Н, класса прочности 6, с цинковым покрытием толщиной 6 мкм, хроматированным:
Гайка М10×1,25 - 6Н.6.016 ГОСТ Р 50592-93
Таблица А.1
Теоретическая масса гаек с крупным шагом резьбы
|
Номинальный диаметр резьбы d, мм |
Теоретическая масса 1000 шт. гаек, кг ≈ |
|
5 |
1,39 |
|
6 |
3,45 |
|
8 |
7,06 |
|
10 |
11,08 |
|
12 |
18,78 |
|
14 |
29,19 |
|
16 |
43,01 |
|
20 |
83,47 |

Рисунок В.1
1 Метод проверки размеров шестигранной гайки
Размеры гайки проверяют с помощью двух плоских кольцевых калибров А и В. Данная проверка выявляет соответствие стандарту высоты шестигранника, высоты грани под ключ, толщины фланца и диаметра описанной окружности шестигранника.
Калибр А устанавливают па гайку до упора во фланец.
Калибр В устанавливают на верхнюю часть гайки перпендикулярно к ее оси. Калибры не должны касаться друг друга.
Примечание - Минимальный размер Wa равен теоретическому максимальному диаметру описанной окружности;
максимальный размер Wb равен минимальному диаметру описанной окружности минус 0,01 мм;
максимальный размер Ta равен минимальной высоте под ключ m'.
Таблица B.1
В миллиметрах
|
Резьба d |
Калибр А |
Калибр В |
Калибр С |
|||||||
|
Wa |
Ta |
Wв |
Tв |
Wс |
Tс |
|||||
|
не более |
не менее |
не более |
не менее |
не более |
не менее |
не менее |
не менее |
не более |
не менее |
|
|
М5 |
9,25 |
9,24 |
2,2 |
2,19 |
8,78 |
8,77 |
3 |
14 |
1,08 |
1,07 |
|
М6 |
11,56 |
11,55 |
3,1 |
3,09 |
11,04 |
11,03 |
4 |
16 |
1,19 |
1,18 |
|
М8 |
15,02 |
15,01 |
4,5 |
4,49 |
14,37 |
14,36 |
4 |
20 |
1,31 |
1,30 |
|
М10 |
17,33 |
17,32 |
5,5 |
5,49 |
16,63 |
16,62 |
5 |
24 |
1,81 |
1,80 |
|
М12 |
20,79 |
20,78 |
6,7 |
6,69 |
20,02 |
20,01 |
5 |
29 |
2,20 |
2,19 |
|
М14 |
24,26 |
24,25 |
7,8 |
7,79 |
23,35 |
23,34 |
6 |
32,5 |
2,55 |
2,54 |
|
М16 |
27,72 |
27,71 |
9,0 |
8,99 |
26,74 |
26,73 |
6 |
37 |
2,96 |
2,95 |
|
М20 |
34,65 |
34,64 |
11,1 |
11,09 |
32,94 |
32,93 |
6 |
45 |
3,70 |
3,69 |
2 Метод измерения толщины фланца
Толщина фланца проверяется калибром С, который представляет собой плоский толщиномер.
Цель проверки - доказать, что толщина фланца в месте его перехода в шестигранник равна или больше заданных значений.
При проверке толщиномер С должен входить без контакта под калибр А, когда гайка посажена на плоскую плиту или шайбу.
Ключевые слова: гайки шестигранные, гайки с фланцем, класс точности А, размеры, конструкция, технические требования, условное обозначение, теоретическая масса, проверка размеров