Главная // Актуальные документы // Актуальные документы (обновление 2025.04.26-2025.05.31) // ГОСТ (Государственный стандарт)
СПРАВКА
Источник публикации
М.: ФГБУ "Институт стандартизации", 2025
Примечание к документу
Документ введен в действие с 01.04.2025.

Название документа
"ГОСТ ISO 23551-4-2023. Межгосударственный стандарт. Устройства защиты и управления газовых горелок и аппаратов. Частные требования. Часть 4. Системы контроля герметичности автоматических запорных клапанов"
(введен в действие Приказом Росстандарта от 28.12.2024 N 2065-ст)

"ГОСТ ISO 23551-4-2023. Межгосударственный стандарт. Устройства защиты и управления газовых горелок и аппаратов. Частные требования. Часть 4. Системы контроля герметичности автоматических запорных клапанов"
(введен в действие Приказом Росстандарта от 28.12.2024 N 2065-ст)


Содержание


Введен в действие
Приказом Федерального
агентства по техническому
регулированию и метрологии
от 28 декабря 2024 г. N 2065-ст
МЕЖГОСУДАРСТВЕННЫЙ СТАНДАРТ
УСТРОЙСТВА ЗАЩИТЫ И УПРАВЛЕНИЯ ГАЗОВЫХ ГОРЕЛОК И АППАРАТОВ.
ЧАСТНЫЕ ТРЕБОВАНИЯ
ЧАСТЬ 4
СИСТЕМЫ КОНТРОЛЯ ГЕРМЕТИЧНОСТИ
АВТОМАТИЧЕСКИХ ЗАПОРНЫХ КЛАПАНОВ
Safety and control devices for gas burners
and gas-burning appliances. Particular requirements.
Part 4. Valve-proving systems for automatic shut-off valves
(ISO 23551-4:2018, IDT)
ГОСТ ISO 23551-4-2023
МКС 27.060.20
Дата введения
1 апреля 2025 года
Предисловие
Цели, основные принципы и общие правила проведения работ по межгосударственной стандартизации установлены ГОСТ 1.0 "Межгосударственная система стандартизации. Основные положения" и ГОСТ 1.2 "Межгосударственная система стандартизации. Стандарты межгосударственные, правила и рекомендации по межгосударственной стандартизации. Правила разработки, принятия, обновления и отмены"
Сведения о стандарте
1 ПОДГОТОВЛЕН Республиканским государственным предприятием на праве хозяйственного ведения "Казахстанский институт стандартизации и метрологии" Комитета технического регулирования и метрологии Министерства торговли и интеграции Республики Казахстан на основе собственного перевода на русский язык англоязычной версии стандарта, указанного в пункте 5
2 ВНЕСЕН Комитетом технического регулирования и метрологии Министерства торговли и интеграции Республики Казахстан
3 ПРИНЯТ Межгосударственным советом по стандартизации, метрологии и сертификации по результатам голосования в АИС МГС (протокол от 25 сентября 2023 г. N 165-П)
За принятие стандарта проголосовали:
Краткое наименование страны по МК (ИСО 3166) 004-97
Код страны по МК (ИСО 3166) 004-97
Сокращенное наименование национального органа по стандартизации
Армения
AM
ЗАО "Национальный орган по стандартизации и метрологии" Республики Армения
Беларусь
BY
Госстандарт Республики Беларусь
Казахстан
KZ
Госстандарт Республики Казахстан
Киргизия
KG
Кыргызстандарт
Россия
RU
Росстандарт
Таджикистан
TJ
Таджикстандарт
Узбекистан
UZ
Узбекское агентство по техническому регулированию
4 Приказом Федерального агентства по техническому регулированию и метрологии от 28 декабря 2024 г. N 2065-ст межгосударственный стандарт ГОСТ ISO 23551-4-2023 введен в действие в качестве национального стандарта Российской Федерации с 1 апреля 2025 г.
5 Настоящий стандарт идентичен международному стандарту ISO 23551-4:2018 "Устройства защиты и управления газовых горелок и аппаратов. Частные требования. Часть 4. Системы контроля герметичности автоматических запорных клапанов" ("Safety and control devices for gas burners and gas-burning appliances - Particular requirements - Part 4: Valve-proving systems for automatic shut-off valves", IDT).
Международный стандарт разработан Техническим комитетом по стандартизации ISO/TC 161 "Устройства защиты и управления для газа и/или нефти".
При применении настоящего стандарта рекомендуется использовать вместо ссылочных международных стандартов соответствующие им межгосударственные стандарты, сведения о которых приведены в дополнительном приложении ДА
6 ВЗАМЕН ГОСТ ИСО 23551-4-2015
Информация о введении в действие (прекращении действия) настоящего стандарта и изменений к нему на территории указанных выше государств публикуется в указателях национальных стандартов, издаваемых в этих государствах, а также в сети Интернет на сайтах соответствующих национальных органов по стандартизации.
В случае пересмотра, изменения или отмены настоящего стандарта соответствующая информация будет опубликована на официальном интернет-сайте Межгосударственного совета по стандартизации, метрологии и сертификации в каталоге "Межгосударственные стандарты"
Введение
Серия стандартов ISO 23551 состоит из следующих частей под общим названием "Устройства защиты и управления газовых горелок и аппаратов. Частные требования":
- Часть 1: Автоматические и полуавтоматические клапаны;
- Часть 2: Регуляторы давления;
- Часть 3: Регуляторы соотношения газа и воздуха пневматического типа;
- Часть 4: Системы контроля герметичности автоматических запорных клапанов;
- Часть 5: Газовые клапаны с ручным управлением;
- Часть 6: Термоэлектрические устройства контроля пламени;
- Часть 8: Многофункциональные устройства управления;
- Часть 9: Механические газовые терморегуляторы;
- Часть 10: Выпускные клапаны.
1 Область применения
Настоящий стандарт устанавливает требования, предъявляемые к безопасности, конструкции и эксплуатационным характеристикам систем контроля герметичности клапанов (далее - VPS), предназначенных для применения с газовыми горелками и аппаратами. В настоящем стандарте приведены методы испытаний для оценки соответствия установленным требованиям, а также информация, необходимая для покупателя и потребителя.
Настоящий стандарт применим ко всем типам VPS, которые используются для автоматического обнаружения утечки в газовой горелке, имеющей по меньшей мере два клапана, спроектированных в соответствии с ISO 23551-1, и которые подают сигнал, если утечка одного из клапанов превышает предел обнаружения.
Настоящий стандарт распространяется на VPS с рабочим давлением до 500 кПа включительно и системы, предназначенные для работы на газообразном топливе.
Настоящий стандарт не распространяется на VPS, предназначенные для работы во взрывоопасных средах.
Примечание - Положения по контролю производства не являются частью стандартов серии ISO 23551.
2 Нормативные ссылки
В настоящем стандарте использованы нормативные ссылки на следующие стандарты [для датированных ссылок применяют только указанное издание ссылочного стандарта, для недатированных - последнее издание (включая все его изменения)]:
ISO 23550, Safety and control devices for gas burners and gas-burning appliances - General requirements (Устройства защиты и управления газовых горелок и аппаратов. Общие требования).
IEC 60730-1:2013+AMD1:2015, Automatic electrical controls - Part 1: General requirements (Автоматические электрические устройства управления. Часть 1. Общие требования).
IEC 61000-4-5, Electromagnetic compatibility (EMC) - Part 4-5: Testing and measurement techniques - Surge immunity test (Электромагнитная совместимость. Часть 4-5. Методики испытаний и измерений. Испытание на невосприимчивость к выбросу напряжения).
3 Термины и определения
В настоящем стандарте применены термины по ISO 23550, а также следующие термины с соответствующими определениями.
ISO и IEC поддерживают следующие терминологические базы данных для использования в стандартизации:
- Платформа онлайн-просмотра ISO: доступна на сайте https://www.iso.org/obp;
- Электропедия IEC: доступна на сайте http://www.electropedia.org/.
3.1 система контроля герметичности клапанов VPS (valve proving system VPS): Система проверки закрытия автоматических запорных клапанов при обнаружении утечки, состоящая из программного устройства, измерительного прибора, клапанов и других функциональных устройств.
3.2 устройство обнаружения (detecting device): Устройство для прямого или косвенного определения значения утечки, например измерением расхода или давления.
3.3 время функционирования VPS (VPS operational time): Время, необходимое VPS для выполнения одного полного рабочего цикла.
3.4 предел обнаружения (detection limit): Максимальное значение утечки, при превышении которого VPS подает сигнал.
Примечание - См. рисунок 1.
X - тепловая нагрузка горелки (расход газа) (м3/ч);
Y - обнаруженное значение утечки (дм3/ч);
1 - предел обнаружения (см. 3.4); 2 - установка
обнаружения (см. 3.5)
Рисунок 1 - Графическое изображение предела обнаружения
и установки обнаружения
3.5 установка обнаружения (detection setting): Значение утечки, при котором VPS подает сигнал.
Примечание - См. рисунок 1.
3.6 продолжительность проверки на наличие утечки (leakage testing time): Время, в течение которого VPS отслеживает газовый клапан на наличие утечки.
3.7 защитное выключение (safety shut-down): Процесс, который выполняется сразу же после обнаружения утечки, превышающей предел, или обнаружения внутренней неисправности, блокирующей подачу питания на зажигание и автоматические запорные клапаны.
3.8 энергозависимая блокировка (volatile lock-out): Условие безопасного отключения системы, при котором перезапуск может быть завершен либо ручным сбросом системы, либо прекращением электроснабжения и его последующим возобновлением.
3.9 энергонезависимая блокировка (non-volatile lock-out): Условие безопасного отключения системы, при котором перезапуск может быть завершен только ручным сбросом системы.
4 Классификация
4.1 Классы устройств управления
Применяются требования ISO 23550:2018 (см. 4.1).
4.2 Группы устройств управления
Применяются требования ISO 23550:2018 (см. 4.2).
4.3 Типы устройств управления источников постоянного тока
Применяются требования ISO 23550:2018 (см. 4.3).
4.4 Классы функций устройств управления
Применяются требования ISO 23550:2018 (см. 4.4) с дополнением: VPS - это функция устройства управления класса C.
5 Условия испытаний и допуски
Применяются требования ISO 23550:2018 (см. раздел 5).
6 Конструкция
6.1 Общие положения
Применяются требования ISO 23550:2018 (см. 6.1) с дополнениями.
VPS должна быть спроектирована таким образом, чтобы в результате изменения значений параметров критических компонентов схемы (например, влияющих на продолжительность работы или последовательность действий) в пределах допусков наихудшего случая, указанных изготовителем компонентов, включая долгосрочную устойчивость, система продолжала функционировать в соответствии с требованиями настоящего стандарта. Соответствие требованиям должно быть проверено с помощью анализа наихудшего случая.
Любые дополнительные функции VPS, в отношении которых настоящий стандарт не устанавливает требований, не должны влиять на безопасное и правильное функционирование VPS.
Используемые в конструкции VPS компоненты должны соответствовать действующим нормам на данные компоненты.
6.2 Требования к конструкции
Применяются требования ISO 23550:2018 (см. 6.2).
6.3 Материалы
Применяются требования ISO 23550:2018 (см. 6.3).
6.4 Соединения
Применяются требования ISO 23550:2018 (см. 6.4).
6.5 Газовые устройства управления с использованием электрических компонентов газовым способом
Применяются требования ISO 23550:2018 (см. 6.5).
6.6 Электронные детали устройства управления
Применяются требования IEC 60730-1:2013/AMD1:2015.
6.7 Дополнительные конструктивные требования, предъявляемые к VPS
6.7.1 Сигнализирующее устройство
Сигнал индикации, например оптическая индикация, должен подаваться, когда утечка превышает предел обнаружения.
6.7.2 Настройка VPS
Настройка устройства обнаружения должна предусматривать необходимость применения инструментов. Если VPS является регулируемой, изготовитель предоставляет информацию по ее настройке, например настройке установки обнаружения.
7 Рабочая характеристика
7.1 Общие положения
Применяются требования ISO 23550:2018 (см. 7.1) с дополнением.
Используемые в конструкции VPS компоненты должны соответствовать действующим нормам на данные компоненты.
7.2 Герметичность
7.2.1 Общие положения
Применяются требования ISO 23550:2018 (см. 7.2.1).
7.2.2 Требования
Применяются требования ISO 23550:2018 (см. 7.2.2) с дополнением.
Требования к внешней герметичности заменяются следующими:
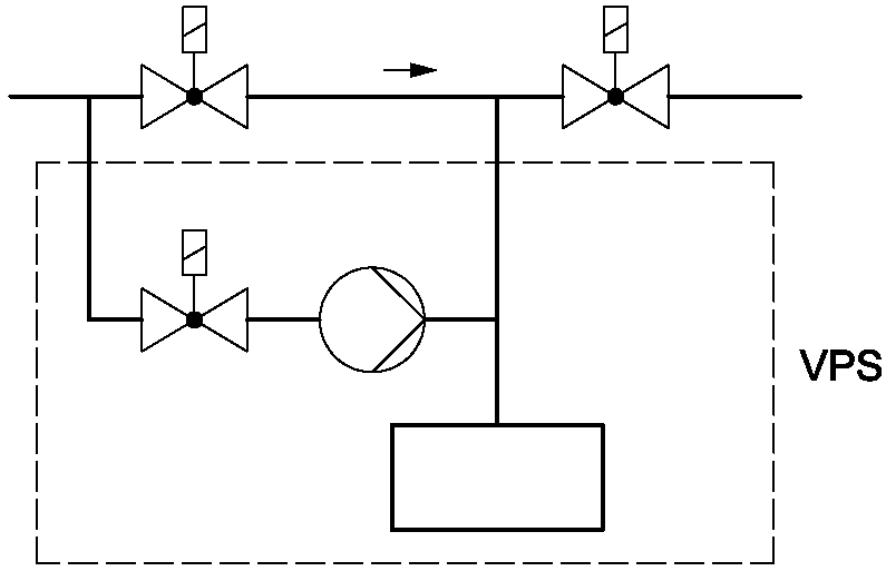
VPS в соответствии с рисунком 2 a) считают герметичной в том случае, когда значение утечки при испытании на внешнюю герметичность любого сборочного компонента не превышает 60 см3-1.
a) VPS с внешними клапанами
b) VPS со встраиваемыми клапанами
c) VPS с частично встраиваемыми клапанами
Рисунок 2 - Примеры VPS
VPS со встраиваемыми или частично встраиваемыми приводами (например, клапаны, насосы) в соответствии с рисунками b) и c) рассматривается как один конструктивный элемент, и значение внешней утечки не должно превышать 120 см3-1.
7.2.3 Испытание
Применяются требования ISO 23550:2018 (см. 7.2.3).
7.3 Крутящий момент и изгибающий момент
Применяются требования ISO 23550:2018 (см. 7.3).
7.4 Номинальный расход
Применяются требования ISO 23550:2018 (см. 7.4).
7.5 Продолжительность
Применяются требования ISO 23550:2018 (см. 7.5).
7.6 Функциональные требования
Применяются требования ISO 23550:2018 (см. 7.6) с дополнением.
Примечание - Специальные региональные требования указаны в G.2.3.
7.6.1 Информация изготовителя
Изготовитель должен заявить максимальный предел обнаружения, программную последовательность и любую прочую соответствующую информацию. VPS должна соответствовать функциональным требованиям, указанным в 7.6.2 - 7.6.5.
7.6.2 Предел обнаружения
VPS должна предотвращать зажигание и открытие клапанов горелки при пределе скорости утечки в зависимости от тепловой нагрузки горелки, начиная от 50 дм3/ч и до минимального значения 0,1% от тепловой мощности горелки.
Соответствие проверяется путем измерения фактического или предполагаемого предела обнаружения при трех значениях: 50 дм3/ч, максимального и среднего и/или минимального значений, указанных изготовителем.
7.6.3 Программная последовательность
Программная последовательность VPS должна обеспечивать возможность открытия клапанов, когда предел обнаружения равен или ниже заявленного изготовителем значения, или максимального значения, указанного в 7.6.2.
Программная последовательность VPS должна предотвращать открытие газовых клапанов, когда предел обнаружения превышает заявленное изготовителем значение или максимальное значение, указанное в 7.6.2, за которым следует блокировка.
Блокировка может осуществляться непосредственно в системном приложении или самой VPS. Попытка автоматического запуска с помощью отдельной функции управления не должна отменять условия блокировки.
Любой газ, необходимый для работы VPS, может быть выпущен в камеру сгорания при выполнении программной последовательности VPS, если максимальный объем выпуска, выраженный в объеме на последовательность переключений, не превышает 0,083% от тепловой нагрузки горелки, относящейся к номинальному объемному расходу, выраженному в кубических метрах в час.
Примечание - 0,083% основано на количестве в течение 3 с.
Если VPS применяется в качестве альтернативы для предварительной продувки или для продувки после остановки системы, то выпуск газа при выполнении программной последовательности VPS в камеру сгорания не допускается. В этом случае газ должен безопасно выпускаться в атмосферу.
Если приводная энергия в цепи обеспечения безопасности выходит из строя, VPS должна закрыть основные газовые клапаны и любой запальный газовый клапан или подать сигнал отключения в автоматическую систему контроля газовой горелки.
7.6.4 Временные параметры
Продолжительность проверки на наличие утечки устанавливает изготовитель.
Регулирование критически важного для безопасности времени допускается только с применением инструментов.
Если данное время может быть отрегулировано с помощью существующей шкалы на компоненте, шкала должна быть точной до +/- 10% от указанного значения. Средства регулировки должны быть хорошо видимыми и легко распознаваемыми (например, цветокодированными).
Не допускается сокращение продолжительности проверки на наличие утечки, противоречащее настоящим требованиям, вследствие внутренних неисправностей, таких как износ, снижение точности регулировок и аналогичных причин.
Продолжительность проверки на наличие утечки не должна быть менее значения, указанного изготовителем.
Не допускается увеличение времени включения клапана или времени откачки, противоречащее настоящим требованиям, вследствие внутренних неисправностей, таких как износ, снижение точности регулировок и других аналогичных причин.
Во время выполнения программной последовательности клапан не должен находиться под напряжением более 3 с. Обходные клапаны могут находиться под током более 3 с, если не превышен предел 0,083% (см. 7.6.2).
Время, необходимое для срабатывания нагнетательного насоса, не должно превышать значения, указанного изготовителем.
Время срабатывания безопасного отключения в результате обнаружения функциональной неисправности не должно превышать 1 с.
Время срабатывания энергозависимой или энергонезависимой блокировки, во всех случаях, когда это требуется, должно соответствовать применяемому стандарту. Однако данное время не должно превышать 30 с после безопасного отключения.
Время функционирования VPS не должно изменяться более чем на +/- 50%, при условии проведения испытаний в соответствии с требованиями раздела 5.
7.6.5 Испытание программной последовательности и определение временных параметров
Испытания проводят на одной VPS. Испытания проводят с применением соответствующего испытательного оборудования.
Программную последовательность на соответствие требованиям 7.6.2 и 7.6.3 проверяют на VPS в состоянии поставки при номинальном напряжении и температуре окружающей среды.
Программная последовательность должна быть испытана в диапазоне напряжений и температур в соответствии с разделом 5.
Проверку программной последовательности VPS, если это возможно, осуществляют с применением автоматической системы контроля горелки.
7.6.6 Функция самоконтроля
VPS должна иметь встроенную функцию самоконтроля для каждого цикла. В компонентах, имеющих переключатели давления газа, проверяют положения рабочих контактов. Сигнал на зажигание горелки и открытие клапанов (см. 8.5) не должен подаваться в тех случаях, когда вследствие внутренних неисправностей происходит правильное функционирование оборудования.
7.6.7 Функция блокировки
Блокировка может быть выполнена на уровне системного приложения или самой VPS.
Функция блокировки должна быть проверена на правильность работы во время каждой последовательности запуска.
Блокировка, вызванная VPS, может быть энергозависимой или энергонезависимой (в зависимости от требований применяемого стандарта).
Способность системы контроля герметичности клапанов сохранять статус энергонезависимой блокировки должна проверяться, как минимум, во время каждого восстановления основного электропитания.
Виды неисправностей, описанные в IEC 60730-1:2013+AMD1:2015 (таблица H24), должны учитываться при анализе электронной схемы.
В случае механического привода достаточно тестовой последовательности до момента замыкания или размыкания переключающих контактов.
Если проверка функции блокировки не удалась, система должна перейти к защитному выключению.
Примечание - Внутренние неисправности компонентов контрольной цепи не учитываются.
7.6.8 Прерывание основного электропитания
Прерывание основного электропитания и его восстановление не должны влиять на безопасность программной последовательности. Если перерывы в подаче питания и его восстановление приводят к автоматическому перезапуску и отмене любой блокировки, VPS должна перезапуститься с начала программной последовательности.
7.7 Износоустойчивость
Применяются требования ISO 23550:2018 (см. 7.7) со следующим дополнением.
7.7.1 Общие положения
Все компоненты устройства управления должны выдерживать испытания, указанные в 7.7.2.1 и 7.7.2.2. Если функция контроля является неотъемлемой частью аппарата, испытания на устойчивость характеристик можно комбинировать. Испытания по 7.7.2.1 и 7.7.2.2 не проводят на одном и том же испытуемом образце.
Если устройство управления не имеет четкого рабочего цикла, испытание на устойчивость характеристик должно проводиться в течение минимального установленного времени.
7.7.2 Испытание нагрузкой
7.7.2.1 Испытание тепловой нагрузкой
Испытание тепловой нагрузкой проводят при напряжении на клеммах и коэффициентах мощности, заявленных изготовителем.
Цель испытания состоит в том, чтобы подвергнуть электронные компоненты устройства управления температурным циклам между пределами, которые могут быть достигнуты при нормальном использовании из-за колебаний температуры окружающей среды, колебаний температуры самого компонента, колебаний источника питания и изменений температуры, например, из режима ожидания в режим работы и наоборот.
Устройство управления должно быть испытано, как указано ниже.
a) Продолжительность испытания - 14 дней при определенных тепловых и электрических условиях:
1) Электрические условия: значение напряжения на клеммах системы должно соответствовать указанному изготовителем, при этом напряжение повышают до 110% указанного максимального номинального напряжения, за исключением 30 мин в течение каждого 24-часового периода, в течение которого напряжение снижают до 90% указанного минимального номинального напряжения. Изменение напряжения не может быть синхронизировано с изменением температуры. Напряжение сети должно прерываться, по меньшей мере, один раз на 30 с в течение каждого 24-часового периода.
2) Тепловые условия: температура окружающей среды или места установки варьируется между максимальным указанным значением и 55 °C, в зависимости от того, какое из данных значений является более высоким, и минимальным значением или 0 °C, в зависимости от того, какое из данных значений является более низким. Температура компонентов электронной схемы не должна выходить за пределы данных результирующих экстремальных значений. Скорость изменения температуры окружающей среды или температуры места установки должна быть 1 °C/мин и экстремальные значения температуры поддерживают в течение приблизительно 1 часа.
Образование конденсата в течение испытания не допускается.
3) Эксплуатационные условия: во время испытания устройство управления должно пройти все рабочие режимы до максимальной скорости 6 циклов/мин как можно скорее, чтобы температура компонентов колебалась в пределах экстремальных значений. Число рабочих циклов в ходе испытания регистрируют, и, если их менее 45000, оставшееся число циклов выполняют при указанном номинальном напряжении и температуре окружающей среды.
b) 2500 циклов выполняют при максимальной указанной температуре окружающей среды или 55 °C, в зависимости от того, какое из данных значений является более высоким, и 110% максимального указанного номинального напряжения.
c) 2500 циклов выполняют при минимальной указанной температуре окружающей среды или 0 °C, в зависимости от того, какое из данных значений является более низким, и 85% минимального указанного номинального напряжения.
d) Если устройство управления имеет важную для безопасности функцию, которая на основе датчика или переключателя может инициировать защитное действие, то для каждого защитного действия должно быть выполнено 5000 циклов таких защитных действий или столько циклов, сколько указано в конкретной методике испытаний при температуре окружающей среды и номинальном напряжении путем имитации датчика или переключателя для инициирования такого защитного действия.
Там, где это возможно, испытания важных для безопасности функций могут быть объединены.
Во время испытаний по a), b), c) и d), как описано выше, система должна работать так, чтобы выполнялась нормальная последовательность запуска. Время, в течение которого система удерживается в рабочем положении, и время, в течение которого контур управления прерывается до повторения цикла, должны быть согласованы между изготовителем и испытательной лабораторией.
По соглашению изготовителя и испытательной лаборатории продолжительность испытания, установленную выше, допускается сокращать исходя из практических соображений с тем, чтобы испытание на долговечность не было неоправданно длительным.
После завершения испытания тепловой нагрузкой испытание по 7.9.1 необходимо повторить только при номинальном напряжении.
Примечание - Специальные региональные требования указаны в G.2.4.
7.7.2.2 Испытание на устойчивость характеристик
Изготовитель должен заявить, что устройство управления выполнило требуемую продолжительность, как указано в конкретной методике испытаний, или выполнило не менее 250000 циклов во всех его нормальных рабочих режимах (например, в режиме ожидания, при запуске, во время работы) с клеммами, нагруженными с заявленными нагрузками и коэффициентами мощности, без отказов.
Устройство управления должно быть испытано при следующих условиях:
a) 90% от общего числа циклов или продолжительности времени должны выполняться при заявленном номинальном напряжении и температуре окружающей среды.
b) 5% от общего числа циклов или продолжительности времени должны выполняться при максимальной заявленной температуре окружающей среды или 55 °C, в зависимости от того, что выше, и при 110% максимального заявленного номинального напряжения.
c) 5% от общего числа циклов или продолжительности времени должны выполняться при минимальной заявленной температуре окружающей среды или 0 °C, в зависимости от того, что ниже, и при 85% минимального заявленного номинального напряжения.
По завершении данного испытания образец для испытаний должен соответствовать IEC 60730-1:2013+AMD1:2015 (13.2.2 - 13.2.4).
7.8 Вибрационное испытание
Применяются требования ISO 23550:2018 (см. 7.8).
7.9 Проверки эксплуатационных качеств электронных устройств управления
7.9.1 При температуре окружающей среды
Функции, связанные с безопасностью (например, время переключения и последовательность полной программы), должны быть проверены в состоянии поставки. Система подключается и устанавливается в соответствии с инструкциями изготовителя.
Данная проверка должна проводиться в условиях испытаний (см. раздел 5):
- при заявленном изготовителем номинальном напряжении или, если это диапазон, при наименьшем и наибольшем номинальных напряжениях;
- 85% наименьшего заявленного номинального напряжения;
- 110% максимального заявленного номинального напряжения.
Результаты проверенных функций, связанных с безопасностью, должны соответствовать конкретной методике испытаний.
7.9.2 При низкой температуре
Испытания по 7.9.1 необходимо повторить при 0 °C или при самой низкой заявленной температуре окружающей среды, если она ниже 0 °C.
7.9.3 При высокой температуре
Испытания по 7.9.1 необходимо повторить при 55 °C или при максимальной заявленной температуре окружающей среды, если она выше 55 °C.
8 Электрическое оборудование
8.1 Общие положения
Применяются требования ISO 23550:2018 (см. 8.1).
8.2 Требования
Применяются требования ISO 23550:2018 (см. 8.2).
8.3 Испытания
Применяются требования ISO 23550:2018 (см. 8.3).
8.4 Защита с помощью ограждения
Применяются требования ISO 23550:2018 (см. 8.4).
8.5 Защита от внутренних неисправностей в целях функциональной безопасности
8.5.1 Требования к проектированию и конструированию
8.5.1.1 Предотвращение неисправностей и отказоустойчивость
Устройства управления должны быть разработаны в соответствии с 6.7 (с учетом видов неисправностей, описанных в IEC 60730-1:2013+AMD1:2015 (таблица H24)) и в соответствии с IEC 60730-1:2013+AMD1:2015 (приложение H.11.12) для сложных электронных устройств, представляющих собой сборки, в которых используются электронные компоненты со следующими характеристиками:
a) Компонент обеспечивает более одного функционального выхода.
b) Нецелесообразно или невозможно представить режим отказа такого компонента путем ошибки типа и перекрестными ссылками на выводах или другими видами отказа, описанными в IEC 60730-1:2013+AMD1:2015 (таблица H24).
Размеры компонентов должны быть рассчитаны на основе наихудших условий, которые могут возникнуть в устройстве управления.
Во время оценивания следует учитывать, что отказ компонента может привести к ухудшению важной для безопасности изоляции.
Отказы сложной электроники могут быть вызваны как систематическими ошибками (заложенными в конструкцию), так и случайными неисправностями (неисправностями компонентов). Поэтому устройство управления должно быть разработано таким образом, чтобы избежать систематических ошибок, а случайные неисправности должны быть устранены при помощи надлежащего проектирования.
Проектирование программного и аппаратного обеспечения должно быть основано на функциональном анализе приложения, результатом которого является структурированный проект, включающий в себя поток управления, поток данных и связанные со временем функции, требуемые приложением. В случае заказных микросхем требуется особое внимание в отношении мер, предпринимаемых для сведения к минимуму систематических ошибок.
Результатом должна стать проектная конфигурация, которая или изначально отказоустойчивая, или в которой компоненты с критическими для безопасности функциями (например, приводы запорных клапанов, микропроцессоры с соответствующими схемами и т.д.) защищены средствами защиты (в соответствии с IEC 60730-1:2013+AMD1:2015 (приложение H), класс программного обеспечения B или C). Данные меры безопасности должны быть встроены в аппаратные средства (например, контроллер параметров, контроль напряжения питания) и могут быть дополнены программным обеспечением (например, испытание ROM, испытание RAM и т.д.). Необходимо, чтобы данные меры безопасности могли вызвать полностью независимое защитное отключение. Время срабатывания защитных средств должно быть меньше или равно соответствующему времени отказоустойчивости.
Если используется мониторинг временных интервалов, он должен быть чувствителен как к верхнему, так и к нижнему пределу временного интервала. Учитываются неисправности, приводящие к смещению верхнего и/или нижнего предела.
В случае устройства управления, относящегося к классу C, если единичная неисправность первичной защиты может привести к неработоспособности защиты, должна быть предусмотрена вторичная защита. Время реакции вторичной защиты должно соответствовать 8.5.4.
Примечание - Вторичная защита может быть реализована следующим образом:
a) физически отдельная цепь, контролирующая первичную защиту;
b) взаимодействие между защищаемой цепью и первичной защитой (например, контроллер параметров, защищаемый микропроцессором);
c) действие между первичными защитными мерами (например, испытание ROM, защищающее испытание RAM).
Для функции блокировки с механическим приводом достаточно проверки до переключающих контактов, но не включая их. Если проверка функции блокировки неудачная, система должна перейти к безопасному отключению.
Частота испытаний указана в конкретной методике испытаний. Внутренние неисправности компонентов схемы проверки не учитываются.
Размеры компонентов должны быть рассчитаны на основе наихудших условий, которые могут возникнуть в устройстве управления, как указано изготовителем.
При проведении оценки следует учитывать, что неисправность компонента может привести к ухудшению критической для безопасности изоляции.
8.5.1.2 Устройство сброса
Устройство управления должно быть сконструировано таким образом, чтобы попытка перезапуска после энергонезависимой блокировки была возможна только после ручного сброса, т.е. со встроенной или дистанционно смонтированной кнопкой сброса.
Неправильное использование или вмешательство в устройство сброса, встроенное или дистанционно монтируемое (например, продолжительное нажатие кнопки ручного сброса или внутренняя неисправность устройства сброса), или короткое замыкание соединительных кабелей к устройству сброса или между соединительными кабелями и землей, не должны приводить к тому, чтобы устройство управления работало вне требований настоящего стандарта, или препятствовать его отключению или блокировке.
Для функций удаленного сброса применяется IEC 60730-1:2013+AMD1:2015 (приложение H11, 12.4.3).
8.5.1.3 Документация
Функциональный анализ устройства управления и связанной с безопасностью программы, находящейся под его управлением, должен быть задокументирован в четкой иерархической форме в соответствии с концепцией безопасности и требованиями программы.
Вместе с любой системой, представляемой на оценку, должна быть предоставлена как минимум следующая документация:
a) описание концепции системы, потока устройства управления, потока данных и сроки;
b) четкое описание концепции безопасности системы с четким указанием всех мер и функций безопасности. Должна быть предоставлена достаточная проектная информация, позволяющая оценить функции безопасности или средства защиты;
c) документация для любого программного обеспечения в системе.
Документация по проектированию должна быть представлена на языке программирования, заявленном изготовителем.
Связанные с безопасностью данные и связанные с безопасностью сегменты рабочей последовательности должны быть идентифицированы и классифицированы в соответствии с IEC 60730-1:2013+AMD1:2015 (приложение H).
Должна быть четкая взаимосвязь между разными частями документации, например взаимосвязь процесса, оборудования и маркировки, используемой в документации по программному обеспечению.
Если изготовитель предоставляет документацию об аналитических мерах, предпринятых на этапе разработки аппаратного и программного обеспечения, данная документация должна использоваться испытательной организацией в рамках процедуры оценки.
8.5.2 Класс A
IEC 60730-1+AMD1:2015 (приложение H), класс A программного обеспечения не применяется.
8.5.3 Класс B
IEC 60730-1+AMD1:2015 (приложение H), класс B программного обеспечения не применяется.
8.5.4 Класс C
8.5.4.1 Требования к проектированию и конструированию
Функция устройства управления класса C должна быть разработана таким образом, чтобы в условиях первой и второй неисправности она оставалась в определенном состоянии или переходила в него. Третья независимая неисправность не рассматривается.
Программное обеспечение должно соответствовать классу программного обеспечения согласно IEC 60730-1:2013+AMD1:2015 (приложение H).
Как минимум следующие состояния определяются как небезопасные:
a) если во время отключения горелки поток газа через клапан или перепускной клапан выше предельного значения обнаружения данного клапана, за исключением функции VPS;
b) если испытание на утечку выходит за пределы, указанные в 3.4 или 3.5;
c) перекрытие устройства управления последовательностью VPS предохранительных запорных клапанов блоком управления горелки, за исключением нормального функционирования VPS;
d) предотвращение перехода VPS к определенной реакции на неисправность.
VPS или связанные с безопасностью (аппаратные) части VPS, на которые не подается питание в режиме ожидания и в рабочем состоянии аппарата, должны проходить все соответствующие внутренние испытания во время включения VPS. После того как VPS будет введена в эксплуатацию, требуемое внутреннее испытание для обнаружения первых неисправностей, приводящих к одному из небезопасных состояний, как указано выше, должно выполняться каждые 3 с.
Считается, что вторая неисправность для данного типа VPS произошла только тогда, когда между первой и второй неисправностями была выполнена последовательность запуска.
VPS, на которую подается питание в режиме ожидания или в рабочем состоянии аппарата, должна соответствовать следующим требованиям:
- время реакции на обнаружение первых неисправностей, приводящих к одному из небезопасных состояний, указанных выше, составляет <= 3 с;
- время реакции на обнаружение второй независимой неисправности <= 24 ч.
VPS должна быть отказоустойчивой. Системы, отвечающие настоящим требованиям и, если применимо, требованиям, указанным в 8.5.1.1, считаются отказоустойчивыми сами по себе.
Схема и конструкция системы должны соответствовать требованиям, указанным в 7.9, и оцениваться в соответствии с требованиями, указанными в 8.5.4.2, 8.5.4.3 и 8.5.4.4, а также в соответствии с условиями испытаний и критериями, указанными в 8.5.5.
Компоненты должны быть измерены на основе наихудших условий, которые могут возникнуть в системе, как указано в проектной документации.
8.5.4.2 Первая неисправность
Любая первая неисправность (см. IEC 60730-1:2013+AMD1:2015 (таблица H24)) в любом компоненте или любая неисправность вместе с любой другой неисправностью, возникающей из данной первой неисправности, должны привести к одному из следующих последствий:
a) VPS выходит из строя со всеми обесточенными зажимами клапана;
ИС МЕГАНОРМ: примечание.
В официальном тексте документа, видимо, допущена опечатка: пункт 8.5.4.4.3 отсутствует. Возможно, имеется в виду пункт 8.5.4.3.
b) система переходит к безопасному отключению в течение 3 с с последующей энергозависимой или энергонезависимой блокировкой. Блокировка может быть выполнена VPS или другим устройством управления аппарата, препятствующим запуску горелки. Во время последующего сброса VPS не должна управлять никакими клапанами или нагнетающим насосом, связанным с клапаном. Последующий сброс из состояния блокировки при той же неисправности приводит к возврату VPS в состояние энергозависимой или энергонезависимой блокировки; продолжить оценку неисправности во время блокировки или безопасного отключения в соответствии с 8.5.4.4.3;
c) VPS продолжает работать, неисправность определяется во время следующей последовательности запуска, результатом является a) или b);
d) VPS продолжает работать в соответствии со всеми другими требованиями, указанными в настоящем стандарте (см. 7.9).
Для VPS, предназначенных для использования на непостоянно работающих аппаратах, применяется c). Однако c) не применяется для VPS, предназначенных для использования на постоянно работающих аппаратах.
8.5.4.3 Вторая неисправность
Если оценка первой неисправности приводит к тому, что устройство управления остается работоспособным в соответствии с функциональными требованиями конкретной методики испытаний, связанными с безопасностью (см. 8.5.4.2 d)), то любая последующая независимая неисправность, рассматриваемая вместе с первой неисправностью, должна привести к 8.5.4.2 a), b), c) или d).
Во время оценки считается, что вторая неисправность произошла только:
a) или когда была выполнена последовательность запуска между первой и второй неисправностью;
b) или через 24 ч после первой неисправности.
Для VPS, предназначенных к использованию на непостоянно работающих аппаратах, применяется a). Однако b) применяется для VPS, предназначенных к использованию на постоянно работающих аппаратах.
ИС МЕГАНОРМ: примечание.
В официальном тексте документа, видимо, допущена опечатка: пункты 8.5.4.4.2 и 8.5.4.4.3 отсутствуют. Возможно, имеются в виду пункты 8.5.4.2 и 8.5.4.3 соответственно.
8.5.4.4 Неисправности во время блокировки или защитного выключения
Всякий раз, когда устройство управления находится в состоянии блокировки или аварийного отключения без внутренней неисправности, должна быть проведена оценка в соответствии с 8.5.4.4.2 и 8.5.4.4.3.
Всякий раз, когда устройство управления не работает со всеми связанными с безопасностью выходными клеммами, обесточенными или в состоянии, в котором они обеспечивают безопасную ситуацию, в заблокированном состоянии или в безопасном отключении с внутренней неисправностью, проводится дополнительная оценка одиночной неисправности в соответствии с 8.5.4.4.3.
Примечание - Выходные клеммы, связанные с безопасностью, используемые в 8.5.4.4.2 и 8.5.4.4.3, являются клеммами, связанными с безопасностью, даже в положении безопасного выключения или блокировки, например, клеммы газового клапана, но не клеммами исполнительного механизма, приводящего в действие управляющий элемент регулятора коэффициента избытка воздуха (см. ISO 23552-1).
Во время оценки не следует считать, что первая неисправность произошла в течение 24 ч после блокировки или безопасного отключения без внутренней неисправности.
Любая первая неисправность (вместе с любой другой неисправностью, возникающей из-за данной неисправности) в любом компоненте (см. IEC 60730-1:2013+AMD1:2015 (таблица H24)), возникшая, когда VPS находится в режиме безопасного отключения или блокировки, приведет к одному из следующих последствий:
a) система остается в состоянии аварийного отключения или блокировки, при этом запорные клапаны остаются обесточенными;
b) система перестает действовать, а запорная арматура остается обесточенной;
c) система снова вступает в эксплуатацию в результате a) или b) при условии, что клеммы запорного клапана находятся под напряжением не более 3 с. Если причины первоначального аварийного отключения или блокировки больше не существует, и система контроля клапанов возобновляет работу, она должна работать в соответствии с функциональными требованиями безопасности, указанными в настоящем стандарте. Должна быть проведена вторая оценка неисправности в соответствии с 8.5.4.3.
При проведении данного испытания неисправность может применяться в любое время в состоянии блокировки или аварийного отключения. Нет необходимости ждать 24 часа перед применением неисправности. Если неисправность применялась до 24 часов и были получены неприемлемые результаты, неисправность должна применяться через 24 часа после достижения блокировки или безопасного отключения.
ИС МЕГАНОРМ: примечание.
В официальном тексте документа, видимо, допущена опечатка: пункт 8.5.4.4.2 отсутствует. Возможно, имеется в виду пункт 8.5.4.2.
Любая вторая неисправность (вместе с любой другой неисправностью, возникающей из данной неисправности) в любом компоненте (см. IEC 60730-1:2013+AMD1:2015 (таблица H24)), возникшая, когда устройство управления находится в режиме безопасного отключения или блокировки, должна привести к 8.5.4.4.2 a), b) или c).
Во время оценки не следует считать, что вторая неисправность произошла в течение 24 часов после первой неисправности.
При проведении данного испытания вторая неисправность может возникнуть в любое время в состоянии блокировки или безопасного отключения. Нет необходимости ждать 24 часа перед возникновением второй неисправности. Если вторая неисправность возникла до 24 часов и были получены неприемлемые результаты, следует применить первоначальную неисправность, а затем подождать 24 часа, прежде чем использовать вторую неисправность.
8.5.5 Оценка цепи и конструкции
8.5.5.1 Условия испытания
Влияние внутренних неисправностей должно быть оценено путем моделирования и/или изучения конструкции схемы. Неисправность считается возникшей на любом этапе выполнения последовательности программы управления.
Устройство управления должно работать или считаться работающим при следующих условиях:
a) при самом неблагоприятном напряжении в диапазоне от 85% до 110% номинального напряжения питания;
b) при максимально неблагоприятной нагрузке, заявленной изготовителем;
c) при температуре окружающей среды (20 +/- 5) °C, если нет существенных причин для проведения испытания при другой температуре в пределах заявленного изготовителем диапазона;
d) с любым исполнительным элементом, расположенным в наиболее неблагоприятном положении;
e) с папиросной бумагой, помещенной на опорные поверхности устройства управления;
f) с искрами длиной около 3 мм и энергией не менее 0,5 Дж, воздействующими на те компоненты, которые могут выделять воспламеняющиеся газы во время испытания.
8.5.5.2 Критерии испытания
Во время оценки необходимо проверить, чтобы при условиях, описанных в 8.5.5.1, были соблюдены следующие критерии:
a) Устройство управления не должно излучать пламя, горячий металл или горячий пластик, папиросная бумага не должна воспламеняться, не должно происходить взрыва в результате выделения легковоспламеняющихся газов, и любое возникающее пламя не должно продолжать гореть более 10 с после выключения генератора зажигания. Если устройство управления встроено в какой-либо аппарат, принимается во внимание любое ограждение, обеспечиваемое данным аппаратом.
b) Если устройство управления продолжает функционировать, оно должно соответствовать IEC 60730-1:2013+AMD1:2015 (разделы 8 и 13). Если оно перестает функционировать, оно по-прежнему должно соответствовать IEC 60730-1:2013+AMD1:2015 (раздел 8).
После испытаний не должно быть повреждений разных частей устройства управления, которые могли бы привести к несоответствию IEC 60730-1:2013+AMD1:2015 (раздел 20).
Примечание - Нагревательные элементы, состоящие из проволочных резисторов, считаются устойчивыми к короткому замыканию (см. IEC 60730-1:2013+AMD1:2015 (таблица H24)).
8.5.5.3 Оценка
Должна быть проведена тщательная оценка цепи для определения ее характеристик в определенных условиях неисправности. Данная оценка должна принимать форму теоретического анализа и испытания имитации неисправности компонента. Имитация неисправности также может быть выполнена для имитации неисправностей в сложных устройствах, например испытания эмуляции EPROM.
Только программное обеспечение, связанное с безопасностью (программное обеспечение класса B и C), определенное в соответствии с 8.5.1.3, должно быть подвергнуто дальнейшей оценке. Для идентификации можно использовать анализ на основе дерева неисправностей.
9 Электромагнитная совместимость (ЭМС)
9.1 Защита от влияния окружающей среды
Применяются требования ISO 23550:2018 (см. 9.1).
9.2 Гармоники и интергармоники, включая сигналы сети переменного тока порта электропитания, устойчивость к низким частотам
Применяются требования ISO 23550:2018 (см. 9.2).
9.3 Падения, прерывания и перепады напряжения в сети питания
9.3.1 Падения и прерывания напряжения
9.3.1.1 Общие положения
Применяются требования ISO 23550:2018 (см. 9.3.1.1).
9.3.1.2 Требования
Применяются требования ISO 23550:2018 (см. 9.3.1.2) с дополнением.
VPS должна либо работать в соответствии с критериями I, либо может перейти к безопасному отключению с последующим автоматическим перезапуском, или в состоянии энергозависимой блокировки перейти к автоматическому перезапуску. В случае нахождения в энергонезависимой блокировке VPS должна оставаться в данном состоянии.
9.3.2 Испытание
Применяются требования ISO 23550:2018 (см. 9.3.2).
9.3.3 Перепады напряжения
Применяются требования ISO 23550:2018 (см. 9.3.3).
9.4 Испытание влияния дисбаланса напряжения
Требования ISO 23550:2018 (см. 9.4) не применяются.
9.5 Испытания устойчивости к выбросу напряжения
9.5.1 Общие положения
Применяются требования ISO 23550:2018 (см. 9.5.1).
9.5.2 Требования
Применяются требования ISO 23550:2018 (см. 9.5.2).
9.5.3 Испытание
Применяются требования ISO 23550:2018 (см. 9.5.3), дополняются следующим.
На устройство управления подается номинальное напряжение. Измерительное оборудование, испытательная установка и процедура испытаний должны соответствовать IEC 61000-4-5. Уровни нагрузки указаны в таблице 1. Пять импульсов каждой полярности (-, +) и каждого фазового угла в соответствии с IEC 61000-4-5 осуществляются в условиях испытаний, указанных в специальном стандарте управления.
Таблица 1
Уровни испытания импульсными перенапряжениями
Напряжение испытания без нагрузки для портов подачи питания, подключенных к системам электропитания переменного или постоянного тока <1>
Напряжение испытания без нагрузки для портов питания постоянного тока, не подключенных к системам питания постоянного тока <1>, и соединительных портов измерений и линий управления (датчики и приводы) <2>
Положение установки
Класс установки 3
Класс установки 3
Линии питания и соединительные кабели хорошо разделены, даже на короткие периоды <3>
Линии питания и соединительные кабели, работающие параллельно <4>
Вид связи
Междуфазный
Однофазный
Однофазный
Однофазный
Уровень нагрузки
2
0,5 кВ
1,0 кВ
0,5 кВ
1,0 кВ
3
1,0 кВ
2,0 кВ
1,0 кВ
2,0 кВ
4
Не испытано
4,0 кВ
Не испытано
Не испытано
<1> Системы питания постоянным и переменным током являются стационарными установками. Их топология и прочие электрические нагрузки неизвестны.
<2> Испытания на портах питания постоянного тока и соединительных кабелях не выполняются, если изготовитель указывает, что длина данных кабелей не должна превышать 10 м.
<3> Класс установки 2 согласно IEC 61000-4-5.
<4> Класс установки 3 согласно IEC 61000-4-5.
- При испытании на уровне жесткости 2 устройство управления должно соответствовать критерию оценки I, как указано в 9.1.
- При испытании на уровне жесткости 3 и 4 устройство управления должно соответствовать критерию оценки II, как указано в 9.1.
Для устройств управления, оснащенных устройствами защиты от перенапряжений, включающими искровые промежутки, испытания на уровне жесткости 3 и 4 повторяют при уровне, который составляет 95% пробивного напряжения.
Если используются устройства защиты от перенапряжения, они должны соответствовать IEC 61643-1. Кроме того, они должны быть выбраны так, чтобы выдерживать импульсы, соответствующие классу установки 3.
Условия испытания:
Пять импульсов каждой полярности (+, -) и каждого фазового угла в соответствии с IEC 61000-4-5 в следующей последовательности:
- 2 импульса при нахождении системы в состоянии блокировки;
- 1 импульс при нахождении системы в состоянии запуска (если применимо);
- 2 импульса произвольно во время последовательности запуска VPS.
Применяются критерии оценки I и II, как указано в 9.1.
9.6 Электрические быстрые переходные процессы
9.6.1 Общие положения
Применяются требования ISO 23550:2018 (см. 9.6.1).
9.6.2 Требования
Применяются требования ISO 23550:2018 (см. 9.6.2).
9.6.3 Испытание
Применяются требования ISO 23550:2018 (см. 9.6.3) с изменением.
Условия испытания:
Испытание должно проводиться в течение 20 циклов во время последовательности VPS. Остается не менее 30 с каждого цикла в положении, достигнутом после успешного завершения последовательности VPS. Испытание также должно проводиться в течение как минимум 2 мин с системой в заблокированном положении и с системой в пусковом положении (если применимо).
Применяются критерии оценки I и II, как указано в 9.1.
9.7 Устойчивость к звенящей волне
Применяются требования ISO 23550:2018 (см. 9.7).
9.8 Электростатический разряд
9.8.1 Общие положения
Применяются требования ISO 23550:2018 (см. 9.8.1).
9.8.2 Требования
Применяются требования ISO 23550:2018 (см. 9.8.2).
9.8.3 Испытание
Применяются требования ISO 23550:2018 (см. 9.8.3) с изменением.
Применяется испытательное напряжение для прямого и косвенного электростатического разряда, указанное в таблице 2.
Таблица 2
Испытательные напряжения для прямого и косвенного
электростатического разряда
Уровень нагрузки
Контактный разряд, кВ
Выпуск воздуха, кВ
2
4
4
4
8
15
Дополнение:
Данное требование относится к устройствам управления, имеющим собственную защитную оболочку. Для устройств управления, не имеющих собственной защитной оболочки, испытание применяется только к сенсорным точкам, заявленным изготовителем (см. Выбор контрольных точек в IEC 61000-4-2).
Если испытание с самым высоким уровнем нагрузки соответствует критерию оценки I, нет необходимости проводить испытания с более низким уровнем нагрузки.
Условия испытания:
Система должна быть испытана на каждой из рабочих фаз, как указано в 9.1, а разряды во время последовательности VPS применяются случайным образом.
Применяются критерии оценки I и II, указанные в 9.1.
9.9 Устойчивость к радиочастотным электромагнитным полям
Применяются требования ISO 23550:2018 (см. 9.9).
9.10 Влияние колебаний промышленной частоты
Применяются требования ISO 23550:2018 (см. 9.10).
9.11 Устойчивость к магнитному полю промышленной частоты
Применяются требования ISO 23550:2018 (см. 9.11).
10 Маркировка, установочные и операционные инструкции
10.1 Маркировка
Применяются требования ISO 23550:2018 (см. 10.1) с дополнением.
Маркировка VPS и/или ее компонентов должна быть разборчивой и нестираемой и содержать следующую информацию:
a) наименование изготовителя и/или торговую марку;
b) обозначение типа;
c) максимальное рабочее давление, Па (кПа);
d) характер питания и частоту;
e) номинальное напряжение и диапазон номинального напряжения;
f) степень защиты;
g) максимальную номинальную нагрузку выходов;
h) дату изготовления (по меньшей мере указывают год), которую допускается кодировать в серийном номере.
10.2 Указания по монтажу и эксплуатации
Применяются требования ISO 23550:2018 (см. 10.2) с дополнением.
С каждой партией поставляют комплект инструкций на языках(е) стран(ы), в которые(ую) поставляются VPS. Инструкции должны содержать всю необходимую информацию, касающуюся применения, монтажа, эксплуатации и сервисного обслуживания, в частности:
a) обозначение типа;
b) электрические параметры, в том числе максимальную нагрузку на клеммах вывода;
c) минимальное и максимальное значения допустимой температуры окружающей среды;
d) электрическую схему с четкой маркировкой клемм для подключения сетевого и/или аккумуляторного питания и внешней проводки;
e) информацию о блокировках и способах их сброса в случае прерывания электроснабжения;
f) допустимое монтажное положение;
g) схему программной последовательности;
h) всю информацию о регулировке и настройке;
i) длину и тип кабеля для подключения внешних компонентов.
10.3 Предупредительная надпись
Применяются требования ISO 23550:2018 (см. 10.3).
Приложение A
(справочное)
ИСПЫТАНИЕ НА ГЕРМЕТИЧНОСТЬ. ОБЪЕМНЫЙ МЕТОД
Применяются требования ISO 23550:2018 (приложение A).
Приложение B
(справочное)
ИСПЫТАНИЕ НА ГЕРМЕТИЧНОСТЬ. МЕТОД ПОТЕРИ ДАВЛЕНИЯ
Применяются требования ISO 23550:2018 (приложение B).
Приложение C
(обязательное)
ПРЕОБРАЗОВАНИЕ ПОТЕРИ ДАВЛЕНИЯ В СКОРОСТЬ УТЕЧКИ
Применяются требования ISO 23550:2018 (приложение C).
Приложение D
(справочное)
ГАЗОВОЕ БЫСТРОРАЗЪЕМНОЕ СОЕДИНЕНИЕ (ГБС)
ISO 23550:2018, приложение D не применяется.
Приложение E
(обязательное)
ЭЛАСТОМЕРЫ - ТРЕБУЕМОЕ СОПРОТИВЛЕНИЕ
К СМАЗОЧНЫМ ВЕЩЕСТВАМ И ГАЗАМ
Применяются требования ISO 23550:2018 (приложение E).
Приложение F
(обязательное)
ОСОБЫЕ РЕГИОНАЛЬНЫЕ ТРЕБОВАНИЯ В ЕВРОПЕЙСКИХ СТРАНАХ
Применяются требования ISO 23550:2018 (приложение F).
Приложение G
(обязательное)
ОСОБЫЕ РЕГИОНАЛЬНЫЕ ТРЕБОВАНИЯ В КАНАДЕ И США
Применяются требования ISO 23550:2018, приложение G, со следующими дополнениями:
G.2.3 Дополнение 7.6.2
7.6.2.1 Общие положения
VPS должна быть способна обнаруживать утечку воздуха в соответствии с уровнем 1 или уровнем 2, как указано изготовителем, с поправкой на стандартные условия в диапазоне номинального рабочего давления VPS.
a) Уровень 1:28,8 дм3/ч (1,0 фут3/ч) и минимальная и максимальная скорости утечки, указанные изготовителем.
b) Уровень 2:50 дм3/ч (1,7 фут3/ч). Соответствие проверяют при помощи следующего испытания.
Соответствующие испытания должны проводиться при установленных изготовителем как минимальной, так и максимальной рабочих температурах окружающей среды и при номинальном испытательном входном давлении. Если это необходимо для условий испытаний, VPS следует отрегулировать в соответствии с инструкциями изготовителя.
VPS должна быть установлена в вертикальном положении, указанном изготовителем. Для VPS, предназначенной для работы в монтажном положении, отличном от указанного изготовителем вертикального положения, соответствующие испытания должны повторяться в альтернативном монтажном положении, которое влияет на предел обнаружения утечки VPS.
ИС МЕГАНОРМ: примечание.
Нумерация пунктов дана в соответствии с официальным текстом документа.
7.6.2.1 Уровень 1
Должна быть образована контрольная утечка, соответствующая уровню 1, как указано в 7.6.2.1 a). VPS должна перейти к блокировке с индикацией при сочетании следующих условий:
a) при указанных изготовителем максимальных рабочих давлениях и:
1) при указанном изготовителем максимальном испытательном объеме и
2) при указанном изготовителем минимальном испытательном объеме;
b) при указанном изготовителем минимальном рабочем давлении и:
1) при указанном изготовителем максимальном испытательном объеме и
2) при указанном изготовителем минимальном испытательном объеме.
7.6.2.2 Уровень 2
7.6.2.2.1 Должна быть образована контрольная утечка, соответствующая уровню 1, как указано в 7.6.2.1 b). VPS должна перейти к блокировке с индикацией при сочетании следующих условий:
a) при указанных изготовителем максимальных рабочих давлениях и:
1) при указанном изготовителем максимальном испытательном объеме и
2) при указанном изготовителем минимальном испытательном объеме;
b) при указанном изготовителем минимальном рабочем давлении и:
1) при указанном изготовителем максимальном испытательном объеме и
2) при указанном изготовителем минимальном испытательном объеме.
7.6.2.3.2 Должна быть образована контрольная утечка, равная минимальной скорости утечки, указанной изготовителем, если она ниже уровня 2, как указано в 7.6.2.1 b). VPS должна перейти к блокировке с индикацией при сочетании следующих условий:
a) при указанных изготовителем максимальных рабочих давлениях и:
1) при указанном изготовителем максимальном испытательном объеме и
2) при указанном изготовителем минимальном испытательном объеме;
b) при указанном изготовителем минимальном рабочем давлении и:
1) при указанном изготовителем максимальном испытательном объеме и
2) при указанном изготовителем минимальном испытательном объеме.
7.6.2.3.3 Должна быть образована контрольная утечка, равная минимальной скорости утечки, указанной изготовителем, если она ниже уровня 2, как указано в 7.6.2.1 b). VPS должна перейти к блокировке с индикацией при сочетании следующих условий:
a) при указанных изготовителем максимальных рабочих давлениях и:
1) при указанном изготовителем максимальном испытательном объеме и
2) при указанном изготовителем минимальном испытательном объеме;
b) при указанном изготовителем минимальном рабочем давлении и:
1) при указанном изготовителем максимальном испытательном объеме и
2) при указанном изготовителем минимальном испытательном объеме.
G.2.4 Дополнение к 7.7.2.1
VPS должна работать в течение 50 000 циклов в камере с контролируемой температурой, установленной на +/- 5 °F (+/- 2,8 °C) и на 110% номинального напряжения с максимальной нагрузкой. Затем VPS должна проработать 50 000 циклов в камере с регулируемой температурой при указанной изготовителем минимальной рабочей температуре +/- 5 °F (+/- 2,8 °C) и при 85% номинального напряжения.
Приложение H
(обязательное)
ОСОБЫЕ РЕГИОНАЛЬНЫЕ ТРЕБОВАНИЯ В ЯПОНИИ
Применяются требования ISO 23550:2018 (приложение H).
Приложение I
(справочное)
РУКОВОДСТВО ПО ПРИМЕНЕНИЮ
I.1 Общие положения
Система контроля герметичности клапанов, на которую распространяется настоящий стандарт, в сочетании с газовыми горелками и аппаратами предназначена для предотвращения неконтролируемого сжигания газообразного топлива или его утечки в окружающую среду из-за неисправности одного или более автоматических клапанов, трубопроводов или оборудования.
Для функционирования VPS требуется установка как минимум двух автоматических клапанов.
При обнаружении в одном из автоматических клапанов, месте его присоединения или части трубопровода, расположенной между клапанами, утечки в газовую горелку, газовый аппарат или окружающую среду системой должен быть выдан сигнал и соответствующими средствами остановлена последовательность запуска газовой горелки.
Проверка клапана должна выполняться во время каждого запуска, после каждого отключения или в обоих перечисленных случаях.
Необходимость оснащения газовой горелки или газового прибора VPS обусловлена конструкцией, местом установки и применением конкретной газовой горелки или газового аппарата, при этом учитывается следующее:
- размер газовой горелки, тепловая мощность горелки;
- тип газового аппарата, например парового котла;
- тип последовательности запуска горелки, например без предварительной продувки;
- классификация применяемых автоматических клапанов, например два клапана класса B и VPS равнозначно двум клапанам класса A.
I.2 Применение VPS
Применение VPS устанавливается международными стандартами на оборудование, например ISO 22967.
I.3 Региональные стандарты на оборудование
Применение VPS устанавливается региональными стандартами на оборудование, например:
- CAN/CSA B149.3;
- EN 676, EN 746-2;
- NFPA 85, NFPA 86.
Применение VPS не является заменой окончательных заводских испытаний автоматических клапанов, газовых горелок или газовых аппаратов. Кроме того, применение VPS не является заменой периодической проверки газовых горелок и газовых аппаратов.
Приложение ДА
(справочное)
СВЕДЕНИЯ О СООТВЕТСТВИИ ССЫЛОЧНЫХ МЕЖДУНАРОДНЫХ СТАНДАРТОВ
МЕЖГОСУДАРСТВЕННЫМ СТАНДАРТАМ
Таблица ДА.1
Сведения о соответствии ссылочных международных стандартов
ссылочным межгосударственным стандартам
Обозначение ссылочного международного стандарта
Степень соответствия
Обозначение и наименование соответствующего межгосударственного стандарта
ISO 23550
IDT
ГОСТ ISO 23550-2023 "Устройства защиты и управления газовых горелок и аппаратов. Общие требования"
IEC 60730-1:2013+AMD1:2015
IDT
ГОСТ IEC 60730-1-2016 "Автоматические электрические устройства управления. Часть 1. Общие требования"
IEC 61000-4-5
IDT
ГОСТ IEC 61000-4-5-2017 "Электромагнитная совместимость (ЭМС). Часть 4-5. Методы испытаний и измерений. Испытание на устойчивость к выбросу напряжения"
Примечание - В настоящей таблице использовано следующее условное обозначение степени соответствия стандартов:
- IDT - идентичные стандарты.
БИБЛИОГРАФИЯ
[1]
ISO 22967, Forced draught gas burners (Горелки газовые с принудительной тягой)
[2]
ISO 23551-1, Safety and control devices for gas burners and gas-burning appliances - Particular requirements - Part 1: Automatic and semi-automatic valves (Предохранители и регуляторы для газовых горелок и газосжигательного оборудования. Частные требования. Часть 1. Автоматические и полуавтоматические клапаны)
[3]
IEC 60127-1:2015, Miniature fuses - Part 1: Definitions for miniature fuses and general requirements for miniature fuse-links (Предохранители плавкие миниатюрные. Часть 1. Определения для миниатюрных плавких предохранителей и общие требования к миниатюрным плавким вставкам)
[4]
IEC 60529:1989+AMD1:1999+AMD2:2013, Degrees of protection provided by enclosures (IP Code) [Степени защиты, обеспечиваемые оболочками (код IP)]
[5]
IEC 60730-2-5:2013, Automatic electrical controls - Part 2-5: Particular requirements for automatic electrical burner control systems (Автоматическое электрическое управление - Часть 2-5. Особые требования к автоматическим электрическим системам управления горелками)
[6]
IEC 60730-2-6:2015, Automatic electrical controls - Part 2-6: Particular requirements for automatic electrical pressure sensing controls including mechanical requirements (Автоматические электрические устройства управления. Часть 2-6. Частные требования к автоматическим электрическим устройствам управления, чувствительным к давлению, включая требования к механическим характеристикам)
[7]
IEC 60947-1:2007+AMD1:2010+AMD2:2014, Low-voltage switchgear and control gear - Part 1: General rules (Аппаратура коммутационная и механизмы управления низковольтные комплектные. Часть 1. Общие правила)
[8]
CAN/CSA B149.3, Code for the field approval of fuel-related components on appliances and equipment (Нормы опытной аттестации топливных компонентов в установках и оборудовании)
[9]
EN 676, Forced draught burners for gaseous fuels (Горелки газовые автоматические с принудительной подачей воздуха для горения)
[10]
EN 746-2, Industrial thermoprocessing equipment - Part 2: Safety requirements for combustion and fuel handling systems (Установки термические промышленные. Часть 2. Требования безопасности к топкам и системам подачи топлива)
[11]
NFPA 85, Boiler and Combustion Systems Hazards Code (Классы опасности котлов и систем сжигания топлива)
[12]
NFPA 86, Standard for Ovens and Furnaces (Стандарт о печах и котлах)
УДК 621.438
МКС 27.060.20
IDT
Ключевые слова: система контроля герметичности клапанов VPS, устройство обнаружения, установка обнаружения, источники постоянного тока, газовые регуляторы, газовые соединения, герметичность, внешние клапаны, встроенные клапаны