Главная // Актуальные документы // Актуальные документы (обновление 2025.04.26-2025.05.31) // ГОСТ (Государственный стандарт)СПРАВКА
Источник публикации
М.: ФГБУ "Институт стандартизации", 2024
Примечание к документу
Документ включен в
Перечень международных и региональных (межгосударственных) стандартов, а в случае их отсутствия - национальных (государственных) стандартов, в результате применения которых на добровольной основе обеспечивается соблюдение требований технического
регламента Таможенного союза "О безопасности низковольтного оборудования" (ТР ТС 004/2011), и в
Перечень международных и региональных (межгосударственных) стандартов, а в случае их отсутствия - национальных (государственных) стандартов, содержащих правила и методы исследований (испытаний) и измерений, в том числе правила отбора образцов, необходимые для применения и исполнения требований технического
регламента Таможенного союза "О безопасности низковольтного оборудования" (ТР ТС 004/2011) и осуществления оценки соответствия объектов технического регулирования (
Решение Коллегии Евразийской экономической комиссии от 11.05.2023 N 55).
Документ включен в
Перечень международных и региональных (межгосударственных) стандартов, а в случае их отсутствия - национальных (государственных) стандартов, в результате применения которых на добровольной основе обеспечивается соблюдение требований технического
регламента Таможенного союза "О безопасности машин и оборудования" (ТР ТС 010/2011), и в
Перечень международных и региональных (межгосударственных) стандартов, а в случае их отсутствия - национальных (государственных) стандартов, содержащих правила и методы исследований (испытаний) и измерений, в том числе правила отбора образцов, необходимые для применения и исполнения требований технического
регламента Таможенного союза "О безопасности машин и оборудования" (ТР ТС 010/2011) и осуществления оценки соответствия объектов технического регулирования (
Решение Коллегии Евразийской экономической комиссии от 09.03.2021 N 28).
Документ
введен в действие с 01.01.2025 с правом досрочного применения.
Название документа
"ГОСТ IEC 60335-2-64-2016. Межгосударственный стандарт. Бытовые и аналогичные электрические приборы. Безопасность. Часть 2-64. Дополнительные требования к промышленным электрическим кухонным машинам"
(введен в действие Приказом Росстандарта от 28.12.2023 N 1690-ст)
"ГОСТ IEC 60335-2-64-2016. Межгосударственный стандарт. Бытовые и аналогичные электрические приборы. Безопасность. Часть 2-64. Дополнительные требования к промышленным электрическим кухонным машинам"
(введен в действие Приказом Росстандарта от 28.12.2023 N 1690-ст)
агентства по техническому
регулированию и метрологии
от 28 декабря 2023 г. N 1690-ст
МЕЖГОСУДАРСТВЕННЫЙ СТАНДАРТ
БЫТОВЫЕ И АНАЛОГИЧНЫЕ ЭЛЕКТРИЧЕСКИЕ ПРИБОРЫ.
БЕЗОПАСНОСТЬ
ЧАСТЬ 2-64
ДОПОЛНИТЕЛЬНЫЕ ТРЕБОВАНИЯ
К ПРОМЫШЛЕННЫМ ЭЛЕКТРИЧЕСКИМ КУХОННЫМ МАШИНАМ
Household and similar electrical appliances. Safety.
Part 2-64. Particular requirements for commercial
electric kitchen machines
(IEC 60335-2-64:2002+AMD1:2007 CSV, IDT)
ГОСТ IEC 60335-2-64-2016
Дата введения
1 января 2025 года
с правом досрочного применения
Цели, основные принципы и общие правила проведения работ по межгосударственной стандартизации установлены
ГОСТ 1.0 "Межгосударственная система стандартизации. Основные положения" и
ГОСТ 1.2 "Межгосударственная система стандартизации. Стандарты межгосударственные, правила и рекомендации по межгосударственной стандартизации. Правила разработки, принятия, обновления и отмены"
1 ПОДГОТОВЛЕН Научно-производственным республиканским унитарным предприятием "Белорусский государственный институт стандартизации и сертификации" (БелГИСС) на основе собственного перевода на русский язык англоязычной версии стандарта, указанного в
пункте 5
2 ВНЕСЕН Государственным комитетом по стандартизации Республики Беларусь
3 ПРИНЯТ Межгосударственным советом по стандартизации, метрологии и сертификации (протокол от 28 июня 2016 г. N 49-2016)
За принятие проголосовали:
Краткое наименование страны по МК (ИСО 3166) 004-97 | Код страны по МК (ИСО 3166) 004-97 | Сокращенное наименование национального органа по стандартизации |
Армения | AM | ЗАО "Национальный орган по стандартизации и метрологии" Республики Армения |
Беларусь | BY | Госстандарт Республики Беларусь |
Казахстан | KZ | Госстандарт Республики Казахстан |
Киргизия | KG | Кыргызстандарт |
Россия | RU | Росстандарт |
Узбекистан | UZ | Узстандарт |
4
Приказом Федерального агентства по техническому регулированию и метрологии от 28 декабря 2023 г. N 1690-ст межгосударственный стандарт ГОСТ IEC 60335-2-64-2016 введен в действие в качестве национального стандарта Российской Федерации с 1 января 2025 г. с правом досрочного применения
5 Настоящий стандарт идентичен международному стандарту IEC 60335-2-64:2008 "Бытовые и аналогичные электрические приборы. Безопасность. Часть 2-64. Дополнительные требования к промышленным электрическим кухонным машинам" ("Household and similar electrical appliances - Safety - Part 2-64: Particular requirements for commercial electric kitchen machines", IDT).
Международный стандарт разработан Техническим комитетом 61 "Безопасность бытовых и аналогичных электрических приборов" Международной электротехнической комиссии (IEC)
6 ВВЕДЕН ВПЕРВЫЕ
Информация о введении в действие (прекращении действия) настоящего стандарта и изменений к нему на территории указанных выше государств публикуется в указателях национальных стандартов, издаваемых в этих государствах, а также в сети Интернет на сайтах соответствующих национальных органов по стандартизации.
В случае пересмотра, изменения или отмены настоящего стандарта соответствующая информация будет опубликована на официальном интернет-сайте Межгосударственного совета по стандартизации, метрологии и сертификации в каталоге "Межгосударственные стандарты"
Настоящий стандарт применяют совместно с IEC 60335-1. Если в тексте настоящего стандарта встречается ссылка на часть 1, то это соответствует IEC 60335-1.
Настоящий стандарт содержит требования к промышленным электрическим кухонным машинам, не предназначенным для бытового применения, а также методы испытаний, которые дополняют, заменяют или исключают требования и методы испытаний, установленные в соответствующих разделах и (или) пунктах части 1.
Если в настоящем стандарте нет ссылки на какой-либо пункт или приложение части 1, то этот пункт или приложение применяется полностью.
В тексте настоящего стандарта принята следующая система нумерации:
- пункты, номера которых начинаются со 101, являются дополнительными по отношению к пунктам части 1;
- номера примечаний начинаются со 101 (включая примечания в заменяемых разделах или пунктах), за исключением примечаний в новых пунктах и при отсутствии примечаний в части 1;
В настоящем стандарте использованы следующие шрифтовые выделения:
- текст требований - светлый;
- методы испытаний - курсив;
- термины - полужирный.
Соответствующий раздел части 1 заменяют следующим.
Настоящий стандарт устанавливает требования безопасности электрических кухонных машин для предприятий общественного питания, а также аналогичных приборов, не предназначенных для домашнего использования, с номинальным напряжением не более 250 В для однофазных приборов и 480 В - для других приборов.
Примечания
101 Данные приборы используют, например, в ресторанах, столовых, больницах и коммерческих предприятиях, таких как пекарни, мясные лавки и т.д.
102 Примерами кухонных машин являются:
- мешалки;
- смесители для жидкостей или пищевых продуктов;
- тестомесильные машины;
- взбивальные машины;
- овощерезательные машины;
- терочные машины;
- мясорубки;
- машины для нарезки ломтиков;
- картофелеочистительные машины;
- консервооткрыватели;
- кофемолки;
- машины для мойки и/или сушки пищевых продуктов;
- дозировочно-формовочные машины;
- тестораскаточные машины;
- машины для нарезки лапши;
- универсальные кухонные машины;
- смесители.
Настоящий стандарт распространяется также на машины, которые с целью облегчения транспортирования поставляют отдельными частями (сборочными узлами), из которых на месте монтажа собирают машины без каких-либо дополнительных частей.
Электротехническая часть приборов, в работе которой используют другие виды энергии, также входит в область применения настоящего стандарта.
Насколько это возможно, настоящий стандарт освещает вопросы общей опасности, представляемой данным видом приборов.
Примечания
103 Для приборов, предназначенных для использования в транспортных средствах или на борту кораблей или самолетов, могут быть необходимы дополнительные требования.
104 Настоящий стандарт не распространяется:
- на приборы, предназначенные исключительно для промышленного использования;
- на приборы, предназначенные для работы в помещениях со специфическими условиями, такими как наличие в окружающей атмосфере коррозионных или взрывоопасных компонентов (пыли, паров, газов);
- на приборы непрерывного действия для поточного приготовления пищи;
- на независимое конвейерное оборудование, такое как транспортеры для раздачи пищи.
Применяют соответствующий раздел части 1.
Применяют соответствующий раздел части 1, а также следующие термины с соответствующими определениями.
Примечание 101 - Номинальная потребляемая мощность - сумма потребляемых мощностей всех отдельных элементов прибора, которые могут быть включены одновременно; если возможно несколько таких комбинаций, то при определении номинальной потребляемой мощности выбирают наибольшее значение.
3.1.9 Замена:
- прибор работает без загрузки при номинальном напряжении до тех пор, пока не будет достигнут установившейся режим. При этом органы управления машины, предназначенные для регулирования их пользователем, устанавливают на максимум. Затем в машину загружают продукт надлежащим образом, при этом питающее напряжение поддерживают на первоначальном уровне. Для каждой ступени должен быть достигнут установленный режим, прежде чем будет снова увеличена нагрузка. Эту операцию повторяют до тех пор, пока не сработает устройство защиты машины от перегрузки или пока не будет достигнут установленный режим при максимально допустимой температуре.
Примечание 101 - Машину можно нагружать с помощью электрического или механического тормоза;
- если не представляется возможность или является нецелесообразным применение электрического или механического тормоза, то нормальная нагрузка составляет 115% мощности, измеренной, когда машина работает без нагрузки при номинальном напряжении и нормальной рабочей температуре и органы управления установлены пользователем на максимум.
Примечание 102 - Примерами таких приборов являются:
- смесители для жидкостей;
- машины для нарезки ломтиков;
- картофелеочистительные машины;
- кофемолки;
- машины для мойки и/или сушки пищевых продуктов;
- дозировочно-формовочные машины.
3.101 указанный уровень (indicated level): Отметка на машине, показывающая максимальный уровень жидкости для правильной работы.
3.102 монтажная стена (installation wall): Специальная неподвижная конструкция, имеющая блоки подвода для приборов, установленных совместно с ней.
3.103 защитное ограждение (guard plate): Пластина, аналогичная пластине, регулирующей толщину нарезки ломтиков, установленной на машинах с автоматической подачей пищевых продуктов.
3.104 подставка для пищевых продуктов (product holder): Основа для нарезаемых на ломтики пищевых продуктов. Возможно оснащение подставки для пищевых продуктов толкателем или подающей кареткой и/или зажимным устройством.
3.105 скользящая подающая доска (sliding feed table): Устройство, поддерживающее подставку для пищевых продуктов и способствующее ее движению вперед и назад.
3.106 подающая каретка (feed carriage): Устройство, на котором располагают пищевые продукты и которое скользит по верхней части подставки для пищевых продуктов и перемещает продукты вперед к ножу.
3.107 толкатель (pusher): Устройство, используемое для перемещения продуктов по подставке для пищевых продуктов к пластине, регулирующей толщину нарезки ломтиков.
3.108 держатель последнего ломтика (last slice device): Пластина для подачи последней порции продуктов к режущему ножу.
Примечание - Возможно оснащение пластины толкателем, зажимным устройством или подающей кареткой.
Применяют соответствующий раздел части 1.
5 Общие условия проведения испытаний
Применяют соответствующий раздел части 1 со следующими дополнениями.
5.6 Дополнение:
Скорость регулируют в соответствии с руководством по эксплуатации.
5.10 Дополнение:
Приборы, которые предназначены для установки в комплекте с другими приборами, и приборы, которые должны быть закреплены на монтажной стене, должны быть заключены в кожух, чтобы обеспечивать степень защиты от ударов электрическим током и влаги, равную степени защиты, которая обеспечивается при установке в соответствии с инструкциями, поставляемыми с приборами.
Примечание 101 - Для испытаний могут быть необходимы соответствующие кожухи или дополнительные приборы.
5.101 Приборы проходят испытания как приборы с электроприводами, даже если в их конструкцию входит нагревательный прибор.
5.102 Машины, собираемые в комбинации с другими машинами или встроенные в другие машины, проходят испытания в соответствии с требованиями настоящего стандарта. Одновременно проверяют работу других машин в соответствии с относящимися к ним стандартами.
Применяют соответствующий раздел части 1 со следующим изменением.
6.1 Замена:
Ручные приборы должны иметь защиту от поражения электрическим током класса II или III. Прочие приборы должны иметь защиту от поражения электрическим током классов I, II или класса III.
Соответствие данному требованию проверяют осмотром и соответствующими испытаниями.
6.2 Изменение:
Применяют следующее условие.
Приборы должны иметь степень защиты от вредного воздействия воды не ниже IPX1.
7 Маркировка и инструкции
Применяют соответствующий раздел части 1 со следующими дополнениями.
7.1 Дополнение:
При обозначении на приборах установленного положения "включено" ("ВКЛ.") и "выключено" ("ВЫКЛ.") маркировка соответствует стандартному исполнению. Маркировка положения "ВКЛ." предшествует маркировке положения "ВЫКЛ.". При этом обе маркировки отделены друг от друга наклонной чертой.
Кроме того, на приборах должно быть указано давление воды или диапазон давлений в килопаскалях (кПа) для приборов, предназначенных для подключения к водопроводу, если данные сведения не указаны в руководстве по эксплуатации.
В случае, когда вращение двигателя в противоположном направлении может создавать опасность, а направление вращения зависит от способа подсоединения двигателя к сети, направление вращения должно быть четко обозначено на двигателе в доступном месте.
7.6 Дополнение:
| [символ 5021 IEC 60417-1] | эквипотенциальность |
7.12 Дополнение:
В инструкции по эксплуатации должно быть указано время работы и скоростные режимы сменных механизмов, если данная информация не обозначена на приборе.
Инструкция по эксплуатации должна содержать предостережение против неправильного обращения и указания о необходимости осторожного обращения с режущими лезвиями при чистке вручную.
Кроме того, в инструкции по эксплуатации должны быть указаны правила по выполнению чистки всех поверхностей, контактирующих с пищевыми продуктами во время обычного использования.
Инструкция по эксплуатации должна четко указывать способы использования особых или специальных мер безопасности, необходимых для работы с прибором. Кроме того, инструкция по эксплуатации должна обращать внимание потребителя на прочую опасность и содержать информацию о мерах предосторожности пользователя с целью безопасной эксплуатации прибора.
Примечание 101 - Примерами машин с прочей опасностью являются машины, на которых не проводились испытания измерительным датчиком (см.
20.2).
Кроме того, должна быть предоставлена информация о правильной сборке и безопасном пользовании дополнительным оборудованием, предусмотренным прибором. Инструкция по эксплуатации должна предупреждать пользователя об использовании соответствующей чаши со съемным дополнительным оборудованием, таким как взбивалки для яиц и просеивающие машины, и указывать на то, что дополнительное оборудование не должно выступать за верхний край чаши.
Инструкции для ручных смесителей и взбивальных машин должны предостерегать от использования прибора, не контактирующего с пищевыми продуктами.
Инструкции для универсальных кухонных машин должна содержать указание о том, что при обращении с режущими лезвиями необходима осторожность, особенно при вынимании лезвий из чаши, удалении из чаши продуктов и во время чистки.
Инструкция по эксплуатации мясорубок должна предостерегать от использования дисков с отверстиями овальной формы или отверстиями большего диаметра в том случае, когда требуемая безопасность полностью зависит от дисков с отверстиями, предусмотренными прибором.
Инструкция по эксплуатации машин для нарезки ломтиков должна предоставлять подробную информацию по сборке и извлечению ножей, а также указывать на то, что пластина, регулирующая толщину нарезки ломтиков, или защитное ограждение должны находиться в нулевом положении во время выполнения чистки ножей, установленных в приборе.
Инструкция по эксплуатации должна определять устройства для заточки, подходящие для использования с прибором, и указывать об использовании только данных устройств.
Примечание 102 - Для идентификации возможно использование кода или схожих средств.
7.12.1 Замена:
Прибор следует поставлять с инструкциями, в которых подробно описываются меры предосторожности, необходимые для соблюдения при установке. Приборы, предназначенные для установки в комплекте с другими приборами, и приборы, которые должны быть закреплены на монтажной стене, следует поставлять с инструкциями по обеспечению защиты от ударов электрическим током и влаги.
Если регуляторы нескольких приборов заключены в один блок, следует прилагать подробные инструкции по установке, а также инструкции по санитарной обработке, например по чистке прибора. В них должно быть указано, что запрещено выполнять чистку прибора струей воды.
Инструкции для приборов, постоянно подключенных к стационарной проводке, для которых ток утечки может превышать 10 мА, в частности в отсоединенном состоянии или после долгого простоя, а также во время первой установки, должны содержать рекомендации относительно класса защитных устройств, таких как устройство защитного отключения, которые необходимо установить.
Кроме того, в инструкциях для приборов с индукционными нагревательными элементами должно быть указано, что любые ремонтные работы должны выполнять специалисты, прошедшие обучение у изготовителя или рекомендованные им.
Соответствие данному требованию проверяют осмотром.
7.101 Клеммные колодки для эквипотенциальных соединений должны быть обозначены символом 5021 МЭК 60417-1.
Данные ярлыки нельзя помещать на винты, шайбы или другие части, которые могут быть сняты для подсоединения проводников.
Соответствие данному требованию проверяют осмотром.
7.102 Машины, в которых предусмотрено заполнение вручную или с помощью управляемого вручную крана, должны иметь обозначение указанного уровня.
Соответствие данному требованию проверяют осмотром.
8 Защита от контакта с частями, находящимися под напряжением
Применяют соответствующий раздел части 1.
9 Пуск электромеханических приборов
Применяют соответствующий раздел части 1 со следующими дополнениями.
9.101 В том случае, если отложенный старт может представлять опасность, пуск приборов с электроприводом следует выполнять в течение 3 с.
Двигатели вентиляторов, выполняющие функцию охлаждения в соответствии с требованиями
раздела 11, должны запускаться при любом напряжении, которое может возникнуть в ходе обычного использования.
Для проверки соответствия требованиям двигатель запускают три раза при напряжении, равном 0,85 номинального, при этом в начале испытания температура двигателя не должна превышать комнатную температуру.
Каждый раз двигатель запускают в условиях, присущих началу обычной работы прибора, для автоматизированных приборов - присущих началу обычного цикла работы. Между несколькими пусками двигателя необходимо сделать перерыв в течение 2 - 3 ч. Для приборов с электродвигателями, оснащенными нецентробежными пусковыми размыкателями, данное испытание проводят при напряжении, равном 1,06 номинального.
При любых обстоятельствах двигатель должен запускаться и работать без нарушений правил безопасности и использования устройств защиты от перегрузок.
Примечание - Источник питания должен быть выбран таким образом, чтобы перепад напряжения во время испытаний не превышал 1%.
10 Потребляемая мощность и ток
Применяют соответствующий раздел части 1 со следующими дополнениями.
10.1 Дополнение:
Примечание 101 - Общую потребляемую мощность приборов, имеющих более одного нагревательного блока, определяют поочередным измерением потребляемой мощности каждого отдельного нагревательного блока (см.
3.1.4).
Применяют соответствующий раздел части 1 со следующими изменениями.
11.2 Дополнение
Укрепляемые на полу приборы и приборы, не оснащенные колесиками, роликами или аналогичными средствами, масса которых превышает 40 кг, устанавливают в соответствии с инструкциями изготовителя. Если инструкции не были предоставлены, данные приборы считают приборами, помещаемыми на поверхность пола.
11.7 Замена:
Приборы работают до достижения установившегося режима.
Примечание 101 - Испытание может длиться на протяжении более одного цикла. При этом учитывают, стоит ли на приборе маркировка установленных положений "ВКЛ." и "ВЫКЛ.".
13 Ток утечки и электрическая прочность при рабочей температуре
Применяют соответствующий раздел части 1 со следующими изменениями.
13.2 Изменение
Значение тока утечки для стационарных приборов класса I изложить в новой редакции:
- для приборов без нагревательных элементов | - | 3,5 мА; |
- для приборов с нагревательными элементами подсоединяемых с помощью шнура и вилки | - | 1 мА на 1 кВт номинальной потребляемой мощности прибора, но не более 10 мА; |
- для остальных приборов с нагревательными элементами | - | 1 мА на 1 кВт номинальной потребляемой мощности прибора без ограничения максимального значения. |
14 Перенапряжения переходного процесса
Применяют соответствующий раздел части 1.
Применяют соответствующий раздел части 1 со следующими дополнениями.
15.1.1 Дополнение:
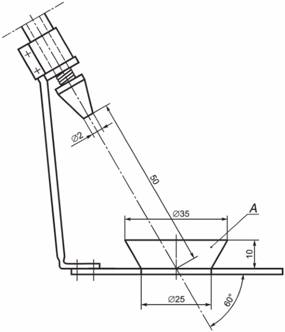
Приборы со степенями защиты IPX0, IPX1, IPX2, IPX3 и IPX4 подлежат прохождению теста на проливание жидкости, описанному ниже, в течение 5 мин.
Используют аппарат, приведенный на рисунке 101. Во время теста давление воды регулируют таким образом, чтобы брызги воды достигали высоты 150 мм над дном чаши. Для приборов, которые в обычных условиях используют на полу, чашу устанавливают на пол; для остальных приборов - на подставке на уровне 50 мм под нижним краем прибора, при этом чашу передвигают таким образом, чтобы вода попадала на прибор со всех сторон. Следят за тем, чтобы на прибор не попадала прямая струя воды.
A - Чаша
Рисунок 101 - Прибор для испытания действием струи
Изменение:
Третий абзац изложить в новой редакции:
Приборы, используемые в обычных условиях на столе, помещают на опору, размеры которой превышают размеры ортогональной проекции прибора на (15 + 5) см.
15.2 Замена
Приборы должны быть сконструированы так, чтобы при проливании жидкости во время нормальной эксплуатации электрическая изоляция приборов не повреждалась.
Соответствие данному требованию проверяют с помощью нижеописанного испытания.
К приборам с креплением шнура типа X, кроме приборов со специально подготовленным шнуром, подключают наиболее легкий, доступный тип гибкого кабеля или шнура с наименьшей площадью поперечного сечения, указанной в 26.6; другие приборы испытывают в состоянии поставки.
Съемные части удаляют или устанавливают в наиболее неблагоприятное положение.
Если имеются водоспуски, то их блокируют.
Резервуары приборов, рассчитанные на заполнение водой вручную, полностью заполняют водой, содержащей приблизительно 1% NaCl, и затем равномерно в течение 1 мин добавляют количество воды, равное 15% емкости резервуаров, но не более 10 л.
Машины, предназначенные для заполнения водой с помощью крана вручную или автоматически, подсоединяют к системе водоснабжения, обеспечивающей максимальное количество воды, предусмотренное изготовителем. Подачу воды оставляют полностью открытой и процесс наполнения продолжают в течение 1 мин после первого признака перелива воды или до срабатывания защитной системы, останавливающей поступление воды.
Машину с наполненным водой резервуаром включают в работу на 15 с при номинальном напряжении. Крышки находятся на своем месте или приподняты в наиболее неблагоприятном положении.
Сразу после этого прибор должен выдержать испытание на электрическую прочность изоляции по 16.3, при этом осмотром должно быть установлено отсутствие на изоляции следов воды, для которой расстояния путей утечки указаны в 29.
15.3 Дополнение
Примечание 101 - Если прибор поместить полностью во влажную камеру невозможно, его части, содержащие электрические компоненты, подлежат отдельному испытанию с учетом условий, возникающих в приборе.
15.101 Конструкцией приборов, снабженных краном для их заполнения или мойки, должно быть предусмотрено, чтобы вода из слива крана не попадала на токоведущие части, находящиеся под напряжением.
Соответствие этому требованию проверяют следующим испытанием:
- устройства, обеспечивающие подачу воды, должны быть полностью открыты в течение 1 мин при максимальном давлении воды, указанном изготовителем. Откидывающиеся и подвижные части, в том числе крышки, должны быть установлены в наименее благоприятное положение. Поворотные сливы кранов должны быть установлены так, чтобы струя воды была направлена непосредственно на те части, которые могут дать наиболее неблагоприятный результат при испытании. Сразу после этого прибор должен выдержать испытание на электрическую прочность изоляция в соответствии с 16.3.
16 Ток утечки и электрическая прочность
Применяют соответствующий раздел части 1 со следующими изменениями.
16.2 Изменение:
Значение тока утечки для стационарных приборов класса I изложить в новой редакции:
- для приборов без нагревательных элементов | - | 3,5 мА; |
- для приборов с нагревательными элементами подсоединяемых с помощью шнура и вилки | - | 1 мА на 1 кВт номинальной потребляемой мощности прибора, но не более 10 мА; |
- для остальных приборов с нагревательными элементами | - | 1 мА на 1 кВт номинальной потребляемой мощности прибора без ограничения максимального значения |
17 Защита от перегрузки трансформаторов и соединенных с ними цепей
Применяют соответствующий раздел части 1.
Применяют соответствующий раздел части 1.
19 Ненормальный режим работы
Применяют соответствующий раздел части 1 со следующими дополнениями.
19.1 Дополнение:
Независимо от руководства по эксплуатации регулировочному или переключающему устройству, предусмотренному для различных параметров, соответствующих различным функциям одной и той же детали прибора и отвечающих различным стандартам, устанавливают наиболее жесткие параметры.
19.2 Дополнение
Приборы работают в режиме нагрева на холостом ходу.
19.4 Дополнение
Примечание 101 - Главные контакты контактора, предназначенного для включения и отключения нагревательного элемента(ов) в условиях нормальной эксплуатации зафиксированы в положении "включено" ("ВКЛ."). Тем не менее если два контактора работают независимо друг от друга или если один контактор управляет двумя независимыми друг от друга комплектами главных контактов, данные контакты зафиксированы в положении "включено" ("ВКЛ.").
20 Устойчивость и механические опасности
Применяют соответствующий раздел части 1 со следующими дополнениями.
Дополнить после четвертого абзаца.
Крышки и другие подобные элементы, закрывающие опасные зоны, доступные для оператора, должны быть съемными только в том случае, если опасность будет исключена другими средствами.
Примечания
101 - Части, относительное перемещение которых друг от друга составляет не более 4 мм, нельзя считать опасными зонами в смысле возможности защемления (сдавливания) и срезания;
102 - Опасными, с точки зрения захвата, можно считать только зоны, в которых неогражденные движущиеся части перемещаются относительно неподвижных и/или движущихся частей.
Дополнить после первого абзаца.
Тем не менее, если не определено иное, испытание проводят с испытательным щупом B по IEC 61032, но имеющим некруглую стопорную пластину диаметром 56 мм, а расстояние между вершиной испытательного щупа и стопорной пластиной должно составлять 120 мм. Снимают защитное ограждение диаметром 75 мм. В случае, если отверстие не превышает 150 мм, испытательный щуп не вводят в отверстие при прямом расстоянии от вершины щупа, не превышающем 850 мм.
Примечание 103 - Не представляют опасности подвижные детали, до которых может дотронуться испытательный щуп через выходные отверстия, если у них гладкая поверхность или если они сконструированы таким образом, что опасность захвата или повреждения незначительна.
Для некоторых приборов полная проверка невыполнима, поэтому испытание с помощью испытательного щупа не проводят. Примерами данных машин являются:
- ручные машины;
- машины для нарезки ломтиков;
- консервооткрыватели;
- тестораскаточные машины;
- машины для нарезки лапши;
- просеивающие машины;
- картофелеочистительные машины (только выходные отверстия);
- пилы для костей (дисковые или ленточные);
- соковыжималки для цитрусовых;
- взбивалки для яиц, указанные как дополнительное оборудование;
- ножеточки.
Изменение:
Исключить примечание 1.
20.101 Если разблокировка запорных устройств может представлять опасность, то запорные устройства должны быть сконструированы таким образом, чтобы они не могли открыться случайно.
Соответствие требованию проверяют испытанием с помощью испытательного щупа B по IEC 61032. Щуп не должен открывать запорное устройство.
20.102 Крепежные устройства функциональных деталей, таких как сменные механизмы, не должны включаться в работу самопроизвольно. Должна быть предусмотрена защита оператора от случайного контакта с вращающимися деталями, которые могут представлять для него опасность, кроме находящихся в рабочей зоне.
Соответствие требованию проверяют испытанием с помощью испытательного щупа B по IEC 61032.
20.103 Наклоняющиеся при обычной работе машины или части машин не должны представлять опасности. Следует избегать случайного наклона даже при нарушении энергоснабжения, при этом между наклоненной деталью и прибором не должно быть зоны деформации, за исключением упора, где деталь наклонена полностью.
Соответствие требованию проверяют осмотром, неавтоматизированным испытанием и отключением электропитания от машины в любой момент во время наклона.
Примечание - Данное требование может быть выполнено одним из следующих способов:
- применением в машине выключателей, которые должны удерживаться во включенном состоянии вручную;
- ограничением предельной скорости перемещения (окружной скорости) до 50 мм/с;
- соответствующим ограждением опасных зон;
- размещением движущихся частей в зонах, безопасных для оператора, даже в случае его ошибочных действий.
Если машина или часть машины наклонена вручную, то только предусмотренные способы могут оказывать отрицательное влияние.
Соответствие требованию проверяют осмотром и испытанием вручную, усилие 340 Н прикладывают к любой точке на наклоненной части машины.
20.104 Перемещающиеся валки должны быть ограждены в тех зонах, где они могут создавать опасность захвата с помощью защитных экранов или невращающихся охватывающих щитков и/или решеток, если они не являются срабатывающими под нагрузкой при максимальном давлении 50 кПа с выключением при предельной нагрузке и если зазор между парой валков не менее 60 мм.
Соответствие требованию проверяют осмотром, измерением и испытанием вручную.
20.105 Выключатели должны быть расположены в удобном для руки оператора месте. Должна быть исключена возможность случайного включения пускового выключателя, если это может представлять опасность.
Соответствие требованию проверяют осмотром и приложением цилиндрического прутка диаметром 40 мм полусферическим концом к выключателю. Прибор не должен работать.
20.106 Устройства, такие как загрузочный лоток, держатель пищевых продуктов, фиксатор продукта и т.д., должны обеспечивать безопасную работу оператора в рабочей зоне.
Соответствие требованию проверяют осмотром, измерением и испытанием вручную.
Примечание - Данное требование может быть выполнено следующими способами:
- держатель пищевых продуктов перекрывает рабочую зону, крепится к загрузочному лотку и автоматически опускается при обратном ходе загрузочного лотка, и он не может быть перемещен более чем на 80 см относительно ножа;
- держатель пищевых продуктов перемещается автоматически к ножу и предусматривает защиту оператора от фиксатора продукта и защиту пальцев оператора от загрузочного лотка;
- в случае применения гравитационно-поворотного подающего устройства задняя стенка загрузочного лотка имеет высоту, равную диаметру ножа.
20.107 Необходимо предотвращать случайный контакт с механизмами приводного вала, соединенными со сменными механизмами, за исключением того случая, когда их ход возможен только после подсоединения сменных механизмов.
Соответствие требованию проверяют осмотром и испытанием вручную.
Примечание - Требование считают выполненным, например, если механизмы углублены в кожухи или выполнены с учетом безопасного контакта.
20.108 Циркулярные пилы должны быть снабжены ограждениями, которые позволяют открывать только участок, необходимый для работы, т.е. на толщину нарезаемого куска настолько, насколько это необходимо, и автоматически снова закрывают его, как только заканчивается цикл работы.
Соответствие требованию проверяют осмотром и испытанием вручную.
20.109 Лезвия ручных смесителей должны быть полностью ограждены сверху и во время вращения не должны контактировать с плоской поверхностью.
Соответствие требованию проверяют осмотром и приложением цилиндрического прутка диаметром (8,0 +/- 0,1) мм и неограниченной длины из положения между вертикалью и углом 45° к верхней стороне смешивающих лезвий.
20.110 Машины для мойки и сушки пищевых продуктов, имеющие вращающийся барабан, кинетическая энергия которого превышает 200 Дж, должны быть снабжены заблокированным ограждением, открытие которого не допускает запуска машины. Если ограждение открывается во время работы машины, барабан должен остановиться в течение 2 с.
Соответствие требованию проверяют осмотром, измерением и испытанием вручную. На машину без нагрузки подается номинальное напряжение.
20.111 Опасные подвижные части, которые становятся доступными после открытия ограждений или крышек, должны останавливаться в течение 2 с после того, как откроют или снимут ограждение или крышку. После закрытия повторный автоматический запуск машины возможен лишь в том случае, если это не представляет опасности.
Соответствие требованию проверяют работой машины без нагрузки на самой высокой скорости.
20.112 Приборы должны быть сконструированы таким образом, чтобы отсутствие или перемещение съемных частей в неправильное положение не представляло опасность.
Соответствие требованию проверяют осмотром, измерением и испытанием вручную.
20.113 Ручные взбивальные машины должны быть снабжены ограждением, препятствующим случайному соскальзыванию руки в механизм. Размеры данного ограждения должны превышать размеры зоны рукоятки не менее чем на 30 мм. Оно должно располагаться между зоной рукоятки и механизмом.
Соответствие требованию проверяют осмотром, измерением и испытанием вручную.
20.114 Смесители должны автоматически выключаться при поднятии верхней части на высоту 300 мм над опорной поверхностью, если в машину не встроен выключатель, позволяющий вручную удерживать машину включенной.
Соответствие требованию проверяют осмотром и измерением.
20.115 Разгрузка продуктов из картофелеочистительных машин должна быть безопасной.
Соответствие требованию проверяют осмотром и испытанием вручную.
Примечание - Данное требование, например, может быть выполнено, если:
- имеются соответствующие ограждения, препятствующие контакту (за исключением преднамеренного действия) с вращающимися пластинами, что могло бы привести к захвату или травме;
- для вращающихся дисков с режущими лезвиями использовать одну руку для удержания разгрузочной дверцы или крышки в открытом положении, а также если предусмотрена кнопка, которая помогает удерживать машину в работающем состоянии вручную для обеспечения разгрузки продуктов.
20.116 Машины для нарезки ломтиков должны быть устойчивыми во время работы.
Примечание 1 - Данное требование не применимо к закрепленным приборам.
Соответствие требованию проверяют следующим испытанием.
Машину для нарезки ломтиков устанавливают согласно руководству по эксплуатации на гладкой стеклянной пластине, расположенной на горизонтальной поверхности.
Примечание 2 - Скольжение по стеклянной поверхности предотвращают стопором.
Силу 50 Н прикладывают к прибору горизонтально в наиболее неблагоприятном направлении на 10 мм ниже верхней поверхности основания, по которому передвигается загрузочный лоток. Машина не должна передвигаться на стеклянной пластине.
Примечание 3 - Присоски являются подходящими устройствами для удержания приборов в определенном положении, и их снимают после эксплуатации.
20.117 Ножи машины для нарезки ломтиков должны быть надлежащим образом защищены.
Соответствие требованию проверяют осмотром, измерением и испытанием вручную.
Примечание - Альтернативное оборудование, обеспечивающее идентичную защиту или защиту уровнем выше, также допускается применять.
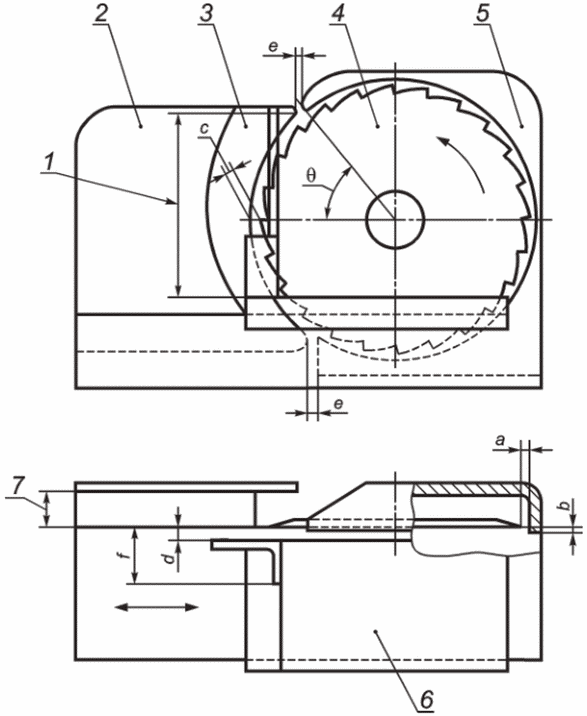
20.117.1 Машины для нарезки ломтиков должны иметь огражденный циркулярный нож с открытым сектором, по величине не превышающим требования по эксплуатации машины. Угол верхней части открытого сектора

(см.
рисунок 102) не должен превышать 60°.
Радиальное расстояние a между наружной окружностью лезвия ножа и защитным ограждением не должно превышать 6 мм, а защитное ограждение должно выступать не менее чем на 1 мм над лезвием ножа (см. расстояние b).
1 - полная высота открытой секции; 2 - пластина,
регулирующая толщину нарезки ломтиков; 3 - устройство
защиты большого пальца; 4 - нож; 5 - ограждение ножа;
6 - загрузочный лоток; 7 - толщина ломтиков
Рисунок 102 - Защитные устройства для машин
для нарезки ломтиков
20.117.2 Когда толщина нарезки ломтиков близка к нулю, расстояние c между наружной окружностью ножа и пластиной, регулирующей толщину нарезки ломтиков, не должно превышать 6 мм, а пластина, регулирующая толщину нарезки ломтиков, должна выступать не менее чем на 1 мм над лезвием ножа. В верхней и нижней точках открытого сектора расстояние e между пластиной, регулирующей толщину нарезки ломтиков, и защитным ограждением не должно превышать 5 мм.
Примечание 1 - Если отверстие защищено, расстояние e не регламентируется.
Если существует возможность для нарезки ломтиков толщиной менее 15 мм, применяют дополнительную защиту.
Примечание 2 - Примером дополнительных средств защиты может служить удлинение в верхней части пластины, регулирующей толщину нарезки ломтиков или удлинение защиты ножа.
Машины не нарезают ломтики более 40 мм.
Если машина оснащена держателем ломтиков, то она должна выступать не менее чем на 1 мм над лезвием ножа.
20.117.3 Машины для нарезки ломтиков должны иметь загрузочный лоток с устройством защиты большого пальца и держателем ломтиков. Защита большого пальца должна быть по всей высоте открытого рабочего сектора и должна быть сконструирована таким образом, чтобы другие пальцы рук находились на расстоянии не менее 30 мм от ножа (см. расстояние
f). Расстояние
d между пластиной, защищающей большой палец, и ножом не должно превышать 6 мм. В конце хода загрузочного лотка защита большого пальца должна выступать не менее чем на 10 мм над наружной окружностью ножа.
Примечание - К машинам для нарезки ломтиков с автоматической загрузкой применяют требование к ограждающей пластине.
Не требуется устройство защиты большого пальца, если держатель ломтиков предусматривает средства для фиксации продуктов. В данном случае:
- ручка загрузочного лотка защищена пластиной размером, не менее чем на 30 мм превышающим размер самой ручки;
- ручка фиксирующего устройства должна быть защищена или защитной пластиной, или держателем последнего ломтика размером, не менее чем на 50 мм превышающим размер самой ручки;
- снятие подающей каретки с держателя ломтиков должно быть невозможным. Допускается только поднятие или снятие держателя ломтиков, когда пластина, регулирующая толщину нарезки ломтиков, находится в нулевом положении. Невозможно изменение параметров при поднятом или снятом держателе ломтиков.
20.117.4 Затачивающие устройства, встроенные в прибор, должны быть сконструированы так, чтобы во время нормальной работы прибора защита обеспечивалась стационарным кожухом над ножом так же, как и защитным ограждением ножа.
При заточке открытая часть ножа не должна выступать более чем на 6 мм с каждой стороны точила.
У отдельных затачивающих устройств, закрепленных на машине, есть соответствующее ограждение для защиты выступающих частей ножа. Зазор между точилом и ограждением не должен превышать 6 мм.
Конструкция обоих встроенных и отдельных затачивающих устройств не должна позволять затачивать нож, если зазор между точилом и ограждением превышает 6 мм.
20.117.5 Толкатели машин для нарезки ломтиков должны закрывать выступающий режущий сектор ножа или у них должны быть предусмотрены ручки с защитной пластиной, которые всегда находятся на расстоянии не менее 150 мм от ножа.
Толкатель может оставаться в верхнем положении, когда расстояние между толкателем и ножом не менее 60 мм. Рукоятка толкателя не должна сниматься или поворачиваться вне загрузочного лотка.
20.117.6 Размер ручки ручной подающей каретки - согласно
20.117.3 или
20.117.5. После поднятия подающей каретки для чистки она должна вернуться в обычное рабочее положение после освобождения.
20.117.7 На машинах для нарезки ломтиков с автоматической подачей продукта и без пластины, регулирующей толщину нарезки ломтиков, должна быть установлена защитная пластина, закрывающая выступающий режущий сектор ножа и выступающая не менее чем на 10 мм над передним ходом держателя ломтиков. Защитная пластина не должна сниматься с ножа на толщину, превышающую максимальную толщину ломтика плюс 3 мм. Требования к пластине, регулирующей толщину нарезки ломтиков, также применимы к защитным пластинам.
20.117.8 Машины для нарезки ломтиков с загрузочным лотком с электроприводом должны быть сконструированы таким образом, чтобы зазоры между подвижными деталями и другими деталями не представляли опасности захвата или травмирования оператора.
20.118 Разгрузочные отверстия мясорубок должны быть защищены соответствующим образом.
Соответствие требованию проверяют осмотром и испытанием для загрузочных и разгрузочных отверстий с помощью испытательного пальца, как описано в 20.2. Испытание прибора проводят с помощью защитного диска с отверстиями в положении, как при нормальной эксплуатации, даже если диск съемный. Испытательный палец не должен касаться опасных деталей.
20.119 Скорость вращения ножеточек не должна превышать 200 об/мин.
Соответствие требованию проверяют измерением.
20.120 Опасные подвижные детали ленточных пил для костей должны быть надлежащим образом защищены. Применяют требования
20.111.
Для прибора с высотой среза, не превышающей 250 мм, должна быть предусмотрена несъемная пластина, регулирующая толщину нарезки ломтиков высотой не менее 100 мм, и шарнирный толкатель, обеспечивающий защиту всей рабочей зоны и автоматически возвращающийся после отпускания в исходное положение. Замена ножа должна быть возможна и без удаления толкателя.
Для прибора с высотой среза, превышающей 250 мм, должна быть предусмотрена пластина, регулирующая толщину нарезки ломтиков высотой не менее 100 мм, и держатель последнего ломтика, минимальная высота которого составляет 150 мм. Машины должны быть оборудованы регулируемым ограждением ножа, защищающим не используемые для нарезания части ножа. Опускание ограждения ножа должно быть на расстояние не менее 105 мм от пластины. Замена ножа возможна и без удаления ограждения ножа.
Если машина оборудована загрузочным лотком, ее задняя кромка должна быть высотой не менее 60 мм и оснащена устройством защиты пальцев не менее 100 мм высотой и 50 мм шириной. Устройство защиты пальцев должно выступать не менее чем на 10 мм над ножом в конце переднего хода загрузочного лотка. Кроме того, применимы и другие требования в отношении приборов с высотой среза, не превышающей 250 мм.
Соответствие требованию проверяют осмотром, измерением и испытанием вручную.
Примечание - Требования могут быть выполнены альтернативными средствами с той же степенью защиты.
21 Механическая прочность
Применяют соответствующий раздел части 1 со следующими дополнениями.
Дополнение:
Настоящее испытание проводят также на съемных частях, необходимых для защиты от механических опасностей.
21.101 Съемные и несъемные части, необходимые для защиты от механических опасностей, должны обладать соответствующей устойчивостью к деформации.
Соответствие требованию проверяют прикладыванием силы 50 Н к частям в наиболее неблагоприятном направлении. Испытание повторяют три раза. Согласно настоящему стандарту после испытания не должно быть повреждений на защитных ограждениях; в частности, ограждения, обеспечивающие защиту лезвий и режущих ножей, не должны быть деформированы или искривлены (см. 20.2).
Применяют соответствующий раздел части 1 со следующими дополнениями.
22.101 Для трехфазных приборов термоограничители, защищающие электрические цепи с нагревательными элементами, кроме двигателей, неожиданный пуск которых может стать причиной опасной ситуации, должны быть без самовозврата автоматически выключающегося типа, а также должны обеспечивать отключение всех полюсов соответствующих цепей питания.
Для однофазных приборов и для однофазных нагревательных элементов и/или двигателей, имеющих соединение между одной фазой и нейтральным проводом или между фазой и фазой, термоограничители, защищающие электрические цепи с нагревательными элементами, кроме двигателей, неожиданный пуск которых может стать причиной опасной ситуации, должны быть без самовозврата автоматически выключающегося типа, а также должны обеспечивать отключение как минимум одного полюса.
Если доступ к термоограничителю без самовозврата обеспечивается только после извлечения компонентов прибора с помощью инструмента, предохранитель с механизмом свободного расцепления не требуется.
Примечание 1 - Термоограничители с механизмом свободного расцепления работают автоматически с помощью элемента привода, необходимого для возврата в исходное положение. Благодаря своей конструкции автоматическое срабатывание не зависит от работы или позиции механизма возврата в исходное положение.
Термоограничители в виде корпуса с капиллярной трубкой, работающие во время испытаний по
разделу 19, должны быть такими, чтобы повреждение капиллярной трубки не повлияло на соответствие требованиям 19.13.
Соответствие данному требованию проверяют осмотром, испытанием вручную и посредством повреждения капиллярной трубки.
Примечание 2 - Повреждение капиллярной трубки не должно вызывать ее закупоривание.
22.102 Световые индикаторы, выключатели или нажимные кнопки должны быть выкрашены только в красный цвет для обозначения опасности, тревоги или аналогичных ситуаций. Соответствие данному требованию проверяют осмотром.
22.103 Сливные краны и другие разгрузочные устройства для горячей жидкости должны быть сконструированы таким образом, чтобы их нельзя было открыть непреднамеренно. Кроме того, должно быть невозможным непреднамеренное поднятие сливной пробки.
Соответствие данному требованию проверяют осмотром и испытанием вручную.
Примечание - Данное требование может быть выполнено, например, если ручка крана после отпускания возвращается в закрытое положение автоматически или если она в виде колеса, или расположена в углублении.
22.104 Устройство для слива жидкости из машины должно иметь конструкцию, исключающую повреждение электрической изоляции при сливе.
Соответствие данному требованию проверяют осмотром и испытанием вручную.
22.105 Дополнительные устройства, требующие электропитания, должны получать его от машины.
Соответствие данному требованию проверяют осмотром.
22.106 Конструкцией приборов должно быть предусмотрено исключение контакта смазки, абразивов и других подобных веществ с ингредиентами.
Соответствие данному требованию проверяют осмотром.
22.107 Переносные приборы не должны иметь отверстий на нижней части, через которые могут проникать маленькие предметы, входящие в контакт с токоведущими частями.
Соответствие данному требованию проверяют осмотром и измерением расстояния между опорной поверхностью и токоведущими частями через отверстия. Данное расстояние должно быть не менее 6 мм. Тем не менее, если прибор поставляют с ножками, данное расстояние должно составлять не менее 10 мм, если прибор предназначен для установки на стол, и не менее 20 мм, если прибор предназначен для установки на пол.
22.108 Уровень, до которого должна быть наполнена машина, наполняемая вручную, должен быть легко видим при наполнении.
Соответствие данному требованию проверяют осмотром.
22.109 Приборы должны быть сконструированы так, чтобы предотвратить попадание пищи или жидкости в места, где это может вызывать электрические или механические неисправности.
Соответствие данному требованию проверяют осмотром.
22.110 Выключатели в положении "выключено" ("ВЫКЛ.") должны разъединять электронные цепи.
Соответствие данному требованию проверяют осмотром.
22.111 После восстановления электропитания в связи с кратковременным отключением машина не должна запускаться повторно автоматически, если повторный запуск может представлять, например, механическую (подвижные детали) или термическую (горячие части или жидкости) опасность.
Соответствие данному требованию проверяют следующим испытанием. Прибор работает при номинальном напряжении и в соответствии с руководством по эксплуатации.
В любое время при рабочем цикле отключается электропитание, а подвижные детали останавливаются.
Затем возобновляют электропитание.
22.112 Приборы должны быть оснащены кнопками включения и выключения. Кнопка выключения должна легко срабатывать и блокировать кнопку включения при одновременном нажатии.
Соответствие данному требованию проверяют осмотром и испытанием вручную.
Примечание - Примером легко срабатывающей кнопки выключения является выступающий кнопочный переключатель.
22.113 На закрепленных приборах, оснащенных барабанами или подобными устройствами, должно быть установлено устройство блокировки.
Соответствие данному требованию проверяют осмотром и следующим испытанием.
Полностью загруженный в соответствии с инструкциями изготовителя прибор ставят на плоскую поверхность, расположенную под углом 10° к горизонтали с применением блокирующего устройства. Прибор не должен передвигаться более чем на 100 мм.
Применяют соответствующий раздел части 1 со следующими дополнениями.
23.3 Дополнение:
Когда капиллярная трубка терморегулятора должна быть изогнута в условиях обычной эксплуатации:
- применяют часть 1, если капиллярную трубку используют в качестве части внутренней проводки;
- ее изгибают 1000 раз с периодичностью не более 30 раз в минуту, если капиллярную трубку используют отдельно.
Примечание 101 - Если в любом из вышеуказанных случаев двигать подвижную деталь прибора с заданной частотой (например, из-за тяжелой массы детали) не представляется возможным, частоту сгибания можно сократить.
После испытания на капиллярной трубке должны отсутствовать любые признаки повреждений в соответствии с требованиями настоящего стандарта, а также любые повреждения, которые могут ухудшать ее эксплуатационные характеристики в будущем.
Однако, если в случае появления излома капиллярной трубки прибор отключается (предохранительное устройство), отдельные капиллярные трубки не подлежат испытаниям, а трубки, используемые в качестве части внутренней проводки, не подлежат осмотру на соответствие требованиям.
В данном случае соответствие требованию проверяют повреждением капиллярной трубки.
Примечание 102 - Повреждение капиллярной трубки не должно вызывать ее закупоривание.
Применяют соответствующий раздел части 1 со следующим изменением.
24.1.3 Изменение:
Число рабочих циклов выключателей изложить в новой редакции:
Выключатели, работающие каждый рабочий цикл прибора, испытывают в течение 50 000 рабочих циклов. Остальные выключатели испытывают в течение 10 000 рабочих циклов. Вместо указанной нормы загрузки мощности выключатели испытывают на норму загрузки в минуту.
24.4 Дополнение:
Розетки для подключения к сети сменных механизмов должны иметь защиту от короткого замыкания и/или перегрузки.
25 Присоединение к источнику питания и внешние гибкие шнуры
Применяют соответствующий раздел части 1 со следующими изменениями.
25.1 Дополнение:
Приборы не должны быть оснащены приборным вводом.
25.3 Дополнение:
Закрепленные приборы и приборы с массой более 40 кг и не оснащенные роликами, колесами или подобными средствами должны быть сконструированы таким образом, чтобы шнур питания мог быть подключен после того, как прибор будет установлен в соответствии с инструкциями изготовителя.
Разъемы для постоянного подключения кабелей к стационарной проводке могут также подходить для шнуров питания с креплением типа X. В этом случае разделка шнура, соответствующая 25.16, должна соответствовать прибору.
Если прибор оснащен набором разъемов для присоединения гибкого шнура, они должны подходить для шнуров с креплением типа X.
В обоих случаях инструкции должны иметь подробности о шнуре питания.
Соответствие требованию проверяют осмотром.
25.7 Изменение:
Вместо указанных типов шнуров питания следует применять:
Шнуры питания должны быть маслостойкими в полихлоропреновой оболочке и не должны быть легче, чем обычный полихлоропреновый или другой шнур в соответствующей синтетической эластичной оболочке (условное обозначение 57 по IEC 60245).
26 Зажимы для внешних проводов
Применяют соответствующий раздел части 1.
27 Средства для заземления
Применяют соответствующий раздел части 1 со следующими дополнениями.
27.2 Дополнение:
Стационарные приборы должны быть оснащены разъемом для присоединения внешних проводов, предназначенных для выравнивания потенциала. Этот разъем должен быть в надежном электрическом контакте со всеми установленными незащищенными металлическими частями прибора и должен обеспечить возможность присоединения проводника, имеющего номинальную площадь поперечного сечения до 10 мм2. Он должен быть расположен в месте, удобном для присоединения крепления провода после установки прибора.
Примечание 101 - Небольшие закрепленные незащищенные металлические части, например таблички с заводским знаком и т.п., не требуют электрического контакта с разъемом.
Применяют соответствующий раздел части 1.
29 Зазоры, пути утечки и сплошная изоляция
Применяют соответствующий раздел части 1 со следующим дополнением.
29.2 Дополнение:
Микросреда характеризуется степенью загрязнения 3 и изоляция должна иметь сравнительный индекс трекингостойкости (СИТ) не менее 250, если изоляция не защищена или расположена так, что обеспечивается защита от загрязнения при нормальном использовании прибора.
30 Теплостойкость и огнестойкость
Применяют соответствующий раздел части 1 со следующим изменениями.
30.2.1 Изменение:
Испытание раскаленной проволокой проводят при температуре 650 °C.
30.2.2 Не применяют.
Применяют соответствующий раздел части 1.
32 Радиация, токсичность и подобные опасности
Применяют соответствующий раздел части 1.
Применяют соответствующие приложения части 1 со следующими дополнениями.
(обязательное)
ИСПЫТАНИЕ НА ТРЕКИНГОСТОЙКОСТЬ
6.3 Дополнение:
Список указанных напряжений дополнить 250 В.
Применяют соответствующий раздел части 1.
УДК 641.5.06 | | IDT |
Ключевые слова: безопасность, электрические кухонные машины, предприятия общественного питания, требования, методы испытаний |