Главная // Актуальные документы // Актуальные документы (обновление 2025.03.29-2025.04.26) // СправочникСПРАВКА
Источник публикации
М.: НИЦ "Охрана" ВНИИПО МВД России, 1997
Примечание к документу
Название документа
"Справочник инженерно-технических работников и электромонтеров технических средств охранно-пожарной сигнализации"
(утв. ГУВО МВД России 24.12.1996)
"Справочник инженерно-технических работников и электромонтеров технических средств охранно-пожарной сигнализации"
(утв. ГУВО МВД России 24.12.1996)
ГУВО МВД России
24 декабря 1996 года
СПРАВОЧНИК
ИНЖЕНЕРНО-ТЕХНИЧЕСКИХ РАБОТНИКОВ И ЭЛЕКТРОМОНТЕРОВ
ТЕХНИЧЕСКИХ СРЕДСТВ ОХРАННО-ПОЖАРНОЙ СИГНАЛИЗАЦИИ
В справочнике приведены краткие сведения о технических средствах охранно-пожарной сигнализации, видеоконтроля и контроля доступа, их классификация, тактико-технические характеристики, типовые варианты применения, особенности монтажа и эксплуатации, даны сведения о проводах и кабелях, применяемых при монтаже и эксплуатации этих систем, приведены требования нормативных и руководящих документов по этим вопросам, освещены вопросы техники безопасности.
Справочник предназначен для инженерно-технических работников и электромонтеров вневедомственной охраны, занимающихся вопросами оборудования объектов техническими средствами охранно-пожарной сигнализации, видеоконтроля и контроля доступа и их эксплуатацией.
Справочник разработан сотрудниками НИЦ "Охрана" ВНИИПО МВД России Котовым Н.Н., Савчук Л.И., Тюриным Е.П., при участии Арлащенкова Ю.П., под руководством Синилова В.Г.
Цель настоящего справочника - дать пользователю основные сведения о технических средствах сигнализации, системах видеоконтроля и контроля доступа, ознакомить с правилами производства монтажных работ и правилами техники безопасности.
В справочнике приведены характеристики технических средств охранной и охранно-пожарной сигнализации, разрешенных к применению, и технических средств пожарной сигнализации, рекомендованных к применению в настоящее время ГУВО МВД России, а также технических средств охраны наиболее широко применяемых ранее. Приведены диаграммы зон обнаружения извещателей, схемы внешних подключений. Даны типовые варианты блокировки помещений, строительных конструкций и отдельных предметов.
Справочник предназначен для инженерно-технических работников и электромонтеров охранно-пожарной сигнализации.
2.1 Термины и определения
Охранно-пожарная сигнализация (ОПС) - это получение, обработка, передача и представление в заданном виде потребителям информации о проникновении на охраняемые объекты и пожаре на них с помощью технических средств. Потребителем информации является персонал, на который возложены функции реагирования на тревожные и служебные извещения, поступающие с охраняемых объектов.
Извещением в технике ОПС называется сообщение, несущее информацию о контролируемых изменениях состояния охраняемого объекта или технического средства ОПС и передаваемое с помощью электромагнитных, электрических, световых и (или) звуковых сигналов. Извещения делятся на тревожные и служебные. Тревожное извещение содержит информацию о проникновении или пожаре, служебное - о "взятии" под охрану, "снятии" с охраны, неисправности аппаратуры и др.
Охраняемым объектом (ОО) называется отдельное помещение, содержащее материальные или другие ценности, оборудованное техническими средствами ОПС, или комплекс помещений, рассредоточенных в пределах одного или нескольких зданий, объединенных общей территорией и охраняемых подразделениями охраны.
Места возможного проникновения на ОО или отдельные охраняемые зоны оборудуются различными извещателями, которые включаются в шлейф сигнализации.
Охраняемая зона - это часть охраняемого объекта, контролируемая одним шлейфом ОПС или их совокупностью.
Комплекс охранно-пожарной сигнализации - это совокупность совместно действующих технических средств охранной, пожарной и (или) охранно-пожарной сигнализации, установленных на охраняемом объекте и объединенных системой инженерных сетей и коммуникаций.
Извещатель охранный (пожарный) - техническое средство ОПС для обнаружения проникновения (пожара), попытке проникновения или физического воздействия, превышающего нормированный уровень, и формирования извещения о проникновении (пожаре). В охранно-пожарном извещателе совмещены охранная и пожарная функции.
Шлейф охранной (пожарной, охранно-пожарной) сигнализации - это электрическая цепь, соединяющая выходные цепи охранных (пожарных, охранно-пожарных) извещателей, включающая вспомогательные (выносные) элементы (диоды, резисторы, конденсаторы и т.п.) и соединительные провода, предназначенные для передачи на прибор приемно-контрольный извещений о проникновении, попытке проникновения (пожаре) и неисправности, а в некоторых случаях и для подачи электропитания на извещатели.
Прибор приемно-контрольный (ППК) - это техническое средство охранно-пожарной сигнализации для приема извещений от извещателей (шлейфов сигнализации) или других ППК, преобразования сигналов, выдачи извещений для непосредственного восприятия человеком, дальнейшей передачи извещений и выдачи команд на включение оповещателей.
К выходу ППК в зависимости от системы охраны, в которую входит комплекс ОПС, может подключаться другой ППК (в случае автономной охраны при наличии пункта автономной охраны) или объектовое устройство оконечное (в случае централизованной охраны).
Охранно-пожарный оповещатель - это техническое средство ОПС, предназначенное для оповещения людей о проникновении, попытке проникновения и (или) пожаре.
Система автономной охраны состоит из комплексов ОПС с выходом на оповещатели и (или) другой ППК, устанавливаемый в пункте автономной охраны.
Пункт автономной охраны (ПАО) - это пункт, расположенный на охраняемом объекте или в непосредственной близости от него, обслуживаемый службой охраны объекта и оборудованный техническими средствами отображения информации о проникновении и (или) пожаре в каждом из контролируемых помещений (зон) объекта для непосредственного восприятия человеком.
Система передачи извещений (СПИ) - это совокупность совместно действующих технических средств для передачи по каналам связи и приема в пункте централизованной охраны извещений о проникновении на охраняемые объекты и (или) пожаре на них, служебных и контрольно-диагностических извещений, а также для передачи и приема команд телеуправления (при наличии обратного канала).
СПИ предусматривает установку устройств оконечных (УО) на объектах, ретрансляторов (Р) на кроссах АТС, в жилых домах и других промежуточных пунктах и пультов централизованного наблюдения (ПЦН) в пунктах централизованной охраны.
УО, Р, ПЦН являются составными частями СПИ. УО устанавливается на охраняемом объекте для приема извещений от ППК.
Пункт централизованной охраны (ПЦО) - это диспетчерский пункт централизованной охраны ряда рассредоточенных объектов от проникновения и пожара с использованием СПИ.
В зависимости от характеристик ОО (протяженность, количество помещений, этажность и т.п.) и величины материальных ценностей, размещенных на объекте, его охрана может быть реализована посредством одного или нескольких шлейфов сигнализации. В том случае, если структура охраны объекта включает несколько шлейфов, размещенных таким образом, что при проникновении на ОО нарушителя и движении к материальным ценностям, ему необходимо преодолеть несколько охраняемых зон, контролируемых различными шлейфами с выходами на отдельные номера ПЦН, охрану следует рассматривать как многорубежную. Таким образом, шлейф или совокупность шлейфов, контролирующих охраняемые зоны на пути движения нарушителя к материальным ценностям ОО и имеющих выход на отдельный номер ПЦН, называется рубежом сигнализации, а совокупность охраняемых зон, контролируемых рубежом сигнализации, представляет собой рубеж охраны.
В настоящем справочнике приняты следующие условные сокращения:
ОС - охранная сигнализация
ПС - пожарная сигнализация
ОО - охраняемый объект
ТС - технические средства
УО - устройство оконечное
Р - ретранслятор
ШС - шлейф сигнализации
ТСВ - телевизионная система видеоконтроля
КС - коробка соединительная
ОПС - охранно-пожарная сигнализация
ППК - прибор приемно-контрольный
ПЦО - пункт централизованной охраны
СПИ - система передачи извещений
ПАО - пункт автономной охраны
ПЦН - пульт централизованного наблюдения
СКД - система контроля доступа
ТВЛ - телевизионные линии
УС - устройство соединительное
2.3 Классификация технических средств сигнализации
Технические средства охранной и охранно-пожарной сигнализации, предназначенные для получения информации о состоянии контролируемых параметров на охраняемом объекте, приема, преобразования, передачи, хранения, отображения этой информации в виде звуковой и световой сигнализации, в соответствии с ОСТ 25 829-78 классифицируется по двум признакам: области применения и функциональному назначению.
По области применения ТС делятся на охранные, пожарные и охранно-пожарные; по функциональному назначению - на технические средства обнаружения (извещатели), предназначенные для получения информации о состоянии контролируемых параметров и ТС оповещения, предназначенные для приема, преобразования, передачи, хранения, обработки и отображения информации (СПИ, ППК и оповещатели).
2.3.1 Классификация охранных и охранно-пожарных извещателей
В соответствии с
ГОСТ 26342-84 охранно-пожарные извещатели классифицируются по следующим параметрам.
По назначению для закрытых помещений, для открытых площадок и периметров объектов.
По виду зоны, контролируемой извещателем: точечные, линейные, поверхностные, объемные.
По принципу действия охранные извещатели подразделяются на: омические, магнитоконтактные, ударноконтактные, пьезоэлектрические, емкостные, ультразвуковые, оптико-электронные, радиоволновые, комбинированные.
По количеству зон обнаружения: однозонные, многозонные.
По дальности действия ультразвуковые, оптико-электронные и радиоволновые охранные извещатели для закрытых помещений подразделяются на: малой дальности - до 12 м, средней дальности - от 12 до 30 м, большой дальности - свыше 30 м.
По дальности действия оптико-электронные и радиоволновые охранные извещатели для открытых площадок и периметров объектов подразделяются на: малой дальности - до 50 м, средней дальности - от 50 до 200 м, большой дальности - свыше 200 м.
По конструктивному исполнению ультразвуковые, оптико-электронные и радиоволновые охранные извещатели подразделяются на: однопозиционные - передатчик (излучатель) и приемник совмещены в одном блоке (может быть несколько передатчиков и приемников в одном блоке); двухпозиционные - передатчик (излучатель) и приемник выполнены в виде отдельных блоков; многопозиционные - более двух блоков в любой комбинации.
По способу электропитания подразделяются на: токонепотребляющие (используется "сухой" контакт); питающиеся от ШС, от внутреннего автономного источника питания, от внешнего источника постоянного тока напряжением 12 - 24 В, от сети переменного тока напряжением 220 В.
Охранно-пожарные извещатели по принципу действия подразделяются на: магнитоконтактные, ультразвуковые и оптико-электронные. По количеству зон обнаружения, дальности действия и конструктивному исполнению охранно-пожарные извещатели классифицируются аналогично охранным извещателям.
2.3.2 Классификация приборов приемно-контрольных
По информативной емкости (количеству контролируемых шлейфов сигнализации) ППК подразделяются на: малой информативной емкости - до 5 ШС, средней информационной емкости - от 6 до 50 ШС, большой информационной емкости - свыше 50 ШС.
По информативности ППК подразделяются на: малой информативности - до 2 видов извещений, средней информативности - от 3 до 5 видов извещений.
2.3.3 Классификация оповещателей
По характеру выдаваемых сигналов оповещатели подразделяются на: световые, звуковые.
По исполнению оповещатели подразделяются: для использования в помещениях, для использования на открытом воздухе.
2.4 Обозначения условные графические элементов ОС, ПС и ОПС
| - | Извещатель пожарный автоматический тепловой |
| - | Извещатель пожарный автоматический |
| - | Извещатель пожарный автоматический пламени |
| - | Извещатель пожарный ручной |
| - | Извещатель охранный автоматический |
| - | Извещатель охранный тревожный ручной/ножной |
| - | Извещатель охранно-пожарный автоматический |
| - | Оповещатель охранный |
| - | Прибор приемно-контрольный (прибор управления) |
| - | Извещатель омический (провод, фольга) |
| - | Выключатель конечный на воротах, дверях, люках |
| - | Антенна охранного извещателя |
| - | Шифрустройство |
| - | Световозвращатель |
| - | Устройство оконечное |
| - | Ретранслятор |
| - | Пульт централизованного наблюдения |
| - | Устройство уплотнения телефонных линий |
| - | Камера передающая телевизионной установки с поворотным устройством |
| - | Камера передающая телевизионной установки без поворотного устройства |
| - | Устройство видеоконтрольное прикладных телевизионных установок |
| - | Промежуточно-исполнительный орган |
| - | Исполнительный блок регулятора-сигнализатора |
Примечание. Графическое обозначение извещателей оптико-электронного, радиоволнового, ультразвукового вычерчивать вершиной треугольника в направлении зоны его действия.
2.5 Нормативно-техническая документация
При обследовании, проектировании, монтаже, пуско-наладочных работах, сдаче в эксплуатацию, эксплуатации и техническом надзоре систем и комплексов ОПС следует руководствоваться следующими нормативно-техническими документами:
ГОСТ Р 50775-95 (МЭК 839-1-1-88) Системы тревожной сигнализации. Часть 1. Общие требования. Раздел 1. Общие положения.
| | ИС МЕГАНОРМ: примечание. В официальном тексте документа, видимо, допущена опечатка: стандарт "Системы тревожной сигнализации. Часть 1. Общие требования. Раздел 4. Руководство по проектированию, монтажу и техническому обслуживанию" имеет номер ГОСТ Р 50776-95, а не ГОСТ 50776-95. | |
ГОСТ 50776-95 (МЭК 839-1-4-89) Системы тревожной сигнализации. Часть 1. Общие требования. Раздел 4. Руководство по проектированию, монтажу и техническому обслуживанию.
СНиП 1.02.01-85 Инструкция о составе, порядке разработки, согласования и утверждения проектно-сметной документации на строительство предприятий, зданий и сооружений.
СНиП 1.06.05-85 Положение об авторском надзоре проектных организаций за строительством предприятий, зданий и сооружений.
Временное положение о приемке законченных строительством объектов на территории Российской Федерации (взамен
СНиП 3.01.04-87), одобренное коллегией Минстроя России (Протокол от 10.06.92 N 10).
РД 25.952-90 Руководящий документ. Системы автоматические пожаротушения, пожарной, охранной и охранно-пожарной сигнализации. Порядок разработки задания на проектирование.
РД 25.953-90 Руководящий документ. Системы автоматические пожаротушения, пожарной, охранной и охранно-пожарной сигнализации. Обозначения условные графические элементов системы.
РД 78.143-92 Руководящий нормативный документ. Системы и комплексы охранной сигнализации. Элементы технической укрепленности объектов. Нормы проектирования.
РД 78.145-93 Руководящий документ. Системы и комплексы охранной, пожарной и охранно-пожарной сигнализации. Правила производства и приемки работ.
РД 78.146-93 Руководящий документ. Инструкция о техническом надзоре за выполнением проектных и монтажных работ по оборудованию объектов средствами охранной сигнализации.
РД 78.147-93 Руководящий документ. Единые требования по технической укрепленности и оборудованию сигнализацией охраняемых объектов.
РД 78.148-94 Руководящий документ. Защитное остекление. Классификация, методы испытаний, применение.
ВНП-001-95 Ведомственные нормы проектирования. Здания учреждений Центрального банка Российской Федерации.
Требования к оборудованию учреждений Центрального банка Российской Федерации инженерно-техническими средствами охраны.
Инструкция по организации охраны учреждений Сберегательного банка Российской Федерации. N 6Р от 21.09.92.
Типовые требования по технической укрепленности и оборудованию сигнализацией учреждений культуры, расположенных в зданиях, не являющихся историческими и архитектурными памятниками.
Рекомендации по оборудованию церквей современными техническими средствами охранной сигнализации.
Рекомендации по выбору и применению современных технических средств охранно-пожарной сигнализации на объектах народного хозяйства.
Рекомендации по выбору и применению телевизионных систем видеоконтроля.
Рекомендации по комплексному оборудованию банков, пунктов обмена валюты, оружейных и ювелирных магазинов, коммерческих и других фирм и организаций техническими средствами охраны, видеоконтроля и инженерной защиты. Типовые варианты.
Приказ МВД России от 31.01.94 г. N 35 Об утверждении нормативных актов по технической эксплуатации средств охранно-пожарной сигнализации подразделениями вневедомственной охраны при органах внутренних дел Российской Федерации.
Руководство по техническому обслуживанию установок охранно-пожарной сигнализации.
Перечни технических средств охранной и охранно-пожарной сигнализации, разрешенных к применению, и технических средств пожарной сигнализации и других средств безопасности, рекомендованных к применению, на объектах различной формы собственности на территории России.
Правила устройства электроустановок (ПУЭ).
Технические описания и инструкции по эксплуатации приборов ОПС.
3.1 Виды помех и их возможные источники
Извещатели в процессе эксплуатации подвергаются воздействию различных мешающих факторов, среди которых основными являются: акустические помехи и шумы, вибрации строительных конструкций, движение воздуха, электромагнитные помехи, изменения температуры и влажности окружающей среды, техническая неукрепленность охраняемого объекта.
Степень воздействия помех зависит от их мощности, а также от принципа действия извещателя.
Акустические помехи и шумы создаются промышленными установками, транспортными средствами, бытовой радиоаппаратурой, грозовыми разрядами и другими источниками. Примеры акустических помех приведены в
таблице 3.1.
Таблица 3.1
Примеры источников акустических помех
Сила звука, дБ | Примеры звуков указанной силы |
0 | Предел чувствительности человеческого уха |
10 | Шорох листьев. Слабый шепот на расстоянии 1 м |
20 | Тихий сад |
30 | Тихая комната. Средний уровень шума в зрительном зале |
40 | Негромкая музыка. Шум в жилом помещении |
50 | Слабая работа громкоговорителя. Шум в учреждении с открытыми окнами |
60 | Громкий радиоприемник. Шум в магазине. Средний уровень разговорной речи на расстоянии 1 м |
70 | Шум мотора грузового автомобиля. Шум внутри трамвая |
80 | Шумная улица. Машинописное бюро |
90 | Автомобильный гудок |
100 | Автомобильная сирена. Отбойный молоток |
120 | Сильные удары грома. Реактивный двигатель |
130 | Болевой предел. Звук уже не слышен |
Этот вид помех вызывает появление неоднородностей воздушной среды, колебания не жестко закрепленных остекленных конструкций и может служить причиной ложных срабатываний ультразвуковых, звуковых, ударноконтактных и пьезоэлектрических извещателей. Кроме того, на работу ультразвуковых извещателей оказывают влияние высокочастотные составляющие акустических шумов.
Вибрации строительных конструкций вызываются железнодорожными составами и поездами метрополитена, мощными компрессорными установками и т.п. Особенно чувствительны к вибрационным помехам ударноконтактные и пьезоэлектрические извещатели, поэтому на объектах, подверженных таким помехам, эти извещатели применять не рекомендуется.
Движение воздуха в охраняемой зоне вызывается, в основном, тепловыми потоками вблизи отопительных устройств, сквозняками, вентиляторами и т.п. Наиболее подвержены влиянию воздушных потоков ультразвуковые и пассивные оптико-электронные извещатели. Поэтому эти извещатели не следует устанавливать в местах с заметным движением воздуха (в оконных проемах, около батарей центрального отопления, около вентиляционных отверстий и т.п.).
Электромагнитные помехи создаются грозовыми разрядами, мощными радиопередающими средствами, высоковольтными линиями электропередач, распределительными сетями электропитания, контактными сетями электротранспорта, установками для научных исследований, технологических целей и т.п.
Наиболее подвержены воздействию электромагнитных помех радиоволновые извещатели. Причем в большей степени они восприимчивы к радиопомехам. Наиболее опасными электромагнитными помехами являются помехи из сети электропитания. Они возникают при коммутации мощных нагрузок и могут проникать во входные цепи аппаратуры через вводы силового питания, вызывая ее ложные срабатывания. Существенное уменьшение их количества дает применение и своевременное техническое обслуживание источников резервного питания.
Исключить воздействие электромагнитных помех сетей переменного тока на работу извещателей позволяет соблюдение основного требования по монтажу низковольтных соединительных линий - прокладка линий питания извещателя и ШС должна проводиться параллельно силовым сетям на расстоянии между ними не менее 50 см, а их пересечение должно производиться под прямым углом.
Изменения температуры и влажности окружающей среды на охраняемом объекте могут оказывать влияние на работу ультразвуковых извещателей. Это обусловлено тем, что поглощение ультразвуковых колебаний в воздухе в сильной степени зависит от его температуры и влажности. Например, при повышении температуры среды от +10 до +30 °C коэффициент поглощения возрастает в 2,5 - 3 раза, а при повышении влажности от 20 - 30% до 98% и понижении ее до 10% коэффициент поглощения изменяется в 3 - 4 раза.
Уменьшение температуры на объекте в ночное время по сравнению с дневным приводит к уменьшению коэффициента поглощения ультразвуковых колебаний и, как следствие, к увеличению чувствительности извещателя. Поэтому, если регулировка извещателя производилась в дневное время, в ночное время в зону обнаружения могут попасть источники помех, которые в период регулировки находились вне этой зоны, что может вызвать срабатывание извещателя.
Техническая неукрепленность объектов оказывает значительное влияние на устойчивость работы магнитоконтактных извещателей, применяемых для блокировки элементов строительных конструкций (дверей, окон, фрамуг и т.п.) на открывание. Кроме того, плохая техническая укрепленность может служить причиной ложных срабатываний других извещателей за счет сквозняков, вибраций остекленных конструкций и т.п.
Следует отметить, что существует ряд специфических факторов, вызывающих ложные срабатывания извещателей только определенной категории. К ним относятся: движение мелких животных и насекомых, люминесцентное освещение, радиопроницаемость элементов строительных конструкций, попадание на извещатели прямых солнечных лучей и света автомобильных фар.
Движение мелких животных и насекомых может восприниматься как движение нарушителя извещателями, принцип действия которых основан на эффекте Доплера. К ним относятся ультразвуковые и радиоволновые извещатели. Влияние ползающих насекомых на извещатели можно исключить обработкой мест их установки специальными химическими средствами.
При использовании на объекте, охраняемом радиоволновыми извещателями, люминесцентного освещения источником помех являются мигающий с частотой 100 Гц столб ионизированного газа лампы и вибрация арматуры лампы с частотой 50 Гц.
Кроме этого, люминесцентные и неоновые лампы создают непрерывные флуктуационные помехи, а ртутные и натриевые лампы - импульсные помехи с широким спектром частот. Например, люминесцентные лампы могут создавать значительные радиопомехи в полосе частот 10 - 100 МГц и более.
Дальность обнаружения таких источников света всего в 3 - 5 раз меньше дальности обнаружения человека, поэтому на период охраны их необходимо выключать, а в качестве дежурного освещения использовать лампы накаливания.
Радиопроницаемость элементов строительных конструкций также может стать причиной ложного срабатывания радиоволнового извещателя, если стены имеют малую толщину или в них имеются значительные по размерам тонкостенные проемы, окна, двери.
Энергия, излучаемая извещателем, может выходить за пределы помещения, при этом извещатель обнаруживает проходящих снаружи людей, а также проезжающий транспорт. Примеры радиопроницаемости строительных конструкций приведены в
таблице 3.2.
Таблица 3.2
Радиопроницаемость строительных конструкций
Элемент конструкции | Толщина, см | Ослабление, раз |
Железобетонная стена | 40 | 1000 |
Межэтажное перекрытие | - | 160 |
Кирпичная стена | 70 | 120 |
Шлакобетонная стена | 46 | 110 |
Окно с двойной рамой | - | 20 |
Оштукатуренная панель | 15 | 16 |
Тепловое излучение осветительных приборов может служить причиной ложных срабатываний пассивных оптико-электронных извещателей. Это излучение по мощности соизмеримо с тепловым излучением человека и может служить причиной срабатывания извещателей.
В целях исключения воздействия этих помех на пассивные оптико-электронные извещатели можно рекомендовать изоляцию зоны обнаружения от воздействия излучения осветительных приборов. Уменьшение влияния мешающих факторов, а следовательно, и снижение количества ложных срабатываний извещателей, в основном, достигается соблюдением требований к размещению извещателей и их оптимальной настройкой по месту установки.
В
таблице 3.3 приведены виды и источники помех и даны способы их устранения.
Таблица 3.3
Помехи и способы их локализации
Виды и источники помех | Извещатели |
ультразвуковые | радиоволновые | оптико-электронные | емкостные |
пассивные | активные |
Акустические помехи и шумы: транспортные средства, строительные машины и агрегаты, летательные аппараты, погрузочно-разгрузочные работы вблизи объекта, мощная бытовая радиоаппаратура | Применять при уровне шума до 60 дБ | Не влияют |
Холодильные установки, вентиляторы, телефонные и электрические звонки, дроссели люминесцентных ламп, шум воды и гидравлические удары в трубах | Правильно установить извещатель | Не влияют |
Другие ультразвуковые извещатели, установленные на объекте | Правильно установить извещатели | Не влияют |
Вибрация строительных конструкций (транспортные средства большой грузоподъемности, строительные машины) | При наличии постоянных вибраций большой амплитуды применять нельзя |
Холодильные установки, вентиляторы | Отключить на период охраны. Правильно установить извещатель | Не влияют |
Движение воздуха и окружающих предметов: потоки воды на стеклах, движущиеся предметы за некапитальными стенами | Не влияют | Правильно установить извещатель. Сформировать зону обнаружения с помощью радионепрозрачных экранов | Не влияют | Правильно настроить извещатель |
Сквозняки, батареи отопления, холодильные установки | Правильно установить извещатель | Не влияют | Правильно установить извещатель | Не влияют |
Вентиляторы, шторы, внутренние незапирающиеся двери | Правильно установить извещатель | Не влияют |
Мелкие животные и насекомые | Правильно установить извещатель | Заэкранировать ближнюю зону радиопрозрачным материалом | Правильно установить извещатель | Не влияют |
Движение воды в пластмассовых трубах | Не влияют | Заэкранировать трубы | Не влияют |
Изменение свободного пространства охраняемой зоны за счет внесения, вынесения крупногабаритных предметов, обладающих повышенной способностью поглощения или отражения | Правильно настроить извещатель | Не влияют |
Колебания напряжения в сети переменного тока | Подключить к извещателю источник резервного питания постоянного тока |
Электромагнитные помехи: транспортные средства с электродвигателями, мощные радиопередатчики, электросварочные аппараты, линии электропередач | Не влияют | При напряженности поля более 10 В/м и УКВ излучении более 8 ВТ на расстоянии менее 3 м от извещателя применять нельзя | Не влияют | При наличии на расстоянии менее 10 м от блокируемых предметов электрических установок мощностью более 15 кВА применять |
Мощные коммутируемые нагрузки в сети переменного тока | Подключить к извещателям источник резервного питания постоянного тока |
Передатчики СВЧ диапазона | | Применять нельзя | Не влияют |
Люминесцентное освещение | Не влияет | Отключать освещение на период охраны | Не влияет |
Другие радиоволновые извещатели | | Правильно установить извещатель, применять извещатели с разными литерами | Не влияют |
Засветка светом солнца, фар транспортных средств | Не влияет | Правильно установить извещатель | Не влияет |
Контроль за правильностью настройки извещателей должен проводиться при их техническом обслуживании на охраняемых объектах.
3.2 Типовые охранные извещатели, условия применения
3.2.1 Извещатели омические
Омические извещатели - самый простой тип извещателей, который представляет собой тонкий металлический проводник, специальным образом закрепленный на охраняемом предмете, конструкции. Любое физическое воздействие на охраняемый объект приведет к разрыву проводника, тем самым нарушится целостность ШС.
Извещатели омические АЛ-1-Т-0,02x10 "Фольга", "Фольга-С". Алюминиевая фольга применяется для блокировки от разбития конструкций из стекла, подверженных воздействию вибрационных и ударных помех, при температуре окружающего воздуха от минус 40 °C до +50 °C.
Рекомендуемое применение - блокировка стеклянных конструкций, где не предъявляются повышенные требования к интерьеру: склады, помещения производственного и хозяйственного назначения.
Извещатели поставляются рулонами, при ширине ленты 10 мм и толщине 0,02 мм. Допускается применять алюминиевую фольгу толщиной 0,008 - 0,03 мм и шириной 6 - 10 мм. Извещатель "Фольга-С" состоит из самоклеящейся фольги и зажимов для нее. Клеевой слой покрыт защитной пленкой. Поставляется рулонами длиной 5 - 20 м, шириной 10 мм и толщиной 0,014 мм.
Блокировка алюминиевой фольгой производится ее приклеиванием по периметру стеклянных полотен на расстоянии:
2 - 10 мм - от боковой стороны деревянной рамы;
10 - 15 мм - от боковой стороны металлической рамы;
до 50 мм - от нижней стороны рамы в сухих, отапливаемых помещениях;
150 - 200 мм - от нижней стороны рамы во влажных и неотапливаемых помещениях.
Допускается производить блокировку фольгой по периметру стекла на 2/3 общей высоты от нижнего края.
Для защиты проемов из стеклопрофилей, стеклоблоков фольга должна приклеиваться по середине каждого стеклопрофиля, стеклоблока.
Фольгу наклеивают на стекло внутренних рам (дверей) со стороны охраняемого помещения. Фольга приклеивается к стеклу клеем "Контакт" или аналогичным по характеристикам. Допускается в качестве клея использовать: масляную краску, грунтовку, цинковые белила, синтетические краски, эпоксидные эмали. При использовании кремнийорганического лака КО-85 со смолой БМК-5 необходимо руководствоваться инструкцией по применению этого лака. Запрещается применять краски на основе искусственной олифы (оксоле). Цвет краски должен быть подобран по цвету рамы или требованию заказчика.
Технология выполнения монтажных работ
Очистить от грязи и пыли, обезжирить ацетоном и просушить полосу стекла по периметру шириной 150 - 250 мм.
Приклеить к стеклу по периметру бумажные ленты (например, от кассового аппарата), смоченные в мыльном растворе. Допускается ближнюю к раме бумажную полосу не устанавливать. Расстояние между бумажными лентами определяется шириной фольги плюс 4 - 5 мм.
Нанести кистью слой краски на стекло между бумажными полосками. Подсушить краску до надежного прилипания к ней фольги. Приклеить на слой краски фольгу.
Приклеить к стеклу в местах подсоединения фольги к другим элементам (извещателям СМК, проводным петлям-ловушкам, ШС) специальные зажимы для фольги.
Подсоединить фольгу через зажимы к элементам монтажа, ШС, используя где надо специальные гибкие переходы типа УС.
Извещатель "Фольга-С" приклеивается к стеклу после освобождения его клеевого слоя от защитной пленки. Подключение извещателя "Фольга-С" к ШС производится специальными зажимами.
Допускается в качестве гибкого перехода использовать провод типа МГШВ диаметром не более 0,35 мм, продетого в полихлорвиниловую трубку.
Рекомендуется соединение "фольга-провод" осуществлять пайкой специальным припоем для пайки алюминия следующим образом. Концы приклеенной фольги зачищаются, облуживаются с двух сторон и припаиваются к предварительно приклеенным к стеклу облуженным латунным пластинам размером 10 x 20 мм, толщиной 0,1 - 0,25 мм. К этим же пластинам припаивается провод типа МГШВ гибкого перехода.
Во избежание прожога фольги при лужении паяльник не следует долго держать в точке касания.
Нанести кистью два слоя краски на фольгу, причем второй слой наносится после полного высыхания первого. Полоса краски должна выступать за края фольги на расстояние 1 - 2 мм.
Удалить бумажные полосы.
В случае порывов фольги следует по обе стороны от трещины снять с фольги слой краски размером 10 - 15 мм (краска легко снимается ветошью, смоченной в ацетоне) и поставить перемычку из гибкого монтажного провода или фольги. Перемычка устанавливается пайкой или через специальные зажимы.
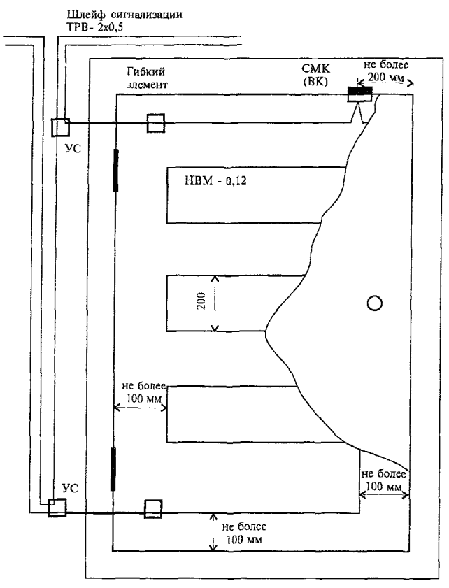
Извещатель омический "Провод". Для защиты строительных конструкций (двери, люки, ворота, некапитальные стены, перегородки и т.п.) на разрушение (пролом) используется провод типа НВМ сечением не более 0,2 мм
2 или аналогичный по параметрам.
Провод должен прокладываться по внутренней стороне строительных конструкций по всей площади параллельно контурным линиям и крепиться скобами с шагом не более 200 мм. Под скобу должна быть подложена неразрезанная полихлорвиниловая трубка длиной 10 мм. Расстояние между проводами должно быть не более 200 мм.
При открытом способе прокладки провод крепится непосредственно к поверхности строительной конструкции с последующей защитой его от случайных (либо преднамеренных) повреждений фанерой, оргалитом или другим материалом.
При скрытом способе прокладки провод прокладывают и крепят в бороздах глубиной и шириной не менее двух диаметров провода с последующей шпатлевкой и закрашиванием.
При любом способе прокладки провода на каждые 5 м2 блокируемой поверхности должна быть установлена ответвительная коробка. Коробки устанавливаются на максимальной высоте блокируемой строительной конструкции.
Блокировка внутренних металлических решеток должна производиться обвиванием горизонтальных и вертикальных прутьев проводом с шагом витка 30 - 70 мм. В местах пересечения прутьев решетки проводом делается узел, который должен охватывать оба прута.
Переход провода с одного прута на другой должен производиться по строительному проему скрытым способом в штробе. Провод в штробе крепится с последующей шпатлевкой. В местах крепления на провод должна быть надета неразрезанная полихлорвиниловая трубка длиной 10 мм.
Решетки из металлических трубок допускается блокировать пропусканием провода через все трубки.
По окончании монтажа решетка и провод окрашивается масляной краской одного цвета.
3.2.2 Извещатели магнитоконтактные (контактные)
Выключатели путевые конечные. Для блокировки распашных, раздвижных, подъемных ворот, люков на открывание используют выключатели путевые конечные и им аналогичные. При этом рекомендуется использовать выключатели серий: ВК-200, ВК-300 и ВПК-4000. Температурный диапазон (от минус 40 °C до +40 °C) позволяет эксплуатировать их практически во всех климатических зонах.
Выключатели крепятся на кронштейнах, направляющих, позволяющих проводить регулировку положения, на неподвижных элементах блокируемой конструкции. Место установки выключателя выбирается из условий надежного срабатывания выключателя при открывании и закрывании ворот и гарантирующие защиту от поломки нажимного штока при большом люфте. Для этих целей рекомендуется устанавливать механические ограничители открывания ворот.
Допустимый зазор между упором и нажимным штоком выключателя должен быть в пределах 3 - 5 мм. Упор крепится на подвижных элементах ворот и должен иметь регулировку.
Технические характеристики конечных выключателей приведены в
таблице 3.4.
Таблица 3.4
Характеристики конечных выключателей
Характеристика | ВК-200 ВК-300 | ВПК-4000 |
Величина коммутируемого напряжения, В: | | |
переменного тока | 380 | 500 |
постоянного тока | 220 | 220 |
Минимальная величина коммутируемого напряжения, В: | | |
переменного тока | 24 | 24 |
постоянного тока | 24 | 24 |
Переменный ток через контакты, А: | | |
номинальный | 6 | 6 |
минимальный | 0,05 | 0,05 |
Диапазон рабочих температур, °C | -40 - +40 | -40 - +40 |
Относительная влажность воздуха при температуре 20 °C, % | 90 | 80 |
Габаритные размеры, мм, не более | 121 x 66 x 60 | 122 x 50 x 35 |
Магнитоконтактные (контактные) извещатели предназначены, в основном, для блокировки дверей, окон, люков, витрин и других подвижных конструкций на открывание и выдачи тревожного извещения в виде размыкания (иногда замыкания) электрической цепи ШС ППК или УО СПИ. Кроме того, извещатели могут использоваться в качестве датчиков-ловушек для блокировки переносимых предметов (экспонатов музеев и выставок, персональных ЭВМ и т.п.). Ряд извещателей может применяться для блокировки стальных конструкций (сейфов, несгораемых шкафов и т.п.).
Магнитоконтактный извещатель состоит из герметизированного магнитоуправляемого контакта и магнита в пластмассовых или металлических немагнитных корпусах.
Модули извещателя крепят непосредственно к поверхности блокируемого элемента со стороны охраняемого помещения.
Крепление извещателя на деревянной поверхности производится шурупами, на металлической - винтами с прокладкой из дерева, текстолита или гетинакса толщиной 25 - 30 мм, а на стеклянной - клеем (марки "Контакт", ВГО-1, БМК-5 или им аналогичный). Диэлектрическая прокладка устанавливается как под модуль геркона, так и под модуль магнита. Модули геркона и магнита устанавливаются на блокируемый элемент параллельно друг другу (извещатели для открытого монтажа) или соосно (извещатели для скрытого монтажа). Нарушение параллельности или соосности узлов магнитоконтактных извещателей, их нежесткое крепление, некачественная пайка или замена ее скруткой могут приводить к ложным срабатываниям извещателей.
Выбор модели извещателя определяется типом и характеристиками блокируемой конструкции, ее укрепленностью, и условиями эксплуатации.
На каждый блокируемый элемент устанавливается по одному извещателю на расстоянии до 20 см от его вертикальной линии раствора.
Выводы контакта соединяются с шлейфом сигнализации проводами типа НВМ-0,35 с последующей скруткой и пропайкой мест соединения. Места пайки изолируют полихлорвиниловой трубкой.
Технические характеристики магнитоконтактных извещателей приведены в
таблице 3.5.
Таблица 3.5
Характеристики магнитоконтактных извещателей
Характеристика | СМК-1 | СМК-3 | ИО 102-4 | ИО-102-5 | ИО 102-6 |
Максимальное количество срабатываний | 106 |
Расстояние между герконом и магнитом, мм: | | | |
для замыкания контактов | 8 | 6 | 10 |
для размыкания контактов | 30 | 25 | 45 |
Диапазон рабочих температур, °C | -40 - +50 | -50 - +50 |
Относительная влажность воздуха при температуре 35 °C, % | 98 | 98 |
Габаритные размеры, мм: | | | | | |
геркона | 60 x 11 x 12 | | 31 x 13 x 6,5 | | |
магнита | 60 x 11 x 12 | | 31 x 13 x 6,5 | | |
3.2.3 Извещатели ударноконтактные
Извещатели ударноконтактные предназначены для блокировки строительных конструкций на разрушение или давление и формируют извещение о проникновении путем преобразования энергии упругих волн ультразвукового или звукового диапазона, возникающих при попытках разрушения блокируемой конструкции нарушителем.
Извещатели ударноконтактные ИО 303-1 "Окно-2М", ИО 303-3 "Окно-4" и ИО 303-4 "Окно-5" предназначены для блокировки стеклянных полотен площадью до 20 м
2 с запоминанием тревожных извещений.
Извещатели состоят из блока обработки сигналов (БОС) и до пяти датчиков разбития стекла (ДРС), причем извещатель "Окно-2М" работает с датчиками ДРС, "Окно-4" - как с датчиками ДРС, так и ДРС-1, "Окно-5 - только с датчиками ДРС-1.
Место расположения составных частей извещателя (БОС и ДРС) определяется количеством, взаимным расположением и площадью блокируемых стеклянных полотен.
В
таблице 3.6 приведена зависимость количества ДРС от блокируемой площади стеклянного полотна и места размещения ДРС.
Таблица 3.6
Количество ДРС, шт. | Блокируемая площадь, м2 | Диагональ полотна, м | Расстояние ДРС до наиболее удаленной точки, м | Размещение ДРС |
1 | 3 | 2,5 | | 10 - 15 см от обвязки |
1 | 3 - 4 | > 2,5 | 2,5 | 10 - 15 см от обвязки в середине наибольшей стороны полотна |
2 и более | > 4 | | 2 | 10 - 15 см от обвязки |
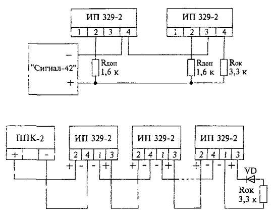
Взаимное расположение БОС и ДРС должно обеспечивать минимальную длину соединяющих их линий из расчета: не более 10 м (15 м для извещателя "Окно-5") двухпроводной линии ДРС на БОС.
Допустима установка ДРС в одном из углов или у боковых сторон полотна на тех же расстояниях от обвязки, если при этом обеспечиваются минимальная длина линии ДРС.
Таблица 3.7
Характеристики ударноконтактных извещателей
Характеристика | Окно-4 | Окно-5 | Окно-2М |
Принцип обнаружения | ударноконтактный |
Извещение "Проникновение" | Изменение тока в ШС |
Блокируемая площадь стеклянного полотна толщиной от 2 до 8 мм: | | | |
одним ДРС, м2 | 4 | 4 | 4 |
комплектом ДРС (5 шт.), м2 | 20 | 20 | 20 |
Дальность действия ДРС, м | до 2,5 | |
Напряжение питания от ШС, В: | | | |
при постоянном токе | 10 - 30 | 10 - 30 | |
при пульсирующем токе | 15 - 30 | 15 - 30 | 15 - 30 |
Потребляемый ток в дежурном режиме, мкА, не более | 35 | 35 | 35 |
Максимальный коммутируемый ток в режиме "Проникновение", мА | 20 | 20 | 20 |
Остаточное напряжение в цепи питания БОС в режиме "Проникновение", В, не более | 5,2 | 5,2 | 5,2 |
Диапазон рабочих температур, °C | -40 - +50 | -40 - +50 | -40 - +50 |
Габаритные размеры, мм: | | | |
БОС | 38 x 21 x 12,5 | 46 x 46 x 17 | 38 x 21 x 12,5 |
ДРС (корпуса без выводов) | 35 x 9 x 8 | 31 x 9,5 x 8,5 | 35 x 9 x 8 |
Масса, кг: | | | |
БОС | 0,030 | | 0,030 |
ДРС | 0,008 | | 0,008 |
3.2.4 Извещатели пьезоэлектрические
Извещатели пьезоэлектрические предназначены для блокировки строительных конструкций на разрушение или давление и формируют извещение о проникновении путем преобразования энергии упругих волн ультразвукового или звукового диапазона, возникающих при попытках разрушения блокируемой конструкции нарушителем.
Извещатели пьезоэлектрические ИО 311-1 "Гюрза-050", ИО 304-5 "Гюрза-050М" предназначены для работы в закрытых отапливаемых помещениях с температурой окружающего воздуха от +5 °C до +40 °C (для извещателя "Гюрза-050") и от минус 10 °C до +50 °C (для извещателя "Гюрза-050М").
Рекомендуемое использование извещателя - блокировка картин, художественных и ювелирных изделий, стеллажей с экспонатами, электронных приборов, оргтехники, а также отдельных строительных конструкций.
Принцип действия основан на регистрации изменения давления при механическом воздействии на охраняемые предметы. Благодаря возможности регулировки чувствительности, извещатель "Гюрза" может применяться для охраны как миниатюрных, так и достаточно больших предметов.
В извещателе предусмотрен автоматический контроль целостности и величины сопротивления утечки соединительной линии.
В извещателе используются сенсоры (датчики) двух типов.
Для охраны предметов, подвешенных на шнурах, применяются сенсоры N 1 (сенсоры КХ-1 у извещателя "Гюрза-050М"), а для охраны отдельных предметов, установленных на основаниях - сенсоры N 2 (сенсоры МХ-1 у извещателя "Гюрза-050М"). Для монтажа сенсоров N 1 (КХ-1) в комплект поставки входят зажимы, крючки и струна. К блоку обработки сигналов (БОС) извещателя "Гюрза-050" допускается подключать до 10 сенсоров и до 40 сенсоров к БОС извещателя "Гюрза-050М".
Если масса охраняемого предмета превышает 20 кг, необходимо разгрузить сенсор N 2 (МХ-1), перераспределив вес предмета по точкам опоры с помощью шайб из комплекта поставки.
Установку датчиков и прокладку внешних цепей извещателя рекомендуется производить скрытым способом.
Линии подключения датчиков следует выполнять кабелем типа РК-50-1,5; РК-75-1,5 с полиэтиленовой изоляцией (исполнение II-16). Все датчики подключаются к линии параллельно, пайкой. При этом длина неэкранированного участка центрального проводника кабеля не должна превышать 5 мм, а места соединения датчиков с кабелем должны быть изолированы полихлорвиниловой трубкой.
При размещении извещателя на объекте необходимо:
не устанавливать датчики в тех местах, где возможно появление сквозняков, воздушных потоков или вибраций;
во избежание повреждения датчиков охраняемые предметы не должны воздействовать на них острыми углами или кромками;
не прокладывать кабели и провода в тех местах, где возможно их повреждение при ходьбе или перемещении мебели;
заземлить корпус.
Линии подключения сенсоров должны располагаться на расстоянии не менее 150 мм от линий ШС и телефонных линий, причем длина параллельных участков должна быть максимально сокращена.
Коммутационные коробки должны располагаться на расстоянии не менее 2 м от мест, где разрешено движение людей.
Таблица 3.8
Характеристики извещателей типа "Гюрза"
Характеристика | Гюрза-050 | Гюрза-050М |
Принцип обнаружения | пьезоэлектрический |
Масса охраняемого предмета, кг | 0,05 - 20 | 0,05 - 60 |
Масса охраняемой картины, кг | | 0,3 |
Помехозащищенность от воздействия груза массой, кг: | | |
для отдельных предметов | 0,001 | 0,001 |
для картин | | 0,010 |
Максимальное количество сенсоров, шт. | | 40 |
Тревожное извещение | размыкание контактов реле |
Минимальная длительность тревожного извещения, с | 2 | 2 |
Индикация | светодиод |
Напряжение питания постоянного тока, В | 10,8 - 13,2 | 10,2 - 15 |
Потребляемый ток (при напряжении питания 12 В), мА | 40 | 40 |
Максимальные коммутируемые контактами реле: | | |
ток, мА | 30 | 30 |
напряжение, В | 72 | 72 |
Диапазон рабочих температур, °C | +5 - +40 | -10 - +50 |
Относительная влажность воздуха при 25 °C, % | 80 | 90 |
Габаритные размеры БОС, мм | 148 x 110 x 40 | 205 x 110 x 42 |
Масса, кг: | | |
блока обработки сигнала | 0,7 | 0,7 |
сенсора N 1 | 0,006 | 0,100 |
сенсора N 2 | 0,008 | 0,010 |
оконечного устройства | 0,006 | 0,006 |
Извещатель пьезоэлектрический ИО 304-3 "Грань-2" предназначен для работы в закрытых помещениях с температурой окружающего воздуха от минус 10 °C до +50 °C.
Рекомендуемое использование извещателя - обнаружение разрушения монолитных бетонных, кирпичных стен и перекрытий толщиной не менее 0,15 м, деревянных конструкций из досок толщиной 20 - 40 мм, фанеры толщиной не менее 4 мм и металлических сейфов.
Извещатель создает от одной до десяти охраняемых зон с помощью отдельных датчиков сигналов вибрации (от одного до десяти), подключаемых в один шлейф блока обработки сигнала. Шлейф блока обработки сигнала представляет собой двухпроводную линию (провод типа ТРП).
Охраняемая зона, создаваемая датчиком сигналов вибраций на монолитной конструкции, представляет собой круг с радиусом действия датчика.
Охраняемая зона, создаваемая датчиком сигналов вибрации со звуководом на немонолитной конструкции, представляет собой поверхность, ограниченную прямоугольником, длиной, равной длине примененного звуковода, и шириной до 3 м.
Извещатель "Грань-2" имеет блочную конструкцию и состоит из блока приема и обработки сигнала (БОС), семи датчиков сигналов вибрации для обнаружения вибрации, возникающей в монолитных охраняемых конструкциях (ДСВ1), трех датчиков сигналов вибрации со звуководами, для обнаружения вибрации, возникающей в немонолитной деревянной конструкции (ДСВ2).
При использовании извещателя для охраны поверхности металлического сейфа следует устанавливать на него только один ДСВ1.
При использовании извещателя для одновременной охраны монолитных конструкций, немонолитных деревянных конструкций и металлических сейфов следует использовать как ДСВ1 так и ДСВ2, общее количество которых не должно превышать 10 шт.
БОС, ДСВ1 и ДСВ2 со звуководом устанавливаются внутри охраняемого помещения в местах, защищенных от механических повреждений и доступа посторонних лиц.
При выборе места установки извещателя необходимо ознакомиться со специфическими особенностями помещения, где предстоит установить извещатель (формы и размеры помещения, расположения дверей и оконных проемов, толщина и материал стен и перекрытий, уязвимые места для пролома, расположение водопроводных труб и отопления). При необходимости охраны сейфов, совместно с охраной помещения, определить место его установки в помещении с целью минимизации длины двухпроводной линии связи ДСВ с БОС, которая не должна превышать 50 м. Наметить места установки ДСВ1 и звуковода для ДСВ2 с учетом того, чтобы места крепления батарей, труб систем водоснабжения и отопления были не ближе 1 м от мест крепления ДСВ1 и звуковода. При наличии трещин или стыковочных швов в монолитных бетонных и кирпичных конструкциях охраняемых ДСВ1, радиус их действия уменьшается и определяется только экспериментальным путем.
При наличии стыковочных швов в бетонных конструкциях допускается использовать ДСВ2 со звуководом, при этом крепление звуковода должно осуществляться с помощью держателей, устанавливаемых по одному на каждой монолитной бетонной плите.
Число используемых ДСВ1 или ДСВ2, а также число держателей звуковода при установке на немонолитной строительной конструкции, определяется индивидуально для каждой конструкции.
Количество ДСВ1 выбирается с таким расчетом, чтобы неохраняемая площадь отдельных участков конструкции не превышала 0,1 м2.
Расстояние между держателями звуковода на деревянной конструкции должно быть 20 - 25 см.
При закреплении звуковода на конструкции из отдельных монолитных бетонных или деревянных плит допускается производить установку одного держателя на каждую монолитную плиту при условии, если ширина плиты не превышает 3 м.
Таблица 3.9
Характеристики извещателей пьезоэлектрических
Характеристика | Грань-2 | Шорох-1 |
Принцип обнаружения | вибрацион. | вибрацион. |
Тип зоны обнаружения | поверхн. | поверхн. |
Максимальная охраняемая площадь, м2: | | |
ДСВ1 при установке на: | | |
бетонной или кирпичной конструкции: | | |
при радиусе действия 1,9 м; | | 12 |
при радиусе действия 2,2 м; | 15,0 | |
монолитной деревянной конструкции при радиусе действия 1,6 м; | 8,0 | |
металлическом сейфе; | 8,0 | 6 |
ДСВ2 со звуководом длиной до 5 м; | 15,0 | |
металлическом засыпном сейфе (дальность действия не более 1 м по поверхности сейфа) | | 3 |
Извещение "Проникновение" | размык. контактов реле | увеличение тока в ШС |
Длительность извещения "Проникновение", с | 2 | |
Индикация | светодиод | светодиод |
Напряжение питания постоянного тока, В | 10,2 - 15 | 10 - 30 |
Потребляемый ток, мА: | | 1,0 |
в режиме "Охрана" | до 80 | |
в режиме "Тревога" | до 200 | |
Максимальные коммутируемые реле: | | |
ток, мА | 50 | |
напряжение, В | 72 | |
Максимальный коммутируемый ток в режиме "Проникновение", мА | | 35 |
Остаточное напряжение в цепи питания в режиме "Проникновение", В | | 5,2 |
Диапазон рабочих температур, °C | -10 - +50 | -10 - +50 |
Габаритные размеры, мм: | | 123 x 57 x 26 |
БОС | 190 x 155 x 45 | |
ДСВ1, ДСВ2 | 80 x 42 x 31 | |
Извещатель вибрационный ИО 313-1 "Шорох-1" предназначен для работы в закрытых помещениях с температурой окружающего воздуха от минус 10 °C до +50 °C.
Рекомендуемое использование извещателя - обнаружение преднамеренного разрушения строительных конструкций: бетонных стен и перекрытий толщиной не менее 0,12 м; кирпичных стен толщиной не менее 0,15 м; деревянных конструкций с толщиной материала 20 - 40 мм (фанеры толщиной не менее 4 мм), сейфов и металлических шкафов.
Извещатель "Шорох-1" устанавливается внутри охраняемого помещения в местах, защищенных от механического повреждения и доступа посторонних лиц. При выборе места установки извещателя необходимо ознакомиться со специфическими особенностями помещения (форма и размеры помещения, расположение дверных и оконных проемов, толщина и материал стен, перекрытий и других конструкций, подлежащих блокировке на пролом, расположение водопроводных труб и отопления). Извещатель устанавливается на охраняемой конструкции с помощью: специального дюбеля - для бетонных и кирпичных конструкций; шурупа - для деревянных конструкций; винта - для металлических конструкций.
В одном помещении можно использовать несколько извещателей "Шорох-1".
При определении количества извещателей и места их установки на монолитной строительной конструкции необходимо учитывать, что возможно использовать их со 100% и 75% охватом блокируемой площади.
Площадь каждого незащищенного участка блокируемой поверхности не должна превышать 0,1 м2.
3.2.5 Извещатели емкостные
Емкостные извещатели предназначены для блокировки металлических шкафов, сейфов, отдельных предметов, создания защитных заграждений. Их принцип действия основан на изменении электрической емкости антенны при приближении или касании нарушителем охраняемого предмета.
Извещатель емкостный ИО 305-3 "Пик" предназначен для блокировки металлических предметов, а также строительных проемов в закрытых помещениях с температурой окружающего воздуха от минус 10 °C до +50 °C.
Рекомендуемое использование извещателя - блокировка сейфов, металлических шкафов, решеток, а также оконных, витринных и дверных проемов.
Благодаря ступенчатым регулировкам емкости и чувствительности, извещатель "Пик" адаптируется под характеристики конкретного охраняемого предмета, что обеспечивает высокую обнаруживающую способность извещателя, а возможность переключения светодиодного индикатора в режим настройки делает ее процесс достаточно простым.
Сохранение работоспособности извещателя при снижении сопротивления утечки охраняемого предмета относительно "земли" до 8 кОм значительно расширяет тактические характеристики извещателя и выгодно отличает его от отечественных и зарубежных аналогов.
Автоматическое отслеживание изменения емкости охраняемого предмета при изменении условий окружающей среды обеспечивает высокую помехозащищенность извещателя и надежность охраны.
В извещателе предусмотрен автоматический контроль целостности и величины сопротивления утечки соединительного провода от чувствительного элемента (ЧЭ).
Извещатель "Пик" должен размещаться как можно ближе к охраняемому предмету таким образом, чтобы при установленной чувствительности извещателя доступ к нему был невозможен без выдачи тревожного извещения.
Охраняемый предмет должен устанавливаться на полу с хорошим изоляционным покрытием либо на изолирующей (резиновой, гетинаксовой) прокладке.
Соединение извещателя с охраняемым предметом должно производиться телефонным проводом типа ТРП 2x0,5 или ТРВ 2x0,5, одна жила которого подключается к клемме 1 (ЧЭ), а другая - к клемме 8 ("земля") соединительной платы.
Клемма 8 ("земля") соединительной платы одновременно подключается к заземлителю. Проводник, подключаемый к клемме 1 (ЧЭ) другим своим концом, соединяется с охраняемым предметом под винт, а второй проводник изолируется. Допускается использовать провода других марок с диаметром токопроводящих жил не менее 0,5 мм и изоляцией на рабочее напряжение не менее 250 В, например, НВ, НВМ, МГШВ.
При охране дверных проемов провод располагается на внутренней стороне деревянной двери по конфигурации "путанки".
При охране оконных проемов провод располагается на внутренней стороне деревянной рамы. Оконные проемы с шириной стеклянных полотен более 40 см, а также с металлическими рамами охранять извещателем не рекомендуется.
При наличии на оконном проеме внутренней решетки провод ЧЭ прокладывается по горизонтальным и вертикальным прутьям решетки с закреплением его одним витком в местах перекрестий.
К одному извещателю в помещении допустимо подключать несколько металлических сейфов (4 - 10) или шкафов (2 - 5). Количество подключаемых предметов зависит от их емкости, конструктивных особенностей помещения и уточняется при настройке извещателя после монтажа.
В качестве естественных заземлителей можно использовать выводы металлических конструкций электрощитов, а также надежно заземленную арматуру железобетонных зданий и сооружений. Не допускается использование в качестве заземлителей трубопроводов горячей и холодной воды, горючих жидкостей, газов, теплоснабжения.
В помещениях со сложной электромагнитной обстановкой, а также при невозможности устройства заземления надлежащего качества, извещатель рекомендуется включать по схеме с экраном. В качестве экрана могут использоваться закрепленные на стене на изолирующих прокладках листы из металла, фольгированного гетинакса или текстолита, металлическая мелкоячеистая сетка, фольга либо листы из изоляционного материала с зигзагообразно проложенным на нем проводом (типа "путанки"). Следует учитывать, что при подключении извещателя по схеме с экраном его чувствительность может уменьшиться в 1,5 - 2 раза.
Требования по установке извещателя на объекте:
в случае работы в одном помещении двух извещателей соединительные провода их ЧЭ должны располагаться не ближе 0,7 м друг от друга, а расстояние между охраняемыми предметами должно быть не менее 2 м;
на расстоянии до 10 м от охраняемых предметов должны отсутствовать электрические установки мощностью более 1 кВА;
на расстоянии до 1 м от охраняемых предметов должны отсутствовать металлические предметы объемом более 2 м3;
на расстоянии до 0,5 м от охраняемых предметов и соединительных проводов должны отсутствовать коммуникационные линии силовой, осветительной, трансляционной и других сетей;
размещение охраняемого предмета должно исключать возможность неконтролируемого приближения к нему в период охраны людей и любых движущихся предметов на расстояние менее 1 м. Если за стеной, у которой установлен охраняемый предмет, возможно движение людей и других объектов, его необходимо отодвинуть от стены не менее, чем на 20 см;
сопротивление заземления не должно превышать 4 Ом.
Подключайте к извещателю только однотипные предметы (только сейфы, только окна, только двери), так как в этом случае упрощается установка требуемой чувствительности.
Таблица 3.10
Характеристики извещателя емкостного
Характеристика | Пик |
Принцип обнаружения | емкостный |
Максимальная емкость ЧЭ, пФ | 2000 |
Диапазон регулировки чувствительности, м | 0 - 0,2 |
Минимальное сопротивление утечки ЧЭ, кОм | 8 |
Помехозащищенность к суточным изменениям емкости ЧЭ, пФ | +/- 1000 |
Напряжение, подводимое к охраняемым предметам (эфф.), В | 12 |
Извещение "Проникновение" | размыкание контактов реле |
Минимальная длительность извещения "Проникновение", с | 2 |
Индикация | светодиод |
Напряжение питания постоянного тока, В | 10,2 - 15 |
Потребляемый ток (при напряжении питания 12 В), мА | 15 |
Максимальные коммутируемые контактами исполнительного реле: | |
ток, мА | 30 |
напряжение, В | 72 |
Диапазон рабочих температур, °C | -10 - +50 |
Относительная влажность воздуха при 25 °C, % | 98 |
Габаритные размеры, мм | 180 x 125 x 50 |
Масса, кг | 1,0 |
3.2.6 Извещатели звуковые
Звуковые извещатели предназначены для блокировки остекленных конструкций на разрушение. Принцип работы данных извещателей основан на бесконтактном методе акустического контроля разрушения стеклянного полотна по возникающему при разрушении сигналу в звуковом диапазоне частот, распространяющемуся по воздуху.
Извещатель звуковой ИО 329-1 "Стекло-1" предназначен для обнаружения разрушения стеклянного полотна остекленных конструкций в отапливаемых помещениях с температурой окружающего воздуха от +1 °C до +40 °C.
Благодаря возможности регулировки дальности действия от 1 м до 6 м, извещатель может применяться для блокировки как больших (площадью до 50 м2), так и небольших стеклянных полотен.
Извещатель "Стекло-1" устанавливается на стене (на высоте не менее 2 м) или на потолке таким образом, чтобы все остекленные части блокируемой конструкции находились в пределах его прямой видимости (угол обзора извещателя 90°).
Допускается использование извещателей при одновременной работе с ультразвуковыми извещателями типа "Эхо". При этом ультразвуковой извещатель не должен быть ориентирован на извещатель "Стекло-1" и расстояние между ними должно быть не менее 1 м.
При размещении извещателя в помещении на период охраны должны быть плотно закрыты все двери, окна, фрамуги, форточки, отключена вентиляция, телефонные аппараты, громкоговорители, электрические звонки.
Не допускается маскирование извещателя, во избежание потери его чувствительности.
Таблица 3.11
Характеристики извещателя звукового
Характеристика | Стекло-1 |
Принцип обнаружения | акустический |
Максимальная дальность действия, м | 6 |
Максимальная контролируемая площадь стекла, м2 | 50 |
Минимальная высота установки, м | 2 |
Извещение "Проникновение" | размыкание контактов реле |
Минимальная длительность извещения "Проникновение", с | 2 |
Индикация | светодиод |
Напряжение питания постоянного тока, В | 10,2 - 15 |
Потребляемый ток, мА | 25 |
Максимальные коммутируемые контактами реле: | |
ток, мА | 50 |
напряжение, В | 72 |
Диапазон рабочих температур, °C | +1 - +40 |
Относительная влажность воздуха при 25 °C, % | 90 |
Габариты, мм | 100 x 90 x 40 |
Масса, кг | 0,25 |
3.2.7 Извещатели ультразвуковые
Ультразвуковые извещатели предназначены для охраны объемов закрытых помещений и формируют извещение о проникновении при возмущении поля упругих волн ультразвукового диапазона, вызываемом движением нарушителя в зоне обнаружения. Зона обнаружения извещателя имеет форму эллипсоида вращения или "каплевидную" форму.
Для обеспечения устойчивой работы ультразвуковых извещателей рекомендуется придерживаться следующих правил:
не применять извещатели в помещениях с уровнем акустических шумов выше 60 дБ;
не устанавливать извещатели в витринах, над батареями отопления, на подоконниках, вблизи оконных штор и комнатных растений, а также не допускать попадания этих предметов в зону обнаружения;
производить прокладку соединительных линий извещателя на расстоянии не менее 75 см от электропроводки, кабелей и электроустановок. Допускается пересечение этих линий с силовыми цепями под прямым углом не более двух раз;
вынести за пределы зоны обнаружения вибрирующие и крупногабаритные предметы, способные создавать "мертвые" зоны, или сформировать зону обнаружения таким образом, чтобы эти предметы в нее не попадали;
на период охраны закрывать на запоры двери, окна, форточки, фрамуги, люки, а также выключать вентиляционные и силовые переключающие установки, калориферы, телефоны, звонки, репродукторы и т.п.;
не допускать нахождения в охраняемом помещении животных и птиц;
не применять извещатели в помещениях площадью менее 2 x 2 м2;
не размещать в одном помещении два и более извещателей или отрегулировать их таким образом, чтобы зоны обнаружения не пересекались при максимальной чувствительности.
Наиболее эффективным считается использование извещателя при соотношении дальности действия (максимального значения площади зоны обнаружения) и длины (площади) блокируемого участка, равном 0,7 - 0,9.
Извещатель ультразвуковой ИОП 308-3 "Эхо-2" предназначен для работы в закрытых отапливаемых помещениях. Для расширения функциональных возможностей извещатель "Эхо-2" выпускается в трех исполнениях: ИОП 308-3/1 блок основной синхронизирующий (БОС) и 2 блока выносных ультразвуковых (БВУ); ИОП 308-3/2 БОС и 1 БВУ; ИОП 308-3/1 БОС. Благодаря возможности независимой регулировки в каждом блоке чувствительности и размеров зоны обнаружения, извещатель может применяться для охраны помещений различных размеров и конфигурации.
Место установки извещателя "Эхо-2" выбирается таким образом, чтобы его зона обнаружения перекрывала вероятные направления движения нарушителя.
Извещатель устанавливается на стене при помощи юстировочного механизма, позволяющего изменять положение корпуса извещателя в пределах +/- 45° в вертикальной и горизонтальной плоскостях.
Извещатель монтируется на высоте 1,4 - 1,6 м только на жестких, исключающих вибрацию конструкциях - капитальных стенах, колоннах.
Блоки извещателей ИОП 308-3/1 и ИОП 308-3/2 могут устанавливаться как в разных помещениях, так и в одном.
Таблица 3.12
Характеристики извещателей ультразвуковых
Характеристика | Эхо-2 | Эхо-3 |
Принцип обнаружения | ультразвук | ультразвук |
Тип зоны обнаружения | поверхн. | поверхн. |
Диапазон регулировки дальности действия, м | от 1 - 4 до 6 | от 1 - 4 до 8 |
Ширина зоны обнаружения на удалении 3 м | 5 | |
Максимальная контролируемая площадь, м2: | | 60 |
ИОП 308-3/1 | 90 | |
ИОП 308-3/2 | 60 | |
ИОП 308-3/3 | 30 | |
Высота установки, м | 1,4 - 2,5 | 1,5 - 2,5 |
Диапазон обнаруживаемых скоростей перемещения, м/с | 0,3 - 2 | 0,3 - 2 |
Минимальная площадь очага пожара, м2 | 0,1 | |
Извещение "Проникновение" | размыкание контактов реле |
Минимальная длительность извещения "Проникновение", с | 1 | 2 |
Индикация | светодиод | светодиод |
Напряжение питания постоянного тока, В | 10,2 - 13,2 | 10 - 27 |
Амплитуда пульсаций, мВ | 20 | 20 |
Потребляемый ток (при напряжении питания 12 В), мА: | | 25 |
ИОП 308-3/1 | 75 | |
ИОП 308-3/2 | 55 | |
ИОП 308-3/3 | 35 | |
Максимальные коммутируемые контактами реле: | | |
ток, мА | 50 | 50 |
напряжение, В | 80 | 80 |
Диапазоны рабочих температур, °C | +1 - +40 | +1 - +40 |
Относительная влажность воздуха при 25 °C, % | 90 | 90 |
Габаритные размеры, мм | 245 x 175 x 165 | 205 x 130 x 50 |
Масса, кг: | | 1,0 |
БОС | 1,4 | |
БВУ | 1,35 | |
Извещатель ультразвуковой ИО 308-1 "Эхо-3" предназначен для работы в закрытых отапливаемых помещениях с температурой воздуха от +1 °C до +40 °C.
Рекомендуемое использование извещателя - блокировка локальных зон объемов помещений, мест сосредоточения ценностей, музейных экспонатов, оргтехники.
Благодаря возможности регулировки чувствительности и размеров зоны обнаружения, извещатель "Эхо-3" может применяться для охраны помещений площадью до 60 м2.
Помехозащищенность извещателя можно повысить, установив между клеммными скобами X1 и X2 резистор сопротивлением 47 - 470 кОм или перемычку. При этом увеличивается значение минимальной скорости обнаружения, а размеры зоны обнаружения практически не изменяются. Возможность коррекции минимальной скорости обнаружения непосредственно на месте установки извещателя, а также цифровая обработка сигнала позволяют повысить его помехозащищенность и приспособить к возможным изменениям условий, в которых он применяется.
Место установки извещателя "Эхо-3" выбирается таким образом, чтобы его зона обнаружения перекрывала вероятные направления движения нарушителя.
Извещатель устанавливается на стене при помощи юстировочного механизма, позволяющего изменять положение корпуса извещателя в пределах угла +/- 35° в вертикальной и горизонтальной плоскостях. Для крепления юстировочного механизма на опоре в нем имеются три отверстия.
Извещатель монтируется на высоте 1,5 - 2,5 м только на жестких, исключающих вибрацию конструкциях - капитальных стенах, колоннах.
Извещатель выдает извещение о проникновении размыканием контактов исполнительного реле и включением индикатора на время 2 с.
3.2.8 Извещатели активные оптико-электронные
Активные оптико-электронные извещатели применяются для охраны внутренних и внешних периметров, окон, витрин, отдельных предметов и формируют тревожное извещение при изменении отраженного потока (однопозиционные извещатели) или прекращении (изменении) принимаемого потока (двухпозиционные извещатели) энергии оптического излучения, вызываемом движением нарушителя в зоне обнаружения.
Зона обнаружения извещателя имеет вид "лучевого барьера", образованного одним или несколькими расположенными в вертикальной плоскости параллельными узконаправленными лучами и отличается от извещателя к извещателю, как правило, размерами и количеством лучей.
Для обеспечения устойчивой работы извещателя рекомендуется придерживаться следующих правил:
устанавливать излучатель и приемник на прочные, недеформируемые конструкции;
не допускать попадания на приемник солнечных бликов и света автомобильных фар, а также попадания на объективы прямых солнечных лучей, так как это может привести к перегреву и преждевременному выходу из строя фотодиодов и светодиодов.
Исключить влияние этих факторов можно применением светонепроницаемых экранов; не допускать нахождения посторонних предметов ближе, чем в 0,5 м от пространства, по которому проходит луч.
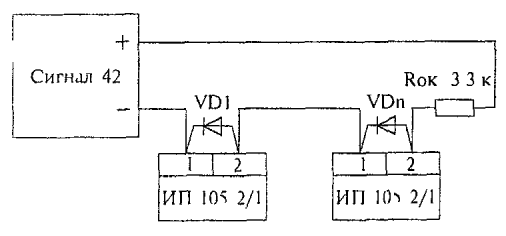
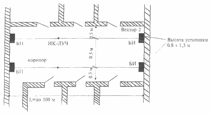
Извещатель оптико-электронный ИО 209-1 "Вектор-2" предназначен для работы в отапливаемых и неотапливаемых помещениях с температурой окружающего воздуха от минус 10 °C до +50 °C.
Рекомендуемое использование извещателя - блокировка строительных конструкций, внутренних периметров объектов, коридоров, подходов к местам хранения ценностей, отдельным предметам.
В зависимости от длины блокируемого участка, извещатель "Вектор-2" может работать в одном из двух режимов:
в режиме A - дальность действия извещателя составляет 100 м,
в режиме B - 20 м.
Извещатель устойчив к фоновым засветкам и может работать при наличии в помещении потоков, обусловленных вентиляцией и работой кондиционеров, конвективных потоков, возникающих при работе нагревательных приборов.
Извещатель "Вектор-2" конструктивно выполнен в виде двух оптических блоков: блока излучения (БИ) и блока приемника (БП).
Блоки имеют одинаковую конструкцию. Каждый блок состоит из металлического шасси и крепящегося к нему светофильтра.
В каждом блоке имеется юстировочное устройство, позволяющее осуществлять поворот оптической системы в необходимом направлении.
Место установки извещателя "Вектор-2" выбирается таким образом, чтобы инфракрасный луч пересекал вероятные направления движения нарушителя или пространственного перемещения охраняемой строительной конструкции.
Блоки извещателя должны устанавливаться на жестких опорах: капитальных стенах, колоннах.
| | ИС МЕГАНОРМ: примечание. Текст дан в соответствии с официальным текстом документа. | |
Расстояние между БИ и БП извещателя определяется длиной блокируемого участка и не должно превышать 100 м для режима А и 20 м - для режима Б.
Таблица 3.13
Характеристики активных оптико-электронных извещателей
Характеристика | Вектор-2 | Вектор-3 | Вектор-СПЭК | Рубеж-3М |
Принцип обнаружения | инфракрасный активный |
Тип зоны обнаружения | однолучевой барьер |
Дальность действия, м: | | 0,5 - 10 | 75, 150 | |
режим A | 100 | | | |
| | ИС МЕГАНОРМ: примечание. В официальном тексте документа, видимо, допущена опечатка: имеется в виду режим B, а не Б. | |
|
режим Б | 20 | | | |
Максимальная дальность действия, м, в режимах: | | | | |
двухлучевой отдельный (2ЛО) | | | | 600 |
двух- или четырехлучевой совместный (2ЛС, 4ЛС) | | | | 300 |
Коэффициент запаса по сигналу | | | 100 | 500 |
Минимальное время перекрытия луча, с | 0,05 | 0,2 | 0,13 | |
Обнаруживаемая скорость пересечения луча, м/с | 0,1 - 2 | 0,1 - 3 | 0,13 | 5 |
Извещение "Проникновение" | размыкание контактов реле |
Минимальная длительность извещения "Проникновение", с | 2 | 2 | 2 | 2 |
Индикация | светодиод |
Напряжение питания постоянного тока, В | 10,2 - 13,2 | 10,2 - 13,2 | 10,2 - 30 | |
Амплитуда пульсаций, мВ | 100 | 10 | 240 | |
Потребляемый ток при напряжении питания 12 В, мА: | | 25 | 70 | |
режим A | 50 | | | |
режим B | 25 | | | |
Питание от сети переменного тока: | | | | |
напряжение, В | | | | 187 - 242 |
потребляемая мощность (с обогревом/без обогрева), ВА | | | | 16/12 |
Резервное питание: | | | | |
напряжение, В | | | | 18 - 32 |
потребляемый ток (с обогревом/без обогрева), мА | | | | 370/170 |
Обогрев блоков | | | | отключаемый |
Максимальные коммутируемые контактами реле: | | | | |
ток, мА | 30 | 30 | 30 | 30 |
напряжение, В | 65 | 72 | 72 | 72 |
Диапазон рабочих температур, °C | -10 - +50 | -30 - +50 | -40 - +55 | -45 - +55 |
Относительная влажность воздуха при 25 °C, % | 98 | 98 | 100 | 100 |
Габаритные размеры, мм: | 102 x 91 x 90 | 160 x 115 x 63 | 75 x 95 x 145 | |
БПК | | | | 370 x 240 x 125 |
БИ, БФ (каждого) | | | | 275 x 190 x 120 |
Масса, кг: | 0,8 | 0,8 | 1 | |
БПК | | | | 4 |
БИ, БФ | | | | 2,3 |
Извещатель оптико-электронный ИОП 209-4 "Вектор-3" предназначен для работы в отапливаемых и неотапливаемых помещениях с температурой окружающего воздуха от минус 30 °C до +50 °C.
Извещатель обнаруживает как проникновение нарушителя, так и очаг пожара, сопровождающийся выделением дыма.
Рекомендуемое использование извещателя - блокировка дверных и оконных проемов, подходов к местам хранения ценностей, устройства "ловушек" и создание защитных барьеров.
С целью создания многолучевого барьера допускается совместная работа нескольких извещателей.
Возможность поворота извещателя на угол +/- 100° в горизонтальной плоскости и на угол +/- 15° в вертикальной плоскости делает удобной юстировку извещателя на объекте.
Извещатель "Вектор-3" состоит из электронного блока и световозвращателя. Извещатель и световозвращатель должны размещаться на противоположных сторонах контролируемого пространства.
При использовании извещателя в качестве пожарного необходимо размещать его под потолком помещения так, чтобы длина луча была 5 - 10 м, что будет соответствовать реальной чувствительности 1,0 - 0,5 дБ·м.
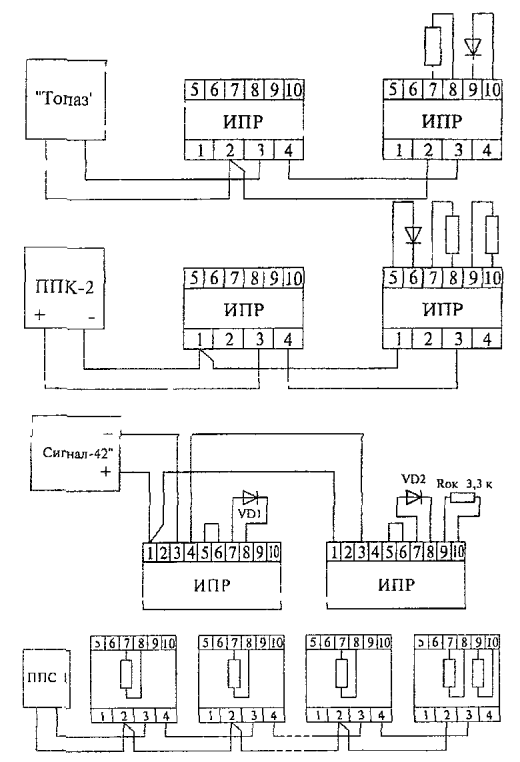
Извещатель оптико-электронный линейный ИО 209-13 "Вектор-СПЭК" предназначен для обнаружения проникновения и формирования извещения о проникновении на территорию охраняемого объекта.
Извещатель рассчитан на непрерывную круглосуточную работу и предназначен для эксплуатации как на открытом воздухе, так и внутри помещения.
Рекомендуемое использование извещателя - блокировка внешних периметров и охрана помещений.
При организации многорубежной охраны извещатель устанавливается, как правило, в первом рубеже охранной сигнализации.
Извещатель формирует следующие виды извещений: "Норма", "Тревога", "Саботаж/Запас", "Нет настройки", "Запас", "Генератор", "Питание".
Извещатель обеспечивает работу в двух режимах:
без синхронизации - однолучевой режим;
с синхронизацией по отдельной линии - многолучевой барьер.
Возможен дистанционный контроль функционирования. Извещатель устойчив к электромагнитному излучению УКВ-диапазона, перепадам фоновой освещенности.
Извещатель "Вектор-СПЭК" конструктивно выполнен в виде двух блоков: блока излучения (БИ) и блока приемника (БФ).
Блоки имеют одинаковую конструкцию. Каждый из них состоит из металлического шасси и крепящегося к нему оптического узла. Подводка внешних линий к блокам производится через резиновые втулки, установленные на шасси.
В каждом блоке имеется юстировочное устройство, позволяющее осуществлять поворот оптической системы в горизонтальной плоскости на угол не менее +/- 95° и в вертикальной плоскости на угол не менее +/- 15°.
Место установки извещателя "Вектор-СПЭК" выбирается таким образом, чтобы инфракрасный луч пересекал вероятные направления движения нарушителя.
Периметр охраняемого объекта должен быть оборудован ограждением, которое будет служить механической преградой для нарушителя. С внутренней стороны ограждения необходимо выделить зону отторжения шириной не менее 1 м, которая должна быть свободна от растительности и других предметов, препятствующих прохождению лучей.
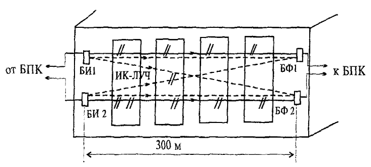
Блоки извещателя могут устанавливаться на стенах, специальных столбах или стойках, обеспечивающих отсутствие колебаний амплитудой более 0,1 мм. Расстояние между БИ и БФ извещателя не должно превышать 75 м для извещателя "Вектор-СПЭК-75" и 150 м для извещателя "Вектор-СПЭК-150".
Соединительные провода прокладываются в трубах или металлорукавах в зависимости от требований на охраняемом объекте и типов используемых проводов.
Извещатель оптико-электронный ИО 209-4 "Рубеж-3М" предназначен для обнаружения проникновения человека на территорию охраняемого объекта. Извещатель рассчитан на непрерывную круглосуточную работу и предназначен для эксплуатации на открытом воздухе.
Рекомендуемое применение извещателя - блокировка внешних периметров объектов.
Извещатель "Рубеж-3М" имеет три режима работы: двухлучевой отдельный (2ЛО), двухлучевой совместный (2ЛС) и четырехлучевой совместный (4ЛС).
Извещатель выдает шесть видов информации: "Проникновение", "Неисправность", "Блокировка", "Начало снижения напряжения питания", "Отсутствие импульсов синхронизации", "Отсутствие напряжения питания".
Извещатель "Рубеж-3М" состоит из пяти блоков: двух блоков излучателей (БИ), двух блоков фотоприемников (БФ) и блока питания и контроля (БПК).
Конструкция БИ и БФ унифицирована и обеспечивает поворот блоков на угол +/- 150° в горизонтальной и на угол +/- 15° в вертикальной плоскостях.
Периметр охраняемого объекта должен быть оборудован ограждением, которое будет служить механической преградой для нарушителя. С внутренней стороны ограждения необходимо выделить зону отторжения шириной не менее 1 м, которая должна быть свободна от растительности и других предметов, препятствующих прохождению лучей.
Блоки извещателя могут устанавливаться на стенах, специальных столбах или стойках, обеспечивающих отсутствие колебаний амплитудой более 0,1 мм.
Для защиты блоков извещателя от посторонних лиц рекомендуется размещать блоки в специальных кожухах.
Длина общего соединительного кабеля между БПК и БФ должна быть не более 5 м. Длина общего соединительного кабеля между БПК и БИ должна быть не более 320 м. Соединительные провода прокладываются в трубах или металлорукавах в зависимости от требований на охраняемом объекте и типов используемых проводов.
При метеорологической дальности видимости менее 180 м для сохранения работоспособности извещателя рабочее расстояние между БИ и БФ должно быть уменьшено в соответствии с
таблицей 3.14.
Таблица 3.14
Правила установки БИ и БФ
Минимальная метеорологическая дальность видимости, м | 100 | 50 | 25 |
Максимальное рабочее расстояние между БИ и БФ, м | 215 | 110 | 55 |
3.2.9 Извещатели пассивные оптико-электронные
Пассивные оптико-электронные извещатели получили наиболее широкое распространение. Это связано с тем, что с помощью специально разработанных для них оптических систем можно достаточно просто и быстро получать зоны обнаружения различной формы и размеров и использовать их для охраны объектов практически любой конфигурации: жилых, производственных, торговых и административных помещений; строительных конструкций - витрин, окон, дверей, стен, потолков; открытых площадок, внутренних и внешних периметров; отдельных предметов - музейных экспонатов, ЭВМ, оргтехники и т.п.
Зона обнаружения извещателя представляет собой пространственную дискретную систему, состоящую из элементарных чувствительных зон в виде лучей, расположенных в один или несколько ярусов или в виде тонких широких пластин, расположенных в вертикальной плоскости, (типа "занавес"). Условно зоны обнаружения извещателей можно разделить на 6 основных видов:
широкоугольная одноярусная типа "веер" (поверхностная);
широкоугольная, узконаправленная типа "занавес" (поверхностная);
узконаправленная типа "лучевой барьер" (линейная);
панорамная одноярусная (поверхностная);
панорамная многоярусная (объемная).
Принцип действия извещателей основан на регистрации разницы между интенсивностью инфракрасного излучения, исходящего от проникающего в контролируемую зону нарушителя, и фоновой температурой на охраняемом объекте.
Чувствительным элементом схемы является пироэлектрический преобразователь, на котором фокусируются инфракрасные лучи с помощью зеркальной или линзовой оптической системы (последние получили в настоящее время наиболее широкое распространение). Сигналы с пироприемника обрабатываются логическим блоком, который управляет выходным элементом схемы извещателя, выдающим тревожное извещение на приемно-контрольный прибор.
Ведущими фирмами в качестве чувствительных элементов используются пироприемники с двумя чувствительными площадками, что позволяет существенно снизить вероятность ложных срабатываний под воздействием внешних факторов, например, конвективных потоков воздуха, световых помех и т.п.
Для обеспечения устойчивой работы извещателя рекомендуется придерживаться следующих правил:
не устанавливать извещатель над отопительными приборами;
не направлять извещатель на вентиляторы теплого воздуха, прожекторы, лампы накаливания и другие источники, вызывающие быстрые изменения температуры;
не допускать попадания на извещатель прямых солнечных лучей;
не допускать нахождения в зоне обнаружения предметов (штор, перегородок, шкафов и т.п.), способных создавать "мертвые" зоны, и животных.
Извещатель оптико-электронный ИОП 209-3 "Фотон-2" предназначен для работы в закрытых помещениях с температурой окружающего воздуха от +10 °C до +50 °C.
Рекомендуемое применение - защита коридоров, протяженных помещений магазинов, складов, музеев от проникновения, а также для обнаружения очага пожара в виде открытого пламени.
Зона обнаружения извещателя состоит из четырех элементарных чувствительных зон, расходящихся от входного окна извещателя по радиальным направлениям в вертикальной плоскости.
Дальность действия извещателя "Фотон-2" при обнаружении человека и открытого пламени:
до 30 м без применения светозащитного фильтра;
до 15 м с применением светозащитного фильтра.
Место установки извещателя "Фотон-2" выбирается таким образом, чтобы чувствительные зоны размещались поперек вероятного направления движения нарушителя.
Если зона обнаружения будет направлена влево или вправо от начального положения, то необходимо воспользоваться кронштейном, на котором крепится извещатель. Изменение угла поворота достигается уменьшением или увеличением угла раскрытия кронштейна.
Таблица 3.15
Характеристики пассивных инфракрасных извещателей
Характеристика | Фотон-2 | Фотон-4 |
Принцип обнаружения | инфракрасный пассивный |
Тип зоны обнаружения | "занавес" | объемная |
Количество элементарных чувствительных зон: | 4 | |
дальних (верхний ярус) | | 9 |
средних (средний ярус) | | 4 |
ближних (нижний ярус) | | 3 |
Дальность действия, м: | | |
без светозащитного фильтра | 30 | 12 |
со светозащитным фильтром | 15 | 10 |
Диапазон обнаруживаемых скоростей, м/с | 0,4 - 3 | 0,3 - 3 |
Контролируемая площадь, м2: | | |
без светозащитного фильтра | | 120 |
со светозащитным фильтром | | 100 |
Угол обзора, градус: | | |
в вертикальной плоскости | | 30 |
в горизонтальной плоскости | | 90 |
Высота установки, м: | | |
на стене, в углу | | 1,5 - 2,5 |
на потолке | | 3,5 |
Минимальная площадь открытого пламени, см2 | 1000 | |
Извещение "Проникновение" | размыкание контактов реле |
Длительность извещения "Проникновение", с | 2 | 2 |
Индикация | | светодиод |
Напряжение питания постоянного тока, В | 12 | 9,5 - 17,5 |
Амплитуда пульсаций, мВ | | 20 |
Потребляемый ток, мА: | | 15 |
в дежурном режиме | 20 | |
в режиме "Проникновение" | 25 | |
Максимальные коммутируемые контактами реле: | | |
ток, мА | 30 | 30 |
напряжение, В | 72 | 72 |
Диапазоны рабочих температур, °C | +5 - +50 | -30 - +50 |
Относительная влажность воздуха при 35 °C, % | 80 | 80 |
Габариты, мм | 180 x 120 x 115 | 110 x 950 x 100 |
Масса, кг | 1,3 | 0,35 |
Извещатель инфракрасный пассивный ИО 409-1 "Фотон-4" предназначен для работы в закрытых отапливаемых и неотапливаемых помещениях с температурой окружающего воздуха от минус 30 °C до +50 °C.
Рекомендуемое применение извещателя - блокировка объемов помещений, мест сосредоточения ценностей, музейных экспонатов, оргтехники, а также неотапливаемых гаражей, ангаров, складских и других помещений.
Извещатель "Фотон-4" имеет дискретную широкоугольную (90° в горизонтальной и 30° в вертикальной плоскости) объемную зону обнаружения, которая формируется с помощью двухплощадного пироприемника и многосегментного зеркала. Зона обнаружения состоит из 16-ти двойных чувствительных зон, расположенных в три яруса (9 в верхнем, 4 в среднем и 3 в нижнем), что обеспечивает высокую обнаруживающую способность извещателя.
Извещатель не является источником помех и не оказывает влияния на работу других извещателей.
Специальная схема включения чувствительных площадок пироприемника обеспечивает повышенную устойчивость извещателя к засветкам от осветительных приборов и солнца, а также к тепловым воздушным потокам, создаваемым различными источниками.
В извещателе предусмотрены два режима работы: с повышенной помехозащищенностью и с повышенной чувствительностью.
Извещатель "Фотон-4" выполнен в виде одного блока и состоит из кожуха, обрамления, основания, шасси и зеркала.
Кожух выполнен из ударопрочной пластмассы и для защиты от электромагнитных воздействий металлизирован.
Входное окно закрывается прозрачной или белой полиэтиленовой пленкой, которая закрепляется при помощи обрамления.
Место установки извещателя "Фотон-4" выбирается таким образом, чтобы чувствительные зоны пересекали вероятные направления движения нарушителя.
Извещатель монтируется при помощи кронштейна либо основания на стене или в углу с возможностью поворота корпуса на угол:
0°, 7°, 10° в вертикальной плоскости;
+/- 15° в горизонтальной плоскости.
В
таблице 3.16 приведена зависимость максимальной дальности обнаружения от высоты установки извещателя и угла поворота в вертикальной плоскости.
Таблица 3.16
Высота установки извещателя
Высота, м | Дальность, м, при угле поворота |
0° | 7° | 10° |
1,5 | 13,0 | 8,3 | 5,6 |
2,0 | | 12,5 | 8,3 |
2,5 | | | 11,2 |
Допускается монтаж извещателя на потолке при помощи кронштейна на высоте до 3,5 м с возможностью поворота корпуса на угол 360° в горизонтальной плоскости и на угол 0 - 20° в вертикальной плоскости.
Извещатель выдает извещение о проникновении размыканием контактов исполнительного реле и включением индикатора на время 2 с.
Извещатель инфракрасный пассивный ИО 309-1 "Фотон-5" предназначен для работы в закрытых отапливаемых и неотапливаемых помещениях с температурой окружающего воздуха от минус 40 °C до +50 °C.
Рекомендуемое применение извещателя - блокировка оконных и дверных проемов, полов, потолков, проходов между стеллажами, коридоров, подходов к местам сосредоточения ценностей, музейным экспонатам, оргтехнике, а также неотапливаемых гаражей, ангаров, складских и других помещений.
Извещатель "Фотон-5" имеет сплошную узконаправленную (5° в горизонтальной и 80° в вертикальной плоскостях) поверхностную зону обнаружения типа "занавес", которая формируется с помощью двухплощадного пироприемника и линзы Френеля. Такая структура зоны обеспечивает высокую обнаруживающую способность извещателя.
Извещатель не является источником помех и не оказывает влияния на работу других извещателей.
Специальная схема включения чувствительных площадок пироприемника и способ обработки сигналов обеспечивают повышенную устойчивость извещателя к засветкам от осветительных приборов и солнца, а также к тепловым воздушным потокам, создаваемым различными источниками.
Извещатель "Фотон-5" выполнен в виде одного блока. Кожух извещателя состоит из корпуса и основания. В корпусе имеются перегородки, разделяющие оптический узел и монтажный отсек. Кожух выполнен из ударопрочной пластмассы и для защиты от электромагнитных воздействий металлизирован.
Место установки извещателя "Фотон-5" выбирается таким образом, чтобы его чувствительная зона пересекала вероятное направление движения нарушителя.
Извещатель устанавливается на стене или в углу при помощи основания либо монтажного кронштейна, который дает возможность поворота корпуса на угол +/- 90° в плоскости, перпендикулярной плоскости зоны обнаружения.
При вертикальном расположении плоскости зоны обнаружения извещатель монтируется на высоте 2,3 - 5 м, а при горизонтальном - на высоте менее 0,5 м или более 2 м. Учтите, что при горизонтальном расположении зоны обнаружения ее размеры не превышают 5 x 5 м.
Извещатель выдает извещение о проникновении размыканием контактов исполнительного реле и включением индикатора на время 2 с.
Таблица 3.17
Характеристики пассивных инфракрасных извещателей
Характеристика | Фотон-5 | Фотон-6 | Фотон-6А | Фотон-6Б | Фотон-СК | Фотон-8 | Фотон-8А | Фотон-8Б |
Принцип обнаружения | инфракрасный пассивный |
Тип зоны обнаружения | занавес | объемная | линейная | поверхн. | объем | объемная | линейная | поверхн. |
Количество элементарных чувствительных зон | 12 | 15 | 10 | 1 | 33 | 15 | 10 | 1 |
Максимальная дальность действия (м) при: | | 12 | 20 | 10 | 10 | 12 | 20 | 10 |
вертикальной установке | 10 | | | | | | | |
горизонтальной плоскости | 5 | | | | | | | |
Угол обзора, градус: | | | | | | | | |
в вертикальной установке | 80 | 30 | 45 | 90 | 90 | 30 | 45 | 90 |
в горизонтальной плоскости | 5 | 90 | 5 | 5 | 90 | 90 | 5 | 5 |
Контролируемая площадь, м2 | 40 | 120 | | 50 | 120 | 120 | | 50 |
Высота установки, м | 2,3 - 5 | 2,3 - 3 | 2,3 - 3 | 2,3 - 5 | 2,3 - 12 | 2,3 - 3 | 2,3 - 3 | 2,3 - 5 |
Диапазон обнаруживаемых скоростей, м/с | 0,3 - 3 | 0,3 - 3 | 0,3 - 3 | 0,3 - 3 | 0,3 - 3 | 0,3 - 3 | 0,3 - 3 | 0,3 - 3 |
Извещение "Проникновение" | размыкание контактов реле | Изменение тока в ШС |
Минимальная длительность извещения "Тревога", с | 2 | 2 | 2 | 2 | 2 | 750 | 750 | 750 |
Индикация | светодиод |
Напряжение питания постоянного тока, В | 9 - 18 | 10,2 - 15 | 10,2 - 15 | 10,2 - 15 | 10 - 14 | 10 - 72 | 10 - 72 | 10 - 72 |
Потребляемый ток (при напряжении питания 12 В), мА | 15 | 15 | 15 | 20 | 20 | 2 - 15 | 2 - 15 | 2 - 15 |
Максимальные коммутируемые контактами реле: | | | | | | | | |
ток, мА | 30 | 30 | 30 | 30 | | | | |
напряжение, В | 72 | 72 | 72 | 72 | | | | |
Диапазон рабочих температур, °C | -40 - +50 | -30 - +50 | -30 - +50 | -30 - +50 | 0 - +50 | -10 - +50 | -10 - +50 | -10 - +50 |
Относительная влажность воздуха при 35 °C, % | 80 | 90 | 90 | 90 | 95 | 90 | 90 | 90 |
Габаритные размеры, мм | 120 x 80 x 65 | 106 x 106 x 63 | 106 x 106 x 63 | 107 x 107 x 63 | 68 x 127 x 48 | 107 x 107 x 64 | 107 x 107 x 64 | 107 x 107 x 64 |
Масса, кг | 0,25 | 0,35 | 0,35 | 0,25 | 0,09 | 0,25 | 0,25 | 0,25 |
Извещатели инфракрасные пассивные ИО 409-2 "Фотон-6", ИО 209-8 "Фотон-6А", ИО 309-2 "Фотон-6Б" предназначены для работы в закрытых отапливаемых и неотапливаемых помещениях с температурой окружающего воздуха от минус 30 °C до +50 °C.
Благодаря возможности формирования зон обнаружения различной конфигурации, извещатель имеет универсальное применение и может использоваться для блокировки:
объемов помещений, мест сосредоточения ценностей, музейных экспонатов, оргтехники;
коридоров, внутренних периметров, проходов между стеллажами;
оконных и дверных проемов, полов, потолков, помещений с наличием мелких животных, подходов к стеллажам, местам сосредоточения ценностей;
неотапливаемых гаражей, ангаров, складских помещений.
Оптическая система извещателя "Фотон-6" позволяет получить зоны обнаружения трех типов:
объемную (90° в горизонтальной и 30° в вертикальной плоскостях) зону дальностью 12 м - модель "Фотон-6";
узконаправленную зону (45° в вертикальной и 5° в горизонтальной плоскостях) типа "лучевой барьер" длиной 20 м - модель "Фотон-6А". Зона имеет короткие боковые лепестки для защиты подходов к извещателю;
узконаправленную сплошную зону (90° в вертикальной и 5° в горизонтальной плоскостях) типа "занавес" длиной 10 м - модель "Фотон-6Б".
Конфигурация зоны обнаружения определяется типом применяемой линзы.
Каждая зона состоит из двух элементарных чувствительных зон и формируется с помощью двухплощадного пироприемника и соответствующей линзы Френеля, что обеспечивает высокую обнаруживающую способность извещателя.
Извещатель не является источником помех и не оказывает влияния на работу других извещателей.
Специальная схема включения чувствительных площадок пироприемника и способ обработки сигнала обеспечивают повышенную устойчивость извещателя к засветкам от осветительных приборов и солнца, а также к тепловым воздушным потокам, создаваемым различными источниками.
Извещатель "Фотон-6" выполнен в виде одного блока. Кожух извещателя состоит из корпуса и основания. От воздействия электромагнитных помех элементы схемы защищены металлическими экранами.
В конструкции предусмотрена возможность изменения положения печатной платы относительно основания, что позволяет достаточно просто изменять ориентацию зоны обнаружения в вертикальной плоскости на угол +/- 6°.
Место установки извещателя "Фотон-6" выбирается таким образом, чтобы его чувствительные зоны пересекали вероятные направления движения нарушителя.
Извещатель устанавливается на стене или в углу при помощи монтажного кронштейна, который дает возможность наклона корпуса в вертикальной плоскости на угол 17° (модели "Фотон-6", "Фотон-6А") либо на угол 45° (модель "Фотон-6Б"). Для крепления извещателя к кронштейну в основании имеется отверстие под винт. Возможно крепление извещателя на стене без кронштейна. При установке извещателя непосредственно на стене в основании предусмотрено второе отверстие для крепления к строительной конструкции. Извещатели "Фотон-6", "Фотон-6А" монтируются на высоте 2,3 - 3 м, а модель "Фотон-6Б" - на высоте 2,3 - 5 м.
Извещатель выдает извещение о проникновении размыканием контактов исполнительного реле и включением индикатора на время не менее 2 с.
Извещатели инфракрасные пассивные ИО 409-5 "Фотон-8", ИО 209-13 "Фотон-8А", ИО 309-6 "Фотон-8Б" предназначены для работы в закрытых помещениях с температурой окружающего воздуха от минус 10 °C до +50 °C.
Благодаря возможности формирования зон обнаружения различной конфигурации извещатель имеет универсальное применение и может использоваться для блокировки:
объемов помещений, мест сосредоточения ценностей (музейных экспонатов, оргтехники) и подходов к ним;
коридоров, внутренних периметров, проходов между стеллажами;
оконных и дверных проемов, стен, полов и потолков.
Извещатель "Фотон-8" имеет два режима выдачи тревожного извещения:
режим короткого замыкания (КЗ) - тревожное извещение выдается путем увеличения тока потребления;
режим разрыва (РАЗР) - тревожное извещение выдается путем уменьшения тока потребления.
Режим работы задается перемычкой, расположенной на плате извещателя.
Оптическая система извещателя "Фотон-8" позволяет получать дискретные зоны обнаружения трех типов:
объемную (90° в горизонтальной и 30° в вертикальной плоскостях) зону дальностью 12 м - модель "Фотон-8";
узконаправленную зону (45° в вертикальной и 5° в горизонтальной плоскостях) типа "лучевой барьер" длиной 20 м - модель "Фотон-8А". Зона имеет короткие боковые лепестки для защиты подходов к извещателю;
узконаправленную сплошную зону (90° в вертикальной и 5° в горизонтальной плоскостях) типа "занавес" длиной 10 м - модель "Фотон-8Б".
Конфигурация зоны обнаружения определяется типом применяемой линзы. Каждая чувствительная зона состоит из двух элементарных чувствительных зон и формируется с помощью двухплощадного пироприемника и соответствующей линзы Френеля, что обеспечивает высокую обнаруживающую способность извещателя.
В конструкции предусмотрена возможность изменения положения печатной платы относительно основания, что позволяет достаточно просто изменять ориентацию зоны обнаружения в вертикальной плоскости на угол +/- 6°.
Место установки извещателя "Фотон-8" выбирается таким образом, чтобы его чувствительные зоны пересекали вероятные направления движения нарушителя.
Извещатель устанавливается на стене или в углу при помощи монтажного кронштейна, который обеспечивает наклон корпуса в вертикальной плоскости на угол 17° (модели "Фотон-8", "Фотон-8А") либо на угол 45° (модель "Фотон-8Б"). Для крепления извещателя к кронштейну в основании имеется отверстие под винт М3. Возможно крепление извещателя на стене без кронштейна. При установке извещателя непосредственно на стене в основании предусмотрено второе отверстие для крепления к строительной конструкции.
Извещатель монтируется на высоте 2,3 - 3 м для моделей "Фотон-8", "Фотон-8А" и на высоте 2,3 - 5 м для модели "Фотон-8Б".
При размещении извещателя на объекте соблюдайте следующие правила:
- устанавливайте извещатель на монтажном кронштейне только на капитальных или несущих конструкциях;
- не устанавливайте извещатель над отопительными устройствами, вблизи вентиляционных отверстий, а также в местах, где он может подвергаться воздействию прямого солнечного света либо прямым засветкам автомобильных фар;
- в зоне обнаружения извещателя не должно быть препятствий (крупногабаритных предметов, перегородок), которые могут создавать "мертвые" зоны, колеблющихся предметов (растений, штор), а также включенных ламп накаливания.
Извещатель выдает извещение о проникновении увеличением или уменьшением тока потребления в цепи шлейфа и изменением состояния индикатора на время не менее 750 мс.
Извещатель объемный инфракрасный пассивный ИО 409-6 "Фотон-СК" предназначен для охраны закрытых помещений с температурой окружающего воздуха от нуля до +50 °C. Благодаря возможности замены линзы извещатель может быть использован для защиты объемов помещений даже при наличии в них домашних животных.
Оптическая система извещателя "Фотон-СК" позволяет получить зоны обнаружения двух типов:
- объемную (90° в горизонтальной плоскости) зону дальностью 10 м. Зона имеет две антисаботажные зоны для защиты подходов к извещателю;
- поверхностную (90° в горизонтальной плоскости) зону дальностью 10 м.
Конфигурация зоны обнаружения определяется типом применяемой линзы.
Каждая зона состоит из двух элементарных чувствительных зон и формируется с помощью двухплощадного пироприемника и соответствующей линзы Френеля, что обеспечивает высокую обнаруживающую способность извещателя.
Пассивный инфракрасный извещатель не является источником помех и не оказывает влияния на работу других извещателей.
Извещатель устойчив к импульсным помехам по цепям питания, электромагнитному излучению УКВ-диапазона, перемещениям мелких животных. Специальная схема включения чувствительных площадок пироприемника и способ обработки сигнала обеспечивают повышенную устойчивость извещателя к перепадам фоновой освещенности, а также к тепловым воздушным потокам, создаваемым различными источниками.
Извещатель "Фотон-СК" выполнен в виде одного блока. Кожух извещателя состоит из корпуса и основания. От воздействия электромагнитных помех элементы схемы защищены металлическим экраном.
В извещателе предусмотрена возможность изменения положения печатной платы относительно основания, что позволяет изменять ориентацию зоны обнаружения в вертикальной плоскости на угол +/- 3°.
Для визуального контроля наличия извещения о проникновении на плате размещен световой индикатор. Удаление перемычки LED ENABLE позволяет отключить световой индикатор.
Место установки извещателя "Фотон-СК" выбирается таким образом, чтобы его чувствительные зоны пересекали вероятные направления движения нарушителя.
Извещатель устанавливается на стене или в углу при помощи основания. Для крепления извещателя в основании предусмотрены места для сверления отверстий.
Стандартная высота установки извещателя "Фотон-СК" с объемной зоной обнаружения 2,3 м. Если высота установки извещателя больше 2,3 м, то необходимо сдвинуть плату в положение "-1". При установке линзы, обеспечивающей защиту от домашних животных, высота установки 1,2 м, указатель положения платы - в положении "+1".
При размещении извещателя на объекте необходимо соблюдать следующие правила:
- устанавливать извещатель только на капитальных или несущих конструкциях;
- не устанавливать извещатель над отопительными устройствами, вблизи вентиляционных отверстий, а также в местах, где он может подвергаться воздействию прямого солнечного света либо прямым засветкам автомобильных фар;
- в зоне обнаружения извещателя не должно быть препятствий (крупногабаритных предметов, перегородок), которые могут создавать "мертвые зоны", колеблющихся предметов (растений, штор), а также включенных ламп накаливания;
- не производите разводку проводов питания и шлейфа сигнализации вблизи силовых электрических проводов и кабелей (в том числе линий подключения оповещателей к приемно-контрольному прибору).
При прокладке линий питания извещателя и шлейфа сигнализации параллельно силовым линиям расстояние между ними должно быть не менее 50 см, а их пересечение должно производиться под прямым углом.
Извещатель инфракрасный пассивный "9981" предназначен для работы в закрытых отапливаемых помещениях с температурой окружающего воздуха от минус 10 °C до +50 °C.
Рекомендуемое применение извещателя - блокировка объемов помещений, мест сосредоточения ценностей, музейных экспонатов, оргтехники, офисов, выставочных залов, коттеджей, квартир.
Благодаря наличию масочных полосок конфигурация зоны обнаружения может быть легко изменена применительно к характеристикам конкретного помещения.
Зона обнаружения состоит из двойных элементарных чувствительных зон и формируется с помощью двухплощадного пироприемника и линзы Френеля, что обеспечивает высокую обнаруживающую способность извещателя.
Наличие антисаботажной зоны непосредственно под извещателем исключает несанкционированный подход к нему. Кроме этого, в извещателе предусмотрена блокировка от вскрытия.
Извещатель не является источником помех и не оказывает влияния на работу других извещателей.
Специальная схема включения чувствительных площадок пироприемника и двухканальная обработка сигналов обеспечивают повышенную устойчивость извещателя к засветкам от осветительных приборов и солнца, а также к тепловым воздушным потокам, создаваемым различными источниками.
Извещатель "9981" выполнен в виде одного блока. Кожух извещателя состоит из корпуса и основания. В конструкции предусмотрена возможность изменения положения печатной платы относительно основания, что позволяет достаточно просто изменять ориентацию зоны обнаружения в вертикальной плоскости на угол +5° - -20°.
В извещателе предусмотрена возможность отключения индикатора при помощи перемычки.
Место установки извещателя "9981" выбирается таким образом, чтобы его чувствительные зоны располагались поперек вероятных направлений движения нарушителя.
Извещатель монтируется на стене или в углу при помощи основания, монтажного либо поворотного кронштейнов. Для крепления извещателя непосредственно на стене в основании имеются заглушенные отверстия.
Рекомендуемая высота установки извещателя - 1,8 - 2,6 м. Для стандартной линзы по выбранной высоте крепления и дальности действия извещателя производится установка регулировочной стрелки напротив соответствующего лимба согласно
таблице 3.18.
Таблица 3.18
Регулировка извещателя (линза 998)
Высота, м | Дальность действия, м |
4,6 | 6 | 9 | 12 | 15 |
| Положение метки | |
2,6 | -20° | -16° | -11° | -8° | -7° |
2,4 | -20° | -15° | -10° | -8° | -6° |
2,1 | -16° | -12° | -8° | -6° | -5° |
1,8 | -13° | -10° | -6° | -5° | -4° |
Извещатель выдает извещение о проникновении размыканием контактов исполнительного реле и включением индикатора на время 2 с.
Таблица 3.19
Характеристики извещателей фирмы Ademco
Характеристика | Ademco 9981 | | |
Принцип обнаружения | инфракрасный пассивный |
Тип зоны обнаружения | объемн. | поверхн. | поверхн. |
Максимальная дальность действия, м | 15 | 10 | 12 |
Угол обзора в горизонтальной плоскости, градус | 90 | 84 | 90 |
Диапазон обнаруживаемых скоростей, м/с | 0,15 - 3 | | 0,15 - 1,5 |
Извещение "Проникновение" | размык. контактов реле | кодированный сигнал |
Длительность извещения "Тревога", с | 2 | | |
Индикация | светодиод |
Напряжение питания постоянного тока, В | 12 +/- 0,6 | | 6 |
Потребляемый ток (при напряжении питания 12 В), мА | 18 | | |
Максимальные коммутируемые контактами реле: | | | |
ток, мА | 30 | | |
напряжение, В | 72 | | |
Диапазон рабочих температур, °C | -10 - +50 | | 0 - +50 |
Относительная влажность воздуха при 35 °C, % | 95 | | 95 |
Габаритные размеры, мм | 67 x 111 x 51 | | 68 x 127 x 48 |
--------------------------------
<*> Извещатель входит в комплект поставки изделий типа "Vista".
3.2.10 Извещатели радиоволновые
Радиоволновые извещатели могут применяться для охраны объемов закрытых помещений, внутренних и внешних периметров, отдельных предметов и строительных конструкций, открытых площадок и формируют извещение о проникновении при возмущении поля электромагнитных волн СВЧ-диапазона, вызываемом движением нарушителя в зоне обнаружения.
Зона обнаружения извещателя (как и у ультразвуковых извещателей) имеет форму эллипсоида вращения или "каплевидную" форму и отличается от извещателя к извещателю, как правило, только размерами.
Для обеспечения устойчивой работы радиоволновых извещателей рекомендуется придерживаться следующих правил:
не устанавливать извещатели на токопроводящие конструкции (металлические балки, сырую кирпичную кладку и т.п.), так как между извещателем и источником питания возникает двойной контур заземления, что может стать причиной ложного срабатывания извещателя;
вынести за пределы зоны обнаружения колеблющиеся или движущиеся предметы, имеющие значительную отражающую поверхность, а также крупногабаритные предметы, способные создавать "мертвые" зоны или сформировать зону обнаружения таким образом, чтобы эти предметы в нее не попадали.
При наличии "мертвых" зон необходимо следить за тем, чтобы они не образовали нарушителю непрерывный путь к материальным ценностям; на период охраны закрывать на запоры двери, окна, форточки, фрамуги, люки, а также выключать вентиляционные и силовые установки; не допускать попадания в зону обнаружения пластмассовых труб и оконных стекол, по которым возможно движение воды.
Эффективными методами уменьшения влияния указанных факторов являются закрепление предметов, которые могут двигаться; выбор соответствующего направления излучения извещателя, а также применение радионепроницаемых экранов, например, в виде металлических сеток перед предметами, вибрации или движение которых невозможно устранить; устранить возможность срабатывания извещателя при появлении в зоне обнаружения мелких животных и насекомых путем выбора высоты подвеса извещателя и ориентации направления его излучения параллельно полу; выбором соответствующей задержки времени срабатывания извещателя и обработкой места установки извещателя специальными химическими средствами; на период охраны выключать источники люминесцентного освещения.
Если это невозможно, необходимо следить за тем, чтобы не было вибраций арматуры светильников, мигания или других переходных процессов в самих лампах, которые обычно возникают перед выходом лампы из строя; не ориентировать извещатель на оконные проемы, тонкие стены и перегородки, за которыми в период охраны возможно движение крупногабаритных предметов; не применять извещатели на объектах, вблизи которых расположены мощные радиопередающие средства.
Извещатели радиоволновые ИО 407-5/2 "АРГУС-2", "АРГУС-2М", "АРГУС-3" предназначены для работы в закрытых отапливаемых помещениях с температурой окружающего воздуха от минус 30 °C до +50 °C (у извещателя "Аргус-3" нижняя граница температуры минус 10 °C).
Рекомендуемое использование извещателя - блокировка объемов помещений, мест сосредоточения ценностей, музейных экспонатов, оргтехники.
Извещатели имеют сплошные объемные зоны обнаружения двух типов:
с максимальной площадью 90 м2 и контролируемым объемом 200 м3 при дальности 12 - 16 м - модель "Аргус-2". Максимальная рабочая дальность действия извещателя с помощью регулировки может быть уменьшена до 2 - 4 м;
с максимальной площадью 25 м2 и контролируемым объемом 40 м3 при дальности 6 - 8 м - модель "Аргус-2М" и "АРГУС-3". Максимальная рабочая дальность действия извещателя с помощью регулировки может быть уменьшена до 1 - 3 м.
Извещатель допускает маскировку материалами, пропускающими радиоволны (ткани, древесные плиты). Извещатель выгодно отличается возможностью использования его в охране помещений с принудительной либо естественной вентиляцией - складов, ангаров.
Извещатели "АРГУС-2" и "АРГУС-2М" устанавливаются на стене при помощи монтажного кронштейна, который дает возможность изменения положения корпуса в горизонтальной плоскости на угол 90°. Для получения горизонтально ориентированной зоны обнаружения кронштейн крепится к опоре через верхнюю пару отверстий, а для получения наклона зоны обнаружения на угол 15° в вертикальной плоскости - через нижнюю пару.
Конструкция извещателя "АРГУС-3" обеспечивает плавное изменение положения корпуса на угол 60° в горизонтальной и в вертикальной плоскостях.
Извещатель монтируется на высоте 2 + 0,5 м только на жестких исключающих вибрацию конструкциях - капитальных стенах, колоннах.
Расстояние до работающих газоразрядных ламп должно быть не менее 8 м.
Извещатель выдает извещение о проникновении размыканием контактов исполнительного реле и включением индикатора на время 2 с.
Таблица 3.20
Характеристики радиоволновых извещателей
Характеристика | Аргус-2 | Аргус-3 | Тюльпан-3 | Волна-5 | Радий-1 | Радий-2 | Фон-1М | Шторм-2 |
Принцип обнаружения | радиоволновой |
Тип зоны обнаружения | объемная сплошная | объемный барьер | объемная |
Контролируемая площадь, м2, не менее | 90 | 25 | 90 | 90 | | | 300 | 400 |
Максимальная дальность действия, м | от 2 - 4 до 12 - 16 | от 2 - 3 до 6 - 7,5 | от 1,5 - 3,5 до 15 - 17 | от 2 - 5 до 12 - 5 | 20 - 200 | 20 - 200 | | 50 |
Ширина зоны обнаружения, м | 6 - 8 | 3 - 4 | | 6 | 1,2 - 6 | 1,5 - 5 | | 10 |
Высота зоны обнаружения, м | | | | 8 | 1,5 - 2,5 | 1,5 - 3 | | |
Контролируемый объем, м3 | 200 | 40 | 250 | | | | | |
Длина "мертвой зоны" вблизи передатчика/приемника, м | | | | | 5 | 2,5 | | |
Угол поворота блока передатчика/приемника, градус: | | | | | | | | |
в горизонтальной плоскости | | | | | +/- 30 | | | |
в вертикальной плоскости | | | | | +/- 10 | | | |
Высота установки, м | 2 - 2,5 | 2 - 2,5 | 2 - 2,5 | 2 - 2,5 | | | 0,2 - 5 | |
Диапазон обнаруживаемых скоростей перемещения, м/с | 0,3 - 3 | 0,3 - 3 | 0,3 - 3 | 0,3 - 3 | 0,1 - 10 | 0,3 - 10 | | 0,2 - 5 |
Извещение "Проникновение" | размыкание контактов реле | Изм. тока в ШС | размыкание контактов реле |
Минимальная длительность извещения "Проникновение", с | 2 | 2 | 2 | 2 | 5 | 3 | 2 | 2 |
Индикация | светодиод | | |
Питание передатчика (от сети перемен. тока): | | | | | 187 - 242 | 187 - 242 | | |
напряжение, В | | | | | | | | |
потребляемая мощность (с учетом приемника), ВА | | | | | 28 | 25 | | |
Резервное питание передатчика (от источника постоянного тока): | | | | | | | | |
напряжение, В | | | | | 18 - 27 | | | |
потребляемый ток (с учетом приемника), А | | | | | 0,5 | | | |
Питание приемника (от отдельного источника постоянного тока): | | | | | | | | |
напряжение, В | | | | | 18 - 36 | | | |
потребляемая мощность, Вт | | | | | 3,5 | | | |
Напряжение питания постоянного тока, В | 10,2 - 15 | 10,2 - 15 | 10,2 - 24 | | | 11,5 - 30 | 21 - 27 | 21 - 27 |
Потребляемый ток (при напряжении питания 12 В), мА | 16 | 30 | 70 | | | | | |
Максимальные коммутируемые контактами реле: | | | | | | | | |
ток, мА | 30 | 30 | 30 | | 30 | 30 | | |
напряжение, В | 72 | 72 | 72 | | 65 | 65 | | |
Напряжение постоянного тока в ШС, В: | | | | | | | | |
(перемычка отсутствует) | | | | 18 - 72 | | | | |
(перемычка установлена) | | | | 12 - 27 | | | | |
Потребляемый ток в дежурном режиме (при напряжении 72 В), мА | | | | 1,5 | | | | |
Потребляемый ток (при напряжении 24 В), А | | | | | 0,08 | | | |
Диапазон напряжения питания сети переменного тока, В | | | | | | | 187 - 242 | 187 - 242 |
Мощность потребления от сети переменного тока, ВА | | | | | | | 30 | 50 |
Диапазон рабочих температур, °C | -30 - +50 | -10 - +50 | -30 - +50 | -30 - +50 | -40 - +50 | -40 - +50 | -45 - +50 | -45 - +50 |
Относительная влажность воздуха при 25 °C, % | 98 | 98 | 98 | 98 | 100 | 95 | | |
Габаритные размеры, мм: | 100 x 90 x 65 | 90 x 75 x 40 | 95 x 75 x 70 | 100 x 90 x 65 | 570 x 380 x 185 | | 310 x 350 x 160 | 300 x 350 x 125 |
блока передатчика (приемника) | | | | | | 270 x 223 x 50 | | |
блока питания | | | | | | 270 x 220 x 150 | | |
механизма юстировки | | | | | | | 160 x 120 x 130 | 140 x 60 x 115 |
Масса, кг | 0,25 | 0,1 | 0,25 | 0,2 | | | 15 | 16 |
передатчика | | | | | 6,2 | 1,1 | | |
приемника | | | | | 5,8 | 1,2 | | |
механизма юстировки | | | | | 2,5 | | | |
блока питания | | | | | | 4,0 | | |
Извещатель радиоволновый ИО 307-2 "Волна-5" предназначен для работы в закрытых помещениях с температурой окружающего воздуха от минус 30 °C до +50 °C.
Рекомендуемое использование извещателя - охрана объемов помещений, мест сосредоточения ценностей, музейных экспонатов, оргтехники, а возможность работы при пониженных температурах - использовать извещатель для охраны неотапливаемых гаражей, ангаров, складских и других помещений.
Электропитание извещатель "Волна-5" получает по ШС - это позволяет работать с ППК типа "УОТС-1-1", "Сигнал-ВК", "Квинта", "Аккорд", "Адрес" и системами передачи извещений (СПИ) "Фобос", "Нева-10", "Нева-10М".
Возможность регулировки дальности действия позволяет использовать извещатель для охраны помещений различных размеров как больших (площадью до 90 м2), так и небольших помещений различного назначения.
Извещатель допускает маскировку материалами, пропускающими радиоволны (ткани, древесные плиты).
Извещатель устойчив к перемещению предметов в зоне на расстояние не более 0,2 м. Извещатель выгодно отличает возможность использования в охране помещений с принудительной или естественной вентиляцией - складов, ангаров.
Конструкция извещателя обеспечивает изменение положения корпуса на угол 15° в вертикальной плоскости и на угол +/- 50° в горизонтальной плоскости. Место установки извещателя "Волна-5" выбирается таким образом, чтобы его зона обнаружения перекрывала вероятные направления движения нарушителя.
Извещатель устанавливается на стене при помощи монтажного кронштейна, который дает возможность изменения положения корпуса в горизонтальной плоскости на угол 90°.
Для получения горизонтально ориентированной зоны обнаружения кронштейн крепится к опоре через верхнюю пару отверстий, а для получения наклона зоны обнаружения с наклоном 15° в вертикальной плоскости - через нижнюю пару.
Извещатель монтируется на высоте 2 + 0,5 м только на жестких, исключающих вибрацию, конструкциях - капитальных стенах, колоннах.
При размещении извещателя на объекте соблюдайте следующие правила:
не направлять извещатель прямо на окна, стеклянные двери, тонкие перегородки, за которыми возможно движение людей или механизмов. Дальность действия извещателя устанавливайте с помощью регулятора "Д" в соответствии с размерами охраняемой зоны (дальность действия уменьшается при вращении оси регулятора "Д" против часовой стрелки);
закрыть на период охраны все двери, окна, фрамуги, форточки во избежание их колебаний от сквозняков или других воздействий;
вблизи извещателя не должно быть крупных металлических поверхностей и конструкций, так как в этом случае возможно переотражение СВЧ-энергии и непредсказуемое искажение зоны обнаружения.
Состояние индикатора определяется выбранным режимом выдачи извещения о проникновении. Если это "обрыв", то в дежурном режиме извещателя индикатор должен быть включен, а в режиме "Проникновение" - выключен. Если это "короткое замыкание", то в дежурном режиме извещателя индикатор должен быть выключен, а в тревожном режиме "Проникновение" - включен.
Извещатель формирует тревожное извещение изменением тока в ШС (имитация КЗ/обрыв при помощи электронного ключа).
Извещатель радиоволновый ИО 407-11 "Тюльпан-3" предназначен для работы в закрытых отапливаемых и неотапливаемых помещениях с температурой окружающего воздуха от минус 30 °C до +50 °C.
Рекомендуемое использование извещателя - блокировка объемов помещений, мест сосредоточения ценностей, музейных экспонатов, оргтехники, а возможность работы при пониженных температурах - использовать извещатель для охраны неотапливаемых гаражей, ангаров, складских и других помещений.
Извещатель "Тюльпан-3" имеет сплошную объемную зону обнаружения с максимальной контролируемой площадью 90 м2 и контролируемым объемом 250 м3 при дальности действия 15 - 17 м. Рабочая дальность действия извещателя с помощью регулировки может быть уменьшена до 1,5 - 3,5 м.
Извещатель допускает маскировку материалами пропускающими радиоволны (ткани, древесные плиты, пластик).
Извещатель можно использовать в охране помещений с принудительной либо естественной вентиляцией - складов, ангаров.
Извещатель "Тюльпан-3" имеет одноблочную конструкцию и состоит из пластмассового корпуса, устанавливаемого на кронштейне.
Кронштейн имеет съемную планку, под которой расположены клеммы подсоединения проводов питания и шлейфа сигнализации.
Конструкция кронштейна обеспечивает плавное изменение положения корпуса извещателя на угол 45° в горизонтальной и вертикальной плоскостях. Для фиксации необходимого угла поворота корпуса извещателя используйте два винта металлической скобы.
Для визуального контроля на торцевой поверхности корпуса извещателя расположены зеленый и красный светодиоды, индицирующие режимы "Норма", "Помеха", "Тревога".
Место установки извещателя "Тюльпан-3" выбирается таким образом, чтобы его зона обнаружения перекрывала вероятные направления движения нарушителя.
Извещатель монтируется на высоте (2 + 0,5) м только на жестких, исключающих вибрацию конструкциях: капитальных стенах, колоннах.
Доступ к клеммам подсоединения внешних цепей открывается после снятия крепежной планки кронштейна.
Доступ к регулятору дальности открывается после снятия верхней крышки корпуса извещателя.
Извещатель выдает извещение о проникновении размыканием контактов исполнительного реле и включением красного светового индикатора на время более 2 с.
Извещатель радиоволновый ИО 407-12 "Радий-1" предназначен для обнаружения проникновения на территорию объекта и может эксплуатироваться при температуре окружающего воздуха от минус 40 °C до +50 °C.
Рекомендуемое использование извещателя - блокировка внешних периметров зданий и территорий баз, складов, садовых и гаражных кооперативов.
Возможность регулировки чувствительности позволяет обнаруживать движение человека через зону в полный рост или пригнувшись.
Наличие трех частот модуляции передатчика обеспечивает отсутствие взаимного влияния рядом установленных комплектов извещателя.
В извещателе предусмотрены автоматический контроль за напряжением резервного источника питания, вскрытием и выходом из строя функциональных блоков.
Извещатель устойчив к импульсным помехам по цепям питания, электромагнитному излучению УКВ-диапазона, электростатическим разрядам, перемещениям в зоне обнаружения птиц и мелких животных, а также к воздействию осадков в виде дождя интенсивностью до 5 мм/мин, снега, солнечной тепловой радиации, ветра со скоростью не более 30 м/с.
Извещатель "Радий-1" состоит из двух блоков: передатчика и приемника, выполненных конструктивно одинаково. Механизм юстировки обеспечивает поворот блоков в вертикальной и горизонтальной плоскостях соответственно на угол +/- 10° и +/- 30°, а также крепление блоков, как на вертикальной стене, так и на столбах диаметром 60 - 120 мм.
Извещатель может размещаться вдоль забора или над ним, либо вдоль здания на большой высоте.
При установке извещателя следует учитывать наличие "мертвых" зон протяженностью от 2,5 м (при минимальной дальности) до 5 м (при максимальной дальности) от точек установки приемника и передатчика.
При размещении извещателя вдоль забора должна быть выделена зона отчуждения, в которой не должно быть построек, кустарника, деревьев, травы, неровностей почвы высотой выше 0,1 м. Ширина зоны отчуждения зависит от длины блокируемого участка.
Размещение извещателя над забором производится, если ограждение имеет высоту не менее 2 м.
При размещении извещателя вдоль здания на большой высоте, необходимо обеспечить отсутствие выступающих водосточных труб и стока воды с крыши здания в зоне обнаружения.
Соединительные провода прокладываются в трубах или металлорукавах в зависимости от конкретных условий на охраняемом объекте и типов используемых проводов.
Извещатель выдает извещение о проникновении размыканием либо замыканием контактов исполнительного реле на время 5 с.
Извещатели радиоволновые ИО 207-4 "Радий-2", ИО 207-4/1 "Радий-2/1", ИО 207/2 "Радий-2/2" предназначены для обнаружения проникновения на территорию объекта и могут эксплуатироваться при температуре окружающего воздуха от минус 40 °C до +50 °C.
Рекомендуемое использование извещателей - блокировка внешних периметров зданий и территорий баз, складов, садовых и гаражных кооперативов, имеющих сплошные ограждения из деревянных, бетонных или кирпичных конструкций.
Извещатели серии "Радий-2" создают с помощью разнесенных приемника и передатчика зону обнаружения длиной 10 - 200 м, шириной 1,5 - 5 м.
Наличие раздельной регулировки чувствительности для ближних и среднего участков зоны обнаружения позволяет обнаруживать движение человека через зону в полный рост или пригнувшись.
Извещатели устойчивы к саботажу, а возможность адаптации к изменениям условий окружающей среды делают их нечувствительными к импульсным помехам, нелинейным искажениям и провалам напряжения сети переменного тока, электромагнитному излучению УКВ-диапазона, электростатическим разрядам, перемещениям в зоне обнаружения птиц и мелких животных, а также к воздействию осадков в виде дождя и снега, солнечной тепловой радиации, ветровых нагрузок.
В извещателях предусмотрен дистанционный контроль работоспособности.
Извещатели "Радий-2" состоят из блоков передатчика и приемника. Конструкция блоков унифицирована. Габаритные размеры блоков зависят от модификации.
На основании закреплен кронштейн, позволяющий устанавливать блоки на опорах цилиндрической формы диаметром 100 - 200 мм и производить юстировку извещателей на объекте.
Ось излучения направлена под углом 3 - 5° к оси симметрии блоков.
Блоки извещателей "Радий-2" устанавливаются на опорах с помощью кронштейнов, входящих в комплект поставки, и ориентируются друг на друга по оси симметрии. В районах с высотой снежного покрова до 1 м, высота опоры должна быть не менее 1,5 м, а в малоснежных районах - не менее 1 м.
Места установки извещателей "Радий-2" выбираются таким образом, чтобы их зоны обнаружения полностью перекрывали участки периметра, через которые возможно проникновение нарушителя. При установке извещателей следует учитывать наличие "мертвых" зон протяженностью 1,5 - 5 м (при максимальной дальности) от точек размещения приемников и передатчиков.
Высота неровностей почвы в зоне обнаружения извещателей не должна превышать +/- 30 см, а минимальное расстояние от оси установки блоков до посторонних предметов, кустов, ветвей деревьев и т.п. определяется из
таблицы 3.21.
Таблица 3.21
Правила установки извещателя
Длина блокируемого участка, м, не более | Расстояние от оси установки блоков до посторонних предметов, м, не менее |
30 | 0,75 |
75 | 1,5 |
200 | 2,5 |
При установке извещателя на уровне 0,85 м высота травяного покрова в зоне обнаружения извещателей не должна превышать 30 см, а высота снежного покрова должна быть не более 50 см.
На одной опоре допускается установка блоков передатчиков или приемников смежных участков, коробки распределительной и блока питания.
Соединительные провода прокладываются в трубах или металлорукавах в зависимости от конкретных условий на охраняемом объекте и типов используемых проводов.
При работе с извещателем необходимо заземлять все измерительные приборы.
Извещатель выдает извещение о проникновении размыканием контактов исполнительного реле на время 3 с.
Извещатель радиоволновый ИО 407-4 "Шторм-2" предназначен для обнаружения проникновения на территорию объекта и может эксплуатироваться при температуре окружающего воздуха от минус 45 °C до +50 °C.
Рекомендуемое использование извещателя - блокировка автостоянок, гаражей, складских помещений из легких металлоконструкций, подходов к объектам, охраняемым извещателями других типов.
В извещателе предусмотрена возможность разделения извещений "Проникновение" и "Неисправность" путем размыкания или замыкания контактов исполнительного реле.
В извещателе имеется отдельное реле контроля работоспособности и индикация наличия помех.
Благодаря наличию ступенчатой регулировки чувствительности и дальности действия, извещатель может применяться для охраны как больших (объемом до 4000 м3) так и небольших помещений. Извещатель обеспечивает подавление чувствительности за пределами зоны обнаружения.
Извещатель "Шторм-2" устанавливается на стене или столбе с помощью кронштейна, входящего в комплект поставки.
Ось излучения, совпадающая с осью симметрии корпуса, направляется на середину контролируемой зоны.
При выборе места установки следует учитывать возможность появления "теней" и искажения зоны обнаружения за счет переотражения от металлических поверхностей. Зона обнаружения должна быть минимально необходимой для конкретного охраняемого объекта. Требуемые размеры зоны обнаружения устанавливаются переключателями ДАЛЬНОСТЬ и ручкой ЧУВСТВИТЕЛЬНОСТЬ.
Извещатель радиоволновый ИО 407-4 "ФОН-1М" предназначен для обнаружения проникновения на территорию объекта и может эксплуатироваться при температуре окружающего воздуха от минус 45 °C до +50 °C.
Рекомендуемое использование извещателя - блокировка автостоянок, гаражей, подходов к объектам, охраняемым другими типами извещателей, складов из легких металлоконструкций и неотапливаемых помещений объемом до 1000 м3.
Раздельная выдача извещений "Проникновение" и "Неисправность" путем размыкания или замыкания (по выбору) контактов исполнительных реле.
Извещатель "Фон-1М" устанавливается на стене или столбе с помощью кронштейна, входящего в комплект поставки.
Ось излучения, совпадающая с осью симметрии корпуса, направляется на середину требуемой зоны обнаружения.
При выборе места установки следует учитывать возможность появления "теней" и искажения зоны обнаружения за счет переотражения от металлических поверхностей. Зона обнаружения должна быть минимально необходимой для конкретного охраняемого объекта. Требуемые размеры зоны обнаружения устанавливаются переключателями ДАЛЬНОСТЬ и ручкой ЧУВСТВИТЕЛЬНОСТЬ.
3.2.11 Извещатели комбинированные
Комбинированные извещатели - это извещатели, принцип действия которых представляет собой сочетание двух (реже - трех) принципов обнаружения. Наиболее широкое распространение получили комбинации инфракрасного пассивного и радиоволнового, инфракрасного пассивного и ультразвукового принципов обнаружения.
Зона обнаружения извещателя является совокупностью зон обнаружения входящих в него модулей. Ее структура и вид полностью определяются характеристиками оптической системы инфракрасного пассивного модуля, а размеры - характеристиками обоих модулей.
Извещатели обладают очень высокой помехоустойчивостью и используются для охраны объектов со сложной помеховой обстановкой, где применение извещателей других категорий невозможно или неэффективно.
Извещатель комбинированный ИО 40709-1 "Сокол-1" предназначен для работы в закрытых отапливаемых и неотапливаемых помещениях с температурой окружающего воздуха от минус 10 °C до +50 °C.
Рекомендуемое применение извещателя: блокировка объемов помещений, мест сосредоточения музейных экспонатов, оргтехники.
Извещатель "Сокол-1" совмещает два канала обнаружения: инфракрасный (ИК) пассивный и радиоволновый (РВ) активный, а также выдает в шлейф сигнализации тревожное извещение при последовательном срабатывании обоих каналов (при приоритете РВ-канала).
Место установки извещателя выбирается таким образом, чтобы его зона обнаружения перекрывала вероятные направления движения нарушителя.
При необходимости охраны объектов, площадь которых превышает площадь зоны обнаружения одного извещателя, можно использовать два и более извещателей в одном помещении при питании каждого извещателя от отдельного источника питания. На взаимное размещение извещателя "Сокол-1" и пассивных оптико-электронных извещателей типа "Фотон-4" никаких ограничений не накладывается. При установке в одном помещении извещателя "Сокол-1" и радиоволнового извещателя типа "Волна" или "Аргус" их следует устанавливать на расстоянии не менее 3 м друг от друга при расположении на одной стене и параллельном направлении осей зон обнаружения. В том случае, если извещатели направлены друг на друга, расстояние между ними должно быть не менее 6 м. Аналогичным образом желательно размещение нескольких извещателей "Сокол-1" в одном помещении.
При выборе расположения зоны обнаружения учтите соотношения высоты установки, угла наклона в вертикальной плоскости и дальности обнаружения, приведенные в
таблице 3.22.
Таблица 3.22
Правила установки извещателя
Высота, м | 1,5 | 2 | 2,5 |
Угол наклона, градус | 0 | 7 | 11 | 7 | 11 | 11 |
Дальность, м | 12 | 8,3 | 5,6 | 12,5 | 8,3 | 11,2 |
На установочном основании имеются заглушенные отверстия для крепления извещателя в разных плоскостях.
Извещатель устанавливается на стене или в углу, крепление осуществляется в соответствии с
таблицей 3.23.
Таблица 3.23
Назначение крепежных отверстий
Угол наклона, градус | 0 | 7 | 11 |
N отверстия для крепления на стене | 1 - 1 | 2 - 2 | 3 - 3 |
N отверстия для крепления в углу | 4 - 4 | 5 - 5 | 6 - 6 |
Таблица 3.24
Характеристики комбинированных извещателей
Характеристика | Сокол-1 | DT4xx1T |
Принцип обнаружения | радиоволновый + инфракрасный пассивный |
Тип зоны обнаружения | объемная комбинированная |
Максимальная дальность действия, м: | 12 | |
DT 4201 T | | 6 |
DT 4351 T | | 11 |
DT 4501 T | | 15 |
Максимальная контролируемая площадь, м2: | 90 | |
DT 4201 T | | 20 |
DT 4351 T | | 65 |
DT 4501 T | | 125 |
Максимальный контролируемый объем, м3: | 150 | |
Угол обзора, градус: | | |
в вертикальной плоскости | 90 | 65 |
в горизонтальной плоскости | 90 | |
Высота установки, м | 1,5 - 2,5 | 2,3 |
Диапазон обнаруживаемых скоростей перемещения, м/с | 0,3 - 3 | 0,3 - 2 |
Извещение "Проникновение" | размыкание контактов реле |
Длительность извещения "Проникновение", с | 90 | 2 |
Индикация | 2 встроенных и 1 выносной индикатор | 3 встроенных индикатора |
Напряжение питания постоянного тока, В | 12 | 9 - 14 |
Потребляемый ток, мА: | | 35 |
в режимах "Дежурном" и "Проникновение" | 50 | |
в режиме "Внимание" | 200 | |
Диапазон рабочих температур, °C | -10 - +50 | 0 - +50 |
Относительная влажность воздуха при 35 °C, % | 80 | 80 |
Габаритные размеры, мм | 160 x 125 x 125 | 130 x 70 x 60 |
Масса, кг | 0,9 | 0,35 |
Извещатели комбинированные "DT4201T", "DT4351T", "DT4501T" предназначены для охраны закрытых отапливаемых помещений с температурой окружающего воздуха от 0 °C до +50 °C. Рекомендуемое использование извещателя - блокировка объемов помещений, мест сосредоточения ценностей, музейных экспонатов, оргтехники.
Извещатели "DT" имеют два канала обнаружения: инфракрасный (ИК) пассивный и радиоволновый (РВ) активный, выдают в ШС тревожное извещение при последовательном срабатывании обоих каналов (с приоритетом по ИК-каналу).
Система TURBO позволяет защитить радиоволновый канал обнаружения от воздействия газоразрядных ламп и других регулярных помех.
Наличие дополнительной оптической системы позволяет блокировать пространство под извещателем.
При необходимости охраны объектов, площадь которых превышает площадь зоны обнаружения одного извещателя, можно использовать два и более извещателей в одном помещении. На взаимное размещение извещателя типа "DT" и пассивных оптико-электронных извещателей типа "Фотон" никаких ограничений не накладывается. При установке в одном помещении извещателя "DT" и радиоволнового извещателя типа "Волна" или "Аргус" их следует устанавливать на расстоянии не менее 3 м друг от друга при расположении на одной стене и параллельном направлении осей зон обнаружения. В том случае, если извещатели направлены друг на друга, расстояние между ними должно быть не менее 6 м. Аналогичным образом следует размещать несколько извещателей "DT" в одном помещении.
При выборе расположения зоны обнаружения учтите, что максимальный размер зоны обнаружения достигается при высоте установки извещателя 2,3 м. Дальность действия СВЧ-канала устанавливайте с помощью регулятора R53 в соответствии с требуемыми размерами охраняемой зоны.
Извещатель выдает извещение о проникновении размыканием контактов исполнительного реле и включением красного индикатора на время 2 с.
3.2.12 Извещатели тревожной сигнализации
Извещатель охранный ножной/ручной ИО 102-1/1А предназначен для работы в отапливаемых помещениях с температурой окружающего воздуха от 0 °C до +35 °C и выдает тревожное извещение при нажатии на клавишу. Рекомендуемое применение - организация тревожной сигнализации в банках, кассах, офисах, магазинах, на постах охраны, а также на других объектах, где возможны преступные нападения на сотрудников, клиентов или посетителей объекта.
Извещатель состоит из двух частей: блока извещателя, выполненного в виде клавиши, и блока индикации.
Извещатель срабатывает при нажатии на клавишу рукой или ногой. Выбор способа включения и места установки извещателя определяется условиями обеспечения максимальной безопасности и удобства визуального контроля, при этом места установки должны быть скрыты от наблюдения преступниками или посторонними лицами.
Запрещается установка извещателя в непосредственной близости (менее 200 мм) от источников магнитных полей и больших масс ферромагнитных материалов.
3.3 Разметка крепления извещателей
Таблица 3.25
Размеры крепления извещателей
Наименование извещателей | N | Размеры, мм | | Наименование извещателей | N Рис. | Размеры, мм |
A | B | C | | A | B | C |
"Окно-2М, 4" | 3.1 | 31 | - | - | | "Фотон-6, 8" | | | | |
"Окно-5" | 3.1 | 37 | - | - | | кронштейна | 3.1 | 92 | - | - |
"Гюрза-050" | 3.3 | 90 | 59 | 86 | | основания | 3.2 | 40 | 70 | - |
"Гюрза-050М" | 3.3 | 90 | 62 | 86 | | "Аргус-2, 2М" | 3.1 | 26* | - | - |
"Грань-2" | 3.3 | 90 | 110 | 45 | | "Аргус-3" | | | | |
"Пик" | 3.3 | 150 | 70 | 75 | | кронштейн | 3.2 | 33 | 20 | - |
"Стекло-1" | 3.3 | 50 | 65 | 25 | | основание | 3.4 | 40 | 51 | 43 |
"Вектор-2" | 3.3 | 70 | 58 | 35 | | "Волна-5" | 3.1 | 26* | - | - |
"Вектор-3" | 3.5 | 71 | 45 | - | | "Тюльпан-3" | 3.1 | 30 | - | - |
"Рубеж 3М" БПК | 3.5 | 220 | 230 | - | | "Радий-1" | 3.5 | 140 | 140 | - |
БИ, БФ | 3.5 | 52 | 60 | - | | ИО 102-1/1А | | | | |
"Фотон-2" | 3.3 | 95 | 80 | 95 | | клавиша | 3.1 | 150 | - | - |
"Фотон-5" | 3.3 | 40 | 92 | 20 | | БИ | 3.1 | 40 | - | - |
| | ИС МЕГАНОРМ: примечание. Текст дан в соответствии с официальным текстом документа. | |
На установочном основании имеются заглушенные отверстия
для крепления извещателя
А - на стене,
Б - в углу
На установочном основании имеются заглушенные отверстия
для крепления извещателя
1, 2, 3 - на стене,
4, 5, 6 - в углу
Рисунок 3.10 - "Сокол-1"
На установочном основании имеются заглушенные отверстия
для крепления извещателя:
A (1) - на стене;
B (2) - в углу
Размеры в скобках приведены для извещателя "Фотон-СК"
Рисунок 3.11 - "Фотон-СК", "DT4351T", "DT4501T", "DT4201T"
3.4 Схемы внешних соединений извещателей
Рисунок 3.12 - "Окно-2М", "Окно-4"
Рисунок 3.14 - "Гюрза-50", "Гюрза-50М"
Рисунок 3.18 - "Вектор-3", "Фотон-2"
Рисунок 3.19 - "Стекло-1"
Рисунок 3.22 - "Вектор-2"
Рисунок 3.25 - "Рубеж-3М"
Рисунок 3.26 - "Фотон-4", "Фотон-5", "Фотон-6",
"Аргус-2", "Аргус-2М"
Рисунок 3.28 - "Фотон-СК"
Рисунок 3.30 - "Тюльпан-3"
Р - контакт на размыкание
З - контакт на замыкание
З - контакт на замыкание
Р - контакт на размыкание
Рисунок 3.33 - "Радий-2", "Радий-2/1", "Радий-2/2"
Р - контакт на размыкание;
З - контакт на замыкание
Рисунок 3.35 - "Сокол-1"
Рисунок 3.36 - DT4201T, DT4351T, DT4501T
Рисунок 3.37 - "Вектор-СПЭК"
Рисунок 3.38 - ИО 102-1/А (кнопка тревожной сигнализации)
3.5 Диаграммы зон обнаружения
Рисунок 3.39 - Извещатель "Эхо-2"
Рисунок 3.40 - Извещатель "Эхо-3"
Рисунок 3.41 - Извещатель "Фотон-2"
Рисунок 3.42 - Извещатель "Фотон-4"
Рисунок 3.43 - Извещатель "Фотон-5"
Рисунок 3.44 - Извещатели "Фотон-6", "Фотон-8"
(объемная зона)
Рисунок 3.45 - Извещатели "Фотон-6А", "Фотон-8А"
(линейная зона)
Рисунок 3.46 - Извещатели "Фотон-6Б", "Фотон-8Б"
(поверхностная зона)
Рисунок 3.47 - Извещатель "9981"
Рисунок 3.48 - Извещатель "Фотон-СК"
Рисунок 3.49 - Извещатель "Аргус-2"
Рисунок 3.50 - Извещатель "Аргус-3"
Рисунок 3.51 - Извещатель "Волна-5"
Рисунок 3.52 - Извещатель "Тюльпан-3"
Рисунок 3.53 - Извещатель "Радий-1"
Рисунок 3.54 - Извещатель "Радий-2"
Рисунок 3.55 - Извещатель "Шторм-2"
Рисунок 3.56 - Извещатель "Фон-1М"
Рисунок 3.57 - Извещатель "Сокол-1"
Рисунок 3.58 - Извещатели "DT4351T", "DT4501T", "DT4201T"
4 ПРИБОРЫ ПРИЕМНО-КОНТРОЛЬНЫЕ
4.1 Назначение приборов приемно-контрольных
Приборы приемно-контрольные в системах охранно-пожарной сигнализации являются промежуточным звеном между объектовыми первичными средствами обнаружения проникновения или пожара (извещателями) и системами передачи извещений. Кроме того, ППК могут использоваться в автономном режиме работы с подключением звукового и светового оповещателей на охраняемом объекте.
В зависимости от назначения ППК подразделяются на охранные, охранно-пожарные, охранно-маршрутные, универсальные, программируемые.
ППК выполняют следующие основные функции:
- прием и обработку сигналов от извещателей;
- питание извещателей (по ШС или по отдельной линии);
- контроль состояния ШС;
- передачу сигналов на ПЦН;
- управление звуковыми и световыми оповещателями;
- обеспечение процедур взятия под охрану и снятия объекта с охраны.
Основными характеристиками ППК являются информационная емкость и информативность.
ППК малой информационной емкости предназначены, как правило, для организации охраны одного помещения или небольшого объекта.
ППК большой емкости могут использоваться для объединения сигнализации большого количества помещений или рубежей охраны одного объекта (концентраторы), а также в качестве пультов для автономных систем охраны объектов.
Для отдельных видов объектов существуют также специальные типы ППК, например, для охраны квартир, пожаро- и взрывоопасных помещений.
По способу организации связи с извещателями ППК подразделяются на проводные и беспроводные (радиоканальные).
По климатическому исполнению ППК выпускаются для отапливаемых и неотапливаемых помещений.
Установка ППК должна производиться в местах, где он защищен от механических повреждений и вмешательства в его работу посторонних лиц:
при отсутствии специально выделенного помещения - на стенах на высоте не менее 2,2 м от уровня пола;
при наличии специального помещения - на высоте не менее 1,5 м.
Установка приборов в местах, доступных посторонним лицам, должна производиться в запираемых металлических шкафах, конструкция которых не влияет на их работоспособность, на высоте удобной для технического обслуживания.
Не допускается установка приборов в сгораемых шкафах, а также на расстоянии менее 1 м от отопительных систем.
Металлические корпуса приборов должны быть обязательно заземлены!
Для подключения к приборам внешних цепей имеются соединительные колодки.
Внешние световой и звуковой оповещатели должны устанавливаться в местах, удобных для визуального и слухового контроля. Рекомендуемая электрическая мощность оповещателей - 25 ВА.
Не допускается производить разводку проводов ШС и пультовых линий вблизи силовых электрических проводов и кабелей (в том числе и линий подключения оповещателей к ППК). При прокладке ШС и пультовых линий параллельно силовым цепям, расстояние между ними должно быть не менее 50 см, а их пересечение должно производиться под прямым углом.
Устройство оконечное ППК должно устанавливаться в конце ШС, скрытно, в местах недоступных для посторонних лиц.
Запрещается монтаж ШС, а также его отдельных участков в виде наружных воздушных линий!
4.3 Типовые ППК, условия применения
4.3.1 ППК малой информационной емкости
Одношлейфные приборы приемно-контрольные "Сигнал-3М-1", "Сигнал-31" являются наиболее ранними разработками и выполняют простейшие функции. Сдача объекта под охрану производится по тактике "с открытой дверью" (отсутствует временная задержка на вход-выход). Резервирование цепи питания отсутствует.
Технические характеристики приборов приведены в
таблице 4.1.
Таблица 4.1
Технические характеристики ППК
| | ИС МЕГАНОРМ: примечание. Шапка таблицы дана в соответствии с официальным текстом документа. | |
Наименование ПКП | Основное питание | Резервное питание | Оповещатели Pпог, ВА | Шлейфы сигнализации | Температура, °C | |
U, В | Pпот, ВА | U, В | Iпот, мА | Кол. | Rл, кОм | Rут, кОм | Выносной элемент |
Сигнал-3М-1 | 220/127 | 10 | - | - | 25 | 1 | 1,0 | 20 | Диод Д226 | +5 - +40 | 245 x 170 x 90 |
Сигнал-31 | 220 | 12 | | 25 | 1 | 1,3 | 20 | Диод Д226 | -30 - +40 | 215 x 165 x 80 |
Сигнал-37А | 220 | 8 | | 25 | 1 | 1,0 | 20 | 2,7 кОм | -30 - +40 | 195 x 150 x 80 |
Сигнал-37М | 220 | 12 | - | - | 25 | 1 | 1,5 | 20 | 2,7 кОм | -30 - +40 | 230 x 150 x 80 |
УОТС-1-1 | 220 | 20 | 24 | 250 | 60 | 1 | 1,0 | 20 | 2,2 кОм | -30 - +50 | 219 x 165 x 79 |
УОТС-М | 220/127 | 15 | 24 | 60 | 60 | 1 | 1,0 | 20 | 0,47 мкФ | -30 - +50 | 230 x 180 x 80 |
Сигнал-41 | 220 | 5 | | - | 1 | 1,0 | 20 | 3,0 кОм | +1 - +40 | 165 x 115 x 90 |
Сигнал-41М | 220 | 5 | | - | 1 | 1,0 | 20 | 4,3 кОм | +1 - +40 | 230 x 180 x 85 |
Сигнал-44 | 220 | 10 | 24 | 100 | - | 1 | 0,5 | 15 | 3,9 кОм | -30 - +50 | 255 x 195 x 80 |
Сигнал-45 | 220 | 10 | | 25 | 1 | 1,0 | 20 | 4,3 кОм | -30 - +40 | 210 x 180 x 75 |
| 220 | 12 | 24 | 25 | 60 | 1 | 1,0 | 20 | 8,2 кОм | -30 - +50 | 190 x 170 x 85 |
Сигнал-ВК-4 | 220 | 12 | 12 - 18 | 150 | 60 | 4 | 1,0 | 20 | 8,2 кОм | -30 - +50 | 190 x 170 x 85 |
Сигнал-СПИ | 220 | 12 | | 60 | 60 | 1 | 1,0 | 20 | 8,2 кОм | -30 - +50 | 190 x 170 x 85 |
Квинта | 220 | 25 | 24 | 190 | 25 | 5 | 1,0 | 20 | 5,6 кОм | -30 - +40 | 410 x 210 x 125 |
Аккорд | 220 | 8 | 12/24 | 80 | 25 | 4 | 1,0 | 20 | 5,6 кОм | -30 - +50 | 300 x 246 x 82 |
Интервал | - | - | 12 | 200 | - | 1 | 0,47 | 20 | - | +1 - +40 | 275 x 170 x 70 |
Рубин-3 | 220 | 70 | 24 | 1900 | 60 | 50 | 2,4 | 20 | 3,6 кОм | +5 - +40 | 513 x 198 x 182 |
Рубин-6 | 220 | 22 | 24 | 300 | 60 | 20 | 1,0 | 20 | 0,47 мкФ | +1 - +40 | 500 x 230 x 220 |
МСП | - | - | - | - | - | 2 | 0,5 | 20 | 0,47 мкФ | +1 - +40 | - |
Рубин-8П | 220 | 23 | 24 | 500 | 60 | 2 + 6 | 0,5/1,0 | 50/20 | 0,47 мкФ | +1 - +40 | 300 x 200 x 93 |
Пульсар | 220 | 22 | 24 | 380 | 60 | 40 | 1,0 | 20 | 0,47 мкФ | +1 - +40 | 500 x 230 x 220 |
Буг | 220 | 70 | 24 | 1700 | 60 | 60 | 1,0 | 20 | 0,47 мкФ | +1 - +40 | 400 x 400 x 250 |
Адрес | 220 | 70 | 12 | 3500 | 60 | 32/96 | 0,1 | 50/200 | 6,5/29 кОм | +1 - +40 | 280 x 230 x 50 |
Vista-101 | 220 | | 12 | | | 36 | 0,3 | - | - | - | - |
Vista-501 | 220 | | 12 | | | 87 | 0,3/0,1 | - | - | - | - |
Примечания: <1> указаны габариты только самого ППК (базового блока);
<
2> переключение ШС на прямой контроль со стороны СПИ при пропадании питания;
<
3> относится и к ППК "Сигнал-ВК-Р";
<
4> определяется конфигурацией.
Таблица 4.2
Наименование ППК | N Рис. | Размеры, мм | Наименование ППК | N Рис. | Размеры, мм |
A | B | C | A | B | C |
"Сигнал-3М-1" | 4.1 | 141 | - | - | "Сигнал-ВК-4" | 4.4 | 112 | 137 | 56 |
"Сигнал-31" | 4.4 | 120 | 183 | 60 | "Сигнал-СПИ" | 4.4 | 112 | 137 | 56 |
"Сигнал-37А" | 4.4 | 118 | 90 | 63 | "Рубин-3" | 4.3 | 374 | 117 | 187 |
"Сигнал-37М" | 4.4 | 145 | 100 | 77 | "Рубин-6" | 4.6 | 420 | 150 | 35 |
"Сигнал-37Ю" | 4.4 | 118 | 90 | 63 | "Рубин-8П" | 4.1 | 270 | - | - |
"УОТС-1-1" | 4.4 | 90 | 167 | 45 | "Пульсар" | 4.6 | 420 | 150 | 35 |
"Сигнал-41М" | 4.4 | 112 | 137 | 56 | "Сигнал-ВК, ВК-Р" | 4.4 | 112 | 137 | 56 |
"Сигнал-44": | БПК, | 4.4 | 94 | 170 | 47 | "Квинта": | БПК, | 4.1 | 300 | - | - |
| ЭВ | 4.1 | 50 | - | - | | ВТ | 4.1 | 300 | - | - |
"Аккорд": | БПК, | 4.3 | 180 | 162 | 90 | "Интервал": | 4.1 | - | - | - |
| БФ, БВИ | 4.2 4.1 | 68 20 | 40 - | - - | ПКП, МИ | 4.5 | 95 | 20 | - |
Одношлейфные приборы приемно-контрольные "Сигнал-37А", "Сигнал-37М", "Сигнал-37Ю" имеют тактику сдачи объекта под охрану
"с открытой дверью". Резервирование цепи питания отсутствует, но в случае пропадания сетевого питания ППК переключает ШС на прямой контроль со стороны ПЦН и обратно без выдачи тревоги.
Технические характеристики приборов приведены в
таблице 4.1.
Одношлейфный прибор приемно-контрольный "УОТС-1-1" имеет тактику сдачи объекта под охрану
"с открытой дверью". В приборе предусмотрено резервирование цепи основного питания, два выхода на ПЦН (нормально-замкнутый и нормально-разомкнутый контакты реле). В ШС допускается включать охранные и пожарные токопотребляющие извещатели с суммарным током потребления не более 13 мА и ограничением тока на уровне не более 20 мА.
Технические характеристики прибора приведены в
таблице 4.1.
Одношлейфный прибор приемно-контрольный "УОТС-М" имеет тактику сдачи объекта под охрану
"с открытой дверью". В приборе предусмотрено резервирование цепи основного питания. В ШС допускается включать охранные токопотребляющие извещатели. В приборе предусмотрена раздельная выдача на ПЦН извещений о нарушении ШС и об отклонении его параметров от установленных пределов.
Технические характеристики прибора приведены в
таблице 4.1.
Одношлейфные приборы приемно-контрольные "Сигнал-41", "Сигнал-41М" предназначены для охраны квартир. Сдача объекта под охрану производится по тактике "с закрытой дверью" (предусмотрена временная задержка на вход-выход). Резервирование цепи питания отсутствует, но в случае пропадания сетевого питания ППК переключает ШС на прямой контроль со стороны ПЦН и обратно без выдачи тревоги. В приборе предусмотрено: контроль исправности ШС, индикация о взятии под охрану, контроль проникновения в охраняемую квартиру.
Технические характеристики приборов приведены в
таблице 4.1.
Одношлейфный прибор приемно-контрольный "Сигнал-44" предназначен для охраны взрывоопасных объектов и помещений. Сдача объекта под охрану производится по тактике "с открытой дверью". В приборе предусмотрено резервирование цепи основного питания, сохранение работоспособности при снижении сетевого и резервного напряжения питания (соответственно до 160 В и до 19 В). Во взрывоопасном помещении допускается монтировать только ШС. В приборе предусмотрено: контроль исправности ШС, два независимых выхода на ПЦН.
Технические характеристики прибора приведены в
таблице 4.1.
Одношлейфный прибор приемно-контрольный "Сигнал-45" предназначен для охраны квартир. Сдача объекта под охрану производится по тактике "с закрытой дверью". Резервирование цепи питания отсутствует, но в случае пропадания сетевого питания, ППК переключает ШС на прямой контроль со стороны ПЦН и обратно без выдачи тревоги. В приборе предусмотрено: контроль исправности ШС; индикация о взятии под охрану; контроль проникновения в охраняемую квартиру.
Прибор имеет три режима работы:
- централизованная охрана с переключением ШС на контроль со стороны ПЦН при отключении напряжения питания. При этом могут быть реализованы два варианта выдачи прибором тревожного извещения - тревожное извещение выдается постоянно, прибор не восстанавливается в дежурный режим независимо от состояния ШС, тревожное извещение выдается ограниченное время, прибор восстанавливается в дежурный режим через 6 - 4 с после восстановления ШС;
- централизованная охрана без переключения ШС на контроль со стороны ПЦН при отключении напряжения питания. При этом реализуются оба варианта выдачи тревожного извещения;
- автономная охрана (без подключения на ПЦН). При этом могут быть два варианта выдачи тревожного извещения - тревожное извещение выдается постоянно, прибор не восстанавливается в дежурный режим независимо от состояния ШС; тревожное извещение выдается в течение 3,5 мин. независимо от состояния ШС.
Технические характеристики прибора приведены в
таблице 4.1.
Одношлейфный прибор приемно-контрольный "Сигнал-ВК" имеет тактику сдачи объекта под охрану
"с открытой дверью". В приборе предусмотрено: резервирование цепи основного питания; обеспечение электропитанием активных извещателей по выходу +/- 12 В; установка задержки на включение звукового оповещателя (до 30 с) после выдачи тревожного извещения; тревожные извещения при включении в течение 1 - 4 мин. не фиксируются; сохранение работоспособности при снижении сетевого и резервного напряжения питания соответственно до 140 В и до 12 В; контроль состояния прибора по встроенному индикатору при работе от резервного источника питания. В ШС допускается включать охранные и пожарные токопотребляющие извещатели с суммарным током потребления не более 1,2 мА и ограничением тока на уровне не более 20 мА.
Технические характеристики прибора приведены в
таблице 4.1.
Одношлейфный прибор приемно-контрольный "Сигнал-ВК-Р" аналогичен по своим характеристикам ППК "Сигнал-ВК". Отличительной особенностью ППК "Сигнал-ВК-Р" является возможность управления прибором по радиоканалу (до 30 м) с помощью брелка-передатчика. При этом прибор обеспечивает: дистанционное взятие под охрану и снятие с охраны снаружи охраняемого объекта; дистанционное перевзятие объекта снаружи без вскрытия; передачу с помощью радиобрелка сигнала тревоги на прибор; установку прибора в скрытом, недоступном месте.
Технические характеристики прибора приведены в
таблице 4.1.
Четырехшлейфный прибор приемно-контрольный "Сигнал-ВК-4" используется для замены до четырех одношлейфовых приборов или организации на объекте многорубежной охраны. В приборе имеется дополнительный вход подключения шифрустройства либо выносного переключателя для дистанционного взятия под охрану и снятия с охраны, это позволяет также устанавливать прибор в скрытных недоступных местах. Сдача объекта под охрану производится как по тактике "с открытой дверью", так и по тактике "с закрытой дверью". В приборе предусмотрено: резервирование цепи основного питания; обеспечение электропитанием активных извещателей по выходу +/- 12 В; тревожные извещения при включении в течение 14 мин. не фиксируются; сохранение работоспособности при снижении сетевого напряжения питания до 140 В; селекция входного сигнала по длительности; отслеживание медленного изменения сопротивления ШС и фиксация сигнала "Тревога" при быстром изменении сопротивлении ШС; контроль состояния прибора по встроенным индикаторам; четыре независимых выхода на ПЦН. В ШС допускается включать охранные и пожарные токопотребляющие извещатели с суммарным током потребления не более 1,2 мА и ограничением тока на уровне не более 20 мА. При установленных перемычках "ШС3" и "ШС4" прибор контролирует все четыре ШС только в режиме "Охрана", при снятых перемычках - ШС3 и ШС4 устанавливаются в режим "без права снятия", т.е. контроль этих ШС и в режиме "Снятия".
Технические характеристики прибора приведены в
таблице 4.1.
Одношлейфный прибор приемно-контрольный "Сигнал-СПИ" имеет тактику сдачи объекта под охрану
"с открытой дверью". В приборе предусмотрено: резервирование цепи основного питания; обеспечение электропитанием активных извещателей по выходу +/- 12 В; установка задержки на включение звукового оповещателя (до 30 с) после выдачи тревожного извещения; тревожные извещения при включении в течение 14 мин. не фиксируются; сохранение работоспособности при снижении сетевого и резервного напряжения питания соответственно до 140 В и до 12 В; контроль состояния прибора по встроенному индикатору, в том числе при работе от резервного источника питания; два выхода на ПЦН (нормально-замкнутый и нормально-разомкнутый контакты реле). В ШС допускается включать охранные и пожарные токопотребляющие извещатели с суммарным током потребления не более 1,2 мА и ограничением тока на уровне не более 20 мА в автономном режиме работы.
Прибор работает в двух режимах:
- централизованной охраны (совместный контроль состояния ШС ППК и СПИ);
- автономной охраны (контроль состояния ШС только ППК).
Технические характеристики прибора приведены в
таблице 4.1.
Пятишлейфный прибор приемно-контрольный "КВИНТА" используется для замены до пяти одношлейфовых приборов или организации на объекте многорубежной охраны. Сдача объекта под охрану производится по тактике "с закрытой дверью". В приборе предусмотрено: резервирование цепи основного питания; в случае пропадания сетевого и резервного питания ППК переключает ШС1 и ШС5 на прямой контроль ПЦН и обратно без выдачи тревоги (выходы ПЦН1 и ПЦН2 соответственно); тревожные извещения при включении в течение 1,52 мин. не фиксируются; сохранение работоспособности при снижении сетевого напряжения питания до 140 В; контроль состояния прибора по выносному индикационному табло, в том числе при работе от резервного источника питания; два коммутируемых независимых выхода на ПЦН; индикация взятия объекта под охрану; установка режима "без права отключения" по ШС1, ШС2 и ШС5. В ШС допускается включать охранные и пожарные токопотребляющие извещатели.
Технические характеристики прибора приведены в
таблице 4.1.
Четырехшлейфный прибор приемно-контрольный "АККОРД" используется для замены до четырех одношлейфных приборов или организации на объекте многорубежной охраны с изменяемыми алгоритмами работы. В приборе имеется дополнительный вход для подключения шифрустройства либо выносного переключателя. Сдача объекта под охрану производится как по тактике "с открытой дверью", так и по тактике "с закрытой дверью". В приборе предусмотрено: резервирование цепи основного питания с помощью встроенного аккумулятора напряжением 12 В или внешних источников питания напряжением 12 В и 24 В; обеспечение электропитанием активных извещателей по двум выходам +/- 12 В, причем один выход отключаемый; сохранение работоспособности при снижении сетевого напряжения питания до 160 В; контроль состояния ШС по встроенным индикаторам; два релейных выхода на ПЦН (нормально-замкнутый контакт) и два высокочастотных выхода организованных по типу приборов "Атлас-3" и "Атлас-6"; для передачи извещений по занятым телефонным линиям, запоминание нарушений ШС. В ШС допускается включать охранные и пожарные токопотребляющие извещатели.
Прибор работает в трех режимах:
- дежурном ("Снятие") - контроль тревожного и пожарного ШС;
- "Охрана" ("Взятие") - контроль всех ШС;
- "Тревоги".
Изменения алгоритмов работы прибора, режимов работы ШС задаются с помощью технологических перемычек, установленных на платах МПК, МПА и МВУ.
Технические характеристики прибора приведены в
таблице 4.1.
Одношлейфный прибор приемно-контрольный "Интервал" предназначен для технического контроля несения службы личным составом охраны объекта. В приборе предусмотрено: резервирование цепи основного питания; в том числе встроенный источник питания (батарея типа 3336) для питания памяти счетчиков часов работы и количества пропусков маршрута; индикация продолжительности работы (до 31 часа) и числа пропусков маршрутов (до 7); возможность установки времени патрулирования (15, 30, 45, 60 мин) и времени паузы между патрулированием (30, 60, 90, 120 мин); релейный выход на ПЦН; передача тревожного извещения при пропуске маршрута либо при трехкратном нажатии любой кнопки "МИ" или кнопки "Вызов милиции".
Установка ПКП и БП производится на стене помещения, исключая прямое попадание солнечных лучей на переднюю панель. Расстояние между БП и ПКП не должно превышать 10 м. МИ устанавливается в удобном для эксплуатации месте.
Технические характеристики прибора приведены в
таблице 4.1.
4.3.2 ППК средней информационной емкости
Прибор приемно-контрольный "Рубин-3" предназначен для организации автономной охраны больших объектов с возможностью передачи обобщенного сигнала "Тревога" на ПЦН. Прибор состоит из 10-номерного базового и 10-номерных линейных блоков, позволяющих наращивать емкость до 50 номеров. В ППК предусмотрено резервирование основного питания.
Технические характеристики приборов приведены в
таблице 4.1.
Прибор приемно-контрольный "Рубин-6" предназначен для организации автономной охраны больших объектов с возможностью передачи обобщенных сигналов "Тревога", "Пожар", "Неисправность" на ПЦН. Максимальное количество ШС - 20. В приборе предусмотрено: резервирование основного питания; сохранение работоспособности при снижении сетевого напряжения питания до 140; режим "самоохраны" по 20-му ШС со сдачей под охрану по тактике "с открытой дверью"; режим диагностики как самого прибора, так и ШС; индикация взятия ППК под охрану с ПЦН; четыре выхода на ПЦН, причем три выхода для передачи тревожных извещений и один для передачи сигнала о неисправности ШС; изменения алгоритма обработки сигнала по каждому ШС, причем ШС могут группироваться на различные выходы прибора, устанавливаться в режим "без права отключения" (тревожная и пожарная сигнализация). ППК имеет модульную конструкцию. При этом модули, контролирующие ШС (модули селекции), взаимозаменяемые.
Технические характеристики прибора приведены в
таблице 4.1.
Модуль селекции пожарный "МСП" позволяет организовать в ППК "Рубин-6" два шлейфа пожарной сигнализации с возможностью подключения токопотребляющих пожарных извещателей. Модуль "МСП" устанавливается вместо любого модуля селекции "Рубина-6".
Максимальное количество токопотребляющих пожарных извещателей N для каждого шлейфа определяется по формуле: N = 5/Iп, где Iп - ток потребления одного извещателя в дежурном режиме.
В ППК "Рубин-6" допускается включать до пяти модулей "МСП".
Технические характеристики модуля приведены в
таблице 4.1.
Прибор приемно-контрольный "Рубин-8П" предназначен для организации автономной охраны средних объектов с возможностью передачи обобщенного сигнала "Тревога" на ПЦН. Максимальное количество ШС - 8, из них два пожарных и шесть охранных. В пожарные шлейфы допускается включать активные токопотребляющие извещатели, пожарные шлейфы можно переводить в охранные (отмена режима "без права снятия"). В приборе предусмотрено: резервирование основного питания; режим "самоохраны" по 8-му ШС со сдачей под охрану по тактике "с открытой дверью"; режим диагностики как самого прибора, так и ШС; индикация взятия ППК под охрану с ПЦН; один выход на ПЦН.
Технические характеристики прибора приведены в
таблице 4.1.
Прибор приемно-контрольный "Пульсар" предназначен для организации автономной охраны больших объектов с возможностью передачи обобщенного сигнала "Тревога" на ПЦН. Максимальное количество ШС - 40. В приборе предусмотрено: резервирование основного питания; сохранение работоспособности при снижении сетевого напряжения питания до 140; режим "самоохраны" по 40-му ШС со сдачей под охрану по тактике "с открытой дверью"; режим диагностики как самого прибора, так и ШС; индикация взятия ППК под охрану с ПЦН; четыре выхода на ПЦН, причем три выхода для передачи тревожных извещений и один для передачи сигнала о неисправности ШС; изменения алгоритма обработки сигнала по каждому ШС, причем ШС могут группироваться на различные выходы прибора, устанавливаться в режим "без права отключения" (тревожная и пожарная сигнализация). ППК имеет модульную конструкцию. При этом модули, контролирующие ШС (модули селекции), взаимозаменяемые.
Технические характеристики прибора приведены в
таблице 4.1.
Прибор приемно-контрольный "VISTA-101" американской фирмы "Ademco" предназначен для организации автономной охраны крупных объектов. Максимальное количество ШС (зон) - 36, из них: 6 радиальных с возможностью расширения на 8 ШС по проводам или до 30 ШС по радиоканалу. В приборе предусмотрено: резервирование основного питания; автоматизированная сдача объектов под охрану и снятие с охраны; автоматическая регистрация сообщений о состоянии объектов и служебной информации на цифропечатающем устройстве; антисаботажная защита; от двух до четырех релейных выходов на ПЦН, кроме того, ППК может поддерживать два информационных телефонных канала; программирование алгоритма работы, назначение параметров ШС в зависимости от специфики объекта непосредственно на собственном пульте управления или дистанционно по линии связи от ЭВМ; энергонезависимая память; оперативный контроль состояния ШС. ШС могут группироваться в отдельные зоны (разделы) до 6-ти с возможностью независимой работы в них отдельных групп материально-ответственных лиц со своими персональными кодами. В ШС допускается включать охранные и пожарные извещатели фирмы "Ademco" либо их отечественные аналоги.
В состав прибора входят: прибор приемно-контрольный "VISTA-101" (контрольная панель); пульт управления 61391; пульт управления (русифицированный) 61281; релейный модуль (на четыре реле) 42041; адресный расширитель (8 ШС и 2 адресуемых выходных реле) 42291; радиоприемник (для контроля 8 ШС) 58811L, радиоприемник (для контроля 16 ШС) 58811M, радиоприемник для контроля 64 ШС) 58811H; радиопередатчик 58001TM (для работы с пультом управления и индикации 58271BD); пульт управления радиоканальный 58271; пульт управления и индикации радиоканальный 5827BD; пульт управления (3-кнопочный) 58031; извещатель тревожный радиоканальный 58021; извещатель охранный радиоканальный (2 ШС) 58161; извещатель охранный радиоканальный (3 ШС) 58171; звуковой оповещатель 702; световой оповещатель (красный светофильтр) 710RD.
Технические характеристики прибора приведены в
таблице 4.1.
4.3.3 ППК большой информационной емкости
Прибор приемно-контрольный "БУГ" предназначен для организации автономной охраны больших объектов (особо важных). Максимальное количество ШС - 60. В приборе предусмотрено: резервирование основного питания: автоматизированная сдача объектов под охрану и снятие с охраны с помощью шифрустройства; автоматическая регистрация сообщений о состоянии объектов и служебной информации на цифропечатающем устройстве; антисаботажная защита блоков прибора; мажоритарная логика обработки сигналов; решение о правильности принятой информации фиксируется после трехкратного подтверждения; режим диагностики как самого прибора, так и ШС; пять выходов на ПЦН; программное изменение алгоритма обработки сигнала по каждому ШС, ШС могут группироваться в зоны охраны с выходом на различные линии ПЦН, устанавливаться в режим "без права отключения" (тревожная и пожарная сигнализация); программное изменение времени задержки на вход/выход по каждому ШС.
Максимальная длина четырехпроводной линии связи при диаметре провода 0,5 мм, в зависимости от количества подключенных к ней блоков объектовых, 150 м - 10 шт., 300 м - 5 шт., 600 м - 1 шт. При условии, что напряжение питания на последнем блоке объектовом не ниже 18 В, в противном случае требуется прокладка дополнительной четырехпроводной линии.
Прибор "БУГ" состоит из блока обработки сигналов и управления (БОУ), цифропечатающего устройства ЦПУ и до 30 БО.
Технические характеристики прибора приведены в
таблице 4.1.
Прибор приемно-контрольный "Адрес" предназначен для организации автономной охраны территориально сосредоточенных объектов по двухпроводной линии связи. Максимальное количество ШС - 96. В приборе предусмотрено резервирование основного питания; ручная сдача объектов под охрану и снятие с охраны; автоматическая регистрация сообщений о состоянии объектов и служебной информации на цифропечатающем устройстве, антисаботажная защита; решение о правильности принятой информации фиксируется после трехкратного подтверждения; режим диагностики; два выхода на ПЦН; программное изменение алгоритма обработки сигнала по каждому ШС, ШС могут группироваться в зоны охраны с выходом на различные линии ПЦН, устанавливаться в режим "без права отключения"; неполярное включение блоков объектовых (БО) в линию связи; два варианта подключения БО к линии связи. По первому варианту к линии связи допускается подключать до 32 БО, по второму - до 96. В ШС допускается включать охранные и пожарные токопотребляющие извещатели с суммарным током потребления не более 0,5 мА.
Максимальная длина двухпроводной линии связи при диаметре провода 0,5 мм, при 96 (32) подключенных к ней БО составляет 200 м. Напряжение питания на последнем БО должно быть не ниже 24 В.
Прибор "Адрес" состоит из блока управления (БУ), блока питания (БП), цифропечатающего устройства (ЦПУ) и до 96 БО.
Технические характеристики прибора приведены в
таблице 4.1.
Прибор приемно-контрольный "VISTA-501" американской фирмы "Ademco" предназначен для организации автономной охраны больших особо важных объектов. Максимальное количество ШС (зон) - 87, из них 9 радиальных с возможностью расширения на 78 ШС по двухпроводной линии и/или по радиоканалу. В приборе предусмотрено: резервирование основного питания; автоматизированная сдача объектов под охрану и снятие с охраны; автоматическая регистрация сообщений о состоянии объектов и служебной информации на цифропечатающем устройстве; антисаботажная защита, 16 релейных выходов на ПЦН, кроме того, ППК может поддерживать два информационных телефонных канала; программирование алгоритма работы, назначение параметров ШС в зависимости от специфики объекта непосредственно на собственном пульте управления или дистанционно по линии связи от ЭВМ; энергонезависимая память; запоминание происшедших событий с указанием времени и даты; оперативный контроль состояния ШС. ШС могут группироваться в отдельные зоны (разделы) с возможностью независимой работы в них отдельных групп материально-ответственных лиц со своими персональными кодами. В ШС допускается включать охранные и пожарные извещатели фирмы "Ademco" либо их отечественные аналоги.
В состав прибора входит: прибор приемно-контрольный "VISTA-501" (контрольная панель); пульт управления 61391; пульт управления 61281 (русифицированный). ППК поддерживает до 16 пультов 61391 и/или 61281; до 4-х релейных модуля (на четыре релейных выхода каждый) 42041; адресный расширитель (на 8 ШС) 42081; адресуемый расширитель (на 2 ШС) 41901WH; радиоприемник (для контроля 8 ШС) 58811L, радиоприемник (для контроля 16 ШС) 58800M, радиоприемник (для контроля 64 ШС) 58811H; усилитель тока 41971; радиопередатчик 58001TM (для работы с пультом управления и индикации 58271BD); пульт управления (радиоканальный) 58271; пульт управления и индикации (радиоканальный) 58271BD; пульт управления (3-кнопочный) 58031; извещатель тревожный радиоканальный 58021; извещатель охранный радиоканальный (2 ШС) 58161; извещатель охранный радиоканальный (3 ШС) 58171; звуковой оповещатель 702; световой оповещатель (красный светофильтр) 710RD; интерфейсный модуль 4100SM.
Технические характеристики прибора приведены в
таблице 4.1.
4.4 Разметка крепления ППК
Рисунок 4.2
4.5 Схемы внешних соединений ППК
Рисунок 4.7 - "Сигнал-3М-1"
Рисунок 4.8 - "Сигнал-31"
Рисунок 4.9 - "Сигнал-37А", "Сигнал-37М", "Сигнал-37Ю"
Р - контакт на размыкание
З - контакт на замыкание
ПЦН1 - сигнал "Тревога" (обрыв);
ПЦН2 - сигнал "Внимание"
Рисунок 4.12 - "Сигнал-41"
Рисунок 4.13 - "Сигнал-41М"
Рисунок 4.14 - "Сигнал-44"
Цепь 220 В имеет отдельный ввод XT1
Рисунок 4.15 - "Сигнал-45"
VD - диод полупроводниковый типа КД 521А
Рисунок 4.16 - "Сигнал-ВК", "Сигнал-ВК-Р"
Рисунок 4.17 - "Сигнал-ВК-4"
VD - диод полупроводниковый типа КД 521 А.
В автономном режиме работы перемычки клемм XN1, XN2 и XN11, XN12 должны быть устранены. Для СПИ типа "Фобос" установить перемычку на клеммы XN11 и XN12. Для СПИ типа "Нева" установить перемычку на клеммы "4" и "5" разъема XT2.
Рисунок 4.18 - "Сигнал-СПИ"
К разъему XT1 подключаются только низковольтные цепи.
Рисунок 4.21 - "Интервал"
Разъемы П1 - П4 одинаковы как для блока базового, так и для линейных блоков.
Перемычки (разъемы П3 и П4), соответствующие не подключенным ШС (разъемы П1 и П2), должны быть удалены.
ШС1, ШС2 - охранные или пожарные шлейфы.
ШС3 - ШС8 - охранные шлейфы.
К разъему XT5 подключаются низковольтные цепи.
Рисунок 4.24 - "Рубин-8П"
Рисунок 4.26 - "Vista-101"
Блоки БП и БУ соединяются кабелем, входящим в комплект
поставки, через разъемы "БП-БУ"
Рисунок 4.29 - "Vista-501"
5 ОПОВЕЩАТЕЛИ И УСТРОЙСТВА КОММУТАЦИИ
Оповещатели предназначены для подачи световых и звуковых сигналов тревоги, привлечения внимания персонала охраны, психологического воздействия на нарушителя. Они подразделяются на световые и звуковые. Напряжение питания, потребляемая мощность оповещателей должны соответствовать аппаратуре ОПС, совместно с которой они работают.
В качестве световых оповещателей используются лампы накаливания, светодиоды и импульсные газоразрядные источники света. Последние позволяют получить высокую интенсивность светового потока при малом токе потребления.
Световые оповещатели устанавливаются в местах, удобных для визуального контроля - межвитринные и межоконные пространства, тамбуры выходных дверей и т.п.
В качестве звуковых оповещателей применяются звуковые излучатели различных принципов действия:
- электромагнитные - сирены, звонки;
- электродинамические - громкоговорители;
- пьезоэлектрические.
Наиболее экономичными и эффективными являются пьезоэлектрические оповещатели. Они позволяют получить уровень звукового давления 90 - 110 дБ при напряжении питания 12 В и токе потребления порядка 60 - 200 мА.
Звуковые оповещатели устанавливаются на наружных фасадах зданий на высоте не менее 2,5 м от уровня земли; в помещениях они устанавливаются в местах, удобных для контроля персоналом охраны и не доступных посторонним лицам.
Звонки громкого боя МЗ-1, МЗ-2 предназначены для подачи мощных звуковых низкочастотных сигналов с широкой диаграммой направленности. Рекомендуемое применение - использование для звуковой сигнализации на улице.
Питание звонка МЗ-1 осуществляется от сети переменного тока напряжением 220 В, звонка МЗ-2 - от источника постоянного тока напряжением 220/110 В. Конструктивно звонки выполняются в обычном и пылебрызгонепроницаемом исполнении, корпуса МЗ-1 и МЗ-2 идентичны.
Таблица 5.1
Характеристики звуковых оповещателей
| | ИС МЕГАНОРМ: примечание. Сноска в таблице дана в соответствии с официальным текстом документа. | |
Характеристика | АС-22 | Свирель | Дека | МЗ-1 | МЗ-2 | СС-1 |
Напряжение питания, В: | | | | | | |
от сети переменного тока | 140 - 260 | | | 187 - 244 | 220/110 <*> | 187 - 244 |
от источника постоянного тока | | 10,2 - 14,4 | 9 - 15 | | | |
Ток потребления, мА | 50 | 60 | 1200 | 136 | 136 | 182 |
Уровень звукового давления, дБ, не менее | 100 | 95 | 120 | 103 | 103 | 103 |
Несущая частота звуковых сигналов, Гц | 50 | 1500 - 3000 | 1600 - 2800 | - | - | - |
Диапазон рабочих температур, °C | -30 - +50 | -30 - +50 | -50 - +50 | -40 - +50 | -40 - +50 | -40 - +50 |
Габаритные размеры, мм | 100 x 122 x 45 | 72 x 94 x 64 | 136 x 155 | 350 x 325 x 116 | 350 x 325 x 116 | 180 x 151 |
Масса, кг, не более | 0,2 | 0,2 | 0,6 | 5,0 | 5,0 | 2,5 |
Сирена сигнальная СС-1 предназначена для подачи мощных звуковых низкочастотных сигналов с широкой диаграммой направленности. Рекомендуемое применение - использование для звуковой сигнализации на улице.
Питание сирены осуществляется от сети переменного тока напряжением 220 В. Конструктивно сирена выполнена в пылебрызгонепроницаемом исполнении, но на открытом воздухе ее рекомендуется устанавливать под навес или козырек.
Оповещатель звуковой "АС-22" предназначен для подачи мощных звуковых низкочастотных сигналов с высокой различимостью на фоне акустических шумов. Рекомендуемое применение - использование в отапливаемых и неотапливаемых помещениях, а также в системах охраны транспортных средств.
Питание осуществляется от сети переменного тока напряжением 220 В при малом энергопотреблении. Конструктивно сирена выполнена в брызгозащищенном исполнении, но на открытом воздухе ее рекомендуется устанавливать под навес или козырек.
Оповещатель звуковой "Свирель" предназначен для подачи мощных звуковых низкочастотных сигналов с высокой различимостью на фоне акустических шумов. Рекомендуемое применение - использование в отапливаемых и неотапливаемых помещениях, а также в системах охраны транспортных средств (в салоне). Самый экономичный оповещатель.
Питание осуществляется от источника постоянного тока напряжением 12 В при малом энергопотреблении. Конструктивно сирена выполнена в брызгозащищенном исполнении. При установке следует учитывать, что звук частоты 1500 - 3000 Гц оптимально распространяется в зоне прямой видимости.
Оповещатель звуковой "Дека" предназначен для подачи мощных звуковых низкочастотных сигналов с высокой различимостью на фоне акустических шумов. Рекомендуемое применение - использование в отапливаемых и неотапливаемых больших помещениях, на улице, а также в системах охраны транспортных средств (под капотом).
Питание осуществляется от источника постоянного тока напряжением 12 В. Конструктивно сирена выполнена в брызгозащищенном исполнении. При установке следует учитывать, что звук частоты 1600 - 2800 Гц оптимально распространяется в зоне прямой видимости.
5.3 Разметка крепления звуковых оповещателей
Таблица 5.2
Разметка крепления звуковых оповещателей
Наименование | N Рис. | Размеры, мм |
A | B |
МЗ-1, МЗ-2 | 5.1 | 115 | - |
СС-1 | 5.1 | 135 | - |
АС-22 | 5.1 | 100 | - |
"Свирель" | 5.1 | 80 | - |
"Дека" | 5.2 | 40 | 58,5 |
Устройство коммутации "УК-1" | 5.1 | 75 | - |
5.4 Устройства коммутации
Коммутационные устройства служат для электрических соединений ТС ОПС в системах и комплексах ОПС.
Устройство коммутации "УК-1" предназначено для коммутации выходного контакта исполнительного реле извещателя на два независимых направления с визуальным контролем его состояния. Рекомендуемое применение - организация передачи тревожных извещений от извещателя как на внутренний пост охраны объекта, так и в ПЦО.
Внимание! Устройство размещается в помещении, где установлен извещатель.
Таблица 5.3
Характеристика | "УК-1" |
Напряжение питания, В | 11,4 - 12,6 |
Потребляемый ток, мА | 20 |
Количество пар выходных контактов | 2 |
Максимальные коммутируемые контактами реле: | |
ток, мА | 50 |
напряжение, В | 100 |
Диапазон рабочих температур, °C | -30 - +50 |
Габаритные размеры, мм | 90 x 40 x 30 |
Масса, кг | 0,1 |
Схема внешних соединений
Коробки разветвительные коммутационные слаботочные КС-2, КС-3, КС-4, КС-Ф предназначены для монтажа ТС ОПС, а также в других низковольтных цепях переменного и постоянного тока напряжением до 80 В.
Таблица 5.4
Характеристики коммутационных устройств
Характеристика | КС2 | КСФ | КС3 | КС4 | УС3-2 | УС4-2 | УС4-4 |
Максимальный ток, мА | 100 |
Максимальное напряжение, В | 80 |
Максимальное переходное сопротивление двух контактов, Ом | 0,3 |
Количество точек присоединений, шт. | 4 | 4 | 6 | 8 | 5 | 6 | 8 |
Количество коммутируемых цепей, шт. | 2 | 2 | 3 | 4 | 3 | 4 | 4 |
Гибкий элемент: | | |
максимальная длина, мм | - | 200 |
внешний диаметр, мм | - | 7 |
минимальное количество нагрузочных циклов | - | 20000 |
Диапазон рабочих температур, °C | -40 - +45 |
Относительная влажность при 25 °C, % | 98 |
Диаметр соединяемых проводников, мм | 0,12 - 0,5 |
Устройства соединительные коммутационные слаботочные УС3-2, УС4-2, УС4-4 предназначены для организации гибких переходов при блокировке подвижных строительных - окон, фрамуг, дверей, люков и т.д.
Технические характеристики устройств коммутации приведены в
таблице 5.4.
6 ТИПОВЫЕ ВАРИАНТЫ БЛОКИРОВКИ
При выборе типов и количества извещателей для охраны конкретного объекта следует учитывать требуемый уровень надежности охраны объекта; расходы на приобретение, монтаж и эксплуатацию извещателя; строительно-конструктивные характеристики объекта; тактико-технические характеристики извещателя. Рекомендуемый тип извещателя определяется видом блокируемой конструкции и способом физического воздействия на нее согласно
таблице 6.1.
Таблица 6.1
Область применения извещателей
Блокируемая конструкция | Способ воздействия | Тип извещателя |
Окна, витрины, стеклянные прилавки, двери со стеклянным полотном, рамы, фрамуги, форточки | Открывание | Магнитоконтактные |
Разрушение стекла (разбитие и вырезание стекла) | Омические, ударноконтактные, звуковые, пьезоэлектрические |
Проникновение | Пассивные оптико-электронные, радиоволновые, комбинированные |
Двери, ворота, погрузочно-разгрузочные люки | Открывание | Магнитоконтактные, выключатели оконечные, активные оптико-электронные |
Пролом | Омические (провод НВМ), пьезоэлектрические |
Проникновение | Пассивные оптико-электронные, радиоволновые, ультразвуковые, комбинированные |
Оконные решетки, решетчатые двери, решетки дымоходов и воздуховодов | Открывание | Магнитоконтактные (для металлических конструкций) |
Перепиливание | Омические (провод НВМ) |
Стены, полы, потолки, перекрытия, перегородки, места ввода коммуникаций | Пролом | Омические (провод НВМ), пьезоэлектрические, вибрационные |
Проникновение | Активные линейные оптико-электронные, пассивные оптико-электронные, радиоволновые, ультразвуковые, комбинированные |
Сейфы, отдельные предметы | Разрушение (ударные воздействия, сверление, пиление) | Пьезоэлектрические, вибрационные |
Касание, приближение | Емкостные |
Проникновение (подход к защищаемым предметам) | Активные оптико-электронные, пассивные оптико-электронные, радиоволновые, ультразвуковые, комбинированные |
Перемещение предмета или разрушение | Магнитоконтактные омические (провод НВМ, ПЭЛ), пьезоэлектрические |
Коридоры | Проникновение | Активные оптико-электронные, пассивные оптико-электронные, радиоволновые, ультразвуковые, комбинированные |
Объем помещений | Проникновение | Пассивные оптико-электронные, радиоволновые ультразвуковые, комбинированные |
Внешний периметр, открытые площадки | Проникновение | Активные линейные оптико-электронные, радиоволновые |
6.1 Блокировка окон и остекленных конструкций
При блокировке стекол окон на разрушение с помощью фольги необходимо исключить возможность закорачивания заблокированного фольгой стекла следующим образом:
- фольга должна наклеиваться отдельными участками с подключением к ШС через коробки соединительные;
- для предотвращения выставления или поворачивания стекла снаружи без нарушения (например, при креплении стеклянных полотен снаружи к раме с помощью штапиков), приклеенные участки фольги (по диагонали полотна) соединяются друг с другом петлей провода типа НВМ, которая крепится к обвязке рамы под винт (петля-ловушка). При поворачивании стекла провод обрывается и нарушается целостность ШС.
При блокировке оконных рам на открывание в зависимости от конструкции окон магниты и герконы магнитоконтактных извещателей могут устанавливаться как на подвижных, так и на неподвижных частях окон. При использовании металлических рам или рам с металлической обвязкой необходимо устанавливать магнитоконтактные извещатели типа ИО 102-6, специально предназначенные для этих целей. Рекомендуемое размещение извещателей - на верхних частях оконных рам. В случаях невозможности данной установки из-за конструктивных или архитектурных особенностей окон допускается установка магнитоконтактных извещателей на боковых и нижних частях рам.
При блокировке окон и остекленных конструкций на проникновение с помощью пассивных оптико-электронных извещателей с поверхностной узконаправленной зоной обнаружения ("занавес") допускается устанавливать их как на стенах помещения, так и на потолке, в зависимости от архитектурных особенностей блокируемых окон. При этом необходимо настраивать извещатель так, чтобы зона обнаружения извещателя располагалась не далее 1 м по всей ширине и высоте от блокируемого окна.
При блокировке окон и остекленных конструкций на проникновение с помощью пассивных оптико-электронных извещателей с объемной зоной обнаружения, радиоволновых и комбинированных извещателей их следует устанавливать в углах помещения, прилегающих к блокируемым окнам или на боковых стенах. Не рекомендуется, во избежание ложных срабатываний, устанавливать извещатели на противоположных к блокируемым окнам стенах или, чтобы зоны обнаружения радиоволновых и комбинированных извещателей выходили за пределы блокируемых окон.
При одновременной блокировке окон и остекленных конструкций на разбитие стекла и открывание, с помощью извещателей поверхностных пьезоэлектрических сенсоры следует "врезать" в подоконник так, чтобы при закрытии рамы нижний ее край постоянно имел давление на сенсор. Такая установка сенсоров позволяет не только зафиксировать открытие рамы или разбитие стекла, но и обнаружить нарушителя при "наступлении" его на подоконник.
Варианты блокировки окон с помощью различных извещателей приведены на
рисунках 6.1 -
6.10.
Рисунок 6.1 - Блокировка двухстворчатого окна извещателями
омическими и магнитоконтактными
Рисунок 6.2 - Блокировка четырехстворчатого окна
извещателями омическими и магнитоконтактными
БОС - Блок обработки сигнала извещателя "Окно-4"
ДРС - Датчик разрушения стекла
Рисунок 6.3 - Блокировка двухстворчатого окна извещателями
магнитоконтактными и поверхностными ударноконтактными
На потолке (вертикальная плоскость) | На потолке (горизонтальная плоскость) |
| |
На стене (горизонтальная плоскость) | На стене или потолке (горизонтальная плоскость) |
| |
Рисунок 6.4 - Варианты установки извещателя
охранного поверхностного "Стекло-1"
Рисунок 6.5 - Блокировка окна на открывание и разрушение
извещателями "Стекло-1" и магнитоконтактными
В горизонтальной плоскости
Рисунок 6.6 - Блокировка оконных проемов на проникновение
извещателями пассивными оптико-электронными с зоной
обнаружения типа "занавес"
Рисунок 6.7 - Блокировка окна на открывание и проникновение
извещателями магнитоконтактными и пассивными
оптико-электронными с зоной обнаружения типа "занавес"
В горизонтальной плоскости
В вертикальной плоскости
Рисунок 6.8 - Блокировка окна на проникновение пассивными
оптико-электронными извещателями с объемной зоной
обнаружения при установке их в углу помещения или на стене
В горизонтальной плоскости
В вертикальной плоскости
Рисунок 6.9 - Блокировка окна на открывание и проникновение
объемными радиоволновыми и комбинированными извещателями
Рисунок 6.10 - Блокировка окна на открывание, разбитие
стекла и проникновение поверхностным пьезоэлектрическим
извещателем "Гюрза-050М"
6.2 Блокировка дверей (ворот)
При блокировке дверей на открывание с помощью магнитоконтактных извещателей их следует устанавливать на верхней стороне дверей. В случаях невозможности данной установки из-за конструктивных или архитектурных особенностей дверей допускается установка магнитоконтактных извещателей на боковой (противоположной петлям) стороне двери. Магниты и герконы магнитоконтактных извещателей, в зависимости от конструктивных особенностей и вида блокировки, могут устанавливаться как на двери, так и на дверной коробке. При использовании металлических дверей или дверей с металлической обвязкой необходимо устанавливать магнитоконтактные извещатели типа ИО 102-6, специально предназначенные для этих целей.
Для исключения возможности деблокирования извещателя с помощью использования мощного магнита на входные двери рекомендуется устанавливать рядом с основным магнитоконтактным извещателем дополнительный извещатель - ловушку. Извещатель-ловушка - это обычный магнитоконтактный извещатель, но из корпуса удален магнит. Геркон подключается к ШС параллельно и работает на замыкание шлейфа сигнализации.
При блокировке дверей на пролом с помощью провода рекомендуется использовать в качестве гибкого перехода устройства соединительные. Для исключения возможности закорачивания заблокированной проводом двери необходимо провод подключать к ШС через разные УС.
При блокировке дверей на открывание с помощью активных линейных оптико-электронных извещателей, имеющих световозвращатели ("Вектор-3") допускается их установка: над дверью, на боковых стенах помещения (на боковых сторонах дверной коробки), на противоположной двери стене помещения. При установке извещателя над дверью и на противоположной стене световозвращатель устанавливается на блокируемой двери. Такая установка требует повышенной технической укрепленности двери, исключающую нарушение юстировки извещателя.
Извещатели, имеющие блоки излучения и приема ("Вектор-2") рекомендуется использовать для одновременной блокировки нескольких дверей и устанавливать на боковых стенах или боковых сторонах дверных проемов.
Блокируемые двери, при установке извещателей на боковых стенах или боковых сторонах дверных проемов, должны открываться в сторону установки извещателей и при открытии двери пересекать ИК-луч извещателей.
При блокировке дверей на проникновение с помощью оптико-электронных извещателей с поверхностной узконаправленной зоной обнаружения ("занавес") извещатели рекомендуется устанавливать на стенах или потолке так, чтобы зона обнаружения извещателя располагалась на расстоянии не более 1 м вдоль блокируемой двери.
При блокировке дверей на проникновение с помощью пассивных оптико-электронных извещателей с объемной зоной обнаружения, ультразвуковых, радиоволновых и комбинированных извещателей, допускается устанавливать их на стенах и потолке помещения, причем оптико-электронные и комбинированные извещатели в помещениях, где двери открываются во внутрь должны быть установлены так, чтобы при открытии двери она не замаскировывала нарушителя.
Во избежание ложных срабатываний при блокировке двери радиоволновым извещателем необходимо его настраивать так, чтобы зона обнаружения не выходила за пределы блокируемой двери.
При одновременной блокировке дверей на открывание и пролом с помощью извещателей поверхностных пьезоэлектрических сенсоры следует "врезать" в дверную коробку со стороны петель так, чтобы при закрытии двери ее край постоянно имел давление на сенсор. Такая установка сенсоров позволяет не только зафиксировать открывание двери или ее разрушение, но и обнаружить нарушителя при "надавливании" его на дверь.
Варианты блокировки дверей с помощью различных извещателей приведены на
рисунках 6.11 -
6.19.
В горизонтальной плоскости
Рисунок 6.11 - Блокировка двери на проникновение
извещателями пассивными оптико-электронными с зоной
обнаружения типа "занавес"
Рисунок 6.12 - Блокировка дверей (ворот) на открывание
и пролом проводом и извещателями магнитоконтактными
(выключателями конечными)
Рисунок 6.13 - Блокировка двери на открывание
и проникновение извещателями магнитоконтактными и пассивными
оптико-электронными с зоной обнаружения типа "занавес"
Рисунок 6.14 - Блокировка дверей (ворот) на открывание
извещателями активными линейными оптико-электронными
БП - блок приемника
БИ - блок излучателя
Рисунок 6.15 - Блокировка дверей на открывание
и проникновение извещателем активным линейным
оптико-электронным "Вектор-2"
Рисунок 6.16 - Блокировка двери на открывание
извещателем магнитоконтактным
Рисунок 6.17 - Блокировка двери на открывание и пролом
извещателем поверхностным пьезоэлектрическим "Гюрза-050М"
В горизонтальной плоскости
В вертикальной плоскости
Рисунок 6.18 - Блокировка двери на проникновение
объемным оптико-электронным извещателем
В горизонтальной плоскости |
|
В вертикальной плоскости | В горизонтальной плоскости |
| |
Рисунок 6.19 - Блокировка двери на открывание
и проникновение объемными радиоволновыми
и комбинированными извещателями
6.3 Блокировка решетчатых конструкций
Блокировка решетчатых дверей и обычных дверей на открывание с помощью магнитоконтактных извещателей одинакова.
Для надежной блокировки решеток и решетчатых дверей от перепиливания необходимо "оплести" все прутья решетки проводом или пропустить провод через все трубки фальшрешеток в соответствии с рисунками.
Рисунок 6.20 - Блокировка ворот выключателями конечными (ВК)
Рисунок 6.21 - Блокировка оконных решеток, решеток
воздуховодов и решетчатых дверей проводом
Рисунок 6.22 - Блокировка фальшрешетки воздуховода проводом
6.4 Блокировка стен, полов и потолков
При блокировке стен, пола, потолка на пролом с помощью провода рекомендуется для облегчения монтажа и технического обслуживания устанавливать КС через каждые 5 м2.
При блокировке полов и потолков КС следует устанавливать на стенах. При невозможности выполнения скрытой прокладки провода допускается открытая прокладка, при условии покрытия блокируемой поверхности листовым материалом (оргалит, фанера и т.п.).
Для надежной блокировки стен, пола, потолка на пролом с помощью извещателей поверхностных пьезоэлектрических вибрационных, извещатели ("Шорох"), датчики ДСВ ("Грань") необходимо устанавливать так, чтобы они охватывали не менее 75% блокируемой площади.
При блокировке стен, пола, потолка на проникновение с помощью пассивных оптико-электронных извещателей с поверхностной узконаправленной зоной обнаружения ("занавес") или активных линейных извещателей рекомендуется устанавливать извещатели на боковых границах блокируемых или прилегающих стенах так, чтобы зоны обнаружения или ИК-лучи распространялись вдоль блокируемых конструкций.
Следует иметь в виду, что при блокировке пола или потолка пассивными извещателями с поверхностной узконаправленной зоной обнаружения (извещатель повернут на 90°) дальность обнаружения уменьшается в 2 раза.
Для надежной блокировки строительных конструкций активные оптико-электронные извещатели следует устанавливать на расстоянии не более 0,5 м друг от друга.
При блокировке потолка рекомендуемая высота установки извещателя (зона обнаружения, ИК-лучи):
- высота потолка до 3 м - под потолком;
- высота потолка 3 - 5 м - не более 1 м от потолка;
- высота потолка выше 5 м - не более 2 м от потолка.
При блокировке пола рекомендуемая высота установки извещателя (зона обнаружения, ИК-лучи) - не более 0,5 м от пола.
При блокировке стен, полов, потолков извещателями пассивными оптико-электронными с объемной зоной обнаружения, извещателями радиоволновыми, ультразвуковыми и комбинированными рекомендуется устанавливать их так, чтобы зоны обнаружения, по возможности, блокировали всю площадь строительных конструкций. В помещениях, где располагаются отдельные предметы, создающие "мертвые зоны", следует размещать несколько извещателей.
В одном помещении одновременно можно располагать:
- любые пассивные оптико-электронные извещатели;
- извещатели с различным принципом действия;
- радиоволновые извещатели с различными частотными литерами;
- ультразвуковые извещатели с разными блоками выносными ультразвуковыми (БВУ);
- радиоволновые, комбинированные и ультразвуковые извещатели с одинаковыми частотными литерами см.
рисунок 6.30.
Варианты блокировки с помощью различных извещателей приведены на
рисунках 6.23 -
6.30.
КС1 - КСN - устанавливаются через каждые 5 м2 блокируемой поверхности.
Рисунок 6.23 - Блокировка стен, полов и потолков проводом
Рисунок 6.24 - Блокировка стен, потолка и пола
на проникновение извещателями пассивными оптико-электронными
с зоной обнаружения типа "занавес"
На монолитной стене, потолке, полу
На деревянной конструкции (перегородке)
Рисунок 6.25 - Блокировка стен, потолка и пола на пролом
извещателем поверхностным "Грань-2"
Размещение извещателя для охраны стен (пола, потолка)
A1 - извещатель
S1 - максимальная блокируемая площадь - не менее 12 м2 (для сплошной бетонной, кирпичной и деревянной конструкции с радиусом R, соответствующим этой площади)
S2 - площадь, неохваченная окружностью с выбранным радиусом действия
ШС - шлейф сигнализации приемно-контрольного прибора
Размещение извещателя для охраны монолитного пола, потолка,
с захватом стен или соседних помещений
Рисунок 6.26 - Блокировка стен, потолков и полов на ударное
воздействие, разрушение, пиление, сверление извещателем
поверхностным вибрационным "Шорох-1"
H - высота установки:
- при потолке до 3 м - под потолком
- при потолке от 3 до 5 м - не более 1 м от потолка
- при потолке от 5 м и выше - не более 2 м от потолка
Рисунок 6.27 - Блокировка стен, потолка и пола
на проникновение извещателями активными
линейными оптико-электронными
В горизонтальной плоскости
В вертикальной плоскости
Рисунок 6.28 - Одновременная блокировка на проникновение
стен, пола и потолка, а также объема помещения объемными
пассивными оптико-электронными извещателями
В горизонтальной плоскости
S1 - зона обнаружения извещателя
S2 - зона, не охваченная извещателем
В вертикальной плоскости
Тип | L, м | H1, м | H2, м |
Аргус-2 | 2 - 4 до 12 - 16 | 6 - 8 | 5 - 6 |
Аргус-2М | 1 - 2 до 6 - 8 | 3 - 4 | 2 - 3 |
Волна-5 | 2 - 5 до 12 - 15 | 8 | 6 |
Эхо-2 | 1 - 4 до 6 | 5 | 5 |
Эхо-3 | 1 - 4 до 8 | 8 | 8 |
DT4201T | 0 - 6 | 0 - 6 | 0 - 3 |
DT4351T | 0 - 11 | 0 - 9 | 0 - 3 |
DT4501T | 0 - 15 | 0 - 12 | 0 - 3 |
Рисунок 6.29 - Одновременная блокировка на проникновение
стен, потолка и пола, а также объема помещения объемными
радиоволновыми, ультразвуковыми
и комбинированными извещателями
Извещатель | L не менее, м |
Аргус-2 | 5 |
Аргус-2м | 5 |
Волна-5 | 4 |
ДТ4201Т | 3 |
ДТ4351Т | 3 |
ДТ4501Т | 3 |
Эхо-2 | 5 |
Эхо-3 | 5 |
Рисунок 6.30 - Блокировка помещения несколькими
радиоволновыми, ультразвуковыми
и комбинированными извещателями
6.5 Блокировка сейфов и отдельных предметов
При блокировке сейфов на ударные воздействия (сверление, пиление и разрушение) с помощью извещателей поверхностных пьезоэлектрических вибрационных рекомендуемое размещение извещателей ("Шорох") или датчиков сигналов вибрации ДСВ ("Грань") - на боковых и задней стенках сейфа в местах, защищенных от механических повреждений и доступа посторонних лиц. Извещатели или ДСВ устанавливаются по одному на каждый блокируемый сейф. При использовании извещателя "Грань" для блокировки сейфа расстояние между ДСВ и блоком обработки сигналов (БОС) должно быть не более 50 м.
При блокировке сейфов на касание и приближение с помощью извещателей поверхностных емкостных их следует располагать в непосредственной близости от блокируемого сейфа, а чувствительный элемент (антенна) должен быть прикреплен к боковым или задней стенкам сейфа. Для надежной и устойчивой работы извещателя рекомендуется под блокируемый сейф подкладывать изолирующее покрытие.
При блокировке на подход к защищаемым предметам с помощью пассивных оптико-электронных извещателей с поверхностной узконаправленной зоной обнаружения ("занавес") или активных линейных извещателей рекомендуется устанавливать извещатели на боковых стенах так, чтобы зоны обнаружения или ИК-лучи распространялись вдоль блокируемых предметов (аналогично блокировке стен).
При блокировке отдельных предметов извещателями пассивными оптико-электронными с объемной зоной обнаружения, извещателями радиоволновыми, ультразвуковыми и комбинированными рекомендуется устанавливать их так, чтобы зоны обнаружения блокировали все возможные подходы к защищаемым предметам. При наличии "мертвых зон", открывающих доступ к предметам, следует для надежной блокировки размещать в одном помещении несколько извещателей.
При блокировке отдельных предметов на перемещение извещателями магнитоконтактными, извещатели рекомендуется устанавливать скрытым способом так, чтобы максимальное расстояние между магнитом и герконом извещателя было не более 6 мм.
При блокировке отдельных предметов на перемещение или его разрушение с помощью провода рекомендуется прикреплять его к предмету с помощью зажимов или приклеиванием так, чтобы при любом незначительном перемещении или нарушении целостности охраняемого предмета происходил бы обрыв провода.
Для защиты отдельных как миниатюрных (массой порядка 50 г), так и достаточно больших (массой до 20 кг) предметов на перемещение (давление) рекомендуется использовать извещатели поверхностные пьезоэлектрические ("Гюрза-050"). Данный тип извещателя рекомендуется применять для блокировки картин, художественных и ювелирных изделий, стеллажей с экспонатами, электронных приборов, оргтехники. При креплении предметов на струнах (шнурах и т.п.) сенсоры извещателя прикрепляются к ним с помощью зажимов. При блокировке отдельных предметов, установленных на подиумах, сенсоры извещателя можно располагать как под самим предметом, так и под подиумом.
Рисунок 6.31 - Блокировка сейфа извещателем емкостным "Пик"
Максимальная площадь, контролируемая одним извещателем при установке на металлическом шкафе, не менее 6 м2 по внешней его поверхности, металлическом засыпном сейфе - не менее 3 м2 по его поверхности
Рисунок 6.32 - Блокировка сейфа извещателем
вибрационным пьезоэлектрическим "Шорох-1"
БОС - блок приема и обработки сигнала
ДСВ1 - датчик сигналов вибрации
Максимальная площадь, контролируемая одним ДСВ1 на металлическом шкафе (сейфе) - не менее 8 м2 по внешней его поверхности
Рисунок 6.33 - Блокировка сейфа извещателем
пьезоэлектрическим "Грань-2"
В горизонтальной плоскости
Рисунок 6.34 - Блокировка сейфов (предметов) извещателями
пассивными оптико-электронными с зоной обнаружения
типа "занавес"
В горизонтальной плоскости
В вертикальной плоскости
Рисунок 6.35 - Блокировка сейфов (предметов) извещателями
линейными активными оптико-электронными
В горизонтальной плоскости
В вертикальной плоскости
Извещатель | LMax | H1Max | H2Max |
Аргус-2 | 16 | 8 | 6 |
Аргус-2М | 8 | 4 | 3 |
Волна-5 | 15 | 8 | 6 |
Эхо-2 | 6 | 5 | 5 |
Эхо-3 | 8 | 8 | 8 |
ДТ4201Т | 6 | 6 | 3 |
ДТ4351Т | 11 | 9 | 3 |
ДТ4501Т | 15 | 12 | 3 |
Рисунок 6.36 - Блокировка сейфов (предметов)
объемными радиоволновыми, ультразвуковыми
и комбинированными извещателями
При блокировке длинных коридоров по всей площади рекомендуется использовать извещатели линейные активные оптико-электронные типа "Вектор-2" и извещатели пассивные оптико-электронные с линейной зоной обнаружения типа "Фотон-6А". Для надежной защиты коридоров извещатели следует устанавливать:
- активные - на расстоянии не менее 0,5 м друг от друга на высоте 0,8 - 1,3 м от уровня пола (для исключения хождения) и на расстоянии не менее 0,5 м друг от друга по ширине и высоте 1,5 - 2 м от уровня пола (для полной блокировки);
- пассивные - на высоте 2,3 - 3 м от уровня пола.
При блокировке проходов в коридоры рекомендуется использовать извещатели линейные активные оптико-электронные типа "Вектор-3", извещатели пассивные оптико-электронные с поверхностной узконаправленной зоной обнаружения ("занавес"), объемные пассивные оптико-электронные, радиоволновые, ультразвуковые и комбинированные. Для надежной защиты коридоров извещатели следует устанавливать:
- активные - на расстоянии не менее 0,5 м друг от друга по высоте 1,5 - 2 м от уровня пола;
- объемные - на высоте 1,5 - 2,5 м от уровня пола.
При использовании радиоволновых, ультразвуковых и комбинированных извещателей их необходимо настраивать так, чтобы зона обнаружения извещателя блокировала весь проход в коридор.
Варианты блокировки с помощью различных извещателей приведены на
рисунках 6.37 -
6.40.
Рисунок 6.37 - Блокировка коридора извещателями линейными
активными оптико-электронными
Рисунок 6.38 - Блокировка коридора и холла извещателями
пассивными оптико-электронными с линейной зоной обнаружения
Рисунок 6.39 - Блокировка коридора извещателями пассивными
оптико-электронными с зоной обнаружения типа "занавес"
Извещатель | LMax | HMax |
Аргус-2 | 16 | 8 |
Аргус-2М | 8 | 4 |
Волна-5 | 15 | 8 |
Эхо-2 | 6 | 5 |
Эхо-3 | 8 | 8 |
ДТ4201Т | 6 | 6 |
ДТ4351Т | 11 | 9 |
ДТ4501Т | 15 | 12 |
Рисунок 6.40 - Блокировка коридора извещателями объемными
радиоволновыми, ультразвуковыми и комбинированными
Рисунок 6.41 - Блокировка отдельных предметов
магнитоконтактными извещателями
Рисунок 6.42 - Блокировка отдельных предметов проводом
Рисунок 6.43 - Блокировка отдельных предметов извещателем
поверхностным пьезоэлектрическим "Гюрза-050М"
Извещатель | Дальность L, м | Площадь S, м2 |
Фотон-6 | 12 | 120 |
9981 | 15 | 225 |
Рисунок 6.44 - Одновременная блокировка объема
и отдельных предметов объемными пассивными
оптико-электронными извещателями
6.7 Блокировка объема помещений
Размещение извещателей в помещении аналогично размещению извещателей при блокировке отдельных предметов, блокировке стен, пола и потолка.
6.8 Блокировка внешнего периметра и открытых площадок
При блокировке периметра оптико-электронными извещателями их блоки следует устанавливать на стенах, специальных столбах или стойках, обеспечивающих отсутствие колебаний амплитудой более 0,1 мм при воздействии внешних возмущающих воздействий. Вдоль блокируемого периметра (ограждения) должна быть выделена зона отторжения шириной не менее 1 м, которая должна быть свободна от растительности и предметов, препятствующих прохождению ИК-лучей.
Для надежной блокировки внешнего ограждения рекомендуется устанавливать блоки извещателей (ИК-луч) с внутренней стороны ограждения на высоте 0,4 - 0,5 м от верхнего края ограждения.
Для защиты блоков извещателей от посторонних лиц следует размещать блоки в специальных кожухах.
При блокировке периметра радиоволновыми извещателями они (блоки извещателей) могут размещаться вдоль забора, над забором, вдоль здания на большой высоте.
Для размещения извещателя с горизонтальным расположением антенн вдоль забора периметра охраняемого участка должна быть выделена зона отторжения шириной B, которая зависит от длины L зоны, охраняемой одним извещателем, и определяется из выражения:
B > (0,6 + 0,026L), м.
В этой зоне не должно быть построек, кустарника, деревьев, травы выше 0,1 м и т.п. Установку извещателя на выделенной зоне отторжения необходимо производить на жестких устойчивых к вибрациям опорах (капитальные стены, столбы диаметром 60 - 120 мм).
При выборе места установки извещателя необходимо учитывать, что он (его блоки) должен находиться от забора на расстоянии, равном половине ширины зоны отторжения. Размещение извещателя над забором можно производить в случае, если ограждение имеет высоту не менее 2 м.
При выборе места установки объемного радиоволнового извещателя для блокировки открытых площадок необходимо учитывать следующее:
- размещение извещателя должно быть произведено с помощью механизма юстировки на жестких опорах, не подверженных вибрациям (колонне, столбе, капитальной стене);
- при использовании двух или более извещателей, их зоны обнаружения не должны пересекаться (это достигается параллельной ориентацией векторов излучений, разнесением извещателей на расстояние, превышающее максимальную ширину зон обнаружения). Если подобную установку извещателей осуществить невозможно, то необходимо использовать извещатели с разными частотными литерами;
- материальные ценности, расположенные на площадке, должны находиться в центре зоны обнаружения извещателя (суммарной зоны обнаружения нескольких извещателей). Высота ограждения площадки должна быть не менее 1,0 м, (например, сетка "рабица" с размером ячеек не менее 6 x 6 см). На площадке не допускается наличие кустов и деревьев, допускаются отдельные участки травы высотой не более 0,15 м по периметру площадки. Не допускается сток воды с крыши здания, если на внешней стороне стены здания установлен извещатель.
На охраняемой площадке могут быть отдельные вибрирующие предметы, амплитуда колебаний которых не превышает 1 мм.
Допускаются кратковременные ударные колебания ограждения площадки с амплитудой до 1 см. Вне пределов охраняемой площадки (5 - 7 м от границы охраняемой зоны) допускается наличие кустов и крон деревьев, построек. Охраняемая площадка должна быть удалена на расстояние не менее 300 м от железнодорожных линий и не менее 1 км от аэропортов и мощных радиопередающих станций.
Высота установки извещателя определяется высотой охраняемых предметов. Высота подвеса и угол наклона извещателя должны выбираться таким образом, чтобы перед зоной тени существовал участок зоны обнаружения, защищающий подход к охраняемому предмету. Рекомендуется высота подвеса 3,0 - 7,0 м.
Варианты блокировки периметра и открытых площадок с помощью различных извещателей приведены на
рисунках 6.45 -
6.49.
БПК - блок питания и контроля
БИ - блок излучателя
БФ - блок фотоприемника

- 2-лучевой совместный режим работы (2ЛС)

- 4-лучевой совместный режим работы (4ЛС)
Рисунок 6.45 - Блокировка периметра и внешнего ограждения
извещателем охранным оптико-электронным "Рубеж-3М"
Вид сбоку
БИ - блок излучателя
БП - блок приемника
Вид вдоль оси
Извещатель | H, м | W, м |
Радий 1 | 1,5 - 2,5 | 1,2 - 6 |
Радий 2 | 1,5 - 3 | 1,5 - 5 |
Рисунок 6.46 - Блокировка внешнего ограждения извещателем
радиоволновым "Радий-1" ("Радий-2")
Рисунок 6.47 - Размещение извещателей "Радий-1" ("Радий-2")
при блокировке замкнутого периметра
Рисунок 6.48 - Размещение извещателей "Радий-1" ("Радий-2")
при блокировке протяженного внешнего ограждения
Извещатель | S, м2 |
Фон-1М | 300 |
Шторм-2 | 400 |
Рисунок 6.49 - Блокировка открытых площадок
извещателями объемными радиоволновыми
7 ТЕХНИЧЕСКИЕ СРЕДСТВА ПОЖАРНОЙ СИГНАЛИЗАЦИИ
Технические средства пожарной сигнализации состоят из пожарных извещателей, пожарных приборов приемно-контрольных и пультов, сигнально-пусковых устройств, приборов управления и оповещателей.
7.1 Размещение пожарных извещателей
Автоматические пожарные извещатели (тепловые, дымовые), за исключением световых, устанавливаются в помещениях на потолке. При невозможности размещения извещателей на потолке из-за архитектурно-художественных особенностей объекта, допускается установка извещателей на стенах, колоннах на расстоянии не более 300 мм от потолка при условии соблюдения максимально допустимых расстояний между извещателями.
В случаях, когда здания имеют сложные железобетонные, металлические и стеклянные потолочные перекрытия, а также перекрытия, имеющие световые фонари, допускается подвеска извещателей на тросах (струнах). При этом прогиб троса (струны) с вертикально расположенными на нем извещателями не должен превышать 300 мм от потолочного перекрытия, включая габариты извещателя.
В помещениях, где имеются стеллажи или штабели различных предметов, верхние края которых отстают от потолка на расстояние 600 мм и менее, извещатели должны устанавливаться в каждой зоне помещения, образованной штабелями или стеллажами. В помещениях, перекрытия которых имеют выступающие более, чем на 400 мм конструкции (балки, прогоны, ребра жесткости железобетонных плит), извещатели должны устанавливаться в каждой зоне потолка.
Одним шлейфом должно блокироваться не более пяти помещений при условии их расположения на одном этаже. Для административных зданий (помещений) допускается блокировка одним шлейфом пожарной сигнализации до 10, а при наличии выносной сигнализации из каждого помещения - до 20 помещений с общим коридором или смежных.
Шлейфы пожарной сигнализации и соединительные линии необходимо выполнять с условием обеспечения автоматического контроля целостности их по всей длине.
Указанное требование не распространяется на аппаратуру, принцип действия которой не позволяет осуществить автоматический контроль.
Пожарные извещатели, применяемые для обнаружения загораний в местах прохода проводов, кабелей и других горючих материалов, проложенных между перекрытием и подвесным потолком, должны устанавливаться за подвесным потолком на перекрытии или кронштейнах и должны быть включены в отдельный шлейф сигнализации.
Количество тепловых извещателей, включаемых в один шлейф пожарной сигнализации, должно определяться возможностью своевременного определения мест загораний и техническими характеристиками ППК, но не должно превышать 50 шт.
В одном помещении следует устанавливать не менее двух пожарных извещателей. Допускается установка в помещении одного адресуемого пожарного извещателя.
Площадь, контролируемая одним пожарным извещателем, а также максимальное расстояние между извещателями, извещателем и стеной, согласно
СНиП 2.04.09-84, необходимо определять по
таблице 7.1, но не превышая указанных в технических условиях и паспортах на конкретные типы извещателей.
Таблица 7.1
Размещение пожарных извещателей
Высота установки извещателя, м | Площадь, контролируемая одним извещателем, м2 | Максимальное расстояние, м |
между извещателями | от извещателя до стены |
Дымовые извещатели |
до 3,5 | до 85 | 9,0 | 4,5 |
свыше 3,5 до 6,0 | до 70 | 8,5 | 4,0 |
свыше 6,0 до 10,0 | до 65 | 8,0 | 4,0 |
свыше 10,0 до 12,0 | до 55 | 7,5 | 3,5 |
Тепловые извещатели |
до 3,5 | до 25 | 5,0 | 2,5 |
свыше 3,5 до 6,0 | до 20 | 4,5 | 2,0 |
свыше 6,0 до 9,0 | до 15 | 4,0 | 2,0 |
В помещениях шириной до 3 м расстояние между дымовыми извещателями допускается увеличивать до 15 м.
Пожарные извещатели служат для первичного обнаружения физических факторов, сопутствующих пожару, таких как: тепло, дым, открытое пламя, и передачи тревожных извещений по шлейфам пожарной сигнализации на приемно-контрольные приборы и сигнально-пусковые устройства.
По способу обнаружения пожарные извещатели делятся на тепловые, дымовые, световые и ручные.
Тепловые извещатели делятся по принципу действия на максимальные - срабатывающие при достижении порогового значения температуры, дифференциальные - срабатывающие при достижении скорости нарастания температуры порогового значения и на максимально-дифференциальные.
Максимальная площадь, контролируемая одним тепловым пожарным извещателем, составляет 15 - 25 м2 в зависимости от высоты установки.
Дымовые извещатели делятся по зоне обнаружения на точечные и линейные.
Точечные извещатели имеют чувствительную зону по размерам (2 - 3 см) существенно меньше, чем обнаруживаемое облако дыма, максимальная контролируемая одним таким извещателем площадь составляет 55 - 85 м2, в зависимости от высоты установки. Кроме того, точечные дымовые извещатели по способу обнаружения дыма делятся на радиоизотопные и оптико-электронные. Радиоизотопные извещатели имеют большую чувствительность к "черным" дымам.
Линейные извещатели в качестве чувствительной зоны используют инфракрасный луч длиной до 100 м, который по своей протяженности больше обнаруживаемого дымового облака. Площадь, контролируемая одним таким извещателем, может достигать 1000 м2.
Извещатели пламени световые срабатывают на инфракрасное или ультрафиолетовое излучение открытого пламени пожара.
Ручные извещатели приводятся в действие человеком, обнаружившим пожар.
Пожарные извещатели по электропитанию делятся на активные, получающие питание от пожарного шлейфа, и пассивные, не требующие питания.
Выбор конкретного типа извещателя производится в первую очередь с учетом особенностей защищаемого объекта, таких как его площадь и объем, тип горючей загрузки, климатических условий, наличия воздушных потоков и др.
7.2.1 Типовые пожарные извещатели, технические характеристики и условия применения
Извещатель пожарный тепловой ИП 101-2 предназначен для обнаружения загораний, сопровождающихся повышением температуры, в закрытых помещениях с температурой окружающего воздуха от минус 40 до +40 °C. Извещатель рассчитан на непрерывную круглосуточную работу совместно с пожарными ППК.
Электропитание извещателя ИП 101-2 осуществляется по шлейфу сигнализации приемно-контрольного прибора.
Для дистанционного контроля срабатывания извещателя либо группы извещателей одного шлейфа сигнализации подключается выносное устройство оптической сигнализации (ВУОС).
Извещатель ИП 101-2 состоит из блока извещателя со световым индикатором и розетки.
Технические характеристики извещателя приведены в
таблице 7.2.
Таблица 7.2
Характеристики пожарных извещателей
Характеристика | ИП 105-2/1 | ИП 101-2 | ИП 103-4/1 "МАК-1" | ИПР | ИП 212-5 ДИП-3 | ИП 212 26 У "ДИП-У" | ИП 212-26 | ИП 212-7 ИДПЛ-1 | ИП 329-2 "АМЕТИСТ" |
Защищаемая площадь, м2/дальность, м | 15/ | | 15/ | | 150/ | | | 1000/100 | 1000/ |
Температура срабатывания, °C | 70 | 60 | 60, 70 | | | | | | |
Чувствительность: дБ/м; ед. | | | | | 0,05 - 0,5 | 0,05 - 0,2 | 0,05 - 0,5 | 1,5 | 0,5 |
Инерционность срабатывания, с | 120 | | 90 | | 5 | | | | 5 |
Напряжение питания, В | | 18 - 24 | | 18 - 24 | 16 - 24 | 9 - 27 | 17 - 26 | | |
Потребляемый ток, мА: | | | | | 0,5 | 0,15 | 0,15 | | |
в дежурном режиме; | 0,3 | 0,35 | | | | 3 | 0,3 |
в режиме "Пожар" | | 18 | | | | | 20 |
Диапазон рабочих температур, °C | -50 - 50 | -40 - +40 | -30 - +50 | -50 - +50 | -30 - +60 | -30 - +50 | -30 - +60 | -20 - +50 | -30 - +50 |
Габаритные размеры, мм | 55x60 | 110x95x100 | 60x65 | 150x45x120 | 120x70 | 121x82 | 120x120x85 | 100x100x125 | 140x255 |
Масса, кг | 0,03 | 0,2 | 0,02 | 0,35 | 0,38 | 0,35 | 0,35 | 1 | 0,8 |
Схемы подключения извещателя к различным ППК приведены на
рисунке 7.4.
Извещатель пожарный тепловой максимального действия ИП 103-4/1 "МАК" предназначен для работы в закрытых помещениях с температурой окружающего воздуха от минус 50 до +50 °C. Извещатель рассчитан на непрерывную круглосуточную работу с установками пожарной и охранно-пожарной сигнализации, воспринимающих информацию об обрыве ШС.
Обрыв ШС осуществляется путем размыкания контактов термочувствительного элемента - реле теплового РТ-002 при достижении температуры окружающей среды порога срабатывания тепловых реле: 60 +/- 3 °C или 70 +/- 3,5 °C.
В конструктивном исполнении извещатель "МАК-1", вариант 1ИБ, соответствует требованиям
ПУЭ-85 для включения в "искробезопасную электрическую цепь". Извещатель состоит из пластмассового основания с двумя крепежными отверстиями в корпусе, на котором закреплен термочувствительный элемент. ШС подключается к винтам, которые закрываются крышкой.
Технические характеристики извещателя приведены в
таблице 7.2.
Извещатель пожарный тепловой ИП 105-2/1 предназначен для работы в закрытых помещениях с температурой окружающего воздуха от минус 50 до +50 °C. Извещатель рассчитан на непрерывную круглосуточную работу с установками пожарной и охранно-пожарной сигнализации, воспринимающих информацию об обрыве шлейфа сигнализации.
Обрыв ШС осуществляется магнитоуправляемым контактом геркона термочувствительного датчика при достижении определенной температуры ("точка Кюри").
Конструктивно извещатель ИП 105-2/1 состоит из пластмассового основания, на котором установлены токоведущие лепестки. С одной стороны к лепесткам крепится через проволочные контакты термочувствительный датчик, с другой - шлейф сигнализации.
Технические характеристики извещателя приведены в
таблице 7.2.
Схема подключения извещателя к ППК "Сигнал-42" приведена на
рисунке 7.5.
Извещатели пожарные дымовые ИП 212-5 (ДИП-3) и ИП 212-26 (модификация извещателя ДИП-3 с более высокой чувствительностью и низким токопотреблением) предназначены для обнаружения в закрытых помещениях загораний, сопровождающихся появлением дыма. Извещатели многократного действия рассчитаны на непрерывную круглосуточную работу в помещениях с температурой окружающего воздуха от минус 30 до +60 °C и предназначены для совместной работы с пожарными приборами и пультами приемно-контрольными, обеспечивающими в шлейфе пожарной сигнализации постоянное напряжение величиной:
16 - 24 В для ДИП-3;
17 - 26 В для ИП 212-26.
Извещатели представляют собой автоматические оптико-электронные устройства, осуществляющие сигнализацию о появлении дыма в месте их установки уменьшением внутреннего сопротивления и включением оптического индикатора срабатывания. При этом извещатели не реагируют на изменение температуры, влажности, наличие пламени, естественного и искусственного освещения.
В аварийных ситуациях извещатели не являются источником опасности ни для людей, ни для материальных ценностей.
Электропитание извещателей осуществляется по шлейфу сигнализации.
Извещатели представляют собой единую конструкцию, состоящую из корпуса и крышки, соединенных винтами. На лицевой поверхности извещателей расположен индикатор срабатывания. Извещатель посредством четырехконтактного разъема соединяется с розеткой, устанавливаемой на стене или потолке. Разъемное соединение извещателей с розетками обеспечивает удобство установки, монтажа и обслуживания извещателей.
Технические характеристики извещателей приведены в
таблице 7.2.
Схемы подключения извещателей к различным ППК приведены на
рисунке 7.6.
Извещатель пожарный дымовой ИП 212-26-У "ДИП-У" (модификация извещателя ИП 212-26 с расширенным диапазоном питающих напряжений от 9 до 27 В). Достоинством извещателя является возможность работы с ППК "VISTA" фирмы ADEMCO. Извещатель включается в первый радиальный шлейф сигнализации, а при использовании
розетки адресной "Р ДИП-А" может подключаться к двухпроводной адресной линии связи. При этом ток, потребляемый розеткой с извещателем в дежурном режиме, не превышает 1,0 мА.
Технические характеристики извещателя приведены в
таблице 7.2.
Схемы подключения извещателя к различным ППК приведены на
рисунке 7.6.
Извещатель пожарный дымовой линейный ИП 212-7 "ИДПЛ-1" предназначен для обнаружения дыма в помещениях больших площадей и объемов и формирует извещение "Пожар" при ослаблении дымом потока инфракрасного (ИК) излучения между блоком излучателя (БИ) и блоком приемника (БП). Извещатель многократного действия рассчитан на непрерывную круглосуточную работу в помещениях с температурой окружающего воздуха от минус 30 до +50 °C и предназначен для совместной работы с пожарными приборами и пультами приемно-контрольными, обеспечивающими в шлейфе пожарной сигнализации постоянное напряжение величиной 24 В.
Извещатель "ИДПЛ-1" обеспечивает возможность подключения выносного устройства оптической сигнализации (ВУОС). При полном перекрытии ИК луча между БИ и БП непрозрачным объектом извещатель выдает извещение "Неисправность". Извещатель сохраняет работоспособность при фоновой освещенности стен помещения в поле зрения БП до 1000 лк.
Электропитание извещателей осуществляется по шлейфу сигнализации.
Конструктивно извещатель "ИДПЛ-1" состоит из блока излучателя и блока приемника. Конструкция оптической системы БИ и БП обеспечивает возможность ее юстировки:
в горизонтальной плоскости - на угол не менее 180°;
в вертикальной плоскости - на угол не менее 20°.
При установке в одном помещении нескольких комплектов извещателей расстояние между чувствительными зонами соседних комплектов должно быть в интервале 1 - 10 м. Расстояние между БИ и БП не должно превышать 100 м.
БИ и БП извещателя должны закрепляться на жесткой опоре: капитальной стене, колонне, балке в удобном месте с точки зрения технического обслуживания, как правило, не ниже 0,3 м от уровня потолка, но выше роста человека для уменьшения количества выдаваемых извещателем тревожных извещений "Неисправность", которые будут формироваться при вхождении человека в чувствительную зону.
Технические характеристики извещателя приведены в
таблице 7.2.
Схема подключения извещателя к шлейфу ППК приведена на
рисунке 7.7.
Извещатель пожарный световой ИП 329-2 "АМЕТИСТ" предназначен для обнаружения в закрытых помещениях очагов пламени, сопровождающихся ультрафиолетовым излучением (УФ) в диапазоне длин волн от 220 до 280 мкм.
Извещатель многократного действия рассчитан на непрерывную круглосуточную эксплуатацию в помещениях с температурой окружающего воздуха от минус 30 до +50 °C и предназначен для совместной работы с пожарными приборами и пультами приемно-контрольными, обеспечивающими в шлейфе пожарной сигнализации постоянное напряжение величиной 18 - 27 В. При этом извещатель не реагирует на изменение температуры и влажности, не срабатывает при кратковременных однократных и периодических перерывах электропитания длительностью не более 100 мс с частотой повторения перерывов не более 1,5 Гц.
Извещатель устойчиво работает при:
освещенности в месте установки до 1000 лк;
воздействии вибраций и индустриальных радиопомех;
мощности экспозиционной дозы гамма-излучения на его чувствительном элементе не более 0,5 мкР/с.
Электропитание извещателей осуществляется по шлейфу сигнализации.
Конструктивно извещатель состоит из унифицированной розетки, установленной в пылезащитном корпусе, блока извещателя, который при помощи четырехконтактного разъема соединяется с розеткой, и пылеотражателя, установленного на корпусе блока извещателя и предназначенного для защиты индикатора от осаждения пыли.
Технические характеристики извещателя приведены в
таблице 7.2.
Схемы подключения извещателя к различным ППК приведены на
рисунке 7.8.
Извещатель пожарный ручной ИПР предназначен для подачи сигнала тревоги на средства пожарной и охранно-пожарной сигнализации человеком.
Извещатель работает с техническими средствами охранно-пожарной сигнализации типа "ППК-2", обеспечивающими квинтирование обратного сигнала (извещатель имеет световую индикацию, подтверждающую фиксирование приемным прибором поданного сигнала). С приемно-контрольными приборами, не имеющими обратного канала, реагирующими только на размыкание электрической сигнальной цепи, извещатель работает без квинтирования.
Извещатель является восстанавливаемым, контролируемым, обслуживаемым изделием многоразового действия. Приведение извещателя в действие вызывает срыв пломбы. Восстановление извещателя производится в ручную специальным штыревым устройством.
Электропитание извещателя осуществляется от прибора приемно-контрольного по шлейфу сигнализации.
Конструктивно извещатель состоит из брызгозащищенного металлического корпуса, в правой части которого расположена ручка, поворот которой на 90° приводит к выдаче извещения "Пожар". Извещатель имеет встроенный световой индикатор контроля режима шлейфа.
Технические характеристики извещателя приведены в
таблице 7.2.
Схемы подключения извещателя к различным ППК приведены на
рисунке 7.9.
7.3 Приборы, пульты приемно-контрольные и сигнально-пусковые устройства
Приборы и пульты приемно-контрольные предназначены для питания пожарных извещателей по шлейфам пожарной сигнализации, приема тревожных извещений от пожарных извещателей, контроля пожарных шлейфов на обрыв и короткое замыкание, формирования извещений "Пожар" и "Неисправность", а также для передачи этих извещений на пульт централизованного наблюдения, формирования сигналов включения систем пожаротушения и дымоудаления.
Основными характеристиками пожарных ППК, так же как и охранных, являются информационная емкость и информативность.
Сигнально-пусковые устройства - это по существу те же приборы приемно-контрольные, которые дополнены возможностью формирования извещения "Внимание", при срабатывании одного пожарного извещателя, извещения "Пожар", при срабатывании не менее двух пожарных извещателей, регулируемой задержкой сигнала пуска систем пожаротушения, возможностью управления системами оповещения о пожаре.
7.3.1 Типовые ППК и сигнально-пусковые устройства
Устройство сигнально-пусковое пожарное УСПП01041-4-2 "Сигнал-42-01" предназначено для:
контроля состояния четырех шлейфов сигнализации с включенными в них пожарными извещателями как активными (токопотребляющими), так и пассивными (работающие на замыкание или размыкание шлейфа);
формирования адресных команд управления автоматическими средствами пожаротушения и дымоудаления (АСПТ);
управления выносными оповещателями;
передачи дублирующих извещений "Пожар", "Внимание" и "Неисправность" на ПЦН.
Электропитание осуществляется от двух независимых источников питания переменного тока напряжением 220 В. При пропадании основного питания устройство автоматически переходит на питание от резервного источника питания.
Устройство предназначено для эксплуатации в помещениях при температуре окружающего воздуха от минус 1 до +40 °C.
Конструктивно устройство "Сигнал-42-01" выполнено в виде одного блока в металлическом корпусе. На передней панели устройства расположены органы управления и индикации.
Технические характеристики устройства приведены в
таблице 7.3.
Таблица 7.3
Характеристики пожарных пультов приемно-контрольных
Характеристика | "Сигнал-42" | "Топаз-1" | ППК-2, А | ППК-2К | ППК-2Б | БЛ20/БЛ40 | "Гамма А" |
Количество ШС | 4 | 10, 30, 50 | 20 | 10 | 8 | 20/40 | 8 |
Ток в ШС в дежурном режиме, мА, не более | 3 | | 10 | 3 |
Сопротивление ШС, кОм | 0,1 | 2 | 0,5 | 0,1 |
Сопротивление утечки ШС, кОМ, не менее | 50 | 20 | 50 | 50 |
Коммутируемые контактами реле "АСПТ" | | | | |
ток, А | 2 | 0,1 | 0,3 | |
напряжение, В | ~ 250 | 60 | ~ 24 | |
Коммутируемые контактами реле "Оповещение" | | | | |
ток, А | | 0,27 | 2 | |
напряжение, В | | 220 | ~ 250 | |
Коммутируемые контактами реле (пультовыми) | | | | |
ток, мА | 50 | 15 | 125 | 100 |
напряжение, В | 120 | 70 | ~ 80 | ~ 220 |
Мощность, потребляемая от сети переменного тока, В·А, не более | | | | | | |
в дежурном режиме | 20 | 30 | 25 | 20 | 15 | |
в режиме "Пожар" | 50 | 50 | 50 | 40 | 15 | |
Напряжение питания, В | | | | |
сети переменного тока | 187 - 242 | 187 - 242 | 187 - 242 | |
резервного источника | 187 - 242 | | | |
Потребляемый ток, А | | | | | | |
в дежурном режиме | 0,1 | | 1 | 0,5 | 0,5 | 0,1 |
в режиме "Пожар" | 0,25 | | 2 | 1,5 | 0,5 | 0,55 |
Диапазон рабочих температур, °C | -30 - +50 | + 1 - +40 | 0 - +40 | +1 - +50 |
Габаритные размеры, мм | 280x250x210 | 500x210x300 | 560x320x250 | 280x260x220 | 560x320x250 | 315x250x70 |
Масса, кг | 10 | | 25 | 8 | 25 | 3,5 |
--------------------------------
<
*> Ток потребления от резервного источника питания.
<
**> Масса линейного блока.
<
***> Напряжение постоянного тока.
Вариант подключения устройства к автоматическим средствам пожаротушения и дымоудаления приведен на
рисунке 7.10.
Устройство приемно-контрольное охранно-пожарное УПКОП01041-10/50-1, "ТОПАЗ-1" контролирует от 10 до 50 охранно-пожарных шлейфов сигнализации, оборудованных пассивными (контактными) охранными и пожарными извещателями.
Устройство обеспечивает:
выдачу раздельных сигналов "Пожар", "Тревога", "Авария" на ПЦН путем размыкания нормально-замкнутых контактов реле;
формирование путем замыкания бесконтактных ключей адресных команд телеуправления установками АСПТ;
автономную охрану помещения, в котором оно установлено (режим работы "Самоохрана");
управление выносными световыми и звуковыми оповещателями.
Устройство предназначено для эксплуатации в отапливаемых помещениях при температуре окружающего воздуха от +1 до +40 °C.
При отключении основного питания устройство переходит на питание от резервного источника постоянного тока с номинальным напряжением 24 В, обеспечивающий ток не менее 1 А.
Конструктивно устройство выполнено в виде навесного прибора, состоящего из базового устройства и соответствующего количества линейных блоков в зависимости от исполнения. Базовое устройство и линейные блоки имеют идентичную конструкцию и состоят из сварного каркаса, являющегося несущим элементом. На каркасе крепятся направляющие, которые служат для установки в них модулей селекторных ячеек или блока питания и контроля (БПК), в зависимости от назначения изделия.
На лицевой поверхности базового и линейных блоков расположены органы управления и индикации.
На боковых и тыльных поверхностях каркаса установлены соединительные колодки, служащие для подключения внешних цепей устройства, а также для осуществления электрических межмодульных соединений.
Технические характеристики устройства приведены в
таблице 7.3.
Пульт приемно-контрольный "ППК-2" и его модификации "ППК-2А", "ППК-2Б", "ППК-2К" предназначены для приема сигналов "Пожар", "Неисправность" от автоматических и ручных пожарных извещателей с нормально-замкнутыми и нормально-разомкнутыми контактами, а также от активных токопотребляющих пожарных извещателей типа "ДИП-3", ИП 212-26.
Пульты обеспечивают:
отображение всей поступающей с охраняемых объектов информации (сигналы "Пожар", "Неисправность") с помощью световых индикаторов и звукового сигнализатора;
трансляцию поступивших сигналов с помощью контактов реле на ПЦН;
формирование адресных и обобщенных сигналов пуска АСПТ;
контроль целостности линий пуска АСПТ;
автоматический счет тревожных сигналов.
Для расширения емкости пультов "ППК-2", "ППК-2А" и "ППК-2К" до двадцати, сорока шлейфов сигнализации предназначены блоки линейные БЛ20 и БЛ40 соответственно.
Пульт "ППК-2А" обладает всеми функциональными возможностями пульта "ППК-2" и отличается только наличием дополнительного блока накопления и обработки информации БНО-01, позволяющего организовать индивидуальную или групповую адресацию включенных в один шлейф извещателей. Для организации адресации в шлейфах сигнализации устанавливаются специальные адресные блоки БВК-03 (для адресации извещателей ИП 212-5М, ИП-01Л) или БВК-04 (для адресации группы контактных извещателей типа ИП 105-2/1) или адресные дымовые извещатели ИП 212-5МА ("ДИП-3МА"). Информация об адресе сработавшего извещателя отображается семисегментными индикаторами в виде номера шлейфа и номера извещателя.
Пульт "ППК-2Б" по функциональным возможностям и схемным решениям является полным аналогом пульта "ППК-2" и отличается только меньшим количеством шлейфов сигнализации, габаритными размерами и массой.
Пульт "ППК-2К", базовый вариант рассчитан на подключение 10 шлейфов пожарной и 10 шлейфов охранно-пожарной сигнализации (в том числе один шлейф самоохраны).
Конструкция пульта аналогична пульту "ППК-2", только вместо последнего блока БПР-М установлен модуль охранной сигнализации МСО-1 и вместо еще четырех блоков БРП-М рядом с МСО-1 установлены модули МСО-2. Каждый модуль МСО-2 обслуживает два шлейфа охранно-пожарной сигнализации, а модуль МСО-1 один шлейф охранно-пожарной сигнализации и один шлейф самоохраны. Принцип действия модулей МСО построен на постоянном контроле тока в шлейфах сигнализации и фиксации тревожных извещений при нарушении целостности (короткое замыкание или обрыв проводов) этих шлейфов.
Конструктивно пульт "ППК-2" (и его модификации) в базовом варианте выполнен в виде настенного шкафа с открывающейся передней дверцей. С целью визуального доступа к оптическим индикаторам в передней дверце имеется прозрачное окно. Блоки пульта закреплены на поворотной раме, что позволяет обеспечить свободный доступ к соединительным платам цепей сигнальных линий, цепей сигнала пуска АСПТ, цепей трансляции сигналов "Пожар", "Неисправность", "Оповещение" и цепей питания.
Пульт на 40 или 60 сигнальных линий состоит из устройства базового и блока линейного БЛ 20 или БЛ 40, соединенных электрическим жгутом с расположенными на его концах разъемами. Конструкция блока линейного аналогична конструкции устройства базового. Доступ к соединительным платам подключения сигнальных линий и цепей сигнала пуска АСПТ блока линейного осуществляется при открывании поворотной рамы.
Технические характеристики пульта "ППК-2" и его модификаций приведены в
таблице 7.2.
Выносное устройство оптической сигнализации ВУОС предназначено для дублирования оптического сигнала срабатывания активных пожарных извещателей типа ИП212-5 ("ДИП-3"), ИП 212-26, визуальный оперативный доступ к которым затруднен.
ВУОС рекомендуется использовать для определения извещателя, подавшего извещение "Пожар", и устанавливать в доступном для обзора месте, например, в коридоре над дверью охраняемой комнаты.
Технические характеристики ВУОС приведены в
таблице 7.4.
Таблица 7.4
Характеристика | ВУОС |
Минимальный ток через светодиод, обеспечивающий свечение, мА | 7 |
Максимально допустимый ток через светодиод, мА | 20 |
Сопротивление соединительных проводов, Ом, не более | 100 |
Напряжение на светодиоде, В | 1,4 - 2,2 |
Относительная влажность воздуха при +35 °C, % | 98 |
Диапазон рабочих температур, °C | -50 - +70 |
Габаритные размеры мм | 55x55x20 |
Масса, кг | 0,028 |
7.4 Разметка крепления технических средств пожарной сигнализации
Таблица 7.5
Размеры крепления средств ПС
Наименование | N рисунка | Размеры, мм |
A | B | C |
ИП 105-2/1 | | 40 | | |
ИП 101-2 | | 70 | | |
ИП 103-4/1 "Мак-1" | | 30 | | |
ИПР | | 60 | 94 | |
ИП 212-5 "ДИП 3" (У) | | 70 | | |
ИП 212-26 | | 70 | | |
ИП 212-7 "ИДПЛ-1" | | 70 | | |
ИП 329-2 "Аметист" | | 70 | | |
"Сигнал-42" | | 245 | | |
"Топаз-1" | | 335 | 145 | |
ППК-2 | | 475 | 130 | |
"Гамма А" | | 210 | 140 | 70 |
7.5 Схемы подключений технических средств пожарной сигнализации
Рисунок 7.4 - Извещатель ИП 101-2
Рисунок 7.5 - Извещатель ИП 105-2/1
Рисунок 7.6 - Извещатель типа ИП 212-5 "ДИП-3"
Рисунок 7.7 - Извещатель ИП 212-7 "ИДПЛ"
Рисунок 7.8 - Извещатель ИП 329-2 "Аметист"
Рисунок 7.9 - Извещатель ИПР
1, 2, 3 - блоки питания пусковых блоков, групп энергопотребителей и блоков оповещателей
4 - первый пусковой блок
5 - второй пусковой блок
6 - первая группа энергопотребителей
7 - блок оповещателей
8 - вторая группа энергопотребителей
Рисунок 7.10 - Вариант построения АСПТ
8 ЭЛЕКТРОСНАБЖЕНИЕ ТС ОПС
8.1 Требования к электроснабжению ТС ОПС
Технические средства сигнализации, установленные на объектах, следует относить к 1-й категории электроприемников по надежности электроснабжения согласно
ПУЭ, в силу чего их электропитание должно быть бесперебойным (либо от двух независимых источников переменного тока, либо от одного источника переменного тока с автоматическим переключением в аварийном режиме на резервное питание от аккумуляторных батарей).
При использовании в качестве резервного источника питания резервной аккумуляторной батареи или сухих элементов, должна обеспечиваться работа технических средств сигнализации в течение не менее одних суток в дежурном режиме и в течение не менее 3 часов в режиме тревоги.
Допускается питание от резервного источника питания:
- в городах и поселках городского типа в течение не менее 4 ч в дежурном режиме и в течение не менее 1 ч в режиме тревоги;
- в сельских районах в течение не менее 12 ч в дежурном режиме и в течение не менее 2 ч в режиме тревоги;
- в труднодоступных районах в течение не менее 24 ч в дежурном режиме и в течение не менее 3 ч в режиме тревоги.
Если объект, подлежащий оборудованию техническими средствами сигнализации, не может быть обеспечен электроснабжением согласно требованиям, вопросы электроснабжения решаются и согласовываются с органами пожарной охраны и подразделениями охраны в каждом конкретном случае, о чем делается соответствующая запись в проектной документации или акте обследования. Исключением являются случаи, когда электропитание осуществляется: от сухих элементов, по абонентским линиям телефонной сети (42 В или 60 В).
Электроснабжение технических средств сигнализации осуществляется от свободной группы щита дежурного освещения.
При отсутствии на объекте щита дежурного освещения или свободной группы на нем, заказчик устанавливает самостоятельный щит электропитания на соответствующее количество групп. Щит электропитания, устанавливаемый вне охраняемого помещения, должен размещаться в запираемом металлическом шкафу и заблокирован на открывание.
Аккумуляторные батареи, как правило, размещаются в специальных аккумуляторных помещениях на стеллажах или полках шкафа, в соответствии с требованиями ТУ 45-4-ДО.610.236-87 в поддонах, стойких к воздействию агрессивных сред.
Свинцовые аккумуляторы емкостью не более 72 А·ч и щелочные аккумуляторные батареи емкостью не более 100 А·ч и напряжением до 60 В могут устанавливаться в общих производственных невзрыво- и непожароопасных помещениях в металлических шкафах с обособленной приточно-вытяжной вентиляцией.
Аккумуляторные установки должны быть оборудованы в соответствии с требованиями
ПУЭ.
При длительном отключении электроэнергии на объектах должны использоваться агрегаты бензоэлектрические унифицированные типа АБ или аналогичные.
8.2 Источники питания ТС ОПС
Для электропитания (в том числе и резервного) аппаратуры ОПС применяются следующие типы источников питания постоянного тока: "Электроника Д2-27", "МИП 12-0,2", "МИП-Р", "РИП", "РИП-М", "РИП-12", "ИВЭП-12", "ИВЭП-24" "ИВЭП 744-1", "МБП-12". Отличительными особенностями источников являются конструктивное исполнение и выходные параметры.
Электропитание источников осуществляется от сети переменного тока напряжением 220 В, частотой 50 Гц, при отключении сетевого питания происходит автоматический переход на питание от внешнего/внутреннего источника постоянного тока.
Во всех источниках предусмотрена защита от короткого замыкания и превышения тока нагрузки выходного канала с восстановлением выходного напряжения после устранения неисправности.
Источник питания должен устанавливаться на объекте в местах, где он защищен от механических повреждений или вмешательства в его работу посторонних лиц либо в помещениях охраны. Малогабаритные источники должны устанавливаться на стене на высоте 1,5 - 1,8 м от пола. При выборе места установки источника питания следует учитывать сопротивление соединительной линии с нагрузкой, чтобы напряжение питания аппаратуры ОПС обеспечивалось в пределах рабочего диапазона. Расстояние между источником и горючим основанием должно быть не менее 25 мм. При расположении нескольких источников в ряд, расстояние между ними должно быть не менее 50 мм.
Технические характеристики резервных источников питания приведены в
таблице 8.1.
Таблица 8.1
Характеристики источников питания
Характеристика | Д2-27 | ИВЭП-12 | ИВЭП-24 | ИВЭП 744-1 | РИП | РИП-М | РИП-12 | МИП-Р | МБП-12 | МИП1 2-0,2 |
Выходное напряжение, В | 11,4 - 12,6 | 12 | 24 | 5 + 0,25 12 + 1,2 12 + 1,2 | 12 + 1,2 24 + 3 | 12 + 1,2 24 + 3 | 12 + 2,5 1,8 | 12 | 12 | 12 |
Выходной ток, А | 0,2 | 2 | 1 | 0,5 - 3,0 0,2 0,2 | 0,5(1,0) 0,6(0,8) | 0,5(1,0) 0,6(11,8) | 2 | 0,0 - 0,5 | 0,05 | 0,2 |
Напряжение питания В | | | | | | | | | | |
от сети переменного тока | 187 - 242 | 187 - 242 | 187 - 242 | 187 - 242 | 187 - 242 | 187 - 242 | 187 - 242 | 175 - 242 | 175 - 242 | 175 - 242 |
от источника постоянного тока | 10,8 - 13,2, 14,5 - 18,5 | 10,2 - 13,8 | 10,2 - 13,8 | 10,2 - 14,6 | 9,8 - 14,2 | 9,8 - 14,2 | 10,2 - 14,2 | 12,0 | 12,0 | 14,5 - 18,5 |
Ток потребления (от сети переменного тока), А | 0,05 | | | | | | | | | 0 - 0,2 |
Максимальная мощность, потребляемая от сети при полной загрузке в режиме "Заряд", В·А | | | | 100 | | 7,5 | 60 | | | |
Емкость встроенной батареи, А/ч | | 12 | 12 | 10 | 4,0 - 5,7 | 6,5 | 7 | | | |
Время работы в резервном режиме, не менее, ч | 4 | 4 | 4 | 4 | | | | | | |
при токе 2 А | | | | | | | 2,0 | | | |
при токе 0,5 А | | | | | | | 10 | | | |
Диапазон рабочих температур, °C | -30 - +50 | +5 - +35 | +5 - +35 | 0 - +50 | -30 - +50 | -30 - +50 | +1 - +40 | -30 - +50 | -30 - +50 | -30 - +50 |
Габаритные размеры, мм | 140x82x75 | 160x405x408 | 160x405x408 | 150x165x300 | 200x120x280 | 280x202x122 | 310x255x90 | 80x95x60 | 120x95x50 | 160x86x65 |
Масса, кг | 0,62 | 14 | 14 | 10 | 8 | 8 | 8 | 0,35 | 0,35 | 0,75 |
( ) - при работе одного канала.
9 ПРАВИЛА МОНТАЖА ЭЛЕКТРОПРОВОДОК
Электропроводки линейной части комплексов ОС, ПС и ОПС представляют собой совокупность кабельных линий и линий электрических проводов, соединительных и присоединительных устройств, металлических конструкций и коробов, проложенных и закрепленных на элементах зданий и сооружений, для прокладки кабелей и проводов, устройств их крепления и защиты от механических повреждений.
Для монтажа электропроводок, как правило, применяют кабели и провода, перечень которых приведен в
таблице 9.1.
Линейная часть подразделяется на:
- магистральную сеть - от приемной станции до распределительного шкафа,
- распределительную сеть - от приемной станции или распределительного шкафа до распределительных коробок или кабельных ящиков;
- ШС - от приемно-контрольного прибора или распределительной коробки до извещателей. Выносной элемент должен устанавливаться в конце шлейфа.
9.1 Монтаж линейной части
ШС, магистральные и распределительные сети выполняются проводами и кабелями, приведенными в
таблице 9.1. Допускается по согласованию с заказчиком и соответствующими организациями использовать в этих целях линии связи ГТС, ведомственные линии связи на объекте и существующие комплексные сети.
Для магистральных и распределительных сетей следует применять кабели марки ТГ, ТБ, ТПВЭП, ТППБ с жилами диаметром не менее 0,3 мм и емкостью от пяти пар и более.
Таблица 9.1
Рекомендуемый перечень проводов и кабелей
Марка кабеля | Число жил (пар) | Сечение жил, мм2 (диаметр, мм) | Способ прокладки | Область применения | Примечание |
| 2; 3 | 2,5 - 50 | Внутри помещений, в тоннелях, каналах | Силовые цепи электропитания | Допускается прокладка в земле в трубах |
АВРГ; АНРГ; ВРГ | 2, 3 | 2,5 - 50 | Внутри помещений, в тоннелях, в каналах | Силовые цепи электропитания | |
АПВ | | 2,5 - 50 | В стальных пустотных каналах строительных конструкций | Монтаж электрических цепей | |
| 4; 5; 7; 10; 14; 19; 27; 37 | 0,75 - 2,5 | Внутри помещений, в тоннелях, в каналах | Цепи управления и сигнализации | Допускается прокладка в земле в трубах |
| 4; 5; 7 | 2,5 | Внутри помещений, в тоннелях, в каналах | Цепи управления и сигнализации | Кроме пожаровзрывоопасных помещений |
ТСВ ТУ 16-К71-005-87 | (5; 10; 20; 30; 41; 103) | 0,5 | Монтаж оборудования | Цепи сигнализации | |
ПРППМ ТУ 16.505.755-80 | | (0,8; 1,0; 1,2) | Внутри помещения по стенам зданий, в земле | Цепи управления и сигнализации | С медными жилами |
ТРП ТУ16.К04.005-89 | 2 | 0,4 - 0,5 | Внутри помещений и по наружным стенам зданий | Абонентская телефонная распределительная сеть | |
ТПП, ТПВ ГОСТ 22498-88Е | (10; 20; 30; 50; 100) | (0,5, 0,7) | Внутри помещений, в канализации, по стенам зданий, на опорах | Цепи сигнализации, местные телефонные сети | |
ТППБ, ТППБГ ГОСТ 22498-88Е | (10; 20; 30; 50; 100) | (0,5; 0,7) | В земле в траншее | Цепи сигнализации | |
ТРВ ТУ16.К04.005-89 | 2 | (0,4, 0,5) | Внутри помещений и по наружным стенам зданий | Абонентская телефонная распределительная сеть | |
РК-75-2-12 ГОСТ 11326.70-79 | | (2) | Внутри помещений, по стенам зданий, в канализации | В телевизионных установках | Коаксиальный кабель |
РК-75-2-13 ГОСТ 11326.71-79 | | (2) | | | |
РК-75-4-11 ГОСТ 11326.8-79 | | (4) | | | |
РК-75-4-12 ГОСТ 11326.9-79 | | (4) | | | |
РК-75-4-15 ГОСТ 11326.22-79 | | (4) | | | |
РК-75-4-16 ГОСТ 11326.23-79 | | (4) | | | |
РК-75-7-15 ГОСТ 11326.24-79 | | (7) | | | |
РК-75-7-16 ГОСТ 11326.25-79 | | (7) | | | |
РК-75-9-12 ГОСТ 11326.26-79 | | (9) | | | |
РК-75-9-13 ГОСТ 11326.12-79 | | (9) | | | |
РПШ ТУ 16-505.670-74 | 2; 8; 10; 12; 14 | 0,5; 0,75; 1,0 | В канализациях, по стенам зданий | Цепи управления телевизионных установок | |
НВ, | 1 | 0,8 - 1,0 | | Монтаж оборудования | |
НВМ | 1 | 0,8 - 2,5 |
МГШВ ТУ-16-505.437-82 | 1 | 0,2 - 1,5 | | Внутриприборный и межприборный монтаж | |
| 2; 3; 5; 7; 10; 14 | 0,35; 0,5; 0,75 | Для прокладки внутри помещений открыто, в трубах | Монтаж приборов | |
ПРППА ТУ 16.505-755-80 | 2 | 1,6 | Внутри помещения по стенам зданий, в земле открыто и в трубах | Цепи сигнализации и управления | |
АППВ | 2, 3 | 2,0 - 6 | Негибкий монтаж электрических цепей | Цепи электропитания | |
ППВ | 2; 3 | 0,75 - 4 | Негибкий монтаж электрических цепей | Цепи электропитания | |
| 1 | 0,5 - 95 | В стальных трубах, пустотных каналах строительных конструкций, на лотках | Монтаж силовых и осветительных цепей | |
ПВ-3 | 1 | 0,5 - 95 | В стальных трубах, пустотных каналах строительных конструкций, на лотках | Гибкий монтаж цепей, гибкий монтаж при скрытой и открытой прокладке | |
ШВВП ГОСТ 7399-80Е | 2 - 3 | 0,5 - 0,75 | Внутри помещений | Присоединения машин и приборов к сетям напряжением до 380 В | |
ЛСВ ТУ 16.705.403-85 | 2, 4, 10 | 0,4 - 0,5 | Внутри помещений, по стенам зданий | Монтаж линейной части средств ОПС | |
ПКСВ | 2, 3, 4 | 0,5 | Внутри помещений, по стенам зданий | Монтаж линейной части средств ОПС | |
АВВГ - кабель с изоляцией и оболочкой из поливинилхлоридного пластиката, без защитного покрова с алюминиевой жилой, гибкий
АПВГ - кабель с изоляцией из полиэтилена, оболочкой из поливинилхлоридного пластиката, без защитного покрова с алюминиевой жилой, гибкий
АВРГ - кабель с поливинилхлоридной оболочкой с алюминиевой жилой, гибкий
АНРГ - кабель с резиновой маслостойкой оболочкой, не распространяющей горение, с алюминиевой жилой, гибкий
ВРГ - кабель с поливинилхлоридной оболочкой, с медной жилой, гибкий
АПВ - провод с алюминиевой или алюминиевой, плакированной медью, жилой с поливинилхлоридной изоляцией
ПВ1 - провод с медной жилой с поливинилхлоридной изоляцией
ПВ2 - провод с медной жилой с поливинилхлоридной изоляцией повышенной гибкости
КРВГ - кабель с изоляцией из резины, оболочкой из поливинилхлоридного пластиката, с медной жилой, гибкий
КРНГ - кабель с изоляцией из резины, оболочкой из резины не распространяющей горение, с медной жилой, гибкий
АКРНГ - кабель с изоляцией из резины, оболочкой из резины не распространяющей горение, с алюминиевой жилой, гибкий
КРВГ - кабель с изоляцией из резины, оболочкой из поливинилхлоридного пластиката, с медной жилой, гибкий
АКП с ВГ - кабель с изоляцией из самозатухающего полиэтилена, оболочкой из поливинилхлоридного пластиката, с алюминиевой жилой, гибкий
КВВГ - кабель с изоляцией и оболочкой из поливинилхлоридного пластиката, с медной жилой, гибкий
КПВГ - кабель с изоляцией из полиэтилена, оболочкой из поливинилхлоридного пластиката с медной жилой, гибкий
КП с ВГ - кабель с изоляцией из самозатухающего полиэтилена, оболочкой из поливинилхлоридного пластиката с медной жилой, гибкий
АКВВГ - кабель с изоляцией и оболочкой из поливинилхлоридного пластиката, с алюминиевой жилой, гибкий
АКПВГ - кабель с изоляцией из полиэтилена, оболочкой из поливинилхлоридного пластиката, с алюминиевой жилой, гибкий
ТПП - кабель телефонный, с полиэтиленовой изоляцией в полиэтиленовой оболочке с алюминиевым экраном
ТПВ - кабель телефонный, с полиэтиленовой изоляцией с алюминиевым экраном, в поливинилхлоридной оболочке
ТППБ - кабель телефонный, с полиэтиленовой изоляцией в полиэтиленовой оболочке, с алюминиевым экраном, бронированный стальными лентами, с наружным защитным покровом
ТППБГ - кабель телефонный, с полиэтиленовой изоляцией в полиэтиленовой оболочке с алюминиевым экраном, бронированный стальными лентами с противокоррозионным покрытием, гибкий
НВ - провод монтажный с жилой из медных луженых проволок с изоляцией из поливинилхлоридного пластиката
НВМ - провод монтажный с жилой из медных проволок с изоляцией из поливинилхлоридного пластиката
МКШ - кабель с изоляцией и оболочкой из поливинилхлоридного пластиката
МКЭШ - кабель с изоляцией и оболочкой из поливинилхлоридного пластиката, экранированный
АППВ - провод с алюминиевыми или алюминиевыми, плакированными медью, жилами с поливинилхлоридной изоляцией, плоский с разделительным основанием
ППВ - провод с медными жилами с поливинилхлоридной изоляцией, плоский с разделительным основанием
ШВВП - шнур гибкий с параллельными жилами с поливинилхлоридной изоляцией, в поливинилхлоридной оболочке, на номинальное переменное напряжение до 380 В
РК - кабели радиочастотные
ЛСВ - ленточные провода с изоляцией из полиэтилена или поливинилхлоридного пластиката с медными лужеными жилами
ТРП - провода телефонные распределительные, однопарные с медными токопроводящими жилами с полиэтиленовой или поливинилхлоридной изоляцией
ПРППМ - кабель с полиэтиленовой изоляцией в полиэтиленовой оболочке с медными жилами
ТРВ - провод телефонный распределительный с медными жилами с поливинилхлоридной изоляцией
ТСВ - кабель с медными жилами, с изоляцией и оболочкой из поливинилхлоридного пластиката
ПРППА - кабель с полиэтиленовой изоляцией в полиэтиленовой оболочке с алюминиевыми жилами
РПШ - провода монтажные с волокнистой или пленочной и поливинилхлоридной изоляцией
МГШВ - провода с резиновой изоляцией для радиоустановок
ВВГ - кабель с изоляцией и оболочкой из поливинилхлоридного пластиката, без защитного покрова, гибкий
ПКСВ - провод с поливинилхлоридной изоляцией, станционный кроссовый
ШС комплексов ОПС выполняется проводами марки ТРП, ТРВ и ПКСВ, выводы от блокируемых элементов до ответвительных коробок (типа УК-2П и КС) - проводами марки НВМ или аналогичными по параметрам.
При открытой параллельной прокладке проводов или кабелей сигнализации и электропроводок электропитания и освещения расстояние между ними должно быть не менее 0,5 м.
Трассы проводок необходимо выбирать наикратчайшими, с учетом расположения электроосветительных, радиотрансляционных сетей, водопроводных и газовых магистралей, а также других коммуникаций.
Прокладка проводов и кабелей по стенам внутри охраняемых зданий должна производиться на расстоянии не менее 0,1 м от потолка, и, как правило, на высоте не менее 2,2 м от пола. При прокладке проводов и кабелей на высоте менее 2,2 м от пола должна быть предусмотрена их защита от механических повреждений.
Прокладки проводов ШС, присоединяемых к извещателям, выполняются как скрыто, так и открыто в соответствии с проектом (актом обследования).
Электропроводки, проходящие по наружным стенам на высоте менее 2,5 м или через помещения, которые не подлежали защите, должны быть выполнены скрытым способом или в металлических трубах.
При пересечении силовых и осветительных сетей кабели и провода сигнализации должны быть защищены резиновыми или полихлорвиниловыми трубками, концы которых должны выступать на 4 - 5 мм с каждой стороны перехода. При пересечении кабели большей емкости должны прилегать к стене, а меньшей емкости огибать их сверху.
Кабели меньшей емкости допускается пропускать под кабелями большей емкости при прокладке их в штробах.
В зависимости от длины параллельной прокладки цепей сигнализации и радиотрансляционной сети расстояние между ними должны быть не менее:
- 50 мм при длине параллельной прокладки 70 м;
- 30 мм при длине параллельной прокладки до 50 м;
- 25 мм при длине параллельной прокладки до 30 м;
- 20 мм при длине параллельной прокладки до 20 м;
- 15 мм при длине параллельной прокладки до 10 м;
- менее 15 мм при длине параллельной прокладки до 7 м.
Не допускается прокладка по стенам распределительных кабелей емкостью более 100 пар.
При выполнении скрытой проводки в полу и междуэтажных перекрытиях кабели должны прокладываться в каналах и трубах. Заделка кабелей в строительные конструкции наглухо не допускается. На прокладку скрытой проводки составляется акт.
При прокладке кабелей в местах поворота под углом 90° (или близких к нему) радиус изгиба должен быть не менее семи диаметров кабеля.
Кабели и провода должны крепиться к строительным конструкциям при помощи скреб или скоб из тонколистовой оцинкованной стали, полиэтиленовых эластичных скоб. Установка крепежных деталей должна производиться с помощью шурупов или клея.
Крепление проводов от извещателей следует выполнять:
- с раздельным основанием типа ТРВ, ТРП - стальными гвоздями при условии, что диаметр шляпки гвоздя не больше расстояния между жилами провода;
- без разделительного основания типа НВМ, ПМВГ, ПКСВ - скобами. В местах крепления провода под скобы должна подкладываться неразрезанная полихлорвиниловая трубка длиной не менее 10 мм.
Шаг крепления при горизонтальных прокладках - 0,25 м, при вертикальных - 0,35 м.
Сращивание и ответвление проводов марок ТРП, ТРВ (и аналогичных им) следует производить в коробках методом пайки или под винт.
При прокладке нескольких проводов по одной трассе допускается располагать их вплотную друг к другу. Гвозди и скобы, крепящие провод, располагать в шахматном или последовательном порядке (взаимно сдвинутые по длине провода на 20 мм). При переходе провода с горизонтального хода на вертикальный и наоборот расстояние от начала изгиба до ближайшего гвоздя или скобы должно быть равно 10 - 15 мм.
При прокладке провода по бетону или другому прочному материалу рекомендуется использовать специальные зажимы (скобы), которые крепятся к поверхности с помощью приклеивания. При креплении провода гвоздями по трассе прокладки провода насверливают отверстия, в отверстия вбиваются деревянные пробки, к которым при помощи стальных гвоздей или клея крепится провод.
Провода и кабели закрепляются гвоздями или скобами у ввода в приборы и распределительные коробки на расстояние 50 - 100 мм от них.
Для удобства обслуживания в приборе или распределительной коробке должен быть предусмотрен запас провода, равный 50 - 100 мм.
Для соединения и ответвления провода необходимо применять коробки типа УК-2П, КО-1, КО-2, КС, УС и т.п.
Расстояние от кабелей и изолированных проводов, прокладываемых открыто, непосредственно по элементам строительной конструкции помещения до мест открытого размещения (хранения) горючих материалов, должно быть не менее 0,6 м.
9.2 Прокладка электропроводок в трубах
Стальные трубы разрешается применять для защиты электропроводок только в случаях, специально обоснованных в проекте и в акте обследования.
Применяемые для электропроводок стальные трубы должны иметь внутреннюю поверхность, исключающую повреждение изоляции проводов при их затягивании в трубу.
Стальные трубы, прокладываемые в помещениях с химически активной средой, внутри и снаружи должны иметь антикоррозийное покрытие, стойкое в условиях данной среды. В местах выхода проводов из стальных труб следует устанавливать изоляционные втулки.
Для ответвления и соединений стальных трубных проводок как открытых так и скрытых, следует применять коробки, ящики и т.п. изделия.
Расстояние между протяжными коробками (ящиками) не должно превышать:
50 м - при наличии изгиба труб;
40 м - при наличии двух изгибов труб;
20 м - при наличии трех изгибов труб.
Расстояние между точками крепления открыто проложенных стальных труб как на горизонтальных, так и на вертикальных поверхностях не должно превышать:
2,5 м - для труб с условным проходом до 20 мм;
3 м - для труб с условным проходом до 32 мм;
4 м - для труб с условным проходом до 80 мм;
6 м - для труб с условным проходом до 100 мм.
Расстояние между точками крепления металлорукавов не должно превышать:
0,25 мм - для металлорукавов с условным проходом до 15 мм;
0,35 м - для металлорукавов с условным проходом до 27 мм;
0,45 м - для металлорукавов с условным проходом до 42 мм.
Трубы с электропроводками должны быть закреплены на опорных конструкциях на расстоянии от ввода:
- в приборы - не далее 0,8 мм;
- в соединительные и протяжные коробки не далее 0,3;
- в гибкие металлические рукава - 0,5 - 0,75 м.
Приваривать стальные трубы к металлоконструкциям не допускается.
Прокладку проводов и кабелей в неметаллических (пластмассовых) трубах следует выполнять в помещениях при температуре воздуха не ниже минус 20 °C и не выше плюс 60 °C.
Применяемые для защиты электропроводок от механических повреждений трубопроводы должны изготавливаться из негорючих трудносгораемых материалов с нагревостойкостью не менее 105 °C, согласно требованиям ГОСТ 8865-87.
Неметаллические трубы, прокладываемые открытым способом, должны крепиться так, чтобы было возможно их свободное перемещение при линейном расширении или сжатии от изменения температуры окружающей среды. Крепление следует выполнять скобами, хомутами и накладками. Расстояние между точками крепления открыто проложенных полимерных труб не должно превышать:
1 м - для труб диаметром 20 мм;
1,1 м - для труб диаметром 25 мм;
1,4 м - для труб диаметром 32 мм;
1,6 м - для труб диаметром 40 мм;
1,7 м - для труб диаметром 50 мм.
Полиэтиленовые и полипропиленовые трубы следует соединять сваркой или в муфтах горячей обсадкой в раструбах. Для соединения винипластовых труб необходимо применять муфты и раструбы с последующим склеиванием. Для соединения электропроводок, проложенных в полиэтиленовых трубах, следует применять пластмассовые соединительные и ответвительные коробки. Трубы должны соединяться с коробками путем плотной посадки концов труб на патрубки коробок, а также с помощью муфт. Винипластовые трубы должны соединяться с коробками из винипласта склеиванием конца трубы с патрубками коробки.
Изменение направлений защитных труб осуществляется изгибом. При изгибе труб следует, как правило, применять нормализованные углы поворота - 90, 120 и 135° и нормализованные радиусы изгиба - 400, 800 и 1000 мм.
В качестве гибких вставок в защитные трубы при наличии сложных поворотов и углов переходных труб из одной плоскости в другую и для устройства температурных компенсаторов следует применять гибкие металлические рукава.
Провода и кабели в трубах должны лежать свободно, без натяжения, суммарное сечение, рассчитанное по их наружным диаметрам, не должно превышать 20 - 30% от сечения трубы. Не допускается совмещенная прокладка силовых кабелей и шлейфа сигнализации в одной трубе. При прокладке проводов в одной трубе их количество не должно быть больше 30.
9.3 Прокладка электропроводок в коробах
В помещениях короба должны устанавливаться на конструкциях по стенам, колоннам, под площадками, перекрытиями и т.п.
При наружной установке короба необходимо прокладывать по техническим и кабельным эстакадам.
Конструкция и способ установки коробов не должны допускать скопления в них влаги.
Для открытых электропроводок короба должны иметь, как правило, съемные или открывающиеся крышки.
При скрытых прокладках следует применять глухие короба.
Соединения коробов между собой следует выполнять без сварки болтовыми соединениями или специальными переходниками и разветвителями. Крепление коробов к конструкциям производят специальными скобами с расстоянием между ними не более 3 м.
При вертикальном расположении коробов крепление проводов и кабелей необходимо выполнять с расстоянием в 1 м.
В коробах провода и кабели допускается прокладывать многослойно с упорядочением и произвольным (россыпью) взаимным расположением. Сумма сечений проводов и кабелей, рассчитанных по их наружным диаметрам, включая изоляцию и наружные оболочки, не должна превышать: для глухих коробов 35% сечения короба в свету; для коробов с открываемыми крышками - 40%.
9.4 Прокладка электропроводок напряжением 220 В
Для электроснабжения технических средств сигнализации применяются провода и кабели:
- провода марки ПВ, АПВ, ПРГ - в металлических трубах и металлорукавах;
- провода марки ППВ - открыто по несгораемым основаниям, а по сгораемым основаниям подкладкой листового асбеста толщиной 3 мм;
- провода марки АППВ - скрыто в слое штукатурки;
- кабели марки ВРГ, ВВГ, АВГ, АВРГ - внутри помещений, в каналах, тоннелях, в агрессивной среде, при отсутствии механических воздействий.
При монтаже электропроводок не допускается:
- применять неизолированные электрические провода;
- использовать кабели и провода с поврежденной изоляцией;
- объединять слаботочные и сильноточные электропроводки в одной защитной трубе;
- перекручивать, завязывать провода; заклеивать участки проводов и кабелей бумагой (обоями); использовать плинтусы, оконные и дверные деревянные рамы.
Соединение, ответвление и оконцевание жил проводов и кабелей должны производиться при помощи опрессовки, сварки, пайки или сжимов (винтовых, болтовых и т.п.).
В местах соединения, ответвления и присоединения жил проводов или кабелей должен быть предусмотрен запас провода (кабеля), обеспечивающий возможность повторного соединения, ответвления или присоединения.
Соединение и ответвление проводов и кабелей, за исключением проводов, проложенных на изолирующих опорах, должны выполняться в соединительных и ответвительных коробках, внутри корпусов технических средств.
Не допускается применение винтовых соединений в местах с повышенной вибрацией или влажностью.
В местах прохождения проводов и кабелей электроснабжения технических средств сигнализации через стены или перекрытия должны быть предусмотрены огнестойкие уплотнения (асбест, шлаковата, песок и т.п.).
| | ИС МЕГАНОРМ: примечание. Текст дан в соответствии с официальным текстом документа. | |
Прокладка кабелей в сооружениях подземной канализации должна производиться в соответствии с проектом и оформляться актом по форме рекомендуемого
9.5 Монтаж электропроводок ТС ОПС по периметру объекта
Электропроводки линейной части технических средств по периметру представляют собой комплекс, состоящий из линий кабельных и электрических приводов, соединительных и присоединительных устройств, металлических конструкций и коробов, проложенных и закрепленных на элементах зданий и сооружений, для прокладки кабелей и проводов, устройств их крепления и защиты от механических повреждений. Монтаж линейной части должен выполняться в соответствии с проектом и учетом требований
главы 2.1,
2.3 ПУЭ-87,
СНиП 3.05.07-85,
ВСН-600-81 "Инструкция по монтажу сооружений и устройств связи, радиовещания и телевидения".
Для монтажа электропроводок, как правило, применяются кабели и провода, перечень которых приведен в
таблице 9.1.
Прокладка электропроводок, в зависимости от требований на охраняемом объекте, должна выполняться:
- изолированными проводами - в неметаллических трубах;
- бронированными кабелями - в земле, открыто на кабельных конструкциях.
Стальные трубы разрешается применять для защиты электропроводок только в случаях, специально обоснованных в проекте.
При скрытом способе кабели прокладываются в траншеях или устройствах подземной канализации, тоннелях, коллекторах.
После окончания монтажа электропроводок измеряется сопротивление изоляции электрических цепей как между всеми жилами кабеля (всеми жилами проводов в трубе (коробе)), так и между каждой жилой и металлической защитной оболочкой кабеля (между каждой жилой провода или кабеля и неметаллической оболочкой и трубой, коробом, лотком, конструкцией).
Измерение сопротивления изоляции электропроводок (цепей измерения, управления, питания, сигнализации и т.п.) проводится мегаомметром на напряжение 1000 В. Сопротивление изоляции должно быть не менее 0,5 МОм. Продолжительность приложения испытательного напряжения - 1 мин.
Трубы для проводок, укладываемые в фундаменты под блоки извещателей, закрепляются до бетонирования фундамента, на опорных конструкциях или в арматуре.
В местах выхода труб из фундамента в грунт должны быть предусмотрены проектом компенсирующие устройства против среза труб, при осадках грунта или фундамента. Соединения труб, требующие уплотнения, выполняются с помощью муфт на резьбе с уплотнением фторопластовым уплотнительным материалом (лентой ФУМ) или пеньковым волокном на сурике. Для электропроводок, не требующих уплотнения соединений труб, допускаются безрезьбовые соединения раструбами, манжетами или гильзами.
Трубы, прокладываемые открытым способом, должны крепиться так, чтобы было возможно их свободное перемещение при линейном расширении или сжатии, от изменения температуры окружающей среды. Крепление выполняется скобами, хомутами или накладками.
Крепление стальных труб с электропроводками к техническим трубопроводам, а также крепление непосредственной приварки труб к строительным или технологическим конструкциям не допускается.
Расстояние между протяжными коробками (ящиками), крепление труб, их изгиб и т.п. производится в соответствии с изложенным выше.
Перед прокладкой кабельных линий непосредственно в земле, траншее в случае скальных грунтов устраивается подсыпка из разрыхленной земли или песка толщиной не менее 100 мм.
На участках, где вероятны механические повреждения, кабели защищаются плитами или кирпичом (кроме силикатного). В траншеях кабель укладывают свободно, на середине, с запасом 1 - 3% по длине, достаточным для компенсации возможных смещений почвы и температурных деформаций.
Глубина укладки кабеля не менее 0,6 м. При пересечении кабеля другими кабельными линиями, они разделяются слоем земли толщиной не менее 0,5 м. При прокладке в одной траншее двух или более кабелей следует их располагать параллельно с расстоянием между ними не менее 100 мм.
Для кабельных линий, прокладываемых в земле или воде, должны применяться преимущественно бронированные кабели. Металлические оболочки этих кабелей должны иметь внешний покров для защиты от химических воздействий. Кабели с другими конструкциями внешних защитных покрытий (небронированные) должны обладать необходимой стойкостью к механическим воздействиям при прокладке во всех видах грунтов, а также при протяжке в блоках и трубах.
На прокладку кабелей в траншее составляется акт на скрытые работы.
Прокладка кабелей в сооружениях подземной канализации, в тоннелях и коллекторах должна осуществляться в соответствии с проектом, требованиями
СНиП 3.05.06-85,
главы 2 -
3 ПУЭ-87,
ВСН-600-81 "Инструкция по монтажу сооружений устройств связи, радиовещания и телевидения" и "Общей инструкции по строительству линейных сооружений городских телефонных сетей".
При прокладке кабельных линий в сооружениях подземной канализации, тоннелях и коллекторах размещение в них кабелей следует производить:
- при двухстороннем расположении кабельных конструкций кабели контрольные и связи должны, по возможности, размещаться на противоположных сторонах;
- при одностороннем расположении кабельных конструкций контрольные кабели связи размещаются под силовыми кабелями, при этом их следует разделять несгораемыми перегородками, имеющими предел огнестойкости не менее 0,25 ч (алебастровые перегородки, стальной прокат).
В тоннелях, коллекторах и сооружениях подземной канализации прокладка бронированных кабелей должна вестись по сплошным несгораемым перегородкам, уложенным на указанные конструкции. Рекомендуется применять перегородки из асбестоцементных плит.
10 ТРЕБОВАНИЯ К МОНТАЖУ ТС ОПС В ПОЖАРООПАСНЫХ ЗОНАХ
Технические средства сигнализации, работающие от сети переменного тока, как правило, должны устанавливаться вне пожароопасных зон.
При установке технических средств сигнализации открыто на несгораемых вертикальных строительных основаниях и в закрывающемся несгораемом шкафу должен быть обеспечен естественный теплообмен. Вентиляционные отверстия выполняются в виде жалюзи.
При монтаже технических средств на горючих основаниях (деревянные стены, монтажный щит из дерева или ДСП толщиной не менее 10 мм) необходимо применять огнезащитный листовой материал (металл - не менее 1 мм, асбоцемент, гетинакс, текстолит, стеклопластик - 3 мм), закрывающий монтажную поверхность под прибором, или металлический щиток в соответствии с требованиями ГОСТ 9413-78, ГОСТ 8709-82Е. При этом, листовой материал должен выступать за контуры установленного на нем прибора не менее чем на 50 мм.
При установке нескольких ППК в ряд должны соблюдаться следующие расстояния:
между ППК в ряду - не менее 50 мм; между рядами ППК - не менее 200 мм.
Расстояние от открыто смонтированных технических средств сигнализации, работающих от сети переменного тока, до расположенных в непосредственной близости горючих материалов или веществ (за исключением монтажной поверхности), должно быть не менее 600 мм.
Конструктивное исполнение стационарных световых и звуковых оповещателей, допустимых для применения в установках ОС, ПС и ОПС, должно быть не ниже УР2Х согласно требованиям ГОСТ 14254-80.
Установка световых и звуковых извещателей, работающих от сети переменного тока, допускается только на негорючей стандартной арматуре. При этом расстояние от колбы лампы до деревянного потолка, стены и оконной рамы должно быть не менее 50 мм.
При установке одного или нескольких световых оповещателей в непосредственной близости от ППК, а также между самими оповещателями расстояние должно быть не менее 50 мм.
При установке световых оповещателей внутри помещения не допускается использовать лампы накаливания мощностью более 25 Вт.
В пожароопасных зонах любого класса должны применяться кабели и провода, имеющие покров и оболочку из материалов, не распространяющих горение. Применение кабелей и проводов с горючей полиэтиленовой изоляцией не допускается.
Через пожароопасные зоны любого класса, а также на расстояниях менее 1 м по горизонтали и вертикали от пожароопасной зоны, не допускается прокладывать транзитные электропроводки и кабельные линии всех напряжений.
В пожароопасных зонах любого класса допускаются все виды крепления кабелей и проводов. Расстояние от кабелей и изолированных проводов, прокладываемых открыто непосредственно по конструкциям, на изоляторах, лотках, тросах до мест хранимых (размещаемых) горючих веществ, должно быть не менее 1 м.
Прокладка незащищенных изолированных проводов с алюминиевыми жилами в пожароопасных зонах любого класса должна производится в трубах и коробах.
Стальные трубы электропроводки, стальные трубы и короба с небронированными кабелями и бронированные кабели следует прокладывать на расстоянии не менее 0,5 м от трубопроводов, по возможности со стороны трубопроводов с негорючими веществами.
Соединительные и ответвительные коробки, применяемые в электропроводках в пожароопасных зонах любого класса, должны иметь степень защиты оболочки не менее IP43 согласно
ПУЭ.
Применение соединительных кабельных муфт в пожароопасных зонах не допускается.
При всех случаях прохода проводов или одножильных кабелей сквозь стены из одного пожароопасного помещения в другое, а также наружу, провод или кабель необходимо прокладывать в отдельном отрезке стальной тонкостенной трубы, при этом ток в проводниках не должен превышать 25 А.
Зазоры между проводами или кабелями и трубой в месте прохода должны быть плотно заделаны легко пробиваемым составом из несгораемых материалов.
Заземление или зануление технических средств сигнализации следует выполнять:
- при напряжении переменного тока 380 В и выше и постоянного тока 440 В и выше - во всех электроустановках;
- при номинальных напряжениях переменного тока выше 42 В и постоянного тока выше 110 В - в помещениях с повышенной опасностью и особо опасных, а также в наружных установках.
Заземление или зануление технических средств сигнализации не требуется при номинальных напряжениях до 42 В переменного тока и до 110 В постоянного тока во всех случаях, кроме металлических оболочек и брони контрольных и силовых кабелей и проводов, проложенных на общих металлических конструкциях, в том числе в общих трубах, коробах, лотках и т.п. вместе с кабелями и проводами, металлические оболочки и броня которых подлежат заземлению или занулению; корпусов приемно-контрольных приборов, сигнально-пусковых устройств, приборов управления.
Заземлению не подлежат корпуса электроприемников с двойной изоляцией, а также подключаемые к сети через разделительный трансформатор.
Для заземления должны быть использованы естественные заземлители.
При отсутствии или невозможности использования естественного заземлителя (обычно указывается в технической документации на используемый прибор) необходимо сооружение искусственного заземлителя.
Сопротивление заземляющего устройства, используемого для заземления электрооборудования, должно быть не более 4 Ом.
В качестве естественных заземлителей используются:
- проложенные в земле водопроводные и другие металлические трубопроводы, за исключением трубопроводов горючих жидкостей, горючих или взрывчатых газов и смесей;
- металлические и железобетонные конструкции зданий и сооружений, находящиеся в соприкосновении с землей;
- обсадные трубы скважин;
- металлические шунты гидротехнических сооружений, водоводы, затворы и т.п.;
- свинцовые оболочки кабелей, проложенных в земле.
Алюминиевые оболочки кабелей и неизолированные алюминиевые проводники не допускается использовать в качестве естественных заземлителей.
Для искусственных заземлителей следует применять сталь.
Искусственные заземлители не должны иметь окраски. Размеры стальных искусственных заземлителей приведены в
таблице 11.1.
Таблица 11.1
Параметры искусственных заземлителей
Материал | Размеры |
Диаметр круглых (прутковых) заземлителей, мм | |
неоцинкованных | 10 |
оцинкованных | 6 |
Сечение прямоугольных заземлителей, мм2 | 48 |
Толщина прямоугольных заземлителей, мм | 4 |
Толщина полок угловой стали, мм | 4 |
В качестве искусственных заземлителей допускается применение заземлителей из электропроводящего бетона.
Не допускается использование металлических оболочек трубчатых проводов, несущих тросов при тросовой электропроводке, металлических изоляционных трубок, металлорукавов, а также брони и свинцовых оболочек.
В помещениях и в наружных установках, в которых требуется применение заземления, эти элементы должны быть заземлены и иметь надежные соединения на всем протяжении. Металлические соединительные муфты и коробки должны быть присоединены к броне и к металлическим оболочкам пайкой или болтовыми соединениями.
В цепи заземляющих и нулевых защитных проводников не должно быть разъединяющих приспособлений и предохранителей.
В помещениях сухих, без агрессивной среды, заземляющие проводники прокладываются непосредственно по стенам, а во влажных, сырых и особо сырых помещениях и в помещениях с агрессивной средой - на расстоянии не менее чем 10 мм от стен.
Каждая часть электроустановки должна быть присоединена к сети заземления при помощи отдельного ответвления. Последовательное включение в заземляющий проводник нескольких заземляющих частей электроустановки не допускается.
Минимальные размеры заземляющих проводников приведены в
таблице 11.2.
Таблица 11.2
Параметры шин, проводов заземления
Наименование | Медь | Алюминий | Сталь |
В здании | Снаружи | В земле |
Неизолированные проводники | | | | | |
сечение, мм2 | 4 | 6 | - | - | - |
диаметр, мм | - | - | 5 | 6 | 10 |
Изолированные провода, сечение, мм2 | 1,5 | 2,5 | - | - | - |
Угловая сталь, толщина полки, мм | - | - | 2 | 2,5 | 4 |
Полосовая сталь | | | | | |
сечение, мм2 | - | - | 24 | 48 | 48 |
толщина, мм | - | - | 3 | 4 | 4 |
Водогазопроводные трубы (стальные), толщина стенки, мм | - | - | 2,5 | 2,5 | 3,5 |
Тонкостенные стальные трубы, толщина стенки, мм | - | - | 1,5 | 2,5 | не допускается |
Присоединение заземляющих и нулевых защитных проводников к частям электрооборудования должно быть выполнено сваркой или болтовым соединением.
12 ТРЕБОВАНИЯ БЕЗОПАСНОСТИ ТРУДА
Монтажно-наладочные работы следует начинать только после выполнения мероприятий по технике безопасности согласно
СНиП III-4-80.
Работу с техническими средствами сигнализации необходимо производить с соблюдением
ПУЭ.
При монтаже, транспортировке, хранении, списании и захоронении радиоизотопных извещателей должны выполняться требования "Основных санитарных правил работы с радиоактивными веществами и другими источниками ионизирующих излучений"
ОСП-72/87.
При работе с ручными электроинструментами необходимо соблюдать требования ГОСТ 12.2.013.0-87.
При работе с клеями следует соблюдать меры предосторожности и правила безопасности в соответствии с требованиями
ГОСТ 12.1.007-76 и ТУ 38-103-211-76.
При работе со строительно-монтажным пистолетом следует соблюдать требования РТМ 36.6-88 "Инструменты пороховые. Типы, технические данные. Область применения. Хранение и ремонт".
При работе на высоте необходимо использовать только приставные лестницы или стремянки. Применение подручных средств категорически запрещается. При пользовании приставными лестницами обязательно присутствие второго человека. Нижние концы лестницы должны иметь упоры в виде металлических шипов или резиновых наконечников.
При монтаже, наладке и техническом обслуживании технических средств сигнализации необходимо руководствоваться также разделами по технике безопасности технической документации предприятий-изготовителей, ведомственными инструктивными указаниями по технике безопасности при монтаже и наладке приборов контроля и средств автоматизации.
13 ОБЩИЕ СВЕДЕНИЯ ОБ ИНТЕГРИРОВАННЫХ СИСТЕМАХ ОХРАНЫ
13.1 Принципы организации интегрированных систем охраны
13.1.1 Определение интегрированной системы охраны
Проблема безопасности любого объекта требует для своего решения определенного подхода. Так, для обеспечения безопасности небольших объектов, как правило, достаточно использования технических средств охранной сигнализации. В то же время очевидно, что решить проблему безопасности объектов, несанкционированное проникновение на которые может привести к особо крупному или невосполнимому ущербу, угрозе здоровью либо жизни большого количества людей, с помощью одних лишь средств сигнализации невозможно. Поэтому у нас в стране и за рубежом в охране таких объектов стали широко применяться охранные комплексы, включающие в себя, кроме средств охранной сигнализации, средства телевизионного наблюдения и контроля доступа. Первые комплексы представляли из себя, как правило, симбиоз из трех независимых, не связанных между собой подсистем и не могли решить поставленную проблему, так как утроенный объем продублированной каждой подсистемой информации практически не поддавался обработке и не позволял оператору принять правильное решение.
В связи с этим в последнее время общепризнанным стал комплексный подход к обеспечению безопасности важных объектов, одним из основных направлений которого является создание интегрированных систем охраны (ИСО).
В самом общем виде целью интегрирования является получение ИСО новых функций при сохранении в полном объеме возможностей ее отдельных составных частей, экономия необходимых для реализации этих функций средств, максимальная автоматизация действий по всем направлениям защиты объекта. Информация оператору выдается после анализа и обработки в самой системе, что позволяет повысить ее достоверность и оперативно принять решение в соответствии с возникшей ситуацией.
Формализованное определение ИСО еще не вполне сложилось, однако, обобщая мнения специалистов, можно считать, что интегрированная система охраны есть совокупность объединенных общим управлением систем и средств охранной сигнализации, контроля доступа и/или видеоконтроля, обладающих технической, информационной, программной и эксплуатационной совместимостью и предназначенных для решения задач охраны объекта.
В состав ИСО, при необходимости, могут входить другие подсистемы, обеспечивающие, например, нормальное функционирование систем жизнеобеспечения, пожарную и информационную безопасность и т.п.
Входящие в состав ИСО технические средства, отдельные подсистемы, составные части, элементы в той или иной степени функционально пересекаются между собой и имеют кроме общего и свое локальное управление.
Управляющим и обязательным звеном любой ИСО является подсистема охранной сигнализации. Остальные подсистемы предназначены для усиления охраны объекта и, в зависимости от предъявляемых к уровню его безопасности требований, могут входить либо не входить в состав ИСО.
13.1.2 Структура и функции интегрированной системы охраны
Большинство ИСО строятся по принципу двухуровневого интегрирования.
Первый уровень - системный. Центральный процессор объединяет все подсистемы ИСО и обеспечивает их взаимодействие. Каждая из подсистем автоматически выполняет какие-либо действия при поступлении определенного сигнала от любой другой.
Второй уровень - модульный. Контроллеры "местного значения" управляют небольшой группой извещателей, телевизионных камер, считывателей, исполнительных устройств и т.п.
Такое построение ИСО имеет ряд преимуществ:
- благодаря гибкой архитектуре система легко конструируется из определенного набора модулей и блоков практически для любых объектов;
- в процессе эксплуатации достаточно просто наращивать и совершенствовать функции системы путем подключения различных типов регистрирующих и исполнительных устройств.
ИСО строятся на базе компьютерных технологий и структурно могут быть разбиты на следующие составные части:
- устройства приема, передачи и обработки сигналов, позволяющие получать максимально полную информацию и воссоздавать на центральном пульте охраны всестороннюю и объективную картину состояния помещений и территории объекта, работоспособности аппаратуры и оборудования;
- исполнительные устройства, способные при необходимости действовать автоматически или по команде оператора;
- пункт (или пункты) контроля и управления системой отображения информации, через которые операторы могут следить за работой всей ИСО;
- центральный процессор, наглядно представляющий и накапливающий информацию для ее последующей обработки;
- коммуникации, с помощью которых осуществляется обмен информацией между элементами ИСО и операторами.
Такая структура ИСО обеспечивает им следующие функциональные возможности:
- контроль за большим количеством помещений и территорий с организацией нескольких рубежей охраны;
- многоуровневый доступ сотрудников и посетителей с четким разграничением полномочий по праву доступа в определенные охраняемые зоны, по времени суток и дням недели;
- идентификацию объекта, пересекающего определенный рубеж;
- распознавание нарушителя, позволяющее персоналу охраны принимать наиболее рациональные меры противодействия;
- взаимодействие постов охраны и органов правопорядка при несении охраны и в случаях локализации происшествий;
- накопление документальных материалов для использования их при расследовании и анализе происшествий.
Кроме этого, возможность гибкого программирования ИСО и отдельных подсистем позволяет активно противодействовать таким несанкционированным действиям, как прерывание каналов передачи тревожной информации; частичная нейтрализация системы лицами, имеющими доступ к отдельным ее элементам и подсистемам; уничтожение информации о происшествии; нарушение персоналом охраны установленного порядка несения службы и т.п.
13.1.3 Выбор характеристик ИСО для конкретного объекта
Практическое воплощение ИСО на конкретном объекте ставит перед разработчиками и исполнителями ряд проблем, например:
- определение основных характеристик ИСО в целом;
- определение степени интегрированности;
- определение интеллектуального уровня системы для уменьшения отрицательного влияния человеческого фактора;
- выбор технических средств;
- экономическая обоснованность выбранного варианта.
Несмотря на то, что уже существуют общие подходы к организации ИСО, решение указанных задач остается сугубо индивидуальным. Это обусловлено не только размерами и архитектурно-планировочными особенностями объекта, но, в первую очередь, разнородностью охраняемых зон с точки зрения необходимого уровня безопасности. Очевидно, что к оборудованию хранилища ценностей предъявляются более жесткие требования, чем к оборудованию обычного служебного помещения. При этом желательно нахождение разумного компромисса между концептуальными требованиями безопасности и реальными возможностями существующих технических средств (например, часто хороший результат дает использование одной подсистемы для решения функциональных задач другой подсистемы, усиление роли человеческого фактора, если дальнейшая автоматизация и насыщение объекта техническими средствами и системами уже не дает ощутимого эффекта).
В последнее время на отечественном рынке охранной техники появляется все большее число фирм - поставщиков готовых ИСО. Это, с одной стороны, упрощает, а с другой - усложняет правильный выбор системы под конкретный объект. Поэтому остановимся на некоторых основных моментах, позволяющих облегчить решение этой сложной задачи.
Сначала максимально конкретно, с возможно более детальной проработкой решают вопросы верхнего уровня: общие вопросы, касающиеся стратегии охраны объекта, реакций на возможные нарушения, процедуры принятия решений и ответственности за них и т.п.
Второй этап - выбор оборудования по критерию "стоимость - надежность". Для ИСО можно рекомендовать следующее оборудование:
- оборудование известных крупных фирм (Sony, Panasonic и др.). Как правило, это новейшие разработки, высокие качество и надежность которых гарантируются, как правило, не столько сертификатами, сколько торговой маркой. Стоимость такого оборудования весьма высока;
- оборудование менее известных компаний, имеющее сертификаты качества. Это, как правило, несложное и относительно недорогое оборудование.
Дешевое оборудование, неизвестно кем и как производимое и поставляемое на продажу, не дающее гарантий качества, применять не следует.
При выборе оборудования следует обратить внимание не только на выполнение системой необходимых вам функций, но и на удобство эксплуатации, порядок гарантийного и послегарантийного обслуживания, возможность оперативного приспособления системы к изменяющимся функциям объекта достаточно простыми методами.
13.2 Системы контроля доступа. Назначение, классификация
Системы контроля доступа предназначены для:
- ограничения доступа сотрудников и посетителей объекта в охраняемые помещения;
- табельного учета рабочего времени сотрудников;
- фиксации времени прихода и ухода посетителей;
- получения информации об открытии внутренних помещений (когда и кем открыты);
- выдачи информации о попытках несанкционированного проникновения в охраняемые помещения объекта.
СКД классифицируются по:
- структуре построения;
- уровню идентификации;
- количеству контролируемых точек доступа.
По структуре построения СКД могут быть:
- автономными - управление одним или несколькими заграждающими устройствами, без передачи информации на пульт централизованного наблюдения;
- сетевыми - управление заграждающими устройствами с обменом информацией с центральным пультом охраны, контролем и управлением системой со стороны оператора.
По уровню идентификации СКД могут быть:
- одноуровневые - идентификация осуществляется по одному признаку, например, по считыванию кода карточки;
- многоуровневые - идентификация осуществляется по нескольким признакам, например, по считыванию кода карточки и биометрическим данным.
По количеству контролируемых точек доступа СКД могут быть:
- малой (до 16) точек;
- средней (более 16 до 64) точек;
- большой (более 64) точек.
Конструкции СКД должны быть построены по модульному и (или) блочно-агрегатному принципу и обеспечивать:
- взаимозаменяемость сменных одноименных составных частей;
- удобство эксплуатации и ремонтопригодность;
- возможность расширения тактико-технических характеристик введением в состав интегрированных средств охраны;
- исключение возможности несанкционированного доступа к элементам установки кода, режимов задания интервалов времени, уровней доступа, зон контроля доступа, цепям управления исполнительными механизмами заграждающих устройств; доступ к указанным элементам только после введения установочного кода или пароля для программных средств;
- достаточную информативность о работе, состоянии доступа и назначении органов управления, регулирования и соединительных элементов;
- выполнение требований технической эстетики и эргономики как к изделиям общепромышленного назначения.
Масса, габаритные размеры отдельных функционально и конструктивно оформленных устройств, блоков СКД должны обеспечивать сборку, установку и монтаж на объекте типовым набором инструментов и оборудования.
СКД должны обеспечивать выполнение следующих функций:
- установление требуемого режима работы, контроль соответствия работы устройств идентификации принятому программному обеспечению;
- формирование кода идентификаторов;
- задание определенного временного режима и уровня доступа действия индентификаторов;
- защиту от повторного использования индентификаторов и попыток прохода под принуждением;
- управление исполнительными устройствами;
- отображение и протоколирование информации;
- оповещение о несанкционированном доступе и аварийных ситуациях;
- обеспечение связи в составе интегрированных средств охраны;
- обеспечение контроля линий связи устройств СКД;
- обеспечение контроля работоспособности устройств в составе интегрированных средств охраны.
Совокупность конкретных устройств для обеспечения и выполнения функций контроля доступа варьируется в широких пределах и определяется только спецификой конкретного объекта. В полном объеме в состав СКД могут входить следующие устройства (любые их комбинации):
- устройства заграждающие;
- устройства идентификации доступом;
- устройства контроля и управления доступом.
13.2.1 Устройства заграждающие
Устройства заграждающие обеспечивают физическое препятствие несанкционированному перемещению людей, имущества, транспорта в помещения, здания и на территорию (двери, ворота, турникеты, кабины прохода и т.п.).
Устройства заграждающие должны обеспечивать:
- закрытие доступа при попытке несанкционированного прохода при нормально открытом состоянии в дежурном режиме;
- физическое препятствие доступу при попытке несанкционированного прохода при нормально закрытом состоянии в дежурном режиме;
- защиту от прохода по одному идентификатору двух или более человек, большего количества транспорта, если это не установлено режимом работы доступа;
- автоматическое или полуавтоматическое открытие устройств при аварийных ситуациях, пожаре, технических неисправностях;
- защиту аварийной системы открытия от возможности использования ее для несанкционированного проникновения;
- световую и звуковую сигнализацию при попытках несанкционированного доступа или прохода с металлическими предметами более допустимой величины (для кабин прохода с металлообнаружителем).
Устройства заграждающие с металлообнаружителем должны обеспечивать возможность регулировки чувствительности в заданных пределах и стабильность установленных регулировок во времени и при воздействии внешних факторов в виде импульсных помех и помех от промышленного оборудования.
Умышленное повреждение наружных электрических соединительных линий не должно приводить к открыванию устройств заграждающих.
В случае пропадания электропитания, в устройствах заграждающих и исполнительных механизмах должна предусматриваться возможность их механического аварийного открывания с разрушением какого-либо элемента или элемента крепления к защищаемой конструкции и оставлением видимых следов открывания.
Устройства заграждающие обеспечивают как полное перекрытие возможного прохода - двери, шлюзы, ворота, кабины прохода, проходные, так и частичное перекрытие - турникеты, шлагбаумы и т.п. механические конструкции.
Устройства заграждающие выпускаются с ручным, полуавтоматическим и автоматическим способом управления, что существенно расширяет область применения и стоимостные границы устройств заграждающих.
Принцип действия механизма управления основан на перемещении закрывающих элементов с помощью включения на время их передвижения электромотора или электромагнита. Отдельные устройства заграждающие поставляются с электромагнитной фиксацией исполнительного механизма - без движущихся механических запорных элементов. Кроме того, применяется электромагнитная блокировка закрывающихся элементов и перемещение их вручную при открывании или закрывании.
13.2.2 Устройства идентификации доступа
Устройства идентификации доступа устанавливают права людей, имущества, транспорта на перемещение через заграждающие устройства.
Устройства идентификации доступа состоят из идентификаторов и считывателей, которые должны обеспечивать:
- введение запоминаемого кода;
- считывание вещественного кода с идентификаторов;
- преобразование введенной информации в электрический сигнал;
- передачу информации на устройства управления;
- персональный код для открывания под принуждением;
- требуемую скорость считывания;
- защиту от манипулирования путем перебора и подбора кода;
- устойчивость и достоверность считывания.
В качестве устройства идентификации могут быть носители информации с использованием:
- цифровой клавиатуры;
- магнитных карт;
- карт на Виганд-эффекте;
- карт со штриховым кодом;
- радиочастотных (бесконтактных) карт активных и пассивных.
Носители информации должны обеспечивать:
- механическую прочность, удароустойчивость;
- требуемый объем закладываемой информации;
- скрытый фактор заложенной информации;
- устойчивость и достоверность считывания;
- устойчивость к расшифровке кода и возможности его подделки, несанкционированного воспроизведения.
Идентификатор - это предмет, в который (на который) с помощью специальной технологии занесена кодовая информация (карты, ключи).
Для каждого класса идентификатора должен быть установлен свой минимум кодовых комбинаций.
Для автономных систем пользователь должен иметь возможность сменить или переустановить код по мере необходимости, но не менее 100 раз. Смена кода должна быть возможна только после ввода действующего кода.
Физически идентификатор - это:
-
ключ - идентификатор для механических замков по
ГОСТ 27346;
- бесключевое устройство идентификации - устройство для ввода кода вручную с помощью клавиатуры, кодовых переключателей или других подобных устройств или на основе биометрической идентификации;
- карта - идентификатор, обеспечивающий формирование или запись, введение кода и его хранение;
- карта со штриховым кодом - карта с нанесенным на поверхность полосами иного цвета, чем остальная поверхность карты, толщина и расстояние между которыми представляют собой кодовую последовательность;
- карта магнитная - карта с магнитной полосой, на которой записан код;
- карта на эффекте Виганда - карта с содержащимися внутри обрезками проводов из цветного металла, расположенных в определенном порядке, представляющем собой кодовую комбинацию;
- карта бесконтактная - карта с расположенным внутри носителем кода, считывание которого осуществляется без непосредственного контакта со считывателем;
- карта бесконтактная активная - бесконтактная карта с автономным химическим источником питания;
- карта бесконтактная пассивная - бесконтактная карта, не содержащая внутри источник питания.
В устройствах идентификации доступа используется три вида кодов:
вещественный код - код, записанный на физическом носителе (идентификаторе);
запоминаемый код - код, вводимый вручную с помощью клавиатуры, кодовых переключателей или других подобных устройств;
биометрический код - биометрическая идентификация - идентификация, основанная на определении индивидуальных физических признаков личности.
Считыватель - электронное устройство, предназначенное для считывания кодовой информации с идентификатора.
Считыватели должны обеспечивать устойчивый прием и передачу кодов в нормальных условиях и в условиях внешних электропомех и реагировать соответствующими сигналами на попытки несанкционированного действия.
Считыватели при взломе, вскрытии и манипулировании, а также в случае обрыва или короткого замыкания, подходящих к ним цепей, не должны вызывать открытие заграждающих устройств. При взломе, вскрытии и манипулировании должен выдаваться сигнал тревоги. Для автономных систем должен выдаваться звуковой сигнал тревоги, для сетевых систем сигнал тревоги должен передаваться на пульт централизованного наблюдения.
В устройствах идентификации доступа используются следующие способы считывания кода:
- дистанционное - считывание кода происходит при поднесении идентификатора на определенное расстояние к считывателю;
- контактное - считывание происходит при непосредственном контакте между считывателем и идентификатором;
- электроконтактное - считывание происходит при электрическом контакте между считывателем и идентификатором;
- ручной набор кода - код вводится с помощью нажатия клавиш, поворотом переключателей или других подобных элементов;
- биометрическое - считывание индивидуальных физических признаков личности (отпечатки пальцев, рисунок ладони, голос и т.д.).
В устройствах идентификации доступа используются следующие физические виды кодов:
- механический;
- магнитный;
- оптический;
- электрический;
- звуковой.
13.2.3 Устройства контроля и управления доступом
Устройства контроля и управления доступом - устройства и программные средства, устанавливающие режим доступа и обеспечивающие прием и обработку информации с устройств идентификации, управление исполнительными устройствами, отображение и протоколирование информации.
Устройства контроля и управления доступом классифицируются на:
- аппаратные средства - контроллеры, которые осуществляют прием информации от считывателей, обработку ее и управление исполнительными устройствами (для сетевых систем контроллер должен обеспечивать обмен информацией с центральным пунктом охраны);
- программные средства - программы для обеспечения функций управления доступом для сетевых систем.
Возможно сочетание в одном устройстве функций контроллера и считывателя устройства идентификации доступа, а в отдельных случаях и устройства заграждающие.
Аппаратные средства устройств контроля и управления доступом должны обеспечивать прием информации от считывателей, обработку информации и выработку сигналов управления для устройств заграждения.
Аппаратные средства устройств контроля и управления доступом в сетевых системах должны обеспечивать:
- обмен информацией по линии связи между контроллерами и управляющей ЭВМ;
- сохранность памяти, установок, кодов идентификаторов при обрыве связи с управляющим компьютером, отключении питания и при переходе на резервное питание;
- контроль линий связи между отдельными контроллерами и между контроллерами и управляющей ЭВМ.
Протоколы обмена информацией и интерфейсы должны выбираться стандартных типов и обеспечивать необходимую помехоустойчивость и скорость обмена информацией. Виды и параметры интерфейсов должны быть установлены в стандартах и (или) других нормативных документах на конкретные средства с учетом общих требований
ГОСТ 26139.
Рекомендуемые типы интерфейсов:
- между контроллерами - RS485;
- между контроллерами и управляющей ЭВМ - RS232.
Программное обеспечение устройств контроля и управления доступом должно обеспечивать:
- инициализацию идентификаторов (занесение кодов идентификаторов в память системы);
- задание характеристик точек доступа;
- установку временных интервалов доступа (окон времени);
- установку уровней доступа для пользователей;
- протоколирование текущих событий;
- ведение баз данных;
- сохранение данных и установок при авариях и сбоях в системе.
Программное обеспечение должно быть устойчиво к случайным и преднамеренным воздействиям следующего вида:
- отключение компьютера;
- программный сброс компьютера;
- аппаратный сброс компьютера;
- нажатие случайным образом клавиш на клавиатуре;
- случайный перебор пунктов меню программы.
После указанных воздействий и после перезапуска программы должна сохраняться работоспособность системы и сохранность установленных данных. Указанные воздействия не должны приводить к открыванию заграждающих устройств и изменению действующих кодов доступа.
Программное обеспечение должно быть защищено от преднамеренных воздействий с целью изменения установок в системе и несанкционированного копирования. Оно должно быть защищено от несанкционированного доступа с помощью паролей. Количество уровней доступа по паролям должно быть не менее 3.
Рекомендуемые уровни доступа по типу пользователей:
- первый ("администрация") - доступ ко всем функциям;
- второй ("оператор") - доступ только к функциям текущего контроля;
- третий ("системщик") - доступ к функциям конфигурации программного обеспечения, без доступа к функциям, обеспечивающим управление устройств заграждения.
При вводе пароля не должны отображаться на экране вводимые знаки.
Число символов пароля должно быть не менее 5.
Пароли после ввода в систему должны быть защищены от просмотра средствами операционных систем ЭВМ.
Программное обеспечение должно обеспечивать резервное сохранение баз данных и системных установок.
13.3 Телевизионные системы видеоконтроля. Назначение, классификация
Телевизионная система видеоконтроля (ТСВ) предназначена для передачи визуальной информации о состоянии охраняемых зон, помещений, периметра и территории объекта в помещение охраны. Применение телевизионного контроля позволяет в случае получения сигнала о нарушении определить характер нарушения, место нарушения, направление движения нарушителя и принять необходимые меры. Использование телевизионных систем позволяет существенно повысить эффективность охраны в целом, снизить ее численность и затраты на обеспечение безопасности охраняемого объекта, организовать круглосуточный автоматический видеоконтроль за ситуацией, создать видеоархивы, достоверно классифицировать факт проникновения или ложные срабатывания средств сигнализации, а также повысить комфортность работы как администрации, так и служб безопасности объекта.
В состав ТСВ входят:
- телевизионные камеры и устройства для их оснащения;
- устройства обработки и коммутации видеосигналов;
- устройства регистрации;
- устройства передачи видеосигнала.
1
3.3.1 Телевизионные камеры
Телевизионная камера - преобразует оптическое изображение наблюдаемого объекта в электрический видеосигнал. Телевизионная камера является важнейшим элементом системы, так как именно с нее в систему поступает первичная информация об объекте и именно ее характеристиками определяется качество изображения в целом. Камера представляет собой электронную плату, на которой размещены чувствительный элемент - матрица, выполненная на приборах с зарядовой связью (ПЗС-матрица), и объектив. Дешевые камеры оснащаются, как правило, простейшими встроенными объективами, более дорогие - сменными объективами с улучшенными характеристиками и функциями.
Различают камеры:
корпусные и бескорпусные;
черно-белого и цветного изображения;
обычной и повышенной чувствительности;
обычного и высокого разрешения;
для внутреннего и наружного наблюдения;
для скрытого наблюдения.
Качество телевизионной камеры определяется целым рядом показателей, однако в большинстве случаев при выборе камеры для конкретной системы достаточно ориентироваться на следующие ее характеристики.
Оптический формат - размер фоточувствительной области ПЗС-матрицы в дюймах. Основными форматами являются: 1/3", 1/2", 2/3" и 1". Чем больше оптический формат, тем меньше (при прочих равных условиях) геометрические искажения изображения. В особенности это сказывается при больших углах зрения. В ТСВ среднего и высокого классов обычно используются камеры формата 1/2", 2/3" и 1".
Разрешающая способность (разрешение) - максимальное количество телевизионных линий (ТВЛ), различаемых в выходном сигнале камеры при минимально допустимой глубине модуляции 10%. Чем выше разрешение камеры, тем более мелкие детали можно различить на изображении. Обычным разрешением считается 380 - 420 линий для черно-белых и 300 - 320 линий для цветных камер. В системах высокого класса используются, как правило, камеры с повышенным разрешением (500 - 600 линий для черно-белых и 375 - 450 линий для цветных камер).
Пороговая чувствительность (чувствительность) - минимальная освещенность на ПЗС-матрице, при которой камера сохраняет работоспособность. Обычной чувствительностью считается 0,1 - 0,5 лк для черно-белых и 1 - 3 лк для цветных камер.
В системах, предназначенных для наблюдения слабо освещенных объектов, имеющих малую отражательную способность, используются камеры высокой чувствительности (порядка 0,01 лк).
Синхронизация - привязка видеосигнала к фазе сетевого напряжения или внешнего источника синхроимпульсов или другого видеосигнала. Как правило, в реальных ТСВ видеосигналы нескольких камер с помощью специальных устройств по заданной программе коммутируются на один монитор, поэтому необходимо, чтобы переключение камер происходило в начале кадра.
Электронная диафрагма (автоматический электронный затвор, электронный ирис) - элемент конструкции ПЗС-матрицы, обеспечивающий автоматическую регулировку выдержки, в зависимости от уровня освещенности.
Напряжение питания. Большинство телекамер питаются либо от сети переменного тока 220 В/50 Гц, либо от источников постоянного тока напряжением 12 В. Реже используется переменное напряжение 24 В и постоянное напряжение 9 В. Для питания нескольких камер в системе могут использоваться индивидуальные для каждой камеры источники, либо общий источник. В последнем случае необходимо учитывать общее потребление камер. Необходимо иметь в виду, что цветные камеры очень чувствительны к перепадам напряжения в сети. Поэтому для их питания следует использовать специальные стабилизированные источники.
В ТСВ, в основном, применяются камеры черно-белого изображения. Это объясняется тем, что они значительно дешевле цветных и работают с более дешевым оборудованием, имеют более высокие разрешение и чувствительность, не предъявляют жестких требований к источнику питания. Цветные камеры устанавливаются, главным образом, там, где требуется знать цвет объекта (например, автомобиля), т.е. на автостоянках, автозаправочных станциях и т.п.
В зависимости от требований, предъявляемых к системе, камеры могут оснащаться различными устройствами: объективами, защитными или декоративными кожухами, термостатами, кронштейнами, поворотными устройствами и т.п.
13.3.2 Устройства обработки и коммутации видеосигналов
Устройства обработки и коммутации видеосигналов подразделяются на:
- видеомониторы;
- видеокоммутаторы;
- видеоквадраторы;
- видеодетекторы движения;
- видеомультиплексоры;
- матричные видеокоммутаторы;
- персональные компьютеры.
Видеомониторы - преобразуют видеосигналы в двухмерное изображение. Видеомониторы являются изделиями, специально предназначенными для использования в ТСВ (высокая надежность при круглосуточной работе, частом переключении кадров и т.п.), поэтому замена их обычными приемниками телевизионного изображения недопустима. Кроме этого, многие видеомониторы снабжены встроенными устройствами для приема сигналов от нескольких камер - видеокоммутаторами. Мониторы делятся на два класса - мониторы черно-белого и мониторы цветного изображения. Основными характеристиками мониторов являются размер экрана по диагонали и разрешающая способность по горизонтали. При использовании в системе камер с обычным разрешением целесообразно выбрать монитор с обычным разрешением (600 - 800 ТВ-линий для черно-белых и 350 - 400 - для цветных). В системах высокого класса, как правило, используются мониторы с разрешением 900 - 1000 ТВ-линий (черно-белые) и 450 - 500 ТВ-линий (цветные).
Видеокоммутаторы - обеспечивают последовательное переключение видеосигналов от нескольких телекамер на один или несколько выходов (мониторов). Видеокоммутаторы последовательного действия - имеют автоматический ("листающий") и ручной режимы переключения камер, позволяющие просматривать сигналы от всех камер либо выборочно от некоторых из них. Число входных видеоканалов может быть от 4 до 16, а при использовании нескольких блоков коммутации - до 64. Однако на практике обычно используются коммутаторы на 4 или 8 входов, так как в системах с большим числом камер целесообразно использовать более сложную аппаратуру, имеющую расширенные функции, возможность программирования и т.п. При выборе коммутатора следует обратить внимание на то, чтобы он имел регулировку времени просмотра камер (желательно для каждой камеры раздельную), дополнительные - по количеству телекамер или более - входы тревоги для подключения приборов охранной сигнализации и один или несколько выходов тревоги.
Видеоквадраторы - цифровые устройства, обеспечивающие размещение изображений от 4-х видеоисточников на одном экране, который в этом случае делится на 4 части (квадранты), и позволяющие уменьшить количество мониторов в системе. Квадраторы высокого разрешения позволяют работать на одном мониторе с 8 камерами: они формируют две группы по 4 камеры и дают возможность по очереди выводить их на экран. Различают видеоквадраторы "реального времени", обеспечивающие одновременную смену изображений во всех 4-х квадрантах, и видеоквадраторы последовательного типа, обеспечивающие скорость смены изображений в каждом квадранте с частотой в 4 раза ниже номинальной частоты полей, потребителям и, при необходимости, запись на видеомагнитофон. Видеоквадраторы, как и видеокоммутаторы последовательного действия являются сравнительно простыми устройствами и применяются, как правило, в небольших и недорогих системах.
Видеодетектор движения представляет собой электронный блок, который хранит в памяти текущее изображение с телекамеры и подает сигнал тревоги при возникновении изменений в охраняемой зоне. Видеодетекторы движения применяются, главным образом, в системах охраны крупных объектов, где оператору приходится контролировать большое количество камер. Различают аналоговые и цифровые детекторы движения. Наиболее простыми и дешевыми являются аналоговые детекторы, действие которых можно, при некоторых допущениях, сравнить с действием охранных извещателей, подключаемых к тревожным входам коммутаторов, квадраторов и т.п. Цифровые видеодетекторы движения - это многоканальные устройства, которые позволяют разбивать каждую охраняемую зону на отдельные блоки, для каждого из которых устанавливается свой порог срабатывания - чем выше этот порог, тем

изменения должны произойти на "картинке".
Видеомультиплексоры представляют собой высокотехнологичные системы видеозаписи и управления, обладающие широкими функциональными возможностями, и предназначены для записи видеосигналов от нескольких (до 16) камер на одну видеокассету (кодирование), воспроизведение кодированных кассет и обработку сигналов тревоги. Мультиплексоры позволяют осуществлять переключение между различными методами записи, что дает возможность либо записывать то, что появляется на экране, либо просматривать на экране изображения от одних камер, записывая в это же время изображения от других камер.
Матричные коммутаторы имеют встроенный процессор и обеспечивают независимую коммутацию видеосигналов с большого количества входов на любой из мониторов. При наличии детектора движения коммутатор самостоятельно отслеживает ситуацию и в случае тревоги выводит изображение именно того помещения, где сработала сигнализация, а также выдает звуковой сигнал для привлечения внимания оператора. Матричные коммутаторы позволяют формировать несколько последовательностей изображений от камер в любом порядке с управлением их поворотными устройствами и вариообъективами, а также выводить номера камер и названия помещений, в которых они установлены, сообщения о сигналах тревоги, текущее время, дату, инструкции оператору и т.п.
Применение персональных компьютеров в ТСВ выводит последние на совершенно новый качественный и технический уровень. Компьютерные устройства управления, так называемые видеоменеджеры, позволяют удовлетворить практически любые требования заказчика. Перечислить все возможные функции видеоменеджеров практически невозможно, поэтому в качестве примера приведем лишь некоторые из них.
Система обеспечивает несколько режимов работы. В режиме "подготовка" оператор заносит в память машины необходимую служебную информацию: номера телефонов, по которым производится автоматическое дозванивание в случае тревоги и передача информации на удаленный пост через модем, шифры кодовых замков, данные об операторе, заступившем на дежурство, временные окна нахождения объекта под охраной либо свободного доступа на него, номера охраняемых автомобилей и т.п. В режиме "тестирование" проверяется работоспособность средств охранной сигнализации. В режиме "охрана" при срабатывании охранного извещателя на экран монитора выводится план контролируемой зоны и сработавший извещатель, изображение от установленной в этой зоне телекамеры с необходимым увеличением. Система может выполнять функции цифрового видеодетектора движения с программированием данных нарушителя (направление движения, скорость, размеры и т.п.), управлять режимами записи, воспроизведения и вывода изображения на экран, программировать алгоритмы наблюдения, охраны и видеорегистрации в ежедневном и еженедельном циклах, производить обработку видеоинформации цифровыми методами, автоматически фиксировать повреждения камер, коммуникаций и другого периферийного оборудования, реализовать смешанный режим охраны-наблюдения, вести диалог с оператором речевым способом и т.п. Функциональные возможности и эффективность компьютерных ТСВ наилучшим образом проявляются при организации с их помощью интегрированных систем охраны.
13.3.3 Устройства регистрации
Устройства регистрации подразделяются на:
- специализированные видеомагнитофоны;
- видеопринтеры.
Специализированные видеомагнитофоны предназначены для регистрации и документирования в течение длительного времени событий, происходящих в охраняемых зонах. Видеомагнитофоны могут работать в двух режимах - непрерывном (время записи на стандартную видеокассету (180 мин) - 3 часа) и прерывистом (время записи 24, 480 или 960 часов). В прерывистом режиме записываются не все кадры, а только определенные.
При документировании видеозаписи должен использоваться генератор даты-времени, с помощью которого отмечается текущее время суток и дата. Важными характеристиками видеомагнитофона являются его разрешающая способность и надежность. Высокое разрешение позволяет зафиксировать даже мелкие детали, а надежность важна потому, что такие видеомагнитофоны предназначены для непрерывной работы в течение нескольких лет.
Видеопринтеры предназначены для оперативной распечатки выбранного кадра от источника видеосигнала. Основными характеристиками видеопринтеров являются разрешающая способность, размер снимка и возможность многокадровой печати.
13.3.4 Устройства передачи телевизионного сигнала
Для передачи телевизионного сигнала в ТСВ могут использоваться как проводные каналы связи (коаксиальные кабели, телефонные линии, волоконно-оптические линии), так и беспроводные каналы - радиоканал или ИК-канал. Наиболее стабильная и качественная работа системы возможна только при использовании коаксиальных кабелей. Для компенсации затухания видеосигнала в линиях при передаче его на большие расстояния применяются видеоусилители. При выборе видеоусилителя необходимо знать его входное и выходное сопротивления, а также коэффициент усиления, так как их значениями определяется тип линии передачи и максимальное расстояние, на которое можно передать видеосигнал. При необходимости трансляции видеосигнала нескольким потребителям используются видеораспределители. Основными характеристиками видеораспределителей являются входное и выходное сопротивления, а также количество выходов (количество возможных потребителей).
13.3.5 Особенности применения ТСВ на объектах
Выбор варианта оборудования объекта ТСВ следует начинать с его обследования. При обследовании определяются характеристики значимости объекта, его строительные и архитектурно-планировочные решения, условия эксплуатации ТСВ, параметры установленных (или предполагаемых к установке на данном объекте) систем сигнализации и управления доступом (при организации интегрированных систем охраны). По результатам обследования определяются тактические характеристики и структура телевизионной системы видеоконтроля, а также технические характеристики ее компонентов.
На объектах ТСВ должна обеспечивать негласный видеоконтроль всех событий в контролируемых зонах объекта, а также совместно с ОПС - видеоохрану наиболее важных из этих зон, конкретных помещений, части помещений, отдельных предметов и т.п. К ним, как правило, относятся: центральный и запасные входы в здание, места хранения ценностей и оружия, подходы к ним, определенные коридоры, проходы и кабинеты (по согласованию с администрацией объекта), периметр здания (подходы к нему), внутренний двор, периметр ограждения, въездные ворота, автостоянка, в банках - кассовый узел и операционный зал.
Особое внимание должно быть уделено правильному, в том числе скрытному, размещению на объекте всех компонентов системы, как ОПС, так и ТСВ, причем ТСВ должна дополнять традиционно используемые средства ОПС, существенно повышая при этом их эффективность. Задачу расположения извещателей и приборов охранной, пожарной и тревожной сигнализации, а также телекамер для каждого помещения или контролируемого участка необходимо решать комплексно и взаимосвязанно, обязательно предусматривая их взаимозащиту или элементы дублирования. При этом следует учитывать способность ТСВ определять истинность срабатывания средств ОПС или видеоохраны с одновременной их видеозаписью (документированием с привязкой по времени, месту и идентификацией нарушителя). Таким образом определяется тип, количество и место расположения каждого средства ОПС и ТСВ.
Следующим этапом является определение тех контролируемых зон, где система ТСВ должна работать в режиме видеоохраны, т.е. автоматически обнаруживать движущиеся объекты.
На анализатор или детектор движения (видеообнаружитель) можно подключить все имеющиеся телекамеры и этим обеспечить максимальную надежность охраны всей системы. Однако это сдерживается относительно высокой стоимостью каждого задействованного канала видеоохраны. Поэтому на практике чаще всего для подключения и, соответственно, для видеоохраны выбираются зоны, наиболее опасные с точки зрения несанкционированного и вероятного проникновения. К ним относятся периметр здания или периметр ограждения объекта, места хранения материальных ценностей и оружия, походы к ним.
Далее определяются необходимое количество и места установки пультов управления и видеомониторов. В обязательном порядке они размещаются на пункте автономной охраны объекта (ПАО).
Причем обычно на ПАО устанавливают два видеомонитора - на первый выводится вся информация по видеоконтролю, а на второй - информация от видеообнаружителя или от телекамер при сигналах тревоги от средств ОПС. С помощью пультов управления охрана может оперативно наблюдать обстановку с соответствующей телекамеры, в том числе при срабатывании средств ОПС в любой из контролируемых зон. При получении сигнала тревоги от видеообнаружителя с одной или нескольких контролируемых зон охрана с помощью пульта управления может просмотреть соответствующий записанный видеокадр.
Еще один видеомонитор и пульт управления может быть установлен у руководителя объекта или одного из его замов.
В заключение определяется место размещения основных аппаратных средств ТСВ. В целях защиты от несанкционированного доступа и попыток изменить программу и режим работы системы, следует размещать основные аппаратные средства ТСВ в специальном шкафу или сейфе, устанавливаемом на ПАО или у руководителя объекта.
Все составные части ТСВ и ОПС должны иметь централизованное энергопитание, размещаемое, как правило, на ПАО. Для обеспечения нормальной работы при отключении электросети в состав системы должны входить источники бесперебойного питания.
(Цифры, выделенные курсивом, обозначают страницы)
"Аргус-2" 70, 73, 88, 93, 101, 173, 174, 177, 179
"Вектор-2" 47, 48, 88, 92, 144, 161, 171, 176, 178
"Волна-5" 72, 73, 88, 94, 101, 173, 174, 177, 179
"Грань-050" 32, 34, 88, 91
"ДТ4201Т", "ДТ4351Т" "ДТ4501Т" 85, 95, 103, 173, 174, 177, 179
"Пик",
38, 41, 88, 91, 175
СМК-3 29, 30, 150, 153, 180
"Фотон-5" 58, 66, 88, 93, 98, 152, 153, 157, 159, 168, 176, 179
"Фотон-6Б" 59, 66, 88, 99, 152, 153, 157, 159, 168, 176, 179
"Фотон-8Б" 61, 66, 88, 99, 152, 153, 157, 159, 168, 176, 179
"Эхо-2" 44, 45, 88, 92, 97, 173, 174, 177, 179
"Эхо-3" 45, 89, 92, 97, 173, 174, 177, 179