Главная // Актуальные документы // Актуальные документы (обновление 2025.03.29-2025.04.26) // ГОСТ (Государственный стандарт)СПРАВКА
Источник публикации
М.: ФГБУ "Институт стандартизации", 2025
Примечание к документу
Документ
введен в действие с 01.04.2025.
Название документа
"ГОСТ ISO 19893-2024. Межгосударственный стандарт. Трубопроводы из пластмасс. Трубы и фитинги из термопластов для горячей и холодной воды. Метод испытания узлов соединений на стойкость к циклическому изменению температуры"
(введен в действие Приказом Росстандарта от 19.02.2025 N 78-ст)
"ГОСТ ISO 19893-2024. Межгосударственный стандарт. Трубопроводы из пластмасс. Трубы и фитинги из термопластов для горячей и холодной воды. Метод испытания узлов соединений на стойкость к циклическому изменению температуры"
(введен в действие Приказом Росстандарта от 19.02.2025 N 78-ст)
Введен в действие
агентства по техническому
регулированию и метрологии
от 19 февраля 2025 г. N 78-ст
МЕЖГОСУДАРСТВЕННЫЙ СТАНДАРТ
ТРУБОПРОВОДЫ ИЗ ПЛАСТМАСС
ТРУБЫ И ФИТИНГИ ИЗ ТЕРМОПЛАСТОВ ДЛЯ ГОРЯЧЕЙ И ХОЛОДНОЙ ВОДЫ
МЕТОД ИСПЫТАНИЯ УЗЛОВ СОЕДИНЕНИЙ НА СТОЙКОСТЬ
К ЦИКЛИЧЕСКОМУ ИЗМЕНЕНИЮ ТЕМПЕРАТУРЫ
Plastics piping systems. Thermoplastics pipes and fittings
for hot and cold water. Test method for the resistance
of joint assemblies to temperature cycling
(ISO 19893:2011, Plastics piping systems - Thermoplastics
pipes and fittings for hot and cold water - Test method
for the resistance of mounted assemblies
to temperature cycling, IDT)
ГОСТ ISO 19893-2024
Дата введения
1 апреля 2025 года
Цели, основные принципы и общие правила проведения работ по межгосударственной стандартизации установлены
ГОСТ 1.0 "Межгосударственная система стандартизации. Основные положения" и
ГОСТ 1.2 "Межгосударственная система стандартизации. Стандарты межгосударственные, правила и рекомендации по межгосударственной стандартизации. Правила разработки, принятия, обновления и отмены"
1 ПОДГОТОВЛЕН Обществом с ограниченной ответственностью "Группа ПОЛИПЛАСТИК" (ООО "Группа ПОЛИПЛАСТИК") на основе собственного перевода на русский язык англоязычной версии стандарта, указанного в
пункте 5
2 ВНЕСЕН Федеральным агентством по техническому регулированию и метрологии
3 ПРИНЯТ Межгосударственным советом по стандартизации, метрологии и сертификации (протокол от 16 декабря 2024 г. N 66-2024)
За принятие проголосовали:
Краткое наименование страны по МК (ИСО 3166) 004-97 | Код страны по МК (ИСО 3166) 004-97 | Сокращенное наименование национального органа по стандартизации |
Армения | AM | ЗАО "Национальный орган по стандартизации и метрологии" Республики Армения |
Беларусь | BY | Госстандарт Республики Беларусь |
Казахстан | KZ | Госстандарт Республики Казахстан |
Россия | RU | Росстандарт |
Таджикистан | TJ | Таджикстандарт |
Узбекистан | UZ | Узбекское агентство по техническому регулированию |
4
Приказом Федерального агентства по техническому регулированию и метрологии от 19 февраля 2025 г. N 78-ст межгосударственный стандарт ГОСТ ISO 19893-2024 введен в действие в качестве национального стандарта Российской Федерации с 1 апреля 2025 г.
5 Настоящий стандарт идентичен международному стандарту ISO 19893:2011 "Трубопроводы из пластмасс. Трубы и фитинги из термопластов для горячей и холодной воды. Метод испытания узлов в сборе на стойкость к циклическому изменению температуры" ("Plastics piping systems - Thermoplastics pipes and fittings for hot and cold water - Test method for the resistance of mounted assemblies to temperature cycling", IDT).
Международный стандарт разработан подкомитетом SC 5 "Общие свойства труб, фитингов и арматуры из пластмасс и их комплектующих. Методы испытаний и основные технические требования" Технического комитета по стандартизации ISO/TC 138 "Пластмассовые трубы, фитинги и арматура для транспортирования жидких и газообразных сред" Международной организации по стандартизации (ISO).
Наименование настоящего стандарта изменено относительно наименования указанного стандарта для приведения в соответствие с ГОСТ 1.5
(подраздел 3.6)
6 ВВЕДЕН ВПЕРВЫЕ
Информация о введении в действие (прекращении действия) настоящего стандарта и изменений к нему на территории указанных выше государств публикуется в указателях национальных стандартов, издаваемых в этих государствах, а также в сети Интернет на сайтах соответствующих национальных органов по стандартизации.
В случае пересмотра, изменения или отмены настоящего стандарта соответствующая информация будет опубликована на официальном интернет-сайте Межгосударственного совета по стандартизации, метрологии и сертификации в каталоге "Межгосударственные стандарты"
Настоящий стандарт устанавливает метод испытания соединений трубопроводов с жесткими или гибкими трубами из термопластов на стойкость к циклическому изменению температуры.
Стандарт распространяется на трубопроводы из термопластов, предназначенные для использования в напорных системах горячего и холодного водоснабжения.
Испытуемый узел соединения (см.
рисунок 1), состоящий из труб и фитингов, подвергают воздействию установленного количества температурных циклов, пропуская под давлением попеременно горячую и холодную воду.
При циклическом изменении температуры детали испытуемого узла соединения подвергают воздействию растягивающего напряжения и/или деформации изгиба с использованием статических зажимов.
Во время и после проведения испытания проверяют наличие признаков потери герметичности.
Примечание - Предполагается, что в стандартах на изделие установлены следующие параметры испытания со ссылкой на настоящий стандарт:
a) температура испытания (см.
3.1,
3.2 и
6.1);
b) продолжительность полного цикла и каждой части цикла (см.
3.1,
3.2 и
6.1);
c) испытательное давление (см.
3.6 и
6.1);
d) растягивающее напряжение (см.
3.8 и
5.3);
f) общее количество циклов, включая первые пять циклов (см.
6.2 и
6.3).
1 - резервуар с горячей водой; 2 - переключающее устройство;
3 - резервуар с холодной водой; 4 - регулировочные клапаны;
5 - нагружающее устройство; 6 - обратная труба к резервуару
(возможен альтернативный испытуемый узел соединения);
A - участок A (неподвижный участок); B - участок B
(участок свободного расширения и сжатия);
C - участок C (участок изгиба трубы)
Рисунок 1 - Типовое оборудование для испытания
на стойкость к температурным циклам
3.1 Источник холодной воды, обеспечивающий следующие требования:
a) подачу воды в объеме, необходимом для поддержания колебания температуры по всему образцу в пределах указанного максимального допуска (см.
6.2);
b) подачу воды при минимальной температуре, указанной в стандарте на изделие, с точностью до +/- 2 °C;
c) подачу воды в течение каждого цикла, указанного в стандарте на изделие, с точностью +1 мин, если иное не установлено в стандарте на изделие.
3.2 Источник горячей воды, обеспечивающий следующие требования:
a) подачу воды в объеме, необходимом для достижения требуемой скорости подачи воды (см.
6.2);
b) подачу воды при максимальной температуре, указанной в стандарте на изделие, с точностью до +/- 2 °C;
c) подачу воды в течение каждого цикла, указанного в стандарте на изделие, с точностью +1 мин, если в стандарте на изделие отсутствуют другие указания.
3.3 Регулировочные клапаны, обеспечивающие регулирование скорости потока воды, по мере необходимости, для поддержания изменений температуры всего образца в пределах заданного максимального отклонения (см.
6.2).
3.4 Переключающее устройство, обеспечивающее каждое изменение температуры горячей и холодной воды на входе в течение 1 мин.
3.5 Термометр(ы), для определения соответствия указанным температурам испытания (см.
3.1,
3.2 и
6.2).
3.6 Манометр(ы) и устройство(а) для регулирования давления воды в испытуемом образце, установленного в стандарте на изделие, с погрешностью +/- 0,5 бар <1> (+/- 0,05 МПа), кроме коротких скачков давления, которые могут возникать при изменении температуры воды.
--------------------------------
<1> 1 бар = 0,1 МПа = 105 Па; 1 МПа = 1 Н/мм2.
3.7 Опорные кронштейны (при необходимости), состоящие из анкерных кронштейнов (неподвижные опоры), фиксирующих элементы трубопровода и направляющих (скользящих опор), удерживающие элементы трубопровода при их продольном перемещении (см.
раздел 5 и
рисунок 1).
3.8 Нагружающее устройство, способное прикладывать необходимое начальное растягивающее напряжение (см.
5.3).
Примечание - Нагружающее устройство необходимо для имитации напряжений, которые могут возникать на любом неподвижном участке трубопровода в результате сжатия, вызванного охлаждением до температуры ниже температуры монтажа.
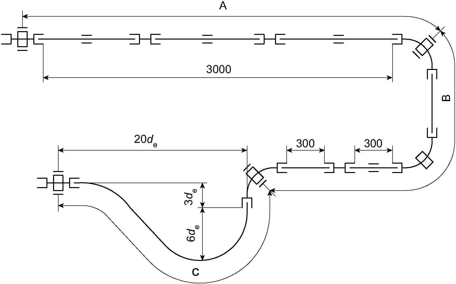
4 Испытуемый узел соединения
Испытуемый узел соединения должен состоять из труб и фитингов, соединенных и зафиксированных в соответствии с
рисунком 2 и рекомендациями изготовителя, со следующим исключением.
Если невозможно согнуть трубу по рекомендациям изготовителя до конфигурации, показанной на участке C (см.
рисунок 2), например из-за применяемого материала, толщины стенки и/или наружного диаметра трубы, участок C должен соответствовать приведенному на
рисунке 3.
Испытуемый узел соединения, представленный на
рисунке 2, должен включать:
a) для участка A - не менее трех отрезков труб, соединенных прямыми муфтами, и предварительно напряженных в соответствии с
5.3, при этом свободная длина такого соединения должна быть (3000 +/- 100) мм;
b) для участка B - не менее двух прямых свободно перемещающихся отрезков труб свободной длиной не менее (300 +/- 10) мм;
c) для участка C - не менее одного изгибающегося отрезка трубы (см.
рисунок 2 или
3 соответственно) с фиксированными концами. Свободная длина трубы должна быть в диапазоне от 27
dn до 28
dn (где
dn - номинальный наружный диаметр трубы) или должна обеспечивать при сборке узла соединения минимальный радиус изгиба трубы, установленный изготовителем. Если в стандарте на изделие не установлено значение минимального радиуса изгиба или оно не согласовано между заинтересованными сторонами, то радиус изгиба трубы должен быть 6
de.
5 Подготовка испытуемого узла соединения
5.1 При необходимости испытуемый узел соединения предварительно кондиционируют в соответствии с рекомендациями изготовителя(ей) деталей труб и/или элементов соединений (например, клея).
5.2 Испытуемый узел соединения кондиционируют при комнатной температуре (23 +/- 2) °C не менее 1 ч.
5.3 Предварительно нагружают участок A испытуемого образца растягивающим напряжением, установленным в стандарте на изделие, и фиксируют свободные концы напряженного участка.
Пример - Размер трубы: 32 x 3 мм.
Растягивающее напряжение согласно стандарту на изделие:
. Вычисляют площадь кольцевого сечения трубы A, мм2, по формуле
, (1)
где A - площадь кольцевого сечения, мм2;
dn - наружный диаметр трубы, мм;
e - толщина стенки трубы, мм.
.
Вычисляют растягивающую нагрузку по формуле

.
(2)
Это равнозначно приложенной массе, равной 56 кг.
Отсоединяют фиксирующее крепление в выходной части участка A по направлению потока и подвергают участок A воздействию растягивающей нагрузки на гибком тросе, равной 546 Н (например, грузом массой 56 кг). Затем повторно затягивают фиксирующее крепление. С этого момента на участке A задано предварительное напряжение и груз можно удалить.
5.4 Заполняют испытуемый узел соединения холодной водой таким образом, чтобы был вытеснен весь воздух.
6.1 Чередуют циклы подачи холодной и горячей воды, как установлено в стандарте на изделие [см.
перечисление b) примечания раздела 2], при температуре и давлении, соответствующим классу условий эксплуатации, указанному в стандарте на изделие. Температура окружающего воздуха
Ta,air во время проведения испытания должна быть 20 °C <=
Ta,air <= 35 °C.
Если в стандарте на изделие отсутствуют другие указания, для труб диаметром менее 63 мм принимают следующее:
- продолжительность полного цикла - от 30 до 32 мин;
- продолжительность цикла с холодной водой - от 15 до 16 мин;
- продолжительность цикла с горячей водой - от 15 до 16 мин;
- общее количество циклов - 5000.
6.2 В течение первых пяти циклов:
a) устанавливают регулировочный клапан (регулировочные клапаны) таким образом, чтобы в течение испытания на каждом этапе цикла подачи воды при постоянной температуре разность температур на входе и выходе из испытуемого узла соединения была не более 5 °C;
b) затягивают или подгоняют соединения для исключения потери герметичности;
c) регулируют устройства контроля давления таким образом, чтобы в процессе дальнейшего испытания поддерживалось заданное испытательное давление.
6.3 В процессе испытания и после завершения количества циклов, установленных в стандарте на изделие, осматривают все соединения на наличие признаков потери герметичности, например образования накипи. Если обнаружена потеря герметичности, регистрируют ее характер и местоположение, а также время обнаружения.
6.4 При испытании труб диаметром более 63 мм (см.
рисунок 4), как правило, увеличивают продолжительность цикла для получения стабильного и воспроизводимого температурного профиля. При возникновении проблем с контролем температуры, в особенности во время ее периодического изменения (не более 1 мин на входе), или стабильностью температуры, следует использовать альтернативные варианты продолжительности цикла. Если в стандарте на изделие для определенного диапазона диаметров труб отсутствуют другие указания, для труб диаметром более 63 мм используют следующее:
- продолжительность полного цикла - от 60 до 62 мин;
- продолжительность цикла с холодной водой - от 30 до 31 мин;
- продолжительность цикла с горячей водой - от 30 до 31 мин;
- общее количество циклов - 2500.
Протокол испытания должен содержать следующую информацию:
a) обозначение настоящего стандарта и стандарта на изделие;
b) материал и другую идентификацию испытуемых деталей, включая класс условий эксплуатации и рабочее давление;
c) являлась ли труба гибкой или жесткой;
d) растягивающее напряжение на участке A;
e) температуру на входе и выходе (минимальная и максимальная температура цикла), в градусах Цельсия;
f) продолжительность полного цикла и каждой части цикла, в минутах;
g) общее количество полных циклов, включая первые пять циклов;
h) испытательное давление, в барах;
i) признаки потери герметичности (при наличии), а также место и время их возникновения;
j) любые факторы, которые могли отрицательным образом повлиять на полученные результаты, например случайные или рабочие детали, не установленные в настоящем стандарте;
k) дату проведения испытания;
l) минимальную, максимальную и среднюю температуру окружающего воздуха.
Размеры в миллиметрах
A - участок A (неподвижный участок); B - участок B
(участок свободного расширения и сжатия); C - участок C
(участок трубы, изогнутый в холодном состоянии);

- фиксированное прямое соединение;

- прямое соединение;

- труба со скользящей опорой,
не задерживающей продольное перемещение трубы;

- свободная труба;

- поддерживаемый отвод (перемещается свободно);

- фиксированный отвод;

- отвод
Рисунок 2 - Испытуемый узел соединения
C* - участок C (для жестких труб);

- фиксированное прямое соединение;

- прямое соединение;

- свободная труба;

- фиксированный отвод;

- отвод
Рисунок 3 - Альтернативная схема сборки участка C
для жестких труб
--------------------------------
<a> - Минимальная длина каждого отрезка трубы, равная 120 - 140 мм.

- фиксированное прямое соединение;

- прямое соединение;

- труба с направляющей;

- свободная труба;

- фиксированный отвод
Рисунок 4 - Альтернативная схема сборки участка B для труб
диаметром более 63 мм (без предварительного напряжения)
УДК 678.5-462:620.162.4:006.354 | | IDT |
Ключевые слова: трубопроводы из пластмасс, трубы и фитинги из термопластов для горячей и холодной воды, метод испытания узлов соединений на стойкость к циклическому изменению температуры |