Краткое наименование страны по МК (ИСО 3166) 004-97 | Код страны по МК (ИСО 3166) 004-97 | Сокращенное наименование национального органа по стандартизации |
Азербайджан | AZ | Азстандарт |
Армения | AM | ЗАО "Национальный орган по стандартизации и метрологии" Республики Армения |
Беларусь | BY | Госстандарт Республики Беларусь |
Киргизия | KG | Кыргызстандарт |
Россия | RU | Росстандарт |
Таджикистан | TJ | Таджикстандарт |
Узбекистан | UZ | Узбекское агентство по техническому регулированию |

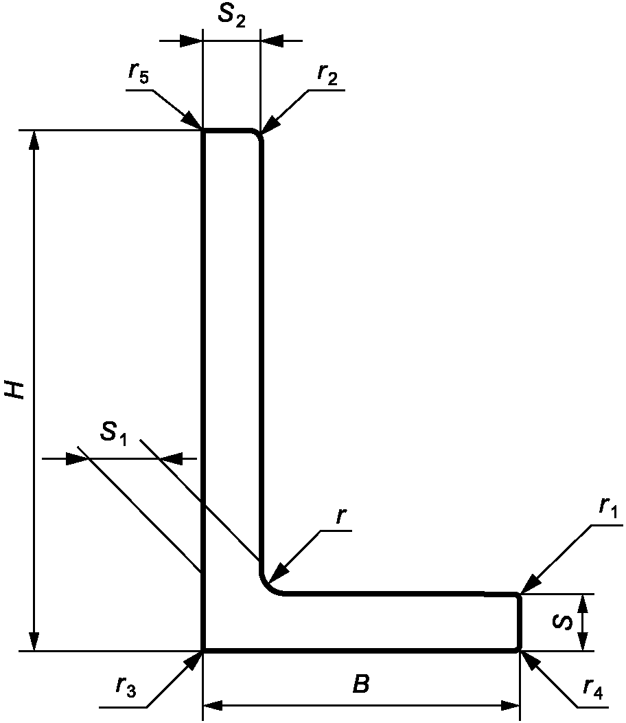
Номер профиля | Размеры, мм | Площадь сечения, см2 | Диаметр описанной окружности, мм | Теоретическая масса 1 м сплава, кг | |||||||||||
H | B | S | S1 | S2 | r | r1 | r2 | r3 | r4 | r5 | алюминиевого | магниевого | |||
511256 | 25,4 | 19,1 | 2,4 | 2,4 | 1,4 | 1,6 | 1,6 | 1,6 | 1,6 | - | - | 0,892 | 32 | 0,254 | 0,161 |
511257 | 35,0 | 29,5 | 5,0 | 3,0 | 3,0 | 3,0 | - | - | - | - | - | 2,394 | 46 | 0,682 | 0,431 |
511258 | 38,0 | 20,0 | 3,5 | 3,5 | 1,0 | 5,0 | 1,7 | 1,0 | 0,5 | - | - | 1,584 | 43 | 0,451 | 0,285 |
511259 | 38,0 | 41,0 | 11,0 | 6,2 | 5,0 | 5,0 | - | - | - | - | - | 6,106 | 56 | 1,740 | 1,099 |
511260 | 40,0 | 21,0 | 4,2 | 4,2 | 1,6 | 5,0 | 4,2 | 1,6 | - | - | - | 1,996 | 45 | 0,569 | 0,359 |
511261 | 40,0 | 28,0 | 8,0 | 7,0 | 5,0 | 3,0 | 3,0 | - | 3,0 | - | - | 4,171 | 49 | 1,189 | 0,751 |
511262 | 40,0 | 30,0 | 4,0 | 3,0 | 2,4 | 5,0 | - | - | - | - | - | 2,241 | 50 | 0,639 | 0,403 |
511263 | 40,0 | 30,0 | 4,5 | 3,0 | 1,5 | 5,0 | 2,0 | 1,5 | - | 2,0 | - | 2,218 | 50 | 0,632 | 0,399 |
511264 | 40,0 | 37,0 | 4,0 | 3,0 | 2,4 | 5,0 | - | - | - | - | - | 2,521 | 55 | 0,718 | 0,454 |
511265 | 40,5 | 30,0 | 5,5 | 4,0 | 2,0 | 5,0 | 2,0 | 1,0 | - | - | - | 2,793 | 51 | 0,796 | 0,503 |
511266 | 42,0 | 26,0 | 8,0 | 5,0 | 2,0 | 10,0 | - | - | - | - | - | 3,635 | 50 | 1,036 | 0,654 |
511267 | 42,0 | 30,0 | 5,0 | 10,0 | 3,0 | 4,0 | 2,0 | 3,0 | - | - | - | 4,051 | 52 | 1,155 | 0,729 |
511268 | 45,0 | 21,0 | 3,0 | 4,0 | 1,5 | 4,0 | 1,5 | 1,5 | 0,5 | - | - | 1,859 | 50 | 0,530 | 0,346 |
511269 | 45,0 | 25,0 | 4,0 | 4,0 | 1,5 | 4,0 | 1,5 | 1,5 | 0,5 | - | - | 2,202 | 52 | 0,627 | 0,396 |
511270 | 45,0 | 25,0 | 5,0 | 4,7 | 1,6 | 6,5 | 5,0 | 1,6 | 6,0 | - | - | 2,565 | 52 | 0,731 | 0,461 |
511271 | 45,0 | 36,0 | 4,0 | 4,0 | 2,0 | 3,0 | 2,0 | 2,0 | - | - | - | 2,702 | 58 | 0,770 | 0,486 |
511272 | 45,0 | 38,0 | 8,0 | 8,0 | 3,5 | 4,0 | - | - | - | - | - | 5,292 | 59 | 1,508 | 0,953 |
511273 | 45,0 | 43,0 | 5,5 | 3,0 | 2,2 | 5,0 | - | - | - | - | - | 3,466 | 63 | 0,988 | 0,624 |
511274 | 45,5 | 29,0 | 5,5 | 3,0 | 2,2 | 5,0 | - | - | - | - | - | 2,709 | 54 | 0,772 | 0,488 |
511275 | 50,0 | 35,0 | 6,5 | 5,0 | 2,5 | 4,0 | 2,5 | 2,5 | - | - | - | 3,964 | 61 | 1,130 | 0,714 |
511276 | 50,0 | 40,0 | 6,5 | 5,0 | 3,8 | 6,0 | - | - | - | - | - | 4,627 | 64 | 1,319 | 0,833 |
511277 | 50,0 | 45,0 | 5,0 | 5,0 | 2,0 | 5,0 | 2,5 | 1,0 | - | - | - | 3,932 | 67 | 1,121 | 0,708 |
511278 | 51,0 | 22,0 | 7,0 | 7,0 | 4,0 | 4,0 | 3,5 | 3,0 | - | - | - | 4,009 | 56 | 1,142 | 0,722 |
511279 | 55,0 | 35,0 | 6,0 | 6,0 | 2,0 | 3,0 | 1,0 | 1,5 | - | 1,0 | - | 4,130 | 65 | 1,177 | 0,743 |
511280 | 55,0 | 40,0 | 6,0 | 4,5 | 2,5 | 5,0 | - | - | - | 3,0 | - | 4,199 | 68 | 1,197 | 0,756 |
511281 | 55,0 | 105,0 | 6,0 | 5,0 | 2,5 | 4,0 | - | - | - | - | - | 8,222 | 119 | 2,343 | 1,479 |
511282 | 56,2 | 40,1 | 13,0 | 5,0 | 3,0 | 5,0 | 3,0 | 2,0 | - | - | - | 7,017 | 69 | 2,000 | 1,263 |
511283 | 58,0 | 22,0 | 6,0 | 6,0 | 1,5 | 4,0 | 2,0 | 1,5 | - | - | - | 3,381 | 62 | 0,964 | 0,609 |
511284 | 60,0 | 32,0 | 4,0 | 3,0 | 2,0 | 5,0 | - | - | - | - | - | 2,759 | 68 | 0,786 | 0,497 |
511344 | 60,0 | 24,0 | 20,0 | 6,0 | 2,5 | 3,0 | - | 1,5 | - | - | - | 6,575 | 65 | 1,841 | 1,183 |
511345 | 60,0 | 32,0 | 12,0 | 5,5 | 3,5 | 5,0 | - | 2,0 | - | - | - | 6,149 | 68 | 1,722 | 1,107 |
511285 | 60,0 | 37,0 | 4,0 | 3,0 | 2,0 | 5,0 | - | - | - | - | - | 2,959 | 71 | 0,843 | 0,533 |
511329 | 60,5 | 43,0 | 4,0 | 3, | 2,0 | 5,0 | - | - | - | - | - | 3,296 | 74 | 0,934 | 0,593 |
511286 | 62,0 | 30,0 | 5,5 | 3,0 | 2,0 | 5,0 | - | - | - | - | - | 3,141 | 69 | 0,895 | 0,565 |
511287 | 62,0 | 34,0 | 7,5 | 3,0 | 2,0 | 5,0 | - | - | - | - | - | 3,991 | 71 | 1,137 | 0,718 |
511288 | 62,0 | 43,0 | 5,5 | 3,0 | 2,0 | 5,0 | - | - | - | - | - | 3,856 | 76 | 1,099 | 0,694 |
511289 | 65,0 | 26,0 | 3,5 | 3,5 | 2,0 | 4,0 | - | - | - | - | - | 2,666 | 70 | 0,760 | 0,479 |
511290 | 65,0 | 29,0 | 6,0 | 6,0 | 2,0 | 4,0 | 3,0 | 1,5 | 0,5 | - | - | 4,190 | 71 | 1,194 | 0,754 |
511291 | 65,0 | 29,0 | 9,0 | 6,5 | 2,0 | 4,0 | - | 2,0 | - | - | - | 5,106 | 71 | 1,455 | 0,919 |
511292 | 65,0 | 32,0 | 4,0 | 4,0 | 2,0 | 3,0 | 2,0 | 1,5 | - | - | - | 4,146 | 73 | 0,897 | 0,566 |
511293 | 65,0 | 35,0 | 5,0 | 5,0 | 1,5 | 4,0 | 1,0 | 1,5 | 2,0 | 1,0 | - | 3,787 | 74 | 1,079 | 0,682 |
511294 | 65,0 | 35,0 | 6,0 | 6,0 | 2,0 | 4,0 | 3,0 | 1,5 | - | - | - | 4,550 | 74 | 1,297 | 0,819 |
511295 | 65,0 | 35,0 | 7,0 | 7,0 | 2,5 | 4,0 | 3,0 | 2,0 | - | - | - | 5,301 | 74 | 1,511 | 0,954 |
511296 | 65,0 | 35,0 | 9,0 | 8,0 | 3,5 | 4,0 | 2,0 | 3,5 | - | - | - | 6,459 | 74 | 1,841 | 1,162 |
511297 | 65,0 | 45,0 | 5,0 | 5,0 | 2,0 | 3,0 | 2,0 | 1,5 | - | - | - | 4,401 | 79 | 1,254 | 0,792 |
511346 | 65,0 | 45,0 | 10,0 | 7,0 | 2,5 | 3,0 | - | - | - | - | - | 7,225 | 79 | 2,023 | 1,300 |
511347 | 65,0 | 48,0 | 4,0 | 5,0 | 2,5 | 3,0 | - | - | - | - | - | 4,281 | 81 | 1,199 | 0,771 |
511348 | 65,0 | 48,0 | 4,0 | 8,0 | 5,0 | 4,0 | - | 3,0 | - | - | - | 5,972 | 81 | 1,702 | 1,074 |
511340 | 65,0 | 50,0 | 6,0 | 5,0 | 2,7 | 4,0 | 1,0 | 1,5 | - | 1,0 | - | 5,410 | 82 | 1,515 | 0,974 |
511349 | 65,0 | 60,0 | 6,0 | 6,0 | 3,5 | 5,0 | 2,0 | 2,0 | - | - | - | 6,837 | 88 | 1,914 | 1,231 |
511298 | 65,0 | 65,0 | 8,0 | 9,0 | 6,0 | 8,0 | - | - | - | - | - | 9,732 | 92 | 2,774 | 1,752 |
511350 | 66,0 | 39,0 | 10,0 | 4,0 | 2,5 | 5,0 | - | - | - | - | - | 5,934 | 77 | 1,661 | 1,068 |
511299 | 70,0 | 27,0 | 5,0 | 4,0 | 2,0 | 5,0 | - | - | - | - | - | 3,404 | 75 | 0,970 | 0,613 |
511300 | 72,0 | 48,0 | 18,0 | 22,0 | 15,0 | 6,0 | 3,0 | 3,0 | 3,0 | 3,0 | 3,0 | 18,977 | 87 | 5,409 | 3,416 |
511301 | 74,0 | 22,0 | 4,0 | 5,5 | 1,5 | 7,0 | 2,0 | - | - | - | - | 3,567 | 77 | 1,016 | 0,642 |
511302 | 75,0 | 49,0 | 8,0 | 5,9 | 3,0 | 3,0 | 5,0 | 3,0 | 1,0 | - | - | 6,889 | 90 | 1,963 | 1,240 |
511303 | 77,0 | 40,0 | 6,0 | 5,0 | 2,0 | 4,0 | 2,0 | - | - | 1,5 | - | 4,966 | 87 | 1,415 | 0,894 |
511304 | 78,0 | 29,0 | 7,0 | 7,0 | 3,0 | 7,0 | 3,0 | 3,0 | - | - | - | 5,787 | 83 | 1,649 | 1,042 |
511305 | 80,0 | 40,0 | 9,0 | 5,0 | 3,0 | 6,0 | - | - | - | - | - | 6,577 | 90 | 1,875 | 1,184 |
511341 | 80,0 | 52,0 | 19,0 | 23,9 | 11,0 | 5,0 | - | - | - | - | - | 20,871 | 95 | 5,844 | 3,757 |
511306 | 80,0 | 125,0 | 7,0 | 8,2 | 6,0 | 5,0 | - | - | - | 3,0 | - | 14,022 | 149 | 3,996 | 2,524 |
511307 | 81,0 | 35,0 | 10,0 | 7,0 | 3,0 | 7,0 | 3,0 | 3,0 | - | - | - | 7,200 | 88 | 2,016 | 1,296 |
511308 | 90,0 | 30,0 | 7,0 | 7,0 | 2,0 | 5,0 | 5,0 | 1,0 | 1,0 | - | - | 5,956 | 95 | 1,697 | 1,072 |
511309 | 95,0 | 45,0 | 9,0 | 6,0 | 2,0 | 6,0 | 3,0 | 1,5 | - | - | - | 7,663 | 106 | 2,184 | 1,379 |
511310 | 95,0 | 45,0 | 10,0 | 8,0 | 2,5 | 4,0 | - | 1,0 | - | 6,0 | - | 9,027 | 105 | 2,573 | 1,625 |
511311 | 95,0 | 53,0 | 9,0 | 6,0 | 2,0 | 6,0 | 3,0 | 1,5 | - | - | - | 8,383 | 109 | 2,389 | 1,509 |
511312 | 100,0 | 50,0 | 7,0 | 8,0 | 3,5 | 8,0 | - | - | - | - | - | 9,165 | 112 | 2,612 | 1,649 |
511313 | 100,0 | 45,0 | 15,0 | 8,0 | 3,5 | 4,0 | 2,0 | 3,5 | - | - | - | 11,599 | 110 | 3,305 | 2,088 |
511314 | 100,0 | 70,0 | 7,0 | 6,9 | 3,0 | 9,0 | - | - | 10,0 | - | - | 9,638 | 122 | 2,747 | 1,735 |
511315 | 110,0 | 37,0 | 20,0 | 9,5 | 2,0 | 15,0 | - | - | - | - | - | 13,620 | 116 | 3,882 | 2,452 |
511316 | 110,0 | 46,0 | 35,0 | 21,0 | 12,7 | 10,0 | 1,5 | 1,5 | 1,5 | 1,5 | 1,5 | 53,973 | 119 | 15,382 | 9,715 |
511317 | 111,0 | 38,0 | 20,0 | 10,2 | 2,0 | 15,0 | - | - | - | - | - | 14,349 | 118 | 4,089 | 2,583 |
511318 | 112,0 | 37,0 | 25,0 | 9,6 | 2,5 | 15,0 | - | - | - | - | - | 15,529 | 118 | 4,426 | 2,795 |
511319 | 115,0 | 45,0 | 10,0 | 10,0 | 2,5 | 4,0 | - | 2,0 | - | 5,0 | - | 11,185 | 124 | 3,188 | 2,013 |
511320 | 120,0 | 25,0 | 6,5 | 4,0 | 2,5 | 6,0 | - | - | - | - | - | 5,436 | 123 | 1,549 | 9,784 |
511321 | 120,0 | 60,0 | 10,0 | 9,7 | 5,0 | 6,0 | 2,0 | 2,0 | - | - | - | 14,286 | 135 | 4,072 | 2,571 |
511322 | 120,0 | 60,0 | 12,0 | 11,6 | 6,0 | 6,0 | 2,0 | 2,0 | - | - | - | 16,932 | 135 | 4,826 | 3,048 |
511323 | 125,0 | 25,0 | 5,0 | 4,0 | 2,0 | 4,0 | - | - | - | - | - | 4,924 | 128 | 1,403 | 0,886 |
511324 | 136,0 | 69,0 | 23,0 | 16,0 | 5,0 | 10,0 | 2,0 | - | 2,0 | 2,0 | - | 28,474 | 153 | 8,115 | 5,125 |
511325 | 155,0 | 50,5 | 13,0 | 6,5 | 3,5 | 12,0 | - | - | - | - | - | 12,854 | 160 | 3,663 | 2,314 |
511328 | 166,0 | 35,0 | 9,0 | 7,0 | 3,0 | 8,0 | - | - | - | - | - | 11,297 | 170 | 3,220 | 2,033 |
511342 | 129,0 | 50,0 | 16,0 | 9,5 | 4,8 | 6,0 | - | - | - | - | - | 16,502 | 138 | 4,621 | 2,970 |
511343 | 144,0 | 50,5 | 27,0 | 9,5 | 4,3 | 6,0 | - | - | - | - | - | 21,825 | 152 | 6,111 | 3,929 |
Примечание - Допускается притупление острых кромок фитингового уголка включительно: до 0,3 мм при толщине полки 3 мм; до 0,5 мм при толщине полки до 15 мм и до 1,0 мм при толщине полки свыше 15 мм. | |||||||||||||||
Марка сплава | Переводной коэффициент | Марка сплава | Переводной коэффициент |
Для алюминия всех марок | 0,950 | 1161 | 0,972 |
АМц | 0,958 | 1163 | 0,975 |
АМцС | 0,958 | 1915 | 0,972 |
АМг2 | 0,940 | 1920 | 0,954 |
АМг3 | 0,937 | 1925 | 0,972 |
АМг5 | 0,930 | 1935 | 0,977 |
АМг6 | 0,926 | 1985ч | 0,948 |
1561 | 0,930 | 1973 | 1,000 |
Д1 | 0,982 | 1980 | 0,968 |
Д16 | 0,976 | ВД1 | 0,982 |
Д16ч | 0,976 | АВД1-1 | 0,982 |
Д19ч | 0,968 | АКМ | 0,970 |
Д20 | 0,996 | М40 | 0,965 |
АВ | 0,947 | АК4 | 0,970 |
ВАД1 | 0,968 | АК6 | 0,962 |
К48-2 | 0,972 | АД31Е | 0,950 |
К48-2пч | 0,972 | АК4-1 | 0,982 |
АД31 | 0,950 | АК4-1ч | 0,982 |
АД33 | 0,951 | ВД17 | 0,965 |
АД35 | 0,954 | 1420 | 0,867 |
Марка сплава | Переводной коэффициент |
Для магния всех марок | 1,000 |
МА1 | 0,978 |
МА2 | 0,989 |
МА2-1 | 0,990 |
МА2-1пч | 0,990 |
МА8 | 0,989 |
МА12 | 0,989 |
Номер профиля | Обозначение профиля по каталогу 1966 г. | Обозначение профиля по чертежам завода-изготовителя |
511256 | П 1516-2 | ПК 3-9, ПП 165-4 |
511257 | - | ПК 14910-7 |
511258 | П 1516-4 | ПР 115-4 |
511259 | П 1516-5 | ПК 12657 |
511260 | П 1516-6 | ПР 115-8 |
511261 | П 1516-8 | ПВ 808 |
511262 | - | ПК 14910-1 |
511263 | П 1516-10 | ПС 18-8, ПК 1-95, НП 1091-1 |
511264 | - | ПК 14910-2 |
511265 | - | ПК 15778 |
511266 | П 1516-12 | ПП 165-3 |
511267 | П 1516-14 | ПП 169-3 |
511268 | П 1516-18 | ПР 115-5 |
511269 | П 1516-20 | ПР 115-3 |
511270 | П 1516-22 | ПП 165-5 |
511271 | П 1516-23 | ПК 3-28 |
511272 | П 1516-25 | ПК 11515 |
511273 | П 1516-24 | С 64-1 |
511274 | П 1516-26 | ПП 165-10 |
511275 | П 1516-27 | ПК 2-235 |
511276 | П 1516-28 | ПК 1-63 |
511277 | П 1516-30 | ПП 165-3 |
511278 | П 1516-32 | ПП 169-2 |
511279 | - | ПК 13954 |
511280 | П 1516-33 | ПК 0925, ПК 4-3 |
П 1516-34 | ||
511281 | - | ПК 12559 |
511282 | П 1516-35 | ПК 12442 |
511283 | П 1516-36 | С 618, ПК 11509, ПК 11419 |
511284 | - | ПК 14910-3 |
511285 | - | ПК 14910-4 |
511286 | - | ПК 14910-6 |
511287 | - | ПК 14910-5 |
511288 | П 1516-38 | С 816, ПК 4, ПС 412-2 |
511289 | П 1516-39 | НП 551-1 |
511290 | П 1516-40 | ПР 115-7 |
511291 | - | ПК 15892 |
511292 | П 1516-42 | П 3-21 |
511293 | П 1516-44 | ПК 72-14, ПК 11718, ПС 18-9 |
511294 | П 1516-46 | ПВ 1116, ПК 187, ПК 3-3, С 543, ПВ 809, ПС 18-5, ПП 165-15 |
511295 | П 1516-48 | ПК 3-26 |
511296 | П 1516-50 | ПК 3-14 |
511297 | П 1516-52 | ПК 3-20 |
511298 | П 1516-54 | ПС 776-2, ПК 1-54 |
511299 | П 1516-56 | ПК 202-2 |
511300 | - | ПК 18029 |
511301 | П 1516-58 | ПК 202-1 |
511302 | П 1516-60 | ПК 3-1, С 368, ПС 18-1, ПП 169-1 |
511303 | - | ПК 15904 |
511304 | П 1516-62 | С 1199, ПК 3-4, ПС 18-6 |
511305 | П 1516-64 | С 817, ПК 5, ПС 412 |
511306 | П 1516-65 | ПС 2-219, ПК 145 |
511307 | П 1516-66 | ПР 115-9, ПС 18-2 |
511308 | П 1516-68 | ПК 3-7, ПП 165-1 |
511309 | П 1516-70 | ПК 70-19 |
511310 | П 1516-72 | ПК 3-5 |
511311 | П 1516-74 | ПК 3-18 |
511312 | - | С 1256-1 |
511313 | П 1516-76 | ПР 115-10, ПС 18-3 |
511314 | П 1516-77 | ПК 0806 |
511315 | П 1519-7 | ПК 26 |
511316 | - | ПК 15430 |
511317 | П 1519-9 | ПА 67А |
511318 | П 1516-78 | НП 351-1, ПК 1248 |
511319 | П 1521-21 | ПК 0820 |
511320 | П 1516-80 | ПК 3-2, ПП 165-2, ПС 18-4 |
511321 | П 1516-81 | ПК 0631 |
511322 | П 1521-27 | ПК 0631-1 |
511323 | - | ПК 181-2 |
511324 | П 1521-31 | ПК 68-5 |
511325 | П 1516-82 | ПК 3-11, ПП 167-2 |
511326 | П 1516-83 | ПС 224-5, ПК 1250 |
511327 | - | ПВ 1030 |
511328 | П 1516-84 | ПС 412-4 |
511329 | - | ПК 13589 |
511340 | - | ПК 2757 |
511341 | - | ПК 2109 |
511342 | - | ПК 2244 |
511343 | - | ПК 2245 |
511344 | - | ПК 18842 |
511345 | - | ПК 18841 |
511346 | - | ПК 18448 |
511347 | - | ПК 18454 |
511348 | - | ПК 18455 |
511349 | - | ПК 18457 |
511350 | - | ПК 19825 |
УДК 669.71-42:006.354 | МКС 77.150.10 |
Ключевые слова: профили прессованные косоугольные фитингового уголкового сечения, сортамент, алюминиевые сплавы, магниевые сплавы, теоретическая масса | |