Главная // Актуальные документы // Актуальные документы (обновление 2025.07.05-2025.08.02) // ГОСТ (Государственный стандарт)
СПРАВКА
Источник публикации
М.: ФГБУ "Институт стандартизации", 2024
Примечание к документу
Текст данного документа приведен с учетом поправки, опубликованной в "ИУС", N 2, 2025; поправки, опубликованной в "ИУС", N 6, 2025.

Документ введен в действие с 01.07.2025.

Взамен ГОСТ 26368-90.
Название документа
"ГОСТ 26368-2024. Межгосударственный стандарт. Светильники медицинские. Общие технические требования и методы испытаний"
(введен в действие Приказом Росстандарта от 30.09.2024 N 1303-ст)

"ГОСТ 26368-2024. Межгосударственный стандарт. Светильники медицинские. Общие технические требования и методы испытаний"
(введен в действие Приказом Росстандарта от 30.09.2024 N 1303-ст)


Содержание


Введен в действие
Приказом Федерального
агентства по техническому
регулированию и метрологии
от 30 сентября 2024 г. N 1303-ст
МЕЖГОСУДАРСТВЕННЫЙ СТАНДАРТ
СВЕТИЛЬНИКИ МЕДИЦИНСКИЕ
ОБЩИЕ ТЕХНИЧЕСКИЕ ТРЕБОВАНИЯ И МЕТОДЫ ИСПЫТАНИЙ
Medical luminaires. General technical requirements
and test methods
ГОСТ 26368-2024
МКС 11.140
Дата введения
1 июля 2025 года
Предисловие
Цели, основные принципы и общие правила проведения работ по межгосударственной стандартизации установлены ГОСТ 1.0 "Межгосударственная система стандартизации. Основные положения" и ГОСТ 1.2 "Межгосударственная система стандартизации. Стандарты межгосударственные, правила и рекомендации по межгосударственной стандартизации. Правила разработки, принятия, обновления и отмены"
Сведения о стандарте
1 РАЗРАБОТАН Закрытым акционерным обществом "Завод ЭМА" (ЗАО "Завод ЭМА") и Обществом с ограниченной ответственностью "Медтехстандарт" (ООО "Медтехстандарт")
2 ВНЕСЕН Федеральным агентством по техническому регулированию и метрологии
3 ПРИНЯТ Межгосударственным советом по стандартизации, метрологии и сертификации (протокол от 30 сентября 2024 г. N 177-П)
За принятие проголосовали:
Краткое наименование страны по МК (ИСО 3166) 004-97
Код страны по МК (ИСО 3166) 004-97
Сокращенное наименование национального органа по стандартизации
Азербайджан
AZ
Азстандарт
Армения
AM
ЗАО "Национальный орган по стандартизации и метрологии" Республики Армения
Беларусь
BY
Госстандарт Республики Беларусь
Киргизия
KG
Кыргызстандарт
Россия
RU
Росстандарт
Таджикистан
TJ
Таджикстандарт
Узбекистан
UZ
Узбекское агентство по техническому регулированию
4 Приказом Федерального агентства по техническому регулированию и метрологии от 30 сентября 2024 г. N 1303-ст межгосударственный стандарт ГОСТ 26368-2024 введен в действие в качестве национального стандарта Российской Федерации с 1 июля 2025 г.
5 ВЗАМЕН ГОСТ 26368-90
Информация о введении в действие (прекращении действия) настоящего стандарта и изменений к нему на территории указанных выше государств публикуется в указателях национальных стандартов, издаваемых в этих государствах, а также в сети Интернет на сайтах соответствующих национальных органов по стандартизации.
В случае пересмотра, изменения или отмены настоящего стандарта соответствующая информация будет опубликована на официальном интернет-сайте Межгосударственного совета по стандартизации, метрологии и сертификации в каталоге "Межгосударственные стандарты"
1 Область применения
Настоящий стандарт распространяется на медицинские светильники (далее - светильники), предназначенные для освещения манипуляционного поля при проведении хирургических операций, осмотров и терапевтических процедур.
2 Нормативные ссылки
В настоящем стандарте использованы нормативные ссылки на следующие межгосударственные стандарты:
ГОСТ 9.032 Единая система защиты от коррозии и старения. Покрытия лакокрасочные. Группы, технические требования и обозначения
ГОСТ 9.104 Единая система защиты от коррозии и старения. Покрытия лакокрасочные. Группы условий эксплуатации
ГОСТ 9.301 Единая система защиты от коррозии и старения. Покрытия металлические и неметаллические неорганические. Общие требования
ГОСТ 9.302 (ИСО 1463-82, ИСО 2064-80, ИСО 2106-82, ИСО 2128-76, ИСО 2177-85, ИСО 2178-82, ИСО 2360-82, ИСО 2361-82, ИСО 2819-80, ИСО 3497-76, ИСО 3543-81, ИСО 3613-80, ИСО 3882-86, ИСО 3892-80, ИСО 4516-80, ИСО 4518-80, ИСО 4522-1-85, ИСО 4522-2-85, ИСО 4524-1-85, ИСО 4524-3-85, ИСО 4524-5-85, ИСО 8401-86) Единая система защиты от коррозии и старения. Покрытия металлические и неметаллические неорганические. Методы контроля
ГОСТ 9.303 Единая система защиты от коррозии и старения. Покрытия металлические и неметаллические неорганические. Общие требования к выбору
ГОСТ 9.306 Единая система защиты от коррозии и старения. Покрытия металлические и неметаллические неорганические. Обозначения
ГОСТ 9.401 Единая система защиты от коррозии и старения. Покрытия лакокрасочные. Общие требования и методы ускоренных испытаний на стойкость к воздействию климатических факторов
ГОСТ 12.2.007.0 Система стандартов безопасности труда. Изделия электротехнические. Общие требования безопасности
ГОСТ 14254 (IEC 60529:2013) Степени защиты, обеспечиваемые оболочками (Код IP)
ГОСТ 15150 Машины, приборы и другие технические изделия. Исполнения для различных климатических районов. Категории, условия эксплуатации, хранения и транспортирования в части воздействия климатических факторов внешней среды
ГОСТ 20790/ГОСТ Р 50444 Приборы, аппараты и оборудование медицинские. Общие технические условия
ГОСТ 23986 Пространства взрывоопасные медицинских помещений. Термины и определения
ГОСТ 30324.1.2 (IEC 60601-1-2:2001) <1> Изделия медицинские электрические. Часть 1-2. Общие требования безопасности. Электромагнитная совместимость. Требования и методы испытаний
--------------------------------
<1> В Российской Федерации действует ГОСТ Р МЭК 60601-1-2-2014 "Изделия медицинские электрические. Часть 1-2. Общие требования безопасности с учетом основных функциональных характеристик. Параллельный стандарт. Электромагнитная совместимость. Требования и испытания".
ГОСТ IEC 60601-1 Изделия медицинские электрические. Общие требования безопасности с учетом основных функциональных характеристик
ГОСТ ISO 10993 (все части) Изделия медицинские. Оценка биологического действия медицинских изделий
Примечание - При пользовании настоящим стандартом целесообразно проверить действие ссылочных стандартов и классификаторов на официальном интернет-сайте Межгосударственного совета по стандартизации, метрологии и сертификации (www.easc.by) или по указателям национальных стандартов, издаваемым в государствах, указанных в предисловии, или на официальных сайтах соответствующих национальных органов по стандартизации. Если на документ дана недатированная ссылка, то следует использовать документ, действующий на текущий момент, с учетом всех внесенных в него изменений. Если заменен ссылочный документ, на который дана датированная ссылка, то следует использовать указанную версию этого документа. Если после принятия настоящего стандарта в ссылочный документ, на который дана датированная ссылка, внесено изменение, затрагивающее положение, на которое дана ссылка, то это положение применяется без учета данного изменения. Если ссылочный документ отменен без замены, то положение, в котором дана ссылка на него, применяется в части, не затрагивающей эту ссылку.
3 Термины и определения
В настоящем стандарте применены следующие термины с соответствующими определениями:
3.1 блок освещения светильника: Светотехнический узел светильника, имеющий собственную систему регулирования его пространственного положения по отношению к освещенному объекту.
3.2 вспомогательный хирургический светильник: Медицинский светильник для локального освещения тела пациента, предназначенный для использования в операционных при проведении лечения и диагностики, которые могут быть прерваны без создания какой бы то ни было опасности для пациента в случае отказа источника света.
3.3 гинекологический светильник: Светильник, предназначенный для освещения манипуляционного поля при гинекологических операциях и диагностических исследованиях.
3.4 глубина освещения: Характеристика операционных светильников - длина отрезка оптической оси, внутри которого освещенность составляет не менее 60% центральной освещенности.
3.5 диаметр светового поля: Отрезок, соединяющий две точки окружности и проходящий через центр светового поля (точку центральной освещенности).
Пример - Минимальный диаметр d50, где освещенность достигает 50% центральной освещенности Ec (диаметр светового пятна при 50%) составляет 50% диаметра светового поля d10 (диаметр светового пятна при 10%).
3.6 измерительная плоскость: Плоскость, на которой нормируются светотехнические характеристики светильника.
3.7 индекс передачи красного цвета R9: Количественная мера способности источника света верно отображать красный цвет освещаемых объектов при эталонном (стандартном) источнике света TCS9 (с длиной волны более 600 нм).
3.8 медицинский светильник: Светильник для освещения манипуляционного поля при проведении хирургических операций, осмотров и терапевтических процедур.
3.9 облученность: Поток излучения, падающий на единицу площади независимо от направления его распространения.
3.10 общая освещенность (полная облученность) Ee: Максимальное значение мощности излучения, падающего на поверхность от светоизлучающей площади светильника в центре светового поля без какой-либо преграды для светового луча.
3.11 общий индекс (коэффициент) цветопередачи Ra: Количественная мера способности источника света верно отображать цвета освещаемых объектов в сравнении с эталонным (стандартным) источником света.
3.12 операционный (хирургический) светильник: Общий термин, применяемый к вспомогательным хирургическим светильникам, основным хирургическим светильникам и хирургическим осветительным системам.
3.13 оптическая ось: Линия, проходящая через световой центр светильника и центр рабочего поля.
3.14 основной хирургический светильник: Медицинский светильник для локального освещения тела пациента, предназначенный для использования в операционных при проведении лечения и диагностики, когда прерывание освещения может привести к опасной ситуации.
3.15 передвижной светильник: Светильник, конструкция которого предусматривает возможность его перемещения в пределах медицинской организации.
3.16 рабочее поле светильника: Часть освещенной светильником площади измерительной плоскости, ограниченной кривой равной освещенности (изолюксой) с установленной освещенностью.
3.17 рабочее расстояние светильника: Кратчайшее расстояние по оптической оси светильника от его светоизлучающей поверхности до измерительной плоскости.
3.18 регулируемый светильник: Светильник, у которого могут регулироваться в определенных пределах рабочее расстояние, освещенность и/или размер рабочего поля.
3.19 световой центр светильника: Точка внутри корпуса светильника, совпадающая со световым центром лампы в однорефлекторном светильнике или с геометрическим центром световых центров всех источников света, находящихся в многорефлекторном светильнике.
3.20 светотехнические характеристики светильника: Освещенность, облученность, диаметр светового поля, глубина освещения, теневое разбавление, цветовая температура, индекс цветопередачи Ra, индекс передачи красного цвета R9, удельная облученность.
3.21 смотровой светильник: Медицинский светильник для локального освещения тела пациента в целях подтверждения диагноза или лечения, которые могут быть прерваны без создания какой бы то ни было опасности для пациента в случае отказа источника света.
3.22 стационарный светильник: Светильник, который невозможно переместить с одного места на другое или крепление которого выполнено так, что его перемещение возможно только с помощью инструмента.
3.23 стоматологический светильник: Медицинский светильник, предназначенный для освещения полости рта при лечении, стоматологических операциях и диагностических исследованиях.
3.24 теневое разбавление (остаточная освещенность): Способность светильника сводить к минимуму воздействие теней в рабочей площади вследствие частичной блокировки оператором испускаемого света.
3.25 удельная облученность рабочего поля: Отношение величины облученности к величине освещенности; измеряется в мВт/(м2·лк).
3.26 хирургическая осветительная система: Сочетание нескольких хирургических светильников.
3.27 цветовая температура: Температура излучателя Планка (черного тела), при которой его излучение имеет ту же цветность, что и излучение рассматриваемого объекта.
3.28 центр рабочего поля: Точка пересечения оптической оси светильника с измерительной плоскостью.
3.29 центральная освещенность Ec: Освещенность, измеренная на расстоянии 1000 мм (или другом расстоянии, указанном изготовителем) от светоизлучающей площади светильника в центре светового поля без какой-либо преграды для светового луча.
4 Классификация
4.1 В зависимости от назначения и по отношению к опасности, вызванной внезапным отключением, светильники подразделяют на следующие типы:
- операционные (хирургические) <1>:
- гинекологические;
- стоматологические;
- смотровые.
--------------------------------
<1> Операционные (хирургические) светильники могут иметь специальные дополнительные устройства: подключения к блоку аварийного питания, демонстрации или документирования хода операции (с теле-, кино-, фотоаппаратурой), с элементами увеличительной оптики, управления световыми потоками, с дополнительными осветителями на световодах, с вмонтированными хирургическими аппаратами и т.п.
4.2 В зависимости от характера воспринимаемых механических воздействий светильники подразделяют:
- на стационарные (С);
- передвижные (П).
4.3 В зависимости от регулирования светотехнических характеристик светильники подразделяют:
- на регулируемые (Р);
- нерегулируемые (НР).
4.4 В зависимости от количества блоков освещения светильники подразделяют:
- на светильники с одним блоком освещения;
- светильники с двумя и более блоками освещения.
4.5 Система условных обозначений медицинских светильников приведена в приложении А.
5 Технические требования
5.1 Светильники изготавливают в соответствии с требованиями настоящего стандарта и технической документации (ТД) (в том числе технических условий) на светильники конкретного типа, утвержденной в установленном порядке.
5.2 Рабочее расстояние светильников (кроме стоматологических) и диапазон его изменения для светильников с регулируемым рабочим расстоянием должны находиться в интервале от 0,8 до 1,5 м. Рабочее расстояние стоматологических светильников должно находиться в интервале от 0,7 до 1,0 м.
Для светильников с двумя и более блоками освещения рабочее расстояние устанавливают для каждого блока отдельно.
Конкретные значения рабочего расстояния (для светильников с постоянным рабочим расстоянием) устанавливают в ТД на светильники конкретного типа.
5.3 Значения центральной освещенности Ec для различных типов светильников указаны в таблице 1.
Таблица 1
Наименование типов светильников
Место замера
Центральная освещенность Ec <*>, лк
Операционные светильники для проведения операций высшей сложности
В центре рабочего поля
Не более 200 000
Операционные светильники для проведения операций средней сложности
Не более 140 000
Операционные светильники для проведения операций малой сложности и перевязок
Не более 80 000
Гинекологические светильники
Не более 40 000
Стоматологические светильники
Не более 28 000
На уровне глаз пациента
Не более 1000
Смотровые светильники
В центре рабочего поля
Не более 20 000
<*> Для светильников с несколькими блоками освещения значение центральной освещенности в центре рабочего поля определяют суммой освещенностей отдельных блоков (для операционных светильников значение центральной освещенности должно быть от 40 000 до 160 000 лк на один блок освещения).
Диапазон изменения центральной освещенности (для регулируемых светильников) устанавливают в ТД на светильники конкретного типа.
5.4 Размер рабочего поля и диапазон его изменения (для светильников с регулируемым размером рабочего поля) выбирают из следующего диапазона:
- операционные (хирургические) светильники диаметром рабочего поля от 150 до 350 мм;
- гинекологические светильники диаметром рабочего поля от 40 до 200 мм;
- стоматологические светильники - эллипс с осями не менее 60 x 140 мм.
Конкретные значения размера рабочего поля и диапазон его изменения (для регулируемых светильников с измененным размером рабочего поля) устанавливают в ТД на светильники конкретного типа.
Смотровые светильники должны быть диаметром рабочего поля от 100 до 200 мм.
В светильниках, предназначенных для оториноларингологии, проктологии, осмотра ожогов и т.д. размер рабочего поля допускается устанавливать в ТД на светильники конкретного типа.
Границами рабочего поля считается кривая, где освещенность составляет 0,2 измеренной методами 6.3.1 центральной освещенности.
Светотехническая схема светильника должна быть спроектирована таким образом, чтобы наложение (или совмещение) световых пятен от нескольких источников света образовывало целостное световое пятно без дополнительных приспособлений (или формировалось в автоматическом режиме). Целостность и однородность светового пятна должны сохраняться при изменении положения блока освещения.
5.5 Общая освещенность (полная облученность) Ee должна быть не более 1000 Вт/м2.
Примечание - При применении осветительных систем, состоящих из двух и более блоков освещения, освещенность может превышать 1000 Вт/м2 вследствие наложения световых полей нескольких блоков освещения. Соответствующая информация должна быть указана в инструкции по эксплуатации, так как существует риск излучения слишком большого тепла в операционном поле.
5.6 Удельная облученность рабочего поля, создаваемая светильниками, должна быть не более 6,0 мВт/(м2·лк).
5.7 Диаметр светового поля и распределение света
Минимальный диаметр d50, где освещенность достигает 50% центральной освещенности (диаметр светового пятна при 50%), должен составлять не менее 50% диаметра светового поля d10 (диаметр светового пятна при 10%).
Для смотровых светильников значение не указывают.
Примечание - Освещенность рабочего поля должна быть равномерной (включая края), с плавным убыванием от центра к краям.
Распределение света показано на рисунке 1.
Примечание - d50 >= 0,5·d10.
Рисунок 1 - Распределение света
5.8 Глубина освещения должна быть не менее 400 мм.
Для смотровых светильников измерение не проводят.
5.9 Теневое разбавление (остаточная освещенность)
Данные о процентном отношении остаточной освещенности должны быть указаны в эксплуатационной документации.
Для хирургических светильников должны быть указаны значения остаточной освещенности для следующих случаев препятствий на пути светового луча:
- одна маска;
- две маски;
- в донной части трубки (внутри);
- в донной части трубки с одной маской;
- в донной части трубки с двумя масками.
Для смотровых светильников измерение не проводят.
5.10 Цветовая температура
3000 К <= Tc <= 6700 К - для светильников с регулируемой цветовой температурой, (4500 +/- 500) К - для светильников без регулировки цветовой температуры.
Примечание - Для стоматологических светильников должно быть предусмотрено переключение на режим работы с полимеризующимися материалами с цветовой температурой (3500 +/- 500) К.
5.11 Индекс цветопередачи Ra должен быть 85 <= Ra <= 100.
5.12 Индекс передачи красного цвета R9 должен быть 90 <= R9 <= 100.
5.13 Требования к конструкции
5.13.1 Требования к органам управления - по ГОСТ 12.2.007.0 и ГОСТ IEC 60601-1.
5.13.2 Конструкция светильников должна обеспечивать надежное крепление съемных частей.
5.13.3 Конструкция шарниров должна обеспечивать приданное блоку освещения положение без дополнительных фиксирующих приспособлений.
5.13.4 Вращение блоков освещения вокруг обеих вертикальных осей механической системы подвеса стационарных светильников не должно быть ограничено стопорами и должно обеспечиваться скользящими токопроводящими контактами.
5.13.5 Сателлитные блоки освещения стационарных светильников должны иметь возможность перемещения при вертикальном положении светового отверстия до высоты операционного стола. При этом на уровне плоскости операционного стола должен находиться центр блока освещения.
5.13.6 Стерилизуемые органы управления (ручки) светильников должны быть съемными. Установку и снятие ручек необходимо осуществлять без применения инструмента.
5.13.7 Узел крепления стационарных светильников должен выдерживать в течение 1 ч статическую нагрузку, равную пятикратной массе светильника.
5.13.8 Обозначения, надписи и цифры на деталях светильников должны быть четкими.
5.13.9 Металлические и неметаллические неорганические покрытия должны быть выполнены по ГОСТ 9.301 и ГОСТ 9.306 для групп условий эксплуатации по ГОСТ 9.303: с учетом установленного изготовителем вида климатического исполнения по ГОСТ 15150.
5.13.10 Лакокрасочные покрытия наружных поверхностей светильников должны быть выполнены по ГОСТ 9.032 и ГОСТ 9.401 для групп условий эксплуатации по ГОСТ 9.104 с учетом установленного изготовителем вида климатического исполнения по ГОСТ 15150.
Покрытия наружных поверхностей светильников - не ниже класса III.
Покрытия основания передвижных светильников - не ниже класса IV.
5.13.11 Светильники должны быть изготовлены из биологически безопасных материалов.
5.13.12 Светильники при эксплуатации должны быть устойчивы к воздействию климатических факторов по ГОСТ 15150 в соответствии с установленным изготовителем видом климатического исполнения. Допускается по требованию заказчика устанавливать иные климатические исполнения.
5.13.13 Светильники при транспортировании должны быть исправны после воздействия климатических факторов по ГОСТ 15150 по условиям хранения 5. При хранении светильники должны быть устойчивы к воздействию климатических факторов по ГОСТ 15150 для условий хранения 1.
5.13.14 Передвижные светильники при эксплуатации должны быть устойчивы к механическим воздействиям в соответствии с требованиями ГОСТ 20790 для группы 2.
5.13.15 Светильники должны быть исправны после механических воздействий при транспортировании в соответствии с требованиями ГОСТ 20790.
5.13.16 Средняя наработка на отказ должна быть не менее 5000 ч.
Критерием отказа считают несоответствие светильника требованиям 5.3, 5.5, 5.13.2, 5.13.3, 5.13.6, 5.14, 5.15.3, 5.15.4.
Выход из строя источника света и интерференционных отражателей светильника отказом не является.
5.13.17 Средний срок службы светильника должен быть не менее восьми лет с учетом возможной замены источников света.
Критерием предельного состояния является несоответствие требованиям 5.3, 5.13.3, 5.13.7, 5.13.10, 5.15.3.
5.13.18 По степени защиты от попадания пыли, твердых частиц и влаги светильник должен быть выполнен по классу IP43 по ГОСТ 14254.
5.13.19 Корпус блока освещения должен быть спроектирован таким образом, чтобы исключить возможность загрязнения поверхности стекла, плат и прочих элементов с внутренней стороны корпуса, тем самым обеспечить процесс очистки и дезинфекции без необходимости демонтажа каких-либо частей блока освещения (кроме съемных стерилизуемых ручек).
5.13.19.1 Наружные поверхности светильников должны быть устойчивы к дезинфекции растворами и методами, предусмотренными в ТД на светильники конкретного типа.
5.13.19.2 Съемные стерилизуемые ручки светильников должны быть устойчивы к стерилизации. Методы, средства и режимы стерилизации устанавливают в ТД на светильники конкретного типа.
5.14 Электротехнические требования
Светильники должны быть изготовлены для электропитания от внешнего источника (сети) переменного тока частотой 50 Гц и напряжения 230 В при отклонениях напряжения до +/- 10% номинального значения. Допускается по согласованию с заказчиком устанавливать другие напряжения электропитания.
5.15 Требования безопасности
5.15.1 По безопасности светильники должны соответствовать требованиям ГОСТ IEC 60601-1, а также частных стандартов, действующих на территории государства, принявшего настоящий стандарт.
5.15.2 По электромагнитной совместимости светильники должны соответствовать требованиям ГОСТ 30324.1.2 или стандартов, действующих на территории государства, принявшего настоящий стандарт.
5.15.3 По электробезопасности светильники должны быть выполнены по степени защиты рабочей части по крайней мере типа B по ГОСТ IEC 60601-1. Класс защиты от поражения электрическим током должен быть установлен в ТД на светильники конкретного типа.
5.15.4 Температура внешних поверхностей светильника, доступных для касания при нормальной эксплуатации, приведена в таблице 2.
Таблица 2
Светильник и его части
Максимальная температура, °C
Материал
Металл
Стекло, фарфор, стекловидные материалы
Литой материал, пластмасса, резина, древесина
Внешние поверхности светильника, доступные для касания
для поверхностей корпусов
74
80
86
для органов управления
51
56
60
5.16 В случае прерывания электропитания основные хирургические светильники и хирургические осветительные системы должны:
- автоматически переключаться на дополнительные источники питания аварийных устройств;
- во время работы по назначению не более чем за 5 с восстанавливать центральную освещенность не менее чем 40 000 лк и не менее 50% центральной освещенности перед прерыванием;
- восстанавливать не менее 95% от начальной освещенности за время менее 40 с.
Требование не распространяется на вспомогательные хирургические светильники.
5.17 Требования к маркировке - по ГОСТ IEC 60601-1.
5.18 Требования к упаковке - по ГОСТ 20790.
Требования должны быть отражены в ТД на светильники конкретного типа.
5.19 Передвижные светильники при нормальной эксплуатации не должны опрокидываться при наклоне на 10°. Если изделие опрокидывается при наклоне его на угол 10°, то оно должно удовлетворять следующим требованиям:
- изделие не должно опрокидываться при наклоне его на угол 5° в любом положении при нормальной эксплуатации, исключая транспортирование <1>;
- на изделии должна быть предупреждающая надпись о допустимости транспортирования только в определенном положении, которое должно быть четко указано в инструкции по эксплуатации или иллюстрировано на самом изделии;
- в положении, предусмотренном для транспортирования, изделие не должно терять равновесия при наклоне на угол 10°.
--------------------------------
<1> Передвижение в пределах медицинской организации.
5.20 Требования к эксплуатационной документации - по ГОСТ IEC 60601-1.
5.21 В эксплуатационной документации на передвижные светильники при эксплуатации в помещении должны быть указаны правила, исключающие воспламенение частями светильника (нагретая колба лампы, сетевой выключатель и др.) взрывоопасных смесей в зонах Г и М по ГОСТ 23986.
6 Методы испытаний
6.1 Испытания светильников следует проводить методами, установленными в настоящем стандарте и ТД на светильники конкретного типа.
Перед проведением испытаний следует подготовить светильник в соответствии с указаниями в эксплуатационной документации.
6.2 Измерение рабочего расстояния светильников (см. 5.2) следует проводить с помощью средств измерений линейных размеров с пределами допустимой относительной погрешности +/- 2% по оптической оси светильника (блока светильника, если светильник состоит из нескольких блоков) от его светоизлучающей поверхности до измерительной плоскости. При измерении рабочего расстояния следует учитывать высоту устанавливаемых на измерительной плоскости измерительных средств (рабочее расстояние должно быть соответственно увеличено). Точку отсчета от светильников до измерительной плоскости устанавливают в ТД на светильники конкретного типа.
6.3 Проверку центральной освещенности и размера рабочего поля (см. 5.3, 5.4) следует проводить с помощью люксметра с пределами допустимой относительной погрешности +/- 10%, калиброванного вместе с диафрагмой или люксметра с приемной площадкой диаметром не более 20 мм (далее - люксметр), средств измерений линейных размеров с пределами допустимой относительной погрешности +/- 2% и измерительной плоскости, представляющей собой плоский шаблон, на котором обозначены окружность диаметра, равного нормируемому размеру рабочего поля, и центр этой окружности.
6.3.1 Проверку центральной освещенности светильников (кроме стоматологических) следует проводить с помощью измерительной плоскости, представляющей собой плоский шаблон, на котором обозначены окружность диаметра, равного нормируемому размеру рабочего поля, и центр этой окружности. При испытаниях светильник (блок освещения) устанавливают относительно измерительной плоскости на рабочем расстоянии так, чтобы его оптическая ось была перпендикулярна к измерительной плоскости и проходила через центр окружности шаблона.
Контроль центральной освещенности и размер рабочего поля регулируемых светильников следует проводить при крайних значениях регулируемых диапазонов рабочего расстояния и/или освещенности.
Контроль центральной освещенности проводят для каждого блока отдельно.
Проверку центральной освещенности (см. 5.3) следует проводить измерением освещенности в центре окружности шаблона. Результаты испытаний считают положительными, если измеренная центральная освещенность находится в пределах, указанных изготовителем для светильника конкретного типа (освещенность светильников с двумя или более блоками освещения определяют по сумме освещенностей от каждого блока). При этом значение центральной освещенности каждого блока отдельно находится в пределах установленного изготовителем диапазона.
Измерение размера рабочего поля светильников с двумя или более блоками освещения следует проводить измерением для каждого блока отдельно.
Для увеличения рабочего поля светильников с тремя и более блоками освещения оптические оси блоков могут располагаться под углом нормали измерительной плоскости. Методы проверки рабочего поля устанавливают в ТД на светильники конкретного типа.
Проверку размера рабочего поля (см. 5.4) следует проводить измерением освещенности по окружности шаблона с шагом 45° (см. рисунки 2 и 3). Результаты испытаний считают положительными, если освещенность по окружности шаблона составляет не менее 0,2 освещенности в центре окружности.
Рисунок 2
Примечание - dср = (d1 + d2 + d3 + d4)/4.
Рисунок 3 - Измерение диаметра светового поля и диаметра
при 50% центральной освещенности
6.3.2 Проверку центральной освещенности и размера рабочего поля стоматологических светильников (см. 5.3, 5.4) следует проводить с помощью измерительной плоскости, представляющей собой плоский шаблон (см. рисунок 2), на котором обозначены эллипс с осями 60 x 140 мм и прямая АБ, имитирующие минимальное рабочее поле и уровень глаз пациента соответственно.
При испытаниях светильник устанавливают относительно измерительной плоскости на рабочем расстоянии так, чтобы его оптическая ось была перпендикулярна к измерительной плоскости и проходила через центр эллипса O, а прямая АБ имитировала положение глаз пациента.
Проверку размеров рабочего поля и освещенности в центре рабочего поля проводят контролем освещенности по периметру эллипса и в его центре люксметром по 6.3.
Освещенность определяют в точках на осях эллипса (1 - 8), а также на прямой между точками А и Б.
Результат испытания считают удовлетворительным, если освещенность в точках на осях эллипса не менее 5000 лк, на прямой АБ - не более 1000 лк, а освещенность в центре - не менее 28 000 лк.
6.4 Общую освещенность (полную облученность) Ee (см. 5.5) определяют в центре рабочего поля радиометром на расстоянии 1000 мм от блока освещения или другом расстоянии, указанном изготовителем. Спектральная чувствительность радиометра должна быть совместима с областью длины волны от 300 до 2500 нм. Если блоков два и более, то значение вычисляют расчетным методом (складывая измеренные значения) или определяют измерением (оптические оси блоков могут располагаться под углом нормали измерительной плоскости). Методы проверки рабочего поля устанавливают в ТД на светильники конкретного типа.
6.5 Удельную облученность рабочего поля (см. 5.6) определяют, как отношение значения измеренной в соответствии с 6.4 полной облученности к значению измеренной в соответствии с 6.3 освещенности в центре рабочего поля на рабочем расстоянии.
6.6 Диаметр светового поля и распределение света (5.7)
Среднее для значений d10 определяют по результатам измерений в четырех поперечных сечениях (P1-P'1, P2-P'2, P3-P'3, P4-P'4) через центр светового поля (см. рисунок 3).
Среднее для значений d50, где освещенность достигает 50% центральной освещенности, определяют по результатам измерений в четырех поперечных сечениях через центр светового поля (см. рисунок 3).
Светильник соответствует требованию 5.7, если диаметр d50 составляет не менее 50% диаметра d10.
6.7 Глубина освещения (5.8)
Блок освещения устанавливают на расстоянии 1000 мм от измерительной поверхности (или на заданное рабочее расстояние, расстояние контролируют при помощи измерительной рулетки), на которой измеряют центральную освещенность так, чтобы оптическая ось располагалась вертикально. Из этого положения головку фотометра используемого средства измерений (например, люксметр) перемещают вверх и вниз вдоль вертикальной линии, проходящей через центр светового поля, до тех пор, пока освещенность не достигнет 60% предыдущей центральной освещенности. Расстояние между верхней и нижней точками измерений дает глубину освещения (см. рисунок 4).
Примечания
1 Глубина освещения = L1 + L2.
2 При наличии нескольких отдельных световых блоков измерение проводят для каждого.
3 Допускаемое отклонение расстояния +/- 1 мм.
Рисунок 4 - Измерение глубины освещения
6.8 Теневое разбавление (остаточная освещенность) (5.9)
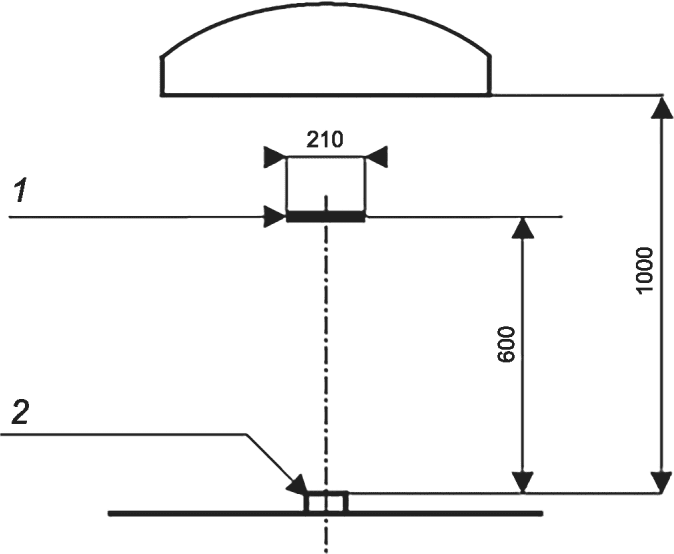
6.8.1 Измерение остаточной освещенности проводят в центре светового поля с одной маской, установленной перпендикулярно оптической оси светильника (см. рисунок 5).
Примечания
1 Маска - матовый черный круглый диск диаметром 210 мм.
2 Допускаемое отклонение расстояния +/- 1 мм.
1 - маска; 2 - головка фотометра
Рисунок 5 - Измерение освещенности с одной маской
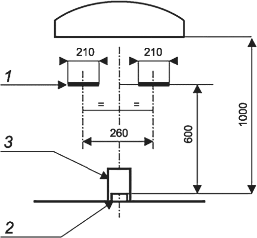
6.8.2 Испытание на остаточную освещенность с двумя масками проводят без какого-либо перемещения блока освещения и головки фотометра используемого средства измерений (например, люксметр). Маски располагают симметрично относительно оптической оси светильника (блока освещения), согласно рисункам 6 и 7. Рассчитывают среднее результатов четырех измерений центральной освещенности, проведенных в центре светового поля с двумя масками в четырех последовательных позициях, отстоящих друг от друга на 45° (см. рисунки 6, 7).
Примечания
1 Маска - матовый черный круглый диск диаметром 210 мм.
2 Допускаемое отклонение расстояния +/- 1 мм.
1 - маска; 2 - головка фотометра
Рисунок 6 - Измерение освещенности с двумя масками
а) Позиция 1
б) Позиция 2
в) Позиция 3
г) Позиция 4
1 - маска; 2 - светильник; 3 - ЦСП
Рисунок 7 - Измерение освещенности при четырех различных
позициях двух масок
Среднее арифметическое результатов указанных измерений представляют как процентное отношение к центральной освещенности. Значение должно быть не менее указанного в эксплуатационной документации изготовителя.
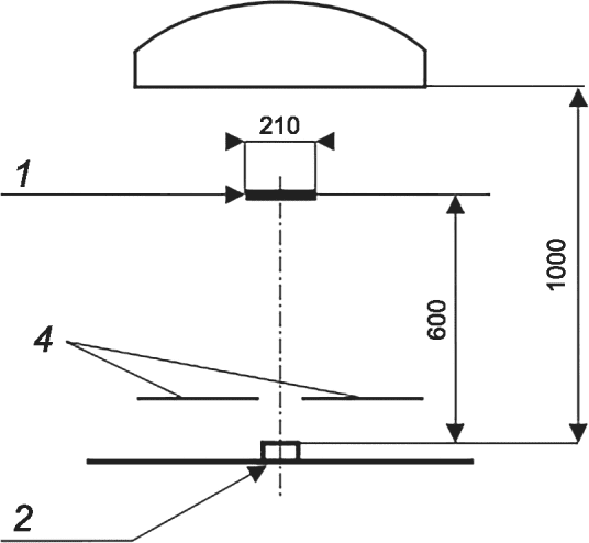
6.8.3 Испытание на остаточную освещенность проводят с помощью поглощающей полости (см. рисунок 8) или имитатора поглощающей полости (см. рисунок 10).
Примечание - Поглощающая полость представляет собой трубку. Головка фотометра используемого средства измерений (например, люксметр) расположена внутри трубки, в центре светового поля. Внутренняя поверхность трубки должна быть матовой и текстурированной во избежание отражений рассеивания. Пример такой поверхности приведен на рисунке 9. Диаметр рабочей области головки фотометра - от 10 до 20 мм.
1 - головка фотометра
Рисунок 8 - Поглощающая полость для измерения освещенности
Рисунок 9 - Деталь внутренней поверхности трубки (пример)
Примечание - Поглощающая полость моделируется с помощью непрозрачной пластины с одним отверстием диаметром 50 мм. Пластина расположена на высоте 75 мм от верхней поверхности головки фотометра и концентрична с ней. Головка фотометра используемого средства измерений (например, люксметр) расположена в центре светового поля. Любые вертикальные опоры, используемые для крепления пластины, должны находиться на расстоянии более 200 мм от головки фотометра в радиальном направлении. Нижняя сторона пластины и вертикальные опоры должны иметь матовую черную поверхность, чтобы минимизировать рассеивание света.
1 - головка фотометра
Рисунок 10 - Имитатор поглощающей полости
для измерения освещенности
Остаточную освещенность представляют как процентное отношение к центральной освещенности. Значение должно быть не менее указанного в эксплуатационной документации изготовителя.
6.8.4 Испытание на остаточную освещенность с поглощающей полостью или имитатором поглощающей полости и одной маской
Те же условия, что и в 6.8.3, но с добавлением одной маски (см. рисунок 11).
а)
б)
Примечания
1 Маска - матовый черный круглый диск диаметром 210 мм.
2 Допускаемое отклонение расстояния +/- 1 мм.
1 - маска; 2 - головка фотометра; 3 - поглощающая полость
(см. рисунок 8); 4 - имитатор поглощающей полости
(см. рисунок 10)
Рисунок 11 - Измерение освещенности в поглощающей
полости/имитаторе поглощающей полости с одной маской
Остаточную освещенность представляют как процентное отношение к центральной освещенности. Значение должно быть не менее указанного в эксплуатационной документации изготовителя.
6.8.5 Испытание на остаточную освещенность с поглощающей полостью или имитатором поглощающей полости и двумя масками
Те же условия, что и в 6.8.3, но с добавлением двух масок (см. рисунок 12).
а)
б)
Примечания
1 Маска - матовый черный круглый диск диаметром 210 мм.
2 Допускаемое отклонение расстояния - +/- 1 мм.
1 - маска; 2 - головка фотометра; 3 - поглощающая полость
(см. рисунок 8); 4 - имитатор поглощающей полости
(см. рисунок 10)
Рисунок 12 - Измерение освещенности в донной части
поглощающей полости/имитатора поглощающей полости
с двумя масками
Испытание на остаточную освещенность с двумя масками проводят без какого-либо перемещения блока освещения и головки фотометра, используемого средства измерений (например, люксметр). Маски располагают симметрично относительно оптической оси светильника (блока освещения), согласно рисункам 12 и 13. Рассчитывают среднее результатов четырех измерений центральной освещенности, проведенных в центре светового поля с двумя масками в четырех последовательных позициях, отстоящих друг от друга на 45° (см. рисунки 12, 13).
а) Позиция 1
б) Позиция 2
в) Позиция 3
г) Позиция 4
1 - маска; 2 - светильник; 3 - поглощающая полость
или имитатор поглощающей полости
Рисунок 13 - Измерение освещенности в донной части
поглощающей полости/имитатора поглощающей полости
при четырех различных позициях двух масок
Среднее арифметическое результатов указанных измерений представляют как процентное отношение к центральной освещенности. Значение должно быть не менее указанного в эксплуатационной документации изготовителя.
6.9 Спектральные измерения (см. 5.10) проводят с помощью спектроколориметра, имеющего чувствительную зону диаметром не более 30 мм. Блок освещения устанавливают на расстоянии 1000 мм от поверхности (или на заданное рабочее расстояние), на которой измеряли центральную освещенность, или по методу, установленному в ТД на светильник конкретного типа.
Проверку индекса цветопередачи (см. 5.11, 5.12) проводят по документам изготовителя (паспорт на источник излучения).
6.10 Наличие надписей или символов и цвет органов управления (см. 5.13.1, 5.13.8) проверяют визуально. Методы проверки других требований к органам управления устанавливают в ТД на светильники конкретного типа.
6.11 Испытания надежности крепления съемных частей (см. 5.13.2) следует проводить путем приложения к узлу крепления съемной части статической нагрузки, равной четырехкратной массе съемной части в течение 1 ч. При этом выпадение съемных частей не допускается. В качестве статической нагрузки допускается использовать любые калиброванные грузы. Длительность контролируют при помощи секундомера любого класса точности.
6.12 Проверку заданного положения светильника (см. 5.13.3 - 5.13.5) следует проводить методом опробования для всех возможных рабочих положений, определенных изготовителем, но не менее чем для трех, включая крайние и одно из промежуточных. После установки положение светильника должно оставаться неизменным до следующей регулировки.
6.13 Проверку установки и съема стерилизуемых ручек (см. 5.13.6) следует осуществлять пробным проведением этих операций одним человеком, при этом операцию установки следует проводить без необходимости касания к нестерилизуемым частям светильника.
6.14 Проверку узла крепления светильника (см. 5.13.7) проводят при указанной статической нагрузке в течение 1 ч.
Результаты испытаний считают положительными, если по окончании испытаний не отмечено визуально повреждений или остаточных деформаций узла крепления.
6.15 Проверку обозначений, надписей и цифр (см. 5.13.8) следует проводить визуально в соответствии с ГОСТ IEC 60601-1.
6.16 Металлические и неметаллические неорганические покрытия (см. 5.13.9) проверяют по ГОСТ 9.302.
6.17 Проверку лакокрасочных покрытий (см. 5.13.10) выполняют по ГОСТ 9.032.
6.18 Оценку биологического действия (см. 5.13.11) проводят по применимым стандартам серии ГОСТ ISO 10993.
6.19 Климатические испытания и испытания на механическую устойчивость светильников (см. 5.13.12 - 5.13.15) проводят по ГОСТ 20790.
6.20 Испытания на защищенность светильника от пыли и влаги (см. 5.13.18) проводят по ГОСТ 14254.
6.21 Проверку устойчивости к дезинфекции (см. 5.13.19.1) следует осуществлять ее пятикратным проведением агентами и методами, указанными в ТД на светильники конкретного типа. Результаты испытаний считают положительными, если после их проведения внешний вид наружных поверхностей не изменился и соответствует требованиям 5.13.9, 5.13.10.
6.22 Проверку устойчивости к стерилизации (см. 5.13.19.2) следует осуществлять ее пятикратным проведением агентами и методами, указанными в ТД на светильники конкретного типа. Результаты испытаний считают положительными при соответствии светильников требованиям 5.13.9, 5.13.10.
6.23 Работоспособность при отклонениях напряжения питания и частоты переменного тока (см. 5.14) должна быть проверена при помощи соответствующих регулируемых источников питания или преобразователей. Погрешность регулирования не должна превышать 30% допускаемого отклонения напряжения и частоты переменного тока. Для изделий, потребляемая мощность которых более 5 кВт, порядок проведения испытаний должен быть указан в ТД на светильники конкретных видов. Проверку работоспособности при отклонениях частоты переменного тока проводят только на светильниках, для которых изготовитель установил, что характеристики изменяются при отклонениях частоты от номинального значения; методы испытаний должны быть приведены в ТД на эти светильники.
6.24 Безопасность светильников (см. 5.15.1) проверяют по ГОСТ IEC 60601-1, а также частным стандартам, действующим на территории государства, принявшего настоящий стандарт.
6.25 Электромагнитную совместимость светильников (см. 5.15.2) проверяют по ГОСТ 30324.1.2 или стандартам, действующим на территории государства, принявшего настоящий стандарт.
6.26 Степень защиты светильника по электробезопасности (см. 5.15.3) проверяют по ГОСТ IEC 60601-1.
6.27 Проверку температуры нагрева доступных частей светильника (см. 5.15.4) проводят при нормальном напряжении питания после нахождения светильников в работающем состоянии не менее 2 ч.
Средства и методы измерения температуры указывают в ТД на светильники конкретного типа. Погрешность измерения температуры не должна превышать +/- 3 °C. Максимальную температуру нагрева tмакс, °C, рассчитывают по формуле
tмакс = tизм + (tв - tокр), (1)
где tизм - температура, измеренная на доступных для прикасания наружных частях изделия;
tв - верхнее значение номинальной температуры при эксплуатации для установленного изготовителем вида климатического исполнения;
tокр - температура помещения (окружающей среды), в котором проводят измерение.
6.28 Проверку требований 5.16 проводят путем прерывания и восстановления питания.
6.29 Проверку маркировки (см. 5.17) проводят по ГОСТ IEC 60601-1.
6.30 Проверку упаковки (см. 5.18) проводят внешним осмотром и сличением с документацией.
6.31 Проверку изделий на устойчивость (см. 5.19) проводят следующим образом.
6.31.1 К изделию должны быть присоединены все соединительные провода: шнур питания и межблочные шнуры. На изделии должны быть установлены в наименее благоприятной комбинации сменные части и принадлежности. Изделие с приборной вилкой должно быть снабжено придаваемым съемным шнуром питания. Соединительные провода должны быть размещены на наклонной плоскости в самом неблагоприятном положении с точки зрения устойчивости изделия.
6.31.2 Если не указано специальное положение с повышенной стабильностью при транспортировании, то изделие устанавливают во все положения, имеющие место при нормальной эксплуатации, на плоскости, наклоненной под углом 10° к горизонтальной плоскости.
Колеса светильников должны быть закреплены в наиболее неблагоприятном положении.
6.31.3 Если на изделии указано специальное положение с повышенной стабильностью для транспортирования, то изделие следует испытывать согласно 6.31.2, но только в указанном положении на плоскости, наклоненной под углом 10°. Кроме того, такие изделия следует испытывать в любом положении, имеющем место при нормальной эксплуатации, согласно данному пункту, но при угле наклона, ограниченном 5°.
6.32 Проверку требований к эксплуатационной документации (см. 5.20) проводят по ГОСТ IEC 60601-1.
6.33 Проверку требований 5.21 осуществляют изучением эксплуатационной документации на светильники конкретного типа.
Приложение А
(справочное)
СИСТЕМА УСЛОВНЫХ ОБОЗНАЧЕНИЙ МЕДИЦИНСКИХ СВЕТИЛЬНИКОВ
А.1 В условное обозначение светильников должно входить:
- наименование светильника;
- условное обозначение типа светильника;
- обозначение ТД на светильник (для экспорта допускается не указывать);
- специальные обозначения (при наличии).
А.2 Наименование светильника должно состоять из слов "Светильник операционный (хирургический)", "Светильник стоматологический", "Светильник гинекологический", "Светильник смотровой".
А.3 Условное обозначение типа светильника должно последовательно включать обозначения:
- возможность транспортирования светильника при эксплуатации;
- регулирование светотехнических характеристик светильника (только для регулируемых светильников);
- наличие специальных дополнительных устройств (источника аварийного электропитания, теле-, кино-, фотоаппаратуры и т.п.);
- номера модели (первая модель не нумеруется).
А.4 Специальные обозначения должны указывать:
- климатическое исполнение светильника или его условное обозначение;
- характеристику исполнения светильника, например "Для экспорта", "Для экспорта, 50 Гц" и др.
Специальные обозначения указывают в круглых скобках.
Примечание - Присвоение условных обозначений проводит изготовитель.
УДК 628.977.4:006.354
МКС 11.140
Ключевые слова: медицинские светильники, классификация, требования, испытания, обозначение