Главная // Актуальные документы // Актуальные документы (обновление с 03.11.2025 по 29.11.2025) // ГОСТ (Государственный стандарт)СПРАВКА
Источник публикации
М.: ФГБУ "Институт стандартизации", 2025
Примечание к документу
Документ
вводится в действие с 01.09.2026 с правом досрочного применения.
Название документа
"ГОСТ IEC 61010-031-2025. Межгосударственный стандарт. Требования безопасности для электрического оборудования для измерений, управления и лабораторного применения. Часть 031. Требования безопасности к ручным и управляемым вручную сборкам щупов для электрических испытаний и измерений"
(введен в действие Приказом Росстандарта от 29.08.2025 N 963-ст)
"ГОСТ IEC 61010-031-2025. Межгосударственный стандарт. Требования безопасности для электрического оборудования для измерений, управления и лабораторного применения. Часть 031. Требования безопасности к ручным и управляемым вручную сборкам щупов для электрических испытаний и измерений"
(введен в действие Приказом Росстандарта от 29.08.2025 N 963-ст)
по техническому регулированию
и метрологии
от 29 августа 2025 г. N 963-ст
МЕЖГОСУДАРСТВЕННЫЙ СТАНДАРТ
ТРЕБОВАНИЯ БЕЗОПАСНОСТИ ДЛЯ ЭЛЕКТРИЧЕСКОГО ОБОРУДОВАНИЯ
ДЛЯ ИЗМЕРЕНИЙ, УПРАВЛЕНИЯ И ЛАБОРАТОРНОГО ПРИМЕНЕНИЯ
ЧАСТЬ 031
ТРЕБОВАНИЯ БЕЗОПАСНОСТИ К РУЧНЫМ И УПРАВЛЯЕМЫМ ВРУЧНУЮ
СБОРКАМ ЩУПОВ ДЛЯ ЭЛЕКТРИЧЕСКИХ ИСПЫТАНИЙ И ИЗМЕРЕНИЙ
Safety requirements for electrical equipment
for measurement, control, and laboratory use. Part 031.
Safety requirements for hand-held and hand-manipulated
probe assemblies for electrical test and measurement
(IEC 61010-031:2022, IDT)
ГОСТ IEC 61010-031-2025
Дата введения
1 сентября 2026 года
с правом досрочного применения
Цели, основные принципы и общие правила проведения работ по межгосударственной стандартизации установлены
ГОСТ 1.0 "Межгосударственная система стандартизации. Основные положения" и
ГОСТ 1.2 "Межгосударственная система стандартизации. Стандарты межгосударственные, правила и рекомендации по межгосударственной стандартизации. Правила разработки, принятия, обновления и отмены"
1 ПОДГОТОВЛЕН Обществом с ограниченной ответственностью Научно-методический центр "Электромагнитная совместимость" (ООО "НМЦ ЭМС") на основе собственного перевода на русский язык англоязычной версии стандарта, указанного в
пункте 5
2 ВНЕСЕН Федеральным агентством по техническому регулированию и метрологии
3 ПРИНЯТ Межгосударственным советом по стандартизации, метрологии и сертификации (протокол от 29 августа 2025 г. N 188-П)
За принятие проголосовали:
Краткое наименование страны по МК (ИСО 3166) 004-97 | Код страны по МК (ИСО 3166) 004-97 | Сокращенное наименование национального органа по стандартизации |
Армения | AM | ЗАО "Национальный орган по стандартизации и метрологии" Республики Армения |
Беларусь | BY | Госстандарт Республики Беларусь |
Киргизия | KG | Кыргызстандарт |
Россия | RU | Росстандарт |
Узбекистан | UZ | Узбекское агентство по техническому регулированию |
4
Приказом Федерального агентства по техническому регулированию и метрологии от 29 августа 2025 г. N 963-ст межгосударственный стандарт ГОСТ IEC 61010-031-2025 введен в действие в качестве национального стандарта Российской Федерации с 1 сентября 2026 г. с правом досрочного применения
5 Настоящий стандарт идентичен международному стандарту IEC 61010-031:2022 "Требования безопасности для электрического оборудования для измерений, управления и лабораторного применения. Часть 031. Требования безопасности к ручным и управляемым вручную сборкам щупов для электрических испытаний и измерений" ("Safety requirements for electrical equipment for measurement, control and laboratory use - Part 031: Safety requirements for hand-held and hand-manipulated probe assemblies for electrical test and measurement", IDT).
Международный стандарт разработан Техническим комитетом TC 66 "Безопасность измерительного, контрольного и лабораторного оборудования" Международной электротехнической комиссии (IEC).
При применении настоящего стандарта рекомендуется использовать вместо ссылочных международных стандартов соответствующие им межгосударственные стандарты, сведения о которых приведены в дополнительном
приложении ДА
Информация о введении в действие (прекращении действия) настоящего стандарта и изменений к нему на территории указанных выше государств публикуется в указателях национальных стандартов, издаваемых в этих государствах, а также в сети Интернет на сайтах соответствующих национальных органов по стандартизации.
В случае пересмотра, изменения или отмены настоящего стандарта соответствующая информация будет опубликована на официальном интернет-сайте Межгосударственного совета по стандартизации, метрологии и сертификации в каталоге "Межгосударственные стандарты"
1) Международная электротехническая комиссия (IEC), состоящая из национальных электротехнических комитетов (национальные комитеты IEC), является всемирной организацией по стандартизации. Деятельность IEC направлена на укрепление международного сотрудничества по всем вопросам стандартизации в области электроники и электротехники. С этой целью, помимо другой своей деятельности, IEC публикует международные стандарты, технические спецификации, технические отчеты, общедоступные спецификации и рекомендации (далее именуемые "публикации IEC"). Подготовка публикаций поручена техническим комитетам. Любой национальный комитет IEC, заинтересованный рассматриваемой темой, может участвовать в этих подготовительных работах. Международные, правительственные и неправительственные организации, взаимодействующие с IEC, также участвуют в этой подготовке. IEC работает в тесном сотрудничестве с Международной организацией по стандартизации (ISO) согласно условиям соглашения, подписанного между двумя организациями.
2) Формальные решения или соглашения IEC означают выражение положительного решения технических вопросов, практически международный консенсус в соответствующих областях, так как у каждого технического комитета есть представители от всех заинтересованных национальных комитетов IEC.
3) Публикации IEC имеют форму рекомендаций для международного использования и принимаются национальными комитетами IEC в этом качестве. Приложены максимальные усилия для того, чтобы гарантировать правильность технического содержания публикации IEC, однако IEC не может отвечать за порядок их использования или за любое неверное толкование любым конечным пользователем.
4) Чтобы способствовать международной гармонизации, национальные комитеты IEC обязуются применять публикации IEC в их национальных и региональных публикациях с максимальной степенью приближения к исходной. Любое расхождение между любой публикацией IEC и соответствующей национальной или региональной публикацией должно быть четко обозначено в последней.
5) IEC не обеспечивает процедуры маркировки знаком одобрения и не берет на себя ответственность за любое оборудование, о котором заявляют, что оно соответствует публикации IEC.
6) Все пользователи должны быть уверены, что они используют последнее издание этой публикации.
7) IEC или его директора, служащие или агенты, включая отдельных экспертов и членов его технических комитетов и национальных комитетов IEC, не несут никакой ответственности и не отвечают за причиненные любые телесные повреждения, материальный ущерб или другое повреждение любой природы, как прямое, так и косвенное, или за затраты (включая юридические сборы) и расходы, возникающие при использовании настоящей или любой другой публикации IEC.
8) Обращаем внимание на нормативные ссылки, приведенные в настоящей публикации. Использование ссылочных публикаций является обязательным для правильного применения настоящей публикации.
9) Обращаем внимание на то, что имеется вероятность того, что некоторые из элементов настоящей публикации IEC могут быть предметом патентного права. IEC не несет ответственности за идентификацию любых таких патентных прав.
IEC 61010-031 был подготовлен техническим комитетом IEC TC 66 "Безопасность измерительного, контрольного и лабораторного оборудования". Он является международным стандартом.
Настоящий стандарт имеет статус групповой публикации по безопасности в соответствии с IEC GUIDE 104.
Настоящее третье издание отменяет и заменяет второе издание, опубликованное в 2015 и Поправку 1: 2018. IEC 61010-031 является самостоятельным стандартом.
Настоящее издание включает в себя следующие существенные технические изменения по сравнению с предыдущим изданием:
a) сокращена область распространения. Общая информация, указанная во втором издании, перенесена в новый
раздел 4. Соответствующим образом изменена нумерация разделов, приведенная во втором издании, начиная с
раздела 4 до
раздела 8. Исключен раздел 9 второго издания;
b) в
разделе 2 датированы нормативные ссылки и добавлены новые нормативные ссылки;
c) в
3.1.4 изменено определение НАКОНЕЧНИКА ЩУПА;
d) в
4.1 установлено, что отсутствуют различия между высоковольтными и низковольтными сборками щупов. Сборки щупов типа C были объединены со сборками щупов типа B;
e) в
4.1 d) перечень типов сборок щупов дополнен новым типом E - щупами "Кельвина" и новым
рисунком 5;
f) в
4.1 e) перечень типов сборок щупов дополнен новым типом F - щупами для измерения напряжения без электрического подключения к проводникам и новым
рисунком 6;
g) в
4.2.1 распространение огня больше не рассматривается как ОПАСНОСТЬ;
h) исключен подпункт 4.4.2.5 второго издания;
i) исключен подпункт 4.4.4.3 второго издания;
j) в
5.4.4.1 учтены ПРОМЕЖУТКИ и импеданс;
k) в
6.1.1 установлена возможность применения съемных частей НАКОНЕЧНИКОВ ЩУПОВ, на которых нанесена маркировка;
l) в
6.1.5 определено напряжение, которое должно быть указано в составе маркировки изделий с установленной КАТЕГОРИЕЙ ИЗМЕРЕНИЙ, представляющее собой напряжение переменного тока между линией и нейтралью или напряжение постоянного тока;
m) в
7.4.2 следующим образом изменены требования к несопряженным СОЕДИНИТЕЛЯМ:
2) определен метод расчета ЗАЗОРОВ СОЕДИНИТЕЛЕЙ для напряжений свыше 20 кВ;
3) ПУТИ УТЕЧКИ приведены в соответствие с ЗАЗОРАМИ;
n) в
7.4.3.1 и
7.4.3.5 добавлены требования к НАКОНЕЧНИКАМ ЩУПОВ типа IP2X с выдвижной втулкой;
o) в
7.4.3.2 установлена возможность применения НАКОНЕЧНИКОВ ЩУПОВ в бесконтактных сборках щупов;
q) в
7.6.2 исключена процедура предварительной обработки влажностью перед проведением испытания ЗАЗОРОВ напряжением;
r) предварительные процедуры для испытания на жесткость, указанные в разделе 10 второго издания, перенесены в
9.2;
s) исключен подраздел 11.1 второго издания;
t) в
13.2 добавлено исключение для сборок щупов типа E. Разрешается использование съемных частей НАКОНЕЧНИКОВ ЩУПОВ, содержащих маркировку;
w) добавлено
приложение H, рассматривающее напряжения линия - нейтраль для сетевых систем электроснабжения общего пользования.
Текст настоящего международного стандарта основан на следующих документах:
| Отчет о голосовании |
66/770/ FDIS | 66/771/ RVD |
Полная информация о голосовании по одобрению настоящего международного стандарта содержится в отчете о голосовании, указанном в вышеприведенной
таблице.
Языком, используемым при разработке настоящего международного стандарта, является английский.
Настоящий стандарт был подготовлен в соответствии с директивами ISO/IEC, часть 2 и разработан в соответствии с директивами ISO/IEC, часть 1, а также директивами ISO/IEC, дополнением к IEC, которые доступны на сайте по адресу www.iec.ch/members_experts/refdocs. Более подробное описание основных типов документов, разрабатываемых IEC, приведено на сайте www.iec.ch/publications.
Перечень всех частей серии IEC 61010 под общим наименованием "Требования безопасности для электрического оборудования для измерений, управления и лабораторного применения" приведен на веб-сайте IEC.
В настоящем стандарте используют следующие шрифтовые выделения:
- требования и определения - светлый прямой;
- примечания и примеры - светлый петит;
- соответствие и испытания - курсив;
- термины, используемые в настоящем стандарте, которые определены в
разделе 3, - прописной.
По решению комитета содержание настоящего стандарта останется без изменения до даты рассмотрения вопроса о пересмотре, указанной на веб-сайте IEC по адресу http://webstore.iec.ch в данных, относящихся к конкретному документу. После наступления этой даты стандарт может быть:
- подтвержден;
- отозван;
- заменен на пересмотренное издание или
- принят с поправками.
Настоящий стандарт устанавливает требования безопасности к ручным и управляемым вручную сборкам щупов для электрических испытаний и измерений, а также к принадлежностям, связанным с ними.
Настоящий стандарт распространяется на сборки щупов, предназначенные для бесконтактного или прямого электрического соединения частей оборудования с электрическим испытательным и измерительным оборудованием. Они могут быть встроены в оборудование или представлять собой съемные принадлежности к оборудованию.
Настоящая групповая публикация по безопасности, включающая основные требования безопасности, предназначена в первую очередь для использования в качестве стандарта безопасности продукции, входящей в область его применения, но также предназначена для использования техническими комитетами по стандартизации при подготовке публикаций для продукции, аналогичной той, которая входит в область применения настоящей групповой публикации по безопасности в соответствии с принципами, изложенными в руководствах IEC Guide 104 и ISO/IEC Guide 51.
Одной из обязанностей технического комитета по стандартизации является использование, где это применимо, базовых и/или групповых публикаций по безопасности при подготовке своих публикаций.
В настоящем стандарте использованы нормативные ссылки на следующие стандарты [для датированных ссылок применяется только указанное издание ссылочного стандарта, для недатированных - последнее издание ссылочного документа (включая все изменения к нему)]:
IEC 60027-1:1992, Letter symbols to be used in electrical technology - Part 1: General (Буквенные обозначения, используемые в электротехнике. Часть 1. Общие положения), включая AMD1 (1997); AMD2 (2005)
IEC 60027-2:2019, Letter symbols to be used in electrical technology - Part 2: Telecommunications and electronics (Буквенные обозначения, используемые в электротехнике. Часть 2. Телекоммуникации и электроника)
IEC 60027-4:2006, Letter symbols to be used in electrical technology - Part 4: Rotating electric machines (Буквенные обозначения, используемые в электротехнике. Часть 4. Электрические вращающиеся машины)
IEC 60529:1989, Degrees of protection provided by enclosures (IP Code) [Степени защиты, обеспечиваемые оболочками (IP-код)], включая AMD1(1999) и AMD2(2013) <1>
--------------------------------
<1> Действует совместно с IEC 60529:1989/AMD2:2013/COR1:2019.
IEC 61010-1:2010, Safety requirements for electrical equipment for measurement, control, and laboratory use - Part 1: General requirements (Требования безопасности для электрического оборудования для измерения, управления и лабораторного применения. Часть 1. Общие требования), включая AMD1(2016) <2>
--------------------------------
<2> Действует совместно с IEC 61010-1:2010/AMD1:2016/COR1:2019.
IEC 61180:2016, High-voltage test techniques for low-voltage equipment - Definitions, test and procedure requirements, test equipment (Методы высоковольтных испытаний для низковольтного оборудования. Определения, требования к испытаниям и процедурам, испытательное оборудование)
В настоящем стандарте применены следующие термины с соответствующими определениями (указатель терминов, которым даны определения приведен в
приложении I).
ISO и IEC поддерживают терминологические базы данных для использования в области стандартизации по следующим адресам:
- платформа ISO для онлайн-просмотра: доступна по адресу http://www.iso.org/obp
- Электропедия IEC: доступна по адресу http://www.electropedia.org/
3.1 Части и принадлежности
3.1.1
ВЫВОД; КЛЕММА (TERMINAL): Компонент, предназначенный для подключения устройства (аппаратуры) к внешним проводникам.
Примечание 1 - ВЫВОДЫ могут содержать один или несколько контактов и приведенный термин включает розетки, вилки и т.д.
3.1.2
КОЖУХ; ОБОЛОЧКА (ENCLOSURE): Часть, обеспечивающая защиту сборки щупов от определенных внешних воздействий и защиту от прямого контакта с другими частями в любом направлении.
3.1.3
ЗАЩИТНЫЙ ПРЕДОХРАНИТЕЛЬ ПАЛЬЦЕВ, ЗАЩИТНЫЙ ЭКРАН ДЛЯ ПАЛЬЦЕВ (PROTECTIVE FINGERGUARD): Часть ОБОЛОЧКИ, которая указывает предел безопасного доступа и снижает риск возможного касания ОПЕРАТОРОМ ОПАСНЫХ ТОКОВЕДУЩИХ частей.
3.1.4
НАКОНЕЧНИК ЩУПА (PROBE TIP): Часть сборки щупов или вспомогательного приспособления, которая может касаться точки измерения или испытания.
3.1.5
СОЕДИНИТЕЛЬ (CONNECTOR): Компонент, прикрепленный к ПРОВОДУ ЩУПА, для подключения сборки щупа к ВЫВОДУ оборудования или к другой сборке щупов.
3.1.6
КОНТРОЛЬНЫЙ СОЕДИНИТЕЛЬ (REFERENCE CONNECTOR): СОЕДИНИТЕЛЬ для подключения к контрольной точке.
3.1.7
ИНСТРУМЕНТ (TOOL): Внешнее устройство, включая ключ или монету, используемое человеком для помощи в выполнении механического действия.
3.1.8
ПРОВОД ЩУПА (PROBE WIRE): Гибкий провод или кабель, используемый в составе сборки щупа или его принадлежностей, состоящий из одного или нескольких проводников и соответствующей изоляции.
3.1.9
ПРУЖИННЫЙ ЗАЖИМ (SPRING-LOADED CLIP): Щуп или принадлежность щупа с одним или несколькими крючками или губками, поджатыми пружиной, для захвата измеряемой или испытываемой части.
3.1.10
НАРАЩИВАЕМЫЙ СОЕДИНИТЕЛЬ (STACKABLE CONNECTOR): СОЕДИНИТЕЛЬ в сборе, который содержит дополнительный ВЫВОД.
Пример - На рисунке 1 приведен пример НАРАЩИВАЕМОГО СОЕДИНИТЕЛЯ со штыревым СОЕДИНИТЕЛЕМ и гнездовым ВЫВОДОМ.
1 - ВЫВОД для ДОПОЛНИТЕЛЬНОГО СОЕДИНИТЕЛЯ;
2 - СОЕДИНИТЕЛЬ; 3 - ПРОВОД ЩУПА
Рисунок 1 - Пример НАРАЩИВАЕМОГО СОЕДИНИТЕЛЯ
со штыревым СОЕДИНИТЕЛЕМ и гнездовым ВЫВОДОМ
3.2.1
РАСЧЕТНЫЙ; РАСЧЕТНОЕ значение (RATED, RATED value): Состояние или количественное значение, устанавливаемое, как правило, изготовителем, для указанного рабочего состояния компонента, устройства или сборки щупов.
3.2.2
НОМИНАЛЬНЫЕ ХАРАКТЕРИСТИКИ; НОМИНАЛЬНОЕ значение (RATING): Набор РАСЧЕТНЫХ значений и условий эксплуатации.
[ИСТОЧНИК: IEC 60050-151:2001, 151-16-11].
3.2.3
РАБОЧЕЕ НАПРЯЖЕНИЕ (WORKING VOLTAGE): Максимальное среднеквадратичное значение напряжения переменного тока или значение напряжения постоянного тока, которое может присутствовать продолжительное время на любой конкретной изоляции при НОРМАЛЬНОМ ПРИМЕНЕНИИ.
Примечание 1 - Переходные процессы и колебания напряжения не рассматривают как часть РАБОЧЕГО НАПРЯЖЕНИЯ.
3.3.1
ТИПОВОЕ ИСПЫТАНИЕ (TYPE TEST): Испытание одного или нескольких образцов сборки щупов (или частей сборки щупов), изготовленных в соответствии с определенной конструкторской документацией, для демонстрации того, что конструкция и исполнение соответствуют требованиям настоящего документа.
Примечание 1 - Настоящее расширенное определение IEC 60050-151:2001, 151-16-16, охватывает как проектирование, так и метод изготовления.
3.3.2
КОНТРОЛЬНОЕ ИСПЫТАНИЕ (ROUTINE TEST): Испытание на соответствие, проводимое на каждом отдельном изделии в процессе или после его изготовления.
[ИСТОЧНИК: IEC 60050-151:2001, 151-16-17]
3.4.1
ДОСТУПНЫЙ(АЯ) (ACCESSIBLE): Наличие возможности прикосновения стандартным испытательным пальцем или испытательным штифтом при использовании, как указано в
7.2.
3.4.2
ОПАСНАЯ ТОКОВЕДУЩАЯ (HAZARDOUS LIVE): Способная привести к поражению электрическим током или электрическому ожогу.
3.4.3
ОПАСНОСТЬ (HAZARD): Потенциальный источник вреда.
3.4.4
ЗАЩИТНЫЙ ИМПЕДАНС (PROTECTIVE IMPEDANCE): Компонент или сборка компонентов, импеданс, конструкция и надежность которых подходят для обеспечения защиты от поражения электрическим током.
3.4.5
НОРМАЛЬНОЕ ПРИМЕНЕНИЕ (NORMAL USE): Эксплуатация, включая режим ожидания, в соответствии с инструкцией по эксплуатации или прямому назначению.
3.4.6
НОРМАЛЬНЫЕ УСЛОВИЯ (NORMAL CONDITION): Состояние, при котором все средства защиты от ОПАСНОСТЕЙ находятся в исправном состоянии.
3.4.7
УСЛОВИЕ ЕДИНИЧНОЙ НЕИСПРАВНОСТИ (SINGLE FAULT CONDITION): Состояние, при котором неисправно одно из средств защиты от ОПАСНОСТИ или имеется одна неисправность, которая может вызвать ОПАСНОСТЬ.
Примечание 1 - Если УСЛОВИЕ ЕДИНИЧНОЙ НЕИСПРАВНОСТИ неизбежно приводит к одному или нескольким другим условиям неисправности, все неисправности рассматривают как одно УСЛОВИЕ ЕДИНИЧНОЙ НЕИСПРАВНОСТИ.
3.4.8
ОПЕРАТОР (OPERATOR): Лицо, эксплуатирующее сборку щупов по ее прямому назначению.
3.4.9
ОТВЕТСТВЕННЫЙ ОРГАН (RESPONSIBLE BODY): Лицо или группа лиц, ответственных за безопасное применение и техническое обслуживание сборки щупов.
3.4.10
РАЗМЕЩЕНИЕ ПРИ ПОВЫШЕННОЙ ВЛАЖНОСТИ (WET LOCATION): Размещение в условиях, где может присутствовать вода или другая проводящая жидкость, способная вызвать снижение импеданса тела человека из-за смачивания контакта между телом человека и сборкой щупов или смачивания контакта между телом человека и окружающей средой.
3.4.11
КАТЕГОРИЯ ИЗМЕРЕНИЙ (MEASUREMENT CATEGORY): Классификация испытательных и измерительных цепей в зависимости от типа электросети, для подключения к которой они предназначены.
Примечание 1 - КАТЕГОРИИ ИЗМЕРЕНИЙ учитывают категории перенапряжения, уровни тока короткого замыкания, место проведения испытаний или измерений, а также некоторые формы ограничения энергопотребления или защиты от переходных процессов, включенные в установку здания (дополнительную информацию см. в
приложении F).
3.4.12
ОБОСНОВАННО ПРОГНОЗИРУЕМОЕ НЕПРАВИЛЬНОЕ ПРИМЕНЕНИЕ (REASONABLY FORESEEABLE MISUSE): Использование изделия способом, не предусмотренным поставщиком, но который может быть результатом легко предсказуемого поведения человека.
3.5.1
ОСНОВНАЯ ИЗОЛЯЦИЯ (BASIC INSULATION): Изоляция, обеспечивающая основную защиту.
Примечание 1 - Настоящее определение не применяют к изоляции, используемой исключительно в функциональных целях.
[ИСТОЧНИК: IEC 60050-195:2021, 195-06-06]
3.5.2
ДОПОЛНИТЕЛЬНАЯ ИЗОЛЯЦИЯ (SUPPLEMENTARY INSULATION): Независимая изоляция, применяемая в дополнение к ОСНОВНОЙ ИЗОЛЯЦИИ, которая обеспечивает защиту от неисправностей.
[ИСТОЧНИК: IEC 60050-195:2021, 195-06-07]
3.5.3
ДВОЙНАЯ ИЗОЛЯЦИЯ (DOUBLE INSULATION): Изоляция, включающая как ОСНОВНУЮ ИЗОЛЯЦИЮ, так и ДОПОЛНИТЕЛЬНУЮ ИЗОЛЯЦИЮ.
[ИСТОЧНИК: IEC 60050-195:2021, 195-06-08]
3.5.4
УСИЛЕННАЯ ИЗОЛЯЦИЯ (REINFORCED INSULATION): Изоляция, обеспечивающая степень защиты от поражения электрическим током, эквивалентную ДВОЙНОЙ ИЗОЛЯЦИИ.
Примечание 1 - УСИЛЕННАЯ ИЗОЛЯЦИЯ может состоять из нескольких слоев, которые не могут быть испытаны по отдельности как ОСНОВНАЯ ИЗОЛЯЦИЯ или как ДОПОЛНИТЕЛЬНАЯ ИЗОЛЯЦИЯ.
[ИСТОЧНИК: IEC 60050-195:2021, 195-06-09]
3.5.5
ЗАГРЯЗНЕНИЕ (POLLUTION): Присоединение посторонних веществ, твердых, жидких или газообразных (ионизированных газов), которые могут привести к снижению диэлектрической прочности или поверхностного сопротивления.
3.5.6
СТЕПЕНЬ ЗАГРЯЗНЕНИЯ (POLLUTION DEGREEMAINS): Числовое обозначение, обозначающее уровень ЗАГРЯЗНЕНИЯ, который может присутствовать в окружающей среде.
3.5.7
СТЕПЕНЬ ЗАГРЯЗНЕНИЯ 1 (POLLUTION DEGREE 1): Отсутствие ЗАГРЯЗНЕНИЯ или наличие только сухого, непроводящего ЗАГРЯЗНЕНИЯ, которое не оказывает никакого влияния.
3.5.8
СТЕПЕНЬ ЗАГРЯЗНЕНИЯ 2 (POLLUTION DEGREE 2): Наличие только непроводящего ЗАГРЯЗНЕНИЯ, за исключением случайной возможности возникновения временной проводимости, вызванной конденсатом.
3.5.9
СТЕПЕНЬ ЗАГРЯЗНЕНИЯ 3 (POLLUTION DEGREE 3): Наличие токопроводящего ЗАГРЯЗНЕНИЯ или сухого непроводящего ЗАГРЯЗНЕНИЯ, которое становится токопроводящим из-за ожидаемого образования конденсата.
Примечание 1 - В таких условиях сборка щупов обычно защищена от воздействия прямых солнечных лучей, осадков и сильного ветра, но ни температура, ни влажность не контролируются.
3.5.10
ЗАЗОР (CLEARANCE): Кратчайшее расстояние по воздуху между двумя проводящими частями.
3.5.11
ПУТЬ УТЕЧКИ (CREEPAGE DISTANCE): Кратчайшее расстояние по поверхности твердого изоляционного материала между двумя токопроводящими частями.
[ИСТОЧНИК: IEC 60050-151:2001, термин 151-15-50].
3.5.12
ПРОМЕЖУТОК; РАССТОЯНИЕ (SPACING): Любая комбинация ЗАЗОРОВ и ПУТЕЙ УТЕЧКИ.
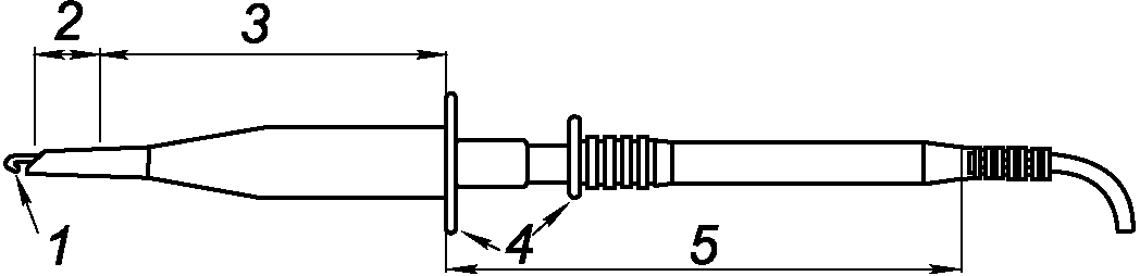
Требования безопасности, устанавливаемые настоящим стандартом, распространяются на следующие типы сборок щупов:
a) тип
A - неаттенюирующие сборки щупов. Неаттенюирующие сборки щупов РАССЧИТАНЫ на прямое подключение к напряжениям значением более 30 В переменного тока (среднеквадратичное значение), 42,4 В переменного тока (пиковое значение) или 60 В постоянного тока, но не более 63 кВ. Они не включают в себя компоненты, предназначенные для обеспечения функции делителя напряжения или функции преобразования сигнала, но могут содержать неаттенюирующие компоненты, такие как предохранители (см.
рисунок 2);
1 - СОЕДИНИТЕЛЬ (типовой); 2 - НАКОНЕЧНИК ЩУПА; 3 - область
корпуса щупа, удерживаемая рукой; 4 - подключение
к оборудованию; 5 - ПРУЖИННЫЙ ЗАЖИМ; 6 - ПРОВОД ЩУПА
Рисунок 2 - Примеры сборок щупов типа
A
b) тип
B - аттенюирующие или делительные сборки щупов. Аттенюирующие или делительные сборки щупов РАССЧИТАНЫ на прямое подключение к напряжениям значением более 30 В переменного тока (среднеквадратичное значение), 42,4 В переменного тока (пиковое значение) или 60 В постоянного тока, но не более 63 кВ. Функция делителя может быть выполнена полностью в пределах сборки щупов или частично в испытательном или измерительном оборудовании, которое будет использоваться совместно со сборкой щупов [см.
рисунок 3a) и
рисунок 3b)];
1 - КОНТРОЛЬНЫЙ СОЕДИНИТЕЛЬ; 2 - НАКОНЕЧНИК ЩУПА;
3 - область корпуса щупа, удерживаемая рукой;
4 - подключение к оборудованию; 5 - ЗАЩИТНЫЙ
ПРЕДОХРАНИТЕЛЬ ПАЛЬЦЕВ; 6 - ПРОВОД ЩУПА
a) Сборка щупов типа
B для высоковольтной сети
1 - НАКОНЕЧНИК ЩУПА; 2 - подключение к оборудованию;
3 - КОНТРОЛЬНЫЙ СОЕДИНИТЕЛЬ; 4 - ЗАЩИТНЫЙ ПРЕДОХРАНИТЕЛЬ
ПАЛЬЦЕВ; 5 - область корпуса щупа, удерживаемая рукой;
6 - ПРОВОД ЩУПА; 7 - СОЕДИНИТЕЛЬ BNC;
8 - примеры принадлежностей
b) Сборка щупов типа
B для низковольтной сети
Рисунок 3 - Примеры сборок щупов типа B
c) тип
D - аттенюирующие и неаттенюирующие сборки щупов или другие сборки щупов с преобразованием сигнала, которые РАССЧИТАНЫ на прямое подключение только к напряжениям значением не более 30 В переменного тока (среднеквадратичное значение), 42,4 В переменного тока (пиковое значение) или 60 В постоянного тока, и пригодны для измерения токов, превышающих 8 А (см.
рисунок 4);
1 - СОЕДИНИТЕЛЬ; 2 - НАКОНЕЧНИК ЩУПА; 3 - область
ПРУЖИННОГО ЗАЖИМА, удерживаемая рукой; 4 - ПРОВОД ЩУПА
Рисунок 4 - Примеры сборок щупов типа
D
d) тип
E - неаттенюирующие сборки щупов для 4-полюсных прецизионных измерений сопротивления (см.
рисунок 5);
Пример - Щупы Кельвина.
1 - НАКОНЕЧНИК ЩУПА; 2 - ЗАЩИТНЫЙ ПРЕДОХРАНИТЕЛЬ ПАЛЬЦЕВ;
3 - область корпуса сборки щупа, удерживаемая рукой;
4 - ПРОВОД ЩУПА; 5 - СОЕДИНИТЕЛЬ;
6 - подключение к оборудованию
Рисунок 5 - Примеры сборок щупов типа
E
e) тип
F - сборки щупов для бесконтактных испытаний и измерений напряжения переменного тока. Такие сборки щупов предназначены для использования на изолированных или неизолированных проводниках без электрического контакта (см.
рисунок 6).
Примечание - Сборки щупов типа F могут быть автономными щупами или подключаться к оборудованию с помощью ПРОВОДА ЩУПА.
1 - НАКОНЕЧНИК ЩУПА; 2 - ЗАЩИТНЫЙ ПРЕДОХРАНИТЕЛЬ ПАЛЬЦЕВ;
3 - область корпуса сборки щупа, удерживаемая рукой;
4 - ПРОВОД ЩУПА, подключаемый к оборудованию
Рисунок 6 - Примеры сборок щупов типа
F
Настоящий стандарт не применяют к датчикам тока, входящим в область применения IEC 61010-2-032:2019.
4.2.1 Идентификация ОПАСНОСТЕЙ
Требования настоящего стандарта установлены в целях обеспечения снижения до допустимого уровня ОПАСНОСТЕЙ для ОПЕРАТОРА и окружающей среды.
Требования по защите от конкретных видов ОПАСНОСТЕЙ приведены в
разделах 7 -
11 и
13 и включают следующие аспекты:
a) поражение электрическим током или электрический ожог (см.
раздел 7);
Дополнительные требования к сборкам щупов, которые предназначены для питания от низковольтного сетевого источника или включают другие функции, которые конкретно не рассмотрены в настоящем стандарте, приведены в других стандартах, входящих в серию IEC 61010.
Примечание - Следует обратить внимание на возможное наличие дополнительных требований, относящихся к здоровью и безопасности работников.
4.2.2 Исключенные аспекты
Настоящий стандарт не рассматривает следующие аспекты:
a) надежность функционирования, эксплуатационные характеристики или другие свойства сборок щупов;
b) эффективность транспортной упаковки.
Настоящий стандарт также устанавливает методы верификации для оценки соответствия сборки щупов требованиям настоящего стандарта посредством проведения внешнего осмотра, ТИПОВЫХ и КОНТРОЛЬНЫХ ИСПЫТАНИЙ.
4.4 Условия окружающей среды
4.4.1 Нормальные условия окружающей среды
Настоящий стандарт распространяется на сборки щупов, которые имеют такую конструкцию, которая обеспечивает их безопасность, по крайней мере, при следующих условиях:
a) высота над уровнем моря до 2000 м;
b) температура окружающей среды от 5 °C до 40 °C;
c) максимальная относительная влажность воздуха 80% при температуре до 31 °C, линейно снижающаяся до относительной влажности воздуха 50% при температуре 40 °C;
d) применимая СТЕПЕНЬ ЗАГРЯЗНЕНИЯ предполагаемой окружающей среды.
4.4.2 Расширенные условия окружающей среды
Настоящий стандарт применяют к сборкам щупов, имеющих конструкцию, которая обеспечивает их безопасность не только в условиях окружающей среды, указанных в
4.4.1, но в любых из следующих РАСЧЕТНЫХ условий, установленных изготовителем сборок щупов:
a) применение на открытом воздухе;
b) высота над уровнем моря более 2000 м;
c) температура окружающей среды ниже 5 °C или выше 40 °C;
d) относительная влажность воздуха выше уровней, указанных в
4.4.1;
e) РАЗМЕЩЕНИЕ ПРИ ПОВЫШЕННОЙ ВЛАЖНОСТИ.
Испытания, приведенные в настоящем стандарте, являются ТИПОВЫМИ ИСПЫТАНИЯМИ, которые следует проводить на образцах сборок щупов или их составных частях. Единственной целью указанных испытаний является проверка того, что конструкция и изготовление обеспечивают соответствие требованиям настоящего стандарта. Дополнительно к указанному выше, ПРОВОД ЩУПА следует подвергнуть КОНТРОЛЬНЫМ ИСПЫТАНИЯМ согласно
приложению D.
Сборка щупов, как минимум, должна соответствовать требованиям настоящего стандарта. Допускается превышение установленных требований. Если в настоящем стандарте указан нижний предел значения соответствия, то сборка щупов может продемонстрировать большее значение. Если для значения соответствия указан верхний предел, то сборка щупов может показывать более низкое значение. Должны быть учтены производственные отклонения и допуски.
Испытания компонентов или частей сборки щупов, отвечающих требованиям соответствующих стандартов, указанных в настоящем стандарте, и применяемых в соответствии с ними, не требуется повторять при проведении ТИПОВЫХ ИСПЫТАНИЙ всей сборки щупов.
Если сборка щупов состоит из нескольких типов щупов (см.
4.1), то каждый тип следует испытать в соответствии с применимыми требованиями.
Проверку соответствия требованиям настоящего стандарта проводят посредством проведения всех применимых испытаний, за исключением тех испытаний, которые могут не проводиться, если изучение сборки щупов и конструкторской документации убедительно показывает, что она выдержит испытание. Испытания проводят как в стандартных условиях испытаний (см. 5.3), так и в условиях неисправности (см. 5.4).
В случае, если в настоящем стандарте установлено, что для декларирования соответствия необходимо проведение проверки, она может включать: проверку сборки щупов путем измерений, проверку маркировки, нанесенной на сборку щупов, изучением инструкций, прилагаемых к сборке щупов, изучением технических данных на материалы или компоненты, из которых изготовлена сборка щупов и т.д. В каждом случае проверка показывает либо соответствие сборки щупов применимым требованиям или укажет на необходимость проведения дальнейших испытаний.
Если при проведении испытаний в целях оценки соответствия существует неопределенность в отношении точного значения приложенной или измеряемой величины (например, напряжения), обусловленная допуском:
a) изготовители должны обеспечить применение по крайней мере установленного испытательного значения;
b) испытательные центры должны обеспечить, чтобы применялось значение не более указанного испытательного значения.
Если РАСЧЕТНЫЙ диапазон условий окружающей среды для сборок щупов шире, чем указано в
4.4.1, изготовитель должен убедиться (например, соответствующим изменением требований к испытаниям или проведением дополнительных испытаний), что требования безопасности настоящего стандарта, по-прежнему выполняются.
Сборки щупов, прошедшие ТИПОВЫЕ ИСПЫТАНИЯ, могут оказаться непригодными для выполнения своих функций из-за остаточного воздействия напряжений, возникших в результате испытаний. В этом случае сборка щупов, прошедшая ТИПОВЫЕ ИСПЫТАНИЯ, не должна вводиться в эксплуатацию.
5.2 Последовательность испытаний
Последовательность испытаний не является обязательной, если не установлено иное. После каждого испытания испытуемые сборки щупов должны быть тщательно осмотрены. Если результат испытания вызывает сомнения в том, что сборка щупов выдержала бы какие-либо предыдущие испытания, в случае обратной последовательности проведения испытаний, ранее проведенные испытания должны быть повторены.
5.3 Стандартные условия испытаний
5.3.1 Условия окружающей среды
Если в настоящем стандарте не установлено иное, в месте проведения испытания должны быть обеспечены следующие условия окружающей среды (но не противоречащие условиям, указанным в
4.4.1):
a) температура от 15 °C до 35 °C;
b) относительная влажность воздуха не более 75%;
c) давление воздуха от 75 до 106 кПа;
d) отсутствие инея, росы, просачивающейся воды, дождя, солнечного облучения и т.д.
5.3.2 Состояние сборки щупов
Испытания следует проводить на сборках щупов, собранных для НОРМАЛЬНОГО ПРИМЕНЕНИЯ при наименее благоприятном сочетании условий, указанных в
5.3.3 -
5.3.9, если не установлено иное.
В случае сомнений, испытания следует проводить более чем в одной комбинации условий.
Если размеры или масса изделия не позволяют проводить определенные испытания сборки щупов в полном сборе, допускается проводить испытания на отдельных подсборках при условии подтверждения того, что сборка щупов в полном сборе будет соответствовать требованиям настоящего стандарта.
5.3.3 Положение сборки щупов
Все возможные ориентации сборки щупов считаются положениями НОРМАЛЬНОГО ПРИМЕНЕНИЯ.
5.3.4 Принадлежности
Принадлежности и сменные части, заменяемые ОПЕРАТОРОМ, имеющиеся в наличии или рекомендованные изготовителем для использования с испытываемой сборкой щупов, должны быть либо подсоединены, либо не подсоединены.
5.3.5 Покрытия и съемные части
Покрытия или части, которые можно снять без использования ИНСТРУМЕНТА, должны быть сняты или не сниматься в зависимости от того, какое из состояний является наихудшим.
5.3.6 Входные и выходные напряжения
Входные и выходные напряжения, включая плавающие напряжения, должны быть установлены на любое напряжение в пределах РАСЧЕТНОГО диапазона напряжений.
5.3.7 Органы управления
Органы управления, которые ОПЕРАТОР может регулировать без использования ИНСТРУМЕНТА, должны быть установлены в любое положение, за исключением комбинаций настроек, запрещенных маркировкой изготовителя, нанесенной на сборку щупов.
5.3.8 Подключения
Сборка щупов должна быть подключена в варианте НОРМАЛЬНОГО ПРИМЕНЕНИЯ или не подключена, в зависимости от того, какое из состояний является наихудшим.
5.3.9 Кратковременная или прерывистая работа
Сборки щупов, предназначенные для кратковременной или прерывистой работы, должны эксплуатироваться в течение максимально длительного РАСЧЕТНОГО периода и должны иметь максимально короткий РАСЧЕТНЫЙ период восстановления в соответствии с инструкциями изготовителя.
5.4 Испытания при УСЛОВИИ ЕДИНИЧНОЙ НЕИСПРАВНОСТИ
5.4.1 Общие положения
Применяют следующие требования:
a) изучение сборки щупов и ее электрической принципиальной схемы, обычно, показывает условия неисправности, которые могут привести к возникновению ОПАСНОСТЕЙ и которые, следовательно, должны быть применены;
b) испытания при условии неисправности следует проводить в соответствии с требованиями, установленными для проверки соответствия, за исключением случаев, когда может быть доказано, что в результате воздействия конкретного условия неисправности ОПАСНОСТЬ не может возникнуть;
c) сборка щупов должна функционировать при наименее благоприятном сочетании эталонных условий испытания (см.
5.3). Такие комбинации могут различаться для разных неисправностей, и их следует регистрировать для каждого испытания.
5.4.2 Применение условий неисправности
5.4.2.1 Общие положения
Условия неисправности должны включать условия, указанные в
5.4.2.2 -
5.4.2.4. Их следует применять только по одному и применять поочередно в наиболее удобном порядке. Несколько одновременных неисправностей не должны применяться, если только они не являются следствием примененной неисправности.
После каждого применения условия неисправности сборка щупов или ее часть должны пройти применимые испытания согласно
5.4.4.
5.4.2.2 ЗАЩИТНЫЙ ИМПЕДАНС
Применяют следующие требования:
a) если ЗАЩИТНЫЙ ИМПЕДАНС образован комбинацией компонентов, каждый компонент должен быть замкнут накоротко или отсоединен, в зависимости от того, что является менее благоприятным;
b) если ЗАЩИТНЫЙ ИМПЕДАНС образован одним компонентом, отвечающим требованиям
7.4.5, его не нужно замыкать накоротко или отсоединять.
5.4.2.3 Сборки щупов или их части, предназначенные для кратковременной или прерывистой работы
Сборки щупов или их части, предназначенные для кратковременной или прерывистой работы, должны работать непрерывно, если непрерывная работа может происходить при УСЛОВИЯХ ЕДИНИЧНОЙ НЕИСПРАВНОСТИ.
Выходы сборок щупов типа B должны быть замкнуты накоротко.
5.4.3 Продолжительность испытаний
Сборка щупов должна работать до тех пор, пока не станет маловероятным, что произойдут дальнейшие изменения в результате примененной неисправности. Продолжительность каждого испытания обычно ограничивается 1 ч, поскольку вторичная неисправность, возникающая из-за УСЛОВИЯ ЕДИНИЧНОЙ НЕИСПРАВНОСТИ, обычно проявляется в течение этого времени. Если существуют признаки того, что в конечном итоге может возникнуть ОПАСНОСТЬ поражения электрическим током или травмирования людей, испытание следует продолжить в течение максимально 4 ч.
5.4.4 Соответствие после применения условий неисправности
5.4.4.1 Поражение электрическим током
Соответствие требованиям по защите от поражения электрическим током после применения единичных неисправностей проверяют следующим образом:
a) проведением измерений по 7.3.3, для проверки того, что никакие ДОСТУПНЫЕ токопроводящие части не стали ОПАСНЫМИ ТОКОВЕДУЩИМИ, за исключением случаев, разрешенных 7.1;
b) проведением испытаний напряжением для ДВОЙНОЙ ИЗОЛЯЦИИ, УСИЛЕННОЙ ИЗОЛЯЦИИ или ОСНОВНОЙ ИЗОЛЯЦИИ с импедансом, при коротком замыкании импеданса для проверки того, что защита находится, по крайней мере, на уровне ОСНОВНОЙ ИЗОЛЯЦИИ. Испытания напряжением проводят в соответствии с 7.6 (без предварительной обработки влажностью), с применением испытательного напряжения для ОСНОВНОЙ ИЗОЛЯЦИИ;
c) проверкой и измерениями ПРОМЕЖУТКОВ по уровням ОСНОВНОЙ ИЗОЛЯЦИИ. Аналогичную проверку проводят относительно импеданса или ЗАЩИТНОГО ИМПЕДАНСА.
5.4.4.2 Температура
Соответствие требованиям по температурной защите проверяют определением температуры внешней поверхности сборки щупов (см. раздел 10).
Эту температуру определяют измерением превышения температуры поверхности сборки щупов или ее части и прибавлением измеренного значения к значению температуры окружающей среды, равной 40 °C, или к максимальной РАСЧЕТНОЙ температуре окружающей среды, если она выше.
5.4.4.3 Другие ОПАСНОСТИ
Соответствие требованиям по защите от других ОПАСНОСТЕЙ проверяют в соответствии с требованиями разделов 8 - 13.
5.5 Испытания при ОБОСНОВАННО ПРОГНОЗИРУЕМОМ НЕПРАВИЛЬНОМ ПРИМЕНЕНИИ
5.5.1 Общие положения
Испытания, необходимые для обеспечения оценки риска, связанного с ОБОСНОВАННО ПРОГНОЗИРУЕМЫМ НЕПРАВИЛЬНЫМ ПРИМЕНЕНИЕМ, проводят в сочетаниях условий и операций, установленных при проведении оценки риска.
5.5.2 Предохранители
Сборки щупов с предохранителями используют в случае, если оборудование, к которому подключают управляемые вручную сборки щупов, не обеспечивает достаточной защиты, в частности, в условиях ОБОСНОВАННО ПРОГНОЗИРУЕМОГО НЕПРАВИЛЬНОГО ПРИМЕНЕНИЯ оборудования, которое может привести к возгоранию или вспышке дуги.
Для целей настоящего испытания предполагается, что оборудование, к которому подключают сборку щупов, представляет собой условие короткого замыкания. Кроме того, предполагается, что сборка щупов с предохранителем может быть подключена к любому источнику напряжения в пределах НОМИНАЛЬНЫХ ХАРАКТЕРИСТИК сборки щупов.
Такие предположения позволяют получить такие условия испытаний, при которых может быть применен любой уровень тока вплоть до максимального предполагаемого тока короткого замыкания. В отношении предполагаемых токов короткого замыкания, связанных с сетевыми установками, предохранитель должен быть РАССЧИТАН в соответствии с
12.2, и никаких дополнительных испытаний, связанных с НОМИНАЛЬНЫМ током прерывания, не требуется. Однако необходимо провести испытание при уровнях тока, близких к НОМИНАЛЬНОЙ ХАРАКТЕРИСТИКЕ предохранителя, что потенциально может привести к чрезмерному повышению температуры на ручных частях, а также к повреждению изолирующих частей, КОЖУХОВ и барьеров.
Должно быть продемонстрировано, что максимальная температура предохранителя при любой токовой нагрузке, превышающей в пять раз его НОМИНАЛЬНУЮ ХАРАКТЕРИСТИКУ, не приводит к возникновению ОПАСНОСТИ.
Соответствие проверяют осмотром и измерением.
6 Маркировка и документация
На сборку щупов должна быть нанесена маркировка в соответствии с требованиями
6.1.2 -
6.2. Маркировка, относящаяся к сборке щупов в целом, не должна наноситься на части, которые могут быть сняты ОПЕРАТОРОМ без использования ИНСТРУМЕНТА, за исключением съемных частей НАКОНЕЧНИКОВ ЩУПОВ, если они соответствуют требованиям
13.2.
Буквенные обозначения величин и единиц измерения должны соответствовать IEC 60027-1:1992, IEC 60027-1:1992:AMD1:1997 и IEC 60027-1:1992/AMD2:2005, IEC 60027-2:2019 и IEC 60027-4:2006. Графические символы должны соответствовать приведенным в
таблице 1 в зависимости от применения. Требования к размеру или цвету отсутствуют. Если в
таблице 1 отсутствует применимый символ, для сборки щупов может быть использован любой другой графический символ при условии, что символ разъяснен в сопроводительной документации (см.
6.4.1).
Таблица 1
Номер | Символ | Ссылочный документ | Описание |
1 | | IEC 60417-5031 (2002-10) | Постоянный ток |
2 | | IEC 60417-5032 (2002-10) | Переменный ток |
3 | | IEC 60417-5033 (2002-10) | Как постоянный, так и переменный ток |
4 | | IEC 60417-5017 (2006-08) | ВЫВОД заземления (земля) |
5 | | IEC 60417-6042 (2010-11) | Осторожно, опасность поражения электрическим током |
| | IEC 60417-5041 (2002-10) | Осторожно, горячая поверхность |
| | ISO 7000-0434A (2004-01) или ISO 7000-0434B (2004-01) | Осторожно <a> |
<a> См. 6.4.1, в котором установлены требования к изготовителю указывать, что во всех случаях, при нанесении этого символа, следует ознакомиться с документацией. |
Если невозможно нанести всю требуемую маркировку на отдельную часть, необходимая информация должна быть включена в документацию, указанную в
6.4.1. Также должен быть использован
символ 7 из таблицы 1
Соответствие проверяют осмотром.
Каждая сборка щупов и, по возможности, ее принадлежности должны иметь маркировку, содержащую:
a) наименование или зарегистрированную торговую марку изготовителя или поставщика;
b) дополнительно, только для сборок щупов типа B, номер или наименование модели или другие средства идентификации сборки щупов или ее части.
Если сборка щупов предназначена для использования только с конкретной моделью оборудования, это должно быть четко указано, и конкретное оборудование или модель должны быть идентифицированы с помощью маркировки, нанесенной на сборке щупов или в сопроводительной документации.
Соответствие проверяют осмотром.
Сборки щупов, содержащие предохранители, предназначенные для замены ОПЕРАТОРОМ, должны содержать маркировку со всеми подробностями, необходимыми ОПЕРАТОРУ для получения подходящего предохранителя. Маркировочные сведения должны включать информацию о НОМИНАЛЬНОМ напряжении и отключающей способности (максимальный ток, который предохранитель может безопасно отключить при самом высоком РАСЧЕТНОМ напряжении). Если для нанесения указанной информации недостаточно места, на сборке щупа должен быть нанесен
символ 7 из таблицы 1, а необходимая информация должна быть включена в документацию.
Соответствие проверяют осмотром.
6.1.4 СОЕДИНИТЕЛИ и устройства управления
Следует указать назначение СОЕДИНИТЕЛЕЙ, ВЫВОДОВ и органов управления, включая любую последовательность операций, если это необходимо в целях безопасности.
Соответствие проверяют осмотром.
6.1.5 НОМИНАЛЬНЫЕ ХАРАКТЕРИСТИКИ
НОМИНАЛЬНЫЕ ХАРАКТЕРИСТИКИ сборок щупов должны быть промаркированы следующим образом:
a) сборки щупов, без установленной КАТЕГОРИИ ИЗМЕРЕНИЙ в составе НОМИНАЛЬНЫХ ХАРАКТЕРИСТИК, должны содержать маркировку с указанием РАСЧЕТНОГО напряжения относительно земли и
символа 7 из таблицы 1 [см. также
6.4.3 k)];
b) сборки щупов, предназначенных для измерений в пределах КАТЕГОРИЙ ИЗМЕРЕНИЙ II, III и IV, должны содержать маркировку с указанием среднеквадратичного значения РАСЧЕТНОГО напряжения переменного тока между линией и нейтралью или значения постоянного тока и соответствующей КАТЕГОРИИ ИЗМЕРЕНИЯ.
КАТЕГОРИИ ИЗМЕРЕНИЯ следует маркировать следующим образом: "CAT II", "CAT III" или "CAT IV", в зависимости от применяемости.
Примечание - Требования к ЗАЗОРАМ и твердой изоляции установлены для номинального среднеквадратичного значения напряжения переменного тока между линией и нейтралью или номинального напряжения постоянного тока измеряемой сети. Нейтраль считают заземленной (см.
приложение H).
При наличии возможности (см.
6.1.1), маркировка сборки щупов должна быть нанесена на корпус щупа. Также должен быть указан тип напряжения (переменный ток, постоянный ток и т.д.), если только маркировка напряжения не относится как к среднеквадратичному значению переменного тока, так и к постоянному току. Если КОНТРОЛЬНЫЙ СОЕДИНИТЕЛЬ предназначен для подключения к точкам с уровнем напряжения, превышающим значения, указанные в
7.3.2, должно быть указано РАСЧЕТНОЕ напряжение СОЕДИНИТЕЛЯ относительно земли, размещенное настолько близко к СОЕДИНИТЕЛЮ, насколько это практически возможно.
РАСЧЕТНЫЙ ток сборки щупов должен быть указан совместно с РАСЧЕТНЫМ напряжением только для сборок щупов типа A, типа D и типа E. РАСЧЕТНЫЙ ток можно не указывать на сборках щупов, которые предназначены только для совместного использования с оборудованием, входы которого имеют высокий импеданс или выходы с ограничением по току.
Соответствие проверяют осмотром.
6.2 Предупреждающая маркировка
Предупреждающая маркировка, размещенная на подготовленных к НОРМАЛЬНОМУ ПРИМЕНЕНИЮ сборках щупов, должна быть разборчивой.
Сборка щупов должна содержать маркировку
символа 7 таблицы 1, если ОПЕРАТОРУ необходимо обратиться к руководству по эксплуатации для сохранения защиты, обеспечиваемой сборкой щупа. Если предупреждение относится к конкретной части сборки щупов, маркировка должна быть нанесена на эту часть или размещена рядом с ней.
Если в инструкциях по применению указано, что ОПЕРАТОРУ разрешается получать доступ с помощью ИНСТРУМЕНТА к любой части, которая при НОРМАЛЬНОМ ПРИМЕНЕНИИ может быть ОПАСНОЙ ТОКОВЕДУЩЕЙ, должна быть нанесена предупреждающая маркировка, указывающая, что перед получением доступа сборка щупов должна быть изолирована или отключена от напряжения питания ОПАСНОЙ ТОКОВЕДУЩЕЙ части, или может быть использован
символ 7 таблицы 1 при условии, что указанная информация включена в инструкции по применению.
На части сборки щупов, к которым легко прикоснуться и на которых допускается превышение предельных температур в соответствии с
разделом 10, должна быть нанесена маркировка
символа 6 таблицы 1, если их нагретое состояние не является очевидным или не вытекает из функционирования сборки щупов.
Соответствие проверяют осмотром.
Требуемая маркировка должна оставаться четкой и разборчивой в условиях НОРМАЛЬНОГО ПРИМЕНЕНИЯ и должна выдерживать воздействие чистящих средств, указанных изготовителем (см.
11.1).
Соответствие проверяют проведением следующего испытания на долговечность маркировки на внешней стороне сборки щупов. Маркировку протирают вручную, без чрезмерного давления, в течение 30 с тканью, пропитанной каждым из указанных чистящих средств, поочередно, или, если чистящие средства не указаны, водным раствором, содержащим не менее 70% изопропилового спирта.
После вышеуказанной обработки маркировка должна быть легко читаемой, а самоклеящиеся этикетки не должны отклеиваться или скручиваться по краям.
К сборкам щупов должна прилагаться документация, если это необходимо в целях безопасности.
Прилагаемая документация должна включать, как минимум:
a) технические характеристики;
b) инструкции по применению;
c) наименование и адрес изготовителя или поставщика, от которого может быть получена техническая помощь;
Если применимо, предупреждающие надписи и четкое объяснение предупреждающих символов, нанесенных на сборку щупов, должны быть приведены в документации или должны быть прочно и надежно нанесены на сборку щупов. В частности, должно быть указано, что во всех случаях, когда использован
символ 7 из таблицы 1, следует ознакомиться с документацией, чтобы выяснить характер потенциальной ОПАСНОСТИ и любые действия, которые необходимо предпринять.
Соответствие проверяют осмотром.
6.4.2 НОМИНАЛЬНЫЕ ХАРАКТЕРИСТИКИ сборки щупов
В документации должны быть указаны НОМИНАЛЬНЫЕ ЗНАЧЕНИЯ напряжения и тока, КАТЕГОРИЯ ИЗМЕРЕНИЯ, а также диапазон условий окружающей среды, для которых предназначена сборка щупов (см.
4.4).
Соответствие проверяют осмотром.
6.4.3 Функционирование сборки щупов
Инструкции по применению должны включать, если применимо:
a) сведения по идентификации органов управления и их использованию во всех режимах работы;
b) четкую идентификацию оборудования для сборок щупов, предназначенных для использования только с конкретным оборудованием;
c) пояснение символов, относящихся к безопасности, которые использованы в составе маркировки на сборке щупов;
d) определение соответствующей КАТЕГОРИИ ИЗМЕРЕНИЯ, если требуется ее маркировка на сборке щупов (см.
6.1.5);
e) технические требования к ограничениям для прерывистого режима работы, если применимо;
f) инструкции по соединению с принадлежностями и другим оборудованием, включая указание подходящих принадлежностей, съемных частей и любых специальных материалов;
g) инструкции по очистке;
h) инструкции по замене расходных материалов;
i) для сборок щупов, в состав которых не входит ПРОВОД ЩУПА с индикатором износа, инструкции по периодической проверке ПРОВОДА ЩУПА;
j) для сборок щупов, включающих в свой состав ПРОВОД ЩУПА с индикатором износа, предупреждение о том, что не следует использовать сборку щупа, если индикатор износа стал видимым (см.
12.3.2);
k) для сборок щупов с отсутствием КАТЕГОРИИ ИЗМЕРЕНИЙ в составе НОМИНАЛЬНЫХ ХАРАКТЕРИСТИК предупреждение о невозможности использования сборки щупов для измерений в сетевых цепях;
l) для сборок щупов типа
B, РАССЧИТАННЫХ на напряжения выше 1000 В (среднеквадратичное значение) переменного тока или 1500 В постоянного тока, если РАСЧЕТНОЕ напряжение ПРОВОДА ЩУПА ниже РАСЧЕТНОГО напряжения НАКОНЕЧНИКА ЩУПА, предупреждение о том, что ПРОВОД ЩУПА не обеспечит надлежащей защиты при контакте с ним ОПАСНОЙ ТОКОВЕДУЩЕЙ части;
m) предупреждение о том, что применимая КАТЕГОРИЯ ИЗМЕРЕНИЯ комбинации сборки щупа и принадлежности является самой низкой КАТЕГОРИЕЙ ИЗМЕРЕНИЯ сборки щупов и принадлежности.
В инструкции должно быть указано, что при использовании сборки щупов способом, не установленным изготовителем, защита, обеспечиваемая сборкой щупа, может быть нарушена.
Соответствие проверяют осмотром.
6.4.4 Техническое и сервисное обслуживание сборки щупов
ОТВЕТСТВЕННОМУ ОРГАНУ должны быть предоставлены достаточно подробные инструкции для обеспечения безопасного технического обслуживания и проверки сборки щупов, а также для обеспечения постоянной безопасности сборки щупов после процедуры технического обслуживания и проверки.
Изготовитель должен указать любые части, которые должны быть проверены или поставлены только изготовителем или его представителем.
Должны быть указаны НОМИНАЛЬНЫЕ ХАРАКТЕРИСТИКИ и характеристики используемых предохранителей (см.
6.1.3).
Для обслуживающего персонала должны быть предоставлены инструкции, если это необходимо для обеспечения безопасного обслуживания и безопасности сборки щупов после обслуживания, если сборка щупов пригодна для обслуживания, относящиеся к следующим аспектам:
a) специфическим рискам, связанным с конкретным изделием, которые могут повлиять на обслуживающий персонал;
b) мерам защиты от указанных рисков;
c) верификации безопасного состояния сборки щупов после ремонта.
Инструкции для обслуживающего персонала не обязательно предоставлять ОТВЕТСТВЕННОМУ ОРГАНУ, но они должны быть доступны для обслуживающего персонала.
Соответствие проверяют осмотром.
7 Защита от поражения электрическим током
Защита от поражения электрическим током должна быть обеспечена как в НОРМАЛЬНОМ СОСТОЯНИИ сборки щупов, так и при УСЛОВИИ их ЕДИНИЧНОЙ НЕИСПРАВНОСТИ. ДОСТУПНЫЕ части сборок щупов не должны являться ОПАСНЫМИ ТОКОВЕДУЩИМИ (см.
7.3).
Если по эксплуатационным причинам невозможно предотвратить, чтобы указанные ниже части были одновременно ДОСТУПНЫМИ частями и ОПАСНЫМИ ТОКОВЕДУЩИМИ частями, допускается, чтобы они были ДОСТУПНЫ ОПЕРАТОРУ при НОРМАЛЬНОМ ПРИМЕНЕНИИ пока они являются ОПАСНЫМИ ТОКОВЕДУЩИМИ:
a) части, предназначенные для замены ОПЕРАТОРОМ (например, предохранители) и которые могут являться ОПАСНЫМИ ТОКОВЕДУЩИМИ во время замены, но только в том случае, если они имеют предупреждающую маркировку в соответствии с
6.2;
b) НАКОНЕЧНИКИ ЩУПОВ, при условии, что они соответствуют требованиям
7.4.3;
Соответствие проверяют определением ДОСТУПНЫХ ЧАСТЕЙ согласно 7.2 и измерениями в соответствии с 7.3, после чего проводят осмотр и испытания согласно 7.4 - 7.7.
7.2 Определение ДОСТУПНЫХ частей
7.2.1 Общие положения
Определение, является ли часть ДОСТУПНОЙ, проводят согласно 7.2.2 и 7.2.3, если только это не является очевидным. Испытательные пальцы (см. рисунки B.1 и B.2 приложения B) и штифты прикладывают без усилия. Части считают ДОСТУПНЫМИ, если к ним можно прикоснуться любой частью испытательного пальца или штифта, или если к ним можно прикоснуться при отсутствии покрытия, которое, как считается, не обеспечивает надлежащей изоляции (см. 7.7.2).
Если при НОРМАЛЬНОМ ПРИМЕНЕНИИ ОПЕРАТОР должен выполнить какие-либо действия (с ИНСТРУМЕНТОМ или без него), которые могут увеличить доступность частей, такие действия выполняются до проведения проверок, указанных в 7.2.2 и 7.2.3.
Примечание - Примерами таких действий являются:
a) снятие оболочек;
b) регулировка органов управления;
c) замена расходных материалов;
d) снятие или установка частей и принадлежностей, входящих в комплект поставки.
На рисунке 7 приведены методы определения ДОСТУПНЫХ частей сборок щупов.
1 - принадлежность НАКОНЕЧНИКА ЩУПА; 2 - НАКОНЕЧНИК ЩУПА;
3 - область корпуса щупа, удерживаемая рукой;
4 - СОЕДИНИТЕЛЬ; 5 - СОЕДИНИТЕЛЬ,
подключаемый к оборудованию
a) Части сборки щупов
1 - СОЕДИНИТЕЛЬ; F - шарнирный испытательный палец
b) Полностью сопряженная сборка щупов (см.
7.4.2.2)
H - потенциально ОПАСНАЯ ТОКОВЕДУЩАЯ часть
Соединяемые части частично сопряжены так, чтобы просто установить электрический контакт, обеспечивая при этом максимальный доступ для испытательного пальца.
Следует обратить внимание на два возможных положения испытательного пальца
c) Частично сопряженная сборка щупов (см.
7.4.2.3)
H - потенциально ОПАСНАЯ ТОКОВЕДУЩАЯ часть
Следует обратить внимание на два возможных положения испытательного пальца
d) Несопряженные части сборки щупов (см.
7.4.2.4)
Рисунок 7 - Методы определения ДОСТУПНЫХ частей
Шарнирный испытательный палец (см. рисунок B.2) прикладывают во всех возможных положениях без приложения усилия. Испытание проводят на всех внешних поверхностях.
7.2.3 Отверстия для предварительно установленных элементов управления
Металлический испытательный штифт диаметром 3 мм вставляют в отверстия, предназначенные для обеспечения доступа к предварительно установленным элементам управления, которые требуют использования отвертки или другого ИНСТРУМЕНТА. Испытательный штифт прикладывают через отверстие во всех возможных направлениях. Глубина проникновения не должна превышать трехкратного расстояния от поверхности КОЖУХА до вала элемента управления или 100 мм, в зависимости от того, что меньше.
7.3 Предельные значения для ДОСТУПНЫХ частей
7.3.1 Общие положения
За исключением случаев, разрешенных согласно
7.1, напряжение между ДОСТУПНОЙ частью и землей или между любыми двумя ДОСТУПНЫМИ частями одной и той же сборки щупов не должно превышать уровней, указанных в
7.3.2 в НОРМАЛЬНОМ СОСТОЯНИИ сборки щупов или в
7.3.3 при УСЛОВИИ ЕДИНИЧНОЙ НЕИСПРАВНОСТИ сборки щупов.
Внешние проводники (экраны) сборок щупов, предназначенные для плавающего использования, считаются находящимися под тем же напряжением, что и НАКОНЕЧНИК ЩУПА.
Следует измерить ДОСТУПНОЕ напряжение (см.
7.3.4). Если напряжение ниже уровней, указанных в
7.3.2 a) или
7.3.3 a), в зависимости от применяемости, не требуется измерять ток прикосновения и емкость. Если напряжение превышает установленный уровень, следует измерить ток прикосновения и емкость. Для высокочастотных испытательных щупов, РАССЧИТАННЫХ на частоты выше 100 кГц, также можно использовать альтернативный метод, указанный в
7.3.4.3.
Соответствие проверяют осмотром и в соответствии с требованиями 7.3.2, 7.3.3 и 7.3.4.
7.3.2 Уровни при НОРМАЛЬНОМ СОСТОЯНИИ
Напряжения, превышающие уровни, указанные в
7.3.2 a), считают ОПАСНЫМИ ТОКОВЕДУЩИМИ, если одновременно превышен любой из уровней, указанных в
7.3.2 b) или
7.3.2 c) приведенных ниже:
a) уровень напряжения переменного тока составляет 30 В (среднеквадратичное значение) или 42,4 В пикового значения, а уровень напряжения постоянного тока составляет 60 В. Для сборок щупов, предназначенных для использования в условиях РАЗМЕЩЕНИЯ ПРИ ПОВЫШЕННОЙ ВЛАЖНОСТИ, уровень напряжения переменного тока составляет 16 В (среднеквадратическое значение) или 22,6 В пикового значения, а уровень напряжения постоянного тока составляет 35 В;
b) уровни тока прикосновения составляют:
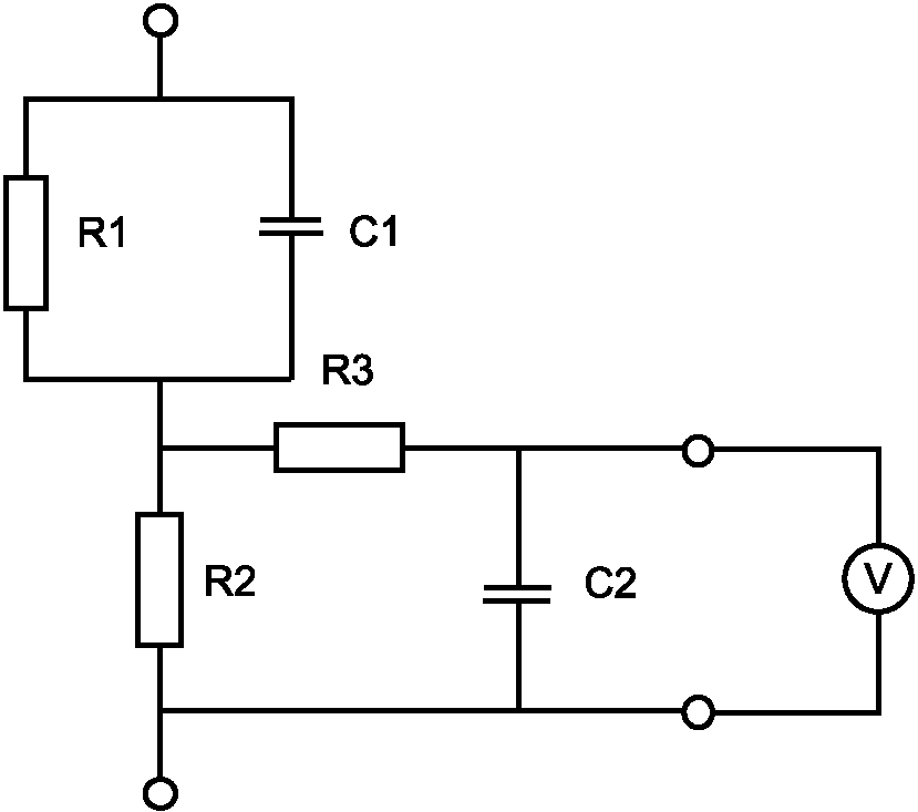
1) 0,5 мА (среднеквадратичное значение) для синусоидальных сигналов, 0,7 мА (пиковое значение) для несинусоидальных сигналов или смешанных частот, или 2 мА постоянного тока при измерении с помощью измерительной схемы, приведенной на
рисунке A.1. Если частота не превышает 100 Гц, можно использовать измерительную схему, приведенную на
рисунке A.2. Измерительную схему, приведенную на
рисунке A.5, используют для сборок щупов, предназначенных для использования в условиях РАЗМЕЩЕНИЯ ПРИ ПОВЫШЕННОЙ ВЛАЖНОСТИ;
2) 70 мА (среднеквадратичное значение) при измерении с помощью измерительной схемы, приведенной на
рисунке A.3. Указанное относится к возможным ожогам на частотах выше 100 кГц;
c) уровни емкостного заряда или энергии составляют:
1) заряд 45 мкКл для напряжений переменного тока до 15 кВ (пиковое значение) или 15 кВ постоянного тока. Прямая A на
рисунке 8 показывает зависимость емкости от напряжения для случаев, когда заряд составляет 45 мкКл;
2) 350 мДж запасенной энергии для напряжения переменного тока выше 15 кВ (пиковое значение) или 15 кВ постоянного тока.
7.3.3 Уровни при УСЛОВИИ ЕДИНИЧНОЙ НЕИСПРАВНОСТИ
При УСЛОВИИ ЕДИНИЧНОЙ НЕИСПРАВНОСТИ напряжения выше уровня, указанного в
7.3.3 a), считают ОПАСНЫМИ ТОКОВЕДУЩИМИ, если одновременно превышен любой из уровней
7.3.3 b) или
7.3.3 c), указанных ниже:
a) уровень напряжения переменного тока составляет 50 В (среднеквадратическое значение) или 70,7 В (пиковое значение), а уровень напряжения постоянного тока составляет 120 В. Для сборки щупов, предназначенных для использования в условиях РАЗМЕЩЕНИЯ ПРИ ПОВЫШЕННОЙ ВЛАЖНОСТИ, уровень напряжения переменного тока составляет 33 В (среднеквадратическое значение) или 46,7 В (пиковое значение), а уровень напряжения постоянного тока составляет 70 В.
b) уровни тока прикосновения составляют:
1) 3,5 мА (среднеквадратичное значение) для синусоидальных сигналов, 5 мА (пиковое значение) для несинусоидальных сигналов или смешанных частот, или 15 мА постоянного тока при измерении с помощью измерительной схемы, приведенной на
рисунке A.1. Если частота не превышает 100 Гц, то может быть использована измерительная схема, приведенная на
рисунке A.2. Измерительная схема, приведенная на
рисунке A.5, предназначена для сборок щупов, предназначенных для использования в условиях РАЗМЕЩЕНИЯ ПРИ ПОВЫШЕННОЙ ВЛАЖНОСТИ;
2) 500 мА (среднеквадратичное значение) при измерении с помощью измерительной схемы, приведенной на
рисунке A.3. Указанное относится к возможному получению ожогов на частотах выше 100 кГц.
c) уровень емкости соответствует прямой B на
рисунке 8.
A - НОРМАЛЬНЫЕ УСЛОВИЯ; B - УСЛОВИЕ ЕДИНИЧНОЙ НЕИСПРАВНОСТИ
Рисунок 8 - Зависимость уровня емкости от напряжения
при НОРМАЛЬНОМ СОСТОЯНИИ и при УСЛОВИИ
7.3.4 Измерение напряжения и тока прикосновения
7.3.4.1 Общие положения
Измерение напряжения и тока прикосновения на ДОСТУПНЫХ частях сборок щупов проводят с помощью металлической фольги, обернутой вокруг каждой из следующих частей по отдельности:
a) корпус щупа;
b) части каждого СОЕДИНИТЕЛЯ, которые можно держать в руках или манипулировать ими;
c) ПРОВОД ЩУПА длиной (150 +/- 20) мм или кабеля с максимальной длиной, в зависимости от того, что короче;
d) другие ручные или управляемые вручную части.
Максимальное РАСЧЕТНОЕ напряжение относительно земли прикладывают между НАКОНЕЧНИКОМ ЩУПА 1 и землей. Напряжение измеряют между фольгой и землей. При необходимости измерительную схему подключают поочередно к точкам 2a, 2b, 2c (см. рисунок 9) между каждой из частей, обернутых фольгой, и землей (см. рисунки 9 и 10).
1 - НАКОНЕЧНИК ЩУПА;
2 - место измерения напряжения или тока прикосновения (применимые измерительные схемы для измерения тока прикосновения приведены в
приложении A) в точках подключения к металлической фольге, плотно обернутой вокруг:
- 2a - ручных и управляемых вручную частей;
- 2b - СОЕДИНИТЕЛЯ;
- 2c - кабеля;
3 - максимальное РАСЧЕТНОЕ напряжение при подключении к внутреннему проводнику ПРОВОДА ЩУПА;
4 - отсутствует подключение к испытательному или измерительному оборудованию
Рисунок 9 - Измерение напряжения и тока прикосновения
1 - НАКОНЕЧНИК ЩУПА КОНТРОЛЬНОГО СОЕДИНИТЕЛЯ; 2 - место
измерения напряжения или тока прикосновения (применимые
измерительные схемы для измерения тока прикосновения
напряжение КОНТРОЛЬНОГО СОЕДИНИТЕЛЯ
Рисунок 10 - Измерение напряжения и тока прикосновения
на КОНТРОЛЬНОМ СОЕДИНИТЕЛЕ
7.3.4.2 Сборки щупов с плавающими (незаземленными) внешними проводниками
Для сборок щупов, в которых подключение внешнего проводника (экрана) может быть плавающим, испытание проводят также между внешним проводником НАКОНЕЧНИКА ЩУПА (см. рисунок 11, позиция 5) и землей (см. рисунок 11).
Ток прикосновения определяют с помощью соответствующей измерительной схемы, приведенной в приложении A.
2 - место измерения напряжения или тока прикосновения (применимые измерительные схемы для измерения тока прикосновения приведены в
приложении A) в точках подключения к металлической фольге, плотно обернутой вокруг:
- 2a - ручных и управляемых вручную частей;
- 2b - СОЕДИНИТЕЛЯ;
- 2c - кабеля;
3 - максимальное РАСЧЕТНОЕ напряжение при подключении к внешнему проводнику НАКОНЕЧНИКА ЩУПА;
4 - отсутствует подключение к испытательному или измерительному оборудованию;
5 - плавающий НАКОНЕЧНИК ЩУПА, подключенный к экрану или внешнему проводнику ПРОВОДА ЩУПА
Рисунок 11 - Измерение напряжения и тока прикосновения
с помощью экранированного испытательного щупа
7.3.4.3 Высокочастотные испытательные щупы
Для испытательных щупов, рассчитанных на частоты выше 100 кГц, с плавающим внешним проводником (экраном) определяют максимально допустимое напряжение между экраном и ДОСТУПНЫМИ частями щупа во избежание электрических ожогов. Ток прикосновения измеряют во всем диапазоне частот и при максимальном напряжении в каждом диапазоне частот.
a) между экраном и фольгой вокруг корпуса щупа (см. рисунок 11, позиция 2a) и
b) между экраном и фольгой вокруг коаксиального СОЕДИНИТЕЛЯ (см. рисунок 11, позиция 2b) и
c) между экраном и фольгой вокруг ПРОВОДА ЩУПА (см. рисунок 11, позиция 2c).
В качестве альтернативы измерению тока прикосновения можно измерить емкость между экраном и фольгой для случаев, указанных в перечислениях a) - c).
Емкость Cs (измеренная емкость между экраном и фольгой) при применении схемы, приведенной на рисунке A.3, создает импеданс, показанный на рисунке A.4. Переменными параметрами этого импеданса являются емкость Cs и частота (R1, C1 и R2 фиксированы). Посредством этих двух параметров с учетом рассмотрения возможности получения электрического ожога можно рассчитать максимально допустимое напряжение для испытательного щупа, например, как показано на рисунке 12 при допустимом токе прикосновения 70 мА (т.е. 35 В на R2) для некоторых значений емкости Cs.
Затем можно рассчитать максимальное напряжение для каждой частоты. На практике для расчета при частотах выше 100 кГц значениями R1 и C1 можно пренебречь.

- 10 пФ между щупом (экраном) и фольгой;

- 20 пФ между щупом (экраном) и фольгой;

- 50 пФ между щупом (экраном) и фольгой;

- 100 пФ между щупом (экраном) и фольгой
Рисунок 12 - Максимальное входное напряжение
испытательного щупа при токе прикосновения 70 мА
7.4 Средства защиты от поражения электрическим током
7.4.1 Общие положения
СОЕДИНИТЕЛИ должны соответствовать требованиям
7.4.2.
НАКОНЕЧНИКИ ЩУПОВ должны соответствовать требованиям
7.4.3.
Все другие ДОСТУПНЫЕ части сборки щупов следует защитить от того, чтобы они становились ОПАСНЫМИ ТОКОВЕДУЩИМИ в НОРМАЛЬНОМ СОСТОЯНИИ и при УСЛОВИЯХ ЕДИНИЧНОЙ НЕИСПРАВНОСТИ применением одного или нескольких из следующих способов:
a) ОСНОВНОЙ ИЗОЛЯЦИИ и импеданса (см.
7.4.4);
b) ЗАЩИТНОГО ИМПЕДАНСА (см.
7.4.5);
c) ДВОЙНОЙ ИЗОЛЯЦИИ, состоящей из ОСНОВНОЙ ИЗОЛЯЦИИ и ДОПОЛНИТЕЛЬНОЙ ИЗОЛЯЦИИ (см.
7.4.6);
d) УСИЛЕННОЙ ИЗОЛЯЦИИ (см.
7.4.6).
Примечание - ПРОВОД ЩУПА считают частью, удерживаемой вручную. Требования, относящиеся к ПРОВОДУ ЩУПА, приведены также в
разделе 12.
Соответствие проверяют осмотром и, в зависимости от применяемости, в соответствии с требованиями 7.4.2 - 7.4.6.
7.4.2.1 Общие положения
Изоляция, ДОСТУПНЫЕ части и ПРОМЕЖУТКИ для СОЕДИНИТЕЛЕЙ сборок щупов должны соответствовать применимым требованиям
7.4.2.2 -
7.4.2.4. Если СОЕДИНИТЕЛЬ предназначен для сопряжения с другим СОЕДИНИТЕЛЕМ или ВЫВОДОМ, имеющими отличающиеся НОМИНАЛЬНЫЕ ХАРАКТЕРИСТИКИ, применяют более низкую НОМИНАЛЬНУЮ ХАРАКТЕРИСТИКУ.
Изолирующие оболочки или втулки, закрывающие СОЕДИНИТЕЛИ, которые предназначены для того, чтобы ОПЕРАТОР удерживал их в руках или манипулировал ими при проведении измерений или испытаний и которые могут быть сняты или перемещены ОПЕРАТОРОМ без использования ИНСТРУМЕНТА, не считают обеспечивающими требуемую защиту от поражения электрическим током, за исключением случаев, когда они необходимы для подключения к испытательному или измерительному оборудованию, оснащенному ВЫВОДАМИ, которые не могут сопрягаться с полностью закрытыми оболочкой СОЕДИНИТЕЛЯМИ. Например, считают, что выдвижные изоляционные втулки не обеспечивают надлежащей защиты.
В
приложении E приведена информация о рекомендуемых размерах СОЕДИНИТЕЛЕЙ диаметром 4 мм, рассчитанных на напряжения до 1000 В.
Соответствие проверяется внешним осмотром.
7.4.2.2 СОЕДИНИТЕЛИ в полностью сопряженном положении
К СОЕДИНИТЕЛЯМ в полностью сопряженном положении предъявляют следующие требования:
a) ДОСТУПНЫЕ части СОЕДИНИТЕЛЕЙ, используемых только для подключения сборки щупов к испытательному или измерительному оборудованию и которые не предназначены для удержания в руках при проведении измерения, должны быть изолированы от ОПАСНЫХ ТОКОВЕДУЩИХ частей с помощью ОСНОВНОЙ ИЗОЛЯЦИИ;
b) ДОСТУПНЫЕ части СОЕДИНИТЕЛЕЙ, используемых для любых других целей или которые предназначены для удержания в руках при проведении измерений, должны быть изолированы от ОПАСНЫХ ТОКОВЕДУЩИХ частей ДВОЙНОЙ ИЗОЛЯЦИЕЙ или УСИЛЕННОЙ ИЗОЛЯЦИЕЙ.
Соответствие проверяют определением ДОСТУПНЫХ частей, как указано в 7.2 [см. рисунок 7b)] и в соответствии с требованиями 7.4.6 для ОСНОВНОЙ и УСИЛЕННОЙ ИЗОЛЯЦИИ.
7.4.2.3 СОЕДИНИТЕЛИ в частично сопряженном положении
ДОСТУПНЫЕ части СОЕДИНИТЕЛЕЙ в частично сопряженном положении должны быть изолированы от ОПАСНЫХ ТОКОВЕДУЩИХ частей ОСНОВНОЙ ИЗОЛЯЦИЕЙ.
Соответствие проверяют определением ДОСТУПНЫХ частей, как указано в 7.2 [см. рисунок 7 c)] и в соответствии с требованиями 7.4.6 для ОСНОВНОЙ ИЗОЛЯЦИИ.
7.4.2.4 СОЕДИНИТЕЛИ в несопряженном положении
К СОЕДИНИТЕЛЯМ, находящимся в несопряженном положении, в случае приложения РАСЧЕТНЫХ напряжений к другим СОЕДИНИТЕЛЯМ или НАКОНЕЧНИКАМ ЩУПА сборки щупов, применяют следующие требования:
1) ДОСТУПНЫЕ части СОЕДИНИТЕЛЕЙ с блокировкой или винтового типа в несопряженном положении, включая СОЕДИНИТЕЛИ, которые не требуют использования ИНСТРУМЕНТА для разблокировки или отвинчивания, могут быть ОПАСНЫМИ ТОКОВЕДУЩИМИ.
Соответствие проверяют осмотром;
2) ДОСТУПНЫЕ части несопряженных встроенных ВЫВОДОВ НАРАЩИВАЕМЫХ СОЕДИНИТЕЛЕЙ должны быть изолированы от ОПАСНЫХ ТОКОВЕДУЩИХ частей ОСНОВНОЙ ИЗОЛЯЦИЕЙ.
Соответствие проверяют определением ДОСТУПНЫХ частей, как указано в 7.2 [см. рисунок 7 d)] для части, указанной как позиция 1 на рисунке 1, и измерением ЗАЗОРОВ, указанных в 7.5.2 для ОСНОВНОЙ ИЗОЛЯЦИИ;
3) ДОСТУПНЫЕ части других несопряженных СОЕДИНИТЕЛЕЙ должны быть изолированы от ОПАСНЫХ ТОКОВЕДУЩИХ частей с помощью ЗАЩИТНОГО ИМПЕДАНСА (см.
7.4.5) или ПРОМЕЖУТКОВ, соответствующих требованиям, указанным в приведенных ниже
перечислениях a) и
b):
a) для СОЕДИНИТЕЛЕЙ с НОМИНАЛЬНЫМ напряжением до 20 кВ ЗАЗОР должен быть не менее применимого значения, указанного в
таблице 2.
Таблица 2
ЗАЗОРЫ для несопряженных СОЕДИНИТЕЛЕЙ
Максимальное напряжение, подаваемое на проводящие части СОЕДИНИТЕЛЕЙ, В | ЗАЗОР, мм |
для среднеквадратичного значения напряжения переменного тока | для напряжения постоянного тока |
600 | 0,8 | 0,8 |
1000 | 1,0 | 0,8 |
1500 | 2,0 | 1,1 |
2000 | 3,2 | 1,8 |
3000 | 6,4 | 3,5 |
5000 | 13 | 8,3 |
10000 | 30 | 20 |
15000 | 48 | 32 |
20000 | 67 | 44 |
Для максимальных среднеквадратических значений напряжений выше 30 В переменного тока или напряжений 60 В постоянного тока при подаваемом напряжении до 600 В ЗАЗОРЫ составляют 0,8 мм. Линейная интерполяция допускается при напряжении выше 600 В. |
Для СОЕДИНИТЕЛЕЙ с НОМИНАЛЬНЫМ напряжением свыше 20 кВ ЗАЗОР должен быть не менее значения
D2, указанного в
таблице 5 при
Um, равном 1,25-кратному пиковому значению РАСЧЕТНОГО напряжения (см.
7.5.2.3.2).
Если сборка щупов РАССЧИТАНА на работу на высоте более 2000 м, значение ЗАЗОРА должно быть увеличено путем умножения на применимый коэффициент, указанный в
таблице 3.
Соответствие проверяют одним из следующих испытаний:
i) определением ДОСТУПНЫХ частей, как указано в 7.2 [см. рисунок 7 d)] и измерением ЗАЗОРА, или
ii) испытанием напряжением переменного тока согласно 7.6.5.1 или напряжением постоянного тока согласно 7.6.5.2 для сборок щупов, на которые воздействует только постоянный ток, продолжительностью не менее 5 с, или испытанием импульсным напряжением согласно 7.6.5.3 с использованием испытательного напряжения из таблицы 11 для требуемого ЗАЗОРА.
Поправочные коэффициенты таблицы 12 применяют к значениям испытательных напряжений для ЗАЗОРОВ, приведенных в таблице 11.
b) Значения ПУТИ УТЕЧКИ должны быть не ниже применимых значений ЗАЗОРА, определенных в
перечислении a).
Соответствие проверяют определением ДОСТУПНЫХ частей, как указано в 7.2 [см. рисунок 7d)] и измерением ПУТИ УТЕЧКИ.
НАКОНЕЧНИКИ ЩУПОВ, которые могут стать ОПАСНЫМИ ТОКОВЕДУЩИМИ при НОРМАЛЬНОМ ПРИМЕНЕНИИ [см. также
7.1 b)], должны соответствовать требованиям одного из следующих подпунктов:
7.4.3.2 (если они защищены ЗАЩИТНЫМ ПРЕДОХРАНИТЕЛЕМ ПАЛЬЦЕВ),
7.4.3.3 (если они защищены посредством расстояний) или
7.4.3.4 (если они защищены тактильным индикатором). Кроме того, НАКОНЕЧНИКИ ЩУПОВ со степенью защиты IP 2X с выдвижной втулкой должны соответствовать требованиям
7.4.3.5.
НАКОНЕЧНИКИ ЩУПОВ, которые могут быть использованы в качестве СОЕДИНИТЕЛЕЙ, также должны соответствовать требованиям
7.4.3.6.
Примечание - Дополнительные требования к открытым токопроводящим частям НАКОНЕЧНИКОВ ЩУПОВ приведены в
разделе 13.
ПРУЖИННЫЕ ЗАЖИМЫ и аналогичные щупы, которые прокалывают изоляцию провода с целью прикосновения к нему для измерения напряжения, не должны иметь НОМИНАЛЬНОЕ напряжение, превышающее уровни, указанные в
7.3.2 a).
Соответствие проверяют осмотром и измерениями.
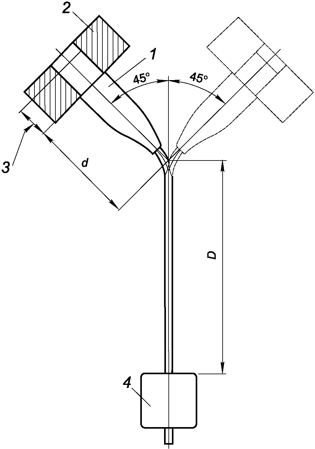
7.4.3.2 Защита с помощью ЗАЩИТНОГО ПРЕДОХРАНИТЕЛЯ ПАЛЬЦЕВ
Если токопроводящая часть НАКОНЕЧНИКА ЩУПА может стать ОПАСНОЙ ТОКОВЕДУЩЕЙ или если конец НАКОНЕЧНИКА ЩУПА может соприкоснутся с ОПАСНЫМ ТОКОВЕДУЩИМ проводником, то следует установить ЗАЩИТНЫЙ ПРЕДОХРАНИТЕЛЬ ПАЛЬЦЕВ для снижения риска прикосновения к оголенной части НАКОНЕЧНИКА ЩУПА и обеспечения индикации предела, за которым может быть опасно прикасаться к КОЖУХУ щупа во время применения.
ПРОМЕЖУТКИ между НАКОНЕЧНИКОМ ЩУПА и ЗАЩИТНЫМ ПРЕДОХРАНИТЕЛЕМ ПАЛЬЦЕВ со стороны руки должны соответствовать требованиям, установленным для УСИЛЕННОЙ ИЗОЛЯЦИИ.
Высота ЗАЩИТНОГО ПРЕДОХРАНИТЕЛЯ ПАЛЬЦЕВ со стороны, на которую предполагается прикладывать пальцы, должна составлять не менее 2 мм.
ЗАЩИТНЫЙ ПРЕДОХРАНИТЕЛЬ ПАЛЬЦЕВ сборок щупов, НОМИНАЛЬНОЕ напряжение которых превышает уровни, указанные в
7.3.2 a), должен охватывать по крайней мере 80% сторон, к которым предполагается прикладывать пальцы.
На
рисунке 13 приведены примеры сборок щупов с ЗАЩИТНЫМ ПРЕДОХРАНИТЕЛЕМ ПАЛЬЦЕВ и указаны применимые ПРОМЕЖУТКИ.
1 - НАКОНЕЧНИК ЩУПА; 2 - ПУТЬ УТЕЧКИ (вдоль поверхности);
3 - ЗАЗОР; 4 - область корпуса щупа, удерживаемая рукой;
5 - ЗАЩИТНЫЙ ПРЕДОХРАНИТЕЛЬ ПАЛЬЦЕВ
a) Сборка щупов для прямого электрического подключения
1 - НАКОНЕЧНИК ЩУПА (изолированный); 2 - ЗАЩИТНЫЙ
ПРЕДОХРАНИТЕЛЬ ПАЛЬЦЕВ; 3 - область корпуса
щупа, удерживаемая рукой; 4 - ЗАЗОР; 5 - ПУТЬ
УТЕЧКИ (вдоль поверхности)
b) Сборка щупов типа F для бесконтактного измерения
Рисунок 13 - Защита с помощью ЗАЩИТНОГО
ПРЕДОХРАНИТЕЛЯ ПАЛЬЦЕВ
7.4.3.3 Защита расстоянием
Допускается использовать ПРУЖИННЫЕ ЗАЖИМЫ, РАССЧИТАННЫЕ на напряжение до 1 кВ, без применения ЗАЩИТНОГО ПРЕДОХРАНИТЕЛЯ ПАЛЬЦЕВ при условии, что:
a) срабатывание пружинного механизма предотвращает прикосновение ОПЕРАТОРА к ОПАСНОЙ ТОКОВЕДУЩЕЙ части и
b) ПРОМЕЖУТКИ между НАКОНЕЧНИКОМ ЩУПА и ближайшей поверхностью, к которой ОПЕРАТОР должен прикоснуться для приведения механизма в действие, увеличены на дополнительное защитное расстояние, составляющее 45 мм.
На
рисунке 14 приведен пример сборки щупа, защищенного расстоянием, и указаны применимые ПРОМЕЖУТКИ.
1 - НАКОНЕЧНИК ЩУПА; 2 - ПРОМЕЖУТКИ согласно
требованиям
7.5;
3 - дополнительное защитное расстояние;
4 - исполнительные части; 5 - область корпуса
щупа, удерживаемая рукой
Рисунок 14 - Защита расстоянием
7.4.3.4 Защита тактильным индикатором
ПРУЖИННЫЕ ЗАЖИМЫ, РАССЧИТАННЫЕ на КАТЕГОРИЮ ИЗМЕРЕНИЯ II или без установленной КАТЕГОРИИ ИЗМЕРЕНИЯ на максимальное напряжение 300 В, которые требуют давление пальцем под углом около 90° к оси зажима, допускаются к применению без наличия ЗАЩИТНОГО ПРЕДОХРАНИТЕЛЯ ПАЛЬЦЕВ, при условии наличия тактильного индикатора, указывающего предел безопасного доступа ОПЕРАТОРА.
Пример - На рисунке 15 приведен пример ПРУЖИННОГО ЗАЖИМА с тактильным индикатором.
1 - тактильный индикатор; 2 - металлические зажимы;
3 - изолированные металлические зажимы
Рисунок 15 - Защита посредством тактильного индикатора
7.4.3.5 НАКОНЕЧНИКИ ЩУПОВ IP2X с выдвижной втулкой
Сборки щупов IP2X представляют собой сборки щупов с НАКОНЕЧНИКАМИ ЩУПОВ, имеющих степень защиты IP2X.
ОПАСНЫЕ ТОКОВЕДУЩИЕ части НАКОНЕЧНИКА ЩУПА со степенью защиты IP2X предотвращают ДОСТУП посредством выдвижной втулки. В нерабочем положении втулка закрывает НАКОНЕЧНИК ЩУПА. Втулка может быть втянута произвольно, нажатием на спусковой механизм или приложением усилия, превышающего значение, указанное в IEC 60529:1989 (таблица 6). Когда втулка втянута, рука ОПЕРАТОРА удерживает корпус щупа.
Пример - На рисунке 16 приведен пример сборки щупов с НАКОНЕЧНИКОМ ЩУПА IP2X.
1 - НАКОНЕЧНИК ЩУПА; 2 - выдвижная втулка;
3 - спусковой механизм; 4 - ЗАЩИТНЫЙ ПРЕДОХРАНИТЕЛЬ ПАЛЬЦЕВ
Рисунок 16 - Пример сборки щупов с НАКОНЕЧНИКОМ ЩУПА IP2X
НАКОНЕЧНИКИ ЩУПОВ IP2X с выдвижной втулкой не обеспечивают специальной защиты от риска короткого замыкания.
Токопроводящие части сборок щупов с НАКОНЕЧНИКОМ ЩУПА IP2X не должны быть ДОСТУПНЫ, когда втулка находится в нерабочем положении.
Соответствие проверяют определением ДОСТУПНЫХ частей при проведении испытания в соответствии с IEC 60529:1989, подраздел 12.2.
7.4.3.6 НАКОНЕЧНИКИ ЩУПОВ, используемые в качестве СОЕДИНИТЕЛЕЙ
НАКОНЕЧНИКИ ЩУПОВ, которые могут быть использованы в качестве СОЕДИНИТЕЛЕЙ и предназначенные для соединения с конкретными принадлежностями (например, с ПРУЖИННЫМ ЗАЖИМОМ), в сочетании с такими принадлежностями должны также соответствовать требованиям, предъявляемым к СОЕДИНИТЕЛЯМ в полностью сопряженном положении (см.
7.4.2.2) и частично сопряженном положении (см.
7.4.2.3).
Импеданс, используемый в качестве дополнительного средства защиты в сочетании с ОСНОВНОЙ ИЗОЛЯЦИЕЙ, должен соответствовать всем следующим требованиям:
a) должен ограничивать ток или напряжение на уровнях, не превышающих применимые уровни, указанные в
7.3.3;
b) должен быть РАССЧИТАН на РАБОЧЕЕ НАПРЯЖЕНИЕ и количество энергии, которое он будет рассеивать;
c) ПРОМЕЖУТКИ между выводами импеданса должны соответствовать применимым требованиям
7.5 для ОСНОВНОЙ ИЗОЛЯЦИИ.
Соответствие проверяют осмотром, проведением измерения напряжения или тока для подтверждения того, что они не превышают уровни, указанные в 7.3.3, и измерением ПРОМЕЖУТКОВ, установленных в 7.5.
ЗАЩИТНЫЙ ИМПЕДАНС должен ограничивать ток или напряжение до уровней, указанных в
7.3.2 при НОРМАЛЬНОМ СОСТОЯНИИ и
7.3.3 при УСЛОВИЯХ ЕДИНИЧНОЙ НЕИСПРАВНОСТИ (см. также
5.4.2.2).
Изоляция между выводами ЗАЩИТНОГО ИМПЕДАНСА должна соответствовать требованиям
7.4.6 для УСИЛЕННОЙ ИЗОЛЯЦИИ.
ЗАЩИТНЫЙ ИМПЕДАНС должен представлять собой один или несколько из следующих элементов:
a) соответствующий отдельный компонент, который должен быть изготовлен, выбран и испытан таким образом, чтобы была обеспечена безопасность и надежность защиты от поражения электрическим током. В частности, компонент должен быть:
1) РАССЧИТАН на удвоенное РАБОЧЕЕ НАПРЯЖЕНИЕ;
2) РАССЧИТАН на удвоенную рассеиваемую мощность при РАБОЧЕМ НАПРЯЖЕНИИ, если он представляет собой резистор;
3) РАССЧИТАН на максимальное переходное перенапряжение, если он представляет собой конденсатор;
b) комбинацию компонентов.
При использовании комбинации компонентов ПРОМЕЖУТКИ должны учитывать РАБОЧЕЕ НАПРЯЖЕНИЕ на каждой изоляции.
ЗАЩИТНЫЙ ИМПЕДАНС не должен представлять собой отдельное электронное устройство, в котором используется электронная проводимость в вакууме, газе или полупроводнике.
Соответствие проверяют осмотром, измерением тока или напряжения для подтверждения того, что они не превышают применимые уровни, указанные в 7.3, а также измерением ПРОМЕЖУТКОВ в соответствии с требованиями 7.5. Соответствие отдельного компонента проверяют оценкой его НОМИНАЛЬНЫХ ХАРАКТЕРИСТИК.
7.4.6 ОСНОВНАЯ ИЗОЛЯЦИЯ, ДОПОЛНИТЕЛЬНАЯ ИЗОЛЯЦИЯ, ДВОЙНАЯ ИЗОЛЯЦИЯ и УСИЛЕННАЯ ИЗОЛЯЦИЯ
ПРОМЕЖУТКИ и твердая изоляция, образующая ОСНОВНУЮ ИЗОЛЯЦИЮ, ДОПОЛНИТЕЛЬНУЮ ИЗОЛЯЦИЮ или УСИЛЕННУЮ ИЗОЛЯЦИЮ между ДОСТУПНЫМИ частями и ОПАСНЫМИ ТОКОВЕДУЩИМИ частями, должны соответствовать применимым требованиям
7.5.
ДВОЙНАЯ ИЗОЛЯЦИЯ состоит из ОСНОВНОЙ и ДОПОЛНИТЕЛЬНОЙ ИЗОЛЯЦИИ, каждая из которых должна соответствовать применимым требованиям
7.5.
Соответствие проверяют согласно требованиям 7.5.
7.5 Требования к изоляции
7.5.1 Характер изоляции
Измерительные цепи подвергаются воздействию РАБОЧИХ НАПРЯЖЕНИЙ и переходных напряжений со стороны цепи, к которой они подключены во время измерения или испытания. Если измерительная цепь используется для измерения параметров сетевых источников питания или цепей, непосредственно подключенных к ним, переходные напряжения можно оценить по размещению внутри установки, в которой выполняют измерения. Если измерительную цепь используют для измерения любого другого электрического сигнала, ОПЕРАТОР должен учитывать переходные напряжения, чтобы убедиться, что они не превышают возможности сборки щупов.
Требования к изоляции зависят:
a) от требуемого уровня изоляции (ОСНОВНАЯ ИЗОЛЯЦИЯ, ДОПОЛНИТЕЛЬНАЯ ИЗОЛЯЦИЯ или УСИЛЕННАЯ ИЗОЛЯЦИЯ);
b) максимального переходного перенапряжения, которое может возникнуть в цепи в результате внешнего события (например, удара молнии или коммутационного переходного процесса) или в результате функционирования сборки щупов;
c) РАБОЧЕГО НАПРЯЖЕНИЯ;
d) СТЕПЕНИ ЗАГРЯЗНЕНИЯ окружающей микросреды;
e) изоляции между цепями и ДОСТУПНЫМИ частями (см.
7.2) или между отдельными цепями, включающими ПРОМЕЖУТКИ, твердую изоляцию или комбинацию ПРОМЕЖУТКОВ и твердой изоляции.
ПРОМЕЖУТКИ представляют собой комбинацию ЗАЗОРОВ и ПУТЕЙ УТЕЧКИ, которые указаны в
7.5.2 и
7.5.3, которые позволяют выдерживать напряжения, возникающие в системе, для работы в которой предназначена сборка щупов. Кроме того, их выбирают с учетом предполагаемых условий окружающей среды и любых защитных устройств, установленных внутри сборки щупов или требуемых в соответствии с инструкцией изготовителя.
7.5.2.1 Общие положения
ЗАЗОРЫ должны быть установлены такими, чтобы выдерживать максимальное переходное перенапряжение, которое может присутствовать в цепи, к которой может быть подключена сборка щупов при НОРМАЛЬНОМ ПРИМЕНЕНИИ. Если переходные перенапряжения не могут возникнуть, ЗАЗОРЫ определяют на основе РАБОЧЕГО НАПРЯЖЕНИЯ.
Значения ЗАЗОРОВ, приведенные в
таблице 4 и
таблице 5, основаны на условиях абсолютной неоднородности поля. Уменьшенные значения ЗАЗОРОВ могут быть применены к конструкциям, форма которых обеспечивает более однородные условия, поскольку диэлектрическая прочность воздушного разрыва зависит от формы электрического поля внутри разрыва, а также от его ширины.
Для таких более однородных конструкций невозможно указать конкретное значение уменьшенного ЗАЗОРА, но его можно проверить испытанием напряжением (см.
7.6). ЗАЗОРЫ, соответствующие значениям, указанным в
таблицах 4 и
5, будут соответствовать требованиям для любой конструкции и не требуют проведения испытания напряжением, и могут быть проверены только измерением.
Если сборка щупов РАССЧИТАНА для работы на высоте более 2000 м, значения ЗАЗОРОВ увеличивают путем умножения на соответствующий коэффициент, указанный в
таблице 3.
Таблица 3
Коэффициенты умножения для ЗАЗОРОВ сборок
щупов, РАССЧИТАННЫХ для работы на высотах до 5000 м
РАСЧЕТНАЯ рабочая высота, м | Коэффициент умножения |
До 2000 | 1,00 |
От 2001 до 3000 | 1,14 |
От 3001 до 4000 | 1,29 |
От 4001 до 5000 | 1,48 |
Для ОСНОВНОЙ, ДОПОЛНИТЕЛЬНОЙ ИЗОЛЯЦИИ и УСИЛЕННОЙ ИЗОЛЯЦИИ минимальное значение ЗАЗОРА для СТЕПЕНИ ЗАГРЯЗНЕНИЯ 2 составляет 0,2 мм, а для СТЕПЕНИ ЗАГРЯЗНЕНИЯ 3 - 0,8 мм.
Подробная информация о том, как измерять ЗАЗОРЫ приведена в
приложении C.
ЗАЗОРЫ для СОЕДИНИТЕЛЕЙ определены в
7.4.2. ЗАЗОРЫ для сборок щупов, РАССЧИТАННЫХ на КАТЕГОРИИ ИЗМЕРЕНИЙ, определены в
7.5.2.2. ЗАЗОРЫ для сборок щупов, не РАССЧИТАННЫХ на КАТЕГОРИИ ИЗМЕРЕНИЙ, определены в
7.5.2.3.
7.5.2.2 ЗАЗОРЫ для сборок щупов, РАССЧИТАННЫХ на КАТЕГОРИИ ИЗМЕРЕНИЙ
ЗАЗОРЫ для сборок щупов, рассчитанных на КАТЕГОРИИ ИЗМЕРЕНИЙ, указаны в
таблице 4.
Таблица 4
ЗАЗОРЫ для сборок щупов, РАССЧИТАННЫХ на КАТЕГОРИИ ИЗМЕРЕНИЙ
Значение напряжения измеряемой сети (среднеквадратичное значение напряжения переменного тока линия - нейтраль или напряжение постоянного тока), В | ЗАЗОР, мм |
ОСНОВНАЯ ИЗОЛЯЦИЯ и ДОПОЛНИТЕЛЬНАЯ ИЗОЛЯЦИЯ | УСИЛЕННАЯ ИЗОЛЯЦИЯ |
КАТЕГОРИЯ ИЗМЕРЕНИЙ | КАТЕГОРИЯ ИЗМЕРЕНИЙ |
II | III | IV | II | III | IV |
< 50 | 0,04 | 0,10 | 0,50 | 0,10 | 0,32 | 1,4 |
> 50 <= 100 | 0,10 | 0,50 | 1,5 | 0,32 | 1,4 | 3,0 |
> 100 <= 150 | 0,50 | 1,5 | 3,0 | 1,4 | 3,0 | 6,0 |
> 150 <= 300 | 1,5 | 3,0 | 5,5 | 3,0 | 6,0 | 10,4 |
> 300 <= 600 | 3,0 | 5,5 | 8,0 | 6,0 | 10,4 | 15,0 |
> 600 <= 1000 | 5,5 | 8,0 | 14,0 | 10,4 | 15,0 | 23,9 |
> 1000 <= 1500 | 8,0 | 11,0 | 18,0 | 16,0 | 22 | 36 |
> 1500 <= 2000 | 14,0 | 18,0 | 22,0 | 28,0 | 36 | 44 |
> 2000 <= 3000 | 18,0 | 22,0 | 25,0 | 36 | 44 | 50 |
Соответствие проверяют осмотром и измерением или испытанием напряжением переменного тока согласно 7.6.5.1, или постоянного тока согласно 7.6.5.2 для сборок щупов, работающих только на постоянном токе продолжительностью не менее 5 с, или испытанием импульсным напряжением согласно 7.6.5.3 с использованием испытательного напряжения, указанного в таблице 11, для требуемого ЗАЗОРА.
7.5.2.3 ЗАЗОРЫ для сборок щупов, которые не РАССЧИТАНЫ на КАТЕГОРИИ ИЗМЕРЕНИЙ
7.5.2.3.1 Общие положения
ЗАЗОРЫ для сборок щупов, которые не РАССЧИТАНЫ на КАТЕГОРИИ ИЗМЕРЕНИЙ, рассчитывают в соответствии с
7.5.2.3.2.
ЗАЗОРЫ определяют в соответствии с
7.5.2.3.3, и больший из двух ЗАЗОРОВ является требуемым ЗАЗОРОМ, если он обладает одной из следующих характеристик, указанных в
перечислениях a) или
b):
a) РАБОЧЕЕ НАПРЯЖЕНИЕ содержит повторяющееся пиковое напряжение, которое может включать в себя периодический несинусоидальный сигнал или непериодический сигнал, возникающий с некоторой регулярностью;
b) РАБОЧЕЕ НАПРЯЖЕНИЕ имеет частоту выше 30 кГц.
ЗАЗОРЫ для ОСНОВНОЙ и ДОПОЛНИТЕЛЬНОЙ ИЗОЛЯЦИИ определяют по следующей формуле
DBI = D1 + F(D2 - D1),
где DBI - определяемый ЗАЗОР;
F - коэффициент, определяемый по одному из уравнений:
F = (1,25Uw/Um) - 0,25, если Uw/Um > 0,2,
F = 0, если Uw/Um <= 0,2,
где Um = Uw + Ut;
Uw - максимальное пиковое значение РАБОЧЕГО НАПРЯЖЕНИЯ;
Ut - максимальное дополнительное переходное перенапряжение;
D1 и
D2 - значения, взятые из
таблицы 5 для
Um,
где D1 - представляет ЗАЗОР, который был бы применим к переходному перенапряжению в форме импульса 1,2·50 мкс;
D2 - представляет ЗАЗОР, который был бы применим к пиковому РАБОЧЕМУ НАПРЯЖЕНИЮ без какого-либо переходного перенапряжения.
Значения ЗАЗОРОВ для УСИЛЕННОЙ ИЗОЛЯЦИИ в два раза превышают значения для ОСНОВНОЙ ИЗОЛЯЦИИ.
Соответствие проверяют осмотром и измерением или испытанием напряжением переменного тока согласно 7.6.5.1 продолжительностью не менее 5 с, или напряжением постоянного тока согласно 7.6.5.2 для сборок щупов, подвергаемых воздействию только постоянного тока продолжительностью не менее 5 с, или испытанием импульсным напряжением согласно 7.6.5.3, с использованием применимого испытательного напряжения из таблицы 11 для требуемого ЗАЗОРА.
Поправочные коэффициенты таблицы 12 применимы к значениям испытательных напряжений.
Таблица 5
Максимальное напряжение Um, В | ЗАЗОР, мм |
D1 | D2 |
От 14,1 до 266 | 0,010 | 0,010 |
283 | 0,010 | 0,010 |
330 | 0,010 | 0,010 |
354 | 0,012 | 0,013 |
453 | 0,030 | 0,030 |
500 | 0,040 | 0,040 |
566 | 0,053 | 0,053 |
707 | 0,081 | 0,097 |
800 | 0,10 | 0,13 |
891 | 0,12 | 0,19 |
1130 | 0,22 | 0,36 |
1410 | 0,43 | 0,66 |
1500 | 0,50 | 0,76 |
1770 | 0,77 | 1,04 |
2260 | 1,26 | 1,55 |
2500 | 1,50 | 1,80 |
2830 | 1,83 | 2,2 |
3540 | 2,54 | 3,16 |
4000 | 3,00 | 3,80 |
4530 | 3,53 | 4,80 |
5660 | 4,99 | 7,15 |
6000 | 5,50 | 7,90 |
7070 | 6,84 | 9,55 |
8000 | 8,00 | 11,0 |
8910 | 9,37 | 12,9 |
11300 | 13,0 | 17,7 |
14100 | 16,8 | 23,2 |
17700 | 21,8 | 29,9 |
22600 | 29,2 | 39,2 |
28300 | 37,6 | 51,3 |
35400 | 50,8 | 66,9 |
45300 | 68,0 | 89,2 |
56600 | 85,0 | 115 |
70700 | 111 | 148 |
89100 | 148 | 190 |
100000 | 170 | 215 |
Допускается линейная интерполяция. |
Примечание - Ниже приведен пример расчета:
ЗАЗОР DRI для УСИЛЕННОЙ ИЗОЛЯЦИИ для РАБОЧЕГО НАПРЯЖЕНИЯ с пиковым значением 3500 В и дополнительным переходным напряжением 4500 В (которое можно ожидать в электронной схеме переключения) рассчитывают следующим образом:
Максимальное напряжение Um = Uw + Ut = 3500 + 4500 = 8000 В;
Uw/Um = 3500/8000 = 0,44 > 0,2;
тогда F = (1,25·Uw/Um) - 0,25 = (1,25·3500/8000) - 0,25 =
= 0,297.
Значение, определенное из
таблицы 5 для 8000 В:
D1 = 8,00 мм, D2 = 11,0 мм;
DBI = D1 + F(D2 - D1) = 8,00 + 0,297(11,0 - 8,00) =
= 8,00 + 0,89 = 8,89 мм.
Для УСИЛЕННОЙ ИЗОЛЯЦИИ значение удваивают DRI = 2DBI = 17,8 мм.
7.5.2.3.3 ЗАЗОРЫ для сборок щупов, подвергающихся воздействию повторяющихся пиковых напряжений или РАБОЧИХ НАПРЯЖЕНИЙ с частотами выше 30 кГц или и того, и другого одновременно
ЗАЗОРЫ для ОСНОВНОЙ ИЗОЛЯЦИИ и ДОПОЛНИТЕЛЬНОЙ ИЗОЛЯЦИИ для сборок щупов, подвергающихся воздействию повторяющихся пиковых напряжений с частотами не более 30 кГц должны соответствовать значениям, указанным во
втором столбце таблицы 6, при использовании в качестве экспоненты значения повторяющегося пикового напряжения (см.
рисунок 17 в качестве примера сигнала повторяющегося пикового напряжения).
Примечание - В большинстве практических повторяющихся сигналов основная частота имеет существенно большую амплитуду, чем гармоники. Следовательно, основную частоту используют для того, чтобы определить превышает ли частота сигнала значение 30 кГц. Однако для определения ПРОМЕЖУТКОВ используют пиковую амплитуду сигнала, а не пиковую амплитуду основной составляющей сигнала. Для получения дополнительной информации см. раздел E.2 из IEC 60664-4:2005.
A - пиковое значение повторяющегося напряжения;
B - значение РАБОЧЕГО НАПРЯЖЕНИЯ
Рисунок 17 - Пример повторяющегося пикового напряжения
Таблица 6
ЗАЗОРЫ для ОСНОВНОЙ ИЗОЛЯЦИИ сборок щупов, подвергаемых
воздействию повторяющихся пиковых напряжений
или РАБОЧИХ НАПРЯЖЕНИЙ с частотами выше 30 кГц
Пиковое значение напряжения, В | ЗАЗОР, мм |
| |
От 0 до 330 | 0,01 | 0,02 |
400 | 0,02 | 0,04 |
500 | 0,04 | 0,07 |
600 | 0,06 | 0,11 |
800 | 0,13 | 0,26 |
1000 | 0,26 | 0,48 |
1200 | 0,42 | 0,76 |
1500 | 0,76 | 1,1 |
2000 | 1,27 | 1,8 |
2500 | 1,8 | 2,6 |
3000 | 2,4 | 3,5 |
4000 | 3,8 | 5,7 |
5000 | 5,7 | 8 |
6000 | 7,9 | 10 |
8000 | 11 | 15 |
10 000 | 15,2 | 20 |
12 000 | 19 | 25 |
15 000 | 25 | 32 |
20 000 | 34 | 44 |
25 000 | 44 | 58 |
30 000 | 55 | 72 |
40 000 | 77 | 100 |
50 000 | 100 | |
Допускается линейная интерполяция. |
ЗАЗОРЫ для ОСНОВНОЙ ИЗОЛЯЦИИ и ДОПОЛНИТЕЛЬНОЙ ИЗОЛЯЦИИ для сборок щупов, которые подвергаются воздействию РАБОЧИХ НАПРЯЖЕНИЙ с частотами выше 30 кГц, должны соответствовать значениям, указанным в
третьем столбце таблицы 6, с использованием в качестве экспоненты пикового значения РАБОЧЕГО НАПРЯЖЕНИЯ.
ЗАЗОРЫ для ОСНОВНОЙ ИЗОЛЯЦИИ и ДОПОЛНИТЕЛЬНОЙ ИЗОЛЯЦИИ для сборок щупов, которые могут подвергаться воздействию как повторяющихся пиковых напряжений, так и РАБОЧИХ НАПРЯЖЕНИЙ с частотами выше 30 кГц, должны соответствовать более высокому из указанных требований.
Значения ЗАЗОРОВ для УСИЛЕННОЙ ИЗОЛЯЦИИ в два раза превышают значения, применяемые для ОСНОВНОЙ ИЗОЛЯЦИИ.
Соответствие проверяют осмотром и измерением.
ПУТИ УТЕЧКИ защищают от образования трекинга на поверхности изоляции, который является долговременным процессом. Поэтому их соответствие не может быть подтверждено испытанием напряжением, но они должны быть измерены, как указано в
приложении C.
ПУТИ УТЕЧКИ для ОСНОВНОЙ ИЗОЛЯЦИИ или ДОПОЛНИТЕЛЬНОЙ ИЗОЛЯЦИИ сборок щупов должны соответствовать применимым значениям, приведенным в
таблице 7, основанным на значениях РАБОЧЕГО НАПРЯЖЕНИЯ, которое воздействует на изоляцию.
Таблица 7
ПУТИ УТЕЧКИ для ОСНОВНОЙ ИЗОЛЯЦИИ
или ДОПОЛНИТЕЛЬНОЙ ИЗОЛЯЦИИ
РАБОЧЕЕ НАПРЯЖЕНИЕ (среднеквадратичное значение напряжения переменного тока или напряжение постоянного тока), В | ПУТЬ УТЕЧКИ, мм |
Материал печатной платы | Другой изоляционный материал |
СТЕПЕНЬ ЗАГРЯЗНЕНИЯ | СТЕПЕНЬ ЗАГРЯЗНЕНИЯ |
1 | 2 | 1 | 2 | 3 |
10 | 0,025 | 0,04 | 0,08 | 0,40 | 1,00 |
12,5 | 0,025 | 0,04 | 0,09 | 0,42 | 1,05 |
16 | 0,025 | 0,04 | 0,1 | 0,45 | 1,10 |
20 | 0,025 | 0,04 | 0,11 | 0,48 | 1,20 |
25 | 0,025 | 0,04 | 0,125 | 0,50 | 1,25 |
32 | 0,025 | 0,04 | 0,14 | 0,53 | 1,3 |
40 | 0,025 | 0,04 | 0,16 | 0,56 | 1,4 |
50 | 0,025 | 0,04 | 0,18 | 0,60 | 1,5 |
63 | 0,040 | 0,063 | 0,20 | 0,63 | 1,6 |
80 | 0.063 | 0,10 | 0,22 | 0,67 | 1,7 |
100 | 0,10 | 0,16 | 0,25 | 0,71 | 1,8 |
125 | 0,16 | 0,25 | 0,28 | 0,75 | 1,9 |
160 | 0,25 | 0,40 | 0,32 | 0,80 | 2,0 |
200 | 0,40 | 0,63 | 0,42 | 1,00 | 2,5 |
250 | 0,56 | 1,0 | 0,56 | 1,25 | 3,2 |
320 | 0,75 | 1,6 | 0,75 | 1,60 | 4,0 |
400 | 1,0 | 2,0 | 1,0 | 2,0 | 5,0 |
500 | 1,3 | 2,5 | 1,3 | 2,5 | 6,3 |
630 | 1,8 | 3,2 | 1,8 | 3,2 | 8,0 |
800 | 2,4 | 4,0 | 2,4 | 4,0 | 10,0 |
1000 | 3,2 | 5,0 | 3,2 | 5,0 | 12,5 |
1250 | 4,2 | 6,3 | 4,2 | 6,3 | 16 |
1600 | 5,6 | 8,0 | 5,6 | 8,0 | 20 |
2000 | 7,5 | 10,0 | 7,5 | 10,0 | 25 |
2500 | 10,0 | 12,5 | 10,0 | 12,5 | 32 |
3200 | 12,5 | 16 | 12,5 | 16 | 40 |
4000 | 16 | 20 | 16 | 20 | 50 |
5000 | 20 | 25 | 20 | 25 | 63 |
6300 | 25 | 32 | 25 | 32 | 80 |
8000 | 32 | 40 | 32 | 40 | 100 |
10 000 | 40 | 50 | 40 | 50 | 125 |
12 500 | 50 | 63 | 50 | 63 | 156 |
16 000 | 63 | 80 | 63 | 80 | 200 |
20 000 | 80 | 100 | 80 | 100 | 250 |
25 000 | 100 | 125 | 100 | 125 | 315 |
32 000 | 125 | 160 | 125 | 160 | 400 |
40 000 | 160 | 200 | 160 | 200 | 500 |
50 000 | 200 | 250 | 200 | 250 | 625 |
63 000 | 250 | 320 | 250 | 320 | 790 |
Допускается линейная интерполяция. |
Значения для УСИЛЕННОЙ ИЗОЛЯЦИИ в два раза превышают значения для ОСНОВНОЙ ИЗОЛЯЦИИ.
Покрытия, соответствующие требованиям IEC 61010-1:2010 (приложение H) и IEC 61010-1:2010/AMD1:2016 (приложение H) при нанесении на наружные поверхности печатных плат снижают СТЕПЕНЬ ЗАГРЯЗНЕНИЯ области покрытия до СТЕПЕНИ ЗАГРЯЗНЕНИЯ 1.
Соответствие проверяют осмотром и измерением.
7.5.4 Твердая изоляция для сборок щупов
7.5.4.1 Общие положения
Термин "твердая изоляция" используют для описания множества различных типов конструкций, включая монолитные блоки из изоляционного материала и изоляционные подсистемы, состоящие из множества изоляционных материалов, расположенных слоями или иным образом.
Электрическая прочность твердой изоляции значительно выше, чем у такой же толщины воздуха. Поэтому изолирующие расстояния через твердую изоляцию обычно меньше, чем расстояния через воздух. В результате электрические поля в твердой изоляции обычно выше и часто менее однородны.
Твердый изоляционный материал может содержать разрывы или пустоты. В случае, если система сплошной изоляции конструктивно состоит из слоев твердых материалов, между слоями также могут быть разрывы или пустоты. Такие пустоты будут возмущать электрическое поле так, что непропорционально большая часть электрического поля оказывается в пустоте, что может потенциально вызвать ионизацию внутри пустоты, которая приводит к частичному разряду. Такие частичные разряды влияют на прилегающую твердую изоляцию и могут сократить срок ее службы.
Твердая изоляция не является возобновляемым материалом - повреждения накапливаются в течение срока службы оборудования. Твердая изоляция также подвержена старению и деградации в результате повторных испытаний высоким напряжением.
7.5.4.2 Твердая изоляция для сборок щупов, РАССЧИТАННЫХ на КАТЕГОРИИ ИЗМЕРЕНИЙ
7.5.4.2.1 Общие положения
Твердая изоляция сборок щупов, рассчитанных на КАТЕГОРИИ ИЗМЕРЕНИЙ, должна выдерживать электрические и механические нагрузки, которые могут возникать при НОРМАЛЬНОМ ПРИМЕНЕНИИ и во всех РАСЧЕТНЫХ условиях окружающей среды (см.
4.4) в течение предполагаемого срока службы сборки щупа.
Соответствие проверяют с помощью обоих следующих испытаний:
a) испытания импульсным напряжением согласно 7.6.5.3 с использованием применимого испытательного напряжения, указанного в таблице 8, или, в качестве альтернативы, испытания напряжением переменного тока согласно 7.6.5.1 с использованием применимого испытательного напряжения, указанного в таблице 9, продолжительностью не менее 5 с;
b) испытания напряжением переменного тока согласно 7.6.5.1 для сборок щупов, подвергаемых воздействию переменного тока или как переменного, так и постоянного тока, или для сборок щупов, подвергаемых воздействию только постоянного тока согласно 7.6.5.2 с использованием испытательного напряжения, определенного в 7.5.4.2.2, продолжительностью не менее 1 мин.
Примечание - Испытанием, приведенным в
перечислении a), проверяют влияние переходных перенапряжений, а испытанием, приведенным в
перечислении b), проверяют влияние долговременного воздействия на твердую изоляцию.
Таблица 8
Импульсные испытательные напряжения для проверки
электрической прочности твердой изоляции сборок
щупов, РАССЧИТАННЫХ на КАТЕГОРИИ ИЗМЕРЕНИЙ
Значение напряжения измеряемой сети (среднеквадратичное значение напряжения переменного тока линия - нейтраль или напряжение постоянного тока), В | Импульсное испытательное напряжение (пиковое), В |
ОСНОВНАЯ ИЗОЛЯЦИЯ и ДОПОЛНИТЕЛЬНАЯ ИЗОЛЯЦИЯ | УСИЛЕННАЯ ИЗОЛЯЦИЯ |
КАТЕГОРИЯ ИЗМЕРЕНИЙ | КАТЕГОРИЯ ИЗМЕРЕНИЙ |
II | III | IV | II | III | IV |
< 50 | 500 | 800 | 1500 | 800 | 1280 | 2400 |
> 50 <= 100 | 800 | 1500 | 2500 | 1280 | 2400 | 4000 |
> 100 <= 150 | 1500 | 2500 | 4000 | 2400 | 4000 | 6400 |
> 150 <= 300 | 2500 | 4000 | 6000 | 4000 | 6400 | 9600 |
> 300 <= 600 | 4000 | 6000 | 8000 | 6400 | 9600 | 12 800 |
> 600 <= 1000 | 6000 | 8000 | 12 000 | 9600 | 12 800 | 19 200 |
> 1000 <= 1500 | 8000 | 10 000 | 15 000 | 13 500 | 17 900 | 27 100 |
> 1500 <= 2000 | 12 000 | 15 000 | 18 000 | 21 400 | 27 100 | 32 000 |
> 2000 <= 3000 | 15 000 | 18 000 | 20 000 | 27 100 | 32 000 | 36 000 |
Таблица 9
Испытательные напряжения переменного тока для проверки
электрической прочности твердой изоляции сборок
щупов, РАССЧИТАННЫХ на КАТЕГОРИИ ИЗМЕРЕНИЙ
Значение напряжения измеряемой сети (среднеквадратичное значение напряжения переменного тока линия - нейтраль или напряжение постоянного тока), В | Испытательное напряжение переменного тока, В |
ОСНОВНАЯ и ДОПОЛНИТЕЛЬНАЯ ИЗОЛЯЦИЯ | УСИЛЕННАЯ ИЗОЛЯЦИЯ |
КАТЕГОРИЯ ИЗМЕРЕНИЙ | КАТЕГОРИЯ ИЗМЕРЕНИЙ |
II | III | IV | II | III | IV |
< 50 | 370 | 500 | 840 | 500 | 720 | 1300 |
> 50 <= 100 | 500 | 840 | 1400 | 720 | 1300 | 4000 |
> 100 <= 150 | 840 | 1400 | 4000 | 1300 | 2200 | 3500 |
> 150 <= 300 | 1400 | 2200 | 3300 | 2200 | 3500 | 5100 |
> 300 <= 600 | 2200 | 3300 | 4300 | 3500 | 5100 | 7000 |
> 600 <= 1000 | 3300 | 4300 | 6600 | 5100 | 7000 | 10 000 |
> 1000 <= 1500 | 4300 | 5400 | 8200 | 7400 | 9700 | 15 000 |
> 1500 <= 2000 | 6600 | 8200 | 9700 | 12 000 | 15 000 | 18 000 |
> 2000 <= 3000 | 8200 | 9700 | 11 000 | 15 000 | 18 000 | 20 000 |
7.5.4.2.2 Расчет значения испытательного напряжения при долговременном воздействии
Значения испытательного напряжения для испытания твердой изоляции при долговременном воздействии определяют согласно указанному ниже.
Значение испытательного напряжения для ОСНОВНОЙ ИЗОЛЯЦИИ и ДОПОЛНИТЕЛЬНОЙ ИЗОЛЯЦИИ рассчитывают по следующей формуле:
UT = A·UN + B,
где UT - напряжение переменного или постоянного тока;
UN - величина среднеквадратического значения напряжения переменного тока от линии к нейтрали или напряжения постоянного тока измеряемой сети;
A и B - параметры, определяемые следующим образом:
при UN <= 1000 В A = 1 и B = 1200 В;
при UN > 1000 В A = 1,5 и B = 750 В.
Примечание - Значения параметров для напряжения до 1000 В приведены в 442.2.2 IEC 60364-4-44:2007, а значения параметров при напряжении свыше 1000 В приведены в 6.1.3.1 IEC TS 62993:2017.
Для УСИЛЕННОЙ ИЗОЛЯЦИИ значение испытательного напряжения в два раза превышает значение, установленное для ОСНОВНОЙ ИЗОЛЯЦИИ.
7.5.4.2.3 Требования к конструкции
7.5.4.2.3.1 Общие положения
Твердая изоляция также должна соответствовать следующим требованиям в зависимости от применяемости:
1) для твердой изоляции, используемой в качестве КОЖУХА или ЗАЩИТНОГО ПРЕДОХРАНИТЕЛЯ ПАЛЬЦЕВ, - требованиям
раздела 9;
2) для формованных и литых частей - требованиям
7.5.4.2.3.2;
3) для изолирующих слоев печатных плат - требованиям
7.5.4.2.3.3;
4) для тонкопленочной изоляции - требованиям
7.5.4.2.3.4.
7.5.4.2.3.2 Формованные и литые части
Для ОСНОВНОЙ ИЗОЛЯЦИИ, ДОПОЛНИТЕЛЬНОЙ ИЗОЛЯЦИИ и УСИЛЕННОЙ ИЗОЛЯЦИИ проводники, расположенные между двумя одинаковыми слоями, сформованными вместе (см.
рисунок 18, позиция
L), после завершения формования должны быть разделены по крайней мере применимым минимальным расстоянием, указанным в
таблице 10.
Соответствие проверяют осмотром и либо измерением разделительного расстояния, либо проверкой требований изготовителя.
1 - первый слой; 2 - второй слой; C - проводник;
L - расстояние между проводниками
Рисунок 18 - Расстояние между проводниками
на границе двух слоев
7.5.4.2.3.3 Изоляционные слои печатных плат
Для ОСНОВНОЙ ИЗОЛЯЦИИ, ДОПОЛНИТЕЛЬНОЙ ИЗОЛЯЦИИ и УСИЛЕННОЙ ИЗОЛЯЦИИ провода, расположенные между двумя одинаковыми слоями (см.
рисунок 19, позиция
L), должны быть разделены, по крайней мере, применимым минимальным расстоянием, указанным в
таблице 10.
Соответствие проверяют осмотром, измерением расстояния или проверкой технических требований изготовителя.
L - расстояние между проводниками на одной поверхности;
e - толщина слоя; A - слои; C - проводники
Рисунок 19 - Расстояние между соседними проводниками
вдоль границы раздела двух слоев
Таблица 10
Минимальные значения расстояния или толщины твердой изоляции
для сборок щупов, РАССЧИТАННЫХ на КАТЕГОРИИ ИЗМЕРЕНИЙ
Значение напряжения (среднеквадратичное значение напряжения переменного тока линия - нейтраль или напряжение постоянного тока), В | Минимальная толщина e <b>, мм | |
<= 300 | 0,4 | 0,4 |
> 300 <= 600 | 0,6 | 0,6 |
> 600 <= 1000 | 1,0 | 1,0 |
<a> Указанные значения применимы для ОСНОВНОЙ ИЗОЛЯЦИИ, ДОПОЛНИТЕЛЬНОЙ ИЗОЛЯЦИИ и УСИЛЕННОЙ ИЗОЛЯЦИИ. <b> Для напряжений выше 1000 В следует использовать испытание на частичный разряд (процедуру испытания см. IEC 60664-1:2020, 6.4.6). |
УСИЛЕННАЯ ИЗОЛЯЦИЯ изоляционных слоев печатных плат (см.
рис. 19, позиция A) должна также обладать достаточной электрической прочностью через соответствующие слои. Следует использовать один из следующих методов:
a) толщина изоляции должна быть не менее значений, указанных в
таблице 10.
Соответствие проверяют осмотром и измерением разделения или проверкой технических требований изготовителя;
b) изоляция должна быть собрана по меньшей мере из двух отдельных слоев материалов печатных плат, каждый из которых имеет электрическую прочность не менее значений, применимых для ОСНОВНОЙ ИЗОЛЯЦИИ при испытательных напряжениях и длительностях воздействия согласно
7.5.4.2.1.
Соответствие проверяют сопоставлением с техническими требованиями изготовителя;
c) изоляция должна быть собрана по меньшей мере из двух отдельных слоев материалов печатной платы, и комбинация этих слоев РАССЧИТАНА изготовителем материала на электрическую прочность не менее значений, применимых для УСИЛЕННОЙ ИЗОЛЯЦИИ для испытательных напряжений и длительностей воздействия согласно
7.5.4.2.1.
Соответствие проверяют сопоставлением с техническими требованиями изготовителя.
7.5.4.2.3.4 Тонкопленочная изоляция
Для ОСНОВНОЙ ИЗОЛЯЦИИ, ДОПОЛНИТЕЛЬНОЙ ИЗОЛЯЦИИ и УСИЛЕННОЙ ИЗОЛЯЦИИ проводники, расположенные между двумя одинаковыми слоями (см.
рисунок. 20, позиция
L), должны быть разделены, по крайней мере, соответствующими ПРОМЕЖУТКАМИ согласно
7.5.2.2 и
7.5.3.
Соответствие проверяют осмотром и либо измерением разделительного расстояния, либо проверкой технических требований изготовителя.
L - расстояние между соседними проводниками; e - толщина
слоя; A - слои тонкопленочного материала, такого как лента
или полиэфирная пленка; C - проводники
Примечание - Между слоями может присутствовать воздух.
Рисунок 20 - Расстояние между соседними
проводниками, расположенными между двумя одинаковыми слоями
УСИЛЕННАЯ ИЗОЛЯЦИЯ, выполненная посредством слоев тонкопленочной изоляции, также должна иметь достаточную электрическую прочность. Следует использовать один из следующих методов:
a) применение изоляции со сквозной толщиной, значение которой должно быть не менее значений, установленных в
таблице 10.
Соответствие проверяют осмотром и измерением разделения или проверкой технических требований изготовителя;
b) применение изоляции, состоящей не менее чем из двух отдельных слоев тонкопленочных материалов, каждый из которых РАССЧИТАН изготовителем материала на электрическую прочность не менее применимых значений для ОСНОВНОЙ ИЗОЛЯЦИИ при испытательных напряжениях и продолжительности воздействия, указанных
7.5.4.2.1.
Соответствие проверяют контролем технических требований изготовителя;
c) применение изоляции, состоящей не менее чем из трех отдельных слоев тонкопленочных материалов, любые два из которых прошли испытания, подтверждающие достаточную электрическую прочность.
Соответствие проверяют испытаниями напряжением согласно 7.5.4.2.1 a) и b), приложенным к двум из трех слоев УСИЛЕННОЙ ИЗОЛЯЦИИ.
Для целей настоящих испытаний может быть собран специальный образец, состоящий всего из двух слоев материала.
7.5.4.3 Твердая изоляция для сборок щупов, не РАССЧИТАННЫХ на КАТЕГОРИИ ИЗМЕРЕНИЙ
7.5.4.3.1 Общие положения
Твердая изоляция сборок щупов, которые не РАССЧИТАНЫ на КАТЕГОРИИ ИЗМЕРЕНИЙ, должна выдерживать электрические и механические воздействия, которые могут возникать при НОРМАЛЬНОМ ПРИМЕНЕНИИ и при всех РАСЧЕТНЫХ условиях окружающей среды (см.
4.4) в течение предполагаемого срока службы сборки щупа.
Соответствие проверяют проведением обоих следующих испытаний:
a) испытанием импульсным напряжением согласно 7.6.5.3 с использованием применимого испытательного напряжения, указанного в таблице 11, или, в качестве альтернативы, испытанием напряжением переменного тока согласно 7.6.5.1 с использованием применимого испытательного напряжения, указанного в таблице 11, с продолжительностью воздействия не менее 5 с.
Требуемый ЗАЗОР для таблицы 11 определяют согласно следующей процедуре:
1) теоретически необходимый ЗАЗОР для ОСНОВНОЙ ИЗОЛЯЦИИ или ДОПОЛНИТЕЛЬНОЙ ИЗОЛЯЦИИ рассчитывают в соответствии с 7.5.2.3;
2) для УСИЛЕННОЙ ИЗОЛЯЦИИ применяют ЗАЗОР, в два раза превышающий значение, установленное для ОСНОВНОЙ ИЗОЛЯЦИИ. Минимальное значение ЗАЗОРА для СТЕПЕНИ ЗАГРЯЗНЕНИЯ 2 и 3 не применяют;
b) испытанием переменным напряжением согласно 7.6.5.1 для сборок щупов, подвергающихся воздействию переменного тока или как переменного тока, так и постоянного тока, или для сборок щупов, подвергающихся воздействию только чисто постоянного тока, испытанием постоянным напряжением согласно 7.6.5.2 продолжительностью 1 мин с использованием следующего испытательного напряжения:
1) для ОСНОВНОЙ ИЗОЛЯЦИИ и ДОПОЛНИТЕЛЬНОЙ ИЗОЛЯЦИИ - испытательное напряжение, в полтора раза превышающее значение РАБОЧЕГО НАПРЯЖЕНИЯ;
2) для УСИЛЕННОЙ ИЗОЛЯЦИИ - испытательное напряжение, в два раза превышающее значение для ОСНОВНОЙ ИЗОЛЯЦИИ.
Примечание -
Испытанием, приведенным в перечислении a) проверяют воздействие переходных перенапряжений, а испытанием, приведенным в перечислении b) проверяют влияние долговременного воздействия на твердую изоляцию.
7.5.4.3.2 Конструктивные требования
Твердая изоляция также должна соответствовать следующим требованиям в зависимости от применяемости:
1) твердая изоляции, используемая в качестве КОЖУХА или ЗАЩИТНОГО ПРЕДОХРАНИТЕЛЯ ПАЛЬЦЕВ, - требованиям
раздела 9;
2) формованные и литые части - требованиям
7.5.4.2.3.2;
3) изолирующие слои печатных плат - требованиям
7.5.4.2.3.3, за исключением того, что применимые испытательные напряжения определяют по методике
7.5.4.3.1 a) и
b);
4) тонкопленочная изоляция - требования
7.5.4.2.3.4, за исключением того, что применимые ПРОМЕЖУТКИ соответствуют установленным
7.5.2.3 и
7.5.3, и применимые испытательные напряжения определяются по методике
7.5.4.3.1 a) и
b).
7.6 Порядок проведения испытаний напряжением
При проведении ТИПОВЫХ ИСПЫТАНИЙ применяют указанные ниже процедуры испытаний, которые могут привести к ухудшению состояния испытуемого образца. Возможно, что дальнейшее использование испытуемого образца окажется нецелесообразным.
Испытательное оборудование для испытаний напряжением указано в IEC 61180:2016.
Контрольной точкой при испытании напряжением является одна или несколько из указанных в перечислениях a) - d), соединенных вместе, если их несколько:
a) любая ДОСТУПНАЯ проводящая часть, за исключением любых токоведущих частей, ДОСТУП к которым разрешен, поскольку уровни воздействий на них не превышают значений, установленных в 7.3.2, и любых ДОСТУПНЫХ проводящих частей, которые могут быть ОПАСНЫМИ ТОКОВЕДУЩИМИ в соответствии с исключениями, указанными в 7.1 a) - 7.1 c);
b) любая ДОСТУПНАЯ изолирующая часть КОЖУХА, обернутая металлической фольгой везде, кроме СОЕДИНИТЕЛЕЙ. При пиковом значении испытательного напряжения переменного тока до 10 кВ или напряжении 10 кВ постоянного тока расстояние от фольги до СОЕДИНИТЕЛЯ составляет не более 20 мм. Для более высоких напряжений применяют минимальное расстояние, которое предотвращает поверхностный пробой;
c) ДОСТУПНЫЕ части органов управления с частями, изготовленными из изоляционного материала, обернутые металлической фольгой или имеющие прижатый к ним мягкий токопроводящий материал;
d) для испытаний СОЕДИНИТЕЛЕЙ в несопряженном положении испытательный палец прикладывают к внешним частям СОЕДИНИТЕЛЯ в наименее благоприятном положении с максимальным сближением [см. рисунок 7 d)].
7.6.2 Предварительная выдержка в условиях влажности
Для гарантии того, что сборка щупов не станет опасной в условиях влажности, указанных в 4.4, перед испытаниями твердой изоляции напряжением ее подвергают предварительной выдержке в условиях влажности. Предварительную выдержку в условиях влажности не проводят перед проведением испытаний напряжением ЗАЗОРОВ. При проведении выдержки сборка щупов находится в нерабочем состоянии.
Если согласно 7.6.1 требуется процедура обертывания в фольгу, фольгу накладывают после предварительной выдержки в условиях влажности и последующего восстановления.
Электрические компоненты, покрытия и другие части, которые можно снять вручную, снимают и подвергают предварительной выдержке в условиях влажности совместно с основной частью.
Предварительную выдержку проводят в камере влажности, содержащей воздух с относительной влажностью (93 +/- 3)%. Температуру воздуха в камере поддерживают на уровне (40 +/- 2) °C.
Перед применением воздействия влажности сборку щупов доводят до температуры (42 +/- 2) °C, обычно выдерживая ее при указанной температуре не менее 4 ч перед предварительной обработкой влажностью.
В камере влажности обеспечивают перемешивание воздуха, и камера должна иметь такую конструкцию, которая обеспечит условия, при которых на сборке щупов не будет выпадения конденсата.
Сборку щупов выдерживают в камере в течение 48 ч, после чего ее извлекают и выдерживают в течение двухчасового периода восстановления при условиях окружающей среды, указанных в 5.3.1, после чего съемные части устанавливают на штатное место (см. третий абзац настоящего пункта).
7.6.3 Проведение испытаний
Испытания проводят и завершают в течение 1 ч после окончания периода восстановления после предварительной выдержки в условиях влажности. При проведении испытаний сборка щупов находится в нерабочем состоянии. Испытания напряжением не проводят между двумя цепями или между цепью и ДОСТУПНОЙ токоведущей частью, если они соединены между собой или не отделены друг от друга.
ЗАЩИТНЫЙ ИМПЕДАНС, параллельный испытываемой изоляции, отключают.
При испытании УСИЛЕННОЙ ИЗОЛЯЦИИ указанные испытательные напряжения могут быть приложены к частям цепей, в которых используют два или более защитных средства в комбинации (см. 7.4), и для которых отсутствуют требования выдерживать указанные испытательные напряжения. Чтобы избежать этого, такие части во время испытаний могут быть отсоединены, или части цепей, где требуется УСИЛЕННАЯ ИЗОЛЯЦИЯ, могут быть испытаны отдельно.
7.6.4 Испытательные напряжения
Испытания напряжением для твердой изоляции проводят с использованием значений, указанных в 7.5.4.2 и 7.5.4.3.
Испытания напряжением для ЗАЗОРОВ проводят с использованием значений, указанных в таблице 11. Значения таблицы 11 приведены для мест проведения испытаний, расположенных на высоте 2000 м над уровнем моря. Для мест проведения испытаний, расположенных на других высотах, при проверке ЗАЗОРОВ к значениям таблицы 11 применяют поправочные коэффициенты, указанные в таблице 12, но поправочные коэффициенты не применяют при испытании твердой изоляции.
Примечание - При проведении электрических испытаний ЗАЗОРОВ соответствующая твердая изоляция также подвергается воздействию.
Таблица 11
Испытательные напряжения, основанные на ЗАЗОРАХ
Требуемый ЗАЗОР, мм | Пиковое значение напряжения импульса с формой 1,2/50 мкс, В | Среднеквадратичное значение напряжения переменного тока частотой 50/60 Гц, В | Пиковое значение напряжения переменного тока частотой 50/60 Гц или значение постоянного тока, В |
0,010 | 330 | 230 | 330 |
0,025 | 440 | 310 | 440 |
0,040 | 520 | 370 | 520 |
0,063 | 600 | 420 | 600 |
0,1 | 806 | 500 | 700 |
0,2 | 1140 | 620 | 880 |
0,3 | 1310 | 710 | 1010 |
0,5 | 1550 | 840 | 1200 |
1,0 | 1950 | 1060 | 1500 |
1,4 | 2440 | 1330 | 1880 |
2,0 | 3100 | 1690 | 2400 |
2,5 | 3600 | 1960 | 2770 |
3,0 | 4070 | 2210 | 3130 |
3,5 | 4510 | 2450 | 3470 |
4,0 | 4930 | 2680 | 3790 |
4,5 | 5330 | 2900 | 4100 |
5,0 | 5720 | 3110 | 4400 |
5,5 | 6100 | 3320 | 4690 |
6,0 | 6500 | 3520 | 4970 |
6,5 | 6800 | 3710 | 5250 |
7,0 | 7200 | 3900 | 5510 |
7,5 | 7500 | 4080 | 5780 |
8,0 | 7800 | 4300 | 6030 |
8,5 | 8200 | 4400 | 6300 |
9,0 | 8500 | 4600 | 6500 |
9,5 | 8800 | 4800 | 6800 |
10,0 | 9100 | 4950 | 7000 |
10,5 | 9500 | 5200 | 7300 |
11,0 | 9900 | 5400 | 7600 |
11,5 | 10 300 | 5600 | 7900 |
12,0 | 10 600 | 5800 | 8200 |
12,5 | 11 000 | 6000 | 8500 |
13,0 | 11 400 | 6200 | 8800 |
13,5 | 11 800 | 6400 | 9000 |
14,0 | 12 100 | 6600 | 9300 |
14,5 | 12 500 | 6800 | 9600 |
15,0 | 12 900 | 7000 | 9900 |
15,5 | 13 200 | 7200 | 10 200 |
16,0 | 13 600 | 7400 | 10 500 |
16,5 | 14000 | 7600 | 10 700 |
17,0 | 14 300 | 7800 | 11 000 |
17,5 | 14 700 | 8000 | 11 300 |
18,0 | 15 000 | 8200 | 11 600 |
19 | 15 800 | 8600 | 12 100 |
20 | 16 400 | 9000 | 12 700 |
25 | 19 900 | 10 800 | 15 300 |
30 | 23 300 | 12 600 | 17 900 |
35 | 26 500 | 14 400 | 20 400 |
40 | 29 700 | 16 200 | 22 900 |
45 | 32 900 | 17 900 | 25 300 |
50 | 36 000 | 19 600 | 27 700 |
55 | 39 000 | 21 200 | 30 000 |
60 | 42 000 | 22 900 | 32 300 |
65 | 45 000 | 24 500 | 34 600 |
70 | 47 900 | 26 100 | 36 900 |
75 | 50 900 | 27 700 | 39 100 |
80 | 53 700 | 29 200 | 41 300 |
85 | 56 610 | 30 800 | 43 500 |
90 | 59 400 | 32 300 | 45 700 |
95 | 62 200 | 33 800 | 47 900 |
100 | 65 000 | 35 400 | 50 000 |
110 | 70 500 | 38 400 | 54 200 |
120 | 76 000 | 41 300 | 58 400 |
130 | 81 300 | 44 200 | 62 600 |
140 | 86 600 | 47 100 | 66 700 |
150 | 91 900 | 50 000 | 70 700 |
160 | 97 100 | 52 800 | 74 700 |
170 | 102 300 | 55 600 | 78 700 |
180 | 107 400 | 58 400 | 82 600 |
190 | 112 500 | 61 200 | 86 500 |
200 | 117 500 | 63 900 | 90 400 |
210 | 122 500 | 66 600 | 94 200 |
220 | 127 500 | 69 300 | 98 000 |
230 | 132 500 | 72 000 | 102 000 |
240 | 137 300 | 74 700 | 106 000 |
250 | 142 200 | 77 300 | 109 400 |
264 | 149 000 | 81 100 | 115 000 |
Допускается линейная интерполяция. |
Таблица 12
Поправочные коэффициенты для испытательных напряжений
в зависимости от высоты места проведения испытаний
Высота места проведения испытаний, м | Поправочный коэффициент |
Для пиковых значений испытательного напряжения |
>= 327 < 600 В | >= 600 < 3500 В | >= 3500 В < 25 кВ | >= 25 кВ |
Для среднеквадратичных значений испытательного напряжения |
>= 231 < 424 В | >= 424 < 2475 В | >= 2475 В < 17,7 кВ | >= 17,7 кВ |
0 | 1,08 | 1,16 | 1,22 | 1,24 |
500 | 1,06 | 1,12 | 1,16 | 1,17 |
1000 | 1,04 | 1,08 | 1,11 | 1,12 |
2000 | 1,00 | 1,00 | 1,00 | 1,00 |
3000 | 0,96 | 0,92 | 0,89 | 0,88 |
4000 | 0,92 | 0,85 | 0,80 | 0,79 |
5000 | 0,88 | 0,78 | 0,71 | 0,70 |
Допускается линейная интерполяция. |
7.6.5 Процедуры испытаний
7.6.5.1 Испытание напряжением переменного тока
Прибор для измерения напряжения должен иметь регулируемую выходную, мощность, способную поддерживать испытательное напряжение на протяжении всего испытания в пределах +/- 3% от заданного значения. Форма сигнала испытательного напряжения на частоте питания должна быть практически синусоидальной. Указанное требование выполняется, если соотношение между пиковым значением и среднеквадратичным значением составляет
с отклонением +/- 3%.
Испытательное напряжение равномерно повышают от 0 В до заданного значения в течение 5 с и удерживают при этом значении, по крайней мере, в течение заданного времени.
Во время испытания не должно происходить искрового перекрытия ЗАЗОРОВ или пробоя твердой изоляции.
7.6.5.2 Испытание напряжением постоянного тока
Прибор для измерения напряжения должен иметь регулируемую выходную мощность, способную поддерживать испытательное напряжение на протяжении всего испытания в пределах +/- 3% от заданного значения. Испытательное напряжение постоянного тока должно быть практически без пульсаций. Указанное требование выполняется, если соотношение между пиковым значением напряжения и средним значением составляет 1,0 с отклонением +/- 3%.
Испытательное напряжение постоянного тока равномерно повышают от 0 В до заданного значения в течение 5 с и удерживают при этом значении, по крайней мере, в течение заданного времени.
Во время испытания не должно происходить искрового перекрытия ЗАЗОРОВ или пробоя твердой изоляции.
7.6.5.3 Испытание импульсным напряжением
Испытание следует проводить пятью импульсами каждой полярности с интервалом не менее 1 с между импульсами. Испытание импульсным напряжением проводят с помощью сигнала с формой волны 1,2/50 мкс (см. IEC 61180:2016, рисунок 1). Необходимо следить за формой волны каждого импульса.
При проверке ЗАЗОРОВ внутри сборки щупов с помощью испытания импульсным напряжением необходимо обеспечить появление заданного импульсного напряжения на ЗАЗОРЕ.
Во время испытания не должно происходить искрового перекрытия ЗАЗОРОВ или пробоя твердой изоляции, но допускаются частичные разряды.
7.7 Конструктивные требования к защите от поражения электрическим током
7.7.1 Общие положения
Если неисправность может привести к возникновению ОПАСНОСТИ:
a) надежность электрических соединений, подверженных механическим нагрузкам, не должна зависеть от пайки;
b) винты, крепящие съемные оболочки, должны быть невыпадающими, если их длина определяет ПРОМЕЖУТКИ между ДОСТУПНЫМИ токоведущими частями и ОПАСНЫМИ ТОКОВЕДУЩИМИ частями;
c) случайное ослабление или отсоединение проводов, винтов и т.д. не должно приводить к тому, чтобы ДОСТУПНЫЕ части становились ОПАСНЫМИ ТОКОВЕДУЩИМИ.
Примечание - Считают, что винты или гайки со стопорными шайбами, а также провода, которые механически закреплены не только пайкой, не могут привести к ослаблению.
Соответствие проверяют осмотром и измерением ПРОМЕЖУТКОВ.
7.7.2 Изоляционные материалы
В целях безопасности в качестве изоляции не следует использовать следующие материалы:
a) материалы, которые могут быть легко повреждены (например, лак, эмаль, оксиды, анодные пленки);
b) непропитанные гигроскопичные материалы (например, бумага, волокна, волокнистые материалы).
Соответствие проверяют осмотром.
7.7.3 КОЖУХИ сборок щупов с ДВОЙНОЙ ИЗОЛЯЦИЕЙ или УСИЛЕННОЙ ИЗОЛЯЦИЕЙ
Сборка щупов, в которой защита от поражения электрическим током основана на применении ДВОЙНОЙ ИЗОЛЯЦИИ или УСИЛЕННОЙ ИЗОЛЯЦИИ, должна иметь КОЖУХ, окружающий все металлические части. Указанное требование не распространяется на мелкие металлические части, такие как заводские таблички, винты или заклепки, если они отделены от ОПАСНЫХ ТОКОВЕДУЩИХ частей УСИЛЕННОЙ ИЗОЛЯЦИЕЙ или ее эквивалентом.
КОЖУХИ или части КОЖУХОВ, изготовленные из изоляционного материала, должны соответствовать требованиям к ДВОЙНОЙ ИЗОЛЯЦИИ или УСИЛЕННОЙ ИЗОЛЯЦИИ.
Защита КОЖУХОВ или частей КОЖУХОВ, изготовленных из металла, должна быть обеспечена одним из средств, указанных в
перечислениях a) или
b), за исключением частей, в которых используют ЗАЩИТНЫЙ ИМПЕДАНС:
a) изолирующим покрытием или барьером с внутренней стороны КОЖУХА, который должен окружать все металлические части и все места, где ослабление части, являющейся ОПАСНОЙ ТОКОВЕДУЩЕЙ, может привести к ее соприкосновению с металлической частью КОЖУХА;
b) ПРОМЕЖУТКАМИ между КОЖУХОМ и ОПАСНЫМИ ТОКОВЕДУЩИМИ частями, которые не могут быть снижены ниже значений, указанных в
7.5, путем ослабления частей или проводов.
Соответствие проверяют осмотром и измерением в соответствии с требованиями 7.5.
7.7.4 Крепление ПРОВОДА ЩУПА
7.7.4.1 Общие положения
Крепление ПРОВОДА ЩУПА к корпусу щупа и к оборудованию (или к СОЕДИНИТЕЛЯМ, если крепление не зафиксировано) должно выдерживать усилия (нагрузки), которые могут возникнуть при НОРМАЛЬНОМ ПРИМЕНЕНИИ, без повреждений, которые могут вызвать ОПАСНОСТЬ. Для снятия натяжения не следует использовать только припой без механического закрепления. Изоляция ПРОВОДА ЩУПА должна быть механически закреплена во избежание втягивания.
Соответствие проверяют осмотром и испытаниями согласно 7.7.4.2 - 7.7.4.4. После испытаний:
a) изоляция ПРОВОДА ЩУПА не должна быть разрезана или разорвана и не должна смещаться во втулке более чем на 2 мм;
b) ПРОМЕЖУТКИ не должны быть уменьшены ниже применимых значений 7.5.2 и 7.5.3;
d) должно быть оборвано не более 75% медных жил ПРОВОДА ЩУПА.
Примечание - Для целей испытаний может оказаться полезным подготовить специальный образец щупа, изготовленный во всех отношениях аналогично исследуемому щупу, но без применения припоя.
7.7.4.2 Испытание на отрыв
Корпус щупа или оборудование, или СОЕДИНИТЕЛЬ зажимают так, что они не могли двигаться, разрывают какое-либо из паяных соединений и подвергают ПРОВОД ЩУПА в течение 1 мин постоянному осевому натяжению при значениях, указанных в приведенных ниже перечислениях a) или b):
a) для корпусов щупов и для СОЕДИНИТЕЛЕЙ с блокировкой - удвоенному значению усилия отрыва из таблицы 13;
b) для СОЕДИНИТЕЛЕЙ без блокировки - удвоенному значению усилия отрыва из таблицы 13 или четырехкратному осевому усилию отрыва, необходимого для разъединения СОЕДИНИТЕЛЯ, в зависимости от того, что меньше.
7.7.4.3 Испытание на изгиб
СОЕДИНИТЕЛИ должны быть подвергнуты испытанию на изгиб с применением устройства, аналогичного показанному на рисунке 21.
D > 300 мм; 1 - СОЕДИНИТЕЛЬ; 2 - часть качающегося
элемента, предназначенная для фиксации СОЕДИНИТЕЛЯ;
3 - глубина, требуемая для оболочки соответствующего
ВЫВОДА оборудования; 4 - груз
Рисунок 21 - Испытание на изгиб
СОЕДИНИТЕЛЬ закрепляют на качающемся элементе устройства таким образом, чтобы в средней точке его перемещения ось гибкого ПРОВОДА ЩУПА в месте, где он входит в СОЕДИНИТЕЛЬ, была вертикальной и проходила через ось колебаний.
Качающийся элемент за счет изменения расстояния d, показанного на рисунке 21, устанавливают таким образом, чтобы гибкий ПРОВОД ЩУПА совершал минимальное боковое перемещение при полном перемещении качающегося элемента испытательного устройства.
ПРОВОД ЩУПА нагружают грузом так, чтобы было приложено усилие, указанное в таблице 13.
Таблица 13
Усилие отрыва для испытаний крепления ПРОВОДА ЩУПА
Площадь поперечного сечения проводника a, мм2 | Усилие отрыва, Н |
0,25 | 2,5 |
0,50 | 5 |
1,0 | 10 |
2,5 | 18 |
4 | 25 |
6 | 30 |
10 | 40 |
16 | 45 |
Допускается линейная интерполяция. Для ПРОВОДА ЩУПА с несколькими проводниками площадь поперечного сечения a рассчитывают, как сумму площадей поперечного сечения отдельных проводников. Для целей настоящего расчета площадь поперечного сечения любого экрана игнорируют. |
Качающийся элемент перемещают в каждую сторону от вертикали на общий угол 90° (на 45° с каждой стороны от вертикали). Общее количество сгибаний составляет 5000. Скорость сгибания составляет 60 раз в минуту. Полный цикл состоит из двух сгибаний.
СОЕДИНИТЕЛИ с ПРОВОДОМ ЩУПА, имеющего круглое поперечное сечение после проведения 2500 сгибаний поворачивают приблизительно на 90° вокруг вертикальной оси внутри качающегося элемента, а СОЕДИНИТЕЛИ с плоским гибким ПРОВОДОМ ЩУПА не поворачивают таким образом, а только сгибают в направлении, перпендикулярном более тонкому размеру поперечного сечения.
Если в результате обрыва проводника или короткого замыкания между проводниками может возникнуть ОПАСНОСТЬ, через каждый проводник пропускают ток, равный РАСЧЕТНОМУ току сборки щупов при напряжении между ними, равном РАСЧЕТНОМУ напряжению. Во время испытания не должно происходить прерывания испытательного тока и короткого замыкания между проводниками.
7.7.4.4 Испытание на изгиб при вращении
Сборку щупов устанавливают в испытательное приспособление, как показано на рисунке 22, так, чтобы неподвижный зажим удерживал корпус щупа, СОЕДИНИТЕЛЬ или оборудование так, чтобы твердая часть выступала за зажим не менее чем на 5 мм. Вращающийся зажим закрепляют на ПРОВОДЕ ЩУПА в точке, расположенной на расстоянии равном пятидесятикратному диаметру ПРОВОДА ЩУПА, измеренного от неподвижного зажима вдоль поверхности ПРОВОДА ЩУПА. Вращающийся зажим поворачивают в плоскости на расстоянии от неподвижного зажима, равном двадцатикратному диаметру ПРОВОДА ЩУПА. Вращающийся зажим поворачивают из точки F в точку G и обратно в точку F (один полный разворот) со скоростью 20 разворотов в минуту, совершая в общей сложности 250 разворотов. Затем корпус щупа или СОЕДИНИТЕЛЬ поворачивают на 90° вокруг своей оси и продолжают испытание посредством проведения еще 250 разворотов.
d - диаметр ПРОВОДА ЩУПА; F - начальная точка, конечная
точка; G - средняя точка (F + 270°); 1 - неподвижный
зажим; 2 - вращающийся зажим
Рисунок 22 - Испытание на изгиб при вращении
8 Защита от механических ОПАСНОСТЕЙ
Обращение со сборкой щупов или принадлежностью при НОРМАЛЬНОМ ПРИМЕНЕНИИ не должно приводить к возникновению ОПАСНОСТИ.
Края, выступы и т.п., к которым легко прикоснуться, должны быть гладкими и закругленными, чтобы не нанести травмы. Указанное не относится к НАКОНЕЧНИКУ ЩУПА.
Соответствие проверяют осмотром.
9 Устойчивость к механическим воздействиям
Сборки щупов не должны представлять ОПАСНОСТИ при воздействии механических нагрузок, которые могут возникнуть при НОРМАЛЬНОМ ПРИМЕНЕНИИ. Для выполнения этого требования сборки щупов должны обладать достаточной механической прочностью, компоненты должны быть надежно закреплены, а электрические соединения быть надежно защищены.
Соответствие проверяют проведением испытаний согласно 9.2 - 9.4. Во время испытаний сборка щупов находится в нерабочем состоянии.
После завершения испытаний сборка щупов должна выдержать применимое испытание в соответствии с 7.5.4.2.1 b) или 7.5.4.3.1 b) без предварительной выдержки в условиях влажности и должна быть проверена для подтверждения того, что:
a) ОПАСНЫЕ ТОКОВЕДУЩИЕ части не стали ДОСТУПНЫМИ;
b) на КОЖУХАХ отсутствуют трещины, которые могли бы вызвать ОПАСНОСТЬ;
c) ПРОМЕЖУТКИ не менее допустимых значений и изоляция внутренней проводки остается неповрежденной;
d) ЗАЩИТНЫЕ ПРЕДОХРАНИТЕЛИ ПАЛЬЦЕВ не повреждены и не ослаблены.
Повреждения отделки, небольшие вмятины, которые не уменьшают ПРОМЕЖУТКИ ниже применимых значений 7.5.2 и 7.5.3 и небольшие сколы, не оказывающие негативного влияния на защиту от поражения электрическим током или защиту от влаги, не учитывают.
9.2 Испытание на жесткость
Если сборка щупов выделяет заметное количество тепла, то испытание проводят при работе сборки щупов в эталонных условиях испытаний, указанных в 5.3, за исключением того, что температура окружающей среды составляет 40 °C или максимальное РАСЧЕТНОЕ значение температуры окружающей среды, если она выше. Во время приложения воздействия измеряют температуру частей КОЖУХА.
Сборку щупа в обесточенном состоянии хранят в течение 7 ч при температуре 70 °C. Однако, если во время ранее проведенных испытаний сборки щупов в рабочем состоянии была измерена более высокая температура, температура хранения должна быть на 10 °C выше измеренной температуры. Если сборка щупов содержит компоненты, которые могут быть повреждены в результате такого воздействия, можно провести воздействие на пустой КОЖУХ, после чего, по окончании воздействия, сборка щупов должна быть полностью собрана.
В течение 2 мин после окончания воздействия на сборку щупов в нерабочем состоянии, ее прочно закрепляют на жесткой опоре и подвергают воздействию силы 20 Н, приложенной полусферическим концом твердого стержня диаметром 12 мм. Стержень прикладывают три раза к любой части сборки щупов, которая является ДОСТУПНОЙ, когда сборка щупов находится в состоянии готовности к использованию, и которая может вызвать ОПАСНОСТЬ в случае деформации.
9.3 Испытание на прочность при падении
Неметаллические КОЖУХИ сборки щупа с минимальным значением РАСЧЕТНОЙ температуры окружающей среды ниже 2 °C охлаждают до минимальной РАСЧЕТНОЙ температуры окружающей среды и затем испытывают в течение 2 мин.
Каждый из трех образцов сборок щупов трижды сбрасывают с высоты 1 м на доску из твердой древесины толщиной 50 мм и плотностью более 700 кг/м3, лежащую горизонтально на жестком основании, например бетоне. Для каждого образца проводят по три испытания таким образом, чтобы воздействие оказывалось на разные точки корпуса щупа.
9.4 Испытание на воздействие ударной силы
Неметаллические корпуса щупов с минимальным значением РАСЧЕТНОЙ температуры окружающей среды ниже 2 °C охлаждают до минимальной РАСЧЕТНОЙ температуры окружающей среды, и затем испытывают в течение 2 мин.
Корпус щупа подвергают однократному удару о доску из древесины твердых пород толщиной 50 мм, имеющую плотность более 700 кг/м3, прикрепленную к монолитной стене, при раскачивании ПРОВОДА ЩУПА в качестве рычага маятника (см. рисунок 23). Высота сбрасывания составляет 2 м или равна длине ПРОВОДА ЩУПА, если он короче.
1 - начальная точка; 2 - точка подвешивания; 3 - ПРОВОД
ЩУПА; 4 - корпус щупа; 5 - стена; 6 - доска
из древесины твердых пород
Рисунок 23 - Испытание на ударное колебание
10 Ограничения по температуре
Температура поверхностей, которых легко коснуться, не должна превышать значений, указанных в
таблице 14 в НОРМАЛЬНОМ СОСТОЯНИИ и 105 °C при УСЛОВИЯХ ЕДИНИЧНОЙ НЕИСПРАВНОСТИ, при температуре окружающей среды 40 °C.
Температура поверхностей сборок щупов, к которым легко прикоснуться, РАССЧИТАННЫХ на максимальную температуру окружающей среды выше 40 °C, может превышать значения, указанные в
таблице 14 в НОРМАЛЬНОМ СОСТОЯНИИ и 105 °C при УСЛОВИЯХ ЕДИНИЧНОЙ НЕИСПРАВНОСТИ, не более чем на величину, на которую максимальная РАСЧЕТНАЯ температура превышает 40 °C.
Если легкое прикосновение к нагретым поверхностям необходимо по функциональным причинам, допускается превышение значений, указанных в
таблице 14, но такие поверхности должны быть распознаваемы по внешнему виду или функции или должны содержать маркировку
символа 6 таблицы 1 (см.
6.2).
Таблица 14
Предельные значения температуры поверхности
в НОРМАЛЬНОМ СОСТОЯНИИ
Часть | Предельное значение температуры, °C |
Металлическая | 55 |
Неметаллические материалы | 70 |
ПРОВОД ЩУПА | 75 |
Соответствие проверяют осмотром сборки щупов в эталонных условиях испытаний и в положении НОРМАЛЬНОГО ПРИМЕНЕНИЯ (см. 5.3.2). Температуры измеряют после достижения устойчивого состояния. Максимальную температуру части определяют путем сложения измеренного превышения температуры части с максимальной температурой окружающей среды (40 °C или максимальной РАСЧЕТНОЙ температурой окружающей среды, если она выше, см. 4.4).
11 Защита от ОПАСНОСТЕЙ, связанных с жидкостями
Если изготовитель указал метод очистки или обеззараживания, проведение этой процедуры не должно создавать прямой угрозы БЕЗОПАСНОСТИ, ОПАСНОСТИ поражения электрическим током или ОПАСНОСТИ, возникающей в результате коррозии или другого ослабления частей конструкции, связанных с безопасностью. Способ очистки и любой метод обеззараживания должны быть описаны в документации (см.
6.4.3).
Соответствие проверяют трехкратной очисткой сборки щупа в соответствии с инструкциями изготовителя. Если сразу после проведения обработки обнаруживают какие-либо признаки смачивания частей, которые могут вызвать ОПАСНОСТЬ, сборка щупов должна пройти соответствующее испытание согласно 7.5.4.2.1 b) или 7.5.4.3.1 b) (без предварительной выдержки в условиях влажности) и значения на ДОСТУПНЫХ частях не должны превышать уровни, указанные в 7.3.2. Если указан метод обеззараживания, указанный метод применяют один раз.
11.2 Специально защищенные сборки щупов
В случае, если сборка щупов РАССЧИТАНА и промаркирована изготовителем как имеющая защитную ОБОЛОЧКУ в соответствии с установленными степенями защиты IEC 60529, она должна соответствующим образом противостоять проникновению твердых посторонних предметов и воды, которые могут привести к ОПАСНОСТИ.
Соответствие проверяют осмотром и воздействием соответствующей обработки согласно IEC 60529, после чего сборка щупов должна выдержать соответствующее испытание согласно 7.5.4.2.1 b) или 7.5.4.3.1 b) (без предварительной выдержки в условиях повышенной влажности) и значения на ДОСТУПНЫХ частях не должны превышать уровни, указанные в 7.3.2.
В случае, если аспекты безопасности определяются компонентами, такие компоненты следует использовать в соответствии с их указанными НОМИНАЛЬНЫМИ ХАРАКТЕРИСТИКАМИ, если не сделано специального исключения. Они должны соответствовать одному из указанных в
перечислениях a) -
d требованию):
a) всем применимым требованиям безопасности соответствующих международных стандартов МЭК. Соответствие компонента другим требованиям стандарта на компоненты не требуется. Если это необходимо для применения, компоненты должны быть подвергнуты испытаниям, указанным в настоящем стандарте, за исключением того, что отсутствует необходимость проведения идентичных или эквивалентных испытаний, которые уже проводились для проверки соответствия компонента стандарту на компоненты;
b) требованиям настоящего стандарта и, если это необходимо для применения, любым дополнительным применимым требованиям безопасности соответствующего стандарта МЭК на компоненты.
c) требованиям настоящего стандарта, если отсутствует соответствующий стандарт МЭК на компонент;
d) применимым требованиям безопасности, установленным стандартом, отличным от международного стандарта МЭК, которые, по крайней мере, столь же строги, как и требования соответствующего международного стандарта МЭК, при условии, что соответствие стандарту, отличному от международного стандарта МЭК, было подтверждено признанным испытательным органом.
Соответствие проверяют осмотром и, при необходимости, испытанием.
Предохранители в составе сборок щупов могут использоваться для обеспечения защиты пользователя от взрывов дуги или ожогов, а также для защиты оборудования, к которому подключены щупы.
Если в сборке щупов установлен предохранитель, он должен иметь НОМИНАЛЬНОЕ напряжение, по крайней мере, такое же высокое, как максимальное РАСЧЕТНОЕ напряжение сборки щупа, а также соответствующую отключающую способность и НОМИНАЛЬНЫЙ ток для предполагаемого применения сборки щупа (см. также
6.1.3). Если сборка щупа РАССЧИТАНА как на переменный, так и на постоянный ток, отключающая способность по переменному и постоянному току должна определяться индивидуально, а предохранитель должен соответствовать РАСЧЕТНОМУ напряжению и отключающей способности для каждого случая.
Соответствие проверяют осмотром.
12.3.1 Общие положения
ПРОВОД ЩУПА должен быть пригоден для использования по назначению в НОРМАЛЬНОМ СОСТОЯНИИ и при УСЛОВИЯХ ЕДИНИЧНОЙ НЕИСПРАВНОСТИ.
Соответствие проверяют согласно требованиям 12.3.2 - 12.3.6.
12.3.2 НОМИНАЛЬНЫЕ ХАРАКТЕРИСТИКИ ПРОВОДА ЩУПА
ПРОВОД ЩУПА должен быть РАССЧИТАН на максимальное напряжение и ток для НОРМАЛЬНОГО ПРИМЕНЕНИЯ и выдерживать испытание напряжением при самом высоком РАСЧЕТНОМ напряжении. Проводники должны быть отделены от ДОСТУПНЫХ поверхностей ДВОЙНОЙ ИЛИ УСИЛЕННОЙ ИЗОЛЯЦИЕЙ на основании значений напряжений, указанных в
перечислениях a),
b) или
c):
a) для сборок щупов типов
A,
E и
F - 125 В или максимального РАСЧЕТНОГО напряжения сборки щупов, в зависимости от того, что больше;
b) для сборок щупов типа
B:
1) РАССЧИТАННЫХ на напряжения переменного тока до 1000 В (среднеквадратичное значение) или напряжения постоянного тока до 1500 В - 125 В или самого высокого РАСЧЕТНОГО напряжения сборки щупов, в зависимости от того, какое значение больше;
2) РАССЧИТАННЫХ на напряжения переменного тока свыше 1000 В (среднеквадратичное значение) или напряжения постоянного тока выше 1500 В - 500 В или самого высокого РАСЧЕТНОГО напряжения сборки щупов, деленное на коэффициент деления делителя, в зависимости от того, какое значение больше.
На сборках щупов типа
B, рассматриваемых в настоящем
перечислении b) 2) должен быть нанесен
символ 7 из таблицы 1, а в документации должно быть указано предупреждение о возможности того, что ПРОВОД ЩУПА не обеспечит надлежащей защиты в случае, если он соприкоснется с испытуемой цепью [см.
6.4.3 l)];
c) для сборок щупов типа
D - 125 В.
Настоятельно рекомендуется использовать индикатор износа [см. также
6.4.3 j)]. Изоляция ПРОВОДОВ ЩУПА, имеющих индикатор износа, должна соответствовать требованиям к ОСНОВНОЙ ИЗОЛЯЦИИ, когда индикатор износа становится видимым.
Соответствие проверяют осмотром и соответствующим испытанием согласно 7.5.4.2.1 b) или 7.5.4.3.1 b) для УСИЛЕННОЙ ИЗОЛЯЦИИ. Если изоляция оснащена индикатором износа, то испытание напряжением повторяют при значении испытательного напряжения для ОСНОВНОЙ ИЗОЛЯЦИИ после того, как с кабеля будет удалено достаточное количество изоляции, чтобы индикатор износа был хорошо виден [см. также 6.2 и 6.4.3 l)].
Примечание - Для целей настоящего испытания индикатор износа можно сделать видимым посредством срезания тонких слоев изоляции, воздействия истиранием или изготовления специальных образцов кабеля без внешнего изолирующего слоя.
12.3.3 Испытание изоляции давлением при высокой температуре
Для каждого испытываемого ПРОВОДА ЩУПА отбирают три смежных образца от ПРОВОДА ЩУПА длиной от 150 мм до 300 мм. Длина каждого образца составляет от 50 до 100 мм. Проводники плоских ПРОВОДОВ ЩУПА без оболочек не разделяют.
Устройство для вдавливания показано на рисунке 24 и состоит из прямоугольного лезвия с шириной кромки (0,70 +/- 0,01) мм, которое можно прижимать к образцу. Каждый образец размещают в положении, показанном на рисунке 24. Плоский шнур без оболочки укладывают на его плоскую сторону. Образцы закрепляют на опоре так, чтобы они не изгибались под давлением лезвия. Усилие прикладывают в направлении, перпендикулярном оси образца, при этом лезвие также перпендикулярно оси образца.
1 - испытательная рама; 2 - образец; 3 - опоры; 4 - груз
Рисунок 24 - Устройство для вдавливания
Силу сжатия, воздействующую на образец лезвием, определяют по формуле

,
где F - сила сжатия, Н;
e - среднее значение толщины изоляции образца;
d - среднее значение наружного диаметра образца.
e и d выражают в миллиметрах с точностью до одного десятичного знака и измеряют на тонком срезе, отрезанном от конца испытуемого образца.
Испытание проводят на воздухе (т.е. в воздушной печи). Температуру воздуха поддерживают постоянно на уровне (100 +/- 3) °C. Образец под нагрузкой выдерживают в испытательном положении в течение 4 ч. После этого образец быстро охлаждают, что можно осуществить распылением на образцы холодной воды в месте нажатия лезвия. Образец извлекают из устройства, когда он остынет до температуры, при которой восстановление изоляции больше не происходит. Затем образец дополнительно охлаждают путем погружения в холодную воду.
Соответствие проверяют применимым испытанием согласно 7.5.4.2.1 b) или 7.5.4.3.1 b) для УСИЛЕННОЙ ИЗОЛЯЦИИ (без предварительной выдержки в условиях повышенной влажности).
12.3.4 Испытание изоляции на устойчивость к растрескиванию
Четыре образца подходящей длины вырезают из двух частей ПРОВОДА ЩУПА, отделенных расстоянием не менее 1 м.
Два образца туго наматывают и закрепляют при температуре окружающей среды на отдельных оправках для образования замкнутой спирали. Диаметр оправки и количество витков указаны в таблице 15.
Таблица 15
Диаметр оправки и количество витков
Наружный диаметр ПРОВОДА ЩУПА d, мм | Диаметр оправки, мм | Количество витков |
d <= 2,5 | 5 | 6 |
2,5 < d <= 4,5 | 9 | 6 |
4,5 < d <= 6,5 | 13 | 6 |
6,5 < d <= 9,5 | 19 | 4 |
9,5 < d <= 12,5 | 40 | 2 |
Подготовленные два образца на оправках помещают в воздушную печь, предварительно нагретую до температуры (100 +/- 3) °C. Образцы выдерживают при заданной температуре в течение 1 ч. По окончании выдержки и доведения температуры образцов до температуры, близкой к температуре окружающей среды, их исследуют, не снимая оправки.
Два других образца выдерживают в холодильной камере в течение 4 ч при температуре минус (10 +/- 2) °C. Испытание следует проводить в холодильной камере, если в камере имеется свободное пространство и средства крепления. Если это нецелесообразно, образец и оправку извлекают из испытательной камеры и проводят испытание вне камеры. В любом случае намотка должна быть завершена в течение 30 с с момента открытия холодильной камеры. Намотку следует проводить со скоростью намотки приблизительно 3 с на один виток [(18 +/- 3 с на шесть витков] и последовательные витки должны контактировать друг с другом.
Плоские ПРОВОДА ЩУПА должны быть свернуты в форме U-образного изгиба, при котором образец контактирует с оправкой, диаметр которой в два раза превышает диаметр меньшей оси образца, по меньшей мере на 180°.
Изолированные провода, а также готовый ПРОВОД ЩУПА должны быть испытаны отдельно.
Углубления по окружности на внешней поверхности указывают на трещины на внутренней поверхности изоляции или оболочки для большинства материалов. Углубления по окружности на поверхности фторполимера являются признаками текучести (локально более сильными точками), а не признаками растрескивания.
После такой обработки образцы не должны иметь трещин при осмотре нормальным или скорректированным зрением без применения увеличения и должны соответствовать требованиям к твердой изоляции.
Соответствие проверяют осмотром и применимым испытанием согласно 7.5.4.2.1 b) или 7.5.4.3.1 b) для УСИЛЕННОЙ ИЗОЛЯЦИИ (без предварительной выдержки в условиях повышенной влажности).
12.3.5 Испытание напряжением
Для каждого образца провода, подлежащего оценке, должны быть испытаны шесть отрезков изолированного ПРОВОДА ЩУПА или изолированных проводников, взятых от целого провода в оболочке. Длина каждого образца составляет 600 мм. Три образца должны быть испытаны в исходном не состаренном состоянии. Остальные три образца должны быть испытаны после их выдержки в сушильном шкафу.
Три прямых образца, предназначенные для старения в сушильном шкафу, должны быть выдержаны в сушильном шкафу с циркуляцией воздуха, предварительно нагретого до температуры (100 +/- 3) °C. Испытуемый образец выдерживают при указанной температуре в течение 1 ч.
После выдержки в сушильном шкафу три образца перед испытанием должны быть охлаждены до комнатной температуры при отсутствии движения воздуха (без обдува) в течение 16 - 96 ч. По истечении периода охлаждения должны быть испытаны как образцы, не подвергнутые старению, так и образцы, состаренные в сушильном шкафу. Центральная часть каждого образца длиной 300 мм должна быть обернута металлической фольгой.
За исключением плоских ПРОВОДОВ ЩУПА, обернутая фольгой центральная часть каждого образца затем должна быть плотно намотана на шесть полных витков вокруг металлической оправки, диаметр которой в два раза больше наружного диаметра образца или равен 5 мм, в зависимости от того, что больше. Конец каждой получившейся спирали следует неплотно скрутить между собой или скрепить лентой (скотчем) во избежание раскручивания. Плоские ПРОВОДА ЩУПА должны иметь U-образный изгиб, при котором образец контактирует с оправкой, диаметр которой в два раза превышает диаметр меньшей оси образца, по меньшей мере на 180°.
Затем проводят соответствующее испытание согласно 7.5.4.2.1 b) или 7.5.4.3.1 b) для УСИЛЕННОЙ ИЗОЛЯЦИИ (без предварительной выдержки в условиях повышенной влажности). Испытательное напряжение прикладывают между проводником испытуемого образца и металлической оправкой. Через 1 мин после начала приложения заданного испытательного напряжения его значение повышают со скоростью не более 500 В/с до тех пор, пока не произойдет пробой диэлектрика. Если пробоя диэлектрика не происходит, значение напряжения можно считать удвоенным значением, указанным в 7.5.4.2.1 b) или 7.5.4.3.1 b) (или 10 кВ). Значение напряжения пробоя диэлектрика регистрируют отдельно для образцов, не подвергнутых старению, и образцов, состаренных в сушильном шкафу. Среднее значение напряжения пробоя диэлектрика рассчитывают и регистрируют отдельно для образцов, не подвергнутых старению, и образцов, состаренных в сушильном шкафу.
Образцы, не подвергнутые старению и состаренные в сушильном шкафу, должны соответствовать следующим требованиям:
a) образцы, не подвергнутые старению и состаренные в сушильном шкафу, должны выдерживать испытательное напряжение без пробоя в течение 1 мин и
b) среднее значение диэлектрического пробоя образцов, состаренных в сушильном шкафу, должно быть не менее 50% среднего значения пробоя образцов, не подвергнутых старению.
Соответствие проверяют осмотром и испытаниями.
12.3.6 Испытание на растяжение
12.3.6.1 Общие положения
Целью настоящего испытания является определение прочности при растяжении и относительного удлинения при разрыве изоляционного материала (за исключением любых слоев полупроводника) ПРОВОДА ЩУПА в исходном состоянии, в котором он был изготовлен (т.е. без проведения какой-либо процедуры старения) и после проведения процедуры ускоренного старения.
Для образцов, не подвергавшихся воздействию старения, среднее значение предела прочности при растяжении должно составлять не менее 7 Н/мм2, а среднее значение относительного удлинения образцов до разрыва должно составлять не менее 100%. Для образцов, подвергнутых старению, среднее значение предела прочности при растяжении до разрыва должно составлять не менее 70% от результата, полученного для не состаренных образцов, и среднее значение относительного удлинения образцов должно составлять не менее 45% от результата, полученного для не состаренных образцов, прежде чем они разрушатся.
После подготовки к испытанию и проведения процедуры согласно 12.3.6.2 - 12.3.6.6 соответствие проверяют путем расчета предела прочности при растяжении и относительного удлинения при разрыве соответственно и определяют среднее значение результата.
Образцы, подвергаемые старению, размещают рядом с образцами, не подвергаемыми старению, и испытания на растяжение образцов, подвергнутых и не подвергнутых старению, проводят непосредственно друг за другом.
От каждого внутреннего шнура, подлежащего испытанию, отбирают один отрезок достаточного размера, чтобы получить не менее десяти образцов - пять образцов для испытаний на растяжение, которые не будут подвергнуты старению, и пять образцов, которые будут подвергнуты старению, с учетом того, что для подготовки каждого образца требуется длина 100 мм. Внутренние провода, входящие в состав плоских шнуров, не разделяют. Любой образец, имеющий признаки механических повреждений, для испытания не используют.
12.3.6.3 Подготовка и обработка образцов
Отобранный отрезок шнура разрезают на десять образцов длиной примерно 100 мм каждый, и извлекают проводник, стараясь не повредить его изоляцию. Образцы маркируют в целях идентификации отрезка, из которого они были отобраны, и их взаимного расположения на отрезке.
Непосредственно перед проведением испытания на растяжение на образцах следует отметить точки, расположенные в 20 мм от его центра.
12.3.6.4 Определение площади поперечного сечения
Из средней части отобранного отрезка, используемого для приготовления образцов, отбирают небольшой кусок для определения площади поперечного сечения A, которое рассчитывают следующим образом (для образцов круглой формы)

,
где e - среднее значение толщины изоляции;
d - среднее значение наружного диаметра испытуемого образца.
Для образцов, подвергаемых процедуре старения, площадь поперечного сечения определяют до проведения процедуры.
12.3.6.5 Старение
Пять образцов, предназначенных для выдержки в сушильном шкафу, должны быть выдержаны в сушильном шкафу с циркуляцией воздуха предварительно нагретого до температуры (100 +/- 3) °C. Испытуемый образец выдерживают при указанной температуре в течение 1 ч, а затем дают остыть до температуры, указанной в 12.3.6.6.
12.3.6.6 Процедура испытания на растяжение
Испытание проводят при температуре (23 +/- 5) °C.
Захваты машины для испытания на растяжение могут быть как самозатягивающимися, так и нет. Расстояние между захватами для цилиндрических образцов составляет:
a) 50 мм - при испытании с самозатягивающимися захватами;
b) 85 мм - при испытании с не самозатягивающимися захватами.
Скорость отрыва должна составлять (250 +/- 50) мм/мин и, в случае сомнений, (25 +/- 5) мм/мин.
Примечание - Многие отказы при испытаниях со скоростью 250 мм/мин могут вызвать сомнения.
Для каждого образца измеряют и записывают максимальную растягивающую силу во время испытания, а также измеряют и записывают расстояние между двумя контрольными отметками в точке разрыва.
Результаты испытания одного из пяти состаренных образцов и одного из пяти образцов, не подвергнутых старению, могут быть проигнорированы.
13 Защита от ОПАСНОСТИ дугового разряда и короткого замыкания
В случае если НАКОНЕЧНИК ЩУПА или ПРУЖИННЫЙ ЗАЖИМ временно соединяют два высокоэнергетических проводника, находящихся под разными потенциалами, может возникнуть протекание высокого тока через НАКОНЕЧНИК ЩУПА или ПРУЖИННЫЙ ЗАЖИМ, которые могут нагреться и расплавиться. Следствием этого могут быть ожоги ОПЕРАТОРА или посторонних лиц.
Если измерительный мост размыкается (в результате действий ОПЕРАТОРА, расплавления или другого события), когда через НАКОНЕЧНИК ЩУПА или ПРУЖИННЫЙ ЗАЖИМ протекает большой ток, может возникнуть электрическая дуга. Возникающая электрическая дуга будет ионизировать воздух, обеспечивая непрерывное протекание тока вблизи НАКОНЕЧНИКА ЩУПА или ПРУЖИННОГО ЗАЖИМА.
При наличии достаточного количества доступной энергии ионизация воздуха будет продолжаться, а протекающий через воздух ток будет продолжать увеличиваться. Результатом является вспышка электрической дуги, которая похожа на взрыв и может привести к травмам или смерти ОПЕРАТОРА или постороннего лица.
НАКОНЕЧНИКИ ЩУПОВ и ПРУЖИННЫЕ ЗАЖИМЫ должны быть сконструированы так, чтобы снизить риск короткого замыкания и вспышки электрической дуги.
Соответствие проверяют согласно требованиям 13.2.
13.2 Открытые токоведущие части
Открытая токоведущая часть НАКОНЕЧНИКА ЩУПА или его зажимов должна быть сконструирована следующим образом:
a) для сборок щупов, за исключением ПРУЖИННЫХ ЗАЖИМОВ, РАССЧИТАННЫХ для КАТЕГОРИЙ ИЗМЕРЕНИЙ III или IV:
1) длина открытой токоведущей части НАКОНЕЧНИКА ЩУПА не должна превышать 4 мм, если он РАССЧИТАН на КАТЕГОРИИ ИЗМЕРЕНИЙ III или IV;
2) открытая токоведущая часть НАКОНЕЧНИКА ЩУПА не должна превышать 80 мм, если он РАССЧИТАН для специальных условий применения, где уровни энергии не поддерживают вспышку дуги или возгорание, но не РАССЧИТАН на какую-либо КАТЕГОРИЮ ИЗМЕРЕНИЙ;
3) открытая токоведущая часть НАКОНЕЧНИКА ЩУПА или его зажима, РАССЧИТАННОГО для КАТЕГОРИИ ИЗМЕРЕНИЙ II, а также других сборок щупов, не включенных в приведенных выше
перечислениях 1) и
2), должна быть не более 19 мм;
b) для ПРУЖИННЫХ ЗАЖИМОВ, РАССЧИТАННЫХ для КАТЕГОРИЙ ИЗМЕРЕНИЙ III или IV:
1) в закрытом положении открытые ДОСТУПНЫЕ токоведущие части не должны превышать 4 мм во всех направлениях;
2) в открытом положении:
i) длина открытых ДОСТУПНЫХ токоведущих частей ПРУЖИННЫХ ЗАЖИМОВ с одним захватом не должна быть более 10 мм;
ii) внешние поверхности ПРУЖИННЫХ ЗАЖИМОВ с несколькими захватами или губками не должны быть токоведущими.
Требования
13.2 a) и
13.2 b) не распространяются на сборки щупов типа
E при условии, что два проводника сборки щупов отделены друг от друга посредством высокого импеданса.
Соответствие проверяют осмотром и измерением открытых токоведущих частей НАКОНЕЧНИКА ЩУПА или зажимов, проводимым следующим образом:
a) перед проведением измерений подпружиненные части, закрывающие токоведущую часть НАКОНЕЧНИКА ЩУПА, втягивают;
b) НАКОНЕЧНИКИ ЩУПА с подвижными частями, кроме подпружиненных частей, которые изменяют НОМИНАЛЬНЫЕ ХАРАКТЕРИСТИКИ и маркировочные сведения сборки щупов, оценивают в каждом положении;
c) НАКОНЕЧНИКИ ЩУПА со съемными частями, которые изменяют НОМИНАЛЬНЫЕ ХАРАКТЕРИСТИКИ и маркировочные сведения сборки щупов, оценивают при снятой, частично снятой и не снятой части (см. также 6.1.1).
(обязательное)
СХЕМЫ ИЗМЕРЕНИЯ ТОКА ПРИКОСНОВЕНИЯ (СМ.
7.3)
Примечание - Приложение A основано на IEC 60990:2016, который устанавливает требования к процедурам измерения тока прикосновения, а также требования к характеристикам испытательных вольтметров.
A.1 Схемы измерения для переменного тока частотой до 1 МГц и постоянного тока
Ток измеряют с помощью схемы, показанной на
рисунке A.1.
Значение тока рассчитывают по следующей формуле

,
где I - ток, А;
U - напряжение, показываемое вольтметром, В.
Настоящая схема имитирует импеданс человеческого тела и компенсирует изменения физиологической реакции человеческого тела в зависимости от частоты.
R1 = 1500 Ом +/- 5%; R2 = 500 Ом +/- 5%; R3 = 10 кОм +/- 5%;
C1 = 0,22 мкФ +/- 10%; C2 = 0,022 мкФ +/- 10%
Рисунок A.1 - Схема измерения для переменного тока
частотой до 1 МГц и постоянного тока
A.2 Схемы измерения для синусоидального переменного тока частотой до 100 Гц и постоянного тока
Если частота не превышает 100 Гц, ток может быть измерен с помощью альтернативной схемы, показанной на
рисунке A.2.
При использовании вольтметра, значение тока следует рассчитывать по следующей формуле

,
где I - ток, А;
U - напряжение, показываемое вольтметром, В.
Настоящая схема имитирует реакцию человеческого тела на воздействие высоких частоты.
R = 2000 Ом +/- 5%
Рисунок A.2 - Схема измерения для синусоидального
переменного тока с частотой до 100 Гц и постоянного тока
A.3 Схема измерения тока, вызывающего электрические ожоги на частотах выше 100 кГц
Значение тока рассчитывают по следующей формуле:

,
где I - ток, А;
U - напряжение, показываемое вольтметром, В.
Настоящая схема компенсирует физиологическую реакцию человеческого тела в зависимости от частоты.
R1 = 1500 Ом +/- 5%; R2 = 500 Ом +/- 5%;
C1 = 0,22 мкФ +/- 10%
Рисунок A.3 - Схема измерения тока, вызывающего
электрический ожог
R1 = 1500 Ом +/- 5%; R2 = 500 Ом +/- 5%;
C1 = 0,22 мкФ +/- 10%; Cs - емкость
Рисунок A.4 - Схема измерения тока
для высокочастотных испытательных щупов
A.4 Схема измерения тока при РАЗМЕЩЕНИИ В УСЛОВИЯХ ПОВЫШЕННОЙ ВЛАЖНОСТИ
При РАЗМЕЩЕНИИ В УСЛОВИЯХ ПОВЫШЕННОЙ ВЛАЖНОСТИ ток измеряют с использованием схемы, показанной на
рисунке A.5.
Значение тока рассчитывают по следующей формуле

,
где I - ток, А;
U - напряжение, показываемое вольтметром, В.
Настоящая схема имитирует импеданс человеческого тела с компенсацией изменения физиологической реакции человеческого тела в зависимости от частоты.
R1 = 375 Ом +/- 5%; R2 = 500 Ом +/- 5%;
C1 = 0,22 мкФ +/- 10%
Рисунок A.5 - Схема измерения тока при РАЗМЕЩЕНИИ
В УСЛОВИЯХ ПОВЫШЕННОЙ ВЛАЖНОСТИ
(обязательное)
СТАНДАРТНЫЕ ИСПЫТАТЕЛЬНЫЕ ПАЛЬЦЫ
A - металл; B - изоляционный материал
Допуски и размеры кончика пальца приведены на
рисунке B.2.
Примечание - Приведенный испытательный палец идентичен испытательному щупу 11 из IEC 61032:1997.
Рисунок B.1 - Жесткий испытательный палец
1 - изоляционный материал; 2 - разрез A-A; 3 - разрез B-B;
4 - ручка; 5 - стопорная пластина; 6 - сферическая форма;
7 - часть x (пример); 8 - вид сбоку;
9 - снять фаску со всех кромок
Рисунок B.2 - Шарнирный испытательный палец
Допуски для размеров без установленных допусков:
- для углов:

;
- для линейных размеров:
- до 25 мм:

;
- свыше 25 мм: +/- 0,2 мм.
Материал пальца - сталь, подвергнутая термообработке и т.п.
Оба шарнира этого пальца могут быть согнуты на угол

, но только в одном и том же направлении.
Использование штифта и паза является лишь одним из возможных подходов для ограничения угла изгиба до 90°. По этой причине размеры и допуски этих деталей на чертеже не приведены. Фактическая конструкция должна обеспечивать угол изгиба

.
Примечание - Настоящий испытательный палец идентичен испытательному щупу B, показанному на рисунке 2 IEC 61032:1997.
(обязательное)
ИЗМЕРЕНИЕ ЗАЗОРОВ И ПУТЕЙ УТЕЧКИ
Методы измерения ЗАЗОРОВ и ПУТЕЙ УТЕЧКИ приведены в
таблице C.2.
В приводимых ниже случаях не проводят различий между разрывами и канавками или между типами изоляции.
В приводимых ниже примерах размер
X равен значению, приведенному в
таблице C.1 в зависимости от СТЕПЕНИ ЗАГРЯЗНЕНИЯ.
Таблица C.1
СТЕПЕНЬ ЗАГРЯЗНЕНИЯ | Размер X, мм |
1 | 0,25 |
2 | 1,0 |
3 | 1,5 |
Если соответствующий ЗАЗОР составляет менее 3 мм, размер
X, указанный в
таблице C.1, может быть уменьшен до одной трети указанного ЗАЗОРА.
Таблица C.2
Методы измерения ЗАЗОРОВ и ПУТЕЙ УТЕЧКИ
Пример 1 - Путь включает в себя канавку с параллельными или сходящимися сторонами любой глубины шириной менее X мм. ЗАЗОР и ПУТЬ УТЕЧКИ измеряют непосредственно поперек канавки, как показано на рисунке | |
Пример 2 - Путь включает в себя канавку с параллельными сторонами любой глубины, равную или превышающую X мм. ЗАЗОРОМ является расстояние "прямой видимости". ПУТЬ УТЕЧКИ проходит по контуру канавки | |
Пример 3 - Путь включает в себя ребро. ЗАЗОРОМ является кратчайший прямой путь по воздуху над верхней частью ребра. ПУТЬ УТЕЧКИ повторяет контур ребра | |
Пример 4 - Путь включает в себя незакрепленный стык (шов) с канавкой на одной стороне шириной менее X и канавку на другой стороне шириной, равной или большей X. ЗАЗОР и ПУТЬ УТЕЧКИ соответствуют показанному на рисунке | |
Пример 5 - ЗАЗОРОМ является кратчайший прямой путь по воздуху над верхней частью барьера. ПУТЬ УТЕЧКИ через незакрепленный стык меньше ПУТИ УТЕЧКИ через барьер | |
Пример 6 - Разрыв между головкой винта и стенкой углубления слишком мал, чтобы его принимать в расчет. ПУТЬ УТЕЧКИ измеряют от винта до стенки на расстоянии, равном X | |
Пример 7 - C является плавающей частью. ЗАЗОРОМ является расстояние - d + D. ПУТЬ УТЕЧКИ также равен - d + D. Минимальный ЗАЗОР d или D составляет 0,2 мм при СТЕПЕНИ ЗАГРЯЗНЕНИЯ 2 и 0,8 мм при СТЕПЕНИ ЗАГРЯЗНЕНИЯ 3 | |
| ПУТЬ УТЕЧКИ |
| ЗАЗОР |
(обязательное)
КОНТРОЛЬНОЕ ИСПЫТАНИЕ ПРОВОДА ЩУПА НА ИСКРУ
D.1 Общие положения
Испытание на искру должно быть проведено изготовителем в качестве КОНТРОЛЬНОГО ИСПЫТАНИЯ на 100% ПРОВОДОВ ЩУПОВ в соответствии с приведенной ниже процедурой испытания и методом контрольного испытания на искру ПРОВОДА ЩУПА.
D.2 Процедура испытания на искру
Прибор постоянного или переменного тока, применяемый для испытания на искру, должен включать в свой состав источник напряжения, электрод, вольтметр, систему обнаружения и подсчета сигналов о неисправностях и соответствующие электрические соединения.
Источник напряжения прибора постоянного или переменного тока, применяемый для испытаний на искру, должен обеспечивать следующее испытательное напряжение при всех НОРМАЛЬНЫХ СОСТОЯНИЯХ тока утечки:
a) синусоидальное или почти синусоидальное среднеквадратичное значение напряжения, установленное для испытания переменным током данного типа провода;
b) напряжение, установленное для испытания постоянным током данного типа провода. Выходной ток источника питания постоянного тока не должен превышать 5 мА. Любые пульсации не должны превышать 1%. После обнаружения дефекта, испытательное напряжение постоянного тока должно восстановиться до указанного уровня в течение 5 мс, если за время, которое необходимо для полного восстановления напряжения, через электрод проходит отрезок провода(ов) длиной 610 мм или менее.
Один ВЫВОД источника питания постоянного тока, сердечник трансформатора и один конец вторичной обмотки источника питания переменного тока должны быть надежно соединены с землей. Источник напряжения не должен быть подключен более чем к одному электроду.
Электрод прибора постоянного или переменного тока, применяемый для испытаний на искру, должен быть в виде звеньевой или бисерной цепи, или другого проверенного и одобренного типа. Электрод в виде звеньевой или бисерной цепи должны плотно соприкасаться по всей своей длине с поверхностью испытуемого изолированного проводника.
Основание металлической оболочки электрода в виде звеньевой или бисерной цепи должно иметь U- или V-образную форму, длина цепей должна быть значительно больше высоты оболочки, а ширина желоба должна быть больше (обычно больше 40 мм) самого большого диаметра испытуемого ПРОВОДА ЩУПА.
Для электрода в виде бисерной цепи продольные и поперечные расстояния между рядами цепи и диаметр каждой бусины должны соответствовать
таблице D.1 (см. также
рисунок D.1). Вертикальное расстояние между бусинами в каждой цепи не должно превышать диаметр бусины.
Таблица D.1
Максимальные межцентровые расстояния бисерных цепей
Диаметр бусины <a>, мм | Продольное расстояние в пределах каждого ряда <a>, мм | Поперечное расстояние между рядами <a>, мм |
Цепи с шахматным порядком размещения | Цепи с несмещенным порядком размещения |
5,0 | 13 | 13 | 10 |
2,5 | <b> | <b> | <b> |
<a> Другие диаметры и расстояния также приемлемы, если исследование показывает, что цепи соприкасаются с равной или большей площадью внешней поверхности изолированного проводника или сборки проводников в исходном состоянии. <b> Цепи должны быть расположены в шахматном порядке и касаться друг друга в продольном и поперечном направлениях. |
a) Цепи с несмещенным порядком размещения
b) Цепи с шахматным порядком размещения
A - центр провода; T - поперечный шаг; L - продольный шаг
Рисунок D.1 - Конфигурация бисерной цепи (если применимо)
Электрод должен иметь заземленный металлический экран или эквивалентное ограждение, защищающее обслуживающий персонал от поражения электрическим током от электрода и связанных с ним токоведущих частей.
Вольтметр должен быть подключен к цепи, чтобы постоянно показывать фактическое испытательное напряжение.
Испытательное оборудование должно включать в себя детектор дефектов, счетчик дефектов и средства сигнализации о каждом обнаруженном дефекте. При обнаружении дефекта сигнал должен сохраняться до тех пор, пока индикатор не будет сброшен вручную.
Детектор дефектов должен обнаруживать пробой изоляции по напряжению. Пробой характеризуется возникновением электрической дуги между электродом и испытуемым заземленным проводником(ами). Пробой определяют как снижение на 25% или более испытательного напряжения, приложенного между электродом и заземленным(ми) проводником(ами). Выходной ток испытательного оборудования не должен превышать 5 мА.
Детектор дефектов должен состоять из триггерной схемы, которая преобразует входной импульс малой длительности в выходной импульс такой величины и длительности, которые обеспечивают надежное управление схемой индикации дефектов.
Счетчик дефектов должен накапливать неисправности в виде возрастающей числовой последовательности и отображать накопленную сумму. Время отклика счетчика дефектов должно приводить к тому, что счетчик регистрирует дефекты, расположенные на расстоянии не более 610 мм друг от друга, при любом сочетании скорости перемещения изделия и времени срабатывания счетчика. Это расстояние рассчитывают следующим образом
D = S·t,
где D - расстояние между дефектами, м;
S - скорость перемещения изделия, м/с;
t - время срабатывания счетчика, с.
При испытании на постоянном токе с использованием электрода в виде звеньевой или бисерной цепи поверхность изолированного проводника(ов) должна находиться в тесном контакте со звеньевыми или бисерными цепями на протяжении (125 +/- 25) мм.
Длина электрода в виде звеньевой или бисерной цепи для испытания на переменном токе не установлена, однако скорость, с которой изолированный провод проходит через электрод, должна обеспечивать контакт любой точки испытуемого изделия с электродом в течение не менее 18 положительных и отрицательных пиковых напряжений питания переменного тока (эквивалент полных 9 циклов напряжения питания переменного тока). Максимальную скорость испытуемого изделия при испытании на переменном токе V определяют с помощью следующей формулы:

,
где V - скорость, м/мин;
F - частота, Гц;
L - длина электрода, мм.
Для удобства в
таблице D.2 приведены формулы для семи частот.
Таблица D.2
Формула для определения максимальной скорости подачи
провода в пересчете на длину L электрода для электрода
в виде звеньевой или бисерной цепи
Значение частоты питания F, Гц | Скорость V, м/мин, при длине электрода L, мм |
50 | 0,333·L |
60 | 0,400·L |
100 | 0,667·L |
400 | 2,67·L |
1000 | 6,67·L |
3000 | 20,0·L |
4000 | 26,7·L |
Во время проведения испытания на искру испытуемый проводник должен быть заземлен. Если проводник, идущий от распределительной катушки, оголен, то проводник должен быть заземлен на распределительной катушке или в другой точке, в которой поддерживается непрерывный контакт с оголенным проводником до начала процесса изоляции, и не требуется проверять проводник на целостность цепи или заземлять на приемной катушке. Если проводник, идущий от распределительной катушки, изолирован, заземление должно быть выполнено на каждой распределительной катушке и на приемной катушке. Заземляющее соединение должно быть соединено с ВЫВОДОМ защитного заземления прибора, применяемого для испытаний на искру.
D.3 Метод контрольных испытаний ПРОВОДА ЩУПА на искру
Для одножильных проводов с изоляцией, отличной от экструдированной, напряжение должно составлять 1500 В, если провод РАССЧИТАН на 300 В, и 2000 В, если провод РАССЧИТАН на напряжение 600 В.
Для всех остальных проводов и изоляции напряжение должно в 10 раз превышать НОМИНАЛЬНОЕ напряжение провода до 1000 В при минимальном напряжении 1500 В. Если РАСЧЕТНОЕ напряжение не указано, напряжение должно составлять 3000 В. Для провода, РАССЧИТАННОГО на напряжения более 1000 В, напряжение должно в два раза превышать РАСЧЕТНОЕ напряжение провода при минимальном значении напряжения 10000 В. Должны быть испытаны изолированные провода или изолированные проводники провода в оболочке. В случае провода в оболочке изолированные проводники должны быть испытаны перед нанесением общей оболочки или покрытия.
Испытание на искру должно проводиться в определенный момент до того, как провод будет отрезан до конечной длины, или до того, как он будет разрезан на отдельные отгрузочные отрезки.
Любые дефекты должны быть устранены или отремонтированы. Изоляция в местах ремонта должна быть повторно испытана.
(справочное)
ЧЕТЫРЕХМИЛЛИМЕТРОВЫЕ СОЕДИНИТЕЛИ
E.1 Общие положения
ОПАСНОСТЬ может возникнуть в результате того, что ОПЕРАТОР полагается на значения, отображаемые оборудованием, когда СОЕДИНИТЕЛИ находятся в сопряженном положении, но токоведущие части не находятся в контакте.
В настоящем приложении приведены рекомендуемые размеры, обеспечивающие безопасность при подключении четырехмиллиметровых СОЕДИНИТЕЛЕЙ, используемых в сборках щупов и оборудовании, к которому могут быть подключены сборки щупов.
Подобные четырехмиллиметровые ВЫВОДЫ часто называют "соединителями типа "банан" или "вилка типа "банан".
E.2 Размеры
Размеры, указанные на
рисунке E.1, соответствуют требованиям к СОЕДИНИТЕЛЯМ, РАССЧИТАННЫМ на КАТЕГОРИИ ИЗМЕРЕНИЙ до 1000 В.
A = (3,90 +/- 0,05) мм (при сжатии); | G <= 6,4 мм; |
B >= 6,6 мм; | K >= 8,1 мм; |
C <= 7,9 мм; | 4 мм <= H <= 6 мм; |
2,6 мм <= E <= 6 мм; | L >= 20 мм; |
F <= 12 мм; | M = (4,00 + 0,05) мм. |
Допуски размеров без установленных допусков - 0,1 мм.
1 - штыревой СОЕДИНИТЕЛЬ; 2 - гнездовой СОЕДИНИТЕЛЬ;
X - место, где происходит наилучший контакт, а F является
расстоянием до X; A - максимальный диаметр, в котором
происходит контакт
Минимальное значение E и H зависит от наличия пластиковых частей. ЗАЗОРЫ должны составлять не менее 2,6 мм
Рисунок E.1 - Рекомендуемые размеры
четырехмиллиметровых СОЕДИНИТЕЛЕЙ
Указанные размеры обеспечивают выполнение требований к ПРОМЕЖУТКАМ, указанным в
7.4.2, когда СОЕДИНИТЕЛИ и ВЫВОДЫ сопряжены, не сопряжены или частично сопряжены, а токоведущие части сопряженных СОЕДИНИТЕЛЕЙ и ВЫВОДОВ находятся в контакте.
Примечание - Усилия при извлечении или установке и значения сопротивления контакта не учитывают.
(обязательное)
F.1 Общие положения
Для целей настоящего стандарта используют указанные ниже КАТЕГОРИИ ИЗМЕРЕНИЙ. Рассматриваемые КАТЕГОРИИ ИЗМЕРЕНИЙ отличаются от категорий перенапряжения, установленных в IEC 61010-1:2010 (пункт K.1.1), IEC 60364-4-44:2007/AMD1:2015 (пункт 443.6) или IEC 60664-1:2020 (пункт 4.3).
КАТЕГОРИИ ИЗМЕРЕНИЙ основаны на местоположениях в сетевой системе электроснабжения, где могут выполняться измерения.
Примечание - Категории перенапряжения, установленные IEC 60664-1 и IEC 60364-4-44, предназначены для целей согласования изоляции компонентов и оборудования, используемых в низковольтных сетевых системах электроснабжения.
F.2 КАТЕГОРИИ ИЗМЕРЕНИЙ
F.2.1 КАТЕГОРИЯ ИЗМЕРЕНИЙ II
КАТЕГОРИЮ ИЗМЕРЕНИЙ II применяют для испытательных и измерительных цепей, подключаемых непосредственно к точкам использования (выходным розеткам и аналогичным точкам) низковольтной сетевой установки (см.
таблицу F.1 и
рисунок F.1).
Пример - Измерения в сетевых цепях бытовых приборов, портативного инструмента и аналогичного оборудования, а также розетках стационарных установок, расположенных на стороне потребителя.
1 - низковольтный источник питания над землей
или под землей; 2 - служебный предохранитель; 3 - тарифный
счетчик; 4 - сетевой автоматический выключатель
или рубильник <a>; 5 - фотоэлектрическая панель;
6 - преобразователь постоянного тока в переменный;
7 - автоматический выключатель или рубильник; 8 - счетчик
выработки (электроэнергии); 9 - распределительный щит;
10 - выключатель света; 11 - освещение;
12 - распределительная коробка; 13 - проводка розетки;
14 - штепсельные розетки; 15 - лампы, подключаемые вилками;
16 - бытовые приборы, портативный инструмент
--------------------------------
<a> Сетевой автоматический выключатель или рубильник может быть установлен поставщиком услуг. В противном случае точкой разграничения между CAT IV и CAT III является первый рубильник в распределительном щите.
CAT II - КАТЕГОРИЯ ИЗМЕРЕНИЙ II; CAT III - КАТЕГОРИЯ ИЗМЕРЕНИЙ III;
CAT IV - КАТЕГОРИЯ ИЗМЕРЕНИЙ IV
Рисунок F.1 - Примеры идентификации местоположений
КАТЕГОРИЙ ИЗМЕРЕНИЙ
Таблица F.1
Характеристики КАТЕГОРИЙ ИЗМЕРЕНИЙ
КАТЕГОРИЯ ИЗМЕРЕНИЙ | Ток короткого замыкания (типичный), kA <a> | Местоположение |
II | < 10 | Цепи, подключенные к сетевым штепсельным розеткам и аналогичным точкам сетевой установки |
III | < 50 | Сетевые распределительные щиты (части) здания |
IV | > 50 | Источник питания сетевой установки |
<a> Значение импедансов контуров (импедансов установки) не учитывают сопротивление испытательных проводов и внутренние импедансы измерительного оборудования. Значения тока короткого замыкания варьируются в зависимости от характеристик установки и номинального напряжения распределительной системы распределения. |
F.2.2 КАТЕГОРИЯ ИЗМЕРЕНИЙ III
КАТЕГОРИЮ ИЗМЕРЕНИЙ III применяют для испытательных и измерительных цепей, подключаемых к распределительной части низковольтной сетевой установки здания (см.
таблицу F.1 и
рисунок F.1).
Во избежание рисков, вызванных ОПАСНОСТЯМИ, возникающими в результате более высоких токов короткого замыкания, требуется применение дополнительной изоляции и других мер защиты.
Для оборудования, являющегося частью стационарной установки, предохранитель или автоматический выключатель этой установки можно считать адекватной защитой от токов короткого замыкания.
Пример - Измерения на распределительных щитах (включая вторичные счетчики), фотоэлектрических панелях, автоматических выключателях, электропроводке, включая кабели, шины, распределительные коробки, выключатели, розетки в стационарной установке, а также оборудовании для промышленного применения и некотором другом оборудовании, таком как стационарные двигатели с постоянным подключением к стационарной установке.
F.2.3 КАТЕГОРИЯ ИЗМЕРЕНИЙ IV
КАТЕГОРИЮ ИЗМЕРЕНИЙ IV применяют к испытательным и измерительным цепям, подключаемым к источнику низковольтной сетевой установки здания (см.
таблицу F.1 и
рисунок F.1).
Вследствие высоких потенциальных токов короткого замыкания, существующих в таких цепях, любое случайное короткое замыкание, возникшее во время проведения измерений, может привести к возникновению высокоэнергетической вспышки дуги, которая чрезвычайно опасна для посторонних лиц, находящихся в непосредственной близости. Необходимо соблюдать все меры предосторожности, чтобы избежать любой возможности короткого замыкания.
Пример - Измерения на приборах, установленных перед сетевым автоматическим выключателем или рубильником установки здания.
F.2.4 Сборки щупов без установленной КАТЕГОРИИ ИЗМЕРЕНИЯ
Многие типы испытательных и измерительных цепей не предназначены для непосредственного подключения к сетевому электроснабжению. Некоторые из этих измерительных цепей предназначены для работы с очень низким энергопотреблением, но другие могут потреблять очень большое количество доступной энергии, вызванной высокими токами короткого замыкания или высокими напряжениями разомкнутой цепи. Для таких цепей не определены стандартные уровни переходных процессов. Для определения требований к изоляции и току короткого замыкания таких цепей требуется проведение анализа РАБОЧИХ НАПРЯЖЕНИЙ, импеданса контура, кратковременных и переходных перенапряжений.
Пример - Измерительные цепи термопар, высокочастотные измерительные цепи, автомобильные тестеры и тестеры, используемые для определения характеристик сетевой установки до ее подключения к сетевому электроснабжению.
(справочное)
Значения
D1, приведенные в
таблице 5, являются интерполированными значениями из таблицы F.2 IEC 60664-1:2020. Значения
D2 менее 100 мм в
таблице 5 являются интерполированными значениями из таблицы F.8 IEC 60664-1:2020, а значения
D2, приведенные в
таблице 5, превышающие 100 мм, являются экстраполированными значениями из таблицы F.8 IEC 60664-1:2020.
ЗАЗОРЫ, указанные в
таблице G.1, были рассчитаны с использованием линейной интерполяции значений
D2, приведенных в
таблице 5 для ОСНОВНОЙ ИЗОЛЯЦИИ (см.
7.5.2.3.2) с коэффициентом запаса прочности 25%. Переходные перенапряжения не учитывались.
Таблица G.1
| | | | | | | |
Среднеквадратичное значение напряжения переменного тока или напряжение постоянного тока, В | Коэффициент запаса прочности (x 1,25), В | Пиковое значение, В | Точный ЗАЗОР, мм | Окончательный ЗАЗОР, мм |
Переменный ток | Постоянный ток | Переменный ток | Постоянный ток | Переменный ток | Постоянный ток |
300 | 375 | 530 | 375 | 0,046 | 0,016 | 0,8 | 0,8 |
600 | 750 | 1061 | 750 | 0,31 | 0,11 | 0,8 | 0,8 |
1000 | 1250 | 1768 | 1250 | 1,03 | 0,48 | 1,0 | 0,8 |
1500 | 1875 | 2652 | 1875 | 2,00 | 1,14 | 2,0 | 1,1 |
2000 | 2500 | 3536 | 2500 | 3,20 | 1,80 | 3,2 | 1,8 |
3000 | 3750 | 5303 | 3750 | 6,40 | 3,45 | 6,4 | 3,5 |
5000 | 6250 | 8839 | 6250 | 13 | 8,3 | 13 | 8,3 |
10000 | 12500 | 17768 | 12500 | 30 | 20 | 30 | 20 |
15000 | 18750 | 26517 | 18750 | 48 | 32 | 48 | 32 |
20000 | 25000 | 35355 | 25000 | 67 | 44 | 67 | 44 |
Столбец [A] - среднеквадратичное значения напряжения переменного тока или постоянного тока, на которое РАССЧИТАН СОЕДИНИТЕЛЬ сборки щупов;
столбец [B] - значение, с учетом коэффициента прочности в размере 25%;
столбец [C] - пиковое среднеквадратичное значение напряжения переменного тока;
столбец [D] - пиковое значение напряжения постоянного тока;
столбцы [G] и
[H] - окончательные значения ЗАЗОРОВ, с учетом указанного ниже.
Значения 0,8 мм являются минимальными значениями ЗАЗОРА для СТЕПЕНИ ЗАГРЯЗНЕНИЯ 3. СТЕПЕНЬ ЗАГРЯЗНЕНИЯ 3 используют, поскольку СОЕДИНИТЕЛИ являются внешними и незащищенными.
(справочное)
НАПРЯЖЕНИЯ ЛИНИЯ - НЕЙТРАЛЬ ДЛЯ СЕТЕВЫХ СИСТЕМ
ЭЛЕКТРОСНАБЖЕНИЯ ОБЩЕГО ПОЛЬЗОВАНИЯ
Для целей настоящего стандарта при определении ЗАЗОРА и требований к твердой изоляции цепей, подключаемых к сети, следует использовать значения напряжения линия - нейтраль, приведенные в
таблице H1.
Таблица H.1 взята из таблицы B.1 IEC 60664-1:2020. Указанная таблица применима к системам электроснабжения со встроенным контролем (см. IEC 60664-1:2020, 4.2.2.1).
Таблица H.1
Напряжения линия - нейтраль для сетевых систем
электроснабжения общего пользования
Значения напряжений для сетевых систем, В | Напряжение линия - нейтраль в зависимости от типа сети и значения напряжения, В |
Трехфазные четырехпроводные системы <a> с заземленной нейтралью ( TT-система) TN-C-S система | Трехфазные четырехпроводные системы <a> с незаземленной нейтралью ( IT-система) <b>, <c> | Трехфазные трехпроводные системы без заземления | Трехфазные трехпроводные системы с заземленной фазой | Однофазные двухпроводные системы переменного или постоянного тока | Однофазные (с расщеплением фаз) трехпроводные системы <a> переменного или постоянного тока |
| | | | От 12,5 до 48 | 30/60 | 50 |
66/115 | | 66 | | 60 | | 100 |
120/208 | 120/208 | 110,115 | 100 | 100 | | 150 |
127/220 | | 120,127 | 120 | 110,115 | 110/220 | |
| | | | 120,127 | 115/230 | |
| | | | | 120/240 | |
220/380 | 230/400 | 200 | 200 | 220 | 220/440 | 300 |
230/400 | 277/480 | 220, 230, 240 | 240 | 230 | 240/480 | |
240/415 | | 260, 277, 347 | | 240 | | |
260/440 | | 380, 400, 415 | | | | |
277/480 | | 440, 480 | | | | |
347/600 | 347/600 | 500 | 347 | 480 | 480/960 | 600 |
380/660 | 400/690 | 577 | 380, 400, 415 | | | |
400/690 | | 600 | 440, 480, 600 | | | |
417/720 | | | | | | |
480/830 | | | | | | |
| | 660 | | 1000 | | 1000 |
| | 690, 720 | | | | |
| | 830, 1000 | | | | |
| | | | 1250, 1500 | | |
<a> Напряжения, показанные в виде двух напряжений, разделенных знаком "/", представляют собой напряжение фаза - нейтраль (или линия - нейтраль), за которым следует напряжение между фазами (или линия - линия). Например, "120/208" указывает, что напряжение от любой фазой и нейтралью составляет 120 В, а напряжение между любой фазой и другой фазой составляет 208 В. Аналогичным образом, "220/440" указывает, что напряжение между любой линией и нейтралью составляет 220 В и напряжение между линиями составляет 440 В. <b> Z является импедансом, который может соединять нейтраль с землей (обычно 1500 Ом). <c> При контроле изоляции нейтраль таких систем считают заземленной. <d> Практикуется в Японии. <e> Применяют только для постоянного тока. |
(справочное)
УКАЗАТЕЛЬ ТЕРМИНОВ, КОТОРЫМ ДАНЫ ОПРЕДЕЛЕНИЯ
Термин | Определение |
ВЫВОД ....................................................................................... | |
ДВОЙНАЯ ИЗОЛЯЦИЯ ............................................................ | |
ДОПОЛНИТЕЛЬНАЯ ИЗОЛЯЦИЯ .......................................... | |
ДОСТУПНЫЙ ............................................................................. | |
ЗАГРЯЗНЕНИЕ ............................................................................ | |
ЗАЗОР ........................................................................................... | |
ЗАЩИТНЫЙ ПРЕДОХРАНИТЕЛЬ ПАЛЬЦЕВ ........................ | |
ЗАЩИТНЫЙ ИМПЕДАНС ......................................................... | |
ИНСТРУМЕНТ ............................................................................ | |
КАТЕГОРИЯ ИЗМЕРЕНИЙ ....................................................... | |
КОНТРОЛЬНЫЕ ИСПЫТАНИЯ .............................................. | |
КОНТРОЛЬНЫЙ СОЕДИНИТЕЛЬ .......................................... | |
КОЖУХ ....................................................................................... | |
НАКОНЕЧНИК ЩУПА ............................................................... | |
НАРАЩИВАЕМЫЙ СОЕДИНИТЕЛЬ ...................................... | |
НОМИНАЛЬНЫЕ ХАРАКТЕРИСТИКИ .................................. | |
НОРМАЛЬНОЕ ПРИМЕНЕНИЕ ............................................... | |
НОРМАЛЬНЫЕ УСЛОВИЯ ...................................................... | |
ОБОСНОВАННО ПРОГНОЗИРУЕМОЕ НЕПРАВИЛЬНОЕ ПРИМЕНЕНИЕ ............................................................................. | |
ОПАСНОСТЬ ............................................................................... | |
ОПАСНАЯ ТОКОВЕДУЩАЯ .................................................... | |
ОПЕРАТОР .................................................................................... | |
ОСНОВНАЯ ИЗОЛЯЦИЯ ............................................................ | |
ОТВЕТСТВЕННЫЙ ОРГАН ........................................................ | |
ПРОВОД ЩУПА ........................................................................... | |
ПРОМЕЖУТОК ........................................................................... | |
ПРУЖИННЫЙ ЗАЖИМ ............................................................... | |
ПУТЬ УТЕЧКИ ............................................................................... | |
РАБОЧЕЕ НАПРЯЖЕНИЕ ............................................................ | |
РАЗМЕЩЕНИЕ ПРИ ПОВЫШЕННОЙ ВЛАЖНОСТИ ............. | |
РАСЧЕТНЫЙ, РАСЧЕТНОЕ значение ................................... | |
СОЕДИНИТЕЛЬ ........................................................................... | |
СТЕПЕНЬ ЗАГРЯЗНЕНИЯ .......................................................... | |
СТЕПЕНЬ ЗАГРЯЗНЕНИЯ 1 ...................................................... | |
СТЕПЕНЬ ЗАГРЯЗНЕНИЯ 2 ...................................................... | |
СТЕПЕНЬ ЗАГРЯЗНЕНИЯ 3 ...................................................... | |
ТИПОВОЕ ИСПЫТАНИЕ .......................................................... | |
УСИЛЕННАЯ ИЗОЛЯЦИЯ ........................................................ | |
УСЛОВИЕ ЕДИНИЧНОЙ НЕИСПРАВНОСТИ ........................ | |
(справочное)
СВЕДЕНИЯ О СООТВЕТСТВИИ ССЫЛОЧНЫХ МЕЖДУНАРОДНЫХ СТАНДАРТОВ
МЕЖГОСУДАРСТВЕННЫМ СТАНДАРТАМ
Таблица ДА.1
Обозначение ссылочного международного стандарта | Степень соответствия | Обозначение и наименование соответствующего межгосударственного стандарта |
IEC 60027-1:1992; AMD1 (1997); AMD2(2005) | IDT | |
IEC 60027-2:2019 | - | <*> |
IEC 60027-4:2006 | IDT | ГОСТ IEC 60027-4-2013 "Обозначения буквенные, применяемые в электротехнике. Часть 4. Машины электрические вращающиеся" |
IEC 60529:1989; AMD1(1999); AMD2(2013) | MOD | ГОСТ 14254-2015 (IEC 60529:2013) "Степени защиты, обеспечиваемые оболочками (Код IP)" |
IEC 61010-1:2010 | IDT | ГОСТ IEC 61010-1-2014 "Безопасность электрических контрольно-измерительных приборов и лабораторного оборудования. Часть 1. Общие требования" |
IEC 61180:2016 | - | <*> |
<*> Соответствующий межгосударственный стандарт отсутствует. До его принятия рекомендуется использовать перевод на русский язык данного международного стандарта. Примечание - В настоящей таблице использованы следующие условные обозначения степени соответствия стандартов: - IDT - идентичные стандарты; - MOD - модифицированный стандарт. |
IEC 60050-151 | International Electrotechnical Vocabulary - Part 151: Electrical and magnetic Devices (Международный электротехнический словарь. Часть 151. Электрические и магнитные устройства) |
IEC 60050-195 | International Electrotechnical Vocabulary - Part 195: Earthing and protection against electric shock (Международный электротехнический словарь. Часть 195. Заземление и защита от поражения электрическим током) |
IEC 60364-4-44:2007 IEC 60364-4-44:2007/AMD1:2015 IEC 60364-4-44:2007/AMD2:2018 | Low-voltage electrical installations - Part 4-44: Protection for safety - Protection against voltage disturbances and electromagnetic disturbances (Низковольтные электрические установки. Часть 4-44. Защита для обеспечения безопасности. Защита от перепадов напряжения и электромагнитных помех) |
IEC 60417 | Graphical symbols for use on equipment (available at: http://www.graphical-symbols.info/equipment) [Графические обозначения для использования на оборудовании. (доступно на http://www.graphical-symbols.info/equipment)] |
IEC 60664-1:2020 | Insulation coordination for equipment within low-voltage supply systems - Part 1: Principles, requirements and tests (Согласование изоляции оборудования в системах низковольтного питания. Часть 1. Принципы, требования и испытания) |
IEC 60664-4:2005 | Insulation coordination for equipment within low-voltage systems - Part 4: Consideration of high-frequency voltage stress (Согласование изоляции оборудования в низковольтных системах. Часть 4. Рассмотрение воздействия высокочастотного напряжения) |
IEC 60990:2016 | Methods of measurement of touch current and protective conductor current (Методы измерения тока прикосновения и тока защитного проводника) |
IEC 61010-2-030 | Safety requirements for electrical equipment for measurement, control, and laboratory use - Part 2-030: Special requirements for testing and measuring circuits (Требования безопасности к электрическому оборудованию для измерений, управления и лабораторного применения. Часть 2-030. Частные требования к испытательным и измерительным цепям) |
IEC 61010-2-032:2019 | Safety requirements for electrical equipment for measurement, control and laboratory use - Part 2-032: Particular requirements for hand-held and hand-manipulated current sensors for electrical test and measurement (Требования безопасности к электрическому оборудованию для измерений, управления и лабораторного применения. Часть 2-032. Частные требования к ручным и управляемым вручную датчикам тока для электрических испытаний и измерений) |
IEC 61010-2-033 | Safety requirements for electrical equipment for measurement, control, and laboratory use - Part 2-033: Particular requirements for hand-held multimeters for domestic and professional use capable of measuring mains voltage strength (Требования безопасности для электрического оборудования для измерений, управления и лабораторного применения. Часть 2-033. Частные требования к портативным мультиметрам для бытового и профессионального применения, обеспечивающим измерения напряжения сети) |
IEC 61010-2-034 | Safety requirements for electrical equipment for measurement, control, and laboratory use - Part 2-034: Particular requirements for measurement equipment for insulation resistance and test equipment for electric strength (Требования безопасности для электрического оборудования для измерений, управления и лабораторного применения. Часть 2-034. Частные требования к оборудованию для измерения сопротивления изоляции и испытательному оборудованию для определения электрической прочности) |
IEC 61032:1997 | Protection of persons and equipment by enclosures - Probes for verification (Защита людей и оборудования с помощью оболочек. Щупы для верификации) |
IEC 61557-17 | Electrical safety in low voltage distribution systems up to 1000 V AC and 1500 V DC - Equipment for testing, measuring or monitoring of protective measures - Part 17: Non-contact AC voltage indicators (Электрическая безопасность в распределительных системах низкого напряжения до 1000 В переменного тока и 1500 В постоянного тока. Оборудование для испытаний, измерения или мониторинга средств защиты. Часть 17. Бесконтактные индикаторы переменного напряжения) |
IEC TS 62993:2017 | Guidance for determination of clearances, creepage distances and requirements for solid insulation for equipment with a rated voltage above 1 000 V AC and 1 500 V DC, and up to 2 000 V AC and 3 000 V DC (Руководство по определению зазоров, путей утечки и требования к твердой изоляции оборудования с номинальным напряжением выше 1000 В переменного тока и 1500 В постоянного тока, и до 2000 В переменного тока и 3000 В постоянного тока) |
IEC GUIDE 104 | The preparation of safety publications and the use of basic safety publications and group safety publications (Подготовка публикаций по безопасности и использование базовых публикаций по безопасности и групповых публикаций по безопасности) |
ISO/IEC GUIDE 51 | Safety aspects - Guidelines for their inclusion in standards (Аспекты безопасности. Рекомендации по их включению в стандарты) |
ISO 7000 | Graphical symbols for use on equipment (available at: http://www.iso.org/obp) [Графические символы для использования на оборудовании (доступно на http://www.iso.org/obp] |
УДК 621.317.799:006.354 | | IDT |
Ключевые слова: сборка щупов, НАКОНЕЧНИК ЩУПА, ПРОВОД ЩУПА, РАЗМЕЩЕНИЕ ПРИ ПОВЫШЕННОЙ ВЛАЖНОСТИ, КАТЕГОРИЯ ИЗМЕРЕНИЯ, СТЕПЕНЬ ЗАГРЯЗНЕНИЯ, ЗАЩИТНЫЙ ПРЕДОХРАНИТЕЛЬ ПАЛЬЦЕВ, ручной, управляемый вручную, сеть, защита, ЗАЗОР, ПУТЬ УТЕЧКИ, ПРОМЕЖУТКОВ, твердая изоляция, ОПАСНОСТЬ, НОРМАЛЬНОЕ ПРИМЕНЕНИЕ, НОРМАЛЬНЫЕ УСЛОВИЯ, ОБОСНОВАННО ПРОГНОЗИРУЕМОЕ НЕПРАВИЛЬНОЕ ПРИМЕНЕНИЕ, испытания, поражение электрическим током, ожог, ток прикосновения |