Главная // Актуальные документы // Актуальные документы (обновление с 03.11.2025 по 29.11.2025) // ГОСТ (Государственный стандарт)СПРАВКА
Источник публикации
М.: ФГБУ "Институт стандартизации", 2025
Примечание к документу
Документ
введен в действие с 01.10.2025.
Название документа
"ГОСТ 35262-2025. Межгосударственный стандарт. Подвижной состав метрополитена. Электромагнитная совместимость. Требования к электромагнитной эмиссии от подвижного состава метрополитена и методы испытаний"
(введен в действие Приказом Росстандарта от 18.08.2025 N 898-ст)
"ГОСТ 35262-2025. Межгосударственный стандарт. Подвижной состав метрополитена. Электромагнитная совместимость. Требования к электромагнитной эмиссии от подвижного состава метрополитена и методы испытаний"
(введен в действие Приказом Росстандарта от 18.08.2025 N 898-ст)
Введен в действие
агентства по техническому
регулированию и метрологии
от 18 августа 2025 г. N 898-ст
МЕЖГОСУДАРСТВЕННЫЙ СТАНДАРТ
ПОДВИЖНОЙ СОСТАВ МЕТРОПОЛИТЕНА.
ЭЛЕКТРОМАГНИТНАЯ СОВМЕСТИМОСТЬ
ТРЕБОВАНИЯ К ЭЛЕКТРОМАГНИТНОЙ ЭМИССИИ
ОТ ПОДВИЖНОГО СОСТАВА МЕТРОПОЛИТЕНА И МЕТОДЫ ИСПЫТАНИЙ
Subway rolling stock. Electromagnetic compatibility.
Requirements for electromagnetic emission from subway
rolling stock and test methods
ГОСТ 35262-2025
Дата введения
1 октября 2025 года
Цели, основные принципы и общие правила проведения работ по межгосударственной стандартизации установлены
ГОСТ 1.0 "Межгосударственная система стандартизации. Основные положения" и
ГОСТ 1.2 "Межгосударственная система стандартизации. Стандарты межгосударственные, правила и рекомендации по межгосударственной стандартизации. Правила разработки, принятия, обновления и отмены"
1 РАЗРАБОТАН Обществом с ограниченной ответственностью "Испытательный центр технических и программных средств железнодорожного транспорта" (ООО "ИЦ ТПС ЖТ"), Акционерным обществом "МЕТРОВАГОНМАШ" (АО "МЕТРОВАГОНМАШ")
2 ВНЕСЕН Техническим комитетом по стандартизации ТК 150 "Метрополитены"
3 ПРИНЯТ Межгосударственным советом по стандартизации, метрологии и сертификации (протокол от 30 мая 2025 г. N 185-П)
За принятие проголосовали:
Краткое наименование страны по МК (ИСО 3166) 004-97 | Код страны по МК (ИСО 3166) 004-97 | Сокращенное наименование национального органа по стандартизации |
Азербайджан | AZ | Азстандарт |
Армения | AM | ЗАО "Национальный орган по стандартизации и метрологии" Республики Армения |
Беларусь | BY | Госстандарт Республики Беларусь |
Грузия | GE | Грузстандарт |
Казахстан | KZ | Госстандарт Республики Казахстан |
Киргизия | KG | Кыргызстандарт |
Молдова | MD | Институт стандартизации Молдовы |
Россия | RU | Росстандарт |
Таджикистан | TJ | Таджикстандарт |
Туркменистан | TM | Главслужба "Туркменстандартлары" |
Узбекистан | UZ | Узбекское агентство по техническому регулированию |
4
Приказом Федерального агентства по техническому регулированию и метрологии от 18 августа 2025 г. N 898-ст межгосударственный стандарт ГОСТ 35262-2025 введен в действие в качестве национального стандарта Российской Федерации с 1 октября 2025 г.
5 ВВЕДЕН ВПЕРВЫЕ
Информация о введении в действие (прекращении действия) настоящего стандарта и изменений к нему на территории указанных выше государств публикуется в указателях национальных стандартов, издаваемых в этих государствах, а также в сети Интернет на сайтах соответствующих национальных органов по стандартизации.
В случае пересмотра, изменения или отмены настоящего стандарта соответствующая информация будет опубликована на официальном интернет-сайте Межгосударственного совета по стандартизации, метрологии и сертификации в каталоге "Межгосударственные стандарты"
Настоящий стандарт распространяется на моторвагонный подвижной состав метрополитена и специальный подвижной состав метрополитена, оснащенный электрическим оборудованием (далее - подвижной состав метрополитена). Стандарт устанавливает требования по ограничению электромагнитных помех от подвижного состава метрополитена и методы испытаний.
Настоящий стандарт предназначен для применения при разработке, постановке на производство и модернизации подвижного состава метрополитена.
В настоящем стандарте использованы нормативные ссылки на следующие межгосударственные стандарты:
ГОСТ 30372 (IEC 60050-161:1990) Совместимость технических средств электромагнитная. Термины и определения
ГОСТ 33436.2-2016 (IEC 62236-2:2008) Совместимость технических средств электромагнитная. Системы и оборудование железнодорожного транспорта. Часть 2. Электромагнитные помехи от железнодорожных систем в целом во внешнюю окружающую среду. Требования и методы испытаний
ГОСТ CISPR 16-1-1 Требования к аппаратуре для измерения радиопомех и помехоустойчивости и методы измерения. Часть 1-1. Аппаратура для измерения радиопомех и помехоустойчивости. Измерительная аппаратура
ГОСТ CISPR 16-1-2 Требования к аппаратуре для измерения радиопомех и помехоустойчивости и методы измерения. Часть 1-2. Аппаратура для измерения радиопомех и помехоустойчивости. Устройства связи для измерений кондуктивных помех
ГОСТ CISPR 16-1-4 Совместимость технических средств электромагнитная. Требования к аппаратуре для измерения параметров индустриальных радиопомех и помехоустойчивости и методы измерений. Часть 1-4. Аппаратура для измерения радиопомех и помехоустойчивости. Антенны и испытательные площадки для измерения излучаемых помех
ГОСТ CISPR 16-2-1-2015 Требования к аппаратуре для измерения радиопомех и помехоустойчивости и методы измерения. Часть 2-1. Методы измерения помех и помехоустойчивости. Измерения кондуктивных помех
ГОСТ CISPR 16-2-3-2016 Требования к аппаратуре для измерения радиопомех и помехоустойчивости и методы измерения. Часть 2-3. Методы измерения радиопомех и помехоустойчивости. Измерение излучаемых помех
Примечание - При пользовании настоящим стандартом целесообразно проверить действие ссылочных стандартов и классификаторов на официальном интернет-сайте Межгосударственного совета по стандартизации, метрологии и сертификации (www.easc.by) или по указателям национальных стандартов, издаваемым в государствах, указанных в предисловии, или на официальных сайтах соответствующих национальных органов по стандартизации. Если на документ дана недатированная ссылка, то следует использовать документ, действующий на текущий момент, с учетом всех внесенных в него изменений. Если заменен ссылочный документ, на который дана датированная ссылка, то следует использовать указанную версию этого документа. Если после принятия настоящего стандарта в ссылочный документ, на который дана датированная ссылка, внесено изменение, затрагивающее положение, на которое дана ссылка, то это положение применяется без учета данного изменения. Если ссылочный документ отменен без замены, то положение, в котором дана ссылка на него, применяется в части, не затрагивающей эту ссылку.
3 Термины, определения и сокращения
3.1 В настоящем стандарте применены термины по
ГОСТ 30372.
3.2 В настоящем стандарте применены следующие сокращения:
АЛС-АРС - автоматическая локомотивная сигнализация с автоматическим регулированием скорости;
БРУ - блок распределительного устройства;
МВПСМ - моторвагонный подвижной состав метрополитена;
РЦ - рельсовые цепи;
СЦБ - сигнализация, централизация и блокировка.
4 Требования к допустимым уровням электромагнитных помех, создаваемых подвижным составом метрополитена
4.1 Нормы напряженности поля электромагнитных помех. Общие положения
Нормы напряженности поля электромагнитных помех, создаваемых подвижным составом метрополитена на наземных (надземных) участках, изложены в
4.2 и
4.3.
Нормы напряженности поля электромагнитных помех, создаваемых подвижным составом метрополитена на подземных участках, изложены в
4.4 и
4.5.
В зависимости от условий, в которых будет эксплуатироваться подвижной состав метрополитена, нормируют электромагнитные помехи, создаваемые подвижным составом метрополитена на наземных (надземных) и/или подземных участках.
4.2 Нормы напряженности поля электромагнитных помех, создаваемых подвижным составом метрополитена на стоянке на наземных (надземных) участках
4.2.1 Нормы в полосе частот от 150 кГц до 3 ГГц представлены на рисунке 1. Нормы приведены для квазипиковых значений напряженности поля электромагнитных помех. Методы измерения изложены в
5.1.
Рисунок 1 - Нормы напряженности поля электромагнитных помех,
создаваемых подвижным составом метрополитена на стоянке
на наземных (надземных) участках
4.2.2 В полосе частот от 150 кГц до 30 МГц допустимые значения напряженности поля электромагнитных помех H, дБ (1 мкА/м), вычисляют по формуле
H = 55,00 - 21,73 lg(f/0,15), (1)
где f - частота измерений, МГц.
4.2.3 В полосе частот от 30 МГц до 3 ГГц допустимые значения напряженности поля электромагнитных помех E, дБ (1 мкВ/м), вычисляют по формуле
E = 60,00 - 6,57 lg(f/30,00). (2)
4.3 Нормы напряженности поля электромагнитных помех, создаваемых подвижным составом метрополитена в режиме движения на наземных (надземных) участках
4.3.1 Нормы в полосе частот от 150 кГц до 3 ГГц представлены на рисунке 2. Нормы приведены для пиковых значений напряженности поля электромагнитных помех. Методы измерения изложены в
5.1.
Рисунок 2 - Нормы напряженности поля электромагнитных помех,
создаваемых подвижным составом метрополитена в режиме
движения на наземных (надземных) участках
4.3.2 В полосе частот от 150 кГц до 30 МГц допустимые значения напряженности поля электромагнитных помех H, дБ (1 мкА/м), вычисляют по формуле
H = 65,00 - 21,73 lg(f/0,15). (3)
4.3.3 В полосе частот от 30 МГц до 3 ГГц допустимые значения напряженности поля электромагнитных помех E, дБ (1 мкВ/м), вычисляют по формуле
E = 85,00 - 16,42 lg(f/30,00). (4)
4.4 Нормы напряженности поля электромагнитных помех, создаваемых подвижным составом метрополитена на стоянке на подземных участках
4.4.1 Нормы в полосе частот от 150 кГц до 3 ГГц представлены на рисунке 3. Нормы приведены для квазипиковых значений напряженности поля электромагнитных помех. Методы измерения изложены в
5.2.
Рисунок 3 - Нормы напряженности поля электромагнитных помех,
создаваемых подвижным составом метрополитена на стоянке
на подземных участках
4.4.2 В полосе частот от 150 кГц до 30 МГц допустимые значения напряженности поля электромагнитных помех H, дБ (1 мкА/м), вычисляют по формуле
H = 67 - 15,21 lg(f/0,15). (5)
В полосе частот от 30 МГц до 3 ГГц допустимое значение напряженности поля электромагнитных помех E = 45 дБ (1 мкВ/м).
4.5 Нормы напряженности поля электромагнитных помех, создаваемых подвижным составом метрополитена в режиме движения на подземных участках
4.5.1 Нормы в полосе частот от 150 кГц до 3 ГГц представлены на рисунке 4. Нормы приведены для пиковых значений напряженности поля электромагнитных помех. Методы измерения изложены в
5.2.
Рисунок 4 - Нормы напряженности поля электромагнитных помех,
создаваемых подвижным составом метрополитена в режиме
движения на подземных участках
4.5.2 В полосе частот от 150 кГц до 30 МГц допустимые значения напряженности поля электромагнитных помех H, дБ (1 мкА/м), вычисляют по формуле
H = 77 - 13,91 lg(f/0,15). (6)
В полосе частот от 30 МГц до 3 ГГц допустимое значение напряженности поля электромагнитных помех E = 45 дБ (1 мкВ/м).
4.6 Нормы напряжения электромагнитных помех, создаваемых подвижным составом метрополитена в каналах радиосвязи
4.6.1 В полосах частот, используемых для радиосвязи, устанавливают нормы напряжения электромагнитных помех, создаваемых подвижным составом метрополитена в каналах радиосвязи метрополитена. Допустимые значения напряжения электромагнитных помех в каналах гектометрового диапазона (на частотах 2,444 и 2,464 МГц) и метрового диапазона (на частотах от 150,0 до 168,0 МГц) представлены в таблице 1.
Таблица 1
Допустимые значения напряжения электромагнитных помех
Частота, МГц | Напряжение электромагнитных помех, дБ (1 мкВ), не более |
На стоянке | В движении |
2,444; 2,464 | 45 | 58 |
150,0 - 168,0 | 18 | 30 |
4.6.2 Нормы приведены для квазипиковых значений напряжения помех. Методы измерения изложены в
5.3.
4.6.3 При использовании на метрополитене цифровой радиосвязи дополнительно нормируются в диапазоне частот радиостанций допустимые квазипиковые значения мощности помех: минус 100 дБм на стоянке и минус 97 дБм в режиме движения.
4.7 Нормы напряжения электромагнитных помех в бортовой сети подвижного состава метрополитена, питающей радиостанции радиосвязи
Квазипиковые значения напряжения электромагнитных помех в бортовой сети подвижного состава метрополитена, питающей радиостанции радиосвязи, не должны превышать следующих значений.
- 75 дБ (1 мкВ) - на частотах 2,444 и 2,464 МГц;
- 60 дБ (1 мкВ) - на частотах от 150,0 до 168,0 МГц.
Методы измерения напряжения электромагнитных помех изложены в
5.3.
4.8 Нормы мешающего влияния электрооборудования подвижного состава метрополитена на рельсовые цепи устройств СЦБ и АЛС-АРС метрополитена
4.8.1 Мешающее влияние электрооборудования подвижного состава метрополитена на рельсовые цепи оценивается по значению гармонических составляющих тока подвижного состава метрополитена, потребляемого им из тяговой сети электроснабжения или отдаваемого им в сеть при рекуперации.
4.8.2 Допустимые значения гармонических составляющих тока подвижного состава метрополитена приведены в таблице 2.
Таблица 2
Допустимые значения гармонических составляющих тока
подвижного состава метрополитена
Рельсовые цепи | Номинальная частота сигнального тока рельсовых цепей, Гц | Полоса частот, Гц | Максимально допустимый уровень действующего значения <1> гармонических составляющих тока подвижного состава при его непрерывном возмущении с длительностью более критической, А | Критическая длительность непрерывного возмущения гармонических составляющих тока подвижного состава <2>, с |
СЦБ РЦ50 | 50 | 46 - 54 | 2,0 | 0,5 |
АЛС-АРС | 75 | 72 - 81 | 1,8 |
125 | 116 - 132 | 1,1 |
175 | 166 - 184 | 0,8 |
225 | 214 - 232 | 0,6 |
275 | 265 - 284 | 0,5 |
325 | 315 - 334 | 0,4 |
Тональные рельсовые цепи | 420 | 408 - 432 | 0,6 |
425 | 413 - 437 |
475 | 463 - 487 |
480 | 468 - 492 |
575 | 563 - 587 |
580 | 568 - 592 |
720 | 708 - 732 |
725 | 713 - 737 |
775 | 763 - 787 |
780 | 768 - 792 |
АЛС-АРС с фазоразностной модуляцией | 3348 | 3177 - 3519 | 1,1 | 0,1 |
Рельсовые цепи с фазоразностной модуляцией | 4261 | 4090 - 4430 | 1,1 | 0,1 |
<1> Указан уровень действующего значения, рассчитанный сразу для всех гармонических составляющих тока подвижного состава метрополитена, одновременно присутствующих в заданной полосе. <2> Максимально допустимая непрерывная длительность превышения действующим значением гармонических составляющих тока подвижного состава метрополитена его максимально допустимого уровня. |
4.8.3 При определении максимально допустимых уровней помехи для рельсовых цепей СЦБ и АЛС-АРС значение расчетной асимметрии в рельсовых цепях принято равным 100%.
4.8.4 Для рельсовых цепей с фазоразностной модуляцией и тональных рельсовых цепей значение расчетной асимметрии принято равным 12%.
4.8.5 Применение на линиях метрополитенов рельсовых цепей, не указанных в
таблице 2, требует отдельного обоснования.
4.8.6 Методы проведения испытаний подвижного состава метрополитена по оценке степени его мешающего влияния на рельсовые цепи изложены в
5.4.
5 Методы проведения испытаний
5.1 Метод измерения напряженности поля электромагнитных помех, создаваемых подвижным составом метрополитена на наземных (надземных) участках
5.1.1 Измерения проводят в соответствии с требованиями ГОСТ CISPR 16-2-3-2016 (
подраздел 7.3 - для испытательных площадок на открытом воздухе),
ГОСТ 33436.2 и настоящего стандарта.
5.1.2 Измерения проводят при климатических условиях, установленных в эксплуатационной документации на измерительное оборудование, используемое при проведении испытаний. При наличии на контактном рельсе изморози и гололедных образований, а также во время атмосферных осадков (дождя, снега) измерения не проводят.
5.1.3 Подвижной состав метрополитена испытывают на стоянке и в движении.
При проведении измерений все системы, находящиеся на борту подвижного состава метрополитена и способные создавать электромагнитные помехи, должны быть включены и находиться в исправном состоянии.
На стоянке измерения проводят при включенном вспомогательном электрооборудовании подвижного состава метрополитена (вспомогательные преобразователи, вентиляторы, компрессоры, генераторы управления, климатические установки, зарядные агрегаты и другое электрооборудование), работающем с номинальным током. Тяговые преобразователи должны быть подключены к источнику напряжения в режиме холостого хода.
Движение подвижного состава метрополитена осуществляется в режиме тяги, а также в режиме электрического торможения, если такое торможение предусмотрено конструкцией подвижного состава метрополитена.
Если подвижной состав метрополитена состоит из нескольких сцепленных единиц, испытания проводят в полном составе поезда. МВПСМ, состоящий из шести и более вагонов метрополитена, допускается испытывать в неполном составе, но не менее половины МВПСМ. При этом в испытуемый МВПСМ должны быть включены вагоны метрополитена всех типов, различающихся по электрической схеме, расположению или составу (в том числе и производителям) электрооборудования.
При проведении измерений в режиме движения скорость подвижного состава метрополитена должна составлять (50 +/- 10) км/ч. При прохождении места установки измерительной антенны испытуемый подвижной состав метрополитена должен ускоряться или замедляться с усилием от 30% до 35% максимального тягового (тормозного) усилия в данном диапазоне скоростей.
Измерительные приборы должны обеспечивать режим измерения уровней пиковых и квазипиковых значений помех.
При измерениях могут быть использованы следующие типы антенн:
- от 150 кГц до 30 МГц, измерение магнитного поля
H, дБ (1 мкА/м) - рамочная антенна по ГОСТ 33436.2-2016
(рисунок 3);
- от 30 до 300 МГц, измерение электрического поля
E, дБ (1 мкВ/м) - биконическая антенна по ГОСТ 33436.2-2016
(рисунок 4);
- от 300 МГц до 3 ГГц, измерение электрического поля
E, дБ (1 мкВ/м) - логопериодическая антенна по ГОСТ 33436.2-2016
(рисунок 5).
При использовании анализатора спектра в протоколе должны быть указаны скорость развертки и ширина полосы пропускания.
Расстояние от измерительной антенны до оси пути, по которому движется или на котором стоит подвижной состав метрополитена, составляет (10,0 +/- 0,3) м. При использовании логопериодической антенны это расстояние отсчитывают от геометрического центра антенной решетки. Измерения рекомендуется проводить со стороны, противоположной контактному рельсу.
Высота установки антенны относительно уровня головки рельса должна находиться в пределах от 1,0 до 2,0 м для рамочной антенны и от 2,5 до 3,5 м - для биконической и логопериодической антенн.
Рамочную антенну устанавливают в вертикальной плоскости параллельно рельсовому пути. Биконическую и логопериодическую антенны устанавливают в вертикальной и горизонтальной плоскостях. Расположение биконической антенны и вибраторов логопериодической антенны при измерениях в горизонтальной плоскости должно быть параллельно рельсовому пути.
Измерения проводят при следующих настройках измерительных приборов:
- тип детектора: квазипиковый - при измерениях на стоянке; пиковый - при измерениях в режиме движения;
- ширина полосы пропускания: 9 кГц - при измерениях в полосе частот от 0,15 до 30 МГц; 120 кГц - при измерениях в полосе частот свыше 30 МГц до 1 ГГц; 1 МГц - при измерениях в полосе частот свыше 1 ГГц.
5.1.5 На измерительной площадке не должно быть деревьев, кустарников, строений. Измерительную площадку недопустимо размещать на участках, включающих мосты, тоннели, опоры линий электропередач.
На многопутных участках измерения следует проводить со стороны пути, на котором находится испытуемый подвижной состав метрополитена.
Контактная сеть в обе стороны от точки измерения не должна иметь токоразделов на длине не менее 1 км. В пределах 2 км контактной сети не должен работать другой подвижной состав метрополитена: МВПСМ или специальный подвижной состав. Если указанные условия обеспечить невозможно, необходимо регистрировать уровень посторонних помех (фоновый шум) до и после каждого измерения помех от испытуемого подвижного состава метрополитена.
Допустимый уровень посторонних помех на каждой частоте измерений, определенный при полностью выключенном оборудовании на испытуемом подвижном составе метрополитена, должен быть не менее чем на 6 дБ ниже норм по
4.2 и
4.3.
Допускается проводить измерения, если уровень посторонних помех превышает допустимый, а суммарный уровень посторонних помех и помех от испытуемого подвижного состава метрополитена не превышает норм по
4.2 и
4.3.
5.1.6 Электрическое, электронное оборудование метрополитена и средства радиосвязи, которые не требуются для обеспечения проведения испытаний, должны быть отключены.
5.1.7 Напряженность поля электромагнитных помех измеряют на следующих частотах в пределах нормируемой полосы частот:
- 0,24; 0,60; 1,00; 2,20; 2,444*; 2,464*; 3,50; 10,00; 22,00 МГц (точность установки частоты +/- 10%):
- 35,00; 90,00; 153,00*; 180,00 МГц (точность установки частоты +/- 5 МГц);
- 300,00; 420,00*; 600,00; 900,00 МГц (точность установки частоты +/- 20 МГц).
Примечание - На частотах, помеченных (*), а также в диапазоне свыше 1 ГГц измерения не являются обязательными. Их проводят по согласованию с соответствующими службами метрополитена.
5.1.8 При испытаниях подвижного состава метрополитена на стоянке измерительную антенну устанавливают напротив оборудования, которое может создавать наибольшие помехи.
5.2 Метод измерения напряженности поля электромагнитных помех, создаваемых подвижным составом метрополитена на подземных участках
5.2.1 Испытания проводят на станции метро односводчатого или однопролетного типа глубокого или мелкого заложения. Не допускается проводить испытания на наземных станциях и станциях колонного типа.
5.2.2 Напряженность поля электромагнитных помех измеряют на следующих частотах в пределах нормируемой полосы частот:
- 0,24; 0,60; 1,00; 2,20; 2,444*; 2,464*; 3,50; 10,00; 22,00 МГц (точность установки частоты +/- 10%);
- 35,00; 90,00; 153,00*; 180,00 МГц (точность установки частоты +/- 5 МГц);
- 300,00; 420,00*; 600,00; 900,00 МГц (точность установки частоты +/- 20 МГц).
Примечание - На частотах, помеченных (*), а также в диапазоне свыше 1 ГГц измерения не являются обязательными. Их проводят по согласованию с соответствующими службами метрополитена.
5.2.3 Испытания проводят при существующих на месте испытаний климатических условиях.
5.2.4 Электрическое, электронное оборудование метрополитена и средства радиосвязи, которые не требуются для обеспечения проведения испытаний, должны быть отключены.
5.2.5 На подвижном составе метрополитена должно быть включено все электрическое и электронное оборудование.
5.2.6 Если подвижной состав метрополитена состоит из нескольких сцепленных единиц, испытания проводят в полном составе поезда. МВПСМ, состоящий из шести и более вагонов метрополитена, допускается испытывать в неполном составе, но не менее половины МВПСМ. При этом в испытуемый МВПСМ должны быть включены вагоны метрополитена всех типов, различающихся по электрической схеме, расположению или составу (в том числе и производителям) электрооборудования.
5.2.7 Допустимый уровень посторонних помех (фон) должен быть не менее чем на 6 дБ ниже норм, указанных в
4.4 и
4.5.
Допускается проводить измерения, если уровень посторонних помех превышает допустимый, а суммарный уровень посторонних помех и помех от объекта испытаний не превышает норм.
5.2.8 Измерительные антенны устанавливают в середине станции на расстоянии (1,35 +/- 0,04) м от края платформы. Антенну для измерения магнитного поля (от 0,15 до 30 МГц) располагают вертикально вдоль оси пути на высоте (1,0 +/- 0,03) м от уровня платформы. Антенны для измерения электрического поля (свыше 30 МГц) располагают на высоте (1,8 +/- 0,05) м от уровня платформы при горизонтальной и вертикальной поляризации. Расстояния измеряют до геометрического центра антенны. Расположение биконической антенны и вибраторов логопериодической антенны при измерениях в горизонтальной плоскости должно быть параллельно рельсовому пути.
5.2.9 Измерения проводят при следующих настройках измерительных приборов:
- тип детектора: квазипиковый - при измерениях на стоянке; пиковый - при измерениях в режиме движения;
- ширина полосы пропускания: 9 кГц - при измерениях в полосе частот от 0,15 до 30 МГц; 120 кГц - при измерениях в полосе частот свыше 30 МГц до 1 ГГц; 1 МГц - при измерениях в полосе частот свыше 1 ГГц.
5.2.10 При использовании анализатора спектра в протоколе должны быть указаны скорость развертки и ширина полосы пропускания.
5.2.11 При измерениях на стоянке объект испытаний устанавливают напротив антенны.
5.2.12 При проведении измерений в режиме движения скорость подвижного состава метрополитена должна составлять (35 +/- 5) км/ч. При прохождении места установки измерительной антенны испытуемый подвижной состав метрополитена должен ускоряться или замедляться с максимальным тяговым (тормозным) усилием.
5.3 Методы измерения напряжения электромагнитных помех, создаваемых подвижным составом метрополитена в каналах радиосвязи и бортовой сети, питающей радиостанции
5.3.1 Общие положения
5.3.1.1 Измерение напряжения электромагнитных помех, создаваемых подвижным составом метрополитена в каналах радиосвязи, проводят на выходе антенных кабелей радиостанции.
5.3.1.2 Испытания проводят в соответствии с
ГОСТ CISPR 16-1-2 и настоящим стандартом.
5.3.1.3 Испытания допускается проводить на подземных или на наземных (надземных) линиях, а также на деповских и парковых путях электродепо.
5.3.1.4 Измерения проводят при климатических условиях, установленных в эксплуатационной документации на измерительное оборудование, используемое при проведении испытаний. При наличии на контактном рельсе изморози и гололедных образований, а также во время атмосферных осадков (дождя, снега) измерения не проводят.
5.3.1.5 Испытания подвижного состава метрополитена проводят на стоянке и в движении в режимах тяги и электрического торможения, если такое предусмотрено его конструкцией.
5.3.1.6 На стоянке измерения проводят при включенном вспомогательном электрооборудовании подвижного состава метрополитена (вспомогательные преобразователи, вентиляторы, компрессоры, генераторы управления, климатические установки, зарядные агрегаты и другое электрооборудование), работающем с номинальным током.
5.3.1.7 При измерениях на стоянке подвижной состав метрополитена должен находиться на путях, удаленных на расстояние не менее 200 м от посторонних, т.е. не относящихся к непосредственному питанию испытуемого подвижного состава, источников электромагнитных помех:
- других электрифицированных путей;
- тяговых подстанций;
- линий электропередачи и т.д.
5.3.1.8 Испытания подвижного состава метрополитена в движении проводят при скорости (50 +/- 10) км/ч. Испытуемый подвижной состав метрополитена должен ускоряться или замедляться с усилием от 30% до 35% максимального тягового (тормозного) усилия в заданном диапазоне скоростей. Тяговое (тормозное) усилие определяется по штатным приборам испытуемого подвижного состава.
5.3.1.9 Допустимый уровень посторонних помех на каждой частоте измерений, определенный при полностью выключенном оборудовании на испытуемом подвижном составе метрополитена, должен быть не менее чем на 6 дБ ниже норм по
4.6.
Допускается проводить измерения, если уровень посторонних помех превышает допустимый, а суммарный уровень посторонних помех и помех от испытуемого подвижного состава метрополитена не превышает норм по
4.6.
5.3.1.11 Измерения проводят при следующих настройках измерительных приборов:
- тип детектора - квазипиковый;
- ширина полосы пропускания: 9 кГц - при измерениях в полосе частот гектометрового диапазона (на частотах 2,444 и 2,464 МГц) и 120 кГц - при измерениях в полосе частот метрового и дециметрового диапазона (на частотах от 150,0 до 168,0 МГц, а при использовании на метрополитене цифровой радиосвязи - в диапазоне от 30 МГц до 1 ГГц).
5.3.1.12 Измерение следует проводить при отсутствии переговоров в канале радиосвязи и отсутствии приема сигналов с уровнем, превышающим допустимый уровень фона.
5.3.2 Проведение измерений в канале радиосвязи гектометрового диапазона
5.3.2.1 Перед проведением измерений следует выполнить проверку исправности и настройки устройств, входящих в антенно-фидерный тракт гектометрового диапазона: радиосвязь должна обеспечивать непрерывную надежную двухстороннюю связь машиниста с дежурным по станции или другим подвижным составом метрополитена.
5.3.2.2 Антенно-фидерный тракт может включать несколько видов устройств, в том числе антенно-согласующее устройство, входящее в состав радиостанции, устройства согласования для конкретных типов антенн, устройства подавления помех.
5.3.2.3 Для проведения измерений от антенного разъема гектометрового диапазона на радиостанции, установленной на подвижном составе метрополитена, отключают коаксиальный кабель и подключают этот кабель к измерительному приемнику в соответствии со схемой, указанной на рисунке 5.
А1 - антенна радиостанции гектометрового диапазона;
АнСУ - антенно-согласующее устройство;
ИП - измерительный приемник
Рисунок 5 - Схема измерения напряжения электромагнитных
помех, создаваемых подвижным составом метрополитена
в канале радиосвязи гектометрового диапазона
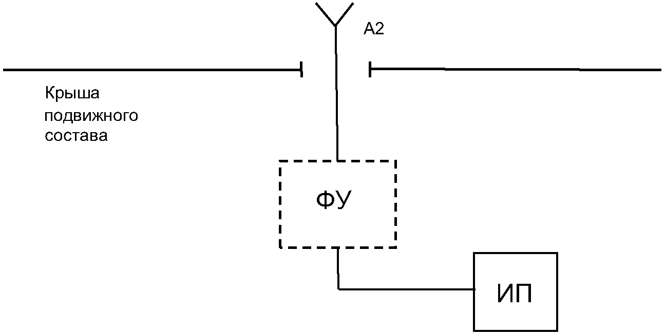
5.3.3 Проведение измерений в канале радиосвязи метрового диапазона
5.3.3.1 Перед проведением измерений следует выполнить проверку исправности и настройки устройств, входящих в антенно-фидерный тракт метрового диапазона: радиосвязь должна обеспечивать непрерывную надежную двухстороннюю связь машиниста с дежурным по станции или другим подвижным составом метрополитена.
5.3.3.2 Для проведения измерений от антенного разъема метрового диапазона на радиостанции, установленной на подвижном составе метрополитена, отключают коаксиальный кабель и подключают этот кабель к измерительному приемнику в соответствии со схемой, указанной на
рисунке 6.
5.3.3.3 Для измерений из диапазона, указанного в
таблице 1, выбирают частоты в зависимости от типа и настроек применяемых радиопередающих устройств.
А2 - антенна радиостанции метрового диапазона;
ФУ - фильтрующее устройство (при наличии);
ИП - измерительный приемник
Рисунок 6 - Схема измерения напряжения электромагнитных
помех, создаваемых подвижным составом метрополитена
в канале радиосвязи метрового диапазона
5.3.4 Измерение мощности помех в каналах цифровой радиосвязи
Измерения мощности помех в каналах цифровой радиосвязи проводят на стационарной (базовой) радиостанции метрополитена. Для этого отключают антенный фидер от базовой радиостанции и подключают его к измерительному приемнику в соответствии с рисунком 7.
TP N 1 - ответвитель мощности N 1 (Power Tapper);
ИП - измерительный приемник
Рисунок 7 - Схема измерения мощности помех
в каналах цифровой радиосвязи
5.3.5 Метод измерения напряжения электромагнитных помех, создаваемых подвижным составом метрополитена в бортовой сети, питающей радиостанции
5.3.5.1 Испытания проводят в соответствии с требованиями ГОСТ CISPR 16-2-1-2015
(подпункт 7.4.4.2) и настоящего стандарта.
5.3.5.2 Измерения напряжения помех в бортовой сети проводят на тех видах подвижного состава метрополитена, где при измерениях в соответствии с
5.3.2 и
5.3.3 превышен уровень помех в каналах радиосвязи.
5.3.5.3 Измерения проводят при нахождении подвижного состава метрополитена на стоянке при включенном вспомогательном электрооборудовании (вентиляторы, компрессоры, генераторы управления, климатические установки, зарядные агрегаты и другое электрооборудование), работающем с номинальным током.
5.3.5.5 Измерительные приборы должны обеспечивать режим измерений квазипиковых значений помех.
5.3.5.6 При проведении измерений радиостанцию радиосвязи, установленную на подвижном составе метрополитена, отключают от бортовой сети. Вместо радиостанции подключают сопротивление от 50 до 100 Ом, имитирующее нагрузку (радиостанцию).
5.3.5.7 Измерительный прибор подключают между каждым питающим проводом и корпусом подвижного объекта с использованием пробника напряжения.
5.4 Метод измерения и оценки мешающего влияния электрооборудования подвижного состава метрополитена на рельсовые цепи устройств СЦБ и АЛС-АРС метрополитена
5.4.1 В испытаниях измеряют действующее значение гармонических составляющих и длительность их возмущения в токе подвижного состава метрополитена на частотах рельсовых цепей (см.
таблицу 2), потребляемом подвижным составом метрополитена от контактного рельса из сети тягового электроснабжения или отдаваемом им в сеть при рекуперации.
Гармонические составляющие измеряют в суммарном токе, потребляемом всеми тяговыми единицами подвижного состава метрополитена.
Под тяговой единицей понимается любая составляющая полносоставного подвижного состава метрополитена, подключаемая токоприемниками к контактному рельсу.
Допускается проводить измерения на части тяговых единиц, но не менее чем на половине от числа тяговых единиц полносоставного подвижного состава метрополитена. В этом случае максимально допустимые уровни гармонических составляющих в токе электроподвижного состава (см.
таблицу 2) снижаются в

раз, где
n <= 2 - отношение числа тяговых единиц в полносоставном подвижном составе метрополитена к числу тяговых единиц, на которых проводят измерения. Если тяговые единицы подвижного состава метрополитена не идентичные, то проводят секционирование подвижного состава метрополитена, и в этом случае
n <= 2 - отношение числа секций в полносоставном подвижном составе метрополитена к числу секций, на которых проводят измерения.
5.4.2 Измерение параметров возмущения гармонических составляющих в токе подвижного состава метрополитена проводят посредством первичных датчиков тока в многополосном гармоническом анализе сигнала тока подвижного состава метрополитена.
Гармонический анализ проводят в трехмерной области "частота-уровень-время" анализаторами спектра, основанными на использовании аппарата дискретных преобразований Фурье.
Гармонический анализ проводят с перекрытием "окон" при движении по времени, равным не менее 50%. При этом ширина "окна" (период первой гармонической анализа) не должна превышать по времени регламентированную критическую длительность, указанную в
таблице 2.
В проводимом гармоническом анализе сформированная примененной весовой функцией характеристика затухания частотного полосового фильтра на крайних частотах регламентированных полос (см.
таблицу 2) должна иметь значение не менее минус 3,1 дБ.
5.4.3 Результатами гармонического анализа является развернутое во времени действующее значение гармонических составляющих тока подвижного состава метрополитена в каждой из регламентированных полосах частот.
5.4.4 Критерием, определяющим электромагнитную совместимость подвижного состава метрополитена с рельсовыми цепями, является отсутствие непрерывного превышения величиной гармонических составляющих в токе подвижного состава метрополитена их максимально допустимого уровня с длительностью более критической.
5.4.5 Измерения проводят во всех эксплуатационных режимах работы электрооборудования подвижного состава метрополитена, предусмотренных его технической документацией при работе подвижного состава метрополитена в условиях электроснабжения, реализуемого на линиях метрополитена.
Испытания проводят на закрытом перегоне метрополитена, при отсутствии на участке испытаний других тяговых и нетяговых потребителей, а также в условиях электроснабжения действующей линии метрополитена при совместной работе с прочим электроподвижным составом.
Для обеспечения динамики движения подвижного состава метрополитена при реализации максимального тягового и тормозного усилия подвижной состав метрополитена, предназначенный для перевозки пассажиров и/или грузов, загружается мерным грузом в соответствии с требованиями технической документации на подвижной состав метрополитена.
5.4.6 Вариант схемы измерений гармонических составляющих тока восьмивагонного МВПСМ приведен на рисунке 8. При испытаниях полносоставного восьмивагонного МВПСМ может измеряться ток четырехвагонной секции, сформированной для проведения испытаний, при этом МВПСМ должен состоять из двух одинаковых четырехвагонных секций. Количество тяговых единиц при испытаниях выбирают в соответствии с
5.4.1.
Рисунок 8 - Вариант принципиальной схемы системы измерений
гармонических составляющих тока для восьмивагонного МВПСМ
УДК 537.87+629.4.014:629.431/432:006.354 | |
Ключевые слова: подвижной состав метрополитена, электромагнитная совместимость, нормы напряженности электромагнитных помех, методы контроля |