Главная // Актуальные документы // Актуальные документы (обновление с 29.09.2025 по 01.11.2025) // НаставлениеСПРАВКА
Источник публикации
Ленинград: Гидрометеоиздат, 1975
Примечание к документу
Название документа
"Наставление гидрометеорологическим станциям и постам. Выпуск 2. Часть II. Гидрологические наблюдения на постах"
(утв. ГУГМС СССР 01.11.1973)
"Наставление гидрометеорологическим станциям и постам. Выпуск 2. Часть II. Гидрологические наблюдения на постах"
(утв. ГУГМС СССР 01.11.1973)
Главным управлением
гидрометеорологической службы
при Совете Министров СССР
1 ноября 1973 года
НАСТАВЛЕНИЕ ГИДРОМЕТЕОРОЛОГИЧЕСКИМ СТАНЦИЯМ И ПОСТАМ
ВЫПУСК 2
ЧАСТЬ II
ГИДРОЛОГИЧЕСКИЕ НАБЛЮДЕНИЯ НА ПОСТАХ
Издание третье переработанное и дополненное
В третьем издании "Наставления гидрометеорологическим станциям и постам", вып. 2, ч. II (Гидрологические наблюдения на постах) изложены все виды наблюдений, предусмотренные стандартной программой для гидрологических постов I разряда, действующих на средних и больших реках. Наблюдения на малых реках, а также на озерах и водохранилищах выполняются в соответствии с Наставлениями, вып. 6, ч. II (1972 г.) и вып. 7, ч. I (1973 г.).
Со времени выхода в свет второго издания Наставления прошло более 15 лет. За этот срок многие из рекомендованных в нем методов наблюдений устарели, вместе с тем появились и были внедрены в практику гидрологических работ на сети новые, более совершенные, методы. В данный выпуск Наставления введен ряд новых разделов, в частности
раздел 7 "Наблюдения за химическим составом воды",
раздел 10 "Измерение расходов воды вертушкой интеграционным способом",
раздел 11 "Измерение расхода воды вертушкой с гидрометрических дистанционных установок (ГР-64, ГР-64М и ГР-70)".
Содержание материала существенно переработано, дополнено и приведено к современному уровню развития методики наблюдений. Так, в
разделе 2 подробно изложены способы наблюдений за уровнем воды с помощью самописцев (включая обработку лент), в
разделе 9 - способ измерения расхода воды, в
разделе 14 - способы измерения расхода взвешенных наносов и взятия проб донных отложений. Всюду исключены описания устаревших приборов и даны (в приложениях) описания новых.
В данном Наставлении учтены также многие рекомендации, поступившие из УГМС. Поскольку за истекшее время значительно повысилась квалификация наблюдателей и оказалось возможным поручать им обработку данных наблюдений практически за всеми элементами режима, с большей подробностью изложены способы обработки материалов.
Настоящий выпуск Наставления составлен и подготовлен к печати в Государственном ордена Трудового Красного Знамени гидрологическом институте коллективом авторов: канд. техн. наук Н.Н. Федоровым (
предисловие,
разделы 1,
3,
4,
6,
8), канд. техн. наук Р.А. Шестаковой
(раздел 2), кандидатами техн. наук Р.В. Донченко и А.Г. Дерюгиным
(раздел 5), ст. инж. В.В. Дементьевым (
разделы 9,
11,
12,
13), канд. техн. наук Н.Я. Соловьевым и ст. инж. Е.А. Быбиным
(раздел 10), канд. техн. наук К.В. Разумихиной и мл. научн. сотр. Г.А. Петуховой
(раздел 14). В составлении
приложений 1 -
3,
5 -
6 принимали участие кандидаты техн. наук К.Д. Завьялов и П.Н. Бурцев.
Раздел 7 составлен в Гидрохимическом институте д-ром хим. наук А.Д. Семеновым и кандидатами хим. наук Н.Г. Стродомской, Т.С. Кишкиновой и В.А. Брызгало.
Проект данного выпуска Наставления предварительно рассмотрен в УГМС Киргизской ССР, Северо-Западном и Уральском. Он рецензировался специалистами Гидрометцентра СССР, а также ТУ и УГМО ГУГМС. Редактирование выпуска осуществлено д-ром техн. наук И.Ф. Карасевым и канд. техн. наук Н.Н. Федоровым.
1. СОСТАВ И СРОКИ ГИДРОЛОГИЧЕСКИХ НАБЛЮДЕНИЙ
§ 1. Гидрометеорологическая служба Советского Союза обеспечивает народное хозяйство сведениями:
а) о текущем состоянии режима рек, озер и водохранилищ;
б) об ожидаемом состоянии режима вод (прогнозами);
в) о режиме вод, издаваемыми в виде гидрологических ежегодников, описаний, справочников, карт и других пособий, необходимых для наиболее эффективного использования водных ресурсов страны, проектирования и эксплуатации водохозяйственных систем, водных путей, гидроэлектростанций и других сооружений на реках.
§ 2. На территории СССР создана сеть в составе нескольких тысяч гидрологических постов, на которых ведутся наблюдения за элементами режима вод.
Гидрологическим постом называется пункт на реке, озере, водохранилище, болоте, выбранный с соблюдением известных правил и оборудованный для производства систематических гидрологических наблюдений и сбора информации по определенной программе и методике. В соответствии с водным объектом, на котором оборудован гидрологический пост, он называется речным, озерным (на водохранилище) или болотным постом.
Речной гидрологический пост, на котором учитывается сток воды, иногда называют расходным, а пост, где ведутся наблюдения только за уровнем воды, - уровенным.
Наблюдатель гидрологического поста в своей работе руководствуется официальным пособием - Наставлением, - где содержится описание всех видов наблюдений и работ, выполняемых на речных гидрологических постах, действующих на средних и больших реках.
§ 3. Непосредственное руководство работой постов осуществляется гидрологическими станциями; специалисты станций - инженеры и техники - выбирают места для наблюдений, организуют строительство и ремонт измерительных и вспомогательных сооружений и установок, проверяют исправность приборов и оборудования, инструктируют наблюдателей и контролируют их работу. На гидрологических станциях анализируются и обрабатываются материалы наблюдений и составляются гидрологические ежегодники, в которых помещаются характеристики элементов режима рек, озер, водохранилищ, необходимые для гидрологического обеспечения народного хозяйства.
Гидрологическими станциями ведают республиканские и территориальные управления Гидрометеорологической службы (УГМС) и гидрометеорологические обсерватории (ГМО): составляют планы работ и определяют программы наблюдений, осуществляют методическое руководство станциями и инспектируют их работу. Гидрологические ежегодники, составленные на станциях, редактируются и подготавливаются к опубликованию в УГМС.
Общее руководство деятельностью гидрологической сети осуществляется Главным управлением Гидрометеорологической службы при Совете Министров СССР (Главгидрометслужба).
§ 4. Гидрологические посты подчинены гидрологическим станциям (в отдельных случаях - непосредственно ГМО). По всем вопросам работы и материально-техническому обеспечению поста наблюдатель обращается непосредственно к начальнику станции, к которой данный пост прикреплен. Наблюдатель гидрологического поста, входящего в состав метеорологической или специализированной (воднобалансовой, болотной, озерной, устьевой, аэрологической, агрометеорологической) станции, подчиняется начальникам этих станций.
Методическое руководство гидрологическими постами, входящими в состав метеорологических, аэрологических, агрометеорологических станций, осуществляется специалистами гидрологических станций.
§ 5. Гидрологические посты на средних и больших реках в зависимости от состава наблюдений разделяются на три разряда (I, II и III).
Состав и сроки наблюдений и работ, выполняемых гидрологическими постами I разряда, приведены в
табл. 1.
Гидрологические посты II разряда выполняют наблюдения и работы, указанные в
пп. 1,
4,
5,
6 и
7 программы постов I разряда; из
п. 2 выполняется только взятие проб воды на химический анализ.
Гидрологические посты III разряда производят те же виды наблюдений и работ, что и посты II разряда, за исключением метеорологических наблюдений
(п. 5) и взятия проб на химический анализ. Объем и сроки наблюдений на постах II и III разрядов те же, что и на постах I разряда.
Наблюдатели всех постов обрабатывают результаты своих наблюдений в соответствии с требованиями настоящего выпуска Наставления. Кроме того, наблюдатели постов принимают участие во всех работах, выполняемых работниками гидрологических станций во время их пребывания на посту: участвуют в оборудовании и ремонте постовых устройств и гидрометрических створов, топографических работах, измерениях расходов воды, взвешенных и влекомых наносов и др.
Вид наблюдений, работ | Сроки наблюдений, работ |
1. Гидрологические наблюдения: | |
а) за высотой уровня воды | Ежедневно в 08 и 20 ч по местному времени; в период половодья и дождевых паводков учащенно, по указанию гидрологической станции |
б) за температурой воды | Ежедневно в 08 и 20 ч по местному времени в период, свободный от ледяного покрова. (Выполняется по указанию станции) |
в) за толщиной льда, шуги и высотой снега на льду | 10, 20 числа и в последний день месяца. Учащенно, по указанию гидрологической станции |
г) за ветром и волнением (визуально) | Ежедневно в сроки измерения уровня воды в период, свободный от ледяного покрова |
д) за явлениями ледового режима | Ежедневно в сроки измерения уровня воды (в период замерзания и вскрытия - учащенно) |
е) за распространением водной растительности (визуально) | 10, 20 числа и в последний день месяца |
ж) за высотой уровня подземных вод | По указанию станции |
2. Измерение расходов воды, расходов взвешенных наносов, взятие проб воды на мутность, химический анализ и проб наносов и донных отложений на механический анализ | По плану гидрологической станции |
3. Наблюдения за уклоном водной поверхности | По указанию станции |
4. Составление и передача телеграмм о гидрологическом режиме и осадках | В сроки и в адреса по указанию УГМС |
5. Метеорологические наблюдения: | |
а) за осадками | Ежедневно в 08 и 20 ч по местному времени |
б) за атмосферными явлениями | В течение суток |
в) за снежным покровом (высотой и плотностью снега) | |
- на постоянных участках | В 08 ч по местному времени |
- при снегомерных съемках | По плану станции |
г) за метеорологической видимостью, облачностью и ветром (визуально) | По указанию УГМС |
д) составление и передача телеграмм об осадках и опасных метеорологических явлениях в светлое время суток | В сроки и адреса по указанию УГМС |
6. Участие в работе при производстве гидрологических и геодезических работ | По плану гидрологической станции |
7. Первичная обработка материалов наблюдений и составление месячных таблиц | Регулярно в течение месяца |
§ 6. Метеорологические наблюдения на гидрологическом посту ведутся в полном соответствии с установленными для каждого поста программами, с соблюдением правил производства наблюдений и обработки их результатов, согласно Наставлению, вып. 2, ч. I (метеорологические наблюдения на постах, 1969 г.) и дополнительному указанию станции. В книжку КГ-1 метеорологические данные переносятся из таблицы ТМ-8. Все остальные виды специальных наблюдений (например, наблюдения за загрязнением воды) ведутся по специальным инструкциям.
§ 7. Наблюдатель должен соблюдать основные сроки производства всех видов наблюдений и самостоятельно переходить на учащенные наблюдения в дополнительные сроки в соответствии с указаниями, изложенными в Наставлении и в письменном задании гидрологической станции.
Основными сроками гидрологических наблюдений приняты 08 и 20 ч по местному времени. При производстве на посту нескольких видов наблюдений в один срок станция дает расписание, в котором в зависимости от взаимного расположения пунктов и значимости наблюдений указывается, какие именно наблюдения производятся несколько раньше срока, точно в срок или позже. Наблюдатель обязан соблюдать указанные сроки производства каждого вида наблюдений, а в случае нарушения должен отмечать точное время выполнения данного наблюдения. Это относится и к наблюдениям в дополнительные сроки. Запись времени производится обычно с точностью до 5 мин; на самописцах - с точностью до 1 мин.
Наблюдатель должен не реже чем один раз в неделю проверять часы, которыми он пользуется, по радио или по часам телеграфа (почты).
Некоторые явления водного режима и погоды по существу должны наблюдаться круглосуточно, например прохождение пика паводка, ледовая обстановка, метеорологические явления (осадки, гроза, гололед, туман и т.п.); если наблюдатель сам их не наблюдал, а знает о них по оставшимся следам или по достоверным сообщениям других лиц, он отмечает эти явления в ближайший очередной срок с указанием приближенно промежутка времени, когда они наблюдались (ночью, между 11 - 13 ч и т.п.).
§ 8. Наблюдатель должен уметь самостоятельно выполнять все виды наблюдений, предусмотренные данным выпуском Наставления. Если тот или иной вид наблюдений по объему работы, срокам, а также по условиям соблюдения правил техники безопасности возможно выполнить одному человеку, то наблюдатель выполняет его один (например, наблюдения за уровнем воды, измерение расхода воды в межень и т.д.). В некоторых случаях он участвует в выполнении наблюдений в составе гидрометрической бригады (техник, наблюдатель, рабочий, моторист катера или лодки и т.д.), причем в этом случае ответственным за выполнение наблюдений является техник. Вопрос о привлечении к работе на посту техника или другого специалиста в каждом конкретном случае решается специалистами станции.
§ 9. Наблюдатель должен производить все наблюдения лично. В случае болезни или другой уважительной причины разрешается поручить производство наблюдений временно другому предварительно подготовленному лицу - заместителю наблюдателя, кандидатура которого заранее утверждается станцией. О том, что наблюдения производились временно другим лицом, в книжке должна быть сделана соответствующая запись. Наблюдатель не имеет права самовольно прекратить наблюдения.
§ 10. Все виды наблюдений производятся точно в местах, установленных специалистами станций. Перенос места наблюдений допускается только в случае полной невозможности вести наблюдения на прежнем месте. Об этом наблюдатель немедленно по телефону или телеграфу извещает станцию и до приезда специалиста самостоятельно проводит наблюдения на новом месте.
§ 11. Наблюдатель должен бережно обращаться с приборами и оборудованием поста и гидрометрических створов, следить за их исправностью и сохранностью. Каждый раз перед производством наблюдений и измерений наблюдатель должен осмотреть водомерные устройства и убедиться в их исправности. В его обязанности входит также мелкий текущий ремонт постовых устройств.
Приборы, имеющие чехлы или футляры, должны храниться и переноситься к месту наблюдений обязательно в них. После работы прибор должен быть насухо вытерт и уложен на место. Наблюдатель не должен допускать коррозии (ржавления) металлических частей приборов и оборудования.
В случае хищения или умышленного разрушения (поломки) приборов и оборудования на посту наблюдатель должен немедленно сообщить об этом на станцию и заявить в местные органы власти для розыска и привлечения виновных к ответственности. Факт хищения или разрушения должен быть оформлен актом. Во всех случаях повреждения устройств и оборудования наблюдатель должен принять меры для продолжения наблюдений путем восстановления, ремонта или замены другим прибором или оборудованием; например, вместо поврежденной рейки установить временную (или прочно забитый кол), при повреждении самописца вести учащенные наблюдения на основном посту, при разрушении мостика временно воспользоваться лодкой и т.п.
На каждом посту должна быть установлена стандартная вывеска "Гидрологический пост Гидрометслужбы СССР"
(приложение 14). Наблюдатель должен поддерживать порядок и чистоту на берегах водных объектов у поста и у гидрометрического створа.
При необходимости за содействием и помощью в поддержании порядка и сохранности постовых устройств наблюдатель должен обращаться к местным органам власти, на которые, согласно действующему законоположению, возложена ответственность за сохранность устроенных на берегу знаков и сооружений (реперов, свай, реек, различных водомерных и измерительных установок, средств переправ через реку и т.п.).
§ 12. Результаты наблюдений записываются в соответствующих книжках и бланках.
Полевая книжка для записи водомерных наблюдений (форма КГ-1) заполняется в двух экземплярах: подлинник, заполняемый в поле (у реки), и копия, в которую переписываются данные сразу же по возвращении с места наблюдений.
Наблюдатель обязан требовать от начальника станции своевременного пополнения запасов необходимых книжек и бланков. В крайнем случае запись может быть произведена в тетрадях или бланках, разграфленных от руки по существующим формам. Когда в графах книжки или бланка окажется мало места для записи, она может быть сделана на отдельном листке и вклеена в книжку или подклеена к бланку.
Начиная новую книжку, следует сначала заполнить первую ее страницу, т.е. записать месяц, год, название реки, название поста, фамилию наблюдателя.
Записи ведутся простым карандашом, аккуратно, разборчиво: стирать резинкой или подчищать написанное запрещается. Если запись сделана неверно, она должна быть перечеркнута один раз так, чтобы можно было прочесть неверную запись, а сверху или рядом следует сделать правильную запись.
Все результаты наблюдений должны быть записаны в книжку немедленно, не уходя с места наблюдения. Категорически запрещается записывать результаты наблюдений по памяти или же сначала записывать их "начерно" (на отдельных листках), а затем дома переписывать "набело" в книжку или бланк.
Для того чтобы книжка не пачкалась и не мялась, ее следует вложить в твердую обложку.
§ 13. По возвращении с поста наблюдатель должен сразу же произвести в подлинных экземплярах книжек необходимую первичную обработку результатов наблюдений (привести высоты уровня к нулю графика, ввести инструментальные поправки к отсчетам по приборам, вычислить расход воды и т.д.). Результаты наблюдений и их обработки сразу же переписываются в копии книжек. По окончании месяца наблюдатель должен выполнить полагающуюся обработку за месяц и не позднее 2-го числа следующего месяца выслать на станцию подлинные книжки, таблицы, ленты самописцев и др. Копии книжек для записи водомерных наблюдений высылаются на станцию по окончании года.
§ 14. Наблюдатель обязан выполнять все указания инспектирующих лиц в отношении производства наблюдений и работ на данном посту.
При каждом посещении поста специалистами станции или УГМС наблюдатель должен воспользоваться возможностью получить от них разъяснения по всем возникшим у него вопросам. В случае неясности какого-либо указания, содержавшегося в письменном задании или Наставлении, наблюдатель должен обратиться за разъяснением на станцию.
§ 15. На постах, привлеченных к текущей информации о гидрологическом режиме и осадках, составление телеграмм и ведение отчетности по оплате почтово-телеграфных расходов производятся по особым инструкциям, а адреса и сроки подачи телеграмм и информационных сведений указываются в письменном задании. На постах, привлеченных к информации об особо опасных гидрологических явлениях, в отношении порядка составления телеграмм, сроков их подачи и т.д. наблюдателю следует руководствоваться данными
приложения 13, а также инструкцией, выдаваемой станцией.
§ 16. Гидрологическая станция составляет для каждого поста инструкцию по технике безопасности при ведении гидрометрических наблюдений и работ. Эта инструкция составляется с учетом местных условий на основании "Правил по технике безопасности при производстве гидрометеорологических работ" (1970 г.). Соблюдение правил инструкции является обязательным для наблюдателя. Специалисты станций, инспектирующие пост, должны периодически проверять знание и соблюдение правил инструкции наблюдателем.
§ 17. В настоящее время разрабатываются и внедряются методы и технология автоматизированной обработки данных гидрологических наблюдений. Соответствующие указания по этому вопросу изложены в специальных инструкциях и методических указаниях.
2. НАБЛЮДЕНИЯ ЗА УРОВНЕМ ВОДЫ
§ 18. Уровнем воды в водотоке (водоеме) называется высота водной поверхности над условной горизонтальной плоскостью сравнения, неизменной по высоте, принимаемой за нуль графика гидрологического поста. Выбор нуля графика имеет существенное значение при обработке данных об уровне. Его следует располагать на самых низких отметках уровня воды H, чтобы избежать отрицательных значений уровня. Практически нуль графика гидрологического поста выбирается примерно на 0,5 м ниже наблюдавшегося наинизшего уровня воды.
ВОДОМЕРНЫЕ УСТРОЙСТВА ГИДРОЛОГИЧЕСКОГО ПОСТА
§ 19. Гидрологический пост включает водомерные устройства, по которым производятся измерения уровня воды, и репера, предназначенные для систематического контроля высотного положения этих устройств. Каждый гидрологический пост оборудуется так, чтобы на нем можно было производить наблюдения при самых низких и самых высоких уровнях в течение всего года.
По конструкции водомерные устройства подразделяются на следующие типы:
1) реечные, на которых уровень воды отсчитывают непосредственно по делениям рейки на высоте поверхности воды;
2) свайные, на которых уровень отсчитывают по его превышению над головкой сваи;
3) реечно-свайные - комбинация первых двух типов;
4) передаточные, где положение уровня передается тем или иным способом от датчика к регистрирующей части прибора;
5) автоматические дистанционные уровнемеры, устанавливаемые при автоматизации гидрологических наблюдений на посту.
Выбор того или иного вида водомерного устройства зависит от климатических и местных условий и требований к точности получаемых результатов наблюдений.
§ 20. Реечные водомерные устройства обычно находят применение на достаточно крутых берегах рек или на стенках гидротехнических сооружений. Они состоят из одной или нескольких вертикальных или наклонных реек.
Постовые водомерные рейки бывают металлические эмалированные, чугунные и деревянные (рис. 1). Деревянные рейки недостаточно прочны, масляная краска с них быстро смывается водой, поэтому на постоянных постах рекомендуется устанавливать чугунные рейки, металлические с фарфоровыми вкладышами или металлические эмалированные.
Рис. 1. Типы постовых реек:
а, б - металлическая эмалированная; в - чугунная
На скальных берегах, у мостов и гидротехнических сооружений водомерная рейка прочно прикрепляется в вертикальном положении к обрыву скального берега, к набережной, устою моста, стенке шлюза, плотине. В сооружениях рейку заделывают заподлицо с поверхностью стенки в специально выбранном пазу.
При отсутствии на участке поста мостов и гидротехнических сооружений водомерная рейка укрепляется на специально устанавливаемой свае или кусте из трех - пяти свай, стянутых хомутами. Рейки прикрепляются к свае при помощи хомутов. При умеренной крутизне берегов и малой амплитуде колебания уровня рейку устанавливают в ковше-котловане, который свободно сообщается с рекой и служит успокоителем волн (рис. 2 а). Для предохранения рейки от повреждения ледоходом, бревнами и другими плывущими предметами она должна быть защищена специальным ограждением - ледорезом (рис. 2 б).
Рис. 2. Водомерное устройство реечного типа:
а - рейка в ковше; б - ограждение постовой рейки ледорезом
Наклонные рейки устанавливают в местах, где имеется искусственное крепление береговых откосов. Эти рейки лучше защищены от ударов льдин и других плывущих предметов, а при больших скоростях течения они более удобны для производства отсчетов уровня, чем вертикально установленные рейки, где отсчет может искажаться влиянием подпора от набега воды на сваю с рейкой. Наклонные рейки размечаются специалистами станции. Схема установки наклонной рейки приведена на рис. 3.
Рис. 3. Схема установки наклонной рейки:
1 - упор из каменной наброски; 2 - болты; 3 - подготовка
из щебня; 4 - бетонная подготовка; 5 - рейка
Длина рейки должна превышать амплитуду колебания уровня примерно на 0,5 - 1 м с тем, чтобы оставался запас ниже низшего и выше высшего наблюденных уровней. При использовании нескольких реек желательно, чтобы нулевые деления смежных реек были смещены по высоте на целое число метров.
Нуль каждой рейки является нулем наблюдения <1>, отметка которого обычно известна, так как все постовые устройства нивелируются.
--------------------------------
<1> Нуль наблюдений - горизонтальная плоскость, совпадающая с нулевым делением водомерной рейки. Ее превышение над нулем графика называется приводкой.
§ 21. Водомерное устройство свайного типа (рис. 4) наиболее удобно для равнинных рек со значительной амплитудой колебаний уровней воды. Водомерные сваи устанавливают в одном створе, перпендикулярном течению реки. Общее количество свай зависит от амплитуды колебаний уровня воды и угла наклона берегового откоса.
Рис. 4. Водомерное устройство свайного типа
Головка верхней сваи должна быть расположена на 0,25 - 0,5 м выше наивысшего наблюденного (рассчитанного) уровня воды в реке, а головка нижней сваи - на 0,25 - 0,5 м ниже наинизшего уровня. Разность отметок головок соседних свай должна составлять 0,4 - 0,8 м, а превышение головки сваи над поверхностью земли не более 0,10 - 0,15 м. Горизонтальное расстояние между сваями устанавливается с учетом особенностей берегового откоса и удобства подхода к сваям для производства наблюдений. Общее количество свай, необходимых для устройства поста, и их размещение предварительно определяет специалист станции по поперечному профилю берега, а затем данные проекта переносят на местность.
В настоящее время свайные посты оборудуют стандартными металлическими винтовыми сваями длиной 220 см и диаметром 8 см. Нижняя часть сваи (35 см) имеет винтовую нарезку, а верхняя (15 см) представляет собой головку диаметром 10 см. На головке сваи с двух противоположных сторон сделаны плоские срезы, служащие опорой для ключа, с помощью которого свая завинчивается в грунт. Головка сваи окрашивается белой масляной краской, и на ней черной краской с двух сторон надписывается номер сваи. Сваи поста нумеруются по порядку сверху вниз от ближайшей к реперу сваи, которая получает первый номер.
Временные сваи при отсутствии металлических можно изготовить из дерева прочных, не поддающихся гниению, пород. Для свай берут отрезки бревен диаметром 20 - 25 см. Длина назначается в зависимости от характера грунта и глубины его промерзания, но не менее 1,5 м. Нижний конец деревянной сваи (комлевой) затесывается на три или четыре грани.
При забивке свай в плотные грунты на заостренный конец надевают стальной башмак. Вся свая обстругивается и для предохранения от гниения осмаливается или слегка обугливается. Во избежание раскалывания и размочаливания при забивке ее в грунт на верхний конец сваи надевают стальное кольцо-бугель.
В торец деревянной сваи забивают железный костыль или большой гвоздь с круглой шляпкой.
Временные сваи могут быть также металлическими из отрезков труб или балок. Головки свай должны быть строго горизонтальны. Основное требование к установке свай - неизменность их высотного положения. Рекомендации о глубине забивки свай даются специалистами гидрологической станции.
Для производства наблюдений за высотой уровня на водомерном устройстве свайного типа применяются переносная металлическая ГР-104 или деревянная рейка, а также рейки с успокоителем ГР-23 (рис. 5,
6,
7). Рейка в момент наблюдений ставится вертикально на головку металлической сваи или шляпку костыля, забитого в деревянную сваю.
Рис. 5. Переносные водомерные рейки:
а - металлическая ГР-104; б - деревянная
Рис. 6. Водомерная рейка с успокоителем
Рис. 7. Переносная водомерная рейка с успокоителем ГР-23:
1 - скоба для закрытия отверстий клапанами; 2 - ручка;
3 - отверстие для выхода воздуха и слива воды
после измерения уровня; 4 - резервуар из плексигласовых
пластин; 5 - отверстие с ниппелем
для поступления воды в резервуар
§ 22. Водомерные устройства реечно-свайного типа устраивают на участках рек с резкими переломами поперечного профиля. Этот тип состоит из рейки в обрывистой части берега и свай в пологой части, расположенных в одном створе.
§ 23. Наиболее простым водомерным устройством передаточного типа является мостовое. На мосту меткой закрепляется постоянная точка (нуль наблюдений) для отсчета уровня. Высотное положение этой точки определяется нивелированием от ближайшего репера. Наблюдения за колебаниями уровней заключаются в измерении расстояния от точки наблюдения на мосту до поверхности воды (рис. 8). Измерения производятся стальной рулеткой или размеченным тросом с грузом на нижнем конце. При небольших расстояниях измерения удобно делать размеченной рейкой.
Рис. 8. Схема передаточного поста (метка на мосту):
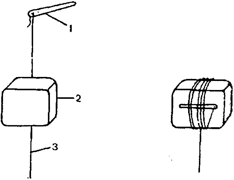
1 - постоянная точка на ферме моста; 2 - шнур с грузом
Более сложную конструкцию имеют тросовые передаточные устройства. Они устраиваются чаще всего на горных реках, когда берег обрывист, а искусственных сооружений на реке нет. Основной частью водомерного устройства является вынос (стрела). Он изготовляется из бруса прочной породы (дуба, сосны) или стальной трубы и укрепляется на берегу на прочных опорах (рис. 9). Вдоль выноса на береговом его конце поверху неподвижно закрепляется горизонтальная водомерная рейка длиной 1 м, нулевое деление которой обращено в сторону реки. На конце выноса, обращенном к реке, укрепляется блок, а на береговом его конце - вьюшка, на которую наматывается гибкий трос, идущий вдоль рейки через блок к воде. На нижнем конце троса подвешивается цилиндрический груз с заостренным в виде конуса концом массой 2 - 5 кг. Для отсчета уровня воды трос размечается метками через 1 м на длину, равную амплитуде колебаний уровня. Метровые деления отмечаются кольцами с выбитым номером метра.

Рис. 9. Тросовое передаточное устройство:
а - общий вид; б - схематический разрез
Для того чтобы отсчет по рейке давал непосредственно высоту уровня над нулем графика, производят тарирование устройства, которое выполняется специалистом станции.
Точность отсчета уровня 2 - 3 см; при применении электроконтакта она повышается до 1 см.
§ 24. Самым распространенным передаточным водомерным устройством является устройство с непрерывной регистрацией уровня при помощи самописцев уровня воды (СУВ).
Установка СУВ состоит из следующих элементов:
- самописца уровня - прибора, измеряющего и регистрирующего изменения высоты уровня воды в реке;
- колодца (называемого поплавковым) для размещения поплавка (датчика) уровнемера и его защиты от внешних воздействий, которые могут нарушить работу самописца;
- соединительного устройства для обеспечения непрерывной связи уровней в реке с поплавком в колодце.
- измерительного павильона для размещения регистрирующей части уровнемера и ее защиты от внешних отрицательных воздействий;
- вспомогательных гидротехнических устройств, предназначенных для защиты установки от заиления, подмыва, разрушения льдом при ледоходе и предотвращения волновых возмущений уровня в поплавковом колодце.
На сети находят применение установки СУВ с двумя или более колодцами. При этом один из них, самый дальний от реки, используется как поплавковый, а остальные, промежуточные, являются отстойниками наносов для предохранения первого от заиления. Наличие промежуточных колодцев способствует также смягчению отрицательного влияния волновых возмущений на работу СУВ.
Установки СУВ в зависимости от месторасположения поплавкового колодца по отношению к урезу в реке в межень разделяют на установки берегового и островного типов. В установке берегового типа поплавковый и промежуточный колодцы, а также значительную часть соединительного устройства сооружают в грунте берега. Установки СУВ островного типа сооружают в руслах рек, в некотором удалении от уреза, соответствующего минимальному уровню воды.
Принцип работы самописца уровня состоит в следующем: поплавок, заключенный в специальном колодце, соединяемом посредством трубы или галереи с рекой, перемещается вместе с уровнем воды. Его перемещения передаточным механизмом передаются регистрирующему устройству, которое непрерывно записывает ход уровня во времени. Наиболее распространенной схемой передачи колебаний уровня (т.е. перемещения поплавка) является его связь посредством троса, перекинутого через блок, с барабаном, насаженным на общую с блоком ось. При помощи такой схемы вертикальные перемещения поплавка преобразуются во вращательные движения барабана вокруг своей оси. На барабан накладывается бумажная лента и запись на ней осуществляется пером, приводимым в движение часовым механизмом; перо перемещается по горизонтали, вдоль образующей барабана. Возможна и другая схема, когда перемещения поплавка передаются непосредственно пишущему устройству (перу), а барабан приводится в движение вокруг вертикальной оси часовым механизмом.
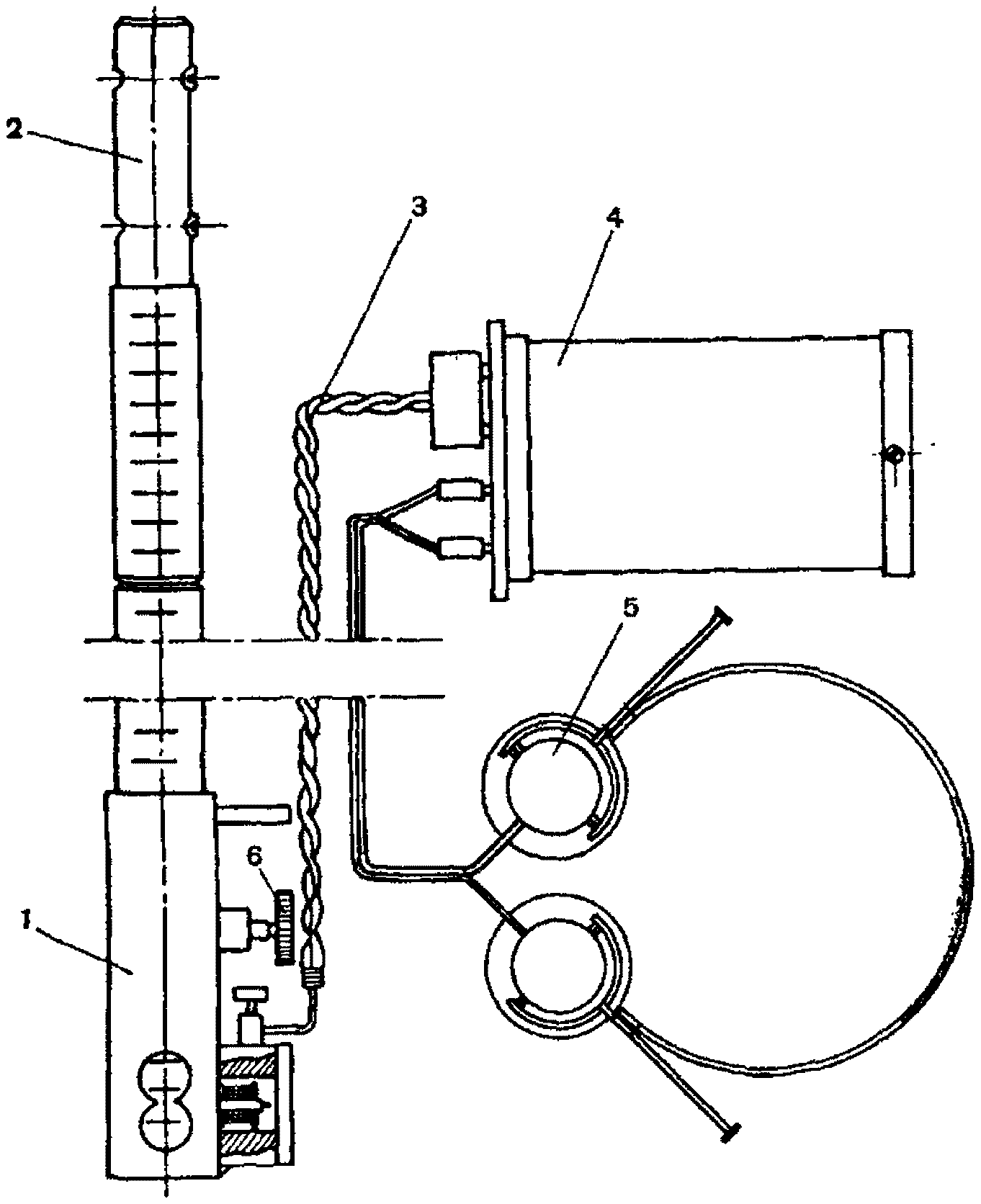
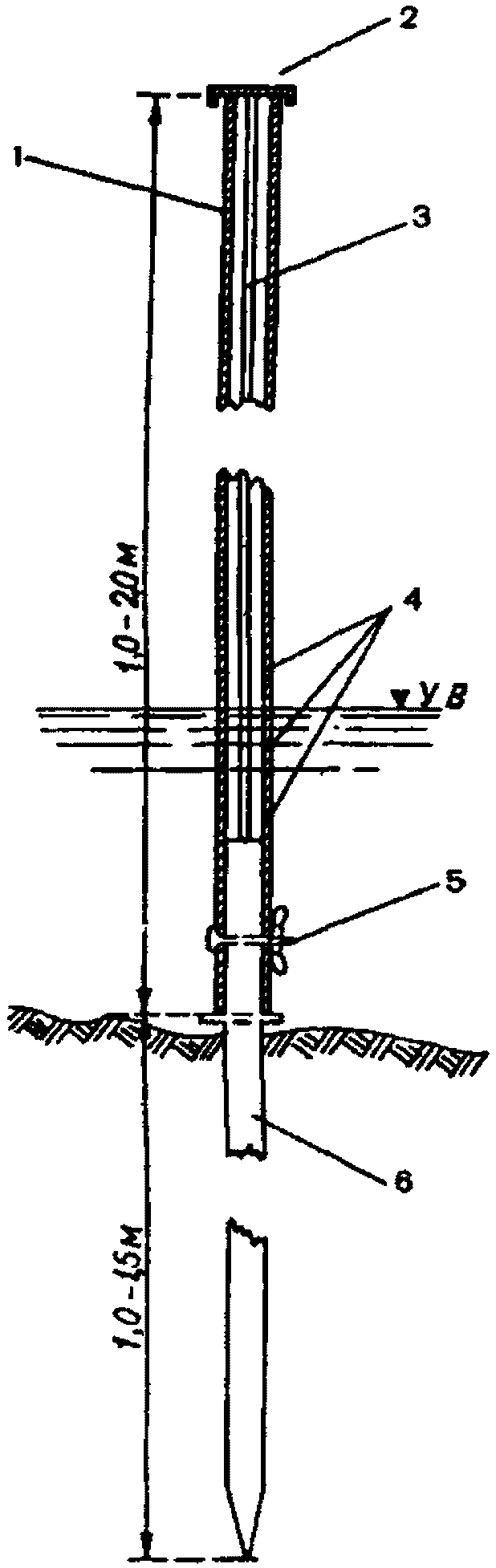
Установку СУВ всегда оборудуют двумя контрольными рейками, одна из которых (внешняя) располагается непосредственно в реке вблизи от места ввода в колодец соединительной трубы, другая (внутренняя) - в поплавковом колодце. Их назначение - обеспечить проверку наличия одинаковой высоты уровня в реке и колодце. Схема установки самописца уровня воды берегового типа приведена на рис. 10.
Рис. 10. Схема установки самописца берегового типа:
1 - измерительный павильон; 2 - труба; 3 - колодец;
4 - рейка; 5 - столик; 6 - самописец уровня
На реках, где реальна опасность нарушения работы установки СУВ в период высоких половодий и паводков вследствие заиления колодцев, переформирований русла и других причин, дополнительно рекомендуется устанавливать максимальные рейки в створе, а также в 200 - 500 м выше и ниже по течению от установки СУВ. Назначение максимальных реек - фиксация уровня воды и получение продольного уклона водной поверхности для последующего определения расхода расчетным путем.
§ 25. При наличии на посту установок СУВ наблюдатель должен перед прохождением половодья или высоких паводков провести ряд подготовительных работ.
1) Поплавковые и отстойные колодцы, соединительные устройства (трубы, галереи, каналы) тщательно очищаются от наносов и мусора. При ручной очистке перекрывается соединительное устройство и из колодца откачивается вода, а затем вручную из приямка (пониженной части) колодца удаляются наносы. При гидравлической очистке после перекрытия соединительного устройства поплавковый (или отстойный) колодец с помощью насоса заполняют водой, затем взмучивают осевшие в приямке наносы и образующуюся смесь удаляют из колодца, быстро открыв соединительное устройство. Эта операция повторяется несколько раз. Для удаления наносов удобно использовать гидроэлеватор (струйный насос).
На спаде паводка или половодья заиление поплавковых колодцев и соединительных устройств происходит наиболее интенсивно. В этот период за ними рекомендуется особо тщательный надзор.
2) Для предохранения соединительной галереи (трубы) от попадания наносов за ней (на расстоянии до 1,0 - 1,5 м), ниже по течению устраивают шпору из шпунтового ряда или железобетонных плит (рис. 11).
Рис. 11. Шпора для защиты выхода (устья) соединительного
устройства установки СУВ от попадания наносов:
1 - устье соединительного устройства; 2 - Г-образная шпора
3) Устройства для промыва соединительных галерей и удаления наносов из колодца (гидроэлеватор, мотопомпа, стальные канаты и гибкие стержни со щетками-ершами и др.) должны быть проверены и приготовлены для работы.
4) Если вблизи установки СУВ берегового типа возможен подмыв берега высокими водами, рекомендуется иметь в запасе несколько мешков с песком, фашин или бетонных плит на случай необходимости ликвидации размыва.
§ 26. Установки СУВ, работа которых необходима круглогодично, должны на зиму тщательно утепляться. Для этого поплавковый колодец сверху закрывают крышкой, утепленной войлоком или шлаковатой. В ней оставляют отверстия для пропуска тросов (от поплавка и противовеса) и для опускания в колодец источника тепла. В качестве последних могут быть использованы электрические лампы, бытовые электрообогревательные приборы, керосинки, керогазы, керосиновые фонари. Пол измерительного павильона (будки) и крышку колодца покрывают утепляющим материалом (сухими опилками с небольшой добавкой извести, опавшими сухими листьями, сеном, соломой, шлаковатой и пр.) слоем до 20 - 30 см. Утепляющий материал укладывают и вокруг измерительного павильона с тем, чтобы уменьшить промерзание грунта вокруг колодца.
Соединительные галереи подлежат утеплению сверху и со стороны реки, в них также устанавливают источник тепла.
При незначительных отрицательных температурах (до -10, -15 °C) для предохранения воды в колодцах установок СУВ от замерзания вместо обогрева наливают минеральное масло слоем примерно в 1 - 1,5 см (расход масла 7 - 10 л).
§ 27. Если наблюдения за уровнем воды в зимнее время производить с помощью самописца нецелесообразно (плавное изменение уровня при небольшой амплитуде), установку СУВ "консервируют". Консервация состоит в проведении следующих работ: самописец уровня демонтируют, очищают от пыли, ржавчины, смазывают и хранят в сухом отапливаемом помещении; соединительное устройство закрывают со стороны русла пробкой (если это труба) или деревянным затвором (если это щелевой лоток); из колодца откачивают воду так, чтобы уровень воды в нем стал ниже отметки входа в колодец соединительной трубы. После освобождения от воды соединительной трубы ее надежно закрывают и со стороны колодца; пол измерительного павильона (будки) и поверхность земли вокруг него в расстоянии не менее 1 м тщательно утепляют.
Работы по консервации установки СУВ малоопытный наблюдатель проводит под руководством техника или другого специалиста станции. При наличии навыка он может проводить их самостоятельно.
§ 28. Стандартным прибором суточного действия является самописец уровня воды "Валдай". Самописец "Валдай" (модели 1952 г.) имеет четыре масштаба записи уровня (1:1, 1:2, 1:5, 1:10) и регистрирует амплитуду колебания уровня до 6 м. Точность регистрации уровня воды по техническим данным прибора не превышает при указанных масштабах записи соответственно +/- 3, 5, 7, 10 мм. Толщина штриха записи на ленте 0,3 - 0,4 мм. Для записи времени имеется два масштаба: 12 мм/ч при скорости вращения барабана 1 оборот за 26 ч и 24 мм/ч при скорости вращения барабана 1 оборот за 13 ч. При масштабе записи 12 мм/ч точность хода часов +/- 5 мин за сутки или +/- 1 мм на ленте, при масштабе записи времени 24 мм/ч точность +/- 3 мин за половину суток или +/- 1,2 мм на ленте. Описание самописца, подготовка к работе, указания по ремонту и уходу за ним даны в
приложении 1.
§ 29. Из самописцев уровня воды длительного действия наиболее распространен самописец типа ГР-38. Он имеет три масштаба записи уровней воды (1:5, 1:10, 1:20) и соответственно регистрирует амплитуды колебания уровня в 1,5; 3,0 и 6,0 м. Точность регистрации уровня при масштабе записи 1:5 составляет 0,5 см, при масштабе 1:10 - 1 см, при масштабе 1:20 - 2 см. Для записи времени имеется также три масштаба: 2; 1 и 0,5 мм/ч, что обеспечивает продолжительность наблюдений без смены лент соответственно в течение 8, 16 и 32 суток. Точность хода часового механизма +/- 5 мин в сутки.
Описание самописца ГР-38 и указания по подготовке его к работе даны в
приложении 2.
§ 30. Самописец уровня воды длительного действия типа 501 (производство чехословацкой фирмы "Метра") имеет четыре масштаба записи уровня (1:5, 1:10, 1:20, 1:40) и соответственно регистрирует амплитуду колебаний уровня в 1,25; 2,5; 5,0; 10 м. Точность регистрации уровня при масштабе записи 1:5 составляет 0,5 см, при масштабе 1:10 - 1 см, при масштабе 1:20 - 2 см, при масштабе 1:40 - 4 см. Для записи времени имеется три масштаба (2,5; 5 и 10 мм/ч), что обеспечивает продолжительность наблюдений без смены лент соответственно в течение 8, 4 и 2 суток. Точность хода часового механизма +/- 5 мин в сутки.
Описание самописца уровня воды типа 501 и указания по подготовке его к работе даны в
приложении 3.
§ 31. Установка самописцев, их первоначальная регулировка и назначение масштаба записи уровня в зависимости от характера колебаний уровня воды производятся инженером или техником станции, которые подробно инструктируют наблюдателя в отношении порядка ухода за колодцем с соединительной трубой и за самим прибором.
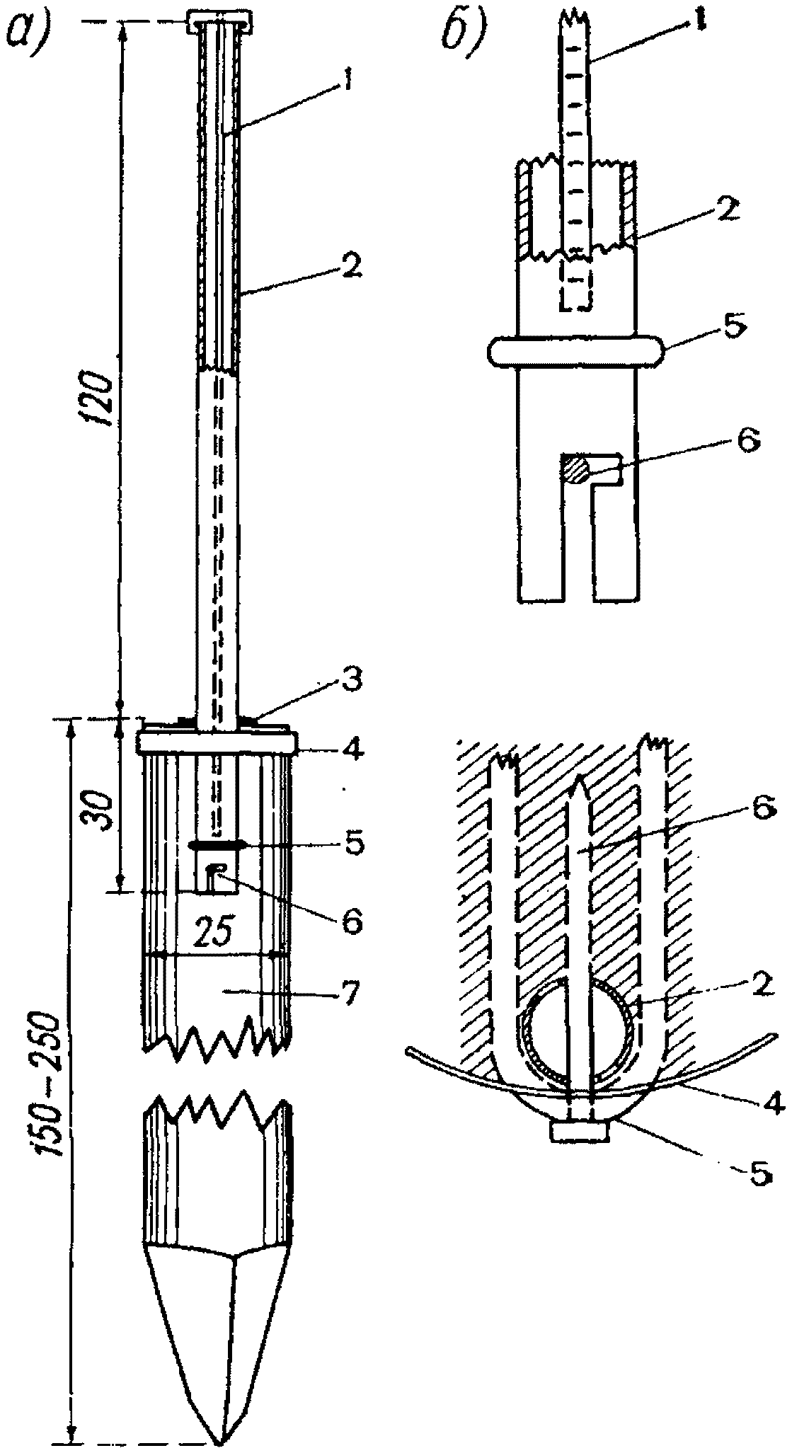
§ 32. Для определения предельных - высшего и низшего - положений уровня применяются отметчики различных типов. Наиболее распространенными являются простейшие отметчики, регистрирующие только предельно высокие уровни между сроками наблюдений, так называемые максимальные рейки. На каждом посту устанавливаются постоянные максимальные рейки. При отсутствии такой возможности могут устанавливаться в различных местах временные рейки: на подъеме уровня - выше по склону берега, а на спаде - ниже. Для удобства перестановки рейки при изменении уровня воды нижний конец ее имеет винтовую нарезку для завинчивания в грунт (рис. 12).
Рис. 12. Рейка максимальная ГР-45:
1 - проушины; 2 - рейка; 3 - шток; 4 - винт
§ 33. Простейшая постоянная максимальная рейка представляет собой прочно забитую в дно реки открытую сверху стальную трубу, в нижней части которой просверливается несколько отверстий диаметром 1 см.
Труба может быть и деревянной в виде дощатого короба внутренним сечением 15 x 15 см; она надежно закрепляется на деревянной свае, причем в нижней части просверливают не менее 10 отверстий диаметром 1 см для того, чтобы уровень воды в трубе быстро следовал за изменением уровня воды в реке.
Показателем наивысшего уровня является стальной стержень определенной длины, опущенный в трубу и обычно покрытый легкосмываемым красителем (например, мелом). Вода, проникающая в трубу через отверстия, смывает краситель. Измеряя высоту смытого слоя, можно определить высоту наивысшего уровня воды между сроками наблюдений. После очередного отсчета максимальную рейку вновь готовят для фиксации наивысшего уровня в следующий срок наблюдений.
§ 34. Более совершенными разновидностями максимальной рейки в металлической трубе являются следующие ее конструкции.
1) Металлическая труба диаметром не менее 5,0 см (рис. 13), закрывающаяся сверху винтовой пробкой, укрепляется на круглой свае при помощи болта. Трубу малого диаметра целесообразно укреплять на железном стержне, забиваемом в дно реки. В нижней части трубы делается несколько отверстий для входа воды. Указателем уровня служит стальной прут диаметром 10 - 15 мм, покрытый легкосмываемым красителем (меловым, известковым). Высота уровня определяется по границе смытого раствора мела по делениям на стержне.
Рис. 13. Максимальная рейка в металлической трубе:
1 - труба диаметром 6 - 10 см; 2 - деревянная или
металлическая навинчивающаяся пробка; 3 - круглый
металлический стержень - указатель максимального уровня
диаметром 10 - 16 мм; 4 - отверстия в трубе
диаметром 10 мм; 5 - болт для закрепления трубы;
6 - свая или стальной стержень
2) Максимальная рейка в металлической трубе - может одновременно использоваться и для регистрации любых уровней воды (рис. 14).
Рис. 14. Максимальная рейка:
а - общий вид; б - деталь крепления рейки к свае:
1 - металлический стержень - указатель максимального уровня;
2 - труба диаметром 5 см; 3 - шляпка сваи; 4 - бугель;
5 - скоба диаметром 1 см; 6 - опорный болт; 7 - свая
На металлической трубе и стальном стержне, устанавливаемом внутри ее, тонким напильником наносят деления через 1 см с оцифровкой каждых 10 см. Это позволяет производить отсчет максимального уровня на стержне без применения переносной водомерной рейки.
Железная труба крепится к обычной свае или к стенке набережной с помощью бугеля, железной скобы и опорного болта; труба может быть легко снята и перенесена на другую сваю. Труба устанавливается так, чтобы нулевые деления на ней и на стержне-указателе совпали с отметкой головки сваи. Фиксирование максимального уровня осуществляется с помощью легкосмываемых красителей.
§ 35. Поплавковая максимальная рейка представляет собой пустотелый поплавок, свободно перемещающийся по круглому вертикальному стержню вверх при подъеме уровня воды. Вниз ему не позволяет опускаться стопорное устройство, автоматически срабатывающее при понижении уровня воды. Поплавок остается на стержне на отметке максимального уровня воды, пока его принудительно не спустят вниз.
§ 36. На реечных постах, установленных в защищенных от волнения местах, когда к рейке имеется свободный доступ при любом уровне воды, свайная опора и рейка (сзади и по бокам) или поверхность стены (скалы), к которой прикреплена рейка по обе ее стороны, окрашивается легкосмываемой краской (мелом, глинистым раствором и др.). Максимальный уровень в этом случае отсчитывается непосредственно по стационарной рейке против оставленного следа смытой краски. Для предохранения от смывания краски дождем может быть устроен защитный козырек или ящик вдоль рейки.
§ 37. На постах, расположенных на гидротехнических сооружениях или в черте крупных населенных пунктов, могут устанавливаться стрелочные указатели уровня У-52 (рис. 15). Этим прибором измеряется уровень с точностью 1 см и автоматически отмечается наивысший и наинизший уровни между сроками наблюдений. Колебания уровня воспринимаются поплавковым устройством, заключенным в защитную трубу. Указатель уровня У-52 устанавливается на защитную трубу диаметром 300 мм, собираемую из 2-метровых секций, нижняя из которых перфорирована. Защитная труба с установленным на ней указателем уровня прикрепляется в вертикальном положении к прочной опоре или скальному обрыву берега, а при наличии сооружений - к устою моста, стенке набережной и т.п. На зимний период указатель уровня снимают с установки.
Рис. 15. Стрелочный указатель уровня У-52:
а - общий вид верхней части; б - схема установки
§ 38. На реках с интенсивным ледоходом или используемых для лесосплава максимальная рейка должна быть предохранена от повреждений плывущими предметами защитным ограждением (ледорезом, кустом свай). Когда нет гарантии, что указанными сооружениями рейка будет защищена от повреждений, ее устанавливают в отрытом в береге ковше, свободно сообщающемся с рекой при любых отметках уровня.
§ 39. Наблюдатель измеряет и записывает в книжку КГ-1 высоту уровня: на реечном посту - над нулем рейки, на свайном - над вершиной головки сваи. Прибавив к отсчетам соответствующую приводку (превышение отметки головки сваи или нуля рейки над нулем графика поста), получает уровень над нулем графика данного водомерного устройства и записывает в соответствующую графу.
§ 40. Для того чтобы результаты наблюдений за уровнем в течение года и за ряд лет были сравнимы между собой, высотное положение нулей всех водомерных устройств периодически проверяется путем нивелирования от постоянных, надежно сохраняющих свою высоту реперов, которые являются составной частью оборудования каждого поста. На гидрологическом посту устанавливаются два капитально сооруженных репера: основной, находящийся в месте, обеспечивающем его полную сохранность, и контрольный, находящийся, как правило, в створе поста выше границы затопления при высшем уровне.
Контрольное нивелирование нулей водомерных устройств производится, как правило, от более близко расположенного к ним репера. По основному реперу только периодически проверяется высотное положение контрольного репера.
Отметки реперов определяются нивелированием, связывающим их с реперами государственной опорной геодезической сети.
Все работы по нивелированию постовых устройств производятся техником или инженером станции.
Если в промежутке между нивелировками наблюдались явления, которые могли повлиять на высоту устройств (например, в результате прошедшего паводка редкой повторяемости, после интенсивного ледохода, лесосплава, при оползнях и разрушениях берегов, при выпучивании грунта и т.п.), наблюдатель обязан немедленно сообщить об этом на станцию и до приезда специалиста самостоятельно проверить высотное положение постовых устройств ватерпасовкой или произвести нивелирование (при наличии на посту нивелира и умении наблюдателя работать с ним).
Ватерпасовка производится при помощи водомерной рейки и 2 - 3-метрового профугованного бруска толщиной 3 - 4 см и шириной 5 - 8 см с прикрепленным к нему уровнем. Уровень прикрепляется металлическими скобами в середине бруска на его узкой грани. Перед ватерпасовкой брусок с уровнем должен быть проверен. Для этой цели вбивают в землю два колышка, кладут на них брусок и затем подбивают один из колышков так, чтобы пузырек воздуха в трубке уровня устанавливался точно посередине. После этого перекладывают на колышках концы бруска и если пузырек уровня установится опять точно посередине, брусок с уровнем признается пригодным. Если же после перекладки пузырек уровня отойдет от середины, низ рейки следует снова тщательно профуговать и добиться такого положения, чтобы при перекладке бруска пузырек уровня оставался посередине. Схема ватерпасовки приведена на рис. 16. Отсчеты по рейке нужно производить два раза, перекладывая брусок с уровнем на 180°. При наличии промежуточных точек между сваями (для которых проверяется превышение) в целях контроля ватерпасовка производится в два хода от верхней сваи к нижней, и обратно. За окончательное превышение одной сваи над другой принимается среднее из двух полученных превышений. Отсчеты по водомерной рейке берутся и записываются в заранее приготовленный разграфленный лист бумаги с точностью до 0,2 см. Лист записи результатов ватерпасовки вклеивается в водомерную книжку.

Рис. 16. Схема ватерпасовки
УХОД ЗА ВОДОМЕРНЫМИ УСТРОЙСТВАМИ И ОБОРУДОВАНИЕМ
ГИДРОЛОГИЧЕСКОГО ПОСТА
§ 41. Для обеспечения непрерывных наблюдений на гидрологическом посту наблюдатель обязан следить за исправностью приборов, измерительных устройств и вспомогательного оборудования поста, за безопасностью и удобством производства работ при любых условиях погоды и состояния реки.
Наблюдатель должен:
1) Не допускать на участке поста (протяженностью, в соответствии с указанием специалистов станции) разработку карьеров, выгрузку леса и дров, свалку мусора и снега, причаливания плотов и др., что может мешать нормальному производству наблюдений и разрушать берег. В тех случаях, когда наблюдатель самостоятельно не может прекратить нарушения нормальной и бесперебойной работы поста, он обязан немедленно заявить об этом местным органам власти и одновременно сообщить на гидрологическую станцию.
2) Восстанавливать размытый растительный и почвенный покров на береговых склонах и поврежденные места искусственного крепления берега.
3) Поддерживать общий порядок на территории поста: убирать мусор, систематически обновлять окраску постовых устройств.
4) Следить за содержанием в порядке подходов к водомерным устройствам. На крутых склонах должны быть устроены лесенки с перилами. Во время обильных снегопадов спуски необходимо заблаговременно, до срока наблюдений, расчищать от снега, а в гололедицу - посыпать песком. В полосе створа поста, в местах расположения свай или береговых реек, передаточных устройств и т.п. снег убирать не следует, так как это может вызвать увеличение глубины промерзания около них, что нежелательно. В случае ремонта или нивелирования свай, находящихся на берегу под снегом, последние после работы вновь засыпаются снегом.
5) Весной, с наступлением снеготаяния, расчищать полосу берега шириной 5 - 10 м в створе поста от снега и подготовлять водомерные устройства для производства наблюдений в половодье.
6) При необходимости устраивать для удобства работы береговые мостки с выносом в реку на 3 - 5 м (в зависимости от крутизны откоса берега), с которых производятся измерения высоты уровня и температуры воды.
7) Лунки во льду, прорубаемые для измерения уровня воды и толщины льда, во избежание несчастных случаев ограждать предупредительными знаками (вешками), а в крупных населенных пунктах - изгородью.
Лунку, в которой ежедневно измеряется высота уровня воды, рекомендуется для предохранения от быстрого промерзания прикрывать крышкой - щитком, соломенным тюфяком и т.п.
8) Если постоянные рейки укреплены на сваях, лед вокруг свай следует окалывать, чтобы он не мог их повредить. Рейки очищать ото льда нужно осторожно, оберегая покраску от повреждения.
На свайном посту заблаговременно прорубать лунки над нижними сваями при спаде уровня с таким расчетом, чтобы лед при осадке не касался сваи и не мог ее повредить (вдавить); при подъеме уровня своевременно очищать верхние сваи ото льда во избежание их выдергивания.
9) На постах, оборудованных самописцами уровня, сразу же удалять случайно попавшие в колодец плавающие предметы и следить, чтобы поверхность воды в колодце была всегда чистой.
Соединительную трубу периодически и обязательно после каждого паводка, когда вероятно наибольшее ее заиление, прочищать проволочным ершом из колодца самописца, а при большой длине трубы - из всех контрольных колодцев, расположенных по ее длине. Дно колодца также очищать от осаждающихся наносов.
Осенью, с наступлением заморозков, если имеется необходимость в продолжении наблюдений по самописцу, колодец и измерительный павильон самописца должны быть утеплены в соответствии с
§ 26 настоящего выпуска и дополнительными указаниями станции. В том случае, если меры по утеплению окажутся недостаточными и вода в колодце начнет замерзать, поплавок самописца должен быть извлечен из воды во избежание его повреждения. О прекращении наблюдений по самописцу необходимо немедленно известить станцию и сделать соответствующую запись в книжке КГ-1. Если установка самописца на зиму консервируется, следует провести работы согласно
§ 27.
10) При наличии на посту лодки, парома, гидрометрического мостика, люлечной переправы и т.п. - проверять их исправность, чтобы они были в полном порядке и безопасны для работы на них.
11) Следить за наличием и состоянием спасательных средств и строго соблюдать "Правила по технике безопасности при производстве гидрометеорологических работ" (1970 г.), которые должны быть на посту, или соблюдать указания инструкции, выдаваемой станцией.
§ 42. В случае повреждения какого-либо водомерного устройства наблюдатель должен самостоятельно произвести доступный ему ремонт.
Заменяемые или вновь устанавливаемые сваи в зависимости от характера грунта и глубины промерзания закапываются или забиваются на следующие глубины:
- в песчаные грунты сваи забиваются на глубину не менее 1,5 м и так, чтобы они углубились не менее чем на 0,5 м в непромерзающий слой грунта;
- при торфяно-илистых (слабых) грунтах глубина назначается такой, чтобы свая углубилась не менее чем на 0,5 м в подстилающий плотный грунт;
- при глинистых или илистых грунтах, подверженных при замерзании пучению, сваи следует не забивать, а закапывать с устройством в их нижней части крестовин (у железных свай - бетонных монолитов). Выкопанные ямы после установки сваи при засыпке грунтом дополнительно заполняются вокруг сваи крупной галькой, камнем, щебнем, которые по мере заполнения ямы трамбуются. Крестовина или бетонный монолит должны находиться примерно на 0,5 м ниже максимальной глубины промерзания и не менее чем в 1,5 м от поверхности земли;
- в зоне многолетней мерзлоты сваи должны быть закопаны (завинчены) на такую глубину, чтобы они не менее чем на 0,5 м входили в не оттаивающий летом слой грунта.
Возвышение головки вновь устанавливаемой сваи над поверхностью земли должно составлять не более 10 - 15 см. При такой высоте свай удары льдин или плавающих бревен обычно не могут повредить сваю или изменить ее высотное положение.
Если при установке свай был нарушен естественный растительный покров, для предохранения берега от размыва и разрушения он должен быть тщательно восстановлен одерновкой.
Сваям, установленным взамен пришедших в негодность или уничтоженных, присваиваются номера заменяемых свай; в водомерной книжке указывается дата замены, новые отметки и величина приводки.
В отдельных случаях допускается установка вместо свай временных кольев. Колья тоже должны быть достаточно прочно и надежно забиты на глубину не менее 1 м. Каждому колу присваивают номер ближайшей верхней сваи. В этом случае в справочной табличке в конце водомерной книжки указывается расстояние от этой сваи до кола: например, к. 8 + 2,5.
Запасные сваи и колья должны быть заготовлены заблаговременно. Сваи могут быть заводского изготовления (металлические винтовые), или изготовляемые на месте (металлические из отрезков балок, труб и др.), или деревянные толщиной не менее 20 - 25 см (из пород дерева, трудно поддающихся гниению и достаточно прочных, например дуб, лиственница, сосна). Верхний конец изготовляемой на месте металлической сваи должен быть срезан строго перпендикулярно ее продольной оси. В торец деревянной сваи забивается большой гвоздь с круглой головкой, железный костыль и т.п.
Сразу после установки сваи или временного кола производится их ватерпасовка или нивелирование. О каждой замене и установке новой постоянной сваи или временного кола делается запись на последней странице книжки записи водомерных наблюдений (КГ-1) с указанием диаметра сваи (кола) и глубины, на которую она установлена.
В случае невозможности выполнить самостоятельно ремонт водомерных устройств наблюдатель об этом сообщает на станцию.
ПРОИЗВОДСТВО НАБЛЮДЕНИЙ ЗА ВЫСОТОЙ УРОВНЯ ВОДЫ
§ 43. За основные сроки наблюдений за уровнем на постах приняты 08 и 20 ч по местному времени. Частота регистрации уровней увеличивается или уменьшается в зависимости от характера изменения их во времени. Дополнительные наблюдения за уровнем между указанными стандартными сроками производятся: а) в период половодья; б) в период дождевых паводков в виде ряда следующих друг за другом волн разной продолжительности и высоты; в) в период межени во время одиночных дождевых паводков; г) в период шуго- и ледохода и интенсивного таяния льда.
Учащенные наблюдения производятся преимущественно в четыре срока, т.е. в 02, 08, 14 и 20 ч. На некоторых постах, в основном на малых реках, при отсутствии самописца уровня воды наблюдения в отдельные периоды назначаются через 2 ч (с привлечением дополнительного наблюдателя). На постах, где колебания уровня зависят от режима попусков воды из вышерасположенного водохранилища или от работы ГЭС, сроки наблюдений за уровнем назначаются гидрологической станцией по результатам анализа хода уровня при разных режимах.
По указанию специалистов станции, в зимнее время при ледоставе, при условии медленного и плавного изменения уровня, наблюдения производятся один раз в сутки в 08 ч.
Если пост расположен в плесе и при пересыхании водотока на перекатах оказывается в зоне со стоячей водой, уровень измеряют каждые один - три дня в 08 ч по указанию станции.
На некоторых постах, оборудованных самописцами типа "Валдай", контрольные измерения уровня производятся также один раз в сутки в указанный гидрологической станцией срок. На постах, оборудованных самописцами длительного действия, контрольные измерения уровня производятся один раз в два дня, в неделю, в две недели или в месяц.
Порядок и сроки производства наблюдений указываются наблюдателю в письменном задании.
Для производства наблюдений наблюдатель приходит на пост заблаговременно (за 10 - 15 мин до срока наблюдений), проверяет сохранность и состояние водомерных устройств и выполняет подготовительные работы. Наблюдения на посту должны выполняться в такой последовательности, чтобы высота уровня воды была измерена в точно установленный срок наблюдений.
§ 44. Высота уровня воды измеряется с точностью, зависящей от вида оборудования поста и предъявляемых требований к точности измерений. Точность измерения уровня для поста назначается гидрологической станцией, а наблюдателю дается письменное задание с указанием также мероприятий по обеспечению требуемой точности.
§ 45. Отсчеты значений уровня на реечном посту и по переносной рейке на свайном посту должны производиться так, чтобы глаза наблюдателя находились возможно ближе к поверхности воды, так как иначе будут получаться неправильные отсчеты.
При точности отсчета уровня в 1 см записывается ближайшее из делений, около которого находится поверхность воды. Если уровень находится посередине между делениями рейки, записывается четное из них (например: 10,5 записывается 10 см, а 13,5 записывается 14 см).
Во время волнения, если высота волны на глаз не превышает 15 см, наблюдатель следит за колебаниями уровня и замечает высшее и низшее деления, которых достигает вода на рейке (рис. 17). В полевую книжку записывается среднее из этих двух отсчетов (например,

).
Рис. 17. Отсчет высоты уровня при волнении
При высоте волны, превышающей 15 см, наблюдатель обязан сделать и записать 10 отсчетов высоты уровня при прохождении гребней и ложбин пяти волн. В водомерной книжке отсчеты уровня по рейке (свае) записываются в
графу 4 книжки КГ-1 в виде дроби (в числителе - высоты гребней, а в знаменателе - ложбин); здесь же для каждой пары отсчетов выводится среднее значение. По осредненному значению для пяти волн вычисляется высота уровня воды над нулем графика. Пример записи наблюдений за уровнем при волнении приводится в табл. 2.
Таблица 2
Пример записи наблюдений в книжке КГ-1
за уровнем воды при волнении
Число | Час | N сваи (рейки) | Уровень воды, см |
отсчет гребень/ложбина; среднее | над нулем графика | средний за сутки |
1 | 2 | 3 | | 5 | 6 |
1 | 8 | 3 | 38/12; 25 42/6; 24 35/15; 25 44/8; 26 30/19; 24 | | |
20 | 3 | Средний за срок 25 48/10; 29 46/14; 30 50/6; 28 45/9; 27 51/10; 30 | 85 | 87 |
| | | Средний за срок 29 | 89 | |
§ 46. На некоторых постах на больших реках, если они расположены в не защищенном от волнения месте, применяются специальные рейки с успокоителями (см.
рис. 6). Простой конструкцией успокоителя является сделанная в деревянной рейке прорезь, перекрытая с обеих сторон пластинками плексигласа. Внутрь прорези опускается окрашенный белой или красной краской пробковый шарик, который и является указателем уровня. Вода попадает в прорезь через малое отверстие в нижней части пластинки из плексигласа и поэтому колебания уровней внутри прорези гасятся.
Более совершенным устройством для наблюдений при волнении является переносная рейка с успокоителем ГР-23 (см.
рис. 7). Корпус рейки состоит из двух склеенных по краям плексигласовых пластин, образующих внутреннюю полость ромбического сечения. В нижней части рейки вклеено плексигласовое дно с отверстиями. Эти отверстия перекрываются клапаном, который открывается и закрывается при помощи длинного подпружиненного штока, проходящего через всю полость рейки, и находящуюся вверху деревянную ручку. Внутренняя полость рейки сообщается с водой в реке посредством ниппеля-насадки, ввинченного в плексигласовое дно. Рейка рассчитана на измерение уровней при амплитуде волн до 0,5 м, для чего она снабжается комплектом из трех ниппелей, имеющих отверстия диаметром 2, 4 и 6 мм. В зависимости от величины амплитуды волн, т.е. размаха от низшего до высшего положения уровня, применяется ниппель с тем или иным отверстием. Так, при волнах с амплитудой 0,4 - 0,5 м применяется ниппель с
d = 2 мм, при волнах с амплитудой 0,2 - 0,4 м - ниппель с
d = 4 мм, а при амплитудах 0 - 0,2 м - ниппель с
d = 6 мм.
Наблюдения по рейке с успокоителем ГР-23 производятся в следующем порядке:
1) рейка с ввинченным в нее ниппелем ставится вертикально на головку сваи или специальную опорную точку, если водомерное устройство реечного типа; высота этой точки над нулем рейки должна быть известна;
2) нажав на головку штока, наблюдатель опускает его в нижнее положение, тем самым открывая клапан и давая доступ воде во внутреннюю полость рейки. После этого шток закрепляется в нижнем положении металлической скобой, имеющейся на деревянной ручке;
3) рейка с открытым клапаном выдерживается на свае 2 мин, в течение которых уровни воды в реке и во внутренней полости рейки выравниваются;
4) наблюдатель сбрасывает с головки штока скобу, благодаря чему шток под действием пружины поднимается в верхнее положение и закрывает впускные отверстия клапана; затем он вынимает рейку из воды и отсчитывает высоту уровня во внутренней полости (равную высоте уровня в реке над головкой сваи) по сантиметровой шкале, вытисненной на обеих сторонах рейки.
§ 47. На свайном посту при подъеме или спаде уровня воды следует в два срока подряд производить так называемые переходные измерения по двум сваям одновременно: по одной, над которой вода возвышается незначительно, и по другой, находящейся уже глубоко под водой (рис. 18). Эти переходные наблюдения позволяют выяснить, не изменили ли сваи свое высотное положение. При записи переходных наблюдений номера свай и отсчеты по ним записываются дробью.
Рис. 18. Схема одновременного измерения
уровня воды по двум сваям
Наблюдатель должен своевременно предусмотреть необходимость перехода с одной сваи на другую (при быстром подъеме или спаде уровня) и заранее начать отсчеты по двум сваям одновременно, чтобы не допустить положения, когда одна из соседних свай обсохнет и произвести по ней отсчет станет невозможно.
Для дополнительного контроля высотного положения свай такие одновременные наблюдения по двум сваям производятся не только при переходе с одной сваи на другую при подъеме и спаде уровня, но и каждые 10 - 15 дней в периоды относительно устойчивого его положения.
§ 48. Если окажется, что свая, по которой необходимо произвести измерения уровня, обсохла и другой, находящийся под водой, сваи нет, то необходимо забить временную сваю (кол), провести ватерпасовку ее или нивелирование и продолжать наблюдения по этой временной свае (колу). Измерение высоты уровня воды по свае, головка которой вышла из воды (или по постоянной рейке, нулевое деление которой вышло из воды), допускается только в исключительных случаях, когда нет возможности сразу же забить дополнительную сваю или кол.
При отсчете высоты уровня ниже головки сваи переносная рейка приставляется отвесно к свае так, чтобы низ ее касался поверхности воды, а отсчет делается на уровне головки сваи (рис. 19). При необходимости следует прокопать к обсохшей свае канавку и подвести по ней воду. При этом канавка не должна быть слишком глубокой, чтобы не нарушить устойчивость сваи.
Рис. 19. Отсчет высоты уровня воды ниже нуля наблюдения
§ 49. При наличии на посту отметчика высшего уровня - максимальной рейки или другого какого-либо устройства - наблюдатель измеряет высоту оставленной высшим уровнем метки и снова приводит устройство в готовность для дальнейших наблюдений. Отмеченный высший уровень записывается в полевой водомерной книжке в следующей строчке после записи за предыдущий срок. Высший уровень по максимальной рейке за сутки условно обозначается буквами ВУ. Время прохождения этого высокого уровня - пика паводка - между сроками наблюдений записывается приближенно с точностью до целого часа на основании собственных наблюдений или по опросу и обводится квадратом. Если наблюдателю не удалось хотя бы приближенно установить время прохождения пика паводка, условно принимается, что пик в середине между сроками наблюдений. Пример записи приведен в табл. 3.
Таблица 3
Пример записи высшего и низшего уровней в книжке КГ-1
Число | Час | N сваи (рейки) | Уровень воды, см |
отсчет | над нулем графика | средний за сутки |
1 | 2 | 3 | 4 | 5 | 6 |
24 | 08 | 3 | 41 | 276 | |
| | ВУ | 119 | 289 | |
| | НУ | 91 | 261 | |
| 20 | 3 | 35 | 270 | 273 |
В тех случаях, когда метка высшего уровня по отметчику совпадает с высотой уровня, измеренной в установленный срок, то уровень в этот срок обводится квадратом.
Если уровень идет быстро на подъем и возникает необходимость перестановки максимальной рейки выше, после укрепления ее на новом месте следует произвести отсчет высоты уровня одновременно по свае или рейке на посту и по делениям на трубе максимальной рейки. В тех случаях, когда при быстром подъеме уровня воды отметчик приходится устанавливать для охвата большей амплитуды на сухом берегу, высотное положение нулевого деления отметчика определяется ватерпасовкой или нивелированием от репера или ближайшей сваи. Сведения о перестановке записываются в графу примечаний.
§ 50. На посту, оборудованном указателем уровня У-52, наблюдатель после выполнения отсчетов подводит стрелки, отмечающие высший и низший уровень между сроками наблюдений, к стрелке, указывающей уровень на данный момент. Запись производится также в полевой книжке последовательно между строчек, записи за предыдущий и очередной сроки. Высший уровень обозначается ВУ, а низший - НУ.
Пример. Отметчик - 16 см. Св. N 2 - 28 см. Приводка отметчика 249 см (вычисление приводки см.
§ 61).
Время прохождения высшего и низшего уровней записывается приближенно и обводится квадратом (см.
табл. 3).
§ 51. Во время паводков при отсутствии отметчиков предельных значений уровня помимо учащенных измерений высоты уровня наблюдатель должен постараться измерить самый высокий уровень на пике паводка. Если непосредственно его измерить почему-либо не удалось, например, потому, что он прошел ночью, наблюдатель должен установить его высоту по следам, оставленным высокой водой (клочки травы, мелкого мусора на ветках и стволах деревьев, навалы хвороста и отложений песка на берегах, следы свежих размывов берегов и др.). Следы нужно найти в нескольких местах и определить их высоту нивелированием от репера, сваи или другой ближайшей высотной точки с известной отметкой. До нивелирования обнаруженные следы закрепляются на местности кольями, вбитыми на границе затопления, краской, зарубками на деревьях, засечками на скале и т.п.
§ 52. В случае катастрофически высоких подъемов уровня, когда все постовые устройства окажутся затопленными, недоступными для производства наблюдений или частично разрушенными, наблюдатель должен установить временные рейки, колья или сваи и вести по ним наблюдения без перерывов. Высота временных реек, кольев или свай сразу же определяется ватерпасовкой или нивелированием относительно ближайшей устойчивой сваи или репера.
§ 53. Высший уровень катастрофических паводков закрепляется меткой в виде черты, зарубины или засечки на стенах зданий, устоях моста, набережных, на скалах и т.п. с указанием даты. Метки в черте населенных пунктов должны быть выполнены надежно, имея в виду, что они отмечают выдающиеся явления и должны сохраняться длительное время.
О всех случаях катастрофических подъемов уровня воды наблюдатель должен немедленно сообщить на станцию, а в полевой книжке или на отдельном листке бумаги, который подклеивается в книжку, кратко описать прошедший паводок, произведенные им разрушения и убытки, причиненные народному хозяйству.
§ 54. При пересыхании реки в створе водомерного поста измерения уровня воды, естественно, прекращаются, но наблюдатель в утренний срок обследует участок поста и отмечает в водомерной книжке сокращенно "прсх" (пересохло). После выпадения дождей, в случае возобновления стока, наблюдения за уровнем воды начинают производиться ежедневно в два срока или учащенно вплоть до нового пересыхания.
В тех случаях, когда река пересыхает не от истощения грунтового питания, а вследствие проведения водохозяйственных мероприятий: водозабора на орошение, задержания воды в прудах и т.п., в водомерной книжке в примечаниях указывается причина пересыхания реки на участке поста.
§ 55. При промерзании реки в створе поста, убедившись по нескольким скважинам (лункам), что река действительно промерзла по всей ширине, наблюдения за уровнем, так же как и при пересыхании, естественно, прекращаются.
После промерзания реки пост должен посещаться, так как бывают случаи, когда сток возобновляется за счет выклинивания грунтовых вод. При устойчивой морозной, без оттепелей, погоде пост должен посещаться (по указанию станции) через 5 - 15 дней. При наступлении оттепелей пост должен посещаться ежедневно. Во время каждого посещения участок поста обследуется и в водомерной книжке отмечается сокращенно "прмз" (промерзло) или указывается наличие стока воды.
Когда пост расположен в плесе, а промерзание реки происходит на перекате, наблюдения за уровнем воды на посту производятся в течение всего периода промерзания (по особому указанию станции) через 5 - 15 дней и в отдельных случаях прекращаются вовсе. Для того чтобы не упустить момент возобновления стока, станция сообщает значения высоты уровня воды на посту, при которых наблюдатель должен ежедневно производить обследование указанного ему переката и отмечать промерзание или наличие стока.
Наблюдения за промерзанием реки производятся в скважинах (лунках), сделанных на самом глубоком месте. При промерзании наблюдатель должен сразу же пробурить во льду по всей ширине реки еще несколько скважин, чтобы убедиться, что река действительно промерзла полностью.
При появлении воды поверх льда в книжке в примечании отмечается "вода течет поверх льда" и указываются ширина, глубина текущего слоя воды и приблизительно скорость течения, которая определяется поверхностными поплавками. Когда вода поверх льда не течет, а стоит, в книжке записывается "вода на льду" и также указывается ее глубина.
§ 56. Для оценки точности результатов наблюдений за уровнем воды в каждый срок наблюдений глазомерно определяются сила и направление ветра и волнения.
Направление ветра оценивается по отношению к течению реки: в полевой книжке (в графе "Ветер и волнение") ставится знак

, если ветер дует вниз по реке, знак

- вверх по реке, знак

- с правого берега и знак

- с левого берега.
Сила ветра отмечается прибавлением черточек (оперения) к стрелке направления. При слабом ветре ставится стрелка без черточки. При умеренном ветре пишется стрелка с одной черточкой, например

(умеренный ветер с левого берега). При сильном ветре пишется стрелка с двумя черточками, например,

сильный ветер вниз по реке). Ветер считается слабым, когда поверхность воды почти спокойная, умеренным - на поверхности воды слабое волнение, сильным - на воде волны с гребешками пены. На малых реках, на которых даже сильный ветер не создает заметного волнения и не вызывает явления сгона и нагона воды к одному из берегов, наблюдения за ветром не производятся (в соответствии с указанием станции).
Волнение отмечается только на постах, расположенных на больших реках. Волнение оценивается баллами, которые пишутся в графе "Ветер и волнение" после записи оценки ветра.
Балл 0 пишется, когда поверхность воды гладкая или имеется мелкая рябь; балл 1 - слабое волнение; балл 2 - волнение умеренное, на поверхности волны появляются пена и гребешки; балл 3 - волнение сильное, вся поверхность воды покрыта большими волнами и с гребней срывается и стелется по поверхности воды белая пена.
На постах, расположенных на горных реках с бурным течением, вместо волнения отмечается (баллами) характер течения. Балл 1 - течение спокойное, на поверхности воды ровная или мелкая рябь; балл 2 - течение неспокойное, поверхность воды неровная, появляются пенистые гребешки; балл 3 - течение бурное, поверхность воды почти сплошь покрыта белой клубящейся пеной.
§ 57. Наблюдения на посту при наличии самописца уровня заключаются в смене ленты и в производстве контрольных измерений уровня воды по основному посту и водомерному устройству в колодце. Описание порядка смены лент и завода часового механизма самописца "Валдай" приведено в
приложении 1. Лента меняется обычно в утренний срок после отсчета высоты уровня воды по основному посту и водомерному устройству в колодце. В периоды межени, когда вероятность резкого изменения уровня весьма мала, допускается оставлять одну и ту же ленту на несколько дней, но не более чем на пять, каждый день обязательно поворачивая барабан так, чтобы записи за отдельные сутки не пересекались между собой. В измерительном павильоне самописца всегда должен быть запас (10 - 15 штук) подготовленных к работе лент, т.е. обрезаны углы и аккуратно подогнуты широкие белые поля, которыми лента закладывается в продольную щель барабана, надписаны названия реки, пункт и год наблюдений (рис. 20). Для самописца типа 501 не всегда могут быть в наличии ленты, так как он не отечественного производства, поэтому, как исключение, можно рекомендовать использование миллиметровой бумаги на масштабах уровня 1:5, 1:10. При масштабах 1:20 и 1:40 применение миллиметровки недопустимо, так как ошибка уровня может достигать более 10 см.

Рис. 20. Образец ленты самописца уровня "Валдай" (уменьшено)
§ 58. Смена лент и завод часового механизма самописца уровня воды длительного действия производится в зависимости от установленного масштаба времени. Описание порядка смены лент самописцев ГР-38 и типа 501 приведено соответственно в
приложениях 2 и
3.
ОБРАБОТКА РЕЗУЛЬТАТОВ НАБЛЮДЕНИЙ ЗА УРОВНЕМ ВОДЫ
§ 59. Обработка результатов измерений уровня воды за каждый срок состоит в приводке отсчетов, сделанных над нулем наблюдений, к нулю графика поста. Эта обработка должна производиться наблюдателем сразу же по возвращении с поста в каждый срок наблюдений.
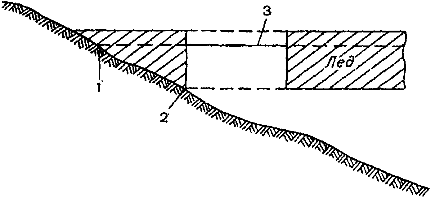
Превышение нуля наблюдений водомерного устройства - вершины головки сваи, нулевого деления рейки - над принятым нулем графика поста называется приводкой (рис. 21).
Рис. 21. Схема высотного положения
нуля наблюдения и нуля графика
Значения приводок для нулей наблюдений всех водомерных устройств выписываются в справочную таблицу в конце водомерной книжки по данным последнего нивелирования.
Если высота нуля наблюдения почему-либо изменяется, соответственно должна быть изменена и приводка. Наблюдатель, произведя контрольное нивелирование или ватерпасовку и выяснив, что высотное положение нуля наблюдения изменилось, в справочную табличку выписывает полученную новую отметку и соответственно изменяет приводку с указанием причины изменения и даты, с которой следует принимать новую приводку. Приводка изменяется только в том случае, если высота нуля наблюдения изменилась более чем на 2 см. Листок с записями ватерпасовки (нивелировки) обязательно подклеивается в водомерную книжку.
§ 60. Уровень воды над нулем графика вычисляется путем сложения записанного в книжке отсчета по рейке над нулем наблюдения с приводкой.
Пример. Уровень, измеренный 9/V в 03 ч над сваей N 2, равен 55 см. Приводка сваи N 2 равна 237 см. Уровень воды над нулем графика: 55 + 237 = 292 см (см.
рис. 21).
Полученный результат записывается в графу "Над нулем графика". Отсчеты, произведенные вниз от головки сваи или ниже нулевого деления постоянной рейки, вычитаются из соответствующей приводки. Если отсчеты высоты уровня были сделаны одновременно по двум соседним сваям (переходные наблюдения), эти отсчеты приводятся к нулю графика и записываются каждый в отдельности.
В тех случаях, когда разница между значениями уровня над нулем графика, полученными в результате отсчетов по двум сваям, оказывается больше 2 см, следует обязательно сразу же произвести ватерпасовку или нивелирование уровня воды от ближайших свай, находящихся на незатопленном берегу; это позволит выяснить, какая из свай, по которым производились отсчеты, изменила свое высотное положение. Уровень воды над нулем графика в этом случае вычисляется по свае, сохранившей свою отметку. В дальнейшем для сваи, изменившей свое высотное положение, изменяется соответственно приводка.
§ 61. При обработке результатов измерений по отметчику - по максимальной рейке - сначала вычисляется ее приводка. Для вычисления приводки используются записанные в книжке одновременные отсчеты высоты уровня по ближайшей свае и по делениям на трубе максимальной рейки в момент ее установки. Разница между этими двумя отсчетами показывает, на сколько нуль наблюдения максимальной рейки выше или ниже нуля наблюдения сваи или рейки.
Пример. Отсчет по делениям на трубе максимальной рейки равен 16 см, отсчет по свае N 2 равен 28 см. Следовательно, нулевое деление рейки расположено выше сваи на 28 - 16 = 12 см и приводка рейки на 12 см больше приводки сваи N 2. Если приводка сваи N 2 равна 237 см, приводка максимальной рейки 237 + 12 = 249 см.
В том случае, когда высотное положение отметчика определяется по нивелировке, приводка рейки вычисляется по величине превышения нулевого деления отметчика относительно репера или ближайшей сваи.
Пример. Нулевое деление максимальной рейки по результатам нивелирования оказалось ниже сваи N 3 на 37 см. Приводка сваи N 3 равна 286 см. Следовательно, приводка максимальной рейки 286 - 37 = 249 см.
Значение вычисленной приводки максимальной рейки записывается в примечаниях в той же строке, где записаны одновременно измеренные высоты уровня на посту и по максимальной рейке.
При каждой перестановке максимальной рейки приводка должна вычисляться заново.
Значение отмеченного максимальной рейкой высокого уровня "ВУ" между сроками наблюдений приводится к нулю графика также путем сложения отсчета высоты оставленного водой следа на стержне рейки с приводкой.
§ 62. Ежедневно вычисляется средний уровень воды за сутки и его значение записывается в графу водомерной книжки "Средний за сутки".
При односрочных наблюдениях измеренный и приведенный к нулю графика уровень воды за данный срок принимается за средний суточный.
При двухсрочных наблюдениях (08 и 20 ч) средний суточный уровень вычисляется как среднее арифметическое из значений за оба срока.
При четырехсрочных наблюдениях (02, 08, 14 и 20 ч) средний суточный уровень вычисляется как среднее арифметическое из значений уровня за эти четыре срока.
При многосрочных наблюдениях через равные промежутки времени средний уровень за сутки вычисляется по формуле

,
где H0 и H24 - значения уровня воды соответственно в 0 и 24 ч;
H1, H2 и т.д. - значения уровней через принятые равные промежутки времени (исключая 0 и 24 ч);
n - принятый интервал времени, ч.
Примеры вычисления среднего суточного уровня при многосрочных наблюдениях через равные промежутки времени (через 1, 2 и 4 ч) приведены в табл. 4. Значения уровня воды при многосрочных наблюдениях через равные промежутки ежедневно переписываются в таблицу формы ТГ-11 с небольшими изменениями
(приложение 4).
Таблица 4
Вычисление среднего суточного уровня
при многосрочных наблюдениях
Срок наблюдений, ч | Уровень воды (над нулем графика), см | Срок наблюдений, ч | Уровень воды (над нулем графика), см |
через n - 1 ч | через n - 2 ч | через n - 4 ч | через n - 1 ч | через n - 2 ч | через n - 4 ч |
0 | 134 | 134 | 134 | 13 | 122 | | |
01 | 122 | | | 14 | 155 | 155 | |
02 | 116 | 116 | | 15 | 185 | | |
03 | 102 | | | 16 | 158 | 158 | 158 |
04 | 98 | 98 | 98 | 17 | 148 | | |
05 | 95 | | | 18 | 132 | 132 | |
06 | 94 | 94 | | 19 | 120 | | |
07 | 92 | | | 20 | 113 | 113 | 113 |
08 | 90 | 90 | 90 | 21 | 107 | | |
09 | 88 | | | 22 | 102 | 102 | |
10 | 86 | 86 | | 23 | 96 | | |
11 | 92 | | | 24 | 90 | 90 | 90 |
12 | 104 | 104 | 104 | | | | |
§ 63. По окончании месяца в водомерной книжке подсчитывается сумма средних суточных значений уровня воды за все дни месяца и делится на число дней в месяце, в результате чего получается средний уровень за месяц.
Из всех записанных в книжке результатов измерений высоты уровня, включая ВУ и НУ, по указателю уровня или по максимальной рейке, а также из книжек КГ-4 и КГ-64 выбираются значения высшего и низшего уровней за месяц. Если в прошедшем месяце был отмечен высший уровень по следам и меткам на берегу путем нивелирования, выписывается его значение с указанием "по нивелировке" и обязательно с приложением листка с записями результатов нивелирования. Сумма средних суточных значений уровня воды, значения среднего, высшего и низшего уровней за месяц записываются в книжке КГ-1 в конце раздела записи ежедневных срочных наблюдений. Сумма и средний за месяц уровень записываются черным карандашом; высший обводится красным, а низший - синим карандашами. Справа от записи значения высшего и низшего уровней в скобках ставится число (или числа) месяца, когда они наблюдались.
В случае пропуска наблюдений по каким-либо причинам хотя бы за одни сутки вычисление среднего месячного уровня не производится - его вычисление выполняется на станции.
§ 64. На постах, оборудованных самописцами уровня воды, наблюдатель обрабатывает ленты самописца за сутки, двое суток, неделю, две недели или месяц в соответствии с установленным масштабом времени.
Средний уровень за сутки при наблюдениях через 1 ч равен

;
через 2 ч равен

;
через 4 ч равен

.
При обработке лент самописца производят следующие операции:
1) критический просмотр полноты и качества записи;
2) разметку штрихами линии, прочерченной пером (графитом);
3) снятие ординат (высот) уровней с линии записи и приведение показаний самописца к нулю графика поста;
4) составление таблицы ежедневных уровней воды.
Вся обработка по
пп. 1 -
3 ведется на самой ленте.
При критическом просмотре проверяется графическое качество записи и наличие на ленте всех требующихся данных, надписей с указанием названия водного объекта, поста, даты установки и снятия ленты, масштаба записи уровня и времени, а также отметки нуля графика поста.
В записи могут быть перерывы или участки с растекшейся, зигзагообразной, ступенчатой записью. Если перерывы невелики, а ход записи до и после перерыва плавный и одного направления, пропуск восстанавливается карандашом от руки в соответствии с общим характером записи. На участке, где запись расплывчатая, проводится кривая (другим цветом) посередине расплывчатой полосы. При наличии зигзагообразной кривой и ступенчатой записи необходимо принять меры для устранения причин, вызывающих такую запись (для устранения дефектов в работе самописца следует вызвать специалиста с гидрологической станции).
По окончании проверки и исправления записи на ленте проставляется ее порядковый номер от начала данного года.
Перед разметкой штрихами линии записи необходимо выверить запись во времени. Для этого из начальной и конечной контрольных засечек, сделанных на ленте при ее наложении и снятии, опускаются перпендикуляры на ось времени. Допустимая невязка во времени определяется точностью хода часового механизма +/- 5 мин в сутки. В самописцах длительного действия ГР-38 при установке их на срок от 7 до 30 суток допустимая невязка соответственно увеличивается от +/- 35 до +/- 150 мин. Эта невязка не разбрасывается, так как она соответствует на ленте отрезку длиной несколько более 1 мм. Если разность времени, определенного по масштабу времени на ленте и по засечкам, превышает допустимую невязку, то последняя разносится пропорционально длине отрезка ленты между контрольными засечками. Для этого определяют отрезок времени, на который часы ушли вперед или отстали за весь промежуток времени между засечками, и находят поправку для каждого часа или интересуемого интервала времени, предполагая, что ход часов между контрольными отметками был равномерным. Первую метку делают на расстоянии принятого интервала времени на делении ленты (например, на 9 ч), сдвинутом вправо (или влево) на величину вычисленной поправки, вторую - в конце интервала на соответствующем делении ленты (например, на 10 ч), сдвинутом на величину удвоенной поправки, и т.д. Из сделанных засечек на оси времени восстанавливаются перпендикуляры до пересечения с линией записи, прочерченной пером (карандашом). На лентах самописцев длительного действия границы суток проводятся утолщенной линией. Такой метод устранения ошибок в регистрации времени применяется в связи с тем, что невозможно установить причину изменения хода часов. В случае обнаружения неверного хода часов при величине расхождения, превышающей допустимую невязку, сразу же после снятия ленты необходимо отрегулировать часы. Если невозможно исправить ход часов с помощью регулятора, следует сообщить на станцию.
Для самописцев длительного действия с целью более обоснованного анализа разброски невязки по времени после предварительной засечки (при посещении установки самописца для снятия ленты) целесообразно оставить работать самописец еще на "запасные" сутки с целью оценки погрешности хода часов. После этого часы регулируются и при внеплановом посещении поста (через 2 - 3 дня) дается оценка результатов регулировки.
Разметка штрихами линии записи производится через равные промежутки времени или же по характерным (переломным) точкам. Допускается комбинированное применение обоих методов. Метод разметки записи по равным интервалам времени применяется при плавном и однозначном ходе уровня; метод характерных точек - в случае хода уровня с резкой сменой подъема и спада, а также при переменной интенсивности приращения уровня, при которой нанесенные через равные интервалы штрихи недостаточно полно отражают ход уровня. При плавном, но неоднозначном ходе уровня целесообразно комбинировать эти два метода.
При разметке записи по времени рекомендуется придерживаться следующих правил:
1) при суточной амплитуде колебания уровня менее 10 см штрихи наносятся на 08 и 20 ч, при амплитуде колебаний уровня от 10 до 20 см - на 02, 08, 14, 20 ч, при

амплитуде - через каждое деление ленты (от 1 до 4 ч в зависимости от масштаба времени);
2) во всех случаях разметки записи через равные интервалы времени дополнительно выделяются точки суточного максимума и минимума уровней соответственно красным и синим карандашами;
3) при разметке записи по методу характерных точек штрихи намечаются на всех пиках, впадинах и местах изменения интенсивности приращения уровней воды с таким расчетом, чтобы отрезки кривой записи между выбранными характерными точками могли быть приняты за прямые. Небольшие зубцы на линии записи при обработке срезаются.
Для выделения характерных точек используется специальная прозрачная палетка с прорезью 1,5 и 6 мм для различных масштабов записи уровня (рис. 22). В тех местах, где линия записи пересекается с краями прорези, отмечается точка перелома.
Рис. 22. Обработка лент СУВ "Валдай" с помощью палетки:
а - прозрачная палетка;
б - примеры наложения палетки на ленту
После введения поправок на время и разметки кривой записи, прочерченной пером (карандашом), определяют высоту уровня для каждого установленного при разметке ленты срока. Для этого строят слева от линии записи шкалу уровней в сантиметрах таким образом, чтобы величина уровня над нулем графика, полученная для первой контрольной засечки при установке ленты, находилась напротив соответствующего деления на шкале. Затем по шкале уровней определяют величину уровня по последней контрольной засечке (поставленной при снятии ленты) и проверяют, соответствует ли разность уровней для контрольных засечек, полученная по шкале, разности уровней, вычисленной по записям измерений на контрольном посту при наложении и снятии ленты. Если между показаниями поста и самописца есть разница, невязку разносят пропорционально времени для каждого отсчета уровня по ленте и отсчет соответственно исправляется. Если удается выяснить причину невязки, это учитывается при обработке.
Пример. Получена невязка 4 см. При просмотре ленты выявлено, что запись четкая, без разрывов, но от 16 до 24 ч при высоких уровнях имеет место ступенчатая запись (поплавок задевал за стенки колодца или поплавковый тросик касался края выреза в полу будки). Вероятно, погрешность связана с этим периодом времени, и невязка разбрасывается только для периода от 16 до 24 ч.
Уровни для каждого штриха на размеченной линии записи определяются по шкале уровней в сантиметрах над нулем графика. Если лента размечается по методу характерных точек, около каждого штриха выписывается карандашом время в часах и минутах с точностью от 5 мин до 1 ч (в зависимости от масштаба времени) по выверенной шкале времени. Величины уровня указываются с точностью от 0,5 до 4 см в зависимости от масштабов уровня.
При обработке ленты по методу характерных точек средний уровень за сутки вычисляется как средний взвешенный по формуле
где H1, H2, ..., Hn - высоты уровня в характерных точках; T1-2, T2-3, ..., T(n-1)-n - промежуток времени между соседними характерными точками.
Образец обработки записи на ленте самописца ГР-38 комбинированным способом при масштабе записи времени 1 мм/ч с разброской невязки по времени приведен на рис. 23.
Рис. 23. Образец обработки ленты самописца ГР-38
комбинированным способом
При обработке лент самописца типа 501 могут встречаться участки с обратной записью в случае внезапного резкого повышения или понижения уровня за пределы установленного диапазона измерений. Наличие таких участков определяется следующими признаками:
а) обратная запись всегда начинается от вершины пика, расположенного у верхнего края ленты;
б) соседние участки прямой и обратной записи имеют противоположную кривизну.
Если построить зеркальное изображение опускающейся после пика линии записи, получается продолжение восходящей к нему кривой. Обработка может производиться переводом обратной записи в прямую на подклеенном к ленте куске миллиметровой бумаги или суммированием ординат обратной записи, измеряемых относительно ординаты верхнего края ленты, с последней. Суммирование ординат можно также осуществлять путем построения от верхнего края ленты масштаба с обратным направлением. Образец обработки такого участка приведен на рис. 24.
Рис. 24. Образец обработки участка записи
с обратным ходом самописца типа 501
§ 65. Значения уровня воды с обработанных лент самописца переписываются в таблицу "Ежечасные уровни воды по записи самописца" (форма ТГ-11 с введением дополнительной графы "0 ч", см.
приложение 4) и в соответствии с указаниями
§ 62 вычисляется средний суточный уровень. По окончании месяца в этой таблице подсчитывается средний месячный уровень и выбираются наибольший и наименьший уровни за месяц.
§ 66. Ежедневно или периодически (для самописцев длительного действия) значение вычисленного среднего уровня за сутки наносится на график годового хода уровня (рис. 25). График вычерчивается на миллиметровой бумаге размером 41 x 29 см. На короткой стороне листа проводится вертикальная ось, по которой в зависимости от величины годового колебания уровня откладываются значения среднего суточного уровня в одном из следующих масштабов:
Рис. 25. Годовой график колебаний уровня воды
1 - дата измерения расхода воды; 2 - дата измерения расхода
взвешенных наносов; 3 - период ледостава
при колебании до 1,5 м в 1 см откладывается 5 см,
при колебании от 1,5 до 2,5 м в 1 см - 10 см,
при колебании от 2,5 до 5,0 м в 1 см - 20 см,
при колебании больше 5,0 м в 1 см - 50 см.
Внизу длинной стороны листа проводится горизонтальная ось, где откладывается время в масштабе 1 мм-1 сутки. Величины уровня в соответствующем масштабе откладываются от оси времени на вертикальных линиях миллиметровой бумаги (а не между ними) и закрепляются точками, которые затем соединяются между собой прямыми линиями.
На постах, где наблюдатель измеряет расходы воды и взвешенных наносов, на графике годового хода уровня воды в дни измерения расходов ставится черточка или флажок (см.
рис. 25) с указанием номера измеренного расхода; на график наносятся также ледовые явления.
При наличии на графике хода уровня резких скачкообразных переломов необходимо выяснить, чем они вызваны и не является ли это следствием ошибки в отсчете высоты уровня или в вычислении. Если ошибка не выявлена, наблюдатель должен произвести ватерпасовку или нивелирование сваи (рейки), чтобы проверить, не изменилось ли ее высотное положение.
По графику годового хода уровня воды прослеживаются также резкие, необычные для данного поста колебания уровня воды, возникающие в результате зажоров или заторов льда, от подпора, создаваемого временными запрудами, от попусков воды из вышерасположенных водохранилищ и т.п. В случае наличия таких резких колебаний наблюдатель должен постараться выяснить и записать в водомерную книжку причины, вызвавшие их. При отсутствии места в водомерной книжке запись о резких колебаниях уровня может быть сделана на отдельном листке, вкладываемом в книжку КГ-1.
3. НАБЛЮДЕНИЯ ЗА ПРОДОЛЬНЫМ УКЛОНОМ ВОДНОЙ ПОВЕРХНОСТИ
§ 67. На гидрологических постах I разряда по указанию станции производятся наблюдения за продольным уклоном водной поверхности.
Продольный уклон - важная характеристика гидрологического режима водотока, используемая при вычислении стока воды и во многих видах инженерных гидравлических расчетов. Величина уклона характеризует условия движения речного потока.
Наблюдения за продольным уклоном водной поверхности сводятся к измерению высоты уровня воды по двум водомерным постам, расположенным на определенном расстоянии друг от друга по течению реки.
Гидрологические посты, на которых производятся наблюдения за высотой уровня воды для определения уклона водной поверхности, называются уклонными постами: верхним и нижним (в зависимости от их расположения по течению реки).
По разности высот уровня воды на верхнем и нижнем уклонных постах определяется величина падения уровня воды на участке между постами. Путем деления полученной величины падения на расстояние по длине реки между постами вычисляется уклон водной поверхности. Уклон принято обозначать буквой
I и выражать либо в отвлеченных единицах, когда величина падения в метрах делится на величину расстояния между уклонными постами тоже в метрах, либо в промилле

(тысячных долях), которые численно равны падению уровня воды в метрах на 1 км. В большинстве случаев один из уклонных постов может одновременно являться и основным постом. Иногда основной пост оказывается расположенным между верхним и нижним уклонными постами и тогда наблюдения за высотой уровня проводятся на трех постах: основном и двух уклонных.
Устройство и уход за оборудованием уклонных постов, а также порядок производства измерений высот уровней воды на них точно такие же, какие предусмотрены в
разделе 2 для основных постов. Следует иметь в виду, что на равнинных реках, имеющих малые уклоны водной поверхности

, наблюдения за высотой уровня воды на уклонных постах необходимо вести с повышенной точностью. Для этого водомерные устройства уклонных постов должны иметь защиту от волнения. На водомерных устройствах свайного типа рекомендуется применять водомерную рейку с консервацией уровня (ГР-23).
Измерения высоты уровня воды на уклонных постах ведутся по специальной программе, составленной на станции. В нормальных условиях (при отсутствии подпорных явлений) уклоны измеряются, как правило, не более десяти раз в году. При этом следует стремиться к тому, чтобы наблюдения за уклонами были равномерно распределены по всей амплитуде колебания уровня.
На некоторых постах в период переменного подпора, паводков и зажорных (заторных) колебаний уровня наблюдения за уровнем воды на уклонных постах по указанию станции ведутся учащенно, а иногда и ежедневно в стандартные сроки так же, как и на основном посту.
§ 68. В створах некоторых уклонных постов (по указанию станции) в определенные сроки должны производиться промеры глубин (в соответствии с
§ 126 -
137), частота которых определяется станцией в зависимости от степени устойчивости русла. Промеры глубин русла должны быть произведены в основном в следующие характерные фазы режима:
- в зимнюю межень;
- при вскрытии реки, после ледохода;
- на серединах подъема и спада паводка (половодья);
- на уровнях, близких к максимальным;
- в летнюю межень;
- после прохода высоких дождевых паводков.
Записи при промерах глубин производятся в книжку КГ-63, отдельную для каждого поста (верхнего и нижнего), данные о промерах глубин в дальнейшем используются станцией при обработке наблюдений за уклонами (см.
§ 71).
§ 69. В тех случаях, когда переход наблюдателя с одного уклонного поста на другой занимает более 10 мин, измерения высоты уровня на них производятся в такой последовательности: сначала по одному уклонному посту (N 1), затем по другому (N 2), после чего наблюдатель должен возвратиться к первому посту (N 1) и повторить наблюдения. Время наблюдения на каждом посту записывается с точностью до минуты. При вычислении величины падения между постами принимается средний уровень между двумя измерениями на первом посту (N 1). При расстоянии между уклонными постами, превышающем 3 км, их рекомендуется оборудовать самописцами уровня.
§ 70. Результаты наблюдений за уровнем воды на уклонных постах записываются в "Книжке для записи наблюдений на уклонных постах" (КГ-14) по форме табл. 5.
Таблица 5
Пример записи наблюдений в книжке КГ-14
за уровнем воды на уклонных постах
Число | Часы, минуты | Верхний пост | Нижний пост | Падение, см | Уклон,  |
N сваи (рейки) | отсчет, см | над 0 графика, см | N сваи (рейки) | отсчет, см | над 0 графика, см |
6/V | 8 02 | 3 | 43 | 245 | - | - | - | | |
8 12 | | Среднее 42 | Среднее 244 | 2 | 63 | 219 | 25 | 0,52 |
8 22 | 3 | 41 | 243 | - | - | - | | |
6/V | 20 01 | 3 | 49 | 251 | - | - | - | | |
20 13 | | Среднее 48 | Среднее 250 | 2 | 67 | 223 | 27 | 0,56 |
20 25 | 3 | 48 | 250 | - | - | - | - | |
Пример заполнения книжки приведен для случая, когда посты расположены далеко друг от друга и наблюдателю приходится измерять высоту уровня на одном из уклонных постов в каждый срок дважды.
При малом расстоянии между постами, когда измерения высоты уровня на обоих уклонных постах производятся в каждый срок только по одному разу, в книжке заполняется за каждый срок одна строка.
В тех случаях, когда основной пост одновременно является и уклонным, результаты наблюдений за каждый срок по этому посту записываются сразу в двух книжках: КГ-1 и КГ-14.
ОБРАБОТКА НАБЛЮДЕНИЙ НА УКЛОННЫХ ПОСТАХ
§ 71. Обработка результатов измерения уровня воды на уклонных постах заключается в приводке отсчетов к нулю графика и в вычислении величины падения и уклона водной поверхности (см.
табл. 5).
Приводка к нулю графика производится в соответствии с указаниями
§ 60.
Отметки нуля графика у обоих постов назначаются, как правило, одинаковые.
В тех случаях, когда по одному из уклонных постов в каждый срок высота уровня измеряется дважды, средний уровень вычисляется как среднее арифметическое из двух измерений.
Если уклонные посты оборудованы самописцами уровня (см.
§ 69), для вычисления уклона водной поверхности в сроки, указанные станцией, высоты уровня воды снимаются с лент соответствующих самописцев (для одного и того же момента времени для верхнего и нижнего уклонных постов). Дальнейший ход обработки такой же, как и для обычных свайных или реечных постов.
Величина падения вычисляется путем вычитания из значения уровня над нулем графика по верхнему посту соответствующего значения уровня по нижнему посту.
Величина уклона определяется по заранее составленной таблице, где по вычисленной величине падения сразу находится значение уклона водной поверхности в промилле.
§ 72. В состав обработки наблюдений за уклонами входит также введение поправки в величину измеренного уклона на неравномерность движения потока на участке измерения уклона. Поправка вычисляется специалистами станции в соответствии с Методическими указаниями УГМС, N 81. Для выполнения этой работы наблюдатель поста в определенные станцией сроки должен высылать копии книжки КГ-63 с данными промеров глубин на створах уклонных постов.
4. НАБЛЮДЕНИЯ ЗА ТЕМПЕРАТУРОЙ ВОДЫ
ПРОИЗВОДСТВО НАБЛЮДЕНИЙ ЗА ТЕМПЕРАТУРОЙ ВОДЫ
§ 73. Место для производства наблюдений за температурой воды указывается наблюдателю специалистом станции. Температура воды измеряется два раза в сутки в основные сроки водомерных наблюдений (в 08 и 20 ч).
Обычно температура воды измеряется в створе или вблизи гидрологического поста в прибрежной, обязательно проточной полосе реки на таком расстоянии от берега, чтобы глубина была не менее 0,3 - 0,5 м.
На малых реках и реках с отмелыми берегами измерения производятся на стрежне реки в самом глубоком, но не застойном месте.
При измерении температуры воды в прибрежной полосе по мере падения уровня место измерения может постепенно передвигаться ближе к середине реки, а при повышении уровня - к берегу; место, выбранное на стрежне, остается в течение всего сезона наблюдений постоянным. При отсутствии стока, когда река превращается в ряд разобщенных между собой плесов-водоемов, температура измеряется в одном наиболее крупном плесе (по указанию станции). В некоторых случаях (по указанию станции) наблюдения за температурой воды в плесе на все время отсутствия стока прекращаются.
Для решения вопроса о том, насколько температура воды вблизи берега соответствует температуре на стрежне, по особому заданию станции в течение некоторого времени температура измеряется одновременно в двух местах: у берега и на стрежне.
О всех случаях выявления выше места наблюдений новых или ранее неизвестных сбросов промышленных, оросительных, канализационных и других вод с температурой, отличной от температуры воды в реке, наблюдатель должен записать в водомерную книжку и сразу же сообщить на станцию.
§ 74. Измерения температуры воды начинаются весной еще при ледоставе, с наступлением оттепелей. В это время температура воды обычно бывает близка к точке ее замерзания (0 °C). Осенью, с наступлением ледостава, после 3 - 5 суток измерений подо льдом наблюдения за температурой воды прекращаются. Если зимой наступают длительные оттепели, сопровождаемые паводками, измерения температуры воды в это время должны самостоятельно возобновляться наблюдателем и вестись опять вплоть до ледостава.
В районах с неустойчивым ледоставом, неоднократно прерываемым вскрытиями, наблюдения за температурой воды ведутся в течение круглого года непрерывно.
По указанию станции на некоторых реках наблюдения за температурой воды производятся и в зимний период (при ледоставе) в определенные станцией сроки.
§ 75. Для измерения температуры воды применяются водные термометры в металлической оправе (рис. 26) и микротермометры
(рис. 27).
Рис. 26. Водный термометр в оправе:
1 - стаканчик с отверстиями; 2 - оправа; 3 - шкала
У обычных водных термометров шкала имеет деления через 0,2 °C, что позволяет производить отсчеты с точностью до 0,1°. Для измерения температуры воды в переходные периоды - осенью и весной, - когда температура воды бывает близка к нулю, на некоторых гидрологических постах, расположенных на реках с большой шугоносностью, применяются специальные микротермометры со шкалой, рассчитанной на измерение температуры от -0,8 до 1,2 °C с делениями через 0,01°. Периоды времени, в течение которых следует производить наблюдения с помощью микротермометра, и сроки наблюдений назначаются станцией.
Оправа водного термометра
2 (см.
рис. 26) состоит из двух трубок с продольными прорезями, вставленных одна в другую. В нижней своей части она имеет стаканчик
1 с отверстиями в стенках. Трубки оправы служат для предохранения шкалы термометра
3 от повреждения. При погружении термометра в воду наружная трубка должна быть повернута так, чтобы шкала термометра была закрыта, а при снятии отсчетов трубка поворачивается так, чтобы прорези их совпали и шкалу можно было видеть на просвет. Стаканчик оправы при опускании термометра в воду наполняется водой, которая остается в нем при подъеме и способствует сохранению термометром той температуры, которую он имел на глубине.
С термометрами следует обращаться очень осторожно, оберегая их от ударов и сотрясений. Переносить и хранить их следует в вертикальном положении. Нельзя держать термометры вблизи источников тепла; их следует также затенять от прямых лучей солнца.
§ 76. Наблюдения за температурой воды водными термометрами производится в следующем порядке:
1) перед тем как приступить к измерению температуры, наблюдатель должен осмотреть термометр и убедиться в том, что столбик ртути не имеет разрывов.
Разрыв столбика можно устранить у обычного термометра легким встряхиванием, а у микротермометра - согреванием его в руке. Подогревать термометры иным путем категорически запрещается. Если разрыв столбика устранить не удается, такой термометр признается негодным и заменяется запасным. О негодности термометра немедленно сообщается на станцию, а также делается запись в книжке КГ-1.
2) Термометр опускается в воду на бечевке в отвесном положении так, чтобы стаканчик оправы термометра находился на глубине 0,3 - 0,5 м от поверхности воды. Верхний конец бечевки подвязывается к перилам мостика, подмосткам, борту лодки и т.п. При необходимости измерить температуру воды на малых глубинах (меньше 10 - 15 см) термометр опускается в горизонтальном положении в понижение дна (на проточном месте) на небольшие деревянные вилки-рогатки так, чтобы трубка оправы не касалась дна.
3) Термометр выдерживается в воде не менее 5 - 8 мин. В это время наблюдатель может выполнять другие виды наблюдений: измерить высоту уровня, обследовать обстановку на участке поста и др.
4) При извлечении из воды и при отсчете термометр следует держать отвесно, чтобы из стаканчика оправы не вылилась вода. Немедленно после извлечения термометра из воды поворачивается трубка, прикрывающая прорезь, и быстро делается отсчет. У обычного водного термометра сначала замечаются десятые доли градуса, а потом целые градусы.
В темное время суток шкалу у термометра следует освещать фонарем сзади, на просвет, держа его возможно дальше, чтобы тепло от фонаря не повлияло на показания термометра.
§ 77. Запись отсчетов температуры воды производится в книжке КГ-1 в графе 8 по обычному водному термометру с точностью до 0,1°, а по микротермометру с точностью до 0,01°.
§ 78. Для измерения температуры воды, наряду с ртутными термометрами, находят применение электрические термометры сопротивления. Электротермометр ГР-41М (рис. 28) применяется для измерения температуры воды в реках в безледный период, а микроэлектротермометр ГР-51 - в переходные периоды при температуре воды, близкой к нулю. Электротермометры ГР-41М и ГР-51 целесообразно применять в тех случаях, когда в реке можно ожидать изменения температуры по ширине и глубине (при больших глубинах и слабом течении). Поэтому при параллельных наблюдениях за температурой воды на середине реки и у берега, которые выполняются при открытии поста с целью убедиться, однородна ли температура по всему сечению и можно ли измерять температуру только у берега, желательно пользоваться электротермометром.
Рис. 28. Электротермометр ГР-41М (общий вид)
При наличии на посту микроэлектротермометра и ртутного микротермометра предпочтение следует отдать первому, так как он дает более высокую точность. Наблюдения за температурой воды при помощи электротермометров производятся по инструкции, прилагаемой к прибору после инструктажа наблюдателя специалистом станции.
ОБРАБОТКА РЕЗУЛЬТАТОВ НАБЛЮДЕНИЙ ЗА ТЕМПЕРАТУРОЙ ВОДЫ
§ 79. Обработка результатов измерений температуры воды состоит из введения инструментальных поправок в отсчеты по термометру при температуре воды ниже 2 °C и вычисления средних значений температуры воды за сутки, декаду и месяц. Инструментальные поправки выписываются в соответствующую табличку книжки КГ-1 согласно выписке из свидетельства о последней поверке термометра, высылаемой со станции вместе с термометром.
Пример заполнения приведен в табл. 6.
Таблица 6
Пример записи инструментальной поправки в книжке КГ-1
Термометры и период их действия в месяце | Номер | Дата последней поверки | Температура воды | Поправка |
заводской | последней поверки | от | до |
В течение всего месяца | 5354 | 3891 | 15/VIII 1965 г. | 1,9 0,5 | 0,6 -3,5 | -0,1 +0,1 |
При температуре воды ниже 2 °C в записанные отсчеты по термометру поправки вводятся ежедневно. Поправки со знаком плюс прибавляются к отсчету, а со знаком минус - вычитаются.
Пример. 1. Записанный отсчет температуры .................. 1,7°
Поправка при температуре от 1,9 до 0,6 °C ..... -0,1°
Исправленная температура ....................... 1,6°
2. Записанный отсчет температуры .................. 0,2°
Поправка при температуре от 0,6 до -1,2 °C .... +0,1°
Исправленная температура ....................... 0,3°
Исправленные значения температуры записываются в графу "Исправленная температура". При температуре 2 °C и выше поправки в показания термометра не вводятся.
§ 80. Средняя температура за сутки вычисляется как среднее арифметическое из значений температуры за 08 и 20 ч и вписывается в соответствующую графу книжки КГ-1.
В случае пропуска измерения температуры воды в один из сроков средняя температура за данные сутки не вычисляется.
§ 81. Средняя декадная температура воды вычисляется делением суммы значений средней суточной температуры воды за все дни декады на число дней в декаде и записывается в соответствующую графу выводов в конце полевой книжки. В тех случаях, когда средняя суточная температура не вычислена в течение декады более чем за двое суток (по тем или иным причинам), средняя температура за данную декаду не вычисляется; в соответствующей графе выводов ставится знак тире (-). При вычислении средней декадной температуры за неполную декаду, т.е. за 8 или 9 дней, когда в месяце 28 и 29 дней, а также за декаду, содержащую 11 дней (если в месяце 31 день), полученная сумма соответственно делится на 8, 9 или 11.
Если сумма средних значений температуры воды за декаду получается равной 0,5 °C и меньше, средняя температура за данную декаду принимается равной нулю.
При пересыхании реки в створе поста в течение трех и более суток в декаде вместо среднего значения температуры воды за данную декаду ставится "прсх".
§ 82. По окончании месяца делением суммы средних декадных значений температуры воды на три (число декад в месяце) вычисляется средняя температура за месяц. Средние месячные значения температуры воды вычисляются только при наличии данных за все три декады. Если хотя бы за одну из декад среднее значение средней суточной температуры воды не вычислено, то и среднее месячное ее значение не вычисляется. Затем из всех значений температуры за отдельные сроки выбирается наибольшая температура за месяц и подчеркивается красным карандашом.
Вычисленные средние декадные и месячные значения температуры воды и наибольшее ее значение за месяц записываются в табличку в конце раздела записи срочных наблюдений температуры воды.
§ 83. Сведения о суточных суммах осадков на постах, где производятся наблюдения за осадками, переписываются в книжку КГ-1 из таблицы ТМ-8.
Если наблюдения за осадками по осадкомеру на посту не производятся, в книжке КГ-1 записываются результаты визуальных наблюдений с указанием вида осадков (Д - дождь, С - снег) и их интенсивности в баллах (1 - слабый, 2 - средний, 3 - сильный). Например, Д3 означает сильный дождь.
5. НАБЛЮДЕНИЯ ЗА ЛЕДОВЫМИ ЯВЛЕНИЯМИ И ТОЛЩИНОЙ ЛЬДА
§ 84. На реках Советского Союза в зимний период появляются ледяные образования в виде заберегов, сала, шуги, ледяного покрова и т.д. и развиваются ледовые явления (ледоход, шугоход, ледостав и т.п.), существенно изменяющие условия работы речного транспорта, переправ, гидростанций и других сфер хозяйственной деятельности.
Ледяной покров создает дополнительное сопротивление движению потока, вызывая изменение уклонов водной поверхности и повышение зимнего уровня воды, не связанное с увеличением водности. Скопления подо льдом масс шуги, образуя зажоры, вызывают резкие колебания уровня воды, которые нередко являются причиной зимних наводнений. Образование и скопление внутриводного льда на решетках гидроэлектростанций и водозаборов систем водоснабжения часто нарушают нормальную их работу. С появлением льда, как правило, навигация на реках прекращается. Продление навигации в период с ледовыми явлениями связано со значительными трудностями и материальными затратами. В зависимости от толщины льда определяется возможность создания каналов в ледяном покрове для прохода судов, а также возможность устройства дорог и переправ на льду.
В период ледохода, особенно весеннего, массы льда оказывают воздействие на гидротехнические сооружения, могут повреждать и сносить мосты, разрушать укрепления берегов. Заторы льда нередко вызывают катастрофические подъемы уровня воды, в результате чего наносится большой ущерб народному хозяйству. Все это вызывает необходимость постановки наблюдений за ледовыми явлениями и ледяными образованиями на постах.
НАБЛЮДЕНИЯ ЗА ЛЕДОВЫМИ ЯВЛЕНИЯМИ
§ 85. Границы и размеры участка реки, в пределах которого должны производиться наблюдения за ледовыми явлениями, назначаются специалистом станции. Длина участка должна быть не меньше 3-кратной ширины реки. Для наблюдений выбирается постоянное возвышенное место на берегу реки, желательно в середине участка, с которого хорошо просматривается река выше и ниже поста.
Наблюдения за ледовыми явлениями производятся, как правило, в сроки наблюдений за уровнем воды. При резком изменении ледовой обстановки между сроками следует сделать дополнительную запись, указав время и причины, вызвавшие это изменение (подъем уровня воды, ветер, взрывные или ледокольные работы и т.д.). Если условия видимости в срок наблюдений были плохими (туман, снегопад, метель), наблюдения следует произвести во время хорошей видимости. В отдельных случаях (по указанию станции) наблюдения за ледовыми явлениями производятся в светлое время суток (вместо 20-часового срока).
Характеристика ледового состояния реки указывается в графе примечаний книжки КГ-1, например: "ледоход", "ледостав" и т.д. Запись ведется с момента появления на реке ледяных образований до их полного исчезновения. Сроки начала и конца наблюдений указываются в задании станции, выдаваемом наблюдателю. Если в этот период ледовых явлений и ледяных образований не было, в каждый срок наблюдений это отмечается записью "чисто", а при их отсутствии в течение целого месяца - подтверждается соответствующей записью на последней странице книжки, например: "1 - 31/X ледовых явлений и ледяных образований не было".
Ледостав отмечается в графе примечаний книжки ежедневно в течение первых 10 дней. В дальнейшем наличие ледостава подтверждается только на последней странице книжки словами: "До конца месяца (или в течение всего месяца) - ледостав".
§ 86. При характеристике ледового состояния реки и выполнении соответствующих записей наблюдатель должен руководствоваться приводимой ниже терминологией ледовых явлений и ледяных образований.
Забереги - полосы льда, смерзшиеся с берегами рек при незамерзшей основной части водного пространства. Различают три вида заберегов: первичные, образующиеся путем замерзания воды у берегов; наносные, возникающие в результате примерзания к берегу льда и шуги во время ледохода или дрейфа льда; остаточные, которые сохраняются у берегов весной при разрушении ледяного покрова.
Сало - поверхностные первичные ледяные образования, состоящие из иглообразных и пластинчатых, слабо связанных между собой кристаллов льда, по внешнему виду напоминающие пятна застывшего жира (отсюда и название) и превращающиеся по мере нарастания в тонкие ледяные пленки. Образуется в поверхностном переохлажденном (т.е. имеющем температуру ниже нуля) слое воды. Наблюдается с наступлением отрицательных температур воздуха.
Внутриводный (глубинный и донный) лед - различные ледяные кристаллы (пластинчатые, круглые, чечевицеобразные и др.) или скопления их в виде губчатой непрозрачной массы, находящиеся в толще воды, на подводных предметах (глубинный лед) или на дне (донный лед) - образуется при переохлаждении воды и интенсивном ее перемешивании при открытой водной поверхности в предледоставный период и зимой в полыньях. Всплывая со дна на поверхность воды, внутриводный лед имеет вид снежно-белых комьев различной формы и часто содержит включение ила, песка и гальки. На мелких местах донный лед хорошо виден под водой.
Шуга - скопления внутриводного льда как подвижные в виде комьев, венков, ковров, так и неподвижные - подледные отложения. В этих скоплениях часто содержатся различные формы поверхностного льда: сало, мелкобитый лед, снежура.
Шугоход - движение шуги по поверхности или внутри водного потока. Иногда с течением времени отдельные комья смерзаются, образуя шуговые поля, вследствие чего шугоход становится трудно отличить от ледохода.
Ледоход (осенний) - движение льдин и ледяных полей на реках.
Зажор льда - скопления шуги и мелкобитого льда в русле реки, вызывающие стеснение живого сечения и подъем уровня воды. Ниже зажора наблюдается спад уровня. Как правило, зажоры образуются на шугоносных реках и в нижних бьефах ГЭС при формировании ледяного покрова, а также при ледоставе ниже полыней, являющихся очагами образования шуги. На некоторых реках зажорное состояние может наблюдаться в течение всей зимы.
Снежура - плавающие в воде комковатые скопления снега в виде рыхлой, вязкой массы. Образуется в результате обильных снегопадов на охлажденную водную поверхность.
Блинчатый лед - льдины округлой формы диаметром от 0,5 до 3 м, имеющие по краям валик из измельченного льда. Образуется при смерзании сала, шуги и мелких льдин.
Битый лед - плавающие льдины неправильной формы. Различают крупнобитый (льдины от 20 до 100 м в поперечнике), мелкобитый (льдины размером от 2 до 20 м) лед и куски льда размером от 0,5 до 2 м.
Ледяная каша - скопление мелкораздробленного льда (размером до 0,5 м) с включениями снежуры, сала, шуги. Образуется преимущественно на больших и средних реках в период ледохода и подвижек между битым льдом и ледяными полями, а у берегов - от разрушения краев льдин и заберегов.
Ледяные поля - льдины размером более 100 м. Различают малые ледяные поля с наибольшим размером от 100 до 500 м и большие ледяные поля - более 500 м.
Ледяные валы - ледяные образования в виде гряд, сложенных из шуги и битого льда. Образуются в период осеннего ледохода вдоль берегов реки с быстрым течением. Высота валов достигает 1 м, при этом река течет как бы в ледяных берегах.
Ледяная перемычка - короткий участок ледяного покрова на реке, образующийся в местах смыкания заберегов или вследствие остановки и смерзания плывущих льдин и шуги.
Кромка ледяного покрова - граница ледяного покрова и открытой водной поверхности. Ниже гидроэлектростанции кромка ледяного покрова в течение зимы перемещается вверх и вниз по течению в зависимости от режима работы ГЭС и погодных условий.
Пятры - скопление донного льда, прочно скрепленное с дном реки и достигшее водной поверхности; часто имеет грибовидную форму.
Ледостав - фаза ледового режима реки, характеризующаяся наличием ледяного покрова.
Торосы - нагромождения льдин на ледяном покрове, образующиеся в результате подвижек и сжатия ледяного покрова. Наблюдателем отмечается распространение торосов: сплошь или местами, примерная высота.
Ледяной мост (нависший лед) - участок ледяного покрова реки, отделившийся от водной поверхности при понижении уровня воды и опирающийся на берега. Образуется вследствие резкого падения уровня при ледоставе. Наблюдателем отмечается величина превышения нижней поверхности ледяного покрова над водой (при измерении толщины льда).
Полынья - пространство с открытой водной поверхностью в ледяном покрове. Наблюдается в местах с быстрым течением, в местах выхода грунтовых вод, нижних бьефах гидроэлектростанций, в местах сброса теплых вод промышленных предприятий и в истоках рек. В период ледостава размеры полыньи увеличиваются или уменьшаются в зависимости от гидрометеорологических условий. Наблюдателем указываются примерные размеры полыней (ширина и длина в метрах).
Трещины - разрывы в ледяном покрове, образующиеся под влиянием колебаний температур воздуха и уровня воды, подвижек и других причин. Различают поверхностные сухие трещины и сквозные, заполненные водой. Наблюдатель отмечает распространение трещин (единичные или в большом количестве) и их направление (вдоль или поперек реки).
Наледь - ледяное образование, возникающее в результате выхода воды на поверхность льда и ее замерзания вследствие стеснения водного сечения нарастающим ледяным покровом и промерзания русла на мелких местах. В некоторых случаях наледь образуется при выходе грунтовых вод со склонов берегов на поверхность ледяного покрова.
Река промерзла до дна - все сечение реки до дна заполнено сплошным льдом. Промерзание до дна первоначально наблюдается на более мелких участках реки и обычно является результатом прекращения поверхностного руслового стока воды вследствие уменьшения или полного истощения грунтового питания.
Шуговая дорожка - часть ледяного покрова, образовавшегося из смерзшейся шуги в виде продольной полосы между заберегами. Лед шуговой дорожки обычно торосистый. Наблюдателем отмечается средняя ширина шуговой дорожки в метрах.
Осевший лед - участок ледяного покрова вблизи берега или на мелководье, осевший на дно при снижении уровня воды.
Снежница - вода на льду, образующаяся в результате таяния снега при длительных оттепелях.
Наслоенный лед - двухслойные и многослойные льдины, образующиеся при надвигании льдин друг на друга под действием сжатий и давления. Многослойные льдины достигают толщины 2 - 3 м и более.
Закраины - полосы открытой воды вдоль берегов, образующиеся перед вскрытием в результате таяния льда, повышения уровня воды, а также вследствие усилившегося притока грунтовых вод.
Вода на льду - скопления стоячей воды на льду, образующиеся во время оттепелей от таяния снега на льду, от стока талой воды или за счет воды, выступившей из-под ледяного покрова. Указывается, какая часть ширины реки покрыта водой, сплошь или местами, и примерная толщина слоя воды.
Вода течет поверх льда - поток воды на ледяном покрове вдоль берегов или по всей ширине. Явление, характерное для промерзающих рек; имеет место при наледях, во время оттепелей и перед вскрытием. Наблюдатель отмечает, откуда поступает вода и на каком расстоянии по длине реки протекает. На постах I разряда необходимо ежедневно учитывать расход воды потока на ледяном покрове, для чего следует измерять его ширину, глубину и скорость течения (поверхностными поплавками).
Лед потемнел - изменение цвета ледяного покрова перед вскрытием после того, как снег на льду растаял.
Лед подняло - всплывание и отделение от берегов ледяного покрова без разламывания при повышении уровня воды. Если лед подняло без отрыва от берегов, явление отмечается термином "лед вспучило".
Подвижка льда - небольшие перемещения ледяного покрова на отдельных участках реки, происходящие под действием течения, ветра, а также из-за подъема уровня. Подвижек бывает одна или несколько. Наблюдается в период вскрытия, а также в период замерзания.
Затор льда - нагромождение льдин в русле реки, вызывающее стеснение живого сечения и подъем уровня воды. Образуется преимущественно во время весеннего ледохода; осенние и зимние заторы наблюдаются сравнительно редко.
Лед растаял на месте - река очистилась ото льда без ледохода. Наблюдается чаще всего на небольших реках.
Чисто - состояние водной поверхности реки после освобождения от ледяных образований (оставшиеся на берегах навалы льда во внимание не принимаются).
Наслуд - лед, образующийся при замерзании талой воды на ледяном покрове после оттепели.
Разводье - пространство открытой воды в ледяном покрове, образующееся в результате подвижек льда. Отличается от трещин значительно большей шириной.
Остаточные забереги - полосы неподвижного льда, оставшиеся у берегов весной при разрушении ледяного покрова.
Навалы льда - нагромождения льдин, часто в виде валов на берегах и в пойме реки, образовавшиеся во время весеннего ледохода. Достигают особенно больших размеров в местах бывших заторов льда. Наблюдатель отмечает в дневнике высоту и ширину навалов и протяженность по берегу.
§ 87. При ледоходе (шугоходе) оценивается визуально степень покрытия плывущими льдинами поверхности реки в пространстве между заберегами. Если льдины плывут полосой, определяется ее ширина в десятых долях от ширины реки между заберегами и густота ледохода на полосе. За нуль густоты принимается чистая поверхность воды, а за единицу - сплошное покрытие ледяными образованиями. В книжку записывается доля ширины реки (полосы), занятая плывущим льдом, а затем после знака умножения густота ледохода (шугохода) на этой полосе.
Пример. Запись "ледоход 0,3 x 0,8" означает, что ледоход наблюдался только 3/10 на ширины реки, а остальная часть реки была свободна ото льда. Густота ледохода на полосе 0,8, т.е. 8/10 полосы было занято льдом, а 2/10 водой. Запись "ледоход 1 x 0,3" означает, что ледоход наблюдается по всей ширине реки и льдинами занято 3/10 поверхности реки.
Произведение доли ширины реки, занятой ледоходом, на густоту ледохода на полосе - коэффициент ледохода (шугохода) - характеризует степень покрытия реки плывущим льдом. Коэффициент ледохода (шугохода) используется при вычислении расходов льда (шуги).
В тех случаях, когда плывущий лед или шуга распределены неравномерно по ширине реки, наблюдатель должен визуально выделить полосы с одинаковой густотой ледохода (шугохода) и оценить в десятых долях, какую часть ширины реки занимает каждая полоса, а затем определить густоту ледохода (шугохода) на каждой полосе. В книжку записывается ширина и густота ледохода каждой полосы.
Пример. Запись "ледоход 0,3 x 0,8; 0,2 x 0,5; 0,1 x 0,1" означает, что на 3/10 ширины реки наблюдается ледоход густотой 0,8 на 2/10 ширины реки - густотой 0,5 и на 1/10 густотой 0,1, а остальная часть реки (4/10) была свободна ото льда.
В этом случае коэффициент ледохода определяется суммой произведений значений доли ширины реки, занимаемой полосой, на соответствующую густоту, т.е. в приведенном примере он будет равен 0,24 + 0,10 + 0,01 = 0,35.
При ширине реки в период наблюдений менее 25 м разбивка на полосы при неравномерном ледоходе (шугоходе) не производится и отмечается только густота ледохода (шугохода).
В книжку записывается также характеристика ледохода в баллах по 11-балльной системе. За нуль принимается свободная ото льда поверхность реки, за 10 баллов - сплошь покрытая льдом. Один балл соответствует 0,1 коэффициента ледохода, т.е. 1 балл - 0,1, 2 балла - 0,2, 3 балла - 0,3 и т.д. Окончательная запись приведенных примеров в книжке должна быть следующей: а) 0,3 x 0,8, (2 балла); б) 1 x 0,3 (3 балла); в) 0,3 x 0,8; 0,2 x 0,5; 0,1 x 0,1 (4 балла). Характеристика ледохода в баллах применяется при составлении картограмм, информационных сообщений, прогнозов и т.д.
§ 88. На зарегулированных реках, вблизи гидроэлектростанций и других гидротехнических сооружений, ледовый режим имеет некоторые особенности. Так, резкое уменьшение скоростей течения воды при переходе реки от неподпертого (естественного) состояния на вышележащем участке к зоне влияния подпора от нижерасположенной плотины (водохранилища) способствует образованию зажоров и заторов льда. В результате работы ГЭС при переменных расходах и выпуске из водохранилища более теплой воды ниже плотины происходит частичное вскрытие реки и наблюдаются зажорно-заторные явления. Значительные колебания уровня воды в нижнем бьефе плотин вызывают образование береговых продольных трещин в ледяном покрове.
При наблюдениях и записи ледовой обстановки наблюдатели постов должны руководствоваться общей терминологией ледовых явлений, приведенной в
§ 86.
При смене ледовой обстановки, связанной с режимом работы сооружения, наблюдатель, по возможности, дополнительно указывает причины образования тех или иных ледовых явлений.
Пример. "15/II, 12 ч. Вода поверх льда от сброса воды через плотину (ГЭС). При замерзании образовался новый слой льда в 3 - 5 см".
§ 89. В случаях необходимости отметить более подробно изменение ледовой обстановки между сроками наблюдений в результате природных или искусственно созданных условий; запись ведется в дневнике, подшиваемом к водомерной книжке КГ-1 за данный месяц, в хронологическом порядке с указанием даты и срока наблюдений.
Пример. 8/IV, 22 ч. Вдоль правого берега на участке поста вода течет поверх льда. Ширина потока 10 - 12 м, глубина 5 - 7 см, скорость примерно 0,2 м/с. Прекратилась переправа автотранспорта.
9/IV, 08 ч. Полынья выше водпоста за ночь увеличилась по ширине до 30 - 40 м, по длине до 100 м и доходит почти до створа поста.
16 ч. Уровень упал на 10 см. Причиной является, по-видимому, затор льда, который образовался (со слов местных жителей) у о. Хилова в 4,5 км выше поста. В 800 м ниже поста река свободна ото льда по всей ширине.
20 ч. Полынья распространилась на 0,5 км ниже поста. С 18 ч идет дождь и мокрый снег. Лед у берега слабый.
22 ч. Река на участке выше и ниже поста вскрылась; ледоход 1 x 0,4. Лед преимущественно мелкобитый. Изредка проплывают более крупные льдины размером до 50 x 20 м. Забереги постепенно разрушаются и лед уносится течением.
§ 90. При резком колебании уровня воды в дни, когда есть основание предполагать, что это колебание вызвано не изменением водности реки, а ледовыми явлениями (образованием или прорывом затора выше или ниже поста, образованием зажора, перемещением кромки льда и т.п.), наблюдения (обследование) ледовой обстановки производятся на большем протяжении, чем участок поста (длина участка указывается в задании, выдаваемом станцией).
В результате обследования наблюдатель должен выявить причину, вызвавшую это резкое изменение уровня. При значительном протяжении участка (более 4 - 5 км) сведения о причине могут быть собраны наблюдателем по опросу жителей (эти сведения записываются в дневнике).
Если ледовые явления по длине участка разнообразны и описать их с достаточной полнотой в дневнике затруднительно, наблюдатель дополнительно составляет картограмму ледовой обстановки на бланке плана участка реки, пользуясь условными знаками (рис. 29). Такие бланки станция высылает наблюдателю заранее.
Рис. 29. Условные знаки для картирования ледовой обстановки:
Цифры в кружке - количество баллов ледяных образований
1 - забереги; 2 - снежура; 3 - сало; 4 - шуга; 5 - блинчатый
лед; 6 - пятры; 7 - льдины 0,5 - 2 м; 8 - льдины 3 - 20 м;
9 - льдины 25 - 100 м; 10 - ледяные поля 100 - 500 м;
11 - ледяные поля свыше 500 м; 12 - ледяная каша;
13 - торос; 14 - лед неопределенной формы; 15 - редкий
шугоход; 16 - средний шугоход; 17 - сплошной шугоход;
18 - редкий ледоход; 19 - средний ледоход; 20 - сплошной
ледоход; 21 - ледяная перемычка; 22 - кромка льда;
23 - зажор или затор; 24 - ледяной покров; 25 - полынья;
26 - гряда торосов; 27 - наледь; 28 - река промерзла до дна;
29 - трещина во льду; 30 - снежница; 31 - наслуд; 32 - вода
на льду; 33 - вода течет поверх льда; 34 - закраина;
35 - подвижка; 36 - разводье; 37 - навалы льда на берегу;
38 - чисто; 39 - проезжая дорога на ледяном покрове;
40 - направление течения
Картограммы составляются относительно ориентиров, нанесенных на бланке (отдельно стоящие здания на берегу, деревья, мосты, устья ручьев, специально поставленные вехи и пр.). Положение ориентиров на местности заранее указывается наблюдателю.
Картограммы не следует составлять при однообразной ледовой обстановке на участке поста, когда она может быть описана словами в дневнике ледовых явлений.
В случае сложной ледовой обстановки картограмма сопровождается пояснениями непосредственно на бланке или на отдельном листке.
На каждой картограмме указывается дата и часы картирования ледовой обстановки, высота уровня воды на основном посту, а также записываются все дополнительные сведения о состоянии реки, которые наблюдатель считает нужным отметить. Пример картограммы приведен на рис. 30.
Примечание. Лед на участках сплошного ледяного покрова темный и рыхлый. Затор льда ниже водпоста образовался в ночь на 14/IV; имеет протяженность около 130 м с нагромождениями льда высотой до 2 м
Рис. 30. Образец картограммы ледовой обстановки на участке
реки. При составлении картограммы применяются условные
обозначения, приведенные на
рис. 29
Составленные картограммы представляются на станцию вместе с водомерной книжкой.
§ 91. Толщина льда измеряется в двух местах: у берега и на середине реки обычно в створе поста или в другом постоянном месте по указанию специалиста станции. Измерение у берега следует производить там, где глубина воды в реке составляет, как правило, не менее 1,5 - 2,0 м и где не происходит промерзания реки до дна в самые суровые зимы. Если ширина реки превышает 200 м, толщина льда измеряется на расстоянии не менее 100 м от берега.
Измерения толщины льда начинаются с момента, когда выход на лед становится безопасным (см.
§ 169). При толщине льда менее 30 см и в период таяния измерения производятся 5, 10, 15, 20, 25-го числа и в последний день месяца, а при толщине льда более 30 см - 10, 20-го и в последний день месяца. Более редкие измерения толщины льда могут производиться только по указанию УГМС (ГМО). Ледомерные работы выполняются в светлое время суток.
§ 92. Данные измерений толщины льда должны характеризовать примерно среднюю толщину льда на большом протяжении реки в районе поста, поэтому измерения не должны назначаться в тех местах, где лед значительно тоньше или толще, чем по всей длине участка (например, около полыней, на отмелых местах, вблизи выхода грунтовых вод, вблизи от проезжих дорог через реку и т.п.). Соблюдение этих условий дополнительно проверяется станцией путем проведения ледомерных съемок на участке поста. Если после проведения ледомерной съемки выясняется, что намеченное ранее постоянное место измерений толщины льда почему-либо оказывается непригодным, специалист станции выбирает новое место и указывает его наблюдателю в задании.
§ 93. Измерения толщины льда на больших и средних реках шириной более 25 м ведутся в начальный период в каждом месте в трех скважинах (лунках). Скважины размещаются (в плане) в вершинах равностороннего треугольника, одна из которых находится в створе поста или другом выбранном для наблюдений створе, а две других - выше и ниже его на расстоянии 5 - 10 м. После того как лед достигнет толщины 70 см, а также, если в течение первого месяца наблюдений расхождение в толщинах льда, измеренных в трех скважинах, не превышает 10%, наблюдения могут продолжаться до вскрытия реки лишь в одной скважине (лунке).
На малых реках, имеющих при ледоставе ширину менее 25 м, толщина льда измеряется на середине реки в одной скважине.
На промерзающих реках при расположении поста в плесе и при наличии промерзающего перекатного участка на расстоянии не свыше 1,5 - 2,0 км от поста, измерения толщины льда организуются (по указанию специалиста станции) одновременно в двух местах: на плесовом участке и на гребне переката.
§ 94. Скважины в ледяном покрове просверливаются ледовыми бурами ГР-7 или ПИ-8, лунки пробиваются пешнями разных конструкций. Для удаления осколков льда и ледяной стружки из лунок и отверстий используется лопата или сачок из проволочной сетки.
Ледовый бур ГР-7 (рис. 31) состоит из стального сверла и коловорота с двумя ручками. Длина сверла стандартного бура 120 или 180 см, диаметр 70 мм. Режущие грани сверла заточены и закалены, угол между ними составляет 130°. Нижние плоскости режущих граней заточены по отношению к просверливаемой буром плоскости под углом 20°. Для проверки углов заточки режущих граней сверла к буру прилагается шаблон.
Рис. 31. Ледовый бур ГР-7:
1 - сверло; 2 - коловорот
Ледовый кольцевой бур ПИ-8 (рис. 32) состоит из стального кольца с резцом, штока и коловорота с двумя ручками. Конструкция режущей части позволяет просверливать отверстия в ледяном покрове толщиной до 2 м и отбирать при этом образцы льда (керны) для изучения строения ледяного покрова. Кольца к буру изготавливаются разных диаметров: 120, 180, 210, 310 мм.
Рис. 32. Ледовый бур ПИ-8:
1 - резец; 2 - кольцо; 3 - шток; 4 - коловорот
Существуют ледовые буры и других конструкций: рыбацкий, механизированный и др.
При работе ледовыми бурами ледяная стружка, скапливаясь в скважине, сильно затрудняет бурение. Чтобы очистить скважину, бур время от времени поднимают вместе с ледяной стружкой. По окончании проходки скважины бур-сверло необходимо протолкнуть в воду и, повернув его несколько раз в обратную сторону движением вверх-вниз, промыть скважину и очистить сверло от стружки. При бурении кольцевым буром ледяной керн подхватывается снизу кольцом и поднимается вместе с буром, а ледяная стружка удаляется из скважины сачком или лопатой.
Если толщина льда превышает 120 см, бурение ледовым буром ГР-7 производят сначала коротким сверлом на всю его длину, после чего в коловорот вставляют сверло длиной 180 см. Длину кольцевого бура увеличивают за счет запасной штанги после того, как пробурят лед на длину основной (около 1 м).
По окончании работы буры смазывают минеральным маслом. Сверло ледового бура ГР-7 периодически затачивается напильником с последующей заправкой бруском. Резец кольцевого бура затачивается треугольным напильником с мелкой насечкой со стороны крепления его винтами.
При работе пешней лед пробивать следует осторожно, чтобы лунку не залило водой раньше, чем она будет иметь достаточные размеры.
§ 95. При наблюдениях за толщиной льда измеряются:
1) высота снега на льду;
2) общая толщина льда;
3) глубина погружения льда;
4) глубина погружения шуги;
5) высота слоя воды на льду.
Кроме того, дается краткая характеристика снежного покрова (ровный, с застругами; сдувание - полное, сильное, частичное; места скопления снега) и поверхности ледяного покрова (гладкая, неровная, торосистая).
Высота снега на льду измеряется переносной водомерной или снегомерной рейкой. Общая толщина льда, глубина погружения льда и шуги, а также высота слоя воды на льду измеряются в скважинах металлическими ледомерными рейками, а в лунках, пробитых пешней - деревянной рейкой с подкосом.
При большой толщине слоя шуги глубину ее погружения измеряют специальной звуковой шугомерной рейкой или штангой с острым наконечником и откидной планкой. Ниже приводится краткое описание двух типов ледомерных реек.
Металлическая ледомерная рейка, входящая в комплект ледового бура ГР-7 (рис. 33), изготовляется из стальной полосы шириной 20 мм. Длина измерительной части 120 или 180 см, деления нанесены через 1 см. На верхнем конце имеется деревянная ручка, а внизу - либо откидная планка, либо неподвижный упорный рычаг, используемые для совмещения нулевого деления рейки с нижней кромкой ледяного покрова.
Рис. 33. Ледомерная рейка из комплекта бура ГР-7:
1 - ручка; 2 - рейка с делениями; 3 - откидная планка
Деревянная ледоснегомерная рейка ГР-31 (рис. 34) состоит из прямоугольного бруска длиной 200 см и упорной планки-подкоса, прочно скрепленной с нижним концом бруска под углом 60°. На рейке нанесены сантиметровые деления; нуль рейки и верхний конец подкоса лежат в одной плоскости, перпендикулярной к оси рейки.
Рис. 34. Рейка ледоснегомерная ГР-31:
1 - рейка с делениями; 2 - поднос
§ 96. Толщина льда измеряется каждый раз в новых скажинах (лунках), которые пробиваются в местах с ненарушенным снежным покровом на расстоянии 1 - 2 м от лунок, где производились предыдущие измерения. Вновь пробиваемая скважина (лунка) каждый раз сдвигается относительно предыдущей по направлению вдоль реки (не к берегам), что особенно важно для нешироких рек. Подходить к выбранному месту следует всегда по одной тропинке и производить работы так, чтобы возможно меньше нарушать естественный снежный покров около скважины (лунки).
Наблюдения начинаются с измерения высоты снега на льду, затем пробивается скважина и измеряются общая толщина льда, глубина погружения льда, а также шуги, высота слоя воды на льду. Высота снега измеряется в трех точках, расположенных в вершинах треугольника, центром которого является намеченная лунка (на расстоянии 0,5 - 0,7 м от нее); среднее из измерений в этих точках записывается в водомерную книжку. При измерении общей толщины и глубины погружения льда откидная планка или подкос подводится под лед и производятся два отсчета (по течению и поперек). В книжку записывается среднее значение из двух или четырех отсчетов.
Измерения высоты снежного покрова и толщины льда производятся с точностью до 1 см.
§ 97. Глубина погружения шуги, если она невелика, измеряется ледомерными рейками. Нижняя граница шугового слоя определяется по изменению сопротивления вращению рейки вправо и влево. Отсчет производится в тот момент, когда при подъеме рейки поворачивать ее становится труднее. Измерение повторяется дважды, среднее значение записывается в книжку с точностью до 0,1 м.
При большой толщине слоя шуги измерение производится аналогичным образом специальной штангой с откидной планкой.
Если шуги настолько мало, что ледомерная рейка поворачивается совсем легко, в книжку записывается "мало", а если видно, что шуга проносится под ледяным покровом, записывается "проносится". При отсутствии шуги записывается "нет".
По окончании измерений скважина (лунка) забивается снегом и льдом и отмечается вешкой или кусками льда.
Наиболее совершенным прибором для измерения толщины слоя шуги является звуковая шугомерная рейка ГР-85
(рис. 35). Она состоит из шугоосязательного датчика
1, полупроводникового усилителя звуковой частоты
4, двухжильного шнура
3, соединяющего датчик с усилителем, телефонных наушников
5 и двух комплектов облегченной гидрометрической упорной штанги
2 общей длиной 6 м.
Подготовка аппаратуры и производство измерений толщины подледной шуги производятся следующим образом. Со штанги снимается поддон. На нижний конец штанги надевается шугоосязательный датчик так, чтобы индекс в окне совпал с нулевым делением штанги, и в этом положении закрепляется винтом 6 датчика (см. рис. 35). К клеммам датчика с соблюдением полярности (отмеченной цветной раскраской) присоединяются провода линии связи. Чтобы избежать самопроизвольного отсоединения этих проводов от клемм датчика, необходимо их закрепить узлом за крепежный винт датчика. Вилка на противоположном конце шнура линии связи вставляется в соответствующие гнезда усилителя. В другую пару гнезд усилителя вставляется вилка наушников. При введении вилки линии связи в гнезда "линия" усилителя происходит автоматическое включение питания прибора. Вилку нужно вводить до упора. При этом в наушниках возникает фон работающего усилителя (легкий шорох).
Рис. 35. Шугомерная рейка ГР-85:
1 - шугоосязательный датчик; 2 - комплект облегченной
гидрометрической штанги общей длиной 6 м; 3 - двухжильный
шнур, соединяющий датчик с усилителем; 4 - полупроводниковый
усилитель звуковой частоты; 5 - телефонные наушники;
6 - винт для крепления штанги к датчику
Для измерения границ залегания шуги штанга с датчиком опускается в лунку. По характеру изменения шума в наушниках определяется нижняя граница ледяного покрова и шуги, а именно: при введении датчика в лунку и перемещении его вдоль стенок лунки, а затем в потоке, несущем шугу, в наушниках будет слышен сильный шум трения усов датчика о стенки лунки и шугу. Характер его будет изменяться при переходе датчиком границы ледяной покров - шугоносный слой потока. После того как усы датчика выйдут из слоя шуги в чистую воду, шум в наушниках прекратится. Это и определит нижнюю границу слоя шуги.
§ 98. Результаты измерений толщины льда записываются в соответствующем разделе книжки КГ-1 в таблице пятидневных наблюдений.
Примеры записи приведены в табл. 7 в соответствии с возможными случаями взаимного расположения уровня воды и льда, показанными на
рис. 36:
Таблица 7
Пример записи измерений толщины льда в книжке КГ-1
Число | | Высота снега на льду, см | Общая толщина льда, см | Глубина погружения, см | Характеристика поверхности ледяного покрова |
льда | шуги |
отсчет | средняя | отсчет | средняя | отсчет | средняя | отсчет | средняя |
5 | 1 | 18 | | 56 | | 52 | | Нет | | Неровный |
| 2 | 18 | | 56 | | 66 | | Нет | | " |
| 3 | 18 | | 56 | | Лед над водой | | Нет | | " |
| 4 | 5 | | 48 | | 46 | | Нет | | |
Примечание. В
графе "Номер точки" указаны номера возможных случаев расположения уровня воды и льда, приведенных ниже.
Случай 1. Вода в скважине (лунке) ниже поверхности льда
(рис. 36, а);
Случай 3. Ледяной покров над водной поверхностью
(рис. 36, в);
Случай 4. Ледяной покров состоит из отдельных слоев, между которыми находится вода. Тогда кроме общей толщины льда и глубины его погружения в графе "Характеристика ледяного покрова" помещается схематический чертеж строения ледяного покрова в данном пункте с указанием толщины отдельных слоев и промежутков между ними, как это показано в
табл. 7.
Рис. 36. Примеры измерения глубины погружения льда:
а - вода в скважине (лунке) ниже поверхности льда; б - вода
на льду; в - ледяной покров над водной поверхностью
Если все наблюдения за толщиной льда производятся на двух участках реки - на плесе и перекате, для записи результатов измерения на одном из них в книжку вклеивается специальный листок. Наверху соответственно надписывается "Плес" и "Перекат".
§ 99. В отдельных случаях (по распоряжению начальника станции) наблюдателю поручается выполнение ледомерной съемки на большом протяжении реки в районе поста, заключающейся в измерении толщины льда на нескольких заранее выбранных на местности поперечных профилях. Порядок производства ледомерной съемки, время производства и места расположения точек измерения толщины льда указываются наблюдателю в письменном задании.
При большом объеме работ допускается производить ледомерную съемку не в один день, а в течение двух-трех дней подряд.
§ 100. На реках, где ледяной покров формируется в основном за счет частых наледей, ведутся наблюдения (по указанию станции) за высотой слоя наледной воды, а по мере ее замерзания - за нарастанием ледяного покрова за счет наледей. Для этого в наледь в нескольких пунктах на участке поста вмораживаются рейки, по которым ежедекадно измеряется толщина наледного льда. Запись высоты слоя наледной воды и нарастания наледи ведется на отдельных листках, подклеиваемых к книжке. Организация наблюдений за нарастанием наледи - выбор участка (створа), размещение реек и т.д. - производится при участии специалиста станции.
6. НАБЛЮДЕНИЯ ЗА ВОДНОЙ РАСТИТЕЛЬНОСТЬЮ И ЯВЛЕНИЯМИ,
ВЛИЯЮЩИМИ НА УСЛОВИЯ ТЕЧЕНИЯ РЕКИ
§ 101. На постах, расположенных на участках рек с зарастающим руслом, с появлением водной растительности в течение всего сезона ее вегетации каждое 10, 20-е число и в последний день месяца производится обследование участка реки в районе расположения поста и записывается в книжку КГ-1 вид водной растительности, ее распространение по длине и ширине реки, густота произрастания и состояние.
Вид (название) водной растительности записывается лишь в тех случаях, когда он точно известен наблюдателю. Если название водной растительности неизвестно, наблюдатель записывает в книжке КГ-1 (КГ-4) слово "трава".
Распространение растительности по длине реки указывается относительно створа поста: на сколько метров выше и ниже створа, по всей ли длине обследуемого участка или встречаются участки, лишенные растительности. Отмечается характер зарастания: сплошь, пятнами, по берегам. Ширина заросших береговых полос указывается в метрах.
Густота произрастания оценивается визуально: редкая, густая и очень густая. Если густота различная, указывается, где растительность гуще, а где реже.
Отмечается, возвышаются ли растения над водой или они не доходят до поверхности воды. В этом случае указывается глубина их погружения в метрах. Особо отмечаются случаи, когда водная растительность стелется по дну. Иногда водная растительность, не отмирая полностью, сохраняется и при ледоставе. Если это имеет место, следует указать в книжке КГ-1 и учесть при измерении расхода.
После паводков производится обследование водной растительности на участке поста и отмечается, насколько изменилось ее состояние: растения лежат на дне, частично вырваны, засыпаны наносами, остались без изменения и т.п.
Дополнительные записи результатов наблюдений за водной растительностью, не помещающиеся в графе 13 книжки КГ-1, производятся в графах для записи измерений толщины льда, которые в теплое время года остаются незаполненными, или на отдельном листке, подклеиваемом к книжке.
Наблюдатель следит и записывает в книжку КГ-1 (или КГ-4) при измерении расхода воды все явления, могущие вызвать изменение режима и условий течения реки: образование или размыв отмелей, кос, осередков, островков; расчистки русла; дноуглубительные работы; образование новых проток-рукавов; вынос большого количества наносов и отложений конусов выноса в устьях притоков (оврагов, саев); обвалы или оползни берегов, сход снежных лавин в долине реки, наличие лесосплава - молем или плотами с указанием его густоты (редко или сплошь); образование заломов леса; устройство лесных запаней; создание новых постоянных или временных запруд, перемычек, устройство новых мостов, периоды попусков - сбросов воды из вышерасположенного водохранилища, места образования заторов и зажоров и другие явления.
Описываются выдающиеся паводки, сели, лавины, наводнения и отмечаются события, нарушающие нормальное использование реки для судоходства, водоснабжения, орошения, энергетики; даты начала и конца навигации (даты прохода первого и последнего парохода); прекращение судоходства вследствие мелководья; недостаток воды для водоснабжения и орошения; прекращение работы ГЭС; разрушение гидротехнических сооружений и нарушение их нормальной работы и т.п.
Все эти явления записываются в графу "примечания" книжки КГ-1 или на отдельном листке, подклеиваемом в книжку. При измерении расхода воды эти сведения записываются в раздел "Обстановка работ" книжки КГ-4.
Наблюдения за вышеописанными явлениями должны производиться на возможно большем протяжении реки, причем в некоторых случаях могут быть использованы сведения об этих явлениях, полученные путем наведения справок в организациях, ведающих судоходством, водоснабжением, орошением, работой ГЭС и др., а также опроса жителей соседних населенных пунктов, расположенных вверх и вниз по реке.
7. НАБЛЮДЕНИЯ ЗА ХИМИЧЕСКИМ СОСТАВОМ ВОДЫ
(РАБОТЫ, ВЫПОЛНЯЕМЫЕ НА ПОСТУ)
§ 102. Работы, выполняемые непосредственно на посту, проводят в такой последовательности:
1) определяют температуру воды слоя, из которого должна отбираться проба <1>;
--------------------------------
<1> Места отбора проб, их количество, а также сроки указываются наблюдателю в задании, выдаваемом станцией.
2) ведром или батометром отбирают пробу воды из заданного слоя;
3) в отобранной пробе воды определяют содержание ионов водорода (pH), двуокиси углерода <2> (CO2) и фиксируют растворенный в воде кислород;
--------------------------------
<2> Если это специально предусмотрено программой наблюдений.
4) исследуемой водой наполняют бутылки и производят консервацию, укупорку и отправку их в лабораторию УГМС на полный химический анализ.
§ 103. Температуру воды в поверхностном слое измеряют термометром в металлической оправе с делениями через 0,2°. Для этого термометр опускают на шнурке таким образом, чтобы резервуар со ртутью находился на глубине 0,2 м. Выдержав 10 мин, термометр вынимают и производят отсчет с точностью до 0,1° (подробнее см.
§ 75,
76).
Температуру воды глубинных слоев измеряют термометром, вмонтированным в батометр, которым отбирают пробу с требуемой глубины.
§ 104. Пробы воды на стрежне потока с поверхности водоема осторожно, без взбалтывания, зачерпывают ведром, предварительно сполоснутым отбираемой водой 2 - 3 раза. Во избежание загрязнения пробы ведро должно употребляться только для этой цели. Глубина погружения ведра не должна превышать 0,2 - 0,5 м. Из глубинных слоев пробу воды отбирают при помощи батометра, опускаемого на заданную глубину.
Из взятой пробы воды сразу же на борту лодки или на берегу определяют pH, CO2, фиксируют растворенный кислород и наполняют бутылки для отправки их в лабораторию УГМС.
Для проведения анализа на посту применяют полевые химические лаборатории. Необходимые для анализа растворы и запасные реактивы обеспечивают гидрохимические лаборатории УГМС.
В зимнее время при температуре воздуха ниже 0 °C отобранную пробу воды сразу же после измерения температуры переносят в отепленное помещение, где и производят перечисленные выше определения.
§ 105. Определение концентрации ионов водорода pH производят сразу же после отбора пробы электрометрическим или колориметрическим методом.
Для электрометрического определения используется pH-метр типа pH-47М с пределами измерения величин pH от 2 до 12
(рис. 37) <1>.
--------------------------------
<1> Можно использовать и другой прибор с аналогичными характеристиками; работу производить строго по прилагаемой к прибору инструкции.
Основная погрешность прибора не превышает +/- 0,05 pH. Перед началом работы на pH-метре наблюдатель поста должен пройти стажировку в стационарной лаборатории, а настройку прибора на посту необходимо произвести под контролем инженера-химика гидрохимической лаборатории. Работу на pH-метре следует производить в следующей последовательности:
1) Открыть крышку футляра; вывернуть из стойки
6 (рис. 37) винт
12 и установить ее в гнездо прибора, надеть на стойку держатель
9, ввести в отверстие держателя через боковую прорезь кабель электрода и установить электрод
10 в держатель. В отверстие держателя вставить термометр
8; разъем комбинированного электрода
11 (рис. 38) вставить в гнездо "Электрод" на задней стенке прибора.
2) Отрегулировать механический нуль прибора, для чего, поворачивая отверткой корректор нуля
16 (см.
рис. 37), установить стрелку прибора на начальную отметку шкалы (pH-7).
3) Установить переключатель
5 (см.
рис. 37) в положение "нуль". Включить прибор, повернув ручку
4 по часовой стрелке до щелчка. Выждать 20 мин для установления рабочего режима прибора. Установить стрелку прибора ручкой
4 на начальную отметку шкалы (pH-7).
4) Для регулировки напряжения питания необходимо установить переключатель
5 в положение
Ип и ручкой
3 установить стрелку прибора на конечную отметку шкалы (pH-12).
5) Установить переключатель 5 в положение "К" (калибровка). Потенциометром "Размах" 13 установить стрелку прибора на отметку шкалы pH-11,5.
1 - микроамперметр; 2 - ручка температурной компенсации;
3 - ручка регулировки напряжения питания; 4 - ручка
установки нуля и включения прибора; 5 - переключатель рода
измерения; 6 - стойка; 7 - кабель; 8 - термометр;
9 - держатель; 10 - электрод; 11 - стакан для пробы;
12 - винт для крепления держателя к стойке;
13 - ось "Размах"; 14 - ось "Начало"; 15 - ось "pH";
16 - винт корректора нуля
Рис. 38. Электрод ЭСКЛ-07 с чехлом:
1 - пробка; 2 - стакан; 3 - сальник; 4 - чехол; 5 - сальник;
6 - втулка; 7 - электрод; 8 - отверстие для долива раствора;
9 - резиновый колпачок; 10 - соединительный кабель;
11 - разъем
Регулировку напряжения питания по
пп. 3 и
4 следует периодически повторять.
6) Настройку прибора рекомендуется производить по одному буферному раствору <1>, близкому по своему значению к pH исследуемой пробы воды. Рекомендуется применять буферный раствор, величина pH которого не отличается от pH исследуемой пробы воды более чем на 3 единицы.
--------------------------------
<1> Буферный раствор - это точный раствор какого-либо химического вещества, имеющий определенную величину pH.
В подавляющем числе случаев достаточна настройка по буферному раствору с pH-6,88. Настройку по буферному раствору рекомендуется производить ежедневно перед определением pH отобранной пробы в следующем порядке:
- отвернуть стакан
2 с чехла
4 (см.
рис. 38). Снять пробку
1 и закрыть ею стакан
2. Промыть дистиллированной водой электрод и осушить фильтровальной бумагой;
- налить в стакан для замера величины pH буферный раствор с pH-6,88 и погрузить в него электрод и термометр на глубину не менее 40 мм;
- ручку температурной компенсации
2 (см.
рис. 37) установить в соответствии с температурой буферного раствора;
- совместить отметку на ручке температурной компенсации
2 (см.
рис. 37) с риской, соответствующей температуре буферного раствора;
- переключатель
5 (см.
рис. 37) установить в положение "7-2" и вращением оси потенциометра "Начало"
14 установить стрелку показывающего прибора
1 на соответствующее значение pH буферного раствора с учетом поправки на его температуру.
Значения pH буферных растворов при разных температурах приведены в табл. 8.
Таблица 8
Значения pH буферных растворов при различных температурах
по ГОСТ 10171-62
Температура, °C | Значения pH буферных растворов |
насыщенный при 25 °C раствор кислого виннокислого калия C4H5O6K | 0,05 М раствор кислого фталево-кислого калия C8H5O2K | 0,025 М раствор однозамещенного кислого фосфорнокислого калия KH2PO4 и 0,025 М раствор двузамещенного кислого фосфорнокислого натрия Na2HPO4 | 0,01 М раствор тетраборнокислого натрия Na2B4O7·10H2O (бура) |
0 | - | 4,01 | 6,98 | 9,46 |
5 | - | 4,01 | 6,95 | 9,39 |
10 | - | 4,00 | 6,92 | 9,23 |
15 | - | 4,00 | 6,90 | 9,27 |
20 | - | 4,00 | 6,88 | 9,22 |
25 | 3,56 | 4,01 | 6,86 | 9,18 |
30 | 3,55 | 4,01 | 6,84 | 9,14 |
35 | 3,55 | 4,02 | 6,84 | 9,10 |
40 | 3,54 | 4,03 | 6,84 | 9,07 |
45 | 3,55 | 4,04 | 6,83 | 9,04 |
50 | 3,55 | 4,06 | 6,83 | 9,01 |
55 | 3,56 | 4,08 | 6,84 | 8,99 |
60 | 3,57 | 4,10 | 6,84 | 8,96 |
65 | 3,58 | 4,11 | 6,84 | 8,94 |
70 | 3,59 | 4,12 | 6,85 | 8,92 |
75 | 3,60 | 4,14 | 6,85 | 8,90 |
80 | 3,61 | 4,16 | 6,86 | 8,88 |
85 | 3,62 | 4,18 | 6,87 | 8,86 |
90 | 3,64 | 4,20 | 6,88 | 8,85 |
95 | 3,65 | 4,22 | 6,89 | 8,85 |
Для получения более точных результатов измерений желательно настроить прибор описанным выше способом по второму буферному раствору (pH-4,0 или 9,22).
Дополнительные указания:
- настройку прибора необходимо проводить только по точным буферным растворам. Следует помнить, что при многократном применении буферные растворы могут изменять величину pH, что можно проверить по свежеприготовленным буферным растворам;
- буферные растворы приготавливают в гидрохимической лаборатории;
- при измерениях необходимо следить за тем, чтобы корпус электрода всегда был заполнен насыщенным раствором хлористого калия, уровень которого должен быть выше уровня измеряемого раствора. При необходимости насыщенный раствор хлористого калия доливают через отверстие
8 (см.
рис. 38), которое при транспортировке и хранении закрывается резиновой пробкой
9;
- перед погружением электрода в новый раствор его нужно тщательно промыть дистиллированной водой и удалить избыток воды фильтровальной бумагой. Затем стакан для измерения и электрод целесообразно промыть исследуемым раствором, после чего проводить измерение величины pH этого раствора;
- для обеспечения нормальной работы установки необходимо правильное хранение и обращение с электродами. В нерабочем состоянии рекомендуется содержать электрод в стакане, наполненном 0,1 н. раствором соляной кислоты HCl.
После настройки прибора по буферному раствору можно приступать к измерению pH отобранной пробы воды. Порядок измерения следующий:
- помещают электрод и термометр в стакан
11 с отобранной пробой (см.
рис. 37);
- ручку температурной настройки устанавливают на значении температуры исследуемой пробы воды;
- переключатель
5 (см.
рис. 37) устанавливают в положение "7-2" или "7-12" и производят отсчет показаний по шкале прибора
1 величины pH отобранной пробы. При установке переключателя
5 в положение "7-12" отсчет производят по шкале прибора слева направо, при установке в положение "7-2" - отсчет справа налево.
При отсутствии на постах pH-метра величину pH определяют колориметрическим методом по шкале pH.
Колориметрическая шкала, выпускаемая экспериментально-производственными мастерскими при ГГИ, состоит из 19 запаянных пробирок с растворами и двух пустых с резиновыми пробками, предназначенных для отобранной пробы воды. Исследуемую воду наливают в одну из пробирок при помощи сифона - чистой резиновой трубки, снабженной зажимом Мора и стеклянным наконечником. Пробирку ополаскивают два раза исследуемой водой, а затем наполняют до метки. Прилагаемые к шкале индикаторы действуют только в определенной части шкалы: бромтимоловый синий - от 6,00 до 7,60 pH; крезоловый красный - от 7,60 до 8,20 pH; тимоловый синий - от 8,20 до 9,20 pH.
Применение того или иного индикатора будет зависеть от ожидаемой величины pH отбираемой пробы воды. Если определение производится впервые, рекомендуется начинать с индикатора крезолового красного. Индикатор набирают микропипеткой до верхней черты и приливают в пробирку с исследуемой пробой в объеме 0,5 мл. Пробирку закрывают пробкой и содержимое ее осторожно перемешивают двукратным перевертыванием. При этом исследуемая вода принимает определенную окраску, которая будет зависеть от концентрации ионов водорода в отобранной пробе. Полученную окраску пробы сравнивают с окраской раствора шкалы в пробирках с соответствующим индикатором. Сравнение окрасок необходимо производить на белом фоне с двумя смежными пробирками шкалы.
В случае точного совпадения тона окраски за результат принимают величину pH, указанную на этикетке пробирки шкалы.
Если окраска исследуемой воды соответствует промежуточному тону между двумя пробирками шкалы, за результат берут среднее между ними значение pH. Если полученная окраска пробы воды не подходит к окраске в пределах действия данного индикатора, например крезолового красного, определение следует повторить с другим индикатором. Для этого вторую пробирку из шкалы заполняют этой же пробой воды и чистой микропипеткой приливают выбранный индикатор. Полученную окраску сравнивают с соответствующими растворами из шкалы.
Рис. 39. Компаратор для определения pH:
1, 3 - пробирки шкалы; 2 - пробирка с исследуемой водой
и индикатором; 4, 6 - пробирки с исследуемой водой,
но без индикатора; 5 - пробирка с дистиллированной водой;
7 - отверстия для просмотра
Выбор второго индикатора производят следующим образом:
а) если окраска отобранной пробы воды с индикатором крезоловый красный интенсивно желтая и не сравнивается с первой пробиркой шкалы диапазона крезолового красного, применяют индикатор бромтимоловый синий;
б) если окраска отобранной воды красная и более яркая, чем в последней пробирке шкалы диапазона крезолового красного, применяют индикатор тимоловый синий.
Если исследуемая природная вода обладает заметной желтой окраской или опалесцирует <1>, сравнение окраски проводят с .помощью компаратора, применение которого обеспечивает компенсацию окраски. Определение величины pH с применением компаратора производят следующим образом: во второй вертикальный ряд отверстий прибора
(рис. 39) в среднее гнездо
2 вставляют пробирку с исследуемой пробой и добавленным индикатором, а по краям-две пробирки шкалы
1,
3, наиболее близкие к ней по тону окраски. В первый ряд перед пробирками шкалы вставляют пробирки с исследуемой водой, но без индикатора. Наглядное размещение пробирок видно из следующей схемы:
--------------------------------
<1> Опалесценция - физическое явление рассеяния света мутной средой.
Второй ряд | Пробирка шкалы | Пробирка с исследуемой водой и индикатором | Пробирка шкалы |
Первый ряд | Пробирка с исследуемой водой, но без индикатора | Пробирка с дистиллированной водой | Пробирка с исследуемой водой, но без индикатора |
Рассмотрев тона красок через горизонтальные отверстия компаратора (см.
рис. 39), определяют pH воды.
Если мутность отбираемой пробы воды очень велика, определение pH следует производить электрометрическим методом.
Результаты определения pH записывают в "Книжке для записи результатов полевых химических анализов воды" (КГ-9) по следующей форме:
Водородный показатель pH |
Индикатор | бромтимоловый синий |
Данные по шкале 7,22 | |
Температура буфера 16 °C | |
§ 106. Определение двуокиси углерода CO2 производят титрованием <1> определенного объема отбираемой пробы воды точным раствором соды Na2CO3 в присутствии индикатора-фенолфталеина. Для этого берут мерную колбу на 200 мл, ополаскивают ее исследуемой пробой воды дважды, а затем наполняют до имеющейся на ней метки. При этом необходимо опустить нижний конец сифона до дна колбы и, по мере наполнения ее, трубку приподнимать к поверхности воды в колбе. В наполненную до метки колбу приливают 2 мл раствора фенолфталеина, закрывают пробкой и перемешивают содержимое, переворачивая колбу, но не взбалтывая. Если вода приняла розовую окраску, отмечают, что двуокись углерода отсутствует. Если вода не изменила своего цвета после добавления фенолфталеина, следует приступить к определению двуокиси углерода.
--------------------------------
<1> Титрование - это добавление по каплям к определенному объему исследуемой пробы воды при интенсивном перемешивании точного раствора рекомендуемого химического соединения, например соды, до полного изменения окраски индикатора, который был добавлен к исследуемой пробе.
Прежде чем приступить к титрованию пробы, необходимо подобрать бюретку (а при малом содержании CO2 - микробюретку) и наполнить ее точным раствором Na2CO3. Для наполнения бюретки с нижнего конца ее снимают зажим, стеклянный кончик погружают в склянку с раствором соды и втягивают его ртом через верхний конец в бюретку. Набрав полную бюретку (без пузырьков), быстро закрывают пальцем верхний ее конец и снова надевают на резиновую трубку зажим так, чтобы наконечник бюретки, после того как верхний конец ее будет открыт, не пропускал раствор. Установив уровень жидкости на нулевое деление бюретки, начинают добавлять осторожно по каплям раствор соды к исследуемой пробе в колбе при постоянном перемешивании пробы воды.
При приливании раствора Na2CO3 исследуемая проба начинает окрашиваться в розовый цвет. В начале, при перемешивании, окраска быстро исчезает. При последующем приливании раствора соды скорость исчезновения окраски замедляется и в конце определения появляется устойчивая светло-розовая окраска, сохраняющаяся в течение продолжительного времени. Интенсивность окраски, при которой следует считать титрование оконченным, определяют путем сравнения с рабочим минеральным стандартом, имеющим определенную окраску. Способ приготовления рабочего минерального стандарта приводится ниже.
Определение CO2 считают законченным, когда окраска оттитрованной пробы сделается одинаковой со стандартом и не будет изменяться в течение 5 мин.
Если отбираемая проба воды имеет естественную окраску, при титровании окраску этой пробы сравнивают с рабочим минеральным стандартом, приготовленным не на дистиллированной воде, как указано ниже, а на воде отобранной пробы. После окончания титрования отмечают показания на бюретке и определение повторяют снова с той лишь разницей, что сразу приливают почти весь необходимый раствор соды (на 0,1 - 0,2 мл меньше) и затем пробу дотитровывают. По окончании титрования отсчитывают по бюретке количество затраченного на титрование раствора соды с точностью до 0,01 мл. Запись результатов анализа двуокиси углерода CO2 производят по следующей форме.
Двуокись углерода CO2
Навеска Na2CO3 г растворена в мл дистиллированной воды.
Израсходовано на титрование мл пробы воды мл Na2CO3 (II отсчет).
Особые указания:
а) если при титровании содой проба в колбе начинает мутнеть, что указывает на большую жесткость воды, определение следует повторить, предварительно добавив во взятую пробу (200 мл) 1 мл сегнетовой соли;
б) при наличии очень большой мутности пробы определение двуокиси углерода не производят.
Для определения двуокиси углерода необходимы следующие растворы и химическая посуда:
1) 0,02 н. раствор соды готовят в полевых условиях из 0,212 г навесок Na2CO3, запаянных в стеклянные ампулы (которые приготовляют только в стационарных лабораториях). Для этого с ампулы снимают этикетку, сохраняя ее для записи в журнале, тщательно обмывают ампулу снаружи дистиллированной водой, подпиливают ее напильником посередине по контуру и, держа над химически чистым стаканом, разламывают пополам. Содержимое ампулы высыпают в стакан и опускают туда же обе половинки ампулы. Затем приливают в стакан 10 - 15 мл свежепрокипяченной и остуженной дистиллированной воды и растворяют соду. Раствор приливают через воронку в мерную колбу емкостью 100 мл. Операцию повторяют 5 - 6 раз. После многократного ополаскивания стакана и воронки раствор в колбе доводят до метки. Колбу закрывают пробкой, тщательно перемешивают содержимое и переливают в склянку с надписью "Na2CO3, 0,02 н.". Склянку плотно закрывают пробкой <1>, раствор сохраняют 3 - 4 месяца;
--------------------------------
<1> Раствор соды, налитый в бюретку, обратно в склянку не выливают.
2) 0,1%-ный спиртовой раствор фенолфталеина в склянке на 50 - 100 мл с корковой пробкой (0,1 г фенолфталеина растворяют в 100 мл спирта);
3) 33%-ный раствор сегнетовой соли KNaH4C4O7 в склянке на 100 мл (133 г сегнетовой соли на 100 мл дистиллированной воды);
4) минеральный стандарт (запасной): 2 г хлористого кобальта CoCl2·6H2O и 2 г сернокислой меди CuSO4·5H2O растворяют в мерной колбе на 200 мл в небольшом количестве дистиллированной воды. Затем добавляют 2 мл соляной кислоты HCl (удельный вес 1,19) и доводят дистиллированной водой объем до метки. Из этого раствора готовят рабочий минеральный стандарт;
5) рабочий минеральный стандарт - в мерную колбу на 200 мл приливают 20 мл запасного минерального стандарта и доводят дистиллированной водой объем до метки. Для окрашенных вод этот раствор готовят не на дистиллированной воде, а на исследуемой;
6) дистиллированная вода;
7) две мерные колбы емкостью 200 мл с резиновыми пробками: одна - для исследуемой воды, вторая - для рабочего минерального стандарта. Колбы должны быть подобраны с таким расчетом, чтобы выше метки можно было прилить еще 5 - 6 мл. В некоторых случаях мерные колбы могут быть заменены калиброванными склянками с притертыми пробками;
8) пипетка емкостью 2 мл для фенолфталеина и пипетка емкостью 1 мл для сегнетовой соли;
9) пипетка емкостью 20 мл для приготовления рабочего минерального стандарта;
10) бюретка для раствора соды емкостью 2 мл с делениями через 0,01 мл (сделанная из микропипетки на 2 мл) и бюретка на 5 - 10 мл, применяемая при большом содержании CO2;
11) воронка стеклянная d = 7 см;
12) промывалка для дистиллированной воды;
13) колба мерная на 100 мл с резиновой пробкой.
§ 107. Растворенный в воде кислород O2 определяется иодометрическим методом.
Метод определения кислорода состоит из двух частей: фиксации и самого определения. Для фиксации кислорода применяются калиброванные склянки с притертыми пробками. На склянках должен быть выгравирован их номер и объем (150 - 200 мл). Склянку для фиксации кислорода ополаскивают 2 - 3 раза исследуемой водой и наполняют до краев при помощи сифона. Во избежание перемешивания отбираемой пробы с воздухом стеклянный наконечник сифона опускают до дна склянки и по мере наполнения склянки водой приподнимают его к поверхности воды в склянке. Сразу же (не закрывая склянку пробкой) вводят в нее пипеткой 1 мл раствора хлористого марганца MnCl2 и осторожно 1 мл щелочного раствора йодистого калия (KI + NaOH). Пипетку каждый раз следует погружать сначала до половины склянки, а затем по мере выливания раствора поднимать ее вверх. Для каждого из этих растворов следует применять отдельную пипетку. После введения растворов склянку закрывают притертой пробкой так, чтобы в ней не осталось пузырьков воздуха. Содержимое склянки тщательно перемешивают, записывают номер, объем склянки, номер пробы и отправляют в лабораторию, где в течение суток должно быть определено содержание кислорода. В случае, если пробы на кислород по каким-либо причинам не могут быть доставлены вовремя в стационарную лабораторию, они должны быть проанализированы на посту.
К определению кислорода приступают после того, как жидкость над осадком в склянке станет прозрачной. Определение проводят в следующей последовательности. Открывают пробку и приливают в склянку, не взмучивая осадка, 5 мл раствора соляной кислоты (2:1) (вылившаяся из склянки через край прозрачная жидкость при определении не учитывается). Склянку закрывают пробкой и тщательно взбалтывают до полного растворения осадка. В результате выделения иода жидкость окрашивается в желтый цвет.
Заполняют бюретку, приготовленную для титрования, раствором тиосульфата, доводят уровень жидкости в ней до нулевого деления; переливают содержимое склянки в коническую колбу объемом 250 - 300 мл и начинают быстро по каплям приливать из бюретки раствор тиосульфата при непрерывном перемешивании жидкости в колбе. При добавлении тиосульфата окраска раствора в колбе изменяется от темно-желтой до светло-желтой. При наступлении светло-желтой окраски в колбу прибавляют 1 мл раствора крахмала, в результате чего появляется синяя окраска. Далее продолжают осторожно по каплям прибавлять тиосульфат до полного исчезновения синей окраски от одной прибавленной капли. Затем небольшим количеством (10 - 15 мл) оттитрованной пробы ополаскивают склянку, в которой фиксировался кислород, и выливают раствор обратно в колбу и, если появляется вновь синяя окраска, пробу дотитровывают раствором тиосульфата до обесцвечивания содержимого колбы. Выждав 30 с, производят отсчет по бюретке, и результат записывают в талон полевой книжки. Если через несколько минут жидкость в колбе посинела, это уже не принимают во внимание.
В день определения кислорода необходимо проверить нормальность раствора тиосульфата, которым титруют пробу. Для этого в чистую коническую колбу на 250 - 300 мл приливают 35 мл дистиллированной воды, всыпают 1 г сухого йодистого калия KI и, отобрав пипеткой, приливают в колбу точно 15 мл 0,02 н. раствора двухромовокислого калия и 10 мл раствора соляной кислоты (2:1). Содержимое колбы перемешивают и оттитровывают раствором тиосульфата, которым была наполнена бюретка до нулевого деления перед титрованием исследуемой пробы. При наступлении светло-желтой окраски в колбу приливают 1 мл крахмала, 50 - 100 мл дистиллированной воды и продолжают титрование до перехода окраски от синей в слегка зеленоватую (цвет иона Cr3+). Делают отсчет по бюретке, устанавливая количество тиосульфата, затраченного на титрование. Определение повторяют еще раз и, если расхождение отсчетов по бюретке не превышает 0,1 мл, за результат титрования берут среднее арифметическое, записав, однако, оба отсчета в талон полевой книжки.
Определение кислорода по данному методу можно производить в водах любой минерализации. Определению кислорода могут мешать сильные восстановители (сероводород, органические вещества, нитриты при концентрации > 0,1 мг NO2/л, железо - свыше 25 мг Fe/л и т.д.). Поэтому в случае, если имеются указания о содержании в воде сильных восстановителей, производят их предварительное удаление добавлением к пробе гипохлорита натрия. Для этого в кислородную склянку с анализируемой пробой вводят пипеткой на каждые 100 мл воды по 0,5 мл разбавленной серной кислоты (1:4) и по 0,5 мл раствора гипохлорита натрия. Склянку закрывают пробкой так, чтобы не было пузырьков воздуха, и оставляют на 30 мин в темном месте. Затем приливают по 1 мл раствора роданида калия на каждые 100 мл воды для удаления избытка гипохлорита натрия. Смесь перемешивают и дают постоять еще 10 мин. Только после этого производят фиксацию кислорода, как описано на с. 85.
Для определения кислорода необходимы следующие растворы и химическая посуда:
1) 0,02 н. рабочий раствор тиосульфата Na2S2O3 приготовляют в лаборатории (см. "Наставление гидрометстанциям и постам", вып. 6, ч. 1, § 412);
2) 0,02 н. точный раствор двухромовокислого калия K2Cr2O7 в склянке объемом 50 - 100 мл со стеклянной или резиновой пробкой. Готовят в стационарной лаборатории. Хранится не более одного года;
3) раствор хлористого марганца MnCl2 в склянке объемом 50 мл с резиновой пробкой. Срок применения раствора при отсутствии осадка неограниченный. Готовят в стационарной лаборатории;
4) щелочной раствор йодистого калия (KI + NaOH) в темной склянке с резиновой пробкой. Срок применения раствора при отсутствии осадка неограниченный;
5) раствор химически чистой соляной кислоты HCl (2:1) в склянке объемом 250 мл с притертой стеклянной пробкой. Вместо раствора HCl (2:1) можно применять раствор серной кислоты H2SO4(1:4);
6) раствор крахмала готовят в лаборатории каждый раз в день определения кислорода и используют только в течение одного дня;
7) бюретка объемом 25 мл;
8) три пипетки по 1 мл для растворов хлористого марганца, щелочного раствора йодистого калия и крахмала;
9) три пипетки объемом 5, 10 и 15 мл;
10) колба мерная объемом 250 мл с резиновой пробкой;
11) коническая колба объемом 250 мл;
12) воронка диаметром d = 9 см;
13) промывалка для дистиллированной воды;
14) три - пять склянок (примерный объем 100 - 200 мл) с хорошо пришлифованными стеклянными пробками и с точно известными объемами для фиксации кислорода;
15) штатив для бюретки.
§ 108. После определения pH, содержания CO2 и фиксации растворенного кислорода оставшуюся в ведре исследуемую воду разливают в бутылки темного стекла или полиэтиленовые сосуды для отправки их в стационарную лабораторию на полный химический анализ. Для этого чистые бутылки (одну емкостью 1 л, другую емкостью 0,5 л) ополаскивают по 2 раза исследуемой водой и наполняют, не доливая их до пробки на 3 - 4 см, и закрывают чистыми резиновыми пробками, предварительно ополоснутыми водой. В таком виде их отправляют в стационарную лабораторию. В отдельных случаях в зависимости от степени минерализации объем проб воды для полного химического анализа устанавливается лабораторией УГМС больше или меньше 1,5 л.
§ 109. Если пробы воды, отобранные для полного химического анализа, не могут быть в течение одного дня доставлены в лабораторию УГМС, во избежание изменения химического состава их следует законсервировать. В бутылки объемом 1 л прибавляют по 2 мл хлороформа, а в бутылки объемом 0,5 л - по 1 мл 25%-ной серной кислоты. После этого их закрывают хорошо подогнанными резиновыми пробками. Если применяются корковые пробки, их необходимо залить менделеевской замазкой или сургучом. В случае использования стеклянных бутылок обычно применяют резиновые пробки. К бутылкам приклеивают этикетки (талоны полевой книжки КГ-9) следующей формы:
Корешок (талон) N ____________
Река ______________________________ станция (пост) _______________________
Дата взятия пробы ______________________ Расход воды _________________ м3/с
Место взятия пробы _______________ Глубина взятия пробы _________________ м
(створ, расстояние от левого берега в десятых долях ширины реки)
Физические свойства воды:
Температура ______________ цвет ____________ прозрачность _________________
Реакция воды (pH) ______________________________
Индикатор ______________________ Данные по шкале __________________________
Температура буфера _______________________________
Двуокись углерода

___________________________
Навеска

_________ г растворена в _________ мл дистиллированной воды
Израсходовано на титрование ___________________ мл пробы воды __________ мл

(II отсчет) ____________________________________
Растворенный в воде кислород ________________________________
Навеска

______ г растворена в ____________ мл дистиллированной воды
Раствор

__________________________
Взято на определение нормальности _______ мл стандартного раствора

Израсходовано раствора

I отсчет ____________ мл
II отсчет ____________ мл
среднее ____________ мл
Объем зафиксированной пробы __________________ мл
Израсходовано на титрование пробы __________________ мл

Примечание (указывается, чем консервирована проба)
Пробу взял:
По мере надобности запись дополняют кратким описанием важных обстоятельств, установленных при отборе пробы (метеорологические условия - дождь, ветер, пыльные бури; результаты визуального наблюдения состояния водоема - наличие пленки, повышенной мутности).
Законсервированные пробы воды должны быть в возможно короткий срок доставлены в лабораторию УГМС. В случае вынужденного хранения проб воды на посту в течение некоторого времени, их следует держать в темном и прохладном месте.
При необходимости пробы воды в зимнее время можно транспортировать в замороженном виде. Для этого бутылки наполняют исследуемой водой не более чем на 50% их объема, закупоривают пробками и замораживают в горизонтальном положении так, чтобы горлышко бутылки было наполовину заполнено водой. Сохранность замороженных проб обеспечивается при условии, если в пути не произойдет размораживание.
Если взятые пробы воды содержат большое количество взвесей, рекомендуется сначала налить воду в бутылку большего объема, дать воде в течение двух суток отстояться и затем разлить в бутылки соответствующего объема для замораживания.
§ 110. При выполнении гидрохимических работ необходимо соблюдать следующие условия:
1) Употребляемая при химических определениях посуда (бюретки, пипетки, колбы, стаканы и др.) должна использоваться только для тех определений, для которых она предназначена. Химическая посуда должна быть безукоризненно чистой, поэтому ее следует мыть теплой водой с мылом, а затем тщательно отмывать от мыла и ополаскивать дистиллированной водой. Мерная посуда должна внутри хорошо смачиваться водой, т.е. вода не должна собираться на поверхности стекла отдельными каплями, в противном случае ее следует вымыть вторично.
2) При работе с бюреткой надо следить за тем, чтобы:
- бюретка была закреплена в зажиме штатива совершенно вертикально;
- бюретка перед наполнением ополаскивалась небольшим количеством (3 - 5 мл) наливаемого раствора;
- в резинке и кончике бюретки при наполнении не оставалось пузырьков воздуха;
- зажим не пропускал через резинку раствор, т.е. уровень жидкости в наполненной бюретке не менялся;
- бюретка имела кончик с достаточно узким отверстием, чтобы объем капли, вытекающей из него, не превышал 0,03 - 0,04 мл, что устанавливают измерением объема нескольких десятков капель по шкале бюретки;
- бюретка для каждого определения вновь наполнялась до нулевого деления;
- отсчет по бюретке производился на просвет следующим образом: глаз должен находиться строго на одном уровне с нижней границей мениска, для лучшего рассмотрения которого следует с задней стороны бюретки на 1 - 2 мм ниже мениска держать полоску черной бумаги. Отсчет по шкале бюретки всегда производят с точностью до 0,01 мл, т.е. интерполируя между делениями ценой 0,1 мл (в микробюретке 0,01 мл отсчитывается непосредственно по шкале).
3) По окончании работы раствор выливают из бюретки, затем ее промывают и хранят в ящике полевой химической лаборатории.
4) При работе с пипеткой необходимо:
- перед наполнением пипетку ополаскивать соответствующим раствором;
- наполнять пипетку так, чтобы нижний край мениска уровня жидкости коснулся верхней черты (риски), после чего снять фильтровальной бумагой капли с кончика пипетки;
- выливать раствор из пипетки таким образом, чтобы кончик ее соприкасался с внутренней стенкой сосуда, причем отнимать пипетку от стенки сосуда нужно через 15 с после ее опорожнения. Оставшийся в кончике пипетки раствор не принимают во внимание.
Для выполнения работ на постах сети Гидрометслужбы применяют полевые лаборатории Резникова и ЛНК, одинаково пригодные для производства анализов на посту и анализов первого дня.
Кроме оборудования, находящегося в футлярах полевой химической лаборатории, на станции необходимо иметь дополнительные реактивы, растворы и химическую посуду для замены израсходованных.
Все оборудование и реактивы, необходимые для гидрохимических работ на посту, рекомендуется хранить закрытыми в специальном шкафу отдельно от другого оборудования.
8. ОБЩИЕ ПОНЯТИЯ О РАСХОДЕ ВОДЫ И ЕГО ИЗМЕРЕНИИ
§ 111. Расходом воды называется объем воды, протекающий через данное живое сечение потока в 1 с. Живым сечением называется часть водного сечения, в котором наблюдается течение.
Величина расхода воды в реке не постоянна. Весной, когда тает накопившийся за зиму снег, и летом после дождей расходы воды значительно увеличиваются; летом в сухую погоду и зимой они уменьшаются. Сильно меняется величина расходов и от года к году, причем встречаются как отдельные маловодные и многоводные годы, так и периоды в несколько лет.
Длительный подъем уровня и увеличение расходов воды, обычно сопровождаемые выходом воды из русла на пойму, называется половодьем. Оно вызывается главным источником питания реки: на равнинных реках - снеготаянием (весеннее половодье), на высокогорных - таянием снега и ледников (летнее половодье).
Быстрый и сравнительно кратковременный подъем уровня воды в каком-либо створе реки, завершающийся почти столь же быстрым спадом, называется паводком. Паводки, в отличие от половодий, возникают нерегулярно, главным образом от дождей, но в условиях неустойчивой зимы могут быть вызваны сильным снеготаянием.
На горных реках половодье, обусловленное таянием снега и ледников в горах, растягивается во времени почти на все лето, и самые большие расходы на них проходят в жаркое время. На малых реках во время половодья и дождевых паводков расход воды заметно изменяется даже в течение суток.
Состояние реки, когда длительное время наблюдаются низкое стояние уровня и малые расходы воды, называется меженью. Различают летнюю и зимнюю межень.
§ 112. При изучении гидрологического режима рек одним из основных видов наблюдений является измерение расходов воды, выполняемое по определенным программе и правилам.
Для определения расхода воды на реках производятся промеры глубин и измерения скоростей течения в водном сечении реки. Величина расхода воды вычисляется в этом случае как произведение площади живого сечения реки на среднюю скорость течения воды.
Понятно, что чем больше площадь сечения и скорость течения, тем больше будет расход воды. Расход воды обычно выражается в кубических метрах в секунду (м3/с); для малых рек и ручьев его часто выражают в литрах в секунду (л/с). На рис. 40а изображена примерная схема оборудования гидрологического поста I разряда и гидроствора, входящего в его состав.
Рис. 40.
а - Схема оборудования гидрологического поста:
1 - гидроствор; 2 - водомерное устройство свайного типа;
3 - основной и контрольный постовые репера; 4 - место
измерения температуры воздуха; 5 - постоянное начало;
6 - место измерения температуры воды; 7 - уклонные посты;
8 - максимальные рейки;
9 - место для наблюдений за ледовыми явлениями:
б - схема гидроствора:
1 - гидроствор; 2 - ездовой трос; 3 - вертикали;
4 - лодка, оборудованная лебедкой и вертушкой на тросе
Поперечник через реку, в котором промеряются глубины и измеряются скорости течения воды, называется гидрометрическим створом, сокращенно - гидроствором. В большинстве случаев он совмещается со створом гидрологического (уровенного) поста, но может находиться на некотором расстоянии выше или ниже по течению.
Места на гидростворе, в которых измеряются глубины и скорости течения, называются соответственно промерными и скоростными вертикалями. Последние, как правило, совмещаются с промерными, но промерных вертикалей назначается больше, чем скоростных.
Гидрометрический створ выбирается инженерами станции или ГМО на таком участке реки, где можно наиболее удобно и точно производить измерения. В этих створах устраиваются в зависимости от ширины реки различного вида гидрометрические мостики (рис. 41), люльки
(рис. 42), лодочные или паромные переправы
(рис. 43), с которых измеряются глубины и скорости течения. Применяются также специальные гидрометрические дистанционные установки ГР-64, ГР-64М и ГР-70, позволяющие измерять расход воды с берега (см.
раздел 11).
Рис. 41. Гидрометрический мостик подвесного типа
Рис. 42. Измерение расхода воды с люльки
Рис. 43. Лодочная переправа для измерения расхода воды
В некоторых случаях при небольшой глубине реки (до 0,5 - 0,7 м) измерение расхода воды производится вброд (рис. 44).
Рис. 44. Измерение расхода воды вброд
Расходы воды на малых реках измеряются при помощи водослива или лотка (рис. 45), а совсем малые расходы - объемным способом, т.е. измеряется весь объем воды, протекающий за определенный промежуток времени. Могут иметь место случаи, когда на одной и той же реке расходы измеряются несколькими способами, например, малые - водосливами, а начиная с определенной величины - вертушками.
Рис. 45. Гидрологические расходомеры:
а - треугольный тонкостенный водослив;
б - гидрометрический лоток
На больших, широких реках, где измерение расхода воды связано со значительными техническими трудностями, непреодолимыми для наблюдателя, оно выполняется инженером или техником, а наблюдатель в этом случае является их помощником.
§ 113. Результаты измерений расхода воды, произведенных в отдельные дни, используются для вычисления расходов и в те дни, когда их измерения не производились, при условии, что между уровнем воды и величиной расхода в реке имеется связь, а наблюдения за уровнем ведутся ежедневно.
Обычно увеличение или уменьшение расхода воды вызывает соответствующее повышение или понижение уровня. В ряде случаев из-за неустойчивости русла реки или вследствие подпора, возникающего от естественных или искусственных причин (ледовые явления, зарастание русла реки водной растительностью, намыв или размыв нижележащего переката, переменный подпор от нижерасположенных притоков или гидротехнических сооружений и т.п.), измерение уровня происходит вне зависимости от расхода.
Для выявления связи расхода воды с уровнем в том или ином гидростворе на миллиметровой бумаге строятся под прямым углом две оси: вертикальная, по которой откладываются значения уровня воды в сантиметрах, горизонтальная, по которой откладываются значения расхода воды в кубических метрах в секунду (м3/с) (рис. 46).
Рис. 46. Кривая расходов воды
Затем на миллиметровку наносятся точки всех измеренных расходов воды. Местоположение каждой точки определяется по вертикали в зависимости от уровня, при котором был измерен расход воды, и по горизонтали - в зависимости от величины расхода.
Пример. Расход равен 50 м3/с; он был измерен 16/IV при уровне воды 300 см.
В этом случае по оси уровня через деление 300 см проводится мысленно (на
рис. 46 показано пунктиром) горизонтальная линия; по оси расхода воды через деление, соответствующее 50 м
3/с, проводится мысленно вертикальная линия. На пересечении этих двух линий ставится точка, а против нее справа указывается дата измерения расхода. Так наносятся на чертеж результаты всех произведенных измерений расходов воды.
Если точки измеренных расходов воды расположатся узкой полосой так, что посередине этой полосы можно провести плавную, без перегибов, линию так называемую кривую расходов воды <1>, это будет означать, что между расходом и уровнем имеется определенная связь.
--------------------------------
<1> Как правило, кривую расходов в готовом виде высылает станция, однако в отдельных случаях ее построение может быть поручено наблюдателю.
Обычно достаточно хорошая связь между расходом и уровнем существует на реках с устойчивым руслом в период отсутствия ледовых явлений. Расходы, измеренные при ледоходе и ледоставе, будут значительно отклоняться на графике влево от кривой расходов, проведенной в результате измерений при открытом русле, располагаясь или беспорядочно, или узкой полосой, указывающей направление новой кривой. Влево будут отклоняться на графике и расходы, измеренные в период зарастания русла.
Если точки измеренных расходов воды для всех периодов года расположатся на чертеже широкой полосой или будут беспорядочно разбросаны, это означает, что связь между расходом и уровнем выражена слабо или вовсе отсутствует по причинам, указанным выше (имеется в виду, что расходы были измерены правильно, исправными вертушками).
§ 114. Количество измерений расходов воды зависит от водного режима изучаемой реки, т.е. от характера изменения уровня и расхода воды в течение года.
На реках с половодьем (рис. 47) расходы воды измеряются учащенно лишь в период его прохождения. При этом обязательно надлежит измерить расход при высшем уровне половодья. В остальное время года расходы воды можно измерять реже.
Рис. 47. График колебания уровня
воды реки с весенним половодьем
При наличии неустойчивого водного режима, характерного для рек с ледниковым питанием, т.е. рек, берущих начало в горах, когда на растянутое по времени половодье накладывается ряд дождевых паводков (рис. 48), расходы воды должны измеряться учащенно в течение всего года, так как каждый отдельный пик паводка может изменить русло (размыть или намыть его) и нарушить связь между расходами и уровнями, выявленную измерениями в предшествующий период.
Рис. 48. График колебания уровня воды
реки с ледниковым питанием и дождевыми паводками
При наличии устойчивой многолетней связи между расходом и уровнем воды количество измерений расходов в году может быть меньшим, чем в случае, когда связь эта выражена слабо, так как пользуясь проведенной кривой и наблюдаемыми ежедневно уровнями, можно достаточно точно получить значения расходов для всех промежуточных дней между отдельными измерениями расходов.
При отсутствии связи между расходами и уровнями в течение всего года или в отдельные его периоды (период зарастания русла, зимний период) количество измерений расходов воды должно быть возможно

.
Учащенно в течение года должны измеряться расходы также на реках с измененным водным режимом, с наличием попусков из водохранилища или переменного подпора от нижележащего гидротехнического сооружения (рис. 49).
Рис. 49. График колебания уровня зарегулированной рейки
На
рис. 48 и
49 кружками показано примерное распределение измеренных расходов воды в году в зависимости от водного режима реки.
Последовательность и частота измерений расхода воды на посту указываются наблюдателю в письменном задании, ежегодно выдаваемом станцией. В результате тщательного анализа измерений расходов воды в течение предыдущего года выданное задание на данный год может быть при посещении поста инженером или техником несколько изменено и уточнено. Все изменения и уточнения первоначального задания должны даваться в письменном виде.
Если измерения расходов начинаются на вновь организованном створе (например, при открытии гидрологического поста I разряда на неизученной реке), в течение первого года они ведутся наблюдателем при усиленном контроле специалиста станции. Целью этих наблюдений является, помимо получения данных о стоке, выяснить с какой частотой и какими способами следует измерять расходы в последующем.
§ 115. Письменное задание наблюдателю относительно количества и сроков отдельных измерений расходов воды не может точно предусматривать календарные сроки и даты учащенных или, наоборот, более редких измерений. Наблюдатель должен самостоятельно разбираться в обстановке, обусловливающей водный режим и условия реки, и производить измерения с таким расчетом, чтобы в результате имелась возможность вычислить сток воды за весь год без пропусков и с достаточной точностью.
В основном следует придерживаться следующего порядка измерения расходов воды в течение года:
1) На реках с устойчивым или слабо изменяющимся руслом в периоды отсутствия водной растительности и ледяных образований расходы воды измеряются сравнительно равномерно по всей амплитуде колебания уровня в зависимости от величины превышения наибольших подъемов уровня половодий и дождевых паводков над уровнем в межень, согласно табл. 9.
Превышение уровня воды в половодье (паводок) над уровнем в межень, м | Допустимая величина изменения уровня воды в промежуток времени между отдельными измерениями расходов воды, см |
До 1,0 | 10 - 15 |
От 1 до 2 | 15 - 25 |
От 2 до 3 | 25 - 40 |
Свыше 3 | 40 - 60 |
Примечания. 1. Наибольшая возможная высота пиков весенних и дождевых паводков указывается в задании станции на основании результатов предыдущих наблюдений.
2. По мере повышения уровня воды в реке в пределах 2/3 заданной амплитуды (превышение уровня воды в половодье над уровнем в межень) при назначении сроков измерения расходов следует ориентироваться на наибольшее значение интервалов (из двух указанных в таблице), а в пределах оставшейся 1/3 амплитуды измерения учащаются, т.е. принимается наименьшее значение интервала. Например, если в задании указано максимальное ожидаемое превышение уровня воды в паводок над уровнем воды в межень, равное 3 м, то при повышении уровня до 2 м над меженью измерения расходов воды можно производить через каждые 40 см; когда же уровень будет повышаться сверх 2 м, измерения расходов следует производить более часто, через каждые 25 см повышения уровня.
3. На гидростворах, имеющих в своем составе пойму, после выхода воды на нее расходы воды следует измерять через меньшие интервалы приращения уровня (не свыше 10 - 15 см), вне зависимости от величины заданной амплитуды уровней.
В межень, когда уровень воды в реке изменяется очень незначительно, измерения расходов следует производить каждые 7 - 10 дней. Особенно важны измерения расходов воды в самое засушливое время года, при наименьшей водности реки. Величина наименьшего расхода имеет большое практическое значение для водохозяйственных расчетов. В тех случаях, когда река пересыхает, наблюдатель должен обязательно отметить даты пересыхания и возобновления стока. Если створ расположен на плесе, а пересыхание происходит на более мелких, перекатных участках, наблюдения за пересыханием и возобновлением стока производятся на этих пересыхающих участках.
2) В периоды зарастания русла или при наличии ледяных образований, когда водная растительность или лед затрудняют течение воды и вызывают повышение уровня, не связанное с увеличением водности, измерения расходов производятся в зависимости от колебания уровня воды с учетом хода зарастания и развития ледовых явлений:
- с момента появления в русле реки водной растительности примерно в течение месяца в первый период наиболее быстрого ее роста измерения расходов следует производить каждые 5 - 7 дней, а затем до полного ее отмирания - через 10 - 12 дней. Если в период зарастания русла реки водной растительностью проходят дождевые паводки, частота измерения расходов определяется в зависимости от наибольшей для данной реки высоты этих дождевых паводков, указанной наблюдателю станцией в соответствии с
табл. 9;
- осенью с появлением на реке значительных (более 1/5 ширины реки) заберегов, а при их отсутствии или при малой их ширине - с первого дня ледохода измерения должны производиться в зависимости от условий погоды. При устойчивой морозной, без оттепелей, погоде измерения расходов воды производятся через 3 - 5 дней вплоть до густого ледохода, не позволяющего производить измерение расхода. При неустойчивой, с оттепелями и дождями, погоде измерения учащаются;
- зимой, при ледоставе, с момента, когда толщина льда допускает безопасную работу с него, расходы воды измеряются первые две-три декады каждые 5 дней, а затем при условии устойчивой морозной, без оттепелей, погоды они могут производиться реже - через 15 - 20 дней. В случае наступления оттепелей, во время которых возможно выпадение дождевых осадков и таяние снега, т.е. возможны повышения уровня не только вследствие влияния ледяных образований, но и в результате увеличения водности, измерения расходов следует производить возможно чаще, как только появляется возможность безопасного ведения работ;
- при промерзании реки до дна отмечаются даты промерзания и возобновления стока. Если створ расположен на плесе и промерзание происходит на мелком перекатном участке, наблюдения за промерзанием и возобновлением стока переносятся на этот промерзающий участок.
После вскрытия реки измерения расходов начинаются с первого дня ледохода такой густоты, при которой возможно измерение. Частота измерений расходов воды в этом случае обусловливается наибольшей для данной реки высотой подъема уровня весеннего паводка, согласно
табл. 9.
3) На реках с неустойчивым (деформирующимся) руслом измерения расходов воды производятся в половодье и при прохождении дождевых паводков в зависимости от наибольшей их продолжительности, согласно табл. 10.
Продолжительность паводков, сутки | Частота измерения расходов воды |
на подъеме | на спаде |
Меньше 2 | 1 - 3 в сутки | 1 - 2 в сутки |
2 - 5 | 1 - 2 в сутки | Ежедневно |
5 - 15 | Ежедневно | Через день |
Больше 15 | Через день | Через 2 дня |
Наибольшая продолжительность паводков на данной реке указывается в задании станции на основании результатов предыдущих наблюдений или по опросу жителей. При этом выделяется продолжительность весеннего половодья и дождевых паводков.
В промежутки времени между паводками при плавном, без подъемов, понижении уровня расходы воды измеряются равномерно по мере падения уровня на 10 - 20 см, но не чаще, чем производились измерения на спаде паводка. В период устойчивой межени расходы измеряются каждые 7 - 10 дней (см.
п. 1).
4) На реках, где вследствие значительной деформации русла в профиле и плане связь между уровнем и расходом отсутствует (например, на реках с блуждающим руслом), расходы воды измеряются учащенно: в паводочные периоды - ежедневно, а на малых горных реках - по два-три расхода в сутки и в промежутки времени между паводками - через 3 - 5 дней; всего в течение года до 120 - 150 расходов воды.
5) В случае расположения гидрометрического створа на участке реки, испытывающем переменный подпор, при отсутствии систематических ежедневных наблюдений за уклоном водной поверхности измерения расходов воды производятся учащенно - через 3 - 4 дня, всего до 100 - 120 расходов. При наличии ежедневных наблюдений за уклоном водной поверхности измерения расходов воды в паводочные периоды можно производить в зависимости от продолжительности паводков, примерно по
табл. 10, а в меженный период - через 5 - 10 дней. При вычислении стока, пользуясь наблюденными значениями уклона водной поверхности, можно учесть влияние переменного подпора на зависимость расходов воды от уровня.
9. ИЗМЕРЕНИЕ РАСХОДОВ ВОДЫ
§ 116. Наиболее распространенный способ измерения расхода воды заключается в определении площади водного сечения путем промеров глубин по гидроствору и в измерении в отдельных точках водного сечения скорости течения гидрометрической вертушкой.
При измерении расходов воды производятся следующие работы:
1) запись обстановки работы;
2) промеры глубин (с наблюдением за уровнем воды до и после промеров);
3) измерение скоростей течения воды (с наблюдением за уровнем воды до, во время и после окончания измерения скоростей).
В некоторых случаях, по особому заданию станции, до и после окончания измерения расхода воды определяется уклон водной поверхности. Вычисление расхода выполняется по приходе наблюдателя в рабочее помещение.
§ 117. Перед началом работ необходимо проверить исправность гидрометрической вертушки и принадлежностей к ней, а также наличие и исправность спасательных средств для обеспечения безопасности работ, состояние всего оборудования гидрометрического створа. Для предупреждения несчастных случаев наблюдатель обязан изучить и строго руководствоваться инструкцией по технике безопасности, составленной гидрологической станцией (см.
§ 16).
§ 118. Точность хода секундомера один раз в месяц выверяется по точным карманным (или ручным) часам, имеющим секундную стрелку. Секундомер включается и выключается через 10 мин по часам в момент прохождения секундной стрелкой часов через цифру 60 (или 12). Ход секундомера считается удовлетворительным, если за 10 мин ошибка не превышает 6 с. В противном случае производится регулировка хода. Для этого открывается крышка секундомера и осторожно переводится стрелка регулятора хода в сторону буквы "П" (прибавить), если секундомер отстает, или в сторону буквы "У" (убавить), если секундомер спешит.
Регулировать ход нужно постепенно, небольшими перемещениями стрелки регулятора, каждый раз после этого проверяя ход до тех пор, пока ошибка секундомера не будет превышать допустимую, указанную выше.
Дата последней проверки секундомера записывается в книжке расхода в разделе "Обстановка работ".
В случае наличия недопустимой ошибки в ходе секундомера, не поддающейся регулировке, наблюдатель поста немедленно сообщает об этом на станцию.
§ 119. Все записи данных наблюдений и измерений расхода воды производятся простым черным карандашом в "Книжке для записи измерения расхода воды" КГ-4 (КГ-6). В дальнейшем изложении она будет именоваться сокращенно - книжка расхода.
НАБЛЮДЕНИЯ ЗА УРОВНЕМ ВОДЫ ПРИ ИЗМЕРЕНИИ РАСХОДА
§ 120. Уровень воды измеряется на гидрологическом посту перед началом и после производства промеров глубин, а также перед началом, во время и после окончания измерений скоростей течения с записью времени наблюдения с точностью до 1 мин.
§ 121. Во время измерения скоростей течения на вертикалях уровень воды на основном посту (гидростворе) измеряется 2 - 3 раза (только для расхода воды, измеряемого при прохождении пика половодья или паводка).
При измерении расхода на подъеме или спаде половодья (паводка) дополнительные данные об уровне воды во время измерения скоростей можно получить путем линейной интерполяции между высотами уровня до и после измерения скоростей.
В межень при постоянном уровне воды или незначительном (2 - 3 см) его изменении дополнительные наблюдения за уровнем во время измерения скоростей не производятся.
§ 122. В тех случаях, когда гидроствор расположен на некотором расстоянии от основного поста и при гидростворе оборудован свой пост, наблюдения за уровнем воды производятся на обоих постах.
§ 123. Запись данных наблюдений за высотой уровня воды при измерении расхода производится в книжке в таблице "Высота уровня воды за время измерения расхода" (табл. 11).
Таблица 11
за высотой уровня воды в книжке расхода КГ-4
Высота уровня воды за время измерения расхода |
| время наблюдения ч, мин | гидроствор нуль графика _______ м | основной водпост нуль графика 91,75 м |
N сваи (рейки) | отсчет, см | приводка | над нулем графика | N сваи (рейки) | отсчет, см | приводка | над нулем графика |
Перед измерением скорости | 9 14 | | | | | 5 | 42 | 301 | 343 |
Во время измерения скорости | 9 51 | | | | | 5 | 48 | 301 | 349 |
То же | 10 02 | | | | | 5 | 62 | 301 | 363 |
По окончании измерения скорости | 10 20 | | | | | 5 | 52 | 301 | 353 |
Величина изменения уровня за время измерения скорости | | | | | | | | | 20 |
Расчетный уровень | | | | | | | | | |
СВЕДЕНИЯ ОБ ОБСТАНОВКЕ РАБОТЫ
§ 124. Сведения о состоянии реки, погоде, приборах и оборудовании записываются в раздел книжки расхода "Обстановка работ" по форме, приведенной в ней.
§ 125. Сведения о состоянии реки, если гидрологический пост не совпадает с гидрометрическим створом, указываются отдельно для гидроствора и основного поста.
Отмечаются все явления, совершившиеся за период между измерениями расходов, которые могут вызвать подпор и повлиять на направление и величину скорости течения или отразиться на точности определения расхода воды:
1) Водная растительность. Указывается ширина выкошенной полосы гидроствора и отмечается, в каком состоянии она находится, например, "выкошена чисто", "на дне остатки водной растительности высотой _____ см", "местами появилась новая растительность" и т.п. При наличии на гидростворе остатков или при появлении новой растительности отмечается, на каких вертикалях она могла мешать измерению скорости течения.
Кроме того, указывается степень зарастания водной растительностью русла реки ниже гидроствора (у берегов, сплошь, редкая, густая).
2) Ледовые явления: забереги, закраины (их ширина и местоположение), сало, ледоход (редкий, средний, густой), затор, зажор в _____ м выше (ниже), ледостав, полыньи в гидростворе или выше (ниже), вода течет поверх льда и т.п.
3) Сплав леса: плотами, молем (редко, сплошь); залом леса в _____ м выше (ниже). Следует указать, насколько сплав леса мешал определению расхода воды.
4) Вновь образовавшиеся отмели, косы, осередки, острова.
5) Временные или новые, ранее не отмеченные, сооружения, вызывающие подпор: запруды, перемычки, плотины, запани, мосты; следует указать, на каком расстоянии от гидроствора они расположены.
6) Дноуглубительные и выправительные работы в русле и у берегов и т.п. в _____ м выше (ниже), когда проводились.
7) Расчистка русла на участке гидроствора, произведенная наблюдателем для более точного измерения расхода воды: удаление валунов, крупной гальки, карчей, спрямление берега и тому подобные работы. В этих случаях необходимо измерить уровень воды до расчистки и после, чтобы имелась возможность судить, насколько выполненные работы в русле реки отразились на уровне воды на основном посту.
Сведения о всех перечисленных явлениях даются не для узкой полосы гидроствора, а для участка реки, длина которого выше и ниже по течению указывается станцией. Когда те или иные явления распространены на большом протяжении по длине реки или различны по ее ширине, краткие сведения дополняются более подробными описаниями и сопровождаются зарисовками-схемами (см. также
§ 101).
При отсутствии каких-либо явлений, изменяющих условия течения реки, пишется "свободно".
Сведения о направлении и силе ветра, о состоянии водной поверхности, о вертушке и секундомере указываются в соответствующих строках раздела "Обстановка работ".
При работе с плавсредств (лодки, катера) указывается способ установки и отмечается, на каких вертикалях судно стояло неустойчиво (рыскало).
В случае необходимости привести более подробные сведения, не умещающиеся в разделе "Обстановка работ", запись производится в разделе "Особые замечания" или на дополнительном вкладном листке, который затем подклеивается в книжку расхода.
§ 126. Промеры глубин производятся для вычисления площади водного сечения реки по гидрометрическому створу.
Гидрометрический створ закрепляется на обоих берегах знаками-столбами. Столб на одном из берегов принимается за постоянное начало, от которого всегда измеряются расстояния до каждой промерной вертикали.
§ 127. Для производства промеров в гидрометрическом створе поперек реки при ширине ее не более 300 м натягивается разметочный трос. Установка натяжной лебедки (ворота) и закрепление троса производится с участием техников гидрологической станции.
Нулевая метка на тросе при его натяжении должна совпасть с постоянным началом. Трос натягивается по возможности туго, с наименьшим провесом. Для перемещения лодки вдоль створа и установки ее на вертикали параллельно с разметочным тросом (под ним) натягивается ездовой трос.
В тех случаях, когда ширина реки значительно изменяется при высоких и низких уровнях или когда при большой амплитуде колебания уровня трос в межень оказывается очень высоко подвешенным и пользоваться им становится неудобно, для крепления разметочного троса следует устанавливать на гидростворе несколько дополнительных столбов-кольев, расстояние которых предварительно точно определяется относительно постоянного начала.
При наличии гидрометрического мостика разметка расстояний делается непосредственно на его настиле, а при люлечной (лодочной) переправе - на разметочном тросе. Расстояния на тросе, а также на мостиках и люлечных (лодочных) переправах размечаются инженером или техником. Наблюдатель обязан закрепить метки, следить за их сохранностью и правильностью расположения и при необходимости подновлять, чтобы они всегда были хорошо заметны.
§ 128. Промеры глубин по натянутому разметочному тросу производятся через равные расстояния с таким расчетом, чтобы по ширине реки было не меньше 20 промерных вертикалей. Расстояния между промерными вертикалями, которые следует принимать в зависимости от ширины реки, указываются наблюдателю работником станции. Находящиеся на дне крупные камни, валуны, топляки и другие неровности удаляются из полосы гидроствора, в 10 м выше и 10 м ниже гидроствора.
§ 129. Измерение глубин производится штангой или гидрометрическим грузом на тросе с точностью отсчета до 1 см.
§ 130. Если наибольшие глубины по створу не превышают 3,0 м, для промеров обычно применяется металлическая штанга, на которую после промеров крепится гидрометрическая вертушка. Производить промер глубин штангой или грузом с укрепленной на них вертушкой запрещается.
В ряде случаев при глубинах 3 - 4 м для промеров применяется наметка, представляющая собой круглый деревянный шест толщиной 4 - 6 см (или нарощенная штанга, см.
§ 142). Штанга и наметка для промеров глубин на реках с илистым дном снабжаются поддоном, чтобы конец штанги или наметки не заглублялся в дно.
Во время промеров глубин необходимо следить, чтобы штанга или наметка стояли вертикально. В случае набега воды на штангу отсчет следует производить точно по горизонтальной поверхности воды, учитывая повышения и понижения уровня, которые создаются вокруг штанги. Существенное увеличение точности промера при быстром течении и большом набеге воды на штангу дает применение специального ползунка (рис. 50). Ползунок состоит из втулки, свободно передвигающейся по штанге, к одной стороне которой прикреплена стрелка-указатель, а к противоположной - хвост в виде двух крестообразно расположенных пластинок. Втулка снабжена серьгой, к которой привязывается тонкий шнур. На шнуре на определенном расстоянии от ползунка делается метка (узелок, цветная тряпочка и т.п.) для удобства отсчета глубин по штанге, когда наблюдатель находится высоко над водой.
Рис. 50. Ползунок для промеров глубин при набеге воды
на штангу. (Предложен Л.К. Нейманом, УГМС УзССР.)
При измерении глубины штанга устанавливается на дно реки, а ползунок с помощью шнура опускается на поверхность воды, причем стрелка-указатель показывает уровень вне зоны набега воды перед штангой; хвост устанавливает указатель ползунка против течения. Затем по штанге на уровне метки делается отсчет, равный сумме глубины потока и расстояния от ползунка до метки на шнуре. Глубина потока получается вычитанием из отсчета по штанге постоянной длины шнура до метки.
Пример. Метка сделана на расстоянии 3 м от ползунка, отсчет по штанге 4,87 м; глубина потока равна 4,87 - 3,00 = 1,87 м.
На мелководных горных реках с бурным течением, когда поверхность воды неровная и точный отсчет глубины по штанге затруднен, промеры глубин можно производить от перетянутого через реку троса, от настила (перил) моста или пола (перил) люльки (рис. 51). В этом случае делаются два отсчета на уровне троса (настила или перил): первый отсчет, когда штанга опущена до дна, и второй отсчет, когда штанга нижним концом касается поверхности воды. Разность между этими двумя отсчетами даст значение глубины.
Рис. 51. Схема промеров глубин штангой (наметкой) с люльки
§ 131. Если наибольшие глубины по створу превышают 3 м, промеры производятся гидрометрическим грузом на тросе при помощи лебедки. Большинство лебедок снабжено счетчиком, по которому отсчитывается длина вытравленного троса. Первый отсчет по счетчику отмечается в момент, когда груз коснется нижней своей частью поверхности воды, второй - когда груз коснется дна. Глубина в этом случае находится как разность второго и первого отсчетов.
При счетчике, позволяющем сбрасывать цифры на нуль, такое сбрасывание производится при касании воды нижней поверхностью груза. Тогда отсчет по счетчику при касании грузом дна дает непосредственное значение измеряемой глубины. Момент касания грузом дна хорошо чувствуется рукой по ослаблению натяжения троса. Для большей уверенности в правильности отсчета при касании грузом дна следует один-два раза немного приподнять и опустить груз до дна; отсчеты при этом должны быть одинаковыми или несущественно (на несколько сантиметров) отличаться один от другого.
§ 132. Используя лебедку без счетчика (или в случае повреждения счетчика), промерный трос ее размечается через 1 м. Для удобства трос следует разметить так, чтобы нулевое деление совпадало с нижней поверхностью груза. У лебедки параллельно тросу, идущему с барабана на ролик, укрепляется рейка длиной 1 м, размеченная на сантиметры и своим нулем обращенная к барабану лебедки. В этом случае при касании грузом поверхности воды замечается (или отсчитывается) метровая метка на тросе и деление рейки против этой метки. При касании грузом дна вторично замечается метка на тросе и деление рейки, против которого она оказалась. Разность между этими двумя отсчетами дает глубину (рис. 52).
Рис. 52. Измерение глубин грузом
на тросе при использовании лебедки без счетчика
Цифры - метки целых метров
Пример. В первом положении метка "2" (второй метр) на тросе стояла против 30 см, что соответствует отсчету 2,30 м; во втором положении метка "8" стояла против 70 см на рейке, что соответствует отсчету 8,70 м. Глубина равна: 8,70 - 2,30 = 6,40 м.
§ 133. При больших скоростях течения (особенно на стрежневых вертикалях) груз на тросе, опускаясь на дно, отклоняется от вертикального положения, что ведет к завышению измеренной глубины. Для измерения угла отклонения троса от вертикального положения применяется угломер с отвесом (рис. 53).
Рис. 53. Схема измерения угла относа троса
Отклонение троса от вертикали до 10° во внимание не принимается. При отклонении троса от вертикали на 10° и более гидрометрический створ оборудуется приспособлением для оттяжки троса, благодаря которому трос принимает почти вертикальное положение (рис. 54).
Рис. 54. Схема устройства оттяжек
При невозможности устройства такого приспособления (например, из-за большой ширины реки) в случае, если угол отклонения троса от вертикали будет превышать 10°, его следует измерить угломером и записать в
графу 7 книжки КГ-4, а в дальнейшем учесть при обработке. Поправки на относ троса вводятся по таблице
(приложение 7).
В случае работы с моста или люльки, высоко расположенных над поверхностью воды, приспособление для оттяжки троса следует применять при отклонении троса от вертикали на 5° и более. Если сделать такое приспособление почему-либо не удается, следует измерять углы относа троса угломером (с точностью отсчета до 1°) и записывать их в
графу 7 книжки расхода (табл. 12). Поправки в измеренные глубины вводятся на гидрологической станции.
Таблица 12
Пример записи данных промеров глубин в книжке расхода КГ-4
Промеры |
N вертикали | расстояние от постоянного начала, м | глубина, м | угол относа троса | поправка на угол относа | глубина, м | расстояние между вертикалями | площадь водного сечения, м2 |
промерной | скоростной | I | II | средняя | глубина погружения льда, м | глубина погружения шуги, м | рабочая | со срезкой | между вертикалями | между промерными вертикалями | между скоростными вертикалями |
1 | | 3 | | | | | | | 10 | 11 | 12 | 13 | 14 |
I. При промере штангой, лотом или грузом без отклонения от вертикали |
1 | Урез л/б | 9,5 | | | | | | 0,10 | | | | | |
2 | 1 | 10 | | | | | | 1,40 | | | | | |
3 | | 12 | | | | | | 1,68 | | | | | |
4 | 2 | 14 | | | | | | 1,75 | | | | | |
5 | | 16 | | | | | | 1,85 | | | | | |
и т.д. | | | | | | | | | | | | | |
22 | Урез п/б | 49 | | | | | | 0 | | | | | |
II. С поправкой на угол относа троса |
1 | Урез п/б | 29,5 | | | 0,26 | | | 0,26 | | | | | |
2 | 1 | 30 | | | 0,71 | | | 0,71 | | | | | |
3 | | 32 | | | 1,87 | | | 1,87 | | | | | |
4 | 2 | 34 | | | 2,38 | | | 2,38 | | | | | |
5 | | 36 | | | 2,62 | 5° | - | 2,62 | | | | | |
6 | 3 | 38 | | | 2,88 | 6 | - | 2,88 | | | | | |
7 | | 40 | | | 3,62 | 10 | 0,02 | 3,60 | | | | | |
8 | 4 | 42 | | | 4,08 | 12 | 0,03 | 4,05 | | | | | |
9 | | 44 | | | 4,40 | 18 | 0,07 | 4,33 | | | | | |
и т.д. | | | | | | | | | | | | | |
21 | Урез л/б | 75 | | | 0 | | | 0 | | | | | |
Чтобы избежать введения поправок на относ троса, следует подобрать такую массу стандартного гидрометрического груза, при которой угол относа будет незначителен. При этом необходимо учитывать глубину потока, наибольшую скорость течения на стрежневой вертикали и диаметр применяемого троса. Ниже приводится таблица массы гидрометрических грузов, применение которых не требует введения поправок на относ троса
(табл. 13).
Для гидрометрических работ на реках, учитывая, что максимальная масса груза составляет 100 кг, применять трос диаметром более 3 мм не рекомендуется.
Применение оттяжек при промерах глубин горных рек с помощью груза на тросе не устраняет полностью ошибок в промере за счет искривления подводной части троса. В этом случае глубины по данным промера будут завышены, причем величина завышения зависит от массы груза и скорости потока. Так, при массе груза 50 кг и скорости потока 3,0 м/с завышение глубины составит около 5%, а при скорости 4,0 м/с - около 7%. Поэтому на устройство оттяжки следует идти лишь в крайнем случае, если в наличии нет грузов надлежащей массы, при которых введение поправок не требуется.
Таблица 13
Масса гидрометрического груза (кг)
для измерения глубин без введения поправок на относ троса
Глубина на вертикали, м | Наибольшая скорость (на стрежне), м/с | Диаметр троса, мм | Глубина на вертикали, м | Наибольшая скорость (на стрежне), м/с | Диаметр троса, мм |
2 | 3 | 2 | 3 |
2 | 1,0 | 15 | 15 | 8 | 1,0 | 15 | 15 |
2,0 | 15 | 15 | | 2,0 | 25 | 50 |
3,0 | 50 | 50 | | 3,0 | 75 | 100 |
4,0 | 75 | 75 | | 3,5 | 100 | - |
4 | 1,0 | 15 | 15 | 10 | 1,0 | 15 | 15 |
2,0 | 15 | 25 | | 2,0 | 50 | 50 |
3,0 | 50 | 75 | | 3,0 | 75 | - |
3,5 | 75 | 100 | | 3,5 | 100 | - |
4,0 | 100 | - | | | | |
6 | 1,0 | 15 | 15 | 15 | 1,0 | 15 | 15 |
2,0 | 25 | 50 | | 2,0 | 50 | 75 |
3,0 | 75 | 75 | | 2,5 | 75 | 100 |
3,5 | 75 | - | | 3,0 | 100 | - |
4,0 | 100 | - | | | | |
Примечание. Если поверхностная скорость на стрежневых вертикалях реки будет превышать значения, указанные в таблице, для устранения относа троса следует применять приспособление в виде оттяжек (при небольшой ширине реки).
§ 134. Промеры глубин производятся один раз перед измерением скоростей течения. На реках с неустойчивым руслом промеры производятся дважды: до и после измерения скоростей.
§ 135. На реках с устойчивым руслом, по особым указаниям станций, допускается производить промеры глубин не при каждом, а через два-три измерения расхода воды.
§ 136. Запись промеров глубин при свободном ото льда русле производится в книжке расхода в разделе "Промеры" по приведенной форме (см.
табл. 12).
При промерах штангой или грузом на тросе (без отклонения троса от вертикали) при отсутствии ледяного покрова значения измеренных глубин записываются сразу в
графу 9, как это показано в
табл. 12 (пример I).
В первой и последней строках, соответствующих первой и последней промерным вертикалям на урезе воды, в
графе 2 записывается "Урез л/б" или "Урез п/б" (урез левого или правого берега), а в
графу 9 - глубина на урезе. При обрывистых берегах эта глубина может быть не равна нулю.
Графы 4 и
5 заполняются только в тех случаях, когда глубина измеряется при неустойчивом русле в два хода - "туда" и "обратно".
§ 137. При промерах грузом на тросе в случае отклонения его на больших скоростях течения от вертикального положения значения измеренной глубины записываются в
графу 6 табл. 12
(пример II).
Значение угла относа троса записывается в
графу 7. При промерах в два хода значения углов относа троса записываются в
графу 7 дробью (числитель - при измерении "туда", а знаменатель - по ходу "обратно").
ИЗМЕРЕНИЕ СКОРОСТИ ТЕЧЕНИЯ ГИДРОМЕТРИЧЕСКОЙ ВЕРТУШКОЙ
§ 138. Для измерения скорости течения воды на гидрологической сети применяются следующие типы стандартных гидрометрических вертушек: ГР-21, ГР-21М (рис. 55), ГР-55
(рис. 56), ГР-99
(рис. 57). Описание конструкции перечисленных вертушек, правила обращения и ухода за ними даются в
приложениях 5 и
6.
Рис. 55. Гидрометрическая вертушка ГР-21М
Рис. 56. Гидрометрическая вертушка ГР-55
Рис. 57. Гидрометрическая вертушка ГР-99 (однооборотная)
§ 139. Чтобы по числу оборотов определить скорость течения, вертушка тарируется, т.е. для каждой вертушки выявляется зависимость числа оборотов, совершенных лопастным винтом в единицу времени, от заранее известной скорости. Вертушки тарируются на специальных тарировочных станциях. Число оборотов лопастного винта учитывается по сигналам, которые получаются в результате электрического контакта после определенного для каждого типа вертушки числа оборотов лопастного винта. У вертушек ГР-21, ГР-21М, ГР-55 сигнал дается через 20 оборотов, у вертушки ГР-99 - при каждом обороте лопастного винта. Вертушка ГР-55 снабжена двумя лопастными винтами: винт N 1 применяется при скоростях течения от 0,05 до 2,5 м/с, винт N 2 - от 2,5 до 5,0 м/с.
§ 140. Сигнал получается по следующей простой электрической схеме (рис. 58). Электрический ток от положительной клеммы батареи
2 (состоящей из двух сухих элементов) идет к электрическому звонку
3, а от него к клемме вертушки
1, соединенной непосредственно с ее корпусом, затем через контактное устройство вертушки к другой ее клемме (изолированной от корпуса эбонитовой втулкой), а от нее - к отрицательной клемме батареи
2. Вместо звонка иногда применяется зуммер или лампочка от карманного фонаря.
Рис. 58. Схема присоединения
электробатареи и звонка к вертушке:
1 - клемма вертушки; 2 - электробатарея; 3 - звонок
Сухие элементы соединяются в батарею последовательно, т.е. провод одного элемента, обозначенный знаком плюс (+), соединяется с проводом, обозначенным знаком минус (-) другого элемента.
Для удобства в работе провод от элемента со знаком (+) можно присоединять не к клемме корпуса вертушки, а прямо к верхнему концу штанги или корпусу лебедки, но при условии, что будет обеспечен надежный контакт.
§ 141. При работе с вертушкой должны соблюдаться "Правила обращения и ухода за гидрометрическими вертушками"
(приложение 6).
В случае повреждения лопастного винта или удара им о какой-либо предмет хотя бы без видимых повреждений винта следует немедленно отметить это в книжке расхода.
§ 142. Измерение скорости течения вертушкой на штанге может производиться в двух вариантах.
1) Штанга упирается нижним концом в дно, а вертушка устанавливается на ней так, чтобы ось ее находилась на требуемой глубине. Вертушка при этом должна быть неподвижно закреплена на штанге зажимными винтами. Вертушку следует всегда устанавливать перпендикулярно направлению гидроствора. При опускании на глубину наблюдатель обычно не видит, как расположена вертушка в потоке. Для контроля правильности положения вертушки на верхнюю часть штанги надевается указатель и закрепляется так, чтобы направление его совпадало с направлением корпуса вертушки (совмещается с направлением оси лопастного винта). Такая схема крепления вертушки является наиболее рациональной. В этом случае любая из следующих типов вертушек ГР-21М, ГР-55, ГР-99, установленная перпендикулярно к гидроствору, фиксирует скорость потока с достаточной точностью. При косоструйности потока порядка 40° ошибка в измерении скорости составит не более 5% (в сторону завышения). Вертушка ГР-21 в этих условиях дает ошибку до 15%.
При работе вертушкой, закрепленной на штанге, прикрепление хвоста не обязательно. Хвост надевается только в случае работы при больших скоростях (более 2,0 м/с), когда вертушку трудно удерживать против течения. Необходимо следить, чтобы штанга не была наклонена вниз по течению, а стояла на скоростной вертикали строго отвесно. Для этого при опускании в воду нижний конец штанги заносится несколько вверх по течению.
При свободном русле работать вертушкой, не закрепленной на штанге, не рекомендуется. В зимний период при работе со льда допускается измерять вертушкой, свободно перемещаемой по штанге (см.
§ 172).
2) Штанга не упирается в дно, а подвешивается так, чтобы ее нижний конец находился на требуемой глубине; вертушка закрепляется на нижнем конце штанги и поднимается или опускается вместе с ней. Такой способ устраняет необходимость перестановки вертушки по штанге при переходе с одной точки на другую. Для облегчения работы со штанги следует применять штангодержатель, а на люльках - приспособление в виде небольшой вьюшки (лебедки) (рис. 59). Схема установки вьюшки на люльке показана на
рис. 60.
Рис. 59. Вьюшка для подъема
и опускания штанги при работе с люльки
Рис. 60. Схема оборудования гидрометрической люльки
для работы подъемной штангой:
1 - зажимное кольцо; 2 - штанга; 3 - люлька;
4 - вьюшка; 5 - оттяжка; 6 - оттяжной трос
При быстром течении обязательно применение оттяжек для крепления штанги. Один конец оттяжки закрепляется у нижнего конца штанги с помощью зажимного кольца, другой конец пропускается через блок, передвигающийся по оттяжному тросу, и направляется в люльку или на мостик (см.
рис. 60).
При большой высоте подвеса мостика (люльки) над водой применяется нарощенная штанга длиной 4,5 - 6,0 м; при наличии оттяжки применение нарощенной штанги возможно при скорости течения до 4 м/с.
§ 143. При работе вертушкой с троса должен применяться специальный трос с токопроводной жилой диаметром 2,8 мм.
Для уменьшения угла относа троса течением воды к нему подвешивается гидрометрический груз легкообтекаемой формы (типа ПИ-1), обеспечивающий, по сравнению с другими конструкциями, значительно меньший угол относа при больших скоростях течения и характеризующийся большей устойчивостью в потоке. Вертушка устанавливается на носовом штыре гидрометрического груза или на кронштейне (
рис. 1, приложение 11).
§ 144. Вертушка, подвешенная на тросе, принимает направление течения. В этом случае показания вертушки при наличии косоструйности будут несколько завышены, так как вертушка будет измерять скорость, а не ее проекцию на нормаль к створу. При измерении значительных скоростей, особенно в потоках с косоструйностью течения более 15°, крепление вертушки на вертлюге недопустимо, так как показания вертушки будут значительно завышены.
Из опыта работы установлено, что незначительная (до 10°) косина струй вызывает небольшую ошибку (порядка 1,5%), поэтому она не учитывается. При косине струй более 10° кроме величины скорости необходимо измерять и направление течения.
§ 145. Перед каждым измерением расхода воды трос необходимо внимательно осмотреть, чтобы на нем не было узлов, "перекруток", порванных проволочек и т.д., которые могут вызвать обрыв. В случае обнаружения каких-либо нарушений поверхности троса или ржавчины трос следует отправить на станцию для испытаний на разрыв. После работы трос обтирается сухой тряпкой, обсушивается и затем протирается масляной тряпкой.
§ 146. При больших скоростях течения для устранения относа троса от вертикали рекомендуется применять оттяжки, а при невозможности использовать оттяжки из-за большой ширины реки - измерять угол относа троса (подробнее см.
§ 133).
§ 147. При работе вертушкой на тросе с судна нужно следить за тем, чтобы вертушка и груз находились вне зоны возмущений, вызываемых обтеканием судна потоком. Граница указанной зоны легко определяется на глаз (рис. 61). При возможности следует опускать вертушку с носовой части судна, где эта зона имеет наименьшую ширину.
Рис. 61. Примерный вариант расположения
гидрометрического оборудования в гребной лодке:
1 - волны, вызываемые обтеканием корпуса лодки; 2 - банка;
3 - гидрометрический груз с вертушкой; 4 - стрела лебедки;
5 - трос лебедки; 6 - барабан лебедки
§ 148. Вертикали, на которых измеряются скорости течения, их количество и местоположение по ширине реки назначаются инженером или техником станции. Все скоростные вертикали совмещаются с промерными и закрепляются (на разметочном тросе, настиле моста, на льду) особыми метками, отличными от меток на промерных вертикалях. Метки делаются для более точной установки вертушки на вертикали.
Во всех других более сложных условиях, когда на вертикалях следует устанавливаться по береговым створным вехам или по инструментальным засечкам с берега, измерение расхода воды производится инженером или техником станции при участии наблюдателя.
§ 149. Кроме постоянных скоростных вертикалей иногда возникает необходимость назначать дополнительные вертикали для измерения скоростей течения воды вблизи берегов, если постоянные вертикали при данном уровне оказываются расположенными далеко от урезов воды. Эти вертикали назначаются наблюдателем.
Если ближайшая к берегу постоянная скоростная вертикаль окажется от уреза воды дальше половины расстояния между ближайшими соседними скоростными вертикалями, назначается дополнительная прибрежная скоростная вертикаль.
При плавном уменьшении глубин к берегу прибрежная вертикаль назначается посередине между урезом воды и ближайшей постоянной скоростной вертикалью.
При обрывистом береге, а также у набережных с отвесной стенкой и мостовых опор дополнительные вертикали у берегов и в мостовых пролетах назначаются вблизи уреза, но не ближе чем в 0,3 м от него и обязательно вне зоны береговых водоворотов.
§ 150. Если обнаружится, что на намеченной прибрежной вертикали течение отсутствует или скорость его меньше предельных скоростей (0,08 м/с), ниже которых измерения вертушкой производить не рекомендуется, так как возможны недопустимые погрешности, производится дополнительное обследование береговых участков при помощи глубинных поплавков
(§ 176).
Несколькими последовательными пусками глубинных поплавков определяется граница прибрежной зоны, где течение отсутствует; эта зона называется мертвым пространством. Прибрежная скоростная вертикаль назначается там, где глубинный поплавок покажет скорость не меньшую допустимой для измерения вертушкой (0,08 м/с).
Если промежуток между границей мертвого пространства и ближайшей постоянной вертикалью окажется меньше половины расстояния между соседними вертикалями, прибрежная дополнительная вертикаль не назначается и скорость течения измеряется только на ближайшей постоянной вертикали. В тех случаях, когда пространство с малыми скоростями течения, недоступными для измерения вертушкой, захватывает несколько постоянных вертикалей, скорости на них измеряются не вертушкой, а глубинным поплавком.
Если в прибрежной зоне наблюдаются обратные течения и водовороты, она относится к мертвому пространству. О наличии обратных течений указывается в примечании в книжке расхода. Результаты обследования береговых участков записываются в книжку расхода по форме, приведенной на с. 3.
§ 151. В межень при значительном сужении русла, когда в поперечном сечении потока по его ширине остаются только две-три скоростные вертикали из числа действующих в половодье, между ними назначаются дополнительные вертикали, чтобы общее количество вертикалей было не менее пяти - семи. Расположение дополнительных скоростных вертикалей для меженного русла устанавливается инженерно-техническим персоналом станции.
§ 152. При неустойчивом русле, если между постоянными скоростными вертикалями появляются резко выраженные понижения или повышения дна, наблюдатель назначает в этих местах дополнительные вертикали.
§ 153. На реках с блуждающим руслом наблюдатель сам назначает скоростные вертикали после каждого значительного перемещения русла. При правильном профиле русла вертикали назначаются через равные расстояния в количестве не менее пяти (например: при ширине реки менее 20 м вертикали назначаются через 0,5 - 2,0 м; при ширине реки от 20 до 40 м - через 2 - 3 м). При наличии резких переломов профиля русла вертикали назначаются не равномерно, а приурочиваются к переломам профиля.
§ 154. Если после перемещения русла общее направление реки на глаз заметно изменилось по отношению к гидроствору, наблюдатель должен сообщить об этом на станцию для изменения направления гидроствора или его переноса в такое место, где основное направление течения реки было бы перпендикулярно вновь намечаемому гидроствору. Об изменении положения или о переносе гидроствора должна быть сделана подробная запись в книжке расхода.
§ 155. Всем постоянным скоростным вертикалям присваивают порядковые номера.
Дополнительным вертикалям придается номер ближайшей постоянной скоростной вертикали с указанием расстояния от нее со знаком минус, если дополнительная или прибрежная вертикаль расположена ближе к постоянному началу, и со знаком плюс, если дальше (рис. 62). Например: N 2 -2,5 м, N 8 +2,0 м (см. рис. 62).
Рис. 62. Порядок нумерации
дополнительных прибрежных вертикалей
§ 156. Перед измерением скорости течения на каждой скоростной вертикали вначале измеряется рабочая глубина, чтобы убедиться, что она совпадает с глубиной, полученной по промеру, или по крайней мере близка к ней.
Рабочей глубиной скоростной вертикали, так же как и на промерных вертикалях, считается расстояние по вертикали от дна до поверхности воды, а при наличии льда (шуги) - до нижней поверхности льда (шуги).
При неизменном уровне воды разница в глубинах на вертикали по промеру и в момент измерения скорости в условиях устойчивого русла не должна превышать 2 - 3 см при глубинах до 1 м, 5 см при глубинах от 1 до 3 м. При большей разнице промер следует повторить.
В случаях быстрых изменений уровня за время измерения расхода воды, а также при измерении расхода на реках с неустойчивым руслом, когда глубины могут изменяться очень быстро, расхождения между значениями глубины по промеру и во время измерения скорости течения неизбежны и поэтому во внимание не принимаются.
§ 157. Сведения о местоположении и глубине скоростной вертикали при свободном ото льда русле записываются в книжку расхода в разделе "Измерения на скоростных вертикалях"
(табл. 14).
При измерении скорости течения вертушкой на штанге глубина вертикали записывается в
графу 13, так как измеренная штангой глубина при отсутствии ледяного покрова будет являться рабочей глубиной;
графы 5 -
12 в этом случае остаются незаполненными (см.
табл. 14, пример I).
При измерении скорости течения вертушкой, подвешенной на тросе, вначале измеряют расстояние от оси вертушки до нижней поверхности груза (рис. 63). Это расстояние записывается в
графу 8; для всех вертикалей оно остается постоянным. Затем вертушка погружается в воду до оси лопастного винта и при этом положении записывается показание счетчика на лебедке в
графу 5. Если счетчик имеет приспособление, сбрасывающее показания на нуль, это сбрасывание производится при положении оси вертушки на поверхности и в
графу 5 записывается цифра 0 (см.
табл. 14, пример II).
Рис. 63. Положение вертушки "ось на поверхности воды"
Если счетчик не имеет приспособления для сброса на нуль, в графу 5 записывается показание счетчика, которое было при положении оси вертушки на поверхности воды (см.
табл. 14, пример III).
Таблица 14
Пример записи данных измерения
на скоростных вертикалях в книжке расхода КГ-4
Измерения на скоростных вертикалях | |
глубина скоростных вертикалей | глубина погружения вертушки | скорости |
N скоростной вертикали | расстояние от постоянного начала, м | время работы (на 0,2 или 0,15h), ч мин | уровень воды, см (над нулем графика) | показания счетчика глубин | расстояние от оси вертушки до низа груза, м | глубина, м | угол относа троса | поправка на угол относа | рабочая глубина, м | от поверхности воды | отсчет по штанге или по счетчику в точке | номер последнего сигнала | сумма оборотов | продолжительность измерения, с | число оборотов в 1 с | скорость, м/с | средняя скорость на вертикали, м/с |
ось вертушки на поверхности | низ груза на дне | разность | при измерении скорости | по промеру | глубина погружения льда, м | глубина погружения шуги, м | в долях глубины | м |
1 | 2 | 3 | 4 | | | | | | 10 | 11 | | | 14 | | | | | | | | |
I. При измерении вертушкой на штанге |
| | | | | | | | | | | | | 0,2 (0,15) | 0,48 | 1,92 | 22 | 440 | 105 | 4,19 | 1,09 | |
| | | | | | | | | | | | | (0,5) | | | | | | | | 1,02 |
5 | 16 | 11 25 | | - | - | - | - | - | - | - | - | 2,40 | 0,8 (0,85) | 1,92 | 0,48 | 19 | 380 | 103 | 3,69 | 0,95 | |
II. При измерении вертушкой на тросе (лебедка со счетчиком, имеющим сброс на нуль) |
| | | | | | | | | | | | | 0,2 (0,15) | 0,72 | 0,72 | 21 | 420 | 103 | 4,08 | 1,06 | |
| | | | | | | | | | | | | (0,5) | | | | | | | | 1,01 |
7 | 32 | 12 40 | | 0 | 3,30 | 3,30 | 0,32 | 3,62 | | - | - | 3,62 | 0,8 (0,85) | 2,88 | 2,88 | 19 | 380 | 102 | 3,72 | 0,96 | |
III. То же, но счетчик без сброса на нуль |
| | | | | | | | | | | | | 0,2 (0,15) | 0,72 | 3,47 | | | | | | |
| | | | | | | | | | | | | (0,5) | | | | | | | | |
7 | 32 | 12 40 | | 2,75 | 6,05 | 3,30 | 0,32 | 3,62 | | - | - | 3,62 | 0,8 (0,85) | 2,88 | 5,63 | | | | | | |
IV. То же, но при наличии относа троса |
| | | | | | | | | | | | | 0,2 (0,15) | 0,96 | 3,11 | | | | | | |
| | | | | | | | | | | | | (0,5) | | | | | | | | |
| | | | 2,75 | 7,25 | 4,50 | 0,32 | 4,82 | | 25 | 16 | 4,66 | 0,8 (0,85) | 3,84 | 6,59 | | | | | | |
После этого опускают вертушку до соприкосновения груза с дном и делают новый отсчет, который записывают в
графу 6. Разность между первым и вторым отсчетом записывают в
графу 7.
В случае повреждения счетчика лебедки в
графах 5 и
6 записывают целые метры по меткам на тросе и доли метра по рейке (см.
§ 132).
В
графу 9 ("Глубина при измерении скорости") записывают сумму цифр в
графах 7 и
8. Если отсутствует отклонение троса от вертикального положения или угол его меньше 10°, значение глубины, записанное в
графе 9, будет являться рабочей глубиной и должно быть переписано в
графу 13. При наличии отклонения троса от вертикали на угол 10° и более величина поправки на относ троса в
графе 12 вычитается из значения глубины в
графе 9 и полученный результат записывается в
графу 13 "Рабочая глубина" (см.
табл. 14, пример IV).
§ 158. Измерение скорости течения на вертикали детальным способом производится при свободном (ото льда и водной растительности) русле в следующих пяти точках по глубине вертикали: у поверхности, на 0,2h, на 0,6h, на 0,8h и у дна (рис. 64). Этот способ дает наиболее точное значение средней скорости на вертикали и применяется по указанию станции на вновь открытых гидростворах в первые два года их действия. На малых реках измерение расходов воды детальным способом может быть поручено наблюдателю поста по указанию станции. Данные измерений записываются в книжке расхода КГ-3.
Рис. 64. Расположение вертушки в точках по глубине вертикали
(при измерении детальным способом)
Первая точка - у поверхности. Ось вертушки устанавливается возможно ближе к поверхности воды, но так, чтобы лопастный винт не выходил из воды.
В зависимости от размера лопастного винта (от его диаметра) ось вертушки устанавливается следующим образом:
вертушка ГР-21 вертушка ГР-21М | | в 6 см от поверхности воды; |
вертушка ГР-55 вертушка ГР-99 | | в 4 см от поверхности воды. |
При волнении вертушка укрепляется глубже, чтобы лопастный винт не обнажался.
Вторая, третья и четвертая точки рассчитываются в долях 0,2, 0,6, 0,8 рабочей глубины h по таблице глубин, напечатанной на обложке книжки расхода КГ-3.
При глубинах менее 1 м расчет глубин установки оси вертушки в точках вертикали производится по
табл. 15. Точки измерения скорости располагаются так, чтобы лопастный винт охватывал по слоям всю глубину вертикали (рис. 65).
Рис. 65. Схема расположения точек измерения скорости
детальным способом на вертикалях с глубинами менее 1 м
Пятая точка - у дна. Ось вертушки устанавливается в зависимости от диаметра лопастного винта возможно ближе ко дну, но так, чтобы при вращении лопастный винт не задевал дна, т.е.:
вертушка ГР-21 вертушка ГР-21М | | в 7 - 8 см от дна; |
вертушка ГР-55 вертушка ГР-99 | | в 5 - 6 см от дна. |
На горных реках с бурным течением и галечно-каменистым руслом ось вертушки следует устанавливать на 1 - 2 см выше указанных норм для предохранения от поломки лопастного винта вертушки перекатывающимися по дну камнями.
При работе с троса ось вертушки располагается на 10 см и более от дна в зависимости от массы груза и способа крепления вертушки. В положении касания грузом дна нельзя опускать вертушку ниже, давая слабину тросу. При волнении, в случае качки лодки, вертушку следует приподнимать, чтобы груз не ударялся о дно. Измерения вертушками ГР-21, ГР-21М при глубине потока менее 10 см недопустимы, а для вертушек ГР-55 и ГР-99 наименьшая глубина составляет 6 см.
При наличии в русле водной растительности или ледяного покрова к пяти вышеуказанным точкам прибавляется шестая - на 0,4 рабочей глубины. В этом случае при работе со штанги глубина установки оси вертушки определяется по графе 0,6 таблицы глубин. Измерения в пяти или шести точках могут поручаться наблюдателю по указанию начальника станции.
При ледяном покрове точка у поверхности воды заменяется точкой у нижней поверхности льда при этом лопастный винт вертушки, находясь вблизи нижней поверхности льда, не должен касаться его, т.е. ось вертушки должна устанавливаться на таком же расстоянии от нижней поверхности льда, как и от дна. При наличии ледяного покрова измерения вертушками ГР-21 и ГР-21М на рабочей глубине менее 15 см и вертушками ГР-55 и ГР-99 на рабочей глубине 8 см не допускаются.
§ 159. Измерение скорости на вертикали основным способом производится: при свободном русле в двух точках (0,2 и 0,8 рабочей глубины); при ледоставе и наличии в русле водной растительности в трех точках (0,15; 0,5 и 0,85 рабочей глубины).
Таблица 15
Глубина (в сантиметрах от дна) точек измерения скорости
при детальном способе в случае малых глубин (менее 1 м)
N точки по вертикали | Глубина установки оси вертушки в точках измерения скорости при рабочей глубине, равной (см) |
95 | 90 | 85 | 80 | 75 | 70 | 65 | 60 | 55 | 50 | 45 | 40 | 35 | 30 | 28 | 26 | 24 | 22 | 20 | 18 | 16 | 14 | 12 | 10 | 6 |
Вертушки ГР-21, ГР-21М |
1 | 87 | 82 | 77 | 72 | 67 | 62 | 59 | 54 | - | - | - | - | - | - | - | - | - | - | - | - | - | - | - | - | - |
2 | 67 | 63 | 59 | 56 | 52 | 49 | 47 | 42 | 47 | 44 | 40 | - | - | - | - | - | - | - | - | - | - | - | - | - | - |
3 | 47 | 45 | 42 | 40 | 37 | 35 | 33 | 30 | 34 | 32 | 29 | 32 | 29 | - | - | - | - | - | - | - | - | - | - | - | - |
4 | 27 | 26 | 25 | 24 | 22 | 21 | 20 | 18 | 21 | 20 | 18 | 20 | 18 | 22 | 20 | 19 | 17 | - | - | - | - | - | - | - | - |
5 | 8 | 8 | 8 | 8 | 8 | 8 | 8 | 8 | 8 | 8 | 8 | 8 | 8 | 8 | 8 | 8 | 8 | 8 | 8 | 8 | 8 | 8 | 7 | 7 | - |
Вертушки ГР-55, ГР-99 |
1 | - | - | - | - | - | - | - | - | 50 | 45 | 40 | 35 | - | - | - | - | - | - | - | - | - | - | - | - | - |
2 | - | - | - | - | - | - | - | - | 39 | 35 | 32 | 28 | 30 | 26 | - | - | - | - | - | - | - | - | - | - | - |
3 | - | - | - | - | - | - | - | - | 27 | 25 | 23 | 20 | 22 | 19 | 24 | 22 | 20 | 18 | - | - | - | - | - | - | - |
4 | - | - | - | - | - | - | - | - | 16 | 15 | 14 | 12 | 14 | 12 | 15 | 14 | 13 | 12 | 16 | 14 | 12 | - | - | - | - |
5 | - | - | - | - | - | - | - | - | 5 | 5 | 5 | 5 | 5 | 5 | 5 | 5 | 5 | 5 | 5 | 5 | 5 | 7 | 6 | 6 | 5 |
При глубинах потока менее 40 см скорость на вертикали измеряется в одной данной точке: при открытом русле на 0,6, а подо льдом на 0,5 рабочей глубины.
В настоящее время на большинстве постов Гидрометслужбы СССР расходы воды измеряются основным способом.
§ 160. Расчет глубины погружения вертушку при измерении скоростей в точках, соответствующих долям рабочей глубины, производится по таблице глубин, напечатанной на обложке книжки расхода. Глубины в таблице даны от поверхности воды (для работы вертушкой с троса). При этом в измеренные рабочие глубины скоростных вертикалей поправки на относ троса не вводятся.
При работе вертушкой, закрепленной на штанге, положение точки берется по той же таблице глубин, но в обратном порядке (так как деления на штанге возрастают от дна к поверхности): значения глубин установки оси вертушки в точках 0,2; 0,6 и 0,8 берутся соответственно из граф 0,8; 0,4 и 0,2 таблицы. Подобным же образом определяется установка оси вертушки на 0,15 и 0,85 рабочей глубины. Ниже приводится усовершенствованная таблица глубин опускания вертушки
(табл. 16).
Расстояние между точками при измерении скорости на вертикали должно быть не менее диаметра лопастного винта вертушки.
При глубинах до 1 м цифры в таблице глубин читаются в миллиметрах, которые надо переводить в см, а при больших глубинах - в сантиметрах (такой порядок составления таблицы позволил значительно сократить ее объем).
Для глубин до 1 м установка вертушки в заданной точке может быть выполнена с точностью до 1 см. Глубины больше 1 м (читаемые в таблице в сантиметрах) даны до 2 м через 5 см, а свыше 2 м - через 10 см. Поэтому, чтобы не прибегать к интерполяции, вычисление глубины погружения производится для измеренного значения глубины с округлением до ближайшего в таблице числа, оканчивающегося на 0 или 5.
Пример. 1) Измеренные глубины вертикали 1,61 и 1,62 м округляются до 1,60 м, а глубины 1,63 и 1,64 м до 1,65 м. 2) Измеренные глубины 3,61 - 3,65 м округляются до 3,60 м, а глубины 3,66 - 3,69 м - до 3,70 м.
§ 161. Запись глубины установки вертушки при свободном русле производится в
графы 15 и
16 (см. табл. 14).
В
графу 15 при работе с троса записывается глубина погружения вертушки, рассчитанная по таблице глубин, напечатанной на обложке книжки расхода.
В
графу 16 при работе вертушкой на штанге записывается деление штанги, на котором укреплена вертушка, т.е. высота установки вертушки над дном (см.
табл. 14, пример I).
Таблица 16
Таблица глубин погружения
вертушки в заданные точки вертикали
Вертушка на тросе |
h | открытое без растительности русло | при растительности и ледяном покрове | h | открытое без растительности русло | при растительности и ледяном покрове |
0,2 | 0,8 | 0,15 | 0,50 | 0,85 | 0,2 | 0,8 | 0,15 | 0,50 | 0,85 |
100 | 20 | 80 | 15 | 50 | 85 | 400 | 80 | 320 | 60 | 200 | 340 |
105 | 21 | 84 | 16 | 52 | 89 | 410 | 82 | 328 | 62 | 205 | 348 |
110 | 22 | 88 | 16 | 55 | 94 | 420 | 84 | 336 | 63 | 210 | 357 |
115 | 23 | 92 | 17 | 58 | 98 | 430 | 86 | 344 | 64 | 215 | 366 |
120 | 24 | 96 | 18 | 60 | 102 | 440 | 88 | 352 | 66 | 220 | 374 |
125 | 25 | 100 | 19 | 62 | 106 | 450 | 90 | 360 | 68 | 225 | 382 |
130 | 26 | 104 | 20 | 65 | 110 | 460 | 92 | 368 | 69 | 230 | 391 |
135 | 27 | 108 | 20 | 68 | 115 | 470 | 94 | 376 | 70 | 235 | 400 |
140 | 28 | 112 | 21 | 70 | 119 | 480 | 96 | 384 | 72 | 240 | 408 |
145 | 29 | 116 | 22 | 72 | 123 | 490 | 98 | 392 | 74 | 245 | 416 |
150 | 30 | 120 | 22 | 75 | 128 | 500 | 100 | 400 | 75 | 250 | 425 |
155 | 31 | 124 | 23 | 78 | 132 | 510 | 102 | 408 | 76 | 255 | 434 |
160 | 32 | 128 | 24 | 80 | 136 | 520 | 104 | 416 | 78 | 260 | 442 |
165 | 33 | 132 | 25 | 82 | 140 | 530 | 106 | 424 | 80 | 265 | 450 |
170 | 34 | 136 | 26 | 85 | 144 | 540 | 108 | 432 | 81 | 270 | 459 |
175 | 35 | 140 | 26 | 88 | 149 | 550 | 110 | 440 | 82 | 275 | 468 |
180 | 36 | 144 | 27 | 90 | 153 | 560 | 112 | 448 | 84 | 280 | 476 |
185 | 37 | 148 | 28 | 92 | 157 | 570 | 114 | 456 | 86 | 285 | 484 |
190 | 38 | 152 | 28 | 95 | 162 | 580 | 116 | 464 | 87 | 290 | 493 |
195 | 39 | 156 | 29 | 98 | 166 | 590 | 118 | 472 | 88 | 295 | 502 |
200 | 40 | 160 | 30 | 100 | 170 | 600 | 120 | 480 | 90 | 300 | 510 |
210 | 42 | 168 | 32 | 105 | 178 | 610 | 122 | 488 | 92 | 305 | 518 |
220 | 44 | 176 | 33 | 110 | 187 | 620 | 124 | 496 | 93 | 310 | 527 |
230 | 46 | 184 | 34 | 115 | 196 | 630 | 126 | 504 | 94 | 315 | 536 |
240 | 48 | 192 | 36 | 120 | 204 | 640 | 128 | 512 | 96 | 320 | 544 |
250 | 50 | 200 | 38 | 125 | 212 | 650 | 130 | 520 | 98 | 325 | 552 |
260 | 52 | 208 | 39 | 130 | 221 | 660 | 132 | 528 | 99 | 330 | 561 |
270 | 54 | 216 | 40 | 135 | 230 | 670 | 134 | 536 | 100 | 335 | 570 |
280 | 56 | 224 | 42 | 140 | 238 | 680 | 136 | 544 | 102 | 340 | 578 |
290 | 58 | 232 | 44 | 145 | 246 | 690 | 138 | 552 | 104 | 345 | 586 |
300 | 60 | 240 | 45 | 150 | 255 | 700 | 140 | 560 | 105 | 350 | 595 |
310 | 62 | 248 | 46 | 155 | 264 | 710 | 142 | 568 | 106 | 355 | 604 |
320 | 64 | 256 | 48 | 160 | 272 | 720 | 144 | 576 | 108 | 360 | 612 |
330 | 66 | 264 | 50 | 165 | 280 | 730 | 146 | 584 | 110 | 365 | 620 |
340 | 68 | 272 | 51 | 170 | 289 | 740 | 148 | 592 | 111 | 370 | 629 |
350 | 70 | 280 | 52 | 175 | 298 | 750 | 150 | 600 | 112 | 375 | 638 |
360 | 72 | 288 | 54 | 180 | 306 | 760 | 152 | 608 | 114 | 380 | 646 |
370 | 74 | 296 | 56 | 185 | 314 | 770 | 154 | 616 | 116 | 385 | 654 |
380 | 76 | 304 | 57 | 190 | 323 | 780 | 156 | 624 | 117 | 390 | 663 |
390 | 78 | 312 | 58 | 195 | 332 | 790 | 158 | 632 | 118 | 395 | 672 |
Продолжение
Вертушка на тросе |
h | открытое без растительности русло | при растительности и ледяном покрове | h | открытое без растительности русло | при растительности и ледяном покрове |
0,2 | 0,8 | 0,15 | 0,50 | 0,85 | 0,2 | 0,8 | 0,15 | 0,50 | 0,85 |
800 | 160 | 640 | 120 | 400 | 680 | 900 | 180 | 720 | 135 | 450 | 765 |
810 | 162 | 648 | 122 | 405 | 688 | 910 | 182 | 728 | 136 | 455 | 774 |
820 | 164 | 656 | 123 | 410 | 697 | 920 | 184 | 736 | 138 | 460 | 782 |
830 | 166 | 664 | 124 | 415 | 706 | 930 | 186 | 744 | 140 | 465 | 790 |
840 | 168 | 672 | 126 | 420 | 714 | 940 | 188 | 752 | 141 | 470 | 799 |
850 | 170 | 680 | 128 | 425 | 722 | 950 | 190 | 760 | 142 | 475 | 808 |
860 | 172 | 688 | 129 | 430 | 731 | 960 | 192 | 768 | 144 | 480 | 816 |
870 | 174 | 696 | 130 | 435 | 740 | 970 | 194 | 776 | 146 | 485 | 824 |
880 | 176 | 704 | 132 | 440 | 748 | 980 | 196 | 784 | 147 | 490 | 833 |
890 | 178 | 712 | 134 | 445 | 756 | 990 | 198 | 792 | 148 | 495 | 841 |
| | | | | | 1000 | 200 | 800 | 150 | 500 | 850 |
h | 0,8 | 0,2 | 0,85 | 0,5 | 0,15 | h | 0,8 | 0,2 | 0,85 | 0,5 | 0,15 |
Вертушка на штанге |
Цифры в таблице при глубине скоростной вертикали до одного метра читаются в мм, а при большей глубине в см.
§ 162. При опускании вертушки на тросе в
графу 16 записывается отсчет по счетчику, соответствующий установке вертушки в нужной точке по глубине вертикали. Если при положении оси вертушки на поверхности воды отсчет по счетчику был равен нулю (счетчик имеет приспособление, сбрасывающее на нуль), отсчет при погружении вертушки в нужную точку должен быть равен расчетной глубине погружения, т.е. цифре в
графе 15 (см.
табл. 14, пример II). Если при положении оси вертушки на поверхности воды отсчет по счетчику не равен нулю (счетчик не имеет приспособления, сбрасывающего на нуль), отсчет должен быть равен первоначальному показанию счетчика плюс расчетная глубина ее погружения в данную точку (см.
табл. 14, пример III). Если на лебедке вышел из строя счетчик, в
графу 16 записывается отсчет по метке на тросе и по рейке, равный первоначальному отсчету при положении оси вертушки на поверхности воды плюс расчетная глубина погружения, т.е. так же, как показано в
примере III табл. 14.
§ 163. При наличии отклонения троса от вертикального положения для расчета глубины погружения вертушки под воду принимается значение глубины скоростной вертикали, не исправленное на относ троса (см.
табл. 14, пример IV - глубина погружения в
графе 16 вычислена по значению глубины 4,82 м, записанной в
графе 9).
Работа с высоких люлечных переправ (или высоких мостов), когда требуется вводить поправку к длине надводной части троса, выполняется инженером или техником станции при участии наблюдателя.
§ 164. Для удобства работы вертушкой со штанги должны применяться простейшего типа штангодержатели <1>. Применение последних значительно облегчает работу, освобождает руки и позволяет наблюдателю более спокойно и внимательно вести измерение. С применением штангодержателя измерение расхода воды на створах, оборудованных гидрометрическими мостиками или люлечными переправами, может выполнить один наблюдатель.
--------------------------------
<1> Допускается применение штангодержателей, изготовленных в местных УГМС, так как промышленностью они не выпускаются.
§ 165. После опускания вертушки в воду в нужную точку по глубине вертикали через один-два сигнала (по которым убеждаются, что сигнализация в порядке и лопастный винт набрал скорость вращения, соответствующую скорости течения потока) включается секундомер и начинается счет сигналов.
Первый сигнал, по которому включается секундомер, в счет не принимается - он называется нулевым.
Включение секундомера, отсчеты времени и остановка секундомера производятся по концу сигнала. Начало сигнала как бы предупреждает наблюдателя, позволяет ему подготовиться и более точно заметить время конца сигнала.
Если в течение 100 с поступят два и более сигналов, по следующему сигналу (первому, поступившему по истечении 100 с) секундомер останавливается и измерение прекращается.
При большой скорости течения, когда сигналы поступают чаще, чем через 2 с, измерение прекращается на 50 сигналах, т.е. в этом случае продолжительность измерения может быть меньше 100 с.
При малой скорости течения, когда промежуток времени между сигналами превышает 80 с, измерение вертушкой не рекомендуется и следует переходить на измерение скорости глубинным поплавком, согласно
§ 176 -
179.
§ 166. При счете сигналов следует обращать внимание на равномерность их поступления. Если будет обнаружено, что сигналы поступают очень неравномерно, измерение в точке прерывается. Вертушка поднимается из воды и проверяется, не тормозится ли чем-либо (например, намотавшейся травой) вращение лопастного винта, исправен ли контакт у вертушки, в порядке ли сигнальное устройство и электрические провода. Измерение в точке в этом случае повторяется.
Счет сигналов, чтобы не сбиться, следует вести вслух. В момент окончания последнего сигнала секундомер выключается (останавливается) и записывается номер последнего сигнала и продолжительность измерения в секундах по показанию секундомера.
§ 167. Результаты измерения скорости в каждой точке записываются в
графы 17 и
19 книжки расхода (см.
табл. 14). В
графу 17 записывается номер последнего сигнала в момент остановки секундомера, а в
графу 19 показание секундомера по последнему сигналу.
ОСОБЕННОСТИ ИЗМЕРЕНИЯ РАСХОДОВ ВОДЫ В РАЗЛИЧНЫХ УСЛОВИЯХ
§ 168. На реках с зарастающим руслом на 3 - 5 м выше и ниже гидрометрического створа по всей ширине реки выкашивается водная растительность, чтобы она не мешала работе вертушки и можно было правильно измерить площадь живого сечения реки и скорость течения. В несколько

полосе расчищаются берега от кустарника и высокой травяной растительности.
Наблюдатель должен своевременно удалять водную растительность на участке гидрометрического створа по мере ее подрастания после первого выкашивания.
Скорость течения по глубине вертикали измеряется в трех точках: на 0,15, 0,5 и 0,85 глубины вертикали (основной способ).
При глубине вертикали меньше 40 см скорость измеряется в одной точке - на 0,5 глубины.
Учитывая возможность наматывания травы на лопастный винт, вертушку во время работы следует чаще осматривать и очищать, а при измерении в точке более внимательно следить за равномерностью поступления сигналов.
§ 169. Работать со льда разрешается, как правило, при толщине льда не менее 10 см и при условии, что температура воздуха будет не выше -5 °C.
При толщине льда меньше 10 см, независимо от температуры воздуха, а также при температуре выше -1 °C и при большой толщине льда должны быть приняты меры предосторожности согласно правилам по технике безопасности (см.
§ 16).
Вся полоса гидроствора для удобства передвижения расчищается от нагромождения льдин (при наличии торосов). При крутых берегах на спуске к реке делаются ступеньки и поручни. Расчищать гидроствор от снега не следует во избежание более интенсивного нарастания льда. Расчищается гидроствор от снега только по особому указанию станции в тех случаях, когда требуется искусственно стеснить живое сечение реки подо льдом для повышения скорости течения.
Для удобства и облегчения работы зимой со льда наблюдатель, при содействии станции, может устроить на санках небольшую будку, отапливаемую железной печкой или керосинкой. Будка может быть сделана из легких жердей или брусьев с обшивкой любым имеющимся на месте материалом (толем, фанерой, досками, соломенными или из ивняка матами, рогожей и т.п.). Чтобы в будке можно было установить печку и работать с вертушкой, ее размеры в плане должны быть порядка 1,0 x 1,75 м, высота 1,8 - 2,0 м.
В крыше для поднятия штанги делается продолговатая прорезь, а в полу - люк размером порядка 0,25 x 0,50 м для опускания вертушки.
§ 170. Положение промерных и скоростных вертикалей намечается прямо на льду с измерением расстояний от постоянного начала мерной лентой или рулеткой.
На каждой вертикали пробиваются лунки продолговатой формы, небольшого размера, достаточного для опускания вертушки. Для предохранения от быстрого замерзания лунки должны быть прикрыты утепленными крышками, которые изготовляются из соломы, тростника, камыша и других подручных материалов.
Вследствие того что при ледяном покрове русло реки обычно более устойчиво, чем при открытом русле, в некоторых случаях (по разрешению гидрологической станции) промеры глубин производятся через два-три измерения расхода воды. При наличии шуги промеры обязательны при каждом измерении расхода воды.
При определении расхода воды подо льдом измеряются расстояния от постоянного начала до уреза нижней поверхности льда, для чего у каждого берега пробивается несколько лунок или устраивается во льду траншея, пока не будет обнаружено место сопряжения нижней поверхности льда с откосом берега (рис. 66). Урез поверхности воды определяется по профилю.
Рис. 66. Урез воды и нижней поверхности льда:
1 - урез воды (определяется по профилю);
2 - урез нижней поверхности льда; 3 - уровень воды в лунке
§ 171. При промерах глубин со льда на всех промерных вертикалях измеряется глубина погружения льда и слоя шуги (рис. 67). Толщина льда измеряется и записывается с точностью отсчета до 1 см, а толщина шуги - с округлением до 10 см. Запись промеров при наличии ледяного покрова производится в книжке расхода КГ-4 в разделе "Промеры"
(табл. 17).
Рис. 67. Рабочая глубина вертикали при наличии льда и шуги:
1 - рабочая глубина; 2 - глубина погружения шуги;
3 - толщина льда; 4 - ледомерная рейка; 5 - глубина
погружения льда (толщина погруженного льда); 6 - шугомерная
рейка; 7 - уровень воды в лунке;
8 - слой шуги; 9 - полная глубина
В
графу 7 записывается глубина погружения льда, в
графу 8 - сумма глубин погружения льда и шуги, если последняя имеется под ледяным покровом. В
графу 9 записывается разность значений глубин в
графах 6 и
8.
Таблица 17
Пример записи данных промеров глубин в книжке расхода КГ-4
Промеры |
N вертикалей | расстояние от постоянного начала, м | глубина, м | угол относа троса | поправка на угол относа | глубина, м | расстояние между вертикалями | площадь водного сечения, м2 |
промерной | скоростной | I | II | средняя | глубина погружения льда, м | глубина погружения шуги, м | рабочая | со срезкой | между вертикалями | между промерными вертикалями | между скоростными вертикалями |
1 | 2 | 3 | 4 | 5 | | | | | 10 | 11 | 12 | 13 | 14 |
1 | Урез л/б | 13,8 | | | 0 | 0 | | 0 | | | | | |
2 | 1 | 15 | | | 0,82 | 0,42 | Нет | 0,40 | | | | | |
| | | | |
3 | | 20 | | | 1,48 | 0,43 | Нет | 1,05 | | | | | |
| | | | |
4 | 2 | 25 | | | 1,99 | 0,45 | 0,70 | 1,29 | | | | | |
| | | | |
5 | | 30 | | | 2,17 | 0,42 | 0,70 | 1,47 | | | | | |
| | | | |
6 | 3 | 35 | | | 2,23 | 0,40 | 0,80 | 1,43 | | | | | |
| | | | |
7 | | 40 | | | 2,67 | 0,39 | 1,00 | 1,67 | | | | | |
| | | | |
8 | 4 | 45 | | | 2,75 | 0,41 | 1,00 | 1,75 | | | | | |
| | | | |
9 | | 50 | | | 2,91 | 0,36 | 1,10 | 1,81 | | | | | |
| | | | |
и т.д. | | | | | | | | | | | | | |
| | | | |
| | | | | | | | | | | | | |
| | | | |
| | | | | | | | | | | | | |
| | | | |
| | | | | | | | | | | | | |
В случае весьма неравномерного распределения шуги в гидрометрическом створе наблюдатель должен самостоятельно переместить постоянные или назначить дополнительные скоростные вертикали так, чтобы измерениями скоростей были охвачены все обособленные части потока.
§ 172. Скорость течения подо льдом основным способом измеряется в трех точках: на 0,15, 0,5 и 0,85 рабочей глубины. Здесь рабочей глубиной является расстояние по вертикали от дна до нижней поверхности льда, а при наличии подо льдом шуги - до нижней поверхности шуги.
На скоростных вертикалях толщина льда и шуги, так же как и общая глубина, измеряется повторно перед измерением скорости.
Зимой при сильных морозах во избежание обмерзания прибора допускается работать со льда вертушкой, не закрепленной на штанге зажимными винтами (когда она может свободно вращаться вокруг штанги). В этом случае к вертушке прикрепляется хвост, устанавливающий ее по направлению течения. При измерении скорости корпус вертушки поддерживается на нужной глубине электрическим проводом. Такой способ устраняет необходимость извлекать прибор из потока и переставлять его на штанге при переходе с одной точки вертикали на другую. При этом наблюдателю нужно следить за тем, чтобы провод был натянут, ось вертушки находилась на требуемой глубине.
При глубине меньше 40 см скорость на вертикали измеряется (основным способом) в одной точке - на 0,5 рабочей глубины. Под ледяным покровом работа вертушками ГР-21 и ГР-21М возможна при рабочей глубине не менее 15 см, а вертушками ГР-55 и ГР-99 - при глубине не менее 8 см.
Таблица 18
Пример записи данных измерения
на скоростных вертикалях в книжке расхода КГ-4
Измерения на скоростных вертикалях |
глубина скоростных вертикалей | глубина погружения вертушки | скорости |
N скоростной вертикали | расстояние от постоянного начала, м | время работы (на 0,2 или 0,15h), ч мин | уровень воды, см (по графику) | показания счетчика глубин | расстояние от оси вертушки до низа груза, м | глубина, м | угол относа | поправ. на угол относа | рабочая глубина, м | от поверхности воды | отсчет по штанге или по счетчику в точке | номер последнего сигнала | сумма оборотов | продолжительность измерения, с | число оборотов в 1 с | скорость, м/с | средняя скорость на вертикали, м/с |
ось вертушки на поверхности | низ груза на дне | разность | при измерении скорости | по промеру | глубина погружения льда, м | глубина погружения шуги, м | в долях глубины, | м |
1 | 2 | 3 | 4 | 5 | 6 | 7 | 8 | 9 | 10 | 11 | 12 | | 14 | | | | 18 | | 20 | 21 | 22 |
I. При измерении вертушкой на штанге |
| | | | | | | | | | | | | 0,2 (0,15) | 0,20 | 1,09 | 8 | 160 | 107 | 1,50 | 0,38 | |
| | | | | | | | | | | | | (0,5) | 0,65 | 0,65 | 10 | 200 | 110 | 1,82 | 0,45 | 0,37 |
3 | 28 | 9 35 | | - | - | - | - | 1,99 | | 0,45 | 0,70 | 1,29 | 0,8 (0,85) | 1,10 | 0,20 | 6 | 120 | 108 | 1,11 | 0,28 | |
II. При измерении вертушкой на тросе (лебедка со счетчиком, имеющим сброс на нуль) |
| | | | | | | | | | | | | 0,2 (0,15) | 0,68 | 1,28 | 6 | 120 | 107 | 1,12 | 0,28 | |
| | | | | | | | | | | | | (0,5) | 2,25 | 2,85 | 8 | 160 | 108 | 1,48 | 0,37 | 0,30 |
4 | 36 | 10 14 | | 0 | 4,75 | 4,75 | 0,32 | 5,07 | | 0,42 | 0,60 | 4,47 | 0,8 (0,85) | 3,82 | 4,42 | 6 | 120 | 119 | 1,01 | 0,25 | |
III. То же, но без сброса на нуль |
| | | | | | | | | | | | | 0,2 (0,15) | 0,68 | 2,58 | | | | | | |
| | | | | | | | | | | | | (0,5) | 2,25 | 4,15 | | | | | | |
4 | 36 | 10 14 | | 1,30 | 6,05 | 4,75 | 0,32 | 5,07 | | 0,42 | 0,60 | 4,47 | 0,8 (0,85) | 3,82 | 5,72 | | | | | | |
Результаты измерений глубин (полной, погружения льда и шуги, рабочей, погружения вертушки в точках по вертикали) записываются в разделе книжки расхода "Измерения на скоростных вертикалях"
(табл. 18).
Рабочая глубина вычисляется так же, как и при промерах глубин. Расчет глубины погружения вертушки в нужную точку по вертикали производится от значения рабочей глубины, записанной в
графе 13.
Глубина погружения вертушки рассчитывается по таблице глубин (в книжке расхода) и записывается в
графу 15.
При работе вертушкой на штанге в
графу 16 следует записать глубину погружения вертушки от дна, т.е. отсчет по штанге.
При работе вертушкой с троса, если счетчик имеет приспособление, сбрасывающее на нуль, показание счетчика в точке, записанное в
графе 16, должно повторять значение глубины, записанное в
графе 15 (см.
табл. 18, пример II).
Если применяется счетчик без сброса на нуль, показание его в точке должно быть равно показанию счетчика при положении оси вертушки на поверхности воды плюс рассчитанная глубина погружения, записанная в
графе 15 (см.
табл. 18, пример III).
§ 173. При измерении скорости течения штанга или трос, на котором подвешена вертушка, подводится вплотную к верховой по течению стенке лунки так, чтобы лопастный винт вертушки находился подо льдом (рис. 68).
Рис. 68. Положение вертушки
при измерении скорости подо льдом
В сильные морозы, чтобы вертушка при извлечении из воды не обмерзла, рекомендуется опускать ее в ведро с водой, взятой из лунки сразу же после окончания измерения скорости на данной вертикали, или обернуть теплым материалом. Если эти меры не предохранили вертушку от обмерзания, ее следует погрузить в приготовленную заранее лунку следующей вертикали примерно в точку 0,5 глубины. Через несколько минут образовавшийся лед растает. Ни в коем случае нельзя скалывать лед с вертушки и с силой поворачивать ее лопастный винт. Перед измерением расхода штанга смазывается тонким слоем солидола.
§ 174. В тех случаях, когда вода течет поверх льда, расходы воды измеряются отдельно подо льдом и поверх льда. Для измерения расхода воды подо льдом обычно используются лунки, которые были сделаны до появления воды поверх льда. Промеры глубин подо льдом в этих случаях не производятся. Для вычисления площади водного сечения используются данные по предыдущему промеру со срезкой на разницу в рабочих глубинах на основании измерения их на скоростных вертикалях. Скорости течения подо льдом при невозможности измерить их в трех точках, учитывая большие трудности в работе, измеряются в одной точке - на 0,5 рабочей глубины вертикали.
При измерении расхода воды поверх льда обязательно измеряется глубина от поверхности воды до верхней поверхности затопленного льда. Скоростные вертикали назначаются или в местах расположения постоянных вертикалей, или через равные расстояния - всего по ширине реки не менее пяти-шести вертикалей.
Скорости течения воды поверх льда измеряются так же, как и при свободном ото льда русле, в зависимости от возможности в двух (на 0,2 и 0,8 глубины) или в одной точке (на 0,6 глубины вертикали).
В случае образования на гидростворе двух или нескольких ярусов ледяного покрова измерения расходов воды следует перенести в другое место (выше или ниже створа), где ледяной покров однослойный. Измеренные расходы воды относят к уровням воды, измеренным на основном гидрологическом посту.
Если расход воды измерялся поверх ледяного покрова, в таблицу "Принятые данные" записывают суммарное значение расхода воды подо льдом и поверх льда.
Если зимой стока в реке не было и русло занесено снегом, следует заранее, до начала половодья, подготовить гидроствор к измерениям. Для этого в наиболее низком месте русла в снегу прокапывается канавка шириной 0,5 - 1,0 м и длиной не менее 20 м, по которой мог бы пойти первый весенний поток. Паводочные измерения начинаются в таком искусственном снежном русле, которое постепенно разрабатывается текущей водой.
При малых скоростях течения
§ 175. Измерение малых скоростей с достаточной точностью может быть выполнено вертушками (при скоростях не меньше 0,08 м/с) при обязательном условии, что они будут перед каждым измерением расхода проверены по способу выбега, описанному в "Правилах обращения и ухода за гидрометрическими вертушками"
(приложение 6).
§ 176. При скоростях течения меньше предельных (0,08 м/с) должен применяться глубинный поплавок.
Если по всей ширине реки скорость течения вообще не превышает 0,15 м/с, целесообразно измерять скорости течения на всех скоростных вертикалях глубинным поплавком.
Применение глубинных поплавков допускается только в тихую безветренную погоду.
При небольшой толщине льда (до 30 см) глубинный поплавок может применяться и для измерения скорости под ледяным покровом.
§ 177. Глубинный поплавок (рис. 69) состоит из двух соединенных между собой тонкой капроновой нитью поплавков: маленького (поверхностного) и большого (глубинного), погружаемого на определенную глубину. Поверхностный поплавок является указателем, по которому наблюдается скорость передвижения глубинного поплавка.
Рис. 69. Глубинный поплавок:
1 - пластмассовые пластинки; 2 - деревянная шпилька
Поверхностный поплавок должен быть по размерам в 4 - 5 раз меньше нижнего, глубинного поплавка. Размеры и масса обоих поплавков подбираются с таким расчетом, чтобы нижний поплавок, опущенный в воду, медленно тонул, а поверхностный поплавок имел бы достаточную плавучесть для поддержания глубинного поплавка на постоянной глубине.
Нижний поплавок делается из соединенных накрест и склеенных специальным клеем пластмассовых пластинок. Можно также применять для нижнего поплавка деревянный проваренный в олифе шарик, диаметром 4 - 5 см, или небольшой стеклянный пузырек. Масса нижнего поплавка регулируется путем набивки в шарик мелких гвоздей либо загрузкой пузырька песком или водой. Поверхностный поплавок делается из пенопласта или обычной пробки.
Глубина погружения нижнего поплавка регулируется длиной нити; после установки на нужную глубину остаток нити наматывается на верхний поплавок и закрепляется пластмассовой пластиной, закладываемой под витки нити (рис. 70). Можно также зажимать нить в поверхностном поплавке с помощью деревянной шпильки (см.
рис. 69).
Рис. 70. Способ крепления нити на поверхностном поплавке:
1 - пластинка; 2 - верхний поплавок; 3 - нить
§ 178. Створы для определения расстояния, пройденного глубинным поплавком, устраиваются из трех горизонтальных реек, расположенных на рабочем судне (лодке) или на поверхности ледяного покрова параллельно через 1 м (рис. 71). Для удобства работы рейки-створы рекомендуется связать в жесткую раму двумя поперечными планками.
Рис. 71. Устройство створов из реек
для измерения скоростей глубинным поплавком
§ 179. Измерение скоростей течения в определенной точке по глубине производится на каждой вертикали в следующем порядке и с соблюдением следующих правил:
1) Рейки-створы устанавливаются на вертикали так, чтобы они были перпендикулярны направлению течения.
2) Пуск поплавка производится при помощи шеста на расстоянии около 0,5 м выше верхнего створа. При работе с лодки поплавок должен пускаться так, чтобы он проходил мимо лодки не ближе 1 м от ее борта.
Для извлечения поплавка из воды удобно применять крючок из проволоки, укрепленной на деревянном шесте (рис. 72); при вылавливании поплавка его нить заклинивается в крючке.
Рис. 72. Крючок для вылавливания глубинных поплавков
3) При небольшой толщине льда (менее 0,3 м) измерение скорости течения глубинными поплавками возможно и при ледоставе. Для этой цели на каждой скоростной вертикали во льду вырезаются щели длиной 1,3 - 1,6 м, шириной 5 - 7 см в верхнем конце и не менее 15 см в нижнем. Их направление в плане должно совпадать с направлением течения. Щели делаются с помощью ледового бура и обычной поперечной пилы. Сперва в верхнем конце намеченной щели буром просверливают отверстие таких размеров, чтобы в него вошла пила, затем делают ею продольные прорези во льду (рис. 73). После этого с помощью бура отталкивают монолит льда и удаляют его из щели.
Рис. 73. Устройство щели в ледяном
покрове для пуска глубинных поплавков:
1 - скважины ледового бура; 2 - прорезь
4) В момент прохождения поверхностного поплавка-указателя через верхний створ включается секундомер. При продолжительности хода поплавка-указателя между верхним и нижним створами более 20 с секундомер останавливается в момент прохождения поплавка через средний створ и наблюдение прекращается. В этом случае записывается продолжительность хода поплавка между верхним и средним створами, т.е. на расстоянии 1 м. Если продолжительность хода поплавка между первыми двумя створами меньше 20 с, наблюдения продолжаются до достижения поплавком нижнего створа, и записывается продолжительность его хода между верхним и нижним растворами, т.е. на расстоянии 2 м.
5) В каждой точке по глубине вертикали поплавок пускается не менее трех раз. Крайние величины продолжительности хода поплавка при трехкратной повторности не должны отличаться друг от друга более чем на 10%. При

разнице поплавок пускается еще два раза.
6) Скорости течения измеряются в следующих точках по глубине:
- при свободном русле: глубина вертикали менее 0,5 м - в одной точке (на 0,6h), глубина вертикали более 0,5 м - в двух точках (на 0,2h и 0,8h);
- при заросшем русле (участок створа должен быть выкошен) и при ледяном покрове: глубина вертикали менее 0,5 м - в одной точке (на 0,5h); глубина вертикали более 0,5 м - в трех точках (на 0,15h; 0,5h и 0,85h). При ледяном покрове в расчет берется рабочая глубина (от нижней поверхности льда до дна).
7) Данные измерений на каждой вертикали записываются в книжке расхода с изменением названия граф по следующей форме (табл. 19).
Таблица 19
Продолжительность хода поплавков (с)
Расстояние между створами, м | Номер поплавка | Средняя продолжительность хода, с | Скорость, м/с |
1 | 2 | 3 | 4 | 5 |
1 | 23 | 25 | 24 | | | 24 | 0,04 |
Скорость в точке вычисляется путем деления расстояния между створами (т.е. 1 или 2 м) на продолжительность хода поплавка в секундах; записывается с округлением до 0,01 м/с; в нашем примере 1 : 24 = 0,04 м/с.
8) При обследовании береговых участков для определения границы мертвого пространства нижний поплавок укрепляется на 20 - 30 см ниже поверхности воды, а при глубине менее 30 см - на 0,5 глубины.
При определении границ мертвого пространства нулевая скорость течения принимается там, где опущенный в воду поплавок стоит неподвижно, движется в обратную сторону или по кругу.
§ 180. Измерение скоростей течения вертушкой возможно при наличии достаточной для ее погружения глубины.
Для вертушек ГР-21 и ГР-21М предельно малой глубиной является 10 см, причем в этих случаях часть лопастного винта будет находиться над поверхностью воды, что для указанных вертушек может быть допущено. Для вертушек типа ГР-55 и ГР-99 предельно малой глубиной является 6 см.
При измерении расхода в условиях небольших глубин обязательна расчистка дна (со дна должны быть убраны камни, топляки и т.п., чтобы поверхность дна в полосе на 10 м выше и ниже гидроствора была ровной).
В тех случаях, когда река в межень превращается в небольшой ручей с глубинами, недоступными для измерения скоростей течения вертушками, русло на протяжении не менее десятикратной его ширины обязательно должно быть упорядочено. Для этой цели русло на всем протяжении участка сужается и спрямляется, берега планируются, дно тщательно расчищается, чтобы оно было ровным, без выступающих камней и карчей и без промоин, т.е. фактически этот участок реки превращается в канал, в котором создаются условия, позволяющие измерять скорости течения вертушкой.
Измерение расходов воды в таком канализованном русле допускается при условии, что ширина его по дну будет не меньше 0,5 м, глубины не менее 0,20 м и скорости течения не менее 0,15 м/с, т.е. при расходах воды порядка 0,020 м3/с.
Промеры глубин канализованного русла производятся переносной водомерной рейкой через 10 см по ширине. Прибрежные скоростные вертикали назначаются так, чтобы лопастный винт вертушки отстоял от откоса берега не менее чем на 10 см. В средней части канала назначаются три вертикали через равные расстояния. Измерение скорости при глубине на вертикалях свыше 35 см производится в двух точках (на 0,2 и 0,8 рабочей глубины), при меньших глубинах - в одной точке (на 0,6 глубины).
§ 181. При дальнейшем уменьшении расходов воды, когда искусственные мероприятия по упорядочению русла не достигают цели, т.е. когда расход воды становится настолько малым, что измерить его вертушкой нельзя, применяется переносный водослив или измерения ведутся объемным способом.
Правила производства измерений для этих случаев изложены в Наставлении, вып. 6, ч. 2 (1972 г.).
§ 182. При косоструйном относительно гидроствора течении реки (когда течения не перпендикулярны створу, а направлены под острым углом к нему) должны выполняться следующие условия:
1) косина струй менее 10°, вызывающая небольшую (около 1,5%) ошибку, не учитывается;
2) при косине струй более 10°, кроме величины скорости, обязательно должно измеряться направление течения. Эту работу выполняет инженер (техник) станции при участии наблюдателя. Так как направление течения по глубине вертикали может изменяться, определение его по возможности производится на всех точках по глубине вертикали при первых пяти - десяти измерениях на данном гидростворе. Если первые измерения покажут, что направление течения постоянно (в пределах 5°) по всей глубине вертикали, в дальнейшем можно ограничиваться определением направления только на поверхности воды.
Для определения направления течения применяется обычная вертушка на бифилярном подвесе. При его отсутствии или невозможности применения из-за малых глубин поступают следующим образом:
1) Вертушка крепится на тросе. Направление течения на поверхности измеряется привязным поплавком (или длинным тонким шестом) с определением угла косины по транспортиру. Последний изготовляется на месте из листа фанеры или доски; на него наносятся деления через 5°. Транспортир устанавливается на судне гидрометрической люльке) так, чтобы центр окружности совпадал с точкой крепления привязного поплавка (шеста), а нулевая линия транспортира была перпендикулярна гидроствору (рис. 74).
Рис. 74. Определение направления течения
с помощью привязного поплавка;
1 - ездовой трос; 2 - перпендикуляр к гидроствору;
3 - транспортир; 4 - угол косины; 5 - шнур; 6 - поплавок
При опускании вертушки в глубокие слои направление течения определяется, если вода прозрачна, по положению корпуса вертушки (при подвесе ее на вертлюге) либо по корпусу гидрометрического груза (при жестком креплении вертушки на носовом штыре груза или на кронштейне). При мутной воде, когда вертушку и груз не видно, измеренный на поверхности угол косины условно принимается для всех точек по глубине вертикали.
На равнинных реках при скоростях течения до 1 м/с для измерения направления течения по глубине вертикали применяется измеритель течений ГР-42. Определение расхода воды с измерением направления течений при работе вертушкой с троса выполняется инженером или техником станции при участии наблюдателя.
2) Вертушка, снабженная хвостом, закрепляется на штанге неподвижно зажимными винтами. Сверху на штангу надевается указатель и закрепляется параллельно оси вертушки. После этого опускают штангу с вертушкой в нужную точку, упирая штангу в дно. Вертушке при помощи хвоста дают развернуться (вместе со штангой, на которой она закреплена) по направлению течения; последнее измеряется с точностью отсчета до 1° при помощи указателя, расположенного над транспортиром.
Ускоренный способ измерения расходов воды
§ 183. Обычный точечный способ (основной и детальный) при выдержке вертушки в точке 100 с требует значительных затрат времени на измерения расходов воды особенно на больших реках. В случаях, когда за время измерения расхода воды быстро изменяются условия течения потока, точечный способ может привести к значительным ошибкам в величине измеренного расхода воды. К этим неблагоприятным условиям относятся следующие: быстрые изменения уровня воды за время измерения расхода (более 10 см в час), интенсивная деформация русла (заметная за время измерения расхода воды), а также явления переменного подпора, когда уровень воды не имеет связи с водностью реки. В указанных условиях ускорение процесса измерения расходов воды приводит к значительному повышению точности измерений.
Сущность ускоренного способа измерения расхода воды состоит в сокращении времени выдержки вертушки в каждой точке измерения скорости до 30 с. При установке вертушки в точке на скоростной вертикали пропускаются два сигнала (они называются нулевыми). Секундомер включается по концу второго сигнала и выключается по концу сигнала, поступившего по истечении 30 с. Выдержка вертушки в точке менее 30 с не допускается. В книжку расхода записываются: число сигналов вертушки
(графа 17), отсчет по секундомеру с точностью до 0,2 с
(графа 19). Все остальные записи по измерению и вычислению расхода воды те же, что и при обычном точечном способе. При малых скоростях течения, когда сигналы поступают реже, чем через 30 с, выдержка вертушки в точке ограничивается интервалом времени между двумя сигналами вертушки.
Применение ускоренного способа возможно как при детальном (5-точечном), так и при основном (2-точечном) способах измерения, при числе скоростных вертикалей не менее пяти.
Переход на ускоренный способ измерения расхода воды производится только по письменному указанию гидрологической станции.
Ускоренный способ измерения расхода воды не применяется в случаях, когда возникает необходимость измерять косоструйность течения в гидростворе, так как для этого выдержка вертушки в точке должна быть 100 с и более.
Применение однооборотной вертушки ГР-99 со счетчиком оборотов для измерения расхода воды ускоренным способом несколько повышает точность измерений расхода воды по сравнению с вертушками ГР-21М, ГР-55 и другими с контактом через 20 оборотов лопастного винта.
Измерение расходов воды ускоренным способом может быть поручено наблюдателю поста только после подробного инструктажа его инженером или техником станции на практической работе.
10. ИЗМЕРЕНИЕ РАСХОДОВ ВОДЫ
ВЕРТУШКОЙ ИНТЕГРАЦИОННЫМ СПОСОБОМ
§ 184. Наиболее распространенным способом измерения расходов воды является способ, при котором скорость течения измеряется в отдельных точках поперечного сечения потока (точечный метод), изложенный в
§ 116 -
167. Этот способ требует большой затраты времени, особенно на крупных реках. Наличие таких неблагоприятных факторов, как интенсивная деформация русел, неустановившееся движение, явления переменного подпора, может дать значительные ошибки в величине измеренного расхода. Это приводит к необходимости внедрения в гидрометрическую практику способов быстрого измерения расходов воды, обеспечивающих получение достаточно надежных и удовлетворительных по точности результатов измерений.
§ 185. Одним из способов, значительно сокращающим продолжительность измерений расхода воды (при открытом русле), является интеграционный способ измерения. Сущность его состоит в том, что с помощью того или иного прибора производится осреднение скорости течения в какой-то части потока или во всем его живом сечении. Если для этой цели применяется гидрометрическая вертушка, она перемещается в реке по заранее заданной траектории и, таким образом, автоматически определяет среднюю скорость в пройденном ею слое потока.
§ 186. Наибольшей эффективностью и простотой отличается способ интеграции скорости по вертикали, который может быть применен практически с любых видов переправ. Этот способ по точности соизмерим с детальным способом. Достоинством его является возможность повышения точности измерений при неправильной эпюре распределения скоростей на вертикали, например, в случае ветрового воздействия или других факторов.
При измерении расхода воды способом интеграции скорости по вертикали гидрометрическая вертушка перемещается с заданной постоянной скоростью от поверхности до дна потока. При этом должны соблюдаться следующие условия:
1) глубина на вертикали должна быть не менее 1 м;
2) средняя скорость потока на вертикали должна быть не ниже 0,20 м/с, т.е. измерения должны вестись в пределах прямолинейной части тарировочного графика вертушки, где число оборотов лопастного винта вертушки в секунду прямо пропорционально скорости течения потока;
3) регистрация числа оборотов лопасти вертушки должна быть достаточно точной. Этому условию будет удовлетворять вертушка, позволяющая регистрировать каждый оборот лопастного винта;
4) должна обеспечиваться равномерность перемещения вертушки по вертикали, что достигается либо вращением рукоятки лебедки по сигналам метронома, либо применением лебедок с автоматическим механическим регулятором скорости вращения барабана, либо лебедок с электроприводом.
Скорость перемещения вертушки по вертикали определяется в зависимости от типа реки (равнинная, горная) и от глубины на вертикали, согласно табл. 20;
Таблица 20
Допустимые скорости перемещения вертушки по вертикали, см/с
Глубина на вертикали, м | Равнинные реки | Горные реки |
1 - 1,5 | 2,0 | 2,0 |
1,5 - 2,0 | 5,0 | 2,0 |
2,0 - 3,0 | 7,5 | 5,0 |
3,0 - 5,0 | 10,0 | 7,5 |
Более 5,0 | 15,0 | 10,0 |
5) следует стремиться к полному охвату измерением всей глубины вертикали. Это требование выполняется путем крепления вертушки на выносном кронштейне груза. При таком креплении вертушки часть глубины вертикали, не охваченная измерением, составляет примерно 10 см. Максимальная ошибка при этом получается при глубинах в 1 м. Учитывая, что такие глубины на крупных и средних реках, как правило, находятся в прибрежных зонах и удельный вес расходов, приходящихся на эти зоны, по отношению ко всему сечению невелик, ошибкой, возникающей за счет неучета скорости в придонном слое прибрежной зоны, можно пренебречь. В зоне с

глубинами придонный слой, не охваченный измерением, невелик по отношению к общей глубине на вертикали и ошибкой, возникающей за счет неучета придонного слоя при измерении средней скорости, также можно пренебречь.
Одним из условий, ограничивающих применение способа интеграции скорости на вертикали, является наличие косоструйности течений. При косоструйности свыше 10° измерение интеграционным способом не рекомендуется.
§ 187. Средняя скорость течения на вертикали интеграционным способом измеряется с помощью гидрометрической интеграционной установки ГР-101
(приложение 8).
Установка состоит из измерительного пульта, основное назначение которого - регистрация числа оборотов лопастного винта вертушки и времени ее работы, гидрометрических грузов массой 25 и 50 кг, оборудованных донным контактом, и однооборотной гидрометрической вертушки.
Установка ГР-101 рассчитана на работу совместно с гидрометрической лебедкой ("Нева", "Луга", ГР-36, ГР-65 и др.) или гидрометрической дистанционной установкой (ГР-64, ГР-64М, ГР-70). Постоянство скорости перемещения вертушки по вертикали достигается вращением рукоятки лебедки в такт сигналам метронома, установленного в измерительном пульте.
Кроме измерения средней скорости на вертикали интеграционным способом установкой можно измерять скорости в отдельных точках потока и глубину на вертикали.
§ 188. Работы по измерению расхода воды интеграционным способом производятся в следующем порядке:
1) измеряется уровень воды на основном посту;
2) записывается обстановка работы в книжку КГ-4;
3) промеряются глубины по гидроствору;
4) измеряются скорости течения воды на вертикалях установкой ГР-101;
5) измеряется уровень воды по окончании измерения скорости.
Вычисление расходов воды выполняется сразу же после его измерения.
Все перечисленные работы, за исключением измерения скорости течения и промеров глубин, выполняются в соответствии с
§ 120 -
125 настоящего выпуска Наставления.
Скоростные вертикали, на которых измеряются скорости течения, их количество и местоположение по ширине реки назначаются инженером или техником станции.
При обрывистых берегах, а также у набережных с отвесной стенкой и у мостовых опор дополнительные вертикали у берегов и в мостовых пролетах назначаются вблизи уреза, но не ближе чем в 0,3 м от него и обязательно вне зоны береговых завихрений воды.
В тех случаях, когда глубина на скоростной вертикали не позволяет измерить скорость интеграционным способом (глубина меньше 1,0 м), измерения проводятся точечным способом в одной точке (0,6h).
§ 189. Для проведения измерений на вертикали измерительный пульт установки ГР-101 (рис. 75) устанавливается вблизи лебедки, с помощью которой предусматривается опускать груз с вертушкой в поток.
Рис. 75. Гидрометрическая интеграционная установка ГР-101
К несущему тросу лебедки при помощи карабина подвешивается гидрометрический груз, на кронштейн которого крепится вертушка. Ось вертушки должна быть параллельна оси груза.
После установки вертушки на грузе ее изолированная от корпуса клемма с помощью специального штекера, входящего в комплект вертушки, подключается к клемме донного контакта груза, к которому подключается также токопроводная жила троса лебедки, а сам трос крепится к стойке на грузе специально предназначенным для этого винтом.
Выводы троса с токопроводной жилой на корпусе лебедки с помощью специального провода, входящего в комплект вертушки, подключаются к клеммам "Вертушка" на пульте установки ГР-101.
При применении лебедки с обычным тросом для электрической связи вертушки с пультом управления используется сигнальный провод, входящий в комплект вертушки.
После установки вертушки на грузе и выполнения электрических соединений производится балансировка груза, которая сводится к следующему. Карабин, с помощью которого груз соединяется с несущим тросом лебедки, устанавливается в одно из отверстий на планке груза так, чтобы при погружении груза в воду он находился в горизонтальном положении.
После выполнения указанных выше операций производится проверка работы установки. Для этого вертушка с грузом опускается в воду, включается питание на пульте управления, переключатель рода работ устанавливается в положение "Скорость", а переключатель метронома - в одно из рабочих положений. Нажатием на рычаг управления включается счетчик оборотов и секундомер. Срабатывание счетчика и наличие звонков метронома свидетельствует об исправной работе установки. При погружении груза на дно должен сработать донный контакт, выключиться секундомер и остановиться счетчик оборотов вертушки.
При установке переключателя рода работ в положение "Глубина" (груз на дне) должен возникнуть продолжительный звонок, свидетельствующий о замыкании донного контакта. Отключение донного контакта происходит при отрыве груза от дна.
§ 190. Порядок производства измерений с помощью установки ГР-101 следующий.
Промер глубин. Гидрометрический груз без укрепленной на нем вертушки выводится на заданную промерную вертикаль и опускается в воду так, чтобы горизонтальная часть кронштейна для крепления вертушки совпадала с поверхностью воды. Счетчик глубины на лебедке сбрасывается на нуль. Включается питание на пульте. Переключатель рода работ устанавливается в положение "Глубина". Вращением рукоятки лебедки груз опускается до дна. О моменте достижения грузом дна сигнализирует продолжительный звонок. Медленно приподнять груз до прекращения звонка. В момент прекращения звонка снять показания счетчика глубины. К полученной глубине приплюсовать расстояние от оси вертушки до поддона груза, равное 10 см, и полученную величину записать в соответствующую графу книжки. Груз поднять на поверхность и перейти на следующую вертикаль.
Измерение средней скорости на вертикали 1. Гидрометрический груз с установленной на нем вертушкой выводится на заданную скоростную вертикаль и погружается в воду так, чтобы ось груза совпала с поверхностью воды.
2. Показания секундомера, счетчика оборотов и глубины сбрасываются на нуль. Груз с вертушкой опускается до покрытия лопасти вертушки водой.
3. В зависимости от глубины потока на вертикали по табл. 20 назначается, как было указано в
§ 186, скорость перемещения вертушки с грузом по вертикали.
4. В зависимости от величины требуемой скорости перемещения вертушки с грузом по вертикали и типа применяемой лебедки переключатель метронома устанавливается в одно из положений, определяющее необходимый темп вращения рукоятки лебедки.
В табл. 21 приведены данные о скорости перемещения вертушки с грузом по вертикали при применении различных лебедок и вращении рукоятки лебедки в такт сигналам метронома.
Таблица 21
Скорость вертикального перемещения вертушки (см/с)
Время одного оборота рукоятки лебедки, с | Тип лебедки (установки) |
"Луга" | "Нева" | ГР-36 | ГР-65 | ГР-70 | ГР-64 |
1 | - | - | 15 | 12,5 | 20 | 2,0 |
2 | 15 | 15 | 7,5 | 6,25 | 10 | 1,0 |
3 | 7,5 | 7,5 | 3,75 | 3,12 | 5,0 | - |
4 | 5,0 | 5,0 | 2,5 | 2,25 | 3,3 | - |
5. Переключатель рода работ устанавливается в положение "Скорость". Вручную, нажатием на рычаг управления на пульте, включается секундомер и счетчик оборотов и одновременно начинается равномерное погружение вертушки с грузом до дна потока путем вращения рукоятки лебедки в такт с сигналами метронома.
Движение вертушки по вертикали прекращается при достижении грузом дна, о чем свидетельствует автоматическая остановка секундомера и счетчика оборотов.
6. Показания секундомера (с точностью до 0,2 с), счетчиков оборотов и глубины записываются в соответствующие графы книжки расхода. К полученной глубине добавляется расстояние между осью вертушки и поддоном груза.
7. После окончания измерений на вертикали груз извлекается из потока и переводится на следующую вертикаль.
§ 191. Вычисление расхода воды, измеренного интеграционным способом, аналогично вычислению расхода, полученного точечным способом (основным и детальным). Разница состоит лишь в том, что средние скорости на вертикалях вычисляют не по формулам, а следующим образом: делением числа оборотов вертушки на данной вертикали на продолжительность измерения в секундах находится число
n оборотов вертушки в 1 с; далее по числу
n из тарировочной таблицы данной вертушки находится величина средней скорости на вертикали.
Пример. Река Белая - с. Ильинка. При измерении скорости течения на вертикали N 4 17/IV 1973 г. получены следующие данные:
Сумма оборотов вертушки (показание счетчика оборотов) | N = 184 |
Продолжительность измерения (показание секундомера) | T = 40,6 с |
Число оборотов в 1 с | |
Средняя скорость на вертикали (находится по тарировочной таблице данной вертушки) | vср = 1,18 м/с |
11. ИЗМЕРЕНИЕ РАСХОДОВ ВОДЫ ВЕРТУШКОЙ С ГИДРОМЕТРИЧЕСКИХ
ДИСТАНЦИОННЫХ УСТАНОВОК (ГР-64, ГР-64М, ГР-70)
§ 192. Гидрометрические дистанционные установки предназначаются для измерений расходов воды и отбора проб воды на мутность непосредственно с берега. При выполнении этих работ наблюдатель находится в кабине установки у пульта управления, а вертушка с гидрометрическим грузом перемещается по гидроствору с помощью системы тросов. Последняя позволяет опускать вертушку в назначенные вертикали на заданную глубину. В случае взятия проб на мутность вместо вертушки на тросе подвешивается батометр.
Внедрение на сети постов Гидрометслужбы СССР гидрометрических дистанционных установок является одним из звеньев процесса механизации и автоматизации гидрометрических наблюдений. Путем применения более совершенного оборудования и методики измерений эти установки позволяют повысить точность измерений. Кроме того, они обеспечивают удобство и безопасность работы наблюдателя, что позволяет вести измерения при плохих погодных и гидрологических условиях.
В настоящее время измерения расходов в гидростворах, оборудованных дистанционными установками, производятся обычным точечным способом (основным и детальным). При оснащении в ближайшем будущем сети гидрологических постов интеграционными установками ГР-101 (см.
раздел 10) открывается возможность более эффективного использования дистанционных установок, что приведет к существенному ускорению и повышению точности измерения расходов воды.
Различия между дистанционными установками ГР-64 и ГР-70 (рис. 76,
77) состоят в том, что первая имеет электрический привод, тогда как вторая - ручной. Установка ГР-64М представляет собой улучшенный (модернизированный) вариант установки ГР-64 и предназначена для работы на реках шириной до 200 м (а первые две - до 100 м). Описание установок дано в
приложениях 9 -
11.
Рис. 76. Гидрометрическая дистанционная установка ГР-64
Рис. 77. Гидрометрическая дистанционная установка ГР-70
§ 193. Установки ГР-64, ГР-64М и ГР-70 имеют инструментальные ошибки, поэтому в измеренные глубины по гидроствору необходимо вводить инструментальные поправки. Величина поправки указывается в заводских инструкциях по эксплуатации, однако на месте монтажа установки в зависимости от фактической величины стрелы провеса несущего троса она может значительно изменяться. Проверка величины инструментальной поправки каждой установки должна быть выполнена в натурных условиях инженером станции (см.
§ 201). Проверенные величины поправок сообщаются наблюдателю. Без проверки величин инструментальных поправок вводить последние в измеренные глубины не рекомендуется (во избежание значительных ошибок в расходах воды).
§ 194. Прежде чем приступить к самостоятельной работе на дистанционной установке (ГР-70, ГР-64 или ГР-64М) наблюдатель обязательно должен пройти инструктаж (стажировку) по работе на установке под руководством специалиста гидрологической станции. Чтобы правильно работать на установке и для предупреждения несчастных случаев работающий на установке того или иного типа обязан изучить:
1) описание установки (ГР-64, ГР-64М или ГР-70, см.
приложения 9 -
11);
2) "Указания по эксплуатации установки гидрометрической дистанционной ГР-70" (1974 г.);
3) "Установка гидрометрическая дистанционная ГР-64М. Описание и инструкция по эксплуатации" (1973 г.);
4) "Правила по технике безопасности при производстве гидрометеорологических работ",
раздел 7 (1970 г.).
§ 195. Перед каждым измерением расхода воды тщательно осматривается состояние всего оборудования гидрометрического створа в отношении безопасности производства работ; кроме того, проверяется исправность гидрометрической вертушки, ее электрической сигнализации и контактного устройства. Вертушки ГР-21, ГР-21М перед каждым измерением расхода воды при скоростях течения меньше 0,5 м/с после проверки вращения лопастного винта от дуновения дополнительно испытывается по способу выбега. Описание его дано в приложении 6,
п. 13.
§ 196. Назначение числа промерных и скоростных вертикалей в гидростворе, числа точек на скоростных вертикалях, время выдержки вертушки в точке, обработка измеренного расхода воды производится в полном соответствии с рекомендациями настоящего выпуска Наставления (
§ 126 -
167 и
214 -
226).
§ 197. Вычисление расхода воды по данным измерений точечным способом (основным и детальным), полученным с помощью дистанционной установки любого типа, не отличается от аналогичного вычисления для измерений, выполненных обычным способом, и производится в соответствии с указаниями
раздела 13.
§ 198. Измерения расходов воды с установок ГР-64, ГР-64М и ГР-70 производятся двумя способами: 1) точечным (основным и детальным) и 2) интеграционным по вертикалям с помощью прибора ГР-101. Ниже приводятся их описания.
ИЗМЕРЕНИЕ РАСХОДОВ ВОДЫ С УСТАНОВОК ГР-64 И ГР-64М
§ 199. Перед началом работы на установке необходимо проверить:
1) наличие масла в редукторах. Для обеспечения смазки подшипников, червячных и цилиндрических шестерен редукторов в корпуса их заливается машинное масло марки "СУ" (около 3 кг в каждый редуктор). Контроль за уровнем масла в редукторах производится щупом, ввернутым в крышку редуктора. Стержень щупа в нижней части имеет две поперечные риски. У нижней риски нанесена цифра 0, обозначающая нижний уровень масла, а у верхней риски - буква П, обозначающая верхний предельный уровень масла;
2) легкость вращения барабана лебедки ручным приводом и автоматическое отключение ручного привода;
3) наличие сетевого напряжения в линии питания измерительной цепи. Для этого включить рубильник, установленный на стене кабины, и выключатели "Постоянный ток" (ГР-64), "Сеть" и "Питание" на пульте управления и по показаниям вольтметров и сигнальной лампы определить наличие и величину напряжения в сети;
4) работу поверхностного и донного контактов, электроимпульсного счетчика, светового и звукового сигналов, автоматическую остановку электродвигателя при сработке поверхностного и донного контактов. Для этого поднять груз из ящика, где он хранится; на редукторах установить в нейтральное среднее положение рукоятки, переключающие скорости вращения барабанов лебедки: включить тумблеры "Генератор" (ГР-64), "Питание", "Автомат" и "Поверхность"; нажать на пульте кнопку "Вниз" (при этом должен выключиться нижний электродвигатель, но барабан не должен вращаться); замкнуть поверхностный контакт на корпус и электродвигатель должен остановиться; перевести переключатель из положения "Поверхность" в положение "Дно"; нажать на кнопку "Вниз" и на поддон гидрометрического груза (при сработке донного контакта электродвигатель должен остановиться). При замыкании поверхностного и донного контактов должны загораться соответствующие сигнальные лампы;
5) исправность гидрометрической вертушки и ее электрической сигнализации. Для проверки контактов вертушки последнюю нужно закрепить на кронштейне (или штыре) гидрометрического груза, соединить ее изолированную клемму с проводом, выходящим из делителя, включить тумблер "Вертушка" на пульте, там же включить контакт электроимпульсного счетчика нажимом на рычаг до совмещения рисок, нанесенных на указателе и панели пульта; вращением вручную лопастного винта вертушки проверить работу всей системы сигнализации ее контактов.
Следует иметь в виду, что перемещение груза вблизи кабины необходимо производить только на малой скорости (для предохранения от поломок кабины установки).
§ 200. Порядок работы на пульте управления установки ГР-64М аналогичен работе на установке ГР-64.
Для горизонтального перемещения гидрометрического груза вперед (от кабины) необходимо на пульте управления одновременно нажать кнопки "Вперед" и "Вниз".
Для обратного перемещения груза (к кабине) следует нажать одновременно кнопки "Назад" и "Вверх".
Перемещение груза по вертикали вверх производится нажимом кнопки "Вверх", а вниз - нажимом кнопки "Вниз".
При нажатии кнопки "Вперед" груз перемещается вперед и вверх одновременно; при нажатии кнопки "Назад" груз перемещается назад и вниз одновременно. Пользуясь этим свойством, можно регулировать высоту груза над водной поверхностью при перемещении его вперед и назад, временно выключая только один электродвигатель.
При движении груза вперед (от кабины) в случае необходимости поднять его несколько выше над поверхностью воды нужно нажать на правую кнопку "Стоп". При достижении грузом требуемой высоты над водной поверхностью нажать на кнопку "Вниз" и груз будет перемещаться только вперед. В случае необходимости несколько опустить груз нужно нажать на левую кнопку "Стоп" и при достижении грузом требуемой высоты над водой нажать на кнопку "Вперед".
При обратном движении груза (к кабине) в случае необходимости несколько опустить груз к поверхности воды нужно нажать на правую кнопку "Стоп" и при достижении грузом требуемой высоты нажать на кнопку "Вверх". Чтобы груз несколько поднять вверх, нужно нажать на левую кнопку "Стоп" и затем на кнопку "Назад".
При неуверенности в своих действиях по перемещению груза, а также при неправильном включении электродвигателей необходимо немедленно остановить их, нажав на обе кнопки "Стоп".
Гидрометрический груз можно перемещать со скоростью 10 и 25 см/с. Первая скорость служит для производства промерных работ и опускания груза с вертушкой на вертикали. Вторая скорость предназначена только для горизонтальных перемещений груза.
§ 201. При монтаже и в процессе эксплуатации гидрометрических дистанционных установок ГР-64 и ГР-70 необходимо строго следить за тем, чтобы стрела провеса несущего троса (рис. 78) точно соответствовала проектной величине пролета (100 м) для этих установок, т.е. должна составлять 1/80 пролета (100/80 = 1,25 м). Для установки ГР-64М, имеющей пролет 200 м, величина стрелы провеса должна составлять 1/75 пролета, т.е. 200/75 = 2,66 м.
Рис. 78. Схема для контроля величины стрелы
провеса несущего троса дистанционной установки:
1, 2 - опоры; 3 - гидрометрический груз;
4 - каретка; 5 - несущий трос;
l - пролет; f - стрела провеса
Для контроля правильности натяжения несущего троса необходимо:
1) на обеих опорах отмерить от несущего троса вниз и сделать масляной краской отметки расчетных величин стрел провеса несущего троса, соответствующие той или иной установке (1,25 или 2,66 м);
2) на середину пролета вывести каретку с гидрометрическим грузом, масса которого должна соответствовать типу установки (ГР-64 и ГР-64М - 100 кг, ГР-70 - 50 кг);
3) провизировать на глаз линию, соединяющую метки на опорах (сделанные согласно
п. 1), при этом точка максимального провеса троса должна находиться на линии визирования. Если этого не будет соблюдено и точка наибольшего провеса будет лежать выше (ниже) линии визирования, то действуя талрепом наблюдатель должен ослабить (подтянуть) трос, пока наиболее низкая точка не окажется на визирной линии.
При вводе в эксплуатацию установки этот контроль должен осуществляться наблюдателем под руководством специалиста станции, в дальнейшем - самостоятельно, причем не реже одного раза в месяц.
Только при соблюдении указанных правил по контролю за величиной стрелы провеса несущего троса указанные в инструкциях по эксплуатации инструментальные поправки к измеренной с установок глубине будут иметь силу.
§ 202. Операции по измерению расходов воды с гидрометрических дистанционных установок ГР-64 и ГР-64М приводятся в табл. 22.
Таблица 22
Операции по измерению расходов воды
с установок ГР-64 и ГР-64М (точечным способом)
Операции по измерению расхода воды | Операции на пульте управления установки |
Наблюдения за уровнем воды на гидрологическом посту (гидростворе) с записью в книжке расхода его значения, даты и времени наблюдения | |
Описание в той же книжке состояния реки и обстановки работы | |
Подвешенный на тросе гидрометрический груз переместить к постоянному началу (к кабине) и остановить его. (Более точная установка груза в точке постоянного начала осуществляется ручным приводом.) Показания счетчика горизонтальных расстояний (нижнего) сбросить на нуль; в дальнейшем его показания не сбрасывать | Включить рубильник (на щите) и тумблеры "Поверхность" и "Автомат". Нажать одновременно кнопки "Вперед" и "Вниз", а затем две кнопки "Стоп" |
Гидрометрический груз подвести к урезу воды и остановить его. (Точная установка груза на урезе выполняется ручным приводом.) Записать в книжке расхода показания счетчика горизонтальных расстояний (нижнего) и время начала промеров глубин | Нажать одновременно кнопки "Вперед" и "Вниз", а затем две кнопки "Стоп" |
Поднять груз на 0,7 - 1,0 м над водой и остановить его | Нажать кнопку "Вверх", а затем кнопку "Стоп" |
По показанию нижнего счетчика подвести груз на первую промерную вертикаль и остановить его. (Точная подводка груза на расчетную вертикаль производится ручным приводом) | Нажать одновременно кнопки "Вперед" и "Вниз", а затем одновременно кнопки "Стоп" |
Перевести нижний редуктор на первую скорость (10 см/с) | Включить тумблеры "Генератор" (ГР-64), "Питание", "Поверхность", "Автомат" (поднять их рычаги в верхнее положение) |
Опустить груз на поверхность воды, где срабатывает поверхностный контакт, автоматически останавливающий груз | Нажать кнопку "Вниз". При остановке груза загорается сигнальная лампа "Поверхность" |
Показания счетчика глубин (верхнего) сбросить на нуль | Рычаг тумблера "Поверхность" перевести в положение "Дно" |
Опустить груз на дно. После сработки донного контакта груз автоматически останавливается | Нажать кнопку "Вниз". При достижении грузом дна загорается сигнальная лампа "Дно", а груз останавливается |
Записать показания счетчика глубин (верхнего) в книжку расхода | |
Поднять груз на 0,7 - 1,0 м над поверхностью воды | Нажать кнопку "Вверх". Перевести рычаг тумблера "Дно" в положение "Поверхность". При этом гаснет лампа "Дно", а затем загорается лампа "Поверхность" (при выходе груза из воды она должна погаснуть) |
Груз перевести на следующую промерную вертикаль и остановить его. Произвести измерение глубины в указанной выше последовательности | Нажать одновременно кнопки "Вперед" и "Вниз", а затем две кнопки "Стоп" |
Записать в книжку расхода время окончания промеров глубин по створу, а груз переместить на берег к кабине | Выключить тумблеры и выключатели: "Генератор" (ГР-64), "Питание", "Постоянный ток" (ГР-64) и "Сеть" |
В значения измеренных глубин, записанных в книжке расхода, ввести инструментальную поправку установки (со знаком минус). Величина ее устанавливается специалистом станции после проверки на месте монтажа установки и сообщается наблюдателю | |
На кронштейн (или штырь) груза закрепить проверенную гидрометрическую вертушку и к ее изолированной клемме подключить сигнальный провод, идущий от делителя. На клемму надеть резиновый колпачок и провод закрепить специальным винтом | Включить тумблеры и выключатели: "Генератор" (ГР-64), "Питание", "Вертушка", "Световой сигнал", "Постоянный ток" (ГР-64) |
Вращением лопастного винта вертушки проверить надежность работы сигнализации и контактного устройства | Через каждые 20 оборотов винта должна загораться лампа "Вертушка" и сработать счетчик |
Груз с закрепленной вертушкой перевести на первую от берега скоростную вертикаль и остановить его по показанию счетчика горизонтальных расстояний (нижнему) | Включить выключатель "Сеть". Нажать одновременно кнопки "Вперед" и "Вниз", а затем две кнопки "Стоп" |
Опустить груз на поверхность воды до автоматической остановки его от сработки поверхностного контакта. Ручным приводом установить горизонтальную ось вертушки точно на поверхность воды. Показания счетчика глубин (верхнего) сбросить на нуль. По его показанию опустить вертушку в расчетную точку вертикали (0,2h); записать в книжку расхода время начала измерения расхода | Нажать кнопку "Вниз" |
По показанию счетчика глубин опустить вертушку на расчетную глубину | Рычаг тумблера "Поверхность" переключить в положение "Дно - Вертушка". Включить тумблер "Вертушка" |
Приступить к измерению скорости в точке. Выдержать 100 с и остановить работу счетчика оборотов вертушки и секундомера | В момент угасания сигнальной лампы "Вертушка" нажать на рычаг, включающий счетчик оборотов и секундомер. По истечении 100 с в момент угасания лампы "Вертушка" нажать второй раз на тот же рычаг |
Записать показания счетчика оборотов вертушки и секундомера в полевую книжку | |
Сбросить на нуль показания счетчика оборотов и секундомера | Третий раз нажать на тот же рычаг и на кнопку счетчика оборотов. Выключить тумблер "Вертушка" |
Ручным приводом опустить груз с вертушкой на следующую расчетную точку (0,8h) скоростной вертикали (по счетчику глубин) и произвести измерения в указанной выше последовательности | |
После окончания измерений на данной скоростной вертикали выключить тумблер "Вертушка", гидрометрический груз с закрепленной на нем вертушкой поднять над поверхностью воды на 0,7 - 1,0 м. Переместить груз на следующую вертикаль. Измерения скоростей течения в отдельных точках производить в указанной выше последовательности | Нажать кнопку "Вверх". Перевести рычаг тумблера "Дно" в положение "Поверхность". Нажать одновременно кнопки "Вперед" и "Вниз", а затем две кнопки "Стоп" |
После окончания измерения скоростей на всех скоростных вертикалях записать время конца измерения расхода в полевую книжку, груз с вертушкой перевести на берег к кабине, снять вертушку с груза, очистить его от грязи и мусора, убрать гидрометрический груз в ящик, ослабить трос с токопроводной жилой, выключить сетевое напряжение (рубильник на щите), закрыть и запереть ключом кабину, произвести отсчет уровня воды и записать его значение и время наблюдения в книжку расхода | Выключить тумблеры и выключатели: "Генератор" (ГР-64), "Питание", "Вертушка", "Автомат", "Сеть", "Постоянный ток" и "Зарядка" (ГР-64) |
Примечания.
1. Для экономии электропитания тумблер "Вертушка" рекомендуется держать во включенном положении только в течение времени выдержки вертушки в точке (около 100 с или несколько более) и времени проверки.
2. На горных реках с каменистым руслом могут быть случаи, когда поддон гидрометрического груза попадет между камнями или в углубление. При этом донный контакт не срабатывает и сигнальная лампа "Дно" не загорается. В этом случае нужно поднять груз со дна и опустить еще раз. При постоянной несработке донного контакта нужно приподнять груз и несколько сместить его по горизонтали вперед или назад и повторить измерение. При сработке донного контакта следует зафиксировать эту промерную вертикаль для последующих измерений.
Рекомендуется промерные и скоростные вертикали наметить и проверить надежность сработки донного контакта заблаговременно. В меженный период следует расчистить русло от камней и других предметов (в полосе гидроствора).
3. Измерение расходов воды с установок ГР-64 и ГР-64М интеграционным способом по вертикалям с помощью прибора ГР-101 см.
§ 207.
ИЗМЕРЕНИЕ РАСХОДОВ ВОДЫ С УСТАНОВКИ ГР-70
§ 203. В процессе ознакомления с работой на установке ГР-70 необходимо запомнить в первую очередь следующие положения.
1) Для перемещения гидрометрического груза вперед (от кабины) нужно соединить (сцепить) шестерни второй ручкой, которая выходит из прорези планки; повернуть на небольшой угол рукоятку лебедки по часовой стрелке (от себя); поднять первую ручку (во всех случаях до упора) сначала вверх, затем вперед и опустить вниз. Вращением рукоятки лебедки против часовой стрелки (на себя) груз будет легко перемещаться вперед.
2) Для перемещения груза назад (к кабине) нужно оставить сцепленными шестерни; повернуть на небольшой угол против часовой стрелки (на себя) рукоятку лебедки; поднять вверх до упора первую ручку и перевести ее назад (на себя) до упора и опустить вниз до упора.
3) Для перемещения груза вверх и вниз нужно первую ручку поднять вверх до упора, переместить ее в среднее положение так, чтобы прорезь в планке совпала со второй ручкой и опустить вниз до упора. Затем медленно поворачивая по часовой стрелке рукоятку лебедки нажимая слева направо на вторую ручку разъединить шестерни.
После этого вращением рукоятки лебедки можно поднять или опустить груз; при этом обе "собачки" должны находиться на храповиках (должны быть опущены).
Запрещается снимать руку с приводной рукоятки при любой поднятой собачке (для установок, не оборудованных предохранителями).
Проверка исправности установки
§ 204. Перед каждым измерением расхода воды необходимо произвести подготовку и проверку исправности установки. Для этого снять ставни переднего и бокового окон, снять крепление каретки к кабине, поднять гидрометрический груз из металлического ящика и переместить его на некоторое расстояние вперед. На пульте управления включить тумблер "Генератор" (при этом должна загореться сигнальная лампа "Генератор", а вольтметр - показывать напряжение батареи). Включить тумблер "Поверхность" и опустить груз на землю до сработки донного контакта (при этом должны загореться сигнальные лампы "Дно" и "Поверхность"). Поднять груз с земли (при этом обе лампы должны погаснуть).
На пульте управления включить тумблер "Вертушка" и счетчик числа оборотов (контактов) вертушки. Замыкая вертушечный провод, выходящий из делителя, на корпус груза, проверить световой и звуковой сигналы, а также счетчик числа контактов вертушки. После проверки на пульте управления выключить тумблеры "Вертушка" и "Генератор".
Затем груз подвести и точно совместить с постоянным началом гидрометрического створа, при этом показания счетчика сбрасываются на нуль (верхний счетчик). В дальнейшей работе следует сохранять его показания. Контроль за показаниями верхнего счетчика производится при каждом измерении расхода воды в начале и конце работы.
Далее груз следует перевести к урезу воды, включить на пульте тумблеры "Генератор" и "Поверхность", опустить груз до соприкосновения с поверхностью воды (при этом должна загореться сигнальная лампа "Поверхность"). Приподнять груз над водой (в момент отрыва груза от поверхности воды должна погаснуть сигнальная лампа "Поверхность"). После этого на пульте включить тумблер "Генератор".
При проверке установки и при измерении скоростей течения воды следует помнить, что счетчик числа оборотов вертушки включен в работу только при совмещении рисок, нанесенных на указателе включения и его крышке. При этом положении указателя секундомер также должен работать. Во всех других положениях указателя счетчик оборотов и секундомер выключены.
Измерение расходов воды с установки ГР-70 точечным способом
§ 205. Измерения производить в следующем порядке:
1) провести наблюдения за уровнем воды на основном посту (гидростворе) с записью в книжке расхода даты, времени и результатов наблюдений;
2) описать состояние реки и обстановку работы (в той же книжке);
3) подвешенный на тросе гидрометрический груз подвести точно к постоянному началу и показания счетчика горизонтальных расстояний (верхнего) сбросить на нуль; в дальнейшем его показания не сбрасывать;
4) гидрометрический груз подвести и установить точно над урезом воды и записать в книжку расхода показания счетчика (верхнего) - расстояние от постоянного начала до уреза воды и время начала промеров глубин;
5) груз перевести на первую промерную вертикаль, определяемую по счетчику горизонтальных расстояний (верхнему);
6) груз поднять на 0,5 - 1,0 м над водой и на пульте управления включить тумблеры "Генератор" и "Поверхность";
7) груз опустить на поверхность воды, где срабатывает поверхностный контакт, определяемый по зажиганию сигнальной лампы "Поверхность". Показания счетчика глубин (нижнего) сбросить на нуль;
8) на пульте выключить тумблер "Поверхность" и груз опустить на дно. В момент касания грузом дна должна загореться сигнальная лампа "Дно";
9) произвести отсчет по счетчику глубины (нижнему), записать измеренную глубину в книжку расхода и поднять груз из воды. При отрыве груза от дна должна погаснуть сигнальная лампа "Дно";
10) груз перевести на следующую промерную вертикаль и произвести измерения глубин в указанной последовательности.
После окончания промеров глубины по створу в книжку расхода записать время их окончания. На пульте выключить тумблер "Генератор", а груз подвести к кабине, предварительно проверив показания счетчика горизонтальных расстояний (верхнего) по постоянному началу.
11) перед измерением скоростей течения воды на кронштейн (или носовой штырь) груза закрепить гидрометрическую вертушку; на ее изолированную клемму одеть резиновый колпачок и вместо стандартного винта ввернуть винт с пластмассовой головкой (прилагается к комплекту установки). Подключить сигнальный провод от делителя. На пульте управления включить тумблеры "Генератор" и "Вертушка", а также счетчик числа контактов и конденсатор соответственно скорости. Вращением лопастного винта проверить работу контактного устройства вертушки по зажиганию сигнальной лампы "Вертушка". Переместить груз на первую от берега скоростную вертикаль, определяемую по счетчику горизонтальных расстояний (верхнему).
12) перед измерением скорости на каждой вертикали измерить рабочую глубину. Груз установить на 0,5 м над водой, на пульте включить тумблер "Поверхность" и опустить на поверхность воды до сработки поверхностного контакта. Показания счетчика глубин (нижнего) сбросить на нуль. На пульте выключить тумблер "Поверхность" и груз опустить на дно. После загорания лампы "Дно" записать в книжку расхода показания счетчика глубин. Груз поднять несколько выше поверхности воды. Произвести расчет глубин погружения вертушки в точки 0,2 и 0,8 рабочей глубины. Для этого из рабочей глубины сначала вычесть инструментальную поправку установки, величину которой определяет специалист станции, и полученное значение глубины рассчитать по таблице глубин, напечатанной в книжке расхода КГ-4.
Пример. Измеренная глубина 220 см; инструментальная поправка равна - 6 см; рабочая глубина 220 - 6 = 214 см; точке 0,2h будет соответствовать 43 см, а точке 0,8h - 172 см от поверхности воды.
13) опустить груз до совпадения оси вертушки с поверхностью воды. Показания счетчика глубин (нижнего) сбросить на нуль. Опустить груз с вертушкой в расчетную точку скоростной вертикали. По концу сигнала лампы "Вертушка" нажать на рычаг на пульте управления, включающий одновременно секундомер и счетчик оборотов вертушки. Выдержать 100 с и по концу сигнала лампы "Вертушка" нажать на тот же рычаг, останавливая секундомер и счетчик. Показания секундомера и счетчика записать в книжку расхода, после чего их показания сбросить на нуль. Для этого еще раз нажать на тот же рычаг и отдельно на кнопку счетчика. Выключить на пульте тумблер "Вертушка".
Переместить груз с вертушкой в следующую расчетную точку вертикали (по счетчику глубин) и произвести измерение скорости в указанной последовательности.
Примечание. В целях экономии расходования электропитания рекомендуется тумблер "Генератор" на пульте управления включать только на время измерения скорости в точке.
14) после окончания измерения скорости на всех вертикалях на пульте управления выключить тумблеры "Генератор" и "Вертушка". Груз с вертушкой перевести к кабине, снять вертушку с груза, очистить груз от ила, травы и мусора и положить его в металлический ящик. Закрепить каретку к кабине, ослабить подъемный трос и трос перемещения каретки рукояткой лебедки. Затем следует сделать отсчет уровня воды на основном посту (гидростворе). Записать в книжку расхода значение уровня воды после окончания измерения скоростей течения, время наблюдения за уровнем воды и время окончания измерения расхода воды.
§ 206. В целях сокращения времени измерения расхода воды (при прохождении дождевых паводков, когда подъем и спад уровня воды происходят очень быстро, а также при одновременном измерении расходов воды и взвешенных наносов) допускается выполнять гидрометрические работы с установок ГР-64, ГР-64М и ГР-70 в следующей последовательности.
Закрепив вертушку на гидрометрическом грузе и проверив исправность установки, наблюдатель ходом вперед (от кабины) измеряет скорости течения на всех скоростных вертикалях, а ходом обратно (к кабине) - измеряет глубины на промерных (промежуточных) вертикалях.
Работа начинается с измерения скорости в точке 0,8 рабочей глубины, т.е. от дна, и тем самым сокращается продолжительность измерений.
Измерение скорости начинается с измерения глубины на скоростной вертикали. Затем сразу же несколько подняв груз с вертушкой от дна (для предохранения от поломки лопастного винта) производится расчет глубин погружения вертушки (0,2h и 0,8h) в следующем порядке: 1) из измеренной глубины скоростной вертикали вычитается инструментальная поправка установки (выдается наблюдателю станцией после ее проверки на месте), 2) к исправленному значению глубины прибавляется постоянная поправка, определяемая по табл. 23.
Таблица 23
Постоянные поправки, применяемые в случаях, когда измерение
скоростей течения в точках вертикалей начинается от дна (см)
Тип установки | Масса гидрометрического груза, кг | Способ крепления вертушки | Способ крепления ГР-16 |
на штыре | на кронштейне | на штыре | на кронштейне |
ГР-70 | 25 | 17 | 7 | - | - |
ГР-70 | 50 | 17 | 9 | 20 | 12 |
ГР-64 | 100 | 20 | 10 | 18 | - |
Примечание. Поправки для установки ГР-64М определяются на гидрологической станции.
Пример. Измеренная глубина на вертикали равна 174 см. Инструментальная поправка равна - 5 см. Исправленное значение глубины 174 - 5 = 169 см. По таблице глубин находим, что глубина погружения вертушки в точке 0,8h составляет 136 см. Постоянная поправка равна 17 см (работа выполняется на установке ГР-70 с грузом массой 50 кг; вертушка крепится на штыре). Глубина погружения оси вертушки в точке 0,8h будет равна 136 + 17 = 153 см, а в точке 0,2h равна 34 + 17 = 51 см.
После введения постоянной поправки по показанию счетчика глубин груз от дна поднимается в точку 0,8 рабочей глубины и измеряется скорость в соответствии с
§ 205, после чего груз с прибором поднимается в точку 0,2 рабочей глубины, где измерение продолжается в указанной последовательности.
Если при работе от дна постоянную поправку с положительным знаком не вводить, то при работе в точке 0,2h при глубине менее 0,5 м вертушка будет выходить выше поверхности воды.
При глубинах менее 0,5 м и при работе от дна измерения следует производить в точке 0,6h, совмещая ось вертушки с поверхностью воды. При работе на горных реках с бурным течением трудно заметить совмещение оси вертушки с поверхностью воды. В этом случае работу следует начинать от дна и вводить постоянную поправку в расчет точки 0,6h.
Примечание. Для облегчения расчета погружения вертушки и батометра в заданные точки по глубине вертикали гидрологическим станциям рекомендуется составлять специальные таблицы для наблюдателей постов для каждой отдельной установки с учетом проверенной ее инструментальной поправки.
ИЗМЕРЕНИЕ РАСХОДОВ ВОДЫ С УСТАНОВОК ГР-64, ГР-64М И ГР-70
ИНТЕГРАЦИОННЫМ СПОСОБОМ С ПОМОЩЬЮ ПРИБОРА ГР-101
§ 207. Гидрометрические дистанционные установки позволяют производить измерение расходов воды способом интеграции скорости по отдельным вертикалям при помощи прибора ГР-101 (гидрометрическая интеграционная установка). В этом случае возможно применение гидрометрических грузов, входящих в комплект дистанционных установок. Работающему в кабине у пульта необходимо запомнить следующий порядок подключения прибора ГР-101 к дистанционной установке любого типа:
1) закрепить вертушку на выносном кронштейне гидрометрического груза;
2) провод от штекера, соединенного с изолированной клеммой вертушки, соединить скруткой с проводами, выходящими из делителя груза и предназначенными для соединения с поверхностным контактом и вертушкой. Узел соединения проводов следует надежно обмотать изоляционной лентой;
3) токосъемник лебедки дистанционной установки и корпус соединить при помощи двух отдельных проводов с клеммами "Вертушка" на измерительном пульте ГР-101. Провода от пульта управления дистанционной установки при этом от токосъемника отключаются.
После подключения прибора ГР-101 к дистанционной установке следует проверить работоспособность системы. Управление дистанционными установками по перемещению вертушки с грузом по створу производится в соответствии с
§ 202,
205.
При назначении скорости перемещения вертушки по вертикали следует руководствоваться рекомендациями, изложенными в
§ 186 и
табл. 20.
На скоростных вертикалях с глубинами свыше 2 м и при скоростях течения более 1 м/с при работе с установок ГР-64 и ГР-64М возможно применение электрического привода. Последний позволяет перемещать вертушки с грузом по вертикали со скоростью 10 см/с.
Для измерения средней скорости течения на вертикали вертушку с грузом следует вывести на скоростную вертикаль и совместить ось вертушки с поверхностью воды. На измерительном пульте ГР-101 включить питание, установить переключатель режима работ в положение "Скорость", включить метроном, сбросить на нуль показания счетчика оборотов вертушки и секундомера. Переключатель скоростей дистанционной установки установить в положение "10 см/с", сбросить на нуль показания счетчика глубин. Одновременно нажатием на кнопку управления пульта ГР-101 и кнопку "Вниз" пульта дистанционной установки включить секундомер, счетчик оборотов и электрический привод лебедки. При достижении грузом дна срабатывает электромагнит измерительного пульта прибора ГР-101. Нажать на кнопку "Стоп" пульта управления дистанционной установки. Записать показания счетчика оборотов и секундомера в соответствующие графы книжки расхода. Для получения значения глубины на вертикали переключатель ГР-101 перевести из положения "Скорость" в положение "Глубина" и приподнять груз ручным приводом до момента прекращения звонка. Снять показание счетчика глубин, прибавить к нему 10 см и записать в книжку расхода. После этого следует поднять груз при помощи электрического (или ручного) привода.
Вычисление расхода воды, измеренного с дистанционной установки при помощи прибора ГР-101, изложено в
§ 191 настоящего Наставления.
12. ИЗМЕРЕНИЕ РАСХОДОВ ВОДЫ СОКРАЩЕННЫМ СПОСОБОМ
И ПОПЛАВКАМИ ПО НАИБОЛЬШЕЙ ПОВЕРХНОСТНОЙ СКОРОСТИ ТЕЧЕНИЯ
§ 208. При сокращенном способе измерения производятся на одной, двух или трех вертикалях, которые заранее назначаются станцией после анализа материалов измерений прошлых лет. Измерение скоростей в этом случае производится в двух точках (0,2h и 0,8h) или в одной (0,6h) при выдержке вертушки в точке 100 с.
Сокращенный способ измерения расхода воды применяется по указанию станции только в отдельных исключительных случаях, когда измерение расхода воды обычным способом из-за большой затраты времени будет приводить к неверным результатам (переменный подпор, дождевые паводки с быстрым изменением уровня воды и т.д.).
Систематические измерения сокращенным способом производятся лишь в случае необходимости учащенных, ежедневных (или даже по нескольку раз в сутки) измерений расхода воды и обязательно по особому указанию станции.
§ 209. В гидрометрическом створе, расположенном на участке реки, испытывающем переменный подпор, при практически устойчивом неразмываемом русле учащенные измерения расходов воды могут производиться по сокращенному числу вертикалей, но всегда на одних и тех же указанных станцией двух-трех вертикалях (в отдельных случаях на одной). Глубины по створу в этом случае измеряются по указанию станции только в порядке контроля за устойчивостью русла один-два раза в месяц.
§ 210. Если на основании большого количества расходов, измеренных детальным (основным) способом, станцией выявлено, что величина расхода воды, измеренного сокращенным способом, отличается от величины расхода, измеренного подробно, на некоторый постоянный множитель (коэффициент), наблюдателю сообщается величина этого коэффициента. На него следует умножать вычисленную величину расхода воды, измеренного сокращенным способом. Средняя скорость течения вычисляется путем деления полученного произведения на площадь водного сечения.
§ 211. На малых реках в половодье (паводок), при аварийном состоянии переправы или в случае повреждения вертушки допускается определение расхода поверхностными поплавками.
Поплавки должны быть небольшими. Наиболее удобными являются деревянные кружки толщиной 3 - 5 см и диаметром 10 - 15 см. Для лучшей видимости в центр кружка втыкается лучинка. Применять в качестве поплавков предметы удлиненной формы и глубоко погруженные в воду нельзя, так как скорость их движения может не соответствовать поверхностной скорости течения воды.
В ледоход в качестве поплавков используются приметные, но небольших размеров отдельно плывущие льдины.
§ 212. Для определения расхода воды поплавками выбирается возможно более прямолинейный участок реки такого протяжения, чтобы поплавок проплывал его не менее чем за 10 с. Удобно, чтобы это расстояние выражалось круглым числом метров (10, 20, 50).
При этом желательно, чтобы гидроствор, где обычно производятся измерения вертушкой, находился посередине выбранного участка. Концы участка закрепляются створными знаками (вехами, пирамидками из камней и др.) перпендикулярно направлению течения.
Если участок для поплавочных измерений будет выбран в удалении от гидроствора, необходимо посередине между верхним и нижним створами произвести промеры глубин для последующего вычисления площади водного сечения. Длина участка измеряется мерной лентой или рулеткой дважды.
Поплавки в количестве не менее пяти штук забрасываются на стрежень реки несколько выше верхнего створа и в момент прохождения поплавка через створ включается секундомер. Затем в момент пересечения поплавком нижнего створа секундомер останавливается.
Поплавки, не попавшие на стрежень реки, во внимание не принимаются. При использовании в качестве поплавков плывущих льдин наблюдения ведутся только за льдинами, проходящими по стрежню реки или вблизи от него.
Поплавками измеряются скорости течения по возможности в тихую, безветренную погоду или при слабом ветре, скорость которого не больше 2 - 3 м/с. При умеренном ветре (до 5 - 6 м/с) на больших реках допускается измерение скоростей поплавками в тех случаях, когда обстановка требует безотлагательного проведения поплавочных измерений (например, при кратковременном разрежении ледохода). В этом случае при поплавочном измерении обязательно записывается направление и сила ветра (по форме книжки расхода, см. раздел "Сведения об обстановке работы"). По особому указанию гидрологической станции наблюдателю поручается измерение скорости ветра ручным анемометром. Измерение скоростей и направления ветра (визуально) производится на берегу вблизи гидроствора по возможности на открытом месте, вне зоны затопления.
При сильном ветре, вызывающем большое волнение (появление на волнах белых гребней), измерять скорости течения поплавками запрещается.
§ 213. Данные поплавочных наблюдений по наибольшей поверхностной скорости течения записываются в книжке КГ-7 с изменением названия граф по следующей форме (табл. 24).
Таблица 24
Пример записи в книжке расхода
КГ-7 данных поплавочных наблюдений
N поплавка | Расстояние между верхними и нижними створами, м | Продолжительность хода поплавка, с | Скорость движения поплавка, м/с | Примечания |
1 | 20 | 16,2 | - | Исключить |
2 | 20 | 16,0 | 1,25 | |
3 | 20 | 16,4 | - | Исключить |
4 | 20 | 15,0 | 1,33 | |
5 | 20 | 15,4 | 1,30 | |
| | Сумма | 3,88 | |
| | Среднее | | |
--------------------------------
<*> Измеренная скорость - это наибольшая поверхностная скорость.
Из пяти (или более) пущенных на стрежень реки поплавков отбираются три поплавка, показавшие наименьшую продолжительность хода между створами. Для каждого из трех поплавков, попавших на стрежень реки, вычисляется скорость его движения. Для этого величина расстояния между верхним и нижним створами (в метрах) делится на продолжительность хода (в секундах) поплавка между створами. Из значений скорости течения по трем отобранным поплавкам вычисляется среднее (см.
табл. 24).
Полученная величина скорости будет являться наибольшей скоростью течения реки, которая для перехода к средней скорости потока должна быть умножена на переходный коэффициент.
Площадь водного сечения при устойчивом русле принимается по одному из ближайших по времени промеров русла со срезкой на разницу уровня в день промеров и в день измерения расхода воды (согласно
§ 216).
Расход воды вычисляется путем умножения площади водного сечения на измеренное значение наибольшей скорости течения и на переходный коэффициент.
При заполнении таблички "Принятые данные" (в книжке расхода КГ-7) применяют следующие обозначения: ПСП - поплавки поверхностные, пущенные по стрежню реки; ПЛДП - поплавки-льдины. Обозначение поплавка записывается на последней свободной строке указанной таблички; в правой колонке таблички записывается значение переходного коэффициента K, а после знака поплавка - число поплавков, принятых при вычислении расхода воды.
13. ВЫЧИСЛЕНИЕ РАСХОДА ВОДЫ И КОНТРОЛЬ ДАННЫХ ЕГО ИЗМЕРЕНИЯ
§ 214. Вычисление расхода воды производится в соответствующих разделах книжки расхода КГ-4 (КГ-6) сразу же после его измерения, чтобы имелась возможность при выявлении каких-либо ошибок повторить измерения на той или иной вертикали в тот же день.
Вычисление расхода воды ведется аналитическим способом в изложенном ниже порядке.
ВЫЧИСЛЕНИЕ РАСЧЕТНОГО УРОВНЯ ВОДЫ
§ 215. Расчетный уровень вычисляется по основному посту над нулем графика. В тех случаях, когда уровень воды за время измерения скоростей течения был устойчив или изменялся незначительно (в пределах 2 - 3 см), расчетный уровень вычисляется как среднее арифметическое из значений уровня в начале и конце измерения скоростей. Если уровень воды за время измерения скоростей изменился более чем на 3 см, расчетный уровень вычисляется на станции.
Таблица 25
Вычисление расхода воды в книжке КГ-4
Промеры | Вычисление расхода воды |
N вертикали | Расстояние от постоянного начала, м | глубина, м | угол относа троса | поправка на угол относа | глубина, м | расстояние между вертикалями | площадь водного сечения, м2 | N скоростной вертикали | средняя скорость, м/с | площадь живого сечения между скоростными вертикалями, м2 | расход между вертикалями, м3/с |
промерной | скоростной | I | II | средняя | глубина погружения льда, м | глубина погружения шуги, м | рабочая | со срезкой | между вертикалями | между промерными вертикалями | между скоростными вертикалями | на скоростной вертикали | между вертикалями |
1 | 2 | 3 | 4 | 5 | 6 | 7 | 8 | 9 | | | | | | 1 | | | 4 | |
1 | Урез п/б | 7,5 | | | 0 | | | 0 | | | | | | Урез | | 0,69 | 6,2 | 4,2 |
0,70 | 2,5 | 1,75 | | 1,75 | 1 | 1,38 |
2 | | 10 | мп | | 1,40 | | | 1,40 | | 1,50 | 16,8 | 25,2 |
1,54 | 4 | 6,16 | | 6,2 | 2 | 1,61 |
3 | 1 | 14 | | | 1,68 | 5 | - | 1,68 | | 1,63 | 13,4 | 21,8 |
1,52 | 4 | 6,08 | | | 3 | 1,65 |
4 | | 18 | | | 1,35 | 5 | - | 1,35 | | 1,59 | 12,8 | 20,4 |
1,35 | 4 | 5,40 | 16,8 | 4 | 1,53 |
5 | | 22 | | | 1,35 | 6 | - | 1,35 | | 1,44 | 14,4 | 20,8 |
1,32 | 4 | 5,28 | | 5 | 1,34 |
6 | 2 | 26 | | | 1,30 | 10 | 0,02 | 1,28 | | 1,25 | 20,7 | 25,9 |
1,22 | 4 | 4,88 | | | 6 | 1,16 |
7 | | 30 | | | 1,17 | 10 | 0,02 | 1,15 | | 0,81 | 18,5 | 14,9 |
1,08 | 4 | 4,32 | 13,4 | Урез | |
8 | | 34 | | | 1,02 | 10 | 0,02 | 1,00 | | | | |
1,05 | 4 | 4,20 | | | | | | |
9 | 3 | 38 | | | 1,13 | 12 | 0,03 | 1,10 | |
1,00 | 4 | 4,36 | | 12,8 | | | | | |
10 | | 42 | | | 1,11 | 12 | 0,03 | 1,08 | |
1,06 | 4 | 4,24 |
11 | | 46 | | | 1,08 | 12 | 0,03 | 1,05 | |
1,05 | 4 | 4,20 |
12 | 4 | 50 | | | 1,07 | 10 | 0,02 | 1,05 | |
1,10 | 4 | 4,40 | | 14,4 | | | | | |
13 | | 54 | | | 1,17 | 10 | 0,02 | 1,15 | |
1,20 | 4 | 4,80 |
14 | | 58 | | | 1,27 | 10 | 0,02 | 1,25 | |
1,31 | 4 | 5,24 |
15 | 5 | 62 | | | 1,39 | 10 | 0,02 | 1,37 | |
1,44 | 4 | 5,76 | | 20,7 | | | | | |
16 | | 66 | | | 1,82 | 10 | 0,02 | 1,80 | |
1,72 | 4 | 6,88 |
17 | | 70 | | | 1,98 | 12 | 0,03 | 1,95 | |
2,02 | 4 | 8,08 |
18 | 6 | 74 | | | 2,13 | 12 | 0,03 | 2,10 | |
2,15 | 4 | 8,60 | | 18,5 | | | | | |
19 | | 78 | | | 2,20 | 6 | - | 2,20 | |
1,98 | 4 | 7,92 |
20 | | 82 | | | 1,77 | | | 1,77 | |
0,88 | 2,2 | 1,94 |
21 | Урез л/б | 84,2 | | | 0 | | | 0 | | | | | |
| | | | | | | | | | | F = 104,5 м2 |
ВЫЧИСЛЕНИЕ РАБОЧЕЙ ГЛУБИНЫ
§ 216. В тех случаях, когда промеры (при неустойчивом русле) производились в два хода, вычисляется средняя глубина из двух ее значений, полученных по двум промерам, со срезкой для второго хода на разницу в уровне воды при промерах по ходу "туда" и "обратно" (см.
табл. 12, графа 6).
Пример. Глубина русла на вертикали по ходу "туда" равна 1,25 м и "обратно" - 1,36 м; уровень воды при промере "туда" 281 см и "обратно" - 284 см. Срезка равна 284 - 281 = 3 см. Глубина со срезкой по ходу "обратно" составит 1,36 - 3 = 1,33 м. Следовательно, средняя глубина

.
При наличии угла относа троса от вертикального положения (на 10° и более) величина его записывается в
графу 7 табл. 12. Рабочая глубина вычисляется с поправкой на относ троса. Последняя берется из таблицы
(приложение 7). Значение этой поправки записывается в
графу 8 табл. 12 и вычитается из значения глубины в
графе 6. Результат записывается в
графу 9 (рабочая глубина). Если промеры производились в два хода, поправка берется по среднему значению угла относа из двух измерений.
При зимних промерах со льда рабочая глубина вычисляется путем вычитания из значения полной глубины, записанной в
графе 6, глубины погружения льда или шуги, записанных в
графах 7 или
8 (см. табл. 12).
В тех случаях, когда уровень при промерах отличается от расчетного уровня более чем на 1 см или если промеры при измерении расхода воды не производились и используются данные последнего промера, рабочие глубины исправляются (срезаются) на величину разницы между расчетным уровнем и уровнем при промерах и полученные значения глубин выписываются в
графу 10 (табл. 25).
При использовании глубин по последнему промеру в случаях измерения расхода воды под ледяным покровом рабочие глубины вычисляются с учетом измеренной толщины льда на скоростных вертикалях и у берегов. Если разница в толщине льда по ширине реки незначительная (не превышает 5 см для глубин до 3 м, а для больших глубин - 10 см), то при вычислении рабочих глубин для всех промерных вертикалей принимается средняя глубина погружения льда, вычисленная из значений по измерениям на скоростных вертикалях. Если разница получается большая, тогда для вычисления рабочих глубин толщина погруженного льда определяется по интерполяции между измеренными его значениями на скоростных вертикалях и у берегов.
ВЫЧИСЛЕНИЕ ПЛОЩАДИ ВОДНОГО СЕЧЕНИЯ
§ 217. Площадь водного сечения может быть представлена многоугольником, состоящим из двух треугольников, расположенных у берегов, и ряда трапеций, которые ограничиваются промерными вертикалями
(рис. 79). При обрывистых берегах глубина на урезе может быть не равна нулю. Тогда прибрежные участки водного сечения могут иметь также форму трапеции. Точки
A и
B - урезы воды на левом и правом берегах. Прямая линия
AB - ширина реки. Пунктирные вертикальные линии - глубины на промерных вертикалях. Отрезки прямой между пунктирными линиями - расстояния между промерными вертикалями. Ломаная нижняя линия - очертание дна реки.
Следовательно, площадь водного сечения может быть определена как сумма площадей составляющих ее трапеций и треугольников. Известно, что: а) площадь треугольника равна половине произведения основания на высоту; б) площадь трапеции равна произведению полусуммы оснований на высоту. В нашем случае за основания треугольников и трапеций могут быть приняты, как видно на рис. 79, линии глубин на промерных вертикалях, а за высоты - расстояния между ними.
Рис. 79. Схема к вычислению площади водного сечения
Для вычисления площадей в
графы 11 и
12 выписываются вычисленные с округлением до 0,01 м значения полусуммы смежных глубин и расстояний между промерными вертикалями (см.
табл. 25). В результате перемножения значений расстояний и полусуммы глубин между вертикалями вычисляются площади водного сечения между промерными вертикалями, которые выписываются в
графу 13.
Площади водного сечения между промерными вертикалями вычисляются с округлением:
при площадях 100 м2 и более - до 1 м2 (например, 105 м2, 282 м2);
при площадях от 99,9 до 10,0 м2 - до 0,1 м2 (например, 75,9 м2, 10,5 м2);
при площадях меньше 10,0 м2 - до 0,01 м2 (например, 5,83 м2, 0,31 м2).
В результате сложения соответствующего количества отдельных площадей между промерными вертикалями вычисляются площади водного сечения между скоростными вертикалями, значения которых записываются в
графу 14. При суммировании следует быть внимательным, чтобы правильно ограничить участки площади водного сечения между скоростными вертикалями.
Сумма всех площадей между промерными вертикалями составит общую площадь водного сечения, которая записывается как итог внизу
графы 13.
При наличии ледяного покрова и скопления подо льдом шуги площади погруженного льда и шуги вычисляются на станции.
ВЫЧИСЛЕНИЕ СКОРОСТИ ТЕЧЕНИЯ
§ 218. Сначала вычисляется сумма оборотов лопастного винта
N умножением общего количества сигналов на число оборотов лопастного винта вертушки между сигналами. Результат записывается в книжку расхода (см.
табл. 14, графа 18).
Затем делением полученной суммы оборотов на продолжительность измерения в секундах, записанную в
графе 19, вычисляется число оборотов лопастного винта в 1 с (
n), которое записывается в
графу 20. Для вычисления числа оборотов лопастного винта в 1 с применяются специальные таблицы, по которым в зависимости от суммы оборотов лопасти вертушки
N и продолжительности измерения сразу находится число оборотов лопасти в 1 с с точностью до 1/100 доли оборота. Таблицы эти для вертушек с сигналом через 20 оборотов имеются на станции и посту.
Таблицы составлены для продолжительности измерения в точке не менее 100 с. В тех случаях, когда вследствие очень частых сигналов (чаще чем через 2 с) продолжительность измерения была меньше 100 с, вычисление числа оборотов в 1 с производится наблюдателем без таблиц.
§ 219. Скорость течения в точке (см.
табл. 14, графа 21) определяется на основании тарировочной таблицы, которой обязательно снабжается каждая вертушка. Форма ее приведена в табл. 26.
Таблица 26
Тарировочная таблица
Вертушка N 24765, тип ГР-21М, лопастный винт N 1
Контакт через 20 оборотов
Тарирована 21 марта 1973 г.
n | 0,00 | 0,01 | 0,02 | 0,03 | 0,04 | 0,05 | 0,06 | 0,07 | 0,08 | 0,09 |
0,0 | 0,03 | 0,03 | 0,03 | 0,03 | 0,03 | 0,04 | 0,04 | 0,04 | 0,04 | 0,04 |
0,1 | 0,04 | 0,04 | 0,04 | 0,04 | 0,04 | 0,05 | 0,05 | 0,05 | 0,05 | 0,05 |
0,2 | 0,05 | 0,06 | 0,06 | 0,06 | 0,06 | 0,07 | 0,07 | 0,07 | 0,07 | 0,08 |
0,3 | 0,08 | 0,08 | 0,08 | 0,09 | 0,09 | 0,09 | 0,09 | 0,10 | 0,10 | 0,10 |
0,4 | 0,10 | 0,10 | 0,11 | 0,11 | 0,12 | 0,12 | 0,12 | 0,12 | 0,13 | 0,13 |
| | | | | | | | | | |
| | | | | | | | | | |
| | | | | | | | | | |
3,6 | 0,93 | 0,93 | 0,93 | 0,93 | 0,94 | 0,94 | 0,94 | 0,95 | 0,95 | 0,95 |
3,7 | 0,96 | 0,96 | 0,96 | 0,96 | 0,97 | 0,97 | 0,97 | 0,98 | 0,98 | 0,98 |
3,8 | 0,99 | 0,99 | 0,99 | 0,99 | 1,00 | 1,00 | 1,00 | 1,00 | 1,01 | 1,01 |
3,9 | 1,01 | 1,01 | 1,02 | 1,02 | 1,02 | 1,02 | 1,03 | 1,03 | 1,03 | 1,04 |
4,0 | 1,04 | 1,04 | 1,04 | 1,05 | 1,05 | 1,05 | 1,05 | 1,05 | 1,06 | 1,06 |
4,1 | 1,06 | 1,06 | 1,07 | 1,07 | 1,07 | 1,08 | 1,08 | 1,08 | 1,08 | 1,09 |
4,2 | 1,09 | 0,09 | 1,10 | 1,10 | 1,10 | 1,10 | 1,11 | 1,11 | 1,11 | 1,12 |
и т.д. | | | | | | | | | | |
Пример. Число оборотов лопастного винта вертушки в 1 с n = 3,95. На пересечении строки со значением n = 3,9 с графой 0,05 находим скорость течения в точке, равную 1,02 м/с.
По тарировочной таблице по числу оборотов лопастного винта в 1 с (n) находится значение скорости течения в точке.
Значения скоростей течения записываются с двумя знаками после запятой, т.е. с точностью до 0,01 м/с.
Скорость течения в точке (см.
табл. 14, графа 21) может определяться также по тарировочной таблице другой формы (табл. 27). Такие тарировочные таблицы составляются станцией специально для наблюдателей. При наличии тарировочной таблицы определение скорости упрощается, так как вычисление числа оборотов вертушки в 1 с и заполнение графы 20 в книжке КГ-4 не требуется.
Таблица 27
Тарировочная таблица
Вертушка N 21150, тип ГР-21М, лопастный винт N 1
Контакт через 20 оборотов
Тарирована 21 октября 1973 г.
Суммарное число оборотов вертушки | Продолжительность измерения скорости в точке, с |
95 | 96 | 97 | 98 | 99 | 100 | 101 | 102 | 103 | 104 | 105 | 106 | 107 |
20 | 0,07 | 0,07 | 0,07 | 0,06 | 0,06 | 0,06 | 0,06 | 0,06 | 0,06 | 0,06 | 0,06 | 0,06 | 0,06 |
40 | 0,12 | 0,12 | 0,11 | 0,11 | 0,11 | 0,11 | 0,11 | 0,11 | 0,11 | 0,11 | 0,11 | 0,11 | 0,10 |
60 | 0,17 | 0,17 | 0,17 | 0,17 | 0,17 | 0,16 | 0,16 | 0,16 | 0,16 | 0,16 | 0,16 | 0,16 | 0,15 |
80 | 0,22 | 0,22 | 0,22 | 0,22 | 0,22 | 0,21 | 0,21 | 0,21 | 0,21 | 0,21 | 0,20 | 0,20 | 0,20 |
100 | 0,28 | 0,28 | 0,27 | 0,27 | 0,27 | 0,27 | 0,26 | 0,26 | 0,26 | 0,26 | 0,25 | 0,25 | 0,25 |
120 | 0,34 | 0,33 | 0,33 | 0,32 | 0,32 | 0,32 | 0,31 | 0,31 | 0,31 | 0,30 | 0,30 | 0,30 | 0,29 |
140 | 0,39 | 0,38 | 0,38 | 0,38 | 0,37 | 0,37 | 0,37 | 0,36 | 0,36 | 0,35 | 0,35 | 0,35 | 0,35 |
160 | 0,44 | 0,44 | 0,43 | 0,43 | 0,42 | 0,42 | 0,42 | 0,41 | 0,41 | 0,40 | 0,40 | 0,40 | 0,39 |
180 | 0,50 | 0,49 | 0,49 | 0,48 | 0,48 | 0,47 | 0,47 | 0,46 | 0,46 | 0,45 | 0,45 | 0,44 | 0,44 |
200 | 0,55 | 0,54 | 0,54 | 0,53 | 0,53 | 0,52 | 0,52 | 0,51 | 0,51 | 0,50 | 0,50 | 0,49 | 0,49 |
220 | 0,60 | 0,59 | 0,59 | 0,58 | 0,58 | 0,57 | 0,57 | 0,56 | 0,56 | 0,55 | 0,55 | 0,54 | 0,54 |
240 | 0,65 | 0,65 | 0,64 | 0,64 | 0,63 | 0,63 | 0,62 | 0,62 | 0,61 | 0,61 | 0,60 | 0,60 | 0,59 |
260 | 0,71 | 0,71 | 0,70 | 0,69 | 0,68 | 0,67 | 0,67 | 0,66 | 0,66 | 0,65 | 0,65 | 0,64 | 0,64 |
280 | 0,76 | 0,75 | 0,75 | 0,74 | 0,73 | 0,73 | 0,72 | 0,71 | 0,71 | 0,70 | 0,70 | 0,69 | 0,69 |
300 | 0,82 | 0,81 | 0,80 | 0,79 | 0,78 | 0,78 | 0,77 | 0,76 | 0,76 | 0,75 | 0,75 | 0,74 | 0,74 |
320 | 0,87 | 0,86 | 0,85 | 0,84 | 0,83 | 0,83 | 0,82 | 0,81 | 0,81 | 0,80 | 0,80 | 0,79 | 0,79 |
340 | 0,92 | 0,91 | 0,90 | 0,90 | 0,89 | 0,88 | 0,88 | 0,87 | 0,87 | 0,86 | 0,85 | 0,85 | 0,84 |
360 | 0,97 | 0,96 | 0,95 | 0,94 | 0,94 | 0,93 | 0,93 | 0,92 | 0,91 | 0,91 | 0,90 | 0,90 | 0,89 |
380 | 1,03 | 1,02 | 1,01 | 1,00 | 1,00 | 0,98 | 0,98 | 0,97 | 0,96 | 0,96 | 0,95 | 0,95 | 0,94 |
400 | 1,08 | 1,07 | 1,06 | 1,05 | 1,04 | 1,04 | 1,03 | 1,03 | 1,02 | 1,01 | 1,00 | 1,00 | 0,99 |
420 | 1,14 | 1,13 | 1,12 | 1,11 | 1,10 | 1,09 | 1,08 | 1,07 | 1,06 | 1,06 | 1,05 | 1,04 | 1,03 |
440 | 1,19 | 1,18 | 1,17 | 1,16 | 1,15 | 1,13 | 1,13 | 1,12 | 1,11 | 1,10 | 1,10 | 1,09 | 1,08 |
460 | 1,24 | 1,23 | 1,22 | 1,21 | 1,20 | 1,19 | 1,18 | 1,17 | 1,16 | 1,16 | 1,15 | 1,14 | 1,13 |
480 | 1,30 | 1,29 | 1,28 | 1,27 | 1,26 | 1,25 | 1,24 | 1,23 | 1,22 | 1,21 | 1,20 | 1,19 | 1,18 |
| | | | | | | | | | | | | |
Примечание. Для вычисления расходов воды, измеренных ускоренным способом (с продолжительностью измерения скорости в точке начиная с 30 с и более), тарировочная таблица составляется аналогично данному образцу. Так как при этом способе время выдержки вертушки в точке записывается с точностью до 0,2 с, то для дробных значений выдержки значения скорости следует находить путем интерполяции.
§ 220. По данным измерений скорости течения в отдельных точках по глубине скоростных вертикалей вычисляются средние скорости на них. Результаты вычисления записываются сначала в
графу 22 раздела "Скорости" в табл. 14, а затем переписываются в
графу 2 раздела "Вычисление расхода воды" в табл. 25.
Средняя скорость на вертикалях вычисляется, как указано ниже.
В случае свободного от водной растительности и льда русла:
- при измерении в двух точках (на 0,2 и 0,8 глубины) - как среднее арифметическое из значений скорости в этих точках;
- при измерении в одной точке (на 0,6 глубины) - полученное значение в этой точке принимается за среднюю скорость.
При наличии водной растительности и под ледяным покровом:
- при измерении в трех точках (на 0,15; 0,5 и 0,85 рабочей глубины) - как среднее арифметическое из значений скорости в этих точках;
- при измерении в одной точке (на 0,5 рабочей глубины) - полученное значение скорости в этой точке умножается на 0,9.
При измерении скоростей в пяти или шести точках (детальный способ) вычисление средней скорости выполняется по специальной формуле наблюдателем после обучения его техником или другим специалистом станции.
Значения вычисленных средних скоростей на вертикали записываются с округлением до 0,01 м/с.
§ 221. По полученным значениям средней скорости на вертикалях вычисляются скорости течения: 1) между урезами воды и ближайшими к берегу скоростными вертикалями, 2) между скоростными вертикалями.
Средняя скорость для крайних прибрежных отсеков площади водного сечения принимается равной скорости на ближайшей к берегу скоростной вертикали, умноженной на коэффициент, зависящий от характера берега (табл. 28).
Таблица 28
Таблица коэффициентов для вычисления
скорости течения в прибрежных отсеках
Характер берега | Коэффициент |
При отсутствии мертвого пространства: | |
пологий берег с нулевой глубиной на урезе.................................................................................................... | 0,7 |
обрывистый берег или неровная стенка (бут, неотесанный камень и т.п.)................................................................................... | 0,8 |
гладкая бетонная или сплошь обшитая досками стенка и т.п........................................................................................................ | 0,9 |
При наличии мертвого пространства................................................. | 0,5 |
Скорость для остальных отсеков площади водного сечения между скоростными вертикалями вычисляется как полусумма скоростей на смежных вертикалях. Значения этих скоростей записываются (см.
табл. 25) также с округлением до 0,01 м/с.
§ 222. Умножением величин площадей водного сечения между скоростными вертикалями (см.
табл. 25, графа 14) на величины средней скорости между ними (
графа 3 раздела "Вычисление расхода воды") вычисляются частичные расходы воды для прибрежных отсеков и между скоростными вертикалями. Значения вычисленных частичных расходов записываются в
графу 5 с округлением в зависимости от их величины:
при расходе 1000 м3/с и более - до 10 м3/с;
при расходе меньше 1000 и до 100 м3/с - до 1 м3/с;
при расходе меньше 100 и до 10,0 м3/с - до 0,1 м3/с;
при расходе меньше 10,0 и до 0,10 м3/с - до 0,01 м3/с;
при расходе меньше 0,10 м3/с - до 0,001 м3/с.
Например:
1237 записывается 1240
157,6 " 158
89,43 " 89,4
4,556 " 4,56
0,8935 " 0,89
0,0935 " 0,094
0,0035 " 0,004
СОСТАВЛЕНИЕ ТАБЛИЦЫ "ПРИНЯТЫЕ ДАННЫЕ"
§ 223. Вычисление расхода воды заканчивается выписыванием окончательных результатов измерений в таблицу книжки расхода "Принятые данные" (табл. 29).
Таблица 29
Пример записи принятых данных в книжке расхода КГ-4
Принятые данные |
состояние реки | св |
Расчетный уровень воды: на основном посту | | Ширина по уровню воды B м | 324 |
над нулем графика Hр см | 642 | Ширина по нижней поверхности льда Bл м | - |
Расход воды Q м3/с | 1240 | Глубина средняя hср м | 3,12 |
Площадь водного сечения F м2 | 1010 | | |
в том числе мертв. пр. Fм м2 | - | | |
Площадь погруженного льда Fл м2 | - | Глубина наибольшая hнаиб м | 4,23 |
Площадь шуги Fш м2 | - | Уклон водной поверхности  | 0,52 |
Площадь общая Fобщ м2 | - | Способ измерения расхода воды | B 10/20 |
Скорость средняя Vср м/с | 1,23 | | |
Скорость наибольшая Vнаиб м/с | 1,61 | Метод вычисления расхода воды | a |
Выборка и запись необходимых данных производятся из соответствующих разделов книжки расхода в изложенном ниже порядке.
§ 224. Состояние реки указывается для участка гидроствора на основании записи в разделе "Обстановка работ" книжки КГ-4 следующими условными обозначениями: св - река свободна ото льда; тр - русло заросло травой; рлдх - редкий ледоход; лдх - средний и густой ледоход; ршгх - редкий шугоход, шгх - средний и густой шугоход; заб - забереги; закр - закраины; впл - вода течет поверх льда; лдст - ледостав.
В случае наличия каких-либо других дополнительных сведений о состоянии реки или об условиях работы, а также если на основном посту состояние реки было иное, чем на гидростворе, делается ссылка на раздел "Обстановка работ", где в этих случаях даются подробные замечания.
§ 225. Данные о величине расхода воды и его элементах.
а) Расчетный уровень воды на основном посту
Hр см выписывается из таблицы "Высота уровня воды за время измерения расхода" (см.
табл. 11) в сантиметрах над нулем графика.
б) Расход воды
Q м
3/с выписывается из раздела "Вычисление расхода воды" с округлением, согласно
§ 222.
в) Площадь водного сечения
F м
2 - выписывается итоговая величина площади водного сечения по
графе 13 в разделе "Промеры" (см. табл. 25). Величина площади записывается с округлением (в зависимости от ее размера), согласно
§ 217.
Величины площадей мертвого пространства, погруженного льда, шуги и общей площади (рис. 80) вычисляются и записываются в таблицу "Принятые данные" книжки КГ-4 на станции.
Рис. 80. Поперечное сечение реки.
I - площадь погруженного льда; II - площадь шуги;
III - водное сечение (включая МП);
IV - общая площадь сечения
г) Средняя скорость Vср м/с вычисляется путем деления величины расхода воды на величину площади водного сечения.
Скорость наибольшая Vнаиб м/с выбирается из всех значений скоростей течения, измеренных в отдельных точках. Значения скоростей записываются с точностью до 0,01 м/с.
д) Ширина реки по уровню воды Bу м - выписывается из раздела "Промеры" непосредственно измеренная при промерах. Если расчетный уровень значительно отличается от уровня при промерах и ширина реки до этого уровня значительно изменяется в зависимости от высоты уровня, то ширина реки определяется на станции по поперечному профилю реки.
При наличии ледяного покрова дается дополнительно ширина реки по нижней поверхности льда Bл м на основании непосредственных измерений. Ширина реки на отмелых берегах по урезам воды при наличии толстого льда наблюдателем не измеряется, а определяется впоследствии по поперечному профилю и выписывается на станции.
Значения ширины записываются с округлением:
при ширине от 100 м и более - до целого метра,
при ширине меньше 100 м - до 0,1 м.
е) Глубина средняя hср м вычисляется путем деления площади водного сечения на ширину реки. При наличии ледяного покрова средняя глубина вычисляется путем деления общей площади поперечного сечения на ширину реки.
Наибольшая глубина hнаиб м выбирается из всех измеренных глубин со срезкой на принятый расчетный уровень воды. Выписываются глубины при величине их 5,0 м и более с округлением до 0,1 м, а при меньших глубинах - до 0,01 м.
ж) Уклон водной поверхности I выписывается из табл. 30 в тех случаях, когда он наблюдался при измерении расхода воды.
Таблица 30
Вычисление уклона водной поверхности в книжке расхода КГ-4
| Начальный | Конечный |
N сваи (рейки) | отсчет, см | отметки, см | N сваи (рейки) | отсчет, см | отметки, см |
сваи (рейки) | уровня | сваи (рейки) | уровня |
Уклонный | верхний | 3 | 44 | 202 | 246 | 3 | 46 | 202 | 248 |
пост | нижний | 2 | 65 | 156 | 221 | 2 | 67 | 156 | 223 |
Падение  м | | | | 0,25 | | | | 0,25 |
Уклон  | | | | 0,52 | | | | 0,52 |
Примечание. L - расстояние между уклонными постами в метрах.

.
Уклон водной поверхности вычисляется на основании результатов наблюдений за уровнем воды на уклонных постах (см.
табл. 30). Величина уклона водной поверхности дается в промилле и записывается в таблицу "Принятые данные" со следующим округлением полученных значений:
при значении уклона

и более - до целых промилле;
при значении уклона от 9,9 до

- до

;
при значении уклона от 0,99 до

- до

;
при значении уклона меньше

- до

.
з) В случае измерения расхода воды вертушкой способ измерения указывается буквой В (без разделения на типы) и дробью. Числитель дроби, стоящей после знака вертушки, указывает количество скоростных вертикалей, а знаменатель - общее количество точек в сечении, в которых измерялась скорость течения (например, В 7/14).
и) Способ вычисления расхода воды - записывается буквой "а", условно обозначающей аналитический способ обработки.
В особых замечаниях под таблицей следует, если в этом имеется необходимость, подробно указать причины, которые могли повлиять на точность измерения расхода воды (например, на лопастной винт часто наматывалась трава и т.п.), или объяснить причину, вызвавшую подъем уровня, не связанный с увеличением расхода воды (например, затор льда, залом леса, запань, временная запруда и т.п.).
§ 226. Принятые данные измеренного расхода воды из книжки расхода выписываются наблюдателем (чернилами) в таблицу ТГ-8 "Измеренные расходы воды".
Книжка расхода, полностью обработанная, после выписки принятых данных в таблицу "Измеренные расходы воды" отсылается заказным письмом на гидрологическую станцию, к которой прикреплен данный пост. Книжки расхода отправляются на станцию в сроки, указанные начальником станции.
Таблицы "Измеренные расходы воды" хранятся у наблюдателя.
ВЫЧИСЛЕНИЕ РАСХОДА ВОДЫ, ИЗМЕРЕННОГО ГЛУБИННЫМ ПОПЛАВКОМ
§ 227. Вычисление расхода воды (или части расхода), измеренного глубинным поплавком по вертикалям (со скоростями течения менее 0,15 м/с), производится так же, как расхода, измеренного вертушкой.
При вычислении скорости течения в точке может быть использована табл. 31.
Таблица 31
Вычисление скорости течения по продолжительности
хода поплавка
Расстояние между створами, м | Продолжительность хода поплавка, с (от - до) | Скорость течения, м/с | Расстояние между створами, м | Продолжительность хода поплавка, с (от - до) | Скорость течения, м/с |
| | | | | |
1 | Больше 67 | 0,01 | 2 | 37 - 44 | 0,05 |
| 40 - 66 | 0,02 | | 31 - 36 | 0,06 |
| 29 - 39 | 0,03 | | 27 - 30 | 0,07 |
| 22 - 28 | 0,04 | | 24 - 26 | 0,08 |
| 19 - 21 | 0,05 | | 22 - 23 | 0,09 |
| 16 - 18 | 0,06 | | 20 - 21 | 0,10 |
| 14 - 15 | 0,07 | | 18 - 19 | 0,11 |
| 12 - 13 | 0,08 | | 16 - 17 | 0,12 |
| 11 | 0,09 | | 15 - 16 | 0,13 |
| 10 | 0,10 | | 14 | 0,14 |
| | | | 13 | 0,15 |
Для расходов воды, измеренных глубинными поплавками, приняты следующие обозначения: ПГП - поплавки глубинные, засеченные по параллельным створам, ПГТ - поплавки глубинные, засеченные теодолитом с одной точки.
При записи способа измерения расхода воды в таблицы "Принятые данные" и "Измеренные расходы воды" ставится знак, обозначающий глубинный поплавок, указывается число вертикалей и число точек измерения скоростей например, "ПГП 8/12".
Если на некоторых вертикалях скорость измерялась вертушкой, в указанные таблицы записывается, например, так: В 4/8 ПГП 2/3".
§ 228. Контроль измерений расходов воды выполняется наблюдателем сразу же после измерения и вычисления каждого расхода воды с целью выяснения, не допущено ли при этом каких-нибудь грубых ошибок.
Контроль заключается:
1) в выяснении, соответствуют ли измеренные значения расхода воды и площади водного сечения выявленным ранее зависимостям расходов воды и площадей водного сечения от высоты уровня воды;
2) в оценке достаточности измерений расходов воды и правильности их распределения во времени за отдельные сезоны и за весь год в зависимости от хода уровня и водного режима для надежного вычисления стока воды. Эта оценка осуществляется специалистом станции.
Для выяснения соответствия измеренных значений расходов воды и площадей водного сечения выявленным ранее зависимостям используется чертеж рабочей кривой расходов воды, который подготавливается на станции и высылается наблюдателю в начале каждого года (рис. 81).
Рис. 81. Рабочая кривая расходов воды.
1 - свободно; 2 - ледоход; 3 - ледостав;
4 - водная растительность
На чертеж рабочей кривой расходов воды наносятся оси координат, указываются масштабы и на основании данных измерений за предыдущее время строятся кривые связи расходов и площадей водного сечения от уровня воды.
Наблюдатель на этот чертеж наносит точками значения расхода воды и площади водного сечения по каждому произведенному им измерению в соответствии с принятым расчетным уровнем.
Каждая нанесенная точка обозначается следующими условными знаками:

- для расходов, измеренных вертушкой, при русле, свободном от водной растительности и льда;

- для расходов, измеренных в тех же условиях поверхностными поплавками;

- для расходов, измеренных при ледоставе;

- для расходов, измеренных поплавками-льдинами;

- для расходов, измеренных вертушкой при наличии водной растительности.
В случае устойчивого или слабоизменяющегося русла, при отсутствии водной растительности и льда наносимые наблюдателем точки вновь измеренных расходов и площадей должны располагаться в пределах узкой полосы. Отклонения точек за пределы этой полосы будут указывать или на неточность, неправильность произведенных измерений и вычислений, или на наличие каких-либо причин, вызывающих нарушение ранее выявленных связей.
При уверенности в отсутствии причин, нарушающих прежние связи, должна быть тщательно проверена обработка расхода и при необходимости повторено измерение.
Если точки расходов воды отклоняются от кривых вследствие наличия в русле водной растительности или ледяных образований, при лесосплаве, явлениях подпора, в результате размыва или намыва русла и др., то контроль измерений по рабочей кривой выполняется специалистом станции в зависимости от характера влияния на данном створе той или иной причины на связь расходов воды с уровнем.
Ниже кратко описываются наиболее часто встречающиеся случаи расположения на чертеже точек значений расходов воды при изменении условий течения воды или при неустойчивом русле.
При наличии водной растительности и ледяном покрове точки значений расходов воды и средней скорости располагаются влево от кривых, построенных по точкам расходов воды, измеренных в период свободного от водной растительности и льда русла. Отклонения точек от кривой в этом случае будут тем значительнее, чем больше заросло русло и толще лед. Особенно большие отклонения обычно бывают при наличии подо льдом шуги и во время зажоров и заторов льда.
На сплавных реках в период лесосплава точки измеренных расходов воды также отклоняются влево в зависимости от густоты лесосплава; наибольшие отклонения бывают в случаях заломов леса и при создании ниже гидроствора запаней.
В случае неустойчивого русла нанесенные точки значений расхода и площади водного сечения отклоняются вправо при размыве русла и влево от кривой - при намыве. Наибольшие размывы русла обычно наблюдаются на подъеме паводков, а намывы - на их спаде; в промежутках между ними русло обычно изменяется незначительно. Наносимые в это время точки могут располагаться на чертеже в пределах узкой полосы, направление огибающих которой близко к прежней кривой.
В створах, расположенных на участках рек, испытывающих в течение года (или в отдельные сезоны) переменный подпор, связь между расходами и уровнем воды в периоды действия этого подпора отсутствует.
Для наглядного представления о том, насколько часто и правильно по времени измеряются расходы воды в зависимости от хода уровня и водного режима, используется хронологический график уровня воды, который составляется наблюдателем в течение года, согласно
§ 66. Наблюдатель на этом графике на соответствующую дату измерения расхода воды ставит черточку или флажок и пишет над ним порядковый номер измерения с начала года (см.
рис. 25). Рассматривая этот график, можно судить, насколько подробно освещены измерениями весеннее половодье, отдельные дождевые паводки, летняя и зимняя межень.
По этому графику работник станции, посещающий пост, уточняет с наблюдателем частоту измерения расходов и распределение их по времени в зависимости от колебаний уровня воды.
14. НАБЛЮДЕНИЯ ЗА НАНОСАМИ
ОБРАБОТКА ПРОБ НАНОСОВ НА ПОСТУ
ОБЩИЕ ПОНЯТИЯ О РЕЧНЫХ НАНОСАХ И МУТНОСТИ ВОДЫ
§ 229. Речная вода всегда содержит некоторое количество взвешенных наносов, состоящих в основном из частиц грунта. Наиболее насыщенной наносами вода в реке бывает в периоды весеннего или летнего половодий и дождевых паводков.
О степени насыщения речной воды наносами судят по величине мутности. Мутность воды - это содержание массы взвешенных наносов в единице объема смеси воды с наносами. Выражается величина мутности в граммах на кубический метр (г/м3).
Общее количество взвешенных наносов, которое проносится через поперечное сечение реки в 1 с, называется расходом взвешенных наносов. Выражается величина расхода взвешенных наносов в килограммах в секунду (кг/с).
На основании отдельных измерений расходов взвешенных наносов и ежедневных наблюдений за мутностью воды вычисляется сток взвешенных наносов за сутки, декаду, месяц и год.
Данные по стоку наносов широко используются и имеют важное значение для проектирования и при эксплуатации водохранилищ, гидроэлектрических станций, оросительных каналов, водозаборных сооружений и т.п.
Для учета стока наносов на посту выполняются следующие виды работ:
1) отбор единичных проб воды на мутность для определения величины мутности в точке или на вертикали;
2) отбор проб воды на мутность по живому сечению для определения расхода взвешенных наносов и содержания в них органических включений;
3) отбор контрольных единичных проб воды на мутность при измерении расходов взвешенных наносов для установления связи между мутностью единичной пробы и средней мутностью в живом сечении;
4) отбор проб воды для определения крупности взвешенных наносов;
5) отбор проб грунта дна для определения крупности, удельного и объемного весов донных отложений.
ПРИБОРЫ ДЛЯ ОТБОРА ПРОБ ВОДЫ СО ВЗВЕШЕННЫМИ НАНОСАМИ
§ 230. Для отбора проб воды со взвешенными наносами применяются следующие стандартные приборы: батометр-бутылка на штанге (ГР-16, ГР-16М), батометр-бутылка в грузе (ГР-15) и вакуумный батометр (ГР-61).
При отсутствии стандартных приборов можно применять обычную бутылку емкостью 1 л, опускаемую на штанге или с грузом в наклонном положении под углом 25° к горизонтальной плоскости.
Батометром-бутылкой на штанге ГР-16
(рис. 82) отбирают пробы при скоростях течения до 1,5 - 2,0 м/с как точечным, так и интеграционным <1> способами. Интеграционным способом можно брать пробы при глубинах не менее 1 м. Наибольшая возможная глубина для взятия проб интеграционным способом определяется длиной штанги и скоростью течения, при которой можно удержать штангу с прибором. При точечном способе этим прибором можно брать пробы при глубинах от 0,5 до 2,5 м.
--------------------------------
<1> При интеграционном способе батометр равномерно перемещается на вертикали от поверхности до дна и обратно (см.
§ 244).
Рис. 82. Батометр-бутылка на штанге.
1 - водозаборная трубка; 2 - воздухоотводная трубка
Батометр-бутылка ГР-16 (см.
рис. 82) имеет трубку
1, направленную против течения, в которую набирается вода, и трубку
2, направленную по течению, из которой выходит вытесняемый воздух. Трубки служат для обеспечения поступления воды в бутылку с наименьшим нарушением естественных условий течения.
В зависимости от скорости течения в реке время заполнения батометра регулируется сменными, с различными диаметрами входных отверстий, насадками, навинчиваемыми на водозаборную 1 и воздухоотводную 2 трубки.
Диаметры насадок при различных значениях уровня воды и скорости течения на постоянной вертикали, где берутся единичные пробы, заблаговременно указываются наблюдателю специалистами станции в следующей форме (табл. 32).
Таблица 32
Таблица для установки насадок на батометр-бутылку
Река __________________ | Пост ______________ | Постоянная вертикаль |
Уровень воды на основном посту, см (над нулем графика) | Скорость течения (примерно), м/с | Диаметр насадок, мм |
водозаборная трубка | воздухоотводная трубка |
Меньше ______________ см | Меньше 1,0 | 6 | 1,5 |
От _________ до _________ | От 1,0 до 2,0 | 4 | 2 |
Больше _______________ см | Больше 2,0 | 4 | 4 |
При глубинах менее 0,5 м применяется батометр такого же типа, но укрепляемый на штанге горизонтально и с трубками, устроенными так же, как у батометра в грузе (см.
рис. 84).
§ 231. Батометр-бутылка ГР-16М (рис. 83) имеет несколько

диапазон применения по сравнению с батометром-бутылкой ГР-16. Горизонтально расположенная в обойме бутылка позволяет отбирать пробы, начиная с 10 см над дном реки. Этим прибором можно отбирать пробы интеграционным способом при скоростях течения до 2 м/с, а точечным способом (при глубинах менее 2,5 м, с упором штанги о дно) - при скоростях до 3 м/с.
Рис. 83. Модернизированный батометр-бутылка
на штанге ГР-16М.
1 - бутылка стеклянная; 2 - обойма для крепления бутылки;
3 - сменная насадка воздухоотводной трубки;
4 - воздухоотводная трубка; 5 - сменная насадка водозаборной
трубки; 6 - водозаборная трубка; 7 - головка металлическая;
8 - хомут для крепления головки; 9 - откидные проволочные
зажимы; 10 - кронштейн; 11 - хвостовое оперение
Перед каждым опусканием батометра-бутылки в воду трубки следует продуть, чтобы оставшиеся в них капли не препятствовали нормальному поступлению воды в бутылку.
В зависимости от скорости течения на водозаборную и воздухоотводящую трубки батометра-бутылки, так же как и для батометра ГР-16, навинчиваются насадки с различным диаметром входных отверстий. Диаметр отверстий обозначен на каждой насадке.
§ 232. Батометром-бутылкой в грузе ГР-15 (рис. 84) можно брать пробы интеграционным способом на глубинах от 1 до 15 м и точечным способом на глубинах от 0,5 до 2,5 м при скорости течения не более 2,5 м/с. Батометр состоит из груза рыбовидной формы и литровой широкогорлой бутылки. Груз имеет корпус, хвостовое оперение и откидную головку с вертикальной прорезью, через которую наружу выходят две трубки: водозаборная и воздухоотводная. На хвостовом оперении имеется передвижной грузик, с помощью которого прибор уравновешивается в горизонтальном положении.
Рис. 84. Батометр-бутылка в грузе:
Бутылка в собранном виде вкладывается в полость груза и укрепляется неподвижно с помощью откидной скобы, после чего закрывается передняя откидная часть груза. Груз крепится к тросу и опускается с лебедки. Работа с батометром-бутылкой в грузе производится с любой переправы через реку.
В зависимости от скорости течения на водозаборную и воздухоотводную трубки батометра, так же как и для батометров ГР-16 и ГР-16М, навинчиваются насадки с различным диаметром входных отверстий (см.
табл. 32). Перед опусканием в воду батометра-бутылки в грузе трубки его следует продуть, так же как и у батометра ГР-16М.
§ 233. Перед взятием пробы проверяется состояние бутылки-батометра ГР-16, ГР-16М или ГР-15. Бутылка должна быть чистой, без какого-либо осадка на дне и стенках. Вода из бутылки должна быть полностью слита. Для того чтобы стекло бутылки было прозрачным, ее следует два-три раза в месяц промывать "ершом" с мылом и прополаскивать чистой, без наносов, водой.
При установке батометра необходимо следить, чтобы обе трубки были расположены в одной вертикальной плоскости. При работе со штангой водозаборная трубка должна быть направлена перпендикулярно направлению створа, что проверяется по указателю на штанге.
По извлечении батометра на поверхность бутылка вынимается из обоймы или груза и при вертикальном ее положении измеряется объем взятой пробы по делениям на бутылке (см.
§ 236). Затем снимается пробка, вода в бутылке взбалтывается и вся взятая проба переливается в другую, заранее пронумерованную чистую бутылку, в которой она и доставляется наблюдателем для дальнейшей лабораторной обработки.
При переливании пробы необходимо следить, чтобы наносы не остались на стенках бутылки-батометра. Для этого пробу следует взболтать и быстро опрокинуть бутылку-батометр вниз горлышком над воронкой, вставленной в чистую бутылку. Чтобы не допустить разбрызгивания, пробу следует переливать в бутылку через большую воронку (объемом не менее 0,5 л). Оставшиеся на стенках батометра частицы наносов нужно смыть водой этой же пробы в бутылку.
§ 234. Вакуумный батометр ГР-61 (рис. 85) применяется для взятия проб точечным способом на глубинах от 0,1 до 20 м при скорости течения 0,5 м/с, а также интеграционным способом на глубинах от 1 до 20 м при скоростях течения 0,5 м/с, от 1 до 10 м при скоростях до 1 м/с и от 1 до 5 м при скоростях до 2,5 м/с. Этот прибор можно применять на высотах до 2000 м над уровнем моря на горных и равнинных реках при высоте расположения вакуумной камеры над поверхностью воды не более 3 - 4 м. Работа с прибором может производиться с лодки, катера, понтона, мостика, люльки. При ширине реки менее 20 м камеру батометра можно устанавливать на берегу.
Рис. 85. Батометр вакуумный ГР-61.
1 - камера вакуумная; 2, 3, 5 - краны для присоединения
шлангов; 4 - вакуумметр; 6 - насос; 7 - кран-тройник;
8 - струбцина; 9 - водозаборный наконечник
со съемной насадкой
Принцип действия батометра основан на засасывании через заборный наконечник пробы воды за счет разрежения воздуха, создаваемого насосом в вакуумной камере. Батометр состоит из вакуумной камеры 1, ручного воздушного насоса 6 и водозаборного наконечника 9, соединенных между собой двумя резиновыми шлангами. На водозаборный наконечник, так же как и для батометров-бутылок, соответственно ожидаемой скорости течения в потоке навинчиваются насадки разных диаметров (табл. 33). В комплект прибора входит кран-тройник 7 со струбциной 8, вакуумметр 4 и карабины, служащие для крепления шланга к тросу.
Таблица 33
Диаметр насадок, навинчиваемых
на водозаборную трубку вакуумного батометра,
при разных скоростях течения воды в реке
Скорость, м/с ......................... | < 1 | 1 - 2 | > 2 |
Диаметр, мм ......................... | 6 | 4 | 3 |
Можно применять насосы двойного действия и других систем, например насос Камовского. Этим насосом удобно и надежно пользоваться с приводом на электромотор.
В верхней части камеры (крышке) установлены три крана; два из них (2, 3) соединяются при помощи резиновых шлангов с насосом и водозаборным наконечником, через третий кран 5 в вакуумную камеру поступает атмосферный воздух. В центре верхней части камеры имеется отверстие, закрытое герметически пробкой, служащее для установки вакуумметра, а также для промывания камеры.
Порядок работы с вакуумным барометром следующий.
Водозаборный наконечник присоединяется к одному концу водозаборного шланга, а другой конец шланга надевается на один из трех кранов, расположенных на верхней крышке вакуумной камеры. В зависимости от глубины потока и скорости течения водозаборный наконечник укрепляется на штанге или грузе (на штыре в передней его части). Воздушный шланг одним концом присоединяется к насосу, а другим к одному из двух свободных кранов на верхней крышке камеры. Третий оставшийся свободным кран служит для сообщения камеры с атмосферным воздухом в момент прекращения забора пробы.
Перед взятием пробы закрывается нижний кран и два крана, находящиеся на верхней крышке камеры: кран, сообщающий камеру с атмосферой, и кран, на который надет водозаборный шланг. Кран, на который надет воздушный шланг, соединенный с насосом, остается открытым. Для удобства работы с батометром используется кран-тройник, входящий в комплект прибора. С помощью этого крана одной рукояткой можно соединять вакуумную камеру с насосом, водозаборным шлангом и атмосферным воздухом.
Водозаборный наконечник при взятии пробы в точке опускается против течения на штанге или грузе в заданную точку. При опускании на штанге водозаборный шланг следует придерживать рукой. При опускании на грузе и при значительных скоростях течения шланг закрепляется на тросе карабинами через 0,5 - 1,0 м по мере схода троса с лебедки барабана. При подъеме груза карабины открепляются от троса. Для работы на реке с малыми глубинами длина водозаборного шланга заблаговременно укорачивается, при этом надо учесть превышение места установки вакуумной камеры на переправе над отметкой самой глубокой точки дна реки с некоторым запасом.
При взятии пробы в камере батометра насосом создается начальный вакуум, который должен обеспечивать поступление воды в водозаборную трубку со скоростью, близкой к скорости течения воды в данной точке потока. В течение всего времени взятия пробы в камере насосом должна поддерживаться постоянная степень разрежения воздуха (вакуума), величину которой в зависимости от скорости течения, длины водозаборного шланга и высоты расположения вакуумной камеры над поверхностью потока наблюдателю указывает станция. В случае отсутствия в комплектации вакуумметра необходимую степень разрежения воздуха в вакуумной камере можно контролировать по времени наполнения камеры в зависимости от скорости течения воды в потоке и объема камеры (табл. 34).
Таблица 34
Продолжительность наполнения вакуумной камеры батометра (с)
при различных скоростях течения воды в реке
Скорость течения, м/с | Объем камеры, л | Скорость течения, м/с | Объем камеры, л |
1 | 3 | 1 | 3 |
0,2 | 180 | 530 | 1,4 | 25 | 76 |
0,3 | 120 | 350 | 1,5 | 23 | 71 |
0,4 | 88 | 270 | 1,6 | 22 | 66 |
0,5 | 71 | 210 | 1,7 | 21 | 62 |
0,6 | 59 | 180 | 1,8 | 20 | 59 |
0,7 | 50 | 150 | 1,9 | 19 | 56 |
0,8 | 44 | 130 | 2,0 | 18 | 53 |
0,9 | 39 | 120 | 2,1 | 17 | 50 |
1,0 | 35 | 110 | 2,2 | 16 | 48 |
1,1 | 32 | 97 | 2,3 | 15 | 46 |
1,2 | 29 | 88 | 2,4 | 15 | 44 |
1,3 | 27 | 82 | 2,5 | 14 | 42 |
В момент начала забора пробы открывается кран на верхней крышке прибора, к которому присоединен водозаборный шланг.
После того как камера заполнится до нужного объема (за наполнением камеры надо следить по шкале), быстро открывается кран, сообщающий камеру с атмосферой. Поступление воды в камеру прекратится, после чего закрывается кран, соединяющий камеру с водозаборным шлангом. Надо подождать, пока успокоится уровень воды в камере, и взять отсчет объема пробы по шкале с точностью до 20 мл.
После отсчета объема по шкале проба сливается в бутыль через нижний кран. При взятии пробы нельзя переполнять камеру водой, так как вода через воздушный шланг может попасть в насос и нарушить его работу.
При работе со шлангом длиннее 10 м необходимо перед взятием последующих проб выгнать оставшуюся в нем воду обратно в поток, что достигается нагнетанием воздуха насосом в камеру и открытием на короткое время крана, соединяющего камеру с водозаборным наконечником.
§ 235. В случае отсутствия или повреждения стандартного батометра допускается производить отбор проб мутности обычной литровой бутылкой с выдергивающейся при помощи шнурка пробкой. Бутылка прикрепляется к штанге или грузу в наклонном положении под углом 25° к горизонтальной плоскости (рис. 86).
Рис. 86. Бутылка на штанге:
1 - пробка; 2 - шнурок
Обойма для прикрепления бутылки к штанге или грузу применяется та же, что и у батометра-бутылки ГР-16. К грузу обойма с бутылкой крепится на штыре в передней части груза (рис. 87).
Рис. 87. Бутылка на грузе
Опускать бутылку в поток в вертикальном положении ни в коем случае нельзя, так как значения мутности будут сильно заниженными за счет недобора проскакивающих мимо горлышка бутылки крупных частиц.
§ 236. Бутылки, используемые для батометра, широкогорлые и обычные с узким горлом, имеют емкость при полном заполнении несколько больше 1 л. При производстве наблюдений объем взятой пробы может оказаться и меньше 1 л, поэтому при каждом взятии пробы должен измеряться ее объем. Для этой цели все применяемые для взятия проб мутности бутылки должны быть в верхней части, начиная с объема 800 мл, проградуированы через 20 мл до края горлышка. Градуировка бутылок производится на станции или работниками станции непосредственно на посту путем нанесения делений на бутылке острой гранью напильника. Все бутылки, используемые для отбора проб, должны быть пронумерованы.
§ 237. Кроме перечисленных выше приборов для взятия проб воды со взвешенными наносами на посту должны быть сосуды большой емкости (бутыли 10- и 20-литровые), которые следует использовать для отстоя проб (декадных и для определения крупности).
ПРОИЗВОДСТВО НАБЛЮДЕНИЙ ЗА МУТНОСТЬЮ
§ 238. Наблюдения за мутностью воды в реке заключаются в ежедневных взятиях проб воды в постоянном месте и во взятии проб воды при измерении расходов взвешенных наносов, из которых затем соответствующими способами выделяются содержащиеся в них наносы (см.
§ 280 -
288).
Для отбора ежедневных проб мутности используются приборы, перечисленные в
§ 230, в зависимости от глубин и скоростей потока.
Выделенные наблюдателем из каждой пробы наносы высушиваются и высылаются в лабораторию (на станцию или в УГМС), где они взвешиваются и вычисляется мутность воды.
§ 239. Единичные пробы мутности берутся в гидрометрическом створе на одной постоянной вертикали, расположенной в стержневой части реки. В тех случаях, когда гидроствор расположен далеко от основного поста и взятие единичных проб мутности в гидростворе для наблюдателя затруднено, пробы берутся, по указанию станции, в створе поста или, если на посту переправа отсутствует, в створе ближайшего к посту дорожного моста или паромно-лодочной переправы, тоже на одной постоянной вертикали, расположенной в стрежневой части реки.
В случае измерения расходов воды в течение года в различных гидрометрических створах пробы мутности берутся всегда в одном и том же створе на постоянной вертикали.
§ 240. Местоположение постоянной вертикали назначается по указанию станции и закрепляется на местности видной меткой на настиле моста, на тросе створными вехами или плавающими буями. Наблюдатель должен при необходимости восстанавливать метки или какие-либо другие знаки, определяющие местоположение постоянной вертикали.
§ 241. В исключительных случаях (при сплошном ледоходе, густом лесосплаве и др.), при полной невозможности взять пробу на постоянной вертикали, расположенной далеко от берега, можно отбирать пробы мутности ближе к берегу, но во всяком случае не ближе 2 - 3 м от него, в зоне с явно выраженным течением и там, где не происходит размыв берега. О каждом взятии пробы мутности не на постоянной вертикали наблюдатель должен сделать запись с указанием, в каком месте была взята данная проба.
§ 242. Единичные пробы мутности берутся суммарным (в двух точках по глубине - 0,2h и 0,8h), точечным (0,6h) и интеграционным способами в зависимости от глубин потока и степени изученности на данном посту связи между мутностью единичных проб и средней мутностью в живом сечении. Взятые в двух точках по глубине пробы мутности сливаются вместе. Способ отбора единичных проб мутности назначается станцией.
§ 243. Суммарный (0,2
h и 0,8
h) и точечный (0,6
h) способы отбора проб мутности можно применять при глубинах не более 2,5 м. При глубине потока меньше 40 см батометр устанавливается в точке 0,5 рабочей глубины.
Для глубин менее 50 см целесообразнее применять батометр, укрепленный на штанге горизонтально (ГР-16М).
§ 244. Интеграционный способ отбора проб применяется при глубине от 1 м до глубины, гарантирующей неполное заполнение бутылки-батометра при ее извлечении из воды. В этом случае проба берется путем равномерного опускания батометра от поверхности до дна и поднятия его также равномерно от дна на поверхность так, чтобы поступление воды в бутылку происходило непрерывно по всей глубине вертикали. Для того чтобы быть уверенным, что заполнение бутылки происходило на всем пути при опускании и поднятии непрерывно, объем взятой пробы должен быть больше 0,8 л и меньше 1 л.
Скорость равномерного опускания и подъема прибора определяется опытным путем (при участии техника) в зависимости от глубины и скорости течения потока.
§ 245. Время выдержки батометра-бутылки в точке определяется от момента установки батометра в заданной точке по глубине до прекращения выделения пузырьков воздуха. Прекращение всплывания воздушных пузырьков означает, что бутылка полностью заполнена и, следовательно, батометр может быть поднят из воды.
Если всплывания воздушных пузырьков почему-либо не видно, батометр следует выдерживать в точке примерно 1 - 2 мин. Приближенно время заполнения бутылки-батометра при различной скорости потока можно определить по табл. 35.
Таблица 35
Время заполнения батометра-бутылки (с) в зависимости
от скорости потока
Скорость потока, м/с | Батометр-бутылка на штанге | Батометр-бутылка в грузе |
0,5 | 85 | 150 |
1,0 | 70 | 85 |
1,5 | 60 | 60 |
2,0 | 45 | 45 |
> 2,0 | 40 | 40 |
§ 246. Во всех случаях взятия единичых проб мутности батометром, укрепленным на штанге или тросе, следует опускать штангу или груз на дно осторожно, избегая взмучивания наносов, отложившихся на дне. Особенно внимательным следует быть при малых глубинах, когда искусственное взмучивание у дна может сильно отразиться на мутности по всей вертикали.
§ 247. В случае применения обычной бутылки с выдергивающейся пробкой интеграционный способ не применим и единичные пробы мутности берутся независимо от глубины в одной или двух точках, как указано в
§ 243.
Бутылка в точке устанавливается обязательно с закрытой пробкой. Пробка выдергивается после того, как бутылка будет установлена в заданной точке по глубине вертикали. Время выдержки определяется по моменту прекращения выделения воздушных пузырьков или, если пузырьков не видно, по времени - не менее 1 мин.
§ 248. Объем батометров-бутылок и обычных с выдергивающейся пробкой бутылок составляет примерно 1 л, что недостаточно для надежного определения количества содержащихся в пробе воды наносов при малой ее мутности (меньше 50 г/м3). Поэтому в отдельные сроки приходится брать единичную пробу не один раз, а дважды и сливать обе пробы вместе.
В летнюю и зимнюю межень, когда мутность воды бывает незначительная, для получения необходимого большого объема в каждый срок берутся пробы по 1 л и сливаются вместе в бутыли большой емкости для отстоя в течение 5 или 10 дней.
Сроки отбора проб мутности назначаются станцией.
О необходимости брать в каждый срок единичные пробы в объеме 2 л и о порядке сливания литровых проб за несколько сроков и дней наблюдателю также даются станцией письменные указания.
§ 249. Единичные пробы мутности берутся ежедневно в сроки наблюдения за уровнем воды, указанные в
§ 43 (для случая отсутствия самописцев уровня на посту).
Во время летней и зимней межени производятся односрочные наблюдения за мутностью воды (в 08 ч).
В период половодья на больших реках при плавном нарастании уровня единичные пробы мутности берутся один раз в сутки (в 08 ч). На средних реках при отсутствии в течение суток резких подъемов и спадов уровня воды пробы на мутность берутся два раза (в 08 и 20 ч). При нарушении режима половодья дождевыми паводками на горных, средних и малых равнинных реках единичные пробы воды на мутность отбираются учащенно, не реже четырех раз в сутки. В том случае, если пик паводка на реке проходит ночью, берутся пробы по возможности и в ночное время.
На постах, оборудованных самописцами уровня воды, единичные пробы мутности отбираются в 08, 12, 16, 20 ч и, в случае необходимости, в один-два срока в ночное время. На постах, где нет самописцев, пробы мутности отбираются в сроки учащенных измерений уровня воды.
На некоторых реках, преимущественно на малых, наблюдения за мутностью в отдельные периоды производятся через каждые 2 ч.
Учащенное взятие единичных проб мутности начинается на подъеме паводка при интенсивном увеличении уровня воды в реке и прекращается на спаде паводка, когда мутность воды станет примерно такой же, как и до паводка.
На некоторых равнинных реках с очень малой мутностью единичные пробы в летнюю и зимнюю межень (по особому указанию начальника станции) не берутся. Взятие единичных проб мутности возобновляется наблюдателем самостоятельно с началом весеннего половодья и летом при прохождении значительных дождевых паводков.
Порядок и сроки отбора единичных проб воды на мутность указываются наблюдателю в письменном задании станции.
§ 250. Сведения о взятых единичных пробах мутности записываются в книжке для записи проб наносов (форма КГ-10), в которой отмечаются дата и время взятия пробы, уровень воды, местоположение вертикали, где была взята проба, глубина вертикали и точки, порядковый номер пробы (с начала года), номер бутылки, в которую проба была слита, и измеренный объем пробы. В тех случаях, когда проба бралась интеграционным способом, в графе "Глубина точки" записывается сокращенно "нит". В примечаниях записываются сведения о причинах, которые могли вызвать в момент отбора пробы резкое местное увеличение мутности (например, размыв, разрушение берегов; вынос большого количества наносов впадающим выше притоком, небольшим ручьем или оврагом; разработка карьеров по берегам реки; дночерпательные или какие-либо другие работы в русле реки; сбросы мусора, промышленных отходов или грунта; сбросы оросительных вод и т.п.).
ИЗМЕРЕНИЕ РАСХОДА ВЗВЕШЕННЫХ НАНОСОВ
§ 251. Для измерения расхода взвешенных наносов пробы воды на мутность берутся в основном гидрометрическом створе на всех скоростных вертикалях (в основном русле, на пойме и в протоках) одновременно с измерением расхода воды.
Пробы воды на мутность при измерении расхода наносов берутся различными способами: точечным (детальным и основным), суммарным и интеграционным.
Количество измерений расходов взвешенных наносов в году и примерные сроки этих измерений указываются наблюдателю в письменном задании станции.
§ 252. Наиболее точное значение расхода взвешенных наносов получается при измерении мутности детальным способом в пяти точках по глубине (у поверхности, на 0,2h, 0,6h, 0,8h и у дна) на всех скоростных вертикалях. Этот способ применяется в первые два года наблюдений в периоды, когда средняя мутность в живом сечении больше 100 г/м3, и служит основанием для перехода на измерение расходов взвешенных насосов более простыми и менее трудоемкими способами: основным, суммарным и интеграционным. Измерение расходов наносов детальным способом производится специалистом станции при участии наблюдателя.
§ 253. Расход наносов измеряется основным способом при свободном русле на скоростных вертикалях в двух точках: 0,2 и 0,8 рабочей глубины.
При глубинах потока меньше 40 см мутность измеряется в одной точке, на 0,5 рабочей глубины.
В настоящее время на большинстве постов Гидрометслужбы СССР расходы взвешенных наносов измеряются основным способом.
§ 254. Суммарный способ взятия проб при измерении расхода наносов применяется при средней мутности меньше 50 г/м
3. Периоды, когда следует применять указанный способ, устанавливаются станцией на основании наблюдений прошлых лет. При суммарном способе пробы объемом 1 л каждая берутся в двух точках по глубине вертикали на 0,2
h и 0,8
h и сливаются в один сосуд. В полевой книжке записываются объем каждой пробы в отдельности и суммарный объем слитых вместе проб. При мутности меньше 20 г/м
3 можно объединять пробы не только по вертикали, но и по всему живому сечению. Объем такой пробы должен быть не менее 10 л.
О необходимости применения суммарного способа при измерении расхода наносов наблюдателю даются станцией письменные указания.
§ 255. Интеграционный способ менее точен по сравнению с точечным или суммарным. Он применяется при быстром изменении высоты уровня воды или при больших глубинах, а также в случае, если на посту имеется недостаточное количество бутылок.
При интеграционном способе на каждой скоростной вертикали берется одна проба путем плавного равномерного перемещения прибора по глубине вертикали от поверхности до дна потока, и обратно. Объем взятой пробы должен быть немного меньше полной емкости батометра-бутылки. Это будет служить контролем того, что проба собрана на всем пути перемещения прибора от поверхности до дна, и обратно. При емкости прибора в 1 л объем пробы должен быть 800 - 950 мл.
При средней мутности потока менее 20 г/м3 взятые интеграционно на вертикалях пробы следует объединять в одну пробу по всему живому сечению.
§ 256. Примерное время заполнения батометра-бутылки при измерении расхода взвешенных наносов определяется по
табл. 35 в зависимости от скорости течения.
§ 257. Записи данных измерения расхода взвешенных наносов детальным и основным способами ведутся в книжке расхода КГ-5, а измерения расхода взвешенных наносов суммарным и интеграционным способами в книжке КГ-6.
ВЗЯТИЕ КОНТРОЛЬНЫХ ЕДИНИЧНЫХ ПРОБ ВОДЫ НА МУТНОСТЬ
§ 258. Контрольная единичная проба воды на мутность берется при каждом измерении расхода взвешенных наносов.
Контрольные пробы следует брать в постоянном месте взятия единичных проб в тех же точках и вертикалях, тем же способом и прибором, которым берутся единичные пробы воды на мутность. Если мутность в реке за период измерения расхода воды сильно меняется, следует брать две контрольные пробы мутности: в начале и конце измерения расхода. Эти пробы нужно сливать в отдельные сосуды и фильтровать каждую в отдельности. Если постоянное место взятия единичных проб совпадает с одной из скоростных вертикалей гидрометрического створа и за период измерения расхода воды мутность почти не меняется, контрольную пробу можно не брать. В этом случае контрольной будет являться та проба, которая взята при измерении расхода наносов на вертикали, соответствующей постоянному месту взятия единичных проб. Если при измерении расхода наносов при малой мутности пробы объединяются по всему живому сечению
(§ 254), контрольная проба берется отдельно.
Объем контрольной пробы зависит от мутности реки. При мутности более 100 г/м3 достаточен объем около 1 л, при мутности от 50 до 100 г/м3 - около 2 л, при мутности менее 50 г/м3 - около 5 л.
§ 259. Записи о взятии контрольных единичных проб ведутся в книжке КГ-10 так же, как записи об ежедневных единичных пробах. Кроме этого, в книжке для записи измерений расходов воды и взвешенных наносов (КГ-5, КГ-6) в разделе "Особые замечания" нужно сделать пометку о времени и месте взятия контрольной пробы.
Контрольные пробы обрабатываются на посту так же, как и единичные.
§ 260. Для отбора проб воды со взвешенными наносами можно использовать дистанционные гидрометрические установки ГР-64, ГР-64М и ГР-70. Описание их дано в
разделе 11 и
приложениях 9 -
11.
С помощью установки ГР-64 и ГР-64М пробы взвешенных наносов можно отбирать только точечным способом при глубинах потока не более 2,5 м. С помощью установки ГР-70 пробы взвешенных наносов отбираются как точечным, так и интеграционным способами в зависимости от глубины и скорости потока (
§ 243,
244).
На штырь гидрометрического груза укрепляется батометр-бутылка ГР-16 или ГР-16М. Груз с прибором выводится на требуемую вертикаль. При точечном способе отбора пробы груз опускается на расчетную глубину, выдерживается необходимое время (порядок работы аналогичен изложенному в
табл. 22), извлекается из воды и доставляется на берег.
Расчет точек погружения батометра-бутылки производится наблюдателем по специальным таблицам, присылаемым ему гидрологической станцией.
При интеграционном способе отбора проб с помощью установки ГР-70 груз с прибором выводится на требуемую вертикаль, опускается до поверхности воды, затем плавно опускается до дна и так же плавно поднимается на поверхность воды и доставляется на берег. При этом бутылка не должна быть заполнена полностью (см.
§ 244).
Дальнейшие работы с пробами выполняются в соответствии с методическими правилами, изложенными в настоящем выпуске Наставления (см.
§ 279 -
288).
ВЗЯТИЕ ПРОБ ДЛЯ ОПРЕДЕЛЕНИЯ КРУПНОСТИ ВЗВЕШЕННЫХ НАНОСОВ
§ 261. Пробы для определения крупности взвешенных насосов берутся в гидрометрическом створе одновременно с измерением расходов воды и взвешенных наносов на всех скоростных вертикалях отдельно от проб, которые отбираются для измерения расхода взвешенных наносов. При мутности более 1000 г/м3 и плавном изменении скоростей течения по ширине потока пробы на крупность отбираются через одну скоростную вертикаль. Число вертикалей, на которых отбираются пробы воды со взвешенными наносами для определения их крупности, должно быть не менее четырех.
Пробы берутся тем же прибором и способом, каким берутся пробы мутности для измерения расхода наносов, но, в отличие, от последних, они объединяются в одну суммарную пробу по всему сечению потока. Если расход наносов измеряется детальным способом, пробы для определения крупности берутся в двух точках на вертикали: на 0,2 и 0,8 рабочей глубины.
§ 262. Примерный объем проб для определения крупности наносов назначается станцией в зависимости от величины мутности воды в реке. Если мутность меньше 100 г/м3, надо взять пробу суммарным объемом не менее 20 л, если мутность больше 100 г/м3, проба берется объемом 10 - 20 л, а при мутности больше 500 г/м3 объем пробы может составлять 5 - 10 л. При этом на каждой вертикали объем пробы должен быть не менее 1 л.
§ 263. Записи о взятии проб воды со взвешенными наносами для определения их крупности ведутся в отдельной книжке КГ-10. Нужно записать суммарный объем пробы, место взятия каждой отдельной пробы, их объем, номера сосудов или бутылей, в которые выливаются пробы. Необходимо также записать высоту слоя пробы в отстойных сосудах (в сантиметрах), продолжительность периода отстоя (в сутках) и температуру в помещении отстоя. В книжке измерений расходов воды и взвешенных наносов (КГ-5 или КГ-6) в разделах "Особые замечания", относящихся к отдельным вертикалям, делается пометка о взятии проб на крупность и записывается суммарный объем пробы.
ОТБОР ПРОБ ДОННЫХ ОТЛОЖЕНИЙ НА РАВНИННЫХ РЕКАХ
§ 264. Отбор проб грунта в русле производится с целью получения данных о гранулометрическом составе (крупности), объемном и удельном весах и содержании органических веществ донных отложений.
Пробы донных отложений на равнинных реках отбираются четыре - шесть раз в году в разные фазы водного режима: на подъеме, пике и спаде половодья, в период летне-осенних паводков и в межень.
§ 265. В зависимости от характера грунта, глубины и скорости потока для отбора проб донных отложений используются различные приборы. На крупных и средних равнинных реках рекомендуется применять отборник проб донных отложений ГР-86; может быть также использован дночерпатель. На малых равнинных реках рекомендуется применять штанговый дночерпатель ГР-91 и донный щуп ГР-69. До оснащения всех постов приборами ГР-86, ГР-91 и ГР-69 разрешается использовать также щуп Аполлова и донный щуп ГГИ.
§ 266. Отборник проб донных отложений ГР-86 (рис. 88) предназначен для взятия проб несвязных и слабосвязных донных отложений со дна рек, каналов, озер и водохранилищ с глубиной до 30 м и скоростью течения до 2 м/с. Отборник рассчитан на работу с троса с применением лебедок или дистанционных гидрометрических установок ГР-64, ГР-70. Прибор снабжен съемными дисками-грузами. Проба отбирается со дна ковшом, приводимым в действие натяжением несущего троса в момент начала подъема отборника. При этом ковш поворачивается вокруг своей оси, врезается в грунт, забирая пробу. После отбора пробы режущие кромки ковша прижимаются к резиновой прокладке, предохраняя пробу от вымывания. Объем ковша 300 см3. Общая масса прибора 43 кг, без съемных дисков 35 кг.
Рис. 88. Общий вид (а) и схема (б) отборника проб донных
отложений ГР-86:
1 - несущий трос; 2 - поворотный рычаг; 3 - ковш; 4 - трос;
5 - резиновая прокладка
§ 267. Дночерпатель (рис. 89) представляет собой ковш, состоящий из двух шарнирно соединенных створок, вращающихся на горизонтальной оси. Прибор на тросе с открытыми створками опускается на дно, створки удерживаются при помощи цепочек и крюка-сбрасывателя, который при ударе прибора о дно освобождает цепочки. При подъеме створки закрываются и захватывают грунт. Дночерпатель предназначен для отбора проб грунтов от пылевато-илистых до песчано-гравелистых; рекомендуется использовать прибор при глубинах до 10 м и скоростях течения до 1 м/с.
Рис. 89. Дночерпатель
§ 268. Штанговый дночерпатель ГР-91 (рис. 90) предназначен для взятия проб илистых и песчано-гравелистых донных отложений со дна рек, каналов, озер и водохранилищ при глубинах до 2 м и скоростях течения до 2 м/с и рассчитан на работу со штанги ПИ-13 или ПИ-17. Прибор можно применять при глубине до 4,5 м, если скорости течения не превышают 1 м/с. Для взятия проб дночерпатель укрепляют на гидрометрической штанге и опускают с открытым ковшом, удерживаемом в таком положении фиксатором. При достижении дна прибор плотно прижимают к нему и одновременно натягивают вверх гибкую тягу. При этом фиксатор освобождает ковш, который под воздействием пружин врезается в дно и отбирает пробу. Режущие кромки ковша прижимаются к резиновой прокладке и обеспечивают сохранность отобранной пробы. Емкость заборного ковша 300 см3. Масса прибора 3,5 кг.
Рис. 90. Общий вид (а) и схема (б) штангового
дночерпателя ГР-91:
1 - резиновая прокладка; 2 - пружина; 3 - тяга;
4 - фиксатор; 5 - ковш
§ 269. Донный щуп ГР-69 (рис. 91) предназначен для отбора проб донных отложений в водотоках и водоемах с илистым, песчаным, гравелистым и мелкогалечным дном, с глубиной до 6 м и скоростью течения до 1 м/с. Прибор состоит из заборного стакана и противовеса. Заборный стакан с противовесом может свободно вращаться на цапфах в вертикальной плоскости.
Рис. 91. Донный щуп ГР-69:
1 - упорное кольцо; 2 - направляющая втулка; 3 - наконечник;
4 - станина; 5 - противовес; 6 - фиксирующее кольцо;
7 - собачка; 8 - заборный стакан; 9 - упорные шпонки;
10 - цапфы; 11 - шток поручня; а - положение прибора
при опускании на дно; б - то же, при подъеме грунта со дна
Конструкция прибора обеспечивает надежность его работы и предохраняет стакан с противовесом от перевертывания в момент опускания прибора. При взятии проб щуп опускается на дно и вдавливается в грунт, при этом давление грунта передвигает поршень вверх. Отобранная проба доставляется на поверхность в перевернутом состоянии (заборным стаканом вверх). В верхней части прибора имеется наконечник, на который крепится гидрометрическая штанга или насадка для шеста.
Масса прибора 3,8 кг. Объем отбираемой пробы 175 см3.
§ 270. Пробы донных отложений наблюдатель отбирает на основном гидрометрическом створе. Если по каким-либо причинам отобрать пробы на основном гидростворе нельзя, они отбираются на дополнительном створе, расстояние которого от основного гидроствора (выше или ниже по течению) указывается в метрах на этикетке к пробе (см.
§ 289).
Точки взятия проб обычно приурочиваются к скоростным вертикалям; при малой изменчивости гранулометрического состава по ширине реки пробы отбираются через одну скоростную вертикаль. В некоторых случаях при большой неравномерности распределения крупности частиц по ширине русла пробы донных отложений отбираются на каждой промерной вертикали. Всего в русле отбирается от 5 до 12 проб.
Количество проб, которое необходимо отбирать в конкретном пункте наблюдений за одну серию (за дату), назначается станцией (ГМО).
Каждая отобранная проба помещается в отдельный мешочек (плотный матерчатый или полиэтиленовый), а затем просушивается до воздушно-сухого состояния в закрытом помещении на чистом листе бумаги.
ОПРЕДЕЛЕНИЕ КРУПНОСТИ ДОННЫХ ОТЛОЖЕНИЙ НА ГОРНЫХ РЕКАХ
§ 271. По характеру залегания наносов донные отложения можно подразделить на два основных типа: с равномерным и неравномерным распределением крупности по глубине отложений. Примером последних являются донные отложения горных рек, образующих естественную отмостку русла. Поверхностный слой отмостки сложен из наиболее крупных наносов, а под ним находятся частицы более мелкие.
§ 272. Определение гранулометрического состава донных отложений горных рек следует выполнять один-два раза в год при низких уровнях в межень, когда достаточно хорошо просматривается дно или его часть на прибрежных участках, островах и косах, расположенных в районе поста.
Состав донных отложений определяется на площадках размером 1 x 1 м2 в тех местах, где отложившиеся наносы являются характерными для данного участка и не образуют крутых навалов. В зависимости от местоположения и конфигурации осушенной или малозатопленной части русла (косы, острова, прибрежные отмели) площадки располагаются либо вдоль течения, либо перпендикулярно ему, а в случае достаточной ширины осушенной части русла - в шахматном порядке. Расстояние между площадками 3 - 5 м.
§ 273. Для получения надежной средней характеристики гранулометрического состава донных отложений (с точностью +/- 20%), если визуально обнаруживается значительное различие крупности на участке в пункте наблюдений, производится определение состава пяти - семи образцов. При однородном составе отложившихся наносов достаточно определения трех - пяти образцов. Место изучения гранулометрического состава и необходимое количество образцов назначаются специалистами станции.
§ 274. Для определения гранулометрического состава донных отложений рек с валунно-галечным руслом рекомендуется применять фотографический метод. Применение этого метода требует от исполнителя определенных навыков в обращении с фотоаппаратурой, поэтому выполнение полевых работ на постах производится специалистом станции. (Изложение фотографического метода приводится в Методических указаниях управлениям Гидрометслужбы, N 85, 1974 г.)
§ 275. В тех случаях, когда применение фотографического метода по каким-либо причинам затруднено, определение гранулометрического состава выполняется наблюдателем путем обмера частиц поверхностного слоя отложений на глубину самой крупной частицы на площади 1 м2 с помощью мерной ленты (рулетки), калибров и грохотов или визуально с помощью рамы-сетки. Этими способами донные отложения подразделяются на фракции 1000 - 500; 500 - 200; 200 - 100; 100 - 50; 50 - 20; 20 - 10 мм.
§ 276. При сортировке частиц на фракции отдельные валуны крупнее 200 мм измеряются мерной лентой (рулеткой); валуны размером от 200 до 20 мм подразделяются на фракции с помощью калибров и грохотов, которые рекомендуется изготовить в мастерских УГМС. Калибры изготавливаются из проволоки в виде окружностей, укрепленных на деревянных рукоятках, с диаметрами 200, 100, 50 и 20 мм. Сортировка частиц на фракции с применением калибров производится следующим образом: каждая частица пропускается через соответствующие ее размеру отверстия калибров и относится к определенной фракции. Нижней границей фракции принимается диаметр отверстия калибра, через которое частица не проходит, а верхней - диаметр следующего более крупного калибра, через отверстие которого частица проходит.
Разделение частиц на фракции 50 - 20, 20 - 10 мм лучше выполнять на грохотах (сита с ячейками диаметром 50 и 20 мм).
Подразделенные на фракции частицы взвешиваются безменом. Процентное содержание каждой фракции определяется относительно общей массы всего образца, которая получается как сумма весов всех фракций.
§ 277. При определении состава донных отложений с помощью рамы-сетки, которая представляет собой металлическую раму размером 1 x 1 м, разделенную шнуром на квадраты 10 x 10 см, стороны ячеек (равные 100 мм) служат масштабами для измерения отдельных частиц, а площадь каждой ячейки соответствует 1%.
Сумма ячеек, занятых частицами определенной фракции, дает их процентное содержание в образце.
§ 278. Изложенными способами учитывается процентное содержание фракций крупнее 10 мм. При наличии в русле наряду с крупными отложениями значительного количества (больше 5 - 10%) мелких наносов (частицы, диаметром менее 10 мм) следует лопаточкой отобрать пробу мелких наносов (300 - 500 г) и упаковать ее в мешочек для отправки в лабораторию для дальнейшего анализа.
Пример заполнения этикетки, прилагаемой к пробе мелких частиц, приведен в табл. 36.
Таблица 36
Пример заполнения этикетки
Река - пост | р. Быстрая - п. Холодный |
Дата | 15/X-73 г. |
Место и способ определения состава | Остров, 30 м ниже г/с, рама-сетка |
Процентное содержание крупных фракций | 200 - 100 | 100 - 50 | 50 - 20 | 20 - 10 | < 10 |
25,5 | 23,5 | 19,3 | 16,7 | 15,0 |
N мешочка с пробой мелких наносов | 6 |
Наблюдатель | Петров |
ОБРАБОТКА ПРОБ НАНОСОВ НА ПОСТУ
§ 279. Обработка на посту взятых наблюдателем проб воды со взвешенными наносами заключается в выделении из воды наносов путем отстоя или фильтрования с последующей отсылкой их в лабораторию при станции или УГМС для дальнейшей обработки.
§ 280. Взвешенные наносы, предназначенные для определения мутности, выделяются из проб следующими способами: 1) автоматическим фильтрованием, 2) фильтрованием с предварительным отстоем наносов, 3) ускоренным фильтрованием под давлением.
Выделение взвешенных наносов из проб воды для определения крупности наносов выполняется только путем отстоя.
Перечень оборудования, необходимого для производства фильтрования и отстоя проб, дан в
приложении 12.
§ 281. При большой мутности воды, если весь объем взятой пробы не более 1 л, наносы выделяются путем фильтрования. Фильтрование заключается в том, что вода с наносами пропускается через фильтр, изготовленный из специальной, мелкопористой бумаги, которая задерживает на поверхности и в порах все частицы насосов. Вода, прошедшая через такой фильтр, получается прозрачной.
При малой мутности, когда взятые отдельно пробы сливаются в одну общую бутыль и объем их составляет более 1 л, наносы выделяются путем предварительного отстоя, в результате которого они осаждаются на дне в нижнем слое воды. Осветленная верхняя часть воды при помощи сифона сливается, а остаток воды, насыщенный наносами, объемом не более 1 л отфильтровывается.
§ 282. Для фильтрования используются шкафы, устройство которых показано на рис. 92. При отсутствии шкафов могут быть применены простые станки-полки по типу полок, устроенных в шкафу, но обязательно прикрываемые матерчатой занавеской.
Рис. 92. Шкаф для фильтрования:
1 - бутылка с пробой; 2 - отделение для хранения чистых
фильтров; 3 - бутылка с 20%-ным раствором хлористого
кальция; 4 - мерный цилиндр; 5 - отделение для сушки
фильтров с насосами; 6, 7 - деревянные полки; 8 - держатель
для воронки; 9 - воронка; 10 - бутылка для сбора чистой
воды; 11 - поднос из оцинкованного железа; 12 - полотенце;
13 - гнезда для установки бутылок
Для фильтрования применяются заранее приготовленные в лаборатории, взвешенные и пронумерованные круглые бумажные фильтры, сложенные вчетверо. Каждый фильтр хранится в отдельном пакетике из пергаментной или восковой бумаги.
В тех случаях, когда применяются воронки из пластмассы с коротким отростком, на конец последнего следует надеть отрезок резиновой трубки длиной 8 - 10 см, срезанной наискось.
Под воронку для сливания отфильтрованной воды ставится пустая чистая бутылка, в которую собирается отфильтрованная вода, чистая, без наносов, используемая в дальнейшем для споласкивания бутылок и в других целях при фильтровании следующих проб.
Порядок фильтрования следующий:
1) В держатель фильтровальной полки устанавливаются воронки, затем вскрываются конвертики с заранее взвешенными фильтрами. Фильтр смачивается в чистой, отфильтрованной воде, вкладывается в воронку и осторожно прижимается пальцами к стенкам воронки. В этот момент следует соблюдать особую осторожность, чтобы не повредить поверхность фильтра. Под воронку подставляется чистая бутылка для сбора отфильтрованной воды. Номера фильтров записываются в соответствующей графе книжки КГ-10.
2) Бутылка с пробкой раскупоривается и вынутая пробка споласкивается над воронкой с фильтром чистой водой.
3) В тех случаях, когда объем пробы почему-либо не был определен при ее взятии, на бутылке делается отметка восковым карандашом по уровню воды в ней для последующего измерения объема по окончании фильтрования.
4) На горлышко бутылки надевается резиновый наконечник, который зажимается металлическим зажимом или просто пальцем. Затем проба взбалтывается и бутылка, опрокинутая вниз горлышком, осторожно вводится одной рукой в гнездо нижней полки. Приоткрывая горлышко бутылки, в воронку с вложенным в нее фильтром выливают часть воды из бутылки так, чтобы уровень в воронке немного не достигал края фильтра. Затем под горлышко бутылки подводится другой рукой держатель воронки с фильтром так, чтобы нижний край резинового наконечника на бутылке был погружен в воду в воронке и находился ниже края фильтра примерно на 1 см. Держатель воронки закрепляется на штативе винтом, резиновый наконечник постепенно разжимается и проба оставляется для автоматического фильтрования. Бутылка с воронкой, которая подставляется для сливания отфильтрованной воды, пододвигается так, чтобы конец отростка воронки касался внутренней стенки бутылки, что ускоряет фильтрование.
5) При большом количестве наносов, когда возникает опасение, что все наносы не поместятся в один фильтр, взятая проба фильтруется по частям в два или несколько фильтров.
§ 283. Установив на фильтрование все пробы, дверцы шкафа закрывают (станок-полки прикрывают занавеской).
По окончании фильтрования опорожненные бутылки вынимаются из гнезд. Для удаления осевших на стенках наносов каждая бутылка тщательно ополаскивается небольшим количеством чистой воды, сливаемой на фильтр, через который фильтровалась данная проба.
§ 284. Влажные фильтры в воронках ставятся на просушку в левое верхнее отделение шкафа на фанерную полочку с отверстиями. Подсохшие фильтры осторожно, чтобы не высыпались наносы, вынимаются из воронок и кладутся на досушивание в правое отделение, непосредственно на полочку с отверстиями. Окончательно просохшие фильтры складываются, как показано на рис. 93. Загиб края фильтра должен быть сделан выше границы осевших наносов. Высушенные и вложенные каждый в отдельный пакетик фильтры аккуратно завертываются в бумагу пачками по 10 - 30 штук и вместе с книжкой КГ-10 отсылаются в указанные станцией сроки в лабораторию при станции или ГМО для дальнейшей обработки.
Рис. 93. Схема складывания фильтров:
1 - номер фильтра; 2 - граница осевших наносов; 3 - линия
сгиба; 4 - уголки загнуты в другую сторону
§ 285. Для ускоренного фильтрования под давлением применяется фильтровальный прибор В.С. Куприна ГР-60 (рис. 94). Прибор состоит из цилиндрического баллона емкостью 1 л, воронки с сеткой, манометра для измерения величины давления в баллоне и насоса. Ускоренное фильтрование под давлением можно производить на реке (например в павильоне, где установлен самописец уровня воды) сразу после взятия пробы на мутность или в помещении.
Рис. 94. Прибор фильтровальный Куприна ГР-60:
1 - цилиндрический баллон; 2 - воронка с сеткой;
3 - манометр; 4 - насос
До начала работы с прибором необходимо убедиться в его исправности. Следует осмотреть баллон - нет ли на нем каких-либо повреждений (трещин, сколков стекла), проверить исправность работы насоса, манометра. При наличии повреждений прибором пользоваться нельзя.
Взамен насоса, прилагаемого в комплект к прибору, можно использовать насосы других систем, например от автомашины.
Для проверки исправности манометра следует зажать шланг, подведенный к крышке баллона, и накачать насосом немного воздуха. При исправном манометре его стрелка будет отклоняться с увеличением давления. Если манометр неисправен, его следует отправить в ремонт, а фильтрование выполнять методом, изложенным в
§ 282 -
284.
Места соединения резиновых шлангов с деталями прибора, а также резинового кольца-прокладки с баллоном и воронкой следует на ощупь проверить на плотность соединений. При утечках воздуха с повышением давления необходимо исправить соединения, сменить резиновую прокладку или резиновые шланги.
Фильтрование проб производится в следующем порядке. Футляр снимается с основания штатива, из зажимов футляра вынимается насос и присоединяется к резиновому шлангу. Перед началом фильтрования внутренние стенки баллона споласкиваются чистой водой. Открывается зажим и баллон отклоняется на шарнире. На сетку воронки укладывается в развернутом виде смоченный в чистой воде бумажный фильтр. Баллон устанавливается на место и закрепляется зажимом. В баллон наливается проба воды (или часть ее, если объем пробы более 1 л), после чего крышка баллона плотно закрывается.
В баллон нагнетается насосом воздух, под давлением которого вода будет быстро фильтроваться. Повышение давления в баллоне может изменяться в зависимости от скорости фильтрования от 0,2 до 3 атм. Скорость фильтрования будет зависеть от мутности воды и характера наносов. При малой мутности и отсутствии мелких илистых и глинистых частиц проба фильтруется очень быстро. При мутности более 200 г/м
3 и при наличии в пробе очень мелких частиц поры фильтра забиваются наносами и фильтрование продолжается долго. В этом случае следует применять предварительную коагуляцию (см.
§ 288). Для этого в каждую пробу объемом 1 л приливается 10 мл (г) раствора хлористого кальция, после чего проба взбалтывается или перемешивается стеклянной палочкой и ставится на отстой. По истечении одних суток проба вся целиком фильтруется через прибор Куприна.
Создавать давление в баллоне больше 3 атм запрещается. При фильтровании под давлением следует соблюдать правила, предусмотренные инструкцией по эксплуатации прибора.
Отфильтрованная вода стекает через воронку и собирается в чистую стеклянную банку. Вначале вода (примерно, до 300 мл) может стекать мутной, поэтому необходимо внимательно следить за стекающей водой до тех пор, пока она не пойдет совершенно чистая. После этого фильтрование приостанавливается и мутная вода выливается обратно в баллон для повторного фильтрования через тот же фильтр. Предварительно необходимо понизить давление в баллоне. Для этого слегка (на один-два оборота) отвинчивается крышка со штуцером. Ни в коем случае нельзя производить понижение давления вскрытием зажима, так как это может повлечь за собой повреждение баллона.
По окончании фильтрования всей пробы открывается крышка и чистым фильтратом из резиновой груши обмываются на фильтр стенки баллона от осевших на них частиц наносов. Затем открывается зажим и баллон отклоняется на шарнире. Если частицы наносов прилипли к краю резиновой прокладки баллона, их надо собрать внутренней стороной вдвое свернутого фильтра, через который производилось фильтрование. Фильтр осторожно снимается с сетки воронки и складывается вчетверо. Затем помещается в коробочку или на лист чистой бумаги и высушивается в защищенном от пыли месте.
После окончания работы металлические части прибора и баллон вытираются насухо чистой тряпкой. При длительном хранении прибора все резьбовые части его должны быть смазаны техническим вазелином или солидолом. Для предупреждения присыхания кожаной манжеты насоса в шайбе штока ее следует также смазать и расправить кожу.
§ 286. При большой мутности воды и наличии наносов, состоящих из очень мелких частиц, быстро заиляющих фильтр, для ускорения фильтрования применяется предварительная коагуляция (см.
§ 288).
В тех случаях, когда отфильтрованная вода оказывается мутной, т.е. когда фильтр пропускает мелкие частицы наносов, необходимо бутылку с отфильтрованной водой поставить на отстой, тоже с предварительной коагуляцией. После того как в результате коагуляции имеющиеся в бутылке мелкие наносы образуют осадок на дне, осветленная часть слоя воды осторожно сливается, оставшийся осадок фильтруется через тот же фильтр, через который фильтровалась данная проба. Для следующих фильтрований таких проб, содержащих мелкие частицы, пропускаемые фильтром, следует вкладывать в воронку не один фильтр, а сразу два, один в другой. В этом случае на пакетике, в который вкладываются оба фильтра, и в книжке записываются номера обоих фильтров.
§ 287. Для отстоя проб применяются в основном 3-литровые или 10-литровые бутыли. В случае необходимости отстой проб можно производить в нескольких 3-литровых бутылях. На бутыль наклеивается этикетка с номерами проб и с указанием дат их взятия. Бутыли, закрытые пробками для спокойного оседания частиц, ставятся на горизонтальную устойчивую полку в помещении с температурой не ниже 10 °C, подальше от печки и окна.
Продолжительность отстоя, зависящая от высоты слоя воды в бутыли и температуры воздуха в помещении, в котором пробы будут отстаиваться, определяется по табл. 37.
Таблица 37
Продолжительность отстоя проб (сутки) в зависимости
от объема пробы и температуры воздуха в помещении
Примерный объем пробы, л | Температура воздуха в помещении |
40 - 25 °C | 25 - 15 °C | 15 - 10 °C |
1 л (высота слоя воды в бутыли не более 15 см) ..................... | 4 | 4 | 5 |
2 л (высота слоя воды в бутыли не более 25 см) .................... | 7 | 8 | 10 |
3 л (высота слоя воды в бутыли не более 35 см) ................... | 10 | 12 | 15 |
10 л (высота слоя воды в бутыли не более 50 см) .................. | 12 | 16 | 20 |
После отстоя осветленную воду из бутыли сливают при помощи сифона так, чтобы для последующего фильтрования осталось не более 1 л воды с осевшими наносами. Приступить к отсифониванию можно лишь в том случае, когда верхний слой воды в бутыли, подлежащий сливу, станет совершенно прозрачным. Для отсифонивания применяется простой стеклянный сифон с боковыми отверстиями в заборном резиновом наконечнике, закрытом снизу пробочкой (рис. 95). Сифон медленно и очень осторожно опускается в отстойную бутыль, чтобы не взмутить осевших на дне и в нижнем слое воды наносов.
Рис. 95. Сифон:
1 - резиновая трубка; 2 - стеклянная трубка;
3 - резиновый наконечник с отверстием сбоку
(снизу наконечник заткнут пробкой)
Слив начинается засасыванием воды примерно из середины осветленного слоя и продолжается постепенно с медленным погружением сифона до нижней границы осветленного слоя. Необходимо все время следить, чтобы сифоном не была втянута часть воды с наносами.
Остаток пробы после отсифонивания ставится на фильтрование, если проба предназначена для определения мутности. Общий объем остатка, предназначенный для фильтрования, не должен превышать 1 л. Если отстаивание пробы большого объема производилось в нескольких бутылях (четвертях), фильтрование остатков из всех бутылей, общий объем которых также не должен превышать 1 л, производится через один общий фильтр. Если одна проба отстаивалась в двух бутылях, после отстоя в каждой из них должно оставаться не более 0,5 л; если проба отстаивалась в трех бутылях, после отстоя в каждой из них должно остаться не более 0,3 л и т.д.
Если проба предназначена для определения крупности взвешенных наносов, остаток пробы после отсифонивания переводится в жидком виде в другой сосуд (бутылка 0,5 - 0,25 л). Перед закупоркой в эту бутылку добавляется несколько капель 10-процентного раствора формалина или хлороформа для консервации пробы. Горлышко бутылки хорошо закупоривается резиновой пробкой, заливаемой сверху парафином.
§ 288. Для ускорения отстоя наносов в пробах, предназначенных для определения мутности воды, применяется предварительная коагуляция наносов (по указанию станции). Для этого приливают в пробу 20-процентный раствор химически чистого хлористого кальция, который образует в воде из отдельных мелких частиц наносов хлопья, ускоряя этим отстой проб в 2 - 3 раза.
Раствор хлористого кальция присылается со станции на пост готовым. Раствор подливают в зависимости от объема воды в бутылки из расчета 1 мл (г) раствора на каждые 100 мл (г) пробы. Например, при объеме пробы в 1960 мл (г) подливается 20 мл (г) раствора хлористого кальция. При подливании раствора хлористого кальция вода в бутыли осторожно перемешивается стеклянной палочкой. Раствор подливается пипеткой или маленьким измерительным цилиндром, которые позволяют измерить объем раствора с точностью до 1 - 2 мл.
Коагуляцию следует производить при температуре воды в пробе не ниже 20 °C, так как в холодной воде коагуляции не происходит. Нельзя применять устаревший раствор хлористого кальция, в котором образовался в большом количестве хлопьевидный осадок.
О длительности и условиях отстоя проб отмечается в книжке для записи проб наносов (КГ-10).
Применение коагуляции для проб, предназначенных к определению крупности наносов, запрещается.
§ 289. Пробы донных отложений равнинных рек обрабатываются на посту следующим образом: после просушивания из каждой пробы способом квартования выделяется часть, характерная для данного образца. При квартовании рассыпанная на листе бумаги проба тщательно перемешивается шпателем или совочком, разравнивается слоем примерно в 1 см, затем насыпается в виде конуса, вновь разравнивается и опять перемешивается. После двух-, трехкратного перемешивания конус разделяется ножом на четыре примерно равные части, из которых берется одна или две части (в зависимости от массы каждой пробы и их числа) и взвешивается навеска 50 - 100 г. Из таких одинаковых по массе частей проб, отобранных в разных точках русла за одну серию (дату), составляется одна средняя проба, которая и направляется в стационарную лабораторию.
Масса средней пробы должна быть достаточной для выполнения всех видов лабораторных работ и составлять от 0,5 до 1 кг.
§ 290. Направляемую в лабораторию пробу следует упаковать в пронумерованный плотный мешочек и снабдить этикеткой, в которой должны быть указаны все необходимые данные, относящиеся к пробе. Пример заполнения этикетки к пробе приведен в табл. 38.
Таблица 38
Пример заполнения этикетки, прилагаемой к пробе
Река - пост | р. Белая - с. Петровка |
Дата отбора проб | 4/IV-72 г. |
Место и способ отбора; количество проб, объединенных в среднюю пробу | Гидроствор 1; ГР-86 10 проб |
N мешочка | 4 |
Наблюдатель | Иванов |
Примечание. В третьей строке этикетки указывается, где отобраны пробы (основной гидроствор или дополнительный и его расстояние от гидроствора), применяемый прибор. |
ОПИСАНИЕ САМОПИСЦА УРОВНЯ ВОДЫ "ВАЛДАЙ" (СУВ-М)
Назначение прибора. Самописец уровня воды "Валдай" (рис. 1) служит для записи колебаний уровня на речных, озерных и других гидрологических постах Гидрометслужбы СССР.
Рис. 1. Самописец уровня воды "Валдай" СУВ-М:
а - общий вид; б - кинематическая схема: 1 - груз;
2 - поплавок; 3 - противовес; 4 и 5 - поплавковое колесо;
6 - шестерня; 7 - часовой механизм; 8 - барабан; 9 - ролик;
10 - каретка; 11 - струна; 12 - направляющие стержни;
13 - ролик; 14 - груз; 15 - перо; 16 - барабан;
17 - шестерня; 18 - трос; в - схема включения масштабных
шестеренок с барабаном: 19 - штифт; 20 - зубчатое
колесо-трибка; 21 - ось редуктора; 22 - ось, сцепленная
с барабаном; 23 - шестерня, закрепленная на оси 22;
24 - шайба; 25 - подкладки; 26 - головка подвижной оси
В настоящее время в системе Гидрометслужбы находятся в эксплуатации две модели самописца "Валдай": образца 1948 г. и модернизированная образца 1952 г.
Самописец первого образца имеет два масштаба записи уровня (1:1 и 1:2) при одном масштабе записи времени (1 ч = 12 мм хода пера на ленте). Модернизированный самописец СУВ-М образца 1952 г. позволяет регистрировать ход уровня в четырех масштабах (1:1, 1:2, 1:5 и 1:10) при двух масштабах записи времени (1 ч = 12 мм и 1 ч = 24 мм хода пера на ленте барабана).
Описание и принцип действия. Самописец уровня "Валдай"
(рис. 1, б) состоит из поплавкового устройства, с помощью которого передаются колебания уровня воды, барабана с надетой на него бумажной лентой, на которой в определенном масштабе вычерчивается график колебаний уровня, и часового механизма, приводящего в движение пишущее устройство.
Поплавковое устройство включает в себя: пустотелый металлический поплавок 2, прикрепленный к нему груз-балласт 1 для погружения поплавка, противовес-гирю 3, металлический мягкий трос в хлорвиниловой оболочке 18 и поплавковое колесо 4, 5, которое вращает барабан 16. В зависимости от подъема или спада уровня воды барабан поворачивается вокруг своей оси в ту или иную сторону.
Пишущее устройство состоит из часового механизма 7, пера 15 с кареткой 10, двух направляющих стержней 12, стальной струны 11 и гирьки-отвеса 14. Струна проходит между двумя стержнями каретки 10; один конец ее закреплен и навит на барабанчик заводной головки часового механизма 8, другой конец, выпущенный из корпуса самописца, несет гирьку-отвес 14. Последняя, оттягивая и раскручивая струну с головки барабана, приводит в действие часовой механизм. Каретка с пером при помощи специального зажима крепится к натянутой струне и во время хода часового механизма движется вместе со струной вдоль барабана, скользя по направляющим стержням. Перо в это время чертит график колебаний уровня на ленте барабана. По горизонтальной оси этого графика дается время в часах, а по вертикальной - высота уровня.
Конструкция прибора допускает запись уровня при многократных оборотах поплавкового колеса. На рис. 2а представлена запись хода уровня (подъем и спад), при котором барабан более двух раз обернулся вокруг оси.
Рис.
2. Запись суточного хода уровня на ленте
самописца "Валдай":
а - вид записи на ленте при повороте барабана вокруг своей
оси более двух раз; б - развертка этой записи
на миллиметровой бумаге
Развертка этой записи дает кривую, представленную на
рис. 2 б. Развертка записи производится следующим путем: пусть в 00 ч данных суток уровень воды, зарегистрированный при установке ленты, составлял 80 см над нулем графика (см.
рис. 2 а); затем, как это видно на графике (ленте), происходил непрерывный подъем уровня и в 03 ч 30 мин уровень достиг значения 300 см. Этому моменту на графике соответствует начало и другой кривой, имеющей нулевую отметку уровня. Это свидетельствует о том, что барабан к этому времени (т.е. к 03 ч 30 мин) совершил свой первый оборот. Уровень воды продолжал повышаться и в период от 03 ч 30 мин до 6 ч повысился от 300 до 600 см; за это время барабан совершил свой второй оборот. На 6-часовой срок опять имеются две отметки уровня 300 (фактически 600 см) и 0 (фактически свыше 600 см); следовательно, вторая отметка есть продолжение предыдущей. Так расшифровку записи на ленте выполняют до конца суток, после чего строится график хода уровней, изображенный на
рис. 2 б.
Барабан вращается на подвижном центре, укрепленном в левой боковине прибора, и на оси поплавкового колеса, расположенной в правой боковине прибора. Бумажная лента для записи уровня удерживается в прорезях барабана зажимом, расположенным внутри него.
Самописец "Валдай" обеспечивает возможность выбора масштаба записи уровня воды в зависимости от величины амплитуды его колебания, как это указано в таблице.
Амплитуда колебаний уровня, м ............. | до 1 | 1 - 2 | 2 - 3 | 3 - 6 |
Рекомендуемый масштаб записи ............. | 1:1 | 1:2 | 1:5 | 1:10 |
Установка желаемого масштаба записи достигается следующим образом. Для записи хода уровня в масштабах 1:1 и 1:2 поплавковое колесо закрепляется на основной оси прибора
22 (рис. 1 в); масштаб записи 1:1 будет получен при наложении троса на малый диск
4 поплавкового колеса, а масштаб 1:2 - при наложении троса на большой диск
5.
Для записи хода уровня в масштабах 1:5 и 1:10 поплавковое колесо закрепляется на вспомогательной оси 21. Зубчатое колесо-трибка 20 при этом сдвигается вдоль оси 21 до сцепления с шестерней 23, закрепленной на оси 22.
Соответственно для получения масштаба записи 1:5 трос должен быть наложен на малый диск поплавкового колеса 4, а для получения масштаба 1:10 - на большой диск 5.
При установке на запись уровня в масштабах 1:1 или 1:2 трибка 20 должна быть выведена из зацепления с шестерней 23.
Для сохранения на ленте постоянства направления записи при разных масштабах необходимо навешивать поплавок на колесо 4, 5 так, чтобы он при масштабах 1:1 или 1:2 был слева, а при масштабах 1:5 и 1:10 справа от оси, если смотреть на самописец со стороны поплавкового колеса (рис. 3).
Рис. 3. Положение поплавка по отношению к поплавковому
колесу при разных масштабах записи:
I - масштаб записи 1:1; II - масштаб записи 1:5;
III - масштаб записи 1:2; IV - масштаб записи 1:10;
а - малый шкив, б - большой шкив
Для того чтобы завести часовой механизм, необходимо отпустить винт, закрепляющий каретку к струне, и навить струну на барабанчик заводной головки; затем каретку, освобожденную от струны, передвинуть так, чтобы перо ее оказалось на нужной, обозначенной на ленте меткой, абсциссе времени, и в таком положении прикрепить каретку к струне.
Для регулировки хода часового механизма на крышке коробки часового механизма имеются два рычага: один - для пуска и остановки часов, другой - для регулировки их хода в пределах 5 мин за сутки.
Каждый прибор комплектуется двумя сменными барабанчиками: основной надевается на заводную головку для записи времени в масштабе 1 ч = 12 мм, а другой - в масштабе 1 ч = 24 мм. При этом следует иметь в виду, что регулировка хода часового механизма самописца при смене барабанчика не сохраняется. Чтобы надеть (или снять) ленту на барабан, необходимо его вынуть из кожуха прибора, для чего оттянуть выступающую на левой боковине кожуха прибора головку оси
26 (см.
рис. 1в), на которую опирается барабан. После этого освобождается зажимное устройство в барабане, расположенное с правой стороны, лента заправляется в прорезь барабана и зажимается. Зажимное устройство должно обеспечивать плотное прилегание ленты к барабану. При вращении барабана перо не должно задерживаться на прорези.
Весь пишущий механизм прибора собран в литом металлическом кожухе, который одновременно является его основой и защищает самописец от повреждений, пыли и влаги. Крышка футляра снабжена автоматически действующей защелкой и, будучи открыта, удерживается в таком положении. Чтобы закрыть футляр, крышка слегка приподнимается, а нижний конец защелки подается на себя.
Кожух снаружи имеет приливы с отверстиями для болтов, которыми прибор крепится в измерительном павильоне над колодцем. На крышке кожуха имеется марка завода-изготовителя с набитым порядковым номером и годом выпуска прибора.
Комплект прибора. В комплект прибора входят:
1) Самописец уровня воды "Валдай" 1 шт.
2) Поплавок 1 шт.
3) Груз для поплавка 1 шт.
4) Зажим для крепления троса к поплавку 1 шт.
5) Трос в хлорвиниловой оболочке диаметром 2 мм, длиной 8 м 1 шт.
6) Гиря-противовес 1 шт.
7) Гирька с пружиной к часовому механизму 1 шт.
8) Зажим для крепления троса с гирей-противовесом 1 шт.
9) Оттяжной блок с кронштейном 1 шт.
10) Сменный барабан в футляре <1> 1 шт.
--------------------------------
<1> Прилагается к комплекту по особой договоренности с заводом-изготовителем.
11) Дополнительный барабанчик к часовому механизму для записи времени в масштабе 24 мм/ч 1 шт.
12) Запасная струна к часовому механизму 1 шт.
13) Запасное перо 2 шт.
14) Описание прибора-инструкции по эксплуатации 1 шт.
15) Бумажные ленты специальной разграфки для записи 200 шт.
Установка прибора. Для установки самописца "Валдай" необходим колодец с измерительным павильоном над ним, который служит для гашения волнения и создания условий, исключающих возможность обмерзания поплавка. Прибор устанавливается над колодцем так, чтобы поплавок на всем диапазоне изменения уровня не касался стенок колодца и не приближался бы к ним ближе чем на 5 см. Противовес поплавковой системы при ходе поплавка не должен касаться последнего. Для обеспечения этого условия при установке самописца на стенке колодца монтируется оттяжной блок, который используется при регистрации уровня в масштабе 1:1 или 1:5. Оттяжной блок должен быть установлен с таким расчетом, чтобы угол между вертикальным участком троса и участком, идущим к оттяжному блоку, был не больше 120°. При установке поплавковой системы на масштаб 1:2 или 1:10 оттяжной блок не требуется. В пределах павильона прибор устанавливается на прочных кронштейнах, обеспечивающих его неизменное высотное положение, с расчетом удобного подхода и обращения с ним. Основание прибора устанавливается по уровню, и положение оси поплавкового колеса нивелируется относительно постового репера.
При установке прибора поплавковая система навешивается с учетом амплитуды возможных колебаний уровня воды, а излишки троса сматываются в бухточки и крепятся при поплавке и противовесе. Зажимы, прилагаемые к поплавку и противовесу, позволяют закреплять их в любом месте троса.
Смена лент и завод часового механизма. Самописец уровня "Валдай" в зависимости от установленного на часовом механизме барабанчика (с масштабом записи времени 12 или 24 мм/ч) требует посещения его один или два раза в сутки для смены лент и заводки часового механизма. Несвоевременный приход для смены лент и подзаводки часов влечет за собой перерыв в работе самописца. Смена лент производится в следующем порядке:
1) Открывают крышку прибора и, заметив время по выверенным часам, делают пером отметку на ленте путем легкого поворота барабана с тем, чтобы перо провело вертикальную линию длиной около 5 - 10 мм. Момент нанесения отметки в часах и минутах записывается карандашом на ленте прибора, после чего поворотом рычага в сторону от обозначения "Вкл", нанесенного на плате механизма, приостанавливается работа часового механизма.
2) Откидывают кронштейн пера вверх для того, чтобы оно не мешало снятию барабана.
3) Подвижной центр
26 (рис. 1в), являющийся левой опорой барабана, оттягивается из опорного гнезда барабана и после небольшого поворота устанавливается на предохранитель. Затем барабан движением влево выводят из зацепления с шайбой
24 оси поплавкового колеса и вынимают из прибора.
4) Поворотом рычага, имеющегося на одной из щек барабана, освобождают зажим и снимают ленту с записью с барабана.
5) Новая лента с обрезанными уголками накладывается на барабан, причем надпись на ленте "К левому краю барабана" располагается со стороны рычага.
6) В прорезь барабана заправляют концы новой ленты и поворотом рычага зажимают их в прорези. Произведя заправку ленты, следует обеспечить параллельность делений ленты по обе стороны прорези и плотность прилегания ленты ко всей поверхности барабана. Для этой цели рекомендуется края лент, заправленные в прорезь, предварительно сгибать по линиям, нанесенным на ленте.
7) Устанавливают барабан на подкладки 25 и вводят в зацепление с шайбой оси поплавкового колеса и с подвижным подпружиненным центром. При сочленении барабана с шайбой оси поплавкового колеса вначале барабан надевают на выступ шайбы 24, а затем, повертывая его вокруг оси, вводят в зацепление со штифтом 19.
8) После установки барабана с лентой в рабочее положение плавным вращением заводного барабанчика часового механизма навивают на него струну гиревого привода и поднимают гирю. Этим самым часы будут заведены и готовы для последующей работы. Подъем гири производится с таким расчетом, чтобы при наивысшем ее положении выступающий из-под основания прибора участок струны был не менее 5 - 10 см. В том случае, если при заводе часов каретка с пером упрется в правый кронштейн направляющих или не дойдет до требуемого деления ленты, необходимо ослабить винт, крепящий ее на струне, переместить каретку струны и закрепить этим же винтом в требуемом положении.
9) Опускают вниз кронштейн пера, устанавливают перо в рабочее положение и доливают в него (не наполняя до краев) чернила, если это требуется. Для самописцев применяются специальные (метеорологические) чернила.
10) На ленте пером делается отметка начала записи времени, а с правой стороны этой отметки на ленте записывается:
а) дата установки барабана с надетой лентой (год, месяц, число);
б) высота уровня воды по водомерной рейке;
в) время пуска часового механизма;
г) масштаб записи уровня.
Далее, повернув рычаг в сторону обозначения "Вкл", пускают в работу часовой механизм. Выждав после этого некоторое время (5 мин) и убедившись, что перо пишет, закрывают крышку прибора. В том случае, если к прибору прилагается запасной барабан,
пп. 4 и
5 настоящего раздела выполняются в рабочем помещении, что представляет значительные удобства.
Уход за прибором при эксплуатации и его хранение. Самописец "Валдай" рассчитан на работу в течение нескольких лет при ежедневном посещении прибора для смены лент и заводки часового механизма. Периодически, по мере необходимости, прибор должен подвергаться профилактическому осмотру, чистке, регулировке и ремонту. Большое внимание при уходе за прибором должно быть уделено часовому механизму, который крепится на съемной крышке влагонепроницаемого кожуха. Это создает условия для легкого и удобного съема часового механизма при осмотре и ремонте. На верхней стороне съемной крышки укреплена заводная головка и выведены два рычага. С правой стороны заводной головки выведен рычаг пуска и остановки часового механизма и нанесено обозначение "Вкл" (включено). Впереди заводной головки выведен рычаг регулировки часового механизма. Этот рычаг передвигают к букве П ("прибавить ход"), если часы отстают, или к букве У ("убавить ход"), если часы спешат. Часы регулируют, если поправка на ход часов превышает +/- 5 мин за сутки (с барабанчиком малого диаметра, надетым на часовой механизм) и +/- 3 мин за полусутки (с барабанчиком большого диаметра). В том случае, если перо чертит слишком толстую или прерывистую линию из-за нарушения в работе пера, а не из-за других причин (например, волнения), его следует снять и заменить запасным, прилагаемым к самописцу. Снятое перо нужно промыть и в очередное посещение самописца вложить в футляр в качестве запасного. До эксплуатации прибор следует хранить в сухом помещении при непременном условии отсутствия испарения кислот и щелочей, вызывающих коррозию прибора. Один раз в месяц следует проверять поплавок на герметичность. Поплавок проверяют при смене лент на приборе путем встряхивания для определения наличия в нем воды или путем погружения его в теплую воду. Обнаруженную в поплавке воду удаляют и запаивают отверстие. Если собственными силами сделать это нельзя, поплавок следует направить в ремонт.
Ремонт прибора. К ремонту прибора, который может быть произведен наблюдателем на месте установки, относятся:
1) замена стальной струны гиревого привода запасной, имеющейся в комплекте. Для замены струны отвинчивается винт заводной головки и снимается барабанчик
8 (рис. 1б). Старая струна снимается, а новая вводится в отверстие, находящееся на окружности барабанчика вверху, в том месте, где начинается нарезка. Конец новой струны закрепляется на верхней плоскости барабанчика;
2) пайка поплавка самописца или замена его новым;
3) замена троса поплавковой системы новым, получаемым в случае необходимости с завода-изготовителя;
4) смена перьев.
Ремонт, предусматривающий исправление часового механизма и смену подшипников осей поплавкового колеса, ремонт осей, замену или исправление деталей кожуха, барабана или каретки, должен производиться в специальных мастерских или на заводе.
ОПИСАНИЕ САМОПИСЦА УРОВНЯ ВОДЫ ГР-38
Назначение прибора. Самописец уровня воды ГР-38 предназначается для непрерывной регистрации высоты уровня воды водоемов и водотоков при продолжительности действия без смены ленты в течение 8, 16 или 32 суток.
Описание и принцип действия. Самописец уровня воды длительного действия ГР-38 состоит из двух основных узлов: поплавкового устройства и регистрирующего механизма (см. рисунок).
Кинематическая схема самописца уровня ГР-38:
1 - груз; 2 - поплавок; 3 - противовес; 4 - поплавковое
колесо; 5 - шестерня; 6 - барабан; 7 - перо; 8 - каретка;
9 - шестерня; 10 - часовой механизм; 11 - шестерня;
12 - ходовой винт; 13 - указатель уровня; 14 - линейка;
15 - шестерня
Поплавковое устройство самописца состоит из пустотелого металлического поплавка 2 и груза-балласта 1, подвешенных на тросе с помощью противовеса-гири 3 к поплавковому колесу 4.
Ось поплавкового колеса через шестерни 5 и 15 вращает ходовой винт 12, на который надета каретка 8 с держателем карандаша 7. При вращении ходового винта каретка перемещается поступательно параллельно оси барабана 6, на котором укреплена диаграммная бумага. Барабан приводится в движение часовым механизмом 10 через зубчатую передачу с шестеренками 9 и 11.
Параллельно ходовому винту установлена шкала 14, по которой с помощью указки 13 делают отсчет высоты уровня. Держатель карандаша (пера) 7 крепится на шарнире, что позволяет производить его установку на нужное деление ленты барабана, соответствующее значению уровня в данный момент времени.
При установленных зубчатых шестеренках на оси поплавкового колеса и винте с передачей 1:1 уровень записывается в масштабе 1:20 при амплитуде колебания уровня до 6 м; соответственно при шестеренках с передачей 2:1 масштаб записи уровня 1:10 и предельная амплитуда колебания уровня 3 м; при шестеренках с передачей 4:1 масштаб записи уровня 1:5, амплитуда колебания уровня 1,5 м.
Барабан самописца установлен на двух кронштейнах на центрах. Правый кронштейн имеет выдвижной центр, фиксируемый в рабочем положении зажимным винтом.
Барабан приводится в движение, как указано выше, посредством зубчатой передачи от часового механизма, смонтированного на специальном кронштейне. Зубчатая передача сменная.
Регистрирующий механизм и поплавковое колесо самописца заключены в металлический кожух со смотровым окном. Прибор смонтирован на литой силуминовой плате. Для предохранения механизма прибора от пыли и влаги между кожухом и платой проложена резиновая прокладка и установлен стаканчик с влагопоглотителем.
Работа прибора заключается в следующем. Изменение уровня воды через поплавок 2 вызывает угловое перемещение поплавкового колеса 4, а это в свою очередь линейное перемещение каретки 8 с карандашом (пером) 7 вдоль оси барабана 6. Одновременно происходит равномерное вращение барабана 6 часовым механизмом 10.
В самописце этого типа амплитуда колебаний уровня воды записывается вдоль образующей барабана 6, а ось времени располагается перпендикулярно к ней. Запись колебаний уровня воды производится на бумажной ленте, наложенной на барабан. Лентами наблюдатель снабжается станцией.
В период эксплуатации самописца необходимо иметь в виду следующее: в случае, когда фактическое изменение уровня воды за время одного оборота барабана превысит предельную амплитуду уровня, регистрируемую самописцем при данном масштабе записи, карандаш (перо) доходит до края ленты, запись уровня прерывается, а карандаш скользит вдоль края ленты до момента, когда уровень вновь войдет в пределы освещаемой прибором амплитуды, т.е. в пределы размеров ленты. При установке самописца необходимо проследить, чтобы начальное положение каретки с карандашом обеспечивало возможно более полное освещение ожидаемого изменения уровня. Например, при установке самописца накануне (в начале) подъема уровня в половодье каретка с карандашом в начальном положении должна помещаться в левом углу ленты на барабане.
Комплект прибора. В комплект самописца уровня воды ГР-38 входят:
1) Самописец уровня 1 шт.
2) Поплавок с грузом-балластом 1 шт.
3) Трос

, длиной 8 м 2 компл.
4) Груз-противовес 1 шт.
5) Зажимы 2 шт.
6) Три пары сменных шестерен и отвертка в футляре 1 компл.
7) Поверочное свидетельство 1 экз.
8) Описание и инструкция по эксплуатации 1 экз.
9) Комплект специальных лент для самописца 60 шт.
10) Стаканчик с влагопоглотителем 1 шт.
Установка прибора. Самописец ГР-38 устанавливается в измерительном павильоне (будке) над колодцем на столике или полке, прикрепленных к стенке павильона или в верхней части колодца в горизонтальном положении с соблюдением неизменности высотного положения. Для получения правильно расположенной диаграммы записи поплавок навешивается на поплавковое колесо справа, если смотреть со стороны последнего.
Ось поплавкового колеса связывается нивелировкой с репером поста. Положение уровня воды к началу записи устанавливается измерением расстояния от оси поплавкового колеса до поверхности воды и записывается на ленте. При наличии контрольного реечного устройства записывается уровень, наблюденный на нем.
Смена ленты и завод часов производятся в зависимости от принятого масштаба времени через 7(8), 16(15) или 30(31) суток.
Для смены ленты необходимо открыть крышку прибора и, отодвинув правый центр, вынуть барабан из центров, освободить пружину лентодержателя и снять ленту. Отметить на ленте время снятия (число, часы, минуты) и уровень воды на посту, соответствующий времени снятия ленты.
Произвести дозаводку часов, после чего на новой ленте записать число, месяц, год, название станции (поста), отметить масштаб записи и надеть ленту на барабан, закрепив ее лентодержателем так, чтобы бумага плотно прилегала к барабану. После этого устанавливается карандаш (или перо) таким образом, чтобы острие его приходилось против того деления на ленте, которое соответствует времени по точным часам наблюдателя. Установка карандаша (пера) производится путем поворота барабана в направлении, противоположном его вращению в целях выборки люфта. Затем записывается на ленте время (часы, минуты), когда карандаш поставлен на запись; кроме того, проверяется соответствие делений ленты показаниям индекса на шкале и, если необходимо, производится регулировка, после чего кожух прибора закрывается.
Регулировка часового механизма самописца ГР-38. Если часы спешат или отстают больше чем на 5 мин в сутки, следует отрегулировать их ход. Для этого, сняв кожух часов, надо передвинуть имеющуюся в механизме часов стрелку-регулятор.
Если часы спешат, стрелку-регулятор надо подвинуть по шкале в сторону буквы У (убавить), если отстают, - в сторону буквы П (прибавить).
Подготовка самописца ГР-38 к работе. При подготовке прибора к работе необходимо проверить взаимодействие наиболее ответственных его узлов, правильная регулировка которых определяет нормальную работу прибора.
Вращение шестерен зубчатой передачи от оси поплавкового колеса к ходовому винту должно быть плавным, а сцепление шестерен - с минимальным люфтом, определяемым поворотом барабана при его установке, противоположном его вращению при работе часового механизма.
При вращении ходового винта 12 каретка 8 должна легко передвигаться по всей длине винта. Передвижение каретки с переменным трением может быть вызвано неправильной регулировкой плунжера каретки, у которого торец штифта упирается во внутреннюю плоскость паза. Это устраняется регулировкой плунжера, для чего необходимо поворотом регулировочной гайки приподнять штифт так, чтобы торец его не касался внутренней плоскости паза. Штифт должен соприкасаться только с боковыми стенками паза.
При установке держателя карандаша (пера) следует надежно затянуть зажимные винты: винт, закрепляющий держатель карандаша (пера) в месте его сопряжения с кареткой, и винт в средней части держателя.
При установке зубчатой передачи от часового механизма к барабану необходимо обратить внимание на следующее: гайка с прорезью, прижимающая шестеренку, устанавливаемую на оси барабана, затягивается винтом так, чтобы исключить проворачивание шестеренки при вращении барабана от часового механизма, и в то же время обеспечить возможность проворачивания барабана рукой при установке карандаша (пера) на запись.
Ремонт самописца ГР-38. К ремонту, который может быть произведен на месте, относится:
а) пайка поплавка самописца или замена его новым;
б) замена троса поплавковой системы на новый.
Ремонт, предусматривающий исправление часового механизма, смену подшипников, замену или исправление деталей барабана или каретки, производится только в ремонтных мастерских.
ОПИСАНИЕ САМОПИСЦА УРОВНЯ ВОДЫ ТИПА 501
ПРОИЗВОДСТВА ФИРМЫ "МЕТРА" ЧССР
Назначение прибора. Самописец уровня воды типа 501 предназначается для непрерывной регистрации колебаний уровня воды на водоемах и водотоках при продолжительности действия без смены ленты в течение 2, 4 и 8 суток.
Описание и принцип действия. Самописец уровня воды (см. рисунок) состоит из двух основных узлов: поплавкового устройства и регистрирующего механизма. Поплавковое устройство состоит из пустотелого металлического поплавка 1 и гирьки-противовеса 2, подвешенных при помощи бронзовой перфорированной ленты 3 к поплавковому колесу 4. Вращение поплавкового колеса через ось передается счетчику-указателю уровня 13 и, кроме того, через конические шестеренки 10 ходовому (бесконечному) винту 7 с кареткой 8, несущей перо регистратора 9. Перо, скользя по барабану 5, вычерчивает график колебаний уровня на бумажной ленте, закрепленной на поверхности барабана.
Кинематическая схема самописца типа "Метра"-501:
1 - поплавок; 2 - гирька-противовес; 3 - бронзовая
перфорированная лента; 4 - поплавковое колесо; 5 - барабан;
6 - часовой механизм; 7 - ходовой винт; 8 - каретка;
9 - перо регистратора; 10 - конические шестеренки; 11 - винт
указателя масштаба; 12 - переключатель масштаба записи
уровня; 13 - счетчик-указатель уровня
Барабан вращается часовым механизмом 6 при помощи двух шестеренок, одна из которых (меньшего диаметра) насажена и закреплена на оси часового механизма, а другая (большего диаметра) - на оси барабана. Указанные шестеренки (сменные) могут быть заменены другими парами шестеренок (из запасных в комплекте к самописцу) в зависимости от масштаба записи времени, т.е. расчетной продолжительности одного полного оборота барабана 2, 4 или 8 суток.
Соответственно устанавливаются и шестеренки на барабан и часовой механизм, которые придают соответствующую скорость вращения барабану: 10; 5, или 2,5 мм/ч. Барабан вращается на вертикальной оси. Для закрепления ленты на барабане имеются два откидывающихся зажима. Для того чтобы извлечь барабан из самописца, следует повернуть влево до отказа рычаг в нижней части самописца, барабан при этом несколько опустится и выйдет из верхнего осевого гнезда. После этого барабан легко вынимается.
Лента к самописцу уровня воды типа 501 (при установке на 8 суток), представляющая бумажный бланк размером 495 x 280 мм, несколько отличается от ленты к самописцу уровня воды ГР-38. На одной стороне ленты нанесена специальная сетка, состоящая из взаимно перпендикулярных линий длиной 480 x 250 мм. За ось времени на сетке принимаются линии длиной 480 мм, а за ось уровня - линии длиной 250 мм. Лента в вертикальном направлении разделена на восемь полос, что соответствует восьми суткам. В горизонтальном направлении она разделена на 250 частей размером в 1 мм. Клетки сетки имеют размеры:
большие - 50 x 60 мм;
средние - 10 x 15 мм;
малые - 1 x 2,5 мм.
Счетчик-указатель уровня 13 дает возможность непосредственно отсчитывать уровень воды во время наблюдения. Цифры в смотровом окошечке обозначают десятки метров, метры и сантиметры.
Переключатель масштаба записи уровня воды 12 представляет собой металлическую коробку, внутри которой помещается определенный набор шестеренок, дающих возможность получить четыре масштаба записи уровня (1:40, 1:20, 1:10 и 1:5) для регистрации амплитуды колебаний 10; 5; 2,5 и 1,25 м.
Изменение и установка масштаба записи производится путем ослабления винта указателя 11, помещенного на лицевой стороне коробки передач, его перемещения вправо или влево на штрих выбранного масштаба и закрепления указателя против штриха.
Ходовой винт 7 прямого и обратного хода каретки 8 дает возможность сохранить непрерывную запись на ленте при значительных подъемах или спадах уровня в водотоке, выходящих за пределы верхней или нижней границы барабана.
При подъеме уровня воды ходовой винт поворачивается вправо (по часовой стрелке) и передвигает каретку с пером вверх, к верхнему краю барабана. Если уровень воды будет непрерывно нарастать, каретка с пером, дойдя до края барабана, начнет двигаться в обратном направлении, т.е. опускаться.
В случае если подъем уровня прекратится и он начнет спадать, каретка с пером будет возвращаться обратно вверх по ходовому винту и, дойдя до верхнего края барабана, начнет опускаться вниз, т.е. возвращаться в исходное первоначальное положение уровня воды перед подъемом.
Положение каретки с пером можно изменять не только путем изменения уровня поплавка, но и путем вращения головки коррекционного винта, расположенного в верхней части ходового винта.
Сопротивление фрикционного сцепления между конической шестерней переключателя масштаба уровня и ходовым винтом, которое возникает при вращении, регулируется прижимной гайкой, находящейся под сцеплением в нижней части прибора.
Самописец заключен в металлический водонепроницаемый кожух, закрытый спереди застекленной дверцей, которая закрывается двумя рычажными затворами и висячим замком.
Основание прибора круглое, с пятью отверстиями для крепления и тремя винтами с гайками для приводки прибора в горизонтальное положение.
Условия установки самописца уровня типа 501 аналогичны условиям установки самописца ГР-38.
Комплект прибора. В комплект прибора входят:
1) Самописец уровня воды типа 501 1 шт.
2) Поплавок 1 шт.
3) Груз-противовес для поплавка 1 шт.
4) Бронзовая перфорированная лента 1 шт.
5) Шестеренки к часовому механизму
с 1 оборотом в 2 суток 1 шт.
с 1 оборотом в 4 суток 1 шт.
с 1 оборотом в 8 суток 1 шт.
6) Шестеренки к барабану самописца:
с 1 оборотом в 2 суток 1 шт.
с 1 оборотом в 4 суток 1 шт.
с 1 оборотом в 8 суток 1 шт.
7) Заводной ключ к часовому механизму 1 шт.
8) Описание прибора - инструкция по эксплуатации 1 шт.
9) Бумажные ленты специальной разграфки для записи 200 шт.
Подготовка к работе. При подготовке к работе самописца уровня типа 501 необходимо подвергнуть проверке взаимодействие наиболее ответственных его узлов. Проверить работу всех зубчатых зацеплений, вращение которых должно быть плавным.
Каретка с пером (карандашом) должна легко и плавно передвигаться по ходовому винту. Плавность хода каретки особенно тщательно должна проверяться в местах пересечения пазов прямого и обратного ходов. Фрикционное крепление шестеренки на оси барабана должно надежно обеспечивать вращение барабана, приводимого в движение часовым механизмом, без проскальзывания, давая в то же время возможность поворачивать барабан на трении вокруг оси для установки пера по ординате времени.
Должно быть проверено сопряжение отверстий перфорированной ленты со штифтами поплавкового колеса по всей длине ленты.
Установка ленты на барабан самописца не требует его извлечения из прибора. Шестеренка, установленная на верхнем конце оси барабана, закреплена на трении гайкой с фрикционной шайбой и дает возможность поворачивать барабан, не выводя шестеренку из зацепления.
Для снятия ленты барабан поворачивается так, чтобы стали доступны зажимные клапаны. После открытия последних снимается использованная лента. Новая лента левым краем, где имеется надпись "Накол" ("Nopich"), накалывается на острие, закрепляется клапанами и поворотом барабана накладывается на него. После поворота барабана на полный оборот клапаны снимаются, второй конец ленты накалывается на острие и закрывается клапанами. Затем заводится часовой механизм и перо устанавливается на запись.
На шкале редуктора устанавливается индекс на соответствующий масштаб записи уровня, а на счетчике прибора - значение высоты уровня, соответствующее моменту начала записи.
Уход за самописцами ГР-38 и фирмы "Метра" типа 501, а также за сооружениями для их установки. До установки на постах приборы следует хранить в сухом помещении при непременном условии отсутствия испарения кислот и щелочей, вызывающих коррозию металла.
Для транспортировки прибор и отдельно предметы, входящие в комплект, обертываются влагостойкой бумагой и упаковываются в ящик с обкладкой сухой древесной стружкой для предохранения прибора от ударов. Транспортировка прибора допускается любым видом транспорта.
Уход за сооружениями установки СУВ включает в себя периодическую прочистку трубы, соединяющей колодец с рекой, так как засорение трубы приводит к тому, что уровень воды в колодце не будет одинаков с уровнем воды в реке и, следовательно, самописец будет давать неверные показания.
Если при работе самописца на ленте получается штриховая размазанная или зигзагообразная линия, что свидетельствует о передаче волновых колебаний в реке объему воды в колодце из-за слишком большого диаметра соединительной трубы, то частично заглушая трубу, можно устранить этот недостаток.
ПРИМЕР ЗАПОЛНЕНИЯ ТАБЛИЦЫ ТГ-11 ПРИ МНОГОСРОЧНЫХ НАБЛЮДЕНИЯХ
ЗА УРОВНЕМ ВОДЫ
┌─────┐
│ТГ-11│
└─────┘
Река (озеро, водохранилище) Светлая Площадь водосбора 850 км2
_________ ________________________________
абс.
Станция (пост) с. Малиновка за сентябрь месяц 1973 г. Отметка "0" графика 47,15 м
____________ _________ _______ усл.
Число | Час |
0 | 1 | 2 | 3 | 4 | 5 | 6 | 7 | 8 | 9 | 10 | 11 | 12 | 13 | 14 | 15 |
1 | | 3 | 4 | 5 | 6 | 7 | 8 | 9 | 10 | 11 | 12 | 13 | 14 | 15 | 16 |
1 | 134 | 122 | 116 | 102 | 98 | 95 | 94 | 92 | 90 | 88 | 86 | 92 | 104 | 122 | 155 | 185 |
Продолжение
Число | Час | Наибольший | Наименьший | Средний за сутки |
16 | 17 | 18 | 19 | 20 | 21 | 22 | 23 | 24 | ч | мин | | ч | мин | |
1 | 17 | 18 | 19 | 20 | 21 | 22 | 23 | 24 | 25 | 26 | 27 | 28 | 29 | 30 | 31 | 32 |
1 | 158 | 148 | 132 | 120 | 113 | 107 | 102 | 96 | 90 | 15 | 00 | 185 | 10 | 00 | 86 | 114 |
Примечание. При многосрочных наблюдениях за уровнем воды (при отсутствии самописцев) для записи наблюдений используется стандартный бланк ТГ-11;
графа 2 при этом делится на две части для записи величин уровня в 00 и 01 ч.
ПО СБОРКЕ И РАЗБОРКЕ ГИДРОМЕТРИЧЕСКИХ ВЕРТУШЕК
Принцип действия гидрометрических вертушек основан на наличии закономерной связи между скоростью вращения лопастного винта вертушки и скоростью набегающего потока. Если изобразить эту связь графически, отложив по горизонтальной оси число оборотов в секунду лопастного винта, а по вертикальной оси - скорость потока, то на большей части графика она будет иметь вид прямой линии и лишь в области малых скоростей (обычно менее 0,20 м/с) будет нарушаться из-за наличия трения в подшипниках. Величина трения зависит от особенностей каждой вертушки и не является постоянной. Для установления связи между скоростью течения воды и скоростью вращения лопастного винта каждая выпускаемая заводом вертушка тарируется.
Вертушки ГР-21 и ГР-21М. Гидрометрические вертушки ГР-21 и ГР-21М одного класса, но несколько различаются компоновкой ходовой части.
Гидрометрическая вертушка ГР-21 состоит из следующих основных частей: а) корпуса; б) хвостового оперения; в) ходовой части с контактным механизмом и лопастным винтом; г) сигнального устройства.
Корпус гидрометрической вертушки 12 (рис. 1) служит для сочленения частей вертушки, для крепления ее на штанге или вертлюге и для подключения сигнальной цепи. Корпус вертушки в своей передней части имеет полость, в которую вставляется ось собранной ходовой части 16 и крепится в ней стопорным винтом 5. Две клеммы 6 и 7 служат для подключения проводов сигнальной цепи.
Рис. 1. Общий вид вертушки ГР-21 (в разрезе):
1 - осевая гайка; 2 - радиальноупорные шарикоподшипники;
3 - лопастный винт; 4 - муфта; 5 - стопорный винт;
6 - массовая клемма; 7 - изолированная клемма; 8 - зажимные
винты; 9 - винт для крепления хвостового оперения;
10 - гнездо штепселя; 11 - штепсельный штифт оси;
12 - корпус вертушки; 13 - наружная втулка; 14 - гильза
с червячной втулкой; 15 - внутренняя распорная втулка;
16 - ось ходовой части; 17 - контактный штифт;
18 - червячная шестерня; 19 - контактная пружина;
20 - контактный винт; 21 - электропроводный стержень
В тыльной части корпуса имеется втулка для крепления вертушки на штанге или на подвеске-вертлюге (в случае работы с троса) зажимными винтами 8. К тыльной части корпуса винтом 9 крепится хвостовое оперение. Сбоку втулка имеет фигурное отверстие с указателем для снятия отсчета высоты положения оси вертушки на штанге.
Хвостовое оперение вертушки служит для установления оси вертушки по течению. Оно состоит из штока и двух симметрично расположенных на конце его профилированных пластин, обращенных вогнутостью наружу.
Ходовая часть вертушки состоит из оси 16 с контактным механизмом, двух радиально-упорных подшипников 2, внутренней распорной втулки 15, наружной втулки 13, осевой гайки 1. Ходовая часть входит в цилиндрическую полость лопасти 3 и крепится в ней муфтой 4.
Контактный механизм в свою очередь состоит из червячной шестерни 18 с двадцатью зубцами, контактного штифта 17, контактной пружины 19, контактного винта 20 для крепления контактной пружины, электропроводного стержня 21, изолированного от массы корпуса и соединяющего контактную пружину с гнездом штепселя 10.
Контактный механизм вертушки дает одно замыкание электрической сигнальной цепи за один полный оборот червячной шестеренки, имеющей 20 зубьев; поэтому одно замыкание цепи совершается через 20 оборотов лопастного винта.
Сигнальное устройство, состоящее из клеммной панели, звонка (лампочки) переключателя и сигнальных проводов служит для преобразования электрического импульса в звуковой или световой сигнал.
Электрический ток от отрицательного полюса батареи, состоящей из двух гальванических элементов, подводится к клемме со знаком минус (-) на клеммной панели ящика, откуда по проводу подходит к изолированной клемме 6 вертушки, затем к штепсельному гнезду 10 по стержню штепселя 21, по контактной пружине 19 на контактный штифт 17, на шестеренку 18, через нее на массу оси, затем на массу корпуса вертушки 12 и на массовую клемму 7. Далее с массовой клеммы по второму проводу ток идет на клемму панели со знаком плюс (+), от которой через электрический звонок или лампочку накаливания - к положительному полюсу батареи.
Сборка вертушки производится в следующем порядке. На ось 16 последовательно надеваются внутренняя обойма шарикоподшипника (с сепаратором и шариками) 2, наружная обойма шарикоподшипника заплечиками вверх, внутренняя распорная втулка 15, наружная распорная втулка 13, наружная обойма шарикоподшипника заплечиками вниз с внутренней обоймой шарикоподшипника 2 и навинчивается осевая гайка крепления подшипников 1. Затем на ось надевается гильза 14 с червячной втулкой. Ось в сборе вставляется в полость лопастного винта 3, заполненную предварительно маслом на 5 - 6 мм выше уступа в глубине полости, и закрепляется гайкой 4, которая надевается на ось со стороны штепсельного штифта. При вводе оси в полость лопастного винта необходимо ввести штифтик на конце гильзы в гнездо в плече уступа полости лопастного винта.
В случае сборки для хранения на свободный конец оси надевается предохранительный чехол. При сборке вертушки для работы штепсельный штифт оси 11 вставляется в штепсельное гнездо 10 в корпусе 12. Если штепсельный штифт сжат, концы его осторожно раздвигают ножом, чтобы он плотно входил в контактное гнездо. Вставленная в корпус ось с лопастным винтом закрепляется винтом 5. Следует убедиться, что ось закреплена и не может быть вынута из корпуса.
К неизолированной клемме 6, замыкаемой на массу вертушки, присоединяется положительный полюс (+) батареи.
Разборка вертушки производится в порядке, обратном сборке.
Не допускается: вывинчивать из корпуса изолированную клемму 7, вынимать контактный штифт 17, укрепленный на червячной шестерне 18, и вывинчивать токопроводящий изолированный стержень 21, соединяющий контактную пружину 19 со штепсельным штифтом 11. В случае необходимости замены контактной пружины 19 отвинчивается винт 20.
Вертушка ГР-21М отличается от вертушки ГР-21 лишь конструкцией отдельных деталей (рис. 2). В частности, в ней отсутствует деталь 14 - гильза с червячной втулкой. Все операции по сборке, относящиеся к вертушке ГР-21, сохраняются и для этой вертушки.
Рис. 2. Общий вид вертушки ГР-21М (в разрезе).
Наименование деталей - аналогично ГР-21 (см.
рис. 1);
они отличаются лишь конструктивно
Вертушка ГР-55. Малогабаритная гидрометрическая вертушка ГР-55 состоит из тех же основных частей, что и вертушка ГР-21 (см. выше).
Корпус гидрометрической вертушки 12 (рис. 3) служит для сочленения частей вертушки, для крепления ее на штанге или вертлюге и для подключения сигнальной цепи. Корпус вертушки в своей передней части имеет полость, в которую вставляется ось 13 собранной ходовой части и крепится в ней стопорным винтом 5.
Рис. 3. Общий вид вертушки ГР-55 (в разрезе):
1 - осевая гайка; 2 - радиальные шарикоподшипники;
3 - внутренняя упорная втулка; 4 - упорная шайба;
5 - стопорный винт; 6 - массовая клемма; 7 - изолированная
клемма; 8 - зажимные винты; 9 - винт для крепления
хвостового оперения; 10 - хвостовое оперение;
11 - штепсельное гнездо; 12 - корпус вертушки; 13 - ось
ходовой части; 14 - зажимная муфта; 15 - лопастный винт;
16 - червячная шестерня; 17 - контактная пружина;
18 - контактный винт; 19 - стержень штепселя
На передней части корпуса расположены клеммы 6 и 7 для крепления сигнальной цепи, а сама часть корпуса закрыта сверху текстолитовой рубашкой.
В тыльной части корпуса имеется утолщение с вертикальным отверстием для крепления его на штанге или на подвеске-вертлюге (в случае работы с троса) зажимными винтами 8.
К тыльной части корпуса крепится при помощи винта 9 хвостовое оперение 10. Сбоку штанговой втулки вырезано фигурное отверстие с указателем для снятия отсчета высотного положения оси вертушки на штанге.
Хвостовое оперение гидрометрической вертушки служит для установки прибора по течению. Оно состоит из штока и двух симметрично расположенных на конце его вогнутых обтекаемых пластин.
Ходовая часть с контактным механизмом и лопастным винтом является главным узлом гидрометрической вертушки. Она состоит из оси 13 с контактным механизмом, двух радиальных шарикоподшипников 2, внутренней упорной втулки 3, осевой гайки 1, закрепляющей подшипники с упорной втулкой на оси ходовой части лопастного винта 15 и зажимной муфты 14.
Контактный механизм вертушки в свою очередь состоит из червячной шестерни 16 с двадцатью зубцами и штифтом, контактной пружины 17, контактного винта 18 для крепления пружины к токопроводному стержню 19, изолированного от массы и соединяющего контактную пружину с гнездом штепселя.
Контактный механизм вертушки дает одно замыкание в электрической сигнальной цепи за один полный оборот червячной шестеренки, имеющей 20 зубьев; поэтому одно замыкание цепи совершается через 20 оборотов лопастного винта.
Электрический ток от отрицательного полюса батареи, состоящей из двух гальванических элементов, подводится к клемме со знаком минус (-) на клеммной панели ящика, откуда по проводу подходит к изолированной клемме 7 вертушки, затем к штепсельному гнезду 11, по стержню штепселя 19, по контактной пружине 17, на контактный штифт, на шестеренку 16, через ось на массу корпуса вертушки и на массовую клемму 6. Далее с массовой клеммы 6 по второму проводу ток поступает на клемму панели со знаком плюс (+), от которой через электрический звонок идет к положительному полюсу батареи.
В качестве кабеля сигнальной линии используется гибкий двойной провод с полихлорвиниловой изоляцией.
Сборку вертушки производят в следующем порядке. На ось 13 надевается упорная шайба 14, затем последовательно надеваются: внутренний радиальный подшипник 2, внутренняя упорная втулка 3, наружный радиальный подшипник 2 и навинчивается осевая гайка подшипников 1. Ось в сборе вставляется в полость лопастного винта 15, заполненную предварительно маслом на 5 - 6 мм выше уступа в глубине полости, и закрепляется зажимной упорной муфтой 14. При вводе оси в полость лопастного винта упорную шайбу необходимо прижать к торцу подшипника, после чего затянуть зажимную гайку.
Для окончательной сборки вертушки ось ходовой части в сборе вставляется в полость корпуса. Вставленная в корпус ось закрепляется винтом 5. При этом следует убедиться, что ось закреплена и не может быть вынута из корпуса. К неизолированной клемме 6, замыкаемой на массу вертушки, присоединяется положительный полюс (+) гальванических элементов.
Разборка вертушки производится в порядке, обратном сборке.
Не допускается: вывинчивать из корпуса изолированную клемму 7, выпрессовывать контактный штифт, укрепленный на червячной шестерне 16, и вывинчивать токопроводящий изолированный стержень 19, соединяющий контактную пружину 17 со штепсельным штифтом. В случае необходимости замены контактной пружины 17 вывинчивается винт 18.
Вертушка ГР-99. Особенностью данного типа вертушки является то, что регистрация числа оборотов лопастного винта и выдержка времени производится соответственно электромагнитным счетчиком оборотов и секундомером, смонтированными в одном счетно-импульсном механизме. Включение и выключение счетчика и секундомера производятся одновременно (вручную).
Источником питания счетно-импульсного механизма является батарея гальванических элементов напряжением 30 В, источником питания контактной группы вертушки - гальванический элемент напряжением 1,6 В. Прибор состоит из собственно вертушки и регистрирующей части - счетно-импульсного механизма.
Собственно вертушка представлена на рис. 4. Она состоит из корпуса, ходовой части и контактного устройства. Ходовая часть размещена в передней части корпуса 9 и состоит из трехлопастного винта 2, установленного на оси 4 и закрепленного гайкой 1, двух шарикоподшипников 3, распорной втулки 19, гильзы 18 и гайки 17. Ходовая часть вертушки крепится к корпусу винтом 5.
Рис. 4. Общий вид вертушки ГР-99 (в разрезе):
1 - гайка; 2 - трехлопастный винт; 3 - радиальные
шарикоподшипники; 4 - ось; 5 - винт для крепления ходовой
части к корпусу; 6 - изоляционная втулка;
7 - изолированная клемма; 8 - массовая клемма; 9 - корпус
вертушки; 10 - винт для крепления вертушки к штанге;
11 - винт, 12 - стержень штепселя; 13 - упорная шайба;
14 - магнитоуправляемый контакт; 15 - обойма 16 - постоянный
магнит; 17 - гайка; 18 - гильза; 19 - распорная втулка
Контактное устройство состоит из постоянного магнита 16, закрепленного в обойме 15 на оси ходовой части, и магнитоуправляемого контакта типа КЭМ-2Б 14, размещенного в изоляционной втулке 6, закрепленной в корпусе вертушки с помощью прижимной планки 13 и винтов 12 и 11. Постоянный магнит выполнен по форме таким образом (скошенный торец), что при каждом обороте лопастного винта вызывает одно замыкание магнитоуправляемого контакта.
Для подключения сигнальной линии связи служат две клеммы, расположенные на корпусе, одна из которых 7 - изолированная, другая 8 - связана с массой корпуса вертушки.
Вертушка к штанге крепится двумя винтами 10, расположенными в тыльной части корпуса.
Для работы на тросе вертушка укомплектована вертлюгом и хвостовым оперением, которое расположено в тыльной части корпуса.
Счетно-импульсный механизм (рис. 5) служит для суммирования электрических импульсов, поступающих от контактного устройства вертушки, и регистрации выдержки времени.
Рис. 5. Панель счетно-импульсного механизма:
1 - электромагнитный счетчик импульсов; 2 - рычажное
устройство; 3 - клеммы для подключения питания
электромагнитного счетчика импульсов; 4 - клеммы
для подключения питания контактного устройства;
5 - клеммы для подключения вертушки; 6 - секундомер
Счетно-импульсный механизм состоит из электромагнитного счетчика импульсов 1 типа СБ-1М/100, стандартного секундомера 6 и рычажного устройства 2, обеспечивающего синхронное включение и выключение счетчика и секундомера. На панели размещены клеммы для подключения вертушки 5, для подключения питания контактного устройства 4 и электромагнитного счетчика импульсов 3.
Питание счетно-импульсного механизма производится двумя источниками постоянного тока: напряжением 30 В - цепь счетчика и 1,6 В - цепь вертушки.
Блок питания смонтирован в самостоятельный узел и размещен в укладочном ящике. Вольтметр на панели блока служит для проверки напряжения источников питания электромагнитного счетчика.
Сборку вертушки (см.
рис. 4) производят в следующем порядке. На ось ходовой части надевают со стороны длинного конца внутреннюю обойму переднего радиально-упорного подшипника
3 и распорную втулку
19. В гильзу
18 ставят с каждой стороны наружные обоймы шарикоподшипников (кромкой внутрь). Предварительно собранную ось ходовой части (с внутренней обоймой подшипника и распорной втулкой) вводят в гильзу
18 со стороны нерезьбовой части, устанавливают внутреннюю обойму шарикоподшипника на вал со стороны резьбовой части втулки и затягивают подшипник во втулке специальной гайкой
17 (резьба правая). На резьбовую часть оси ходовой части навинчивается обойма
15 (резьба левая). Свободный резьбовой конец оси ходовой части вставляется в полость лопастного винта
2 и с помощью шпильки затягивается гайка
1 (резьба правая). Наличие направляющего штифта в буртике оси создает фиксированное положение оси относительно лопастного винта, поэтому перед затяжкой гайки
1 поворотом лопастного винта или оси в лопастном винте устанавливается направляющий штифт в сверление лопасти, после чего только затягивается гайка
1.
В полость корпуса 9, предварительно заполненную трансформаторным маслом на 1/3 объема, вставляется собранная ходовая часть и крепится винтом 5.
Разборка осуществляется в порядке, обратном сборке.
Не допускается: отвинчивать винты крепления планки 13, отворачивать винт 11 крепления изоляционной втулки 6, вращать вокруг своей оси изоляционную втулку 6, подвергать ударам постоянный магнит 16.
ПРАВИЛА ОБРАЩЕНИЯ И УХОДА ЗА ГИДРОМЕТРИЧЕСКИМИ ВЕРТУШКАМИ
1. Каждая вертушка должна иметь паспорт со списком принадлежностей и запасных частей и тарировочную таблицу. Если вертушка получена в плохом состоянии или отсутствуют какие-либо принадлежности и запасные части, перечисленные в списке, наблюдатель письменно сообщает об этом на станцию.
2. Производить какой-либо ремонт вертушки самому наблюдателю не разрешается. О повреждении вертушки следует немедленно сообщить на станцию для замены ее другой.
3. Каждую вертушку в определенные сроки (по указанию начальника станции) в зависимости от условий работы в створе отправляют на тарировку.
В случае повреждения или подозрения о неисправности вертушки (например, при работе наблюдатель уронил вертушку и лопастный винт немного погнулся) ее высылают на станцию для замены другой, не дожидаясь срока отправки на очередную тарировку.
Если повреждение произошло или возникло подозрение, что вертушка повреждена во время измерения расхода воды, это отмечают в книжке расхода с указанием, на каких вертикалях измерения производились неисправной вертушкой. Если повреждение обнаружено перед измерением расхода и есть основание предполагать, что оно произошло во время предыдущего измерения, запись об этом делают в книжке измерения предыдущего расхода.
4. С гидрометрической вертушкой следует обращаться бережно, оберегая ее от механических повреждений и ржавчины, своевременно и строго выполняя изложенные ниже правила обращения и ухода.
5. Разборку, чистку и сборку вертушки наблюдатель должен выполнять сам, ни в коем случае не доверяя это другим лицам.
Порядок разборки вертушек ГР-21, ГР-21М, ГР-55 и ГР-99 описан в
приложении 5. Кроме того, об устройстве каждого применяющегося типа вертушки наблюдатель должен получить подробные разъяснения от инструктирующего его специалиста и в процессе учебной разборки и сборки хорошо ознакомиться со всеми частями вертушки и особенностями ухода и обращения с ней.
6. Разборку и сборку вертушки дома и на реке следует производить осторожно, над куском материи или плотной бумаги с загнутыми краями, чтобы не утерять какую-либо мелкую деталь.
7. Сразу же после измерения расхода воды на берегу реки вертушку обтирают сухой мягкой тряпкой и убирают в ящик.
8. По возвращении после измерений в помещение наблюдатель в тот же день чистит вертушку и промывает чистым керосином. Вычищенные керосином стальные и железные части должны быть насухо вытерты и обсушены, так как оставшийся керосин может вызвать появление ржавчины.
Хвост и подвеску насухо вытирают тряпкой, а затем обтирают тряпочкой, слегка смоченной в масле. Масло для заливки ходовой части следует применять трансформаторное, получаемое со станции. Применять другое масло запрещается, так как оно может содержать вредные примеси, вызывающие окисление или образующие сгустки, что отразится на точности показаний вертушки. Чистить и обтирать каждую часть вертушки следует особенно аккуратно, чтобы не погнуть и не испортить. Внутренние части вертушки промывают струей керосина из резиновой груши или ершиком.
9. Груз, лебедку, штангу и другое вспомогательное оборудование вертушки после работы в тот же день насухо обтирают и затем протирают тряпкой, слегка смоченной в масле. Трос также обтирают масляной тряпкой. Электрические провода после окончания измерений отключают от электроэлементов, высушивают и наматывают на катушку или аккуратно, без петель, свертывают в бухту.
10. При сборке вертушки нужно обращать внимание на то, чтобы каждый раз степень завинчивания винта, укрепляющего ось вертушки, или гайки, зажимающей шайбы шарикоподшипников, была одинакова.
11. Перед каждым измерением расхода воды тщательно осматривают все ходовые части (ось и подшипники), проверяют чистоту, исправность механизма и правильность сборки вертушки.
При правильной сборке вертушки лопастный винт в нормальном и слегка наклонном положении должен от легкого дуновения сделать несколько оборотов. Если лопастный винт вращается туго, вертушку следует разобрать, снова очистить, промыть ходовую часть и заменить масло.
12. Вертушки ГР-21 и ГР-21М перед каждым измерением расхода воды при скоростях течения меньше 0,5 м/с после проверки вращения лопастного винта от дуновения дополнительно испытывают в отношении сохранения постоянства трения, которое зависит от состояния оси и подшипников и от сопряжения отдельных частей механизма вертушки. В случае появления в подшипниках ржавчины, искривления оси и т.д. трение значительно увеличивается и показания вертушки, в особенности при малых скоростях, становятся неточными. В этом случае вертушка подлежит замене и ремонту.
13. Испытание вертушки на постоянство трения производят в помещении или защищенном от ветра месте по способу выбега в следующем порядке.
Вертушку закрепляют на штанге на высоте 1,1 м от пола. На соединительную гайку вертушки (см. приложение 5,
рис. 1, деталь
4) навивают нить длиной 100 см с грузиком массой 75 - 100 г. Нитку навивают в один ряд путем вращения лопастного винта в сторону, противоположную его вращению при работе. Начало нити прижимают к гайке вторым витком. После того как вся нить до ушка грузика будет навита на гайку, груз опускают. В момент, когда вся нить сойдет с гайки и грузик упадет на пол, пускают в ход секундомер. Лопастной винт начинает свободно вращаться. В момент полной остановки лопастного винта секундомер останавливают. Время записывают с точностью до 1 с.
Испытание производят дважды в теплом помещении, так как при низких температурах масло сгущается и продолжительность свободного вращения заметно уменьшается. Приспособлением для испытания наблюдателя снабжает станция.
Разница в продолжительности свободного вращения по двум испытаниям не должна превышать 20%. Если разница получится больше, вертушку разбирают, тщательно просматривают, при необходимости заново чистят, заменяют масло и испытание повторяют дважды.
Полученное время продолжительности (меньшее из двух) свободного вращения лопастного винта сравнивают со временем, указанным в тарировочной таблице.
Продолжительность свободного вращения (в секундах), указанная в тарировочной таблице, обозначается T0, а продолжительность вращения перед данным измерением расхода - T с индексом, показывающим порядковый номер измерения этой вертушкой расхода воды, например, T5, T25 и т.д.
Если продолжительность свободного вращения перед измерением данного расхода воды по сравнению с T0 уменьшится не более чем в 1,5 раза, вертушка признается исправной и ею допускается измерение всех значений скоростей начиная с 0,08 м/с.
Если продолжительность вращения уменьшится от 1,5 до 2,5 раза (например,

), то вертушка при измерении скоростей течения меньше 0,25 м/с будет давать значительные погрешности и ею можно измерять скорости течения только более 0,25 м/с.
Если продолжительность вращения уменьшится более чем в 2,5 раза (например,

), такая вертушка признается непригодной для измерения скоростей меньше 0,5 м/с.
Во всех случаях получения в результате испытаний значительных отклонений продолжительности свободного вращения перед измерением расхода воды по сравнению с T0 (более чем в 1,5 раза) следует убедиться, хорошо ли вычищена вертушка и правильно ли она собрана. После проверки испытание следует повторить.
Об уменьшении продолжительности свободного вращения лопастного винта более чем в 1,5 раза следует немедленно сообщить на станцию.
При измерении скоростей течения больше 0,5 м/с испытание по способу выбега не производится, но вертушка обязательно должна быть проверена в соответствии с указаниями
п. 11 настоящих правил.
Результаты испытаний записываются в раздел "Обстановка работы" книжки расхода в сведениях о вертушке.
Пример записи. 
.
14. Перед измерением расхода воды проверяют также исправность электрических элементов, проводов и регулируют сигнальное устройство (звонок, зуммер).
В первую очередь осматривают и очищают от окислов и грязи винты и гайки всех контактов и концы проводов.
Для проверки электрических элементов при отсутствии специального прибора (ампервольтметра) применяют лампочку от карманного фонаря. От одного элемента нить лампочки должна докрасна раскалиться, от двух элементов, соединенных последовательно, лампочка должна хорошо светиться.
Убедившись, что элементы исправны, присоединяют их непосредственно к сигнальному устройству.
В случае слабого или прерывистого сигнала звонка при замкнутом контакте контактного устройства вертушки производят регулировку контактов специальным имеющимся на нем винтом, который, после того как будет достигнут громкий и ровный звук, закрепляют контргайкой.
Для проверки проводов их соединяют с гальваническим элементом и сигнальным устройством. В случае отсутствия сигнала провод проверяют на обрыв, соединяют его части или заменяют запасным, новым проводом.
15. После проверки и регулировки сигнальной электрической системы производят испытание действия контактного механизма вертушки.
Для этого вертушку включают согласно электрической схеме (
§ 140 см.
рис. 58). При вращении рукой лопастного винта во время контакта должен получаться четкий (громкий для звукового и ясный для светового) ровный сигнал.
В случае неудовлетворительных сигналов (слабых, прерывистых) следует прежде всего убедиться в надежности всех контактов (соединений) электрической цепи, находящихся вне контактной камеры. Если окажется, что все внешние контакты надежны, а сигналы остаются неудовлетворительными, открывают контактную камеру вертушки, промывают керосином, сушат ее и снова вращением лопастного винта устанавливают контактную пружину на штифтик. Если и после промывки сигналы будут неудовлетворительными, необходимо произвести регулировку контактного устройства вертушки.
16. Регулировку контактного устройства вертушки наблюдатель производит самостоятельно только при условии, что такая регулировка выполнялась им неоднократно в присутствии обучающего его инженера или техника.
Если наблюдатель недостаточно хорошо освоил эти правила и не имеет практического навыка, то о неудовлетворительной работе контактного устройства следует срочно сообщить на станцию.
17. Для проверки работоспособности вертушки ГР-99 необходимо:
1) собрать вертушку, для чего установить ходовую ее часть в корпусе и закрепить зажимным винтом. Лопастный винт должен легко вращаться и после нескольких оборотов плавно остановиться, что свидетельствует о правильной сборке и чистоте ходовой части;
2) проверить с помощью вольтметра, размещенного на клеммной панели, напряжение источников питания счетчика оборотов. Оно должно быть не менее 20 В;
3) проверить работоспособность прибора в целом, для чего подключить сигнальный провод и провода питания, согласно клеммным обозначениям. Включить тумблера на клеммной панели и плате счетно-импульсного механизма. При вращающейся ходовой части включить секундомер и счетчик рычажком, установленным на плате счетно-импульсного механизма. Включение должно произойти синхронно. Счетчик должен отсчитывать обороты вертушки. При повторном нажатии на рычажок счетчик и секундомер должны синхронно остановиться.
Примечание. В целях сохранности магнитоуправляемого контакта ходовая часть хранится в специальной втулке укладочного ящика.
ПОПРАВОК К ГЛУБИНЕ НА УГОЛ ОТНОСА ПОДВОДНОЙ ЧАСТИ ТРОСА (М)
Измеренная глубина, м | Угол отклонения троса от вертикали, градус |
10 | 12 | 14 | 16 | 18 | 20 | 22 | 24 | 26 | 28 | 30 | 32 | 34 | 36 |
1 | 0,01 | 0,01 | 0,01 | 0,02 | 0,02 | 0,02 | 0,03 | 0,03 | 0,04 | 0,04 | 0,05 | 0,05 | 0,06 | 0,07 |
2 | 0,01 | 0,01 | 0,02 | 0,02 | 0,03 | 0,04 | 0,05 | 0,06 | 0,07 | 0,08 | 0,09 | 0,10 | 0,13 | 0,14 |
3 | 0,02 | 0,02 | 0,03 | 0,04 | 0,05 | 0,06 | 0,08 | 0,09 | 0,11 | 0,13 | 0,14 | 0,16 | 0,19 | 0,21 |
4 | 0,02 | 0,03 | 0,04 | 0,05 | 0,06 | 0,08 | 0,10 | 0,12 | 0,14 | 0,18 | 0,19 | 0,21 | 0,25 | 0,28 |
5 | 0,03 | 0,03 | 0,05 | 0,06 | 0,08 | 0,10 | 0,12 | 0,15 | 0,17 | 0,22 | 0,24 | 0,27 | 0,31 | 0,35 |
6 | 0,05 | 0,05 | 0,05 | 0,10 | 0,10 | 0,10 | 0,15 | 0,20 | 0,20 | 0,25 | 0,30 | 0,35 | 0,40 | 0,40 |
7 | 0,05 | 0,05 | 0,05 | 0,10 | 0,10 | 0,10 | 0,15 | 0,20 | 0,25 | 0,30 | 0,30 | 0,40 | 0,45 | 0,50 |
8 | 0,05 | 0,05 | 0,05 | 0,10 | 0,10 | 0,15 | 0,20 | 0,25 | 0,30 | 0,35 | 0,35 | 0,45 | 0,50 | 0,55 |
9 | 0,05 | 0,05 | 0,10 | 0,10 | 0,15 | 0,20 | 0,25 | 0,30 | 0,35 | 0,40 | 0,40 | 0,50 | 0,60 | 0,65 |
10 | 0,05 | 0,10 | 0,10 | 0,10 | 0,15 | 0,20 | 0,25 | 0,30 | 0,35 | 0,40 | 0,40 | 0,50 | 0,60 | 0,65 |
11 | 0,10 | 0,10 | 0,10 | 0,20 | 0,20 | 0,20 | 0,30 | 0,30 | 0,40 | 0,40 | 0,50 | 0,60 | 0,70 | 0,80 |
12 | 0,10 | 0,10 | 0,10 | 0,20 | 0,20 | 0,30 | 0,30 | 0,40 | 0,40 | 0,50 | 0,60 | 0,70 | 0,80 | 0,80 |
13 | 0,10 | 0,10 | 0,10 | 0,20 | 0,20 | 0,30 | 0,30 | 0,40 | 0,40 | 0,50 | 0,60 | 0,70 | 0,80 | 0,90 |
14 | 0,10 | 0,10 | 0,10 | 0,20 | 0,20 | 0,30 | 0,30 | 0,40 | 0,50 | 0,60 | 0,60 | 0,70 | 0,90 | 1,00 |
15 | 0,10 | 0,10 | 0,20 | 0,20 | 0,30 | 0,30 | 0,40 | 0,50 | 0,60 | 0,70 | 0,70 | 0,80 | 1,00 | 1,10 |
16 | 0,10 | 0,10 | 0,20 | 0,20 | 0,30 | 0,30 | 0,40 | 0,50 | 0,60 | 0,70 | 0,70 | 0,80 | 1,00 | 1,10 |
17 | 0,10 | 0,10 | 0,20 | 0,20 | 0,30 | 0,30 | 0,40 | 0,50 | 0,60 | 0,70 | 0,70 | 0,80 | 1,00 | 1,20 |
18 | 0,10 | 0,10 | 0,20 | 0,20 | 0,30 | 0,40 | 0,50 | 0,60 | 0,70 | 0,80 | 0,80 | 1,00 | 1,00 | 1,30 |
19 | 0,10 | 0,10 | 0,20 | 0,20 | 0,30 | 0,40 | 0,50 | 0,60 | 0,80 | 0,90 | 0,90 | 1,00 | 1,20 | 1,40 |
20 | 0,10 | 0,10 | 0,20 | 0,30 | 0,30 | 0,40 | 0,50 | 0,70 | 0,80 | 0,90 | 1,00 | 1,10 | 1,30 | 1,50 |
ОПИСАНИЕ ГИДРОМЕТРИЧЕСКОЙ ИНТЕГРАЦИОННОЙ УСТАНОВКИ ГР-101
В комплект установки ГР-101 (см.
рис. 75) входят: а) пульт измерительный; б) грузы гидрометрические массой 25 и 50 кг; в) вертушка гидрометрическая (специальная).
Гидрометрическая интеграционная установка ГР-101:
1 - секундомер; 2 - рычаг; 3 - кнопка; 4, 9,
10 - переключатели; 5 - вольтметр; 6 - электрический звонок;
7 - счетчик сигналов (оборотов) вертушки; 8 - плата
Измерительный пульт (рисунок) собран на плате 8, установленной в металлическом футляре. Сигналы вертушки регистрируются электромеханическим счетчиком 7, а время работы вертушки измеряется механическим стрелочным секундомером 1. Счетчик и секундомер включаются и выключаются одновременно. Включение производится вручную нажимом на кнопку 3 управления, а выключение - вручную нажимом на рычаг 2 и автоматически (при срабатывании донного контакта гидрометрического груза).
Метроном, с помощью которого обеспечивается постоянство скорости перемещения вертушки по вертикали, установлен в измерительном пульте. Источником звуковых сигналов метронома является электрический звонок 6. Время между сигналами метронома регулируется переключателем 9 и может быть установлено равным 1, 2, 4 или 6 с.
Переключателем 10 устанавливается режим измерения скоростей или глубин потока. В последнем случае при достижении гидрометрическим грузом дна должен сработать звонок 6.
Питание электрических цепей установки производится от батарей сухих гальванических элементов напряжением 1,5 и 30,4 В, помещенных в специальном контейнере измерительного пульта. Включение питания производится выключателем 4. Вольтметр 5 предназначен для контроля напряжения питания в цепи счетчика. Гидрометрические грузы, входящие в комплект установки, одинаковы по конструкции и отличаются друг от друга только массой и размером составляющих элементов. Грузы оборудованы донными контактами.
Гидрометрическая вертушка, входящая в комплект установки, разработана на базе вертушки типа ГР-21М и отличается от нее в основном контактным устройством. Контактное устройство вертушки обеспечивает получение электрических импульсов при каждом обороте лопастного винта и отличается высокой надежностью в работе.
ОПИСАНИЕ ГИДРОМЕТРИЧЕСКОЙ ДИСТАНЦИОННОЙ УСТАНОВКИ ГР-64
Установка ГР-64 является стационарным оборудованием гидрометрического створа. Применяется для производства гидрометрических работ на реках (преимущественно горных) шириной до 100 м, глубиной до 12 м и скоростями течения до 5 м/с.
Она состоит из береговых опор 1 и 4 (рис. 1), переброшенной между ними системы тросов 2, лебедки с электроприводом 6, каретки 3, блок-счетчиков глубин и горизонтальных расстояний 7, гидрометрического груза 5 и пульта управления.
Рис. 1 Гидрометрическая дистанционная установка
ГР-64 в сборке:
1 и 4 - береговые опоры; 2 - система тросов;
3 - каретка; 5 - гидрометрический груз;
6 - лебедка с электроприводом; 7 - блок счетчиков
(глубин и горизонтальных расстояний)
Одна из опор (с кабиной) является основной; на ней монтируются лебедка с электродвигателями, блок-счетчики, а также ряд блоков тросовой системы. На другой опоре крепится береговой блок и блок несущего троса. Для защиты от атмосферных осадков и удобства работы основная опора и укрепленное на ней оборудование заключены в деревянную кабину.
Система тросов состоит из несущего троса, который воспринимает нагрузку от подвешенного груза с прибором, и тросов перемещения каретки и подъемного с токопроводной жилой. С помощью двух последних тросов каретка передвигается по створу, а гидрометрический груз опускается и поднимается в заданной точке. Оба троса намотаны на барабаны лебедки, причем трос перемещения каретки идет от барабана лебедки через систему блоков на противоположный берег ко второй опоре, где, охватывая блок, идет обратно и прикрепляется к каретке.
Подъемный трос от барабана лебедки проходит через систему блоков и заканчивается подвешенным к нему гидрометрическим грузом.
Лебедка имеет два барабана (верхний и нижний), два электромотора, два редуктора и ручной привод. Верхний барабан служит для намотки троса перемещения каретки, а нижний - для намотки подъемного троса.
Передача вращения от моторов к барабанам происходит через редукторы, которые позволяют иметь две скорости подачи троса: 10 и 25 см/с. Первая скорость служит для вертикального перемещения груза при измерениях глубин русла, скоростей течения на вертикалях (в отдельных точках и интеграционным способом) и др. Вторая скорость используется только для холостых перемещений груза по створу.
Для точной установки груза на вертикали, а также для его подъема из воды в аварийных условиях (при прекращении подачи электроэнергии) барабаны лебедки могут приводиться во вращение ручным приводом, причем как раздельно, так и одновременно.
Измерения горизонтальных перемещений гидрометрического груза и глубин производятся блок-счетчиком, состоящим из двух мерных роликов и двух счетчиков оборотов. Точность отсчета расстояний по счетчикам 1 см.
Для измерения угла относа подъемного троса (что бывает необходимо при больших скоростях течения и работе на стрежневых вертикалях) установка снабжена угломером (рис. 2). Принцип его действия состоит в том, что вращение монокуляра, имеющего сетку с вертикальной и горизонтальной нитями, жестко связано с движением стрелки по циферблату. Наблюдатель, глядя в монокуляр и вращая его, совмещает вертикальную нить сетки с направлением троса, после чего делает отсчет по циферблату.
Рис. 2. Угломер
Гидрометрический груз массой 100 кг (рис. 3) служит для промеров глубин, закрепления на нем приборов и уменьшения угла отклонения (относа) троса от вертикали. Он состоит из тела груза 4, хвостового оперения с пенопластовым поплавком 5, кронштейна 9 и штыря 1 для крепления приборов, поверхностного 8 и донного 7 контактов и делителя 2, закрепленного скобой.
Рис. 3. Гидрометрический груз массой 100 кг:
1 - штырь; 2 - делитель; 3 - планка с отверстиями; 4 - тело
груза; 5 - хвостовое оперение с пенопластовым поплавком;
6 - поддон; 7 - донный контакт; 8 - поверхностный контакт;
9 - кронштейн
Поверхностный контакт обеспечивает электрический сигнал при соприкосновении груза с водной поверхностью. Одновременно с сигналом груз автоматически останавливается. Когда груз достигнет дна, срабатывает донный контакт и груз также автоматически останавливается.
Сигналы от вертушки, донного и поверхностного контактов передаются по подъемному тросу с одной токопроводной жилой. Питание сигнальных цепей осуществляется переменным током напряжением от 48 до 30 В, вырабатываемым генератором. Для разделения сигналов, поступающих от вертушки и от донного и поверхностного контактов, служит делитель, к которому по токопроводной жиле поступает переменный ток от генератора.
Питание генератора производится постоянным током, вырабатываемым аккумуляторной батареей. Питание электромоторов, установленных на лебедке, а также блока для зарядки аккумуляторов осуществляется трехфазным переменным током напряжением 220 В.
Пульт управления (рис. 4) служит для управления работой установки; на нем размещены приборы и средства управления (кнопки, выключатели, тумблеры и др.).
Рис. 4. Пульт управления гидрометрической дистанционной
установки ГР-64:
Сигнальные лампы: 1 - генератора; 2 - вертушки; 3 - донного
контакта; 4 - поверхностного контакта; 5 - тумблер включения
генератора; 6 - счетчик оборотов вертушки; 7 - секундомер;
8 - выступ; 9 - указатель включения счетчика оборотов;
10 - тумблер поверхностного контакта; 11 - кнопки управления
работой моторов; 12 - вольтметр переменного тока;
13 - выключатель сетевого напряжения; 14 - вольтметр
постоянного тока; 15 - реле вертушки; 16 - выключатель
зарядки аккумуляторов; 17 - реле скоростных диапазонов;
18 - выключатель постоянного тока; 19 - реле автоматических
остановок моторов; 20 - крышки корпусов предохранителей
постоянного тока; 21 - переключатель светового и звукового
сигнала вертушки
На передней панели смонтированы:
первый ряд: сигнальные лампы (слева направо) генератора, вертушки, донного и поверхностного контактов;
второй ряд: тумблеры включения генератора и реле поверхностного контакта (по краям панели), выпрямитель для зарядки аккумуляторов и секундомер (в середине);
третий ряд: кнопки управления моторами для перемещения груза по горизонтали и вертикали;
четвертый ряд: вольтметры для измерения напряжения переменного (слева) и постоянного (справа) тока, выключатель сети (посередине);
пятый ряд: тумблеры для включения вертушки и скоростных диапазонов (в центре), реле автоматических остановок (крайний справа); слева от центрального тумблера размещены выключатель зарядки аккумуляторов, справа - выключатель постоянного тока;
шестой ряд - тумблер для переключения от светового на звуковой сигнал.
ОПИСАНИЕ ГИДРОМЕТРИЧЕСКОЙ ДИСТАНЦИОННОЙ УСТАНОВКИ ГР-64М
Установка ГР-64М представляет собой модернизированный вариант установки ГР-64. Основное ее отличие состоит в том, что она рассчитана на применение в условиях более широких рек (пролет между опорами до 200 м).
Несколько изменена электрическая схема установки: питание сигнальной цепи осуществляется от сети переменного тока через трансформатор и выпрямитель.
Для регистрации числа оборотов вертушки применен электро-импульсный счетчик, который при измерении скорости течения включается по сигналу контрольной лампы одновременно с секундомером.
Пульт управления установки ГР-64М (см. рисунок) несколько отличается от такового установки ГР-64.
Пульт управления гидрометрической дистанционной установки
ГР-64М
Сигнальные лампы блока питания 1, вертушки 2, донного
контакта 3, поверхностного контакта 4; 5 - рычажок тумблера
включения питания; 6 - счетчик оборотов вертушки;
7 - секундомер; 8 - рычажки механизма одновременного
включения счетчика оборотов и секундомера; 9 - указатель
включения контакта счетчика оборотов; 10 - тумблер
переключения поверхностного контакта на донный и вертушку;
11 - кнопки управления работой моторов; 12 - вольтметр
постоянного тока; 13 - выключатель сетевого напряжения;
14 - вольтметр переменного тока; тумблеры включения вертушки
15, переключения светового и звукового сигналов вертушки 16,
крышки корпусов предохранителей постоянного тока 17, реле
скоростных диапазонов 18, реле автоматических остановок
моторов 19, работающих от кнопок "вниз", "назад"
Приборы и рычаги управления расположены на передней панели пульта управления в следующей последовательности (считая сверху вниз и слева направо):
первый ряд: сигнальные лампы питания, вертушки, донного и поверхностного контактов;
второй ряд: тумблер включения питания, электроимпульсный счетчик, секундомер, указатель включения электроимпульсного счетчика, рычажок механизма для синхронного выключения счетчика и секундомера, тумблер переключения от поверхностного на донный контакт и вертушку;
третий ряд: 6 кнопок для управления работой электродвигателя при перемещении груза в горизонтальном и вертикальном направлении;
четвертый ряд: вольтметр для измерения напряжения на выходе стабилизатора, выключатель сетевого напряжения, вольтметр для измерения напряжения в электросети;
пятый ряд: тумблеры для включения и выключения вертушки, для перехода от светового к звуковому сигналу вертушки, две крышки корпусов предохранителей, тумблер диапазонов измеряемых скоростей течения, тумблер для автоматической остановки электродвигателей, работающих от кнопок "Вниз" и "Назад".
Возможные неисправности гидрометрических дистанционных установок ГР-64 и ГР-64М и способы их устранения приведены в таблице.
Возможные неисправности установок ГР-64 и ГР-64М и способы
их устранения
Неисправность | Причина | Способ устранения |
Вольтметр переменного тока показывает напряжение (220 В), но моторы не работают | 1. Отсутствует напряжение в одной фазе | 1. Найти причину отсутствия напряжения и устранить неисправность. |
2. Сгорел предохранитель | 2. Заменить предохранитель |
Вольтметр переменного тока показывает нуль | 1. Нет напряжения в сети | |
2. Сгорел предохранитель | Заменить предохранитель |
Вольтметр переменного тока показывает напряжение (220 В), а на вольтметре постоянного тока нет напряжения (показывает нуль) | 1. Не включен тумблер "Питание" или обрыв кабеля | 1. Включить тумблер "Питание" или заменить кабель |
2. Сгорел предохранитель | 2. Заменить предохранитель 0,25 А. Проверить вольтметром (тестером) наличие напряжения на клеммах 2 - 3 стабилизатора напряжения "СТ" |
Вольтметр переменного тока показывает напряжение (220 В), но сигнальная лампа не горит | 1. Перегорела сигнальная лампа | 1. Заменить сигнальную лампу |
2. Нет напряжения на клеммах 3 и 4 (около 3В) трансформатора выпрямителя "ВП" | 2. Проверить наличие напряжения (220 В) на клеммах 1 и 2 и около 3 В на клеммах 3 и 4 трансформатора. Найти причину отсутствия напряжения и устранить ее |
Вольтметр постоянного тока показывает напряжение 25 - 28 В. Сигнальная лампа не горит | 1. Сгорел предохранитель | 1. Заменить предохранитель |
2. Окислился контакт на клемме аккумулятора | 2. Зачистить клемму |
Сигнальная лампа "Генератор" ("Питание") горит, остальные лампы не загораются. Вольтметр постоянного тока показывает напряжение 25 - 28 В | 1. Вышел из строя генератор | 1. Сдать в ремонт |
2. Отсоединился от клеммы платы провод, соединяющий ее с токосъемником лебедки | 2. Присоединить |
3. Обрыв токопроводной жилы в тросе | 3. Заменить трос или отрубить его поврежденную часть |
4. Оборвался провод, соединяющий пульт с корпусом лебедки; не поставлена перемычка, соединяющая их как элемент заземления | 4. Исправить провод, поставить перемычку |
5. Обрыв токопроводной жилы в заделках троса | 5. Вскрыть заделку. Проверить целостность жилы троса; при сохранности жилы заделать вновь |
Сигнальная лампа "Генератор" ("Питание") горит, а груз автоматически не останавливается при соприкосновении с водой и не загорается лампа "Поверхность" | 1. Малая минерализация воды | 1. Увеличить площадь поверхностного контакта путем ввертывания в него одного из трех специальных винтов, прикладываемых к каждому комплекту установки |
2. Не включен тумблер "Поверхность" | 2. Включить тумблер "Поверхность" |
Сигнальная лампа "Поверхность" не гаснет при извлечении груза из воды | 1. Поверхностный контакт загрязнен илом | 1. Очистить поверхность контакта от ила |
2. Не обеспечена герметизация стыка рубашки с гайкой или отсутствует прокладка (вода попала в донные контакты или под колпачок проводов) | 2. Отвернуть винт и гайку, проверить наличие прокладки и воды, которая может замыкать поверхностный контакт на корпус груза. Проверить мегомметром сопротивление изоляции стержня относительно тела груза |
3. Повреждена изоляция токопроводной жилы троса. Сопротивление изоляции менее 1 Мом. | 3. Отключить трос от делителя и пульта, измерить сопротивление изоляции токопроводной жилы мегомметром. При наличии повреждения отрубить поврежденную часть троса |
При погружении в воду груз произвольно останавливается не достигнув дна | 1. Порван резиновый манжет или вода попала в гнездо корпуса донного контакта через сальник | 1. Отвернуть гайку, вынуть провод с сальником и проверить отсутствие воды в гнезде корпуса донного контакта. Вывернуть донный контакт из корпуса груза и проверить целостность манжета. При наличии повреждения манжет снять, детали очистить от загрязнения, просушить и поставить новый манжет |
2. Плохая герметизация стыка штекера с делителем или отсутствие в месте стыка резиновой прокладки | 2. Отключить штекер от делителя и устранить дефект |
При поднятом над водой грузе горят все лампы при переключении тумблера "Поверхность" на "Дно - вертушка", и обратно | 1. Замыкание токопроводной жилы на корпус | 1. Отключить штекер от делителя и провод от токосъемника, проверить сопротивление изоляции токопроводной жилы мегомметром |
2. Повреждение изоляции токопроводной жилы на корпус | 2. При коротком замыкании токопроводной жилы на стальные проволоки троса найти поврежденное место троса и отрубить конец. При нормальном сопротивлении изоляции токопроводной жилы замыкание следует искать в цепи груза и пульта |
Сигнальные лампы "Поверхность" и "Дно" не загораются (ГР-64) | Перегорели лампочки | Заменить |
Сигнальная лампа "Поверхность" загорается только при контакте с дном (ГР-64) | Очень малая минерализация воды | Увеличить площадь поверхностного контакта |
При включении генератора загораются все сигнальные лампы при поднятом грузе (ГР-64) | 1. Повреждение подъемного троса | 1. Отрубить поврежденную часть троса |
2. Замыкание токопроводной жилы на массу | 2. Заменить трос |
3. Заедание поддона или донных контактов | 3. Устранить |
4. Пробило диоды в делителе или на генераторе | 4. Заменить, соблюдая полярность включений |
Счетчик оборотов за период одного контакта срабатывает несколько раз ("дробление сигналов вертушки") | 1. Не включены или вышли из строя конденсаторы | 1. Включить или заменить конденсаторы |
2. Очень плохой контакт у вертушки | 2. Исправить контакт вертушки |
При включении счетчика оборотов вертушки секундомер не включается | 1. Не заведена пружина секундомера | 1. Завести секундомер |
2. Не согласовано включение счетчика и секундомера | 2. При включенном счетчике включить в работу секундомер, нажав пальцем руки на его головку. После этого включение производить нажимом на рычаг |
Примечание. Устранение неисправностей возлагается на специалистов гидрологической станции.
ОПИСАНИЕ ГИДРОМЕТРИЧЕСКОЙ ДИСТАНЦИОННОЙ УСТАНОВКИ ГР-70
(С РУЧНЫМ ПРИВОДОМ)
Установка ГР-70 (см.
рис. 77) является стационарным оборудованием гидрометрического створа. Предназначена для производства гидрометрических работ с берега на равнинных реках шириной до 100 м, где нет больших скоростей течения (до 2,5 м/с) и не требуется применения тяжелых грузов. Установка позволяет производить гидрометрические работы с берега одному человеку, значительно облегчает труд наблюдателя и делает его безопасным (при соблюдении установленных правил).
Установка состоит из двух береговых опор с блоками, системы тросов, переброшенных между опорами, двухбарабанной лебедки с ручным приводом, блока счетчиков, пульта управления, каретки, двух гидрометрических грузов (25 и 50 кг). Кабина установки совмещена с опорой несущего троса и служит для размещения в ней пульта управления и оборудования, а также для обеспечения удобства работы и защиты приборов от атмосферных осадков.
Система тросов состоит из несущего, перемещения каретки и подъемного с токопроводной жилой. Несущий трос, опираясь на ролики опор своими кольцами, при помощи талрепов прикреплен к якорям, зарытым в грунте. Трос перемещения каретки одним концом закреплен на переднем барабане лебедки; второй конец, пройдя через ряд роликов-блоков, прикрепляется к скобе каретки. Подъемный трос от второго барабана лебедки проходит через систему блоков в кабине, идет к гидрометрическому грузу и прикрепляется к нему посредством карабина и серьги.
Для перемещения груза с прибором по створу, подъема и опускания его служит лебедка с ручным приводом. Максимальное усилие на рукоятке лебедки при подъеме груза 50 кг составляет около 10 кг, а при подъеме груза 25 кг - 5 кг. Лебедка состоит из двух барабанов, ручного привода и механизма переключения. На передний барабан намотан трос перемещения каретки, на задний - подъемный трос с токопроводной жилой. Рукоятка ручного привода сопряжена с механизмом переключения, который дает возможность вращать только подъемный барабан или оба барабана одновременно.
Барабан троса с токопроводной жилой связан с осью рукоятки при помощи шестерни, а барабан троса перемещения каретки может соединяться с осью рукоятки подвижной шестерней при помощи рычага. Рычаг переключения имеет два крайних фиксированных положения; в крайнем правом положении вращаются оба барабана, в крайнем левом вращается лишь барабан с токопроводным (подъемным) тросом.
Блок счетчиков служит для регистрации горизонтальных и вертикальных перемещений груза с приборами по створу. Перемещение груза регистрируется счетчиками (в сантиметрах); верхний счетчик фиксирует горизонтальное перемещение груза, нижний - вертикальное.
Конструкции гидрометрических грузов, каретки, блока со счетчиками аналогичны их конструкциям в установке ГР-64. Гидрометрический груз массой 25 кг (рис. 1) конструктивно отличается от грузов массой 50 и 100 кг только формой поддона и наличием одного донного контакта.
Рис. 1. Гидрометрический груз массой 25 кг:
1 - кронштейн; 2 - штырь; 3 - гайка; 4 - планка
с отверстиями; 5 - делитель; 6 - тело груза;
7 - винт для крепления хвостового оперения;
8 - хвостовое оперение; 9 - винт для крепления поплавка;
10 - пенопластовый поплавок; 11 - донный контакт;
12 - поддон; 13 - поверхностный контакт;
14 - винт; 15 - рубашка
Пульт управления (рис. 2) служит для управления работой установки и размещения в нем элементов электрической схемы. Он состоит из металлического корпуса, столика для записи наблюдений и панели. На панели размещены: сигнальные лампы (генератора 1, вертушки 3, донного 5 и поверхностного 7 контактов), тумблеры выключения вертушки 4 и поверхностного контакта 6, переключения скоростных диапазонов 2 и включения питания 8, вольтметр постоянного тока 10, счетчик оборотов лопастного винта 11, секундомер 12, рычаг пуска секундомера 13 с указателем 15, клеммы для подводки питания 9, выходные клеммы 14 (верхняя для подключения схемы к массе груза, нижняя - для подсоединения к изолированной жиле токоведущего троса). Сигналы от вертушки, донного и поверхностного контактов передаются по тросу с одной токопроводной жилой.
Рис. 2. Пульт управления гидрометрической дистанционной
установкой ГР-70.
Сигнальные лампы: 1 - генератора; 3 - вертушки; 5 - донного
контакта; 7 - поверхностного контакта; 2 - тумблер
переключения скоростных диапазонов; 4 - тумблер выключения
вертушки; 6 - тумблер выключения поверхностного контакта;
8 - тумблер включения питания; 9 - клеммы для подводки
питания; 10 - вольтметр постоянного тока; 11 - счетчик
оборотов лопастного винта вертушки; 12 - секундомер;
13 - рычаг пуска секундомера; 14 - выходные клеммы;
15 - указатель включения контакта счетчика оборотов
Питание установки осуществляется от батареи гальванических элементов напряжением 12 В.
Возможные неисправности гидрометрической дистанционной установки ГР-70 и способы их устранения приведены в таблице.
Возможные неисправности установки ГР-70
и способы их устранения
Неисправность | Причина неисправности | Способ устранения неисправности |
Вольтметр показывает нуль. Лампа генератора не горит | 1. Нет напряжения на выходных концах батареи гальванических элементов | 1. Проверить место соединений гальванических элементов между собой и устранить обрывы. Проверить напряжение каждого элемента. Плохие заменить |
2. Неправильно подключена к пульту батарея гальванических элементов | 2. Переключить провода, подходящие от батареи к клеммам пульта |
3. Отключились или оборвались провода, соединяющие батарею гальванических элементов с пультом | 3. Подключить провода к клеммам пульта или заменить |
Вольтметр показывает напряжение 12 В. Лампа генератора не горит | При отсутствии звука генератора (непрерывный писк): | |
1) вышел из строя генератор | Сдать в ремонт |
2) отпаялся провод, идущий от клеммы тумблера на минусовую клемму генератора | Проверить визуально и припаять |
При наличии звука генератора: |
1) перегорела сигнальная лампа | Заменить лампу запасной |
2) нет контакта лампы с патроном | Поджать лампу к патрону |
Вольтметр показывает напряжение 12 В Лампа генератора горит, а остальные сигнальные лампы не загораются при замыкании контактов поверхностного донного и вертушки | 1. Отсоединились или оборвались провода, соединяющие клеммы пульта с корпусом и токосъемником лебедки | 1. Проверить и исправить |
2. Нет контакта пружины токосъемника лебедки со штырем, укрепленным в оси барабана | 2. Проверить омметром. Для этого один провод от омметра поджать к винту токосъемника, а второй - к винту, установленному на оси барабана; при отсутствии контакта омметр покажет нуль. В этом случае нужно снять токосъемник и отогнуть пружину |
3. Нет контакта штыря с токопроводной жилой | 3. Штекер отсоединить от делителя и омметром проверить наличие контакта; для этого один провод омметра поджать к штырю, а второй - к винту; при отсутствии омметр покажет нуль. В этом случае нужно штырь поджать гайкой |
4. Обрыв токопроводной жилы после ее выхода из муфты | 4. Вывернуть винт и проверить визуально. При наличии обрыва нужно смотать трос с барабана, отжать планку, вытянуть трос из отверстия в щеке барабана на 0,5 м и заново смонтировать муфту |
При включении генератора загораются все лампы при поднятом грузе | Поврежден подъемный трос, токопроводная жила замкнута на его стальную оболочку (на корпус) | Отрезать поврежденную часть троса и заново смонтировать штекер |
Сигнальная лампа "Поверхность" загорается только при контакте с дном | Минерализация воды значительно уменьшилась | Увеличить площадь поверхностного контакта |
Сигнальная лампа "Дно" загорается при касании груза к поверхности воды | Увеличилась значительно минерализация воды | Уменьшить площадь поверхностного контакта |
Сигнальная лампа "Дно" не гаснет при отрыве груза от дна | 1. Высокая минерализация воды | Уменьшить площадь поверхностного контакта |
2. Заедание поддона или донных контактов | Устранить |
Сигнальная лампа "Дно" и "Поверхность" при включенном тумблере, не гаснут после извлечения груза из воды | 1. Поверхностный контакт загрязнен илом | 1. Очистить поверхностный контакт |
2. Вода попала в донные контакты под резиновые манжеты | 2. Сменить резиновые манжеты (если порваны). Перед установкой новых деталей все детали протереть и высушить. Перед установкой в корпус груза проверить мегомметром сопротивление изоляции винта относительно корпуса; оно должно быть не менее 50 МОм |
3. Поверхностный контакт замкнут на корпус. Трещина на винипластовой рубашке или неправильно смонтирован поверхностный контакт, нет прокладки или вместо прокладки положена резиновая шайба под гайку. Не качественная резиновая прокладка | 3. Проверить целостность изоляционной рубашки и правильность монтажа. Все детали просушить. При наличии трещины залить ее масляной краской, лаком, эпоксидной смолой и т.п. Смонтировать в грузе и проверить мегомметром сопоставление изоляции поверхностного контакта относительно корпуса груза. Оно должно быть порядка 50 МОм. Проверку производить до подключения провода, С подключенным проводом проверка категорически запрещена |
4. Повреждена изоляция токопроводной жилы троса. Сопротивление изоляции меньше 1 МОм. | 4. Отсоединить штекер от делителя и пульт от токосъемника лебедки. Измерить сопротивление изоляции токопроводной жилы относительно стальных проволок троса мегомметром с напряжением 100 В |
Отрубить поврежденную часть троса. В местах повреждения, на стальных проволоках троса всегда имеются вмятины. Производить проверку сопротивления изоляции с подключенным пультом и делителем запрещается, так как могут выйти из строя диоды, смонтированные в пульте и делителе |
Счетчик импульсов за один контакт вертушки срабатывает несколько раз | 1. Вышли из строя конденсаторы | Заменить |
2. Неисправный контакт вертушки | Исправить |
При включенном счетчике числа контактов вертушки (риска указателя совмещена с риской корпуса) секундомер не работает | 1. Кончился завод секундомера | Завести секундомер |
2. Сбита синхронность включения счетчика и секундомера | При включенном счетчике включить в работу секундомер нажатием пальца руки на его головку |
При опускании вертушки в воду она дает постоянный контакт. Горит сигнальная лампа или постоянный звуковой сигнал | Большая минерализация воды в реке. Изолированная клемма вертушки замыкает на корпус через воду | Надежно изолировать клемму вертушки от воды |
Примечание. Устранение неисправностей возлагается на специалистов гидрологической станции.
ПЕРЕЧЕНЬ ОБОРУДОВАНИЯ И МАТЕРИАЛОВ ДЛЯ ОБРАБОТКИ ПРОБ
НАНОСОВ И ДОННЫХ ОТЛОЖЕНИЙ НА ПОСТУ
Наименование оборудования | Единица измерения | Количество |
Шкаф для фильтрования проб воды со взвешенными наносами | комплект | 1 |
Прибор Куприна для фильтрования под давлением | " | 1 |
Дождемерные стаканы емкостью до 500 мл | шт. | 2 |
Мерные цилиндры емкостью до 10 мл | " | 2 |
Палочки стеклянные | кг | 0,2 |
Трубки резиновые диаметром 0,5 - 1,0 см для сифона | " | 0,2 |
Сифоны стеклянные | шт. | 3 |
Бутылки белого стекла без плечиков емкостью 3 л | " | 20 |
Бутылки белого стекла без плечиков емкостью 1 л | " | 100 |
Фарфоровые чашки диаметром 14 - 20 см | " | 20 |
Термометр комнатный | " | 1 |
Термометр для воды без оправы | " | 1 |
Станки-полки для фильтрования, 5-местные | " | |
Марля или другая тонкая ткань | м | |
Весы технические Т-200 или Т-1000 | шт. | 1 |
Разновес технический для весов Т-200 и Т-1000 | комплект | 1 |
Металлическая рама-сетка размером 1 x 1 м, разделенная шнуром на ячейки 10 x 10 см (для определения крупности отложений горных рек) | шт. | 1 |
Таз алюминиевый для мытья посуды | " | 1 |
Этикетки к пробам наносов | бланк | 200 |
Этикетки к пробам донных отложений | " | 10 |
Фильтры беззольные с белой лентой диаметром 11 - 13 см, взвешенные и уложенные каждый в отдельный конвертик из восковой бумаги | шт. | 300 |
Конвертики из восковой бумаги | " | 50 |
Мешочки из плотной ткани или полиэтиленовые для проб донных отложений | " | 10 |
Формалин или хлороформ для консервации проб взвешенных наносов, предназначенных для определения крупности | мл | 100 |
Хлористый кальций, 20-процентный раствор | " | 1000 |
Карандаши восковые | шт. | 5 |
Ерш для мытья стеклянной посуды | " | 2 |
Полотенца | " | 2 |
Полевая книжка для записи проб наносов (для заполнения в двух экземплярах) | бланк | 24 |
То же, вкладыш | " | 100 |
--------------------------------
<*> Предусматривается на случай частых определений расходов взвешенных наносов детальным способом для ускорения работы, либо при отсутствии на посту шкафа для фильтрования.
ИЗВЛЕЧЕНИЯ ИЗ "ПОЛОЖЕНИЯ О СБОРЕ СВЕДЕНИЙ И ПОРЯДКЕ
ПРЕДУПРЕЖДЕНИЙ ОБ ОСОБО ОПАСНЫХ ГИДРОМЕТЕОРОЛОГИЧЕСКИХ
ЯВЛЕНИЯХ" (М., ГИДРОМЕТЕОИЗДАТ, 1972) И "ИНСТРУКЦИИ
ГИДРОМЕТЕОРОЛОГИЧЕСКИМ СТАНЦИЯМ ПО ИНФОРМАЦИИ ОБ ОПАСНЫХ
ГИДРОМЕТЕОРОЛОГИЧЕСКИХ ЯВЛЕНИЯХ"
(ИЗД. 4-е, М., ГИДРОМЕТЕОИЗДАТ, 1972)
В настоящих Извлечениях приводятся сведения о порядке наблюдений и информации об опасных гидрологических явлениях, которые по заданию гидрологической станции выполняются наблюдателем поста.
1. К особо опасным относятся такие гидрометеорологические явления, которые по своей интенсивности, времени возникновения, продолжительности и площади распространения могут нанести или нанесли значительный ущерб народному хозяйству, а также явления, которые могут вызвать или вызвали стихийные бедствия.
Особо опасными гидрологическими явлениями на реках, озерах и водохранилищах являются:
- высокие уровни воды при половодьях, дождевых паводках, заторах, зажорах льда, ветровых нагонах, вызывающие подтопление отдельных городов или нескольких сел (поселков), железных и автомобильных дорог, а также других хозяйственных объектов союзного и республиканского значения, сельскохозяйственных угодий на площади более 10 000 га;
- низкие уровни воды - уровни ниже проектных отметок в течение более 10 дней или маловодье, повторяющееся не чаще одного раза в 10 лет;
- ледостав на судоходных реках и водохранилищах в ранние сроки, повторяющиеся не чаще чем один раз в 10 лет;
- селевые потоки, угрожающие населенным пунктам, санаторно-курортным и спортивным комплексам, железным и автомобильным дорогам, высоковольтным ЛЭП (110 кВ и более) и магистральным линиям связи, а также другим хозяйственным объектам;
- снежные лавины, угрожающие населенным пунктам, санаторно-курортным комплексам, железным и автомобильным дорогам, высоковольтным ЛЭП (110 кВ и более) и магистральным линиям связи, а также другим хозяйственным объектам.
2. Привлечение гидрологических станций (постов) к информации об опасных гидрометеорологических явлениях, а также ее отмена производятся распоряжением УГМС.
План информации на год УГМС высылает каждой станции (посту), привлеченной к этой работе. В плане указываются адреса и порядок подачи телеграмм, а также уточненные для каждой станции критерии опасных гидрологических явлений (например, опасных значений уровня).
3. Телеграммы (радиограммы) должны подаваться станциями (постами) в строгом соответствии с прилагаемым ниже перечнем и дополнительными указаниями УГМС, высылаемыми на станцию одновременно с планом информации.
Подаются телеграммы:
а) о начале опасного явления,
б) об усилении опасного явления,
в) об окончании опасного явления.
Донесения об ослаблении, а также повторные донесения о продолжении опасного явления, независимо от его длительности, не подаются.
4. Телеграммы о начале, усилении и окончании опасных гидрологических явлений подаются самостоятельно, независимо от сроков подачи других видов телеграмм.
Телеграммы о начале и усилении опасного гидрологического явления подаются дежурным наблюдателем станции (поста) немедленно при наступлении условий, изложенных в перечне (см. таблицу).
Перечень опасных гидрологических явлений для подачи
штормовых телеграмм станциями (постами)
Принятые обозначения: В - подача телеграмм с момента возникновения опасного явления; Д - подача телеграмм по достижении критического значения и ниже; П - подача телеграмм после прекращения явления.
Гидрологические явления | Подача телеграмм организациям |
ВВС и ВМФ | бюро погоды, гидрометбюро и народнохозяйственным организациям |
о начале | об усилении | об окончании | о начале | об усиления | об окончании |
Заторы, зажоры льда на реках | В | - | П | Подаются по схеме экстренных телеграмм (код КН-15) |
Снежные лавины, селевые потоки | В | - | П | | То же | |
Уровни воды в реке (озере, водохранилище) | Д | - | П | Д | - | П |
При одновременном возникновении нескольких опасных явлений в телеграмму включаются сведения о всех этих явлениях.
Если после подачи телеграммы об одном опасном гидрологическом явлении началось другое опасное явление, то немедленно подается телеграмма о втором опасном явлении.
Если одно опасное гидрологическое явление кончилось, а вслед за этим началось другое опасное явление, то подается одна общая телеграмма с указанием окончания первого и начала второго опасного явления.
Телеграммы об окончании опасных гидрологических явлений подаются не позднее чем через 20 мин после их окончания.
Если окончание опасных явлений, наблюдавшихся одновременно, происходит в разное время, то телеграмма об окончании каждого опасного явления подается отдельно.
При одновременном окончании всех опасных явлений подается одна общая телеграмма, в которой перечисляются все окончившиеся опасные явления.
Телеграммы о начале и усилении опасных гидрологических явлений во все адреса даются с отметкой (индексом) "шторм". Телеграммы об окончании опасных явлений подаются во все адреса, кроме организаций МПС, с индексом "авиа". Телеграмма об окончании одного опасного явления при сохранении других опасных явлений подается с индексом "шторм".
5. Телеграммы, направляемые в адреса организаций МПС, подаются по проводам этого министерства под соответствующим телеграфным разрядом, во все остальные адреса - по проводам Министерства связи или с помощью средств связи Гидрометслужбы.
6. Телеграммы об опасном гидрологическом явлении должны подаваться в соответствии с перечнем и содержать:
- отметку телеграммы (индекс) - "шторм" или "авиа";
- адрес;
- время начала, усиления или окончания явления;
- название явления и его интенсивность;
- состояние некоторых элементов, сопутствующих опасному явлению (см. ниже);
7. При составлении телеграммы об опасных гидрологических явлениях следует руководствоваться следующими правилами:
- телеграммы составляются открытым текстом четко и ясно, без условных сокращений;
- время начала, усиления или окончания опасного явления указывается по московскому секретному времени четырьмя цифрами: первые две означают часы, две последние - минуты. Например, при начале явления в 17 ч 10 мин в телеграммах следует указать 1710;
- в телеграмме не указывается наименование единиц измерения: секунды, минуты, часы, сантиметры, метры и т.д.
- уровень воды дается в сантиметрах над нулем графика.
Все количественные характеристики гидрологических явлений указываются цифрами.
8. Информация об уровне воды над нулем графика на реке (озере, водохранилище) подается в случаях, когда уровень воды в пункте наблюдения достиг опасных значений. Значения уровня, при наступлении которых подаются телеграммы об усилении явления, устанавливаются УГМС по согласованию с заинтересованными организациями.
Примеры. О начале явления: "Шторм Ленинград погода 1530 уровень 620". Об окончании явления: "Авиа Ленинград погода 2330 уровень 600".
9. Телеграммы о сходе снежных лавин подаются при непосредственном наблюдении такого явления или получении сведений о сходе лавин в районе станции (поста). В телеграмме сообщается дата и время схода лавины, место схода лавины.
Пример. "Шторм Фрунзе вода 2004 лавина Итагарском перевале тчк Разрушены сооружения Дорстроя".
10. Телеграммы о селевых потоках (селях) подаются при обнаружении явления или получении сведений о прохождении селей в окрестности станции (поста) и после окончания явления.
Примеры. О начале явления: "Шторм ..... (адрес) 1815 начался сель Алмаатинке зпт районе поста ливневый дождь"
Об окончании явления: "Авиа ..... (адрес) 2010 сель Алмаатинке окончился".
11. Телеграммы о заторах и зажорах льда на реках по указанию УГМС подаются открытым текстом.
Примеры. О начале явления: "Шторм ..... (адрес) 1314 затор одном километре ниже поста".
Об окончании явления: "Авиа ..... (адрес) 1419 затор ликвидирован взрывом".
12. Все телеграммы об опасных гидрологических явлениях должны записываться дежурным наблюдателем в отдельный журнал с указанием адресов подачи, содержания поданных телеграмм, времени подачи каждой телеграммы на телеграф и других сведений в соответствии с формой журнала.
13. Контроль за информационной работой станций (постов) производится в установленном УГМС порядке.
ОБРАЗЕЦ СТАНДАРТНОЙ ВЫВЕСКИ НА ГИДРОЛОГИЧЕСКОМ ПОСТУ