Главная // Актуальные документы // Актуальные документы (обновление с 29.09.2025 по 01.11.2025) // ГОСТ (Государственный стандарт)СПРАВКА
Источник публикации
М.: ФГБУ "Институт стандартизации", 2024
Примечание к документу
Документ включен в
Перечень международных и региональных (межгосударственных) стандартов, а в случае их отсутствия - национальных (государственных) стандартов, в результате применения которых на добровольной основе обеспечивается соблюдение требований технического
регламента Таможенного союза "О безопасности низковольтного оборудования" (ТР ТС 004/2011) и в
Перечень международных и региональных (межгосударственных) стандартов, а в случае их отсутствия - национальных (государственных) стандартов, содержащих правила и методы исследований (испытаний) и измерений, в том числе правила отбора образцов, необходимые для применения и исполнения требований технического
регламента Таможенного союза "О безопасности низковольтного оборудования" (ТР ТС 004/2011) и осуществления оценки соответствия объектов технического регулирования (
Решение Коллегии Евразийской экономической комиссии от 11.05.2023 N 55).
Текст данного документа приведен с учетом
поправки, опубликованной в "ИУС", N 7, 2024.
Документ
введен в действие с 01.09.2024.
Название документа
"ГОСТ IEC 61347-2-12-2015. Межгосударственный стандарт. Аппараты пускорегулирующие для ламп. Часть 2-12. Дополнительные требования к электронным балластам постоянного или переменного тока для газоразрядных ламп (за исключением люминесцентных ламп)"
(введен в действие Приказом Росстандарта от 27.12.2023 N 1676-ст)
"ГОСТ IEC 61347-2-12-2015. Межгосударственный стандарт. Аппараты пускорегулирующие для ламп. Часть 2-12. Дополнительные требования к электронным балластам постоянного или переменного тока для газоразрядных ламп (за исключением люминесцентных ламп)"
(введен в действие Приказом Росстандарта от 27.12.2023 N 1676-ст)
агентства по техническому
регулированию и метрологии
от 27 декабря 2023 г. N 1676-ст
МЕЖГОСУДАРСТВЕННЫЙ СТАНДАРТ
АППАРАТЫ ПУСКОРЕГУЛИРУЮЩИЕ ДЛЯ ЛАМП
ЧАСТЬ 2-12
ДОПОЛНИТЕЛЬНЫЕ ТРЕБОВАНИЯ К ЭЛЕКТРОННЫМ БАЛЛАСТАМ
ПОСТОЯННОГО ИЛИ ПЕРЕМЕННОГО ТОКА ДЛЯ ГАЗОРАЗРЯДНЫХ ЛАМП
(ЗА ИСКЛЮЧЕНИЕМ ЛЮМИНЕСЦЕНТНЫХ ЛАМП)
Lamp controlgear. Part 2-12. Particular requirements
for d.c. or a.c. supplied electronic ballasts for discharge
lamps (excluding fluorescent lamps)
(IEC 61347-2-12:2010, IDT)
ГОСТ IEC 61347-2-12-2015
Дата введения
1 сентября 2024 года
Цели, основные принципы и общие правила проведения работ по межгосударственной стандартизации установлены
ГОСТ 1.0 "Межгосударственная система стандартизации. Основные положения" и
ГОСТ 1.2 "Межгосударственная система стандартизации. Стандарты межгосударственные, правила и рекомендации по межгосударственной стандартизации. Правила разработки, принятия, обновления и отмены"
1 ПОДГОТОВЛЕН Научно-производственным республиканским унитарным предприятием "Белорусский государственный институт стандартизации и сертификации" (БелГИСС) на основе собственного перевода на русский язык англоязычной версии стандарта, указанного в
пункте 5
2 ВНЕСЕН Госстандартом Республики Беларусь
3 ПРИНЯТ Межгосударственным советом по стандартизации, метрологии и сертификации (протокол от 27 февраля 2015 г. N 75-П)
За принятие проголосовали:
Краткое наименование страны по МК (ИСО 3166) 004-97 | Код страны по МК (ИСО 3166) 004-97 | Сокращенное наименование национального органа по стандартизации |
Армения | AM | ЗАО "Национальный орган по стандартизации и метрологии" Республики Армения |
Беларусь | BY | Госстандарт Республики Беларусь |
Казахстан | KZ | Госстандарт Республики Казахстан |
Киргизия | KG | Кыргызстандарт |
Молдова | MD | Институт стандартизации Молдовы |
Россия | RU | Росстандарт |
Таджикистан | TJ | Таджикстандарт |
Узбекистан | UZ | Узстандарт |
Украина | UA | Минэкономики Украины |
4
Приказом Федерального агентства по техническому регулированию и метрологии от 27 декабря 2023 г. N 1676-ст межгосударственный стандарт ГОСТ IEC 61347-2-12-2015 введен в действие в качестве национального стандарта Российской Федерации с 1 сентября 2024 г.
5 Настоящий стандарт идентичен международному стандарту IEC 61347-2-12:2010 "Аппараты пускорегулирующие для ламп. Часть 2-12. Дополнительные требования к электронным балластам постоянного или переменного тока для газоразрядных ламп (за исключением люминесцентных ламп)" ["Lamp controlgear - Part 2-12: Particular requirements for d.c. or a.c. supplied electronic ballasts for discharge lamps (excluding fluorescent lamps)", IDT].
Международный стандарт разработан подкомитетом 34C "Вспомогательные приспособления для ламп" Технического комитета по стандартизации IEC/TC 34 "Лампы и связанное с ними оборудование" Международной электротехнической комиссии (IEC).
При применении настоящего стандарта рекомендуется использовать вместо ссылочных международных стандартов соответствующие им межгосударственные стандарты, сведения о которых приведены в дополнительном
приложении ДА
6 ВВЕДЕН ВПЕРВЫЕ
Информация о введении в действие (прекращении действия) настоящего стандарта и изменений к нему на территории указанных выше государств публикуется в указателях национальных стандартов, издаваемых в этих государствах, а также в сети Интернет на сайтах соответствующих национальных органов по стандартизации.
В случае пересмотра, изменения или отмены настоящего стандарта соответствующая информация будет опубликована на официальном интернет-сайте Межгосударственного совета по стандартизации, метрологии и сертификации в каталоге "Межгосударственные стандарты"
Настоящий стандарт представляет собой прямое применение международного стандарта IEC 61347-2-12:2010 "Аппараты пускорегулирующие для ламп. Часть 2-12. Дополнительные требования к электронным балластам постоянного или переменного тока для газоразрядных ламп (за исключением люминесцентных ламп)".
Настоящий стандарт применяют совместно с IEC 61347-1-2012. Если в тексте настоящего стандарта встречается ссылка на часть 1, это соответствует IEC 61347-1-2012.
Настоящий стандарт содержит требования к электронным балластам постоянного или переменного тока для газоразрядных ламп, которые дополняют, заменяют или исключают соответствующие разделы и (или) пункты части 1.
Если в настоящем стандарте не имеется ссылки на какой-либо пункт или приложение части 1, то этот пункт или приложение применяется полностью.
В настоящем стандарте использованы следующие шрифтовые выделения:
- требования - светлый;
- методы испытаний - курсив;
- примечания - петит;
- термины - полужирный.
Настоящий стандарт устанавливает общие требования и требования безопасности к электронным балластам постоянного или переменного тока. Электронные балласты предназначены для подключения к источнику питания с напряжением до 1000 В переменного тока частотой 50 или 60 Гц. Электронный балласт представляет собой конвертор, который может содержать элементы зажигания и стабилизации для функционирования газоразрядных ламп постоянного тока или переменного тока с рабочими частотами, отличающимися от частоты питающей сети. Электронные балласты применяются совместно с лампами дуговыми ртутными высокого давления в соответствии с
[1], лампами натриевыми низкого давления в соответствии с
[2], лампами натриевыми высокого давления в соответствии с
[3], лампами металлогалогенными в соответствии с
[4] и другими лампами, предназначенными для общего освещения. Электронные балласты, предназначенные для применения совместно с люминесцентными лампами и лампами специального назначения, например для освещения театров или для транспортных средств, не входят в область применения настоящего стандарта.
В настоящем стандарте использованы нормативные ссылки на следующие стандарты [для датированных ссылок применяют только указанное издание ссылочного стандарта, для недатированных - последнее издание (включая все изменения)]:
IEC 60052:2002 Voltage measurement by means of standard air gaps (Измерение напряжения посредством стандартных шаровых разрядников)
IEC 60417-DB-12M:2002 Graphical symbols for use on equipment (Графические символы для использования на оборудовании. 12-месячный абонемент на свободный доступ в базу данных, содержащую все графические символы, опубликованные в IEC 60417)
IEC 61347-1:2012
<1> Lamp controlgear - Part 1: General and safety requirements (Аппараты пускорегулирующие для ламп. Часть 1. Общие требования и требования безопасности)
--------------------------------
<1> Заменен на IEC 61347-1:2015.
Применяют соответствующий раздел части 1, а также следующие термины с соответствующими определениями.
3.1 выходная мощность (output power): Значение потребляемой мощности, необходимой для работы электронного балласта.
3.2 выходные зажимы (output terminals): Зажимы балластов, предназначенные для соединения с высокочастотными газоразрядными лампами.
Примечание - Выходные зажимы не относятся к зажимам, предназначенным для промежуточного соединения, например, галогенных вольфрамовых ламп.
3.3 напряжение зажигания Up (ignition voltage): Наибольшее значение напряжения, возникающего между выходными зажимами.
Примечание 1 - Основными являются следующие виды импульсов:
a) непрерывное действующее значение рабочего напряжения с наложенным импульсом несинусоидального сигнала;
b) непрерывный импульс синусоидального сигнала;
c) непрерывный импульс синусоидального сигнала с наложенным импульсом несинусоидального сигнала;
d) непрерывное напряжение прямоугольной волны с запускающим синусоидальным напряжением при каждом срезе импульса.
Примечание 2 - Термин "импульс" следует различать с термином "скачок", относящимся к кратковременному процессу, возникающему при работе электрического оборудования или сетевых служб.
3.4 шаровой искровой разрядник (spherical spark gap): Две металлические сферы, имеющие равный номинальный диаметр, установленные на определенном расстоянии и используемые в установленных условиях для измерения пикового значения напряжения свыше 15 кВ.
Применяют соответствующие требования раздела 4 части 1.
5 Общие условия проведения испытаний
Применяют соответствующие требования раздела 5 части 1, а также следующие дополнительные требования.
5.1 Количество образцов
Для проведения испытаний должно быть представлено следующее количество образцов:
- 1 образец для испытаний по
разделу 14: неисправное состояние (дополнительные образцы или элементы, если необходимо, могут быть предоставлены по согласованию с изготовителем).
5.2 Пробел
Применяют соответствующие требования раздела 6 части 1 со следующими дополнениями.
6.1 Напряжение зажигания
Электронные балласты по напряжению зажигания подразделяют на:
- электронные балласты с напряжением зажигания до 5 кВ включительно;
- электронные балласты с напряжением зажигания от 5 до 10 кВ включительно;
- электронные балласты с напряжением зажигания от 10 до 100 кВ включительно.
6.2 Пробел
Электронные балласты, которые являются неотъемлемой частью светильника, не должны маркироваться. Применяют соответствующие требования подраздела 7.2 части 1.
7.1 Обязательная маркировка
Электронные балласты, кроме неразъемных, должны иметь четкую и прочную маркировку в соответствии с требованиями подраздела 7.1 части 1 и содержать следующую обязательную информацию:
- указанную в перечислениях a), b), d), e), f), k) и l) подраздела 7.1 части 1;
- для управляемых балластов, зажимы управления должны быть промаркированы;
- выходные зажимы должны иметь соответствующее обозначение;
- значение напряжения зажигания (см.
раздел 16), если оно превышает 1500 В. Соединения, имеющие данное напряжение, должны быть промаркированы; на балласты с напряжением зажигания более 5 кВ должен быть нанесен символ зажигания в соответствии с IEC 60417-5036;
- значение максимального рабочего напряжения (действующее значение) в соответствии с
15.1 между:
- выходными зажимами;
- всеми выходными зажимами и заземлением, если применяется.
Каждое из этих двух значений, наносимых в маркировке, должно быть кратно 10 В для рабочего напряжения, равного или менее 500 В, или 50 В для рабочего напряжения, превышающего 500 В.
Наибольшее из этих значений должно быть указано в маркировке балласта следующим образом: "выходное рабочее напряжение = xx В" (или "U-ВЫХ = xx В").
7.2 Дополнительная информация
В дополнение к основной маркировке, при необходимости, приводится дополнительная маркировка, которая может быть указана как на самом балласте, так и в других документах изготовителя.
Дополнительно указывается информация, приведенная в перечислениях h), i), j), m) и n) подраздела 7.1 части 1 со следующими дополнениями:
- в случае если балласт состоит из более чем одного отдельного компонента, все компоненты должны быть промаркированы таким образом, чтобы соответствующие компоненты легко идентифицировались;
- предупреждение для предотвращения возможности перегрева балластов и соответствующих компонентов в многобалластных установках, монтируемых в стойках, шкафах и т.д.;
- информация о времени зажигания;
- если зажим управления не имеет основной изоляции от питающей сети, то на балласте должна быть указана информация об этом.
Применяют соответствующие требования раздела 8 части 1.
9 Обеспечение защитного заземления
Применяют соответствующие требования раздела 9 части 1.
10 Защита от случайного контакта с частями, находящимися под напряжением
Применяют соответствующие требования раздела 10 части 1.
11 Влагостойкость и изоляция
Применяют соответствующие требования раздела 11 части 1.
12 Электрическая прочность
Применяют соответствующие требования раздела 12 части 1.
13 Испытание обмоток пускорегулирующих аппаратов на теплостойкость
Не применяют соответствующие требования раздела 13 части 1.
Применяют соответствующие требования раздела 14 части 1.
15 Защита присоединенных аппаратов
Значение максимального рабочего напряжения должно быть измерено между всеми выходными зажимами и всеми выходными зажимами и заземлением.
15.1 В нормальных и ненормальных условиях работы ни одно из этих значений выходного напряжения не должно превышать значение рабочего напряжения, заявленного изготовителем. Фаза зажигания определяется с момента включения или с момента зажигания до достижения временного ограничения в соответствии с
разделом 16.
15.2 Если установлено ограничение времени зажигания, то оно не должно быть превышено в нормальных и ненормальных условиях работы (см.
раздел 17).
15.3 Для управляемых электронных балластов, зажимы управления должны быть изолированы от цепи питания с применением изоляции как минимум эквивалентной основной изоляции, если не указано иное (см.
7.2).
16.1 Измерительное оборудование
Измерения проводятся с использованием осциллографа или электростатического вольтметра для напряжения зажигания до 100 кВ.
Примечание - Типовой электростатический вольтметр представлен в IEC 61347-2-1 (рисунок 1).
Многие электронные балласты не имеют заземленных выходов. В этом случае для проведения измерений должен быть использован дифференциальный зонд с импедансом более 1 МОм с частотой протекающего тока до 10 кГц. Для более высоких частот протекающего тока f зонд должен иметь импеданс Z при емкости более 15 пФ (C), рассчитанный по формуле
Частота среза должна быть больше или равна 30 МГц при коэффициенте усиления минус 3 дБ.
При использовании шарового искрового разрядника с напряжением более 15 кВ, измерения проводятся в соответствии с IEC 60052 с дополнениями, приведенными в
приложении I.
В спорных случаях, измерение с помощью электростатического вольтметра должно соответствовать эталонному методу.
16.2 Пределы напряжения зажигания
Максимальное значение напряжения зажигания не должно превышать 5 кВ при номинальном напряжении питания и емкости нагрузки 20 пФ (включая значение емкости зонда), или значения, измеренного с помощью схемы, показанной в IEC 61347-2-1 (рисунок 1) для положительного или отрицательного импульса, с учетом максимального значения напряжения зажигания, указанного в стандартном листе на соответствующую лампу.
Если в стандартном листе на соответствующую лампу не указано иное, то для электронных балластов с напряжением зажигания более 5 кВ максимальное значение не должно превышать 1,3Up, заявленного изготовителем при работе с номинальным напряжением питания и емкостью нагрузки 20 пФ.
Примечание - В некоторых странах напряжение зажигания не должно превышать 4 кВ.
16.3 Время отключения зажигания
Электронные балласты, оснащенные предохранителями, должны иметь такую конструкцию, чтобы в случае если лампа не зажжется, предохранитель прерывал напряжение зажигания.
После прерывания цепи предохранителем, подача напряжения зажигания допускается либо после отключения и повторного подключения балласта к сети, либо после управляющего сигнала.
Электронные балласты с напряжением зажигания более 5 кВ должны быть снабжены предохранителем для зажигания. Время прерывания ограничено:
- для напряжения зажигания от 5 до 10 кВ до 60 с;
- для напряжения зажигания более 10 кВ:
a) до 3 с, или
b) до 30 с, если установлено в документации изготовителя.
Время отключения 60 с для напряжения зажигания от 5 до 10 кВ может быть увеличено, в зависимости от типа лампы, вплоть до периода, равного 20 мин, в течение которого объединенные интервалы попытки зажигания добавляют до 60 с, позволяя обслуживающему персоналу видеть, что устройство управления до сих пор пытается зажечь лампу.
17 Ненормальные условия работы
Балласты должны быть безопасными при ненормальных условиях работы при любом значении напряжения от 90% до 110% номинального напряжения питания или в диапазоне напряжений, указанном изготовителем.
Соответствие проверяют следующим испытанием.
Каждое из следующих условий применяют к балласту, работающему в соответствии с инструкциями изготовителя (включая теплоизолирующие кожухи при необходимости) в течение 1 ч:
a) лампа не подсоединена либо не зажигается;
c) лампа работает, но присутствует выпрямительный эффект.
Испытания при
условии a) проводятся с разомкнутой выходной цепью.
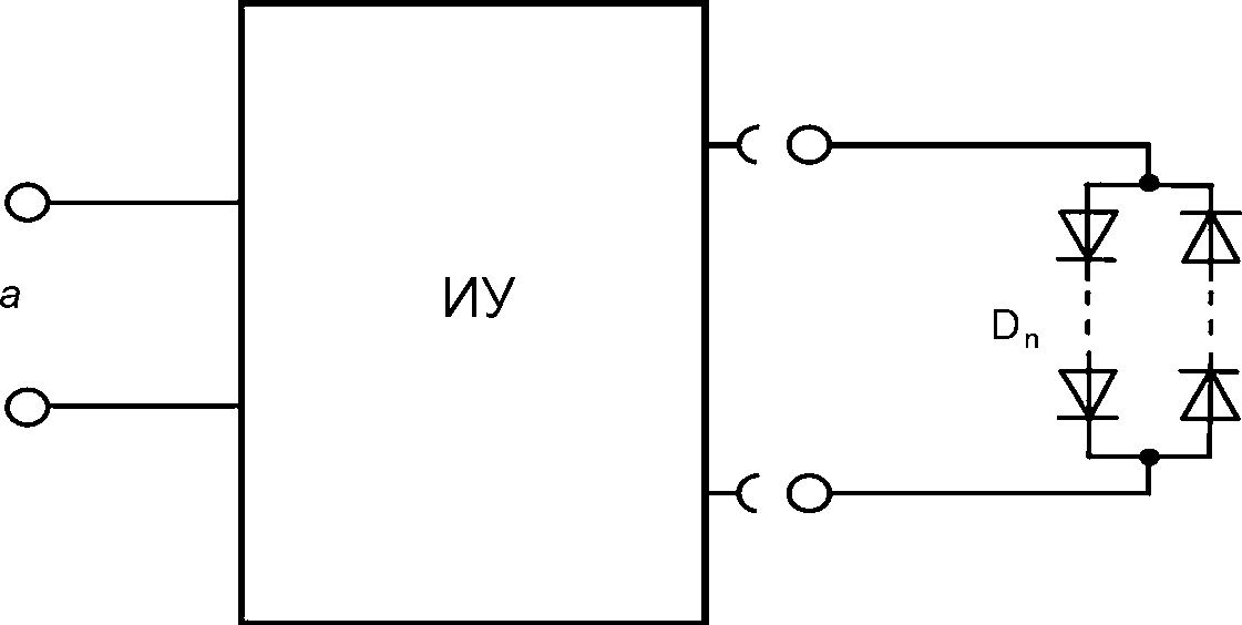
a - источник питания; ИУ - испытуемое устройство; Dn - цепь,
состоящая из последовательно встречно соединенных диодов,
создающих выходное напряжение от 10 до 15 В
Рисунок 1 - Испытательная цепь для проверки
работоспособности балластов при нарушении
герметичности лампы
a - источник питания; ИУ - испытуемое устройство;
D - 100 А 600 В; R2 - 0 ... 200 Ом (значение номинальной
мощности резистора должно быть не менее 1/2 значения
мощности лампы);
R1 -

.
Наибольшее значение номинальной мощности резистора должно
быть не менее 1/2 значения мощности лампы
Рисунок 2 - Испытательная цепь для проверки
работоспособности балластов при возникновении
эффекта выпрямления
Лампу в цепи заменяют испытательной цепью в соответствии с
рисунком 2.
Должны быть проверены оба направления тока: зажим балласта 1 с проводом 1 и зажим балласта 1 с проводом 2.
Управляющее устройство должно быть выдержано в камере, защищенной от сквозняков, при температуре окружающей среды от 10 °C до 30 °C.
Резистор R1 должен быть выбран соответствующим сопротивлению лампы, необходимому для работы балласта. Подходящее значение сопротивления может быть рассчитано следующим образом:
где Ulamp magn - напряжение лампы при срабатывании магнитного дросселя стартера;
Plamp magn - мощность лампы при срабатывании магнитного дросселя стартера.
Значения Ulamp magn и Plamp magn берутся из соответствующего стандартного листа на лампу до момента предоставления значений изготовителем ламп.
Примечание - Значение R1 изменяется как функция типа лампы при том же значении мощности лампы.
Испытание начинается с регулировки резистора R2 до достижения значения тока, равного удвоенному значению нормального тока лампы. После достижения этого значения дальнейшие регулировки резистора R2 не требуются.
Если через 1 ч внутренняя защита управляющего устройства не сработает, то резистор R2 должен быть отрегулирован таким образом, чтобы значение тока увеличилось до утроенного максимального значения нормального тока лампы.
Если внутренняя защита управляющего устройства срабатывает до достижения значения тока, равного удвоенному значению нормального тока лампы, то на управляющее устройство подается нагрузка с помощью изменения сопротивления резистора R2 до тока, который равен 0,95-кратному значению самого низкого значения тока, который вызывает срабатывание защитного устройства. Самый низкий ток, вызывающий срабатывание защитного устройства, определяется с помощью управляющего устройства при нормальном значении тока лампы путем постепенного увеличения значения выходного тока с шагом 2% (до момента достижения устойчивого состояния), пока защитное устройство не сработает. Значение тока допускается корректировать до значения, не превышающего нормальный ток лампы более чем в три раза.
Устойчивое состояние считается достигнутым, когда разница между двумя последовательными показаниями возрастания температуры окружающей среды, измеренными с получасовым интервалом, не превышает 1 К.
Во время и после проведения испытаний по перечислениям a) - c) в балластах не должно происходить ухудшение безопасности, а также появление дыма или газа.
Применяют соответствующие требования раздела 15 части 1.
19 Пути утечки и воздушные зазоры
Применяют соответствующие требования раздела 16 части 1.
20 Винты, токоведущие части и соединения
Применяют соответствующие требования раздела 17 части 1.
21 Теплостойкость, огнестойкость и стойкость к токам поверхностного разряда
Применяют соответствующие требования раздела 18 части 1.
Применяют соответствующие требования раздела 19 части 1.
(обязательное)
ИСПЫТАНИЕ ДЛЯ ОПРЕДЕЛЕНИЯ НАХОЖДЕНИЯ ПРОВОДЯЩЕЙ ЧАСТИ
ПОД НАПРЯЖЕНИЕМ, СПОСОБНЫМ ПРИВЕСТИ К ПОРАЖЕНИЮ
ЭЛЕКТРИЧЕСКИМ ТОКОМ
Применяют соответствующие требования приложения A части 1.
(обязательное)
ДОПОЛНИТЕЛЬНЫЕ ТРЕБОВАНИЯ К ЭЛЕКТРОННЫМ ПУСКОРЕГУЛИРУЮЩИМ
АППАРАТАМ С ТЕПЛОВОЙ ЗАЩИТОЙ
Не применяют соответствующие требования приложения B части 1.
(обязательное)
ДОПОЛНИТЕЛЬНЫЕ ТРЕБОВАНИЯ К ЭЛЕКТРОННЫМ ПУСКОРЕГУЛИРУЮЩИМ
АППАРАТАМ С ТЕПЛОВОЙ ЗАЩИТОЙ ОТ ПЕРЕГРЕВА
Применяют соответствующие требования приложения C части 1.
(обязательное)
ТРЕБОВАНИЯ К ПРОВЕДЕНИЮ ТЕПЛОВЫХ ИСПЫТАНИЙ ЭЛЕКТРОННЫХ
ПУСКОРЕГУЛИРУЮЩИХ АППАРАТОВ С ТЕПЛОВОЙ ЗАЩИТОЙ
Применяют соответствующие требования приложения D части 1.
(обязательное)
ИСПОЛЬЗОВАНИЕ ПОСТОЯННЫХ S, ОТЛИЧНЫХ ОТ 4500,
ПРИ ПРОВЕРКЕ tW
Не применяют соответствующие требования приложения E части 1.
(обязательное)
КАМЕРА, ЗАЩИЩЕННАЯ ОТ СКВОЗНЯКОВ
Применяют соответствующие требования приложения F части 1.
(обязательное)
РУКОВОДСТВО ПО ВЫБОРУ ЗНАЧЕНИЙ ИМПУЛЬСНЫХ НАПРЯЖЕНИЙ
Не применяют соответствующие требования приложения G части 1.
(обязательное)
ИСПЫТАНИЯ
Не применяют соответствующие требования приложения H части 1.
(обязательное)
ДОПОЛНИТЕЛЬНЫЕ ТРЕБОВАНИЯ К ИЗМЕРЕНИЮ ИСКРОВОГО ПРОМЕЖУТКА
С ПРИМЕНЕНИЕМ ШАРОВОГО РАЗРЯДНИКА
В связи с тем, что большинство электронных балластов не имеют выходов, в которых один из полюсов заземлен, прямое применение IEC 60052 невозможно.
Во всех случаях требования, установленные в следующих подразделах, должны применяться с соответствующими требованиями IEC 60052.
I.1 Сферический шаровой разрядник
Искровой промежуток шарового разрядника (шарового газового разрядника) должен быть больше, чем ожидаемое расстояние пробоя, и должен постепенно уменьшаться до момента возникновения пробоя (т.е. применение слишком маленького зазора, не способного создать искровой промежуток, не позволит достоверно провести измерения значения напряжения).
I.2 Расстояние искрового пробоя
Расстояние искрового пробоя должно быть запротоколировано, 50%-ное значение пикового напряжения должно быть определено в соответствии с таблицей 2 IEC 60052.
I.3 Рабочий цикл электронного балласта
Необходимо провести рабочий цикл электронного балласта, чтобы избежать перегрева/отказа компонентов.
I.4 Окончание испытания
После окончания испытания должны быть приняты все меры безопасности и отключены все источники напряжения.
(справочное)
СВЕДЕНИЯ О СООТВЕТСТВИИ ССЫЛОЧНЫХ МЕЖДУНАРОДНЫХ СТАНДАРТОВ
МЕЖГОСУДАРСТВЕННЫМ СТАНДАРТАМ
Таблица ДА.1
Обозначение ссылочного международного стандарта | Степень соответствия | Обозначение и наименование соответствующего межгосударственного стандарта |
IEC 60052:2002 | - | |
IEC 60417-DB-12M:2002 | - | |
IEC 61347-1:2012 | - | |
<*> Соответствующий межгосударственный стандарт отсутствует. До его принятия рекомендуется использовать перевод на русский язык данного международного стандарта. |
--------------------------------
<1> В Российской Федерации действует
ГОСТ 28312-89 (МЭК 417-73) "Аппаратура радиоэлектронная профессиональная. Условные графические обозначения".
| IEC 60188-2001 | High pressure mercury vapour lamps - Performance specifications (Лампы ртутные высокого давления. Требования к рабочим характеристикам) |
| IEC 60192-2001 | Low pressure sodium vapour lamps - Performance specifications (Лампы натриевые низкого давления. Требования к эксплуатационным характеристикам) |
| IEC 60662-2011 | High pressure sodium vapour lamps (Лампы натриевые высокого давления. Эксплуатационные требования) |
| IEC 61167-2011 | Metal halide lamps (Лампы металлогалогенные. Эксплуатационные требования) |
УДК 621.387.332(083.74)(476) | | IDT |
Ключевые слова: аппараты пускорегулирующие; лампы; конструкция; испытания; электрическая прочность; теплостойкость; огнестойкость; пути утечки и зазоры |