Краткое наименование страны по МК (ИСО 3166) 004-97 | Код страны по МК (ИСО 3166) 004-97 | Сокращенное наименование национального органа по стандартизации |
Беларусь | BY | Госстандарт Республики Беларусь |
Киргизия | KG | Кыргызстандарт |
Россия | RU | Росстандарт |

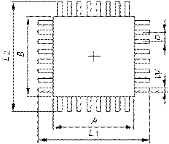
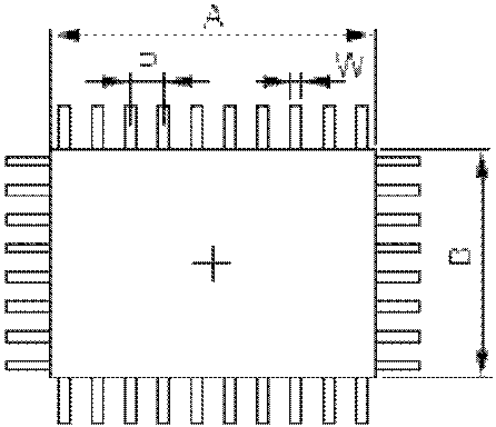
![]() | ||||||||||||||||
![]() | ![]() | |||||||||||||||
Размеры в миллиметрах | ||||||||||||||||
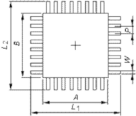
Код корпуса по EIAJ | Код корпуса по JEDEC | L2 | L1 | LP | W | S <*> | B | A | P | H | ||||||
min | max | min | max | min | max | min | nom | max | min | max | ||||||
P-QFP-0036-0505-1,00 | P-QFP/036-5x5-1,00 | 12,95 | 13,45 | 12,95 | 13,45 | 0,73 | 1,03 | 0,34 | 0,40 | 0,46 | 10,89 | 11,55 | 10,0 | 10,0 | 1,00 | 2,45 |
P-QFP-0044-0505-0,80 | P-QFP/044-5x5-0,80 | 12,95 | 13,45 | 12,95 | 13,45 | 0,73 | 1,03 | 0,29 | 0,35 | 0,41 | 10,89 | 11,55 | 10,0 | 10,0 | 0,80 | 2,45 |
P-QFP-0052-0505-0,65 | P-QFP/052-5x5-0,65 | 12,95 | 13,45 | 12,95 | 13,45 | 0,73 | 1,03 | 0,22 | 0,30 | 0,36 | 10,89 | 11,55 | 10,0 | 10,0 | 0,65 | 2,45 |
P-QFP-0048-1212-0,80 | P-QFP/048-12x12-0,80 | 14,95 | 15,45 | 14,95 | 13,45 | 0,73 | 1,03 | 0,29 | 0,35 | 0,41 | 12,89 | 13,55 | 12,0 | 12,0 | 0,80 | 2,45 |
P-QFP-0052-1414-1,00 | P-QFP/052-14x14-1,00 | 16,95 | 17,45 | 16,95 | 17,45 | 0,73 | 1,03 | 0,34 | 0,40 | 0,46 | 14,89 | 15,55 | 14,0 | 14,0 | 1,00 | 3,15 |
P-QFP-0064-1414-0,80 | P-QFP/064-14x14-0,80 | 16,95 | 17,45 | 16,95 | 17,45 | 0,73 | 1,03 | 0,29 | 0,35 | 0,41 | 14,89 | 15,55 | 14,0 | 14,0 | 0,80 | 3,15 |
P-QFP-0080-1414-0,65 | P-QFP/080-14x14-0,65 | 15,75 | 17,45 | 16,95 | 17,45 | 0,73 | 1,03 | 0,22 | 0,30 | 0,36 | 14,89 | 15,55 | 14,0 | 14,0 | 0,65 | 3,15 |
P-QFP-0100-1414-0,50 | P-QFP/100-14x14-0,50 | 15,75 | 16,25 | 15,75 | 16,25 | 0,45 | 0,75 | 0,17 | 0,20 | 0,23 | 14,25 | 14,91 | 14,0 | 14,0 | 0,50 | 3,15 |
P-QFP-0120-1414-0,40 | P-QFP/120-14x14-0,40 | 15,75 | 16,25 | 15,75 | 16,25 | 0,45 | 0,75 | 0,13 | 0,16 | 0,19 | 14,25 | 14,91 | 14,0 | 14,0 | 0,40 | 3,15 |
P-QFP-0168-1414-0,30 | P-QFP/168-14x14-0,30 | 15,75 | 16,25 | 15,75 | 16,25 | 0,45 | 0,75 | 0,09 | 0,12 | 0,15 | 14,25 | 14,91 | 14,0 | 14,0 | 0,40 | 3,15 |
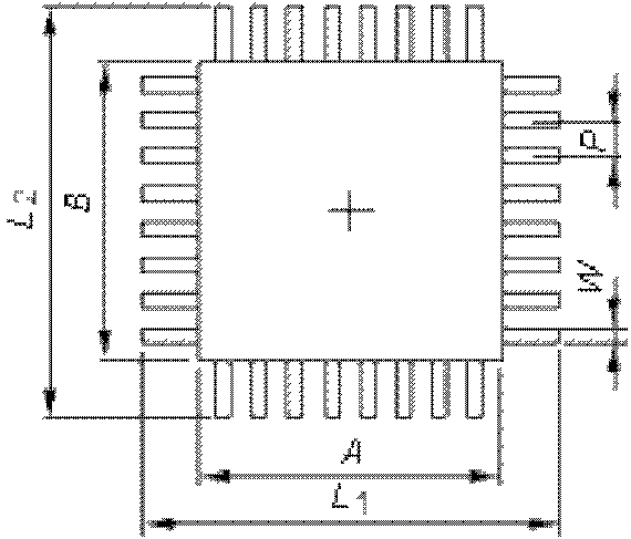
![]() | |||||||||||||||||
![]() | ![]() | ||||||||||||||||
Размеры в миллиметрах | |||||||||||||||||
Код корпуса по EIAJ | Код корпуса по JEDEC | L2 | L1 | LP | W | S <*> | B | A | P | H | Примечание | ||||||
min | max | min | max | min | max | min | nom | max | min | max | |||||||
P-QFP-0076-2020-1,00 | P-QFP/076-20x20-1,00 | 22,95 | 23,45 | 22,95 | 23,45 | 0,73 | 1,03 | 0,34 | 0,40 | 0,46 | 20,89 | 21,55 | 20,0 | 20,0 | 1,00 | 3,15 | Низкая посадка |
P-QFP-0076-2020-1,00 | P-QFP/076-20x20-1,00 | 22,95 | 23,45 | 22,95 | 23,45 | 0,73 | 1,03 | 0,34 | 0,40 | 0,46 | 20,89 | 21,55 | 20,0 | 20,0 | 1,00 | 3,40 | Высокая посадка |
P-QFP-0088-2020-0,80 | P-QFP/088-20x20-0,80 | 22,95 | 23,45 | 22,95 | 23,45 | 0,73 | 1,03 | 0,29 | 0,35 | 0,41 | 20,89 | 21,55 | 20,0 | 20,0 | 0,80 | 3,15 | Низкая посадка |
P-QFP-0088-2020-0,80 | P-QFP/088-20x20-0,80 | 22,95 | 23,45 | 22,95 | 23,45 | 0,73 | 1,03 | 0,29 | 0,35 | 0,41 | 20,89 | 21,55 | 20,0 | 20,0 | 0,80 | 3,40 | Высокая посадка |
P-QFP-0112-2020-0,65 | P-QFP/112-20x20-0,65 | 22,95 | 23,45 | 22,95 | 23,45 | 0,73 | 1,03 | 0,22 | 0,30 | 0,36 | 20,89 | 21,55 | 20,0 | 20,0 | 0,65 | 3,15 | Низкая посадка |
P-QFP-0112-2020-0,65 | P-QFP/112-20x20-0,65 | 22,95 | 23,45 | 22,95 | 23,45 | 0,73 | 1,03 | 0,22 | 0,30 | 0,36 | 20,89 | 21,55 | 20,0 | 20,0 | 0,65 | 3,40 | Высокая посадка |
P-QFP-0144-2020-0,50 | P-QFP/144-20x20-0,50 | 21,75 | 22,25 | 21,75 | 22,25 | 0,45 | 0,75 | 0,17 | 0,2 | 0,23 | 20,25 | 20,91 | 20,0 | 20,0 | 0,50 | 3,15 | Низкая посадка |
P-QFP-0144-2020-0,50 | P-QFP/144-20x20-0,50 | 21,75 | 22,25 | 21,75 | 22,25 | 0,45 | 0,75 | 0,17 | 0,2 | 0,23 | 20,25 | 20,91 | 20,0 | 20,0 | 0,50 | 3,40 | Высокая посадка |
P-QFP-0176-2020-0,40 | P-QFP/176-20x20-0,40 | 21,75 | 22,25 | 21,75 | 22,25 | 0,45 | 0,75 | 0,13 | 0,16 | 0,19 | 20,25 | 20,91 | 20,0 | 20,0 | 0,40 | 3,15 | Низкая посадка |
P-QFP-0176-2020-0,40 | P-QFP/176-20x20-0,40 | 21,75 | 22,25 | 21,75 | 22,25 | 0,45 | 0,75 | 0,13 | 0,16 | 0,19 | 20,25 | 20,91 | 20,0 | 20,0 | 0,40 | 3,40 | Высокая посадка |
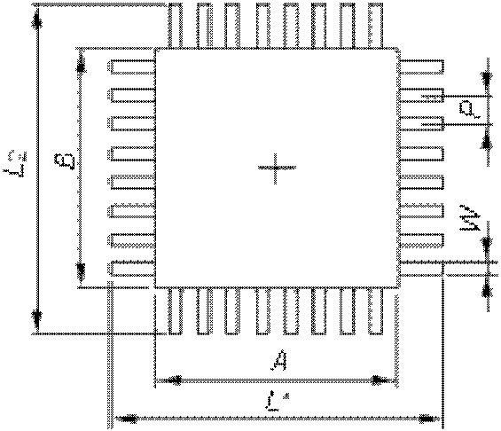
![]() | |||||||||||||||||
![]() | ![]() | ||||||||||||||||
Размеры в миллиметрах | |||||||||||||||||
Код корпуса по EIAJ | Код корпуса по JEDEC | L2 | L1 | LP | W | S <*> | B | A | P | H | Примечание | ||||||
min | max | min | max | min | max | min | nom | max | min | max | |||||||
P-QFP-0240-2020-0,30 | P-QFP/240-20x20-0,30 | 21,75 | 22,25 | 21,75 | 22,25 | 0,45 | 0,75 | 0,09 | 0,12 | 0,15 | 20,25 | 20,91 | 20,0 | 20,0 | 0,30 | 3,40 | Низкая посадка |
P-QFP-0176-2424-0,50 | P-QFP/176-24x24-0,50 | 26,35 | 26,85 | 26,35 | 26,85 | 0,45 | 0,75 | 0,17 | 0,2 | 0,23 | 24,85 | 25,51 | 24,0 | 24,0 | 0,50 | 3,85 | Высокая посадка |
P-QFP-0176-2424-0,50 | P-QFP/176-24x24-0,50 | 26,35 | 26,85 | 26,35 | 26,85 | 0,45 | 0,75 | 0,17 | 0,2 | 0,23 | 24,85 | 25,51 | 24,0 | 24,0 | 0,50 | 4,10 | Низкая посадка |
P-QFP-0216-2424-0,40 | P-QFP/216-24x24-0,40 | 26,35 | 26,85 | 26,35 | 26,85 | 0,45 | 0,75 | 0,13 | 0,16 | 0,19 | 24,85 | 25,51 | 24,0 | 24,0 | 0,40 | 3,85 | Высокая посадка |
P-QFP-0216-2424-0,40 | P-QFP/216-24x24-0,40 | 26,35 | 26,85 | 26,35 | 26,85 | 0,45 | 0,75 | 0,13 | 0,16 | 0,19 | 24,85 | 25,51 | 24,0 | 24,0 | 0,40 | 4,10 | Низкая посадка |
P-QFP-0128-2828-0,80 | P-QFP/128-28x28-0,80 | 30,95 | 31,45 | 30,95 | 31,45 | 0,73 | 1,03 | 0,29 | 0,35 | 0,41 | 28,89 | 29,55 | 28,0 | 28,0 | 0,80 | 3,85 | Высокая посадка |
P-QFP-0128-2828-0,80 | P-QFP/128-28x28-0,80 | 30,95 | 31,45 | 30,95 | 31,45 | 0,73 | 1,03 | 0,29 | 0,35 | 0,41 | 28,89 | 29,55 | 28,0 | 28,0 | 0,80 | 4,10 | Низкая посадка |
P-QFP-0160-2828-0,65 | P-QFP/160-28x28-0,65 | 30,95 | 31,45 | 30,95 | 31,45 | 0,73 | 1,03 | 0,22 | 0,3 | 0,36 | 28,89 | 29,55 | 28,0 | 28,0 | 0,65 | 3,85 | Высокая посадка |
P-QFP-0160-2828-0,65 | P-QFP/160-28x28-0,65 | 30,95 | 31,45 | 30,95 | 31,45 | 0,73 | 1,03 | 0,22 | 0,3 | 0,36 | 28,89 | 29,55 | 28,0 | 28,0 | 0,65 | 4,10 | Низкая посадка |
P-QFP-0208-2828-0,50 | P-QFP/208-28x28-0,50 | 30,35 | 30,85 | 30,35 | 30,85 | 0,45 | 0,75 | 0,17 | 0,2 | 0,23 | 28,85 | 29,51 | 28,0 | 28,0 | 0,50 | 3,85 | Высокая посадка |
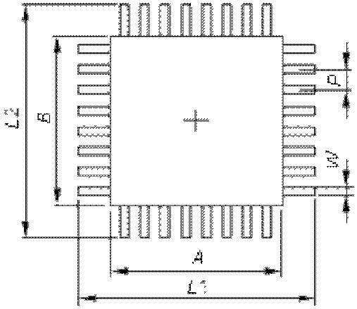
![]() | |||||||||||||||||
![]() | ![]() | ||||||||||||||||
Размеры в миллиметрах | |||||||||||||||||
Код корпуса по EIAJ | Код корпуса по JEDEC | L2 | L1 | LP | W | S <*> | B | A | P | H | Примечание | ||||||
min | max | min | max | min | max | min | nom | max | min | max | |||||||
P-QFP-0208-2828-0,50 | P-QFP/208-28x28-0,50 | 30,35 | 30,85 | 30,35 | 30,85 | 0,45 | 0,75 | 0,17 | 0,2 | 0,23 | 28,85 | 29,51 | 28,0 | 28,0 | 0,50 | 4,10 | Высокая посадка |
P-QFP-0256-2828-0,40 | P-QFP/256-28x28-0,40 | 30,35 | 30,85 | 30,35 | 30,85 | 0,45 | 0,75 | 0,13 | 0,16 | 0,19 | 28,85 | 29,51 | 28,0 | 28,0 | 0,40 | 3,85 | Высокая посадка |
P-QFP-0256-2828-0,40 | P-QFP/256-28x28-0,40 | 30,35 | 30,85 | 30,35 | 30,85 | 0,45 | 0,75 | 0,13 | 0,16 | 0,19 | 28,85 | 29,51 | 28,0 | 28,0 | 0,40 | 4,10 | Высокая посадка |
P-QFP-0184-3232-0,65 | P-QFP/184-32x32-0,65 | 34,95 | 35,45 | 34,95 | 35,45 | 0,73 | 1,03 | 0,22 | 0,3 | 0,36 | 32,89 | 29,51 | 32,0 | 32,0 | 0,65 | 4,10 | Высокая посадка |
P-QFP-0240-3232-0,50 | P-QFP/240-32x32-0,50 | 34,95 | 34,85 | 34,95 | 34,85 | 0,45 | 0,75 | 0,17 | 0,2 | 0,23 | 33,45 | 33,89 | 32,0 | 32,0 | 0,50 | 4,10 | Высокая посадка |
P-QFP-0296-3232-0,40 | P-QFP/296-32x32-0,40 | 34,95 | 34,85 | 34,95 | 34,85 | 0,45 | 0,75 | 0,13 | 0,16 | 0,19 | 33,45 | 33,89 | 32,0 | 32,0 | 0,40 | 4,10 | Высокая посадка |
P-QFP-0272-3636-0,50 | P-QFP/272-36x36-0,50 | 38,35 | 38,85 | 38,35 | 38,85 | 0,45 | 0,75 | 0,17 | 0,2 | 0,23 | 36,85 | 37,51 | 36,0 | 36,0 | 0,50 | 4,50 | Высокая посадка |
P-QFP-0336-3636-0,40 | P-QFP/336-36x36-0,40 | 38,35 | 38,85 | 38,35 | 38,85 | 0,45 | 0,75 | 0,13 | 0,16 | 0,19 | 36,85 | 37,51 | 36,0 | 36,0 | 0,40 | 4,50 | Высокая посадка |
P-QFP-0232-4040-0,65 | P-QFP/232-40x40-0,65 | 42,95 | 43,45 | 42,95 | 43,45 | 0,73 | 1,03 | 0,22 | 0,3 | 0,36 | 40,89 | 41,55 | 40,0 | 40,0 | 0,65 | 4,50 | Высокая посадка |
P-QFP-0304-4040-0,50 | P-QFP/304-40x40-0,50 | 42,35 | 42,85 | 42,35 | 42,85 | 0,45 | 0,75 | 0,17 | 0,2 | 0,23 | 40,85 | 41,51 | 40,0 | 40,0 | 0,50 | 4,50 | Высокая посадка |
P-QFP-0376-4040-0,40 | P-QFP/376-40x40-0,40 | 42,35 | 42,85 | 42,35 | 42,85 | 0,45 | 0,75 | 0,13 | 0,16 | 0,19 | 40,85 | 41,51 | 40,0 | 40,0 | 0,40 | 4,50 | Высокая посадка |
Галтель на носке | Галтель на пятке | Боковая галтель | |||||||||||||
![]() | ![]() | ![]() | |||||||||||||
Размеры в миллиметрах | |||||||||||||||
Корпус (шаг выводов) | Допуск | Паяное соединение | |||||||||||||
F | P | на носке JT | на пятке JH | боковая галтель JS | |||||||||||
L1/L2/L3 | L1/L2/L3 | CL | max | mdn | min | CS | max | mdn | min | CW | max | mdn | min | ||
1,00 | 0,1 | 0,1 | 0,5 | 0,55 | 0,35 | 0,2 | 0,656 | 0,5 | 0,35 | 0,2 | 0,12 | 0,05 | 0,0 | 0,0 | |
0,80 | 0,1 | 0,1 | 0,5 | 0,55 | 0,35 | 0,2 | 0,656 | 0,5 | 0,35 | 0,2 | 0,12 | 0,05 | 0,0 | 0,0 | |
0,65 | 0,1 | 0,1 | 0,5 | 0,55 | 0,35 | 0,2 | 0,656 | 0,5 | 0,35 | 0,2 | 0,14 | 0,05 | 0,0 | 0,0 | |
0,50 | 0,1 | 0,1 | 0,5 | 0,55 | 0,35 | 0,2 | 0,656 | 0,2 | 0,20 | 0,2 | 0,06 | 0,00 | 0,0 | 0,0 | |
0,40 | 0,1 | 0,1 | 0,5 | 0,55 | 0,35 | 0,2 | 0,656 | 0,2 | 0,20 | 0,2 | 0,06 | 0,00 | 0,0 | 0,0 | |
0,30 | 0,1 | 0,1 | 0,5 | 0,55 | 0,35 | 0,2 | 0,656 | 0,2 | 0,20 | 0,2 | 0,06 | 0,00 | 0,0 | 0,0 | |
CL - погрешность длины корпуса (по носкам рядов выводов); CS - погрешность расстояния между рядами выводов корпуса; CW - погрешность ширины вывода. Примечание - Корпусы PQFP с шагом выводов менее 0,65 мм не предназначены для пайки расплавленным припоем. | |||||||||||||||






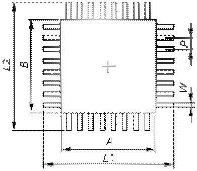
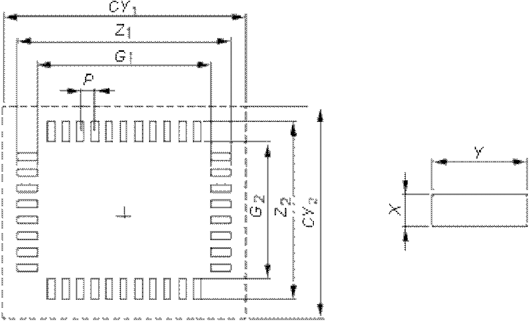
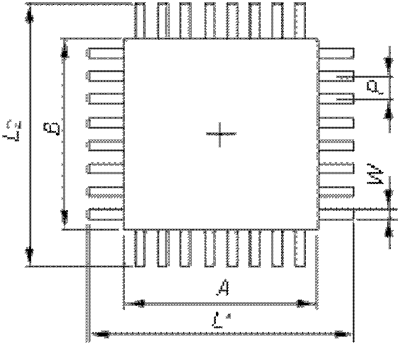
![]() | |||||||||
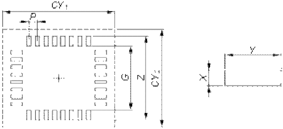
Размеры в миллиметрах | |||||||||
Идентификатор посадочного места | Код корпуса по EIAJ | Код корпуса по JEDEC | Z | G | X <*> | Y | P | CY1 | CY2 |
Уровень 1 | |||||||||
5000M | P-QFP-0036-0505-1,00 | P-QFP/036-5x5-1,00 | 14,6 | 10,0 | 0,63 | 2,3 | 1,00 | 16 | 16 |
5001M | P-QFP-0044-0505-0,80 | P-QFP/044-5x5-0,80 | 14,6 | 10,0 | 0,58 | 2,3 | 0,80 | 16 | 16 |
5002M | P-QFP-0052-0505-0,65 | P-QFP/052-5x5-0,65 | 14,6 | 10,0 | 0,52 | 2,3 | 0,65 | 16 | 16 |
5003M | P-QFP-0048-1212-0,80 | P-QFP/048-12x12-0,80 | 16,6 | 12,0 | 0,58 | 2,3 | 0,80 | 18 | 18 |
5004M | P-QFP-0052-1414-1,00 | P-QFP/052-14x14-1,00 | 18,6 | 14,0 | 0,63 | 2,3 | 1,00 | 20 | 20 |
5005M | P-QFP-0064-1414-0,80 | P-QFP/064-14x14-0,80 | 18,6 | 14,0 | 0,58 | 2,3 | 0,80 | 20 | 20 |
5006M | P-QFP-0080-1414-0,65 | P-QFP/080-14x14-0,65 | 18,6 | 14,0 | 0,52 | 2,3 | 0,65 | 20 | 20 |
5007M | P-QFP-0100-1414-0,50 | P-QFP/100-14x14-0,50 | 17,4 | 14,0 | 0,33 | 1,7 | 0,50 | 19 | 19 |
5008M | P-QFP-0120-1414-0,40 | P-QFP/120-14x14-0,40 | 17,4 | 14,0 | 0,29 | 1,7 | 0,40 | 19 | 19 |
5010M | P-QFP-0076-2020-1,00 | P-QFP/076-20x20-1,00 | 24,6 | 20,0 | 0,63 | 2,3 | 1,00 | 26 | 26 |
5011M | P-QFP-0076-2020-1,00 | P-QFP/076-20x20-1,00 | 24,6 | 20,0 | 0,63 | 2,3 | 1,00 | 26 | 26 |
5012M | P-QFP-0088-2020-0,80 | P-QFP/088-20x20-0,80 | 24,6 | 20,0 | 0,58 | 2,3 | 0,80 | 26 | 26 |
5013M | P-QFP-0088-2020-0,80 | P-QFP/088-20x20-0,80 | 24,6 | 20,0 | 0,58 | 2,3 | 0,80 | 26 | 26 |
5014M | P-QFP-0112-2020-0,65 | P-QFP/112-20x20-0,65 | 24,6 | 20,0 | 0,52 | 2,3 | 0,65 | 26 | 26 |
5015M | P-QFP-0112-2020-0,65 | P-QFP/112-20x20-0,65 | 24,6 | 20,0 | 0,52 | 2,3 | 0,65 | 26 | 26 |
5016M | P-QFP-0144-2020-0,50 | P-QFP/144-20x20-0,50 | 23,4 | 20,0 | 0,33 | 1,7 | 0,50 | 25 | 25 |
5017M | P-QFP-0144-2020-0,50 | P-QFP/144-20x20-0,50 | 23,4 | 20,0 | 0,33 | 1,7 | 0,50 | 25 | 25 |
5018M | P-QFP-0176-2020-0,40 | P-QFP/176-20x20-0,40 | 23,4 | 20,0 | 0,29 | 1,7 | 0,40 | 25 | 25 |
5019M | P-QFP-0176-2020-0,40 | P-QFP/176-20x20-0,40 | 23,4 | 20,0 | 0,29 | 1,7 | 0,40 | 25 | 25 |
5021M | P-QFP-0176-2424-0,50 | P-QFP/176-24x24-0,50 | 28,0 | 24,4 | 0,33 | 1,8 | 0,50 | 29 | 29 |
5022M | P-QFP-0176-2424-0,50 | P-QFP/176-24x24-0,50 | 28,0 | 24,4 | 0,33 | 1,8 | 0,50 | 29 | 29 |
5023M | P-QFP-0216-2424-0,40 | P-QFP/216-24x24-0,40 | 28,0 | 24,4 | 0,29 | 1,8 | 0,40 | 29 | 29 |
5024M | P-QFP-0216-2424-0,40 | P-QFP/216-24x24-0,40 | 28,0 | 24,4 | 0,29 | 1,8 | 0,40 | 29 | 29 |
5025M | P-QFP-0128-2828-0,80 | P-QFP/128-28x28-0,80 | 32,6 | 28,0 | 0,58 | 2,3 | 0,80 | 34 | 34 |
5026M | P-QFP-0128-2828-0,80 | P-QFP/128-28x28-0,80 | 32,6 | 28,0 | 0,58 | 2,3 | 0,80 | 34 | 34 |
5027M | P-QFP-0160-2828-0,65 | P-QFP/160-28x28-0,65 | 32,6 | 28,0 | 0,52 | 2,3 | 0,65 | 34 | 34 |
5028M | P-QFP-0160-2828-0,65 | P-QFP/160-28x28-0,65 | 32,6 | 28,0 | 0,52 | 2,3 | 0,65 | 34 | 34 |
5029M | P-QFP-0208-2828-0,50 | P-QFP/208-28x28-0,50 | 32,0 | 28,4 | 0,33 | 1,8 | 0,50 | 33 | 33 |
5030M | P-QFP-0208-2828-0,50 | P-QFP/208-28x28-0,50 | 32,0 | 28,4 | 0,33 | 1,8 | 0,50 | 33 | 33 |
5031M | P-QFP-0256-2828-0,40 | P-QFP/256-28x28-0,40 | 32,0 | 28,4 | 0,29 | 1,8 | 0,40 | 33 | 33 |
5032M | P-QFP-0256-2828-0,40 | P-QFP/256-28x28-0,40 | 32,0 | 28,4 | 0,29 | 1,8 | 0,40 | 33 | 33 |
5033M | P-QFP-0184-3232-0,65 | P-QFP/184-32x32-0,65 | 36,6 | 32,0 | 0,52 | 2,3 | 0,65 | 38 | 38 |
5034M | P-QFP-0240-3232-0,50 | P-QFP/240-32x32-0,50 | 36,4 | 33,0 | 0,33 | 1,7 | 0,50 | 38 | 38 |
5035M | P-QFP-0296-3232-0,40 | P-QFP/296-32x32-0,40 | 36,4 | 33,0 | 0,29 | 1,7 | 0,40 | 38 | 38 |
5036M | P-QFP-0272-3636-0,50 | P-QFP/272-36x36-0,50 | 40,0 | 36,4 | 0,33 | 1,8 | 0,50 | 41 | 41 |
5037M | P-QFP-0336-3636-0,40 | P-QFP/336-36x36-0,40 | 40,0 | 36,4 | 0,29 | 1,8 | 0,40 | 41 | 41 |
5038M | P-QFP-0232-4040-0,65 | P-QFP/232-40x40-0,65 | 44,6 | 40,0 | 0,52 | 2,3 | 0,65 | 46 | 46 |
5039M | P-QFP-0304-4040-0,50 | P-QFP/304-40x40-0,50 | 44,0 | 40,4 | 0,33 | 1,8 | 0,50 | 45 | 45 |
5040M | P-QFP-0376-4040-0,40 | P-QFP/376-40x40-0,40 | 44,0 | 40,4 | 0,29 | 1,8 | 0,40 | 45 | 45 |
Идентификатор посадочного места | Код корпуса по EIAJ | Код корпуса по JEDEC | Z | G | X <*> | Y | P | CY1 | CY2 |
Уровень 2 | |||||||||
5000N | P-QFP-0036-0505-1,00 | P-QFP/036-5x5-1,00 | 14,2 | 10,1 | 0,53 | 2,05 | 1,00 | 14,7 | 14,7 |
5001N | P-QFP-0044-0505-0,80 | P-QFP/044-5x5-0,80 | 14,2 | 10,1 | 0,48 | 2,05 | 0,80 | 14,7 | 14,7 |
5002N | P-QFP-0052-0505-0,65 | P-QFP/052-5x5-0,65 | 14,2 | 10,1 | 0,42 | 2,05 | 0,65 | 14,7 | 14,7 |
5003N | P-QFP-0048-1212-0,80 | P-QFP/048-12x12-0,80 | 16,2 | 12,1 | 0,48 | 2,05 | 0,80 | 16,7 | 16,7 |
5004N | P-QFP-0052-1414-1,00 | P-QFP/052-14x14-1,00 | 18,2 | 14,1 | 0,53 | 2,05 | 1,00 | 18,7 | 18,7 |
5005N | P-QFP-0064-1414-0,80 | P-QFP/064-14x14-0,80 | 18,2 | 14,1 | 0,48 | 2,05 | 0,80 | 18,7 | 18,7 |
5006N | P-QFP-0080-1414-0,65 | P-QFP/080-14x14-0,65 | 18,2 | 14,1 | 0,42 | 2,05 | 0,65 | 18,7 | 18,7 |
5007N | P-QFP-0100-1414-0,50 | P-QFP/100-14x14-0,50 | 17,0 | 14,0 | 0,33 | 1,50 | 0,50 | 17,5 | 17,5 |
5008N | P-QFP-0120-1414-0,40 | P-QFP/120-14x14-0,40 | 17,0 | 14,0 | 0,29 | 1,50 | 0,40 | 17,5 | 17,5 |
5010N | P-QFP-0076-2020-1,00 | P-QFP/076-20x20-1,00 | 24,2 | 20,1 | 0,53 | 2,05 | 1,00 | 24,7 | 24,7 |
5011N | P-QFP-0076-2020-1,00 | P-QFP/076-20x20-1,00 | 24,2 | 20,1 | 0,53 | 2,05 | 1,00 | 24,7 | 24,7 |
5012N | P-QFP-0088-2020-0,80 | P-QFP/088-20x20-0,80 | 24,2 | 20,1 | 0,48 | 2,05 | 0,80 | 24,7 | 24,7 |
5013N | P-QFP-0088-2020-0,80 | P-QFP/088-20x20-0,80 | 24,2 | 20,1 | 0,48 | 2,05 | 0,80 | 24,7 | 24,7 |
5014N | P-QFP-0112-2020-0,65 | P-QFP/112-20x20-0,65 | 24,2 | 20,1 | 0,42 | 2,05 | 0,65 | 24,7 | 24,7 |
5015N | P-QFP-0112-2020-0,65 | P-QFP/112-20x20-0,65 | 24,2 | 20,1 | 0,42 | 2,05 | 0,65 | 24,7 | 24,7 |
5016N | P-QFP-0144-2020-0,50 | P-QFP/144-20x20-0,50 | 23,0 | 20,0 | 0,33 | 1,50 | 0,50 | 23,5 | 23,5 |
5017N | P-QFP-0144-2020-0,50 | P-QFP/144-20x20-0,50 | 23,0 | 20,0 | 0,33 | 1,50 | 0,50 | 23,5 | 23,5 |
5018N | P-QFP-0176-2020-0,40 | P-QFP/176-20x20-0,40 | 23,0 | 20,0 | 0,29 | 1,50 | 0,40 | 23,5 | 23,5 |
5019N | P-QFP-0176-2020-0,40 | P-QFP/176-20x20-0,40 | 23,0 | 20,0 | 0,29 | 1,50 | 0,40 | 23,5 | 23,5 |
5021N | P-QFP-0176-2424-0,50 | P-QFP/176-24x24-0,50 | 27,6 | 24,4 | 0,33 | 1,60 | 0,50 | 28,1 | 28,1 |
5022N | P-QFP-0176-2424-0,50 | P-QFP/176-24x24-0,50 | 27,6 | 24,4 | 0,33 | 1,60 | 0,50 | 28,1 | 28,1 |
5023N | P-QFP-0216-2424-0,40 | P-QFP/216-24x24-0,40 | 27,6 | 24,4 | 0,29 | 1,60 | 0,40 | 28,1 | 28,1 |
5024N | P-QFP-0216-2424-0,40 | P-QFP/216-24x24-0,40 | 27,6 | 24,4 | 0,29 | 1,60 | 0,40 | 28,1 | 28,1 |
5025N | P-QFP-0128-2828-0,80 | P-QFP/128-28x28-0,80 | 32,6 | 28,1 | 0,48 | 2,05 | 0,80 | 32,7 | 32,7 |
5026N | P-QFP-0128-2828-0,80 | P-QFP/128-28x28-0,80 | 32,6 | 28,1 | 0,48 | 2,05 | 0,80 | 32,7 | 32,7 |
5027N | P-QFP-0160-2828-0,65 | P-QFP/160-28x28-0,65 | 32,6 | 28,1 | 0,42 | 2,05 | 0,65 | 32,7 | 32,7 |
5028N | P-QFP-0160-2828-0,65 | P-QFP/160-28x28-0,65 | 32,6 | 28,1 | 0,42 | 2,05 | 0,65 | 32,7 | 32,7 |
5029N | P-QFP-0208-2828-0,50 | P-QFP/208-28x28-0,50 | 31,6 | 28,4 | 0,33 | 1,60 | 0,50 | 32,1 | 32,1 |
5030N | P-QFP-0208-2828-0,50 | P-QFP/208-28x28-0,50 | 31,6 | 28,4 | 0,33 | 1,60 | 0,50 | 32,1 | 32,1 |
5031N | P-QFP-0256-2828-0,40 | P-QFP/256-28x28-0,40 | 31,6 | 28,4 | 0,29 | 1,60 | 0,40 | 32,1 | 32,1 |
5032N | P-QFP-0256-2828-0,40 | P-QFP/256-28x28-0,40 | 31,6 | 28,4 | 0,29 | 1,60 | 0,40 | 32,1 | 32,1 |
5033N | P-QFP-0184-3232-0,65 | P-QFP/184-32x32-0,65 | 36,2 | 32,1 | 0,42 | 2,05 | 0,65 | 36,7 | 36,7 |
5034N | P-QFP-0240-3232-0,50 | P-QFP/240-32x32-0,50 | 35,9 | 33,0 | 0,33 | 1,45 | 0,50 | 36,4 | 36,4 |
5035N | P-QFP-0296-3232-0,40 | P-QFP/296-32x32-0,40 | 35,9 | 33,0 | 0,29 | 1,45 | 0,40 | 36,4 | 36,4 |
5036N | P-QFP-0272-3636-0,50 | P-QFP/272-36x36-0,50 | 39,6 | 36,4 | 0,33 | 1,60 | 0,50 | 40,1 | 40,1 |
5037N | P-QFP-0336-3636-0,40 | P-QFP/336-36x36-0,40 | 39,6 | 36,4 | 0,29 | 1,60 | 0,40 | 40,1 | 40,1 |
5038N | P-QFP-0232-4040-0,65 | P-QFP/232-40x40-0,65 | 44,2 | 40,1 | 0,42 | 2,05 | 0,65 | 44,7 | 44,7 |
5039N | P-QFP-0304-4040-0,50 | P-QFP/304-40x40-0,50 | 43,6 | 40,4 | 0,33 | 1,60 | 0,50 | 44,1 | 44,1 |
5040N | P-QFP-0376-4040-0,40 | P-QFP/376-40x40-0,40 | 43,6 | 40,4 | 0,29 | 1,60 | 0,40 | 44,1 | 44,1 |
Уровень 3 | |||||||||
5000L | P-QFP-0036-0505-1,00 | P-QFP/036-5x5-1,00 | 13,75 | 10,45 | 0,50 | 1,65 | 1,00 | 14,0 | 14,0 |
5001L | P-QFP-0044-0505-0,80 | P-QFP/044-5x5-0,80 | 13,75 | 10,45 | 0,40 | 1,65 | 0,80 | 14,0 | 14,0 |
5002L | P-QFP-0052-0505-0,65 | P-QFP/052-5x5-0,65 | 13,75 | 10,45 | 0,35 | 1,65 | 0,65 | 14,0 | 14,0 |
5003L | P-QFP-0048-1212-0,80 | P-QFP/048-12x12-0,80 | 15,75 | 12,45 | 0,40 | 1,65 | 0,80 | 16,0 | 16,0 |
5004L | P-QFP-0052-1414-1,00 | P-QFP/052-14x14-1,00 | 17,75 | 14,45 | 0,50 | 1,65 | 1,00 | 18,0 | 18,0 |
5005L | P-QFP-0064-1414-0,80 | P-QFP/064-14x14-0,80 | 17,75 | 14,45 | 0,40 | 1,65 | 0,80 | 18,0 | 18,0 |
5006L | P-QFP-0080-1414-0,65 | P-QFP/080-14x14-0,65 | 17,75 | 14,45 | 0,35 | 1,65 | 0,65 | 18,0 | 18,0 |
5007L | P-QFP-0100-1414-0,50 | P-QFP/100-14x14-0,50 | 16,55 | 13,85 | 0,25 | 1,35 | 0,50 | 16,8 | 16,8 |
5008L | P-QFP-0120-1414-0,40 | P-QFP/120-14x14-0,40 | 16,55 | 13,85 | 0,20 | 1,35 | 0,40 | 16,8 | 16,8 |
5009L | P-QFP-0168-1414-0,30 | P-QFP/168-14x14-0,30 | 16,55 | 13,85 | 0,15 | 1,35 | 0,30 | 16,8 | 16,8 |
5010L | P-QFP-0076-2020-1,00 | P-QFP/076-20x20-1,00 | 23,75 | 20,45 | 0,50 | 1,65 | 1,00 | 24,0 | 24,0 |
5011L | P-QFP-0076-2020-1,00 | P-QFP/076-20x20-1,00 | 23,75 | 20,45 | 0,50 | 1,65 | 1,00 | 24,0 | 24,0 |
5012L | P-QFP-0088-2020-0,80 | P-QFP/088-20x20-0,80 | 23,75 | 20,45 | 0,40 | 1,65 | 0,80 | 24,0 | 24,0 |
5013L | P-QFP-0088-2020-0,80 | P-QFP/088-20x20-0,80 | 23,75 | 20,45 | 0,40 | 1,65 | 0,80 | 24,0 | 24,0 |
5014L | P-QFP-0112-2020-0,65 | P-QFP/112-20x20-0,65 | 23,75 | 20,45 | 0,35 | 1,65 | 0,65 | 24,0 | 24,0 |
5015L | P-QFP-0112-2020-0,65 | P-QFP/112-20x20-0,65 | 23,75 | 20,45 | 0,35 | 1,65 | 0,65 | 24,0 | 24,0 |
5016L | P-QFP-0144-2020-0,50 | P-QFP/144-20x20-0,50 | 22,55 | 19,85 | 0,25 | 1,35 | 0,50 | 22,8 | 22,8 |
5017L | P-QFP-0144-2020-0,50 | P-QFP/144-20x20-0,50 | 22,55 | 19,85 | 0,25 | 1,35 | 0,50 | 22,8 | 22,8 |
Идентификатор посадочного места | Код корпуса по EIAJ | Код корпуса по JEDEC | Z | G | X <*> | Y | P | CY1 | CY2 |
5018L | P-QFP-0176-2020-0,40 | P-QFP/176-20x20-0,40 | 22,55 | 19,85 | 0,20 | 1,35 | 0,40 | 22,8 | 22,8 |
5019L | P-QFP-0176-2020-0,40 | P-QFP/176-20x20-0,40 | 22,55 | 19,85 | 0,20 | 1,35 | 0,40 | 22,8 | 22,8 |
5020L | P-QFP-0240-2020-0,30 | P-QFP/240-20x20-0,30 | 22,55 | 19,85 | 0,15 | 1,35 | 0,30 | 22,8 | 22,8 |
5021L | P-QFP-0176-2424-0,50 | P-QFP/176-24x24-0,50 | 27,15 | 24,45 | 0,25 | 1,35 | 0,50 | 27,4 | 27,4 |
5022L | P-QFP-0176-2424-0,50 | P-QFP/176-24x24-0,50 | 27,15 | 24,45 | 0,25 | 1,35 | 0,50 | 27,4 | 27,4 |
5023L | P-QFP-0216-2424-0,40 | P-QFP/216-24x24-0,40 | 27,15 | 24,45 | 0,20 | 1,35 | 0,40 | 27,4 | 27,4 |
5024L | P-QFP-0216-2424-0,40 | P-QFP/216-24x24-0,40 | 27,15 | 24,45 | 0,20 | 1,35 | 0,40 | 27,4 | 27,4 |
5025L | P-QFP-0128-2828-0,80 | P-QFP/128-28x28-0,80 | 31,75 | 28,45 | 0,40 | 1,65 | 0,80 | 32,0 | 32,0 |
5026L | P-QFP-0128-2828-0,80 | P-QFP/128-28x28-0,80 | 31,75 | 28,45 | 0,40 | 1,65 | 0,80 | 32,0 | 32,0 |
5027L | P-QFP-0160-2828-0,65 | P-QFP/160-28x28-0,65 | 31,75 | 28,45 | 0,35 | 1,65 | 0,65 | 32,0 | 32,0 |
5028L | P-QFP-0160-2828-0,65 | P-QFP/160-28x28-0,65 | 31,75 | 28,45 | 0,35 | 1,65 | 0,65 | 32,0 | 32,0 |
5029L | P-QFP-0208-2828-0,50 | P-QFP/208-28x28-0,50 | 31,15 | 28,45 | 0,25 | 1,35 | 0,50 | 31,4 | 31,4 |
5030L | P-QFP-0208-2828-0,50 | P-QFP/208-28x28-0,50 | 31,15 | 28,45 | 0,25 | 1,35 | 0,50 | 31,4 | 31,4 |
5031L | P-QFP-0256-2828-0,40 | P-QFP/256-28x28-0,40 | 31,15 | 28,45 | 0,20 | 1,35 | 0,40 | 31,4 | 31,4 |
5032L | P-QFP-0256-2828-0,40 | P-QFP/256-28x28-0,40 | 31,15 | 28,45 | 0,20 | 1,35 | 0,40 | 31,4 | 31,4 |
5033L | P-QFP-0184-3232-0,65 | P-QFP/184-32x32-0,65 | 35,75 | 32,40 | 0,35 | 1,65 | 0,65 | 36,0 | 36,0 |
5034L | P-QFP-0240-3232-0,50 | P-QFP/240-32x32-0,50 | 35,15 | 33,00 | 0,25 | 1,05 | 0,50 | 35,4 | 35,4 |
5035L | P-QFP-0296-3232-0,40 | P-QFP/296-32x32-0,40 | 35,15 | 33,00 | 0,20 | 1,05 | 0,40 | 35,4 | 35,4 |
5036L | P-QFP-0272-3636-0,50 | P-QFP/272-36x36-0,50 | 39,15 | 36,40 | 0,25 | 1,35 | 0,50 | 39,4 | 39,4 |
5037L | P-QFP-0336-3636-0,40 | P-QFP/336-36x36-0,40 | 39,15 | 36,40 | 0,20 | 1,35 | 0,40 | 39,4 | 39,4 |
5038L | P-QFP-0232-4040-0,65 | P-QFP/232-40x40-0,65 | 43,75 | 40,40 | 0,35 | 1,65 | 0,65 | 44,0 | 44,0 |
5039L | P-QFP-0304-4040-0,50 | P-QFP/304-40x40-0,50 | 43,15 | 40,40 | 0,25 | 1,35 | 0,50 | 43,4 | 43,4 |
5040L | P-QFP-0376-4040-0,40 | P-QFP/376-40x40-0,40 | 43,15 | 40,40 | 0,20 | 1,35 | 0,40 | 43,4 | 43,4 |

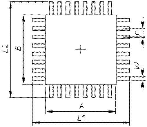
![]() | ![]() | |||||||||||||||||
![]() | ||||||||||||||||||
Код корпуса по EIAJ | Код корпуса по JEDEC | L2 | L1 | LP | W | S1 <*> | S2 <*> | B | A | P | H | |||||||
min | max | min | max | min | max | min | nom | max | min | max | min | max | ||||||
P-QFP-0064-1420-1,00 | P-QFP/064-14x20-1,00 | 16,95 | 17,45 | 22,95 | 23,45 | 0,73 | 1,03 | 0,34 | 0,4 | 0,46 | 14,89 | 15,55 | 20,89 | 21,55 | 14,0 | 20,0 | 1,00 | 3,15 |
P-QFP-0080-1420-0,80 | P-QFP/080-14x20-0,80 | 16,95 | 17,45 | 22,95 | 23,45 | 0,73 | 1,03 | 0,29 | 0,35 | 0,41 | 14,89 | 15,55 | 20,89 | 21,55 | 14,0 | 20,0 | 0,80 | 3,15 |
P-QFP-0100-1420-0,65 | P-QFP/100-14x20-0,65 | 16,95 | 17,45 | 22,95 | 23,45 | 0,73 | 1,03 | 0,22 | 0,3 | 0,36 | 14,89 | 15,55 | 20,89 | 21,55 | 14,0 | 20,0 | 0,65 | 3,15 |
P-QFP-0256-2840-0,50 | P-QFP/256-28x40-0,50 | 29,75 | 30,25 | 41,75 | 42,25 | 0,45 | 0,75 | 0,17 | 0,2 | 0,23 | 28,25 | 28,91 | 40,25 | 40,91 | 28,0 | 40,0 | 0,50 | 4,60 |
Галтель на носке | Галтель на пятке | Боковая галтель | |||||||||||||
![]() | ![]() | ![]() | |||||||||||||
Размеры в миллиметрах | |||||||||||||||
Корпус (шаг выводов) | Допуск | Паяное соединение | |||||||||||||
F | P | на носке JT | на пятке JH | боковая галтель JS | |||||||||||
L1/L2/L3 | L1/L2/L3 | CL | max | mdn | min | CS | max | mdn | min | CW | max | mdn | min | ||
1,00 | 0,1 | 0,1 | 0,5 | 0,55 | 0,35 | 0,15 | 0,656 | 0,5 | 0,35 | 0,2 | 0,12 | 0,05 | 0,0 | 0,0 | |
0,80 | 0,1 | 0,1 | 0,5 | 0,55 | 0,35 | 0,15 | 0,656 | 0,5 | 0,35 | 0,2 | 0,12 | 0,05 | 0,0 | 0,0 | |
0,65 | 0,1 | 0,1 | 0,5 | 0,55 | 0,35 | 0,15 | 0,656 | 0,5 | 0,35 | 0,2 | 0,14 | 0,05 | 0,0 | 0,0 | |
0,50 | 0,1 | 0,1 | 0,5 | 0,55 | 0,35 | 0,15 | 0,656 | 0,2 | 0,20 | 0,2 | 0,06 | 0,00 | 0,0 | 0,0 | |
CL - погрешность длины корпуса (по носкам рядов выводов); CS - погрешность расстояния между рядами выводов корпуса; CW - погрешность ширины вывода. Примечание - Корпусы PQFP с шагом вывода менее 0,65 мм не предназначены для пайки расплавленным припоем. | |||||||||||||||






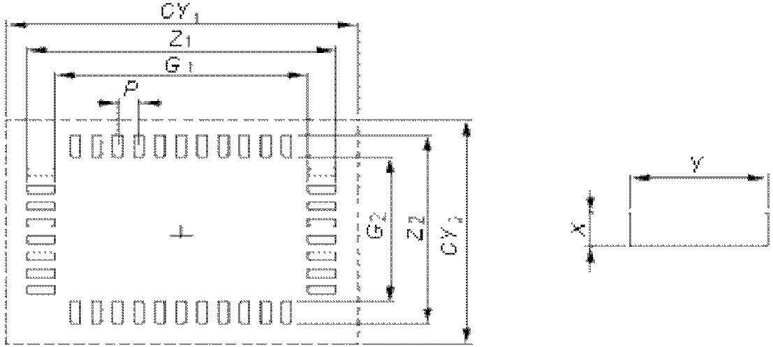
![]() | |||||||||||
Размеры в миллиметрах | |||||||||||
Идентификатор посадочного места | Код корпуса по EIAJ | Код корпуса по JEDEC | Z1 | Z2 | G1 | G2 | X <*> | Y | P | CY1 | CY2 |
Уровень 1 | |||||||||||
5041M | P-QFP-0064-1420-1,00 | P-QFP/064-14x20-1,00 | 24,6 | 18,6 | 20,0 | 14,0 | 0,63 | 2,30 | 1,00 | 26 | 20 |
5042M | P-QFP-0080-1420-0,80 | P-QFP/080-14x20-0,80 | 24,6 | 18,6 | 20,0 | 14,0 | 0,58 | 2,30 | 0,80 | 26 | 20 |
5043M | P-QFP-0100-1420-0,65 | P-QFP/100-14x20-0,65 | 24,6 | 18,6 | 20,0 | 14,0 | 0,52 | 2,30 | 0,65 | 26 | 20 |
5044M | P-QFP-0256-2840-0,50 | P-QFP/256-28x40-0,50 | 43,4 | 31,4 | 40,0 | 28,0 | 0,33 | 1,70 | 0,50 | 45 | 33 |
Уровень 2 | |||||||||||
5041N | P-QFP-0064-1420-1,00 | P-QFP/064-14x20-1,00 | 24,2 | 18,2 | 20,1 | 14,1 | 0,53 | 2,05 | 1,00 | 24,7 | 18,7 |
5042N | P-QFP-0080-1420-0,80 | P-QFP/080-14x20-0,80 | 24,2 | 18,2 | 20,1 | 14,1 | 0,48 | 2,05 | 0,80 | 24,7 | 18,7 |
5043N | P-QFP-0100-1420-0,65 | P-QFP/100-14x20-0,65 | 24,2 | 18,2 | 20,1 | 14,1 | 0,42 | 2,05 | 0,65 | 24,7 | 18,7 |
5044N | P-QFP-0256-2840-0,50 | P-QFP/256-28x40-0,50 | 43,0 | 31,0 | 40,0 | 28,0 | 0,33 | 1,50 | 0,50 | 43,5 | 31,5 |
Уровень 2 | |||||||||||
5041L | P-QFP-0064-1420-1,00 | P-QFP/064-14x20-1,00 | 23,75 | 17,75 | 20,45 | 14,45 | 0,50 | 1,65 | 1,00 | 24,0 | 18,0 |
5042L | P-QFP-0080-1420-0,80 | P-QFP/080-14x20-0,80 | 23,75 | 17,75 | 20,45 | 14,45 | 0,40 | 1,65 | 0,80 | 24,0 | 18,0 |
5043L | P-QFP-0100-1420-0,65 | P-QFP/100-14x20-0,65 | 23,75 | 17,75 | 20,45 | 14,45 | 0,35 | 1,65 | 0,65 | 24,0 | 18,0 |
5044L | P-QFP-0256-2840-0,50 | P-QFP/256-28x40-0,50 | 42,55 | 30,55 | 40,00 | 28,00 | 0,25 | 1,30 | 0,50 | 42,8 | 30,8 |

![]() | ||||||||||||||||
![]() | ![]() | |||||||||||||||
Размеры в миллиметрах | ||||||||||||||||
Код корпуса по EIAJ | Код корпуса по JEDEC | L2 | L1 | LP | W | S <*> | B | A | P | H | ||||||
min | max | min | max | min | max | min | nom | max | min | max | ||||||
P-LQFP-0032-0505-0,50 | P-LQFP/032-5x5-0,50 | 6,80 | 7,2 | 6,80 | 7,2 | 0,45 | 0,75 | 0,17 | 0,20 | 0,23 | 5,3 | 5,88 | 5,0 | 5,0 | 0,50 | 1,70 |
P-LQFP-0040-0505-0,40 | P-LQFP/040-5x5-0,40 | 6,80 | 7,2 | 6,80 | 7,2 | 0,45 | 0,75 | 0,13 | 0,16 | 0,19 | 5,3 | 5,88 | 5,0 | 5,0 | 0,40 | 1,70 |
P-LQFP-0032-0707-0,80 | P-LQFP/032-7x7-0,80 | 8,80 | 9,2 | 8,80 | 9,2 | 0,45 | 0,75 | 0,29 | 0,35 | 0,41 | 7,3 | 7,88 | 7,0 | 7,0 | 0,80 | 1,70 |
P-LQFP-0040-0707-0,65 | P-LQFP/040-7x7-0,65 | 8,80 | 9,2 | 8,80 | 9,2 | 0,45 | 0,75 | 0,22 | 0,30 | 0,36 | 7,3 | 7,88 | 7,0 | 7,0 | 0,65 | 1,70 |
P-LQFP-0048-0707-0,50 | P-LQFP/048-7x7-0,50 | 8,80 | 9,2 | 8,80 | 9,2 | 0,45 | 0,75 | 0,17 | 0,20 | 0,23 | 7,3 | 7,88 | 7,0 | 7,0 | 0,50 | 1,70 |
P-LQFP-0064-0707-0,40 | P-LQFP/064-7x7-0,40 | 8,80 | 9,2 | 8,80 | 9,2 | 0,45 | 0,75 | 0,13 | 0,16 | 0,19 | 7,3 | 7,88 | 7,0 | 7,0 | 0,40 | 1,70 |
P-LQFP-0080-0707-0,30 | P-LQFP/080-7x7-0,30 | 8,80 | 9,2 | 8,80 | 9,2 | 0,45 | 0,75 | 0,09 | 0,12 | 0,15 | 7,3 | 7,88 | 7,0 | 7,0 | 0,30 | 1,70 |
P-LQFP-0044-1010-0,80 | P-LQFP/044-10x10-0,80 | 11,80 | 12,2 | 11,80 | 12,2 | 0,45 | 0,75 | 0,29 | 0,35 | 0,41 | 10,3 | 10,88 | 10,0 | 10,0 | 0,80 | 1,70 |
P-LQFP-0052-1010-0,65 | P-LQFP/052-10x10-0,65 | 11,80 | 12,2 | 11,80 | 12,2 | 0,45 | 0,75 | 0,22 | 0,30 | 0,36 | 10,3 | 10,88 | 10,0 | 10,0 | 0,65 | 1,70 |
P-LQFP-0064-1010-0,50 | P-LQFP/064-10x10-0,50 | 11,80 | 12,2 | 11,80 | 12,2 | 0,45 | 0,75 | 0,17 | 0,20 | 0,23 | 10,3 | 10,88 | 10,0 | 10,0 | 0,50 | 1,70 |
![]() | ||||||||||||||||
![]() | ![]() | |||||||||||||||
Размеры в миллиметрах | ||||||||||||||||
Код корпуса по EIAJ | Код корпуса по JEDEC | L2 | L1 | LP | W | S <*> | B | A | P | H | ||||||
min | max | min | max | min | max | min | nom | max | min | max | ||||||
P-LQFP-0080-1010-0,40 | P-LQFP/080-10x10-0,40 | 11,80 | 12,2 | 11,80 | 12,2 | 0,45 | 0,75 | 0,13 | 0,16 | 0,19 | 10,3 | 10,88 | 10,0 | 10,0 | 0,40 | 1,70 |
P-LQFP-0120-1010-0,30 | P-LQFP/120-10x10-0,30 | 11,80 | 12,2 | 11,80 | 12,2 | 0,45 | 0,75 | 0,09 | 0,12 | 0,15 | 10,3 | 10,88 | 10,0 | 10,0 | 0,30 | 1,70 |
P-LQFP-0064-1212-0,65 | P-LQFP/064-12x12-0,65 | 13,80 | 14,2 | 13,80 | 14,2 | 0,45 | 0,75 | 0,22 | 0,30 | 0,36 | 12,3 | 12,88 | 12,0 | 12,0 | 0,65 | 1,70 |
P-LQFP-0080-1212-0,50 | P-LQFP/080-12x12-0,50 | 13,80 | 14,2 | 13,80 | 14,2 | 0,45 | 0,75 | 0,17 | 0,20 | 0,23 | 12,3 | 12,88 | 12,0 | 12,0 | 0,50 | 1,70 |
P-LQFP-0100-1212-0,40 | P-LQFP/100-12x12-0,40 | 13,8 | 14,2 | 13,8 | 14,2 | 0,45 | 0,75 | 0,13 | 0,16 | 0,19 | 12,3 | 12,88 | 12,0 | 12,0 | 0,40 | 1,70 |
P-LQFP-0144-1212-0,30 | P-LQFP/144-12x12-0,30 | 13,8 | 14,2 | 13,8 | 14,2 | 0,45 | 0,75 | 0,09 | 0,12 | 0,15 | 12,3 | 12,88 | 12,0 | 12,0 | 0,30 | 1,70 |
P-LQFP-0064-1414-0,80 | P-LQFP/064-14x14-0,80 | 15,8 | 16,2 | 15,8 | 16,2 | 0,45 | 0,75 | 0,29 | 0,35 | 0,41 | 14,3 | 14,88 | 14,0 | 14,0 | 0,80 | 1,70 |
P-LQFP-0080-1414-0,65 | P-LQFP/080-14x14-0,65 | 15,8 | 16,2 | 15,8 | 16,2 | 0,45 | 0,75 | 0,22 | 0,30 | 0,36 | 14,3 | 14,88 | 14,0 | 14,0 | 0,65 | 1,70 |
P-LQFP-0100-1414-0,50 | P-LQFP/100-14x14-0,50 | 15,8 | 16,2 | 15,8 | 16,2 | 0,45 | 0,75 | 0,17 | 0,20 | 0,23 | 14,3 | 14,88 | 14,0 | 14,0 | 0,50 | 1,70 |
P-LQFP-0120-1414-0,40 | P-LQFP/120-14x14-0,40 | 15,8 | 16,2 | 15,8 | 16,2 | 0,45 | 0,75 | 0,13 | 0,16 | 0,19 | 14,3 | 14,88 | 14,0 | 14,0 | 0,40 | 1,70 |
![]() | ||||||||||||||||
![]() | ![]() | |||||||||||||||
Размеры в миллиметрах | ||||||||||||||||
Код корпуса по EIAJ | Код корпуса по JEDEC | L2 | L1 | LP | W | S <*> | B | A | P | H | ||||||
min | max | min | max | min | max | min | nom | max | min | max | ||||||
P-LQFP-0168-1414-0,30 | P-LQFP/168-14x14-0,30 | 15,8 | 16,2 | 15,8 | 16,2 | 0,45 | 0,75 | 0,09 | 0,12 | 0,15 | 14,3 | 14,88 | 14,0 | 14,0 | 0,30 | 1,70 |
P-LQFP-0120-1616-0,50 | P-LQFP/120-16x16-0,50 | 17,8 | 18,2 | 17,8 | 18,2 | 0,45 | 0,75 | 0,17 | 0,20 | 0,23 | 16,3 | 16,88 | 16,0 | 16,0 | 0,50 | 1,70 |
P-LQFP-0144-1616-0,40 | P-LQFP/144-16x16-0,40 | 17,8 | 18,2 | 17,8 | 18,2 | 0,45 | 0,75 | 0,13 | 0,16 | 0,19 | 16,3 | 16,88 | 16,0 | 16,0 | 0,40 | 1,70 |
P-LQFP-0184-1616-0,30 | P-LQFP/184-16x16-0,30 | 17,8 | 18,2 | 17,8 | 18,2 | 0,45 | 0,75 | 0,09 | 0,12 | 0,15 | 16,3 | 16,88 | 16,0 | 16,0 | 0,30 | 1,70 |
P-LQFP-0128-1818-0,50 | P-LQFP/128-18x18-0,50 | 19,8 | 20,2 | 19,8 | 20,2 | 0,45 | 0,75 | 0,17 | 0,20 | 0,23 | 18,3 | 18,88 | 18,0 | 18,0 | 0,50 | 1,70 |
P-LQFP-0160-1818-0,40 | P-LQFP/160-18x18-0,40 | 19,8 | 20,2 | 19,8 | 20,2 | 0,45 | 0,75 | 0,13 | 0,16 | 0,19 | 18,3 | 18,88 | 18,0 | 18,0 | 0,40 | 1,70 |
P-LQFP-0216-1818-0,30 | P-LQFP/216-18x18-0,30 | 19,8 | 20,2 | 19,8 | 20,2 | 0,45 | 0,75 | 0,09 | 0,12 | 0,15 | 18,3 | 18,88 | 18,0 | 18,0 | 0,30 | 1,70 |
P-LQFP-0112-2020-0,65 | P-LQFP/112-20x20-0,65 | 21,8 | 22,2 | 21,8 | 22,2 | 0,45 | 0,75 | 0,22 | 0,30 | 0,36 | 20,3 | 20,88 | 20,0 | 20,0 | 0,65 | 1,70 |
P-LQFP-0144-2020-0,50 | P-LQFP/144-20x20-0,50 | 21,8 | 22,2 | 21,8 | 22,2 | 0,45 | 0,75 | 0,17 | 0,2 | 0,23 | 20,3 | 20,88 | 20,0 | 20,0 | 0,50 | 1,70 |
P-LQFP-0176-2020-0,40 | P-LQFP/176-20x20-0,40 | 21,8 | 22,2 | 21,8 | 22,2 | 0,45 | 0,75 | 0,13 | 0,16 | 0,19 | 20,3 | 20,88 | 20,0 | 20,0 | 0,40 | 1,70 |
![]() | ||||||||||||||||
![]() | ![]() | |||||||||||||||
Размеры в миллиметрах | ||||||||||||||||
Код корпуса по EIAJ | Код корпуса по JEDEC | L2 | L1 | LP | W | S <*> | B | A | P | H | ||||||
min | max | min | max | min | max | min | nom | max | min | max | ||||||
P-LQFP-0240-2020-0,30 | P-LQFP/240-20x20-0,30 | 21,8 | 22,2 | 21,8 | 22,2 | 0,45 | 0,75 | 0,09 | 0,12 | 0,15 | 20,3 | 20,88 | 20,0 | 20,0 | 0,30 | 1,70 |
P-LQFP-0176-2424-0,50 | P-LQFP/176-24x24-0,50 | 25,8 | 26,2 | 25,8 | 26,2 | 0,45 | 0,75 | 0,17 | 0,2 | 0,23 | 24,3 | 24,88 | 24,0 | 24,0 | 0,50 | 1,70 |
P-LQFP-0216-2424-0,40 | P-LQFP/216-24x24-0,40 | 25,8 | 26,2 | 25,8 | 26,2 | 0,45 | 0,75 | 0,13 | 0,16 | 0,19 | 24,3 | 24,88 | 24,0 | 24,0 | 0,40 | 1,70 |
P-LQFP-0296-2424-0,30 | P-LQFP/296-24x24-0,30 | 25,8 | 26,2 | 25,8 | 26,2 | 0,45 | 0,75 | 0,09 | 0,12 | 0,15 | 24,3 | 24,88 | 24,0 | 24,0 | 0,30 | 1,70 |
P-LQFP-0160-2828-0,65 | P-LQFP/160-28x28-0,65 | 29,8 | 30,2 | 29,8 | 30,2 | 0,45 | 0,75 | 0,22 | 0,30 | 0,36 | 28,3 | 28,88 | 28,0 | 28,0 | 0,65 | 1,70 |
P-LQFP-0208-2828-0,50 | P-LQFP/208-28x28-0,50 | 29,8 | 30,2 | 29,8 | 30,2 | 0,45 | 0,75 | 0,17 | 0,20 | 0,23 | 28,3 | 28,88 | 28,0 | 28,0 | 0,50 | 1,70 |
P-LQFP-0256-2828-0,40 | P-LQFP/256-28x28-0,40 | 29,8 | 30,2 | 29,8 | 30,2 | 0,45 | 0,75 | 0,13 | 0,16 | 0,19 | 28,3 | 28,88 | 28,0 | 28,0 | 0,40 | 1,70 |
P-LQFP-0344-2828-0,30 | P-LQFP/344-28x28-0,30 | 29,8 | 30,2 | 29,8 | 30,2 | 0,45 | 0,75 | 0,09 | 0,12 | 0,15 | 28,3 | 28,88 | 28,0 | 28,0 | 0,30 | 1,70 |
Галтель на носке | Галтель на пятке | Боковая галтель | |||||||||||||
![]() | ![]() | ![]() | |||||||||||||
Размеры в миллиметрах | |||||||||||||||
Корпус (шаг выводов) | Допуск | Паяное соединение | |||||||||||||
F | P | на носке JT | на пятке JH | боковая галтель JS | |||||||||||
L1/L2/L3 | L1/L2/L3 | CL | max | mdn | min | CS | max | mdn | min | CW | max | mdn | min | ||
0,80 | 0,1 | 0,1 | 0,4 | 0,55 | 0,35 | 0,15 | 1,0 | 0,5 | 0,35 | 0,2 | 0,12 | 0,05 | 0,0 | 0,0 | |
0,65 | 0,1 | 0,1 | 0,4 | 0,55 | 0,35 | 0,15 | 1,0 | 0,5 | 0,35 | 0,2 | 0,14 | 0,05 | 0,0 | 0,0 | |
0,50 | 0,1 | 0,1 | 0,4 | 0,55 | 0,35 | 0,15 | 1,0 | 0,2 | 0,20 | 0,2 | 0,06 | 0,00 | 0,0 | 0,0 | |
0,40 | 0,1 | 0,1 | 0,4 | 0,55 | 0,35 | 0,15 | 1,0 | 0,2 | 0,20 | 0,2 | 0,06 | 0,00 | 0,0 | 0,0 | |
0,30 | 0,1 | 0,1 | 0,4 | 0,55 | 0,35 | 0,15 | 1,0 | 0,2 | 0,20 | 0,2 | 0,06 | 0,00 | 0,0 | 0,0 | |
CL - погрешность длины корпуса (по носкам рядов выводов); CS - погрешность расстояния между рядами выводов корпуса; CW - погрешность ширины вывода. Примечание - Корпусы QFP с шагом вывода менее 0,65 мм не предназначены для пайки расплавленным припоем. | |||||||||||||||






![]() | |||||||||
Размеры в миллиметрах | |||||||||
Идентификатор посадочного места | Код корпуса по EIAJ | Код корпуса по JEDEC | Z | G | X <*> | Y | P | CY1 | CY2 |
Уровень 1 | |||||||||
5055M | P-LQFP-0032-0505-0,50 | P-LQFP/032-5x5-0,50 | 8,4 | 5,0 | 0,33 | 1,7 | 0,50 | 10 | 10 |
5056M | P-LQFP-0040-0505-0,40 | P-LQFP/040-5x5-0,40 | 8,4 | 5,0 | 0,29 | 1,7 | 0,40 | 10 | 10 |
5057M | P-LQFP-0032-0707-0,80 | P-LQFP/032-7x7-0,80 | 10,4 | 7,0 | 0,58 | 1,7 | 0,80 | 12 | 12 |
5058M | P-LQFP-0040-0707-0,65 | P-LQFP/040-7x7-0,65 | 10,4 | 7,0 | 0,52 | 1,7 | 0,65 | 12 | 12 |
5059M | P-LQFP-0048-0707-0,50 | P-LQFP/048-7x7-0,50 | 10,4 | 7,0 | 0,33 | 1,7 | 0,50 | 12 | 12 |
5060M | P-LQFP-0064-0707-0,40 | P-LQFP/064-7x7-0,40 | 10,4 | 7,0 | 0,29 | 1,7 | 0,40 | 12 | 12 |
5062M | P-LQFP-0044-1010-0,80 | P-LQFP/044-10x10-0,80 | 13,4 | 10,0 | 0,58 | 1,7 | 0,80 | 15 | 15 |
5063M | P-LQFP-0052-1010-0,65 | P-LQFP/052-10x10-0,65 | 13,4 | 10,0 | 0,52 | 1,7 | 0,65 | 15 | 15 |
5064M | P-LQFP-0064-1010-0,50 | P-LQFP/064-10x10-0,50 | 13,4 | 10,0 | 0,33 | 1,7 | 0,50 | 15 | 15 |
5065M | P-LQFP-0080-1010-0,40 | P-LQFP/080-10x10-0,40 | 13,4 | 10,0 | 0,29 | 1,7 | 0,40 | 15 | 15 |
5067M | P-LQFP-0064-1212-0,65 | P-LQFP/064-12x12-0,65 | 15,4 | 12,0 | 0,52 | 1,7 | 0,65 | 17 | 17 |
5068M | P-LQFP-0080-1212-0,50 | P-LQFP/080-12x12-0,50 | 15,4 | 12,0 | 0,33 | 1,7 | 0,50 | 17 | 17 |
5069M | P-LQFP-0100-1212-0,40 | P-LQFP/100-12x12-0,40 | 15,4 | 12,0 | 0,29 | 1,7 | 0,40 | 17 | 17 |
5071M | P-LQFP-0064-1414-0,80 | P-LQFP/064-14x14-0,80 | 17,4 | 14,0 | 0,58 | 1,7 | 0,80 | 19 | 19 |
5072M | P-LQFP-0080-1414-0,65 | P-LQFP/080-14x14-0,65 | 17,4 | 14,0 | 0,52 | 1,7 | 0,65 | 19 | 19 |
5073M | P-LQFP-0100-1414-0,50 | P-LQFP/100-14x14-0,50 | 17,4 | 14,0 | 0,33 | 1,7 | 0,50 | 19 | 19 |
5074M | P-LQFP-0120-1414-0,40 | P-LQFP/120-14x14-0,40 | 17,4 | 14,0 | 0,29 | 1,7 | 0,40 | 19 | 19 |
5076M | P-LQFP-0120-1616-0,50 | P-LQFP/120-16x16-0,50 | 19,4 | 16,0 | 0,33 | 1,7 | 0,50 | 21 | 21 |
5077M | P-LQFP-0144-1616-0,40 | P-LQFP/144-16x16-0,40 | 19,4 | 16,0 | 0,29 | 1,7 | 0,40 | 21 | 21 |
5079M | P-LQFP-0128-1818-0,50 | P-LQFP/128-18x18-0,50 | 21,4 | 18,0 | 0,33 | 1,7 | 0,50 | 23 | 23 |
5080M | P-LQFP-0160-1818-0,40 | P-LQFP/160-18x18-0,40 | 21,4 | 18,0 | 0,29 | 1,7 | 0,40 | 23 | 23 |
5082M | P-LQFP-0112-2020-0,65 | P-LQFP/112-20x20-0,65 | 23,4 | 20,0 | 0,52 | 1,7 | 0,65 | 25 | 25 |
5083M | P-LQFP-0144-2020-0,50 | P-LQFP/144-20x20-0,50 | 23,4 | 20,0 | 0,33 | 1,7 | 0,50 | 25 | 25 |
5084M | P-LQFP-0176-2020-0,40 | P-LQFP/176-20x20-0,40 | 23,4 | 20,0 | 0,29 | 1,7 | 0,40 | 25 | 25 |
5086M | P-LQFP-0176-2424-0,50 | P-LQFP/176-24x24-0,50 | 27,4 | 24,0 | 0,33 | 1,7 | 0,50 | 29 | 29 |
5087M | P-LQFP-0216-2424-0,40 | P-LQFP/216-24x24-0,40 | 27,4 | 24,0 | 0,29 | 1,7 | 0,40 | 29 | 29 |
5089M | P-LQFP-0160-2828-0,65 | P-LQFP/160-28x28-0,65 | 31,4 | 28,0 | 0,52 | 1,7 | 0,65 | 33 | 33 |
5090M | P-LQFP-0208-2828-0,50 | P-LQFP/208-28x28-0,50 | 31,4 | 28,0 | 0,33 | 1,7 | 0,50 | 33 | 33 |
5091M | P-LQFP-0256-2828-0,40 | P-LQFP/256-28x28-0,40 | 31,4 | 28,0 | 0,29 | 1,7 | 0,40 | 33 | 33 |
Идентификатор посадочного места | Код корпуса по EIAJ | Код корпуса по JEDEC | Z | G | X <*> | Y | P | CY1 | CY2 |
Уровень 2 | |||||||||
5055N | P-LQFP-0032-0505-0,50 | P-LQFP/032-5x5-0,50 | 8,0 | 5,0 | 0,33 | 1,5 | 0,50 | 8,5 | 8,5 |
5056N | P-LQFP-0040-0505-0,40 | P-LQFP/040-5x5-0,40 | 8,0 | 5,0 | 0,29 | 1,5 | 0,40 | 8,5 | 8,5 |
5057N | P-LQFP-0032-0707-0,80 | P-LQFP/032-7x7-0,80 | 10,0 | 7,0 | 0,48 | 1,5 | 0,80 | 10,5 | 10,5 |
5058N | P-LQFP-0040-0707-0,65 | P-LQFP/040-7x7-0,65 | 10,0 | 7,0 | 0,42 | 1,5 | 0,65 | 10,5 | 10,5 |
5059N | P-LQFP-0048-0707-0,50 | P-LQFP/048-7x7-0,50 | 10,0 | 7,0 | 0,33 | 1,5 | 0,50 | 10,5 | 10,5 |
5060N | P-LQFP-0064-0707-0,40 | P-LQFP/064-7x7-0,40 | 10,0 | 7,0 | 0,29 | 1,5 | 0,40 | 10,5 | 10,5 |
5062N | P-LQFP-0044-1010-0,80 | P-LQFP/044-10x10-0,80 | 13,0 | 10,0 | 0,48 | 1,5 | 0,80 | 13,5 | 13,5 |
5063N | P-LQFP-0052-1010-0,65 | P-LQFP/052-10x10-0,65 | 13,0 | 10,0 | 0,42 | 1,5 | 0,65 | 13,5 | 13,5 |
5064N | P-LQFP-0064-1010-0,50 | P-LQFP/064-10x10-0,50 | 13,0 | 10,0 | 0,33 | 1,5 | 0,50 | 13,5 | 13,5 |
5065N | P-LQFP-0080-1010-0,40 | P-LQFP/080-10x10-0,40 | 13,0 | 10,0 | 0,29 | 1,5 | 0,40 | 13,5 | 13,5 |
5067N | P-LQFP-0064-1212-0,65 | P-LQFP/064-12x12-0,65 | 15,0 | 12,0 | 0,42 | 1,5 | 0,65 | 15,5 | 15,5 |
5068N | P-LQFP-0080-1212-0,50 | P-LQFP/080-12x12-0,50 | 15,0 | 12,0 | 0,33 | 1,5 | 0,50 | 15,5 | 15,5 |
5069N | P-LQFP-0100-1212-0,40 | P-LQFP/100-12x12-0,40 | 15,0 | 12,0 | 0,29 | 1,5 | 0,40 | 15,5 | 15,5 |
5071N | P-LQFP-0064-1414-0,80 | P-LQFP/064-14x14-0,80 | 17,0 | 14,0 | 0,48 | 1,5 | 0,80 | 17,5 | 17,5 |
5072N | P-LQFP-0080-1414-0,65 | P-LQFP/080-14x14-0,65 | 17,0 | 14,0 | 0,42 | 1,5 | 0,65 | 17,5 | 17,5 |
5073N | P-LQFP-0100-1414-0,50 | P-LQFP/100-14x14-0,50 | 17,0 | 14,0 | 0,33 | 1,5 | 0,50 | 17,5 | 17,5 |
5074N | P-LQFP-0120-1414-0,40 | P-LQFP/120-14x14-0,40 | 17,0 | 14,0 | 0,29 | 1,5 | 0,40 | 17,5 | 17,5 |
5076N | P-LQFP-0120-1616-0,50 | P-LQFP/120-16x16-0,50 | 19,0 | 16,0 | 0,33 | 1,5 | 0,50 | 19,5 | 19,5 |
5077N | P-LQFP-0144-1616-0,40 | P-LQFP/144-16x16-0,40 | 19,0 | 16,0 | 0,29 | 1,5 | 0,40 | 19,5 | 19,5 |
5079N | P-LQFP-0128-1818-0,50 | P-LQFP/128-18x18-0,50 | 21,0 | 18,0 | 0,33 | 1,5 | 0,50 | 21,5 | 21,5 |
5080N | P-LQFP-0160-1818-0,40 | P-LQFP/160-18x18-0,40 | 21,0 | 18,0 | 0,29 | 1,5 | 0,40 | 21,5 | 21,5 |
5082N | P-LQFP-0112-2020-0,65 | P-LQFP/112-20x20-0,65 | 23,0 | 20,0 | 0,42 | 1,5 | 0,65 | 23,5 | 23,5 |
5083N | P-LQFP-0144-2020-0,50 | P-LQFP/144-20x20-0,50 | 23,0 | 20,0 | 0,33 | 1,5 | 0,50 | 23,5 | 23,5 |
5084N | P-LQFP-0176-2020-0,40 | P-LQFP/176-20x20-0,40 | 23,0 | 20,0 | 0,29 | 1,5 | 0,40 | 23,5 | 23,5 |
5086N | P-LQFP-0176-2424-0,50 | P-LQFP/176-24x24-0,50 | 27,0 | 24,0 | 0,33 | 1,5 | 0,50 | 27,5 | 27,5 |
5087N | P-LQFP-0216-2424-0,40 | P-LQFP/216-24x24-0,40 | 27,0 | 24,0 | 0,29 | 1,5 | 0,40 | 27,5 | 27,5 |
5089N | P-LQFP-0160-2828-0,65 | P-LQFP/160-28x28-0,65 | 31,0 | 28,0 | 0,42 | 1,5 | 0,65 | 31,5 | 31,5 |
5090N | P-LQFP-0208-2828-0,50 | P-LQFP/208-28x28-0,50 | 31,0 | 28,0 | 0,33 | 1,5 | 0,50 | 31,5 | 31,5 |
5091N | P-LQFP-0256-2828-0,40 | P-LQFP/256-28x28-0,40 | 31,0 | 28,0 | 0,29 | 1,5 | 0,40 | 31,5 | 31,5 |
Уровень 3 | |||||||||
5055L | P-LQFP-0032-0505-0,50 | P-LQFP/032-5x5-0,50 | 7,5 | 5,0 | 0,25 | 1,25 | 0,50 | 7,7 | 7,7 |
5056L | P-LQFP-0040-0505-0,40 | P-LQFP/040-5x5-0,40 | 7,5 | 5,0 | 0,20 | 1,25 | 0,40 | 7,7 | 7,7 |
5057L | P-LQFP-0032-0707-0,80 | P-LQFP/032-7x7-0,80 | 9,5 | 7,0 | 0,40 | 1,25 | 0,80 | 9,7 | 9,7 |
5058L | P-LQFP-0040-0707-0,65 | P-LQFP/040-7x7-0,65 | 9,5 | 7,0 | 0,35 | 1,25 | 0,65 | 9,7 | 9,7 |
5059L | P-LQFP-0048-0707-0,50 | P-LQFP/048-7x7-0,50 | 9,5 | 7,0 | 0,25 | 1,25 | 0,50 | 9,7 | 9,7 |
5060L | P-LQFP-0064-0707-0,40 | P-LQFP/064-7x7-0,40 | 9,5 | 7,0 | 0,20 | 1,25 | 0,40 | 9,7 | 9,7 |
5061L | P-LQFP-0080-0707-0,30 | P-LQFP/080-7x7-0,30 | 9,5 | 7,0 | 0,15 | 1,25 | 0,30 | 9,7 | 9,7 |
5062L | P-LQFP-0044-1010-0,80 | P-LQFP/044-10x10-0,80 | 12,5 | 10,0 | 0,40 | 1,25 | 0,80 | 12,7 | 12,7 |
5063L | P-LQFP-0052-1010-0,65 | P-LQFP/052-10x10-0,65 | 12,5 | 10,0 | 0,35 | 1,25 | 0,65 | 12,7 | 12,7 |
5064L | P-LQFP-0064-1010-0,50 | P-LQFP/064-10x10-0,50 | 12,5 | 10,0 | 0,25 | 1,25 | 0,50 | 12,7 | 12,7 |
5065L | P-LQFP-0080-1010-0,40 | P-LQFP/080-10x0,40 | 12,5 | 10,0 | 0,20 | 1,25 | 0,40 | 12,7 | 12,7 |
5066L | P-LQFP-0120-1010-0,30 | P-LQFP/120-10x-0,30 | 12,5 | 10,0 | 0,15 | 1,25 | 0,30 | 12,7 | 12,7 |
5067L | P-LQFP-0064-1212-0,65 | P-LQFP/064-12x12-0,65 | 14,5 | 12,0 | 0,35 | 1,25 | 0,65 | 14,7 | 14,7 |
5068L | P-LQFP-0080-1212-0,50 | P-LQFP/080-12x12-0,50 | 14,5 | 12,0 | 0,25 | 1,25 | 0,50 | 14,7 | 14,7 |
5069L | P-LQFP-0100-1212-0,40 | P-LQFP/100-12x12-0,40 | 14,5 | 12,0 | 0,20 | 1,25 | 0,40 | 14,7 | 14,7 |

![]() | ![]() | |||||||||||||||||
![]() | ||||||||||||||||||
Размеры в миллиметрах | ||||||||||||||||||
Код корпуса по EIAJ | Код корпуса по JEDEC | L2 | L1 | LP | W | S1 <*> | S2 <*> | B | A | P | H | |||||||
min | max | min | max | min | max | min | nom | max | min | max | min | max | ||||||
P-LQFP-0100-1420-0,65 | P-LQFP/100-14x20-0,65 | 15,80 | 16,20 | 21,80 | 22,20 | 0,45 | 0,75 | 0,22 | 0,30 | 0,36 | 20,3 | 20,88 | 14,3 | 14,88 | 14,0 | 20,0 | 0,65 | 70 |
P-LQFP-0128-1420-0,50 | P-LQFP/128-14x40-0,50 | 15,80 | 16,20 | 21,80 | 22,20 | 0,45 | 0,75 | 0,17 | 0,20 | 0,23 | 20,3 | 20,88 | 14,3 | 14,88 | 14,0 | 20,0 | 0,65 | 1,70 |
Галтель на носке | Галтель на пятке | Боковая галтель | |||||||||||||
![]() | ![]() | ![]() | |||||||||||||
Размеры в миллиметрах | |||||||||||||||
Корпус (шаг выводов) | Допуск | Паяное соединение | |||||||||||||
F | P | на носке JT | на пятке JH | боковая галтель JS | |||||||||||
L1/L2/L3 | L1/L2/L3 | CL | max | mdn | min | CS | max | mdn | min | CW | max | mdn | min | ||
0,65 | 0,1 | 0,1 | 0,4 | 0,55 | 0,35 | 0,15 | 0,583 | 0,5 | 0,35 | 0,2 | 0,14 | 0,05 | 0,0 | 0,0 | |
0,50 | 0,1 | 0,1 | 0,4 | 0,55 | 0,35 | 0,15 | 0,583 | 0,2 | 0,20 | 0,2 | 0,06 | 0,00 | 0,0 | 0,0 | |
CL - погрешность длины корпуса (по носкам рядов выводов); CS - погрешность расстояния между рядами выводов корпуса; CW - погрешность ширины вывода. | |||||||||||||||






![]() | |||||||||||
Размеры в миллиметрах | |||||||||||
Идентификатор посадочного места | Код корпуса по EIAJ | Код корпуса по JEDEC | Z1 | Z2 | G1 | G2 | X <*> | Y | P | CY1 | CY2 |
Уровень 1 | |||||||||||
5093M | P-LQFP-0100-1420-0,65 | P-LQFP/100-14x20-0,65 | 23,1 | 17,4 | 20,0 | 14,0 | 0,52 | 1,70 | 0,65 | 25 | 19 |
5094M | P-LQFP-0128-1420-0,50 | P-LQFP/128-14x40-0,50 | 23,4 | 17,4 | 20,0 | 14,0 | 0,33 | 1,70 | 0,50 | 25 | 19 |
Уровень 2 | |||||||||||
5093N | P-LQFP-0100-1420-0,65 | P-LQFP/100-14x20-0,65 | 22,7 | 17,0 | 20,0 | 14,0 | 0,42 | 1,50 | 0,65 | 23,2 | 17,5 |
5094N | P-LQFP-0128-1420-0,50 | P-LQFP/128-14x40-0,50 | 23,0 | 17,0 | 20,0 | 14,0 | 0,33 | 1,50 | 0,50 | 23,5 | 17,5 |
Уровень 3 | |||||||||||
5093L | P-LQFP-0100-1420-0,65 | P-LQFP/100-14x20-0,65 | 22,5 | 16,5 | 20,0 | 14,0 | 0,35 | 1,25 | 0,65 | 22,7 | 16,7 |
5094L | P-LQFP-0128-1420-0,50 | P-LQFP/128-14x40-0,50 | 22,5 | 16,5 | 20,0 | 14,0 | 0,25 | 1,25 | 0,50 | 22,7 | 16,7 |

![]() | ||||||||||||||||
![]() | ![]() | |||||||||||||||
Размеры в миллиметрах | ||||||||||||||||
Код корпуса по EIAJ | Код корпуса по JEDEC | L2 | L1 | LP | W | S <*> | B | A | P | H | ||||||
min | max | min | max | min | max | min | nom | max | min | max | ||||||
P-TQFP-0032-0505-0,50 | P-LQFP/032-5x5-0,50 | 6,8 | 7,2 | 6,8 | 7,2 | 0,45 | 0,75 | 0,17 | 0,20 | 0,23 | 5,3 | 5,88 | 5 | 5 | 0,50 | 1,20 |
P-TQFP-0040-0505-0,40 | P-LQFP/040-5x5-0,40 | 6,8 | 7,2 | 6,8 | 7,2 | 0,45 | 0,75 | 0,13 | 0,16 | 0,19 | 5,3 | 5,88 | 5 | 5 | 0,40 | 1,20 |
P-TQFP-0032-0707-0,80 | P-LQFP/032-7x7-0,80 | 8,8 | 9,2 | 8,8 | 9,2 | 0,45 | 0,75 | 0,29 | 0,35 | 0,41 | 7,3 | 7,88 | 7 | 7 | 0,80 | 1,20 |
P-TQFP-0040-0707-0,65 | P-LQFP/040-7x7-0,65 | 8,8 | 9,2 | 8,8 | 9,2 | 0,45 | 0,75 | 0,22 | 0,30 | 0,36 | 7,3 | 7,88 | 7 | 7 | 0,65 | 1,20 |
P-TQFP-0048-0707-0,50 | P-LQFP/048-7x7-0,50 | 8,8 | 9,2 | 8,8 | 9,2 | 0,45 | 0,75 | 0,17 | 0,20 | 0,23 | 7,3 | 7,88 | 7 | 7 | 0,50 | 1,20 |
P-TQFP-0064-0707-0,40 | P-LQFP/064-7x7-0,40 | 8,8 | 9,2 | 8,8 | 9,2 | 0,45 | 0,75 | 0,13 | 0,16 | 0,19 | 7,3 | 7,88 | 7 | 7 | 0,40 | 1,20 |
P-TQFP-0080-0707-0,30 | P-LQFP/080-7x7-0,30 | 8,8 | 9,2 | 8,8 | 9,2 | 0,45 | 0,75 | 0,09 | 0,12 | 0,15 | 7,3 | 7,88 | 7 | 7 | 0,30 | 1,20 |
P-TQFP-0044-1010-0,80 | P-LQFP/044-10x10-0,80 | 11,8 | 12,2 | 11,8 | 12,2 | 0,45 | 0,75 | 0,29 | 0,35 | 0,41 | 10,3 | 10,88 | 10 | 10 | 0,80 | 1,20 |
P-TQFP-0052-1010-0,65 | P-LQFP/052-10x10-0,65 | 11,8 | 12,2 | 11,8 | 12,2 | 0,45 | 0,75 | 0,22 | 0,30 | 0,36 | 10,3 | 10,88 | 10 | 10 | 0,65 | 1,20 |
P-TQFP-0064-1010-0,50 | P-LQFP/064-10x10-0,50 | 11,8 | 12,2 | 11,8 | 12,2 | 0,45 | 0,75 | 0,17 | 0,20 | 0,23 | 10,3 | 10,88 | 10 | 10 | 0,50 | 1,20 |
![]() | ||||||||||||||||
![]() | ![]() | |||||||||||||||
Размеры в миллиметрах | ||||||||||||||||
Код корпуса по EIAJ | Код корпуса по JEDEC | L2 | L1 | LP | W | S <*> | B | A | P | H | ||||||
min | max | min | max | min | max | min | nom | max | min | max | ||||||
P-TQFP-0080-1010-0,40 | P-LQFP/080-10x10-0,40 | 11,8 | 12,2 | 11,8 | 12,2 | 0,45 | 0,75 | 0,13 | 0,16 | 0,19 | 10,3 | 10,88 | 10 | 10 | 0,40 | 1,20 |
P-TQFP-0120-1010-0,30 | P-LQFP/120-10x10-0,30 | 11,8 | 12,2 | 11,8 | 12,2 | 0,45 | 0,75 | 0,09 | 0,12 | 0,15 | 10,3 | 10,88 | 10 | 10 | 0,30 | 1,20 |
P-TQFP-0064-1212-0,65 | P-LQFP/064-12x12-0,65 | 13,8 | 14,2 | 13,8 | 14,2 | 0,45 | 0,75 | 0,22 | 0,30 | 0,36 | 12,3 | 12,88 | 12 | 12 | 0,65 | 1,20 |
P-TQFP-0080-1212-0,50 | P-LQFP/080-12x12-0,50 | 13,8 | 14,2 | 13,8 | 14,2 | 0,45 | 0,75 | 0,17 | 0,20 | 0,23 | 12,3 | 12,88 | 12 | 12 | 0,50 | 1,20 |
P-TQFP-0100-1212-0,40 | P-LQFP/100-12x12-0,40 | 13,8 | 14,2 | 13,8 | 14,2 | 0,45 | 0,75 | 0,13 | 0,16 | 0,19 | 12,3 | 12,88 | 12 | 12 | 0,40 | 1,20 |
P-TQFP-0144-1212-0,30 | P-LQFP/144-12x12-0,30 | 13,8 | 14,2 | 13,8 | 14,2 | 0,45 | 0,75 | 0,09 | 0,12 | 0,15 | 12,3 | 12,88 | 12 | 12 | 0,30 | 1,20 |
P-TQFP-0064-1414-0,80 | P-LQFP/064-14x14-0,80 | 15,8 | 16,2 | 15,8 | 16,2 | 0,45 | 0,75 | 0,29 | 0,35 | 0,41 | 14,3 | 14,88 | 14 | 14 | 0,80 | 1,20 |
P-TQFP-0080-1414-0,65 | P-LQFP/080-14x14-0,65 | 15,8 | 16,2 | 15,8 | 16,2 | 0,45 | 0,75 | 0,22 | 0,30 | 0,36 | 14,3 | 14,88 | 14 | 14 | 0,65 | 1,20 |
P-TQFP-0100-1414-0,50 | P-LQFP/100-14x14-0,50 | 15,8 | 16,2 | 15,8 | 16,2 | 0,45 | 0,75 | 0,17 | 0,20 | 0,23 | 14,3 | 14,88 | 14 | 14 | 0,50 | 1,20 |
P-TQFP-0120-1414-0,40 | P-LQFP/120-14x14-0,40 | 15,8 | 16,2 | 15,8 | 16,2 | 0,45 | 0,75 | 0,13 | 0,16 | 0,19 | 14,3 | 14,88 | 14 | 14 | 0,40 | 1,20 |
![]() | ||||||||||||||||
![]() | ![]() | |||||||||||||||
Размеры в миллиметрах | ||||||||||||||||
Код корпуса по EIAJ | Код корпуса по JEDEC | L2 | L1 | LP | W | S <*> | B | A | P | H | ||||||
min | max | min | max | min | max | min | nom | max | min | max | ||||||
P-TQFP-0168-1414-0,30 | P-LQFP/168-14x14-0,30 | 15,8 | 16,2 | 15,8 | 16,2 | 0,45 | 0,75 | 0,09 | 0,12 | 0,15 | 14,3 | 14,88 | 14 | 14 | 0,30 | 1,20 |
P-TQFP-0120-1616-0,50 | P-LQFP/120-16x16-0,50 | 17,8 | 18,2 | 17,8 | 18,2 | 0,45 | 0,75 | 0,17 | 0,20 | 0,23 | 16,3 | 16,88 | 16 | 16 | 0,50 | 1,20 |
P-TQFP-0144-1616-0,40 | P-LQFP/144-16x16-0,40 | 17,8 | 18,2 | 17,8 | 18,2 | 0,45 | 0,75 | 0,13 | 0,16 | 0,19 | 16,3 | 16,88 | 16 | 16 | 0,40 | 1,20 |
P-TQFP-0184-1616-0,30 | P-LQFP/184-16x16-0,30 | 17,8 | 18,2 | 17,8 | 18,2 | 0,45 | 0,75 | 0,09 | 0,12 | 0,15 | 16,3 | 16,88 | 16 | 16 | 0,30 | 1,20 |
P-TQFP-0128-1818-0,50 | P-LQFP/128-18x18-0,50 | 19,8 | 20,2 | 19,8 | 20,2 | 0,45 | 0,75 | 0,17 | 0,20 | 0,23 | 18,3 | 18,88 | 18 | 18 | 0,50 | 1,20 |
P-TQFP-0160-1818-0,40 | P-LQFP/160-18x18-0,40 | 19,8 | 20,2 | 19,8 | 20,2 | 0,45 | 0,75 | 0,13 | 0,16 | 0,19 | 18,3 | 18,88 | 18 | 18 | 0,40 | 1,20 |
P-TQFP-0216-1818-0,30 | P-LQFP/216-18x18-0,30 | 19,8 | 20,2 | 19,8 | 20,2 | 0,45 | 0,75 | 0,09 | 0,12 | 0,15 | 18,3 | 18,88 | 18 | 18 | 0,30 | 1,20 |
P-TQFP-0112-2020-0,65 | P-LQFP/112-20x20-0,65 | 21,8 | 22,2 | 21,8 | 22,2 | 0,45 | 0,75 | 0,22 | 0,30 | 0,36 | 20,3 | 20,88 | 20 | 20 | 0,65 | 1,20 |
P-TQFP-0144-2020-0,50 | P-LQFP/144-20x20-0,50 | 21,8 | 22,2 | 21,8 | 22,2 | 0,45 | 0,75 | 0,17 | 0,20 | 0,23 | 20,3 | 20,88 | 20 | 20 | 0,50 | 1,20 |
P-TQFP-0178-2020-0,40 | P-LQFP/176-20x20-0,40 | 21,8 | 22,2 | 21,8 | 22,2 | 0,45 | 0,75 | 0,13 | 0,16 | 0,19 | 20,3 | 20,88 | 20 | 20 | 0,40 | 1,20 |
![]() | ||||||||||||||||
![]() | ![]() | |||||||||||||||
Размеры в миллиметрах | ||||||||||||||||
Код корпуса по EIAJ | Код корпуса по JEDEC | L2 | L1 | LP | W | S <*> | B | A | P | H | ||||||
min | max | min | max | min | max | min | nom | max | min | max | ||||||
P-TQFP-0240-2020-0,30 | P-LQFP/240-20x20-0,30 | 21,8 | 22,2 | 21,8 | 22,2 | 0,45 | 0,75 | 0,09 | 0,12 | 0,15 | 20,3 | 20,88 | 20 | 20 | 0,30 | 1,20 |
P-TQFP-0176-2424-0,50 | P-LQFP/176-24x24-0,50 | 25,8 | 26,2 | 25,8 | 26,2 | 0,45 | 0,75 | 0,17 | 0,20 | 0,23 | 24,3 | 24,88 | 24 | 24 | 0,50 | 1,20 |
P-TQFP-0216-2424-0,40 | P-LQFP/216-24x24-0,40 | 25,8 | 26,2 | 25,8 | 26,2 | 0,45 | 0,75 | 0,13 | 0,16 | 0,19 | 24,3 | 24,88 | 24 | 24 | 0,40 | 1,20 |
Галтель на носке | Галтель на пятке | Боковая галтель | |||||||||||||
![]() | ![]() | ![]() | |||||||||||||
Размеры в миллиметрах | |||||||||||||||
Корпус (шаг выводов) | Допуск | Паяное соединение | |||||||||||||
F | P | на носке JT | на пятке JH | боковая галтель JS | |||||||||||
L1/L2/L3 | L1/L2/L3 | CL | max | mdn | min | CS | max | mdn | min | CW | max | mdn | min | ||
0,80 | 0,1 | 0,1 | 0,4 | 0,55 | 0,35 | 0,15 | 0,583 | 0,5 | 0,35 | 0,2 | 0,12 | 0,05 | 0,0 | 0,0 | |
0,65 | 0,1 | 0,1 | 0,4 | 0,55 | 0,35 | 0,15 | 0,583 | 0,5 | 0,35 | 0,2 | 0,14 | 0,05 | 0,0 | 0,0 | |
0,50 | 0,1 | 0,1 | 0,4 | 0,55 | 0,35 | 0,15 | 0,583 | 0,2 | 0,20 | 0,2 | 0,06 | 0,00 | 0,0 | 0,0 | |
0,40 | 0,1 | 0,1 | 0,4 | 0,55 | 0,35 | 0,15 | 0,583 | 0,2 | 0,20 | 0,2 | 0,06 | 0,00 | 0,0 | 0,0 | |
0,30 | 0,1 | 0,1 | 0,4 | 0,55 | 0,35 | 0,15 | 0,583 | 0,2 | 0,20 | 0,2 | 0,06 | 0,00 | 0,0 | 0,0 | |
CL - погрешность длины корпуса (по носкам рядов выводов); CS - погрешность расстояния между рядами выводов корпуса; CW - погрешность ширины вывода. | |||||||||||||||






![]() | |||||||||
Размеры в миллиметрах | |||||||||
Идентификатор посадочного места | Код корпуса по EIAJ | Код корпуса по JEDEC | Z | G | X <*> | Y | P | CY1 | CY2 |
Уровень 1 | |||||||||
5095M | P-TQFP-0032-0505-0,50 | P-LQFP/032-5x5-0,50 | 8,4 | 5,0 | 0,33 | 1,7 | 0,50 | 10 | 10 |
5096M | P-TQFP-0040-0505-0,40 | P-LQFP/040-5x5-0,40 | 8,4 | 5,0 | 0,29 | 1,7 | 0,40 | 10 | 10 |
5097M | P-TQFP-0032-0707-0,80 | P-LQFP/032-7x7-0,80 | 10,4 | 7,0 | 0,58 | 1,7 | 0,80 | 12 | 12 |
5098M | P-TQFP-0040-0707-0,65 | P-LQFP/040-7x7-0,65 | 10,4 | 7,0 | 0,52 | 1,7 | 0,65 | 12 | 12 |
5099M | P-TQFP-0048-0707-0,50 | P-LQFP/048-7x7-0,50 | 10,4 | 7,0 | 0,33 | 1,7 | 0,50 | 12 | 12 |
5100M | P-TQFP-0064-0707-0,40 | P-LQFP/064-7x7-0,40 | 10,4 | 7,0 | 0,29 | 1,7 | 0,40 | 12 | 12 |
5102M | P-TQFP-0044-1010-0,80 | P-LQFP/044-10x10-0,80 | 13,4 | 10,0 | 0,58 | 1,7 | 0,80 | 15 | 15 |
5103M | P-TQFP-0052-1010-0,65 | P-LQFP/052-10x10-0,65 | 13,4 | 10,0 | 0,52 | 1,7 | 0,65 | 15 | 15 |
5104M | P-TQFP-0064-1010-0,50 | P-LQFP/064-10x10-0,50 | 13,4 | 10,0 | 0,33 | 1,7 | 0,50 | 15 | 15 |
5105M | P-TQFP-0080-1010-0,40 | P-LQFP/080-10x10-0,40 | 13,4 | 10,0 | 0,29 | 1,7 | 0,40 | 15 | 15 |
5107M | P-TQFP-0064-1212-0,65 | P-LQFP/064-12x12-0,65 | 15,4 | 12,0 | 0,52 | 1,7 | 0,65 | 17 | 17 |
5108M | P-TQFP-0080-1212-0,50 | P-LQFP/080-12x12-0,50 | 15,4 | 12,0 | 0,33 | 1,7 | 0,50 | 17 | 17 |
5109M | P-TQFP-0100-1212-0,40 | P-LQFP/100-12x12-0,40 | 15,4 | 12,0 | 0,29 | 1,7 | 0,40 | 17 | 17 |
5111M | P-TQFP-0064-1414-0,80 | P-LQFP/064-14x14-0,80 | 17,4 | 14,0 | 0,58 | 1,7 | 0,80 | 19 | 19 |
5112M | P-TQFP-0080-1414-0,65 | P-LQFP/080-14x14-0,65 | 17,4 | 14,0 | 0,52 | 1,7 | 0,65 | 19 | 19 |
5113M | P-TQFP-0100-1414-0,50 | P-LQFP/100-14x14-0,50 | 17,4 | 14,0 | 0,33 | 1,7 | 0,50 | 19 | 19 |
5114M | P-TQFP-0120-1414-0,40 | P-LQFP/120-14x14-0,40 | 17,4 | 14,0 | 0,29 | 1,7 | 0,40 | 19 | 19 |
5116M | P-TQFP-0120-1616-0,50 | P-LQFP/120-16x16-0,50 | 19,4 | 16,0 | 0,33 | 1,7 | 0,50 | 21 | 21 |
5117M | P-TQFP-0144-1616-0,40 | P-LQFP/144-16x16-0,40 | 19,4 | 16,0 | 0,29 | 1,7 | 0,40 | 21 | 21 |
5119M | P-TQFP-0128-1818-0,50 | P-LQFP/128-18x18-0,50 | 21,4 | 18,0 | 0,33 | 1,7 | 0,50 | 23 | 23 |
5120M | P-TQFP-0160-1818-0,40 | P-LQFP/160-18x18-0,40 | 21,4 | 18,0 | 0,29 | 1,7 | 0,40 | 23 | 23 |
5122M | P-TQFP-0112-2020-0,65 | P-LQFP/112-20x20-0,65 | 23,4 | 20,0 | 0,52 | 1,7 | 0,65 | 25 | 25 |
5123M | P-TQFP-0144-2020-0,50 | P-LQFP/144-20x20-0,50 | 23,4 | 20,0 | 0,33 | 1,7 | 0,50 | 25 | 25 |
5124M | P-TQFP-0178-2020-0,40 | P-LQFP/176-20x20-0,40 | 23,4 | 20,0 | 0,29 | 1,7 | 0,40 | 25 | 25 |
5126M | P-TQFP-0176-2424-0,50 | P-LQFP/176-24x24-0,50 | 27,4 | 24,0 | 0,33 | 1,7 | 0,50 | 29 | 29 |
5127M | P-TQFP-0216-2424-0,40 | P-LQFP/216-24x24-0,40 | 27,4 | 24,0 | 0,29 | 1,7 | 0,40 | 29 | 29 |
Уровень 2 | |||||||||
5095N | P-TQFP-0032-0505-0,50 | P-LQFP/032-5x5-0,50 | 8,0 | 5,0 | 0,33 | 1,5 | 0,50 | 8,5 | 8,5 |
5096N | P-TQFP-0040-0505-0,40 | P-LQFP/040-5x5-0,40 | 8,0 | 5,0 | 0,29 | 1,5 | 0,40 | 8,5 | 8,5 |
5097N | P-TQFP-0032-0707-0,80 | P-LQFP/032-7x0,80 | 10,0 | 7,0 | 0,48 | 1,5 | 0,80 | 10,5 | 10,5 |
5098N | P-TQFP-0040-0707-0,65 | P-LQFP/040-7x7-0,65 | 10,0 | 7,0 | 0,42 | 1,5 | 0,65 | 10,5 | 10,5 |
5099N | P-TQFP-0048-0707-0,50 | P-LQFP/048-7x7-0,50 | 10,0 | 7,0 | 0,33 | 1,5 | 0,50 | 10,5 | 10,5 |
5100N | P-TQFP-0064-0707-0,40 | P-LQFP/064-7x7-0,40 | 10,0 | 7,0 | 0,29 | 1,5 | 0,40 | 10,5 | 10,5 |
5102N | P-TQFP-0044-1010-0,80 | P-LQFP/044-10x10-0,80 | 13,0 | 10,0 | 0,48 | 1,5 | 0,80 | 13,5 | 13,5 |
5103N | P-TQFP-0052-1010-0,65 | P-LQFP/052-10x10-0,65 | 13,0 | 10,0 | 0,42 | 1,5 | 0,65 | 13,5 | 13,5 |
5104N | P-TQFP-0064-1010-0,50 | P-LQFP/064-10x-0,50 | 13,0 | 10,0 | 0,33 | 1,5 | 0,50 | 13,5 | 13,5 |
5105M | P-TQFP-0080-1010-0,40 | P-LQFP/080-10x10-0,40 | 13,4 | 10,0 | 0,29 | 1,7 | 0,40 | 15 | 15 |
5107M | P-TQFP-0064-1212-0,65 | P-LQFP/064-12x12-0,65 | 15,4 | 12,0 | 0,52 | 1,7 | 0,65 | 17 | 17 |
5108M | P-TQFP-0080-1212-0,50 | P-LQFP/080-12x12-0,50 | 15,4 | 12,0 | 0,33 | 1,7 | 0,50 | 17 | 17 |
5109M | P-TQFP-0100-1212-0,40 | P-LQFP/100-12x12-0,40 | 15,4 | 12,0 | 0,29 | 1,7 | 0,40 | 17 | 17 |
5111M | P-TQFP-0064-1414-0,80 | P-LQFP/064-14x14-0,80 | 17,4 | 14,0 | 0,58 | 1,7 | 0,80 | 19 | 19 |
5112M | P-TQFP-0080-1414-0,65 | P-LQFP/080-14x14-0,65 | 17,4 | 14,0 | 0,52 | 1,7 | 0,65 | 19 | 19 |
5113M | P-TQFP-0100-1414-0,50 | P-LQFP/100-14x14-0,50 | 17,4 | 14,0 | 0,33 | 1,7 | 0,50 | 19 | 19 |
5114M | P-TQFP-0120-1414-0,40 | P-LQFP/120-14x14-0,40 | 17,4 | 14,0 | 0,29 | 1,7 | 0,40 | 19 | 19 |
5116M | P-TQFP-0120-1616-0,50 | P-LQFP/120-16x16-0,50 | 19,4 | 16,0 | 0,33 | 1,7 | 0,50 | 21 | 21 |
5117M | P-TQFP-0144-1616-0,40 | P-LQFP/144-16x16-0,40 | 19,4 | 16,0 | 0,29 | 1,7 | 0,40 | 21 | 21 |
5119M | P-TQFP-0128-1818-0,50 | P-LQFP/128-18x18-0,50 | 21,4 | 18,0 | 0,33 | 1,7 | 0,50 | 23 | 23 |
5120M | P-TQFP-0160-1818-0,40 | P-LQFP/160-18x-0,40 | 21,4 | 18,0 | 0,29 | 1,7 | 0,40 | 23 | 23 |
5122M | P-TQFP-0112-2020-0,65 | P-LQFP/112-20x20-0,65 | 23,4 | 20,0 | 0,52 | 1,7 | 0,65 | 25 | 25 |
5123M | P-TQFP-0144-2020-0,50 | P-LQFP/144-20x20-0,50 | 23,4 | 20,0 | 0,33 | 1,7 | 0,50 | 25 | 25 |
5124M | P-TQFP-0178-2020-0,40 | P-LQFP/176-20x20-0,40 | 23,4 | 20,0 | 0,29 | 1,7 | 0,40 | 25 | 25 |
5126M | P-TQFP-0176-2424-0,50 | P-LQFP/176-24x24-0,50 | 27,4 | 24,0 | 0,33 | 1,7 | 0,50 | 29 | 29 |
5127M | P-TQFP-0216-2424-0,40 | P-LQFP/216-24x24-0,40 | 27,4 | 24,0 | 0,29 | 1,7 | 0,40 | 29 | 29 |
Уровень 3 | |||||||||
5095L | P-TQFP-0032-0505-0,50 | P-LQFP/032-5x5-0,50 | 7,5 | 5,0 | 0,25 | 1,25 | 0,50 | 7,7 | 7,7 |
5096L | P-TQFP-0040-0505-0,40 | P-LQFP/040-5x5-0,40 | 7,5 | 5,0 | 0,20 | 1,25 | 0,40 | 7,7 | 7,7 |
5097L | P-TQFP-0032-0707-0,80 | P-LQFP/032-7x7-0,80 | 9,5 | 7,0 | 0,40 | 1,25 | 0,80 | 9,7 | 9,7 |
5098L | P-TQFP-0040-0707-0,65 | P-LQFP/040-7x7-0,65 | 9,5 | 7,0 | 0,35 | 1,25 | 0,65 | 9,7 | 9,7 |
5099L | P-TQFP-0048-0707-0,50 | P-LQFP/048-7x7-0,50 | 9,5 | 7,0 | 0,25 | 1,25 | 0,50 | 9,7 | 9,7 |
5100L | P-TQFP-0064-0707-0,40 | P-LQFP/064-7x7-0,40 | 9,5 | 7,0 | 0,20 | 1,25 | 0,40 | 9,7 | 9,7 |
5101L | P-TQFP-0080-0707-0,30 | P-LQFP/080-7x7-0,30 | 9,5 | 7,0 | 0,15 | 1,25 | 0,30 | 9,7 | 9,7 |
5102L | P-TQFP-0044-1010-0,80 | P-LQFP/044-10x10-0,80 | 12,5 | 10,0 | 0,40 | 1,25 | 0,80 | 12,7 | 12,7 |
Идентификатор посадочного места | Код корпуса по EIAJ | Код корпуса по JEDEC | Z | G | X <*> | Y | P | CY1 | CY2 |
5103L | P-TQFP-0052-1010-0,65 | P-LQFP/052-10x10-0,65 | 12,5 | 10,0 | 0,35 | 1,25 | 0,65 | 12,7 | 12,7 |
5104L | P-TQFP-0064-1010-0,50 | P-LQFP/064-10x10-0,50 | 12,5 | 10,0 | 0,25 | 1,25 | 0,50 | 12,7 | 12,7 |
5105L | P-TQFP-0080-1010-0,40 | P-LQFP/080-10x10-0,40 | 12,5 | 10,0 | 0,20 | 1,25 | 0,40 | 12,7 | 12,7 |
5106L | P-TQFP-0120-1010-0,30 | P-LQFP/120-10x10-0,30 | 12,5 | 10,0 | 0,15 | 1,25 | 0,30 | 12,7 | 12,7 |
5107L | P-TQFP-0064-1212-0,65 | P-LQFP/064-12x12-0,65 | 14,5 | 12,0 | 0,35 | 1,25 | 0,65 | 14,7 | 14,7 |
5108L | P-TQFP-0080-1212-0,50 | P-LQFP/080-12x12-0,50 | 14,5 | 12,0 | 0,25 | 1,25 | 0,50 | 14,7 | 14,7 |
5109L | P-TQFP-0100-1212-0,40 | P-LQFP/100-12x12-0,40 | 14,5 | 12,0 | 0,20 | 1,25 | 0,40 | 14,7 | 14,7 |
5110L | P-TQFP-0144-1212-0,30 | P-LQFP/144-12x12-0,30 | 14,5 | 12,0 | 0,15 | 1,25 | 0,30 | 14,7 | 14,7 |
5111L | P-TQFP-0064-1414-0,80 | P-LQFP/064-14x14-0,80 | 16,5 | 14,0 | 0,40 | 1,25 | 0,80 | 16,7 | 16,7 |
5112L | P-TQFP-0080-1414-0,65 | P-LQFP/080-14x14-0,65 | 16,5 | 14,0 | 0,35 | 1,25 | 0,65 | 16,7 | 16,7 |
5113L | P-TQFP-0100-1414-0,50 | P-LQFP/100-14x14-0,50 | 16,5 | 14,0 | 0,25 | 1,25 | 0,50 | 16,7 | 16,7 |
5114L | P-TQFP-0120-1414-0,40 | P-LQFP/120-14x14-0,40 | 16,5 | 14,0 | 0,20 | 1,25 | 0,40 | 16,7 | 16,7 |
5115L | P-TQFP-0168-1414-0,30 | P-LQFP/168-14x-0,30 | 16,5 | 14,0 | 0,15 | 1,25 | 0,30 | 16,7 | 16,7 |
5116L | P-TQFP-0120-1616-0,50 | P-LQFP/120-16x16-0,50 | 18,5 | 16,0 | 0,25 | 1,25 | 0,50 | 18,7 | 18,7 |
5117L | P-TQFP-0144-1616-0,40 | P-LQFP/144-16x16-0,40 | 18,5 | 16,0 | 0,20 | 1,25 | 0,40 | 18,7 | 18,7 |
5118L | P-TQFP-0184-1616-0,30 | P-LQFP/184-16x16-0,30 | 18,5 | 16,0 | 0,15 | 1,25 | 0,30 | 18,7 | 18,7 |
5119L | P-TQFP-0128-1818-0,50 | P-LQFP/128-18x18-0,50 | 20,5 | 18,0 | 0,25 | 1,25 | 0,50 | 20,7 | 20,7 |
5120L | P-TQFP-0160-1818-0,40 | P-LQFP/160-18x-0,40 | 20,5 | 18,0 | 0,20 | 1,25 | 0,40 | 20,7 | 20,7 |
5121L | P-TQFP-0216-1818-0,30 | P-LQFP/216-18x18-0,30 | 20,5 | 18,0 | 0,15 | 1,25 | 0,30 | 20,7 | 20,7 |
5122L | P-TQFP-0112-2020-0,65 | P-LQFP/112-20x20-0,65 | 22,5 | 20,0 | 0,35 | 1,25 | 0,65 | 22,7 | 22,7 |
5123L | P-TQFP-0144-2020-0,50 | P-LQFP/144-20x20-0,50 | 22,5 | 20,0 | 0,25 | 1,25 | 0,50 | 22,7 | 22,7 |
5124L | P-TQFP-0178-2020-0,40 | P-LQFP/176-20x20-0,40 | 22,5 | 20,0 | 0,20 | 1,25 | 0,40 | 22,7 | 22,7 |
5125L | P-TQFP-0240-2020-0,30 | P-LQFP/240-20x-0,30 | 22,5 | 20,0 | 0,15 | 1,25 | 0,30 | 22,7 | 22,7 |
5126L | P-TQFP-0176-2424-0,50 | P-LQFP/176-24x24-0,50 | 26,5 | 24,0 | 0,25 | 1,25 | 0,50 | 26,7 | 26,7 |
5127L | P-TQFP-0216-2424-0,40 | P-LQFP/216-24x24-0,40 | 26,5 | 24,0 | 0,20 | 1,25 | 0,40 | 26,7 | 26,7 |
IEC 60068-2-54 | Environmental testing - Part 2-54: Tests - Test Ta: Solderability testing of electronic components by the wetting balance method (Испытание на воздействие внешних факторов. Часть 2-54. Испытания. Испытание Ta: Испытание на паяемость электронных компонентов методом равномерного смачивания) |
IEC 60068-2-58 | Environmental testing - Part 2-58: Tests - Test Td: Test methods for solderability, resistance to dissolution of metallization and to soldering heat of surface mounting devices (SMD) (Испытания на воздействия внешних факторов. Часть 2-58. Испытания. Испытание Td: Методы испытания на пригодность к пайке, сопротивление растворению металлизации и теплоте пайки поверхностно смонтированных приборов) |
IEC 60191-2 (all parts) | Mechanical standardization of semiconductor devices - Part 2: Dimensions (Стандартизация конструкций полупроводниковых приборов. Часть 2. Размеры) |
IEC 61191-1 | Printed board assemblies - Part 1: General specification - Requirements for soldered electrical and electronic assemblies using surface mount and related assembly technologies (Сборки печатных плат. Часть 1. Общие технические условия. Требования к паяным сборкам электрических и электронных компонентов с применением поверхностного монтажа и связанных с ним технологий сборки) |
УДК 621.3.049.75:006.354 | МКС 31.180 | IDT |
Ключевые слова: Печатные платы, печатные узлы, поверхностный монтаж, компоненты в корпусах QFP с выводами в форме "крыла чайки" с четырех сторон, размеры паяного соединения, размеры посадочных мест | ||