Главная // Актуальные документы // Актуальные документы (обновление с 29.09.2025 по 01.11.2025) // ГОСТ (Государственный стандарт)СПРАВКА
Источник публикации
М.: Стандартинформ, 2014
Примечание к документу
Документ
введен в действие с 01.03.2015.
Название документа
"ГОСТ IEC 61188-5-4-2013. Межгосударственный стандарт. Печатные платы и печатные узлы. Проектирование и применение. Часть 5-4. Общие требования. Анализ соединений (посадочные места для монтажа компонентов). Компоненты с J-образными выводами с двух сторон"
(введен в действие Приказом Росстандарта от 16.09.2014 N 1108-ст)
"ГОСТ IEC 61188-5-4-2013. Межгосударственный стандарт. Печатные платы и печатные узлы. Проектирование и применение. Часть 5-4. Общие требования. Анализ соединений (посадочные места для монтажа компонентов). Компоненты с J-образными выводами с двух сторон"
(введен в действие Приказом Росстандарта от 16.09.2014 N 1108-ст)
агентства по техническому
регулированию и метрологии
от 16 сентября 2014 г. N 1108-ст
МЕЖГОСУДАРСТВЕННЫЙ СТАНДАРТ
ПЕЧАТНЫЕ ПЛАТЫ И ПЕЧАТНЫЕ УЗЛЫ
ПРОЕКТИРОВАНИЕ И ПРИМЕНЕНИЕ
ЧАСТЬ 5-4
ОБЩИЕ ТРЕБОВАНИЯ
АНАЛИЗ СОЕДИНЕНИЙ
(ПОСАДОЧНЫЕ МЕСТА ДЛЯ МОНТАЖА КОМПОНЕНТОВ)
КОМПОНЕНТЫ С J-ОБРАЗНЫМИ ВЫВОДАМИ С ДВУХ СТОРОН
Printed boards and printed board assemblies. Design and use.
Part 5-4. Attachment (land/joint) considerations.
Components with J leads on two sides
(IEC 61188-5-4:2007, IDT)
ГОСТ IEC 61188-5-4-2013
Дата введения
1 марта 2015 года
Цели, основные принципы и основной порядок проведения работ по межгосударственной стандартизации установлены
ГОСТ 1.0-92 "Межгосударственная система стандартизации. Основные положения" и
ГОСТ 1.2-2009 "Межгосударственная система стандартизации. Стандарты межгосударственные, правила и рекомендации по межгосударственной стандартизации. Правила разработки, принятия, применения, обновления и отмены"
1 ПОДГОТОВЛЕН Некоммерческим образовательным частным учреждением "Новая инженерная школа" (НОЧУ "НИШ") на основе аутентичного перевода на русский язык, указанного в
пункте 5 стандарта, который выполнен Российской комиссией экспертов МЭК/ТК 91
2 ВНЕСЕН Техническим комитетом по стандартизации ТК 420 "Базовые несущие конструкции, печатные платы, сборка и монтаж электронных модулей"
3 ПРИНЯТ Межгосударственным советом по стандартизации, метрологии и сертификации (протокол от 14 ноября 2013 г. N 44-2013)
За принятие проголосовали:
Краткое наименование страны по МК (ИСО 3166) 004-97 | Код страны по МК (ИСО 3166) 004-97 | Сокращенное наименование национального органа по стандартизации |
Беларусь | BY | Госстандарт Республики Беларусь |
Киргизия | KG | Кыргызстандарт |
Россия | RU | Росстандарт |
4
Приказом Федерального агентства по техническому регулированию и метрологии от 16 сентября 2014 года N 1108-ст межгосударственный стандарт
ГОСТ IEC 61188-5-8-2013 введен в действие в качестве национального стандарта Российской Федерации с 1 марта 2015 года.
5 Настоящий стандарт идентичен международному стандарту IEC 61188-5-4:2007 Printed boards and printed board assemblies - Design and use - Part 5-4: Attachment (land/joint) considerations - Components with J leads on two sides (Платы печатные и сборки печатных плат. Конструкция и назначение. Часть 5-4. Проблемы крепления (контактные площадки/стыки). Компоненты с J-образными выводами с обеих сторон).
Перевод с английского языка (en).
Наименование стандарта изменено относительно наименования указанного международного стандарта для приведения в соответствие с ГОСТ Р 1.5
(пункт 3.5).
При применении настоящего стандарта рекомендуется использовать вместо ссылочных международных стандартов соответствующие им межгосударственные стандарты, сведения о которых приведены в дополнительном
приложении ДА
Степень соответствия - идентичная (IDT).
6 ВВЕДЕН ВПЕРВЫЕ
Информация об изменениях к настоящему стандарту публикуется в ежегодном информационном указателе "Национальные стандарты", а текст изменений и поправок - в ежемесячном информационном указателе "Национальные стандарты". В случае пересмотра (замены) или отмены настоящего стандарта соответствующее уведомление будет опубликовано в ежемесячном информационном указателе "Национальные стандарты". Соответствующая информация, уведомление и тексты размещаются также в информационной системе общего пользования - на официальном сайте Федерального агентства по техническому регулированию и метрологии в сети Интернет
ГОСТ IEC 61188-5 "Печатные платы и печатные узлы. Проектирование и применение. Часть 5. Анализ соединений (посадочные места для монтажа компонентов)" включает в себя:
Часть 5-1. Общие требования.
Часть 5-2. Дискретные компоненты.
Часть 5-3. Компоненты с выводами в форме крыла чайки с двух сторон.
Часть 5-4. Компоненты с J-образными выводами по двум сторонам.
Часть 5-5. Компоненты с выводами в форме крыла чайки с четырех сторон.
Часть 5-6. Компоненты с J-образными выводами по четырем сторонам.
Часть 5-8. Компоненты с матрицей выводов (BGA, FBGA, CGA, LGA).
Настоящий стандарт содержит информацию о посадочных местах для монтажа компонентов с J-образными выводами с двух сторон.
Предлагаемые размеры посадочного места основаны на расчете допусков и технологических припусков контактной площадки и запасов области установки (см. IEC 61188-5-1, "Общие требования"). Анализ области установки включает все вопросы, связанные со стандартными производственными требованиями.
Размеры посадочного места, представленные в настоящем стандарте, применимы, главным образом, к процессам оплавления паяльных паст. Для пайки волной (не свойственной компонентам с корпусом SOJ) размеры посадочного места и области установки могут быть изменены. Ориентация компонентов параллельная направлению волны является предпочтительной, кроме того, рекомендуется использовать специальные ловушки припоя соответствующего размера.
В настоящем стандарте представлены три варианта размеров посадочного места (уровни 1, 2 и 3) на основании трех уровней выступов площадок и запасов области установки: максимального (max), среднего (mdn) и минимального (min). Тем не менее, разработчик может определить другие размеры посадочного места, основываясь на методологии IEC 61188-5-1, вводя свои собственные материалы и условия монтажа, C, F, P, и, при необходимости, собственную величину выступов контактных площадок и запаса области установки компонента.
Если у разработчика имеются обоснованные причины использовать другие принципы, отличные от изложенных IEC 61188-5-1, или использовать другие размеры выступов контактной площадки, то в таком случае данный стандарт может использоваться для проверки размера галтели паяного соединения.
На разработчика возложена ответственность за соответствие посадочного места требованиям процесса поверхностного монтажа (SMD), обеспечивающим его стабильность, включая контроль и надежность изделия при эксплуатации в жестких условиях.
Настоящий стандарт содержит информацию о размерах компонентов и посадочных мест для малогабаритных интегральных схем с J-образными выводами с двух сторон (компоненты SOJ). Для пайки этих компонентов применяется метод оплавления. Также в стандарте рассматривается основная конструкция компонента SOJ. В
разделе 4 приведены допуски и заданные размеры паяного соединения, используемые для расчета посадочного места.
Для применения настоящего стандарта необходимы следующие ссылочные документы. Для недатированных ссылок применяют последнее издание ссылочного документа (включая все его изменения).
IEC 60068-2-58 Environmental testing - Part 2-58: Tests - Test Td: Test methods for solderability, resistance to dissolution of metallization and to soldering heat of surface mounting devices (SMD) [Испытания на воздействие окружающей среды. Часть 2-58. Испытания. Испытание Td. Методы испытания паяемости, стойкости к расплавлению металлизации и к воздействию тепла при пайке компонентов поверхностного монтажа (SMD)]
IEC 60286-4 Packaging of components for automatic handling - Part 4: Stick magazines for electronic components encapsulated in packages of different forms (Компоновка компонентов при автоматической подаче и перемещении. Часть 4. Магазины для электронных компонентов, заключенных в корпуса форм E и G)
IEC 60286-3 Packaging of components for automatic handling - Part 3: Packaging of leadless components on continuous tapes [Упаковка компонентов для автоматической обработки. Часть 3. Упаковка безвыводных компонентов на непрерывных лентах]
IEC 60286-5 Packaging of components for automatic handling - Part 5: Matrix trays [Упаковка компонентов для автоматической обработки. Часть 5. Матричные поддоны]
IEC 61760-1, Surface mounting technology - Part 1: Standard method for the specification of surface mounting components (SMDs) [Технология поверхностного монтажа. Часть 1. Стандартный метод составления технических условий для компонентов поверхностного монтажа]
3.1 Общее описание компонента
Семейство компонентов с J-образными выводами на двух сторонах - это семейство малогабаритных компонентов, определяемых размерами корпуса в дюймах. Например, SOJ/300 имеет размер корпуса 0,300 дюйма или 7,63 мм, SOJ/350 имеет размер корпуса 0,350 дюйма или 8,88 мм, SOJ/400 имеет размер корпуса 0,400 дюйма или 10,12 мм, и SOJ/450 имеет размер корпуса 0,450 дюйма или 11,38 мм. Количество выводов корпуса находится в диапазоне от 14 до 28. Шаг одинаков для всех типоразмеров и равен 1,27 мм.
Малогабаритный корпус SOJ имеет выводы на двух сторонах аналогично DIP-корпусу. J-образный вывод выходит из корпуса, опускается по боковой стороне и изгибается под корпус, образуя изгиб в форме буквы J. Сопряжение выводов с посадочным местом находится в точках J-перегиба и является основой для определения ширины посадочного места.
Часть J-образного вывода (внутреннюю) называют пяткой, а внешний конец носком.
Выводы должно быть компланарными в диапазоне 0,1 мм. Таким образом, когда компонент помещается на плоскую поверхность, ни один вывод должен находиться на расстоянии не более 0,1 мм от поверхности.
Корпус SOJ использует достоинства кристаллов, имеющих параллельные адресацию или обмен данных по шине. Например, интегральные схемы памяти часто используются в групповых линиях с параллельными цепями, и линии шины соединяются с одним и тем же адресом на каждом кристалле. Микросхемы памяти в корпусах SOJ могут быть помещены близко друг к другу благодаря параллельному расположению контактов и использованию J-образных выводов. В системах памяти высокой производительности, экономия места может быть существенной по сравнению с компонентами с двухрядным расположением выводов другой формы.
3.2 Маркировка
Маркировка компонентов семейства SOJ должна соответствовать характеристикам, отмеченным в соответствующих технических характеристиках продукции IEC.
3.3 Вид упаковки
Компоненты могут поставляться в следующей упаковке:
- упаковка в ленте в соответствии с IEC 60286-3,
- рожковый магазин в соответствии с IEC 60286-4,
- лоток в соответствии с IEC 60286-5.
Упаковка россыпью не рекомендуется из-за требований к плоскостности расположения выводов при установке и пайке.
3.4 Анализ процесса
Вместе с другими компонентами, установленными на печатных платах, компоненты с J-образными выводами, обычно монтируются, используя стандартные процессы пайки оплавлением. Поэтому компоненты должны обладать соответствующей паяемостью и устойчивостью к температуре пайки. Эти свойства должны подтверждаться испытаниями IEC 60068-2-58 и соответствовать IEC 61760-1.
Размеры посадочных мест рассчитаны на основе математической модели, которая является основой создания паяного соединения печатного узла. Существующие модели создают предпосылки для создания надежных паяных соединений независимо от того, какой припой используется в этом соединении (бессвинцовый, оловянно-свинцовый и т.д.)
Требования к процессу оплавления зависят от типа припоя. Рекомендуется их проанализировать, чтобы процесс проходил при температуре выше температуры жидкой фазы металла, используемого припоя, и оставался выше данной температуры достаточное время, чтобы получить надежное металлургическое соединение.
4 Малогабаритные компоненты с J-образными выводами (SOJ)
4.1 Описание компонента
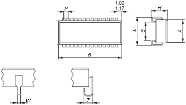
Типовая конструкция представлена на рисунке 1.
Рисунок 1 - Конструкция корпуса SOJ
4.2 Размеры компонентов
Размеры корпусов SOJ представлены на
рисунке 2.
Размеры посадочного места могут потребовать корректировки, если данные о размерах корпуса не соответствуют техническим требованиям JEDEC (Объединенного совета по разработке электронных устройств) и/или JEITA (Японской ассоциации отраслей электронной промышленности).
A (дюйм) | A (мм) |
Ref | Min | Max |
0,300 | 7,49 | 7,75 |
0,350 | 8,76 | 9,02 |
Рисунок 2 - Размеры корпуса SOJ, лист 1
Размеры в миллиметрах
Идентификатор корпуса | L | S | W | T | B | H | P |
Min | Max | Min | Max | Min | Max | Min | Max | Min | Max | Max | Basic |
SOJ 14/300 | 8,38 | 8,76 | 4,38 | 5,06 | 0,38 | 0,51 | 1,6 | 2,0 | 9,65 | 9,96 | 3,75 | 1,27 |
SOJ 16/300 | 8,38 | 8,76 | 4,38 | 5,06 | 0,38 | 0,51 | 1,6 | 2,0 | 10,92 | 11,23 | 3,75 | 1,27 |
SOJ 18/300 | 8,38 | 8,76 | 4,38 | 5,06 | 0,38 | 0,51 | 1,6 | 2,0 | 12,19 | 12,50 | 3,75 | 1,27 |
SOJ 20/300 | 8,38 | 8,76 | 4,38 | 5,06 | 0,38 | 0,51 | 1,6 | 2,0 | 13,46 | 13,77 | 3,75 | 1,27 |
SOJ 22/300 | 8,38 | 8,76 | 4,38 | 5,06 | 0,38 | 0,51 | 1,6 | 2,0 | 14,73 | 15,04 | 3,75 | 1,27 |
SOJ 24/300 | 8,38 | 8,76 | 4,38 | 5,06 | 0,38 | 0,51 | 1,6 | 2,0 | 16,00 | 16,31 | 3,75 | 1,27 |
SOJ 26/300 | 8,38 | 8,76 | 4,38 | 5,06 | 0,38 | 0,51 | 1,6 | 2,0 | 17,27 | 17,58 | 3,75 | 1,27 |
SOJ 28/300 | 8,38 | 8,76 | 4,38 | 5,06 | 0,38 | 0,51 | 1,6 | 2,0 | 18,54 | 18,85 | 3,75 | 1,27 |
SOJ 14/350 | 9,65 | 10,03 | 5,65 | 6,33 | 0,38 | 0,51 | 1,6 | 2,0 | 9,65 | 9,96 | 3,75 | 1,27 |
SOJ 16/350 | 9,65 | 10,03 | 5,65 | 6,33 | 0,38 | 0,51 | 1,6 | 2,0 | 10,92 | 11,23 | 3,75 | 1,27 |
SOJ 18/350 | 9,65 | 10,03 | 5,65 | 6,33 | 0,38 | 0,51 | 1,6 | 2,0 | 12,19 | 12,50 | 3,75 | 1,27 |
SOJ 20/350 | 9,65 | 10,03 | 5,65 | 6,33 | 0,38 | 0,51 | 1,6 | 2,0 | 13,46 | 13,77 | 3,75 | 1,27 |
SOJ 22/350 | 9,65 | 10,03 | 5,65 | 6,33 | 0,38 | 0,51 | 1,6 | 2,0 | 14,73 | 15,04 | 3,75 | 1,27 |
SOJ 24/350 | 9,65 | 10,03 | 5,65 | 6,33 | 0,38 | 0,51 | 1,6 | 2,0 | 16,00 | 16,31 | 3,75 | 1,27 |
SOJ 26/350 | 9,65 | 10,03 | 5,65 | 6,33 | 0,38 | 0,51 | 1,6 | 2,0 | 17,27 | 17,58 | 3,75 | 1,27 |
SOJ 28/350 | 9,65 | 10,03 | 5,65 | 6,33 | 0,38 | 0,51 | 1,6 | 2,0 | 18,54 | 18,85 | 3,75 | 1,27 |
SOJ 14/400 | 10,92 | 11,30 | 6,92 | 7,60 | 0,38 | 0,51 | 1,6 | 2,0 | 9,65 | 9,96 | 3,75 | 1,27 |
SOJ 16/400 | 10,92 | 11,30 | 6,92 | 7,60 | 0,38 | 0,51 | 1,6 | 2,0 | 10,92 | 11,23 | 3,75 | 1,27 |
SOJ 18/400 | 10,92 | 11,30 | 6,92 | 7,60 | 0,38 | 0,51 | 1,6 | 2,0 | 12,19 | 12,50 | 3,75 | 1,27 |
SOJ 20/400 | 10,92 | 11,30 | 6,92 | 7,60 | 0,38 | 0,51 | 1,6 | 2,0 | 13,46 | 13,77 | 3,75 | 1,27 |
SOJ 22/400 | 10,92 | 11,30 | 6,92 | 7,60 | 0,38 | 0,51 | 1,6 | 2,0 | 14,73 | 15,04 | 3,75 | 1,27 |
SOJ 24/400 | 10,92 | 11,30 | 6,92 | 7,60 | 0,38 | 0,51 | 1,6 | 2,0 | 16,00 | 16,31 | 3,75 | 1,27 |
SOJ 26/400 | 10,92 | 11,30 | 6,92 | 7,60 | 0,38 | 0,51 | 1,6 | 2,0 | 17,27 | 17,58 | 3,75 | 1,27 |
SOJ 28/400 | 10,92 | 11,30 | 6,92 | 7,60 | 0,38 | 0,51 | 1,6 | 2,0 | 18,54 | 18,85 | 3,75 | 1,27 |
SOJ 14/450 | 12,19 | 12,57 | 8,19 | 8,87 | 0,38 | 0,51 | 1,6 | 2,0 | 9,65 | 9,96 | 3,75 | 1,27 |
SOJ 16/450 | 12,19 | 12,57 | 8,19 | 8,87 | 0,38 | 0,51 | 1,6 | 2,0 | 10,92 | 11,23 | 3,75 | 1,27 |
SOJ 18/450 | 12,19 | 12,57 | 8,19 | 8,87 | 0,38 | 0,51 | 1,6 | 2,0 | 12,19 | 12,50 | 3,75 | 1,27 |
SOJ 20/450 | 12,19 | 12,57 | 8,19 | 8,87 | 0,38 | 0,51 | 1,6 | 2,0 | 13,46 | 13,77 | 3,75 | 1,27 |
SOJ 22/450 | 12,19 | 12,57 | 8,19 | 8,87 | 0,38 | 0,51 | 1,6 | 2,0 | 14,73 | 15,04 | 3,75 | 1,27 |
SOJ 24/450 | 12,19 | 12,57 | 8,19 | 8,87 | 0,38 | 0,51 | 1,6 | 2,0 | 16,00 | 16,31 | 3,75 | 1,27 |
SOJ 26/450 | 12,19 | 12,57 | 8,19 | 8,87 | 0,38 | 0,51 | 1,6 | 2,0 | 17,27 | 17,58 | 3,75 | 1,27 |
SOJ 28/450 | 12,19 | 12,57 | 8,19 | 8,87 | 0,38 | 0,51 | 1,6 | 2,0 | 18,54 | 18,85 | 3,75 | 1,27 |
Ref - справочный; Basic - межосевой. |
Рисунок 2, лист 2
4.3 Анализ формы паяного соединения
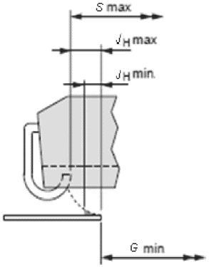
Размеры галтели припоя после процесса пайки представлены на рисунке 3. Минимальные, средние и максимальные размеры каждой галтели на носке, пятке и боковой галтели вывода определены с учетом надежности паяного соединения, а также качества и производительности в процессе монтажа компонентов.
Галтель на пятке | Галтель на носке | Боковая галтель |
| | |
Размеры в миллиметрах |
Корпус (шаг выводов) | Допуск | Паяное соединение |
На пятке | На носке | Боковая галтель |
F | P | JT | JH | JS |
L1/L2/L3 | L1/L2/L3 | CL | Max | Mdn | Min | CS | Max | Mdn | Min | CW | Max | Mdn | Min |
1,27 | 0,10 | 0,10 | 0,38 | 0,55 | 0,35 | 0,15 | 1,18 | 0,30 | 0,25 | 0,20 | 0,13 | 0,1 | 0,0 | 0,0 |
CL - погрешность длины корпуса; CS - погрешность расстояния между контактами корпуса; CW - погрешность ширины корпуса. |
Рисунок 3 - Выступ паяного соединения
Проектирование посадочных мест в дополнение к размерам галтели требует рассмотрения трех факторов, касающихся погрешностей:
- погрешность размеров корпусов (C);
- погрешность установки компонентов на печатные платы (P);
- погрешность формы контактной площадки на печатных платах (F).
Далее приведены формулы расчета допуска, с учетом этих факторов.
a) Пайка без эффекта самовыравнивания (уровень 1)
В процессе пайки расплавленным припоем эффект самовыравнивания отсутствует. В данном случае формулы не могут быть упрощены и остаются в том виде, в котором они представлены ниже:
b) Пайка без эффекта самовыравнивания (уровень 2)
c) Пайка с эффектом самовыравниванием (уровень 3)
В процессе пайки оплавлением действует эффект самовыравнивания. При пайке оплавлением смещение компонента относительно контактной площадки печатной платы, возникшее при установке компонентов, исправляется автоматически благодаря эффекту самовыравнивания (т.е. величину, определяющую фактор P, можно считать равной нулю). Кроме того, допуск погрешности формы контактной площадки на печатной плате приблизительно равен +/- 30 мкм, а это незначительно по сравнению с погрешностью размеров корпусов (т.е., величину, определяющую фактор F, можно считать равной нулю). Таким образом, формулы могут быть упрощены следующим образом:
В зависимости от требуемой прочности пайки, возможностей используемого процесса производства и т.д. допускается использовать любой допуск, отличный от допуска, приведенного выше.
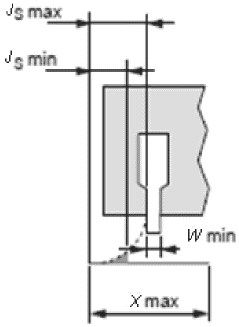
4.4 Размеры посадочного места
Размеры посадочного места для компонента SOJ при пайке оплавлением и пайке расплавленным припоем представлены на
рисунке 4. Эти значения вычисляются на основе формул для проектирования галтели паяного соединения, представленных в
4.3.
Область установки (CY) вычисляется, используя следующие формулы и округления. Величина округления для min равна 0,05 мм, для max 0,5 мм.

,
Примечание 1 - Следует отметить, что длина области установки CY1 определена длиной корпуса B (см.
рисунок 2), а не как обычно размером посадочного места D.
Примечание 2 - Не рекомендуется (но, в принципе, допускается) использовать внутреннюю область между двумя рядами контактных площадок для монтажа плоских типов компонентов поверхностного монтажа под корпусом SOJ.
Рисунок 4 - Размеры посадочного места корпуса SOJ, лист 1
Размеры в миллиметрах
Уровень 1 |
Идентификатор посадочного места | Идентификатор корпуса | Z | G | | Y | C | D | P | CY1 | CY2 |
4000M | SOJ 14/300 | 10,0 | 3,2 | 0,8 | 3,4 | 6,6 | 5,08 | 1,27 | 11 | 11 |
4001M | SOJ 16/300 | 10,0 | 3,2 | 0,8 | 3,4 | 6,6 | 7,62 | 1,27 | 13 | 11 |
4002M | SOJ 18/300 | 10,0 | 3,2 | 0,8 | 3,4 | 6,6 | 12,7 | 1,27 | 14 | 11 |
4004M | SOJ 20/300 | 10,0 | 3,2 | 0,8 | 3,4 | 6,6 | 15,24 | 1,27 | 15 | 11 |
4005M | SOJ 22/300 | 10,0 | 3,2 | 0,8 | 3,4 | 6,6 | 20,32 | 1,27 | 16 | 11 |
4006M | SOJ 24/300 | 10,0 | 3,2 | 0,8 | 3,4 | 6,6 | 25,4 | 1,27 | 18 | 11 |
4008M | SOJ 26/300 | 10,0 | 3,2 | 0,8 | 3,4 | 6,6 | 30,48 | 1,27 | 19 | 11 |
4009M | SOJ 28/300 | 10,0 | 3,2 | 0,8 | 3,4 | 6,6 | 38,1 | 1,27 | 20 | 11 |
4010M | SOJ 14/350 | 11,2 | 4,4 | 0,8 | 3,4 | 7,8 | 5,08 | 1,27 | 11 | 12 |
4012M | SOJ 16/350 | 11,2 | 4,4 | 0,8 | 3,4 | 7,8 | 7,62 | 1,27 | 13 | 12 |
4013M | SOJ 18/350 | 11,2 | 4,4 | 0,8 | 3,4 | 7,8 | 12,7 | 1,27 | 14 | 12 |
4014M | SOJ 20/350 | 11,2 | 4,4 | 0,8 | 3,4 | 7,8 | 15,24 | 1,27 | 15 | 12 |
4015M | SOJ 22/350 | 11,2 | 4,4 | 0,8 | 3,4 | 7,8 | 20,32 | 1,27 | 16 | 12 |
4016M | SOJ 24/350 | 11,2 | 4,4 | 0,8 | 3,4 | 7,8 | 25,4 | 1,27 | 18 | 12 |
4017M | SOJ 26/350 | 11,2 | 4,4 | 0,8 | 3,4 | 7,8 | 30,48 | 1,27 | 19 | 12 |
4018M | SOJ 28/350 | 11,2 | 4,4 | 0,8 | 3,4 | 7,8 | 38,1 | 1,27 | 20 | 12 |
4019M | SOJ 14/400 | 12,6 | 5,8 | 0,8 | 3,4 | 9,2 | 5,08 | 1,27 | 11 | 14 |
4020M | SOJ 16/400 | 12,6 | 5,8 | 0,8 | 3,4 | 9,2 | 7,62 | 1,27 | 13 | 14 |
4021M | SOJ 18/400 | 12,6 | 5,8 | 0,8 | 3,4 | 9,2 | 12,7 | 1,27 | 14 | 14 |
4022M | SOJ 20/400 | 12,6 | 5,8 | 0,8 | 3,4 | 9,2 | 15,24 | 1,27 | 15 | 14 |
4023M | SOJ 22/400 | 12,6 | 5,8 | 0,8 | 3,4 | 9,2 | 20,32 | 1,27 | 16 | 14 |
4024M | SOJ 24/400 | 12,6 | 5,8 | 0,8 | 3,4 | 9,2 | 25,4 | 1,27 | 18 | 14 |
4025M | SOJ 26/400 | 12,6 | 5,8 | 0,8 | 3,4 | 9,2 | 30,48 | 1,27 | 19 | 14 |
4026M | SOJ 28/400 | 12,6 | 5,8 | 0,8 | 3,4 | 9,2 | 38,1 | 1,27 | 20 | 14 |
4027M | SOJ 14/450 | 13,8 | 7,0 | 0,8 | 3,4 | 10,4 | 5,08 | 1,27 | 11 | 15 |
4028M | SOJ 16/450 | 13,8 | 7,0 | 0,8 | 3,4 | 10,4 | 7,62 | 1,27 | 13 | 15 |
4029M | SOJ 18/450 | 13,8 | 7,0 | 0,8 | 3,4 | 10,4 | 12,7 | 1,27 | 14 | 15 |
4030M | SOJ 20/450 | 13,8 | 7,0 | 0,8 | 3,4 | 10,4 | 15,24 | 1,27 | 15 | 15 |
4031M | SOJ 22/450 | 13,8 | 7,0 | 0,8 | 3,4 | 10,4 | 20,32 | 1,27 | 16 | 15 |
4032M | SOJ 24/450 | 13,8 | 7,0 | 0,8 | 3,4 | 10,4 | 25,4 | 1,27 | 18 | 15 |
4033M | SOJ 26/450 | 13,8 | 7,0 | 0,8 | 3,4 | 10,4 | 30,48 | 1,27 | 19 | 15 |
4034M | SOJ 28/450 | 13,8 | 7,0 | 0,8 | 3,4 | 10,4 | 38,1 | 1,27 | 20 | 15 |
| | ИС МЕГАНОРМ: примечание. Нумерация листов дана в соответствии с официальным текстом документа. | |
Рисунок 4, лист 1
Уровень 2 |
4000N | SOJ 14/300 | 9,5 | 3,3 | 0,6 | 3,1 | 6,4 | 5,08 | 1,27 | 10,5 | 10,0 |
4001N | SOJ 16/300 | 9,5 | 3,3 | 0,6 | 3,1 | 6,4 | 7,62 | 1,27 | 11,8 | 10,0 |
4002N | SOJ 18/300 | 9,5 | 3,3 | 0,6 | 3,1 | 6,4 | 12,7 | 1,27 | 13,1 | 10,0 |
4004N | SOJ 20/300 | 9,5 | 3,3 | 0,6 | 3,1 | 6,4 | 15,24 | 1,27 | 14,3 | 10,0 |
4005N | SOJ 22/300 | 9,5 | 3,3 | 0,6 | 3,1 | 6,4 | 20,32 | 1,27 | 15,6 | 10,0 |
4006N | SOJ 24/300 | 9,5 | 3,3 | 0,6 | 3,1 | 6,4 | 25,4 | 1,27 | 16,9 | 10,0 |
4008N | SOJ 26/300 | 9,5 | 3,3 | 0,6 | 3,1 | 6,4 | 30,48 | 1,27 | 18,2 | 10,0 |
4009N | SOJ 28/300 | 9,5 | 3,3 | 0,6 | 3,1 | 6,4 | 38,1 | 1,27 | 19,4 | 10,0 |
4010N | SOJ 14/350 | 10,8 | 4,6 | 0,6 | 3,1 | 7,7 | 5,08 | 1,27 | 10,5 | 11,3 |
4012N | SOJ 16/350 | 10,8 | 4,6 | 0,6 | 3,1 | 7,7 | 7,62 | 1,27 | 11,8 | 11,3 |
4013N | SOJ 18/350 | 10,8 | 4,6 | 0,6 | 3,1 | 7,7 | 12,7 | 1,27 | 13,1 | 11,3 |
4014N | SOJ 20/350 | 10,8 | 4,6 | 0,6 | 3,1 | 7,7 | 15,24 | 1,27 | 14,3 | 11,3 |
4015N | SOJ 22/350 | 10,8 | 4,6 | 0,6 | 3,1 | 7,7 | 20,32 | 1,27 | 15,6 | 11,3 |
4016N | SOJ 24/350 | 10,8 | 4,6 | 0,6 | 3,1 | 7,7 | 25,4 | 1,27 | 16,9 | 11,3 |
4017N | SOJ 26/350 | 10,8 | 4,6 | 0,6 | 3,1 | 7,7 | 30,48 | 1,27 | 18,2 | 11,3 |
4018N | SOJ 28/350 | 10,8 | 4,6 | 0,6 | 3,1 | 7,7 | 38,1 | 1,27 | 19,4 | 11,3 |
4019N | SOJ 14/400 | 12,1 | 5,9 | 0,6 | 3,1 | 9,0 | 5,08 | 1,27 | 10,5 | 12,6 |
4020N | SOJ 16/400 | 12,1 | 5,9 | 0,6 | 3,1 | 9,0 | 7,62 | 1,27 | 11,8 | 12,6 |
4021N | SOJ 18/400 | 12,1 | 5,9 | 0,6 | 3,1 | 9,0 | 12,7 | 1,27 | 13,1 | 12,6 |
4022N | SOJ 20/400 | 12,1 | 5,9 | 0,6 | 3,1 | 9,0 | 15,24 | 1,27 | 14,3 | 12,6 |
4023N | SOJ 22/400 | 12,1 | 5,9 | 0,6 | 3,1 | 9,0 | 20,32 | 1,27 | 15,6 | 12,6 |
4024N | SOJ 24/400 | 12,1 | 5,9 | 0,6 | 3,1 | 9,0 | 25,4 | 1,27 | 16,9 | 12,6 |
4025N | SOJ 26/400 | 12,1 | 5,9 | 0,6 | 3,1 | 9,0 | 30,48 | 1,27 | 18,2 | 12,6 |
4026N | SOJ 28/400 | 12,1 | 5,9 | 0,6 | 3,1 | 9,0 | 38,1 | 1,27 | 19,4 | 12,6 |
4027N | SOJ 14/450 | 13,3 | 7,1 | 0,6 | 3,1 | 10,2 | 5,08 | 1,27 | 10,5 | 13,8 |
4028N | SOJ 16/450 | 13,3 | 7,1 | 0,6 | 3,1 | 10,2 | 7,62 | 1,27 | 11,8 | 13,8 |
4029N | SOJ 18/450 | 13,3 | 7,1 | 0,6 | 3,1 | 10,2 | 12,7 | 1,27 | 13,1 | 13,8 |
4030N | SOJ 20/450 | 13,3 | 7,1 | 0,6 | 3,1 | 10,2 | 15,24 | 1,27 | 14,3 | 13,8 |
4031N | SOJ 22/450 | 13,3 | 7,1 | 0,6 | 3,1 | 10,2 | 20,32 | 1,27 | 15,6 | 13,8 |
4032N | SOJ 24/450 | 13,3 | 7,1 | 0,6 | 3,1 | 10,2 | 25,4 | 1,27 | 16,9 | 13,8 |
4033N | SOJ 26/450 | 13,3 | 7,1 | 0,6 | 3,1 | 10,2 | 30,48 | 1,27 | 18,2 | 13,8 |
4034N | SOJ 28/450 | 13,3 | 7,1 | 0,6 | 3,1 | 10,2 | 38,1 | 1,27 | 19,4 | 13,8 |
Уровень 3 |
4000L | SOJ 14/300 | 9,1 | 3,4 | 0,55 | 2,85 | 6,25 | 5,08 | 1,27 | 10,2 | 9,3 |
4001L | SOJ 16/300 | 9,1 | 3,4 | 0,55 | 2,85 | 6,25 | 7,62 | 1,27 | 11,5 | 9,3 |
4002L | SOJ 18/300 | 9,1 | 3,4 | 0,55 | 2,85 | 6,25 | 12,7 | 1,27 | 12,8 | 9,3 |
4004L | SOJ 20/300 | 9,1 | 3,4 | 0,55 | 2,85 | 6,25 | 15,24 | 1,27 | 14,0 | 9,3 |
4005L | SOJ 22/300 | 9,1 | 3,4 | 0,55 | 2,85 | 6,25 | 20,32 | 1,27 | 15,3 | 9,3 |
4006L | SOJ 24/300 | 9,1 | 3,4 | 0,55 | 2,85 | 6,25 | 25,4 | 1,27 | 16,6 | 9,3 |
4008L | SOJ 26/300 | 9,1 | 3,4 | 0,55 | 2,85 | 6,25 | 30,48 | 1,27 | 17,9 | 9,3 |
4009L | SOJ 28/300 | 9,1 | 3,4 | 0,55 | 2,85 | 6,25 | 38,1 | 1,27 | 19,1 | 9,3 |
4010L | SOJ 14/350 | 10,4 | 4,7 | 0,55 | 2,85 | 7,55 | 5,08 | 1,27 | 10,2 | 10,6 |
4012L | SOJ 16/350 | 10,4 | 4,7 | 0,55 | 2,85 | 7,55 | 7,62 | 1,27 | 11,5 | 10,6 |
4013L | SOJ 18/350 | 10,4 | 4,7 | 0,55 | 2,85 | 7,55 | 12,7 | 1,27 | 12,8 | 10,6 |
4014L | SOJ 20/350 | 10,4 | 4,7 | 0,55 | 2,85 | 7,55 | 15,24 | 1,27 | 14,0 | 10,6 |
4015L | SOJ 22/350 | 10,4 | 4,7 | 0,55 | 2,85 | 7,55 | 20,32 | 1,27 | 15,3 | 10,6 |
4016L | SOJ 24/350 | 10,4 | 4,7 | 0,55 | 2,85 | 7,55 | 25,4 | 1,27 | 16,6 | 10,6 |
4017L | SOJ 26/350 | 10,4 | 4,7 | 0,55 | 2,85 | 7,55 | 30,48 | 1,27 | 17,9 | 10,6 |
4018L | SOJ 28/350 | 10,4 | 4,7 | 0,55 | 2,85 | 7,55 | 38,1 | 1,27 | 19,1 | 10,6 |
4019L | SOJ 14/400 | 11,6 | 6,0 | 0,55 | 2,80 | 8,80 | 5,08 | 1,27 | 10,2 | 11,8 |
4020L | SOJ 16/400 | 11,6 | 6,0 | 0,55 | 2,80 | 8,80 | 7,62 | 1,27 | 11,5 | 11,8 |
4021L | SOJ 18/400 | 11,6 | 6,0 | 0,55 | 2,80 | 8,80 | 12,7 | 1,27 | 12,8 | 11,8 |
4022L | SOJ 20/400 | 11,6 | 6,0 | 0,55 | 2,80 | 8,80 | 15,24 | 1,27 | 14,0 | 11,8 |
4023L | SOJ 22/400 | 11,6 | 6,0 | 0,55 | 2,80 | 8,80 | 20,32 | 1,27 | 15,3 | 11,8 |
Рисунок 4, лист 2
Идентификатор посадочного места | Идентификатор корпуса | Z | G | | Y | C | D | P | CY1 | CY2 |
4024L | SOJ 24/400 | 11,6 | 6,0 | 0,55 | 2,80 | 8,80 | 25,4 | 1,27 | 16,6 | 11,8 |
4025L | SOJ 26/400 | 11,6 | 6,0 | 0,55 | 2,80 | 8,80 | 30,48 | 1,27 | 17,9 | 11,8 |
4026L | SOJ 28/400 | 11,6 | 6,0 | 0,55 | 2,80 | 8,80 | 38,1 | 1,27 | 19,1 | 11,8 |
4027L | SOJ 14/450 | 12,9 | 7,2 | 0,55 | 2,85 | 10,05 | 5,08 | 1,27 | 10,2 | 13,1 |
4028L | SOJ 16/450 | 12,9 | 7,2 | 0,55 | 2,85 | 10,05 | 7,62 | 1,27 | 11,5 | 13,1 |
4029L | SOJ 18/450 | 12,9 | 7,2 | 0,55 | 2,85 | 10,05 | 12,7 | 1,27 | 12,8 | 13,1 |
4030L | SOJ 20/450 | 12,9 | 7,2 | 0,55 | 2,85 | 10,05 | 15,24 | 1,27 | 14,0 | 13,1 |
4031L | SOJ 22/450 | 12,9 | 7,2 | 0,55 | 2,85 | 10,05 | 20,32 | 1,27 | 15,3 | 13,1 |
4032L | SOJ 24/450 | 12,9 | 7,2 | 0,55 | 2,85 | 10,05 | 25,4 | 1,27 | 16,6 | 13,1 |
4033L | SOJ 26/450 | 12,9 | 7,2 | 0,55 | 2,85 | 10,05 | 30,48 | 1,27 | 17,9 | 13,1 |
4034L | SOJ 28/450 | 12,9 | 7,2 | 0,55 | 2,85 | 10,05 | 38,1 | 1,27 | 19,1 | 13,1 |
<*> При использовании размерах, необходимо удостовериться в том, что существует достаточное пространство между смежными монтажными полями. |
Рисунок 4, лист 3
(справочное)
СВЕДЕНИЯ О СООТВЕТСТВИИ МЕЖГОСУДАРСТВЕННЫХ СТАНДАРТОВ
ССЫЛОЧНЫМ МЕЖДУНАРОДНЫМ СТАНДАРТАМ
Таблица ДА.1
Обозначение и наименование ссылочного международного стандарта | Степень соответствия | Обозначение и наименование соответствующего межгосударственного стандарта |
IEC 60068-2-58 Испытания на воздействие окружающей среды. Часть 2-58. Испытания. Испытание Td. Методы испытания паяемости, стойкости к расплавлению металлизации и к воздействию тепла при пайке компонентов поверхностного монтажа (SMD) | - | |
IEC 60286-3 Упаковка компонентов для автоматической обработки. Часть 3. Упаковка безвыводных компонентов на непрерывных лентах | - | |
IEC 60286-4 Компоновка компонентов при автоматической подаче и перемещении. Часть 4. Магазины для электронных компонентов, заключенных в корпуса форм E и G | - | |
IEC 60286-5 Упаковка компонентов для автоматической обработки. Часть 5. Матричные поддоны | - | |
IEC 61760-1 Технология поверхностного монтажа. Часть 1. Стандартный метод составления технических условий для компонентов поверхностного монтажа | - | |
<*> Соответствующий межгосударственный стандарт отсутствует. До его утверждения рекомендуется использовать перевод на русский язык данного международного стандарта. Перевод данного международного стандарта находится в Федеральном информационном фонде технических регламентов и стандартов. |
IEC 60191-2 (all parts) | Mechanical standardization of semiconductor devices - Part 2: Dimensions (Стандартизация конструкций полупроводниковых приборов. Часть 2. Размеры) |
IEC 61188-5-1 | Printed boards and printed board assemblies - Design and use - Part 5-1: Attachment (land/joint) considerations - Generic requirements (Платы печатные и сборки печатных плат. Конструкция и назначение. Часть 5-1. Проблемы крепления (контактные площадки/стыки). Общие требования) |
IEC 61191-1 | Printed board assemblies - Part 1: General specification - Requirements for soldered electrical and electronic assemblies using surface mount and related assembly technologies (Сборки печатных плат. Часть 1. Общие технические условия. Требования к паяным сборкам электрических и электронных компонентов с применением поверхностного монтажа и связанных с ним технологий сборки) |
IEC 61191-2 | Printed board assemblies - Part 2: Sectional specification - Requirements for surface mount soldered assembly (Сборки печатных плат. Часть 2. Групповые технические условия. Требования к паяным сборкам, предназначенным для поверхностного монтажа) |
УДК 621.3.049.75:006.354 | | IDT |
Ключевые слова: печатные платы, печатные узлы, компоненты с J-образными выводами с двух сторон, размеры паяного соединения, размеры посадочных мест |