Главная // Актуальные документы // Актуальные документы (обновление 2024.12.02-2025.01.05) // ГОСТ (Государственный стандарт)
СПРАВКА
Источник публикации
М.: ФГБУ "Институт стандартизации", 2024
Примечание к документу
Документ введен в действие с 01.01.2025.

Взамен ГОСТ IEC 60570-2012.
Название документа
"ГОСТ IEC 60570-2024. Межгосударственный стандарт. Шинопроводы электрические для светильников. Общие технические требования и методы испытаний"
(введен в действие Приказом Росстандарта от 11.09.2024 N 1198-ст)

"ГОСТ IEC 60570-2024. Межгосударственный стандарт. Шинопроводы электрические для светильников. Общие технические требования и методы испытаний"
(введен в действие Приказом Росстандарта от 11.09.2024 N 1198-ст)


Содержание


Введен в действие
Приказом Федерального
агентства по техническому
регулированию и метрологии
от 11 сентября 2024 г. N 1198-ст
МЕЖГОСУДАРСТВЕННЫЙ СТАНДАРТ
ШИНОПРОВОДЫ ЭЛЕКТРИЧЕСКИЕ ДЛЯ СВЕТИЛЬНИКОВ
ОБЩИЕ ТЕХНИЧЕСКИЕ ТРЕБОВАНИЯ И МЕТОДЫ ИСПЫТАНИЙ
Electrical supply track systems for luminaires.
General technical requirements and methods of tests
(IEC 60570:2019, Electrical supply track systems
for luminaires, IDT)
ГОСТ IEC 60570-2024
МКС 29.120.20;
29.140.40
Дата введения
1 января 2025 года
Предисловие
Цели, основные принципы и общие правила проведения работ по межгосударственной стандартизации установлены ГОСТ 1.0 "Межгосударственная система стандартизации. Основные положения" и ГОСТ 1.2 "Межгосударственная система стандартизации. Стандарты межгосударственные, правила и рекомендации по межгосударственной стандартизации. Правила разработки, принятия, обновления и отмены"
Сведения о стандарте
1 ПОДГОТОВЛЕН Обществом с ограниченной ответственностью "Всесоюзный научно-исследовательский светотехнический институт имени С.И. Вавилова" (ООО "ВНИСИ") на основе собственного перевода на русский язык англоязычной версии стандарта, указанного в пункте 5
2 ВНЕСЕН Межгосударственным техническим комитетом по стандартизации МТК 332 "Светотехнические изделия"
3 ПРИНЯТ Межгосударственным советом по стандартизации, метрологии и сертификации (протокол от 31 июля 2024 г. N 175-П)
За принятие проголосовали:
Краткое наименование страны по МК (ИСО 3166) 004-97
Код страны по МК (ИСО 3166) 004-97
Сокращенное наименование национального органа по стандартизации
Азербайджан
AZ
Азстандарт
Армения
AM
ЗАО "Национальный орган по стандартизации и метрологии" Республики Армения
Беларусь
BY
Госстандарт Республики Беларусь
Казахстан
KZ
Госстандарт Республики Казахстан
Киргизия
KG
Кыргызстандарт
Россия
RU
Росстандарт
Таджикистан
TJ
Таджикстандарт
Узбекистан
UZ
Узбекское агентство по техническому регулированию
4 Приказом Федерального агентства по техническому регулированию и метрологии от 11 сентября 2024 г. N 1198-ст межгосударственный стандарт ГОСТ IEC 60570-2024 введен в действие в качестве национального стандарта Российской Федерации с 1 января 2025 г.
5 Настоящий стандарт идентичен международному стандарту IEC 60570:2019 "Шинопроводы электрические для светильников" ("Electrical supply track systems for luminaires", IDT).
Международный стандарт разработан подкомитетом 34D "Освещение" Технического комитета по стандартизации IEC/TC 34 "Лампы и связанное с ними оборудование" Международной электротехнической комиссии (IEC).
Наименование настоящего стандарта изменено относительно наименования указанного международного стандарта для приведения в соответствие с ГОСТ 1.5 (подраздел 3.6).
При применении настоящего стандарта рекомендуется использовать вместо ссылочных международных стандартов соответствующие им межгосударственные стандарты, сведения о которых приведены в дополнительном приложении ДА
6 ВЗАМЕН ГОСТ IEC 60570-2012
Информация о введении в действие (прекращении действия) настоящего стандарта и изменений к нему на территории указанных выше государств публикуется в указателях национальных стандартов, издаваемых в этих государствах, а также в сети Интернет на сайтах соответствующих национальных органов по стандартизации.
В случае пересмотра, изменения или отмены настоящего стандарта соответствующая информация будет опубликована на официальном интернет-сайте Межгосударственного совета по стандартизации, метрологии и сертификации в каталоге "Межгосударственные стандарты"
Введение
Настоящий стандарт представляет собой прямое применение IEC 60570:2019.
В настоящем стандарте использованы следующие шрифтовые выделения:
- текст требований - светлым;
- текст методов испытаний - курсивом.
1 Область применения
Настоящий стандарт распространяется на электрические шинопроводы с двумя и более полюсами, предназначенные для присоединения светильников к источникам питания:
- сети с номинальным напряжением между полюсами (токоведущими проводниками) не более 440 В с заземлением (класс I) и номинальным током не более 16 А (далее - сеть);
- источнику безопасного сверхнизкого напряжения (БСНН) без защитного заземления (класс защиты III) и номинальным током не более 25 А;
- комбинированной системе питания, представляющей собой комбинацию двух вышеуказанных источников питания, для одновременного подключения в разных пазах секций шинопровода (с питанием от сети или источника БСНН) светильников классов защиты I или II и светильников класса защиты III с питанием от источника БСНН.
Шинопроводы также предназначены для механического крепления светильников.
Стандарт распространяется на шинопроводы, предназначенные для внутреннего монтажа на стенах и потолках, или заподлицо с ними, или в подвешенном состоянии в помещениях с нормальными условиями эксплуатации. Стандарт не распространяется на шинопроводы, применяемые на судах, транспортных средствах и т.п., а также в опасных зонах, например взрывоопасных средах.
Настоящий стандарт устанавливает общие технические требования и методы испытаний шинопроводов. Стандарт устанавливает требования к совместимости между цепями шинопроводов классов защиты I и III и не устанавливает требования к эксплуатационной совместимости или работоспособности между различными шинопроводами.
Шинопровод может быть снабжен вспомогательными цепями для подачи управляющего или звукового сигнала, отличного от электрического питания.
Примечание 1 - Применяют системы управления следующих типов:
- с управляющим сигналом, передаваемым через проводники с основной изоляцией от источника низкого напряжения (например, цифровой адресный интерфейс освещения, сигнал от 1 В до 10 В постоянного тока);
- управляющим сигналом, передаваемым через проводники безопасного сверхнизкого напряжения/защитного сверхнизкого напряжения (БСНН/ЗСНН) с изоляцией от источника низкого напряжения (например DMX);
- управляющим сигналом, передаваемым через проводники, неизолированные от источника низкого напряжения (например, кнопочное управление/фазовое отключение/постепенное затемнение).
В шинопроводах также могут быть предусмотрены проводники, специально предназначенные для светильников аварийного освещения.
Примечание 2 - Требования к ЗСНН находятся в стадии рассмотрения до изменения IEC 60598-1.
2 Нормативные ссылки
В настоящем стандарте использованы нормативные ссылки на следующие стандарты [для датированных ссылок применяют только указанное издание ссылочного стандарта, для недатированных - последнее издание (включая все изменения)]:
IEC 60417-2 <1>, Graphical symbols for use on equipment - Part 2: Symbol originals (Графические символы для использования на оборудовании. Часть 2. Оригиналы символов)
--------------------------------
<1> Заменен. Действует IEC 60417-DB-12M:2002.
IEC 60598-1:2014 <2>, Luminaires - Part 1: General requirements and tests (Светильники. Часть 1. Общие требования и испытания)
--------------------------------
<2> Заменен. Действует IEC 60598-1:2020.
IEC 60598-1:2014/AMD1:2017
Примечание - Девятое издание IEC 60598-1 находится в стадии подготовки. Стадия на момент публикации - IEC PRVC 60598-1:2019. Девятое издание обеспечивает взаимосвязь требований и методов испытаний, установленных в IEC 60598-1 и IEC 60570 для светильников, монтируемых на шинопроводах.
IEC 60598-2-22:2014 <3>, Luminaires - Part 2-22: Particular requirements - Luminaires for emergency lighting (Светильники. Part 2-22. Частные требования. Светильники для аварийного освещения)
--------------------------------
<3> Заменен. Действует IEC 60598-2-22:2021.
IEC 60598-2-22:2014/AMD1:2017
IEC 61032:1997, Protection of persons and equipment by enclosures - Probes for verification (Защита людей и оборудования, обеспечиваемая кожухами. Щупы испытательные)
3 Термины и определения
В настоящем стандарте применены термины по IEC 60598-1 (раздел 1), а также следующие термины с соответствующими определениями:
Примечание - Термин "светильник" (см. IEC 60598-1), применяемый по тексту настоящего стандарта, также включает в себя элементы шинопроводов для светильников.
3.1 шинопровод для светильников (luminaire track system): Система, состоящая из секций с проводниками для присоединения светильников к электрической сети в различных местах, положения которых определяются только длиной и расположением секций шинопровода, и включающая в себя некоторые или все элементы, определения которых приведены в 3.2 - 3.14 (см. также рисунок 1).
Примечание 1 - Шинопровод может быть снабжен вспомогательными цепями для передачи управляющего или звукового сигнала, отличного от сигнала электропитания. Шинопровод допускается применять для электропитания светильников, в которые управляющие сигналы подаются через проводники от сети электропитания или от другой сети.
Примечание 2 - В шинопроводе могут быть предусмотрены цепи, предназначенные для обеспечения подзарядки аккумуляторов (например, для автономных светильников аварийного освещения).
3.2 секция шинопровода (track): Линейная конструкция, состоящая из проводников, заключенных в корпус, обеспечивающая электрическое соединение и в большинстве случаев механическое крепление светильников.
Примечание - Светильники можно устанавливать или перемещать вдоль шинопроводов простым способом (т.е. без применения инструмента).
3.3 соединитель (track <*> coupler): Элемент, обеспечивающий электрическое и/или механическое соединение секций шинопровода, при этом обеспечивающий электрическое присоединение только через один и тот же паз (с питанием от сети или источника БСНН).
3.4 вводное устройство (track <*> supply connector): Элемент, используемый для электрического присоединения шинопровода к источнику питания, но всегда только через один паз.
--------------------------------
<*> В тексте настоящего стандарта термин "шинопровод" допускается не применять совместно с данным термином.
Примечание 1 - Функции вводного устройства и соединителя шинопровода могут быть совмещены.
Примечание 2 - Для паза БСНН секции вводное устройство шинопровода может включать в себя преобразователь БСНН или защитный разделительный трансформатор, подключаемый непосредственно к сектору основного напряжения.
3.5 электрический соединитель светильника (luminaire supply connector): Элемент, используемый для электрического присоединения светильника к секции шинопровода, не предназначенный для механического закрепления светильника на секции шинопровода и обеспечивающий электрическое присоединение только через один паз секции (с питанием от сети или источника БСНН).
3.6 адаптер (track <*> adaptor): Элемент, используемый для электрического присоединения и механического крепления светильника к секции шинопровода, при этом обеспечивающий электрическое присоединение только через один и тот же паз (с питанием от сети или источника БСНН).
Примечание - Адаптер может содержать выключатель или предохранитель.
3.7 подвес; устройство подвеса шинопровода (track <*> suspension device): Элемент, используемый для механического крепления шинопровода к монтажной поверхности.
3.8 устройство подвеса светильника (luminaire suspension device): Элемент, используемый для механического крепления светильника к секции шинопровода.
3.9 изолирующая концевая заглушка (end cover): Элемент, предназначенный для установки на конце шинопровода и обеспечивающий электрическую и механическую защиту концов проводников.
3.10 секция шинопровода класса защиты I (class I track): Линейная конструкция, состоящая из проводников, заключенных в корпус, подвод питания к которой осуществляется от сети, и обеспечивающая электрическое присоединение и в большинстве случаев механическое крепление светильников класса защиты I и II.
Примечание 1 - Шинопровод может быть снабжен вспомогательными цепями для управляющих или звуковых сигналов. Во вспомогательных цепях допускается применять проводники, предназначенные для питания от сети.
Примечание 2 - Шинопровод может быть снабжен цепями, предназначенными для обеспечения подзарядки аккумуляторов (например, для автономных светильников аварийного освещения).
3.11 секция шинопровода класса защиты III (class III track): Линейная конструкция, состоящая из проводников, заключенных в корпус, подвод питания к которой осуществляется от источника БСНН, и обеспечивающая механическое крепление и электрическое присоединение светильников класса защиты III.
Примечание 1 - Шинопровод может быть снабжен вспомогательными цепями для управления источником БСНН или звуковыми сигналами. Во вспомогательных цепях допускается применять отдельные вспомогательные проводники или проводники, предназначенные для питания от источника БСНН.
3.12 комбинированный шинопровод (классов защиты I и III) (mixed supply track system - classes I and III): Комбинация секций шинопроводов классов I и III по 3.10 и 3.11.
3.13 номинальный ток (rated current): Значение тока, установленное изготовителем для шинопровода или его элементов.
3.14 паз (track <*> sector opening): Отверстие в шинопроводе, обеспечивающее электрическое соединение адаптера или штепселя светильника с проводниками шинопровода.
--------------------------------
<*> В тексте настоящего стандарта термин "шинопровод" допускается не применять совместно с данным термином.
4 Классификация
Шинопроводы классифицируют по классу защиты I или III, комбинированные шинопроводы - по классам защиты I и III секций, в соответствии с IEC 60598-1 (раздел 2).
Шинопроводы классифицируют только как обычные.
Неразборные конструкции светильник/адаптер классифицируют по классу защиты II в соответствии с IEC 60598-1 (раздел 2) при условии, что они не содержат устройств для заземления.
Отдельно адаптеры не могут быть отнесены к классу защиты II, но их допускается применять со светильниками класса защиты II.
5 Общие требования к испытаниям
5.1 Требования и испытания настоящего стандарта не применяют к оборудованию, на которое действует отдельный стандарт IEC.
5.2 Испытания, установленные настоящим стандартом, являются типовыми.
Один испытуемый образец, как указано в 5.3, должен быть подвергнут всем необходимым испытаниям.
Для сокращения времени и обеспечения проведения испытаний некоторых видов, которые могут быть разрушающими, изготовитель может представить дополнительные образцы или части образцов при условии, что они изготовлены из тех же материалов, что и испытуемый образец, и результаты испытаний будут такими же, как если бы они проводились на целом образце.
5.3 Если не указано иное, то образец испытывают в таком виде, в каком он представлен, при температуре окружающей среды ta от 10 °C до 30 °C, и в условиях, соответствующих наиболее неблагоприятным условиям применения согласно указаниям изготовителя.
В комплектацию испытуемого образца шинопровода классов защиты I или III должны входить элементы по перечислениям a) - i). Комплектация испытуемого образца комбинированного шинопровода должна включать в себя нижеуказанные элементы секций шинопровода классов защиты I и III минимального числа.
Для испытаний шинопроводов с управляющим сигналом и/или вспомогательными цепями должны быть предоставлены образцы шинопроводов различных конструкций (как с вспомогательными цепями, так и без них). Данное требование относится к шинопроводам, предназначенным для применения вместе со светильниками аварийного освещения.
Испытуемый образец должен включать в себя следующие элементы:
a) как минимум, три секции общей длиной 2,4 м, включая одну секцию максимальной длины, указанной в документации изготовителя, если шинопровод собирают из отдельных секций. Если такая сборка не предусмотрена, то на испытания должна быть представлена одна секция шинопровода максимальной длины;
b) одно вводное устройство;
c) одну изолирующую концевую заглушку (если требуется);
d) один соединитель на каждую секцию поставляемого шинопровода, если требуется, но не менее трех;
e) один адаптер на каждую секцию шинопровода, но не менее трех;
f) один электрический соединитель для светильника на каждую секцию шинопровода, если требуется, но не менее трех;
g) необходимые подвесы и любые другие элементы, приведенные изготовителем в инструкции по монтажу;
h) типовой светильник, представляющий собой наиболее неблагоприятную комбинацию с шинопроводом для испытаний по разделу 11 настоящего стандарта;
i) дополнительно к испытуемому образцу шинопровода класса защиты III - по одной секции шинопровода каждого типа класса I, изготовленных тем же изготовителем.
Примечание - Элементы по перечислению i) необходимы для проведения испытаний шинопроводов класса защиты III по 8.1.1.
5.4 Если не указано иное, то испытания проводят в порядке нумерации пунктов настоящего стандарта.
6 Маркировка
Применяют IEC 60598-1 (раздел 3) совместно с требованиями 6.1 - 6.9.
6.1 На секции шинопровода должна быть нанесена маркировка с указанием номинального тока (А), номинального напряжения (В) и графический символ класса защиты III по IEC 60417-5180, если это требуется.
Комбинированная система питания должна иметь маркировку с указанием номинального тока (А), номинального напряжения (В) на источниках питания от сети и БСНН соответственно. Источник питания БСНН должен быть также обозначен графическим символом класса защиты III по IEC 60417-5180.
6.2 На адаптерах должна быть нанесена маркировка, включающая в себя только номинальный ток, номинальное напряжение, наименование или торговую марку изготовителя, обозначение типа и для адаптеров класса защиты III графический символ по IEC 60417-5180, если требуется.
На адаптерах и электрических соединителях, встроенных в светильники, не требуется дублировать маркировку, имеющуюся на светильниках.
Если в адаптер встроен предохранитель, то на корпусе адаптера должны быть указаны номинальный ток и тип предохранителя.
6.3 На соединителях и вводных устройствах следует наносить только маркировку с наименованием или торговой маркой изготовителя и обозначение типа, а также графический символ класса защиты III по IEC 60417-5180, если эти элементы относятся к классу защиты III.
На электрические соединители, не встроенные в светильник, наносят дополнительные маркировочные данные номинального тока и номинального напряжения. Все контактные зажимы должны иметь идентификационную маркировку. Инструкция изготовителя должна содержать разъяснение обозначений маркировки и соответствующие указания по соединению элементов цепей и/или их применению.
Примечание - Некоторые контактные зажимы проводников и адаптеров шинопроводов могут иметь двойное применение, например для подключения питания или звукового сигнала.
6.4 Маркировка номинального тока и номинального напряжения, наносимая на шинопровод, должна оставаться легко читаемой во время и после его монтажа.
Примечание - Национальные правила электромонтажа могут предусматривать требование, чтобы адаптеры не имели более низкое максимальное номинальное значение тока по сравнению с шинопроводом.
6.5 Дополнительно к вышеуказанной маркировке, если это необходимо для обеспечения надлежащих эксплуатации и технического обслуживания, на шинопроводе или в инструкции изготовителя приводят следующее:
a) сведения о максимальной механической нагрузке, на которую рассчитана каждая секция шинопровода или устройство подвеса светильника, с учетом массы светильника и аксессуаров. Кроме того, предупреждение о том, что механическую нагрузку следует рассматривать как полную нагрузку на весь шинопровод. Инструкции должны содержать информацию о любых ограничениях по расположению секции и указания о максимальных механических нагрузках, если секция шинопровода предназначена для крепления к стене или аналогичного негоризонтального монтажа;
b) предупреждение о том, что элементы шинопровода не рассчитаны на присоединение индуктивных нагрузок или, если такая нагрузка допускается, то - о необходимости снижения такой нагрузки;
c) максимально допустимая температура секций при нормальных условиях эксплуатации, если она превышает температуру 70 °C;
d) предупреждение о том, что потребитель несет ответственность за обеспечение электрической, механической и тепловой совместимости между шинопроводом и светильниками, установленным на нем.
В указаниях по установке адаптеров должны быть приведены типы шинопроводов, с которыми их допускается применять, и предупреждение о том, что адаптеры предназначены только для использования с шинопроводами указанных типов.
6.6 Дополнительно к вышеуказанной маркировке и информации в инструкциях изготовителя, поставляемых с шинопроводами класса защиты III и комбинированными шинопроводами, необходимо приводить следующие сведения:
a) предупреждение о том, что шинопровод класса защиты III следует подключать только к источнику питания БСНН, предназначенному для эксплуатации оборудования класса защиты III;
b) при наличии безопасного разделительного трансформатора или устройства управления лампами - соответствующие указания по правильному присоединению к контактным зажимам, чтобы не перепутать первичные и вторичные выводы;
c) предупреждение, что пазы и элементы шинопроводов класса защиты III не совместимы с шинопроводами класса защиты I, а соединители/адаптеры светильников класса защиты III не допускается применять с шинопроводами других изготовителей;
d) указания о соответствующих способах защиты от перегрузки и короткого замыкания цепи БСНН;
e) минимальную площадь поперечного сечения и максимальную длину питающего кабеля между трансформатором и вводным устройством;
f) предупреждение о том, что для шинопроводов класса защиты III любые управляющие или звуковые сигналы должны подаваться только от источника БСНН.
6.7 Инструкции для шинопроводов/пазов шинопроводов класса защиты III должны содержать следующее предупреждение:
"ПРЕДУПРЕЖДЕНИЕ: ДЛЯ СНИЖЕНИЯ РИСКА ПЕРЕГРЕВА И ВОЗГОРАНИЯ НЕ ДОПУСКАЕТСЯ СОЕДИНЯТЬ ПРОВОДНИКИ МЕЖДУ СОБОЙ".
6.8 Маркировка секций шинопровода с вспомогательными цепями
Для шинопроводов, в которых управляющие сигналы передаются через проводники, предназначенные для питания от сети, в дополнение к вышеуказанной маркировке и информации в инструкциях изготовителя необходимо приводить сведения о безопасном соединении проводников, через которые передаются управляющие сигналы, т.е. сведения о том, что при неправильном соединении может произойти снижение требуемой электрической изоляции между цепями.
6.9 Маркировка секций шинопроводов, предназначенных для работы светильников аварийного освещения
В дополнение к вышеуказанной маркировке и информации в инструкциях изготовителя должны быть приведены следующие сведения о том, что:
- шинопроводы и элементы должны быть подключены к сети, предназначенной для питания светильников аварийного освещения, для обеспечения правильной работы таких светильников во всей системе (для шинопроводов, предназначенных для работы светильников аварийного освещения с централизованным питанием);
- линия питания для подзарядки аккумуляторов должна быть неотключаемой (для шинопроводов, предназначенных для работы автономных светильников аварийного освещения).
7 Общие требования к шинопроводам
Шинопроводы необходимо проектировать и изготавливать таким образом, чтобы при нормальной эксплуатации их функционирование было надежным и безопасным для потребителя и окружающей среды.
Выполнение этих требований проверяют проведением всех испытаний, установленных в настоящем стандарте.
Номинальное напряжение между полюсами шинопровода класса защиты I не должно превышать 440 В, шинопровода класса защиты III - максимального напряжения БСНН, указанного в IEC 60598-1. Номинальный ток шинопровода класса защиты I должен быть не более 16 А, шинопровода класса защиты III - не более 25 А. У комбинированных шинопроводов номинальный ток каждой секции не должен превышать значений, указанных для шинопроводов класса защиты I или III соответственно.
Проверку проводят внешним осмотром.
8 Конструкция
Применяют IEC 60598-1 (раздел 4 за исключением пункта 4.11.6) совместно с требованиями 8.1 - 8.13 настоящего стандарта.
В приложении A приведены рекомендации по проведению испытаний светильников для шинопроводов с управляющими сигналами, передаваемыми через проводники с заданным напряжением питания.
Проверку проводят испытаниями, приведенными в приложении A, если требуется.
8.1 Элементы шинопроводов класса защиты I должны иметь такую конструкцию, чтобы при их установке и снятии с секций шинопровода исключался риск случайного контакта между заземляющим контактом элемента и токоведущими частями шинопровода.
Данное требование не применимо к процессу монтажа шинопроводов.
8.1.1 Адаптеры, электрические соединители и вводные устройства необходимо конструировать таким образом, чтобы их электрическое соединение с пазами шинопровода/секциями других классов защиты было невозможно.
8.2 Адаптеры класса защиты I должны иметь такое механическое крепление на секции шинопровода, чтобы адаптер и/или светильник из-за своей массы не могли удерживаться за счет электрического соединения адаптера с секцией.
Также применяют требования 16.3.
Адаптеры класса защиты III должны иметь такое механическое крепление на секции шинопровода, чтобы адаптер и/или светильник из-за своей массы не нарушал электрическое соединение и не снижал безопасность.
8.2.1 Если в адаптер встроены предохранители, то они должны быть быстродействующего типа.
8.3 Контакты адаптеров не должны сниматься без демонтажа адаптера. Также должна исключаться возможность неправильного подключения заземляющих и нулевых контактов для обеспечения требований безопасности.
Если светильник соответствует требованиям класса защиты II и снабжен встроенным адаптером для присоединения к шинопроводу, то адаптер может иметь заземляющий контакт при условии, что для светильника в присоединенном к шинопроводу положении будут выполнены требования класса защиты II.
Проверку проводят внешним осмотром и испытаниями на электрическую прочность в соответствии с 15.1.
8.4 Соединители, вводные устройства, адаптеры и изолирующие концевые заглушки должны иметь механически запираемое крепление их на шинопроводе. Соединители, вводные устройства и адаптеры должны обеспечивать надежные электрические соединения.
Проверку требований 8.1 - 8.4 проводят внешним осмотром, попыткой снятия элементов рукой и, при необходимости, испытанием по 12.1.
Проверку требования 8.1.1 проводят установкой адаптеров, вводных устройств и соединителей в различные пазы образцов шинопровода/секций, при этом должно отсутствовать электрическое соединение.
8.5 Смежные секции шинопровода должны быть механически соединены между собой одним из следующих способов:
a) с помощью соединителей;
b) другими способами, при этом соединители используют только для выравнивания секций в линию;
c) жестким закреплением секций шинопровода непосредственно на опорной поверхности, при этом электрическое соединение считают надежным, если концы секций смещаются не более чем на 1 мм вдоль оси или на 1 мм под прямым углом к опорной поверхности.
Примечание - Смещение под прямым углом к опорной поверхности указано для того, чтобы учесть неровности поверхности.
Проверку проводят измерением размеров смещения секций шинопровода в этом положении.
8.6 Механические подвесы должны иметь достаточный запас прочности.
Проверку проводят следующими испытаниями:
Устройства подвеса шинопровода и светильников, включая адаптеры, устанавливают на шинопроводе, как при нормальной эксплуатации, указанной изготовителем шинопровода, и подвергаются в течение 1 ч нагрузке, в пять раз превышающей нагрузку, указанную изготовителем. Заявленное минимальное значение нагрузки для адаптера и устройств подвеса светильников должно быть не менее:
- 50 Н - для устройств подвеса светильников классов защиты I и II;
- 10 Н - для устройств подвеса светильников класса защиты III;
- веса светильника для адаптеров, встроенных в светильник.
Примечание - Адаптеры, соответствующие требованию 8.3, предназначены только для использования изготовителем светильников и не предназначены для розничной продажи.
Испытание проводят при температуре окружающей среды, равной (ta + 15 °C).
После испытания элементы, секции шинопровода и их устройства крепления не должны деформироваться до такой степени, чтобы это привело к снижению безопасности, а элементы не должны отделяться от секций шинопровода.
Для испытания устройств подвеса светильников на изгиб, секции шинопровода монтируют на горизонтальной поверхности.
Испытание проводят при температуре окружающей среды, равной (ta + 15 °C).
К устройству подвеса/крепления светильника прикладывают изгибающий момент 2,5 Нм в течение 1 мин в направлении, параллельном продольной оси шинопровода, и в течение 1 мин - перпендикулярно продольной оси шинопровода.
После испытания устройство подвеса/крепления светильника и другие части шинопровода не должны деформироваться до такой степени, чтобы была снижена безопасность и ослабло крепление устройства подвеса.
Примечание - Шинопроводы для районов с холодным климатом рекомендуется подвергать дополнительным испытаниям.
8.7 Шинопроводы должны обладать достаточной механической прочностью.
Проверку проводят следующим испытанием.
К металлическим частям, закрывающим токоведущие части, прикладывают усилие 30 Н с помощью испытательного щупа (см. рисунок 6 IEC 61032). Воздушные зазоры между металлическими и токоведущими частями должны соответствовать разделу 9 настоящего стандарта.
8.8 Полярность
Для обеспечения надлежащей работы шинопровода, при необходимости, предусматривают средства, обеспечивающие соблюдение правильной полярности на всем его протяжении.
Проверку проводят внешним осмотром.
8.9 Механическая и электрическая прочность
Элементы шинопровода должны выдерживать без чрезмерного износа и других отрицательных последствий механические, электрические и тепловые воздействия, возникающие при эксплуатации в нормальных условиях.
Проверку соответствия шинопровода для применения с адаптерами и электрическими соединителями светильников проводят следующими испытаниями, в которых за "операцию" принимают установку или снятие адаптера, включение или отключение адаптера и соединителя со скоростью как при обычном применении:
a) устройство для механического закрепления проверяют 100 операциями;
b) действующие одновременно электрические контакты и устройства механического крепления проверяют 100 операциями на одном и том же месте секции;
c) электрические контакты, действующие независимо от устройств механического крепления, проверяют 1 000 операциями. После каждых 100 операций адаптеры следует перемещать в другое место секции. Этому испытанию подвергают только адаптеры;
d) электрический соединитель светильника или адаптер шинопровода/секции класса защиты III, конструкция которых обеспечивает установку светильника без извлечения в любом месте вдоль оси шинопровода, подвергают 150 операциям по IEC 60598-1 (пункт 4.14.3).
Испытания по перечислениям b) и c) проводят при номинальном напряжении переменного тока, при этом значение испытательного тока должно быть в 1,25 раза больше номинального тока элемента. Коэффициент мощности нагрузки должен быть не менее 0,6, если в маркировке не указано другое значение номинального тока для активной нагрузки, при котором и проводят испытания переменным током в неиндуктивной цепи. Для шинопровода класса защиты III коэффициент мощности принимают равным 1,0.
Примечание - При присоединении индуктивных нагрузок [см. 6.5 перечисление b)] следует применять более жесткие условия испытаний.
Если в качестве нагрузки с коэффициентом мощности 0,6 используют катушку индуктивности с воздушным сердечником, то параллельно ей подключают активное сопротивление, через которое должен протекать ток, составляющий не менее 1% тока, протекающего через катушку. Допускается применять катушки индуктивности со стальным сердечником, обеспечивающие практически синусоидальную форму тока. По заземляющей цепи не должен протекать ток.
После испытания образцы должны выдержать проверку электрической прочности изоляции по IEC 60598-1 (подраздел 10.2), при этом испытательное напряжение должно быть снижено до 1 500 В для элементов, работающих при питании от сети, и до 500 В - для элементов, работающих при питании от источника БСНН.
После испытаний образцы не должны иметь:
a) износа, препятствующего их дальнейшему использованию;
b) разрушений оболочек или перегородок;
c) ослабления электрических или механических соединений.
До и после испытаний по настоящему пункту адаптеры должны быть установлены на секции и их контакты должны быть нагружены током, в 1,5 раза превышающим номинальный ток адаптера. Падение напряжения на каждом контакте, включая и заземляющий контакт, не должно превышать 50 мВ.
8.10 Защита от короткого замыкания
8.10.1 Для шинопроводов/секций класса защиты I должна быть исключена возможность замыкания проводников испытательным щупом D по IEC 60598-1.
Соответствие проверяется испытанием по IEC 60598-1 (пункт 9.2.0) путем прикладывания испытательного щупа D к образцу с усилием, указанным в IEC 60598-1 (таблица 9.1).
8.10.2 В шинопроводе/секции класса защиты III с питанием от источника БСНН необходимо предусмотреть средства для предотвращения случайного короткого замыкания между токоведущими частями разной полярности в выходной цепи.
Следует предусмотреть соответствующие средства для предотвращения снижения безопасности вследствие непреднамеренного короткого замыкания неизолированных доступных проводников БСНН противоположной полярности с помощью испытательной цепи по IEC 60598-1 (пункт 4.26.3).
Примечание 1 - Светильники класса защиты III с питанием от отдельного источника БСНН должны иметь по крайней мере один изолированный проводник. Если изоляция не предусмотрена, то изготовитель светильника должен указать значение максимальной мощности источника БСНН, и испытание проводят при этом значении.
Примечание 2 - Если испытательная цепь не может быть установлена на секцию, то считают, что испытуемый образец соответствует требованиям испытания.
Проверку проводят испытанием по IEC 60598-1 (пункт 4.26.2).
8.11 Взаимозаменяемость
8.11.1 При разработке и изготовлении адаптеров для шинопроводов конкретных видов необходимо соблюдать условия, обеспечивающие взаимозаменяемость и безопасность применения. В частности, не должно быть соединений между проводниками, находящихся под напряжением, и заземляющими проводниками.
Испытаниям подвергают отобранные и одобренные испытательным центром образцы секций шинопроводов или образцы, представленные изготовителем.
Минимальное значение сопротивления изоляции между цепями питания (низкого напряжения, источника БСНН) и корпусом, и проводником управляющего сигнала - не менее значения, указанного в IEC 60598-1.
В цепях БСНН не допускается использовать проводники, предназначенные для питания от сети. Данное требование также относится к цепям управляющих и звуковых сигналов, которые могут питаться от источника БСНН.
Цепи БСНН должны соответствовать требованиям для шинопроводов класса защиты III.
Проводники шинопровода, предназначенные для подключения питания светильников, допускается использовать для подачи управляющих сигналов источника БСНН, если их изоляция отвечает требованиям для соответствующих напряжений питания сети.
В соответствии с IEC 60598-1 не допускается уменьшать минимальный путь утечки и воздушные зазоры между различными цепями ни вдоль шинопровода, ни внутри элементов. Данное требование должно быть обязательно соблюдено в случае соединения адаптеров/элементов различного назначения одного и того же изготовителя в корпусе шинопровода. Требование не применимо к шинопроводам с проводниками, через которые передаются управляющие сигналы, предназначенными для питания от сети и имеющими соответствующую маркировку.
Шинопровод и адаптер должны отвечать требованиям соответствующих частей IEC 60598-1.
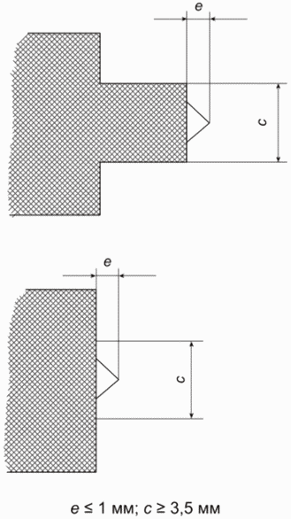
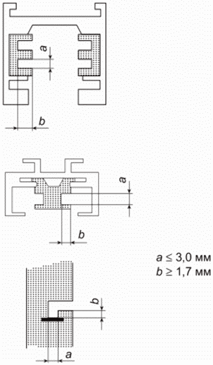
8.11.2 Открытый паз в изолирующей прокладке секции шинопровода класса защиты I, обеспечивающий доступ к проводнику, должен быть не более 3 мм, а проводник должен быть утоплен в изоляционную прокладку на глубину не менее 1,7 мм (см. рисунок 3).
Контакты адаптеров класса защиты III (см. рисунки 2 и 4):
- должны иметь минимальный размер 3,5 мм в любом направлении, что учитывают для открытых пазов в изолирующих прокладках проводников в любом шинопроводе класса защиты I, или
- не должны выступать более чем на 1 мм от поверхности размером не менее 3,5 мм в любом направлении, в которой может быть расположен открытый паз для проводника в изолирующей оболочке любого участка секции шинопровода класса защиты I.
Примечание 1 - Требование к максимальному размеру выступа контактов в 1 мм обеспечивает отсутствие электрического контакта между контактами адаптеров класса защиты III и проводниками напряжения сети (которые утоплены не менее чем на 1,7 мм).
Примечание 2 - Размеры секции шинопровода класса защиты I и контактов адаптера класса защиты III измеряют в местах, показанных на рисунках 2 - 4.
Проверку проводят измерениями.
Открытый паз в изолирующей прокладке шинопровода класса защиты I обеспечивает доступ к проводникам управляющих сигналов следующих типов:
- проводнику управляющего сигнала с основной изоляцией от источника питания низкого напряжения;
- проводнику управляющего сигнала без изоляции от источника питания низкого напряжения, и должен соответствовать требованиям 8.11.2.
Открытый паз в изолирующей прокладке шинопровода, обеспечивающий доступ к проводнику управляющих сигналов источника БСНН, должен соответствовать требованиям 8.11.1 для шинопроводов класса защиты III, за исключением минимального размера, который допускается уменьшить.
Примечание 3 - Размеры секций шинопровода класса защиты I и контактов адаптеров класса защиты III измеряют в местах, показанных на рисунках 2 и 3.
Проверку проводят внешним осмотром и измерениями.
8.12 Шинопроводы, предназначенные для питания светильников аварийного освещения, должны исключать любое непреднамеренное отсоединение [в соответствии с IEC 60598-2-22:2014 и IEC 60598-2-22:2014/AMD1:2017 (пункт 22.11.1)].
Адаптеры секций шинопровода и устройства подвеса светильников, используемые со светильниками аварийного освещения, предназначенными для подсветки дисплея, должны фиксировать положение светильника на шинопроводе в заданном направлении. Система блокировки должна обеспечивать фиксацию светильника в заданном положении и предотвращать его регулировку, перемещение и отключение без помощи инструмента.
Примечание - Светильник для подсветки дисплея, как правило, располагают на расстоянии вытянутой руки.
8.13 Шинопровод, используемый для централизованного аварийного освещения, должен обеспечивать двойную или усиленную изоляцию между проводниками цепи аварийного освещения и цепи сети.
Рабочее напряжение, используемое для расчета сопротивления изоляции между различными цепями, должно быть больше номинального напряжения этих цепей.
В шинопроводе для светильников аварийного освещения с централизованным источником питания идентификация контактных зажимов должна быть последовательной в пределах всего шинопровода.
9 Пути утечки и воздушные зазоры
Применяют IEC 60598-1 (раздел 11) совместно с требованиями 9.1 - 9.3 настоящего стандарта.
9.1 На разборных вводных устройствах и адаптерах измерения проводят с присоединенными к контактным зажимам проводниками наибольшего поперечного сечения и без них.
На неразборных вводных устройствах и адаптерах измерения проводят на образцах в том виде, в каком они представлены.
Элементы проверяют с присоединенными проводниками, установленными как при эксплуатации, после электрического присоединения к шинопроводу.
9.2 Пути утечки и воздушные зазоры между проводниками комбинированных шинопроводов с питанием от сети и источника БСНН должны соответствовать требованиям для конструкций класса защиты II при максимальном рабочем напряжении, указанном в IEC 60598-1 (таблица 11.1).
9.3 Должен быть исключен доступ к токоведущим частям шинопроводов класса защиты I с усиленной изоляцией на расстояние менее указанного в IEC 60598-1 (таблица 11.1A).
Проверку проводят измерением с помощью щупа 1 по IEC 61032:1997 (сфера 50 мм) расстояния между токоведущими частями и металлической фольгой, запрессованной в любые отверстия полностью собранного шинопровода во всех возможных направлениях.
10 Контактные зажимы
Применяют IEC 60598-1 (разделы 14 и 15) с условием, что использование контактных зажимов пружинного типа не будет препятствовать возможному перемещению контактов и нарушать их работу.
Проверку проводят внешним осмотром.
11 Внешние и внутренние проводники
Применяют IEC 60598-1 (раздел 5) со следующим дополнением.
Если в конструкции шинопровода предусмотрено наличие питающего кабеля, то площадь поперечного сечения проводников кабеля должна соответствовать номинальному току шинопровода.
Проверку проводят внешним осмотром.
12 Термостойкость и рабочие температуры
В условиях нормальной эксплуатации шинопроводы должны быть теплостойкими и не нагреваться до температуры, нарушающей безопасность их работы.
Проверку проводят испытаниями по 12.1 - 12.3.
12.1 Токоведущие детали смонтированного шинопровода должны иметь такую конструкцию, чтобы предотвратить чрезмерный нагрев, вызванный протеканием тока.
Проверку проводят следующим испытанием.
На шинопроводе в соответствии с IEC 60598-1 (пункт 0.4.2) устанавливают светильники в наиболее неблагоприятном для теплового режима положении, возможном при нормальной эксплуатации, и подключают их. Шинопровод должен быть дополнительно электрически нагружен таким образом, чтобы через него протекал полный ток, включая номинальный ток светильника, до достижения установившегося теплового режима или в течение 1 ч, в зависимости от того, что продолжительнее.
Светильники устанавливают в пазах шинопровода классов защиты I и III.
Испытание шинопровода проводят при температуре, равной ta, или при температуре 25 °C, если температура ta не указана.
Должна быть определена самая высокая температура любой части шинопровода, при этом полученное значение не должно превышать установленную изготовителем максимальную температуру шинопровода при нормальных условиях эксплуатации.
12.2 Элементы шинопровода не должны нагреваться до чрезмерных температур при нормальной эксплуатации. Температура элементов, за исключением секций шинопровода, должна соответствовать требованиям IEC 60598-1 (раздел 12).
12.3 Проверку термостойкости шинопровода проводят следующим испытанием.
12.3.1 Секцию шинопровода длиной 1,2 м монтируют в камере тепла и выдерживают в нем в течение 168 ч при температуре, на 10 °C превышающей максимальную температуру, указанную изготовителем при нормальных условиях эксплуатации, но не менее 80 °C или (ta + 55) °C, в зависимости от того, что больше.
После испытания на секции шинопровода не должно быть видимых признаков износа, а любая усадка изоляционной прокладки должна быть такой, чтобы секция по-прежнему соответствовала требованиям и выдерживала испытания по разделу 8 и подразделам 13.1 (с применением стального зонда, испытательного щупа, испытательной цепи и т.д.) и 15.1 (проверка сопротивления изоляции).
12.3.2 Для секции шинопровода класса защиты III используют светильник, создающий наиболее неблагоприятную комбинацию в соответствии с IEC 60598-1 (пункт 0.4.2). Светильник устанавливают на шинопроводе в наиболее неблагоприятном для теплового режима положении, которое может быть при нормальной эксплуатации, и электрически подключают к нему. Для питающего кабеля выбирают наиболее неблагоприятное положение, при котором кабель резко согнут настолько, насколько допускает конструкция входного отверстия. Секция шинопровода должна быть дополнительно электрически нагружена таким образом, чтобы протекающий общий ток с учетом тока светильника был равен номинальному току.
Испытания шинопровода проводят при температуре (ta + 20) °C в соответствии с IEC 60598-1 (подраздел 12.3).
При испытании, в дополнение к IEC 60598-1 (подраздел 12.3), используемые вводное устройство и соединители (при наличии) должны быть нагружены током, в 1,5 раза превышающим номинальный ток шинопровода. Падение напряжения на каждом зажиме или контакте не должно превышать 22,5 мВ.
13 Защита от поражения электрическим током
Применяют IEC 60598-1 (раздел 8) совместно с требованиями 13.1 - 13.3.
13.1 Секцию шинопровода испытывают на соответствие требованиям IEC 60598-1 (пункт 8.2.5) с помощью испытательного щупа D по IEC 60598-1 (таблица 9.1).
Испытание не проводят на шинопроводах, подключаемых:
- к цепям БСНН;
- цепям низкого напряжения, защищенным основной изоляцией.
Испытательный щуп прикладывают во всех возможных положениях. Во время испытания щуп не должен касаться токоведущих деталей.
13.2 Адаптер должен иметь конструкцию, обеспечивающую недоступность его токоведущих деталей для прикосновения при частичном или полном введении его в шинопровод.
Проверку проводят внешним осмотром и испытанием стандартным щупом. Щуп прикладывают во всех возможных положениях с усилием 10 Н, для подтверждения его контакта с токоведущими деталями используют индикатор. Подвижные детали должны быть установлены вручную в наиболее неблагоприятном положении.
13.3 Должна быть исключена возможность снятия рукой секции или элементов шинопровода, препятствующих доступу к токоведущим деталям. Средства крепления этих элементов должны быть изолированы от токоведущих деталей. К адаптерам данное требования применяют в случае, если адаптер полностью установлен на секцию шинопровода. Если эти элементы металлические, то они не должны касаться никаких токоведущих деталей.
Проверку проводят внешним осмотром и попыткой снятия элементов рукой.
14 Влагостойкость
Применяют IEC 60598-1 (9.3 раздела 9).
15 Сопротивление и электрическая прочность изоляции
Применяют IEC 60598-1 (раздел 10) совместно с требованиями 15.1 - 15.3.
15.1 Сопротивление изоляции, измеренное в соответствии с IEC 60598-1 (пункт 10.2.1), должно быть не менее 100/l МОм (где l - длина испытуемой секции шинопровода в метрах) между токоведущими деталями разной полярности и между токоведущими деталями и корпусом и/или заземляющими проводниками [полученные значения отличаются от значений, приведенных в IEC 60598-1 (таблица 10.1)].
15.2 Шинопроводы, соответствующие настоящему стандарту, удовлетворяют требованиям IEC 60598-1 (подраздел 10.3) без проведения испытаний.
15.3 Проверку электрической прочности изоляции комбинированных шинопроводов проводят между выводами источника питания от сети и источника питания БСНН приложением испытательного напряжения 3750 В.
16 Заземление
Применяют IEC 60598-1 (раздел 7) совместно с требованиями 16.1 - 16.4.
Требования настоящего раздела относятся к шинопроводам класса защиты I и комбинированным шинопроводам с питанием от сети.
16.1 Испытание по IEC 60598-1 (пункт 7.2.3) проводят на образце, соответствующем требованиям 5.3 настоящего стандарта.
Проверку проводят следующим испытанием.
Испытание проводят при токе не менее 25 А и сопротивлении не более 0,1 Ом. Адаптеры и электрические соединители светильников на номинальные токи менее 6 А должны выдерживать испытание по IEC 60598-1 (пункт 7.2.3).
Падение напряжения, по которому рассчитывают значение сопротивления, измеряют между любыми двумя точками шинопровода, собранного из трех секций, а именно между вводным устройством и адаптером, наиболее удаленным от источника питания, т.е. не менее чем на шесть контактных точек заземляющей цепи.
16.2 Все части заземляющей цепи должны быть такими, чтобы исключался риск коррозии, в том числе окисление, как результат контакта между деталями и заземляющим проводником секции или любыми другими металлическими элементами, находящимся в контакте с ним.
Если корпус секции шинопровода или ее оболочка изготовлены из алюминия или его сплава, то следует предпринять меры, направленные на предотвращение риска коррозии в результате контактов между медью и алюминием или его сплавами.
16.3 Для светильников класса защиты I со съемными частями, имеющими соединители или аналогичные средства подключения к сети, присоединение заземляющего контакта в шинопроводе осуществляют до присоединения токоведущих контактов, а токоведущие контакты отделяют до того, как разомкнется заземляющий контакт.
16.4 Заземляющий проводник должен быть непрерывным по всей длине шинопровода/секции. Этот проводник может быть частью механической конструкции секции шинопровода, выполненной таким образом, что эту часть механической конструкции невозможно удалить, не разрывая одновременно токоведущую цепь.
Примечание - Национальные правила устройства электропроводки могут не допускать использование непрерывного заземляющего проводника в качестве механической конструкции секции шинопровода. В этом случае должен быть предусмотрен отдельный и самостоятельный проводник.
Соответствие требованиям 16.2 - 16.4 проверяют внешним осмотром и испытаниями.
17 Теплостойкость, огнестойкость и устойчивость к токам поверхностного разряда
Применяют IEC 60598-1 (раздел 13, за исключением подраздела 13.4) совместно с требованиями 17.1 и 17.2 настоящего стандарта.
17.1 Испытание секции шинопровода
Условия испытаний и требования - по IEC 60598-1 (пункт 13.2.1), за исключением того, что от разных секций берут два образца изоляционного материала прямоугольного поперечного сечения, каждый длиной приблизительно 100 мм, шириной 10 мм и толщиной, равной минимальной толщине прокладки, используемой для изоляции с конфигурацией для конкретного вида испытуемого шинопровода. Если подготовленные образцы изоляционного материала секций шинопровода имеют недостаточные размеры испытуемой поверхности (и/или сложную конфигурацию), то испытывают образцы пластин вышеуказанных размеров, изготовленные из того же материала, что и изолирующие прокладки, по тому же технологическому процессу. Эти образцы должны быть предварительно подготовлены согласно 12.3.
Оба образца должны выдерживать испытания после их кондиционирования в течение 1 ч в камере тепла при температуре, на 10 °C превышающей установленную изготовителем максимальную температуру шинопровода для нормальных условий эксплуатации, но не менее 80 °C, или при температуре (ta + 55) °C, выбирая большее значение.
17.2 Испытание элементов шинопровода
Условия испытания и требования - по IEC 60598-1 (пункт 13.2.1), за исключением того, что:
a) детали из изоляционного материала, удерживающие токоведущие детали в рабочем положении, испытывают при температуре секции шинопровода (ta + 25) °C, но не менее 125 °C;
b) детали из изоляционного материала, обеспечивающие защиту от поражения электрическим током, испытывают при температуре секции шинопровода (ta + 25) °C, но не менее 80 °C.
Примечание - Для испытания по 17.2 следует использовать два образца изоляционного материала. Если образцы недостаточного размера, то изготовитель должен предоставить образцы для испытаний, изготовленные из того же материала и по той же технологии. Эти образцы должны быть подвергнуты всем предыдущим испытаниям в соответствии с требованиями настоящего стандарта.
Получение достаточной площади плоской поверхности небольшого образца сложной формы обычным методом, скорее всего, приведет к повреждению поверхности этого образца. Таким образом, его нормальные свойства будут нарушены, но это не повлияет на цель испытания.
18 Контактные зажимы и соединения для внешнего монтажа
Для шинопроводов класса защиты III применяют IEC 60598-1 (пункты 15.6.3.1 и 15.6.3.2) со следующими изменениями.
При проведении испытаний по IEC 60598-1 (пункт 15.6.3.1.1) вместо первого абзаца применяют следующее требование:
Проверку контактных зажимов (или соединений) в соответствии с IEC 60598-1 (пункт 15.6.3.1.3 <*>) проводят с 10 медными неизолированными однопроволочными проводами или с проводами, поставляемыми изготовителем вместе с шинопроводом.
--------------------------------
<*> Исправлена ошибка оригинала.
При проведении испытаний по IEC 60598-1 (пункт 15.6.3.1.3) требования первого абзаца применяют со следующим дополнением.
Падение напряжения измеряют на каждом контактном зажиме и каждом соединении с проводником секции шинопровода.
При проведении испытаний по IEC 60598-1 (пункт 15.6.3.2.3) применяют следующие требования.
Контактные зажимы (или соединения) на нормируемый ток не более 6 А включительно испытывают на старение в обесточенном состоянии 25 циклами, с длительностью каждого цикла 30 мин, во время которого температуру на контактном зажиме поддерживают на уровне (T +/- 5) °C или (80 +/- 5) °C, выбирая большее значение, с последующим охлаждением до температуры от 15 °C до 30 °C включительно.
Контактные зажимы (или соединения) на нормируемый ток более 6 А испытывают на старение воздействием 100 таких же циклов.
Для питающего кабеля за наиболее неблагоприятное принимают положение с резким изгибом кабеля у входного отверстия настолько, насколько допускает конструкция входного отверстия.
Примечание - Температура T - это температура, указанная в маркировке как максимальная нормируемая температура для компонентов ламп, например патронов.
При проведении испытаний по IEC 60598-1 (пункт 15.6.3.2.4) применяют требования первого абзаца со следующим изменением первой строки.
Падение напряжения измеряют на каждом контактном зажиме и каждом соединении с проводником секции шинопровода.
3.2 - секция шинопровода; 3.3 - соединитель;
3.4 - вводное устройство (питание от шинопровода);
3.5 - электрический соединитель светильника (питание только
от шинопровода); 3.6 - адаптер, механически и электрически
присоединенный к шинопроводу; 3.7 - устройство подвеса
шинопровода (к потолку или подвесным трубам);
3.8 - устройство подвеса светильника, соединенное
с шинопроводом только механически
Примечание - Настоящий рисунок приведен только для наглядности и не устанавливает требований к конструкции шинопровода.
Рисунок 1 - Шинопровод для светильников (см. определения)
Рисунок 2 - Примеры мест измерений размеров контактных
зажимов адаптеров класса защиты III различной конфигурации
Рисунок 3 - Примеры мест измерений размеров пазов
шинопроводов класса защиты I (не в масштабе)
Рисунок 4 - Примеры мест измерений размеров выступающих
контактов адаптеров класса защиты III
Приложение A
(справочное)
РЕКОМЕНДАЦИИ ПО ПРОВЕДЕНИЮ ИСПЫТАНИЙ СВЕТИЛЬНИКОВ
ДЛЯ ШИНОПРОВОДОВ С УПРАВЛЯЮЩИМИ СИГНАЛАМИ
Конструкция светильника или шинопровода должна обеспечивать безопасное соединение между питающими проводниками и проводниками, через которые передаются управляющие сигналы.
Возникновение опасного соединения может быть исключено специальным механическим ключом в конструкции шинопровода. Для шинопровода, в котором управляющие сигналы передаются через питающий проводник, предотвращение опасного соединения может быть обеспечено наличием в светильнике таких защитных мер, при которых любой непреднамеренный контакт цепи источника питания низкого напряжения с цепью управляющих сигналов не приводил бы к нарушению безопасности светильника.
Проверку проводят следующими испытаниями.
Дополнительные требования к светильнику не предъявляют, если в шинопроводе используют систему механических ключей для предотвращения опасного соединения.
Во всех остальных случаях к светильнику предъявляют следующие требования.
Безопасность светильника не должна нарушаться при подаче максимального напряжения питания между контактами проводников управляющих сигналов до достижения устойчивого состояния.
При проведении и после испытания не должно быть выброса пламени или расплавленного материала из светильника, или выделения горючих газов. Защита от прикосновения к токоведущим деталям не должна быть нарушена. Изоляцию для открытых деталей светильника проверяют испытаниями на электрическую прочность и сопротивление по IEC 60598-1 (раздел 10).
Примечание - Данное требование является достаточным, так как в случае нарушения основной изоляции (неправильное соединение адаптера с шинопроводом) действует дополнительная изоляция при рабочем напряжении, равном номинальному напряжению питания светильника.
Приложение ДА
(справочное)
СВЕДЕНИЯ О СООТВЕТСТВИИ ССЫЛОЧНЫХ МЕЖДУНАРОДНЫХ СТАНДАРТОВ
МЕЖГОСУДАРСТВЕННЫМ СТАНДАРТАМ
Таблица ДА.1
Обозначение ссылочного международного стандарта
Степень соответствия
Обозначение и наименование соответствующего межгосударственного стандарта
IEC 60417-2
-
IEC 60598-1:2014
IDT
ГОСТ IEC 60598-1-2017 "Светильники. Часть 1. Общие требования и методы испытаний"
IEC 60598-2-22:2014
IDT
ГОСТ IEC 60598-2-22-2016 "Светильники. Часть 2-22. Дополнительные требования. Светильники для аварийного освещения" <1>
IEC 61032:1997
-
<*> Соответствующий межгосударственный стандарт отсутствует. До его принятия рекомендуется использовать перевод на русский язык данного международного стандарта.
Примечание - В настоящей таблице использовано следующее условное обозначение степени соответствия стандартов:
- IDT - идентичные стандарты.
--------------------------------
ИС МЕГАНОРМ: примечание.
В официальном тексте документа, видимо, допущена опечатка: ГОСТ IEC 60598-2-22-2012 имеет название "Светильники. Часть 2-22. Частные требования. Светильники для аварийного освещения"
<1> В Российской Федерации действует ГОСТ IEC 60598-2-22-2012 "Светильники. Часть 22. Частные требования. Светильники для аварийного освещения", идентичный IEC 60598-2-22:1997.
<2> В Российской Федерации действует ГОСТ Р МЭК 61032-2000 "Защита людей и оборудования, обеспечиваемая оболочками. Щупы испытательные", идентичный IEC 61032:1997.
УДК 621.327.534.15.032.4:006.354
МКС 29.120.20;
IDT
Ключевые слова: шинопроводы для светильников, классификация, маркировка, общие технические требования, испытания