Главная // Актуальные документы // Актуальные документы (обновление 01.02.2026 по 01.03.2026) // ГОСТ (Государственный стандарт)СПРАВКА
Источник публикации
М.: Стандартинформ, 2014
Примечание к документу
Документ
введен в действие с 01.01.2015.
Название документа
"ГОСТ 32330-2013. Межгосударственный стандарт. Масла смазочные. Определение потерь от испарения методом Ноак"
(введен в действие Приказом Росстандарта от 22.11.2013 N 693-ст)
"ГОСТ 32330-2013. Межгосударственный стандарт. Масла смазочные. Определение потерь от испарения методом Ноак"
(введен в действие Приказом Росстандарта от 22.11.2013 N 693-ст)
по техническому регулированию
и метрологии
от 22 ноября 2013 г. N 693-ст
МЕЖГОСУДАРСТВЕННЫЙ СТАНДАРТ
МАСЛА СМАЗОЧНЫЕ
ОПРЕДЕЛЕНИЕ ПОТЕРЬ ОТ ИСПАРЕНИЯ МЕТОДОМ НОАК
Lubricating oils. Determination of evaporating
loss by Noack method
ГОСТ 32330-2013
Дата введения
1 января 2015 года
Цели, основные принципы и порядок проведения работ по межгосударственной стандартизации установлены
ГОСТ 1.0-92 "Межгосударственная система стандартизации. Основные положения" и
ГОСТ 1.2-2009 "Межгосударственная система стандартизации. Стандарты межгосударственные, правила и рекомендации по межгосударственной стандартизации. Правила разработки, принятия, применения, обновления и отмены"
1 ПОДГОТОВЛЕН Открытым акционерным обществом "Всероссийский научно-исследовательский институт по переработке нефти" (ОАО "ВНИИ НП") на основе собственного аутентичного перевода на русский язык стандарта, указанного в
пункте 4
2 ВНЕСЕН Федеральным агентством по техническому регулированию и метрологии
3 ПРИНЯТ Межгосударственным советом по стандартизации, метрологии и сертификации (протокол N 60-П от 18 октября 2013 г.)
За принятие проголосовали:
Краткое наименование страны по МК (ИСО 3166) 004-97 | Код страны по МК (ИСО 3166) 004-97 | Сокращенное наименование национального органа по стандартизации |
Армения | AM | Минэкономики Республики Армения |
Беларусь | BY | Госстандарт Республики Беларусь |
Киргизия | KG | Кыргызстандарт |
Молдова | MD | Молдова-Стандарт |
Россия | RU | Росстандарт |
Таджикистан | TJ | Таджикстандарт |
Узбекистан | UZ | Узстандарт |
4 Настоящий стандарт идентичен стандарту ASTM D 5800-10 Standard test method for evaporating loss of lubricating oils by Noack method (Стандартный метод определения потерь от испарения смазочных масел методом Ноак).
Стандарт разработан комитетом ASTM D02 по нефтепродуктам и смазочным материалам, непосредственную ответственность за метод несет подкомитет D02.06 "Анализ смазочных материалов".
Перевод с английского языка (en)
Наименование настоящего межгосударственного стандарта изменено относительно наименования указанного стандарта для приведения в соответствие с ГОСТ 1.5-2001
(подраздел 3.6).
Официальные экземпляры стандарта ASTM, на основе которого подготовлен настоящий межгосударственный стандарт, и стандартов, на которые даны ссылки, имеются в Федеральном информационном фонде технических регламентов и стандартов.
Сведения о соответствии межгосударственных стандартов ссылочным стандартам приведены в дополнительном
приложении Д.А.
Степень соответствия - идентичная (IDT)
5
Приказом Федерального агентства по техническому регулированию и метрологии от 22 ноября 2013 г. N 693-ст межгосударственный стандарт ГОСТ 32330-2013 введен в действие в качестве национального стандарта Российской Федерации с 1 января 2015 г.
6 ВВЕДЕН ВПЕРВЫЕ
Информация об изменениях к настоящему стандарту публикуется в ежегодном информационном указателе "Национальные стандарты", а текст изменений и поправок - в ежемесячном информационном указателе "Национальные стандарты". В случае пересмотра (замены) или отмены настоящего стандарта соответствующее уведомление будет опубликовано в ежемесячном информационном указателе "Национальные стандарты". Соответствующая информация, уведомление и тексты размещаются также в информационной системе общего пользования - на официальном сайте Федерального агентства по техническому регулированию и метрологии в сети Интернет
1.1 Настоящий стандарт устанавливает методы определения потерь от испарения смазочных масел (в т.ч. моторных):
метод A - с использованием аппарата Ноак;
метод B - с использованием автоматического аппарата Ноак без сплава Вуда;
метод C - с использованием аппарата Селби-Ноак.
Настоящий стандарт устанавливает требования к проведению испытаний, при необходимости их можно адаптировать к другим условиям.
1.2 Результаты определения потерь от испарения
методами A и
B значительно отличаются. При испытании компаундированных моторных масел
метод A дает слегка заниженные результаты по сравнению с
методом B, в то время как при испытании базовых масел
метод A дает более высокие результаты по сравнению с
методом B.
1.3 Значения в единицах системы СИ являются стандартными.
1.4 В настоящем стандарте не предусмотрено рассмотрение всех вопросов обеспечения безопасности, связанных с его применением. Пользователь настоящего стандарта несет ответственность за установление соответствующих правил по технике безопасности и охране здоровья, а также определяет целесообразность применения законодательных ограничений перед его использованием.
Для применения настоящего стандарта необходимы следующие ссылочные документы. Для недатированных ссылок применяют последнее издание ссылочного документа (включая все его изменения).
2.1. Стандарты ASTM <1>
--------------------------------
<1> Ссылки на стандарты ASTM можно уточнить на сайте ASTM website, www.astm.org или в службе поддержки клиентов ASTM service@astm.org, а также в информационном томе ежегодного сборника стандартов ASTM (Website standard's Document Summary).
ASTM D 4057 Practice for manual sampling of petroleum and petroleum products (Практика по ручному отбору проб нефти и нефтепродуктов)
ASTM D 4177 Practice for automatic sampling of petroleum and petroleum products (Практика по автоматическому отбору проб нефти и нефтепродуктов)
ASTM D 6299 Practice for applying statistical quality assurance and control charting techniques to evaluate analytical measurement system performance (Практика применения методов статистического контроля качества и контрольных карт для оценки характеристик аналитической системы измерения)
ASTM D 6300 Practice for determination of precision and bias data for use in test methods for petroleum products and lubricants (Практика по определению результатов прецизионности и смещения для использования в методах испытаний нефтепродуктов и смазочных материалов)
2.2 Стандарты DIN <2>
--------------------------------
<2> Можно получить в Немецком институте по стандартизации (Deutsches Institut

Normunge), Beuth Verlag GmbH, Burggrafen Strasse 6, 1000 Berlin 30, Germany.
DIN 1725 Specification of aluminum alloys (Спецификация на алюминиевые сплавы)
DIN 12785 Specification for glass thermometers (Спецификация на стеклянные термометры)
Примечание - При пользовании настоящим стандартом целесообразно проверить действие ссылочных стандартов в информационной системе общего пользования - на официальном сайте Федерального агентства по техническому регулированию и метрологии в сети Интернет или по ежегодному информационному указателю "Национальные стандарты", который опубликован по состоянию на 1 января текущего года, и по выпускам ежемесячного информационного указателя "Национальные стандарты" за текущий год. Если ссылочный стандарт заменен (изменен), то при пользовании настоящим стандартом следует руководствоваться заменяющим (измененным) стандартом. Если ссылочный стандарт отменен без замены, то положение, в котором дана ссылка на него, применяется в части, не затрагивающей эту ссылку.
В настоящем стандарте применены следующие термины с соответствующими определениями:
3.1 потери от испарения смазочного масла методом Ноак (evaporating loss of a lubricating oil by the Noack method): Масса масла, испарившегося при нагревании в испытательном тигле, над которым пропускают постоянный поток воздуха.
3.2 испаряемость (volatility): Склонность жидкости образовывать пар.
4.1 Взвешенный образец масла помещают в испарительный тигель или реакционный сосуд, затем нагревают до температуры 250 °C при пропускании постоянного потока воздуха в течение 60 мин. Определяют потерю массы масла.
4.2 По результатам межлабораторных испытаний установлено, что
методы A,
B и
C дают равноценные результаты с коэффициентом корреляции
R2 = 0,996. См. исследовательский отчет межлабораторных исследований метода Селби-Ноак.
5 Назначение и использование
5.1 Для смазочных систем двигателя, в которых при высоких температурах происходит частичное испарение масла, потери от испарения имеют важное значение.
5.2 Потери от испарения влияют на расход масла при работе двигателя и приводят к изменению свойств масла.
5.3 При конструкции двигателей устанавливают максимально допустимые потери масла от испарения.
5.4 Изготовители двигателей при указании в спецификациях максимально допустимых потерь масла от испарения ссылаются на настоящий стандарт.
5.5
Метод C позволяет собрать пары испаряющегося масла для определения их физических и химических свойств. Элементный анализ собранных паров может быть полезен для идентификации таких компонентов, как фосфор, который приводит к преждевременному разрушению катализатора.
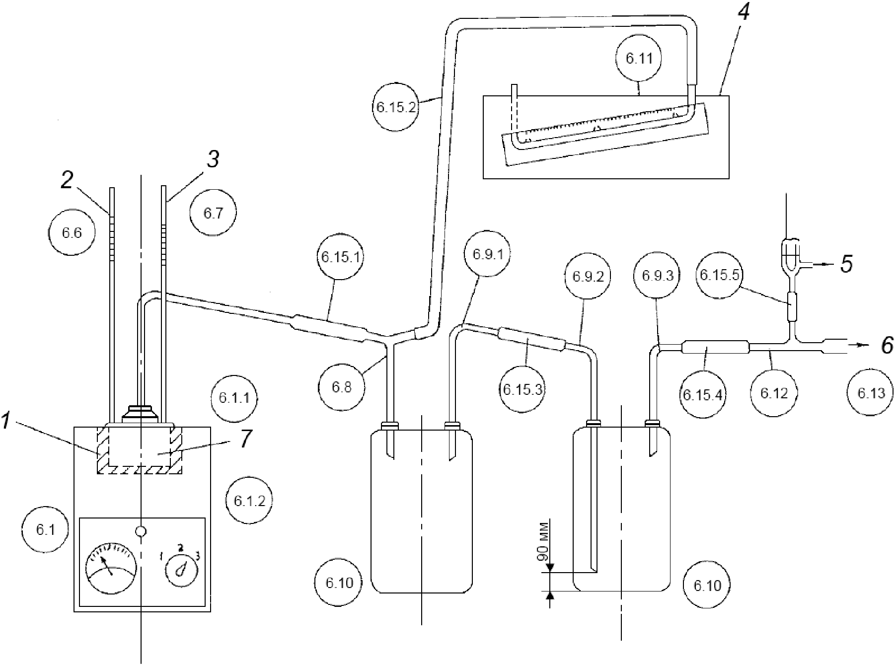
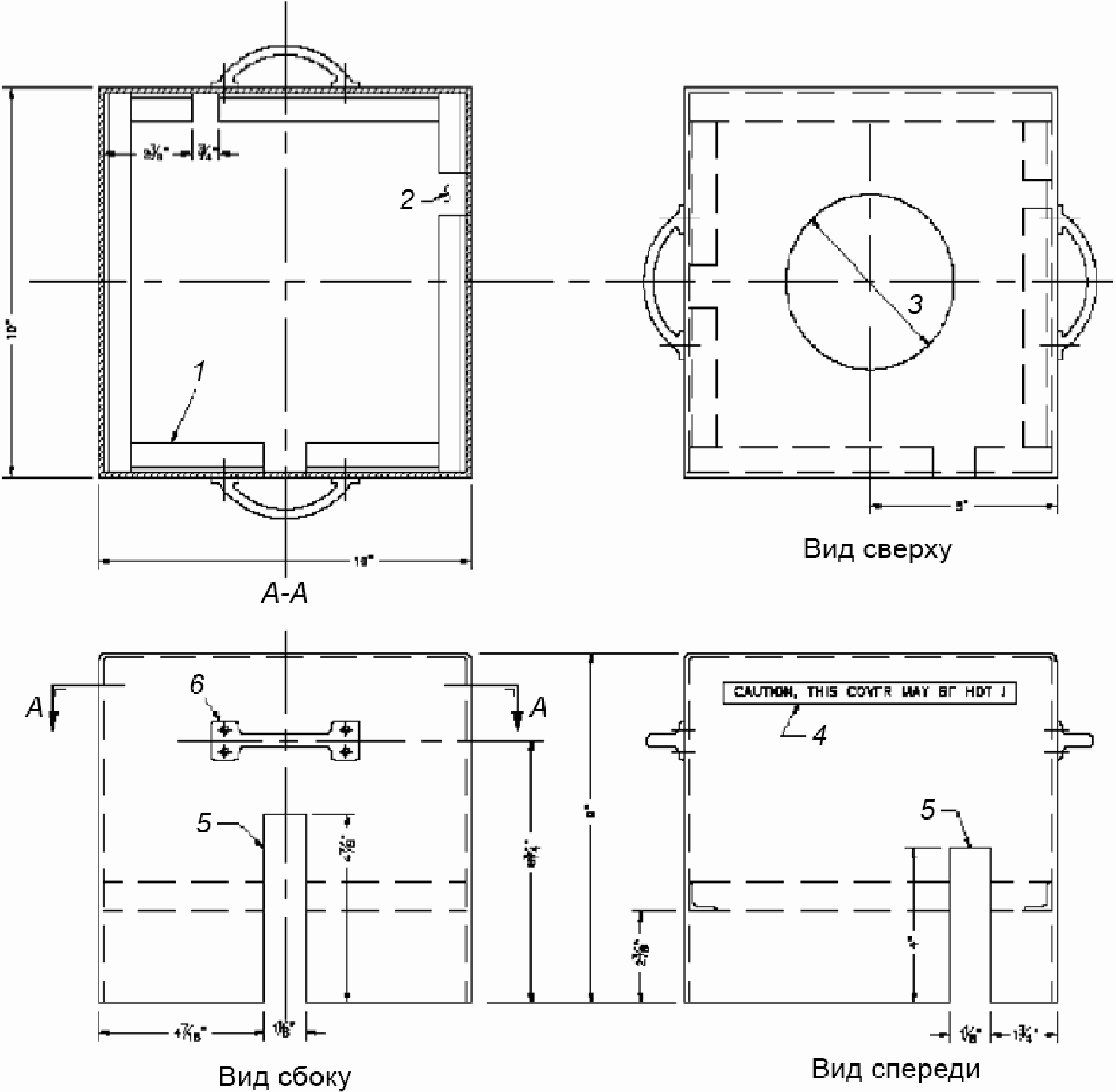
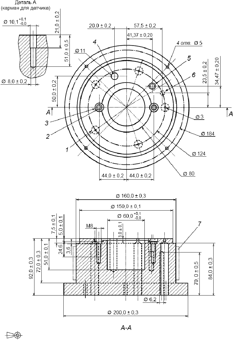
6.1 Аппарат Ноак для определения потерь от испарения состоит из нижеперечисленных деталей.
6.1.1 Электронагреваемого кованного блока из алюминиевого сплава (см. DIN 1725, лист 1) с термоизоляцией кожуха и основания.
Предупреждение - Блок нагревают до температуры 250 °C.
Блок нагревают электрическими нагревателями, размещенными в основании и кожухе, с общим потреблением энергии от 1,0 до 1,2 кВт, поэтому расхождение потребления энергии между двумя электронагревателями не должно превышать 0,15 кВт. В центре нагревательного блока имеется круглое углубление для испарительного тигля, пространство между блоком и тиглем заполняют сплавом Вуда или аналогичным подходящим материалом. Наличие двух ограничителей на блоке препятствует всплыванию тигля из бани с жидким металлом. Предусмотрены два дополнительных круглых кармана для термометров, расположенные на одинаковом расстоянии от центра блока (см.
рисунок 1).
| | ИС МЕГАНОРМ: примечание. Нумерация условных обозначений дана в соответствии с официальным текстом документа. | |
1 - 5 отверстий для нагревательных элементов (быстрый
нагрев 5x220 Вт); 2 - рассверливание диаметром 9 мм;
3 - рассверливание диаметром 14 мм; 4 - карман
для термометра; 5 - см. деталь A; 6 - отверстие для
дополнительного контроля температуры; 8 - ленточный
нагреватель для регулирования температуры
Рисунок 1 - Нагревательный блок
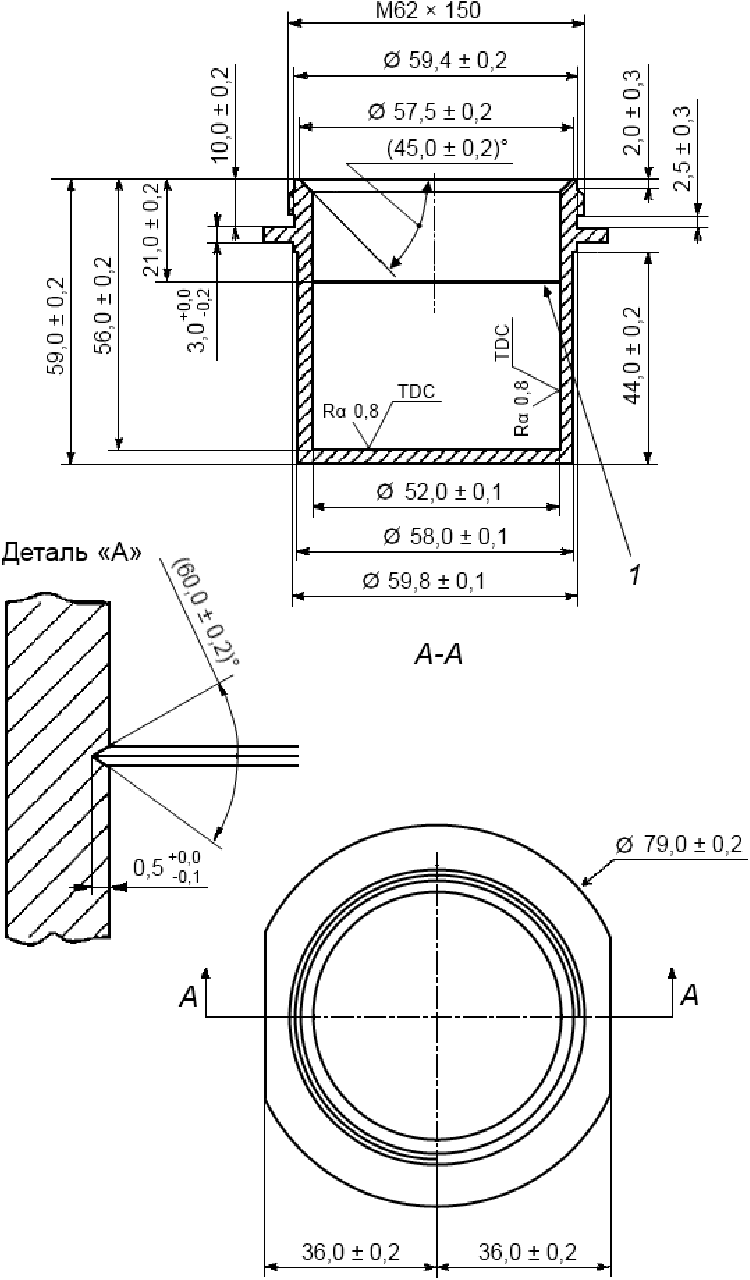
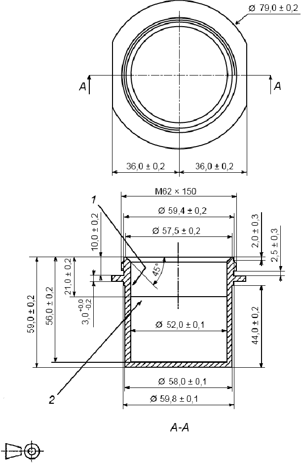
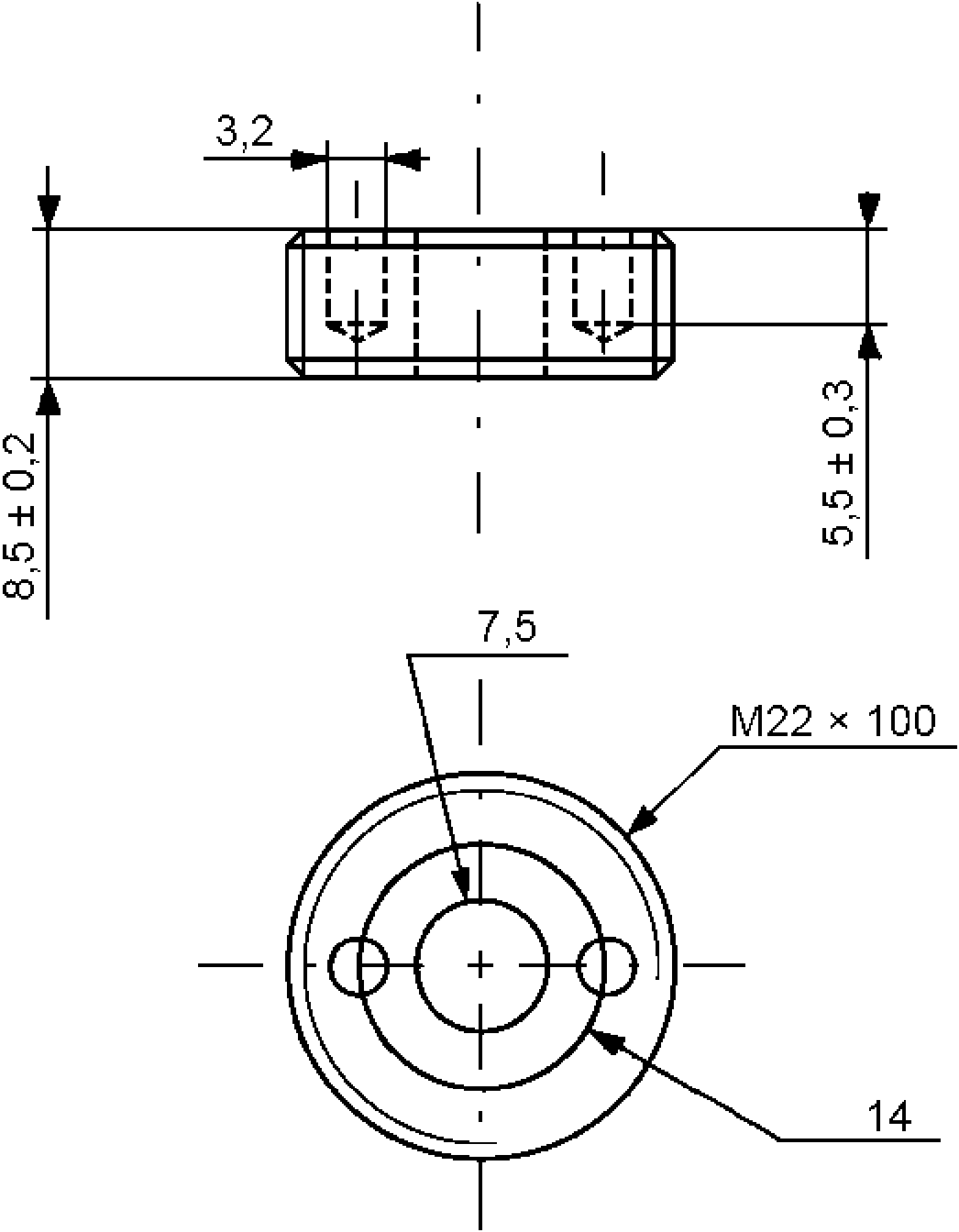
6.1.2 Испарительного тигля из нержавеющей стали с резьбовой крышкой (см.
рисунок 2). Над опорным кольцом должна быть резьба для крышки. Внутренняя коническая поверхность никелированной латунной крышки позволяет герметично закрывать тигель (см.
рисунок 3). Крышка имеет три сопла из закаленной стали, обеспечивающие поступление потока воздуха. Изогнутую отводную трубку устанавливают в резьбовое герметичное соединение в центре крышки.
1 - метка уровня налива образца (высотой 0,5 мм);
2 - шлифуют поверхность для легкой очистки
Рисунок 2 - Тигель из нержавеющей стали
6.2 Весы с пределом взвешивания не менее 200 г, с погрешностью не более 0,01 г.
6.3 Захват для тигля и гаечный ключ.
6.4 Развертка диаметром 2 мм.
6.5 Шарик подшипника диаметром 3,5 мм.
6.6 Термометр M260 по DIN 12785 или устройство измерения температуры для снятия показаний температуры с точностью до 0,1 °C. Термометр следует калибровать по соответствующей методике с установленной периодичностью (обычно 1 раз в 6 месяцев).
6.7 Контрольный контактный термометр (для ручного аппарата).
6.8 Стеклянный Y-образный тройник с трубками внутренним диаметром 4 мм. Боковые трубки длиной 45 мм должны быть расположены под таким углом, чтобы боковая трубка тройника, присоединенная к отводной трубке тигля, и тройник образовывали прямую линию. Вертикальная трубка длиной 60 мм должна быть скошена под углом 45°.
6.9 Стеклянные трубки внутренним диаметром 4 мм, плечами длиной 100 мм и концами, скошенными под углом 45°, погружаемыми в бутылки.
6.9.1 Стеклянная трубка, изогнутая под углом приблизительно 80°.
6.9.2 Стеклянная трубка, изогнутая под углом приблизительно 100°, длиной, позволяющей погружение до 20 мм от дна бутылки.
6.9.3 Стеклянная трубка, изогнутая под углом приблизительно 90°.
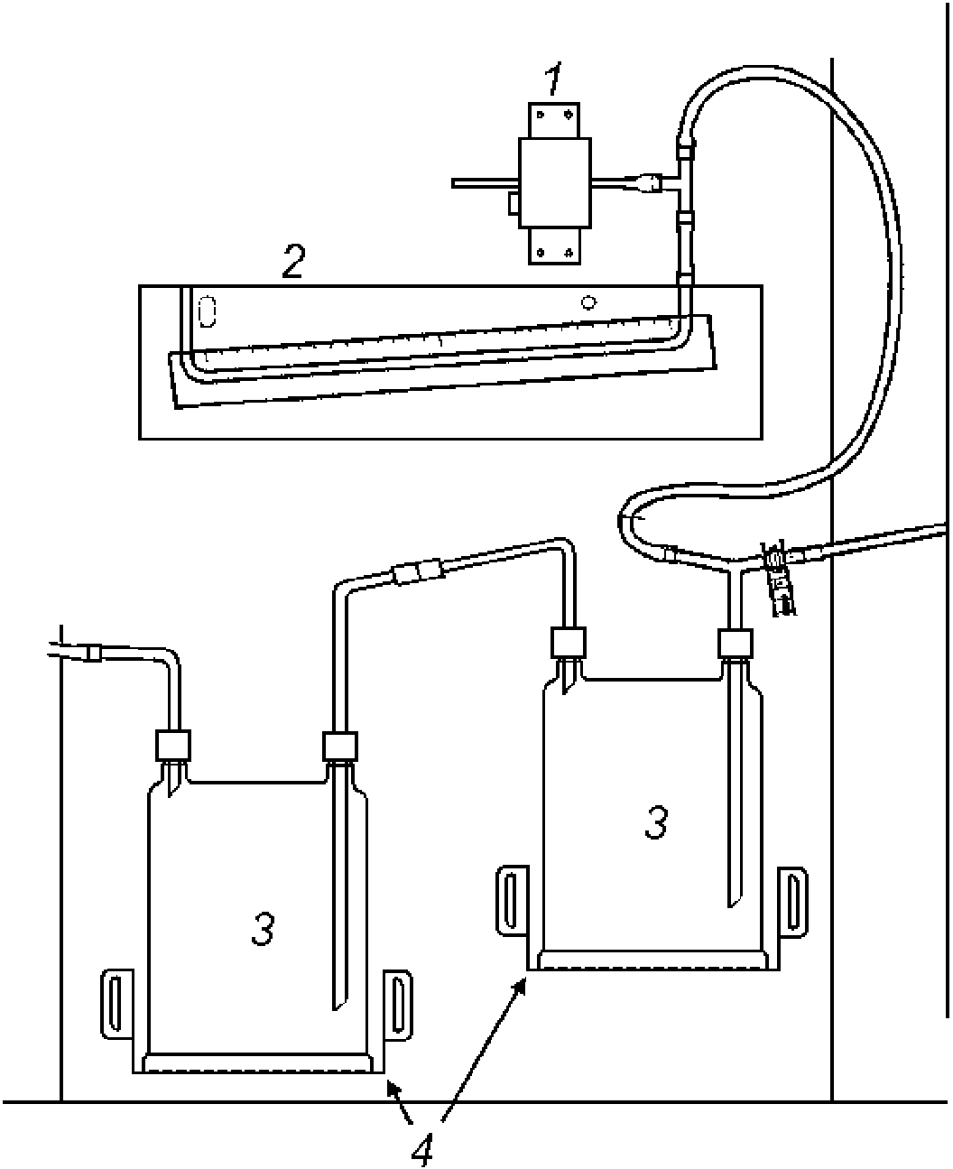
6.10 Две стеклянные бутылки (см.
рисунок 4) вместимостью приблизительно 2 дм
3 с резиновыми пробками с отверстиями для трубок ввода и вывода.
1 - датчик давления; 2 - водяной манометр; 3 - бутылка
Вульфа; 4 - стойки для бутылок, регулируемые по вертикали
Рисунок 4 - Стеклянное оборудование
6.11 Наклонный манометр, заполненный водой, обеспечивающий погрешность измерения не более 0,2 мм вод. ст., или подходящий датчик давления, обеспечивающий измерение давления (20,0 +/- 0,2) мм вод. ст. (допускается также использовать датчик давления диапазоном измерения от 0 до 50 мм вод. ст.).
Примечание 1 - В некоторых манометрах в качестве эталонной жидкости используют воду, в других - жидкость с меньшей плотностью со шкалой в мм вод. ст. Пользователи должны быть уверены, что манометр заполнен эталонной жидкостью требуемой плотности.
6.12 Стеклянный Т-образный тройник с перепускным клапаном.
6.13 Вакуумный насос.
6.14 Секундомер с точностью до 0,2 с.
6.15 Силиконовые трубки внутренним диаметром 4 мм требуемой длины.
6.15.1 Три трубки длиной 40 мм.
6.15.2 Трубка длиной 300 мм.
| | ИС МЕГАНОРМ: примечание. Нумерация пунктов дана в соответствии с официальным текстом документа. | |
6.15.2 Трубка длиной 100 мм.
Примечание 2 - Допускается применять автоматическое оборудование, обеспечивающее получение результатов, равноценных полученным по настоящему методу испытания. При этом все размеры аппаратуры, конструкция блока, тигель, теплоемкость и т.д., а также стеклянные изделия должны соответствовать требованиям настоящего стандарта.
7.1 Очищающий растворитель
Для очистки тигля рекомендуется применять смесь нафты и толуола.
Предупреждение - Смесь воспламеняемая, пары вредны.
Может потребоваться замачивание на ночь.
7.2 Масла с известными значениями потерь от испарения, указанными поставщиком масла, например, такие масла как RL-N, RL 172 и RL 223, поставляемые CEC. Можно также использовать другие масла.
7.3 Защитные перчатки.
7.4 Малярная кисть для кислотных растворов шириной от 15 до 25 мм.
7.5 Сплав Вуда <1> или подходящий теплоноситель.
--------------------------------
<1> Единственным известным поставщиком сплава Вуда, является Sigma-Aldrich (служба поддержки клиентов, PO Box 14508, Сент-Луис, Миссури 63178). Если известны альтернативные поставщики, эту информацию следует сообщить в штаб-квартиру ASTM International.
Предупреждение - Сплав Вуда содержит свинец (25%), висмут (50%), сурьму (12,5%) и кадмий (12,5%), которые опасны для здоровья. Следует избегать контакта с кожей.
8 Требования безопасности
8.1 Предполагается, что исполнитель метода ознакомлен с правилами безопасности и владеет обычной лабораторной практикой или работает под руководством такого лица. Исполнитель несет ответственность за соблюдение всех законодательных требований.
8.2
Предупреждение - Несмотря на то, что испытание следует проводить при отсутствии сквозняков, помещение необходимо периодически проветривать (для удаления паров масла). Следует соблюдать осторожность для исключения возможности взрыва или воспламенения.
Примечание 3 - В
приложении X3 приведено описание одного из способов избегания сквозняков и большей безопасности при эксплуатации приборов, используемых в настоящем методе.
8.3 При определении прецизионности метода не использовались альтернативные средства предотвращения сквозняков, приведенные в
приложении X3.
9.1 Стандартный комплект аппаратуры приведен на
рисунке 5. Для обеспечения температурного равновесия при сборе аппарата не должно быть сквозняков (см.
8.2).
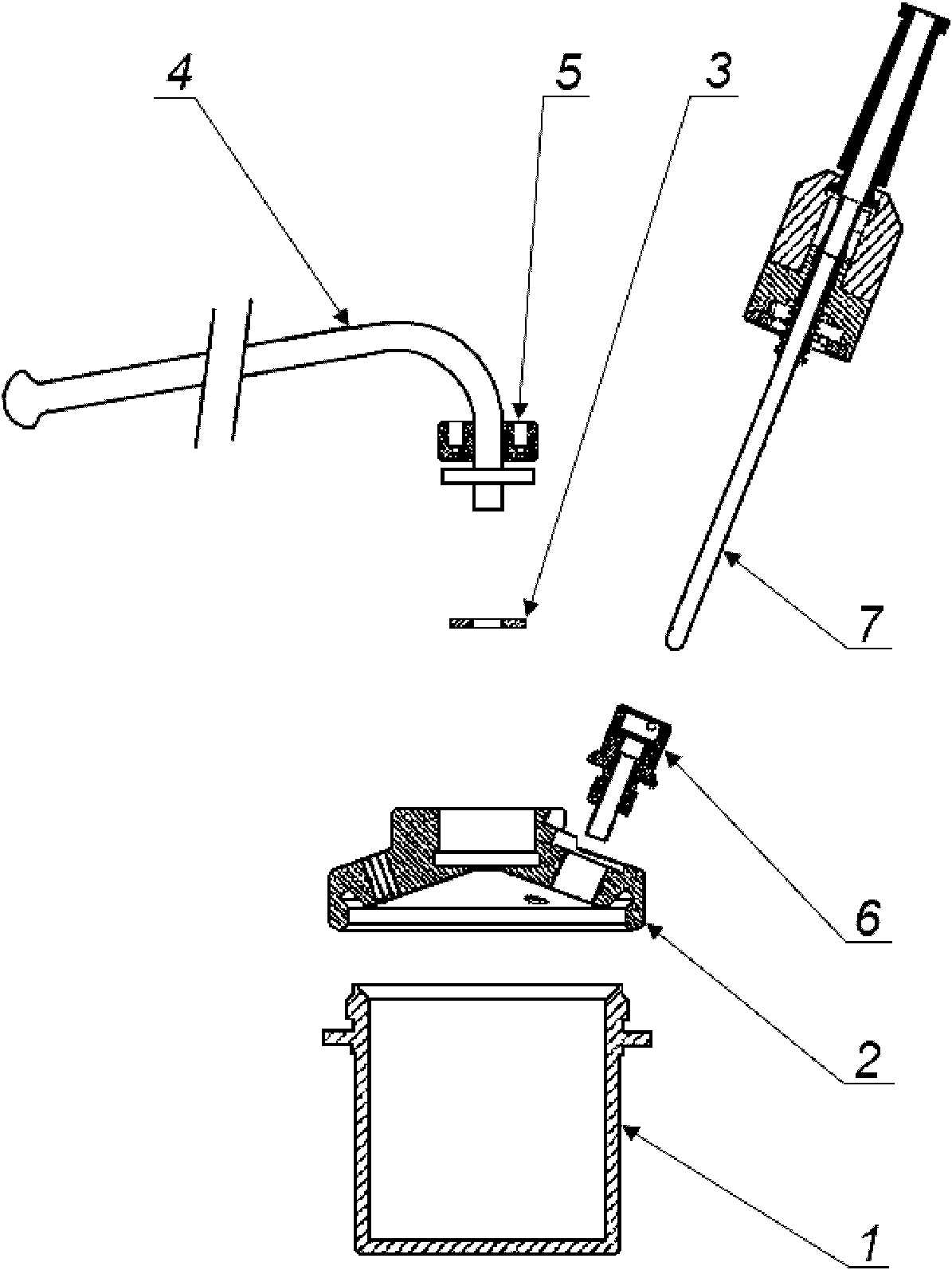
1 - сплав Вуда; 2 - термометр; 3 - контактный термометр;
4 - манометр; 5 - перепускной клапан; 6 - к насосу;
7 - тигель с крышкой
Рисунок 5 - Испытательный аппарат
9.2 В углубления нагревательного блока помещают достаточное количество сплава Вуда или равноценного материала так, чтобы при установленных тигле и термометре свободное пространство было заполнено расплавленным металлом.
9.3 Используя максимально возможную скорость нагрева, повышают температуру нагревательного блока до температуры расплавления сплава Вуда. Вставляют термометры так, чтобы шарики ртутных термометров касались дна углублений, а контактный термометр был установлен в задней стенке нагревательного блока. Поддерживают температуру (250,0 +/- 0,5) °C, регулируя подачу энергии к нагревательному блоку.
9.4 Собирают остальную часть аппаратуры без тигля, как показано на
рисунке 5.
9.5 Помещают пустой тигель в углубление нагревательного блока таким образом, чтобы фланец под резьбой находился на уровне расплавленного сплава Вуда.
9.6 После установки тигля в собранный аппарат проверяют показания манометра или другого измеряющего устройства, которое должно быть равно (20,0 +/- 0,2) мм вод. ст.
9.7 Демонтируют тигель из собранного аппарата.
9.8 Выключают насос и нагреватель, вынимают тигель и термометры из расплавленного сплава Вуда. Малярной кистью снимают и возвращают в углубление нагревательного блока сплав Вуда, прилипший к тиглю.
9.9 Очищают Y-образный тройник и стеклянную трубку, чтобы предотвратить образование конденсата.
10.1 Включают насос и нагревательный блок и убеждаются, что аппарат за исключением тигля, собран как показано на
рисунке 5.
10.2 Проверяют отсутствие лакообразных отложений на тигле и крышке.
10.2.1 После каждого испытания тигель и крышку очищают растворителем и высушивают. Твердые лакообразные отложения можно удалить шлифованием под давлением кромкогибочной машиной для стекла.
10.3 Проверяют чистоту сопел в крышке, пропуская через них развертку.
Предупреждение - Применение развертки диаметром более 2 мм увеличивает размер сопла, что может привести к значительным потерям образца за счет большого потока воздуха.
10.4 Чистоту отводной трубки тигля проверяют, пропуская через нее шарик подшипника.
10.5 Взвешивают пустой тигель без крышки с точностью до 0,01 г.
10.6 Помещают в тигель (65,0 +/- 0,1) г эталонного масла.
10.7 Навинчивают крышку на тигель с помощью захвата и гаечного ключа.
10.8 Проверяют температуру нагревательного блока, которая должна быть (250,0 +/- 0,5) °C. Помещают тигель в углубление в нагревательном блоке так, чтобы фланец под резьбой находился на уровне сплава Вуда. Включают управление нагревательного блока, чтобы внести поправку на теплоемкость тигля. Сразу же (не более чем за 5 с) соединяют встык отводную трубку тигля с плечом стеклянного Y-образного тройника. Одновременно включают секундомер и насос и регулируют перепускной клапан так, чтобы перепад давления был равен (20,0 +/- 0,2) мм.
Примечание 4 - При проведении испытания фланец тигля должен быть на одном уровне с верхом нагревательного блока. Выступ фланца тигля над нагревательным блоком может предполагать наличие шлака от сплава Вуда на дне углубления нагревательного блока. Чтобы избежать накопления шлака, нагревательный блок и углубления для термометра следует регулярно чистить и заменять сплав Вуда. Окисленный сплав Вуда влияет на теплопроводность и может исказить полученные результаты.
10.9 Регулируют нагревательный блок для поддержания температуру на 5 °C ниже температуры проведения испытания и установления ее за 3 мин до начала испытания.
Примечание 5 - При применении автоматического оборудования температура и давление регулируются автоматически.
10.10 В начале испытания необходимо следить за поддержанием постоянного давления, которое обычно устанавливается в течение 10 - 15 мин. При проведении испытания периодически проверяют температуру и перепад давления, которые должны быть постоянными.
10.11 Через 60 мин +/- 5 с удаляют тигель из нагревательного блока, снимают с него прилипший сплав и помещают тигель в холодную водяную баню при комнатной температуре на глубину не менее 25 мм. Время от завершения испытания до погружения тигля в воду не должно превышать 60 с.
10.12. Через 30 мин вынимают тигель из воды, сушат наружную поверхность и осторожно снимают крышку.
10.13 Взвешивают тигель без крышки с точностью до 0,01 г.
10.14 Вычисляют потери от испарения эталонного масла с точностью до 0,1% масс.
10.15 Сравнивают полученный результат со значением, приведенным для эталонного масла. Если результат находится в пределах 6% от приведенного значения, повторяют процедуру на испытуемом образце, начиная с
11.1.
10.16 Если результат превышает 6% от приведенного значения, следует проверить сборку аппаратуры на соответствие
рисунку 5, а также точность соблюдения методики проведения испытания, калибровку термометра и датчика давления.
10.17 Повторно определяют потери от испарения эталонного масла.
Примечание 6 - Не допускается образование конденсата высотой более 1 см в стеклянных бутылках вместимостью 2 дм3. Промывают бутылки растворителем.
Примечание 7 - Если испытания проводят часто, оборудование следует проверять с использованием эталонного образца приблизительно через каждые десять испытаний. Если испытание проводят редко, оборудование следует проверять непосредственно перед проведением испытанием первого образца.
11.1 Представительный образец массой (65,0 +/- 0,1) г помещают во взвешенный тигель и взвешивают с точностью до 0,01 г.
Примечание 8 - Пробы отбирают по ASTM D 4057 или ASTM D 4177.
11.2 Проводят испытание в соответствии с
10.7 -
10.12.
11.3 Вычисляют потери от испарения испытуемого образца с точностью до 0,1% масс.
12.1 Потери от испарения вычисляют как разность массы тигля до и после нагревания в течение 1 ч при температуре 250 °C по формуле

, (1)
где B - масса тигля с образцом, г;
A - масса пустого тигля, г;
C - масса тигля с образцом после нагревания в течение 1 ч, г.
13 Оформление результатов
13.1 Регистрируют следующую информацию.
13.1.1 Результат испытания с точностью до 0,1% масс., как потери от испарения.
14 Прецизионность и смещение <1>
--------------------------------
<1> Подтверждающие данные хранятся в штаб-квартире ASTM International и могут быть получены по запросу исследовательского отчета RR:D02-1462.
14.1 При проведении межлабораторных круговых испытаний использовали ручное, полуавтоматическое и автоматическое оборудование. Прецизионность были установлена при статистическом анализе результатов межлабораторных испытаний.
14.1.1 Повторяемость r
Результат определения, полученный одним оператором на одном и том же оборудовании в одной и той же лаборатории в течение короткого промежутка времени при правильном выполнении метода испытания может быть превышен только в одном случае из двадцати:
повторяемость r =
= 5,8% x среднее значение потерь от испарения. (2)
14.1.2 Воспроизводимость R
Результат определения, полученный в разных лабораториях на идентичном испытуемом материале при правильном выполнении метода испытания может быть превышен только в одном случае из двадцати:
воспроизводимость R =
= 18,3% x среднее значение потерь от испарения. (3)
14.2 Процедура в настоящем методе испытания не имеет смещения, т.к. значение испаряемости определяют только в терминах настоящего метода.
15.1 При испытании по методу B (автоматический метод) процедура проведения испытания и тигель аналогичны
методу A. Отличие заключается только в способе нагревания образца. В методе B не используют сплав Вуда, температура образца регулируется автоматически.
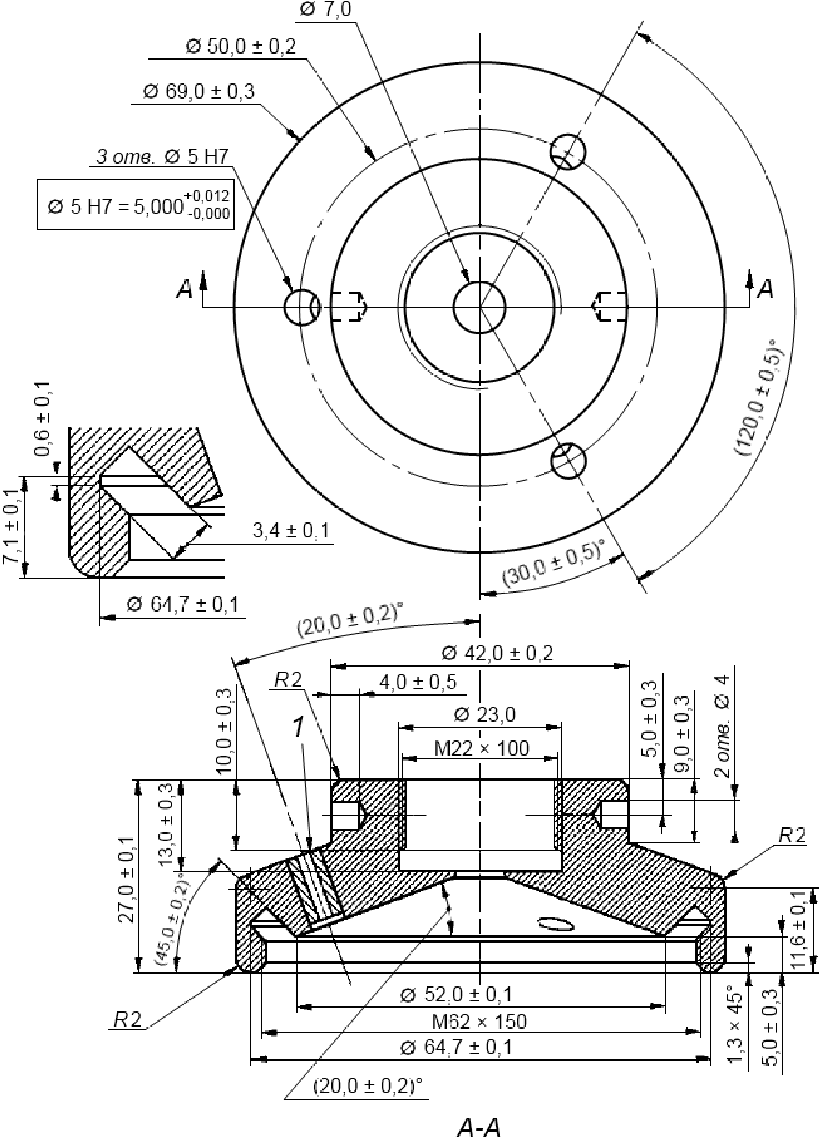
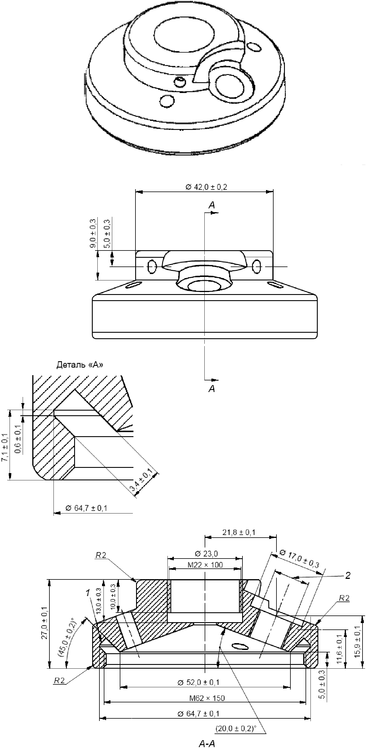
16.1 Аппарат Ноак для определения потерь от испарения включает следующие детали (см.
рисунок 6).
1 - принтер; 2 - центральный пульт управления;
3 - температура, °C; 4 - давление, мм вод. ст.; 5 - время;
6 - вакуумный насос; 7 - стеклянная аппаратура с манометром
и вакуумметром; 8 - контроль вакуума; 9 - контроль
температуры образца; 10 - контроль нагревания;
11 - испарительный тигель; 12 - тигель для метода
Ноак и система нагревательная
Рисунок 6 - Автоматический испарительный аппарат Ноак
без сплава Вуда
16.1.1 Электрический элемент нагревательного блок, нагревающий основание и кожух, и обеспечивающий температурный режим нагревания образца, аналогичный аппарату Ноак со сплавом Вуда. Для размещения испытательного тигля в центре нагревательного блока имеется углубление круглой формы. Нагреватель в кожухе контактирует непосредственно с тиглем. Зажимы для установки тигля открывают специальным механизмом. Для фиксирования тигля предусмотрены два захвата на блоке, для обеспечения непосредственного контакта с тиглем нагреватель в основании прижат пружиной.
16.1.2 Испарительный тигель из нержавеющей стали (см.
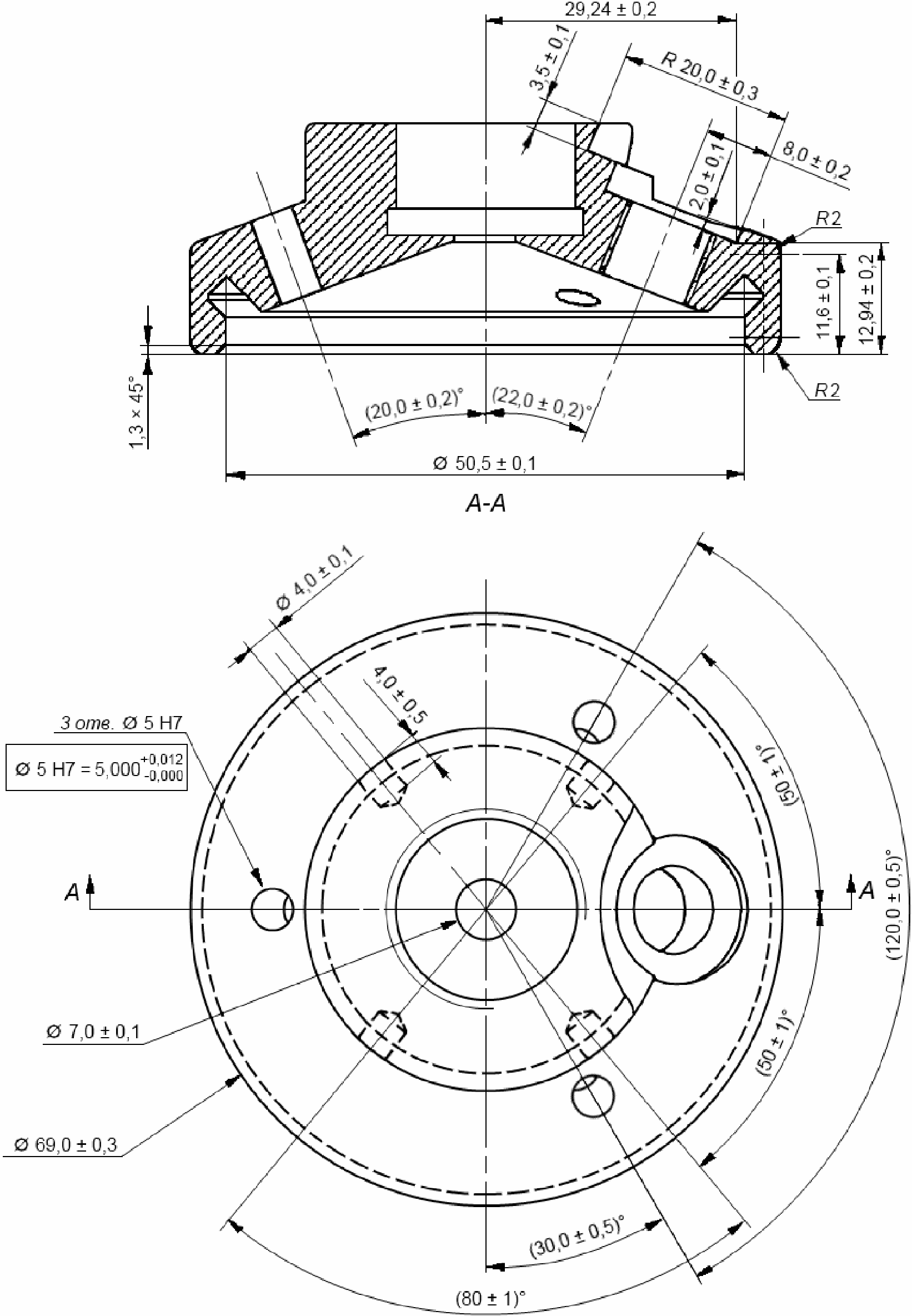
рисунок 8) с резьбовой крышкой (см.
рисунок 7). Резьба для крышки расположена над опорным кольцом. Никелированная латунная крышка (см.
рисунок 9) за счет внутренней конической уплотнительной поверхности герметично закрывает тигель. Три сопла из закаленной стали (см.
рисунок 10) обеспечивают пропускание потока воздуха через крышку. Изогнутую отводную трубку (см.
рисунки 11 и
12), устанавливают в резьбовое герметичное соединение в центре крышки.
1 - тигель; 2 - крышка; 3 - уплотнение отводной трубки;
4 - изогнутая отводная трубка; 5 - гайка отводной трубки;
6 - фиксатор температурного датчика;
7 - температурный датчик
Рисунок 7 - Тигель с температурным датчиком
1 - метка уровня налива образца (глубиной 0,5 мм),
см. деталь A
Рисунок 8 - Тигель аппарата Ноак (деталь
1 на
рисунке 7)
1 - см. деталь A; 2 - британская стандартная трубная
цилиндрическая резьба (BSP CYL) 1/8"
Рисунок 9 - Крышка тигля (деталь 2 на
рисунке 7)
Рисунок 10 - Установка датчика температуры
испытуемого образца
1 - кольцевые уплотнительные канавки глубиной 0,5 мм;
2 - толщина уплотнения 2 мм
Рисунок 11 - Отводная трубка из нержавеющей стали
Рисунок 12 - Гайка для отводной трубки из нержавеющей стали
16.1.3 Температурный датчик
Устройство измерения температуры образца должно обеспечивать точность не менее 0,5 °C и разрешающую способность не менее 0,1 °C. Датчик диаметром 4 мм калиброван на температуру 250,0 °C с точностью +/- 0,1 °C, расположение датчика приведено на
рисунке 8. Датчик следует калибровать по соответствующей процедуре с установленной периодичностью (не реже одного раза в год).
16.2 Весы с пределом взвешивания не менее 500 г, точностью не менее 0,01 г.
16.3 Захват для тигля и гаечный ключ.
16.4 Развертка диаметром 2 мм.
16.5 Шарик от подшипника диаметром от 3 до 5 мм.
16.6 Комплект стеклянных изделий, соответствующих
6.6 -
6.12 и
6.15.
16.7 Вакуумный насос.
16.8 Центральный пульт управления (CPU), обеспечивающий регулировку температуры образца, давления и времени нагревания и распечатку. Образец нагревают до температуры (245,2 +/- 0,5) °C в соответствии с температурным режимом, полученным при испытании образца со сплавом Вуда (1 ч при температуре 250 °C) с автоматической компенсацией продолжительности испытания. Используют автоматическую компенсацию продолжительности испытания, поскольку испытание можно проводить при комнатной температуре или при высокой температуре нагревательного блока, когда выполняют несколько испытаний без фазы охлаждения. CPU автоматически регулирует перепад давления (20,0 +/- 0,2) мм. Условия испытания можно проверить по напечатанному отчету.
16.9 Принтер для распечатки графиков температуры образца и давления, регистрируемых при проведении испытания.
17.1 Очищающий растворитель
Для очистки тигля рекомендуется смесь нафты и толуола (Предупреждение - Смесь воспламеняется, пары вредны). Может потребоваться замачивание на всю ночь.
17.2 Эталонная жидкость Ноак
Масло с известным значением потерь от испарения, указанным изготовителем.
17.3 Защитные перчатки.
17.4 Бумага для сушки.
18 Требования безопасности
18.1 Предполагается, что исполнитель метода ознакомлен с правилами безопасности и владеет обычной лабораторной практикой или работает под руководством такого лица. Исполнитель несет ответственность за соблюдение всех законодательных требований.
Примечание 9 - Было установлено, что при достижении высоких температур при испытании методом Ноак для некоторых типов масел значения потерь от испарения такие высокие, что температурный датчик может оказаться выше уровня масла, обозначенного на тигле меткой. В то время как аппарат сигнализирует о более высоких колебаниях температуры, чем допускает метод испытания, нагреватель не отключается. Если это не заметить, масло будет нагреваться до температуры вспышки; например, одна лаборатория зарегистрировала образец, который вспыхнул, когда температурный датчик был удален в конце испытания. Для предотвращения таких возможных ошибок необходимо обратиться к изготовителю аппарата.
18.2
Предостережение - Несмотря на то, что испытание следует проводить при отсутствии сквозняков, помещение необходимо периодически проветривать (для удаления паров масла). Следует соблюдать осторожность для исключения возможности взрыва или воспламенения.
18.3 При разработке прецизионности метода не использовались альтернативные средства предотвращения сквозняков, приведенные в
приложении X3.
19.1 Стандартный комплект аппаратуры приведен на
рисунке 6. Для обеспечения температурного равновесия аппарат собирают в месте, защищенном от сквозняков (см.
18.2).
19.2 Готовят автоматический аппарат для работы в соответствии с инструкциями изготовителя.
19.3 Очищают стеклянные бутылки, стеклянную трубку и Y-образный тройник для предотвращения накопление конденсата.
Примечание 10 - Не допускается образование конденсата высотой более 1 см в стеклянных бутылках вместимостью 2 дм3. Промывают бутылки растворителем.
20.1 Перед испытанием включают аппарат не менее чем на 30 мин для стабилизации температуры в измеряемой цепи.
20.2 Убеждаются в чистоте стеклянных изделий, вакуумного насоса и герметичности соединений.
20.3 Перед проведением испытания тщательно очищают и высушивают все детали испытательного тигля и вспомогательное оборудование. На тигле и крышке не должно быть лакообразных отложений. Твердые лакообразные отложения удаляют легким шлифованием мелким карборундным порошком на диске из хлопковой ваты, смоченной растворителем, или волокнистым абразивным материалом, затем ополаскивают растворителем.
20.4 Проверяют чистоту каждого сопла в крышке, пропуская через него развертку.
Предупреждение - Применение развертки диаметром более 2 мм увеличивает размер сопла, что может привести к значительным потерям образца за счет большого потока воздуха.
20.5 Проверяют чистоту отводной трубки тигля, пропуская через нее шарик подшипника.
20.6 После стабилизации в течение 30 мин калибруют устройство измерения температуры в соответствии с инструкцией изготовителя.
20.7 Калибруют устройство измерения давления в соответствии с инструкцией изготовителя.
20.8 Взвешивают пустой тигель без крышки с точностью до 0,01 г.
20.9 Помещают во взвешенный тигель (65,0 +/- 0,1) г эталонной жидкости с точностью до 0,01 г. Массу эталонной жидкости обозначают M1.
20.10 Навинчивают крышку на тигель с помощью захвата и гаечного ключа, при этом образец не должна разбрызгиваться по внутренней поверхности крышки. При разбрызгивании образца испытание следует повторить, начиная с
20.3.
20.11 Присоединяют температурный датчик для образца к аппарату.
20.12 Нажимают на запирающий рычаг, расположенный на передней стороне нагревательного блока. Помещают тигель в нагревательный блок. Вращают тигель, закрепляя фланец под головками винтов. Регулируют конечное положение отводной трубки так, чтобы она находилась перед плечом стеклянного Y-образного тройника, освобождают запирающий рычаг.
20.13 Присоединяют отводную трубку к плечу стеклянного Y-образного тройника и закрепляют соединение зажимом. Убеждаются, что отводная трубка из нержавеющей стали, соединение и правое плечо стеклянного Y-образного тройника находятся на одной линии.
20.14 Начинают испытание, нажав на CPU клавишу "ON". В стандартной конфигурации аппарата принтер начинает печатать график температуры образца и кривые давления. При отсутствии распечатки следует обратиться к инструкциям изготовителя для запуска печати на принтере.
20.15 Когда звуковое сигнальное устройство сигнализирует о последних 3 мин испытания, выключают звук, нажав на клавишу "OFF". Не отходят от аппарата и готовятся к отсоединению отводной трубки.
20.16 Через 60 мин испытание автоматически прекращается и в конце звучит сигнал. Удаляют датчик температуры образца. Отсоединяют отводную трубку в течение не более 15 с. Нажимают на запирающий рычаг и вынимают тигель. Выключают звуковой сигнал нажатием на клавишу "OFF".
20.17 Помещают тигель в холодную водяную баню на глубину не менее 30 мм.
20.18 Проверяют распечатанный график для выявления соответствия значения температуры образца и давления установленным спецификацией пределам. Если один из графиков выходит за установленные спецификацией пределы, проверяют соответствие аппаратуры инструкциям изготовителя и правильность проведения испытания. Затем проводят испытание, начиная с
20.2.
20.19 Через 30 мин вынимают тигель из водяной бани, вытирают наружную поверхность и аккуратно снимают крышку. Эта стадия очень важная для испытания. Следует убедиться, что образец не контактировал с внутренней поверхностью крышки.
Примечание 11 - В начале и конце испытания во время работы с тиглем важно не забрызгать внутреннюю поверхность крышки испытуемым образцом. Если это происходит, наблюдаются большие потери и испытание повторяют.
20.20 Снова взвешивают тигель без крышки с точностью до 0,01 г.
20.21 Вычисляют массу
M2, вычитая массу пустого тигля из массы тигля, измеренной по
20.19.
20.22 Вычисляют потери от испарения эталонной жидкости с точностью до 0,1% масс. по формуле

, (4)
где M1 - масса образца до проведения испытания, г;
M2 - масса образца после испытания при температуре 245,2 °C, г.
20.23 Полученный результат сравнивают с приведенным значением для эталонной жидкости. Если результат находится в пределах установленного значения, переходят к процедуре по
21.
20.24 Если результат не соответствует установленному значению, проверяют соответствие аппаратуры инструкциям изготовителя и правильность проведения испытания.
20.25 Повторно определяют потери от испарения эталонной жидкости, начиная с
20.2.
21.1 Помещают во взвешенный тигель (65,0 +/- 0,1) г представительного образца, взвешенного с точностью до 0,01 г.
Примечание 12 - Пробы отбирают по ASTM D 4057 и ASTM D 4177.
21.2 Проводят операции, указанные в
20.3 -
20.20.
21.3 Вычисляют по
формуле 4 потери образца от испарения с точностью до 0,1% масс.
22.1 Вычисляют потери образца от испарения как разность массы тигля до и после проведения испытания. Нагревают образец в соответствии с температурным режимом как при испытании на аппарате Ноак со сплавом Вуда (1 ч при температуре 250 °C), с учетом компенсации на продолжительность автоматического испытания. Используют компенсацию на продолжительность автоматического испытания, поскольку испытание может быть начато при комнатной или при более высокой температуре нагревательного блока, когда выполняют несколько испытаний без этапа охлаждения. Эти условия можно проверить по распечатанному отчету. Вычисляют потери образца от испарения по формуле

, (5)
где M1 = B - A
M2 = C - A
A - масса пустого тигля, г;
B - масса тигля с образцом до проведения испытания, г;
C - масса тигля с образцом после проведения испытания, г.
22.2 В зависимости от типа образца были отмечены некоторые постоянные расхождения результатов испытаний по
методам A и B. Результат испытания, полученный по одному из методов, можно преобразовать в результат, полученный по другому методу, следующим образом.
22.2.1 Компаундированные моторные масла
Вычисления основаны на результатах межлабораторных испытаний компаундированных моторных масел со значениями потерь от испарения в диапазоне от 10,5% до 21,5% по методу Ноак.
Значение потерь от испарения по методу B =
Значение потерь от испарения по
методу A =
= 0,970 x значение по методу B. (7)
Пределы 95%-ной доверительной вероятности для коэффициента регрессии результатов по
формуле (6) находятся в диапазоне от 1,021 до 1,033, для коэффициента регрессии результатов по
формуле (7) - в диапазоне от 0,968 до 0,980.
22.2.2 Вычисления основаны на результатах межлабораторных испытаний базовых масел со значениями потерь от испарения в диапазоне от 4% до 25% по методу Ноак.
Значение потерь от испарения по методу B =
Значение потерь от испарения по
методу A =
= 1,039 x Значение по методу B (9)
Пределы 95%-ой доверительной вероятности для коэффициента регрессии результатов по
формуле (8) находятся в диапазоне от 0,950 до 0,959, для коэффициента регрессии результатов по
формуле (9) - в диапазоне от 1,043 до 1,053.
Примечание 13 - Результаты определения потерь от испарения методом Ноак не округляют до применения коэффициентов в
формулах (6) -
(9).
23 Оформление результатов
23.1 Регистрируют следующее.
23.1.1 Значение потерь от испарения с точностью 0,1% масс. (метод B по настоящему стандарту).
23.2 Преобразование результатов испытания по
методу A или B в другие.
23.2.1 Преобразование значения потерь от испарения, вычисленное по
22.1, по
методу A или методу B, в эквивалентный результат на основе другого метода возможно, если точно известна природа испытуемого образца, т.е. известно, что это базовое или компаундированное моторное масло. Следует выбрать соответствующую формулу из вышеприведенных и применить к типу образца (компаундированного моторного масла или базового масла).
23.3 Преобразованный результат с точностью до 0,1% масс., как значение потерь образца от испарения, преобразованное из использованного метода в значение, полученное при пересчете для другого метода.
23.4 Если неизвестна природа испытуемого образца, результат испытания по методу B настоящего стандарта идентифицируют как полученный по методу B настоящего стандарта, полученное значение потерь от испарения требует дополнительной информации о природе испытуемого образца для получения стандартного значения по
методу A настоящего стандарта.
23.4.1 Преобразованный результат регистрируют как полученный по
методу A настоящего стандарта (преобразованный результат, полученный по методу B настоящего стандарта) или как полученный по методу B настоящего стандарта (преобразованный результат, полученный по
методу A настоящего стандарта).
24 Прецизионность и смещение <4>
Примечание 14 - Прецизионность для метода B разработана с использованием оборудования, доступного в ISL, BP40 14790 VERSON, Франция.
24.1 Прецизионность для метода B были установлена по результатам межлабораторных испытаний в соответствии с ASTM D 6300.
24.2 Межлабораторные испытания проводили на восьми маслах: двух базовых и шести товарных маслах, испытанных в 12 лабораториях.
24.3 Прецизионность настоящего метода испытания, полученная при статистическом анализе межлабораторных результатов испытаний, следующая.
24.3.1 Повторяемость
Расхождение между двумя результатами испытаний, полученными одним и тем же оператором на одной и той же аппаратуре при постоянно действующих условиях на идентичном испытуемом материале в течение длительного времени может превысить следующее значение только в одном случае из двадцати
повторяемость = 0,095 X0,5, (10)
где X - среднеарифметическое значение результатов двух испытаний.
24.3.2 Воспроизводимость
Расхождение между двумя единичными и независимыми результатами испытаний, полученными разными операторами, работающими в разных лабораториях на идентичном испытуемом материале в течение длительного времени, могут превысить следующее значение только в одном случае из двадцати
воспроизводимость = 0,26 X0,5, (11)
где X - среднеарифметическое значение результатов двух испытаний.
24.4 Смещение
Смещение не было установлено, т.к. отсутствует принятый эталон, пригодный для определения смещения данного метода.
--------------------------------
<1> Единственным известным поставщиком аппаратуры является Tannas Co., 4800 James Savage Rd., Midland, MI 48642. Если известны альтернативные поставщики, эту информацию следует сообщить в штаб-квартиру ASTM International.
25.1 Аппарат Селби-Ноак, приведенный на
рисунке 13, состоит из следующих деталей.
1 - платформа мешалки; 2 - коалесцирующий фильтр; 3 - нижняя
часть реакционного сосуда; 4 - конический стеклянный
переходник; 5 - фильтр насоса в сборе; 6 - верхняя часть
реакционного сосуда; 7 - трубка датчика давления;
8 - дроссельная трубка с крышкой; 9 - термопара и ее кожух;
10 - главное питание; 11 - регулятор температуры;
12 - регулятор давления; 13 - тумблер мешалки;
14 - выключатель при перегреве; 15 - окончание испытания
Рисунок 13 - Аппарат Селби-Ноак
25.1.1 Нижней части реакционного сосуда, обеспечивающей быстрое нагревание образца до температуры 250 °C.
25.1.2 Верхней части реакционного сосуда.
25.1.3 Коалесцирующего фильтра.
25.1.4 Фильтра насоса.
25.1.5 Дроссельной трубки.
25.1.6 Крышки дросселя (набор разных размеров).
25.1.7 Кожуха термопары.
25.1.8 Стержня магнитной мешалки.
25.1.9 Термопары.
25.1.10 Измерительной рейки определенной длины.
25.1.11 Витоновых уплотнительных колец.
25.1.12 Сменных элементов коалесцирующего фильтра.
25.1.13 Сменных элементов фильтра насоса.
25.2 Весы, обеспечивающие взвешивание не менее 300 г с точностью до 0,01 г.
25.3 Химический стакан вместимостью 600 см3.
25.4 Корковое кольцо, поддерживающее приемную колбу во время взвешивания.
25.5 Таймер.
25.6 Конический стеклянный переходник.
26.1 Очищающий растворитель, например, VarCleen, обеспечивающий удаление лакообразных отложений со стеклянных изделий.
26.2 Углеводородный растворитель, например, гексан.
26.3 Эталонное масло со средним значением испаряемостью.
26.4 Эталонное масло с высоким значением испаряемостью.
26.5 Масло, пригодное для вакуумного насоса, установленного в аппарате.
27.1 Размещают аппаратуру на лабораторном столе (но не в вытяжном шкафу) при условиях, исключающих колебания атмосферного давления. Вентилируют выходное отверстие вакуумного насоса, снабженного металлической или пластмассовой трубкой, расположенной на задней крышке и ведущей к соответствующему выходному отверстию. Независимо от размещения аппаратуры убеждаются, что прибор, встроенный в дверцу (служащую регулятором тяги и экраном безопасности), плотно закрыт при проведении калибровки и испытания, как показано на
рисунке 13.
27.2 Устанавливают трубку в реакционном сосуде так, чтобы выходное отверстие было на расстоянии 11,4 см от дна.
27.2.1 Определяют длину измерительной рейки и диаметр дроссельной трубки (без крышки) в сантиметрах.
27.2.2 Суммируют длину дроссельной трубки (без крышки) со значением, равным 11,4 см.
27.2.3 Используют полученное по
27.2.2 значение для установки измерительной рейки и фиксируют уплотнительное кольцо на полученной высоте. Это определяет расстояния от нижнего конца измерительной рейки до нижней поверхности уплотнительного кольца.
27.2.4 Снимают крышку, поворачивая коническую пластиковую деталь на дроссельной трубке по направлению к верхней резьбовой части.
27.2.5 Собирают детали верхней и нижней части реакционного сосуда и устанавливают дроссельную трубку.
27.2.6 Вставляют измерительную рейку в дроссельную трубку. При соприкосновении нижнего конца рейки с дном реакционного сосуда нижняя поверхность уплотнительного кольца должна быть над верхним концом дроссельной трубки.
27.2.7 Опускают вниз коническую пластиковую деталь на дроссельной трубке до соприкосновения верхнего конца трубки с нижней поверхностью уплотнительного кольца на измерительной рейке.
27.3 Устанавливают соединительные зажимы для двух термопар в гнезда на корпусе аппарата.
27.4 Вставляют кабель нагревателя в соединительный зажим нагревателя, расположенный на шкафу аппарата.
27.5 Убеждаются, что внутренняя поверхность нижней части реакционного сосуда чистая (см.
30.5), а стеклянные и металлические изделия и соединения не содержат остатков масла.
27.6 При необходимости очищают корпус коалесцирующего фильтра от масла углеводородным растворителем, сушат и устанавливают новый фильтрующий элемент.
27.7 Включают аппарат в электросеть (выключатель находится на передней панели).
27.8 Перед эксплуатацией закрывают дверцу аппарата.
28.1 Термопару калибруют при температуре не ниже 100 °C по сертифицированному термометру или другому стандартному устройству измерения температуры и при необходимости регулируют отклонение калибровки с учетом поправочного коэффициента в соответствии с инструкциями изготовителя.
28.2 Нагревают реакционный сосуд, предварительно взвесив его нижнюю часть, поместив его (с магнитной мешалкой) на платформу мешалки. Помещают в сосуд термопару и убеждаются, что ее кончик касается внутренней стенки. Устанавливают температурный контроллер на температуру 100 °C и включают нагреватель. После достижения температуры 100 °C включают таймер и выдерживают 5 мин.
28.3 После 5-минутной выдержки выключают нагреватель и охлаждают до температуры ниже 50 °C. После охлаждения проверяют массу сухой нижней части реакционного сосуда, сравнивая значение с результатами предыдущих взвешиваний.
Примечание 15 - Масса нижней части реакционного сосуда при последовательных взвешиваниях должна быть постоянной (расхождение не более +/- 0,02 г), однако со временем она снижается. Любое внезапное увеличение массы или ее колебание указывает на загрязнение наружного изоляционного покрытия нижней части сосуда, для получения постоянной массы следует повторно нагреть сосуд в соответствии с
28.2.
28.4 Взвешивают реакционный сосуд со стержнем мешалки и записывают результат с точностью до 0,01 г.
28.5 Наливают в реакционный сосуд (65,00 +/- 0,02) г эталонного масла. Массу масла записывают с точностью до 0,01 г.
28.6 Дроссельную трубку плотно закрывают крышкой соответствующего размера и вставляют в центр стеклянного конического соединения верхней части реакционного сосуда.
28.7 Вставляют кожух термопары (без термопары) в соединение термопары с верхней частью реакционного сосуда лицевой стороной изгиба от стеклянного бокового рукава.
28.8 Соединяют верхнюю и нижнюю части реакционного сосуда и вставляют комплект в предусмотренный зажим для сосуда.
28.9 Для придания устойчивости нижней части реакционного сосуда поднимают платформу мешалки.
28.10 При необходимости сбора продуктов испарения, взвешивают комплект чистого фильтра, включая сменный элемент фильтра, и записывают результаты с точностью до 0,01 г.
28.11 Монтируют аппарат на кронштейн со стрелкой, указывающей направление воздушного потока (направление к вакуумному насосу).
28.12 Присоединяют трубку улавливающего фильтра к заостренному концу усеченного стеклянного переходника (который затем соединяют с боковым отводом верхней части реакционного сосуда).
28.13 Присоединяют трубку к входу коалесцирующего фильтра, конусный стеклянный переходник присоединяют к боковому отводу верхней части реакционной сосуда и фиксируют стеклянным соединительным зажимом.
28.14 Присоединяют напорный шланг (над коалесцирующим фильтром) к выходу коалесцирующего фильтра.
28.15 Присоединяют шланг от датчика давления к заостренному соединению верхней части реакционного сосуда рядом с боковым отводом. После соединений верхняя и нижняя части реакционного сосуда должны быть расположены горизонтально, витоновые уплотнительные кольца между ними должны быть в надлежащем положении.
28.16 Устанавливают термопару в кожух так, чтобы пластиковая трубка герметизировала соединение термопары с кожухом.
28.17 Термопара должна касаться стенки. Это можно наблюдать сверху реакционной колбы. Для получения достоверных результатов важно, чтобы термопара касалась внутренней поверхности реакционного сосуда не менее чем на 1,25 см (0,5 дюйма) ниже поверхности масла.
28.18 Устанавливают тумблер "Открыть/Закрыть" на линии контроля вакуума на середину или в положение "поток", включают тумблер "Включить/Выключить" на линии вакуума наверху пульта управления.
28.19 Нажимают вниз тумблер "Калибровочный множитель/Поток/Установка" и с помощью шкалы "Установка точки" регулируют вакуум до 2,00 см (20 мм вод. ст.) на получение результата измерительного прибора. При показании 2,00 см выключают тумблер "Калибровочный множитель/Поток/Установка".
28.20 Одним пальцем крепко нажимают на отверстие в крышке и подтягивают чекой тумблер вакуума "Открыть/Закрыть" в положение "Закрыто". Вакуум должен повыситься до стабильного значения (должен быть не более 19,00 см вод ст). После одного раза стабилизации, когда палец еще находится на отверстии в крышке, выключают вакуумный насос и контролируют поддержание вакуума. Убирают палец с крышки и снова контролируют вакуум. Его значение должно быстро снизиться до нуля.
28.21 При утечке снова проверяют правильность установки стеклянной аппаратуры, дроссельной трубки и кожуха термопары. Повторяют операцию по
28.20, при отсутствии утечки переходят к
28.22.
Примечание 16 - При необходимости для герметизации деталей, которые при проведении испытания не взвешивают, можно использовать высокотемпературную вакуумную смазку.
28.22 При включенном тумблере вакуума и контролируемом давлении 2,00 см вод. ст. включают мешалку. Перемешивание проверяют визуально.
28.23 Устанавливают контроллер температуры на 250 °C и включают нагреватель. Таймер автоматически работает при включенном тумблере нагревателя. Таймер через 1 ч выключает нагреватель, вакуум и мотор мешалки.
28.24 Охлаждают аппаратуру (приблизительно 20 мин) до температуры, безопасной для дальнейших процедур. При работе с горячей аппаратурой можно использовать перчатки.
28.25 При необходимости определяют количество испарившегося масла.
28.25.1 Отсоединяют трубку от системы коалесцирующего фильтра и снимают ее с кронштейна.
28.25.2 Взвешивают полный комплект коалесцирующего фильтра и записывают результат с точностью до 0,01 г. Массу испарившегося масла определяют, вычитая из полученного результата массу чистого фильтра по
28.10.
28.25.3 При необходимости испарившееся масло сливают через кран в дне корпуса улавливающего фильтра и хранят для дальнейших испытаний.
28.26 Удаляют трубку датчика давления и термопару, снимают верхнюю часть реакционного сосуда. При очистке и повторной сборке дроссельную трубку и кожух термопары можно не отсоединять (масло на наружной поверхности кожуха возвращают в реакционный сосуд, прислоняя кожух к стенке сосуда).
28.27 Взвешивают и записывают массу нижней части реакционного сосуда вместе с остатком масла с точностью до 0,01 г, затем остаток утилизируют или сохраняют для дальнейшего анализа.
28.28 Очищают стеклянные и металлические детали, как описано в
30.1 -
30.7.
28.29 Вычисляют потерю массы эталонной жидкости от испарения с точностью до 0,1% (см.
раздел 31).
28.30 Сравнивают полученный результат с установленным значением потерь от испарения для эталонной жидкости. Если результат соответствует допустимым пределам, продолжают испытание по
29.
28.31 Если результат отличается от установленного значения для эталонной жидкости, проверяют правильность выполнения методики испытания и герметичность аппаратуры. Проверяют калибровку температурного контроллера и устройства датчика давления.
Примечание 17 - Процедуры калибровки температурного контроллера и контроллера давления приведены в руководстве по эксплуатации аппаратуры Селби-Ноак для определения испаряемости.
28.32 Если не выявлены ошибки установки или проведения испытания, меняют размер крышки увеличениями на 0,001, причем каждое увеличение соответствует изменению на 0,3%. потерь образца от испарения. Для получения точных результатов выбранная крышка должна иметь минимальные размеры. После любых изменений проводят испытания эталонной жидкости.
Примечание 18 - Если используют новые стеклянные детали аппаратуры, или приблизительный размер крышки неизвестен, начинают испытание с крышки размером 0,084, затем увеличивают до получения достоверных результатов.
28.33 Если причина ошибки не установлена, следует обратиться к изготовителю аппарата.
29.1 Выполняют испытание по
28.4 -
28.28, заменяя эталонную жидкость испытуемым образцом.
29.2 Вычисляют потери испытуемого образца с точностью до 0,1%.
29.3 При необходимости собирают испарившееся масло из коалесцирующего фильтра, сливая его в небольшую емкость.
Примечание 19 - Для подтверждения калибровки рекомендуется проводить испытание эталонной жидкости в начале каждой серии испытаний образцов и ежедневно перед проведением текущих испытаний. Перед проведением испытаний периодически, испытываю эталонную жидкость. Если значение потерь от испарения эталонной жидкости не соответствует установленным пределам, проверяют прецизионность работы аппарата или перед проведением испытания образца снова калибруют или выполняют и то и другое.
30.1 Стеклянные и металлические изделия, кроме нижней части реакционного сосуда, очищают углеводородным растворителем (например, гексаном, гептаном, циклогексаном).
30.2 Если испарившееся масло собирают в коалесцирующий фильтр, фильтр во время разборки следует очистить. Отвинчивают приемную чашку, удаляют сменный элемент фильтра и очищают углеводородным растворителем (например, гексаном, гептаном, циклогексаном). При повторной сборке сменный элемент фильтра можно заменить новым чистым. При необходимости фильтр для очистки можно снять с кронштейна.
30.3 Для предотвращения загрязнения маслом наружный выступ нижней части реакционного сосуда оборачивают чистым полотенцем и быстро выливают содержимое в химический стакан на стержень мешалки. Удерживая опрокинутую нижнюю часть реакционного сосуда, удаляют полотенце, вытирают насухо выступ и затем тщательно ополаскивают сосуд углеводородным растворителем. Очищенный комплект насухо вытирают другим полотенцем.
Примечание 20 - Если изоляционное покрытие нижней части реакционного сосуда загрязнено, следуют указаниям
примечания 15.
30.4 Если масло пролилось на наружную изоляцию нижней части реакционного сосуда, его сразу же аккуратно смывают углеводородным растворителем, чтобы не загрязнить другие участки изоляции. После удаления масла сушат нижнюю часть реакционного сосуда потоком воздуха при комнатной температуре.
30.5 В нижнюю часть реакционного сосуда помещают 10 см
3 растворителя, удаляющего лаковые отложения. Смачивают чистое бумажное полотенце растворителем и тщательно вытирают колбу изнутри, удаляя лаковые отложения на стенке. Тщательно ополаскивают горячей водой и сушат.
30.6 Если на других стеклянных деталях обнаруживают лаковую пленку, детали очищают по методике, приведенной в
30.5, или опускают в раствор воды и растворителя для удаления лака (в соотношении 1:1) или оставляют в растворителе на ночь.
30.7 Конец термопары очищают полотенцем, смоченным растворителем, удаляющим лакообразные отложения. Для удаления остатков очищающего растворителя протирают аппаратуру полотенцем, смоченным горячей водой, и сушат.
31.1 Потерю массы от испарения (%) определяют по потере массы образца, вычитая массу нижней части сосуда с маслом после испытания (см.
28.27) из массы сосуда с маслом до проведения испытания (см.
28.4 и
28.5).
Примечание 21 - Потерю массы от испарения (%) определяют по отношению испарившейся массы масла и массы испытуемого образца, например, если масса образца масла 65,1 г, а масса испарившегося масла равна 10,2 г, потеря массы от испарения составит (10,2 г/65,1 г) x 100 = 15,67%.
31.2 Массу собранных продуктов испарения вычисляют, вычитая из массы коалесцирующего фильтра в сборе после испытания (см.
28.10) массу коалесцирующего фильтра до проведения испытания (см.
28.26).
Примечание 22 - Массу собранных продуктов испарения (%) определяют по отношению массы собранного продукта в коалесцирующем фильтре и массы потерь от испарения. Например, если масса пустого коалесцирующего фильтра в сборе равна 163,2 г, а его масса после испытания увеличилась на 9,8 г и если потери, указанные в
31.1, составляют 10,2 г, масса собранных продуктов испарения равна (9,8 г/10,2 г) x 100 = 96,08%.
32 Оформление результатов
32.1 Записывают потерю образца от испарения с точностью до 0,1%.
32.2 При анализе имеющихся данных установлено, что при испытании товарных моторных масел по
методам A и C получают аналогичные результаты. Результаты сравнительных испытаний для базовых масел отсутствуют. Для определения количественной зависимости необходимы дополнительные исследования.
Примечание 23 - Прецизионность была определена с использованием оборудования, приведенного в исследовательском отчете. Это не является подтверждением или свидетельством сертификации оборудования ASTM.
33.1 Межлабораторное исследование шести образцов испытуемых масел проводилось восемью разными операторами на восьми аппаратах. Испытывали образцы масла для двигателей с диапазоном потерь от испарения от 11,84% до 20,18%.
33.2 Повторяемость r
Расхождение результатов двух испытаний, полученных одним и тем же оператором на одной и той же аппаратуре при постоянно действующих условиях на идентичном исследуемом материале в течение длительного времени может превышать следующие значения только в одном случае из двадцати:
повторяемость r потери от испарения, % = 0,81. (12)
33.3 Воспроизводимость R
Расхождение результатов двух одиночных и независимых результатов испытания, полученных разными операторами, работающими в разных лабораториях на идентичном исследуемом материале в течение длительного времени, может превышать следующее значение только в одном случае из двадцати:
воспроизводимость R потери от испарения, % = 1,62. (13)
34.1 Проводят контроль качества испытаний (QC), анализируя контрольный образец и убеждаются в правильности работы аппарата и выполнения
методов A,
B и
C.
34.2 Перед проведением контроля качества результатов испытания пользователю метода необходимо проверить среднее значение определяемой величины и контрольные допустимые пределы значения образца QC (см. ASTM D 6249 и MNL 7).
34.3 Для установления статуса статистического контроля процесса испытания регистрируют результаты QC и анализируют с помощью контрольных карт или другой статистически равноценной процедурой (см. ASTM D 6299 и MNL 7). Исследуют причины появления любых выпадающих данных. Результаты исследования могут, но не обязательно, указать на необходимость повторной градуировки аппарата.
34.4 При отсутствии конкретных требований, приведенных в стандарте на метод испытания, периодичность проведения QC определяется качеством проводимого измерения, а также стабильностью процесса испытания, требованиями потребителя и рекомендациями изготовителя оборудования. Прецизионность испытания контрольного образца QC должна периодически проверяться по показателям прецизионности данного метода для подтверждения качества получаемых результатов.
34.5 Рекомендуется, чтобы тип выбранного контрольного образца, по возможности, был представительным по отношению к обычно анализируемым образцам. На период проведения испытаний контрольные образцы QC должны быть в достаточном количестве, при хранении сохранять однородность и стабильность.
(справочное)
РЕКОМЕНДАЦИИ ПО ОПРЕДЕЛЕНИЮ ИСПАРЯЕМОСТИ
X1.1 Убеждаются, что для заполнения манометра использована соответствующая жидкость. Плотность используемой жидкости является важным параметром и должна соответствовать используемому манометру (см.
6.11, примечание 1). Единица давления - миллиметры водяного столба (при ускорении свободного падения g = 9,80665 м/с
2). Не для всех манометров, измеряющих давление в мм вод. ст., в качестве манометрической жидкости применяют воду. Используемую жидкость можно уточнить в спецификации или у изготовителя манометра.
X1.2 Перед проведением испытания следует убедиться, что заполненный резервуар манометра показывает точно нуль без вакуума или давления. Периодически может потребоваться повторное заполнение резервуара манометра из-за испарения жидкости. Также важно, чтобы манометр был установлен строго горизонтально.
X1.3 Для наклонных манометров должно быть обеспечено снятие показаний мениска в одной и той же позиции при значениях 1 мм вод. ст. и 20 мм вод. ст.
X1.4 Резиновые трубки, используемые для соединений, следует периодически менять, т.к. после продолжительного использования масляный туман вызывает их набухание.
X1.5 Необходимо периодически очищать детали выводящей системы от прилипших материалов, особенно стеклянного Y-тройника.
X1.6 При помещении образца наблюдается понижение температуры металлической бани. Регулятор температуры бани должен обеспечивать восстановление температуры приблизительно за 3 мин.
X1.7 На результаты испытания могут оказывать влияние потоки воздуха вокруг датчика давления или нагретого тигля. Не следует устанавливать аппарат на сквозняке, однако следует использовать проветриваемое помещение.
X1.8 Тигель и крышку после проведения испытания тщательно очищают растворителем и сушат. Удаляют лаковые отложения погружением в горячий моющий раствор и легким шлифованием тонким карборундовым порошком или мелким абразивным материалом.
X1.9 Устанавливают и точно поддерживают вакуум, в противном случае значения по методу Ноак могут значительно отличаться. Перед проведением испытания включают насос на 30 мин. Вакуумный насос следует ежедневно очищать углеводородным растворителем (используют растворитель согласно инструкциям изготовителя). Ежедневно проверяют герметичность под давлением; автоматическим регулятором давления создают вакуум.
X1.10 Жидкость, конденсирующаяся в трубках и соединениях, не позволяет достичь установленного значения вакуума.
X1.11 Следует ежедневно анализировать эталонное масло CEC RL - 172 вместе с образцами. Убеждаются, что характеристики используемого эталонного масла соответствуют сертификату. Некоторые поставщики могут некорректно прилагать сертификаты к партии эталонного масла. Следует отметить, что значение потерь от испарения по
методам A и
B отличается.
X1.12 Перед проведением испытания проверяют чистоту отводной трубки, стеклянных и силиконовых трубок и воздушного сопла.
X1.13 Следует проверять возможное загрязнение кармана для термометра нагаром или сплавом Вуда. После серии испытаний следует проверять наличие нагара и удалять его.
X1.14 Перед испытанием проверяют герметичность соединений. Все соединения должны быть ровными. Система трубок должна позволять потоку поступать к вакуумному насосу (не должно быть низких точек).
X1.15 Проверяют, чтобы пружина держателя температурного датчика работала надлежащим образом и правильно устанавливала датчик. Следует очищать температурный датчик от лаковых отложений.
X1.16 Если перед проведением испытания на автоматических аппаратах показание давления отличается от нуля, датчик давления калибруют заново.
X1.17 Если отводная трубка не затянута, ее затягивают или проверяют прокладку.
X1.18 Баня должна быть полностью заполненной сплавом Вуда, омывающим тигель и карманы для термометров.
X1.19 При работе с тиглем необходимо следить, чтобы не забрызгать крышку тигля, особенно при ее удалении. Применение смонтированного на столе захвата для удерживания тигля может предотвратить разбрызгивание при работе с тиглем (см.
20.10).
X1.19.1 Не перетягивают крышку тигля, не используют трубку с экстракционной гильзой в качестве ручки, чтобы затягивать или открывать крышку.
X1.20 Регулирование времени
Помещают тигель в баню, затем подсоединяют вакуум и сразу включают таймер.
X1.21 Перед включением таймера включают насос. Перед проведением испытания прогревают вакуумный датчик прибора не менее 30 мин. Рекомендуется оставлять включенную электронику на ночь.
X1.22 Периодически при испытании сравнивают показания термометра для калибровки с регистрируемой температурой. Правильность работы температурной цепи электроники проверяют 1 раз в месяц с помощью калиброванного моделирующего устройства температурного датчика.
X1.23 После проведения испытания отсоединяют вакуум и помещают тигель в охлаждающую баню не более чем на 1 мин.
X1.24 Необходимо аккуратно обращаться с тиглем, не следует его наклонять во время проведения испытания и после его завершения.
X1.25 Не следует проводить окончательное взвешивание тигля до охлаждения до комнатной температуры. Не следует применять чрезмерное усилие (например, молоток), чтобы открыть и закрыть тигель.
X1.26 Проверяют показания давления и температуры на автоматических аппаратах, чтобы убедиться, что во время испытания поддерживались правильные параметры.
X2 Метод C (с использованием аппарата Селби-Ноак)
X2.1 Убеждаются, что термопара касается нижней части реакционного сосуда, наблюдая за реакционным сосудом сверху при установке термопары.
X2.2 Проверяют правильность размещения трубки от установки к вытяжному шкафу или вентиляции (трубка не должна быть пережата).
X2.3 Для предотвращения утечек аккуратно устанавливают стеклянные детали, кожух термопары и дроссельную трубку.
X2.4 Для получения достоверных результатов убеждаются, что продолжительность испытания приблизительна 1 ч по возможности с точностью до 15 с.
X2.5 После проведения испытания и охлаждения в течение 20 мин можно удалить стеклянные детали, используя термоперчатки. Это позволяет начинать другое испытание со вторым набором стеклянной посуды.
X2.6 В альтернативных случаях можно использовать два набора верхнего и нижнего сосудов, при этом каждый набор должен имеет свою собственную трубку и крышку.
X3 Устройство, защищающее от сквозняка (для аппаратов Ноак, применяемых в методах A и B)
| | ИС МЕГАНОРМ: примечание. В официальном тексте документа, видимо, допущена опечатка: имеется в виду п. X3.2, а не X3.1. | |
X3.1 При использовании аппарата Ноак в лаборатории не должно быть сквозняков. Вспомогательное оборудование, описанное в
X3.1, может обеспечить защиту прибора Ноак от сквозняков. С помощью металлической коробки (кожуха) изолируют блок нагревателя прибора, при этом значительно снижают турбулентность вокруг образца и обеспечивают необходимый теплообмен.
X3.2 Вспомогательное оборудование для приборов, используемых в
методах A и
B, можно изготовить из листа алюминия 14GA. Длина и ширина алюминиевой коробки, смонтированной поверх нагревательного блока, должны быть больше размеров верхней части нагревательного блока. В стенках коробки должны быть отверстия для выведения наружу выпускных трубок и проводов температурного датчика, а в верхней части - отверстие для отвода тепла.
X3.3 Общий вид вспомогательного оборудования приведен на
рисунке X3.1. У прибора разных моделей могут быть разные размеры.
1 - алюминиевые уголки размером 3/4" x 3/4" x 1/8"
по внутренней поверхности кожуха; 2 - три отверстия
в уголках, как показано; 3 - отверстие в верхней части
диаметром 4 1/2"; 4 - надпись "Предупреждение! Эта крышка
может быть горячей!" (высота шрифта не менее 1/4");
5 - отверстие; 6 - обработанная латунная ручка
дверцы размером 4" x 1"
Примечание 1 - Кожух изготовляют в соответствии с указанными размерами.
Примечание 2 - Материал кожуха - алюминий 14GA.
Примечание 3 - Ручки и уголки размером 3/4" приклепаны.
Рисунок X3.1 - Общий вид вспомогательного оборудования
(крышки поверх аппарата)
(справочное)
СВЕДЕНИЯ О СООТВЕТСТВИИ МЕЖГОСУДАРСТВЕННЫХ СТАНДАРТОВ
ССЫЛОЧНЫМ СТАНДАРТАМ
Таблица Д.А.1
Обозначение и наименование ссылочного стандарта | Степень соответствия | Обозначение и наименование соответствующего межгосударственного стандарта |
ASTM D 4057-11 Практика по ручному отбору проб нефти и нефтепродуктов | - | |
ASTM D 4177-10 Практика по автоматическому отбору проб нефти и нефтепродуктов | - | |
ASTM D 6299-10 Практика применения методов статистического контроля качества и контрольных карт для оценки характеристик аналитической системы измерения | - | |
ASTM D 6300-10 Руководство по определению прецизионности и величин смещения для использования в методах испытания нефтепродуктов и смазочных материалов | - | |
DIN 1725:1998 Спецификация на алюминиевые сплавы | - | |
DIN 12785:1977 Спецификация на стеклянные термометры | - | |
<*> Соответствующий межгосударственный стандарт отсутствует. До его утверждения рекомендуется использовать перевод на русский язык данного стандарта. Перевод данного стандарта находится в Федеральном информационном фонде технических регламентов и стандартов. |
УДК 665.765:006 354 | | IDT |
Ключевые слова: смазочные масла, методы A, B, C, потери образца от испарения, испаряемость по методу Ноак, аппарата Ноак, автоматический аппарат Ноак без сплава Вуда, аппарат Селби-Ноак |