Главная // Актуальные документы // Записка
СПРАВКА
Источник публикации
М.: Минсвязи СССР, 1973
Примечание к документу
С 01.07.2003 в связи с вступлением в силу Федерального закона от 27.12.2002 N 184-ФЗ отраслевые стандарты не относятся к нормативным документам по стандартизации. До вступления в силу технических регламентов акты федеральных органов исполнительной власти в сфере технического регулирования (в том числе стандарты отраслей) носят рекомендательный характер и подлежат обязательному исполнению только в части, соответствующей целям и условиям, указанным в п. 1 ст. 46 названного закона, за исключением случаев, предусмотренных ст. 5.
С 01.07.2016 виды документов по стандартизации установлены ст. 14 Федерального закона от 29.06.2015 N 162-ФЗ.

Документ введен в действие с 1 сентября 1972 года.

Взамен МН-450-57.
Название документа
"ОСТ 45.3-72. Отраслевой стандарт. Обозначения условные графические на схемах организации междугородной проводной связи, радиорелейных линий и радиотрансляционных сетей"
(утв. Приказом Минсвязи СССР от 11.07.1972 N 465)

"ОСТ 45.3-72. Отраслевой стандарт. Обозначения условные графические на схемах организации междугородной проводной связи, радиорелейных линий и радиотрансляционных сетей"
(утв. Приказом Минсвязи СССР от 11.07.1972 N 465)


Содержание


Утвержден
Приказом
Министерства связи СССР
от 11 июля 1972 г. N 465
ОТРАСЛЕВОЙ СТАНДАРТ
ОБОЗНАЧЕНИЯ УСЛОВНЫЕ ГРАФИЧЕСКИЕ НА СХЕМАХ
ОРГАНИЗАЦИИ МЕЖДУГОРОДНОЙ ПРОВОДНОЙ СВЯЗИ,
РАДИОРЕЛЕЙНЫХ ЛИНИЙ И РАДИОТРАНСЛЯЦИОННЫХ СЕТЕЙ
ОСТ 45.3-72
Взамен
МН-450-57
Срок введения установлен
с 1 сентября 1972 года
Разработан Государственным институтом по изысканиям и проектированию сооружений связи "Гипросвязь" Главсвязьпроекта Министерства связи СССР.
Настоящий отраслевой стандарт распространяется на схемы и чертежи организации электрической междугородной связи, радиорелейных линий связи, трансляционных сетей радиовещания и телевидения.
В настоящий стандарт не включены условные графические обозначения линейных и станционных сооружений, помещенные в ГОСТ, перечень которых приведен в приложении.
1. УЗЛЫ И ПУНКТЫ КАБЕЛЬНЫХ, ВОЗДУШНЫХ
И РАДИОРЕЛЕЙНЫХ ЛИНИЙ СВЯЗИ
┌───────────────────────────────────────┬─────────────────────────────────┐
│ Наименования │ Условные обозначения сооружений │
│ │ или устройств │
│ ├───────────────────┬─────────────┤
│ │ существующих │проектируемых│
└───────────────────────────────────────┴───────────────────┴─────────────┘
                                         
1.1. Узел территориальный автоматизиро-
ванный управления и коммутации
                                         
1.2. Узел автоматизированный сетевой
                                         
1.3. Узел вспомогательный сетевой
                                         
1.4. Узел выделения сетевой
                                         
1.5. Станция оконечная магистральная
(ОМС) или оконечный пункт для зоновой
связи
                                         
1.6. Пункт транзитный для магистральной
кабельной сети или переприемный для
кабельной или воздушной магистрали
зоновой сети
                                         
1.7. Пункт обслуживаемый усилительный
(ОУП) кабельной или воздушной
магистрали
                                         
1.8. Пункт необслуживаемый усилительный
кабельной или вспомогательный
усилительный воздушной магистрали
                                         
1.9. Пункт дополнительный усилительный
воздушной магистрали
                                         
1.10. Пункт оконечный аппаратуры
"Газета"
                                         
1.11. Аппаратная междугородного вещания
или телевидения
Примечание. Указывается тип (ЦМВА,
РМВА, ОМВА, КРА, РВА, МТА) <1>
                                         
1.12. Пункт переприема по видеочастоте
канала телевидения или нч переприема
канала вещания
Примечание. Указывается тип канала
                                         
1.13. Пункт переговорный
                                         
1.14. Станция телефонная. Общее
обозначение.
Для указания разновидности в
обозначение вписываются буквы:
а) зоновый узел - ЗУ
б) узел автоматической коммутации -
УАК-I, УАК-II
                                         
Например: зоновый узел.
Допускается буквы проставлять около
условного обозначения
                                         
1.15. Управление или район кабельной и
радиорелейной магистралей
                                         
Примечание.
Указывается район или управление
                                         
1.16. Участок кабельной магистрали
                                         
1.17. Эксплуатационно-технический узел
связи
                                         
1.18. Граница эксплуатационно-
технического узла связи
                                         
1.19. Пункт монтерский
                                         
1.20. Пример обозначения пункта
обслуживаемого усилительного (ОУП),
совмещенного с участком кабельной
магистрали
                                         
1.21. Узел связи районный
                                         
1.22. Станция усилительная передвижная
Примечание. Указывается тип
                                         
1.23. Станция оконечная радиорелейная
(ОРС)
                                         
1.24. Станция промежуточная
радиорелейная (ПРС)
                                         
1.25. Станция узловая радиорелейная с
выделением группового спектра
телефонных каналов
                                         
1.26. Станция узловая радиорелейная с
выделением группового спектра
телефонных каналов и телевизионных
программ
                                         
1.27. Станция узловая радиорелейная с
ответвлением и выделением группового
спектра телефонных каналов
                                         
1.28. Станция узловая радиорелейная с
ответвлением и отделением группового
спектра телефонных каналов и
телевизионных программ
                                         
1.29. Станция радиорелейная передающая
(РПС)
Примечание. Указываются: в числителе
мощность в кВт, а в знаменателе номер
канала радиотелевизионной передающей
станции
                                         
1.30. Станция радиотелевизионная
передающая (РПС), совмещенная с
телевизионной аппаратной студийного
комплекса (АКС)
Примечание. Указываются: в числителе
мощность в кВт, а в знаменателе номер
канала радиотелевизионной передающей
станции
                                         
1.31. Станция телевизионная:
ретрансляционная маломощная
Примечание. Указываются: в числителе
мощность в кВт, а в знаменателе номер
канала радиотелевизионной передающей
станции
                                         
1.32. Служба аварийно-профилактическая
(АПС) для РРЛ
                                         
1.33. Пример обозначения узловой
радиорелейной станции с выделением
группового спектра телефонных каналов и
телевизионных программ, ответвлением и
аварийно-профилактической службой и
совмещенной с радиотелевизионной
передающей станцией мощностью 25/7,5
кВт, канал 3
───────────────────────────────────────────────────────────────────────────
--------------------------------
<1> ЦМБА центральная междугородная вещательная аппаратная; РМБА - республиканская междугородная вещательная аппаратная; ОМБА - областная междугородная вещательная аппаратная; КРА - контрольно-распределительная аппаратная; РВА - радио-вещательная аппаратная; МТА - междугородная телевизионная аппаратная.
2. КАНАЛЫ СВЯЗИ
┌───────────────────────────────────────┬─────────────────────────────────┐
│ Наименования │ Условные обозначения сооружений │
│ │ или устройств │
│ ├───────────────────┬─────────────┤
│ │ существующих │проектируемых│
└───────────────────────────────────────┴───────────────────┴─────────────┘
2.1. Канал тч, используемый для:
                                         
а) МТС ручного обслуживания ш/т
                                         
б) А, П/А, ДШС
                                         
в) то же, координатной системы
                                         
г) вторичного уплотнения
                                         
д) служебной связи
                                         
е) резервный (свободный)
Примечание. Для г) указывается:
- тональное телеграфирование общего
пользования - Т;
- тональное телеграфирование по
арендованным каналам - ТП;
- фототелеграфия или факсимильное
телеграфирование - Ф;
- односторонние передачи канала вещания
- Р;
- односторонние передачи канала вещания
- РР;
- двусторонняя передача данных общего
пользования - Д;
- то же, других ведомств - ДП
Допускается общее обозначение канала
тч, как показано в п. г), с указанием
количества и назначения каналов
2.2. Канал телеграфный, используемый
для:
                                         
а) оконечной работы;
                                         
б) транзита
                                         
в) автоматической коммутации
координатной системы
Примечание. Обозначения каналов
резервных и используемых для
автоматической коммутации шаговой
системы, служебной связи аналогичны
(п. 2.1 б, е, д)
                                         
2.3. Канал телеграфный транзитный по
средней точке без трансляции
                                         
2.4. Средняя точка телеграфной цепи
───────────────────────────────────────────────────────────────────────────
3. УСТРОЙСТВА МЕЖДУГОРОДНОЙ ТЕЛЕФОННОЙ СВЯЗИ
┌───────────────────────────────────────┬─────────────────────────────────┐
│ Наименование │ Условные обозначения сооружений │
│ │ или устройств │
│ ├──────────────┬──────────────────┤
│ │ существующих │ проектируемых │
└───────────────────────────────────────┴──────────────┴──────────────────┘
3.1. Усилители тональной частоты:
                                         
а) усилитель симплексный тональной
частоты
                                         
б) усилитель дуплексный тональной
частоты
3.2. Аппаратура служебной связи
3.2.1. Аппаратура служебной связи
на 2-проводных цепях (для оконечных
и промежуточных станций):
                                         
а) с усилителем
                                         
б) без усилителя
3.2.2. Аппаратура служебной связи на
4-проводных цепях, уплотненных вч
системами передачи:
                                         
а) для оконечного включения
                                         
б) для промежуточного включения
Примечание. Указывается тип служебной
связи:
- магистральная служебная связь - МСС;
- постанционная служебная связь - ПСС;
- участковая служебная связь - УСС;
- сетевая служебная связь - ССС
3.3. Оборудование преобразования.
Основные обозначения:
                                         
а) индивидуальное
                                         
б) первичное
                                         
в) вторичное
                                         
г) третичное
Упрощенные обозначения:
                                         
а) индивидуальное
                                         
б) первичное
                                         
в) вторичное
                                         
г) третичное
3.4. Аппаратура оконечная систем
передачи
                                         
3.4.1. Системы передачи по воздушным
линиям связи
Примечание. Указываются система,
количество каналов или номер канала
(для малоканальных систем)
                                         
Пример обозначения 12- и 3-канальных
систем передачи в оконечном пункте
                                         
Пример обозначения 12- и 3-канальных
систем передачи в оконечном пункте
(упрощенное обозначение)
                                         
3.4.2. Системы передачи
типа КРР, КАМА, ИКМ
                                         
Примечание. Указываются тип аппаратуры,
количество и назначение каналов
                                         
3.4.3. Системы передачи типа КРР, КАМА,
ИКМ. Упрощенное обозначение
                                         
Примечание. Указываются тип аппаратуры,
количество и назначение каналов
                                         
3.4.4. Системы передачи по кабельным
линиям связи
Примечание. Указываются тип системы
передачи и распределение групп в
зависимости от конкретной схемы
организации связи
                                         
3.4.5. Системы передачи по кабельным
линиям связи. Упрощенное обозначение
Примечание. Указываются тип системы
передачи и распределение групп в
зависимости от конкретной схемы
организации связи
                                         
3.4.6. Аппаратура деления каналов
Примечание. Указывается тип аппаратуры
                                         
3.4.7. Аппаратура оконечная
телевизионная
Примечание. Указываются:
а) видеосигнал - ВС
б) звуковое сопровождение - ЗС
в) система передачи
3.4.8. Аппаратура вещания оконечная:
                                         
а) передающее устройство
                                         
б) приемное устройство
Примечание. Указывается тип аппаратуры
                                         
3.4.9. Аппаратура вещания с
высокочастотным транзитом в другие
системы передачи
Примечание. Указывается тип аппаратуры
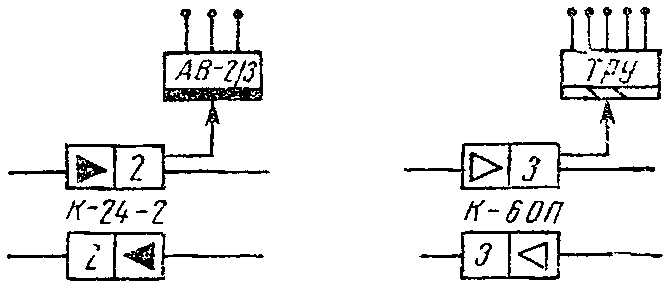
3.5. Транзит каналов тч и групп вч
                                         
3.5.1. Пример транзитного соединения
каналов тч
Пример транзитного соединения каналов
тч. Упрощенное обозначение
                                         
3.5.2. Аппаратура высокочастотного
транзита:
                                         
а) первичной группы
                                         
б) вторичной группы
                                         
в) третичной группы
                                         
Пример высокочастотного транзитного
соединения первичных и вторичных
групп
Примечание. Указываются система передач
или номера групп
                                         
Пример высокочастотного транзитного
соединения первичных и вторичных групп.
Упрощенное обозначение
Примечание. Указываются система
передачи и номера групп
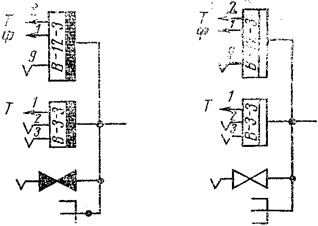
3.6. Аппаратура промежуточная ОУП, НУП
                                         
3.6.1. Аппаратура промежуточная (ОУП,
ВУС) систем передачи по воздушным
линиям связи
Примечание. Указывается система
передачи
                                         
3.6.2. Аппаратура промежуточная (ОУП,
НУП) систем передачи по кабельным
линиям связи. Общее обозначение
Примечания: 1. Указывается система
передачи
2. Для ОУП по симмметричному кабелю
указывается количество контрольных
частот
3. Для НУП вписывается:
- НУП с групповой АРУ - точка;
- НУП с АРУ по кч - КЧ;
- НУП с АРУ по дистанционному питанию -
Д;
- НУП с коррекцией - К
                                         
4. Допускается для
генеральных схем упрощенное обозначение
                                         
Пример обозначения аппаратуры ОУП
системы передачи K-60п с 3-частотной
АРУ и ОУП системы передачи К-1920у
                                         
Пример обозначения аппаратуры НУП
системы передачи К-60п с грунтовой АРУ
и НУП системы передачи К-1920у с АРУ по
кч
                                         
Пример обозначения аппаратуры НУП с
коррекцией системы передачи К-300 и НУП
с АРУ по дистанционному питанию системы
передачи К-1920п
                                         
Пример обозначения аппаратуры НУП
систем передачи по симметричному или
коаксиальному кабелю с выключенной
грунтовой АРУ
                                         
3.6.3. Аппаратура НУП двухполосной
системы передачи по коаксиальному
кабелю типа К-120 или морскому кабелю
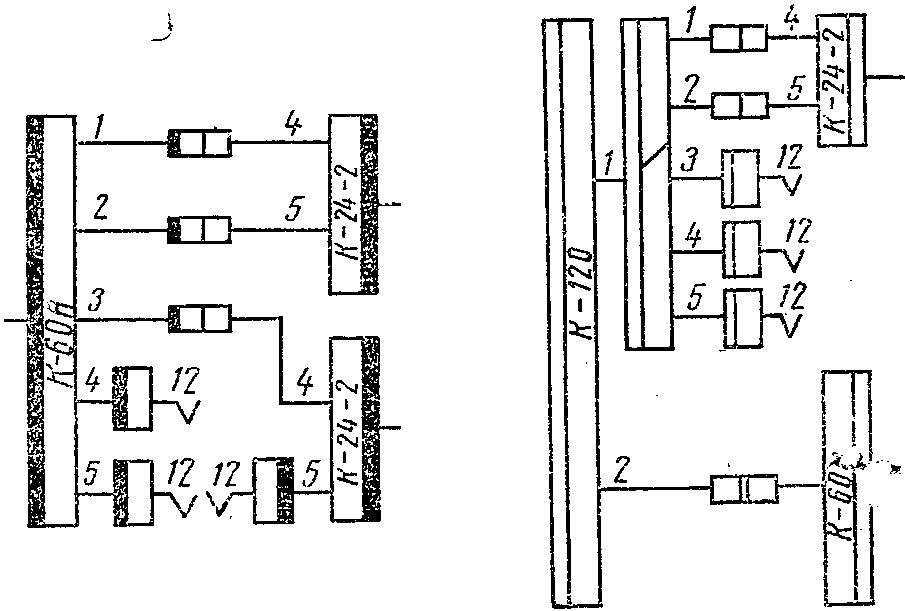
3.7. Выделение в ОУП телефонных
каналов, групповых трактов, программ
вещания и телевидения
                                         
3.7.1. Выделение или транзит программ
вещания в ОУП
Примечание. Указываются система
передачи и аппаратура выделения
                                         
3.7.2. Выделение в ОУП четырех каналов
из системы передачи по воздушным или
кабельным цепям
                                         
3.7.3. Выделение в ОУП четырех каналов
из системы передачи по воздушным или
кабельным цепям. Упрощенное
обозначение
                                         
3.7.4. Выделение в ОУП четырех каналов
из системы передачи по кабельным цепям
                                         
3.7.5. Выделение в ОУП четырех каналов
из системы передачи по кабельным цепям.
Упрощенное обозначение
                                         
3.7.6 Выделение в ОУП первичных или
вторичных групп из линейных трактов
систем передачи
                                         
3.7.7. Выделение в ОУП первичных или
вторичных групп из линейных трактов
систем передачи. Упрощенное обозначение
                                         
3.7.8. Ввод, транзит и выделение
программ телевидения в ОУП
                                         
3.7.9. Ввод, транзит и выделение
программ телевидения в ОУП. Упрощенное
обозначение
                                         
3.7.10. Выделение телефонных каналов из
НУП-В системы передачи К-120
                                         
3.7.11. Ответвление программ телевиде-
ния в СУВ (ОУП)
                                         
3.7.12. Ввод, транзит, выделение и ком-
мутация программы телевидения в узловой
станции
3.8. Аппаратура коммутации МТС для
структурных схем
                                         
3.8.1. Телефон-автомат междугородный
                                          
3.8.2. Коммутатор телефонный шнурового
типа
                                         
3.8.3. Коммутатор телефонный бесшнуро-
вого типа
                                         
3.8.4. Комплект релейный
Примечание. Указывается наименование
комплекта или регистра
                                         
3.8.5. Соединитель релейный
                                         
3.8.6. Соединитель релейный с пристав-
кой
                                         
3.8.7. Соединитель координатный
───────────────────────────────────────────────────────────────────────────
4. УСТРОЙСТВА ТЕЛЕГРАФНОЙ СВЯЗИ
┌───────────────────────────────────────┬─────────────────────────────────┐
│ Наименование │Условные обозначения сооружений │
│ │ или устройств │
│ ├────────────────┬────────────────┤
│ │ существующих │ проектируемых │
└───────────────────────────────────────┴────────────────┴────────────────┘
                                         
4.1. Аппаратура вторичного уплотнения
телефонных каналов или кабелей ГТС
Примечание. Указываются тип аппаратуры,
число каналов и их назначение
                                         
4.2. Переходные устройства
Примечание. Указываются тип переходного
устройства и емкость
                                         
4.3. Станция автоматическая абонентско-
го телеграфа шаговой системы
Примечание. Указываются тип и емкость
станции
                                         
4.4. Станция автоматическая абонентского
телеграфа координатной системы
Примечание. Указываются тип и емкость
станции
                                         
4.5. Станция электронная телеграфная
                                         
4.6. Станция объединенная автоматичес-
кая телеграфная координатной системы
Примечание. Указываются тип и емкость
станции или подстанции
                                         
4.7. Узел автоматической коммутации
телеграфных каналов координатной системы
                                         
4.8. Станция автоматическая телеграфная
прямых соединений шаговой системы
Примечание. Указывается емкость станции
                                         
4.9. Станция автоматическая телеграфная
прямых соединений координатной системы
Примечание. Указываются тип и емкость
станции
                                         
4.10. Аппарат телеграфный
                                         
4.11. Аппарат факсимильный
                                         
4.12. Прибор вызывной с дисковым
номеронабирателем
                                         
4.13. Прибор вызывной с клавишным
набором номера
                                         
4.14. Коммутатор низовой связи
───────────────────────────────────────────────────────────────────────────
5. УСТРОЙСТВА РАДИОТРАНСЛЯЦИОННЫХ СЕТЕЙ И ТЕЛЕВИДЕНИЯ
┌───────────────────────────────────────┬─────────────────────────────────┐
│ Наименование │Условные обозначения сооружений │
│ │ или устройств │
│ ├────────────────┬────────────────┤
│ │ существующих │ проектируемых │
└───────────────────────────────────────┴────────────────┴────────────────┘
                                         
5.1. Станции усилительные
Примечание. Указывается тип станций:
- центральная усилительная станция -
ЦУС:
- опорная усилительная станция - ОУС;
- усилительная подстанция - УП;
- блок станции - БС.
а
Вписывается - где а - для ЦУС - коли-
б
чество управляемых ОУС, для ОУС, УП, БС
- существующая мощность в кВт, б - для
ЦУС - количество управляемых ТП, для
ОУС, УП, БС - проектируемая мощность в
кВт
                                         
5.2. Подстанция звуковая
трансформаторная
Примечание. Указываются:
- тип подстанций (ТП, УТП);
- существующее количество радиоточек -
а;
- существующее количество громкоговори-
телей в 10-ваттном исчислении - б;
- проектируемое количество радиоточек -
в;
- проектируемое количество громкогово-
рителей в 10-ваттном исчислении - г
                                         
5.3. Станция радиотрансляционного узла
Примечание. Допускается указывать:
- существующее количество радиоточек -
а;
- существующее количество уличных гром-
коговорителей в 10-ваттном исчислении -
б;
- проектируемое количество радиоточек -
в;
- проектируемое количество уличных -
громкоговорителей в 10-ваттном
исчислении - г;
- мощность - д
                                         
5.4. Станция усилительная опорная с
указанием количества усилительных
блоков мощностью 5 кВт (для схем
узлообразования)
Примечание. Зачерненные - рабочие,
незачерненные - резервные
                                         
5.5. Станция усилительная опорная с
указанием количества усилительных блоков
мощностью 15 кВт (для схем узлообразова-
ния)
Примечание. Зачерненные - рабочие,
незачерненные - резервные
                                         
5.6. Усилитель трансляционный
Примечание. Указывается тип усилителя
                                         
5.7. Трансформатор абонентский или
фидерный
Примечание. Указывается тип
трансформатора
                                         
5.8. Громкоговоритель рупорный
радиальный или звуковая колонка
Примечание. Указывается тип
громкоговорителя
                                         
5.9. Громкоговоритель абонентский
Примечание. Допускается указывать тип
громкоговорителя
                                         
5.10. Коробка универсальная радиотранс-
ляционной сети:
- ответвительная УК-2П
- ограничительная УК-2С
                                         
5.11. Антенна телевизионная коллектив-
ного пользования
Примечание. Указывается: в числителе
номера каналов, а в знаменателе
количество абонентов
                                         
5.12. Антенна телевизионная индивиду-
ального пользования
                                         
5.13. Усилитель антенный телевидения
                                         
5.14. Коробка абонентская сети приема
телевидения
                                         
5.15. Коммутатор по видеочастоте
                                         
5.16. Коммутатор по промежуточной
частоте
───────────────────────────────────────────────────────────────────────────
6. ЛИНИИ СВЯЗИ ВОЗДУШНЫЕ, КАБЕЛЬНЫЕ
И РАДИОТРАНСЛЯЦИОННЫХ СЕТЕЙ
┌───────────────────────────────────────┬─────────────────────────────────┐
│ Наименование │Условные обозначения сооружений │
│ │ или устройств │
│ ├────────────────┬────────────────┤
│ │ существующих │ проектируемых │
└───────────────────────────────────────┴────────────────┴────────────────┘
6.1. Воздушные линии
6.1.1. Цепь двухпроводная из цветного -М-4-34- -М-4---
металла МПС
Примечания: 1. Указываются материал,
диаметр и номер цепи
2. Если цепь не принадлежит министер
ству связи, то указывается наименование
организации
6.1.2. Цепь двухпроводная стальная -С-5-1001-- -С-5---
Примечания: 1. Указываются материал, МПС
диаметр и номер цепи
2. Если цепь не принадлежит министер-
ству связи, то указывается наименование
организации
                                         
6.1.3. Провод стальной телеграфный
Примечания: 1. Указываются материал,
диаметр и номер провода
2. Если провод не принадлежит министер-
ству связи, то указывается наименование
организации
                                         
6.1.4. Линия связи на схемах
                                           
6.1.5. Линия телеграфно-телефонной свя-
зи воздушная (на чертежах) или линия
радио-трансляционной сети на собствен-
ных столбах
                                         
6.1.6. Линия радиотрансляционной сети
на стойках
Примечание. Указывается номер фидера
                                         
6.1.7. Линия радиотрансляционной сети
на электроопорах
Примечание. Указывается номер фидера
                                         
6.1.8. Линия радиотрансляционной сети
на опорах СТС
Примечание. Указывается номер фидера
                                         
6.1.9. Фидер радиотрансляционной сети
магистральный (на схемах)
Примечание. Указывается характеристика
фидера:
- магистральный рабочий - М;
- магистральный резервный - МР;
- номер фидера;
- материал и диаметр провода, мм;
- длина, l, км
                                         
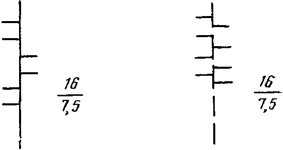
6.1.10. Траверса 8-штырная на опоре 8,5
м с количеством опор 16 или 20 штук на
1 км
                                         
6.1.11. Траверса 4-штырная на опоре
Примечание. Указываются количество опор
на 1 км и высота опор
                                         
6.1.12. Профиль опоры крюковой
Примечание. Указываются количество опор
на 1 км и высота опор
                                         
6.1.13. Цепи на опоре траверсного
профиля
Примечание. Указываются материал,
диаметр и номер цепи, а также
количество опор на 1 км и высота опор
                                         
6.1.14. Цепи на опоре крюкового профиля
Примечание. Указываются материал,
диаметр, номер цепи, а также количество
опор на 1 км и высота опор
                                         
6.1.15. Опора линий связи и
радиофикации. Общее обозначение
Примечание. Допускается указывать
назначение и материал опор буквами:
контрольная - К;
разрезная - Р;
железобетонная - Ж;
деревянная - Д
                                         
6.1.16. Опора угловая, укрепленная
подпорой с левой стороны по ходу
нумерации опор
Примечание. Указывается нормальный
вылет угла
                                         
6.1.17. Опора угловая, укрепленная
подпорой с правой стороны
Примечание. Указывается нормальный
вылет угла
                                         
6.1.18. Опора угловая, укрепленная
оттяжкой
Примечание. Указывается нормальный
вылет угла
                                         
6.1.19. Опора угловая, укрепленная
подпорой и оттяжкой
Примечание. Указывается нормальный
вылет угла
                                         
6.1.20. Опора, укрепленная одной
деревянной приставкой
                                         
6.1.21. Опора, укрепленная двумя
деревянными приставками
                                         
6.1.22. Опора, укрепленная одной
железобетонной или рельсовой приставкой
                                         
6.1.23. Опора, укрепленная двумя
железобетонными или рельсовыми
приставками
                                         
6.1.24. Опора, укрепленная
контроттяжкой
Примечание. Указывается нормальный
вылет угла
                                         
6.1.25. Опора сдвоенная
                                         
6.1.26. Опора для болотистых грунтов
                                         
6.1.27. Опора, оборудованная двойными
траверсами
                                         
6.1.28. Опора, установленная в ряж
                                         
6.1.29. Опора полуанкерная
                                         
6.1.30. Опора А-образная
                                         
6.1.31. Опора кабельная с указанием
емкости кабельного шкафа и ящика
Примечание. Указывается число пар
кабеля
                                         
6.1.32. Опора мачтовая
                                         
6.1.33. Опора с молниеотводом
                                         
6.1.34. Опора с разрядником
Примечание. Указывается тип разрядника
                                         
6.1.35. Катушка запирающая дренажная
Примечание. Указывается тип катушки
                                         
6.1.36. Автотрансформатор
согласовывающий
Примечание. Указывается АТ
                                         
6.1.37. Переход кабельный подводный
Примечание. Указываются марка, емкость
и диаметр жил кабеля
                                         
6.1.38. Переход мачтовый
Примечание. Указывается высота мачт
                                         
6.1.39. Пересечение линий связи и
линий радиотрансляционных сетей с
высоковольтной линией на чертежах
Примечание. Указывается напряжение
                                         
6.2. Кабельные линии
                                         
6.2.1. Кабель подземный междугородный
на чертежах
Примечание. Указываются емкость и
диаметр жил кабеля
                                         
6.2.2. Кабель подземный междугородный
на схемах
Примечание. Указываются емкость и
диаметр жил кабеля
                                         
6.2.3. Кабель подземный междугородный
для генеральных схем
Примечание. Указываются марка и система
уплотнения. Допускается существующие и
проектируемые линии обозначать
соответственно жирными и тонкими
линиями
                                         
6.2.4. Кабель подземный радиотрансляци-
онной сети на чертежах и схемах
Примечание. Указываются марка, емкость,
диаметр жил кабеля и номер фидера
                                         
6.2.5. Вставка и ввод кабельные на
воздушных линиях
Примечание. Указываются марка, емкость
и диаметр жил кабеля
                                         
6.2.6. Радиорелейная линия связи
Примечание. Указывается тип аппаратуры
                                         
6.2.7. Кабель подводный междугородный
Примечание. Указываются емкость и
диаметр жил кабеля
                                         
6.2.8. Кабель подвесной междугородный
Примечание. Указываются марка, емкость
и диаметр жил кабеля
───────────────────────────────────────────────────────────────────────────
7. СТАНЦИИ И ПУНКТЫ ИЗБИРАТЕЛЬНОЙ ТЕЛЕФОННОЙ СВЯЗИ
┌───────────────────────────────────────┬─────────────────────────────────┐
│ Наименования │Условные обозначения сооружений │
│ │ или устройств │
│ ├─────────────────┬───────────────┤
│ │ существующих │ проектируемых │
└───────────────────────────────────────┴─────────────────┴───────────────┘
                                         
7.1. Станция распорядительная
диспетчерской связи для цепей ПДС, ЭДС,
ВПС и ДБК
Примечание. Указывается:
а) с тональным вызовом - Т;
б) с селекторным вызовом - С
                                         
7.2. Станция распорядительная
постанционной избирательной связи
Примечание. Указывается:
а) с тональным вызовом - Т;
б) с селекторным вызовом - С
                                         
7.3. Станция распорядительная
линейно-путевой избирательной связи
Примечания. Указывается:
а) с тональным вызовом - Т;
б) с селекторным вызовом - С
                                         
7.4. Станция распорядительная служебной
связи электромехаников
                                         
7.5. Пункт промежуточный
линейно-путевой избирательной связи
                                         
7.6. Пункт промежуточный дорожной
распорядительной связи
                                         
7.7. Пункт промежуточный служебной
связи электромехаников
                                         
7.8. Пункт промежуточный диспетчерской
связи
                                         
7.9. Пункт промежуточный постанционной
избирательной связи
───────────────────────────────────────────────────────────────────────────
Приложение
ПОЯСНИТЕЛЬНАЯ ЗАПИСКА
При пользовании настоящим ОСТ следует иметь в виду:
1. В ОСТ не вошли обозначения, помещенные в указанных ниже ГОСТ:
ГОСТ 2.737-68. Обозначения условные графические в схемах. Устройства связи.
ГОСТ 2.753-71. Обозначения условные графические в схемах. Телефонные сети, линейные сооружения и устройства.
ГОСТ 2.726-68. Обозначения условные графические в схемах. Устройства коммутирующие.
ГОСТ 2.740-68. Обозначения условные графические в схемах. Аппараты и трансляции телеграфные.
ГОСТ 2.752-71. Обозначения условные графические в схемах. Устройства телемеханики.
ГОСТ 2.751-68. Обозначения условные графические в схемах. Линии электрической связи, провода, кабели, шины и их соединения.
ГОСТ 2.735-68. Обозначения условные графические в схемах. Антенны.
ИС МЕГАНОРМ: примечание.
Постановлением Госстандарта России от 13.03.2003 N 76-ст с 1 июля 2003 года введен в действие ГОСТ Р 52023-2003.
ГОСТ 11216-65. Сети распределительные телевизионных антенн коллективного пользования. Типы. Основные параметры.
2. Размеры и толщина линии условных обозначений принимаются в зависимости от их назначений и общих размеров чертежа.
3. В необходимых случаях в ОСТ приведены основные и упрощенные условные обозначения. Упрощенные обозначения допускается применять для схем больших узлов с насыщенными изображениями средств связи.
4. Для случаев, не охваченных настоящим ОСТ, графические условные обозначения строятся по аналогии или с дополнительными пояснениями.