Главная // Актуальные документы // Правила
СПРАВКА
Источник публикации
В данном виде документ опубликован не был.
Первоначальный текст документа опубликован в издании
М.: Госстрой, ФАУ "ФЦС", 2013.
Информацию о публикации документов, создающих данную редакцию, см. в справке к этим документам.
Примечание к документу
Документ включен в Перечень документов в области стандартизации, в результате применения которых на добровольной основе обеспечивается соблюдение требований Федерального закона от 30.12.2009 N 384-ФЗ "Технический регламент о безопасности зданий и сооружений" (Приказ Росстандарта от 02.04.2020 N 687).

Документ включен в Перечень документов в области стандартизации, в результате применения которых на добровольной основе обеспечивается соблюдение требований Федерального закона от 30.12.2009 N 384-ФЗ "Технический регламент о безопасности зданий и сооружений" (Приказ Росстандарта от 17.04.2019 N 831).

Документ включен в Перечень документов в области стандартизации, в результате применения которых на добровольной основе обеспечивается соблюдение требований Федерального закона от 30.12.2009 N 384-ФЗ "Технический регламент о безопасности зданий и сооружений" (Приказ Росстандарта от 30.03.2015 N 365).

Изменение N 1, утв. Приказом Минстроя России от 30.12.2015 N 974/пр, введено в действие с 25 марта 2016 года.
Название документа
"СП 148.13330.2012. Свод правил. Помещения в учреждениях социального и медицинского обслуживания. Правила проектирования"
(утв. Приказом Госстроя от 27.12.2012 N 135/ГС)
(ред. от 30.12.2015)

"СП 148.13330.2012. Свод правил. Помещения в учреждениях социального и медицинского обслуживания. Правила проектирования"
(утв. Приказом Госстроя от 27.12.2012 N 135/ГС)
(ред. от 30.12.2015)


Содержание


Утвержден
Приказом Федерального
агентства по строительству
и жилищно-коммунальному хозяйству
от 27 декабря 2012 г. N 135/ГС
СВОД ПРАВИЛ
ПОМЕЩЕНИЯ В УЧРЕЖДЕНИЯХ СОЦИАЛЬНОГО
И МЕДИЦИНСКОГО ОБСЛУЖИВАНИЯ
ПРАВИЛА ПРОЕКТИРОВАНИЯ
Rooms in establishments social and medical service.
Design rules
СП 148.13330.2012
Список изменяющих документов
Минстроя России от 30.12.2015 N 974/пр)
ОКС 01.040.93
Дата введения
1 июля 2013 года
Предисловие
Цели и принципы стандартизации в Российской Федерации установлены Федеральным законом от 27 декабря 2002 г. N 184-ФЗ "О техническом регулировании", а правила разработки - Постановлением Правительства Российской Федерации от 19 ноября 2008 г. N 858 "О порядке разработки и утверждения свода правил".
Сведения о своде правил
1. Исполнители: ОАО "Институт общественных зданий", ЗАО "Гипроздрав" - научно-проектный центр по объектам здравоохранения и отдыха, ОАО "ЦНИИЭП жилища".
2. Внесен Техническим комитетом по стандартизации ТК 465 "Строительство".
3. Подготовлен к утверждению Управлением градостроительной политики.
4. Утвержден Приказом Федерального агентства по строительству и жилищно-коммунальному хозяйству (Госстрой) от 27.12.2012 N 135/ГС и введен в действие с 1 июля 2013 г.
5. Зарегистрирован Федеральным агентством по техническому регулированию и метрологии (Росстандарт).
6. Введен впервые.
Информация об изменениях к настоящему своду правил публикуется в ежегодно издаваемом информационном указателе "Национальные стандарты", а текст изменений и поправок - в ежемесячно издаваемых информационных указателях "Национальные стандарты". В случае пересмотра (замены) или отмены настоящего свода правил соответствующее уведомление будет опубликовано в ежемесячно издаваемом информационном указателе Национальные стандарты. Соответствующая информация, уведомление и тексты размещаются также в информационной системе общего пользования - на официальном сайте Федерального агентства по строительству и жилищно-коммунальному хозяйству (Госстрой) в сети Интернет.
Введение
Настоящий свод правил "Помещения в учреждениях социального и медицинского обслуживания. Правила проектирования" разработан в соответствии с Федеральным законом от 30.12.2009 N 384-ФЗ "Технический регламент о безопасности зданий и сооружений".
Разработанный в развитие положений СП 59.13330 настоящий свод правил в соответствии с принципами Конвенции ООН о правах инвалидов, подписанной Российской Федерацией в сентябре 2008 года и ратифицированной 3 мая 2012 г. [3], содержит нормы и правила по проектированию среды, адаптированной для инвалидов и других маломобильных групп населения.
(в ред. Изменения N 1, утв. Приказом Минстроя России от 30.12.2015 N 974/пр)
В настоящем своде правил учтены опыт исследований в данной области отечественных и зарубежных специалистов, а также разработки различных авторов и творческих коллективов.
Свод правил выполнен: ООО "Институт общественных зданий" - организация-соисполнитель (руководитель работы - канд. арх., проф. А.М. Гарнец); ЗАО "Гипроздрав" - научно-проектный центр по объектам здравоохранения и отдыха (руководитель темы - канд. арх. Л.Ф. Сидоркова; соисполнители - М.В. Толмачева, Т.В. Майорова, М.А. Шумилова, Е.В. Шулякевич, М.Е. Короткова); ЦНИИЭП жилища - организация-разработчик (руководитель работы - канд. арх., проф. А.А. Магай, исполнитель - канд. арх. Н.В. Дубынин).
1. ОБЛАСТЬ ПРИМЕНЕНИЯ
1.1. Настоящий свод правил устанавливает правила проектирования помещений постоянного или временного пребывания маломобильных групп населения (далее - МГН).
1.2. Свод правил распространяется на стационарные и полустационарные учреждения медицинского, социального и медико-социального обслуживания, связанные с уходом за немощными и хронически больными людьми.
2. НОРМАТИВНЫЕ ССЫЛКИ
В настоящем своде правил приведены ссылки на следующие нормативные документы:
СП 59.13330.2012 "СНиП 35-01-2001 Доступность зданий и сооружений для маломобильных групп населения"
СП 136.13330.2012 "Здания и сооружения. Общие положения проектирования с учетом доступности для маломобильных групп населения"
СП 158.13330.2014 "Здания и помещения медицинских организаций. Правила проектирования"
(ссылка введена Изменением N 1, утв. Приказом Минстроя России от 30.12.2015 N 974/пр)
ГОСТ 25809-96 Смесители и краны водоразборные. Типы и основные размеры
ГОСТ 30494-2011 Здания жилые и общественные. Параметры микроклимата в помещениях
СанПиН 2.1.2.1188-03 "Плавательные бассейны. Гигиенические требования к устройству, эксплуатации и качеству воды. Контроль качества"
СанПиН 2.1.3.2630-10 "Санитарно-эпидемиологические требования к организациям, осуществляющим медицинскую деятельность".
Примечание. При пользовании настоящим сводом правил целесообразно проверить действие ссылочных стандартов и классификаторов в информационной системе общего пользования - на официальном сайте национального органа Российской Федерации по стандартизации в сети Интернет или по ежегодно издаваемому информационному указателю "Национальные стандарты", который опубликован по состоянию на 1 января текущего года, и по соответствующим ежемесячно издаваемым информационным указателям, опубликованным в текущем году. Если ссылочный документ заменен (изменен), то при пользовании настоящим сводом правил следует руководствоваться заменяющим (измененным) документом. Если ссылочный документ отменен без замены, то положение, в котором дана ссылка на него, применяется в части, не затрагивающий эту ссылку.
3. ТЕРМИНЫ И ОПРЕДЕЛЕНИЯ
3.1. Жилая группа: (здесь) Планировочная единица, объединяющая жилые ячейки на 15 - 30 чел. и общие помещения (дневное пребывание, прием пищи, пост медсестры и др.), обслуживающие эти помещения.
3.2. Жилая ячейка: (здесь) Планировочная единица, объединяющая жилую комнату на одного-двух человек и подсобные помещения при ней.
3.3. Безбарьерная среда: Обеспечение независимости человеку, имеющему проблемы со здоровьем, в виде отсутствия физических барьеров на пути (ровный пол, широкие двери, возможность перемещения между этажами на лифте, приближенные к комнатам проживания уборные, механизмы, обеспечивающие доступность) в совокупности с понятной навигацией в пространстве: (ориентацией доступа): цветовые решения, яркие знаки, наименования, картинки.
(п. 3.3 введен Изменением N 1, утв. Приказом Минстроя России от 30.12.2015 N 974/пр)
3.4. Санитарный узел: (санузел) Помещение, в котором размещены душ (ванна), унитаз и раковина.
(п. 3.4 введен Изменением N 1, утв. Приказом Минстроя России от 30.12.2015 N 974/пр)
3.5. Уборная: Помещение, в котором размещены унитаз и умывальник.
(п. 3.5 введен Изменением N 1, утв. Приказом Минстроя России от 30.12.2015 N 974/пр)
4. ОБЩИЕ ТРЕБОВАНИЯ К ПРОЕКТИРОВАНИЮ ПОМЕЩЕНИЙ
СОЦИАЛЬНОГО И МЕДИЦИНСКОГО ОБСЛУЖИВАНИЯ
4.1. ОБЩИЕ ПРАВИЛА ОБОРУДОВАНИЯ ПОМЕЩЕНИЙ
4.1.1. Настоящий свод правил направлен на создание полноценной пространственной среды в учреждениях социального и медицинского обслуживания при помощи рациональных планировочных решений, применения современного оборудования и мебели, обеспечивающих требуемый уровень доступности и безопасности социальных услуг и медицинской помощи, а также комфортность пребывания и проживания маломобильных групп населения в специализированных зданиях.
Из помещений, предназначенных для непосредственного пребывания людей, рассмотрены, в основном, те, которые имеют многократную повторяемость в объектах проживания, медицинского и социального обслуживания. Примерный набор мебели и оборудования для этих помещений приведен в Приложении А.
(в ред. Изменения N 1, утв. Приказом Минстроя России от 30.12.2015 N 974/пр)
4.1.2. Проектные решения по оборудованию и оснащению специализированных зданий и сооружений должны соответствовать возможностям и потребностям проживающих. Под этим подразумевается адаптация архитектурной среды для нужд людей по критериям доступности, безопасности, удобства и информативности.
(в ред. Изменения N 1, утв. Приказом Минстроя России от 30.12.2015 N 974/пр)
4.1.3. Архитектурные и инженерные решения по внутреннему обустройству зданий социальных и медико-социальных учреждений рекомендуется ориентировать на компенсацию нарушений здоровья в области опорно-двигательного аппарата, слуха, зрения, сердечно-сосудистой системы и психики.
4.1.4. Основные направления создания комфортности (удобства):
повышение качества среды через оптимальную организацию пространства здания, учитывающую состояние здоровья человека, и создание дополнительных условий, помогающих ему в получении необходимых услуг и самообслуживании;
создание условий для минимальных затрат и усилий человека на удовлетворение своих нужд путем использования необходимого и эргономичного оборудования;
(в ред. Изменения N 1, утв. Приказом Минстроя России от 30.12.2015 N 974/пр)
обеспечение своевременной возможности отдыха, ожидания и дополнительного обслуживания, а также получения нужной информации.
(в ред. Изменения N 1, утв. Приказом Минстроя России от 30.12.2015 N 974/пр)
4.1.5. На обустройство и оборудование помещений, посещаемых МГН во всех типах общественных и жилых зданий, в том числе и специально для них предназначенных, распространяются все требования, которые изложены в СП 59.13330.
4.1.6. Расстановка мебели и оборудования в помещениях, где находятся или обслуживаются МГН, производится с учетом их основных антропометрических габаритов (рисунки А.1 - А.5).
4.1.7. Высоту жилых и палатных помещений от пола до потолка во вновь строящихся зданиях следует принимать не менее 3,0 м. При реконструкции и приспособлении зданий высота должна быть не менее 2,6 м. Высоту залов лечебно-плавательных бассейнов с численностью пациентов 10 и менее - 3,0 м.
4.1.8. В связи с ослабленным зрением и нарушением координации движений значительной части МГН предназначенные для них элементы оборудования (выключатели, розетки и др.) должны иметь контрастные цвета по отношению к фону, на котором они расположены, чтобы их можно было при необходимости легко обнаружить.
(в ред. Изменения N 1, утв. Приказом Минстроя России от 30.12.2015 N 974/пр)
4.1.9. Следует подбирать такие типы мебельной фурнитуры (ручки, защелки и др.), пользование которыми не представляет затруднений ослабленным людям.
(в ред. Изменения N 1, утв. Приказом Минстроя России от 30.12.2015 N 974/пр)
4.1.10. При проектировании учреждений с постоянным нахождением МГН следует:
применять фитодизайн помещений, основанный на использовании оздоровительных растений и трав;
создавать в холлах для ожидания и местах тихого отдыха аквариумы, фонтанчики, цветочные композиции и другие элементы природной среды;
создавать внутренние дворики с местами для отдыха, элементами зимнего сада, "живого уголка", пруда с декоративными рыбками;
применять камины, которые могут служить центрами общения и организации более маленьких пространств внутри больших.
(в ред. Изменения N 1, утв. Приказом Минстроя России от 30.12.2015 N 974/пр)
4.2. ОСОБЕННОСТИ ОСНАЩЕНИЯ И ОБУСТРОЙСТВА ПОМЕЩЕНИЙ
С УЧЕТОМ ПОДВИЖНОСТИ МГН
4.2.1. Люди, проживающие в учреждениях социального обслуживания по степени подвижности, влияющей на характер оборудования помещений, в которых они живут, делятся на следующие три категории:
(в ред. Изменения N 1, утв. Приказом Минстроя России от 30.12.2015 N 974/пр)
свободно передвигающиеся;
с ограниченным передвижением в пределах дома, квартиры, комнаты, этажа;
обездвиженные.
(в ред. Изменения N 1, утв. Приказом Минстроя России от 30.12.2015 N 974/пр)
Абзац исключен с 25 марта 2016 года. - Изменение N 1, утв. Приказом Минстроя России от 30.12.2015 N 974/пр.
4.2.2. Планировочные габариты помещений для людей с ограниченной подвижностью должны учитывать возможность их перемещения с помощью различных вспомогательных средств (рисунки А.6, А.7).
4.2.3. Принципы организации внутреннего пространства следует изменять по мере потери подвижности человека:
(в ред. Изменения N 1, утв. Приказом Минстроя России от 30.12.2015 N 974/пр)
для свободно передвигающихся людей основной акцент делается на обеспечение удобного и безопасного передвижения;
(в ред. Изменения N 1, утв. Приказом Минстроя России от 30.12.2015 N 974/пр)
для людей с ограниченной подвижностью основной акцент делается на обеспечение удобного и безопасного места отдыха и коммуникационных путей к нему (рисунок А.8);
для людей с потерей подвижности уменьшается необходимое пространство жилой зоны и увеличиваются размеры вспомогательных помещений для гигиенических процедур.
4.2.4. По ходу движения людей с ограниченной подвижностью в учреждениях, предназначенных для их проживания, длительного пребывания и лечения, должны быть предусмотрены специальные устройства, облегчающие передвижение: поручни вдоль коридоров, откидные сиденья в лифтах, сиденья для отдыха по пути следования (рисунок А.9).
(в ред. Изменения N 1, утв. Приказом Минстроя России от 30.12.2015 N 974/пр)
4.2.5. Для людей с ограниченным передвижением, которые длительное время проводят сидя, наиболее важным является организация мест отдыха. Такие места в пространстве здания должны быть предусмотрены с учетом разнообразных видов отдыха:
для созерцания окружающей жизни и элементов природы;
для отдыха по пути к цели;
для общения в небольшом кругу собеседников;
для общения по телефону;
для ожидания приема (в лечебных и социальных учреждениях);
для сидения в любимом удобном кресле за рукоделием или за чтением.
В зависимости от назначения места отдыха оно может быть более изолированным и небольшим по площади (чтобы поговорить по телефону) или более открытым, с более или менее компактным размещением мест для сидения.
4.2.6. Размеры и планировка помещений, в которых люди с ограниченной подвижностью получают постороннюю помощь при обслуживании, а также расстановка в них мебели и инженерного оборудования должны учитывать нахождение персонала.
(в ред. Изменения N 1, утв. Приказом Минстроя России от 30.12.2015 N 974/пр)
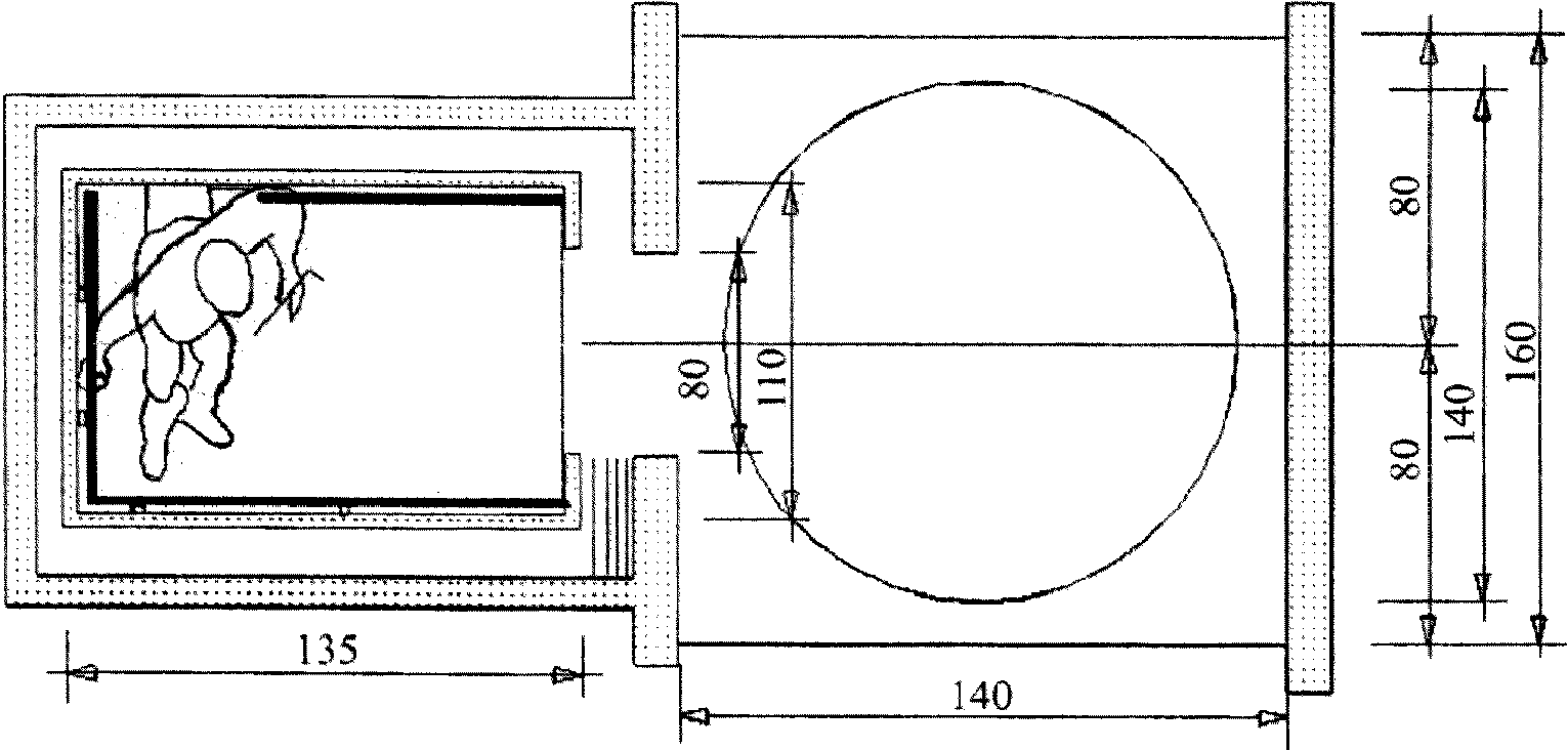
4.2.7. При оборудовании помещений постоянного пребывания МГН необходимо учитывать уменьшение подвижности позвоночника (уменьшение амплитуды сгибания позвоночника) этих людей. Размещение рабочей зоны, электрических выключателей, ручек, звонков и других элементов должно производиться с учетом зон досягаемости в вертикальной и горизонтальной плоскостях, доступных МГН в положении стоя, сидя и лежа (рисунок А.1).
Выключатели электроосвещения и приборов, а также электрические розетки должны быть расположены на высоте 80 - 110 см от уровня пола. Розетки и выключатели не следует размещать ближе чем на 40 см от углов комнат.
4.2.8. Для хранения вспомогательных средств передвижения людей с нарушениями опорно-двигательного аппарата (ходунков, костылей и других устройств различной конструкции) в специализированных жилых домах и стационарных медицинских учреждениях необходимо предусматривать специальные кладовые, размеры которых (не менее 6 м2) должны учитывать габариты этих устройств (рисунок А.6).
(в ред. Изменения N 1, утв. Приказом Минстроя России от 30.12.2015 N 974/пр)
4.2.9. Для людей, прикованных к постели, наиболее важным элементом пространства является организация места для лежания, которое помимо специального мебельного оборудования должно быть оборудовано освещением, сигнализацией и устройствами дистанционного управления аудио-, видеоаппаратурой, осветительными приборами, жалюзи, телефоном и др.
(в ред. Изменения N 1, утв. Приказом Минстроя России от 30.12.2015 N 974/пр)
4.2.10. Замкнутые пространства, где человек может оказаться один (например, кабина лифта), должны быть оборудованы экстренной двусторонней связью с диспетчером или дежурным, в том числе для лиц с нарушением слуха или кнопкой вызова со шнуром (например, санитарные узлы, душевые, уборные).
(в ред. Изменения N 1, утв. Приказом Минстроя России от 30.12.2015 N 974/пр)
4.3. ВИЗУАЛЬНЫЕ УСТРОЙСТВА И СРЕДСТВА ИНФОРМАЦИИ
4.3.1. Условием психологического равновесия проживающим в учреждениях социально-медицинского обслуживания, которым свойственно затрудненное понимание пространственных характеристик в малознакомых для них учреждениях, является их свободное ориентирование в окружающем пространстве. Это предполагает создание в специализированных учреждениях системы ориентиров.
(в ред. Изменения N 1, утв. Приказом Минстроя России от 30.12.2015 N 974/пр)
4.3.2. К визуальным устройствам и средствам информации, используемым для ориентирования посетителей, относятся:
(в ред. Изменения N 1, утв. Приказом Минстроя России от 30.12.2015 N 974/пр)
разметка и цвет элементов оборудования;
цветовые указатели и знаки;
щиты, стенды, табло;
световые маячки.
4.3.3. Целесообразность применения и набор конкретных средств информации в соответствии с требованиями СП 136.13330 устанавливаются заданием на проектирование.
4.3.4. Надписи, предназначенные для ориентации в пространстве (в том числе на дверях кабинетов, в коридорах и др.), должны быть выполнены крупными буквами (высотой не менее 6 см) на контрастном фоне.
(в ред. Изменения N 1, утв. Приказом Минстроя России от 30.12.2015 N 974/пр)
4.3.5. Для улучшения ориентации различные по функциональному назначению помещения или подразделения рекомендуется выполнять в разной цветовой гамме покрытий стен и полов. Один из приемов, способствующих ориентации в пространстве, - поэтажное выделение лестничных площадок и лифтовых холлов покраской различными колерами и другими декоративными методами.
(в ред. Изменения N 1, утв. Приказом Минстроя России от 30.12.2015 N 974/пр)
4.4. ОБОРУДОВАНИЕ КОММУНИКАЦИОННО-РЕКРЕАЦИОННОЙ
ГРУППЫ ПОМЕЩЕНИЙ
4.4.1а. При проектировании целесообразно избегать однообразных длинных коридоров. В реконструируемых зданиях коридоры рекомендуется разбивать световыми карманами, в которых могут быть организованы места для отдыха различного назначения (тихие игры, книжный уголок, аквариумный холл и др.).
(п. 4.4.1а введен Изменением N 1, утв. Приказом Минстроя России от 30.12.2015 N 974/пр)
4.4.1. В целях защиты от травматизма запрещается использовать на входных крыльцах, в вестибюлях, коридорах и других помещениях скользкие материалы для покрытия полов (мрамор, гранит, керамическую плитку и т.п.). При использовании мрамора и гранита они должны быть неполированными. Допускается предусматривать световые маячки.
(в ред. Изменения N 1, утв. Приказом Минстроя России от 30.12.2015 N 974/пр)
4.4.2. На лестницах и в коридорах следует предусматривать устройство двойных поручней, располагающихся на высоте 0,9 м и 0,7 м от уровня пола. Поручни на лестницах должны быть с двух сторон и при этом выступать по длине на 0,3 м по отношению к началу лестницы или пандуса. Край поручня должен быть загнутым или замкнутым в петлю, с поворотом вниз или к стене.
(в ред. Изменения N 1, утв. Приказом Минстроя России от 30.12.2015 N 974/пр)
Поручни и штанги необходимо крепить к основным строительным конструкциям с расчетом на динамическую нагрузку не менее 120 кгс. Чтобы за поручень было удобно держаться, он должен быть выполнен из дерева, иметь диаметр 3 - 6 см и отстоять от стены на 5 - 6 см.
4.4.3. На рабочей поверхности кнопки управления лифтом должна быть рельефная маркировка с высотой рельефа не менее 30 - 40 мм. Высота рельефа - это высота, на которую символ выступает относительно поверхности, на которую он вынесен.
(п. 4.4.3 в ред. Изменения N 1, утв. Приказом Минстроя России от 30.12.2015 N 974/пр)
4.4.4. При проектировании лестниц нужно учитывать следующее (рисунок А.8):
при перепаде отметок пола между помещениями менее 0,3 м безопаснее использовать не ступени, а пандусы с уклоном не более 8%;
лестничные марши должны иметь не менее трех ступеней;
лестницы в плане должны быть преимущественно прямоугольными с поворотами под прямым углом, винтовых лестниц рекомендуется избегать;
(в ред. Изменения N 1, утв. Приказом Минстроя России от 30.12.2015 N 974/пр)
ступени не должны быть выдвинуты над подступенками более чем на 1,5 см, поскольку выступающие вперед края представляют опасность для тех, кто с трудом ходит.
4.4.5. Рекомендуется применять кабины лифта с откидными сиденьями (рисунок А.9).
(в ред. Изменения N 1, утв. Приказом Минстроя России от 30.12.2015 N 974/пр)
4.4.6. При устройстве дверей необходимо учитывать следующие особенности:
двери помещений, граничащих с коридором, должны открываться внутрь (кроме помещений с числом пребывающих в них свыше 15 чел.);
двери должны открываться легко, без особых усилий;
свободная ширина проема - не менее 1,1 м;
при использовании стеклянных дверей и перегородок снизу (не ниже 1,2 м) должна быть непрозрачная полоса высотой не менее 0,1 м и шириной 0,2 м, а на уровне глаз желательна маркировка.
4.4.7. Коммуникационные пространства в пределах полосы движения должны быть свободны от выступающих элементов конструкций, встроенной мебели и др. Выступающим углам стен, встроенного оборудования и мебели следует придавать округленные формы с радиусом 7 - 10 см.
4.5. САНИТАРНО-ГИГИЕНИЧЕСКИЕ ПОМЕЩЕНИЯ
Общие требования к санитарно-гигиеническим помещениям
4.5.1. Санитарно-гигиенические помещения должны оборудоваться опорами, перилами и поручнями, обеспечивающими МГН удобство и безопасность передвижения и пользования санитарными приборами (рисунок А.10). Поручни должны быть плотно прикреплены к стене и фиксироваться в нужном положении.
4.5.2. При умывальниках в местах общего пользования должны устанавливаться сенсорные, бесконтактные краны холодной и горячей воды, обеспечивающие высокий уровень соблюдения гигиены, а также смесители рычажного и нажимного действия.
По возможности, должны использоваться умывальники:
с горизонтальным подсоединением сифона, у которых сифон и трубопровод установлены у стены;
эргономичной формы, у которых передняя кромка имеет плавный изгиб внутрь, позволяющий опираться на него при умывании;
с раковинами, положение которых (высоту или угол наклона) пользователь, в том числе ребенок, может легко менять в зависимости от своего роста.
4.5.3. Во избежание ожогов при пользовании горячей водой целесообразно использовать смесители, автоматически устанавливающие нужную температуру воды, текущей из крана со стопором на отметке 37 °C.
4.5.4. Покрытие полов в санитарно-гигиенических помещениях (умывальных, туалетах, душевых, личной гигиены женщин, ванных) должно быть влагостойким, легко моющимся и обладать нескользкой поверхностью, исключающей падения и травмы.
4.5.5. При каждой жилой комнате рекомендуется предусматривать уборную. При отсутствии такой возможности (в условиях реконструкции) возможно размещение уборных, общих на палатную (жилую) секцию, с выделением в женских отделениях комнат санитарной гигиены, в которые на каждые 10 женщин устанавливается биде и унитаз, но не менее одной на этаж. Душевые для обеспечения безопасности пациентов (проживающих) целесообразно предусматривать общими на секцию стационарного или жилого отделения.
(п. 4.5.5 в ред. Изменения N 1, утв. Приказом Минстроя России от 30.12.2015 N 974/пр)
4.5.6. В помещениях, оборудованных ванной или душем, за исключением санпропускников, а также в помещениях хранения уборочного инвентаря предусматриваются полотенцесушители.
(в ред. Изменения N 1, утв. Приказом Минстроя России от 30.12.2015 N 974/пр)
Особенности устройства санитарных узлов
4.5.7. Уборные при помещениях общего назначения (в вестибюлях и местах ожидания амбулаторных, социальных и других учреждений) должны оборудоваться соответствующими опорами и поручнями около умывальника и унитаза (рисунок А.10).
(в ред. Изменения N 1, утв. Приказом Минстроя России от 30.12.2015 N 974/пр)
4.5.8. Если в какой-то зоне здания уборная состоит только из одной кабины, то ее рекомендуется проектировать универсальной для всех категорий проживающих, то есть выполнять по размерам специализированной туалетной кабины и предусматривать необходимый комплект приборов и оборудования. Поручни, штанги, умывальники, полки и другие приспособления в уборных, душевых и санузлах следует крепить к основным (несущим) конструкциям с расчетом на динамическую нагрузку 120 кгс.
(в ред. Изменения N 1, утв. Приказом Минстроя России от 30.12.2015 N 974/пр)
4.5.9. В уборных, ванных, душевых и санузлах не допускается открывание дверей внутрь помещений, чтобы облегчить выход из помещения МГН при ухудшении самочувствия.
(в ред. Изменения N 1, утв. Приказом Минстроя России от 30.12.2015 N 974/пр)
4.5.10. Сиденья унитазов должны устанавливаться так, чтобы от уровня чистого пола до верха сиденья было не менее 0,5 м.
Рекомендуется использовать модели унитазов с откидными подлокотниками, изготовленными из анодированного алюминия и выдерживающими нагрузку до 300 кг.
4.5.11. Санитарные узлы и уборные, размещаемые при палатах и жилых помещениях, следует оборудовать умывальником и унитазом, специально приспособленными душами или сидячими ванными.
(в ред. Изменения N 1, утв. Приказом Минстроя России от 30.12.2015 N 974/пр)
4.5.12. При жилых комнатах и палатах во избежание несчастных случаев следует устанавливать душевую кабину, а не ванну.
(в ред. Изменения N 1, утв. Приказом Минстроя России от 30.12.2015 N 974/пр)
4.5.13. Размеры санузлов для ослабленных и лежачих должны обеспечивать возможность принять душ на специальной кушетке (с помощью персонала) и быть не менее 1500 x 2000 мм. При этом в зоне размещения кушетки следует устанавливать больничный слив. Предусматриваться такие души должны в отделениях по уходу из расчета не менее одного на 15 чел.
4.5.14. Во всех помещениях для проживающих и пациентов рекомендуется использовать ручной душ с гибким шлангом на вертикальной стойке. Краны в душевых должны располагаться на высоте не более 1,3 м.
(в ред. Изменения N 1, утв. Приказом Минстроя России от 30.12.2015 N 974/пр)
4.5.15. Высота установки водоразборных кранов от уровня чистого пола должна быть 800 - 850 мм.
4.5.16. В душевой кабине целесообразно предусматривать подставку (уступ) для мытья ног, полочку для мыла и мочалки, горизонтальный поручень на двух противоположных стенках кабины на высоте 1,2 м от пола и на расстоянии 7 см от плоскости стены, а под душевыми сетками - откидные сиденья.
Нижний край зеркала и электрического прибора для сушки рук, предназначенных для пользования инвалидами, следует располагать на высоте не более 0,8 м от уровня пола. На этой же высоте - электрополотенце и туалетная бумага. Крючок или вешалка для полотенца - не выше 1,3 м от пола.
(абзац введен Изменением N 1, утв. Приказом Минстроя России от 30.12.2015 N 974/пр)
4.5.17. В помещениях общих душевых следует предусматривать не менее одной кабины, оборудованной для инвалидов на креслах-колясках. Размер в плане такой кабины должен быть не менее 1,2 x 0,9 м. Перед кабиной следует предусматривать пространство для подъезда к ней инвалида на кресле-коляске.
(абзац введен Изменением N 1, утв. Приказом Минстроя России от 30.12.2015 N 974/пр)
Возможна организация бассейновых душей с ограждением одной стороны (две другие - стены помещения, с четвертой стороны - пологий въезд и многослойная штора для создания микроклимата.
(абзац введен Изменением N 1, утв. Приказом Минстроя России от 30.12.2015 N 974/пр)
Ванная и душевая комнаты должны быть оборудованы сигнализацией экстренного вызова.
Особенности оборудования ванных комнат
4.5.18. Для обеспечения безопасности в ванных комнатах:
пол ванной должен быть на одном уровне с полом помещения (при реконструкции перед ванной делается широкая ступенька с опорной стойкой. На дно ванны и ступеньки кладут резиновый коврик);
при ограниченной подвижности людей целесообразно использовать сидячие ванны с герметичной дверью или специальный подъемник;
двери ванной комнаты не должны закрываться с внутренней стороны.
4.5.19. В каждом жилом отсеке и палатном отделении на 20 - 30 чел. следует размещать не менее одной ванны с подъемником или специальной душевой кабины для ослабленных и лежачих. Ванна должна устанавливаться длиною не менее 170 см.
4.5.20. Размеры помещений, в которых устанавливаются ванны (в том числе, если они устанавливаются в санпропускниках приемных отделений), должны быть не менее чем 2,3 x 3,0 м, что обеспечивает трехсторонний обход ванны персоналом, подъезд к ванне каталки с больным или немощным, а также установку подъемника.
(в ред. Изменения N 1, утв. Приказом Минстроя России от 30.12.2015 N 974/пр)
4.6. ВНУТРЕННЯЯ ОТДЕЛКА ПОМЕЩЕНИЙ
4.6.1. Цветовые решения, обусловленные особенностями зрения и психофизиологии больных, следующие:
длинные одноцветные коридоры создают унылую обстановку и отрицательно действуют на настроение и интеллект людей, при реконструкции (использовании) существующих зданий их следует разделять на разные цветовые отрезки;
(в ред. Изменения N 1, утв. Приказом Минстроя России от 30.12.2015 N 974/пр)
при цветовом выделении тех или других поверхностей в информационных целях следует учитывать возрастные изменения в восприятии голубого, зеленого и красного цвета, которые становятся трудно различимыми, а небольшие изменения в оттенках трудноуловимыми;
все цвета большой насыщенности красного, красно-оранжевого, оранжево-желтого колера вызывают повышенное возбуждение, что обусловливает нецелесообразность их применения в помещениях постоянного пребывания в большом количестве;
(в ред. Изменения N 1, утв. Приказом Минстроя России от 30.12.2015 N 974/пр)
цвета средней и небольшой насыщенности: желтый, желто-зеленый, оранжево-желтый цвета повышают ясность видения, и рекомендуется для их применения в интерьерах помещений или коммуникационных путей, требующих повышенного внимания.
(в ред. Изменения N 1, утв. Приказом Минстроя России от 30.12.2015 N 974/пр)
Различные цветовые плоскости стен при возможности могут быть заменены на сюжетные рисунки, лучше обеспечивающие ориентацию.
(в ред. Изменения N 1, утв. Приказом Минстроя России от 30.12.2015 N 974/пр)
4.6.2. Требуется особое внимание к обеспечению акустического комфорта помещений постоянного пребывания людей старших возрастов, имеющих с одной стороны повышенную чувствительность к шуму, снижение слуха, обусловливающее повышение громкости речи. Акустический комфорт достигается звукоизоляцией межкомнатных перегородок.
(в ред. Изменения N 1, утв. Приказом Минстроя России от 30.12.2015 N 974/пр)
4.6.3. Покрытия пола во всех коммуникационных зонах и помещениях должны выполняться из материалов, обеспечивающих повышенную безопасность:
линолеум или ковровое покрытие должно иметь стыки только у стен;
(в ред. Изменения N 1, утв. Приказом Минстроя России от 30.12.2015 N 974/пр)
керамические покрытия и линолеум должны применяться с шероховатой поверхностью;
ворсовые ковры с высотой ворса более 0,5 см, которые могут создавать препятствия при ходьбе и служить накопителями пыли и других аллергенов, использовать не рекомендуется.
4.6.4. Цветовые решения покрытия лестничных маршей должны обеспечивать привлечение внимания к элементам, в зоне которых наиболее вероятно получение травм:
края ступеней лестниц обклеивают (окрашивают) полосками контрастного материала;
первая и последняя ступеньки лестниц должны быть выкрашены в яркие цвета фосфоресцирующими красками.
4.6.5. Края бассейнов во избежание падения в них людей с ослабленным зрением выделяются контрастным цветом.
4.6.6. Места ожидания, расположенные в холлах, можно вычленить из пространства решением пола, отличным от покрытия всего коридора (материалом другого цвета, другого рисунка, другой фактуры и др.).
(в ред. Изменения N 1, утв. Приказом Минстроя России от 30.12.2015 N 974/пр)
4.7. ИСКУССТВЕННОЕ И ЕСТЕСТВЕННОЕ ОСВЕЩЕНИЕ
4.7.1. Освещение необходимо выполнять в соответствии с СанПиН 2.1.3.2630.
4.7.2. Во избежание падения и для улучшения ориентации в пространстве следует обеспечивать необходимые условия освещения, то есть обеспечивать освещенность не менее 300 лк при выходе из лифтов, в местах массовых мероприятий, на лестницах (особенно в начале и в конце марша и боковых границ лестниц), в ванных комнатах.
4.7.3. Чтобы тени от самих идущих не затемняли путь их следования, целесообразно, помимо потолочных, использовать различные напольные и настенные светильники.
4.7.4. При наличии в помещении более одного выхода (например, выход в смежную комнату) выключатели общего освещения должны быть предусмотрены у каждого из выходов, чтобы больному человеку не приходилось возвращаться для выключения света, а затем повторно возвращаться к входу в нужную комнату в темноте.
4.7.5. Включение верхнего света помещения производится у входа в него на высоте, соответствующей ограниченной подвижности немощного человека или инвалида-колясочника (не выше 1,2 м), кроме того, должна обеспечиваться возможность включения и выключения верхнего света непосредственно со спального места.
4.8. МИКРОКЛИМАТ ПОМЕЩЕНИЙ
4.8.1. Оптимальные параметры микроклимата создаются сочетанием значений показателей микроклимата, которые при систематическом воздействии на человека обеспечивают нормальное тепловое состояние организма и ощущение комфорта не менее чем у 80% людей, находящихся в помещении.
(в ред. Изменения N 1, утв. Приказом Минстроя России от 30.12.2015 N 974/пр)
4.8.2. В помещениях постоянного пребывания людей из МГН (жилых комнатах, палатах, комнатах отдыха и др.) целесообразно устанавливать обогревательные приборы, позволяющие самостоятельно регулировать температуру в помещении.
При невозможности установки таких нагревательных приборов температура воздуха в этих помещениях должна соответствовать 20 - 24 °C, а в районах с температурой наиболее холодной пятидневки минус 31 °C и ниже - 22 - 24 °C (ГОСТ 30494).
4.8.3. Оптимальными в качестве основного или дополнительного отопления помещений постоянного пребывания МГН являются обогреваемые полы. Полы в ванных и бассейнах также целесообразно предусматривать утепленными.
5. ПРАВИЛА ПРОЕКТИРОВАНИЯ ПОМЕЩЕНИЙ ПОСТОЯННОГО ПРЕБЫВАНИЯ
В УЧРЕЖДЕНИЯХ СОЦИАЛЬНОГО ОБСЛУЖИВАНИЯ И В СПЕЦИАЛЬНЫХ
ЖИЛЫХ ДОМАХ ДЛЯ ПОЖИЛЫХ ЛЮДЕЙ
5.1. ЖИЛЫЕ ПОМЕЩЕНИЯ
5.1.1. При определении габаритов жилых помещений и принципа расстановки мебели (рисунки А.2 - А.4) необходимо учитывать, что помещения общего пользования, а также около 10% жилых помещений должны быть приспособлены для людей на креслах-колясках.
5.1.2. Площадь, занимаемая мебелью и оборудованием, должна составлять не более 30 - 33% общей площади жилого помещения.
5.1.3. Жилые комнаты для двоих и более человек целесообразно оборудовать так, чтобы каждый из них мог время от времени зрительно изолировать себя от другого. Это достигается разделением жилого помещения на функциональные зоны с помощью соответствующей расстановки мебели, использования перегородок-экранов и раздвижных перегородок. Жилые комнаты могут быть оборудованы телевизором и небольшим холодильником.
(в ред. Изменения N 1, утв. Приказом Минстроя России от 30.12.2015 N 974/пр)
5.1.4. В жилой ячейке домов постоянного проживания должны выделяться несколько основных функциональных зон: спальная зона, зона дневного пребывания и отдыха, зона приема пищи, санитарно-гигиеническая зона.
5.1.5. Ограниченная подвижность пожилых людей, часто оставляющая единственно возможную связь с миром через окна и балконы, обусловливает важность зон подхода к окну и наличия балкона или лоджии, выхода на балкон.
(в ред. Изменения N 1, утв. Приказом Минстроя России от 30.12.2015 N 974/пр)
5.1.6. Лоджии и балконы, защищенные от дождя, ветра и снега, предусматриваются в зависимости от климатических условий и не рекомендуются в северных регионах России. Ограждения должны быть прозрачными, позволяющими сидя наблюдать за происходящим на улице.
(в ред. Изменения N 1, утв. Приказом Минстроя России от 30.12.2015 N 974/пр)
Высота ограждения балкона должна быть различной, в зависимости от этажности. На нижних двух этажах высота ограждения может быть 90 см, выше она должна доходить до 120 см. Верхняя часть ограждения балкона должна представлять деревянный поручень сечением 3 - 6 см, отстоящий от основного полотна заграждения на 5 - 6 см, чтобы за него было удобно держаться. Минимальная глубина балкона - 1 м, лоджии - 2 м.
(в ред. Изменения N 1, утв. Приказом Минстроя России от 30.12.2015 N 974/пр)
5.2. ПОСТ ДЕЖУРНОГО ПЕРСОНАЛА, ПОМЕЩЕНИЯ БЫТОВЫХ НУЖД,
ПРИГОТОВЛЕНИЯ И ПРИЕМА ПИЩИ
(в ред. Изменения N 1, утв. Приказом
Минстроя России от 30.12.2015 N 974/пр)
5.2.1. На одну-две жилые группы предусматривается пост дежурного персонала, занимающий нишу в коридоре или часть холла и представляющий собой специальную ограждающую шкафную стойку высотой 1,2 м, с горизонтальной плоскостью для записей и местом для дежурной медицинской сестры. В зоне поста размещается контрольный пункт тревожной сигнализации, куда выводятся сигналы из жилых комнат.
5.2.2. Для удовлетворения бытовых потребностей пожилых людей в составе общих помещений жилых групп учреждений социального обслуживания домов предусматриваются помещения для стирки и глажки мелких вещей, а также самостоятельного приготовления и приема пищи (кухня, кухня-столовая или столовая).
(в ред. Изменения N 1, утв. Приказом Минстроя России от 30.12.2015 N 974/пр)
5.2.3. Помещение для стирки мелких вещей, сушки одежды и обуви оборудуется автоматическими стиральными машинами и сушильными шкафами.
5.2.4. В целях безопасности глажка личного белья и одежды производится в гладильных помещениях, оборудованных гладильными досками и утюгами.
5.2.5. Кухня-столовая и комната отдыха в социальных жилых домах могут разделяться между собой раздвижными перегородками и в случае необходимости объединяться для приема гостей и проведения различных праздников.
(в ред. Изменения N 1, утв. Приказом Минстроя России от 30.12.2015 N 974/пр)
5.2.6. На кухнях самообслуживания (из-за забывчивости пожилых людей) для приготовления и подогрева пищи должны применяться только электроплиты. На кухне целесообразно предусматривать холодильник, а в сельской местности - кладовую для хранения овощей, имеющую пониженный температурный режим (около 10 °C).
5.2.7. Габариты и конфигурация помещений приема пищи в социальных учреждениях должны учитывать применение обеденных столов на 2 - 4 чел. При этом площадь помещения приема пищи должна быть увеличена с учетом того, что 20% мест следует предусматривать для людей на креслах-колясках.
5.3. ПОМЕЩЕНИЯ ДЛЯ ОТДЫХА И ДОСУГА
5.3.1. Для удовлетворения потребностей пожилых людей в общении и проведении свободного времени в составе социальных жилых домов должны предусматриваться помещения для отдыха и досуга. Часть этих помещений может располагаться в составе жилых групп (комнаты отдыха), а часть (библиотека, фитооранжерея, кружковые комнаты различного назначения, зрительный зал) - в выделенной общей зоне.
(в ред. Изменения N 1, утв. Приказом Минстроя России от 30.12.2015 N 974/пр)
5.3.2. В социальных учреждениях стационарного и временного пребывания проектирование помещений дневного пребывания осуществляется в соответствии с различными видами проведения досуга с основными видами деятельности: просмотром телевизионных программ, чтением, общением, отдыхом, кружковыми занятиями (изобразительное искусство, пение, мастерские технического творчества, швейная и т.д.), тихими играми.
(в ред. Изменения N 1, утв. Приказом Минстроя России от 30.12.2015 N 974/пр)
5.3.2а. Целесообразно предусмотреть помещения с установкой компьютеров на 8 - 10 мест с обязательным подключением к интернету. Это не только расширит круг занятий (в т.ч. в литературном жанре), но и обеспечит возможность общения с друзьями и близкими.
(п. 5.3.2а введен Изменением N 1, утв. Приказом Минстроя России от 30.12.2015 N 974/пр)
5.3.3. Для людей с ограниченным передвижением места ожидания в социальных и социально-медицинских учреждениях и помещения отдыха целесообразно раскрывать в окружающее пространство различными двориками, террасами, балконами, эркерами и другими архитектурными приемами.
5.3.4. Одним из вариантов раскрытия пространства в природу является организация "зимнего сада", который может делиться на индивидуальные "садики" для возделывания земли, выполняющие функции трудотерапии для желающих выращивать растения. Помимо зон индивидуального садоводства, в саду могут быть выделены зоны для созерцания, чтения и тихих бесед.
(в ред. Изменения N 1, утв. Приказом Минстроя России от 30.12.2015 N 974/пр)
5.3.5. Для создания сада может быть использована эксплуатируемая крыша, которая является удобным местом с точки зрения наблюдения и общения с природой. Наиболее приемлема такая эксплуатируемая крыша при разновысокой этажности зданий, когда выход с этажа осуществляется непосредственно на крышу.
При формировании такого сада важно решить вопросы регулирования света, тени, избытка солнца и ветра, а также вопросы, связанные с безопасностью. Высота ограждения сада должна быть не менее 1,2 м. При этом до высоты 0,9 м оно может быть глухим, а выше (до общей высоты 1,2 м) - остекленным или открытым, чтобы не мешать обозрению окрестностей сидячим человеком.
(в ред. Изменения N 1, утв. Приказом Минстроя России от 30.12.2015 N 974/пр)
5.3.6. В пределах домов постоянного проживания (интернатов, пансионатов и др.), а также в центрах социального обслуживания целесообразно выделять зоны отдыха и досуга в следующих местах:
у главного входа, где интересно наблюдать за событиями;
у камина;
в помещении для шумных игр и музыки;
в помещениях для любительских занятий;
в помещении зимнего сада.
5.3.7. Желательно предусматривать зону отдыха в виде террасы или гостиной, выходящей на главный вход в здание (для наблюдения за событиями). Здесь может быть оборудован кафетерий со столиками, за которыми можно выпить кофе или чай.
5.3.8. Одна из столовых в доме постоянного проживания (самая большая по площади) должна иметь небольшую эстраду с пандусом для въезда инвалидных колясок, обеспечивающую проведение здесь концертов.
5.3.9. Зрительные залы вместимостью более 50 чел. должны быть оборудованы с учетом возможного пребывания в них инвалидов на креслах-колясках. При этом все фиксированные сидячие места желательно оборудовать специальными индивидуальными приборами усиления звука.
5.3.10. Чтобы не было чувства оторванности от мира, в каждой жилой комнате рекомендуется размещать телевизор. Кроме того, по заданию на проектирование может быть предусмотрен компьютерный класс на 10 - 15 компьютеров, где обеспечивается свободный доступ к интернету.
(п. 5.3.10 введен Изменением N 1, утв. Приказом Минстроя России от 30.12.2015 N 974/пр)
5.4. ОБРЯДОВЫЕ ПОМЕЩЕНИЯ
5.4.1. Зал для проведения религиозных обрядов может не иметь естественного освещения. При наличии оконных проемов они должны быть небольшими и немногочисленными. Предпочтительное их размещение в верхней части наружных стен.
5.4.2. Оборудование молельных комнат (часовен) зала для проведения религиозных обрядов элементами религиозного назначения зависит от региона, в котором расположен дом постоянного проживания пожилых людей. В регионах где население разного вероисповедания проживает в значительном количестве, могут выделяться отдельные молельные, например, для людей мусульманского и христианского (буддийского, иудейского) вероисповеданий. В случае многоконфессиональной принадлежности прихожан предусматриваются столы для съемных религиозных символов, расставляемые в специально выделенных нишах.
(в ред. Изменения N 1, утв. Приказом Минстроя России от 30.12.2015 N 974/пр)
5.4.3. Кабина для уединения верующего со священником может представлять собой отдельное помещение или часть общего помещения, выгороженную перегородкой или ширмой и имеющую площадь около 6 м2.
5.4.4. В зале для проведения религиозных обрядов, расположенном в учреждении для пожилых людей, предусматриваются кресла или скамьи для верующих, легко убирающиеся при необходимости.
5.5. ВНУТРЕННЯЯ ОТДЕЛКА
5.5.1. Возрастное ухудшение ориентации и снижение зрения пожилых людей обусловливают необходимость выделения входов в жилые комнаты специальных жилых домов и в палаты гериатрических стационаров четкими номерами, размером цифр не менее 6 см, или различными декоративными приемами, отличающими вход именно в это индивидуальное жилище (жилища разных народов, растения, птицы, животные и др.). При этом важно, чтобы независимо от выбранной тематики, она должна быть единой в конкретной жилой группе (отделении) и был соблюден общий художественный стиль.
(в ред. Изменения N 1, утв. Приказом Минстроя России от 30.12.2015 N 974/пр)
5.5.2. Помещения дневного пребывания, организуемые в специальных жилых домах и стационарах, желательно окрашивать в интенсивные цвета. При спокойном цветовом решении стен в ярких цветовых сочетаниях могут быть даны полы этих помещений.
5.6. ИСКУССТВЕННОЕ И ЕСТЕСТВЕННОЕ ОСВЕЩЕНИЕ
5.6.1а. Все жилые комнаты должны иметь естественное освещение. Наличие естественного освещения в остальных помещениях должно соответствовать действующим нормам для общественных и медицинских помещений.
(п. 5.6.1а введен Изменением N 1, утв. Приказом Минстроя России от 30.12.2015 N 974/пр)
5.6.1. Естественное освещение помещений постоянного пребывания людей должно учитывать особенности их психологического и физиологического состояния. Поэтому целесообразно предусматривать устройства, позволяющие при необходимости снижение или усиление освещенности помещения (жалюзи, регулируемые шторы и т.п.).
5.6.2. На кухне в рабочей зоне стола для самостоятельного приготовления пищи, мойки и электроплиты целесообразно предусматривать местное освещение с применением энергосберегающих ламп.
(в ред. Изменения N 1, утв. Приказом Минстроя России от 30.12.2015 N 974/пр)
5.6.3. Помимо общего потолочного светильника, в изголовье кровати должна быть установлена осветительная аппаратура и предусмотрен второй выключатель потолочного светильника, позволяющий включать и выключать общее освещение, не вставая с постели.
(в ред. Изменения N 1, утв. Приказом Минстроя России от 30.12.2015 N 974/пр)
5.6.4. Желательно предусматривать освещение на лоджиях при жилых помещениях, обеспечивая возможности использования их для чтения, вязания и других тихих занятий, в то время, когда соседи по помещению спят.
(п. 5.6.4 введен Изменением N 1, утв. Приказом Минстроя России от 30.12.2015 N 974/пр)
6. ТРЕБОВАНИЯ К ПРОЕКТИРОВАНИЮ ПОМЕЩЕНИЙ
АМБУЛАТОРНО-ПОЛИКЛИНИЧЕСКИХ ОТДЕЛЕНИЙ
ПО ОКАЗАНИЮ МЕДИЦИНСКОЙ ПОМОЩИ
(в ред. Изменения N 1, утв. Приказом
Минстроя России от 30.12.2015 N 974/пр)
6.1. ОБЩИЕ ТРЕБОВАНИЯ
В данном разделе рассмотрены требования к обустройству и оборудованию помещений медицинского назначения, которые предназначены для обслуживания пожилых людей и рекомендуется включать в состав специальных жилых домов, центров социального обслуживания, геронтологических и гериатрических центров.
(в ред. Изменения N 1, утв. Приказом Минстроя России от 30.12.2015 N 974/пр)
6.2. ПОМЕЩЕНИЯ ОТДЕЛЕНИЙ КОНСУЛЬТАТИВНО-АМБУЛАТОРНОГО ПРИЕМА
6.2.1а. В отделении должно быть 2 - 3 универсальных кабинета врачебного приема, в которых по графику могут принимать специалисты терапевтического профиля (терапевт, кардиолог, ревматолог, психиатр и др.). Кроме того, могут быть еще кабинеты четырех типов, различающиеся по размерам и медицинскому оборудованию:
- хирургический кабинет - перевязочная;
- кабинет отоларинголога с вспомогательным помещением;
- кабинет окулиста со вспомогательным помещением;
- стоматологический кабинет.
Число кабинетов зависит от численности проживающих. Площадь кабинетов принимается с учетом СП 158.13330.
(п. 6.2.1а введен Изменением N 1, утв. Приказом Минстроя России от 30.12.2015 N 974/пр)
6.2.1. Во врачебных кабинетах следует предусматривать дополнительную площадь, учитывающую пребывание сопровождающего, габариты вспомогательных средств передвижения пациентов, а также наличие у рабочего места врача-гериатра компьютерного стола, необходимого для динамического ведения истории болезней прикрепленных пациентов.
6.2.2. В медицинских кабинетах специальных жилых домов необходимо предусмотреть оборудование для экстренной диагностики и оказания неотложной помощи.
6.2.3. Помещения индивидуальной и групповой психотерапии, включаемые в состав учреждений, оказывающих медико-социальную помощь, должны иметь хорошую звукоизоляцию. Для этой цели в конструкциях ограждающих стен должны использоваться звукоизолирующие материалы, перед входом в помещение устраивается шлюз. Окна должны быть оборудованы устройствами для затемнения.
6.2.4. В составе амбулаторных подразделений для приема пожилых людей необходимо предусматривать помещения клизменных, оборудованных унитазом, раковиной, кушеткой.
6.3. ПОМЕЩЕНИЯ РЕАБИЛИТАЦИИ
Помещения водолечения
6.3.1. Для облегчения погружения пожилого пациента или инвалида в ванну и выхода из нее могут использоваться ванны с герметически закрывающимися дверцами.
При использовании стандартных ванн дно их должно иметь нескользящую поверхность. Кроме того, как и в помещениях бытовых ванн, здесь должны быть предусмотрены необходимые поручни, ручки и опоры, облегчающие вход и выход из ванны.
(в ред. Изменения N 1, утв. Приказом Минстроя России от 30.12.2015 N 974/пр)
6.3.2. Ванные залы могут быть без естественного освещения и располагаться в подвале или цокольном этаже. Для улучшения наблюдения персонала за состоянием пожилых пациентов ванные залы целесообразно оборудовать видеокамерами. В этом случае размещения лечебных ванн производится в отдельных отсеках, а не в общем, не поделенном на отсеки помещении ванного зала. Рядом размещается помещение раздевальной с отдельными кабинками для переодевания (одевания). Лечебные ванны (в отличие от обычных водолечебниц) размещают не в отдельных отсеках, а в общем, не поделенном на отсеки помещении ванного зала, с размещенной рядом общей раздевальной. Место для переодевания должно размещаться в отдельном помещении или отделяться от зоны ванн водонепроницаемой шторой.
(в ред. Изменения N 1, утв. Приказом Минстроя России от 30.12.2015 N 974/пр)
При этом для мужчин и женщин организуются отдельные залы или производится деление во времени.
6.3.3. Лечебные ванны устанавливаются так, чтобы дневной свет падал на лицо пациента. Площадь на 1 ванну не менее 6 м2.
Ванны должны быть установлены так, чтобы доступ к каждой ванне был возможен с трех сторон.
Расстояние между ваннами должно быть не менее 80 см, при этом не менее чем к одной должен быть обеспечен подъезд больного на инвалидном кресле-коляске.
6.3.4. Для лечения камерными сероводородными ваннами следует предусматривать отдельное помещение в тупиковом отсеке, изолированном от других процедурных комнат.
6.3.5. Лечебные души должны быть оснащены откидными или стационарными сиденьями.
6.3.6. Лечебно-оздоровительный бассейн предусматривается на 5 - 10 чел. Размеры бассейна на 10 чел. - 12 x 5 м при размерах помещения 21 x 9 м. Размеры бассейна на 5 чел. - 8,5 x 3,5 м при размерах помещения 15 x 6 м. Душевые размещаются при раздевальных. В женских и мужских санузлах предусматривается по одной уборной (СанПиН 2.1.2.1188).
(в ред. Изменения N 1, утв. Приказом Минстроя России от 30.12.2015 N 974/пр)
6.3.7. В мужской и женской раздевальных или смежных с ними помещениях устанавливаются не менее одного прибора для сушки волос (фены).
6.3.8. Душевые при бассейне необходимо предусматривать проходными и располагать на пути движения из раздевальной к обходной дорожке. Душевые устраиваются из расчета 1 душевая сетка на трех человек в смену. Для защиты от травматизма вход в поддон душевой должен быть обозначен иным цветом или рельефом пола. Использование деревянных трапов в душевых и гардеробных не допускается (СанПиН 2.1.2.1188).
6.3.9. Для предупреждения травматизма слабовидящих людей целесообразно выход из душевых кабин осуществлять непосредственно на обходную дорожку бассейна, минуя ножные ванны.
6.3.10. Начальная глубина лечебного бассейна должна быть не более 130 см с уровнем воды здесь не более 95 см, что обеспечивает возможность отдыха на откидных сиденьях, прикрепленных к стенке бассейна на расстоянии 40 см от дна. На высоте 95 см от дна следует предусматривать поручень диаметром 3 - 5 см, который крепится к борту бассейна.
6.3.11. Вокруг ванны бассейна следует предусматривать обходные дорожки шириной 150 см по продольным сторонам и 240 см с торцевых сторон (с учетом размещения подъемника, разворота кресла-каталки и организации рабочего места дежурного персонала) с уклоном 0,01 - 0,02 к трапам или решеткам. Обходные дорожки и стационарные скамьи для отдыха в зоне бассейна должны обогреваться (СанПиН 2.1.2.1188). По внешнему периметру обходных дорожек вокруг открытых бассейнов следует предусматривать ограждения высотой не менее 100 см с поручнями.
6.3.12. Вход в ванну бассейна следует предусматривать в торце в виде пологой лестницы или пандуса (уклон не круче 1:10), шириной 100 - 120 см с перилами для спуска в воду. Помимо этого предусматривается специальный подъемник для погружения инвалида в бассейн.
6.3.13. Кромка ванны бассейна должна выделяться предупредительной яркой цветовой маркировкой (ширина полосы около 30 см).
6.3.14. Вдоль стен зала бассейна и при входах в зал из помещений для переодевания и душевых следует устанавливать горизонтальные поручни на высоте от пола 90 - 120 см.
6.3.15. В крупных гериатрических и реабилитационных центрах могут предусматриваться бассейны для обучения хождению (глубиной 0,6 м) Т-образной или П-образной формы, что позволяет проводить одновременное занятие нескольких групп лиц с различной степенью подвижности.
Помещения лечения движением (кинезотерапия)
6.3.16. В составе реабилитационного отделения или в составе помещений жилого комплекса для МГН предусматривается зал ЛФК (лечебной физкультуры) площадью 36 м2, рассчитанный на одновременное занятие 5 чел., или зал ЛФК площадью 60 м2, рассчитанный на одновременное занятие 10 чел. Рядом с залом ЛФК располагают мужскую и женскую раздевальные, каждая из которых должна быть оборудована душевой кабиной и закрытыми шкафчиками для одежды, число которых соответствует 50% вместимости зала. Допускается наличие одной раздевальной при посменном использовании зала мужчинами и женщинами.
6.3.17. В тренажерных залах или залах ЛФК устанавливаются тренажеры, подобранные с учетом возможностей людей старших возрастов в т.ч. специальные для инвалидов. Ширина тренажерного зала должна быть не менее 2,5 м. При отсутствии тренажерных залов тренажеры могут располагаться в зонах помещений для отдыха и досуга.
(в ред. Изменения N 1, утв. Приказом Минстроя России от 30.12.2015 N 974/пр)
6.3.18. В восстановительном кабинете обучения хождению предусматриваются встроенные зеркала.
(в ред. Изменения N 1, утв. Приказом Минстроя России от 30.12.2015 N 974/пр)
6.3.18а. По заданию на проектирование может быть предусмотрен массажный кабинет, который позволит улучшить состояние здоровья при многих заболеваниях пожилых людей. При этом целесообразно применять кресла и кушетки, приспособленные для людей с ограниченной подвижностью.
(п. 6.3.18 введен Изменением N 1, утв. Приказом Минстроя России от 30.12.2015 N 974/пр)
Физиотерапевтические помещения
6.3.19. Предусматриваются кабинеты электросветолечения. Проектирование этих кабинетов приведено в [1]. Размеры кабинета обусловлены числом и габаритами функциональных медицинских зон для проведения физиотерапевтических процедур (кабинок).
(в ред. Изменения N 1, утв. Приказом Минстроя России от 30.12.2015 N 974/пр)
6.3.20. В отделения восстановительного лечения гериатрических учреждений целесообразно включать кабинеты: электросонтерапии, теплолечения, индивидуальных ингаляций, иглорефлексотерапии.
6.3.21. Минимальные размеры кабинета электросонтерапии 3 x 5 м. Он должен иметь входной шлюз для изоляции от шума и температуру воздуха не ниже 22 °C. Кабинет может не иметь естественного освещения.
6.3.22. Теплолечение не должно проводиться в помещениях для проведения электросветолечебных процедур. Размеры кабины теплолечения на кушетку - 3 x 4 м. Для приготовления парафиновых, озокеритовых и грязевых аппликаций предусматривается специальное помещение, которое должно быть оборудовано вытяжным шкафом. Рекомендуемые размеры этого помещения 3 x 3 м.
6.3.23. Для проведения аэрозольных ингаляций предусматривается отдельное помещение. Компрессор к индивидуальным аэрозольным аппаратам может размещаться рядом с ними или в соседнем помещении. Ингаляторий для антибиотиков (при его необходимости) для профилактики пневмоний устраивается в отдельном помещении.
(в ред. Изменения N 1, утв. Приказом Минстроя России от 30.12.2015 N 974/пр)
6.3.24. Кабинет иглорефлексотерапии для проведения акупунктуры и электроакупунктуры должен состоять из двух смежно-изолированных помещений (кабинета врача и процедурной), оборудованных одним или несколькими процедурными местами, которые устраиваются в отдельных кабинах. Планировка помещения должна учитывать подход персонала к кушеткам с трех сторон.
6.4. ВНУТРЕННЯЯ ОТДЕЛКА ПОМЕЩЕНИЙ
6.4.1. Стены в помещениях водолечения (ванные залы, лечебные души, гидромассажные и т.п.), а также там, где необходима влажная дезинфекция и уборка (операционные, процедурные и т.п.), целесообразно отделывать водоустойчивыми материалами (керамическая плитка, специальные обои и др.).
(в ред. Изменения N 1, утв. Приказом Минстроя России от 30.12.2015 N 974/пр)
6.4.2. Для покрытия обходных дорожек, стен и дна ванн должны использоваться нескользкие материалы, устойчивые к применяемым реагентам и дезинфектантам и позволяющие проводить качественную механическую чистку и дезинфекцию. Швы между облицовочными плитами должны тщательно затираться.
6.4.3. В кабинетах электро-, свето-, теплолечения не допускается выполнять покрытие пола и занавесей процедурных кабин из синтетических материалов, создающих статические электрические заряды.
6.4.4. Стены кабин электросветолечения на высоту 2 м должны быть окрашены акриловыми или силикатными водорастворимыми красками или другими материалами (позволяющими влажную уборку и дезинфекцию) светлых тонов. Облицовка стен керамической плиткой не допускается.
6.4.5. Каркасы кабин для проведения лечебных процедур следует выполнять из пластмассовых, деревянных или металлических материалов. Металлические конструкции кабин необходимо изолировать от каменных стен и пола путем установки прокладок из изолирующего материала толщиной не менее 40 - 50 мм. Не допускается изготавливать кабины из жестких синтетических материалов, способных концентрировать на себе значительный электростатический заряд. На каркасе кабины подвешиваются мягкие тканевые занавески, не накапливающие статическое электричество.
6.4.6. Стены помещений подготовки прокладок при кабинетах электросветолечения, помещений подогрева парафина и озокерита при кабинетах теплолечения, ингаляториев и водолечебных залов должны быть облицованы на высоту не менее чем 2,5 м от пола керамической плиткой.
6.4.7. Полы водолечебных залов должны облицовываться нескользкой керамической плиткой и иметь уклон не менее 1% в сторону трапа.
6.4.8. Перегородки между раздевальной и помещением для ванны выполняются высотой 2 м из синтетических или других материалов, которые не должны корродировать, разбухать и менять геометрические размеры от воды. Перегородки устанавливаются на высоте 20 см над полом.
(в ред. Изменения N 1, утв. Приказом Минстроя России от 30.12.2015 N 974/пр)
6.4.9. Пол ингалятория выполняется из легко моющихся нескользких материалов.
6.4.10. Стены, пол и потолок кабинета лазеротерапии должны быть темных тонов. Пол должен быть деревянным или покрытым специальным линолеумом, не образующим статического электричества. Покрытие стен керамической плиткой и использование в отделке и оборудовании помещения синтетических материалов запрещается.
6.5. ИНЖЕНЕРНОЕ ОБОРУДОВАНИЕ
6.5.1. Плавательные бассейны должны оборудоваться системами, обеспечивающими водообмен в ваннах бассейна (СанПиН 2.1.2.1188).
6.5.2. Очистка и обеззараживание воды в бассейнах рециркуляционного типа осуществляются методами, обеспечивающими требуемое качество воды в соответствии с СанПиН 2.1.2.1188.
6.5.3. Канализация загрязненной воды в помещении бассейна осуществляется в соответствии с СанПиН 2.1.2.1188.
6.5.4. Для залов ванн бассейнов и помещений насосно-фильтровальной, хлораторной и озонаторной необходимо предусматривать самостоятельные системы приточной и вытяжной вентиляции. Пульты для включения систем вентиляции, обслуживающих хлораторную и озонаторную, должны быть вне помещений, где они расположены (СанПиН 2.1.2.1188).
6.5.5. В помещении бассейна во избежание образования холодных потоков воздуха от окон приборы отопления следует располагать под ними и у наружных стен.
6.5.6. Помещение подготовки прокладок при кабинетах электросветолечения и помещение для подогрева парафина и озокерита при кабинетах теплолечения должны быть изолированы и иметь автономную вентиляцию. В кабинетах светолечения для удаления озона и других окислов приточно-вытяжная вентиляция должна обеспечивать 10-кратный обмен воздуха в час. Помещение теплолечения должно иметь приточно-вытяжную вентиляцию с кратностью воздухообмена: четырехкратный приток, пятикратная вытяжка.
6.5.7. Нагревательные приборы систем центрального отопления, трубы отопительной, газовой, водопроводной или канализационной системы, а также любые заземленные предметы в помещениях должны быть защищены электроизолирующими материалами по всему протяжению и до высоты, не доступной для прикосновения больных и персонала во время проведения процедур (правила устройства электроустановок приведены в [2]).
6.5.8. В помещении для сероводородных ванн следует предусматривать автономную приточно-вытяжную вентиляцию. Вытяжная труба для вытяжки воздуха должна быть выведена выше конька кровли здания не менее чем на 0,5 м.
Трубы, подводящие сероводородную воду, должны быть из полимерных или других материалов, устойчивых к влиянию агрессивных вод и газов. Канализационные трубы и вся арматура (краны, ручки и т.д.) должны быть из коррозионно-устойчивых материалов (ГОСТ 25809). В помещении для приготовления растворов следует предусматривать вытяжной шкаф. Скорость движения воздуха в рабочем проеме вытяжного шкафа должна быть не менее 0,7 м/с.
6.5.9. В ингалятории оборудуется автономная приточно-вытяжная вентиляция с 10-кратным обменом воздуха в час. В каждой кабине для ингаляции устанавливается умывальник, к которому подводится горячая и холодная вода. Для обработки мундштуков при их дезинфекции также устанавливается умывальник.
6.5.10. В кабинете лазеротерапии должна быть предусмотрена приточно-вытяжная вентиляция с 10-кратным обменом воздуха в час.
6.5.11. Кабинеты для проведения кислородотерапии и фитобары, включаемые в состав различных типов учреждений для пожилых людей, должны быть оборудованы подводкой кислорода для изготовления кислородных коктейлей.
6.5.12. В медицинских кабинетах стационарных гериатрических и геронтологических учреждений для оказания неотложной помощи необходимо предусмотреть подводку медицинского кислорода.
7. ТРЕБОВАНИЯ К ПРОЕКТИРОВАНИЮ ПОМЕЩЕНИЙ СТАЦИОНАРНЫХ
ОТДЕЛЕНИЙ ПО ОКАЗАНИЮ ГЕРИАТРИЧЕСКОЙ ПОМОЩИ
7.1. ОБЩИЕ ТРЕБОВАНИЯ
7.1.1. Выделяются два типа стационарных учреждений (отделений) для оказания гериатрической помощи:
учреждения (отделения) для людей с подвижностью, ограниченной в пределах здания: специализированные отделения гериатрических центров (урологические, кардиологические, неврологические, сосудистые и др.);
учреждения (отделения) для людей с подвижностью, ограниченной в пределах помещения или кровати: медико-социальные отделения больниц, отделения интернатов для немощных, психогериатрические отделения, больницы (отделения) сестринского ухода, хосписы.
7.1.2. Основным планировочным элементом этих учреждений являются палатные отделения. Помимо палатных отделений в них могут быть организованы консультативно-диагностические отделения (кабинеты) и реабилитационные отделения, требования к обустройству и оборудованию которых изложены в разделе 6.
7.1.3. Основным планировочным элементом специализированных палатных отделений являются палаты, вместимость которых должна быть не более четырех коек. Рекомендуется организовывать преимущественно одно- и двухместные палаты с приближенным санузлом. Палаты могут объединяться по две в блоки с общим санузлом.
7.1.4. Планировка палат гериатрических специализированных отделений должна учитывать габариты функциональных передвижных кроватей, используемых для лиц старших возрастов, и правила их расстановки (рисунки А.11, А.12) с учетом трехстороннего подхода:
торцовые спинки кровати не следует размещать у наружной стены;
размещение коек производится рядами параллельно стенам с окнами, расстояние от коек до стен предусматривается не менее 0,9 м;
расстояние между торцами коек предусматривается не менее 1,3 м;
расстояние между длинными сторонами рядом стоящих коек предусматривается не менее 0,9 м.
7.1.5. Ширина открытого проема дверей в палатах должна быть на 0,1 м более ширины кровати, то есть не менее 1,1 м. При этом дверь должна состоять из двух полотен: одно полотно для постоянного пользования (не менее 0,9 м), второе - открывается в случае проезда функциональной кровати (не менее 0,2 м).
7.1.6. Пост дежурной медсестры при палатном отделении желательно размещать таким образом, чтобы в зоне обзора находились все палаты. В отделениях для лежачих необходимо устанавливать в палатах видеокамеры, соединенные с постом медсестры. Размещение поста рядом с холлом обеспечит наблюдение и над теми, кто находится в этой зоне, чтобы вовремя оказать необходимую помощь пациентам.
(в ред. Изменения N 1, утв. Приказом Минстроя России от 30.12.2015 N 974/пр)
7.1.7. Помещение хранения передвижного оборудования гериатрических отделений и отделений по уходу должно иметь площадь не менее 16 м2, обеспечивающую хранение диагностической и физиотерапевтической аппаратуры.
7.2. ОСОБЕННОСТИ ОБОРУДОВАНИЯ ОТДЕЛЕНИЙ
ПО УХОДУ И ПСИХОГЕРИАТРИЧЕСКИХ ОТДЕЛЕНИЙ
7.2.1. В отделениях по уходу и психогериатрических палатных отделениях должны быть предусмотрены следующие меры безопасности:
остекление должно выполняться из небьющегося стекла;
на окнах должны быть решетки или другие защитные устройства для предотвращения несчастных случаев.
7.2.2. В уборных при палатах должно размещаться оборудование, предназначенное как для пациентов, передвигающихся самостоятельно, так и для лежачих пациентов. Для лежачих пациентов в уборной необходимо предусматривать больничный слив и душ на гибком шланге. Для пациентов, передвигающихся самостоятельно, в санузле необходимо установить унитаз с поручнями (рисунок А.13).
(в ред. Изменения N 1, утв. Приказом Минстроя России от 30.12.2015 N 974/пр)
7.2.3. Купание лежачих больных может проводиться персоналом в ванных комнатах с подъемником. Подход к ванной должен обеспечиваться с трех сторон.
(в ред. Изменения N 1, утв. Приказом Минстроя России от 30.12.2015 N 974/пр)
7.2.4. Требования постоянного нахождения пациентов в зоне видимости персонала распространяются и на те помещения, которые предназначены для уединенного пребывания (санузлы и т.п.). Поэтому ограждения этих помещений не должны доходить до уровня пола на 0,2 м.
7.2.5. Двери уборных и ванных комнат при необходимости должны легко открываться персоналом.
7.2.6. Трубопроводы горячей и холодной воды в умывальных, уборных и других помещениях должны иметь запорную арматуру, расположенную во встроенных закрывающихся шкафах, недоступно для больных.
7.2.7. Исключен с 25 марта 2016 года. - Изменение N 1, утв. Приказом Минстроя России от 30.12.2015 N 974/пр.
7.2.8. Раковины должны быть металлическими или из другого небьющегося материала. Все выступающие части труб и бачки в туалетах должны быть скрытыми. Устанавливаются небьющиеся с автоматическим сливом.
(в ред. Изменения N 1, утв. Приказом Минстроя России от 30.12.2015 N 974/пр)
7.2.9. Веранда при палатной секции должна рассчитываться на 40% лежачих больных из расчета 3,5 м2 на одно место, но не менее 12. При веранде предусматривается отапливаемое помещение для хранения теплых вещей из расчета 0,3 м2 на одно место, но не менее 4 м2.
(в ред. Изменения N 1, утв. Приказом Минстроя России от 30.12.2015 N 974/пр)
7.2.10. Палаты для людей целесообразно оборудовать подводкой электрических сетей с заземляющим контактом для возможности проведения физиотерапевтических процедур. Использовать для заземления систему отопления и водоснабжения запрещается.
(в ред. Изменения N 1, утв. Приказом Минстроя России от 30.12.2015 N 974/пр)
7.2.11. В каждой палате должен быть установлен умывальник со смесителем, пользование которым не требует физических усилий (например, бесконтактным).
7.2.12. Санитарную комнату для мытья и стерилизации суден рекомендуется оборудовать судномоечной машиной, а при ее отсутствии следует устанавливать слив и мойку.
7.3. ВНУТРЕННЯЯ ОТДЕЛКА ПОМЕЩЕНИЙ
7.3.1. Для окраски помещений палатного отделения следует применять при северной ориентации теплые тона, при южной - холодные.
7.3.2. Стены, на которых размещаются окна, в помещениях отделения с пребыванием людей следует окрашивать более светлыми тонами.
(в ред. Изменения N 1, утв. Приказом Минстроя России от 30.12.2015 N 974/пр)
7.3.3. Потолок палат окрашивается в белый цвет, стены - с добавлением колера теплого цвета, коэффициент отражения должен быть не более 65%.
7.3.4. Помещения дневного пребывания, организуемые в отделениях для самостоятельно передвигающихся лиц старшего поколения, могут быть окрашены интенсивными цветами.
7.3.5. Материал пола в палатах должен быть более темным, чем стены. Полы помещений дневного пребывания при спокойном цветовом решении стен могут быть выполнены в ярких тонах.
(в ред. Изменения N 1, утв. Приказом Минстроя России от 30.12.2015 N 974/пр)
7.4. ОСВЕЩЕНИЕ И СИГНАЛИЗАЦИЯ ПОМЕЩЕНИЙ
7.4.1. В каждой палате отделений медико-социального ухода и психогеронтологических отделений предусматривается установка специального светильника ночного дежурного освещения на высоте 2,3 м над дверным проемом, включаемого и выключаемого с поста медицинской сестры, при этом кнопки вызова предусматриваться не должны. Питание светильника должно осуществляться от сети аварийного освещения напряжением 220 В.
7.4.2. Над каждой кроватью должен предусматриваться светильник направленного света на гибком держателе. Кроме того, возле каждой кровати в пределах доступности протянутой руки должна быть установлена тревожная кнопка для вызова персонала.
(в ред. Изменения N 1, утв. Приказом Минстроя России от 30.12.2015 N 974/пр)
7.4.3. Над входными дверями палат для лежачих больных устанавливаются кварцевые лампы, которые в связи с ограниченной подвижностью больных можно включать в их присутствии.
7.4.4. В палатах, процедурных, коридорах и на постах дежурных медсестер должно быть предусмотрено аварийное освещение.
7.4.5. В лечебных гериатрических отделениях (кардиологическом, урологическом и др.) должна быть обеспечена прикроватная сигнализация для вызова персонала.
7.4.6. При устройстве сигнализации и освещения в отделениях по уходу и психогериатрических отделениях не должны использоваться выключатели шнуркового типа.
7.5. МИКРОКЛИМАТ
7.5.1. В палатах следует предусматривать приточно-вытяжную вентиляцию с обменом воздуха на одного больного 40 м3. Размещать приток и вытяжку следует так, чтобы воздух проходил палату по диагонали.
7.5.2. В палатах необходимо предусмотреть теплый пол с расчетной температурой 20 °C.
Приложение А
(рекомендуемое)
АНТРОПОЛОГИЧЕСКИЕ ПАРАМЕТРЫ.
РЕКОМЕНДУЕМЫЕ НАБОРЫ МЕБЕЛИ И ОБОРУДОВАНИЯ ДЛЯ ОСНОВНЫХ
ПОМЕЩЕНИЙ УЧРЕЖДЕНИЙ СОЦИАЛЬНОГО И МЕДИЦИНСКОГО ОБСЛУЖИВАНИЯ
(в ред. Изменения N 1, утв. Приказом
Минстроя России от 30.12.2015 N 974/пр)
Рисунок А.1. Зона досягаемости
Рисунок А.2. Антропометрические параметры расстановки мебели
и оборудования (жилые комнаты и помещения
дневного пребывания)
Рисунок А.3. Антропометрические параметры расстановки мебели
и оборудования (помещения приема и приготовления пищи)
Рисунок А.4. Антропометрические параметры расстановки мебели
и оборудования (санитарные узлы)
Рисунок А.5. Габариты человека с учетом вспомогательных
средств передвижения
Рисунок А.6. Параметры вспомогательных средств передвижения
(основные виды вспомогательных средств передвижения)
Рисунок А.7. Параметры вспомогательных средств передвижения
(разновидности ходунков на колесиках)
Элементы устройства лестниц
Форма и габариты поручней
Рисунок А.8. Элементы коммуникационных путей
(ступени, поручни)
Рисунок А.9. Элементы коммуникационных путей
Рисунок А.10. Оборудование и размеры санитарных узлов
(устройство поручней и опор)
Рисунок А.11. Размеры обустройства палат
Рисунок А.12. Мебель и оборудование (медицинские кровати)
1 - табурет; 2 - вешалка на 2 крючка; 3 - тумба
прикроватная; 4 - кушетка смотровая; 5 - полотенцесушитель;
6 - умывальник; 7 - ванная прямобортная; 8 - шкаф
для медико-хозяйственных принадлежностей; 9 - подъемник
для переноса больного в воду; 10 - душевой поддон;
11 - унитаз; 12 - поручень
Рисунок А.13. Оборудование и размеры санитарных помещений
(специализированные медицинские отделения)
БИБЛИОГРАФИЯ
[1] ОСТ 42-21-16-86 Отделения, кабинеты физиотерапии. Общие требования безопасности
[2] ПУЭ. Правила устройства электроустановок. - Изд. 7-е. - М., 2003
[3] Федеральный закон "О ратификации Конвенции о правах инвалидов" N 46-ФЗ от 3 мая 2012 г.
(ссылка введена Изменением N 1, утв. Приказом Минстроя России от 30.12.2015 N 974/пр)