Главная // Актуальные документы // Постановление
СПРАВКА
Источник публикации
ИУС "Государственные стандарты", N 7, 2004
Примечание к документу
Документ фактически утратил силу с 1 января 2015 года в связи с изданием Приказа Росстандарта от 22.11.2013 N 1679-ст, отменившего ГОСТ Р 51628-2000.

Введен в действие с 1 сентября 2004 года.
Название документа
"Изменение N 1 ГОСТ Р 51628-2000 "Щитки распределительные для жилых зданий. Общие технические условия"
(утв. Постановлением Госстандарта РФ от 09.03.2004 N 159-ст)


"Изменение N 1 ГОСТ Р 51628-2000 "Щитки распределительные для жилых зданий. Общие технические условия"
(утв. Постановлением Госстандарта РФ от 09.03.2004 N 159-ст)

Утверждено и введено в действие
Постановлением Госстандарта РФ
от 9 марта 2004 г. N 159-ст
ИЗМЕНЕНИЕ N 1 ГОСТ Р 51628-2000
"ЩИТКИ РАСПРЕДЕЛИТЕЛЬНЫЕ ДЛЯ ЖИЛЫХ ЗДАНИЙ.
ОБЩИЕ ТЕХНИЧЕСКИЕ УСЛОВИЯ"
Группа Е17
ОКС 29.240.30
Дата введения
1 сентября 2004 года
Введение. Четвертый абзац изложить в новой редакции:
"Стандартом предусматривается применение в щитках автоматических выключателей, управляемых дифференциальным током, со встроенной защитой от сверхтока (АВДТ) по ГОСТ Р 51327.1-99 и без встроенной защиты от сверхтока ВДТ по ГОСТ Р 51326.1-99";
дополнить абзацем (после пятого):
"Стандарт не устанавливает требований к проверке щитков на воздействие тока короткого замыкания, поскольку ожидаемое его значение не превосходит 10 кА по ГОСТ Р 51321.1-2000 и указанная проверка не требуется";
шестой абзац. Заменить ссылку: ГОСТ 22789-94 на ГОСТ Р 51321.1-2000.
Пункт 1.7. Заменить слова: "целей сертификации" на "подтверждения соответствия".
Пункт 1.8 изложить в новой редакции:
"1.8. Стандарт применяют в комплексе с ГОСТ Р 51321.1 и ГОСТ Р 51321.3".
Раздел 2. Заменить ссылки: "ГОСТ 12.4.026-76. Система стандартов безопасности труда. Цвета сигнальные и знаки безопасности" на "ГОСТ Р 12.4.026-2001. Система стандартов безопасности труда. Цвета сигнальные, знаки безопасности и разметка сигнальная. Назначение и правила применения. Общие технические требования и характеристики. Методы испытаний";
"ГОСТ 22789-94 (МЭК 439-1-85). Устройства комплектные низковольтные. Общие технические требования и методы испытаний" на "ГОСТ Р 51321.1-2000 (МЭК 60439-1-92). Устройства комплектные низковольтные распределения и управления. Часть 1. Устройства, испытанные полностью или частично. Общие технические требования и методы испытаний";
ИС МЕГАНОРМ: примечание.
Взамен ГОСТ Р 50030.1-2000 Приказом Ростехрегулирования от 27.12.2007 N 507-ст с 1 июля 2008 года введен в действие ГОСТ Р 50030.1-2007.
"ГОСТ Р 50030.1-99 (МЭК 947-1-88). Низковольтная аппаратура распределения и управления. Часть 1. Общие требования" на "ГОСТ Р МЭК 50030.1-2000 (МЭК 60947-1-99). Аппаратура распределения и управления низковольтная. Часть 1. Общие требования и методы испытаний";
дополнить ссылками:
"ГОСТ Р 51326.1-99 (МЭК 61008-1-96). Выключатели автоматические, управляемые дифференциальным током, бытового и аналогичного назначения без встроенной защиты от сверхтоков. Часть 1. Общие требования и методы испытаний
ГОСТ Р 51327.1-99 (МЭК 61009-1-96). Выключатели автоматические, управляемые дифференциальным током, бытового и аналогичного назначения со встроенной защитой от сверхтоков. Часть 1. Общие требования и методы испытаний
ГОСТ Р МЭК 60715-2003. Аппаратура распределения и управления низковольтная. Установка и крепление на рейках электрических аппаратов в низковольтных комплектных устройствах распределения и управления;
ГОСТ Р МЭК 61293-2000. Оборудование электротехническое. Маркировка с указанием параметров и характеристик источника питания. Требования безопасности".
Раздел 4. Таблицу 1 изложить в новой редакции:
Таблица 1
┌────────────────────┬───────────────────────────────────────────┐
│ Признак │ Виды щитков │
│ классификации ├──────────────┬────────────────────────────┤
│ щитков │ квартирные │ этажные │
│ ├──────┬───────┼───────┬──────────┬─────────┤
│ │груп- │учетно-│распре-│учетно- │учетно- │
│ │повые │груп- │дели- │распреде- │распреде-│
│ │ │повые │тельные│лительные │лительно-│
│ │ │ │ │ │групповые│
├────────────────────┼──────┼───────┼───────┼──────────┼─────────┤
│ 1. По исполнению, │ │ │ │ │ │
│относящемуся к виду │ │ │ │ │ │
│установки: │ │ │ │ │ │
│ - настенное │+ │+ │+ │+ │+ │
│ - встраиваемое в │+ │+ │+ │+ │+ │
│нишу │ │ │ │ │ │
├────────────────────┼──────┼───────┼───────┼──────────┼─────────┤
│ 2. По наличию │ │ │ │ │ │
│слаботочного │ │ │ │ │ │
│отсека: │ │ │ │ │ │
│ - с отсеком │х │х │+ │+ │+ │
│ - без отсека │х │х │+ │+ │+ │
├────────────────────┼──────┼───────┼───────┼──────────┼─────────┤
│ 3. По способу │ │ │ │ │ │
│защиты от поражения │ │ │ │ │ │
│электрическим током │ │ │ │ │ │
│по ГОСТ Р МЭК 536: │ │ │ │ │ │
│ класс I │+ │+ │+ │+ │+ │
│ класс II │+ │+ │+ │+ │+ │
├────────────────────┼──────┼───────┼───────┼──────────┼─────────┤
│ 4. По наличию │ │ │ │ │ │
│аппарата на вводе │ │ │ │ │ │
│щитка: │ │ │ │ │ │
│ - с аппаратом │+ │+ │х │х │х │
│ - без аппарата │+ <**>│+ <***>│х │х │х │
├────────────────────┼──────┼───────┼───────┼──────────┼─────────┤
│ 5. По числу фаз │ │ │ │ │ │
│ввода в щиток: │ │ │ │ │ │
│ - однофазный при │+ │+ │х │х │х │
│Р <*> <= 11 кВт │ │ │ │ │ │
│ р │ │ │ │ │ │
│ - трехфазный при │+ │+ │х │х │х │
│Р > 11 кВт или при │ │ │ │ │ │
│ р │ │ │ │ │ │
│наличии трехфазных │ │ │ │ │ │
│электроприемников │ │ │ │ │ │
├────────────────────┼──────┼───────┼───────┼──────────┼─────────┤
│ 6. По числу фаз │ │ │ │ │ │
│распределительных │ │ │ │ │ │
│цепей: │ │ │ │ │ │
│ - однофазные │- │- │+ │+ │- │
│ - трехфазные │- │- │+ │+ │- │
├────────────────────┼──────┼───────┼───────┼──────────┼─────────┤
│ 7. По числу фаз │ │ │ │ │ │
│групповых цепей: │ │ │ │ │ │
│ - однофазные при │+ │+ │х │х │+ │
│Р <= 11 кВт │ │ │ │ │ │
│ р │ │ │ │ │ │
│ - однофазные и │+ │+ │х │х │- │
│трехфазные при │ │ │ │ │ │
│Р > 11 кВт или при │ │ │ │ │ │
│ р │ │ │ │ │ │
│наличии трехфазных │ │ │ │ │ │
│электроприемников │ │ │ │ │ │
├────────────────────┼──────┼───────┼───────┼──────────┼─────────┤
│ 8. По наличию │ │ │ │ │ │
│аппарата для защиты │ │ │ │ │ │
│и отключения │ │ │ │ │ │
│питающей цепи │ │ │ │ │ │
│(стояка): │ │ │ │ │ │
│ - с аппаратом (или │х │х │+ │+ │+ │
│предусмотренным │ │ │ │ │ │
│местом для последу- │ │ │ │ │ │
│ющей его установки │ │ │ │ │ │
│потребителем) │ │ │ │ │ │
│ - без аппарата │х │х │+ │+ │+ │
├────────────────────┴──────┴───────┴───────┴──────────┴─────────┤
│ <*> Р - расчетная мощность на вводе квартиры. │
│ р │
│ <**> При присоединении щитка к этажному учетно-│
│распределительному щитку. │
│ <***> При присоединении щитка к этажному распределительному│
│щитку. │
│ │
│ Примечание. Знаки в таблице обозначают: "+", "-" - наличие│
│или отсутствие исполнения щитка с соответствующим│
│классификационным знаком; │
│ "х" - щитки по данному признаку не классифицируют. │
└────────────────────────────────────────────────────────────────┘
Пункт 5.1. Таблицу 2 изложить в новой редакции:
Таблица 2
┌──────────────────────┬────────────────────────────────────────────┐
│Наименование параметра│ Значение для щитков │
│ ├───────────────┬────────────────────────────┤
│ │ квартирных │ этажных │
│ ├───────┬───────┼───────┬────────┬───────────┤
│ │груп- │учетно-│распре-│учетно- │учетно- │
│ │повых │группо-│дели- │распре- │распредели-│
│ │ │вых │тельных│дели- │тельно- │
│ │ │ │ │тельных │групповых │
├──────────────────────┼───────┼───────┼───────┼────────┼───────────┤
│ 1. Номинальное │ │ │ │ │ │
│напряжение на вводах │ │ │ │ │ │
│щитков, В: │ │ │ │ │ │
│ а) зданий массового │220 │220 │380/220│380/220 │380/220 <2>│
│строительства │ │ │ │ │ │
│ ├───────┼───────┼───────┼────────┼───────────┤
│ б) индивидуальных │ │ │ │ │ │
│зданий и одноквартир- │ │ │ │ │ │
│ных жилых домов: │ │ │ │ │ │
│ - при Р <1> <= 11 кВт│220 │220 │380/220│380/220 │- │
│ р │ │ │ │ │ │
│ │ │ │ │ │ │
│ - при Р > 11 кВт или│380/220│380/220│380/220│380/220 │- │
│ р │ │ │ │ │ │
│при наличии трехфазных│ │ │ │ │ │
│токоприемников │ │ │ │ │ │
├──────────────────────┼───────┴───────┼───────┴────────┴───────────┤
│ 2. Номинальные токи │ │ │
│однофазных вводных │ │ │
│аппаратов (включая │ │ │
│автоматические выклю- │ │ │
│чатели, управляемые │ │ │
│дифференциальным │ │ │
│током), А: │ │ │
│ - квартир <3> │- │25; 32; 40; 50; 63 │
│ - щитков │25; 32; 40; 50;│- │
│ │63 │ │
├──────────────────────┼───────────────┼────────────────────────────┤
│ 3. Номинальные токи │ │ │
│трехфазных вводных │ │ │
│аппаратов (включая │ │ │
│автоматические выклю- │ │ │
│чатели, управляемые │ │ │
│дифференциальным │ │ │
│током), А: │ │ │
│ - квартир │- │25; 32; 40; 50; 63 │
│ - щитков │25; 32; 40; 50;│- │
│ │63 │ │
├──────────────────────┼───────────────┼────────────────────────────┤
│ 4. Номинальные │ │ │
│отключающие дифферен- │ │ │
│циальные токи одно- │ │ │
│фазных вводных автома-│ │ │
│тических выключателей,│ │ │
│управляемых дифферен- │ │ │
│циальным током, мА: │ │ │
│ - квартир │- │30; 100; 300 │
│ - щитков │30; 100; 300 │- │
├──────────────────────┼───────────────┼────────────────────────────┤
│ 5. Номинальные │ │ │
│отключающие дифферен- │ │ │
│циальные токи трех- │ │ │
│фазных вводных автома-│ │ │
│тических выключателей,│ │ │
│управляемых дифферен- │ │ │
│циальным током, мА: │ │ │
│ - квартир │ │100; 300 │
│ ├───────────────┼───────┬────────┬───────────┤
│ - щитков │100; 300 │- │- │- │
├──────────────────────┼───────────────┼───────┼────────┼───────────┤
│ 6. Номинальные токи │ │ │ │ │
│однофазных защитных │ │ │ │ │
│аппаратов линий │ │ │ │ │
│групповых цепей, А: │ │ │ │ │
│ - автоматических │6; 10; 16; 25; │- │- │10; 16; 25;│
│выключателей │32; 40 │ │ │32; 40 │
│ ├───────────────┼───────┼────────┼───────────┤
│ - предохранителей │6; 10 │- │- │- │
├──────────────────────┼───────────────┼───────┴────────┴───────────┤
│ 7. Номинальные токи │10; 16; 25; 32;│- │
│трехфазных автомати- │40 │ │
│ческих выключателей │ │ │
│для защиты линий │ │ │
│групповых цепей, А │ │ │
├──────────────────────┼───────────────┼───────┬────────┬───────────┤
│ 8. Номинальные │10; 30 │- │- │10; 30 │
│отключающие дифферен- │ │ │ │ │
│циальные токи автома- │ │ │ │ │
│тических выключателей,│ │ │ │ │
│управляемых дифферен- │ │ │ │ │
│циальным током линий │ │ │ │ │
│групповых цепей (одно-│ │ │ │ │
│и трехфазных), мА │ │ │ │ │
├──────────────────────┼───────┬───────┼───────┼────────┼───────────┤
│ 9. Число квартир, │1 │1 │2; 3; 4│2; 3; 4 │2; 3; 4 │
│присоединяемых к щитку│ │ │ │ │ │
├──────────────────────┼───────┼───────┼───────┼────────┼───────────┤
│ 10. Минимальное число│ │ │ │ │ │
│защитных аппаратов │ │ │ │ │ │
│линий групповых цепей │ │ │ │ │ │
│в щитках зданий │ │ │ │ │ │
│массового │ │ │ │ │ │
│строительства: │ │ │ │ │ │
│ а) с электроплитами │4 │4 │- │- │4 на квар- │
│ │ │ │ │ │тиру │
│ б) без электроплит │3 │3 │- │- │3 на квар- │
│ │ │ │ │ │тиру │
├──────────────────────┼───────┴───────┼───────┼────────┼───────────┤
│ 11. Число защитных │6; 12; 18; 24; │- │- │- │
│аппаратов линий │30 <4> │ │ │ │
│групповых цепей в │ │ │ │ │
│щитках индивидуальных │ │ │ │ │
│зданий и одноквартир- │ │ │ │ │
│ных жилых домов │ │ │ │ │
├──────────────────────┼───────────────┴───────┴────────┴───────────┤
│ 12. Номинальные │См. 5.3 │
│рабочие токи вводных │ │
│аппаратов квартир и │ │
│вводных аппаратов │ │
│квартирных щитков, а │ │
│также защитных аппа- │ │
│ратов групповых цепей │ │
├──────────────────────┼───────┬───────┬────────────────────────────┤
│ 13. Номинальные токи │- │- │100; 160; 250 │
│автоматических │ │ │ │
│выключателей для │ │ │ │
│защиты питающих цепей │ │ │ │
│(стояков), А │ │ │ │
├──────────────────────┴───────┴───────┴────────────────────────────┤
│ <1> Р - расчетная мощность на вводе квартиры. │
│ р │
│ <2> Напряжение групповых цепей 220 В. │
│ <3> Вводной аппарат квартиры - аппарат, установленный в│
│этажном щитке, от которого запитываются либо защитные аппараты│
│групповых цепей квартиры, расположенные в том же щитке, либо│
│защитные аппараты квартирного щитка. │
│ В первом случае вводной аппарат размещен в учетно-│
│распределительном групповом щитке, во втором - распределительном│
│или учетно-распределительном. │
│ <4> Указанные количества защитных аппаратов линий групповых│
│цепей определяют типоразмеры квартирных щитков. Фактическое их│
│заполнение аппаратами согласно заказу в пределах номинального│
│рабочего тока вводного аппарата квартиры (см. также 5.2). │
└───────────────────────────────────────────────────────────────────┘
Пункт 5.4 исключить.
Пункты 6.2.3, 6.2.4 изложить в новой редакции:
"6.2.3. Изоляционные оболочки щитков класса II, устанавливаемых на/в стенах из негорючих материалов (НГ), а также из материалов, относящихся к группе горючести Г1 (слабогорючие), Г2 (умеренно горючие) и группе воспламеняемости В1 по [1], должны (по ГОСТ Р 51321.3) обладать стойкостью к воспламенению при воздействии на них нагретой до температуры (650 +/- 10) °С проволокой.
Для более пожароопасных условий применения щитков класса II, например, в деревянных домах, части изоляционных оболочек, встраиваемые в ниши или примыкающие к стенам в закрепленном положении щитка, должны обладать стойкостью к воспламенению при воздействии на них нагретой до температуры (850 +/- 10) °С проволокой.
6.2.4. Изоляционные детали щитков классов I и II, на которых крепят токоведущие части, должны обладать стойкостью к воспламенению по ГОСТ Р 51321.3 при воздействии на них нагретой до температуры (960 +/- 15) °С проволокой.
Примечание. Если изоляционные оболочки используют для установки токоведущих частей на их внутренних поверхностях, то стойкость оболочек к воспламенению в этих местах должна соответствовать указанной в 6.2.4".
Пункт 6.2.7. Заменить значение: 0,25 Дж на 0,7 Дж.
Пункт 6.2.13. Первый абзац изложить в новой редакции:
"Встраиваемые части квартирных и этажных щитков, предназначенных для зданий массового строительства, должны соответствовать размерам ниш, приведенным в Приложении Д".
Пункт 6.2.15. Последний абзац изложить в новой редакции:
"Квартирные щитки с автоматическими выключателями, по согласованию между потребителем и изготовителем, допускается изготавливать без дверец".
Пункт 6.2.17 изложить в новой редакции:
"6.2.17. Дверцы этажных щитков, а также дверцы квартирных щитков с предохранителями должны запираться на ключ. Дверцы квартирных щитков с автоматическими выключателями по заказу потребителя могут быть запирающимися на ключ или без него. Необходимое количество ключей для замка устанавливается в технических условиях на щитки конкретных типов. В этажных учетно-распределительно-групповых щитках в дверцах, запираемых на ключ, по требованию потребителя могут быть выполнены люки с закрывающимися дверцами (на ключ или без ключа) для доступа только к органам управления вводных аппаратов каждой квартиры".
Пункт 6.2.19. Заменить ссылки: "6.2.17 и 6.2.18" на "6.2.15 и 6.2.17".
Пункт 6.3.1. Первый абзац изложить в новой редакции:
"6.3.1. В щитках должны быть предусмотрены контактные зажимы, приведенные в таблице 3";
таблица 3. Графа "Вид зажимов". Пункт 4. Заменить слово: "проводника" на "проводников".
Пункт 6.4.1. Первый абзац. Заменить обозначения: IP3Х на IP31, IP4Х на IР31Д,
второй абзац. Заменить слова: "дверце или" на "дверце щитка и/или";
третий, четвертый абзацы изложить в новой редакции:
"В квартирных щитках с резьбовыми предохранителями и/или с розетками степень защиты частей этих изделий, выступающих за пределы оперативной панели, должна быть не ниже IP2Х.
В технических условиях должна устанавливаться степень защиты для встраиваемой части щитков, устанавливаемых в нишу";
дополнить примечанием - 2:
"2. Требования, касающиеся обеспечения доступа для обслуживания щитков квалифицированным персоналом, - по ГОСТ Р 51321.1".
Пункт 6.6.3. Таблицу 4 изложить в новой редакции:
Таблица 4
┌───────────────────┬────────────────────────────────────────────┐
│ Вид аппаратов │ Вид щитков │
│ ├─────────────┬──────────────────────────────┤
│ │ квартирные │ этажные │
│ ├─────┬───────┼───────┬─────────┬────────────┤
│ │груп-│учетно-│распре-│учетно- │учетно-рас- │
│ │повые│группо-│дели- │распреде-│пределитель-│
│ │ │вые │тельные│лительные│но-групповые│
├───────────────────┼─────┼───────┼───────┼─────────┼────────────┤
│ 1. Вводные │ │ │ │ │ │
│аппараты щитков и │ │ │ │ │ │
│квартир: │ │ │ │ │ │
│ а) однофазные: │ │ │ │ │ │
│ - выключатели │+ │+ │- │- │+ <*> │
│неавтоматические │ │ │ │ │ │
│одно- или │ │ │ │ │ │
│двухполюсные │ │ │ │ │ │
│ - выключатели │- │+ │+ <*> │+ <*> │- │
│автоматические │ │ │ │ │ │
│одно- или двухпо- │ │ │ │ │ │
│люсные │ │ │ │ │ │
│ - выключатели │+ │+ │- │- │+ <*> │
│автоматические, │ │ │ │ │ │
│управляемые │ │ │ │ │ │
│дифференциальным │ │ │ │ │ │
│током, двухполюсные│ │ │ │ │ │
│ б) трехфазные: │ │ │ │ │ │
│ - выключатели │+ │+ │- │- │- │
│неавтоматические │ │ │ │ │ │
│трех- или │ │ │ │ │ │
│четырехполюсные │ │ │ │ │ │
│ - выключатели │- │+ │+ <*> │+ <*> │- │
│автоматические │ │ │ │ │ │
│трех- или │ │ │ │ │ │
│четырехполюсные │ │ │ │ │ │
│ - выключатели │- │+ │+ <*> │+ <*> │- │
│автоматические, │ │ │ │ │ │
│управляемые │ │ │ │ │ │
│дифференциальным │ │ │ │ │ │
│током, трех- или │ │ │ │ │ │
│четырехполюсные │ │ │ │ │ │
├───────────────────┼─────┼───────┼───────┼─────────┼────────────┤
│ 2. Аппараты │ │ │ │ │ │
│групповых цепей: │ │ │ │ │ │
│ а) однофазные: │ │ │ │ │ │
│ - выключатели │+ │+ │- │- │+ │
│автоматические │ │ │ │ │ │
│однополюсные │ │ │ │ │ │
│ - предохранители │+ │+ │- │- │- │
│резьбовые │ │ │ │ │ │
│ - выключатели │+ │+ │- │- │+ │
│автоматические, │ │ │ │ │ │
│управляемые диффе- │ │ │ │ │ │
│ренциальным током, │ │ │ │ │ │
│однополюсные │ │ │ │ │ │
│ б) трехфазные: │ │ │ │ │ │
│ - выключатели │+ │+ │- │- │+ │
│автоматические │ │ │ │ │ │
│трехполюсные │ │ │ │ │ │
│ - выключатели │+ │+ │- │- │- │
│автоматические, │ │ │ │ │ │
│управляемые диффе- │ │ │ │ │ │
│ренциальным током, │ │ │ │ │ │
│трехполюсные │ │ │ │ │ │
├───────────────────┴─────┴───────┴───────┴─────────┴────────────┤
│ <*> Аппараты, относящиеся к вводам квартир. │
│ │
│ Примечания. 1. При необходимости в щитках могут│
│устанавливаться аппараты управления, приборы сигнализации и│
│контроля. │
│ 2. Виды вводных аппаратов, а также количество в них│
│полюсов - по согласованию потребителя с изготовителем. │
└────────────────────────────────────────────────────────────────┘
Пункт 6.6.4. Заменить слова: "унифицированную конструкцию для их крепления" на "крепление которых предусмотрено на рейках по ГОСТ Р МЭК 60715".
Пункт 6.6.5 изложить в новой редакции:
"6.6.5. Автоматические выключатели и автоматические выключатели, управляемые дифференциальным током (АВДТ) по 6.6.3, должны иметь расцепители перегрузки (тепловые) и расцепители токов короткого замыкания (электромагнитные типов В, С). Номинальная наибольшая отключающая способность аппаратов - не менее 3000 А при напряжении по таблице 2.
Примечания. 1. Допускается применять автоматические выключатели, управляемые дифференциальным током (ВДТ), по ГОСТ Р 51326.1 без встроенной защиты от сверхтока при наличии в цепи защитного аппарата от сверхтока, скоординированного по стойкости к токам короткого замыкания с автоматическим выключателем ВДТ.
2. Допускается в одноквартирных жилых домах, кроме коттеджей, применять защитные аппараты с отключающей способностью менее указанной в 6.6.5, но не ниже 1500 А, если ожидаемый ток короткого замыкания в месте установки выключателей не превышает этого значения, что должно быть обосновано потребителем расчетными данными.
3. На вводе щитков, устанавливаемых в деревянных домах, следует применять автоматические выключатели АВДТ".
Пункт 6.8.3 после слов "испытательное напряжение" изложить в новой редакции: "2500 В частотой 50 Гц между токоведущими частями разных фаз и 2000 В между токоведущими и проводящими частями".
Пункт 6.9.3. Перечисление 2) изложить в новой редакции:
"2) знак обращения на рынке";
дополнить перечислениями - 4а), 5а):
"4а) номинальное напряжение изоляции по 6.7.3;
5а) параметры и характеристики источника питания - по ГОСТ Р МЭК 61293-2000".
Пункт 6.10.2. Перечисление 2) изложить в новой редакции:
"2) сведения о подтверждении соответствия".
Пункт 6.13.4. Первый абзац изложить в новой редакции:
"Если в щитках установлены счетчики электрической энергии, то способ упаковки щитков и условия их транспортирования должны исключать повреждения счетчиков. Конкретные требования к упаковке, транспортированию и хранению должны быть установлены в технических условиях на щитки со счетчиками конкретных типов.
Примечание. По согласованию между изготовителем и потребителем допускается транспортировать щитки без упаковки в крытом автомобильном транспорте при соответствующем их раскреплении, исключающем перемещение щитков, причем условия транспортирования должны быть отнесены к легким (Л) по ГОСТ 23216".
Пункт 6.12. Исключить слова: "Поставляемая партия должна сопровождаться сертификатом соответствия".
Пункт 6.13.7 изложить в новой редакции:
"6.13.7. Эксплуатационная документация и копия документа о подтверждении соответствия должны помещаться в влагонепроницаемый пакет и вкладываться в упаковку щитка. Допускается по согласованию изготовителя с потребителем направлять один экземпляр копии документа о подтверждении соответствия на партию щитков, отправляемой в один адрес.
Примечание. При поставке щитков в неупакованном виде (6.13.4) документация, вложенная в пакет (6.13.7), должна прикрепляться к щиткам".
Пункт 8.4. Заменить ссылку: 7.1 на 8.1.
Пункт 8.6. Заменить ссылку: 7.4 - 7.6 на 8.4, 8.5.
Пункт 9.3.1. Таблица 7. Графа "Пункт технических требований". Заменить ссылки: 5.4 на 5.5; 7.4 на 8.4; 7.5 на 8.5;
графа "Наименование проверок и испытаний". Пункт 10 изложить в новой редакции:
"10. Испытание на превышение температуры".
Пункт 10.6. Предпоследний абзац изложить в новой редакции:
"Удары не наносятся по прозрачному материалу, закрывающему окна для снятия показаний счетчиков";
последний абзац исключить.
Пункт 10.12. Исключить слова: "и нулевых рабочих".
Подпункт 10.25.3. Второй абзац изложить в новой редакции:
"В однофазные испытательные цепи следует включать регулировочные устройства для установления и поддержания в процессе испытаний нормируемые значения токов";
предпоследний абзац исключить.
Подпункт 10.25.4. Заменить ссылку: 12.25.3 на 10.25.3.
Подпункты 10.25.6, 10.25.7, 10.26, 10.27. Заменить ссылку: ГОСТ 22789 на ГОСТ Р 51321.1.
Подпункт 10.27. Второй абзац дополнить словами: "и другими приборами (см. примечание 1 к таблице 4)".
Пункт 10.28. Первый абзац после слов "с отключенными счетчиками" дополнить словами: "и другими приборами (см. примечание 1 к таблице 4)".
Пункт 10.32. Заменить ссылку: 7.4 на 8.4.
Пункт 10.33. Заменить ссылку: 7.5 на 8.5.
Пункт 11.1 дополнить словами: "и 6.13.4 настоящего стандарта".
Пункт 12.1 изложить в новой редакции:
"12.1. Монтаж и эксплуатацию щитков следует проводить в соответствии с Руководством по эксплуатации изготовителя".
Приложение А. Рисунок А.2. Подрисуночная подпись. Позиции 3, 5. Исключить слова: "в щиток"; позиции 12, 13 изложить в новой редакции:
"12, 13 - выключатели автоматические, управляемые дифференциальным током, со встроенной защитой от сверхтоков";
рисунок А.4. Подрисуночная подпись. Позиции 13, 14 изложить в новой редакции:
"13 - выключатели автоматические, управляемые дифференциальным током, со встроенной защитой от сверхтоков; 14 - выключатели автоматические, управляемые дифференциальным током, без встроенной защиты от сверхтоков";
рисунок А.5. Подрисуночная подпись. Позиции 17, 18 и 19 изложить в новой редакции:
"17, 18 - выключатели автоматические, управляемые дифференциальным током, без встроенной защиты от сверхтоков; 19 - выключатели автоматические, управляемые дифференциальным током, со встроенной защитой от сверхтоков";
рисунок А.6. Подрисуночная подпись. Позиции 16, 17 и 18 изложить в новой редакции:
"16, 17 - выключатели автоматические, управляемые дифференциальным током, без встроенной защиты от сверхтоков; 18 - выключатели автоматические, управляемые дифференциальным током, со встроенной защитой от сверхтоков";
рисунки А.7, А.8, А.9 заменить новыми (см. с. 35, 37, 38);
дополнить рисунком - А.7.1 (см. с. 36).
Приложение Б. Заменить слово: "(обязательное)" на "(рекомендуемое)";
пункт Б.1 изложить в новой редакции:
"Б.1. Номинальными рабочими токами вводных аппаратов квартирных щитков, вводных аппаратов квартир и защитных аппаратов групповых цепей с номинальными токами, установленными изготовителями при соответствующей контрольной температуре (как правило 30 °С, являются наибольшие значения токов, протекающих через эти аппараты (в соответствии с Б.8) при установившейся температуре внутри щитка, при которых значения превышения температур аппаратов и других элементов внутренних цепей не более приведенных в 6.8.1.
Примечание. Определение вводного аппарата квартиры - по таблице 2, сноска <***>;
пункты Б.2 (примечание исключить), Б.3 изложить в новой редакции:
"Б.2. Определение номинальных рабочих токов по Б.1 следует выполнять на стадии разработки щитков каждого вида в соответствии с разделом 5 настоящего стандарта.
Б.3. Испытания на превышение температуры по Б.8, Б.13 должны проводиться в рабочих положениях щитков.";
пункт Б.5. Исключить слова: "или принимаемой из следующих значений: 16,5; 20,4; 26,4; 33 кВт";
пункт Б.6. Заменить слова: "настоящего стандарта, причем номинальный ток вводного аппарата следует выбирать на ступень больше значения тока, равного или близкого к его номинальному рабочему току" на "при этом принимают равные или ближайшие большие значения номинальных токов аппаратов";
пункты Б.7 - Б. 10 изложить в новой редакции:
"Б.7. Номинальные токи защитных аппаратов групповых цепей и их число следует принимать по нормам проектирования электроустановок жилых зданий или по заказу потребителей, при этом номинальные рабочие токи этих аппаратов определяют по Б.8.
Б.8. Для проверки вводного аппарата щитка конкретного типа на соответствие превышения температур по 6.8.1 и определения по этому критерию номинальных рабочих токов защитных аппаратов групповых цепей, через вводной аппарат пропускают его номинальный рабочий ток (определенный по Б.4 или Б.5), который должен быть распределен между минимально возможным количеством аппаратов с наибольшими номинальными токами таким образом, чтобы через каждый из них протекал его номинальный ток, умноженный на коэффициент одновременности согласно ГОСТ Р 51321.3, выбираемый для начальной стадии испытаний по таблице 1 настоящего стандарта в зависимости от количества задействованных для испытаний защитных аппаратов, приходящихся на одну фазу вводного аппарата.
Если номинальный рабочий ток вводного аппарата не может быть достигнут нагрузкой определенного количества защитных аппаратов по Б.8, то один защитный аппарат из числа задействованных при испытании может нагружаться меньшим током.
Б.9. Если в ходе испытаний превышение температур частей щитка окажется больше или меньше допустимых значений по 6.8.1, то регулировкой тока в нагрузочных цепях необходимо достичь превышения температур не более установленных значений и не ниже этих значений более чем на 10%, но при этом значения токов не должны быть менее расчетных значений токов наиболее мощных электроприемников (см. Приложение Г).
Б.10. Если при испытании по Б.8 и Б.9 получены требуемые данные, относящиеся к превышению температуры защитных аппаратов и других элементов групповых цепей, то следует определить отношения полученных значений рабочих токов аппаратов к соответствующим значениям их номинальных токов, при этом усредненное значение этих отношений следует умножить на номинальные токи аппаратов, не подвергшимся испытаниям, для установления их рабочих токов.";
пункт Б.15. Первый абзац. Заменить слова: "самим потребителем" на "для потребителя".
Приложение Д. Заменить слово: "(обязательное)" на "(рекомендуемое)";
таблицу для вида щитков "Этажные" дополнить значениями для граф:
Н = 1200 мм, L = 1200 мм, В = 200 мм;
Приложение Д дополнить примечанием:
"Примечание. Допускаются иные размеры ниш по согласованию изготовителя щитков с потребителем".
а)
б)
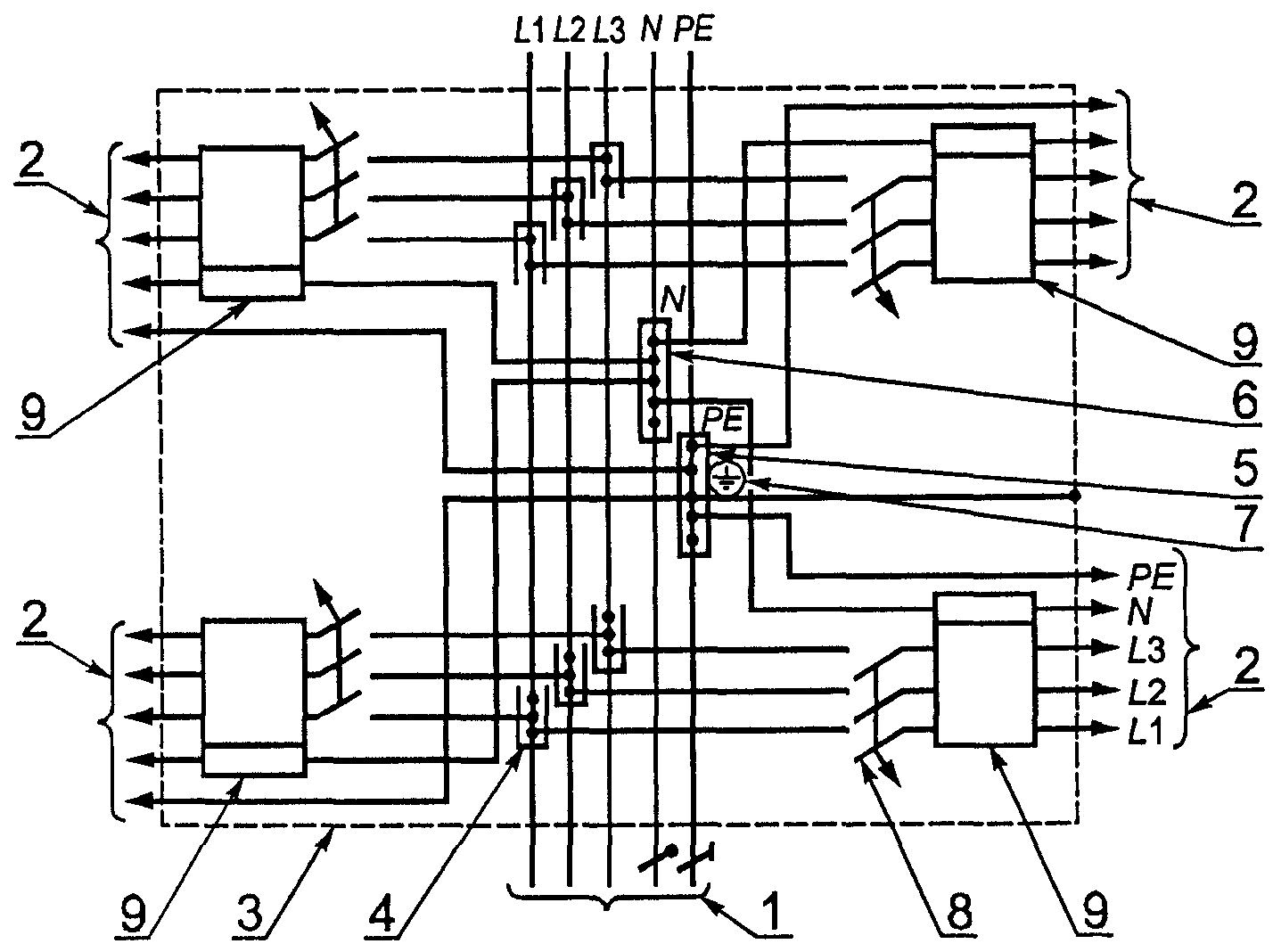
1 - питающая цепь; 2 - распределительная цепь;
3 - проводящая оболочка щитка; 4, 5, 6 - зажимы
для проводников питающей цепи (фазных, нулевых защитных РЕ,
нулевых рабочих N) и проводников распределительных цепей;
7 - знак заземления у зажимов (поз. 6); 8 - автоматический
выключатель; 9 - счетчик
Рисунок А.7. Схемы этажных щитков на четыре квартиры зданий
массового строительства (а - распределительного,
б - учетно-распределительного), присоединенных к трехфазной
пятипроводной питающей цепи (стояку)
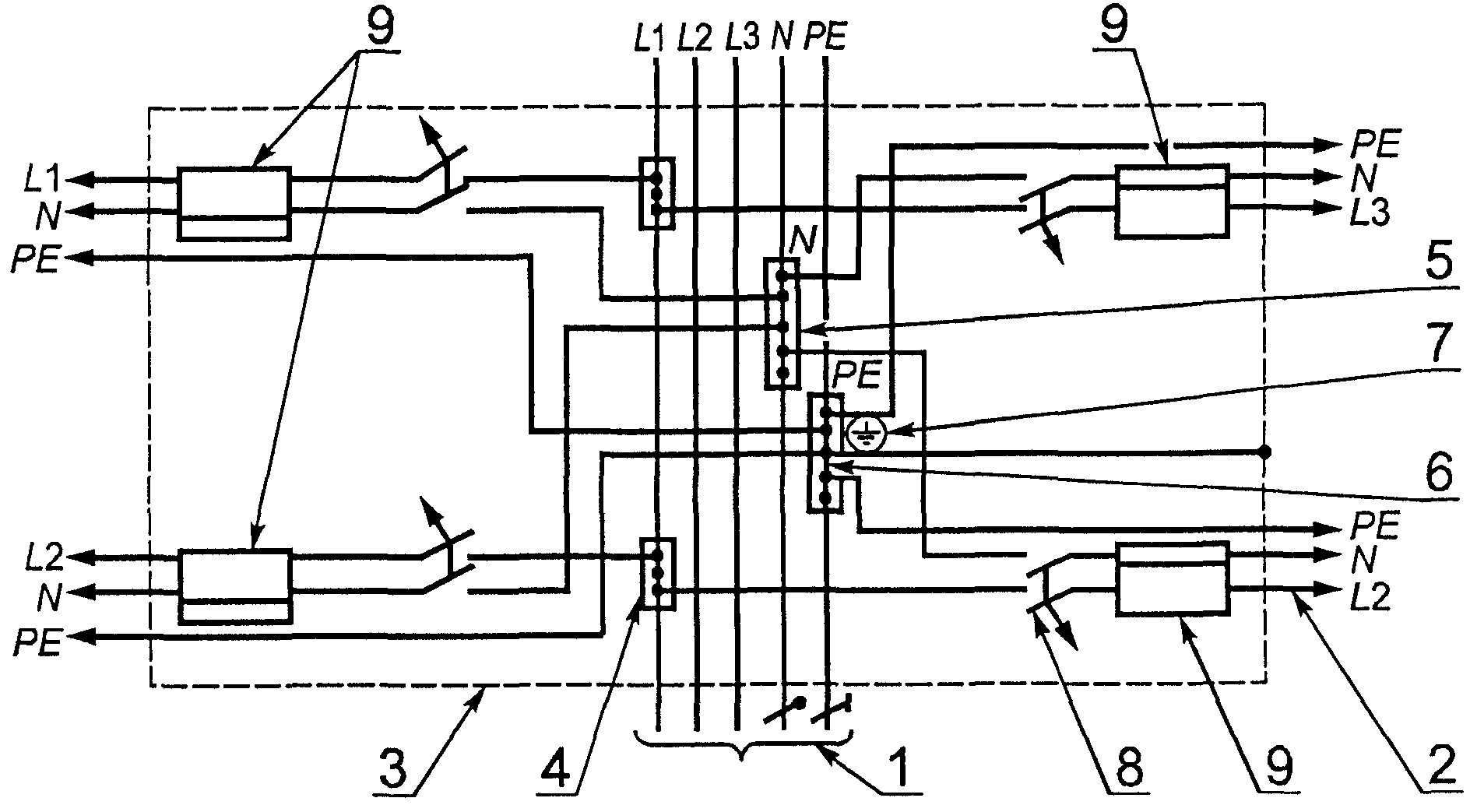
1 - питающая цепь; 2 - распределительная цепь;
3 - проводящая оболочка щитка; 4, 5, 6 - зажимы
для проводников питающей цепи (фазных, нулевых защитных РЕ,
нулевых рабочих N) и проводников распределительных цепей;
7 - знак заземления у зажимов (поз. 6); 8 - автоматический
выключатель; 9 - счетчик
Рисунок А.7.1. Схема этажного учетно-распределительного
щитка на четыре квартиры для зданий массового строительства
с поочередным присоединением всех отходящих
распределительных цепей к одной из фаз на каждом этаже
а)
б)
1 - питающая цепь; 2 - распределительная цепь;
3 - проводящая оболочка щитка; 4, 5, 6 - зажимы
для проводников питающей цепи (фазных, нулевого
защитного РЕ и нулевого рабочего N) и проводников
распределительных цепей; 7 - знак заземления у зажима
(поз. 6), 8 - автоматические выключатели, 9 - счетчик
Рисунок А.8. Схема этажных щитков на четыре квартиры
индивидуальных многоэтажных зданий (а - распределительного,
б - учетно-распределительного), присоединенных к трехфазной
пятипроводной питающей цепи (стояку)
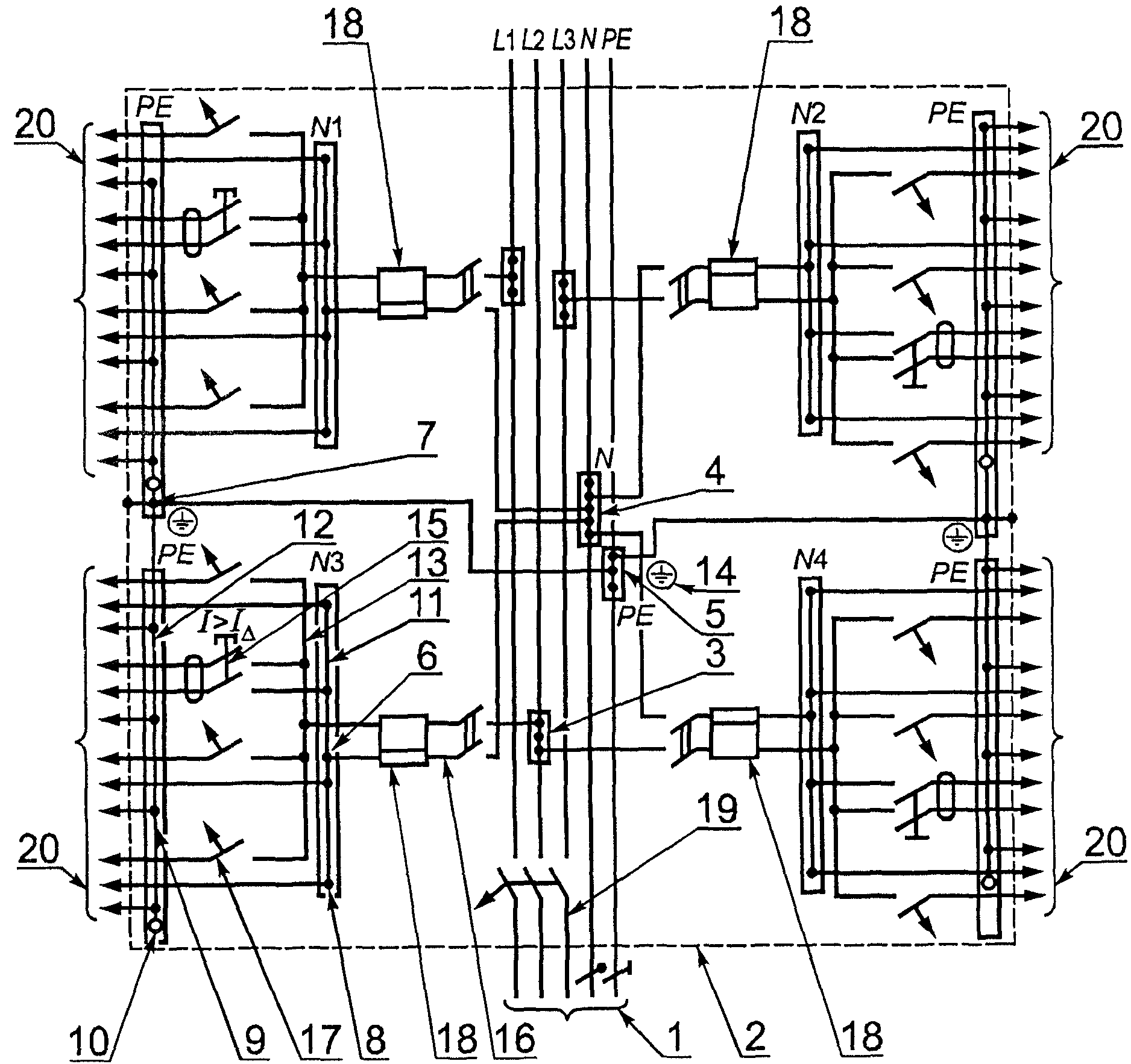
1 - питающая цепь; 2 - проводящая оболочка щитка;
3, 4, 5 - зажимы для проводников питающей цепи
и проводников распределительной цепи <*>; 6, 7 - зажимы
проводников N и РЕ вводов в квартиры; 8, 9 - зажимы
для нулевых рабочих N и нулевых защитных РЕ проводников
групповых цепей; 10 - зажим для проводника уравнивания
потенциалов; 11 - соединительный элемент зажимов нулевых
рабочих проводников N [распределительной (поз. 6)
и групповых цепей (поз. 8)]; 12 - соединительный элемент
зажимов нулевых защитных проводников РЕ
[распределительной (поз. 7) и групповых цепей (поз. 9),
а также зажима проводника уравнивания потенциалов
(поз. 10)]; 13 - соединительный элемент входных выводов
защитных аппаратов групповых цепей; 14 - знак заземления
у зажимов (поз. 5, 7); 15 - выключатель автоматический,
управляемый дифференциальным током, со встроенной защитой
от сверхтока; 16 - выключатель; 17 - автоматические
выключатели; 18 - счетчик; 19 - автоматический выключатель
питающей цепи (стояка); 20 - линии групповых цепей
--------------------------------
<*> В данном виде щитка распределительная цепь является его внутренней цепью.
Рисунок А.9. Схема этажного учетно-распределительно-
группового щитка на четыре квартиры зданий массового
строительства, присоединенного к трехфазной пятипроводной
питающей цепи (стояку)
Стандарт дополнить Приложением - Е:
"ПРИЛОЖЕНИЕ Е
(справочное)
Библиография
[1] СНиП 21-01-97 Пожарная безопасность зданий и сооружений".