Главная // Актуальные документы // МетодикаСПРАВКА
Источник публикации
М., 2005
Примечание к документу
Документ
введен в действие с 01.01.2006.
Название документа
"Р 50.2.049-2005. Рекомендации по метрологии. Государственная система обеспечения единства измерений. Мониторы медицинские. Методика поверки"
(приняты и введены в действие Приказом Ростехрегулирования от 28.12.2005 N 345-ст)
"Р 50.2.049-2005. Рекомендации по метрологии. Государственная система обеспечения единства измерений. Мониторы медицинские. Методика поверки"
(приняты и введены в действие Приказом Ростехрегулирования от 28.12.2005 N 345-ст)
Приняты и введены в действие
по техническому регулированию
и метрологии
от 28 декабря 2005 г. N 345-ст
РЕКОМЕНДАЦИИ ПО МЕТРОЛОГИИ
ГОСУДАРСТВЕННАЯ СИСТЕМА ОБЕСПЕЧЕНИЯ ЕДИНСТВА ИЗМЕРЕНИЙ
МОНИТОРЫ МЕДИЦИНСКИЕ
МЕТОДИКА ПОВЕРКИ
Р 50.2.049-2005
Группа Т 88.8
Дата введения
1 января 2006 года
1 РАЗРАБОТАНЫ Федеральным Государственным учреждением "Всероссийский научно-исследовательский и испытательный институт медицинской техники" (ФГУ "ВНИИИМТ"), Академией медико-технических наук Российской Федерации (АМТН РФ), Федеральным Государственным Унитарным предприятием "Всероссийский научно-исследовательский институт оптико-физических измерений" Федерального агентства по техническому регулированию и метрологии (ФГУП "ВНИИОФИ" Ростехрегулирования)
ВНЕСЕНЫ Управлением метрологии и надзора Федерального агентства по техническому регулированию и метрологии
2 ПРИНЯТЫ И ВВЕДЕНЫ В ДЕЙСТВИЕ
Приказом Федерального агентства по техническому регулированию и метрологии от 28.12.2005 г. N 345-ст
3 ВВЕДЕНЫ ВПЕРВЫЕ
Настоящие рекомендации разработаны с учетом положений:
- МР МОЗМ 16-1 Манометры для измерений артериального давления механические (редакция 2002 г.);
- МР МОЗМ 16-2 Манометры для измерений артериального давления автоматические (редакция 2002 г.);
| | ИС МЕГАНОРМ: примечание. Взамен Р 50.2.009-2001 Приказом Росстандарта от 13.12.2011 N 1085-ст с 01.01.2013 введен в действие Р 50.2.009-2011. | |
- Р 50.2.009-2001 Государственная система обеспечения единства измерений. Электрокардиографы, электрокардиоскопы и электрокардиоанализаторы. Методика поверки;
- Р 50.2.032-2004 Государственная система обеспечения единства измерений. Измерители артериального давления неинвазивные. Методика поверки
Настоящие рекомендации распространяются на мониторы медицинские (реанимационные, реаниматологические, прикроватные и др.) (далее - мониторы) отечественного и зарубежного производства, предназначенные для непрерывного контроля за состоянием пациента по частоте сердечных сокращений, смещению сегмента ST, артериальному давлению, частоте пульса, температуре в различных частях тела, реосигналу (с определением значений параметров гемодинамики) с отображением на экране электрокардиографического сигнала от 1 до 12 отведений, реограммы, энцефалограммы с целью обнаружения опасных для жизни нарушений работы сердечно-сосудистой системы, головного мозга и других органов человека, графиков изменения контролируемых параметров и включения тревожной сигнализации при выходе измеряемых параметров за установленные пределы.
Настоящие рекомендации устанавливают методику первичной и периодической поверок мониторов.
Рекомендации распространяются также на мониторы, предназначенные для контроля одного или нескольких из вышеперечисленных параметров, а также на другие типы мониторов (например, фетально/материнские) при поверке (их) метрологических характеристик по электрокардиографическому, электроэнцефалографическому и реографическому каналам измерений и каналам измерений артериального давления, температуры и частоты дыхания.
Примечание - При невозможности поверки какого-либо конкретного монитора в соответствии с настоящими рекомендациями его поверку проводят по нестандартизованной методике поверки, приведенной в руководстве по эксплуатации монитора и утвержденной в установленном порядке.
Межповерочный интервал указывают в руководстве по эксплуатации монитора, а при отсутствии указаний устанавливают сроком не более одного года.
В настоящих рекомендациях использованы нормативные ссылки на следующие нормативные документы:
ПР 50.2.006-94 Государственная система обеспечения единства измерений. Порядок проведения поверки средств измерений
| | ИС МЕГАНОРМ: примечание. Взамен Р 50.2.009-2001 Приказом Росстандарта от 13.12.2011 N 1085-ст с 01.01.2013 введен в действие Р 50.2.009-2011. | |
Р 50.2.009-2001 Государственная система обеспечения единства измерений. Электрокардиографы, электрокардиоскопы и электрокардиоанализаторы. Методика поверки
Р 50.2.032-2004 Государственная система обеспечения единства измерений. Измерители артериального давления неинвазивные. Методика поверки
МР МОЗМ 16-1 Манометры для измерений артериального давления механические (редакция 2002 г.);
МР МОЗМ 16-2 Манометры для измерений артериального давления автоматические (редакция 2002 г.);
ГОСТ 13646-68 Термометры стеклянные ртутные для точных измерений. Технические условия
ГОСТ 25706-83 Лупы. Типы, основные параметры. Общие технические требования
Примечание - При пользовании настоящим стандартом целесообразно проверить действие ссылочных стандартов в информационной системе общего пользования - на официальном сайте национального органа Российской Федерации по стандартизации в сети Интернет или по ежегодно издаваемому информационному указателю "Национальные стандарты", который опубликован по состоянию на 1 января текущего года, и по соответствующим ежемесячно издаваемым информационным указателям, опубликованным в текущем году. Если ссылочный документ заменен (изменен), то при пользовании настоящим стандартом следует руководствоваться замененным (измененным) документом. Если ссылочный документ отменен без замены, то положение, в котором дана ссылка на него, применяют в части, не затрагивающей эту ссылку.
3 Термины, определения и сокращения
3.1 В настоящих рекомендациях применены следующие термины с соответствующими определениями:
диапазон измерений: Область значений измеряемой величины, в пределах которой нормированы пределы допускаемых погрешностей измерений этой величины монитором.
абсолютная погрешность измерения: Отклонение результата измерения от действительного значения измеряемой величины, выраженное в единицах измеряемой величины.
относительная погрешность измерения: Погрешность измерения, выраженная отношением абсолютной погрешности измерения к действительному или измеренному значению измеряемой величины.
испытательный сигнал: Сигнал, значения параметров которого принимают в качестве эталонных значений.
3.2 В настоящих рекомендациях применены следующие сокращения:
АД - артериальное давление;
ГрСИ - Государственный реестр средств измерений;
канал РЕО - реографический канал измерений;
канал ЧД - канал измерений частоты дыхания (канал дыхания);
канал ЭКГ - электрокардиографический канал измерений;
канал ЭЭГ - электроэнцефалографический канал измерений;
РЭ - руководство по эксплуатации;
ЧД - частота дыхания;
ЧП - частота пульса;
ЧСС - частота сердечных сокращений;
ЭД - эксплуатационная документация;
ЭКГ - электрокардиограмма;
ЭКГ-сигнал - электрокардиографический сигнал;
ЭЭГ-сигнал - электроэнцефалографический сигнал.
4.1 При проведении поверки выполняют операции, указанные в
таблице 1.
Наименование операции поверки | Номер пункта рекомендаций | Проведение операции при |
первичной поверке | периодической поверке |
1 Внешний осмотр | | Да | Да |
2 Опробование | | Да | Да |
3 Определение метрологических характеристик | | Да | Да |
3.1 Определение метрологических характеристик каналов ЭКГ | | Да | Да |
3.1.1 Проверка правильности формирования отведений и идентичности формы сигнала | | Да | Да |
3.1.2 Определение диапазона и абсолютной погрешности измерений ЧСС. Проверка срабатывания тревожной сигнализации по ЧСС | | Да | Да |
3.1.3 Определение диапазона и абсолютной погрешности измерений уровня сегмента ST | | Да | Да |
3.1.4 Определение относительной погрешности измерений амплитудных и временных параметров ЭКГ-сигнала | | Да | Нет |
3.2 Определение метрологических характеристик каналов ЭЭГ | | Да | Да |
3.2.1 Определение идентичности формы сигнала | | Да | Да |
3.2.2 Определение относительной погрешности измерений напряжения и временных интервалов | | Да | Нет |
3.3 Определение метрологических характеристик канала АД | | Да | Да |
3.3.1 Проверка герметичности пневматической системы, работоспособности клапанов сброса давления и порогов срабатывания тревожной сигнализации | | Да | Да |
3.3.2 Определение диапазона и абсолютной погрешности измерений давления в манжете. Проверка срабатывания тревожной сигнализации | | Да | Да |
3.3.3 Определение относительной погрешности измерений частоты пульса | | Да | Да |
3.4 Определение метрологических характеристик каналов измерений температуры | | Да | Да |
3.4.1 Определение диапазона и абсолютной погрешности измерений температуры. Проверка срабатывания тревожной сигнализации | | Да | Да |
3.5 Определение метрологических характеристик канала РЕО | | Да | Да |
3.5.1 Определение диапазона и относительной погрешности измерений базового сопротивления | | Да | Да |
3.5.2 Определение диапазона и относительной погрешности измерений размаха переменной составляющей сопротивления, амплитудных и временных параметров объемной реограммы | | Да | Да |
3.6 Определение метрологических характеристик канала ЧД | | | |
3.6.1 Определение диапазона и погрешности измерений ЧД импедансным методом | | Да | Да |
<*> Операции поверки проводят при наличии в РЭ нормированных метрологических характеристик монитора. <**> Операции поверки проводят на мониторах, имеющих соответствующие каналы измерений. <***> Операции поверки проводят на мониторах, обеспечивающих измерение ЧД импедансным методом. |
Примечания 1 Наименования и количество каналов измерений определены конструкцией монитора. 2 По заявке медицинского учреждения допускается проводить поверку только тех каналов и только в тех режимах работы мониторов, которые используют в данном медицинском учреждении. Запись об этом должна быть внесена в РЭ монитора и удостоверена подписью руководителя или метролога учреждения. 3 При получении отрицательного результата после выполнения любой из операций поверку прекращают. |
5.1 При проведении поверки применяют средства поверки, указанные в
таблице 2.
Номер пункта рекомендаций | Наименование и тип основного или вспомогательного средства поверки; обозначение нормативного документа, регламентирующего технические требования, и (или) метрологические и основные технические характеристики средства поверки |
| Генератор функциональный ГФ-05 со сменными ПЗУ с испытательными сигналами "4", "ЧСС", "ST 1,2", ЭЭГ-7, "РГ-1МИ", ТУ 42-2-561-89, ГрСИ N 11789-03 Диапазон частот: 0,01...600 Гц. Относительная погрешность установки частоты: +/- 0,1%. Диапазон размаха напряжения выходного сигнала: 0,03 мВ...20 В. Относительная погрешность установки напряжения выходного сигнала: +/- 0,9% для значений размаха 1 В; +/- 1,0% для значений размаха 1 мВ; +/- 1,25% для значений размаха 0,3; 0,4; 0,5; 0,6; 0,7; 0,8; 1,5; 2,0; 3,0; 4,0; 5,0; 6,0; 7,0; 8,0; 9,0; 10 В; +/- 1,5% для значений размаха 0,3; 0,4; 0,5; 0,6; 0,7; 0,8; 1,5; 2,0; 3,0; 4,0; 5,0; 6,0; 7,0; 8,0; 9,0; 10,0 мВ; +/- 2,5% для значений размаха 0,1; 0,2 В; +/- 3,0% для значений размаха 0,1; 0,2 мВ; +/- 8,0% для значений размаха 0,03; 0,05 В; +/- 9,5% для значений размаха 0,03; 0,05 мВ. |
| Поверочное коммутационное устройство (ПКУ-ЭКГ) Параметры эквивалента "кожа-электрод": Rl = (51 +/- 2,55) кОм, C1 = (0,047 +/- 0,0047) мкФ. Сопротивление в цепи нейтрального электрода Rn = (100 +/- 5) Ом |
| Поверочное коммутационное устройство (ПКУ-ЭЭГ) Параметры эквивалента "кожа-электрод": R1 = (22 +/- 0,22) кОм, C2 = (3300 +/- 165) пФ. Сопротивление в цепи нейтрального электрода R2 = (100 +/- 5) Ом |
| Установка для поверки каналов измерений давления (УПКД), ГрСИ N 23532-02 Диапазон измерений давления: 20...300 мм рт. ст. (2,66...39,9 кПа). Основная погрешность измерений: +/- 0,8 мм рт. ст. |
| Установка для поверки каналов измерений частоты пульса ИАД (УПКЧП), ГрСИ N 21923-01 Диапазон задания частоты следования импульсов: 30...200 мин-1. Основная относительная погрешность задания частоты следования импульсов: +/- 1,5% |
| Термостат жидкостной ТЖ мод. ТС-01, ТБ-01, ГрСИ N 20444-00 Диапазон температур: 10 °C...95 °C. Неоднородность температуры воды по объему: не более 0,03 °C |
| Термометры ртутные стеклянные для точных измерений ТР-1 NN 9, 10, 11 по ГОСТ 13646, ГрСИ N 2850-02 Диапазоны измерений: 32 °C...36 °C; 36 °C...40 °C; 40 °C ...44 °C. Цена деления: 0,01 °C. Погрешность: +/- 0,03 °C |
| Преобразователь "напряжение-сопротивление" (ПНС-ГФ), ТУ 9440-671-05834388-95, ГрСИ N 23213-02 Диапазон установки постоянной составляющей сопротивления: 10...1000 Ом. Погрешность установки постоянной составляющей сопротивления: +/- 2%. Диапазон установки переменной составляющей сопротивления: 0,005...10 Ом с дискретными значениями 0,005; 0,01; 0,025; 0,05; 0,1; 0,25; 0,5; 1,0; 10 Ом. Погрешность установки переменной составляющей сопротивления: +/- 2% для значений 0,1; 0,25; 0,5; 1,0 и 10 Ом; +/- 5% для значений 0,005; 0,05 Ом |
| Увеличение: 10. Пределы измерений: 0...15 мм. Цена деления: 0,1 мм |
5.2 Допускается применение другие средств поверки, не указанных в
5.1, но, обеспечивающих измерения соответствующих параметров с требуемой точностью.
6 Требования безопасности и к квалификации поверителей
6.1 При проведении поверки соблюдают требования безопасности, указанные в
Правилах техники безопасности при эксплуатации электроустановок потребителями (ПТБ) и ЭД на поверяемый монитор и средства поверки.
6.2 К проведению поверки допускают лиц, аттестованных в качестве поверителей, прошедших инструктаж по технике безопасности и изучивших эксплуатационную документацию на поверяемые мониторы и средства их поверки и настоящие рекомендации.
7 Условия поверки и подготовка к ней
7.1 При проведении поверки соблюдают следующие условия:
температура окружающей среды: (20 +/- 5) °C;
атмосферное давление: (760 +/- 30) мм рт. ст. ((101,3 +/- 4) кПа);
относительная влажность при температуре окружающей среды (20 +/- 5) °C: (20...85)%;
напряжение электрической сети с частотой (50 +/- 0,5) Гц: (220 +/- 4,4) В.
На рабочем месте сетевые цепи для исключения электромагнитных помех разносят от входных цепей монитора на расстояние не менее одного метра.
Вблизи рабочего места обеспечивают отсутствие источников электромагнитных помех.
7.2 Перед проведением поверки выполняют следующие подготовительные работы:
проверяют наличие свидетельств о поверке или оттисков поверительных клейм в ЭД или на средствах поверки;
подготавливают к работе монитор и средства поверки в соответствии с РЭ.
8 Проведение поверки и обработка результатов измерений
При внешнем осмотре монитора проверяют:
- соответствие объема ЭД и комплектности монитора разделу "Комплектность" РЭ;
- отсутствие механических повреждений, влияющих на работоспособность монитора;
- наличие и прочность крепления органов управления и коммутации и четкость фиксации их положений, плавность вращения ручек органов управления, надежность соединения межблочных разъемов;
- обеспечение чистоты электродных отведений, датчиков и соединительных кабелей;
- состояние лакокрасочных покрытий и четкость маркировки.
Примечания
1 Маркировка должна быть хорошо различимой и содержать изображение товарного знака изготовителя, наименование, дату выпуска и номер изделия, знак утверждения типа средства измерений.
2 Допускается проводить поверку монитора без запасных частей и принадлежностей, не влияющих на его работоспособность и на результаты поверки.
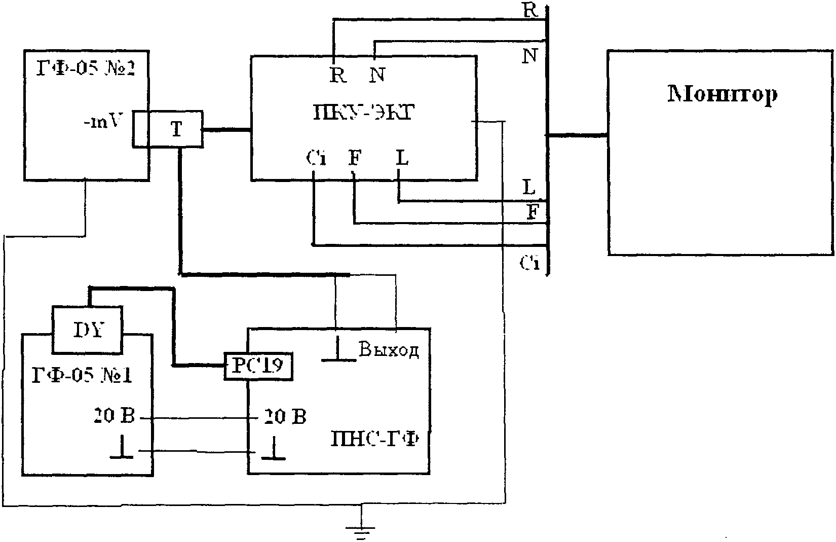
При опробовании проводят проверку режимов функционирования каналов измерений и тревожной сигнализации.
Осуществляют соединение монитора и средств поверки в соответствии со схемой, приведенной на
рисунке 1, и проводят опробование монитора.
ГФ-05 - генератор функциональный; ПКУ-ЭКГ - поверочное
коммутационное устройство; Кр - красный электрод;
Ж (З) - желтый (зеленый) электрод; Ч - черный электрод;
АД, РЕО, Т1, Т2 - разъемы (гнезда) на мониторе
для подключения соответствующих кабелей отведений и
датчиков; ПР - пневматический распределитель (тройник)
Рисунок 1 - Схема соединения приборов при опробовании
монитора и определении метрологических
характеристик канала ЭКГ
Примечания
1 Если конструкция монитора предусматривает соединение проводов кабеля ЭКГ-отведений с электродами с помощью приспособлений, отличающихся от штекеров типа Ш-4,0, то подключение их к гнездам ПКУ-ЭКГ проводят с помощью металлических штырей диаметром 4 мм и длиной 50...70 мм.
2 Если монитор снабжен десяти- или пятипроводным стандартным кабелем ЭКГ-отведений и обеспечивает съем и регистрацию ЭКГ-сигналов по общепринятым отведениям (I, II, III, aVR, aVL, aVF, Vi), то соединение электродных отведений R, L, F, Vi и N проводят с одноименными гнездами ПКУ-ЭКГ.
3 Если монитор предназначен для съема и регистрации ЭКГ по одному отведению, то соединение электродных отведений с ПКУ-ЭКГ проводят так, как показано на
рисунке 1.
4 В целях обеспечения сохранности манжеты при случайных включениях автоматического режима накачивания воздуха манжету монитора надевают на цилиндр установки УПКЧП, а при ее отсутствии - на любой жесткий цилиндр диаметром примерно 90 мм и высотой не менее ширины манжеты.
ВНИМАНИЕ!!! Включение в сетевые розетки медицинского учреждения средств поверки, не прошедших испытаний на электробезопасность испытательным напряжением 1500 В и выше, проводят через разделительный трансформатор, изоляция которого выдерживает испытательное напряжение 4000 В.
Включают питание монитора и убеждаются в появлении на экране начальной информации, предусмотренной в ЭД на поверяемый монитор.
По экрану монитора проверяют наличие в каналах отображения ЭКГ-сигнала, ЭЭГ-сигнала, сигналов РЕО и ЧД; наличие форм отображения цифровых значений измеряемых параметров (АД, пульса, температуры, ЧСС, ST и другой информации, предусмотренной в ЭД).
Проверяют возможность установки значений масштаба (чувствительности) и скорости развертки при отображении сигналов, предусмотренных в ЭД.
Проверяют возможность включения и установки пределов тревожной сигнализации по всем контролируемым параметрам, указанных в ЭД.
Включают режим измерений АД и убеждаются в функционировании нагнетателя воздуха монитора.
При невыполнении любого из требований 8.1 или 8.2 дальнейшую поверку прекращают, а на монитор выписывают извещение о непригодности в соответствии с ПР 50.2.006.
8.3 Определение метрологических характеристик
Определение метрологических характеристик монитора проводят поочередно для каждого канала измерений.
Технические операции при определении метрологических характеристик выполняют в строгом соответствии с требованиями ЭД на поверяемый монитор и средства поверки.
8.3.1 Определение метрологических характеристик каналов ЭКГ
Определение метрологических характеристик каналов ЭКГ проводят при соединении приборов согласно схеме, приведенной на
рисунке 1.
8.3.1.1 Проверка правильности формирования отведений и идентичности формы сигнала
Проверку правильности формирования отведений проводят у мониторов, имеющих 3, 6 или 12 каналов ЭКГ (мониторирование по 3, 6 или 12 отведениям). Проверку идентичности формы сигнала проводят у всех мониторов.
Органы управления генератора ГФ-05 с ПЗУ "4" устанавливают в следующее положения:
Вид сигнала - нажаты кнопки "A" и "B" (испытательный ЭКГ-сигнал);
РАЗМАХ СИГН V, mV - нажата кнопка "2,0" (2 мВ);
ЧАСТОТА Hz - нажаты кнопки "75" и "1:100" (0,75 Гц).
Включают генератор ГФ-05 и на мониторе устанавливают режим мониторирования ЭКГ.
На экране наблюдают осциллограмму испытательного ЭКГ-сигнала и измеренное значение ЧСС: (45 +/- 2) ударов в минуту (мин-1).
Сравнивают форму сигнала на экране во всех отведениях с формой сигнала, изображенной на
рисунке 2. При сравнении обращают внимание на то, что в отведении III регистрируется нулевая линия; в отведении aVR - изображение сигнала, инверсное по отношению к изображению сигнала в отведениях I и II; в отведениях aVL и aVF размах сигнала составляет половину размаха сигнала в отведениях I и II, а в отведениях V1 - V6 - одну треть размаха сигнала в отведениях I и II.
Рисунок 2 - Форма и полярность регистрируемого
испытательного ЭКГ-сигнала в каналах ЭКГ
При поверке каналов ЭКГ любых мониторов (в том числе одноканальных) обращают внимание на наличие зубцов P и R и наличие различия между уровнем изолинии и уровнем ST.
Каналы ЭКГ монитора считают прошедшими поверку по правильности формирования отведений и идентичности воспроизведения сигналов, если форма сигналов на экране соответствует рисунку 2.
8.3.1.2 Определение диапазона и абсолютной погрешности измерений ЧСС. Проверка срабатывания тревожной сигнализации по ЧСС
В адаптер генератора ГФ-05 устанавливают ПЗУ "ЧСС". Органы управления генератора ГФ-05 устанавливают в следующие положения:
Вид сигнала - все кнопки "A" "B" C" и

отжаты;
РАЗМАХ СИГН V, mV - нажата кнопка "2,0";
ЧАСТОТА Hz - нажаты кнопки "10" и "1:10".
На мониторе по каналу ЭКГ устанавливают: тревожная сигнализация - разрешена; пределы тревожной сигнализации по ЧСС: нижняя граница - 35 мин
-1, верхняя граница - 145 мин
-1, масштаб (чувствительность) - по умолчанию (10 мм/мВ); скорость развертки - 25 мм/с. В ходе мониторирования убеждаются в соответствии формы отображаемого на экране сигнала форме, приведенной на
рисунке 3а, а также отображении измеренного значения ЧСС: (60 +/- 2) мин
-1. При этом сигнал тревоги отсутствует.
а) Форма испытательного ЭКГ-сигнала "ЧСС-1"
б) Форма испытательного ЭКГ-сигнала "ЧСС-2"
в) Форма испытательного ЭКГ-сигнала "ЧСС-3"
г) Форма испытательного ЭКГ-сигнала "ЧСС-4"
Рисунок 3 - Формы испытательных сигналов ЧСС
Аналогично проверяют погрешность измерений ЧСС и срабатывание тревожной сигнализации при регистрации сигналов ЧСС в соответствии с
таблицей 3.
Сигнал ЧСС и его форма | Органы управления ГФ-05 (нажаты кнопки) | Значение ЧСС, мин-1 | Сигнал тревоги |
Вид сигнала | РАЗМАХ | ЧАСТОТА | Номинальное | Измеренное |
| - | 2,0 | "10", "1:10" | 60 | | нет |
| "A" | 2.0 | "10", "1:10" | 60 | | нет |
| "B" | 2,0 | "5", "1:10" | 30 | | есть |
| "A" | 2,0 | "15", "1:10" | 90 | | нет |
| "A" и "B" | 2,0 | "2" | 120 | | нет |
| "A" и "B" | 2,0 | "25", "1:10" | 150 | | есть |
| "A" и "B" | 2,0 | "30", "1:10" | 180 | | есть |
| "A" и "B" | 2,0 | "40", "1:10" | 240 | | есть |
Убеждаются в том, что при значениях ЧСС менее 35 и более 145 мин-1 включается световая (мигание численного значения ЧСС) и звуковая тревожная сигнализации. Проверяют возможность отключения звуковой тревожной сигнализации и возобновления звукового сигнала тревоги через время, указанное в ЭД (обычно 2 мин).
Абсолютную погрешность измерений ЧСС

, мин
-1, определяют по формуле

, (1)
где ЧССизм - измеренное значение ЧСС, мин-1;
ЧССном - номинальное значение сигнала ЧСС, воспроизводимого генератором ГФ-05, мин-1.
Проверяют правильность измерений ЧСС при минимальной амплитуде зубца R (0,2 мВ), для чего на генераторе ГФ-05 устанавливают режим воспроизведения сигнала "ЧСС-1" (см.
таблицу 3) при нажатых кнопках переключателя РАЗМАХ "0,5", "0,2", "0,1". Отображаемое на индикаторе значение ЧСС должно быть в пределах (60 +/- 2) мин
-1.
Канал ЭКГ монитора считают прошедшим поверку по данному параметру, если измеренные значения нижней и верхней границы диапазона измерений и абсолютной погрешности измерений ЧСС находятся в пределах, приведенных в ЭД, а тревожная сигнализация включается при выходе значений ЧСС за установленные нижнюю и верхнюю границы.
8.3.1.3 Определение диапазона и абсолютной погрешности измерений уровня сегмента ST
Определение диапазона и абсолютной погрешности измерений уровня сегмента ST проводят при поверке мониторов, у которых в ЭД предусмотрен режим мониторирования ЭКГ с автоматическими измерениями смещения сегмента ST.
В адаптер генератора ГФ-05 устанавливают ПЗУ "ST1, 2". Органы управления генератора ГФ-05 первоначально устанавливают в следующие положения:
Вид сигнала - кнопки "A", "B", "C" и

отжаты;
РАЗМАХ СИГН V, mV - нажата кнопка "1,0";
ЧАСТОТА Hz - нажаты кнопки "75" и "1:100".
В ходе мониторирования ЭКГ убеждаются в соответствии формы отображаемого на экране монитора сигнала форме, приведенной на
рисунке 4а, и в отображении на экране измеренных значений смещения сегмента ST во всех указанных в ЭД отведениях.
Рисунок 4 - Форма сигналов ST-1 (а) и ST-2 (б)
Аналогично проверяют результаты автоматических измерений смещения сегмента ST согласно
таблице 4.
Испытательный сигнал | Положение кнопок органов управления ГФ-05 | Значения смещения сегмента ST, мВ |
ПЗУ | Вид сигнала | ЧАСТОТА | РАЗМАХ | Отведения | Номинальные | Измеренные |
С положительным сдвигом ST-уровня (ST-1, рисунок 4а) | "ST 1, 2" | Все отжаты | Нажаты 75 и 1:100 (0,75 Гц) | Нажата 1,0 (1 мВ) | I, II | +0,512 | |
aVR | -0,501 | |
aVL, aVF | +0,256 | |
Vi | +0,167 | |
С отрицательным сдвигом ST-уровня (ST-2, рисунок 4б) | Нажата A | Нажаты 0,05 и 0,1 (1,5 мВ) | I, II | -0,519 | |
aVR | +0,519 | |
aVL, aVF | -0,260 | |
Vi | -0,173 | |
| "4" | Нажаты A и B | Нажата 2,0 (2 мВ) | I, II | -0,116 | |
aVR | +0,116 | |
aVL, aVF | -0,058 | |
Vi | -0,039 | |
Абсолютную погрешность измерений смещения сегмента ST

, мВ, определяют по формуле

, (2)
где STизм - измеренное значение смещения сегмента ST, мВ;
STном - номинальное значение смещения сегмента ST, мВ.
Канал ЭКГ монитора считают прошедшим поверку по данному параметру, если абсолютная погрешность измерений смещения сегмента ST в диапазоне от минус 0,5 до 0,5 не более 25 мкВ или значения, приведенного в ЭД, если оно менее 25 мкВ.
8.3.1.4 Определение относительной погрешности измерений амплитудных и временных параметров ЭКГ-сигнала
Определение относительной погрешности измерений амплитудных и временных параметров ЭКГ проводят у мониторов, предназначенных для работы как в режиме монитора, так и в режиме электрокардиографа.
Органы управления генератора ГФ-05 с ПЗУ "4" устанавливают в следующие положения:
Вид сигнала - нажаты кнопки "A" и "B" (испытательный ЭКГ-сигнал);
РАЗМАХ СИГН V, mV - нажата кнопка "2,0" (2 мВ);
ЧАСТОТА Hz - нажаты кнопки "75" и "100" (0,75 Гц).
На мониторе по каналу ЭКГ устанавливают: скорость развертки - 25 мм/с, масштаб (чувствительность) - 10 мм/мВ, фильтры - выключены.
В режиме остановки развертки проводят измерения амплитудных и временных параметров записанного сигнала во всех отображаемых на экране отведениях.
Форма и наименования амплитудных и временных параметров элементов испытательного ЭКГ-сигнала приведены в
приложении А.
В зависимости от типа монитора и реализованных в нем возможностей измерений производят:
- путем анализа и считывания результатов автоматического измерений параметров;
- путем измерений амплитуд и временных интервалов по экрану с помощью маркеров в режиме остановки развертки;
- путем измерений линейных размеров элементов ЭКГ-сигнала на бланке печати или по экрану с помощью измерительной лупы.
Измеренные значения амплитудных параметров сравнивают со значениями, приведенными в
таблице 5 (в отведении III - нулевая линия), временных параметров - со значениями, приведенными в
таблице 6.
Номер позиции и наименование параметра | Пределы допускаемой погрешности, % | Номинальные значения амплитуды испытательного сигнала и допускаемые границы измерений их элементов в отведениях, мкВ |
I, II | aVR | aVL, aVF | V1 - V6 |
А1 Размах сигнала | 10 | 2000 +/- 200 | 2000 +/- 200 | 1000 +/- 100 | 667 +/- 67 |
А2 Амплитуда зубца P | 15 | 234 +/- 35 | -(234 +/- 35) | 117 +/- 18 | |
А3 Амплитуда седловины зубца P | 15 | 196 +/- 29 | -(196 +/- 29) | 98 +/- 15 | |
А4 Амплитуда зубца P' | 15 | 234 +/- 35 | -(234 +/- 35) | 117 +/- 18 | |
А5 Амплитуда зубца Q (в отведении aVR-зубца R) | 15 | -(394 +/- 59) | 394 +/- 59 | -(197 +/- 30) | -(131 +/- 20) |
А6 Амплитуда зубца R (в отведении aVR-зубца S) | 10 | 160 +/- 161 | -(1606 +/- 161) | 803 +/- 80 | 535 +/- 54 |
А7 Амплитуда седловины зубца R (в отведении aVR-зубца S) | 10/15 | 716 +/- 72 | -(716 +/- 72) | 358 +/- 53 | 239 +/- 36 |
А8 Амплитуда зубца R' (в отведении aVR-зубца S') | 10/15 | 1068 +/- 107 | -(1068 +/- 107) | 534 +/- 53 | 356 +/- 53 |
А9 Уровень сегмента ST | 30 мкВ | -(116 +/- 30) | 116 +/- 30 | -(58 +/- 30) | -(39 +/- 30) |
А10 Амплитуда зубца T | 15 | -(394 +/- 59) | 394 +/- 59 | -(197 +/- 30) | -(131 +/- 20) |
|
Примечание - В позициях А5, А6, А7, А8 в скобках указаны наименования элементов ЭКГ-сигнала в отведении aVR. |
Номер позиции и наименование параметра | Предел допускаемой погрешности, % | Допускаемые значения длительности элементов испытательного сигнала, мс |
ном (вход) | | |
Т1 Интервал RR | 5 | 1333,3 | 1266,4 | 1399,7 |
Т2 Зубец P | 7 | 132,7 | 123,4 | 142,0 |
Т3 Комплекс QRS | 7 | 104,2 | 96,9 | 111,5 |
Т4 Зубец Q | 7 | 30,5 | 28,4 | 32,6 |
Т5 Зубец R | 7 | 73,3 | 68,2 | 78,4 |
Т6 Интервал PQ (PR) | 7 | 165,3 | 153,7 | 176,9 |
Т7 Интервал QT | 7 | 516,0 | 479,9 | 552,1 |
Т10 Зубец T | 7 | 212,0 | 197,2 | 226,8 |
Расчет значений амплитудных Ai и временных Tj параметров (линейных размеров) элементов ЭКГ-сигнала по бланку печати или по экрану монитора проводят соответственно по формулам:
Ai = 1000 Hi/S; (3)
Tj = 1000 Lj/V, (4)
где Ai - расчетное значение амплитуды i-го элемента ЭКГ-сигнала, мкВ;
Hi и Lj - измеренные значения линейного размера амплитуды i-го элемента и длительности j-го элемента ЭКГ-сигнала, мм;
S - значение установленного масштаба (чувствительности), мм/мВ;
Tj - расчетное значение длительности j-го элемента ЭКГ-сигнала, мс;
V - значение установленной скорости развертки, мм/с.
Если значения амплитудных параметров находятся в пределах, указанных в
таблице 5, делают заключение о том, что относительная погрешность измерений напряжения не превышает 15% для напряжений в диапазоне от 0,058 до 0,5 мВ и 10% для напряжений в диапазоне от 0,5 до 4 мВ.
Если расчетные значения временных параметров находятся в пределах, указанных в таблице 6 (в
графах "мин" и
"макс"), принимают, что предел допускаемой относительной погрешности измерений временных интервалов: не более 7%, а предел допускаемой относительной погрешности установки скорости развертки, определяемой по результатам измерений интервалов RR: не более 5%.
Канал ЭКГ монитора считают прошедшим поверку по данным параметрам, если измеренные значения амплитудных и временных параметров ЭКГ-сигнала находятся в пределах, указанных в таблицах 5 и 6.
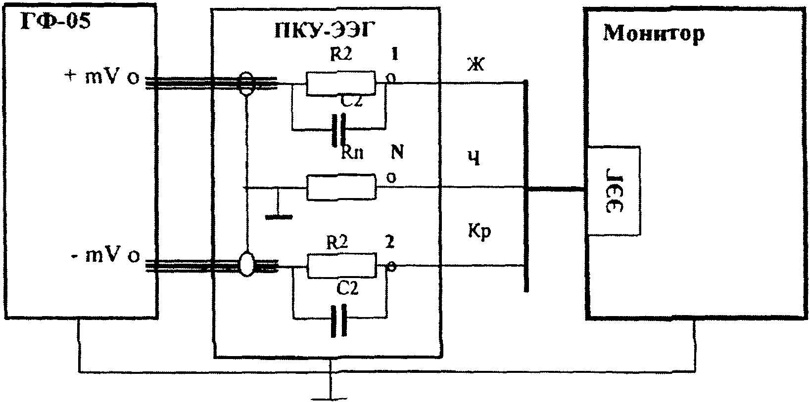
8.3.2 Определение метрологических характеристик канала ЭЭГ
Соединяют приборы в соответствии со схемой, приведенной на
рисунке 5.
ГФ-05 - генератор функциональный; ПКУ-ЭЭГ - поверочное
коммутационное устройство; 1, 2, N - гнезда ПКУ-ЭЭГ;
Кр - красный электрод; Ж - желтый электрод;
Ч - черный электрод
Рисунок 5 - Схема соединения приборов при определении
метрологических характеристик канала ЭЭГ
8.3.2.1 Определение идентичности формы сигнала
В адаптер генератора ГФ-05 устанавливают ПЗУ "ЭЭГ-7".
Органы управления генератора ГФ-05 устанавливают в следующие положения:
Вид сигнала - нажаты кнопки "B" и "C" (испытательный ЭЭГ-сигнал);
РАЗМАХ СИГН V, mV - нажаты кнопки "2,0";
ЧАСТОТА Hz - нажаты кнопки "10" и "1:10".
Убеждаются в появлении на экране осциллограммы испытательного ЭЭГ-сигнала (см.
рисунок 6). Устанавливают значения масштаба (чувствительности) и скорости развертки, удобные для восприятия сигнала поверителем.
В соответствии с
рисунком 6 проводят идентификацию изображения сигнала и проверяют наличие всех характерных точек с 0 до 40.
Т - Длительность фрагмента
Рисунок 6 - Форма испытательного сигнала ЭЭГ-7
Канал ЭЭГ монитора считают прошедшим поверку по данному параметру, если форма ЭЭГ-сигнала на экране монитора соответствует форме, приведенной на рисунке 6.
8.3.2.2 Определение относительной погрешности измерений напряжения и временных интервалов
При выполнении требований
8.3.2.1, в режиме остановки развертки проводят измерения параметров записанного ЭЭГ-сигнала. Измерения проводят между реперными точками, указанными в
таблице 7. В зависимости от типа монитора и реализованных в нем возможностей измерения проводят:
путем измерений по экрану с помощью маркеров;
путем измерений линейных размеров элементов ЭЭГ-сигнала на бланке печати или на экране с помощью измерительной лупы.
Органы управления ГФ-05 (при нажатых кнопках) | Амплитудный параметр Ai между реперными точками, мкВ | Временный параметр TJ между реперными точками, мс |
Вид сигнала | РАЗМАХ | ЧАСТОТА | 0...1 | 1...4 | 4...7 | 1...1 | 0...4 |
B и C | 2,0 | 10 и 1:10 | 36,47 +/- 5,47 | 29,41 +/- 4,41 | 14,90 +/- 2,23 | 4000 +/- 400 | 449,22 +/- 44,92 |
2,0 и 1,0 | 2 | 54,70 +/- 8,20 | 44,61 +/- 6,69 | 22,35 +/- 3,35 | 2000 +/- 200 | 224,61 +/- 22,46 |
5,0 и 1.0 | 40 и 1:10 | 109,41 +/- 16,41 | 89,23 +/- 14,23 | 44,70 +/- 6,70 | 1000 +/- 100 | 112,30 +/- 11,23 |
Измеренные значения параметров сравнивают с данными, приведенными в первой строке
таблицы 7.
Аналогичные измерения проводят на записях сигнала, полученных при установке органов управления генератора ГФ-05 согласно строкам 2 и 3
таблицы 7. В
таблице 7 представлены предельно допускаемые значения амплитудных и временных параметров ЭЭГ сигнала.
Если измеренные значения амплитудных и временных параметров находятся в пределах, указанных в таблице 7, то делают заключение, что относительная погрешность измерений напряжения не превышает 15%, а относительная погрешность измерений временных интервалов - не более 10%.
При измерениях линейных размеров между реперными точками ЭЭГ-сигнала на бланке печати или на экране монитора с помощью измерительной лупы значения амплитудных Ai и временных Tj параметров определяют соответственно по формулам
Ai = 1000 Hi/S; (5)
Tj = 1000 Lj/V, (6)
где Ai - расчетное значение амплитуды i-го элемента ЭЭГ-сигнала, мкВ;
Hi - измеренное значение линейного размера амплитуды i-го элемента ЭЭГ-сигнала, мм;
S - значение установленного масштаба (чувствительности), мм/мВ;
Tj - расчетное значение длительности j-го элемента ЭЭГ-сигнала, мс;
Lj - измеренное значение линейного размера длительности j-го элемента ЭЭГ-сигнала, мм;
V - значение установленной скорости развертки, мм/с.
Канал ЭЭГ монитора считают прошедшим поверку по данным параметрам, если измеренные значения амплитудных и временных параметров ЭЭГ-сигнала находятся в пределах, указанных в таблице 7.
8.3.3 Определение метрологических характеристик канала АД
8.3.3.1 Проверка герметичности пневматической системы, работоспособности клапанов сброса давления и порогов срабатывания тревожной сигнализации
Проверка герметичности пневматической системы
Надевают манжету монитора на цилиндр УПКЧП. Отключают клапан автоматического сброса давления. С помощью пневматического нагнетателя монитора создают в его пневмосистеме избыточное давление, равное значению верхнего предела диапазона измерений и выдерживают пневмосистему монитора в этом состоянии не менее одной минуты.
Скорость снижения давления в результате утечек воздуха в пневмосистеме поверяемого монитора: не более 0,8 кПа/мин (6 мм рт. ст/мин).
Проверка работоспособности клапана автоматического сброса давления
Включают клапан автоматического сброса давления. С помощью пневматического нагнетателя монитора создают в его пневмосистеме избыточное давление, примерно соответствующее значению верхнего предела диапазона измерений и включают секундомер.
С экрана монитора считывают текущее значение давления в пневмосистеме монитора через 10 с после запуска секундомера.
Среднюю скорость снижения давления в пневмосистеме

вычисляют по формуле

, (7)
где P1 - значение давления в пневмосистеме монитора в момент запуска секундомера, кПа (мм рт. ст.);
P2 - значение давления в пневмосистеме через 10 с после запуска секундомера, кПа (мм рт. ст.);
t - интервал времени, равный 10 с.
Клапаны автоматического сброса давления воздуха мониторов должны обеспечивать среднюю скорость снижения давления в диапазоне давления между систолическим и диастолическим давлениями, равную 0,3...0,7 кПа/с (2...5 мм рт. ст./с).
Проверка работоспособности клапана аварийного сброса давления
С помощью пневматического нагнетателя монитора создают в его пневмосистеме избыточное давление, примерно соответствующее значению верхнего предела диапазона измерений. Включают клапан аварийного сброса давления воздуха в пневмосистеме и одновременно запускают секундомер. Считывают показания секундомера, когда давление в пневмосистеме уменьшится до 15 мм рт. ст.
Время сброса давления в пневмосистеме у всех типов мониторов (кроме мониторов для новорожденных (неонатальных)) от 35 до 2 кПа (от 260 до 15 мм рт. ст.) должно быть не более 10 с.
Время сброса давления в пневмосистеме у мониторов для неонатальных от 20 до 0,7 кПа (от 150 до 5 мм рт. ст.) должно быть не более 5 с.
Проверка срабатывания тревожной сигнализации в канале измерений давления
Проверку срабатывания тревожной сигнализации в канале измерений давления проводят следующим образом. Манжету надевают на цилиндр УПКЧП. УПКД подключают к монитору через тройник в соответствии с
рисунком 1. По каналу АД монитора устанавливают: тревожная сигнализация - разрешена.
Устанавливают в канале измерений давления монитора значение срабатывания тревожной сигнализации по систолическому давлению в диапазоне 140...160 мм рт. ст. (АДСтр.с).
С помощью пневмонагнетателя монитора устанавливают значение давления в пневмосистеме монитора на 15...20 мм рт. ст. больше установленного значения тревожной сигнализации, контролируя реальное значение давления по эталонному манометру, входящему в состав УПКД (далее - манометр УПКД). Снижают значение давления в пневмосистеме монитора до предварительно установленного значения тревожной сигнализации АДСтр.с. Считывают по манометру УПКД значение давления, при котором происходит срабатывание тревожной сигнализации.
Устанавливают в канале измерений давления монитора значение срабатывания тревожной сигнализации по диастолическому давлению (АДДтр.с.) в диапазоне 70...80 мм рт. ст.
С помощью пневмонагнетателя монитора устанавливают значение давления в пневмосистеме монитора на 10...20 мм рт. ст. более установленного значения тревожной сигнализации (АДДтр.с.), контролируя значение давления по манометру УПКД. Снижают значение давления в пневмосистеме монитора до предварительно установленного значения тревожной сигнализации АДДтр.с.. Считывают по манометру УПКД значение давления, при котором происходит срабатывание тревожной сигнализации.
Описанные выше операции повторяют еще четыре раза, каждый раз считывая по манометру УПКД значения давлений, при которых происходит срабатывание тревожной сигнализации.
Работу системы тревожной сигнализации монитора считают нормальной, если измеренные значения давления, при которых происходит включение тревожной сигнализации, отличаются от установленных значений давления включения тревожной сигнализации по систолическому и диастолическому давлениям не более чем на 10 мм рт. ст.
8.3.3.2 Определение диапазона и абсолютной погрешности измерений давления.
Определение диапазона измерений давления совмещают с определением погрешности измерений давления.
Определение абсолютной погрешности измерений давления мониторами с отключенными встроенными блоками декомпрессии (или не имеющими их) в режиме измерений давления проводят следующим образом.
Убеждаются, что до начала измерений поверяемый монитор и УПКД находятся в условиях, оговоренных в
7.1 не менее трех часов. В УПКД краны на штуцерах ИАД N 1, ИАД N 2 и ИАД N 3 открыты.
Отсоединяют манжету от поверяемого монитора и подсоединяют его пневмосистему к штуцеру ИАД N УПКД.
Примечание - В случае проверки параметров канала артериального давления монитора, имеющего на выходе два штуцера, пневмосистему монитора подключают к штуцерам ИАД N 1 и ИАД N 2 УПКД.
Включают поверяемый монитор в электрическую сеть и прогревают его.
Переводят поверяемый канал АД монитора в режим поверки (в режим измерения статического давления).
Проверяют соответствие показаний манометра поверяемого монитора нулевому значению давления с отклонением, не превышающим значения, приведенного в РЭ монитора.
Закрывают краны на штуцерах ИАД N 1, ИАД N 2 и ИАД N 3.
На лицевой панели УПКД устанавливают тумблер ПИТАНИЕ ВКЛ в положение ВЫКЛ; вставляют вилку сетевого шнура в розетку электрической сети питания 220 В, 50 Гц; нажимают кнопку КОНТРОЛЬ ПИТ.
Устанавливают тумблер включения питания в положение ПИТАНИЕ ВКЛ и контролируют напряжение питания по цифровому индикатору дисплея УПКД (его значение: от 8,5 до 9,2 В).
Открывают кран на штуцере ИАД N 1 УПКД.
Нажимают кнопку первого (0...20 кПа) диапазона измерений на лицевой панели УПКД и прогревают манометр УПКД в течение 30 мин. После стабилизации значений давления на дисплее устанавливают нулевые показания с помощью ручек НУЛЬ ГРУБО, ТОЧНО (допускается погрешность установки нуля: +/- 2 ед. младшего разряда); нажимают кнопку второго диапазона измерений 0...50 кПа.
Задают в объединенной пневмосистеме поверяемого монитора и УПКД с помощью пневмонагнетателя монитора (и, или, пневмонагнетателя УПКД), значение давления, соответствующее верхнему пределу диапазона измерений поверяемого монитора, контролируя его по дисплею манометра УПКД.
Таблица перевода значений давления из кПа в значения давления в мм рт. ст. и обратно приведена в
приложении Б.
Примерно через 5 с считывают установившиеся значения давления с дисплеев УПКД
Pэ и поверяемого монитора
Pмон и записывают эти показания в
таблицу 8.
Значение давления в пневмосистеме, воспроизводимое УПКД, Pэ, мм рт. ст. | Значение давления, считываемое с дисплея монитора Pмон, мм рт. ст. | Погрешность измерений давления монитором,  , мм рт. ст. | Пределы допускаемой погрешности измерений давления, мм рт. ст. |
280 (или другое значение давления, указанное в ЭД на монитор как верхняя граница диапазона измерений давления) | | | +/- 3 |
| | | |
| | |
100 +/- 5 | | |
50 +/- 5 | | |
30 (или другое значение давления, указанное в ЭД на монитор как нижняя граница диапазона измерений давления) | | |
<*> Верхняя граница накачки давления для мониторов, предназначенных для измерений АД у новорожденных: 140 мм рт. ст.; у детей от 1 до 14 лет: 200 мм рт. ст. |
Приоткрывают клапан декомпрессии на пневмонагнетателе УПКД и снижают давление в пневмосистеме до 200 +/- 5 мм рт. ст. и примерно через 5 с считывают и записывают установившиеся показания манометра УПКД
Pэ и манометра поверяемого монитора
Pмон в
таблицу 8.
Аналогично задают в объединенной пневмосистеме поверяемого монитора и УПКД с помощью пневмонагнетателя монитора (и, или, пневмонагнетателя УПКД) все значения давления, указанные в
таблице 8, каждый раз контролируя его по дисплею УПКД. Считывают каждый раз показания с дисплея УПКД
Pэ и поверяемого монитора
Pмон и записывают их в
таблицу 8.
Примечание - Для мониторов, не имеющих опции измерения давления в статическом режиме, допускается проведение поверки в динамическом режиме посредством одновременного считывания значений давления с дисплеев монитора и установки УПКД. При этом пределы допускаемой погрешности измерений монитором давления не должны превышать значений приведенных в
таблице N 8.
Канал АД монитора считают прошедшим поверку, если его пневмосистема герметична, скорость снижения давления в результате утечек воздуха не превышает установленных пределов, клапаны автоматического и аварийного сброса давления работоспособны, система тревожной сигнализации работает нормально и значение абсолютной погрешности измерений давления
поверяемого монитора во всем диапазоне измерений давления в манжете: не более 0,4 кПа (3 мм рт. ст.).
8.3.3.3 Определение относительной погрешности измерений частоты пульса (ЧП)
Подсоединяют манжету к электронному блоку монитора (если она была ранее отсоединена).
В соответствии с указаниями руководств по эксплуатации включают монитор и УПКЧП в электрическую сеть и прогревают их.
Убеждаются в работоспособности УПКЧП по пульсирующему свечению светодиода на панели управления и наличию ударов штока соленоида по мембране.
Надевают манжету поверяемого монитора на цилиндрическую часть УПКЧП, как на предплечье при измерениях давления.
Примечание - Манжету надевают так, чтобы она закрывала полностью цилиндрическую часть УПКЧП, а место выхода резинового патрубка, соединяющего манжету с электронным блоком поверяемого монитора, располагалось над мембраной.
Переводят монитор в режим измерений частоты пульса (ЧП).
Устанавливают переключателем на панели управления УПКЧП частоту пульса,
fуст1, равную 40 мин
-1; включают поверяемый монитор в режим измерений ЧП по каналу АД. По окончании процесса измерений считывают показание
fмон1, мин
-1, с экрана монитора; заносят значения
fмон1 и
fуст1 в
таблицу 9.
Значение частоты генерации импульсов в установке УПКЧП fуст, мин-1 | Значение частоты регистрируемых монитором импульсов fмон, мин-1 | Относительная погрешность измерений  , мин -1 |
200 | | |
160 | | |
120 | | |
80 | | |
60 | | |
40 | | |
Аналогичные операции повторяют при установке на УПКЧП следующих значений ЧП: fуст2 = 60 мин-1; fуст3 = 80 мин-1; fуст4 = 120 мин-1; fуст5 = 160 мин-1; fуст5 = 200 мин-1.
Считывают соответствующие значения
fмон i (где
i = 2, 3, 4, 5 - номер положения переключателя задания ЧП на панели управления УПКЧП), заносят значения
fмон и
fуст в
таблицу 9.
Вычисляют относительную погрешность измерений ЧП поверяемого монитора

, в процентах, для всех значений частоты по формуле

(8)
и записывают полученные значения

в
таблицу 9.
Канал АД монитора считают прошедшим поверку, если максимальное значение
: не более значений погрешности измерений ЧП, указанных в РЭ монитора.
8.3.4 Определение метрологических характеристик каналов измерений температуры
8.3.4.1 Определение диапазона и абсолютной погрешности измерений температуры. Проверка срабатывания тревожной сигнализации
Устанавливают термостат рядом с поверяемым монитором. В каналах измерений температуры монитора устанавливают пределы тревожной сигнализации, соответствующие нижней и верхней границам измерений температуры (например, нижняя граница: 33,5 °C, верхняя граница: 39,5 °C).
Устанавливают в термостате переключатель температуры в положение, обеспечивающее температуру воды в термостате, равную 33 °C, и выводят термостат в стационарный режим.
После выхода термостата в стационарный режим температуру воды в термостате измеряют с помощью термометра ТР-1 N 9. После этого датчик (датчики) температуры монитора помещают в термостат с водой (по возможности ближе к месту установки термометра ТР-1) и держат в воде при установившейся температуре не менее 100 с.
Считывают показания термометра ТР-1 (
tТР-1) и значение температуры воды в термостате измеренной поверяемым монитором (
tмон); записывают их в протокол по форме
таблицы 10. Убеждаются в том, что измеренное монитором значение температуры не отличается от показаний ртутного термометра более чем на 0,2 °C и срабатывает тревожная сигнализация при соответствии значения температуры воды в термостате нижней границе диапазона измерений поверяемого монитора.
Значение температуры воды, устанавливаемое в термостате, °C | Значение температуры воды, измеренное термометром ТР-1, tтр-1, °C | Значение температуры воды, измеренное монитором, tмон, °C | Абсолютная погрешность измерений температуры,  , °C |
33 | | | |
37 | | | |
40 | | | |
42 | | | |
Аналогичные операции проводят при установке в термостате значений температуры 37 °C, 40 °C, 42 °C (для каждого значения установки температуры термостат выводят в стационарный режим с проверкой установленных значений температуры с помощью термометров ТР-1 N 10, N 11). Убеждаются в том, что при установленном в термостате значении температуры 37 °C тревожная сигнализация не включается, а при температуре 40 °C и более срабатывает. Результаты измерений температуры записывают в протокол по форме
таблицы 10.
Примечание - Для предотвращения повреждения термометров ТР-1 измерения температуры воды в термостате выполняют: в диапазоне температур 32 °C...36 °C термометром ТР-1 N 9; в диапазоне температур 36 °C...40 °C - термометром ТР-1 N 10; в диапазоне температур 40 °C...42 °C - термометром ТР-1 N 11.
Канал измерений температуры монитора считают прошедшим поверку, если значения температуры, измеренные монитором, отличаются от показаний термометров ТР-1 не более чем на 0,2 °C во всем диапазоне измеряемых температур или значения погрешности измерений температуры монитором, указанного в ЭД, если оно менее 0,2 °C, и включается тревожная сигнализация при выходе значений измеряемой температуры за установленные границы.
8.3.5 Определение метрологических характеристик канала РЕО
Определение метрологических характеристик канала РЕО проводят на мониторах, имеющих в своем составе канал РЕО, при соединении приборов в соответствии со схемой, приведенной на
рисунке 7.
ГФ-05 - генератор функциональный;
ПНС-ГФ - преобразователь "напряжение-сопротивление";
УС-ПНС - устройство согласования ПНС-ГФ.
Рисунок 7 - Схема соединений приборов при определении
метрологических характеристик канала РЕО
8.3.5.1 Определение диапазона и относительной погрешности измерений базового сопротивления
В адаптер генератора ГФ-05 устанавливают ПЗУ "РГ-1МИ" с испытательным реосигналом "РГ-1".
Органы управления генераторов ГФ-05 и преобразователя "напряжение-сопротивление" ПНС-ГФ устанавливают в следующие положения:
На генераторе ГФ-05:
Вид сигнала - нажата кнопки "A" или кнопки "A" и "B" (в зависимости от схемного решения канала РЕО для получения полярности сигнала согласно
рисунку 8);
ЧАСТОТА Hz - нажаты кнопки "10" и "1:10";
РАЗМАХ СИГН V, mV - положение кнопок безразлично (для ПНС-ГФ выпуска после ноября 1998 г.); согласно техническому описанию для получения на выходе ПНС-ГФ

(для ПНС-ГФ выпуска до ноября 1998 г.).
Рисунок 8 - Форма испытательного реосигнала "РГ-1"
На ПНС-ГФ:
Rо - нажата кнопка "20" (20 Ом);

- нажата кнопка "0,25" (0,25 Ом).
В окне "РЕО" монитора наблюдают измеренное значение базового сопротивления
Rбаз (
Rо), которое находится в пределах (20 +/- 2) Ом, а изображение объемной реограммы (испытательного реосигнала "РГ-1") соответствует
рисунку 8.
Аналогичные наблюдения измеренных значений базового сопротивления
Rбаз (
Rо) осуществляют при установке на ПНС-ГФ значений
Rо и

согласно
таблице 11.
Значения сопротивлений, устанавливаемых на ПНС-ГФ | Допускаемые значения Rбаз, Ом | Измеренные значения Rбаз, Ом |
Rо, Ом | | ном | мин | макс |
10 | 0,05 | 10 | 9 | 11 | |
20 | 0,1 | 20 | 18 | 22 | |
50 | 0,25 | 50 | 45 | 55 | |
100 | 0,25 | 100 | 90 | 110 | |
200 | 0,5 | 200 | 180 | 220 | |
500 | 0,5 | 500 | 450 | 550 | |
Канал РЕО монитора считают прошедшим поверку (погрешность измерений базового сопротивления каналом РЕО: не более 10%), если измеренные с его помощью значения Rбаз находятся в пределах, указанных в таблице 11 (или в ЭД, если они точнее значений, указанных в таблице 11).
8.3.5.2 Определение диапазона и относительной погрешности измерений размаха переменной составляющей сопротивления, амплитудных и временных параметров объемной реограммы
На генераторе ГФ-05 с ПЗУ "РГ-1МИ" положения органов управления устанавливают в соответствии с указаниями, приведенными в
8.3.5.1.
На ПНС-ГФ устанавливают
Rо = 20 Ом,

.
В режиме остановки развертки с помощью маркеров проводят измерения амплитудных и временных параметров записанного сигнала, указанных в
таблице 11.
Аналогичные измерения проводят при установке на ПНС-ГФ значений сопротивлений
Rо = 500 Ом,

.
Полученные результаты измерений сравнивают с данными, приведенными в
таблице 12.
| Предел допускаемой относительной погрешности, % | Допускаемые значения параметров при установке на ПНС-ГФ значений Rо и  |
 ; Rо = 20 Ом |  ; Rо = 500 Ом |
ном | мин | макс | ном | мин | макс |
Амплитудные параметры объемной реограммы |
1 Амплитуда систолической волны реограммы Ас, Ом (реперные точки 1...3) | 10 | 0,25 | 0,225 | 0,275 | 1,0 | 0,86 | 1,14 |
2 Уровень инцизуры, Аи, Ом (реперные точки 1...5) | 10 | 0,098 | 0,088 | 0,108 | 0,39 | 0,34 | 0,44 |
3 Амплитуда диастолической волны реограммы. Ас, Ом (реперные точки 1...6) | 10 | 0,107 | 0,096 | 0,118 | 0,43 | 0,37 | 0,49 |
Временные параметры объемной реограммы |
4 Время максимального систолического наполнения, Т1, мс (реперные точки 1...3) | 10 | 156 | 140,4 | 171,6 | 156 | 140,4 | 171,6 |
5 Время катакроты, Т2, мс (реперные точки 1...6) | 10 | 470 | 423,0 | 517,0 | 470 | 423,0 | 517,0 |
Канал РЕО монитора считают прошедшим поверку, если измеренные значения амплитудных и временных параметров объемной реограммы находятся в пределах, указанных в таблице 12 (или в ЭД, если они точнее значений, указанных в таблице 12).
8.3.6 Определение метрологических характеристик канала частоты дыхания импедансным методом
Определение метрологических характеристик канала измерения частоты дыхания (канала ЧД) проводят только на мониторах, укомплектованных электрокардиоблоком с каналом ЧД.
8.3.6.1 Определение диапазона и погрешности измерений ЧД
Определение диапазона и погрешности измерений ЧД проводят в соответствии со схемой, приведенной на
рисунке 9.
Т - тройник (BNS Т - коннектор)
Рисунок 9 - Схема соединения приборов при определении
метрологических характеристик канала дыхания
импедансным методом при первичной поверке
При первичной поверке в адаптер генератора ГФ-05 N 1 устанавливают ПЗУ "РГ-1МИ", а в адаптер генератора ГФ-05 N 2 - ПЗУ "4".
Органы управления генератора ГФ-05 N 1 с ПЗУ "РГ-1МИ" устанавливают в следующие положения:
Вид сигнала - кнопки "A", "B" и "C" отжаты;
РАЗМАХ СИГН V, mV - нажаты кнопки "5,0", "4,0" и "1,0" (10 В);
ЧАСТОТА, Hz - нажаты кнопки "10" и "1:10" (1,0 Гц).
Органы управления генератора ГФ-05 N 2 с ПЗУ "4" устанавливают в следующие положения:
Вид сигнала - нажаты кнопки "A" и "B" (испытательный ЭКГ-сигнал);
РАЗМАХ СИГН V, mV - нажаты кнопки "5,0", "4,0" "1,0" (10 мВ);
ЧАСТОТА, Hz - нажаты кнопки "75" и "1:100" (0,75 Гц).
На ПНС-ГФ устанавливают Rо = 10 Ом,

.
Устанавливая на мониторе значения масштаба (чувствительности) и скорости развертки, удобные для наблюдения производят сравнение формы регистрируемых сигналов в каналах ЭКГ и дыхания.
Примерная форма сигналов приведена на
рисунке 10. При этом в канале ЭКГ должно отсутствовать изменение временных интервалов (комплекса QRS, интервалов QT и PQ, длительности зубца P, см.
приложение А) от периода к периоду при изменении частоты дыхания в диапазоне от 6 до 60 мин
-1. В позиции
Дыхание на экране монитора через время, указанное в ЭД, после нажатия на генераторе ГФ-05 N 1 кнопки установки частоты должно появиться измеренное значение частоты дыхания, равное (60 +/- 2) мин
-1.
Рисунок 10 - Форма сигналов в каналах ЭКГ и дыхания.
(синхронизация сигналов по каналам отсутствует)
Оценку диапазона и абсолютной погрешности измерения частоты дыхания производят при установке значений частоты на генераторе ГФ-05 N 1 согласно
таблице 13.
Установка частоты на ГФ-05 N 1 | Номинальное значение ЧД, 1/мин | Измеренное значение ЧД, 1/мин | Допускаемая погрешность измерения, 1/мин |
Нажаты кнопки | Частота, Гц |
10 и 1:100 | 0,1 | 6 | | +/- 2 |
2 и 1:10 | 0,2 | 12 | | +/- 2 |
5 и 1:10 | 0,5 | 30 | | +/- 2 |
10 и 1:10 | 1,0 | 60 | | +/- 3 |
Периодическая поверка по определению диапазона и погрешности измерения частоты дыхания проводится согласно схеме, приведенной на
рисунке 9, но без генератора ГФ-05 N 2. При этом в канале ЭКГ должен отсутствовать сигнал.
Канал дыхания монитора считается прошедшим поверку, если при всех указанных значениях частоты генератора ГФ-05 N 1 на экране наблюдается сигнал дыхания без видимых искажений формы, а измеренные значения ЧД находятся в пределах, указанных в таблице 13 (или в ЭД, если они строже значений, указанных в таблице 13).
9 Оформление результатов поверки
9.1 При положительных результатах поверки на монитор оформляют свидетельство о поверке или делают запись и наносят оттиск поверительного клейма в его паспорт. В свидетельство о поверке, оформляемое в соответствии с
ПР 50.2.006, записывают значения всех поверенных параметров.
9.2 При отрицательных результатах поверки свидетельство о поверке аннулируют, выдают извещение о непригодности с указанием причин в соответствии с
ПР 50.2.006, гасят оттиск поверительного клейма в паспорте и вносят запись в паспорт о непригодности монитора и необходимости его поверки после ремонта.
(справочное)
ФОРМА И НАИМЕНОВАНИЯ АМПЛИТУДНЫХ И ВРЕМЕННЫХ ПАРАМЕТРОВ
ЭЛЕМЕНТОВ ИСПЫТАТЕЛЬНОГО ЭКГ-СИГНАЛА
А6 - амплитуда зубца R; А8 - амплитуда зубца R';
А7 - амплитуда седловины зубца R; А2, А4 - амплитуда зубца
P; А5 - амплитуда седловины зубца Q; А3 - амплитуда
седловины зубца P; Т2 - длительность зубца P; Т6 - интервал
PQ (PR); Т4 - длительность зубца Q; Т9 - интервал
внутреннего отклонения QR макс; Т8 - интервал внутреннего
отклонения QR макс; Т5 - длительность зубца R;
Т3 - длительность комплекса QRS; Т1 - интервал RR;
Т7 - интервал QT; Т10 - длительность зубца T; А9 - уровень
сегмента ST; А1 - размах сигнала; Т11 - интервал от начала
зубца T до окончания зубца P; А10 - амплитуда зубца T
Рисунок А.1 - Наименования элементов испытательного
ЭКГ-сигнала в отведениях I, II, aVL, aVF, V1 - V6
А1 - размах сигнала; А2, А4 - амплитуда зубца P;
А3 - амплитуда седловины зубца P; А5 - амплитуда зубца R;
А6 - амплитуда зубца S; А7 - амплитуда седловины зубца S;
А8 - амплитуда зубца S'; А9 - уровень сегмента ST;
А10 - амплитуда зубца T; Т1 - интервал RR; Т2 - длительность
зубца P; Т3 - комплекс QRS; Т4 - длительность зубца R;
Т5 - длительность зубца S; Т6 - интервал PR (PQ);
Т7 - интервал QT; Т8 - интервал внутреннего отклонения (DAV)
QRмакс; Т9 - длительность зубца T
Рисунок А.2 - Наименования элементов испытательного
ЭКГ-сигнала в отведении aVR
(справочное)
ПЕРЕВОД ЗНАЧЕНИЙ ДАВЛЕНИЯ В кПа
В ЗНАЧЕНИЯ ДАВЛЕНИЯ В ММ РТ. СТ. И ОБРАТНО
Таблица Б.1
мм рт. ст. | мм рт. ст. |
0 | 1 | 2 | 3 | 4 | 5 | 6 | 7 | 8 | 9 |
кПа |
0 | 0 | 0,13 | 0,26 | 0,33 | 0,53 | 0,66 | 0,79 | 0,93 | 1,06 | 1,19 |
10 | 1,33 | 1,46 | 1,59 | 1,73 | 1,86 | 1,99 | 2,13 | 2,26 | 2,39 | 2,53 |
20 | 2,66 | 2,79 | 2,93 | 3,06 | 3,19 | 3,33 | 3,46 | 3,59 | 3,73 | 3,86 |
30 | 3,99 | 4,13 | 4,26 | 4,39 | 4,53 | 4,66 | 4,79 | 4,93 | 5,06 | 5,19 |
40 | 5,33 | 5,46 | 5,59 | 5,73 | 5,86 | 5,99 | 6,13 | 6,26 | 6,39 | 6,53 |
50 | 6,66 | 6,79 | 6,93 | 7,06 | 7,19 | 7,33 | 7,46 | 7,59 | 7,73 | 7,86 |
60 | 7,99 | 8,13 | 8,26 | 8,39 | 8,53 | 8,66 | 8,79 | 8,93 | 9,06 | 9,19 |
70 | 9,33 | 9,46 | 9,59 | 9,73 | 9,86 | 9,99 | 10,13 | 10,26 | 10,39 | 10,53 |
80 | 10,66 | 10,79 | 10,93 | 11,06 | 11,19 | 11,33 | 11,46 | 11,59 | 11,73 | 11,86 |
90 | 11,99 | 12,13 | 12,26 | 12,39 | 12,53 | 12,66 | 12,79 | 12,93 | 13,06 | 13,19 |
УДК 389.14 | | Т 88.8 |
Ключевые слова: мониторы медицинские, методика поверки |