Главная // Актуальные документы // Методическое пособиеСПРАВКА
Источник публикации
М., 2019
Примечание к документу
Название документа
"Методическое пособие по проектированию стальных закладных деталей для железобетонных конструкций"
"Методическое пособие по проектированию стальных закладных деталей для железобетонных конструкций"
МИНИСТЕРСТВО СТРОИТЕЛЬСТВА И ЖИЛИЩНО-КОММУНАЛЬНОГО
ХОЗЯЙСТВА РОССИЙСКОЙ ФЕДЕРАЦИИ
ФЕДЕРАЛЬНОЕ АВТОНОМНОЕ УЧРЕЖДЕНИЕ
"ФЕДЕРАЛЬНЫЙ ЦЕНТР НОРМИРОВАНИЯ, СТАНДАРТИЗАЦИИ
И ТЕХНИЧЕСКОЙ ОЦЕНКИ СООТВЕТСТВИЯ В СТРОИТЕЛЬСТВЕ"
МЕТОДИЧЕСКОЕ ПОСОБИЕ
ПО ПРОЕКТИРОВАНИЮ СТАЛЬНЫХ ЗАКЛАДНЫХ ДЕТАЛЕЙ
ДЛЯ ЖЕЛЕЗОБЕТОННЫХ КОНСТРУКЦИЙ
Пособие содержит основные положения по проектированию сварных закладных деталей для конструкций из тяжелого бетона, требования к материалам, методам расчета, конструктивные требования, а также примеры расчета. Применение положений и расчетных методик настоящего пособия позволит выполнять эффективное проектирование закладных деталей.
В основу данного методического пособия положены рекомендации
[8], исследования НИИЖБ им. А.А. Гвоздева
[4] -
[7], а также
[1] -
[3].
Пособие разработано авторским коллективом АО "НИЦ "Строительство" - НИИЖБ им. А.А. Гвоздева (руководитель - М.Г. Коревицкая, исполнители: кандидаты техн. наук С.И. Иванов, А.Н. Болгов, Д.В. Кузеванов, А.З. Сокуров, инж. Р.Р. Кунижев).
Настоящее методическое пособие разработано в развитие положений
приложения Б СП 63.13330.2018 "СНиП 52-01-2003 Бетонные и железобетонные конструкции. Основные положения" для реализации проектировщиками требований, заложенных в строительных нормах и правилах, и выполнения более грамотного и рационального проектирования узлов крепления и соединения конструкций с учетом общих положений норм проектирования бетонных и железобетонных конструкций.
Задачи разработки методического пособия:
- разъяснение особенностей проектирования стальных закладных деталей в железобетоне с учетом требований
СП 63.13330.2018 "СНиП 52-01-2003 Бетонные и железобетонные конструкции. Основные положения";
- повышение конструктивной надежности при проектировании несущих и ограждающих конструкций, а также узлов соединения конструктивных элементов;
- снижение сроков проектирования за счет определения порядка применения и выбора типовых решений по закладным деталям;
- рекомендации и разъяснения по эффективному конструированию закладных деталей на основе учета комплекса силовых факторов, а также особенностей бетонного основания для крепления.
При разработке методического пособия использован отчет
[6].
Настоящее методическое пособие распространяются на проектирование сварных закладных деталей для конструкций из тяжелого бетона классов по прочности B15 - B60 с нормальными и/или наклонными анкерами.
Допускается применение пособия для проектирования в бетоне класса по прочности выше B60, при этом расчетные характеристики бетона следует принимать как для класса B60.
Методическое пособие устанавливает требования к расчету закладных деталей с одиночным анкером и с группой анкеров, воспринимающих действие статических нагрузок растяжения и сдвига, в том числе при совместном их действии.
Рекомендации настоящего методического пособия распространяются на проектирование зданий и сооружений нормального (КС-2) и пониженного (КС-3) уровней ответственности, согласно
ГОСТ 27751, могут применяться также для сооружений уровня КС-1 при соответствующем обосновании, учитывающем повышенные требования к надежности и долговечности конструкций и их соединений.
В настоящем методическом пособии использованы ссылки на следующие нормативные документы:
ГОСТ 14098-2014 Соединения сварные арматуры и закладных изделий железобетонных конструкций. Типы, конструкции и размеры
ГОСТ 27751-2014 Надежность строительных конструкций и оснований. Основные положения
СП 20.13330.2016 "СНиП 2.01.07-85* Нагрузки и воздействия" (с изменениями N 1, N 2)
СП 28.13330.2017 "СНиП 2.03.11-85 Защита строительных конструкций от коррозии" (с изменениями N 1, N 2)
СП 63.13330.2018 "СНиП 52-01-2003 Бетонные и железобетонные конструкции. Основные положения" (с изменением N 1)
СП 70.13330.2012 "СНиП 3.03.01-87 Несущие и ограждающие конструкции" (с изменениями N 1, N 3)
Примечание - При пользовании настоящим методическим пособием целесообразно проверить действие ссылочных стандартов (сводов правил) в информационной системе общего пользования - на официальном сайте Федерального агентства по техническому регулированию и метрологии в сети Интернет или по ежегодному информационному указателю "Национальные стандарты", который опубликован по состоянию на 1 января текущего года, и по выпускам ежемесячного информационного указателя "Национальные стандарты" за текущий год. Если заменен ссылочный документ, на который дана не датированная ссылка, то рекомендуется использовать действующую версию этого документа с учетом всех внесенных в данную версию изменений. Если заменен ссылочный документ, на который дана датированная ссылка, то рекомендуется использовать версию этого документа с указанным выше годом утверждения (принятия). Если после утверждения настоящего документа в ссылочный стандарт, на который дана датированная ссылка, внесено изменение, затрагивающее положение, на которое дана ссылка, то это положение рекомендуется применять без учета данного изменения. Если ссылочный документ отменен без замены, то положение, в котором дана ссылка на него, рекомендуется применять в части, не затрагивающей эту ссылку. При пользовании настоящим стандартом целесообразно проверить действие ссылочного сводка правил в Федеральном информационном фонде стандартов.
3 Термины, определения и обозначения
3.1 Термины и определения
В настоящем пособии использованы следующие термины и определения:
3.1.1 анкер: Элемент закладной детали, передающий усилие с опорной пластины на бетон основания.
3.1.2 анкерная группа: Совокупность анкеров, вовлеченных в работу на растяжение и сдвиг закладной детали.
3.1.3 анкер с усилением: Анкер с пластиной, высаженной головкой или поперечным стержнем на свободном конце.
3.1.4 глубина заделки анкера: Длина анкера в бетоне, измеряемая от поверхности основания до наиболее заглубленной его части.
3.1.5
закладная деталь: Строительное изделие, служащее для соединения строительных конструкций между собой или прикрепления к ним технологического оборудования, закладываемое в конструкцию до бетонирования, которое включает опорную пластину и приваренные к ней анкеры
(рисунок 3.1).
В зависимости от ориентации анкеров относительно опорной пластины различают закладные детали с нормальным, наклонным или комбинированным расположением анкеров.
а - без усилений; б - с анкерными пластинами;
в - с высаженными головками; г - с двумя пластинами
(типа "закрытый столик")
Рисунок 3.1 - Основные типы закладных деталей
с нормальными анкерами
3.1.6 опорная пластина: Элемент закладной детали, передающий усилие с прикрепляемой детали на анкеры.
3.1.7 основание (бетонное): Несущая или ограждающая бетонная или железобетонная конструкция или ее часть, воспринимающее усилия прикрепления.
3.1.8 рабочая глубина заделки: Расчетная длина анкера в бетоне, измеряемая от поверхности основания до наиболее заглубленной его части или начала его усиления (рисунок 3.2).
а - с анкерами из арматуры без опорной пластины; б - то же,
с анкерами с усилением; в - с широкой опорной пластиной
при b1 > 0,5hnom или t > 0,2hnom; г - то же, с узкой
анкерной пластиной при b1 <= 0,5hnom или t <= 0,2hnom
Рисунок 3.2 - Схема закладных деталей
с рабочей глубиной заделки hef
3.1.9
жесткая опорная пластина: Пластина, деформациями которой в расчете можно пренебречь и использовать гипотезу плоских сечений (см.
7.10).
3.1.10 гибкая опорная пластина: Пластина, деформации которой необходимо учитывать в расчете.
В настоящем пособии применены следующие обозначения (см. совместно с
рисунками 3.2 -
3.3):
Геометрические характеристики:
a - расстояние между осями крайних анкеров закладной детали или между осями одиночных анкеров; a1 - расстояние между осями крайних анкеров закладной детали между осями одиночных анкеров в направлении 1; a2 - расстояние между осями крайних анкеров закладной детали между осями одиночных анкеров в направлении 2. |
b, l - ширина и длина опорной пластины закладной детали;
c - расстояние от оси анкера до края основания (краевое расстояние); c1 - расстояние от оси анкера до края основания в направлении 1 (для анкера, работающего на сдвиг, направление 1 выбирают перпендикулярно к краю в направлении сдвигающего усилия); c2 - расстояние от оси анкера до края основания в направлении 2 (направление 2 выбирают перпендикулярно к направлению 1); cmin - минимально допустимое расстояние от оси анкера до края основания. |
d - диаметр анкера или арматурного стержня;
dnom - внешний диаметр анкера (номинальный диаметр для стержневой арматуры);
hef - рабочая глубина заделки;
h - толщина бетонного основания; hnom - общая глубина заделки анкера в основание; s - расстояние (шаг) между осями анкеров в закладной детали (межосевое расстояние); s1 - расстояние (шаг) между осями анкеров в закладной детали в направлении 1; s2 - расстояние (шаг) между осями анкеров в закладной детали в направлении 2; smin - минимально допустимое расстояние (шаг) между осями анкеров в закладной детали. |
tfix - толщина опорной пластины закладной детали.
Внешние силы на закладную деталь:
N - растягивающая сила;
V - сдвигающая сила;
M - изгибающий момент относительно оси, находящейся в плоскости опорной пластины, проходящий через центр тяжести всех анкеров;
T - крутящий момент.
Внутренние усилия:
Nan - растягивающее усилие в одиночном анкере, действующее вдоль оси анкера;
Van - сдвигающее усилие в одиночном анкере, действующее перпендикулярно оси анкера;
Nan,tot - растягивающее усилие в анкерной группе закладной детали;
Van,tot - сдвигающее усилие в анкерной группе закладной детали.
Предельные усилия:
Nult - предельное значение осевого растягивающего усилия в одиночным анкере или анкерной группе закладной детали;
Vult - предельное значение сдвигающего усилия в одиночным анкере или анкерной группе закладной детали.
Рисунок 3.3 - Обозначение параметров
взаимного расположения анкеров
4 Классификация закладных деталей
4.1 По расположению анкеров относительно опорной пластины закладные детали разделяют на:
- с комбинированным расположением анкеров (рисунок 4.1).
а - в - с наклонными анкерами, приваренными
внахлестку и нормальными; г - с наклонными анкерами,
приваренными под слоем флюса
Рисунок 4.1 - Закладные детали с нормальными, наклонными
и комбинированными анкерами
4.2 По толщине опорной пластины следует различать закладные детали:
- с жесткой пластиной;
- с гибкой пластиной.
4.3 По конструкции анкеров следует различать закладные детали:
- с анкерами без усиления;
- с анкерами с усилением на концах в виде анкерных пластин, высаженных головок, приваренных коротышей и др.;
- с двумя анкерными пластинами по типу "закрытый столик";
- с жесткими сдвиговыми анкерами, воспринимающих сдвигающую силу: упорами ("шпорами"), шпонками и т.п.;
- с гибкими сдвиговыми анкерами.
5.1 Расчет закладных деталей следует выполнять по предельным состояниям первой и второй группы согласно
ГОСТ 27751. Расчеты по предельным состояниям первой группы (по прочности) выполняют в соответствии с
разделом 8. Расчеты по предельным состояниям второй группы (по деформациям) в случае необходимости ограничения деформаций или же вычисление податливости, выполняют в соответствии с
разделом 9.
5.2 Расчет на динамические воздействия и сейсмические должен выполняться с учетом дополнительных указаний.
5.3 При размещении анкеров закладных деталей в основании должны быть соблюдены конструктивные требования к толщине основания, минимальным краевым и межосевым расстояниям установки анкеров, минимальной прочности основания, приведенные в
разделе 10.
Примечание - Конструктивные требования к размещению анкеров определяются условиями сохранения целостности основания.
При размещении закладных деталей следует выделять зоны расположения вблизи и вдали от края основания (рисунок 5.1). Закладная деталь считается расположенной вблизи от края при попадании хотя бы одного из анкеров группы в соответствующую зону по рисунку 5.1. |
Примечание - Выделение зон установки "вблизи от края" и "вдали от края" позволяет отказаться от ряда проверок прочности.
lc - расстояние, определяющее границу зоны размещения
анкеров вблизи от края; 1 - зона размещения анкеров вблизи
от края; 2 - зона размещения анкеров вдали от края;
3 - анкер, расположенный вблизи от края (c < lc);
4 - анкер, расположенный вдали от края (c >= lc).
Рисунок 5.1 - Зоны размещения закладной детали
5.5 Настоящее пособие распространяется на расчет закладных деталей, содержащих не более трех анкеров в ряду (см.
рисунок 5.2).
При расчете закладных деталей следует учитывать распределение усилий между анкерами.
Рисунок 5.2 - Допускаемые формы расположения анкеров
в закладной детали при расположении вдали от края основания
5.6 В закладной детали следуют применять анкеры одной длины и диаметра.
5.7 Настоящее пособие распространяется на проектирование закладных деталей, подвергающихся действию сдвигающей силы или сдвигающей и растягивающей силы, расположенных:
- при установке вдали от края для схем, указанных на
рисунке 5.2;
- при установке вблизи от края для схем, указанных на рисунке 5.3.
Рисунок 5.3 - Допускаемые формы расположения анкеров
в закладной детали при расположении вблизи от края основания
5.8 Закладные детали следует считать расположенными вблизи от края в случае, если ближайший по направлению действия сдвигающей силы анкер расположен на расстоянии менее 10hef или 60dnom.
5.9 На приваренные к пластине закладной детали упоры из полосовой стали или арматурных коротышей (см.
10.9) допускается передавать не более 30% сдвигающей силы, действующей на деталь при напряжениях в бетоне под упорами, равных
Rb.
5.10 Бетонное основание в зоне закладных деталях в общем случае следует принимать с трещинами. Учитывать отсутствие трещин в зоне установки анкеров допускается только при соответствующем расчетном обосновании.
5.11 В расчете закладных деталей следует принимать шарнирное соединение нормальных анкеров и опорной пластины.
6 Требования к материалам
6.1 Нормативные и расчетные сопротивления бетона основания и его начальный модуль упругости следует принимать согласно
СП 63.13330 в зависимости от класса бетона по прочности на сжатие, с учетом коэффициентов работы

.
6.2 Анкеры закладных деталей рекомендуется проектировать преимущественно из арматурной стали классов А240, А400, А500 и Ат500С диаметров 8 - 25 мм.
6.3 Марку стали пластин закладных деталей и материалы для сварки следует назначать с учетом требований
СП 16.13330.
7.1 Усилия в анкерах закладных деталей следует определять согласно
[5], а также требований
7.5 -
7.23.
Усилия в опорных пластинах рекомендуется определять по результатам расчета с помощью метода конечных элементов.
7.2 Расчет закладных деталей по прочности и эксплуатационной пригодности (по деформациям) следует выполнять, принимая расчетные и нормативные значения нагрузок и соответствующие им коэффициенты надежности по
ГОСТ 27751 и
СП 20.13330.
7.3 Усилия в анкерах закладных деталей следует определять для каждого анкера в отдельности, а также для группы анкеров, работающих совместно по соответствующему механизму разрушения (анкерной группы).
Определение усилий в анкерах закладной детали при растяжении
7.4
Для расчета анкеров при действии осевой растягивающей силы определяется растягивающее усилие в наиболее нагруженном анкере Nan,max, а также значение суммарного растягивающего усилия Nan,tot, действующего в анкерной группе, и его эксцентриситет eN,1, eN,2 относительно центра тяжести анкерной группы. При этом в рассматриваемую анкерную группу включают только растянутые анкеры (см. рисунок 7.1). |
а - эксцентриситет в одном направлении, все анкеры растянуты; б - эксцентриситет в одном направлении, растяжение только для части анкеров; в - эксцентриситет в двух направлениях, растяжение только для части анкеров |
Рисунок 7.1 - Примеры распределения растягивающих усилий
в анкерной группе
7.5 Усилия в анкерах в общем случае следует определять с помощью программ, реализующих метод конечных элементов, учитывая следующее:
- граничные условия опорной пластины и анкеров следует моделировать с применением односторонних упругих связей, принимая их работающими только на сжатие для пластин и на растяжение для анкеров, соответственно;
- жесткость элементов связей следует назначать согласно
7.8,
7.9.
Допускается другие способы моделирования, учитывающими физическую нелинейность материалов и трещинообразование и др.
7.6 Усилия в анкерах закладных деталей допускается вычислять с применением деформационной модели и гипотезы плоских сечений по
7.12, в случае применения жесткой опорной пластины, при выполнении условия по
7.10.
7.7 Жесткость анкеров для определения расчетных усилий при растяжении
Can, кН/м, следует вычислять по формуле

(7.1)
где Aan - площадь сечения анкера, вычисляемая при его номинальном диаметре dnom;
hef - рабочая глубина заделки анкера;
Es - модуль упругости стали, принимается 200 000 Н/мм2.
Для расчетов по деформационной модели определяют приведенный модуль деформаций анкера Ean по формуле  , | (7.2) |
7.9. Коэффициент жесткости основания
Cb под анкерной пластиной следует вычислять по формуле
 , где Eb - начальный модуль упругости бетона, A - площадь сжатой зоны бетона под опорной плитой. | (7.3) |
Допускается принимать осредненное значение Cb по формуле Cb = 20·мм-1·Rb, | (7.4) |
В качестве расчетной диаграммы состояния бетона, определяющей связь между напряжениями и относительными деформациями для расчета закладных деталей следует использовать двухлинейную диаграмму состояния сжатого бетона по
6.1.21 СП 63.13330.2018 (см.
рисунок 7.2).
Значение приведенного модуля деформаций бетона Eb,red принимают  (7.5) Значения относительных деформаций  ,  принимают, отвечающими непродолжительному действию нагрузки. Для тяжелого бетона принимают  ; для мелкозернистого -  ;  . Рисунок 7.2 - Расчетная диаграмма деформирования бетона основания при сжатии Допускается выполнять расчеты с линейной диаграммой состояния сжатого бетона, принимая бетон основания как упругий материал с начальным модулем упругости 0,6 Eb при напряжениях в нем не более Rb,loc, вычисляемых по 8.1.44 СП 63.13330.2018. Rb,loc принимается не менее 1,0Rb и не более 2,5Rb в зависимости от площади сжатой зоны и удаленности опорной пластины от края основания. [ 5, пункт 5.8 и рисунок 5.2] |
Опорную пластину закладной детали допускается принимать жесткой при выполнении следующих условий: - если максимальные расчетные напряжения в пластине не превышают величины  (7.6) где Ry - расчетное сопротивление стали согласно СП 16.13330,  - коэффициент запаса, равный 1,5. - при относительной толщине пластины  , где l - расстояние между нейтральной осью ближайшим к ней растянутым анкером. |
7.11
Распределение усилий в анкерах закладной детали при выполнении гипотезы плоских сечений может быть определено (в порядке точности расчетных моделей): по деформационной модели СП 63.13330 для случая действия продольной силы и изгибающих моментов в одной или двух плоскостях по 7.12; из условий равновесия внешних и внутренних сил для случая действия изгибающего момента в одной плоскости по 7.13; упрощенно из условий равновесия внешних и внутренних сил для случая действия продольной силы и изгибающего момента в одной плоскости по 7.14. |
Определение усилий в анкерах закладной детали по деформационной модели СП 63.13330 на основе уравнений равновесия внешних сил и внутренних усилий в расчетном сечении, выполняют с учетом следующих положений: рассматривается расчетное сечение по контакту опорной пластины закладной детали и основания; распределение относительных деформаций основания и анкеров по высоте расчетного сечения принимают по линейному закону (гипотеза плоских сечений); связь между осевыми напряжениями и относительными деформациями бетона принимают по расчетным диаграммам состояния бетона по 7.9, не учитывая работу бетона на растяжение; связь между осевыми напряжениями и относительными деформациями в анкерах принимают линейной с приведенным модулем упругости анкера, не учитывая работу анкеров на сжатие; значения внешней сжимающей продольной силы, сжимающих напряжений и деформаций сжатия бетона принимают со знаком "минус"; значения внешней растягивающей продольной силы, а также растягивающих напряжений и деформаций принимают со знаком "плюс". Рисунок 7.3 - Схема расчетного сечения закладной детали с жесткой опорной пластиной при расчете по деформационной модели |
При определении усилий в анкерах по деформационной модели в общем случае (см. рисунок 7.3) используют: уравнения равновесия внешних сил и внутренних усилий в нормальном сечении элемента:  ; (7.7)  ; (7.8)  ; (7.9) уравнения, определяющие распределение деформаций по сечению элемента:  ; (7.10)  ; (7.11) зависимости, связывающие напряжения и относительные деформации бетона и арматуры:  ; (7.12)  ; (7.13) |
Mx, My - изгибающие моменты от внешней нагрузки относительно выбранных и располагаемых в пределах расчетного сечения координатных осей (соответственно действующих в плоскостях XOZ и YOZ или параллельно им), определяемые по формулам: Mx = Mxd + N·ex; (7.14) My = Myd + N·ey; (7.15) здесь Mxd, Myd - изгибающие моменты в соответствующих плоскостях от внешней нагрузки, определяемые из статического расчета конструкции; N - продольная сила от внешней нагрузки; ex, ey - расстояния от точки приложения продольной силы N до соответствующих выбранных осей; Abi, Zbxi, Zbyi,  - площадь, координаты центра тяжести i-го участка бетона и напряжение на уровне его центра тяжести; Aan, Zsxj, Zsyj,  - площадь, координаты центра тяжести j-го анкера (стального элемента) и напряжение в нем;  - относительная деформация волокна, расположенного на пересечении выбранных осей (в точке 0);  ,  - кривизна продольной оси в рассматриваемом поперечном сечении элемента в плоскостях действия изгибающих моментов Mx и My; Eb,red - приведенный модуль деформаций бетона по 7.9; Ean - приведенный модуль деформаций анкера по 7.8;  - коэффициент упругости и учета работы бетона i-го участка;  - коэффициент учета работы i-го анкера. Значения коэффициентов  и  определяют как соотношение фактических напряжений, соответствующих вычисленным деформациям по диаграммам состояний, и теоретических напряжений в линейной постановке по формулам:  ; (7.16)  . (7.17) |
Распределение усилий в анкерах закладной детали произвольной формы, на которое действуют изгибающие моменты двух направлений и продольная сила, определяют из решения системы уравнений (7.7) - (7.9) с использованием (7.10) - 7.11):  ; (7.18)  ; (7.19)  , (7.20) Жесткостные характеристики Dij ( i, j = 1, 2, 3) в системе уравнений (7.7) - (7.20) определяют по формулам:  ; (7.21)  ; (7.22)  , (7.23)  ; (7.24)  ; (7.25)  , (7.27) Обозначения в формулах см. выше. Пример реализации приведен в [ 5, приложение Б]. |
7.13 Усилия в анкерах закладных деталей с жесткой опорной пластиной для случая действия изгибающего момента в одной плоскости допускается определять из условий равновесия внешних и внутренних сил и гипотезы плоских сечений (см. рисунок 7.4).
Рисунок 7.4 - Схема усилий и эпюра распределения деформаций
в расчетном сечении закладной детали с жесткой опорной
пластиной при действии изгибающего момента
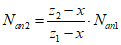
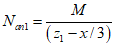
При этом высота сжатой зоны определяется по формуле  , (7.28) где  - коэффициент (1/м), вычисляемый по формуле  , (7.29) здесь Eb,red - приведенный модуль деформаций бетона по 7.8; b - ширина опорной пластины закладной детали; Can - жесткость анкера по 7.7; hef - рабочая глубина заделки анкера; n - количество анкеров в ряду (в плоскости перпендикулярной к плоскости действующего момента); z1, z 2 - расстояние от рассматриваемого ряда анкеров до наиболее сжатой грани опорной пластины (см. рисунок 7.4). Усилие в рассматриваемом ряду анкеров при этом определяют по формуле  (7.30)  , (7.31) где M - изгибающий момент от внешних нагрузок. Для случая учета только крайнего ряда анкеров высота сжатой зоны определяется из уравнения  . (7.32) Усилие в крайнем ряду анкеров для этого случая определяют по формуле  . (7.33) Обозначения в формулах см. выше. |
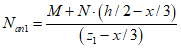
Определение усилий в анкерах закладной детали с жесткой опорной пластиной для случая действия продольной силы и изгибающего момента в одной плоскости может быть выполнено упрощенно из условий равновесия внешних и внутренних сил (см. рисунок 7.5) с учетом следующих положений: - зависимость деформаций и напряжений от неравномерного давления на основание принимается линейной, как для однородного материала; - растягивающая сила в анкерах, определяемая растянутой зоной эпюры напряжений, полностью воспринимается крайним рядом анкеров; - точка приложения силы сжатия в основании принимается в центре тяжести треугольной эпюры сжатия; - точка приложения силы сжатия в основании упрощенно может быть принята под сжатой гранью или ребром прикрепляемой детали без учета размеров сжатой зоны бетона. Для случая, когда усилия в анкерах определяются упрощенно по растянутой зоне эпюры напряжений, высота сжатой зоны в расчетном сечении может быть вычислена по формуле  , (7.34) |
где M, N - изгибающий момент и продольная сила от внешних нагрузок (положительное значение соответствует растяжению, отрицательное - сжатию); h - длина опорной пластины закладной детали, z1 - расстояние от крайнего ряда анкеров до наиболее сжатой грани опорной пластины (см. рисунок 7.5, а). а - при вычислении усилий с учетом размеров сжатой зоны тона; б - то же без учета сжатой зоны бетона Рисунок 7.5 - Схема усилий и эпюра распределения деформаций в расчетном сечении анкерного крепления с жесткой опорной пластиной при действии изгибающего момента и продольной силы при упрощенном расчете Усилие в крайнем ряду анкеров для этого случая определяют по формуле  , (7.35) Обозначения в формулах см. выше. Для случая, когда усилия определяются упрощенно при положении силы сжатия под гранью прикрепляемого элемента усилия в анкерах определяют по формулам:  , (7.36)  , (7.37) где z1, z2 - расстояние от рассматриваемого ряда анкеров до точки приложения силы сжатия (см. рисунок 7.5, б). При отсутствии второго ряда анкеров z2 принимается равной нулю; |
z3 - расстояние от точки приложения внешней продольной силы до точки приложения силы сжатия на основание (см. рисунок 7.5, б); остальные обозначения см. выше. |
7.15 При расчете анкеров закладных деталей должны учитываться дополнительные усилия - реакции отпора R, возникающие за счет эксцентриситетов и изменения условий опирания для гибких опорных пластин и дополнительные изгибающие моменты в заделке анкеров в пластины (см. рисунок 7.6).
Рисунок 7.6 - Схемы образования дополнительных усилий
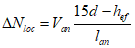
Определение усилий в группе анкеров при сдвиге
Допускается сдвигающую силу V, передаваемую на анкеры, уменьшать за счет учета трения между основанием и опорной пластиной закладной детали на величину Vfric при одновременном соблюдении следующих условий: а) закладная деталь расположена вдали от края согласно 5.4; б) отсутствуют знакопеременные или динамические воздействия на закладную деталь. Максимальная сдвигающая сила, воспринимая за счет трения, определяется по формуле  , (7.38) где Nb - сила прижатия опорной детали к основанию;  - коэффициент трения, принимаемый равным 0,25. |
7.17
При расчете анкеров в составе группы расчетные усилия следует определять как для анкерной группы в целом, так и для отдельных анкеров. |
7.18
Для расчета анкеров в составе группы при сдвиге определяется сдвигающее усилие в наиболее нагруженном анкере Van,max, а также значение суммарного сдвигающего усилия Van,tot, действующего на анкерную группу, его эксцентриситет относительно центра тяжести анкерной группы и угол, соответствующий направлению усилия Van,tot. |
7.19 В рассматриваемую анкерную группу, для которой вычисляется суммарная сила Van,tot, включают только анкеры, воспринимающие сдвигающие усилия согласно 7.20.
7.20 Распределение сдвигающей силы между анкерами в составе группы следует принимать в зависимости от рассматриваемого механизма разрушения и направления сдвигающей силы:
а) для случаев разрушения по стали и выкалыванию бетона за анкером, распределение сдвигающих усилий следует принимать равномерным между всеми анкерами (см.
рисунок 7.7);
б) для случая разрушения от откалывания края основания при действии сдвигающей силы поперек края, усилие или его компоненты следует распределять наиболее невыгодным образом только на крайние анкеры (см.
рисунок 7.8).
в) для случая разрушения от откалывания края основания при действии сдвигающей силы параллельно краю, усилие или его компоненты следует распределять равномерно на все анкеры, при этом в анкерную группу включают только крайние анкеры (см.
рисунок 7.8).
а | | Van,max = Van,1 = Van,2 = V/2; Van,tot = Van,1 + Van,2 = V; |
б | | Van,max = Van,1 = Van,2 = Van,3 = V/3; Van,tot = Van,1 + Van,2 + Van,3 = V; |
в | | |
Van,1,1 = Van,2,1 = Van,3,1 = Van,4,1 = V1/4; Van,1,2 = Van,2,2 = Van,3,2 = Van,4,2 = V2/4; Van,max = Van,1 = Van,2 = Van,3 = Van,4 = V/4; |
Van,tot,1 = Van,1,1 + Van,2,1 + Van,3,1 + Van,4,1; Van,tot,2 = Van,1,2 + Van,2,2 + Van,3,2 + Van,4,2; Van,tot = [(Van,tot,1)2 + (Van,tot,2)2]0,5 = V  ; |
|
Рисунок 7.7 - Примеры равномерного распределения
сдвигающих усилий в анкерной группе
а | | Van,1 = Van,2 = V/2; Van,tot = Van,1 + Van,2 = V; |
б | | Van,1 = Van,2 = Van,3 = Van,4 = V/4; Van,tot = Van,1 + Van,2 = V/2;  ; |
в | |  ; Van,1,1 = Van,2,1 = V1/2; Van,1,2 = Van,2,2 = Van,3,2 = Van,4,2 = V2/4; |
Van,tot,1 = Van,1,1 + Van,2,1 = V1; Van,tot,2 = Van,1,2 + Van,2,2 = V2/2; Van,tot = [(Van,tot,1)2 + (Van,tot,2)2]0,5  ; |
|
Рисунок 7.8 - Примеры распределения
сдвигающих усилий в анкерной группе для расчетов
при откалывании края основания
7.21
Сдвигающие усилия в анкерах в составе анкерной группы от совместного действия сдвигающей силы и крутящего момента следует определять по общим правилам, принимая жесткость анкеров в группе равной между собой и из условия равновесия внешних и внутренних сил (см. рис. 7.9). |
а | | Van,1 = V/2 + T/s1; Van,2 = V/2 - T/s1; Van,tot = Van,1 + Van,2 = V; |
б | |  ; |
Van,1,1 = V1/2 + T/s1; Van,2,1 = V1/2 - T/s1; Van,1,2 = Van,2,2 = V2/2; |
Van,tot,1 = Van,1,1 + Van,2,1 = V1; Van,tot,2 = Van,1,2 + Van,2,2 = V2; Van,tot = [(Van,tot,1)2 + (Van,tot,2)2]0,5 = V  ; |
|
в | | |
Van,tot = 0; |
Рисунок 7.9 - Пример распределения сдвигающих усилий
в анкерной группе при действии крутящего момента
7.22
Для случаев разрушения от откалывания края полученные усилия в одиночном анкере или его компоненты, действующие в противоположном от края направлении, не учитываются при определении суммарного усилия Van,tot, действующего в анкерной группе (см. рисунок 7.10). |
| |  ; |
Van,1,1 = Van,2,1 = V1/2 < 0; (Van,1,1, Van,2,1 не учитываются в расчете) |
Van,1,2 = Van,2,2 = V2/2; |
Van,tot = Van,1,2 + Van,2,2 = V2; |
| |  ; |
Van,1,1 = V1/2 + T/s1; Van,2,1 = V1/2 - T/s1 < 0; (Van,2,1 не учитывается в расчете); Van,1,2 = Van,2,2 = V2/2; |
Van,tot,1 = Van,1,1; Van,tot,2 = Van,1,2 + Van,2,2 = V2; Van,tot = [(Van,tot,1)2 + (Van,tot,2)2]0,5  ; |
| | Van,1 = -T/s2 < 0 (Vsd,1 не учитывается в расчете); |
Van,2 = T/s2; Va = Van,2 |
Рисунок 7.10 - Примеры учета направлений
сдвигающих усилий в анкерной группе для расчетов
при откалывании края основания
Расчет для случая разрушения от откалывания края основания вблизи угла выполняется для двух направлений: в направлении нижней грани и боковой грани. Для анкеров закладной детали, расположенной вблизи от края, следует выделять следующие механизмы разрушения: - разрушение по стали и выкалыванию бетона за анкером (по 7.11, а); - разрушение от откалывания края основания при действии сдвигающей силы поперек края (по 7.11, б); - разрушение от откалывания края основания при действии сдвигающей силы параллельно краю (по 7.11, в). Для каждого механизма разрушения определяется своя анкерная группа и выполняется распределение усилий в ней. |
| | |
Van,max = Van,1 = Van,2 = Van,3 = Van,4 = V/4 = 2 кН | Van,1 = Van,2 = V/2 = 4 кН Van,tot = Van,1 + Van,2 = 8 кН | Van,1 = Van,2 = Van,3 = Van,4 = V/4 = 2 кН Van,tot = Van,2 + Van,4 = 4 кН |
а - разрушение по стали и выкалыванию бетона основания; б - разрушение от откалывания края основания в направлении нижней грани; в - разрушение от откалывания края основания в направлении боковой грани Рисунок 7.11 - Расчетные схемы при определении расчетных усилий на сдвиг при установке закладной детали около угла основания |
8 Расчет по предельным состояниям первой группы
Расчет опорных пластин закладных деталей по предельным состояниям первой группы (по прочности) следует выполнять согласно
СП 16.13330.
Расчет анкеров закладных деталей по предельным состояниям первой группы (по прочности) следует выполнять согласно разделу 6
[5], а также
подразделам 8.1 -
8.3.
При расчете проверяют условия прочности, при которых усилия в анкере (анкерной группе) от внешних сил не превышают значения предельного усилия в анкере (анкерной группе) для соответствующего механизма разрушения (см.
рисунки 8.1 -
8.2). При этом выделяют
- разрушение по стали анкера;
- разрушение от нарушения анкеровки;
- разрушение от выкалывания бетона основания;
- комбинированное разрушение по анкеровке и выкалыванию бетона основания;
- разрушение от раскалывания основания;
- разрушение от откалывания края основания;
- смятие бетона на конце анкера с усилением;
- разрушение от выкалывания бетона края основания;
- разрушение от выкалывания бетона за анкером.
а - разрушение по стали анкера; б - разрушение
от выкалывания бетона основания; в - комбинированное
разрушение от нарушения анкеровки и выкалыванию бетона
при одиночном анкере; г - то же, для группы анкеров;
д - разрушение от раскалывания основания; е - разрушение
от выкалывания бетона края основания; ж - разрушение
от смятия бетона под анкером
Рисунок 8.1 - Виды разрушения закладных деталей
при действии растяжения
а - разрушение по стали анкера; б - разрушение
от выкалывания бетона основания за анкером для одиночного
анкера; в - разрушение от откалывания края основания
Рисунок 8.2 - Виды разрушения анкеров при действии сдвига
Расчет анкеров закладных деталей следует выполнять по предельным усилиям, рассматривая действующие осевые растягивающие и сдвигающие усилия в отдельности. Условия прочности при совместном действии на закладную деталь растягивающих и сдвигающих усилий приведены в разделе 8.3. Расчет прочности по предельным усилиям производят из условия, что усилие в анкере или в группе анкеров от внешних нагрузок и воздействий F не должно превышать предельного усилия Fult, которое может быть воспринято анкером или группой анкеров F <= Fult. |
Условия прочности при действии на анкера закладной детали растягивающих усилий приведены в таблице 8.1, сдвигающих усилий - в
таблице 8.2.
Таблица 8.1
Условия прочности при растяжении
| Механизм разрушения | Одиночный анкер | Анкерная группа |
Наиболее нагруженный анкер | группа |
1 | Разрушение по стали анкера | | | |
2 | Разрушение от нарушения анкеровки | | | |
3 | Разрушение от выкалывания бетона основания | | | |
4 | Комбинированное разрушение по анкеровке и выкалыванию бетона основания | | | |
5 | Разрушение от раскалывания основания | | | |
6 | Разрушение от выкалывания бетона края основания | | | |
7 | Смятие бетона под анкером с усилением | | | |
Таблица 8.2
Условия прочности при сдвиге
| Механизм разрушения | Одиночный анкер | Анкерная группа |
Наиболее нагруженный анкер | группа |
1 | Разрушение по стали анкера | | | |
2 | Разрушение от выкалывания бетона основания за анкером | | | |
3 | Разрушение от откалывания края основания | | | |
8.1 Расчет закладных деталей на действие растягивающих сил
8.1.1 Расчет прочности по стали
Расчет прочности по стали для одиночного анкера при действии растягивающей силы следует выполнять из условия Nan <= Nult,s, (8.1) где Nan - растягивающее усилие в одиночном анкере; |
Расчет прочности по стали для группы анкеров при действии растягивающей силы следует выполнять из условия Nan,max <= Nult,s, (8.2) где Nan,max - растягивающее усилие в наиболее нагруженном анкере анкерной группы; |
Предельное растягивающее усилие из условий прочности по стали Nult,s определяют по формуле
 , (8.3) |
где Nn,s - нормативное значение силы сопротивления анкера при разрушении по стали;

- коэффициент надежности по стали при растяжении, принимаемый в зависимости от типа и марки анкера. Для анкеров из стальной арматуры принимается равным 1,0.
Для анкеров со стальной арматурой, применяемой согласно
СП 63.13330, предельное растягивающее усилие из условий прочности по стали
Nult,s следует определять по
таблице 8.3 или формуле
 , (8.4) где Rs,n - нормативное значение сопротивления растяжению арматуры по СП 63.13330. Принимается 400 МПа для арматуры класса А400, 500 МПа - для арматуры класса А500;  - коэффициент надежности по стали при растяжении, принимаемый для анкеров с арматурными стержнями А400 - А500 равным 1,25. |
Таблица 8.3 Предельное растягивающее усилие Nult,s анкеров из арматурных стержней А400, А500 из условий прочности по стали |
| Номинальный диаметр арматуры, мм | Предельное растягивающее усилие Nult,s, кН при классе арматуры | |
А400 | А500 | |
| 8 | 16,1 | 20,1 | |
| 10 | 25,1 | 31,4 | |
| 12 | 36,2 | 45,2 | |
| 14 | 49,2 | 61,5 | |
| 16 | 64,3 | 80,4 | |
| 18 | 81,4 | 101,7 | |
| 20 | 100,5 | 125,6 | |
| 22 | 121,6 | 152,0 | |
| 25 | 157,0 | 196,3 | |
| 28 | 196,9 | 246,2 | |
| 32 | 257,2 | 321,5 | |
| 36 | 325,6 | 406,9 | |
| | |
8.1.2 Расчет прочности по анкеровке
8.1.2.1 Расчет по прочности по анкеровке анкеров следует выполнять только для анкеров без усиления.
8.1.2.2 Расчет по прочности по анкеровке для одиночного анкера при действии растягивающих усилий производят из условия
Nan <= Ns (8.5)
где Nan - расчетное значение растягивающего усилия в одиночном анкере;
Ns - усилие, воспринимаемое анкеруемым стержнем, определяемое по
п. 10.3.26 СП 63.13330.2018.
8.1.2.3 Расчет по прочности по анкеровке для группы анкеров при действии растягивающих усилий производят из условия
где Nan,max - расчетное значение растягивающего усилия в наиболее нагруженном анкере анкерной группы;
Ns - усилие, воспринимаемое анкеруемым стержнем в основании без трещин, определяемое по
пункту 10.3.26 СП 63.13330.2018.
Для основания с трещинами значение усилия Ns следует принимать равным 0,7 от значения усилия в основании без трещин.
8.1.3 Расчет прочности при выкалывании бетона основания
Расчет по прочности при выкалывании бетона основания для одиночного анкера при действии растягивающей силы производят из условия где Nan - расчетное значение растягивающего усилия в одиночном анкере; |
Расчет по прочности при выкалывании бетона основания для группы анкеров при действии растягивающей силы производят из условия где Nan,tot - расчетное значение растягивающего усилия в анкерной группе; |
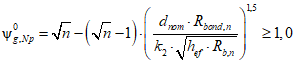
Предельное растягивающее усилие из условия прочности при выкалывании бетона основания Nult,c определяют по формуле  , (8.9) где  - коэффициент надежности по бетону при растяжении, принимаемый 1,5;  - коэффициент условий работы анкера при выкалывании бетона основания при растяжении, принимаемый равным 1,0 для арматурных стержней; |
| | ИС МЕГАНОРМ: примечание. В официальном тексте документа, видимо, допущена опечатка: таблицы 8.6 и 8.7 отсутствуют. Вероятно, имеются в виду таблицы 8.4 и 8.5. | |
 - значение силы сопротивления для одиночного анкера, расположенного на значительном удалении от края основания и соседнего анкера, при разрушении от выкапывания бетона основания, определяемое по таблицам 8.6 - 8.7 или формуле  , (8.10) |
где

- в Ньютонах;
Rb,n - нормативное сопротивление бетона сжатию, принимаемое по
СП 63.13330 в зависимости от класса бетона на сжатие, в МПа.
hef - рабочая глубина анкеровки принимаемая в зависимости по
рисунку 3.2, мм.
k1 - коэффициент, зависящий от состояния основания в зоне анкера принимаемый равным:
9,6 - при возможном образовании трещин в бетоне основания;
13,5 - при отсутствии трещин в бетоне основания;

- отношение, учитывающее влияние межосевого расстояния в анкерной группе и расстояние до края основания;

- площадь основания условной призмы выкалывания для одиночного анкера, расположенного на значительном удалении от края основания и соседнего анкера (см.
рисунок 8.3) следует вычислять по формуле
 , (8.11) |
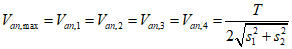
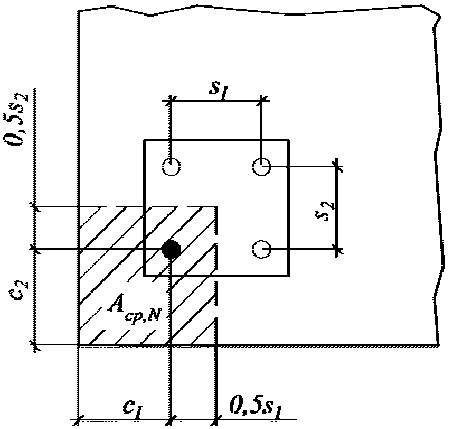
Ac,N - фактическая площадь основания условной призмы выкалывания, с учетом влияния соседних анкеров (при s < scr,N), а также влияния краевого расположения (при c < ccr,N) - см. рисунок 8.4. Здесь и далее scr,N, ccr,N следует принимать по 8.1.3.4;  - коэффициент влияния установки у края основания, вычисляемый по формуле  , (8.12) при расположении закладной детали вблизи от края по нескольким направлениям (угол или торцевой участок основания), величину c в формуле (8.12) следует принимать наименьшей.  - коэффициент влияния установки в защитный слой густоармированных конструкций, вычисляется по формуле  , (8.13) где hef - рабочая глубина анкеровки, мм; при шаге продольной и (или) поперечной арматуры в зоне установки анкера s >= 150 мм ( s >= 100 мм при диаметре арматуры d <= 10 мм) следует принимать  ;  - коэффициент влияния эксцентриситета приложения усилий в анкерной группе, вычисляемый по формуле  , (8.14) здесь eN,1, eN,2 - эксцентриситет растягивающей силы относительно центра тяжести анкерной группы для соответствующего направления (см. пример 7 приложения). Для одиночного анкера  . |
Рисунок 8.3 - Площадь
основания условной призмы
выкалывания при растяжении для одиночного анкера,
расположенного на значительном удалении
от края основания и соседнего анкера
а | | Ac,N = (c1 + 0,5scr,N)·scr,N c1 <= ccr,N; |
б | | Ac,N = (c1 + s1 + 0,5scr,N)·scr,N c1 <= ccr,N; s1 <= scr,N; |
в | | Ac,N = (c1 + s1 + 0,5scr,N)·(c2 + s2 + 0,5scr,N) c1 <= ccr,N; c2 <= ccr,N; s1 <= scr,N; s2 <= scr,N; |
а - одиночный анкер у края бетонного основания; б - группа из двух анкеров у края бетонного основания; в - группа из четырех анкеров в углу бетонного основания |
Рисунок 8.4 - Фактическая площадь основания условной призмы
выкалывания для одиночных анкеров и анкерных групп
при действии растягивающих усилий
Таблица 8.4
Значение прочности для одиночного анкера при разрушении
от выкалывания бетона основания с трещинами
hef | Сила сопротивления  при выкалывании основания с трещинами при классе бетона по прочности на сжатие |
B15 | B20 | B25 | B30 | B35 | B40 | B45 | B50 | B55 | B60 |
30 | 5,3 | 6,1 | 6,8 | 7,5 | 8,0 | 8,5 | 9,0 | 9,5 | 10,0 | 10,4 |
50 | 11,3 | 13,2 | 14,7 | 16,0 | 17,2 | 18,4 | 19,3 | 20,4 | 21,5 | 22,4 |
80 | 22,8 | 26,8 | 29,7 | 32,4 | 34,9 | 37,2 | 39,0 | 41,4 | 43,4 | 45,2 |
100 | 32,0 | 37,3 | 41,4 | 45,2 | 48,7 | 51,9 | 54,5 | 57,9 | 60,6 | 63,3 |
120 | 42,0 | 49,1 | 54,5 | 59,5 | 64,1 | 68,3 | 71,8 | 76,1 | 79,7 | 83,1 |
150 | 58,8 | 68,7 | 76,2 | 83,1 | 89,4 | 95,4 | 100,2 | 106,3 | 111,4 | 116,2 |
180 | 77,3 | 90,2 | 100,2 | 109,2 | 117,6 | 125,4 | 131,8 | 139,7 | 146,4 | 152,7 |
200 | 90,5 | 105,6 | 117,3 | 127,9 | 137,8 | 146,8 | 154,3 | 163,7 | 171,4 | 178,9 |
250 | 126,4 | 147,7 | 164,0 | 178,8 | 192,5 | 205,3 | 215,6 | 228,7 | 239,6 | 250,0 |
400 | 255,9 | 298,9 | 331,8 | 361,9 | 389,6 | 415,5 | 436,4 | 462,9 | 484,9 | 506,0 |
600 | 470,2 | 548,9 | 609,7 | 664,9 | 715,8 | 763,3 | 801,9 | 850,4 | 890,8 | 929,4 |
hef - рабочая глубина заделки; для промежуточных значений класса и глубины заделки значения  определять интерполяцией. |
Таблица 8.5
Значение прочности для одиночного анкера при разрушении
от выкалывания бетона основания без трещин
hef | Сила сопротивления  при выкалывании основания без трещин при классе бетона по прочности на сжатие |
B15 | B20 | B25 | B30 | B35 | B40 | B45 | B50 | B55 | B60 |
30 | 7,3 | 8,6 | 9,5 | 10,4 | 11,3 | 11,9 | 12,6 | 13,3 | 14,0 | 14,6 |
50 | 15,8 | 18,6 | 20,6 | 22,5 | 24,2 | 25,8 | 27,1 | 28,7 | 30,1 | 31,5 |
80 | 32,1 | 37,5 | 41,7 | 45,5 | 48,9 | 52,2 | 54,9 | 58,2 | 61,0 | 63,6 |
100 | 44,9 | 52,5 | 58,3 | 63,5 | 68,4 | 72,9 | 76,7 | 81,3 | 85,2 | 88,9 |
120 | 59,0 | 69,0 | 76,6 | 83,6 | 89,9 | 95,9 | 100,7 | 106,9 | 111,9 | 116,8 |
150 | 82,6 | 96,4 | 107,0 | 116,8 | 125,7 | 134,0 | 140,8 | 149,4 | 156,4 | 163,3 |
180 | 108,5 | 126,8 | 140,8 | 153,5 | 165,2 | 176,2 | 185,1 | 196,3 | 205,6 | 214,6 |
200 | 127,1 | 148,5 | 164,9 | 179,7 | 193,5 | 206,3 | 216,8 | 230,0 | 240,9 | 251,3 |
250 | 177,6 | 207,4 | 230,3 | 251,2 | 270,4 | 288,4 | 303,0 | 321,4 | 336,6 | 351,2 |
400 | 359,5 | 419,8 | 466,1 | 508,4 | 547,3 | 583,7 | 613,1 | 650,3 | 681,2 | 710,7 |
600 | 660,4 | 771,2 | 856,4 | 933,9 | 1005 | 1072 | 1126 | 1194 | 1251 | 1305 |
hef - рабочая глубина заделки; для промежуточных значений класса и глубины заделки значения  определять интерполяцией. |

- коэффициент учета влияния силы сжатия и действия момента, принимается равным единице в следующих случаях:
- при c < 1,5hef;
- при c >= 1,5hef и отношении равнодействующей CEd/NEd < 0,8, где CEd - сила сжатия по контакту пластины закладной детали и бетоном основания, NEd - сумма сил растяжения в анкерных стержнях, определяемые по формулам:

; (8.15)

, (8.16)
- в остальных случаях значение

следует определять по формуле

. (8.17)
Примечание - Коэффициент

позволяет увеличивать несущую способность жестких закладных деталей (для которых выполняется условие C
Ed/N
Ed >= 0,8) установленных вдали от края основания. Величины относительных деформаций бетона и арматуры, высоту сжатой зоны бетона следует принимать по результатам расчета деформационной модели. В запас прочности, допускается принимать его равным единице.
Критическое расстояние между анкерами (межосевое) scr,N, при котором отсутствует влияние соседних анкеров на прочность одиночного анкера для случая разрушения от выкалывания бетона основания при растяжении, вычисляют по формуле Критическое краевое расстояние ccr,N, при котором отсутствует влияние близкорасположенного края основания на прочность одиночного анкера для случая разрушения от выкалывания бетона основания при растяжении, вычисляют по формуле |
8.1.3.5
В случае расположении анкеров в стесненных условиях вблизи от края по трем или четырем направлениям (см. рисунок 8.5) расчет по 8.1.3.4 следует выполнять, принимая в расчетах значение рабочей глубины анкеровки h'ef из условия  , (8.20) где cmax - максимальное из краевых расстояний для рассматриваемого анкера или группы (см. рисунок 8.5); smax - максимальное из межосевых расстояний для рассматриваемой группы (см. рисунок 8.5) при этом в расчетах по формулам (8.7) - (8.12) следует также использовать скорректированные значения критических расстояний  ;  . Рисунок 8.5 - Схема расположения анкеров в стесненных условиях |
8.1.4 Расчет прочности при комбинированном разрушении по нарушению анкеровки и выкалыванию бетона основания
8.1.4.1
Расчет по прочности при комбинированном разрушении по нарушению анкеровки и выкалыванию бетона основания производят только закладных деталей с анкерами без усиления. Примечание - Характер разрушения анкеров по нарушению анкеровки с основанием является комбинированным. Разрушение происходит с разрушением по анкеровке на участке длины стержня и выкалыванием конуса бетона на оставшемся участке. При совместной работе группы анкеров отмечается более сложный характер выкалывания, зависящий от взаимного расположения стержней, что учитывается эмпирическими коэффициентами. |
8.1.4.2 Расчет по прочности при комбинированном разрушении по нарушению анкеровки и выкалыванию бетона основания для одиночного анкера при действии растягивающей силы следует выполнять из условия
Nan <= Nult,p, (8.21) где Nan - расчетное значение растягивающего усилия в одиночном анкере; |
8.1.4.3 Расчет по прочности при комбинированном разрушении по нарушению анкеровки и выкалыванию бетона основания для группы анкеров при действии растягивающей силы следует выполнять из условия
Nan,tot <= Nult,p, (8.22) где Nan,tot - растягивающее усилие в анкерной группе; |
8.1.4.4 Предельное растягивающее усилие из условий прочности при комбинированном разрушении по нарушению анкеровки и выкалыванию бетона основания
Nult,p следует вычислять по формуле
 , (8.23) где  - коэффициент надежности по бетону при растяжении, принимаемый 1,5; |

- коэффициент условий работы анкера при комбинированном разрушении по нарушению анкеровки и выкалыванию бетона основания при растяжении. Для стальной арматуры допускается принимать равным единице;

- значение силы сопротивления для одиночного анкера, расположенного на значительном удалении от края основания и соседнего анкера, при комбинированном разрушении по контакту с основанием и выкалыванию бетона основания определяемое по формуле

, (8.24)
где
Rbond,n - нормативное значение сцепления анкера с бетоном, принимаемое в зависимости от типа анкера - для анкеров из стальной арматуры и основания без трещин определяется по
формуле (10.2) СП 63.13330 с заменой
Rbt на
Rbt,n.
Для основания с трещинами нормативное значение сцепления анкера с бетоном в
формуле (8.24) следует принимать равным 0,7 от значения сцепления в основании без трещин.
hef, - рабочая глубина анкеровки; dnom - внешний диаметр анкера или номинальный диаметр арматуры;  - отношение, учитывающее влияние межосевого расстояния в анкерной группе и краевого расстояния; Ap,N - фактическая площадь основания условной призмы выкалывания, с учетом влияния соседних анкеров (при s < scr,Np), а также влияния краевого расположения (при c < ccr,Np). Здесь и далее scr,Np, ccr,Np принимают по 8.1.4.5. Примечание - Правила определения фактической площади основания выкалывания бетона для комбинированного разрушения аналогичны правилам для определения площади выкалывания бетона A c, N по рисунку 8.4 с использованием вместо величин s cr, N, c cr, N критических расстоянии s cr,Np, c cr,Np - площадь основания условной призмы выкалывания для одиночного анкера, расположенного на значительном удалении от края основания и соседнего анкера, вычисляют по формуле  , (8.25)  - коэффициент, учитывающий фактическую прочность бетона основания, принимают в зависимости от класса бетона на сжатие;  - коэффициент, учета групповой работы клеевых анкеров, принимаемый согласно 8.1.4.6. Коэффициенты  ,  ,  принимают по формулам (8.12) - (8.14) соответственно с использованием вместо величины ccr,N критического расстояния ccr,Np. |
Критическое расстояние между анкерами (межосевое) scr,Np, при котором отсутствует влияние соседних анкеров на прочность одиночного анкера для случая комбинированного разрушения по контакту анкера с основанием и выкалыванию бетона основания при растяжении, следует определять по формуле  , (8.26) где scr,Np - мм; Rbond,n,25 - нормативное значение сцепления анкера с бетоном, принимаемое для основания без трещин из бетона класса B25 по формуле (10.2) СП 63.13330 с заменой Rbt на Rbt,n, Н/мм 2; dnom - внешний диаметр анкера или номинальный диаметр арматуры, мм. Критическое краевое расстояние ccr,Np, при котором отсутствует влияние близкорасположенного края основания на прочность одиночного анкера для случая комбинированного разрушения по контакту анкера с основанием и выкалыванию бетона основания при растяжении, принимают по формуле  (8.27) |
Коэффициент учета групповой работы анкеров  вычисляют по формуле  , (8.28) где  - базовый коэффициент, учета групповой работы анкеров, вычисляют по формуле  , (8.29) где  - безразмерная величина;  - коэффициент, учитывающий прочность бетона основания, принимаемый в зависимости от класса бетона на сжатие; hef - рабочая глубина анкеровки, в мм; dnom - внешний диаметр анкера или номинальный диаметр арматуры, в мм; k2 - коэффициент, принимаемый в зависимости от состояния основания равным: 3,7 - для основания без трещин; 2,7 - для основания с трещинами Rb,n - нормативное сопротивление бетона сжатию, принимаемое по СП 63.13330 в зависимости от класса бетона на сжатие, в МПа; n - количество анкеров в рассматриваемой анкерной группе (растянутые анкеры); s - шаг анкеров в анкерной группе; при неравномерной расстановке анкеров принимается усредненное значение шага для группы в целом по двум направлениям. |
8.1.5 Расчет прочности при раскалывании основания
Расчет по прочности при раскалывании основания для одиночного анкера при действии растягивающих усилий производят из условия Nan <= Nult,sp, (8.30) где Nan - расчетное значение растягивающего усилия в одиночном анкере; |
Примечание - Данный вид разрушения обусловлен возможностью откалывания края или раскалывания всего основания за счет расклинивающего действия анкера на бетон.
8.1.5.2 Расчет по прочности закладной детали при раскалывании основания для группы анкеров при действии растягивающей силы следует выполнять из условия
Nan,tot <=
Nult,sp, (8.31)
где Nan,tot - расчетное значение растягивающего усилия в анкерной группе;
Nult,sp - по 8.1.5.3.
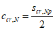
Предельное растягивающее усилие из условий прочности при раскалывании основания Nult,sp определяется по формуле  , (8.32) где  - коэффициент условий работы анкера при разрушении от раскалывания основания при растяжении. Для стальных анкеров допускается принимать равным единице; Nspn,c - значение силы сопротивления при раскалывании основания, вычисляемое по формуле (8.11) с использованием вместо величин scr,N, ccr,N критических расстояний scr,sp, ccr,sp, и  ; scr,sp - критическое межосевое расстояние, при котором отсутствует влияние соседних анкеров на прочность одиночного анкера для случая разрушении от раскалывания бетона основания при растяжении; ccr,sp - критическое краевое расстояние для анкера, при котором отсутствует влияние близкорасположенного края основания на прочность одиночного анкера для случая разрушения от раскалывания бетона основания при растяжении; Величины scr,sp, ccr,sp допускается определять по формулам (8.18) и (8.19). Для стальных анкеров допускается принимать scr,sp = 2· ccr,sp, а значение ccr,sp принимать в зависимости от относительной глубины установки анкера: - при h/hef >= 2.0 ccr,sp = 1.0hef; - при 1.3 < h/hef < 2.0 ccr,sp = 4.6hef - 1.8h; - при h/hef <= 1.3 ccr,sp = 2.3hef;  - коэффициент, учитывающий фактическую толщину основания при раскалывании, вычисляемый по формуле  , (8.33) где h - фактическая толщина основания; hmin - минимальная толщина основания. Для стальных анкеров допускается принимать на 30 мм больше рабочей высоты анкера hef; hef - рабочая глубина анкеровки. |
Допускается не рассматривать разрушение основания от раскалывания при выполнении следующих условий: а) краевое расстояние во всех направлениях c >= ccr,sp - для одиночного анкера и c >= 1,2·ccr,sp - для анкерной группы, при этом толщина элемента основания h >= 2·hef б) расчетная ширина раскрытия трещин в основании не превышает 0,3 мм при этом раскалывающее усилие в бетоне воспринимается армированием: - не менее 60% при Nan <= 30 кН; - на 100% при Nan > 30 кН. Примечание - Раскалывающее усилие в основании может быть принято в зависимости от осевого растягивающего усилия в анкере Nan: а) для анкеров с усилением - 1,0Nan; б) для анкеров из арматура А400 и А500 - 0,5Nan. |
8.1.6 Расчет прочности при выкалывании края основания
8.1.6.1 Расчет по прочности при выкалывании края основания следует выполнять только для закладных деталей с усиленными анкерами, установленных на расстоянии до края основания менее 0,5hef.
8.1.6.2 Расчет по прочности при выкалывании края основания для одиночного анкера при действии растягивающих усилий проводят из условия
Nan <= Nult,cb, (8.34)
где Nan - расчетное значение растягивающего усилия в одиночном анкере;
8.1.6.3 Расчет по прочности при выкалывании бетона края основания для группы анкеров при действии растягивающих усилий производят из условия
Nan,tot <= Nult,cb, (8.35)
где Nan,tot - расчетное значение растягивающего усилия в анкерной группе;
Nult,cb - по 8.1.6.4.
8.1.6.4 Предельное растягивающее усилие из условия прочности при выкалывании края основания
Nult,cb следует вычислять по формуле

, (8.36)
где

- коэффициент надежности по бетону при растяжении, принимаемый 1,5;

- коэффициент условий работы анкера при выкалывании бетона основания при растяжении. Для стальных анкеров допускается принимать равным единице;

- значение силы сопротивления для одиночного анкера, расположенного на значительном удалении от верхней и нижней граней основания и соседнего анкера, при разрушении от выкалывания края основания, определяемое по формуле

, (8.37)
где

- Ньютоны;
Aloc - площадь смятия бетона под пластиной на конце анкера, определяемая для круглых пластин по формуле

. (8.38)
Rb,n - нормативное сопротивление бетона сжатию, принимаемое по
СП 63.13330 в зависимости от класса бетона на сжатие, МПа;
hef - рабочая глубина анкеровки, мм;
k5 - коэффициент, зависящий от состояния основания в зоне анкера принимаемый равным:
9,5 - при возможном образовании трещин в бетоне основания;
13,1 - при отсутствии трещин в бетоне основания;

- отношение, учитывающее влияние межосевого расстояния в анкерной группе и расстояние до края основания;

- площадь основания условной призмы выкалывания для одиночного анкера, расположенного на значительном удалении от края основания и соседнего анкера (см.
рисунок 8.6) следует вычислять по формуле

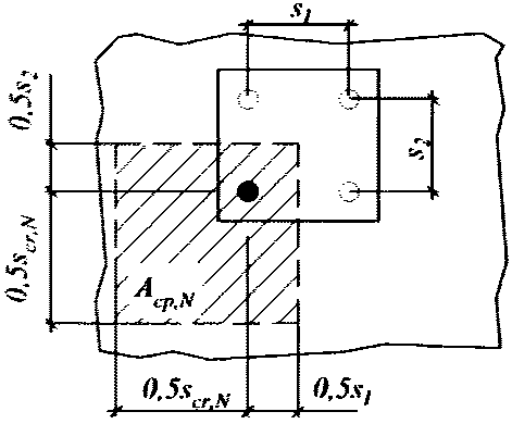
, (8.39)
Ac,Nb - фактическая площадь основания условной призмы выкалывания края основания, с учетом влияния соседних анкеров (при
s <
4c1), а также влияния краевого расположения (при
c2 <
2c1) и толщины основания - см.
рисунок 8.7;

- коэффициент влияния установки около угла основания, вычисляемый по формуле

, (8.40)
при расположении анкера вблизи от края по нескольким направлениям (угол или торцевой участок основания), величину
c2 в
формуле (8.39) следует принимать наименьшей.

- коэффициент учета количества анкеров
n в крайнем ряду с расстоянием между анкерами
s2 <
4c1, вычисляется по формуле

, (8.41)
где n - количества анкеров в ряду вдоль края основания;

- коэффициент влияния эксцентриситета приложения усилий в анкерной группе, вычисляемый по формуле

, (8.42)
здесь
eN, - эксцентриситет растягивающей силы относительно центра тяжести анкерной группы. Для одиночного анкера

.
Рисунок 8.6 - Площадь
основания
условной призмы выкалывания края основания
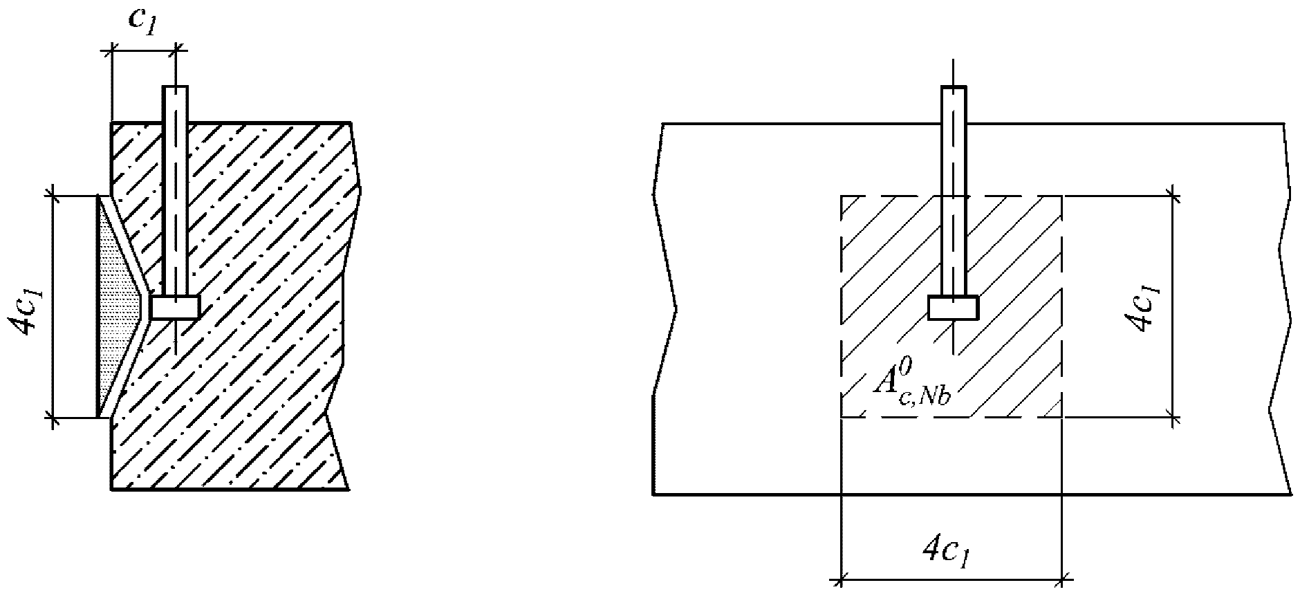
а | | Ac,Nb = 4c1(c2 + s2 + 2c1). c2 <= 2c1; s2 <= 4c1; |
б | | Ac,Nb = (2c1 + f)(s2 + 4c1) f <= 2c1; s2 <= 4c1. |
а - группа из двух анкеров около угла
бетонного основания; б - группа из двух анкеров
у нижней поверхности бетонного основания
Рисунок 8.7 - Фактическая площадь основания условной призмы
выкалывания края основания при действии растягивающих усилий
8.1.7 Расчет прочности на смятие бетона под анкером
8.1.7.1 Расчет на смятие бетона под анкером следует выполнять только для анкеров с усилением, при выполнении требований
10.11.
8.1.7.2 Бетон под анкером проверяют на смятие из условий:

, (8.44)
где

для бетона класса ниже B25; для бетона класса B25 и выше определяется по формуле

, (8.45)
Aloc - площадь анкерной пластины или сечения высаженной головки за вычетом площади сечения анкера;
Nloc - сила смятия, определяемая следующим образом:
а) для анкеров, приваренных в тавр, при hef > 15d, если вдоль анкера возможно образование трещин от растяжения бетона или в случае применения гладких анкерных стержней принимается равной усилию в анкере Nan.
Если образование таких трещин невозможно - по формуле

; (8.46)
б) для анкеров, приваренных в тавр, при hef <= 15d, значение Nloc увеличивается на величину, равную

; (8.47)
в) для анкеров, приваренных внахлестку, Nloc принимается равной поперечной силе V, действующей на закладную деталь.
Формулами (8.43) -
(8.44) допускается пользоваться, если толщина анкерной пластины составляет не менее 0,2 ее длины или расстояния между сечениями с максимальным и минимальным изгибающим моментом в пластине закладной детали (меньшая из величин).
При наличии на концах анкеров усилений в виде поперечных коротышей (см.
10.11) бетон под ними проверяют на смятие из
условия (8.43) с учетом

(8.48)
где

- коэффициент, определяемый для анкерных стержней диаметром 8 - 25 мм для тяжелого бетона классов B12.5 - B50 по формуле

(8.49)
Aan1 - площадь поперечного сечения наиболее напряженного нормального анкера, приваренного в тавр к пластине;

- коэффициент, принимаемый равным: для тяжелого бетона - 1; для мелкозернистого бетона - 0,7;
Acb - площадь поперечного сечения коротыша;
Rs - характеристика, относящаяся к коротышу;

- коэффициент, равный:
а) для симметричного поперечного коротыша, приваренного к одному анкерному стержню (
рисунок 8.8, а):

, (8.50)
где lcb - длина коротыша, принимаемая более 10dcb;
dcb - диаметр коротыша;
б) при применении поперечных коротышей, приваренных к двум анкерным стержням и более (
рисунок. 8.8, б):
для крайних анкеров

; (8.51)
для средних анкеров

. (8.52)
а - при приварке поперечного стержня к одному анкерному
стержню; б - при приварке поперечного стержня к двум
анкерным стержням и более; 1 - поперечные стержни;
2 - анкерный стержень; 3 - пластина закладной детали
Рисунок 8.8 - Расчетная схема для расчета на смятие бетона
поперечными арматурными стержнями
Формулу (8.48) рекомендуется использовать, если диаметр поперечного коротыша
dcb = 8 - 16 мм.
На один поперечный коротыш можно передавать не более 1/3 растягивающего усилия в анкерном стержне.
8.2 Расчет закладных деталей на сдвиг
8.2.1 Расчет прочности по стали
8.2.1.1 Расчет прочности по стали для одиночного анкера при действии сдвигающей силы следует выполнять из условия
где Van - расчетное значение сдвигающего усилия в одиночном анкере;
Примечание - Учитывая общий поход к нормированию, несущая способность анкера по стали устанавливается согласно требований
СП 16.13330.
8.2.1.2 Расчет прочности закладной детали по стали для группы анкеров при действии сдвигающей силы следует выполнять из условия
Van,max <= Vult,s, (8.54) |
где Van,max - расчетное значение сдвигающего усилия в наиболее нагруженном анкере анкерной группы;
Vult,s - по 8.2.1.3.
8.2.1.3 Предельное сдвигающее усилие из условия прочности по стали
Vult,s следует вычислять по формуле

, (8.55)

- коэффициент надежности при разрушении анкера по стали при сдвиге, для стальных анкеров значение коэффициента

принимается равным 1,0.
8.2.1.4 Нормативное значение силы сопротивления анкера по стали при сдвиге
Vn,s следует принимать в зависимости от типа и марки анкера.
| | ИС МЕГАНОРМ: примечание. В официальном тексте документа, видимо, допущена опечатка: таблица 8.10 отсутствует. | |
Для анкеров со стальной арматурой по
СП 63.13330 нормативное значение силы сопротивления анкера по стали при сдвиге
Vn,s следует определять по таблице 8.10 или формуле
 , (8.56) |
где
Rs,n - нормативное значение сопротивления растяжению арматуры по
СП 63.13330. Принимается 400 МПа для арматуры класса А400, 500 МПа - для арматуры класса А500.
8.2.2 Расчет прочности при выкалывании бетона основания за анкером
8.2.2.1 Расчет по прочности при выкалывании бетона основания за анкером для одиночного анкера (см.
рисунок 8.9, а) при действии сдвигающей силы следует выполнять из условия
где Van - расчетное значение сдвигающего усилия в одиночном анкере;
Рисунок 8.9 - Схема разрушения при выкалывании бетона
за одиночным анкером (а) и группой анкеров (б)
8.2.2.2 Расчет по прочности при выкалывании бетона основания за анкером для группы анкеров (см.
рисунок 8.9, б) при действии сдвигающих усилий следует выполнять из условия
Van,tot <= Vult,cp (8.58) |
где Van,tot - расчетное значение сдвигающего усилия в анкерной группе;
Vult,cp - по 8.2.2.3.
8.2.2.3 Предельное сдвигающее усилие из условия прочности при выкалывании бетона основания за анкером
Vult,cp следует вычислять по формуле
 , (8.59) |
где
Nult,c - предельное растягивающее усилие из условий прочности при выкалывании бетона основания, определяемое по
8.1.3.3, при

. Принимается не более величины
Nult,p вычисляемой по
8.1.5.4, при

;

- коэффициент условий работы анкера при разрушении от выкалывания бетона основания за анкером при сдвиге. Для анкеров из стальной арматуры допускается принимать

;
k - коэффициент, учитывающий глубину анкеровки. Для стальных анкеров из арматуры допускается принимать k = 2,0.
8.2.2.4 Проверку прочности при разрушении от выкалывания бетона основания за анкером для анкерной группы производят если силы, действующие на анкерную группу направлены в одну сторону.
В случае, когда силы, действующие на анкеры рассматриваемой группы, имеют разное направление, проверка прочности производится для каждого анкера в группе в отдельности из условия
 , (8.60) |
где Van,i - расчетное усилие в i-ом анкере;

- предельное сдвигающее усилие для отдельного анкера группы при разрушении от выкалывания бетона основания за анкером, определяемое как для одиночного анкера по
формуле (8.60), принимая вместо величины
Ac,N значение ограниченной соседними анкерами фактической площади основания условной призмы выкалывания
Acp,N (см.
рисунок 8.10).
а | | Acp,N = (0,5scr,N + 0,5s1)·(0,5scr,N + 0,5s2) s1 <= scr,N; s2 <= scr,N; |
б | | Acp,N = (c1 + 0,5s1)·scr,N c1 <= ccr,N; s1 <= scr,N; |
в | | Acp,N = (c1 + 0,5s1)·(c2 + 0,5s2) c1 <= ccr,N; c2 <= ccr,N; s1 <= scr,N; s2 <= scr,N; |
а - анкер в группе вдали от края; б - анкер в группе из двух
анкеров у края бетонного основания, в - анкер в группе
из четырех анкеров в углу бетонного основания
Рисунок 8.10 - Ограниченная площадь основания
условной призмы выкалывания для отдельного анкера группы
8.2.3 Расчет прочности при откалывании края основания
8.2.3.1
Расчет по прочности при откалывании края основания для нормальных анкеров выполняют согласно 8.2.3.2 - 8.2.3.7, при установке наклонных анкеров, расчет выполняют согласно 8.2.3.8. 8.2.3.2 Расчет по прочности при откалывании края основания для одиночного анкера при действии сдвигающих усилий производят из условия Van <= Vult,c, (8.61) где Van - расчетное значение сдвигающего усилия в одиночном анкере; 8.2.3.3 Расчет по прочности при откалывании края основания для группы анкеров при действии сдвигающих усилий производят из условия где Van,tot - расчетное значение сдвигающего усилия в анкерной группе; |
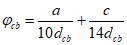
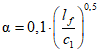
Предельное сдвигающее усилие из условий прочности при разрушении от откалывания края основания Vult,c определяют по формуле  , (8.63) где  - коэффициент надежности по бетону при растяжении, принимаемый 1,5;  - коэффициент условий работы анкера при разрушении от откалывания края основания. Для стальных анкеров допускается принимать равным единице;  - значение силы сопротивления при разрушении от откалывания края для одиночного анкера, расположенного на значительном удалении от угла основания и соседнего анкера в бетоне с трещиной и без трещины, вычисляемое по формуле |

, (8.64)
где

- Ньютоны;
k3 - коэффициент, принимаемый в зависимости от состояния основания равным: 2,8 - для основания без трещин; 2,0 - для основания с трещинами dnom - внешний диаметр анкера или номинальный диаметр арматуры, в мм; lf - приведенная глубина анкеровки при сдвиге, принимаемая в зависимости от типа и марки анкера, мм. Для стальных анкеров допускается принимать равной hef; c1 - расстояние от анкера до края основания, мм; Rb,n - нормативное сопротивление бетона, принимаемое по СП 63.13330 в зависимости от класса бетона на сжатие, МПа;  - безразмерный коэффициент, вычисляемый по формуле  , (8.65)  - безразмерный коэффициент, вычисляемый по формуле  , (8.66)  - отношение, учитывающее влияние межосевого расстояния в анкерной группе и краевого расстояния;  - площадь основания условной призмы выкалывания для одиночного анкера, расположенного на значительном удалении от угла основания и соседнего анкера (см. рисунок 8.11) вычисляемая по формуле  , (8.67) Ac,V - фактическая площадь основания условной призмы выкалывания с учетом влияния соседних анкеров (при s <= 3· c1), а также влияния углового расположения анкера (при c2 <= 1,5· c1) и толщины основания (при h <= 1,5· c1) - см. рисунок 8.12; |
Рисунок 8.11 - Площадь основания условной призмы выкалывания при сдвиге для одиночного анкера, расположенного на значительном удалении от угла основания и соседнего анкера  - коэффициент влияния установки у края основания, вычисляемый по формуле  , (8.68) где c1 - ближайшее расстояние от оси анкера до края основания в направлении сдвигающей силы; c2 - расстояние от оси анкера до края основания, в перпендикулярном к c1 направлении (удаление анкера от угла);  - коэффициент влияния толщины основания, вычисляемый по формуле  , (8.69) где h - фактическая толщина основания; |
а | | Ac,V = 1,5·c1·(1,5·c1 + c2) h > 1,5c1; c2 <= 1,5c1 |
б | | Ac,V = h(3·c1 + s2) h <= 1,5c1; s2 <= 3c1 |
| | Ac,V = h(1,5·c1 + s2 + c2) h <= 1,5c1; s2 <= 3c1; c2 <= 1,5c1 |
а - одиночный анкер в углу бетонного основания; б - группа анкеров у края тонкого бетонного основания; в - группа анкеров у края тонкого бетонного основания |
Рисунок 8.12 - Фактическая площадь основания условной призмы
выкалывания для одиночных анкеров и анкерных групп
при сдвиге
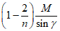
 - коэффициент учета направления сдвигающей силы, вычисляемый по формуле  , (8.70) где  - угол между направлением сдвигающей силы и перпендикуляром к рассматриваемому краю плиты, принимаемый от 0° до 90°; Примечание - Для сдвигающей силы, направленной в противоположную от края сторону (при  ) учитывается в расчете только компонента, действующая параллельно краю (см. 7.16);  - коэффициент влияния неравномерного загружения анкерной группы, вычисляемый по формуле  (8.71) где eV - эксцентриситет сдвигающей силы, относительно геометрического центра анкерной группы, определяемый согласно разделу 5. Для одиночного анкера  .  - коэффициент учета армирования основания, принимаемый равным: 1,0 - при отсутствии у края обрамляющего армирования и хомутов; 1,2 - при наличии у края обрамляющего армирования в виде продольных стержней вдоль края  ; 1,4 - при наличии у края обрамляющего армирования и часто установленных хомутов с шагом s <= 100 мм. |
8.2.3.5 Расчет анкеров, расположении вблизи углов, при разрушении от откалывания края основания следует выполнять, рассматривая краевое расположение в двух направлениях независимо (см. рисунок 8.13).
Рисунок 8.13 - Расчетные схемы при проверке откалывания края основания вблизи угла |
8.2.3.6
В случае расположении анкеров в тонком основании ( h <= 1,5 c1) либо в стесненных условиях (вблизи от края по трем направлениям, при c2,1 <= 1,5 c1 и c2,2 <= 1,5 c1 - см. рисунок 8.14) расчет по 8.2.3.3 допускается выполнять, вычисляя площади Ac,V и  с использованием приведенного расстояния до края cred вместо величины c1. Приведенное расстояние cred следует принимать по формуле (8.72), но не менее h/1,5 и не менее s2/3 для анкерной группы cred = c2,max/1,5, (8.72) где c2,max - наибольшее из расстояний c2,1, c2,2 по рисунку 8.11; s2 - межосевое расстояние для анкерной группы; h - фактическая толщина основания. Рисунок 8.14 - Схема расположения анкеров в стесненных условиях |
Для одиночных анкеров и анкерных групп, установленных вдали от края основания (согласно 5.4), проверку прочности при разрушении от откалывания края основания допускается не производить. |
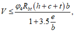
В случае приложения сдвигающей силы к закладной детали с наклонными анкерами, приваренными внахлестку (см. рисунок 8.15) и имеющими на концах усиления (см. подпункт 10.11), расчет на откалывание бетона производится из условия  (8.73) где h - расстояние от усиления наклонных анкеров до края элемента в направлении сдвигающей силы; c - расстояние от края усиления до грани элемента; t - сторона усиления. Значение суммы (h + c + t) следует принимать не более толщины b1 элемента; b - ширина элемента, равная b = c1 + c2 + s1 (c1 и c2 - расстояния, принимаемые не более h); s1 - расстояние между крайними наклонными анкерами; e - эксцентриситет силы V относительно середины размера b;  - коэффициент, принимаемый равным: для тяжелого бетона 0,35; для бетона на пористых заполнителях 0,3. При расположении закладной детали на верхней (при бетонировании) поверхности изделий из бетона на пористых заполнителях коэффициент  следует уменьшать на 20%. |
Рисунок 8.15 - Схема, принимаемая при расчете на откалывание бетона анкерами закладной детали с наклонными анкерами |
8.3 Расчет анкеров по прочности при совместном действии растягивающих и сдвигающих усилий
8.3.1 Расчет прочности по стали для нормальных анкеров выполняется по 8.3.2 -
8.3.3 для наклонных анкеров выполняется по
п. 8.3.4 -
8.3.6.
8.3.2
Для обеспечения несущей способности одиночных анкеров и анкерных групп при совместном действии растягивающих и сдвигающих усилий должны соблюдаться условия прочности по формулам (8.74) - (8.77):  ; (8.74)  ; (8.75)  ; (8.76) |
где

- коэффициент, определяемый как наибольшая величина из отношений расчетных усилий к величине предельного усилия для каждого предусмотренного в
8.1.1 -
8.1.5 механизма разрушения при действии растягивающих сил:

, (8.77)
где Nan - расчетные значения растягивающего усилия в анкере или анкерной группе (Nan,tot), устанавливаемые при расчетах в зависимости от механизма разрушения; Nult - предельное усилие на растяжение для анкера или анкерной группы в зависимости от механизма разрушения, устанавливаемое при расчетах по 8.1.1 - 8.1.6;  - коэффициент, определяемый как наибольшая величина из отношений расчетных усилий к величине предельного усилия для каждого предусмотренного в 8.2.1 - 8.2.3 механизма разрушения при сдвиге  , (8.78) где Van - расчетные значения сдвигающего усилия в анкере или анкерной группе (Van,tot), устанавливаемые при расчетах в зависимости от механизма разрушения; Vult - предельное сдвигающее усилие для анкера или анкерной группы в зависимости от механизма разрушения, вычисляемое по 8.2.1 - 8.2.3. 8.3.3 Допускается оценивать несущую способность одиночных анкеров и анкерных групп при совместном действии растягивающих и сдвигающих усилий при выполнении условий (8.75), (8.76) и (8.80):  . (8.79) 8.3.4 В закладной детали с анкерами, приваренными внахлестку под углом от 15 до 30° и нормальными анкерами (см. рисунок 4.1, а - в), наклонные анкеры допускается рассчитывать на действие сдвигающей силы по формулам (8.53) и (8.54), заменяя Vult,s на Nult,s. При этом следует устанавливать нормальные анкеры, которые следует рассчитывать по формулам разделов 8.1.1 и 8.2.1 на действие нормальной силы и 10% поперечной силы. Если на закладную деталь действует только сдвигающая сила, площадь сечения нормальных и наклонных анкеров рекомендуется определять из условия |

(8.80)
где

- определяется по
формуле (8.49); при этом второе слагаемое должно быть не менее 0,1
V;
Aan,tot,i - площадь поперечного сечения наклонных анкеров закладной детали;
Aan,tot - площадь поперечного сечения нормальных анкеров закладной детали.
8.3.5 Если под флюсом к пластине приварены только наклонные анкеры под углом
(рисунок 8.15), при

расчет таких анкеров можно производить аналогично расчету нормальных анкеров по формулам
разделов 8.1.1 -
8.1.6 принимая в качестве расчетных усилий - проекции усилий на ось наклонных анкеров.
Для закладной детали с анкерами, наклонными к бетонной поверхности под углом  и имеющими на концах усиление, расчет на выкалывание бетона следует производить следующим образом: а) если все наклонные анкеры растянуты (см. рисунок 8.16), из условия  (8.81) где  - проекция равнодействующих всех внешних сил на ось, проходящую вдоль наклонных анкеров; Ai - площадь проекции на плоскость, нормальную к анкерам поверхности выкалывания, идущей от краев усилений анкеров под углом 45° к осям анкеров и ограниченной с наименее наклонной стороны плоскостью среза, проходящей параллельно осям анкеров на расстоянии от ближайшего ряда анкеров, равном  . (8.82) la - длина заделки наклонного анкера; Asq - площадь поверхности среза; при эксцентриситете силы Ni относительно центра тяжести анкеров e0 = M/Ni, размер проекции поверхности выкалывания в направлении этого эксцентриситета уменьшают на величину 2e0 при соответствующем смещении грани поверхности выкалывания и плоскости среза; площадь анкерных пластин (или высаженных головок), расположенных на поверхности выкалывания, не учитывается;  - коэффициент, принимаемый для равным: для тяжелых бетонов - 0,5; для бетонов на пористых заполнителях - 0,4; |
а - при отсутствии эксцентриситета силы N относительно центра тяжести анкеров; б - при наличии такого же эксцентриситета; 1 - поверхность выкалывания; 2 - поверхность среза; 3 - проекция поверхности выкалывания на плоскость, нормальную к анкерам; 4 - точка приложения силы N; 5 - линия центра тяжести площади Ai |
Рисунок 8.16 - Схема выкалывания бетона наклонными анкерами
при отсутствии прижатия к основанию

- коэффициент, определяемый по формулам:

; (8.83)

. (8.84)

, (8.85)

- напряжения обжатия вдоль оси наклонных анкеров, определяемые путем умножения сжимающих напряжений в основания на

;
e - эксцентриситет силы Ni относительно центра тяжести площади Ai в направлении a.
Если число рядов анкеров в направлении эксцентриситета больше двух, в
условии (8.80) силу
Ni можно уменьшить на величину

;
б) при наличии прижатия закладной детали к основанию (см.
рисунок 8.17) - из условия

(8.86)
где Nan,i определяется по формуле

, (8.87)
Ai1 и Asq1 - то же, что Ai и Asq для анкеров наиболее растянутого ряда;
e - эксцентриситет усилия Nan,i относительно центра тяжести площади Ai1 в направлении a.
1 - поверхность выкалывания; 2 - поверхность среза; 3 - проекция поверхности выкалывания на плоскость, нормальную к анкерам; 4 - точка приложения силы N; 5 - линия центра тяжести площади Ai |
Рисунок 8.17 - Схема выкалывания бетона наклонными анкерами
при наличии прижатия к основанию
9 Расчет по предельным состояниям второй группы
9.1 Расчет закладных деталей по предельным состояниям второй группы выполняется только по деформациям. Расчет следует выполнять с учетом эксплуатационных требований, предъявляемых к прикрепляемым конструктивным элементам и закладным деталям. Линейные и угловые перемещения закладных деталей в общем случае обусловлены: деформациями анкеров, деформациями опорных пластин, а также податливостью и зазорами в соединениях.
Допускается расчет деформаций анкеров выполнять с учетом [
5, раздел 7], а также требований
9.4 -
9.9.
9.2 Расчет по деформациям следует производить на действие нагрузок с расчетным значением, соответствующим предельным состояниям второй группы.
Расчет по деформациям проводят на действие постоянных, временных длительных и кратковременных нагрузок (кратковременное нагружение) и на действие постоянных и временных длительных нагрузок (длительное нагружение).
9.3 Расчет пластин по деформациям рекомендуется выполнять с помощью метода конечных элементов.
Расчет анкеров по деформациям производят из условия  , (9.1) |
где

- перемещение анкера в уровне соединения с опорной пластиной закладной детали от действия внешней нагрузки;

- значение предельно допускаемого перемещения, обусловленного только деформациями анкера, устанавливаемого с учетом расчетных, конструктивных, технологических и эстетико-психологических требований, предъявляемых к анкерному креплению.
9.5
Перемещение одиночного анкера в направлении растягивающего усилия следует вычислять по формуле  , (9.2) где  - перемещения анкера от продолжительного действия постоянных и временных длительных нагрузок;  - перемещения анкера от непродолжительного действия постоянных и временных (длительных и кратковременных) нагрузок; |
 - перемещения анкера от непродолжительного действия постоянных и временных длительных нагрузок. При этом перемещения анкера от непродолжительного действия нагрузки вычисляют по формуле  , (9.3) где Nan - расчетное усилие в анкере; CN,0 - коэффициент жесткости анкера при растяжении (кратковременный). Перемещения анкера от продолжительного действия нагрузки вычисляют по формуле (9.3) с использованием вместо величины CN,0 коэффициента жесткости анкера при растяжении  (длительного). Коэффициенты CN,0,  определяются согласно 9.9. |
9.6
Перемещение одиночного анкера в направлении сдвигающего усилия следует вычислять по формуле  , (9.4) где  - перемещения анкера от продолжительного действия постоянных и временных длительных нагрузок;  - перемещения анкера от непродолжительного действия постоянных и временных (длительных и кратковременных) нагрузок;  - перемещения анкера от непродолжительного действия постоянных и временных длительных нагрузок. При этом перемещения анкера от непродолжительного действия нагрузки вычисляют по формуле  , (9.5) где Van - расчетное усилие в анкере; CV,0 - коэффициент жесткости анкера при сдвиге (кратковременный). Перемещения анкера от продолжительного действия нагрузки вычисляют по формуле (9.5) с использованием вместо величины CV,0 коэффициента жесткости анкера при сдвиге  (длительного). Коэффициенты CV,0,  определяются согласно п. 9.10. |
9.7
В случае комбинированного действия растягивающих и сдвигающих сил, результирующее перемещение следует вычислять, учитывая компоненты перемещения в обоих направлениях по формуле  , (9.6) |
9.8
Коэффициенты жесткости анкера при растяжении CN,0,  принимают в общем случае по формуле  , (9.7) где Ncont - контрольное значение силы на анкер;  - перемещения анкера вдоль оси, от действия кратковременных растягивающих сил;  - перемещения анкера вдоль оси, от действия длительных растягивающих сил. Для анкеров с переменной глубиной заделки жесткость анкеров следует вычислять по формуле  , (9.8) где cN,0 - коэффициент податливости анкера при действии кратковременных растягивающих сил;  - коэффициент податливости анкера при действии длительных растягивающих сил; dnom - внешний диаметр анкера или номинальный диаметр арматуры; |
hef - рабочая глубина анкеровки.
Коэффициент жесткости анкера при сдвиге вычисляют по формуле  , (9.9) где Vcont - контрольное значение силы на анкер;  - перемещения анкера поперек оси, от действия кратковременных сдвигающих сил;  - перемещения анкера поперек оси, от действия длительно действующих сдвигающих сил. |
Примечание - Рассчитываемые коэффициенты жесткости анкера определяют их деформативность (податливость) для различных расчетных ситуаций. Коэффициенты жесткости, кН/мм, устанавливаются по данным, характеризующим фактическую диаграмму работы анкера при растяжении и сдвиге в области усилий, соответствующих нормативным нагрузкам. Указанные параметры устанавливаются испытаниями. Для анкеров из арматурных стержней классов А400 и А500 допускается расчет жесткости выполнять с учетом перемещений, определяемых по [ 7, 4.14 и 4.15]. |
9.10 Отдельно следует учитывать податливость монтажных соединений и зазоров в отверстиях в зависимости от конструктивного решения крепежной детали, передающей усилия на закладную деталь.
9.11 Допускается не проводить расчет анкеров по деформациям из
условия (9.1), если деформативность анкерного крепления учтена в расчете прикрепляемой конструкции.
10 Конструктивные требования
10.1 Расстояние между анкерами соседних закладных деталей следует назначать не менее 3hef. При невозможности соблюдения этого требования, допускается размещать детали ближе, рассматривая каждую деталь как установленную на отдельном основании с расстоянием до края (виртуальный край основания), равном половине расстояния до соседней детали.
10.2 Толщину пластин или других внешних элементов сварных закладных деталей следует назначать с учетом условия
 , (10.1) |
где
Rsq - расчетное сопротивление стали опорной пластины при сдвиге, соответствующее
Rs таблицы 2 СП 16.13330.2017.
и технологических требований по сварке, указанными в
10.11. Толщину пластин сварных закладных деталей рекомендуется принимать не менее 6 мм, а толщину стенок или полок фасонного проката для закладных деталей - не менее 5 мм. При назначении конструктивных размеров закладных деталей указанные значения могут быть уменьшены на 1 мм. Кроме того, толщина пластин должна быть не менее
kf/1,2, где
kf - катет углового шва при приварке стальных элементов к закладным деталям.
10.3 В пластинах закладных деталей, находящихся при бетонировании на верхней поверхности изделия, с наименьшим размером более 25 см и в пластинах, закрывающих полностью или большую часть грани бетонируемого элемента, рекомендуется предусматривать отверстия для выхода воздуха при укладке и уплотнении бетона и для контроля качества бетонирования.
10.4 Размеры пластин закладных деталей, эксплуатируемых без защиты от атмосферных осадков, рекомендуется назначать равными размерам основания.
Примечание - При действии температурно-усадочных напряжений по контакту боковой поверхности пластины и бетона образуются трещины, в которые попадает атмосферная влага. Вследствие замораживания-оттаивания трещины раскрываются и могут приводить к раскалыванию основания или же откалыванию края основания.
10.5 При необходимости применения закладных деталей с приваренными к ним элементами (листами, полосами, уголками, швеллерами и т.п.), разрезающими бетон на части, рекомендуется предусматривать специальные мероприятия против расслоения бетона (например, устройство в этих элементах отверстий, установка в отверстия сквозных арматурных стержней и др.).
10.6 Глубину заделки анкеров следует назначать таким образом, чтобы рабочая глубина анкеровки hef составляла не менее:
- 60 мм для анкеров диаметром 10 мм и менее;
- 70 мм для анкеров диаметром 12 мм;
- 80 мм для анкеров диаметром 16 мм;
- 90 мм для анкеров диаметром 20 мм;
- 4d для анкеров диаметром 24 мм и более.
10.7 Число расчетных нормальных анкерных стержней в закладной детали следует назначать не менее четырех, однако при отсутствии отрывающих сил и изгибающих моментов оно может быть уменьшено до двух.
При действии отрывающих сил и изгибающих моментов, если обеспечивается приложение этих усилий в плоскости расположения анкеров, допускается применение закладных деталей с двумя нормальными анкерными стержнями.
При наличии в закладной детали не менее четырех нормальных анкеров допускается установка одного наклонного анкера.
Для анкерных стержней, привариваемых внахлестку, угол их наклона к направлению сдвигающей силы (см.
рисунок 4.1, а - в) следует принимать равным

. При

(см.
рисунок 4.1, г) их приварку к пластине рекомендуется проводить под слоем флюса (см.
10.11).
10.8 При проектировании сварных закладных деталей рекомендуется применять анкерные стержни по возможности меньшего диаметра, но не менее 6 мм. Применение для анкеров арматурной стали диаметром более 25 мм не рекомендуется. Расстояния между осями расчетных анкеров и от осей крайних анкеров до граней железобетонного элемента рекомендуется принимать не менее, указанных на рисунке 10.1.
a = 5ds; b = 7ds; c = 3.5ds; e = 4ds Рисунок 10.1 - Наименьшие расстояния между осями анкеров и от осей крайних анкеров до граней железобетонного элемента |
10.9 При действии прижимающего усилия часть сдвигающей силы допускается передавать на бетон через упоры из полосовой стали или из арматурных коротышей (см.
рисунок 10.2).
Высоту упоров рекомендуется принимать не менее 10 и не более 40 мм при отношении толщины упора к его высоте не менее 0,5. Расстояние между упорами в направлении сдвигающей силы следует принимать не менее шести высот упора. Упоры рекомендуется предусматривать также в закладных деталях, воспринимающих знакопеременные сдвигающие усилия, если не представляется возможным разместить наклонные анкеры. Допускается применять упоры в случае отсутствия прижимающего усилия при действии на деталь сдвигающей силы одного направления и отсутствии трещин на поверхности бетона, примыкающей к пластине закладной детали.
1 - нормальные анкеры; 2 - упор из арматурного стержня; 3 - упор из полосовой стали; 4 - упор из стальной пластины, работающий в двух направлениях Рисунок 10.2 - Конструкция закладной детали с упорами для восприятия сдвигающей силы |
10.10 Длину анкеров из арматуры периодического профиля следует определять согласно требованиям
пункта 10.3.25 СП 63.13330.2018.
10.11 Длина анкеров закладных деталей при действии на них растягивающих сил может быть уменьшена при условии усиления концов анкерных стержней анкерными головками диаметром не менее 2
d, высаженными горячим способом, а также приваркой анкерных пластин или поперечных коротышей. В этих случаях длина анкерного стержня определяется по расчету на выкалывание и смятие бетона основания и принимается при усилениях в виде головок и пластин не менее 10
d и при усилении коротышами - не менее 15
d. В том случае, если в бетоне возможно образование трещин вдоль анкеров в пределах их расчетной длины, необходимо устройство высаженных головок либо приварка анкерных пластин. Растягивающее напряжение в бетоне

, определяется как для упругого тела.
10.12 Расчетные анкеры из гладкой арматуры класса А240 следует применять только при наличии усилений на их концах в виде пластинок, высаженных головок и поперечных коротышей. Длина этих анкеров определяется по расчету на выкалывание и смятие бетона.
Для конструктивных закладных деталей допускается применение анкеров из той же стали с устройством на их концах крюков.
10.13 Сварные соединения анкерных стержней с пластинами следует проектировать в соответствии с требованиями
ГОСТ 14098.
10.14 Для тавровых соединений анкерных стержней с пластинами предпочтительна автоматическая дуговая сварка под флюсом.
Ручную дуговую сварку в раззенкованные отверстия вследствие большой трудоемкости процесса можно применять в том случае, если применение рекомендуемых способов сварки невозможно.
10.15 Соединения внахлестку анкеров и арматурных стержней (диаметром не более 16 мм) с пластинами при угле

рекомендуется преимущественно выполнять с помощью контактной рельефно-точечной сварки. Для закладных деталей, устанавливаемых в конструкциях, подвергающихся воздействию вибрационных нагрузок, применение рельефно-точечной сварки не допускается.
10.16 При определении длины заготовок для нормальных и наклонных анкеров, привариваемых под слоем флюса, а также нормальных анкеров, привариваемых контактной рельефно-точечной сваркой, рекомендуется учитывать припуск, равный 15 мм, на осадку при сварке.
10.17 Для обеспечения долговечности закладных деталей следует предусматривать антикоррозионную защиту. Выбор способа защиты назначается в зависимости от степени агрессивности среды, в которой будет эксплуатироваться закладная деталь, в соответствии с требованиями
СП 28.13330.
10.18 Защиту закладных деталей, соединительных элементов и сварных соединений в узлах сопряжений рекомендуется в первую очередь обеспечивать бетонированием их плотным бетоном, прочность которого должна быть не менее прочности бетона соединяемых конструкций.
Толщину защитного слоя тяжелого бетона рекомендуется назначать не менее 30 мм.
10.19 Закладные детали и соединительные элементы, не защищенные бетоном, подвергающиеся воздействию сильноагрессивных сред, по отношению к которым комбинированные покрытия с металлическим подслоем на основе цинка и алюминия не являются стойкими, рекомендуется изготовлять из химически стойких сталей.
10.20 Металлические покрытия, нанесенные на наружную сторону закладной детали, поврежденные в процессе монтажа конструкций при сварке, рекомендуется восстанавливать методом металлизации.
Восстановление лакокрасочных покрытий закладных деталей следует производить в соответствии с требованиями, предъявляемыми к защите металлических конструкций лакокрасочными покрытиями.
10.21 Для обеспечения проектного положения закладных деталей в изделиях следует до бетонирования предусмотреть их фиксацию путем крепления к элементам формы. В особых случаях (при расположении деталей на открытой поверхности изделия, при бетонировании), когда их крепление к бортам формы нецелесообразно, детали допускается приваривать к арматуре.
При необходимости сварка деталей с арматурой может выполняться с помощью дополнительных стержней.
10.22 Защиту закладных деталей от коррозии следует назначать согласно
СП 28.13330.
10.23 Монтаж закладных деталей следует выполнять с учетом допусков, предусмотренных
СП 70.13330.
ПРИМЕРЫ РАСЧЕТОВ
Квадратная труба 100 x 100 x 10 приварена к опорной пластине 320 x 320 мм, толщиной 10 мм и крепится к основанию из бетона B20 четырьмя анкерами из арматуры А400 (расстояние между анкерами 220 x 220 мм). В уровне пластины закладной детали приложены силы N = 10 кН, Mx = 3 кНм, My = 10 кНм. Требуется определить усилия растяжения в анкерах (см. рисунок А.1).
Рисунок А.1 - Схема закладной детали и ее нагружения
В соответствии с общими рекомендациями пособия расчет выполняется методом конечных элементов (см.
рисунок А.2) для стальной пластины с модулем упругости E
s = 200 000 МПа. На предварительном этапе, когда не выбрана конкретная марка анкера, задаемся условным анкером (d = 12 мм с рабочей глубиной анкеровки 100 мм), определяя его жесткость по
формуле (7.2)

,
Коэффициент жесткости основания принимается по
формуле (7.3) для бетона B20 с расчетным сопротивлением
Rb = 11,5 МПа:
Cb = 20·мм-1·Rb = 20·11.5 = 230·Н/мм3
Рисунок А.2 - Пример формирования расчетной
конечно-элементной модели закладной детали
а - схема задания коэффициента постели; б - результаты
определения перемещений опорной пластины; в - результаты
определения контактных напряжений (реакций отпора
основания), г - результаты определения усилий в связях,
моделирующих анкеры, д - эпюры моментов Mx,
е - эпюры моментов My.
Рисунок А.3 - Результаты расчета усилий
методом конечных элементов
По результатам расчета определены усилия в анкерах приведенные в таблице А.1.
Таблица А.1
Номер анкера | Усилие Nan, кН |
1 | 0 |
2 | 5,07 |
3 | 35,3 |
4 | 44,9 |
Максимальные расчетные изгибающие моменты осредненные на удвоенной толщине пластины (20 мм) составили My = (19,8 + 20,5 + 15,8)/3 = 18,7 кНм/м.
Максимальные расчетные напряжения в пластине при этом будут определены для данного участка:

.
Максимальные расчетные значения напряжения

значительно превышают
Ry = 230 МПа и
Ry,1 = 230/1,5 = 153 МПа, вычисленной по
формуле (7.6). Требуется увеличение толщины опорной пластины закладной детали.
Те же условия, что в
примере 1, но для пластины толщиной 30 мм.
Жесткость анкера принимается
C0 = 113 кН/м. Как следует из результатов расчета
примера 1 (см.
рисунок А.3,
д -
е) расстояние между узлами с наибольшими моментами составляет 141 мм. Учитывая, что толщина пластины 30 мм превышает отношение пролета изгиба к толщине 141/5 = 28,2 мм, расчет выполняется с учетом предпосылки о жесткой опорной пластине анкерного крепления.
Результаты расчета методом конечных элементов представлены на
рисунке А.4.
По результатам расчета определены усилия в анкерах (см. таблицу А.2.)
Таблица А.2
Номер анкера | Усилие Nan, кН |
1 | 0 |
2 | 2,79 |
3 | 19,0 |
4 | 28,0 |
а - схема задания коэффициента постели; б - результаты
определения перемещений опорной пластины; в - результаты
определения контактных напряжений (реакций отпора
основания), г - результаты определения усилий в связях,
моделирующих анкеры, д - эпюры моментов Mx,
е - эпюры моментов My.
Рисунок А.4 - Результаты расчета усилий
методом конечных элементов
Максимальные расчетные изгибающие моменты осредненные на удвоенной толщине пластины (60 мм) составили My = (15,8 + 19,1 + 16,5)/3 = 17,1 кНм/м.
Максимальные расчетные напряжения в пластине при этом будут определены для данного участка:
Максимальные расчетные напряжения

не превышают величины
Ry,1 = 230/1,5 = 153 МПа, вычисленной по
формуле (7.6). Опорная пластина толщиной 30 мм в данном креплении может рассматриваться как жесткая. Применение методов расчета на основе гипотезы плоских сечений в данном случае допускается.
Кронштейн с жесткой опорной пластиной крепится к основанию из бетона B20 четырьмя анкерами (см. рисунок А.5) из арматуры А400 диаметром 12 мм с рабочей глубиной заделки hef = 100 мм. В уровне опорной пластины приложена сдвигающая сила V = 10 кН и изгибающий момент M = 2 кНм. Требуется определить расчетные усилия растяжения в анкерах.
Рисунок А.5 - Схема закладной детали и ее нагружения
Расчетные усилия в анкере при действии изгибающего момента в плоскости жесткой опорной пластины могут быть определены по
7.13. Расчетная схема приведена на
рисунке А.6.
Для рассматриваемых условий приведенный модуль деформации бетона определяется по
формуле (7.5)
Рисунок А.6 - Расчетная схема анкерного крепления

.

.

.
Усилие в крайнем ряду анкеров для этого случая определяют по
формуле (7.33)

.
Усилие определено для ряда, содержащего два анкера. Максимальное расчетное усилие в одном анкере 4,4 кН. При этом в запас несущей способности не учтен нижний ряд анкеров, фактически расположенный в растянутой зоне.
Стальной двутавр высотой сечения 160 мм приварен к опорной пластине 300 x 300 мм толщиной 25 мм и крепится к основанию из бетона B20 четырьмя анкерами из арматуры А400 диаметром 12 мм с рабочей глубиной 100 мм. В уровне анкерного крепления приложены силы сжатия N = -4 кН, My = 8 кНм. Требуется определить усилия растяжения в анкерах (см.
рисунок А.7).
При действии продольной силы и изгибающего момента в одной плоскости расчет может быть выполнен упрощено по
7.14.
Усилие в крайнем ряду анкеров для этого случая определяют по
формуле (7.35)
Усилие определено для ряда, содержащего два анкера. Максимальное расчетное усилие в одном анкере по упрощенной методике 17,5 кН.
Рисунок А.7 - Схема закладной детали, ее нагружения
и расчетная схема
Результаты расчета с помощью метода конечных элементов представлены на
рисунке А.8.
По результатам расчетов следует, что усилия в анкерах составляют 15,7 кН, максимальные моменты Mx = (6,1 + 8,0 + 14,1 + 12,5 + 6,3)/5 = 9,4 кНм. Максимальные напряжения в пластине толщиной 25 мм, не превышают
Полученные значения не превышают значения
Ry,1 = 230/1,5 = 153 МПа, вычисленного по
формуле (7.6). Опорная пластина толщиной 25 мм в данном креплении может рассматриваться как жесткая. Применение методов расчета на основе гипотезы плоских сечений в данном случае допускается.
а - результаты определения усилий в связях, моделирующих
анкеры; б - результаты определения перемещений опорной
пластины; в - эпюры моментов Mx, г - эпюры моментов My.
Рисунок А.8 - Результаты расчета усилий
методом конечных элементов
При расчете на основе деформационной модели по
7.12 (см. [
5, приложение Б] и
пример 6), максимальное расчетное усилие в наиболее нагруженном анкере составляет 15,72 кН.
Расчетное сдвигающее усилие, передаваемое на закладную деталь (см. рисунок А.9) V = 10 кН. Крепление осуществляется с помощью четырех анкеров диаметром 12 мм. Опорная пластина закладной детали толщиной 20 мм плотно, без зазоров, прилегает к основанию. Требуется определить расчетные усилия для анкеров и анкерных групп при расчете на сдвиг.
Рисунок А.9 - Схема анкерного крепления к примеру 6
Расчет для случая разрушения от откалывания края основания вблизи угла выполняется для двух направлений: в направлении нижней грани и боковой грани. Анкер расположен вблизи от края при этом выделяются следующие механизмы разрушения:
- разрушение по стали и выкалыванию бетона за анкером (по
рисунку 7.10.а);
- разрушение от откалывания края основания при действии сдвигающей силы поперек края (по
рисунку 7.10, б);
- разрушение от откалывания края основания при действии сдвигающей силы параллельно краю (по
рисунку 7.10, в).
Для каждого механизма разрушения определяется своя анкерная группа и выполняется распределение усилий в ней.
а | б | в |
| | |
Van,max = Van,1 = Van,2 = Van,3 = Van,4 = V/4 = 2,5 кН | Van,1 = Van,2 = V/2 = 5 кН Van,tot = Van,1 + Van,2 = 10 кН | Van,1 = Van,2 = Van,3 = Van,4 = V/4 = 2,5 кН Van,tot = Van,2 + Van,4 = 5 кН |
а - разрушение по стали и выкалыванию бетона основания;
б - разрушение от откалывания края основания в направлении
нижней грани; в - разрушение от откалывания края
основания в направлении боковой грани
Рисунок А.10 - Расчетные схемы при определении
расчетных усилий на сдвиг для примера 5
Пример реализации алгоритма определения расчетных усилий в анкерах закладных деталей на основе деформационной модели
Алгоритм для расчета с помощью программы MATLAB приведен в [
5, приложение Б].
Результаты расчета для условий
примера 4 представлены на рисунке А.11:
Рисунок А.11 - Результаты расчета по деформационной модели
Для анкерного крепления с шестью анкерами определены усилия в каждом анкере (см. рисунок А.12). Требуется определить значение суммарного растягивающего усилия
Nan,tot, действующего в анкерной группе, его эксцентриситет
eN,1,
eN,2 относительно центра тяжести анкерной группы, для варианта анкеровки шестью анкерами из арматуры А400 диаметром 12 мм с рабочей глубиной анкеровки 90 мм к основанию из бетона B30 с трещинами (армирование неизвестно). Для выбранного анкера

. Требуется выполнить расчет из условий прочности при выкалывании бетона основания.
A - центр тяжести анкерной группы; B - точка приложения
равнодействующей силы в растянутых анкерах
Рисунок А.12 - Схема закладной детали
Усилия, координаты анкеров относительно центральных осей анкерного крепления и результаты промежуточных вычислений представлены в таблице А.3.
Таблица А.3
Суммарное растягивающее усилие в анкерной группе Nan,tot = 31 кН.
Координаты центра тяжести анкерной группы вычисляются по формулам:

;

.
Координаты точки приложения равнодействующей силы растяжения в анкерах

;

.
Расчетные эксцентриситеты суммарного усилия Nan,tot относительно центра тяжести анкерной группы eN,1 = 20 - 16,1 = 3,9 мм; eN,2 = 91,9 - 30 = 61,9 мм.
Предельное растягивающее усилие из условия прочности при выкалывании бетона основания для анкерной группы из двух крайних анкеров определяют по
формуле (8.9)
при

;
hef = 90 мм;
Rb,n = 22 МПа (для бетона B30);
scr,N = 3hef = 3·90 мм = 270 мм; ccr,N = 1,5hef = 1,5·90 мм = 135 мм;

;

;

(при отсутствии данных по фактическому армированию);

принимается в запас прочности, см.
примечание к 8.1.3.3.
Условие прочности при разрушении от выкалывания бетона основания
(8.8) Nan,tot <
Nult,c (
31 кН <
52.9 кН) - выполнено.
Рисунок А.13 - Схема определения фактической площади
основания условной призмы выкалывания для примера 7
Крепление закладной детали (см. рисунок А.14) осуществляется с помощью двух анкеров из арматуры А500 диаметром 20 мм и глубиной анкеровки 300 мм к основанию из бетона B30 с трещинами, для выбранного анкера

, расчетное значение суммарного растягивающего усилия
Nan,tot = 50 кН (без дополнительных эксцентриситетов). Требуется выполнить расчет из условий прочности при выкалывании бетона основания.
Рисунок А.14 - Схема анкерного крепления
При глубине заделки hef = 300 мм критическое краевое расстояние ccr,N = 450 мм.
Для рассматриваемого крепления c2,1 < c1,2 < c1,1 < ccr,N (cmax = 150 мм) - анкерное крепление расположено в стесненных условиях вблизи от края.
Расчет выполняется для приведенной глубины анкеровки

;

;

.
Предельное растягивающее усилие из условия прочности при выкалывании бетона основания для анкерной группы из двух крайних анкеров по
формуле (8.9)
| | ИС МЕГАНОРМ: примечание. В официальном тексте документа, видимо, допущена опечатка: таблица 8.6 отсутствует. Вероятно, имеется в виду таблица 8.4. | |

;
Ac,N = (150 + 200 + 130)·(100 + 150) = 120000 мм2;

;

;

;

так как
c = 100 мм < 1,5·
hef = 450 мм.
Условие прочности при разрушении от выкалывания бетона основания
(8.8) Nan,tot <
Nult,c (50 кН > 36,1 кН) - не выполнено.
Несущая способность анкерного крепления недостаточна. При этом повышение несущей способности в данных условиях не может быть обеспечено за счет увеличения глубины заделки. Необходимо смещение анкеров от края основания.
Крепление закладной детали осуществляется с помощью двух анкеров диаметром 8 мм из арматуры А500 к основанию из бетона B20 вблизи от края (см. рисунок А.15). Толщина основания 200 мм. Данные по армированию основания в зоне установки отсутствуют. Расчетное значение суммарного растягивающего усилия на рассматриваемую группу анкеров Nan,tot = 6 кН (усилие действует без дополнительных эксцентриситетов). Требуется выполнить расчет по прочности для разрушения от раскалывания основания.
Рисунок А.15 - Схема закладной детали
Основание в общем случае принимается с трещинами.
Предельное растягивающее усилие из условий прочности при раскалывании основания определяется по
формуле (8.32)

;
при
| | ИС МЕГАНОРМ: примечание. В официальном тексте документа, видимо, допущена опечатка: таблица 8.6 отсутствует. Вероятно, имеется в виду таблица 8.4. | |
hef = 50 мм; Rb,n = 15 МПа (для бетона B20);
scr,sp = 150 мм; ccr,sp = 75 мм;

;
Ac,N = (75 мм + 100 мм + 40 мм)·(40 мм + 75 мм) = 24725 мм2 -

;

(при отсутствии данных по фактическому армированию);

;

, но не более

.
Условие прочности при разрушении от раскалывания основания (8/31) Nan,tot = 6 кН < Nult,sp = 6.24 кН - выполнено. Несущая способность анкерного крепления из условий прочности при раскалывании основания обеспечена.
Для кронштейна с изгибающим моментом
M = 2 кН·м (см.
рисунок А.16) выбраны анкеры из арматуры класса А500 диаметром 12 мм с рабочей глубиной заделки
hef = 120 мм (расчет усилий в анкерах по
примеру 3). Крепление осуществляется к основанию с трещинами толщиной 200 мм из бетона B25 с армированием

А400 с шагом 200 x 200 мм. Требуется выполнить расчет по прочности для основных видов разрушения по бетону основания.
Расчетные усилия для данного крепления определены в
примере 3. Суммарное усилие в крайнем ряду (анкеры N 3 и N 4)
Nan,tot = 8,81 кН.
Рисунок А.16 - Схема анкерного крепления
Разрушение от потери сцепления с бетоном основания
Предельное растягивающее усилие, воспринимаемое анкерным стержнем арматуры в основании без трещин, определяемое согласно
пункту 10.3.26 СП 63.13330.2018
Rbond = 2,5·1·1.05 = 2,63 Н/мм2 (для основания без трещинами из бетона B25);

;

;

;

.
Условие прочности при разрушении от потери сцепления анкера с бетоном основания
(8.6) Nan,max <
Ns (4.4 кН < 11.5 кН) - выполнено.
Разрушение от выкалывания бетона основания
Предельное растягивающее усилие из условия прочности при выкалывании бетона основания для анкерной группы из двух крайних анкеров по
формуле (8.9):
при

;
hef = 120 мм;
Rb,n = 18,5 МПа (для бетона B25);
scr,N = 3hef = 3·120 мм = 360 мм; ccr,N = 1,5hef = 1,5·120 мм = 180 мм;

;
Ac,N = (0,5scr,N + s2 + 0,5scr,N)·(c1 + 0,5scr,N) = (180 + 150 + 180)·(80 + 180) = 132600 мм2;

;

- арматура в зоне установки анкеров расположена с шагом более 150 мм;

- эксцентриситеты приложения усилий отсутствуют;

- так как c = 80 мм < 1,5·
hef = 180 мм.
Условие прочности при разрушении от выкалывания бетона основания
(8.8) Nan,tot <
Nult,c (8,81 кН < 25,7 кН) - выполнено.
Комбинированное разрушение по контакту и выкалыванию бетона основания
Предельное растягивающее усилие для анкерной группы из двух крайних анкеров при разрушении по контакту и выкалыванию бетона основания по
формуле (8.23)

;
при

;
dnom = 12 мм;
Rbond,n = 2.5·1·1.55 = 3,88 Н/мм2 (для основания без трещинами);
Rbond,n = 2.5·1·1.55·0.7 = 2,71 Н/мм2 (для основания с трещинами);

, но не более 3
hef = 240 мм;
ccr,Np = scr,Np/2 = 86 мм;

;
Ap,N = (0,5scr,Np + s2 + 0,5scr,Np)·(c1 + 0,5scr,Np) = (86 + 150 + 86)·(80 + 86) = 53618 мм2;

- для бетона B25;

;

;

;

;

.
Условие прочности при комбинированном разрушении по контакту и выкалыванию бетона
(8.22) Nan,tot <
Nult,p (8,81 кН < 12,2 кН) - выполнено.
Разрушение от раскалывания основания
Критическое краевое расстояние для случая разрушения от раскалывания бетона основания при растяжении при толщине основания h = 200 мм:
ccr,sp = 4,6·hef - 1.8h = 192 мм при h/hef = 1,7.
Согласно
8.1.5.4 при
c1 <
1,2·
ccr,sp (80 мм < 230 мм) проверка прочности при разрушении от раскалывания обязательна.
scr,sp = 2·ccr,sp = 2·192 мм = 384 мм.
Предельное растягивающее усилие для анкерной группы из двух крайних анкеров при разрушении от раскалывания основания по
формуле (8.32)

;
при

;

- см. выше;

;
Ac,sp = (0,5scr,sp + s2 + 0,5scr,sp)·(c1 + 0,5scr,sp) = (192 + 150 + 192)·(80 + 192) = 145248 мм2;

, но не более

;
hmin = hef + 30 = 120 + 30 = 150 мм.
Условие прочности при разрушении от раскалывания основания при растяжении
(8.31) Nan,tot <
Nult,sp (8,81 кН < 43,3 кН) - выполнено.
Несущая способность анкерного крепления закладной детали по разрушению бетона основания обеспечена.
Расчетное сдвигающее усилие, передаваемое на закладную деталь (см.
пример 6)
V = 10 кН. Крепление осуществляется с помощью четырех анкеров из арматуры А500 диаметром 12 мм с рабочей глубиной анкеровки 80 мм (см. рисунок А.17). Основание из бетона B25 без трещин толщиной 300 мм. Требуется проверить прочность основания на сдвиг.
а - разрушение по стали и выкалыванию бетона основания;
б - разрушение от откалывания края основания в направлении
нижней грани; в - разрушение от откалывания края
основания в направлении боковой грани
Рисунок А.17 - Расчетные схемы распределения усилий на сдвиг
Проверка прочности при выкалывании бетона основания за анкером
Сдвигающие силы в пределах группы имеют одно направление, согласно
8.2.2.4 проверка прочности выполняется для анкерной группы в целом.
Предельное растягивающее усилие
Nult,c для анкерной группы при разрушении от выкалывания бетона основания по
формуле (8.9)
при

;
hef = 80 мм; Rb,n = 18,5 МПа (для бетона B25);
scr,N = 3hef = 3·80 мм = 240 мм; ccr,N = 1,5hef = 1,5·80 мм = 120 мм;

;
Ac,N = (70 мм + 80 мм + 120 мм)·(90 мм + 100 мм + 120 мм) = 63700 мм
2 - см.
рисунок А.18,
а;

;

(при отсутствии данных по фактическому армированию);

.
Проверка прочности от выкалывания бетона основания при сдвиге
Нормативное значение силы сопротивления для анкерной группы при разрушении от выкалывания бетона основания за анкером по
формуле (8.59)

.
Условие прочности при разрушении от выкалывания бетона основания
(8.58) Van,tot = 10 кН <
Vult,cp = 63,3 кН - выполнено.
а - фактическая площадь Ac,N к расчету выкалывания бетона
основания за анкером; б - фактическая площадь Ac,V к расчету
при разрушении от откалывания края основания в направлении
нижней грани; в - фактическая площадь Ac,V к расчету
при разрушении от откалывания края основания
в направлении боковой грани
Рисунок А.18 - Схемы определения фактической площади
основания условной призмы выкалывания
Проверка прочности при разрушении от откалывания края основания
Расчет для случая разрушения от откалывания края основания вблизи угла выполняется для двух направлений: в направлении нижней грани и боковой грани
(8.2.3.4).
Разрушение от откалывания края основания в направлении нижней грани
Рассматривается схема разрушения на
рисунке А.18, б. Расчетное усилие
Van,tot = 10 кН,

,
c1 = 90 мм,
c2 = 70 мм.
Предельное значение сдвигающей силы для анкерной группы при разрушении от откалывания края основания по
формуле (8.63)
при
dnom = 12 мм; lf = 80 мм; Rb,n = 18,5 МПа (для бетона B25);

;

;

;
Ac,V = 90 мм·(1,5·90 мм + 80 мм + 70 мм) = 38475 мм
2 - см.
рисунок 8.12.в;

;

(при
h > 1,5
c1);

(при

);

;

- при отсутствии данных по фактическому армированию конструкции.
Условие прочности при разрушении от откалывания края основания в направлении нижней грани
(8.63) Van,tot = 10 кН <
Vult,c = 10,5 кН - выполнено.
Разрушение от откалывания края основания в направлении боковой грани
| | ИС МЕГАНОРМ: примечание. В официальном тексте документа, видимо, допущена опечатка: рисунок А.19 отсутствует. | |
Рассматривается схема разрушения по рисунок А.19, в. Расчетное усилие
Van,tot = 5 кН,

,
c1 = 70 мм,
c2 = 90 мм.
Аналогично определяем предельное значение сдвигающей силы при разрушении от откалывания края основания
при

;

;

;
Ac,V = 70 мм·(1,5·70 мм + 100 мм + 90 мм) = 30975 мм
2 - см.
рисунок 8.12, в;

;

(при

).
Условие прочности при разрушении от откалывания края основания в направлении боковой грани
(8.62) Van,tot = 5 кН <
Vult,c = 28,0 кН - выполнено.
Несущая способность анкерного крепления при действии сдвигающей силы по всем предусмотренным согласно
раздела 8.2 видам проверки прочности обеспечена.
| | ИС МЕГАНОРМ: примечание. Нумерация примеров дана в соответствии с официальным текстом документа. | |
Для анкеров закладной детали проведены расчеты по различным механизмам разрушения (таблицы А.4 -
А.5). Требуется проверить несущую способность анкерного крепления при совместном действии растягивающих и сдвигающих усилий.
Таблица А.4
Результаты расчета анкерного крепления закладной детали
при действии растягивающих усилий
| Механизм разрушения при растяжении | Расчетное усилие Nan, кН | Расчетная сила сопротивления Nult, кН | |
1 | Разрушение по стали | Nan,max = 4,5 | Nult,s = 26 кН | 0,17 |
2 | Разрушение от выкалывания бетона основания | Nan,tot = 9,0 | Nult,c = 25,0 | 0,36 |
3 | Комбинированное разрушение по контакту анкера с основанием и выкалыванию бетона основания | Nan,tot = 9,0 | Nult,p = 17,0 | 0,53 |
4 | Разрушение от раскалывания основания | Nan,tot = 9,0 | Nult,sp = 20,5 | 0,44 |
Таблица А.5
Результаты расчета анкерного крепления
закладной детали при сдвиге
| Механизм разрушения при сдвиге | Расчетное усилие Van, кН | Расчетная сила сопротивления Vult, кН | |
1 | Разрушение по стали | Van,max = 2 | Vult,s = 3,33 | 0,6 |
2 | Разрушение от выкалывания бетона основания за анкером | Van,tot = 5 | Vult,cp = 45 | 0,11 |
3 | Разрушение от откалывания края основания | Van,tot = 5 | Vult,c = 7,1 | 0,70 |
Откуда коэффициенты

;

(максимальные значения).
Условия прочности
(8.74) -
(8.76) для анкеров при совместном воздействии растяжения и сдвига выполнены:

;

;

.
Несущая способность анкерного крепления при совместном действии растягивающих и сдвигающих усилий обеспечена.
Для закладных деталей с одиночным анкером заданием на проектирование установлены параметры допустимых перемещений

. Усилия приложены к анкеру без дополнительных эксцентриситетов. Суммарное усилие от нормативных нагрузок, действующих на закладную деталь
Ntot = 12 кН, усилие при сочетании длительных и длительной части кратковременных нагрузок -
Nк = 10 кН. Характеристики анкера для расчета деформативности при растяжении: контрольное значение силы на анкер в бетоне с трещинами N
cont = 14,5 кН, перемещение при кратковременном действии нагрузки

, перемещение при длительном действии нагрузки

. Требуется проверить соблюдение технических требований по деформативности крепления за счет податливости анкера.
Усилие в одиночном анкере Nan = N (при отсутствии дополнительных эксцентриситетов и отпорных реакций за счет гибкости опорной пластины). При продолжительном действии постоянных и временных длительных нагрузок Nan,д = 10 кН. При действии постоянных и временных (длительных и кратковременных) нагрузок Nan,к = 12 кН.
Перемещения анкера от продолжительного действия постоянных и временных длительных нагрузок по
формуле (9.3)

.
Перемещения анкера от непродолжительного действия постоянных и временных (длительных и кратковременных) нагрузок

.
Перемещения анкера от непродолжительного действия постоянных и временных длительных нагрузок

;

.
Максимальные расчетные перемещения анкера составят 0,99 мм, что не превышает допустимого значения

.
[1] EN 1992-4:2018 Eurocode 2 - Design of concrete structures - Part 4: Design of fastenings for use in concrete - CEN, Brussels, 2018
[2] ETAG 001 Guideline for European technical approval of metal anchors for use in concrete - EOTA, Brussels, 2013
[3] ACI 318-14 Building Code Requirements for Structural Concrete - American Concrete Institute, 2014
[4] СТО 36554501-048-2016 Анкерные крепления к бетону. Правила проектирования - АО "НИЦ "Строительство", 2016
[5] Методическое пособие "Проектирование анкерных креплений строительных конструкций и оборудования. К СП 63.13330.2012" - ФАУ "ФЦС", 2018
[6] Отчет о научно-исследовательской и опытно-конструкторской работе по теме: "Исследование анкерных креплений к бетону с разработкой расчетных зависимостей для нормирования". N АААА-А17-117062110121-5 - АО "НИЦ "Строительство", 2017
[7]
Рекомендации по проектированию стальных закладных деталей для железобетонных конструкций - Стройиздат, 1984
[8]
Рекомендации по расчету, проектированию, изготовлению и монтажу фланцевых соединений стальных строительных конструкций - М, ЦБНТИ Минмонтажспецстроя СССР, 1989