Главная // Актуальные документы // Методические рекомендацииСПРАВКА
Источник публикации
Киев: НИИСК Госстроя СССР, 1983
Примечание к документу
Название документа
"Методические рекомендации по расчету сборно-монолитных конструкций по предельным состояниям"
(одобрены Протоколом НИИСК Госстроя СССР от 18.05.1983 N 14)
"Методические рекомендации по расчету сборно-монолитных конструкций по предельным состояниям"
(одобрены Протоколом НИИСК Госстроя СССР от 18.05.1983 N 14)
Протоколом НИИСК Госстроя СССР
от 18 мая 1983 г. N 14
МЕТОДИЧЕСКИЕ РЕКОМЕНДАЦИИ
ПО РАСЧЕТУ СБОРНО-МОНОЛИТНЫХ КОНСТРУКЦИЙ
ПО ПРЕДЕЛЬНЫМ СОСТОЯНИЯМ
Одобрены секцией N 1 Научно-технического совета НИИСК Госстроя СССР, Протокол N 14 от 18 мая 1983 года.
Даны рекомендации по расчету прочности, трещиностойкости и деформативности внецентренно сжатых, внецентренно растянутых и изгибаемых сборно-монолитных стержневых конструкций. В качестве иллюстрации даны примеры расчета. Проведено сопоставление расчетных данных, полученных по предлагаемым формулам и нормативной методике, с опытными. Настоящие методические рекомендации распространяются на тяжелый бетон, мелкозернистый бетон и легкий бетон плотной структуры.
Рассчитаны на инженеров-проектировщиков, студентов вузов и факультетов строительного профиля.
Разработаны д-ром техн. наук А.Б. Голышевым (НИИСК Госстроя СССР) и кандидатами техн. наук В.П. Полищуком (Курский ПИ), Я.Г. Сунгатуллиным (Казанский ИСИ), В.Ф. Усмановым (СамГАСИ), А.В. Харченко (НИИСК Госстроя СССР).
Отзывы и замечания направлять по адресу: 252180 Киев, И. Клименко, 5/2, НИИСК Госстроя СССР, лаборатория теории расчета железобетонных конструкций.
1.1. В настоящих методических рекомендациях рассматриваются сборно-монолитные конструкции, состоящие из заранее изготовленных преднапряженных сборных элементов (рассчитаны на восприятие нагрузок, возникающих в период строительства) и дополнительно уложенных на месте использования конструкции монолитного бетона и арматуры
(рис. 1).
Рис. 1. Поперечные сечения конструкций
1 - преднапряженные сборные элементы; 2 - монолитный бетон
1.2. Сборно-монолитные конструкции должны удовлетворять требованиям расчета по прочности, по образованию и раскрытию трещин и по деформациям.
Расчет производится для двух стадий работы конструкции:
а) до приобретения монолитным бетоном заданной прочности - на нагрузки, действующие на данном этапе возведения конструкции (в т.ч. нагрузку от собственного веса сборных элементов и монолитного бетона);
б) после приобретения монолитным бетоном заданной прочности - на нагрузки, действующие на этом этапе возведения и эксплуатации конструкции.
До приобретения монолитным бетоном заданной прочности расчет сборно-монолитных конструкций выполняется по
[12], после - в соответствии с настоящими методическими рекомендациями.
2. РЕКОМЕНДАЦИИ ПО РАСЧЕТУ СБОРНО-МОНОЛИТНЫХ КОНСТРУКЦИЙ
ПО ПРЕДЕЛЬНЫМ СОСТОЯНИЯМ ПЕРВОЙ ГРУППЫ
2.1. Расчет сборно-монолитных конструкций по прочности производится для сечений, нормальных к продольной оси и наклонных наиболее опасного направления, а также для контактного слоя между сборными элементами и монолитным бетоном.
Расчет до прочности сечений, нормальных
к продольной оси конструкции
2.2. Определение предельных усилий в нормальных сечениях производится исходя из следующих предпосылок:
в расчет вводится "приведенный" бетон с прочностными и деформативными характеристиками, зависящими от предельной сжимаемости исходных бетонов, геометрии и компоновки сечения;
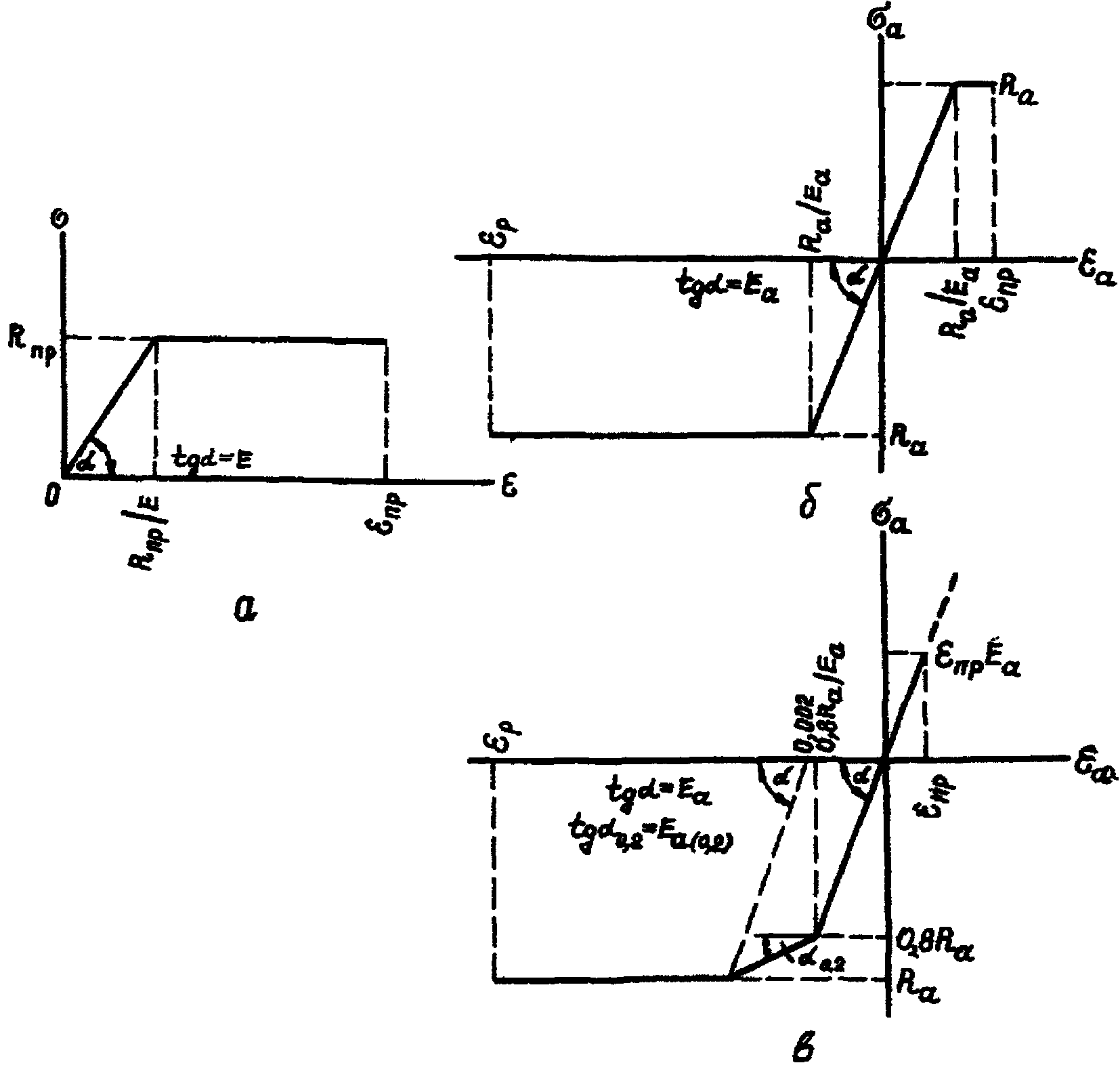
связь между напряжениями и деформациями "приведенного" бетона, а также напряжениями и деформациями арматурной стали принимается в виде диаграмм
рис. 2;
для средних деформаций "приведенного" бетона и арматуры считается справедливой гипотеза плоских сечений;
в качестве расчетного принимается сечение со средней высотой сжатой зоны x, соответствующей средним деформациям;
сопротивление расчетного сечения считается исчерпанным, если деформации крайних сжатых волокон "приведенного" бетона или растянутой арматуры достигают предельных значений.
Рис. 2. Диаграммы

а - для "приведенного" бетона; б - для арматурной стали,
имеющей физический предел текучести; в - для арматурной
стали, не имеющей физического предела текучести
Эпюра нормальных напряжений в бетоне сжатой зоны расчетного сечения имеет вид прямоугольной трапеции с высотой участка постоянных напряжений, равной

, где (см.
рис. 2, а):
при


(1)
при


(2)

и

- расчетные значения относительных деформаций крайних сжатых волокон "приведенного" бетона (соответственно промежуточных и предельных);

, E и R
пр - расчетные значения соответственно коэффициента пластичности, модуля упругости и призменной прочности "приведенного" бетона.
2.3. Расчетные значения прочностных и деформативных характеристик "приведенного" бетона:
призменная прочность в случае внецентренного сжатия при eб < eб.я

(3)
призменная прочность в случае внецентренного сжатия и растяжения при eб >= eб.я и в случае изгиба

(4)
модуль упругости

(5)
коэффициент пластичности "приведенного" бетона

(6)
где S и S
м - статические моменты площади соответственно всей сжатой зоны сечения конструкции и монолитной части указанной зоны относительно нулевой линии при

;
eб - расстояние от центра тяжести приведенного сечения конструкции (приведение по прочности арматуры и монолитного бетона к бетону сборных элементов) до точки приложения силы N;
eб.я - то же, до ядровой точки, наиболее удаленной от растянутого (наименее сжатого) края сечения.
При арматурной стали, не имеющей физического предела текучести,

(7)
а при имеющей физический предел текучести

(8)
где nам = Eа/Eм;

- полные напряжения в арматуре А на уровне наиболее растянутого ряда к моменту приобретения монолитным бетоном заданной прочности с учетом всех потерь
[12].
Для определения модулей упругости E
с, E
м и E можно пользоваться также
табл. 1, а коэффициента

-
табл. 2.
Вид бетона | Расчетный модуль упругости (Eс, Eм, E) 10-3 при классе бетона по прочности на сжатие |
B7,5 | B10 | B12,5 | B15 | B20 | B25 | B30 | B35 | B40 | B45 | B50 | B55 | B60 |
Тяжелый | Естественного твердения | - | - | 13,0 | 14,5 | 16,5 | 18,0 | 20,0 | 21,1 | 21,8 | 22,8 | 23,3 | 23,6 | 23,9 |
Подвергнутый тепловой обработке при атмосферном давлении | - | - | 12,0 | 13,0 | 14,5 | 16,0 | 18,0 | 19,0 | 19,7 | 20,3 | 20,8 | 21,1 | 21,4 |
Мелкозернистый | Вида А естественного твердения | - | - | 10,7 | 12,0 | 13,3 | 14,5 | 16,0 | 17,0 | 17,7 | - | - | - | - |
Вида А, подвергнутый тепловой обработке при атмосферном давлении | - | - | 9,7 | 10,5 | 12,0 | 13,0 | 14,0 | 14,8 | 15,5 | - | - | - | - |
Вида Б естественного твердения | - | - | 9,7 | 10,5 | 12,0 | 13,0 | 14,0 | - | - | - | - | - | - |
| В зависимости от марки до плотности (объемной массе) | | | | | | | | | | | | | |
Легкий | D 1400 | 5,7 | 6,2 | 6,6 | 7,0 | 7,7 | 8,4 | - | - | - | - | - | - | - |
D 1800 | 7,2 | 7,8 | 8,4 | 9,0 | 10,1 | 10,8 | 11,5 | 12,1 | 12,6 | - | - | - | - |
D 2200 | - | 10,5 | 10,5 | 11,0 | 12,2 | 13,3 | 14,0 | 14,5 | 15,0 | - | - | - | - |
Вид бетона | Коэффициент  при классе бетона по прочности на сжатие |
B7,5 | B10 | B12,5 | B15 | B20 | B25 | B30 | B35 | B40 | B45 | B50 | B55 | B60 |
Тяжелый | - | 0,85 | 0,83 | 0,81 | 0,76 | 0,73 | 0,68 | 0,64 | 0,62 | 0,60 | 0,57 | 0,54 | 0,51 |
Мелкозернистый | - | 0,75 | 0,72 | 0,70 | 0,65 | 0,60 | 0,55 | 0,50 | 0,48 | 0,45 | - | - | - |
Легкий (ориентировочно) | 0,5 | 0,47 | 0,44 | 0,40 | 0,33 | 0,28 | 0,21 | 0,15 | - | - | - | - | - |
2.4. Расчетные значения деформаций предельной растяжимости арматурной стали

допускается принимать равными при:
проволочной арматуре .................... 0,01
то же, стержневой ....................... 0,02
При высокопрочной арматурной стали классов А-IV, Ат-IV, А-V, Ат-V, Ат-VI, В-II, Вр-II и К-7 в случае соблюдения условия

расчетное сопротивление арматуры R
а умножается на коэффициент условий работы m
а4 [12], где при арматурной стали, не имеющей физического предела текучести,

(9)
а при имеющей физический предел текучести

(10)
здесь nа = Eа/E.
Внецентренно сжатые конструкции
2.5. Расчет прочности конструкций произвольного сечения с одной осью симметрии, когда внешняя сила действует в плоскости симметрии (
рис. 3, б), производится из условия

(11)
высота сжатой зоны и напряжения в арматуре определяются в результате совместного решения уравнений

(12)

(13)

(14)
где Fпл и Sпл - соответственно площадь сжатой части сечения, работающей в пластической стадии, и статический момент указанной части относительно центра тяжести сечения стержней наиболее растянутого (наименее сжатого) ряда продольной арматуры;
Sупр и Jупр - статический момент и момент инерции сжатой части сечения, работающей в упругой стадии, относительно нулевой линии;
Sаi - статический момент площади сечения i-го ряда продольной арматуры относительно центра тяжести сечения стержней наиболее растянутого (наименее сжатого) ряда указанной арматуры;
k
аi = R
аi/(R
аi + 0,01E
аi). (15)
Примечание. При h
0i - x > 0 в
уравнении (14) ставится знак "плюс", при h
0i - x <= 0 - "минус".
Рис. 3. К расчету прочности нормальных сечений
с одной осью симметрии
а - поперечное сечение; б - схема усилий и эпюра напряжений
при внецентренном сжатии; в - то же, при внецентренном
растяжении; г - то же, при изгибе; 1 - площадь сжатой
части сечения, работающей в упругой стадии;
2 - то же, в пластической
Порядок расчета принимается следующий:
а) задается начальное значение высоты сжатой зоны сечения и при заданном значении x вычисляются характеристики Fпл и Sупр;
б) по
формуле (13) определяются напряжения в арматуре. Если при этом для стержней из стали, не имеющей физического предела текучести, не соблюдается условие

, напряжения в указанных стержнях пересчитываются по
формуле (14). В тех случаях, когда вычисленные по этой формуле напряжения превышают предельное сопротивление R
аi, принимается

.
Для стержней из стали, имеющей физический предел текучести, должно соблюдаться условие

, в противном случае принимается

;
в) проверяется
условие (12). Если это условие не выполняется, принимается новое значение x и расчет повторяется до тех пор, пока оно не будет выполняться с заданной точностью;
г) для стержней наиболее напряженного растянутого ряда проверяется условие:
для арматурной стали, не имеющей физического предела текучести, при


(16)
для арматурной стали, не имеющей физического предела текучести, при

, а также для стали с физическим пределом текучести

(17)
если рассматриваемое условие не выполняется, расчет повторяется с учетом замены в
выражениях (11) -
(14) 
на

(18)
2.6. Расчет прочности конструкций произвольного сечения при любых внешних усилиях (общий случай см. на
рис. 4) производится из
условия (11), где
e - расстояние от точки приложения силы N до оси, параллельной прямой, ограничивающей сжатую зону и проходящей через центр тяжести сечения наиболее растянутого (наименее сжатого) стержня продольной арматуры;
Sпл - статический момент площади сжатой части сечения, работающей в пластической стадии, относительно указанной выше оси;
Sаi - статический момент площади сечения i-го стержня продольной арматуры относительно той же оси;
| | ИС МЕГАНОРМ: примечание. Текст дан в соответствии с официальным текстом документа. | |

- угол наклона нулевой линии.
Рис. 4. К расчету прочности нормальных сечений произвольной
формы на косое внецентренное сжатие (общий случай)
1 - точка приложения продольной силы N; А - точка приложения
равнодействующей усилий в сжатой арматуре и в бетоне
сжатой зоны; Б - точка приложения равнодействующей усилий
в растянутой арматуре; I-I - плоскость, проходящая
через точки приложения продольной силы и равнодействующих
внутренних сжимающих и растягивающих усилий;
1 - 8 - арматурные стержни
Высота сжатой зоны и напряжения в арматуре определяются в результате совместного решения
уравнений (12) -
(14) и дополнительного условия

(19)
обеспечивающего расположение внешней продольной силы и равнодействующих внутренних сжимающих и растягивающих усилий в одной плоскости (см.
рис. 4, плоскость I-I).
Y и Z - координаты точки приложения продольной силы относительно взаимно перпендикулярных осей, проходящих через центр тяжести сечения наиболее растянутого (наименее сжатого) стержня;
YА и ZА - координаты точки приложения равнодействующей усилий в сжатой арматуре и в бетоне сжатой зоны относительно тех же осей;
YБ и ZБ - то же, усилий в растянутой арматуре.
Порядок расчета:
а) задаются начальные значения высоты сжатой зоны сечения x и угла наклона нулевой линии

и при заданных значениях вычисляются характеристики F
пл и S
упр;
в) проверяются
условия (12) и
(14). Если они не выполняются, принимаются новые значения x и

и расчет повторяется до тех пор, пока все указанные выше условия не будут выполняться с заданной точностью;
Внецентренно растянутые конструкции
2.7. Расчет по прочности конструкций произвольного сечения с одной осью симметрии, когда внешняя сила действует в плоскости оси симметрии (см.
рис. 3, в), производится по
формулам (11) -
(15) с учетом замены в
уравнении (12) величины N на -N. При этом должно выполняться условие

(20)
Если указанное условие не выполняется, расчет производится по формулам
СНиП II-21-75.
Порядок расчета изложен в
п. 2.6.
Изгибаемые конструкции
2.9. Расчет по прочности конструкций произвольного сечения с одной осью симметрии, когда внешняя сила действует в плоскости оси симметрии (см.
рис. 3, г), производится по
формулам (11) -
(15) с учетом замены в
неравенстве (11) величины Ne на M. В
уравнении (12) принимается N = 0.
2.10. Расчет по прочности конструкций в общем случае производится из
условия (11) с учетом замены Ne на M. Высота сжатой зоны и напряжения в арматуре определяются в результате совместного решения
уравнений (12) -
(14), полагая в
выражении (12) N = 0, и дополнительного условия

(21)
обеспечивающего параллельность плоскости действия моментов внешних и внутренних сил, в котором

- угол наклона плоскости действия изгибающего момента относительно оси Z.
Порядок расчета:
в) проверяются
условия (12) и
(21). Если эти условия не выполняются, принимаются новые значения x и

и расчет повторяется до тех пор, пока все указанные выше условия не будут выполняться с заданной точностью;
Расчет по прочности сечений, наклонных
к продольной оси конструкции
2.11. При расчете
<*> по прочности наклонных сечений должно выполняться условие
Q <= 0,3k
п1k
б1R
прbh
0, (22)
где при поперечной арматуре в виде вертикальных стержней (хомутов)
kп1 = 1 + 5nаFx/bux; (23)
при поперечной арматуре в виде наклонных (отогнутых), расположенных под углом 45° к продольной оси конструкции, стержней
k
п1 = 1 + 10n
аF
от/bu
от. (24)
--------------------------------
<*> См. Постановление Госстроя СССР от 10 января 1983 г. N 3 "Об изменении главы СНиП II-21-75 "Бетонные и железобетонные конструкции
".
Коэффициент kб1 определяется по формуле
kб1 = 1 - 0,006Rпр. (25)
Примечание. В
формулах (22) -
(24) и во всех последующих в
разд. 2 принято: b - ширина прямоугольного сечения или ширина ребра таврового и двутаврового сечений конструкции; при переменной величине b по высоте конструкции в формулы вводится ширина конструкции на уровне середины высоты сечения (без учета полок). Для конструкций с поперечной арматурой рабочую высоту сечения h
0 допускается отсчитывать от центра тяжести сечения крайнего продольного ненапрягаемого стержня, анкерующего поперечные стержни (хомуты).
2.12. При расчете по прочности наклонных сечений предельные усилия определяются исходя из следующих предпосылок:
в расчет вводится "приведенный" бетон (см.
п. 2.2);
в качестве расчетной принимается схема
рис. 5;
связь между напряжениями и деформациями арматурной стали принимается в виде диаграмм
рис. 2, б, в; связь между нормальными напряжениями и продольными деформациями "приведенного" бетона - в виде диаграммы
рис. 2, а; между касательными напряжениями и деформациями сдвига - в виде диаграммы
рис. 6, где при a/h
0 <= 2 R
сд = 0,5R
пр, а при a/h
0 >= 2,5 соответственно R
сд = 2,2R
р - расчетного сопротивления "приведенного" бетона осевому растяжению (для 2 < a/h
0 < 2,5 численные значения R
сд находятся по интерполяции):
для средних деформаций "приведенного" бетона и арматуры на участках между ближайшими к сечению I-I трещинами считается справедливой гипотеза плоских сечений;
считается, что эпюра касательных напряжений в бетоне сжатой зоны сечения I-I ограничивается квадратной параболой с максимальной ординатой, расположенной на уровне вершины наклонной трещины;
напряжения в поперечной арматуре, пересекаемой наклонной трещиной, принимаются равными расчетному сопротивлению Rаx;
в расчет вводится поперечное усилие в продольной растянутой арматуре в месте пересечения ее наклонной трещиной (нагельная сила Qа);
сопротивление расчетного наклонного сечения считается исчерпанным, если деформации "приведенного" бетона в сечении I-I над наклонной трещиной по направлению главных сжимающих напряжений достигают предельных значений.
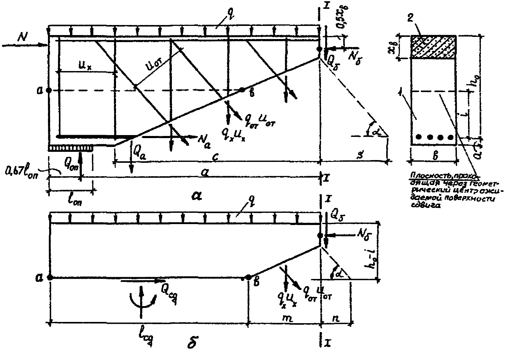
Рис. 5. Расчетная схема к проверке прочности наклонных
сечений (lоп - длина участка опирания конструкции),

- коэффициент пластичности "приведенного" бетона
для плоского напряженного состояния
Рис. 6. Диаграмма

для приведенного бетона
2.13. Расчетные значения коэффициента пластичности "приведенного" бетона

определяются по формуле

(26)
коэффициент k - по графикам
рис. 7 при

(27)
Рис. 7. График зависимости "k - a/h
0"
Значение

расшифровано в
п. 2.3.
2.14. При расчете статически определимых конструкций в качестве расчетных наклонных трещин рассматриваются:
при действии равномерно распределенной нагрузки - трещины с вершинами, расположенными на расстоянии от осей опор a = 0,25l (
рис. 8, а);
при действии нагрузки в виде сосредоточенных сил - трещины с вершинами под силами (
рис. 8, б);
при совместном действии сосредоточенных сил и равномерно распределенной нагрузки - трещины с вершинами, расположенными на расстоянии от осей опор a = 0,25l и трещины с вершинами под силами.
Рис. 8. К определению расчетных наклонных трещин
При расчете пролетных участков статически неопределимых конструкций в качестве расчетных наклонных трещин рассматриваются:
при действии равномерно распределенной нагрузки - трещины с вершинами, расположенными на расстоянии от нулевых точек на эпюре изгибающих моментов a
пр = 0,25l
пр (
рис. 8, в);
при действии нагрузки в виде сосредоточенных сил - трещины с вершинами под силами (
рис. 8, г);
при совместном действии сосредоточенных сил и равномерно распределенной нагрузки - трещины с вершинами, расположенными на расстоянии от нулевых точек на эпюре изгибающих моментов aпр = 0,25lпр и трещины с вершинами под силами.
При расчете надопорных участков статически неопределимых конструкций независимо от вида нагрузки в качестве расчетных наклонных рассматриваются трещины с вершинами у граней опор (см.
рис. 8, в, г).
2.15. Расчет прочности наклонных сечений производится в зависимости от положения нулевой линии и вершины расчетной наклонной трещины относительно нижней грани сжатой полки.
При

должно выполняться условие

(28)
где MI = M + Ne - момент внешних сил, расположенных по одну сторону от сечения I-I, относительно оси, проходящей через центр тяжести сечения продольной растянутой арматуры;

- ширина сжатой полки сечения конструкции.
При арматурной стали, не имеющей физического предела текучести, высота сжатой зоны сечения I-I определяется из уравнения
A
1x
2 + A
2x + A
3 = 0, (29)
где

(30)

(31)
kа = Rа/(Rа + 0,01Eа); (33)
при этом должно выполняться условие

(34)

(35)
Высота сжатой зоны сечения I-I над наклонной трещиной определяется из уравнения

(36)
где

(37)

(38)

(39)
Усилия в продольной растянутой арматуре в месте пересечения ее наклонной трещиной определяются по формулам:

(40)

(41)
где

(42)
При этом должны выполняться условия

(43)
qх = RахFх/uх; (45)
qот = RахFот/uот; (46)

(47)
В общем случае (совместное действие сосредоточенных сил и равномерно распределенной нагрузки)

(48)
В
формулах (31),
(35),
(41) и во всех последующих верхний знак перед силой N ставится, если она сжимающая, нижний - если растягивающая.
При

и

должно выполняться условие

(49)
При арматурной стали, не имеющей физического предела текучести, высота сжатой зоны сечения I-I определяется из
уравнения (29), коэффициенты A
1 - A
3 - по
формулам (32) и

(50)

(51)
Если
условие (34) не выполняется справа, высота сжатой зоны определяется по формуле

(52)

(53)
Усилия в продольной растянутой арматуре в месте пересечения ее наклонной трещиной определяются по формулам

(54)
Высота сжатой зоны сечения I-I над наклонной трещиной вычисляется по
формуле (36) при
B1 = 0,5Rпрb; (55)

(56)

(57)
Усилия в продольной растянутой арматуре в месте пересечения ее наклонной трещиной определяются по
формулам (54) и
(41) при

(58)
При арматурной стали, имеющей физический предел текучести, высота сжатой зоны сечения I-I определяется из
уравнения (29) с учетом
выражений (30) -
(32) или
(50),
(51) и
(32) при k
а = 1 и 0,008E
а = 0, а при

- по
формуле (35) или
(52) в зависимости от положения нулевой линии относительно нижней грани сжатой полки.
Величина

, вводимая в расчет, принимается такой же, как и при расчете прочности нормальных сечений.
При невыполнении
условия (43) необходимо изменить интенсивность поперечного армирования в виде вертикальных стержней (увеличить, если нагельная сила Q
а больше правой части указанного условия; снизить, если меньше) и уточнить значения x
в и N
а.
Интенсивность

поперечного армирования в виде вертикальных стержней, удовлетворяющая
условию (43), определяется по формуле

(59)
Изменение интенсивности достигается за счет варьирования шага вертикальных стержней или площади их поперечного сечения (или того и другого одновременно).
При невыполнении
условия (44) необходимо уменьшить количество обрываемой (отгибаемой) арматуры.
2.16. Проверка прочности конструкций прямоугольного сечения производится по
формулам (28) -
(48) при

.
2.17. При отсутствии поперечной арматуры расчет прочности по наклонным сечениям производится по формулам
п. 2.4 при q
х = q
от = 0 с соблюдением
условий (43) и
(44). При невыполнении первого условия необходима постановка поперечной арматуры в виде вертикальных стержней, второго - уменьшение количества обрываемой арматуры.
2.18. Длина проекции наклонной трещины на продольную ось конструкции определяется в зависимости от места расположения вершины рассматриваемой расчетной трещины по длине конструкции. Если ее вершина расположена на расстоянии 0,25l от оси опоры

(60)
если под силой

(61)
Как в том, так и в другом случае должно выполняться условие
h0 <= c <= 2h0. (62)
Численные значение M
т находим по
формуле (93) с учетом замены R
с.рII на R
с.р, численные значения M
р(I) - из
выражения (28) или
(49) в зависимости от положения нулевой линии относительно нижней грани сжатой полки.
Примечание. В
формулах (60) и
(61) верхние знаки перед r
я ставятся, если сила N сжимающая, нижние - если растягивающая.
2.19. Для поперечной арматуры в виде вертикальных стержней, устанавливаемой по расчету в конструкциях с поперечной нагрузкой, в пределах ее пролета должно выполняться условие

(63)
Расстояние между вертикальными стержнями uх, между опорой и концом наклонного стержня, ближайшего к опоре, а также между концом предыдущего и началом последующего наклонного стержня должно быть не более величины

(64)
2.20. В конструкциях, рассчитываемых только на фиксированные, в т.ч. и на сплошные распределенные, нагрузки, расчетную поперечную силу Q следует определять с учетом разгружающего влияния нагрузки, приложенной к конструкции в пределах длины проекции расчетной наклонной трещины, если эта нагрузка приложена на грани конструкции и действует в ее сторону.
Расчет по прочности контактного слоя
2.21. Определение предельных усилий в контактном слое производится исходя из следующих предпосылок:
контактный слой рассматривается как дисперсная система, состоящая из нормальных и сдвиговых связей; при этом считается, что нормальные связи абсолютно жесткие, а сдвиговые обладают упруго-пластической податливостью;
в качестве критерия исчерпания сопротивления контактного слоя при поликомпонентных контактах, за исключением шпоночных (пронизанных сквозными поперечными шпонками), принимается нарушение сплошности контактного слоя, при шпоночных контактах - срез бетона шпонок на уровне указанного слоя.
Примечание. Поликомпонентными считаются контакты, сопротивление которых определяется двумя или более компонентами (сцепление, зацепление, трение, поперечные шпонки и пр.).
2.22. Расчет по прочности контактного слоя производится из условия

(65)
где Qсд - усилие сдвига;

- среднее (до длине участка сдвига) суммарное предельное сопротивление сдвигу;
bсд - ширина ожидаемой поверхности сдвига, по которой производится проверка прочности;
lсд - длина участка сдвига.
При расчете статически определимых конструкций
(рис. 9)

(66)
где

(67)

(68)
Рис. 9. Расчетные схемы к проверке прочности
контактного слоя в статически определимых конструкциях
а - схема для определения Nб; б - то же, величины Qсд;
1 - сборный элемент; 2 - монолитный бетон
Численные значения N
б, x
в, q
от и s определяются по формулам
п. 2.15, c - по формулам
п. 2.18.
Если геометрический центр ожидаемой поверхности сдвига расположен над вершиной наклонной трещины (в пределах высоты x
в), первую часть
формулы (66) необходимо умножить на коэффициент (h
0 - i)/x
в.
При расчете статически неопределимых конструкций
(рис. 10)

(69)
где

(70)

(71)

(72)

(73)

(74)
Рис. 10. К расчету прочности контактного слоя
статически неопределимых конструкций
а - схема для определения lсд; б - схема
для определения Nб и Nа; в - то же, для определения Qсд
Численные значения N
б.пр, N
б.оп, x
в.пр, x
в.оп, q
от.пр, q
от.оп и s
пр, s
оп определяются по формулам
п. 2.15, c
пр и c
оп - по формулам
п. 2.18.
Если геометрический центр ожидаемой поверхности сдвига расположен над вершиной пролетной наклонной трещины (в пределах высоты x
в.пр), первый член правой части
формулы (69) необходимо умножить на коэффициент (h
0.пр - i
пр)/x
в.пр. Если геометрический центр ожидаемой поверхности сдвига расположен над вершиной надопорной наклонной трещины (в пределах высоты x
в.оп), второй член правой части
формулы (69) необходимо умножить на коэффициент (h
0.оп - i
оп)/x
в.оп.
2.23. Прочность контактного слоя определяется по ожидаемой поверхности сдвига bсдlсд (поверхность, обладающая минимальным сопротивлением сдвигу).
Для плоских армированных и неармированных контактов это плоскость сопряжения (
рис. 11, а), для плоских шпоночных контактов - плоскость, проходящая по бетону более низкого класса (
рис. 11, б); для армированных и неармированных контактов с выступающими продольными ребрами сдвиг возможен по четырем плоскостям (см.
рис. 11, в - г) с проверкой для всех четырех случаев.
Рис. 11. Расчетные схемы для определения величин b
сд и i
а - контакт плоский (bсд = b); б - с поперечными шпонками
(bсд = b); в - с продольным ребром, bсд = 2ab + bc + cd;
г - с продольным ребром, проверка прочности производится
по плоскостям I-I и II-II (bсд = b); д - контакт
с продольным ребром, проверка прочности производится
по плоскостям III-III, bсд = 2(ab + bc);
1 - сборный элемент; 2 - монолитный бетон
2.24. В статически определимых конструкциях длина участка сдвига l
сд принимается равной расстоянию от торца конструкции до точки, в которой ближайшая к торцу расчетная наклонная трещина пересекает плоскость, проходящую через геометрический центр ожидаемой поверхности сдвига (см.
рис. 10)

(75)
В статически неопределимых конструкциях наиболее опасны, с точки зрения прочности, участки, заключенные между ближайшими расчетными наклонными трещинами - пролетной и опорной (см.
рис. 10, а).
Длина таких участков

(76)
2.25. В общем случае (при расчете шпоночного контакта, пронизанного поперечной арматурой) среднее суммарное расчетное сопротивление сдвигу принимается равным

(77)
где

- сопротивление за счет сцепления и механического зацепления;

- то же, за счет работы бетонных шпонок (вертикальных или горизонтальных) на срез;

- то же, за счет трения;

- то же, за счет работы поперечной арматуры на срез;

(78)

(79)

(80)
при поперечной арматуре в виде вертикальных стержней

(81)
в виде наклонных стержней

(82)
В этих формулах
k
1 - характеристика поверхности контакта, определяемая по
табл. 3 (для монолитного бетона с 0,65 <= В/Ц <= 0,75);
k
2 - характеристика дисперсности поперечного армирования
(табл. 4);
k3 - коэффициент трения бетона о бетон, принимаемый равным 0,63;
b
г - ширина горизонтального участка ожидаемой поверхности сдвига (на
рис. 11, а - г значение b
г = b; на
рис. 11, в - соответственно b
г = 2ab + cd).
Состояние поверхности контакта сборных элементов | Значение k1 для класса монолитного бетона |
B3,5 | B7,5 | B12,5 | B15 | B30 |
Гладкая, сухая; контакт между бетонами по нескольким плоскостям | 0,4 | 0,6 | 0,9 | 1,2 | 1,0 |
То же, контакт плоский | 0,3 | 0,5 | 0,6 | 0,6 | 0,5 |
Шероховатая, сухая; контакт по нескольким плоскостям | 0,5 | 0,8 | 1,2 | 1,6 | 1,3 |
То же, контакт плоский | 0,4 | 0,7 | 0,8 | 0,8 | 0,6 |
Диаметр поперечных стержней, мм | 3 | 4 | 5 | 6 | 7 | 8 | 10 | 12 | 16 | 25 |
k2 | 2,2 | 2,0 | 1,8 | 1,6 | 1,5 | 1,4 | 1,3 | 1,2 | 1,1 | 1,0 |
При расчете прочности контактного слоя статически неопределимых конструкций на участках у промежуточных опор независимо от схемы нагружения следует принимать

.
2.26. Если в плоском шпоночном контакте
(рис. 12) усилия сдвига воспринимаются только шпонками (контакт сухой, полученный как отпечаток от металлической опалубки, поперечная арматура отсутствует), прочность контактного слоя проверяется из условия

(83)
где bшп - ширина шпонки;

- длина одной шпонки;
nшп - число срезов, вводимое в расчет.
Рис. 12. К расчету плоского шпоночного контакта
а - поперечное сечение конструкции; б, в и д - треугольные,
прямоугольные и трапецеидальные шпонки; г - треугольные
шпонки (сборный элемент) и трапецеидальные (монолитный
бетон); 1 - сборный элемент; 2 - монолитный бетон
Высота шпонки проверяется из условия

(84)
При

по
условиям (83) и
(84) проверяются как шпонки сборных элементов, так и шпонки монолитного бетона (в первом случае R
р = R
с.р и R
пр = R
с.пр, во втором R
р = R
м.р и R
пр = R
м.пр); при

проверяются только шпонки монолитного бетона (R
р = R
м.р и R
пр = R
м.пр).
Для треугольных шпонок число срезов, вводимое в расчет, должно быть не более 6, для прямоугольных и трапецеидальных - не более 3.
3. РЕКОМЕНДАЦИИ ПО РАСЧЕТУ СБОРНО-МОНОЛИТНЫХ КОНСТРУКЦИЙ
ПО ПРЕДЕЛЬНЫМ СОСТОЯНИЯМ ВТОРОЙ ГРУППЫ
РАСЧЕТ ПО ОБРАЗОВАНИЮ ТРЕЩИН
3.1. Сборно-монолитные конструкции в зависимости от предъявляемых к ним требований по трещиностойкости рассчитываются по образованию трещин в сборных элементах, нормальных к продольной оси конструкции и наклонных - в зоне действия наибольших главных растягивающих напряжений.
Расчет производится в наиболее опасных местах по длине пролета в зависимости от вида эпюры изгибающих моментов, поперечных сил и изменения сечения конструкции.
3.2. При расчете по образованию трещин вводятся сечения, приведенные (по модулю упругости) к более прочному бетону.
Расчет по образованию трещин,
нормальных к продольной оси конструкции
3.3. Усилия, вызывающие появление нормальных трещин, определяются исходя из следующих предпосылок:
для деформаций бетона и арматуры считается справедливой гипотеза плоских сечений;
напряжения в бетоне сжатой зоны определяются с учетом упругих, а в необходимых случаях неупругих, деформаций бетона;
напряжения в бетоне растянутой зоны распределяются равномерно и принимаются равными Rс.рII;
наибольшие относительные удлинения крайних растянутых волокон бетона принимаются равными 2Rс.рII/EсII.
3.4. Расчет по образованию нормальных трещин производится из условия

(85)
где

- момент приложенных к конструкции внешних сил относительно оси, проходящей через ядровую точку, наиболее удаленную от растянутой зоны, трещинообразование которой проверяется;
для изгибаемых конструкций (
рис. 13, а)

(86)
для внецентренно сжатых конструкций (
рис. 13, б)

(87)
для внецентренно растянутых конструкций (
рис. 13, в)

(88)
rу - расстояние от центра тяжести приведенного сечения конструкции до ядровой (условной) точки указанного сечения, наиболее удаленной от растянутой зоны, трещинообразование которой определяется.
Рис. 13. Схемы усилий и эпюры напряжений
в приведенном сечении конструкции при расчете
по образованию нормальных трещин
а - при изгибе; б - при внецентренном сжатии;
в - то же, растяжении; 1 - ядровая точка;
2 - центр тяжести приведенного сечения
Для внецентренно сжатых и изгибаемых конструкций

(89)
где

(90)

- напряжения в крайних сжатых волокнах монолитного бетона;
при этом должно выполняться условие 0,7 <= kя <= 1.
Для внецентренно растянутых конструкций

(91)
Численные значения

определяются по формуле

(92)
где

- напряжения в наиболее обжатых волокнах сборных элементов к моменту приобретения монолитным бетоном заданной прочности
[12].
Момент, воспринимаемый сечением конструкции при образовании нормальных трещин, определяется по формуле

(93)
где r1.у - расстояние от центра тяжести приведенного сечения сборных элементов до ядровой (условной) точки указанного сечения, наиболее удаленной от растянутой зоны, трещинообразование которой определяется;

- потери предварительного напряжения в наиболее обжатых волокнах сборных элементов после приобретения монолитным бетоном заданной прочности
[7].
Если сборные элементы попадают в сжатую зону конструкции,

(94)
где

(95)

- напряжения в крайних сжатых волокнах сборных элементов, равные алгебраической сумме напряжений, действующих к моменту приобретения монолитным бетоном заданной прочности и после; при этом должно выполняться условие 0,75 <= k
1.я <= 1.
Если сборные элементы не попадают в сжатую зону конструкции,
r1.у = r1.я. (96)
Численные значения

определяются по формуле

(97)
где

- напряжения в наименее обжатых волокнах сборных элементов к моменту приобретения монолитным бетоном заданной прочности
[12];
y' - расстояние от центра тяжести приведенного сечения конструкции до крайних сжатых волокон сечения сборных элементов.
При возрасте бетона сборных элементов к моменту приобретения монолитным бетоном заданной прочности 3 мес. и более в
формуле (93) допускается принимать

.
3.5. Величина Wт определяется по формуле

(98)
Положение нулевой линии приведенного сечения конструкции определяется из условия

(99)
где Jб.0 - момент инерции площади сжатой зоны сечения конструкции относительно его нулевой линии;
J
а.0 и

- моменты инерции площадей сечения соответственно арматуры А и А' относительно нулевой линии;
Sб.р - статический момент площади растянутой зоны сечения конструкции относительно нулевой линии;
Sб.0 - статический момент площади сжатой зоны сечения конструкции относительно нулевой линии;
S
а.0 и

- статические моменты площадей сечения соответственно арматуры А и А' относительно нулевой линии;
Fб.р - площадь растянутого бетона в сечении конструкции.
Если монолитный бетон попадает в растянутую зону конструкции и не выполняется условие

(100)
численные значения Sб.р и Fб.р определяются без учета монолитного бетона.
Расчет по образованию трещин,
наклонных к продольной оси конструкции
3.6. Расчет по образованию наклонных трещин производится из условий:
при


(101)
при


(102)
где m
1 - коэффициент условий работы, определяемый по
табл. 5.
Класс бетона | B15 и ниже | B20 | B25 | B30 | B35 | B40 | B45 | B50 | B55 | B60 |
Значение m1 для бетона | тяжелого и мелкозернистого | 0,5 | 0,5 | 0,5 | 0,5 | 0,45 | 0,4 | 0,35 | 0,3 | 0,25 | 0,2 |
легкого | 0,5 | 0,4 | 0,3 | 0,2 | 0,2 | 0,2 | - | - | - | - |
Если сборные элементы попадают в сжатую зону конструкции, проверка по образованию трещин производится на уровне центра тяжести приведенного сечения сборных элементов и центра тяжести приведенного сечения конструкции, а при тавровых и двутавровых элементах и по линии примыкания сжатой полки к ребру. Если сборные элементы не попадают в сжатую зону конструкции, проверка по образованию трещин производится на уровне центра тяжести приведенного сечения сборных элементов.
3.7. Величины главных растягивающих и главных сжимающих напряжений в бетоне сборных элементов

и

определяются по формуле

(103)
где

- нормальные напряжения в бетоне сборных элементов на площадке, перпендикулярной к продольной оси конструкции, от сил предварительного обжатия и внешних нагрузок, действующих к моменту приобретения монолитным бетоном заданной прочности
[12];

- то же, от внешних нагрузок, приложенных после приобретения монолитным бетоном заданной прочности;

- местные сжимающие напряжения в бетоне сборных элементов на площадке, параллельной продольной оси конструкции, от сил предварительного обжатия криволинейной напрягаемой арматуры и внешних нагрузок (опорной реакции), действующих к моменту приобретения монолитным бетоном заданной прочности
[12];

- то же, от внешних нагрузок (опорной реакции), приложенных после приобретения монолитным бетоном заданной прочности
(рис. 14);

- касательные напряжения в бетоне сборных элементов от сил предварительного обжатия криволинейной напрягаемой арматуры и внешних нагрузок, действующих к моменту приобретения монолитным бетоном заданной прочности
[12];

- то же, от внешних нагрузок, приложенных после приобретения монолитным бетоном заданной прочности.
Рис. 14. Схема распределения сжимающих напряжений

на площадках, параллельных продольной оси конструкции
1 - сборный элемент; 2 - монолитный бетон
Для уровня центра тяжести приведенного сечения сборных элементов

(104)
где y0 - расстояние от центра тяжести приведенного сечения конструкции до центра тяжести приведенного сечения сборных элементов.
Для уровня центра тяжести приведенного сечения конструкции

(105)
При y < 0,4h и x <= 2,5y

(106)
при y > 0,4h и x <= h

(107)
Касательные напряжения

(108)
где Sп - статистический момент части приведенного сечения конструкции, расположенной выше уровня, на котором производится проверка по образованию трещин, относительно оси, проходящей через центр тяжести приведенного сечения;
b - ширина приведенного сечения конструкции на уровне, для которого производится проверка по образованию трещин.
При тавровых и двутавровых сборных элементах при наличии в месте примыкания к ребру скосов следует также проверять

на уровне примыкания к ребру скоса.
3.8. Если сборные элементы попадают в сжатую зону приведенного сечения конструкции, а монолитный бетон - как в сжатую, так и растянутую зоны указанного сечения, расчету по образованию наклонных трещин на уровне центра тяжести приведенного сечения конструкции предшествует проверка условий:
при


(109)
при


(110)
Величины главных растягивающих и главных сжимающих напряжений в монолитном бетоне

и

определяются по формуле

(111)
где

- местные сжимающие напряжения в монолитном бетоне на площадке, параллельной продольной оси конструкции, от внешних нагрузок (опорной реакции), приложенных после приобретения монолитным бетоном заданной прочности (см.
рис. 14);

- касательные напряжения в монолитном бетоне от внешних нагрузок, приложенных после приобретения бетоном заданной прочности;
при y < 0,4h и x <= 2,5y

(112)
при y >= 0,4h и x <= h

(113)

(114)
РАСЧЕТ ПО РАСКРЫТИЮ ТРЕЩИН
3.9. Сборно-монолитнне конструкции рассчитываются по раскрытию трещин в сборных элементах, нормальных к продольной оси конструкции, и наклонных - в зоне действия наибольших главных растягивающих напряжений.
Расчет производится для конструкций, к трещиностойкости которых предъявляются требования 2-й категории (ограниченное по ширине кратковременное раскрытие трещин при условии их последующего надежного закрытия), и для конструкций, к трещиностойкости которых предъявляются требования 3-й категории.
Полная ширина раскрытия трещин определяется по формулам:
для конструкций, к трещиностойкости которых предъявляются требования 2-й категории,
aт = aт1; (115)
для конструкций, к трещиностойкости которых предъявляются требования 3-й категории,
aт = aт1 - aт2 + aт3, (116)
где aт1 - ширина раскрытия трещин от кратковременного действия всех нагрузок;
aт2 - ширина раскрытия трещин от постоянных и длительных нагрузок при их кратковременном действии;
aт3 - то же, длительном.
3.10. В основу расчета по раскрытию трещин положены следующие предпосылки:
раскрытие трещин есть накопление относительных взаимных смещений арматуры и бетона на участках активного сцепления, расположенных по обе стороны от трещины
(рис. 15), т.е.

(117)
напряжения сцепления по поверхности контакта бетона и растянутой арматуры на участках между трещинами изменяются пропорционально относительным взаимным смещениям арматуры и бетона;
относительное удлинение бетона

на уровне растянутой арматуры в сечении "u" принимается равным отношению напряжений в бетоне на указанном уровне к его модулю упруго-пластичности (0,5E
с).
3.11. При расчете по раскрытию трещин вводятся сечения, приведенные (по модулю упругости) к более прочному бетону.
Определение ширины раскрытия трещин,
нормальных к продольной оси конструкции
3.12. Ширина раскрытия нормальных трещин определяется по формуле

(118)
где Cд - коэффициент, принимаемый равным:
при учете кратковременных нагрузок и кратковременном действии
постоянных и длительных нагрузок ........................... 1,0
многократно повторяющейся нагрузки, а также длительного
действия постоянных и длительных нагрузок для конструкций
из бетона:
тяжелого естественного твердения ........................... 1,5
тяжелого в водонасыщенном состоянии ........................ 1,2
мелкозернистого вида А (Б) ................................. 1,75 (2,0)
легкого .................................................... 1,5
- коэффициент, принимаемый равным при арматуре:
стержневой периодического профиля .......................... 1,0
гладкой .................................................... 1,3
проволочной периодического профиля и канатах ............... 1,2
гладкой .................................................... 1,4

(119)

(120)
| | ИС МЕГАНОРМ: примечание. Обозначения даны в соответствии с официальным текстом документа. | |

- напряжения в арматуре А на уровне центра тяжести указанной арматуры от внешних нагрузок, приложенных после приобретения монолитным бетоном заданной прочности;
G
а - модуль взаимного смещения арматуры и бетона сборных элементов на участках между трещинами, принимаемый равным k
сцE
с, где k
сц - коэффициент, определяемый по
табл. 6 в зависимости от вида, класса бетона и степени его обжатия;

- расстояние от центра тяжести сечения арматуры А до центра тяжести сечения наиболее растянутого ряда указанной арматуры;
F - площадь бетона в приведенном сечении конструкции высотой h0 без учета свесов сжатой полки;
b - ширина ребра указанного сечения;
x
0 - высота сжатой зоны приведенного сечения конструкции, определяемая по
формуле (191).
Вид бетона | | Значение kсц при классе бетона |
B7,5 | B10 | B15 | B20 | B30 | B40 | B50 | B60 |
Тяжелый (Обычный) | 0 | - | 0,58 | 0,51 | 0,48 | 0,42 | 0,40 | 0,38 | 0,37 |
0,2 | - | - | 0,50 | 0,47 | 0,41 | 0,39 | 0,37 | 0,36 |
0,4 | - | - | 0,44 | 0,41 | 0,35 | 0,33 | 0,31 | 0,30 |
0,6 | - | - | 0,35 | 0,31 | 0,27 | 0,25 | 0,23 | 0,22 |
0,8 | - | - | 0,20 | 0,18 | 0,16 | 0,14 | 0,12 | 0,11 |
Мелкозернистый и легкий (Ориентировочно) | 0 | 0,7 | 0,64 | 0,57 | 0,51 | 0,43 | 0,36 | - | - |
0,2 | - | - | 0,55 | 0,49 | 0,41 | 0,34 | - | - |
0,4 | - | - | 0,48 | 0,34 | 0,38 | 0,32 | - | - |
0,6 | - | - | 0,37 | 0,35 | 0,30 | 0,27 | - | - |
Примечания. 1. Здесь

- сжимающие напряжения в бетоне сборных элементов на уровне центра тяжести сечения арматуры наиболее растянутого ряда в стадии предварительного обжатия
[12].
2. Численные значения kсц для промежуточных классов бетонов и уровней предварительного обжатия определяются по интерполяции.
Напряжения в растянутой арматуре

(121)
где для изгибаемых конструкций (
рис. 16, а)

(122)
Nс = N1.0 + D0; (123)
для внецентренно сжатых конструкций (
рис. 16, б)

(124)
Nс = N + N1.0 + D0; (125)
для внецентренно растянутых конструкций (
рис. 16, в)

(126)
Nс = -N + N1.0 + D0. (127)
Рис. 16. Схемы усилий и эпюры напряжений
в приведенном сечении конструкции при расчете
по раскрытию нормальных трещин
а - при изгибе; б - при внецентренном сжатии;
в - при внецентренном растяжении; 1 - центр тяжести эпюры
нормальных напряжений в бетоне сжатой зоны приведенного
сечения; 2 - центр тяжести площади приведенного сечения

(128)

- ширина сжатой полки приведенного сечения конструкции.
Значения C
0 и D
0 расшифрованы в
п. 3.24.
Значения напряжений

для напрягаемой и

для ненапрягаемой арматуры (см.
п. 3.16) не должны превышать R
аII для стержневой и 0,8R
аII для проволочной.
При dм/h1.0 <= 1 и nмсbм/bс <= 3 напряжения в арматуре допускается определять по формуле

(129)
где для изгибаемых конструкций
M
з = M
1 + M - (M
т - R
с.рIIW
т); (130)
для внецентренно сжатых
Mз = M1 + N(eа - 0,8h0) - (Mт - Rс.рIIWт) (131)
и внецентренно растянутых конструкций
M
з = M
1 + N(e
а + 0,8h
0) - (M
т - R
с.рIIW
т). (132)
3.13. При приложении внешних нагрузок до приобретения монолитным бетоном заданной прочности со стороны растянутых волокон допускается образование нормальных трещин в сборных элементах. Ширина их раскрытия при наличии начальных трещин в сборных элементах определяется по формуле

(133)
где a
1.т - ширина раскрытия начальных трещин к моменту приобретения монолитным бетоном заданной прочности
[12];
lt - расстояние между начальными трещинами;

(134)
Напряжения в растянутой арматуре определяются по формулам:
для изгибаемых конструкций

(135)
для внецентренно сжатых и внецентренно растянутых конструкций

(136)
где

(137)
Значения C
д,

, k, k
а и G
а расшифрованы в
п. 3.11, h
0, C
0 и D
0 - в
п. 3.25.
При d
м/h
1.0 <= 1 и n
мсb
м/b
с <= 3 в
формуле (137) допускается принимать C
0 = D
0 = 0.
Определение ширины раскрытия трещин, наклонных
к продольной оси конструкции
3.14. В общем случае (при комбинированном армировании) ширина раскрытия наклонных трещин определяется по формулам:
для вертикальных стержней

(138)
для наклонных стержней

(139)
где
kх = buх/(buх + 2nасFх); (140)
kот = buот/(buот + 2nасFот); (141)

и

- напряжения в поперечной арматуре в виде соответственно вертикальных и наклонных стержней от внешних нагрузок, приложенных после приобретения монолитным бетоном заданной прочности;
Gх - модуль взаимного смещения вертикальных стержней и бетона сборных элементов, принимаемый равным 0,55Gа;
G
от - модуль взаимного смещения наклонных стержней и бетона сборных элементов, принимаемый при

равным G
а, при

и 60° - соответственно 0,75G
а.
Напряжения в вертикальных и наклонных стержнях определяются по формулам
(рис. 17)

(142)

(143)
где QI - поперечная сила в сечении I-I;

- равнодействующая усилий предварительного напряжения наклонных стержней (криволинейной напрягаемой арматуры), пересекаемых наклонной трещиной, с учетом потерь, проявившихся к моменту приобретения монолитным бетоном заданной прочности
[12];
Qбв - усилие сдвига в бетоне сечения I-I над наклонной трещиной;

(144)
Qбн - усилие сдвига в бетоне сечения II-II под наклонной трещиной;
Q
бн = 0,67Q
IIS
нx
0.нk
н/J
п. (145)
x
0 и z
0 - высота сжатой зоны сечения I-I и расстояние от центра тяжести сечения арматуры А до центра тяжести эпюры нормальных напряжений в бетоне сжатой зоны; определяются по формулам соответственно
(191) и
(128), причем при равномерно распределенной нагрузке рассматривается сечение на расстоянии 0,25l от оси опоры, а при сосредоточенной - сечение под первой силой;
x0.в - высота сжатой зоны сечения I-I над наклонной трещиной;
при a < 1,6h0

(146)
при a >= 1,6h0

(147)
QII - поперечная сила в сечении II-II;
x0.н - высота части сечения II-II под наклонной трещиной;

(148)

(149)

- нормальные напряжения в бетоне сборных элементов на площадке, перпендикулярной к продольной оси конструкции, на уровне центра тяжести сечения, расположенного посредине между сечениями I-I и II-II, от сил предварительного обжатия
[12];
b
1 = 0,7R
с.рIIJ
п/Q
оп(y
к - h
п); (150)
b
1.т = 0,7R
с.рIIJ
п/Q
т(y
к - h
п); (151)

(152)
Sн - статический момент части приведенного сечения II-II высотой x0.н относительно оси, проходящей через центр тяжести указанного сечения;
Sп - статический момент части приведенного сечения конструкции, расположенной по одну сторону от оси, проходящей через центр тяжести указанного сечения;
b и hп - ширина ребра и высота растянутой полки приведенного сечения конструкции;
kв и kн - коэффициенты, учитывающие влияние местных сжимающих напряжений в бетоне;
при действии сосредоточенных сил и при пролете среза a <= 2h0

(153)

(154)
при действии равномерно распределенной нагрузки

(155)
При действии сосредоточенных сил и пролете среза a > 2h0 коэффициенты kв и kн принимаются равными единице.
При действии сосредоточенных сил и пролете среза a < 1,6h0 расстояние от оси опоры до сечения I-I - a1, которое необходимо иметь при вычислении длины проекции наклонной трещины на продольную ось конструкции c, принимается равным a - расстоянию до первой сосредоточенной силы, а при пролете среза a >= 1,6h0 и при действии равномерно распределенной нагрузки определяется по формуле

(156)
Рис. 17. Расчетная схема к определению напряжений
в поперечной арматуре
При расчете конструкций двутаврового сечения или таврового сечения с полкой в сжатой зоне в
формулы (147),
(150) и
(151) вводится момент инерции полного приведенного сечения. Если же в результате определения x
о.в окажется, что

- высоты сжатой полки, - производится перерасчет x
о.в, при этом в указанные выше формулы вводится момент инерции приведенного сечения без учета свесов сжатой полки.
При поперечной арматуре только в виде вертикальных стержней

(157)
При невыполнении
условий (112) и
(113) расчет по раскрытию трещин производится при b = b
с.
С предельной величиной раскрытия трещин, установленной нормами, сравнивается большее из значений a
т, полученных по
формулам (138) и
(139).
РАСЧЕТ ПО ЗАКРЫТИЮ ТРЕЩИН
3.15. Сборно-монолитные конструкции рассчитываются по закрытию трещин в сборных элементах, нормальных к продольной оси конструкции, и наклонных - в зоне действия наибольших главных растягивающих напряжений.
Расчет производится для зон конструкции, к трещиностойкости которых предъявляются требования 2-й категории, если в этих зонах при действии постоянных, длительных и кратковременных нагрузок при коэффициенте надежности по нагрузке

трещины образуются.
Расчет по закрытию трещин, нормальных
к продольной оси конструкции
3.16. Для обеспечения надежного закрытия нормальных трещин при действии постоянных и длительных нагрузок должны соблюдаться следующие требования:
а) сечение конструкции с трещинами в растянутой зоне от действия постоянных, длительных и кратковременных нагрузок должно оставаться обжатым при действии постоянных и длительных нагрузок, вводимых в расчет с коэффициентом надежности по нагрузке

, с нормальными напряжениями сжатия

(158)
на растягиваемой внешними нагрузками грани конструкции не менее 0,5 МПа.
Примечание. Верхний знак перед силой N ставится, если она сжимающая, нижний - если растягивающая.
Данное требование соблюдается, если выполняется условие

(159)
Mз.т - момент, воспринимаемый сечением конструкции при закрытии трещин и определяемый по формуле

(160)
б) в напрягаемой арматуре А от действия постоянных, длительных и кратковременных нагрузок (при коэффициенте надежности по нагрузке

) не должны возникать необратимые деформации, что обеспечивается соблюдением условия

(161)
где

- полные напряжения в напрягаемой арматуре к моменту приобретения монолитным бетоном заданной прочности с учетом всех потерь
[12];
в ненапрягаемой арматуре А не должны возникать необратимые деформации, что обеспечивается соблюдением условия

(162)
где

- напряжения в ненапрягаемой арматуре от усадки и ползучести бетона сборных элементов, проявившихся к моменту приобретения монолитным бетоном заданной прочности
[12].
При возрасте бетона сборных элементов к моменту приобретения монолитным бетоном заданной прочности 3 мес и более в
формуле (160) допускается принимать

.
Расчет по закрытию трещин, наклонных
к продольной оси конструкции
3.17. Наклонные трещины считаются надежно закрытыми, если оба главных напряжения, определяемые по
формуле (103), сжимающие и меньшее из них составляет не менее 0,5 МПа, т.е. если выполняется условие

(163)
Значения

,

,

и

,

,

расшифрованы в
п. 3.6.
3.18. Деформации (прогибы, углы поворота) сборно-монолитных конструкций вычисляются по формулам строительной механики, определяя входящие в них величины кривизн в соответствии с настоящими методическими рекомендациями.
Величины деформаций сборно-монолитных конструкций отсчитываются от их начального состояния (до обжатия сборных элементов).
3.19. При расчете по деформациям в расчет вводятся сечения, приведенные (по модулю упругости) к более прочному бетону.
3.20. Для участков конструкций, где в растянутой зоне не образуются трещины, нормальные к продольной оси конструкции, либо они закрыты, величины кривизн определяются как для сплошного тела.
Для участков конструкций, где в растянутой зоне имеются трещины, нормальные к продольной оси конструкции, величины кривизн определяются на основе следующих предпосылок:
для средних деформаций арматуры и бетона считается справедливой гипотеза плоских сечений;
напряжения в бетоне сжатой зоны (в сечениях с трещинами) определяются с учетом упругих, а в необходимых случаях неупругих, деформаций бетона.
Конструкции или участки конструкций рассматриваются без трещин в растянутой зоне, если трещины не образуются при действии постоянных, длительных и кратковременных нагрузок или они закрыты при действии постоянных и длительных нагрузок; при этом нагрузки вводятся в расчет с коэффициентом надежности по нагрузке

.
Определение кривизн конструкций на участках без трещин
в растянутой зоне
3.21. На участках, где не образуются нормальные трещины, полная величина кривизны изгибаемых, внецентренно сжатых и внецентренно растянутых конструкций определяется по формуле

(164)
где

и

- кривизны соответственно от действия усилий N
1.0 и M
1 к моменту приобретения монолитным бетоном заданной прочности
[12];

и

- то же, после приобретения монолитным бетоном заданной прочности;

и

- кривизны соответственно от кратковременной нагрузки и длительного действия постоянных и длительных нагрузок, приложенных после приобретения монолитным бетоном заданной прочности;

- кривизна от усадки бетонов;

(165)

(166)

(167)

(168)

(169)
В общем случае:

- момент от соответствующей внешней нагрузки, приложенной после приобретения монолитным бетоном заданной прочности, относительно оси, проходящей через центр тяжести приведенного сечения конструкции;

(170)

(171)

(172)

(173)

(174)

(175)

(176)
При внешней нагрузке в виде изгибающего момента S
III = 0 и

.
3.22. Численные значения параметров

,

,

и

определяются в соответствии с рекомендациями
[6] или
[7].
За начало отсчета времени при определении

,

,

и

в
формулах (165),
(166) и
(169) принимается момент приобретения монолитным бетоном заданной прочности, за начало отсчета времени при определении

и

в
формуле (168) - момент нагружения конструкции после приобретения монолитным бетоном заданной прочности.
Численные значения коэффициентов

и

соответственно в зависимости от

и

, а также возраста бетона к началу отсчета времени

определяются по
табл. 7.
 и  |  и  при возрасте бетона к началу отсчета времени  , сут |
3 | 7 | 14 | 28 | 45 | 60 | 90 | 180 | 365 и более |
0 | 1,0 | 1,0 | 1,0 | 1,0 | 1,0 | 1,0 | 1,0 | 1,0 | 1,0 |
0,5 | 1,34 | 1,35 | 1,36 | 1,38 | 1,4 | 1,41 | 1,43 | 1,45 | 1,5 |
1,0 | 1,68 | 1,71 | 1,73 | 1,75 | 1,79 | 1,82 | 1,86 | 1,91 | 2,0 |
1,5 | 2,02 | 2,06 | 2,09 | 2,13 | 2,19 | 2,24 | 2,29 | 2,36 | 2,5 |
2,0 | 2,36 | 2,42 | 2,46 | 2,5 | 2,58 | 2,65 | 2,72 | 2,82 | 3,0 |
2,5 | 2,7 | 2,77 | 2,82 | 2,88 | 2,98 | 3,06 | 3,14 | 3,27 | 3,5 |
3,0 | 3,04 | 3,12 | 3,18 | 3,25 | 3,37 | 3,47 | 3,57 | 3,73 | 4,0 |
3.23. При отсутствии необходимых данных для определения параметров

,

,

и

(сорт цемента, состав бетона, условия изготовления и эксплуатации конструкции и т.п.) в
формулах (170) -
(176) рекомендуется принимать

, где C - коэффициент, принимаемый для тяжелого и легкого бетонов, а также мелкозернистого видов А и Б при влажности воздуха, %, соответственно равным:
более 40% ................................ 2,0; 2,6; 3,0
40% и ниже ............................... 3,0; 3,9; 4,5
Кривизна от усадки бетона принимается равной нулю.
Определение кривизн конструкций на участках с трещинами
в растянутой зоне
3.24. На участках, где образуются нормальные трещины, полная величина кривизны изгибаемых внецентренно сжатых и внецентренно растянутых конструкций определяется по формуле

(177)
где

- кривизна (см.
п. 3.21) от длительного действия усилий N
1.0 и M
1 к моменту приобретения монолитным бетоном заданной прочности
[12];

(178)

- кривизна от кратковременного действия всей нагрузки, приложенной после приобретения монолитным бетоном заданной прочности;

- то же, постоянных и длительных нагрузок;

- кривизна от длительного действия постоянных и длительных нагрузок;

(179)

(180)

- момент от соответствующей внешней нагрузки, приложенной после приобретения монолитным бетоном заданной прочности, относительно нулевой линии приведенного сечения конструкции в начальный момент времени (высота сжатой зоны x
0);

(181)

(182)

(183)

(184)

(185)

(186)

(187)

(188)

(189)

(190)
Jо.т.с и Jт.с - моменты инерции площади сечения сжатой зоны бетона сборных элементов относительно нулевой линии соответственно в начальный и рассматриваемый момент времени t;
Jо.т.м и Jт.м - то же, сжатой зоны монолитного бетона;
e1.0x и e1.x - расстояния от точки приложения силы N1.0 до нулевой линии приведенного сечения конструкции соответственно в начальный и рассматриваемый момент времени t;

- напряжения в наиболее обжатых волокнах сборных элементов к моменту приобретения монолитным бетоном заданной прочности
[12].
Высота сжатой зоны приведенного сечения конструкции в начальный момент времени - x0 и в рассматриваемый момент времени t - x отыскивается из уравнений

(191)
и

(192)
где

(193)

(194)
Sо.т.с и Sт.с - статические моменты площади сечения сжатой зоны бетона сборных элементов относительно нулевой линии соответственно в начальный и рассматриваемый момент времени t;
Sо.т.м и Sт.м - то же, сжатой зоны монолитного бетона.
Примечание. Знак "плюс" перед силой N в
формулах (189) и
(190) ставится, если она сжимающая, "минус" - если растягивающая.
В
формулах (189),
(190) и
(193),
(194):

и

- коэффициенты, учитывающие неравномерность распределения деформации растянутой арматуры на длине участка с трещинами соответственно в начальный и рассматриваемый момент времени t;

(195)

<*> (196)
F - площадь бетона в приведенном сечении конструкции высотой h0 без учета свесов сжатой полки;
b - ширина ребра указанного сечения;

(197)
--------------------------------
<*> Упрощенная нами формула работы В.М. Бондаренко "Некоторые вопросы нелинейной теории железобетона" (Харьков: Харьк. университет, 1968, 323 с.).
При расчете изгибаемых конструкций (при

) для определения

допускается пользоваться формулой

(198)
а для определения

- формулой

(199)
3.25. При приложении внешней нагрузки до приобретения монолитным бетоном заданной прочности со стороны растянутых волокон допускается образование нормальных трещин в сборных элементах.
Полная величина кривизны изгибаемых, внецентренно сжатых и внецентренно растянутых конструкций при наличии начальных трещин в сборных элементах определяются по
формуле (177), где

- кривизна от совместного действия усилий N
1.0 и M
1 к моменту приобретения монолитным бетоном заданной прочности
[12]

(200)

(201)

(202)
где J1.0.т - момент инерции приведенного сечения сборных элементов относительно нулевой линии при высоте сжатой зоны x1;
x
1 - высота сжатой зоны приведенного сечения сборных элементов к моменту приобретения монолитным бетоном заданной прочности
[12].
Численные значения m
0.т, m
т и x
0, x определяются по формулам соответственно
(182),
(183) и
(191),
(192) при

(203)

(204)

(205)

(206)

(207)
где

(208)

(209)
M
1.т - сопротивление сборных элементов образованию нормальных трещин
[12].
При отсутствии нагрузок, приложенных после приобретения монолитным бетоном заданной прочности

, кривизна равна

при

(210)
3.26. Численные значения

и

определяются в соответствии с рекомендациями
[6] или
[7].
За начало отсчета времени при вычислении

и

в формулах
п. 3.24 принимается момент нагружения конструкции после приобретения монолитным бетоном заданной прочности, а при

- момент приобретения монолитным бетоном заданной прочности.
3.27. При отсутствии необходимых данных для расчета параметров

и

(сорт цемента, состав бетона, условия изготовления и эксплуатации конструкции и пр.) кривизны определяются по
формулам (177) -
(210) с учетом

.
ПРИМЕРЫ РАСЧЕТА
Пример 1. Определить прочность расчетного нормального сечения конструкции
(рис. 1), работающей в условиях косого изгиба. Сборный элемент выполнен без предварительного напряжения.
1 - сборный элемент; 2 - монолитный бетон
Исходные данные. Бетон сборного элемента класса B30; E
с = 2,0·10
4 МПа; R
с.пр = 17,0 МПа; монолитный бетон класса B12,5; E
м = 1,2·10
4 МПа; R
м.пр = 7,3 МПа; арматура класса А-III; E
а = 2·10
5 МПа; R
а = 375 МПа; F
а1 = F
а2 = F
а3 = F
а4 = F
а8 = 1,13 см
2 
; F
а5 = F
а6 = F
а7 = 8,04 см
2 
; z
а1 = z
а2 = z
а3 = 3 см; z
а4 = 6 см; z
а5 = 42 см; z
а6 = z
а7 = z
а8 = 46 см; y
а1 = y
а5 = y
а6 = 4 см; y
а2 = 27 см; y
а3 = y
а4 = y
а8 = 31 см; y
а7 = 17,5 см. Угол наклона плоскости действия моментов внешних сил

.
Решение. По
табл. 2 настоящих методических рекомендаций для заданных классов бетонов находим:
Угол наклона нулевой линии по "упругому" расчету

, откуда

.
Расстояние h0 от крайнего сжатого волокна сечения до прямой, параллельной нулевой линии и проходящей через центр тяжести наиболее растянутого стержня, вычисляем по формуле
Далее находим S
м = 25180 см
3; S = 31870 см
3;

.
Rпр = 17,0(1 - 0,79) + 7,3·0,79 = 9,34 МПа,
Теперь можем приступить к расчету сопротивления сечения.
Задаемся начальными значениями высоты сжатой зоны сечения и углом наклона нулевой линии: x
1 = 35 см;

.
Так как

и

, значения F
пл и S
упр вычисляем по формулам:
По
формуле (13) определяем напряжения в арматурных стержнях. Для случая косого изгиба

, тогда при

по
формуле (13) находим
Аналогичным образом для стержней A2 - A8 получим:
| | ИС МЕГАНОРМ: примечание. Формула дана в соответствии с официальным текстом документа. | |
Для стержней A
2 - A
4 принимаем

, а для стержня A
6 -

.
Так как указанное условие явно не выполняется, принимаем новые величины параметров сжатой зоны: x
2 = 25 см;

; sin 15° = 0,259; cos 15° = 0,966.
С учетом этого:
Напряжения в арматурных стержнях:
Так как указанное условие вновь не выполняется, расчет повторяем в прежней последовательности.
Принимаем: x
3 = 28,5 см;

; sin 8° = 0,140; cos 8° = 0,99. Тогда:
Напряжения в арматуре:
т.е. можно считать, что
условие (12) практически выполняется. Теперь проверяем
условие (21). Для этого находим положение равнодействующей усилий в растянутой арматуре:
Аналогичным образом вычисляем положение равнодействующей усилий в сжатом бетоне и сжатой арматуре: yА = 18,9 см; zА = 10,7 см.

, т.е.

Завершается задача оценкой прочности сечения (см.
ф-лу (11)).
Для этого находим:
Sпл = Fплrпл = 719·36,2 = 26000 см3;
Sа1 = Fа1rа1 = 1,13·42,6 = 48,1 см3;
Sа2 = Fа2rа2 = 1,13·39,7 = 44,9 см3;
Sа3 = Fа3rа3 = 1,13·38,8 = 43,8 см3;
Sа4 = Fа4rа4 = 1,13·35,8 = 40,5 см3;
Sа5 = Fа5rа5 = 8,04·3,96 = 31,8 см3; Sа6 = 0;
Sа7 = Fа7rа7 = 8,04·1,9 = 15,3 см3;
Sа8 = Fа8rа8 = 1,13·3,8 = 4,3 см3.
Здесь rпл - расстояние от центра тяжести бетона, работающего в пластической стадии, до прямой, параллельной нулевой линии и проходящей через центр тяжести сечения наиболее растянутого стержня (A6);
rаi - расстояние от центра тяжести сечения арматуры Ai до той же линии.
Сопротивление сечения:
Пример 2. Определить "кратковременный" прогиб однопролетной свободно опертой сборно-монолитной конструкции
(рис. 2) в середине пролета с учетом предварительного загружения сборного элемента.
1 - сборный элемент; 2 - монолитный бетон
Через месяц после укладки монолитного бетона конструкция загружена равномерно распределенной нагрузкой интенсивностью q = 31 кН/м.
Исходные данные. Бетон сборного элемента класса B40; E
с = 3,6·10
4 МПа; R
с.рII = 2 МПа; монолитный бетон класса B15; E
м = 2,4·10
4 МПа; n
мс = 0,7; E
а = 1,9·10
5 МПа; n
ас = 5,3; W
1.т = 27750 см
3; r
1.я = 18,6 см; расчетный пролет l = 600 см; N
1.0 = 400 кН; e
1.0н = 7,2 см; e
1.ан = 9,4 см; M
1 = 180 кН·м;

.
Решение. Проверяем трещиностойкость сборного элемента:
M1.т = N1.0(e1.0н + r1.я) + Rс.рIIW1.т = 40000·(7,2 + 18,6) + 20·27750 = 15,9·105 кгс·см = 159 кН·м.
Так как M
1.т < M
1 = 180 кН·м, в сборном элементе со стороны растянутых волокон имеются трещины. С учетом этого по формулам
[4] находим x
1 = 31,7 см; J
1.т = 1,4·10
5 см
4;

.
Полный прогиб сборного элемента до укладки монолитного бетона
| | ИС МЕГАНОРМ: примечание. Формула дана в соответствии с официальным текстом документа. | |
f1 = f1M + f1N = 1,09 - 0,13 = 0,96 см.
Площадь монолитного бетона при высоте x
1 + d
м - F
м = 1781,8 см
2, статический момент указанной площади относительно нулевой линии при высоте сжатой зоны x
1 + d
м - S
м = 48,2·10
3 см
3, расстояние от центра тяжести площади сечения монолитного бетона до его наиболее сжатого края

- S
м/F
м = 31,7 + 20 - 48,2·10
3/1781,8 = 24,65 см. Собственный момент инерции площади монолитного бетона J
м = 4,18·10
5 см
4.
C0 = 0,85·3,6·106·0,7·4,18·105·29·10-6 = 25,96·106 Н·см;
D
0 = 0,85·3,6·10
6·0,7·1781,8·(31,7 + 20 - 24,65)·29·10
-6 = 3·10
6 Н, а по
формуле (207)
где
| | ИС МЕГАНОРМ: примечание. Формула дана в соответствии с официальным текстом документа. | |
После некоторых преобразований получим

, откуда x
0 = 43,7 см.
Jо.т = 9,93(43,7)3 + 39,64(43,7)2 - 8219·43,7 + 281872 = 8,31·105 см4; e1.0x = h0 - e1.ан - x0 = 75 - 9,4 - 43,7 = 21,9 см.
Кривизна конструкции от нагрузок, приложенных после приобретения монолитным бетоном заданной прочности, равна (см.
формулу (179)):

; прогиб

.
Полный прогиб конструкции с учетом пригрузки сборного элемента f = f1M - f1N + f2 = 1,09 - 0,13 + 0,48 = 1,44 см.
ЭКСПЕРИМЕНТАЛЬНОЕ ОБОСНОВАНИЕ
На диаграммах
рис. 1 -
14 сопоставлены опытные значения прочности (по нормальным сечениям, по контактному слою), трещиностойкости (по образованию и раскрытию нормальных трещин) и деформативности (прогибы) сборно-монолитных конструкций в широком диапазоне изменения основных факторов с теоретическими, подсчитанными по формулам настоящих методических рекомендаций и, по возможности, формулам
[11].
Условные обозначения:

по предлагаемой методике;
Рис. 1. Отношение теоретической прочности
по нормальным сечениям к опытной
Условные обозначения:
Рис. 2. Отношение теоретической величины действующих
в контактном слое напряжений сдвига к опытной
Условные обозначения:
Рис. 3. Отношение теоретической величины среднего (по длине
участка сдвига) суммарного предельного сопротивления сдвигу
к опытной
Условные обозначения:

по предлагаемой методике;
Рис. 4. Отношение теоретического момента образования
нормальных трещин к опытному (то же на
рис. 5 -
12)
Рис. 6
Рис. 7
Рис. 8
Рис. 9
Рис. 10
Рис. 11
| | ИС МЕГАНОРМ: примечание. Рисунок дан в соответствии с официальным текстом документа. | |
--------------------------------
<*> В
[11] расчет отсутствует.
Условные обозначения:

по предлагаемой методике;
Рис. 13. Отношение теоретической ширины раскрытия нормальных
трещин к опытной
--------------------------------
<*> В
[11] расчет отсутствует.
Условные обозначения:

по предлагаемой методике;
Рис. 14. Отношение теоретических прогибов к опытным
(без учета выгибов от предварительного напряжения)
В качестве источников опытных данных использовались, помимо приведенных в списке литературы:
диссертации на соискание ученой степени канд. техн. наук Абдель-Кадера Гасана Юсефа "Исследование трещиностойкости и деформативности сборно-монолитных балок"/КИСИ, Киев, 1980 (I); Белавина С.Ф. "Исследование трещиностойкости, жесткости и прочности сборно-монолитных конструкций"/ВНИИ железобетон, Москва, 1964 (II); Городецкого Б.Л. "экспериментально-теоретические исследования прочности контакта в сборно-монолитных преднапряженных железобетонных конструкциях"/КИСИ, Киев - Свердловск, 1969 (III); Кривошеева П.И. "Исследование трещиностойкости комбинированных предварительно напряженных железобетонных изгибаемых конструкции"/НИИСК; Киев, 1971 (IV); Ковтунова Б.П. "Исследование прочности сборно-монолитных балочных конструкций из обычных и преднапряженных сборных элементов"/НИИЖБ, Москва, 1966 (V); Корякина В.П. "Исследование работы внецентренно растянутых сборно-монолитных железобетонных конструкций, армированных преднапряженными элементами"/КуИСИ, Куйбышев, 1963 (VI); Купермана И.Ш. "Исследование железобетонных преднапряженных плит типа Т и ТТ пролетом 12 - 24 м для покрытий одноэтажных производственных зданий"/ВНИИмонтажспецстрой, Москва, 1968 (VII); Медведева С.Н. "Исследование сборно-монолитных преднапряженных железобетонных конструкций"/Горький, 1965 (VIII); Мехди аль Шейх Али "Исследования трещиностойкости сборно-монолитных преднапряженных железобетонных элементов"/НИИЖБ, Москва, 1964 (IX); Мирзаева П.Т. "Исследование деформативности преднапряженных сборно-монолитных керамзитобетонных балок при длительном действии постоянных и переменных нагрузок"/КИСИ, Киев, 1975 (X); Михайлова О.В. "Особенности работы сборно-монолитных конструкций гидротехнических сооружений, армированных преднапряженными элементами"/МИСИ, Москва, 1963 (XI); Нуртаева М.К. "Исследование влияния усадки бетона омоноличивания на напряженно-деформированное состояние и трещиностойкость балочных сборно-монолитных конструкций с преднапряженными элементами"/НИИЖБ, Москва, 1970 (XII); Портянко В.К. "Экспериментально-теоретические исследования прочности статически неопределимых сборно-монолитных балочных конструкций"/Москва, 1967 (XIII); Питулько С.М. "Исследование трещиностойкости и деформативности изгибаемых сборно-монолитных конструкций при кратковременном и длительном действии нагрузок"/НИИЖБ, Москва, 1972 (XIV); Савченко-Бельского В.Г. "Исследование прочности двухслойных преднапряженных железобетонных балок"/НИИСК, Киев, 1960 (XV); Стулия Н.Г. "Исследование несущей способности, трещиностойкости и жесткости двухслойных железобетонных изгибаемых элементов с преднапряженной арматурой"/Харьков, 1953 (XVI); Сунгатуллина Я.Г. "Экспериментальное исследование совместной работы преднапряженных железобетонных элементов с керамзитобетоном"/НИИЖБ, Москва - Свердловск, 1960 (XVII); Усманова В.Ф. "Влияние предварительного загружения сборных элементов на трещиностойкость и деформативность сборно-монолитных конструкций"/НИИСК, Киев, 1980 (XVIII); Фатхуллина В.Ш. "Исследование трещиностойкости по наклонному сечению и прочности по контакту сборно-монолитных балок, армированных поперечными преднапряженными железобетонными элементами"/КазИСИ, Казань, 1972 (XIX); Ху Ли-веня "Перераспределение усилий в сборно-монолитных преднапряженных железобетонных элементах перекрытий многоэтажных промзданий"/МИСИ, Москва, 1960 (XX); Цалалихина М.С. "Исследование сборно-монолитных конструкций плоских покрытий производственных зданий с укрупненной сеткой колонн из преднапряженных элементов механизированного изготовления"/Москва, 1963 (XXI); Юркши А.Б. "Исследование работы преднапряженных сборно-монолитных железобетонных балок при кратковременных статических и многократно повторных нагрузках"/ВИСИ, Вильнюс, 1971 (XXII); Полищука В.П. "Исследование длительных деформаций изгибаемых сборно-монолитных конструкций, работающих без трещин в растянутой зоне"/Уралниистромпроект, Челябинск, 1965 (XXIII); Харченко А.В. "Исследование прочности сборно-монолитных изгибаемых конструкций по нормальным сечениям"/НИИСК, Киев, 1978 (XXIV);
научно-технический отчет "Исследовать прочность и деформативность изгибаемых, внецентренно сжатых и внецентренно растянутых сборно-монолитных конструкций"/КазИСИ, рег. N 81071097, - Казань, 1983 (XXV).
ОСНОВНЫЕ БУКВЕННЫЕ ОБОЗНАЧЕНИЯ
Усилия
p - сосредоточенная нагрузка, приложенная после приобретения монолитным бетоном заданной прочности
q - интенсивность равномерно распределенной нагрузки, приложенной после приобретения монолитным бетоном заданной прочности
P и Qоп - опорные реакции от внешних нагрузок, приложенных после приобретения монолитным бетоном заданной прочности
M, Q и N - изгибающий момент, поперечная сила и продольная сила в сечении конструкции от внешних нагрузок, приложенных после приобретения монолитным бетоном заданной прочности
N
1.0 - равнодействующая сил предварительного обжатия сборных элементов с учетом всех потерь, проявившихся до приобретения монолитным бетоном заданной прочности
[12]
M1 и Q1 - изгибающий момент и поперечная сила от постоянных нагрузок, действующих в процессе возведения конструкции (в т.ч. от собственного веса сборных элементов и монолитного бетона)
Характеристики материалов
Rс.пр и Rс.пр.II - расчетные сопротивления бетона сборных элементов осевому сжатию для предельных состояний соответственно первой и второй групп
Rс.р и Rс.р.II - то же, осевому растяжению
Rс.о - передаточная прочность бетона сборных элементов
Eс и EсII - расчетные значения начального модуля упругости бетона сборных элементов при сжатии и растяжении для предельных состояний соответственно первой и второй групп

- расчетное значение коэффициента пластичности бетона сборных элементов для предельных состояний первой группы

и

- характеристика ползучести и относительные деформации усадки бетона сборных элементов
Rм.пр и Rм.пр.II - расчетные сопротивления монолитного бетона осевому сжатию для предельных состояний соответственно первой и второй групп
Rм.р и Rм.р.II - то же, осевому растяжению
Eм и EмII - расчетные значения начального модуля упругости монолитного бетона при сжатии и растяжении для предельных состояний соответственно первой и второй групп

- расчетное значение коэффициента пластичности монолитного бетона для предельных состояний первой группы

и

- характеристика ползучести и относительные деформации усадки монолитного бетона
Rа и Rа.II - расчетные сопротивления арматуры сжатию и растяжению для предельных состояний соответственно первой и второй групп
Eа - модуль упругости арматурной стали
nас = Eа/EсII; nмс = EмII/EсII
Геометрические характеристики
F1.п и J1.п - площадь приведенного сечения сборных элементов и момент инерции указанной площади относительно оси, проходящей через его центр тяжести
W1.0 и W1.т - моменты сопротивления приведенного сечения сборных элементов относительно растянутого края указанного сечения, определяемые соответственно как для упругого материала и с учетом неупругих деформаций растянутого бетона
e1.0н и e1.ан - расстояния от точки приложения силы N1.0 до соответственно центра тяжести приведенного сечения сборных элементов и центра тяжести сечения арматуры А
d1.0н - то же, до менее обжатых (растянутых) волокон сборных элементов
i1 - расстояние от центра тяжести приведенного сечения сборных элементов до центра тяжести бетона в указанном сечении
Fс и Jс - площадь всего бетона в поперечном сечении сборных элементов и собственный момент инерции указанной площади
h1.0 - рабочая высота поперечного сечения сборных элементов
bс - суммарная ширина ребер сборных элементов (при элементах таврового или двутаврового сечений) или ширина сечения сборных элементов на уровне его центра тяжести (при других видах сечений)
Fп и Jп - площадь приведенного сечения конструкции и момент инерции указанной площади относительно оси, проходящей через его центр тяжести
W0 и Wт - моменты сопротивления приведенного сечения конструкции относительно растянутого края указанного сечения, определяемые соответственно как для упругого материала и с учетом неупругих деформаций растянутого бетона
e0 и eа - расстояния от точки приложения силы N до соответственно центра тяжести приведенного сечения конструкции и центра тяжести сечения арматуры А
h, h
0 и

- полная высота поперечного сечения конструкции, рабочая высота и высота сжатой полки указанного сечения
Fм и Jм - площадь монолитного бетона в поперечном сечении конструкции и собственный момент инерции указанной площади

и Y
к - расстояния от центра тяжести приведенного сечения конструкции до соответственно сжатого и растянутого края указанного сечения
iсо - то же, до центра тяжести бетона в приведенном сечении сборных элементов
iмо - то же, монолитного бетона
dм - высота слоя монолитного бетона над сборными элементами

- расстояние от центра тяжести сечения монолитного бетона до наиболее сжатых волокон указанного сечения
hм и bм - высота сечения монолитного бетона и ширина указанного сечения на уровне его центра тяжести
F
а и

- площадь сечения арматуры А и А'
Pа - периметр сечения арматуры А
Fх и Pх - площадь сечения поперечной арматуры в виде вертикальных стержней (хомутов), расположенной в одной, нормальной к продольной оси конструкции, плоскости, и периметр указанного сечения
Fот и Pот - то же, поперечной арматуры в виде наклонных (отогнутых) стержней, расположенных в одной, наклонной к продольной оси конструкции, плоскости
uх и uот - шаг вертикальных стержней (хомутов) и расстояние между наклонными (отогнутыми) стержнями, измеренное по нормали к ним
1. Буракас А.И. Комбинированные преднапряженные перекрытия промышленных зданий. - Киев:

, 1964. - 113 с.
2.
СН 165-76. Инструкция по проектированию бетонных и железобетонных конструкций из плотного силикатного бетона. - М.: Стройиздат, 1977. - 48 с.
3. Кузьмичев А.Е., Магометов Р.О. К расчету элементов сборно-монолитных конструкций по предельным состояниям второй группы. - Бетон и железобетон, 1982, N 1, с. 14 - 16.
4. Методические рекомендации по расчету несущей способности сборно-монолитных конструкций по нормальным сечениям. - Киев: НИИСК, 1980. - 39 с.
5. Методические рекомендации по определению ширины раскрытия трещин в железобетонных элементах. - Киев: НИИСК, 1982. - 27 с.
6. Методические рекомендации по учету влияния ползучести бетонов при расчете железобетонных стержней и стержневых систем. - Киев: НИИСК, 1981. - 73 с.
7. Методические
рекомендации по учету влияния ползучести бетонов при расчете сборно-монолитных стержневых конструкций. - Киев: НИИСК, 1983. - 51 с.
8. Полищук В.П. Поведение сборно-монолитных конструкций во времени. - В кн.: железобетонные конструкции/Уралниистромпроект. - Челябинск, 1969, вып. IV, с. 10 - 28.
9. Проектирование и изготовление сборно-монолитных конструкций. - Киев:

, 1982. - 152 с.
10. Рокач В.И. Деформации железобетонных изгибаемых элементов. - Киев:

, 1968. - 96 с.
11.
Руководство по проектированию железобетонных сборно-монолитных конструкций. - М.: Стройиздат, 1977. - 62 с.
12.
СНиП II-21-75. Бетонные и железобетонные конструкции. Нормы проектирования. - М.: Стройиздат, 1975. - 89 с.
13. Сунгатуллин Я.Г. Экспериментально-теоретические основы расчета сопротивления сдвигу армированного и неармированного контактов сборно-монолитных конструкций. - В кн.: Сборные и сборно-монолитные конструкции. - Казань - Ленинград, 1975. - с. 7 - 24.
14. Честелли-Гуиди К. Предварительно напряженный железобетон. - М.: Госстройиздат, 1960. - 467 с.
15. Abeles P.W. Breaking Tests on Three Size Prestressed Concrete Bridge Beams. "Structural Engineer", vol. 29, 1951, N 5 (p.p. 149 - 160).
16. Abeles P.W. Strain and Fatique Tests on Partially Prestressed Concrete Constructions. Journal of the American Concrete Institute, vol. 26 (Proc. vol. 51), December 1954, N 4 (p.p. 361 - 376).
17. Bryson J.O., Skoda L.F., Watstein D. Flexural behaviour of prestressed split-beam composite concrete section. Journal of the Prestressed Concrete Institute, vol. 10, 1965, N 3.
18. Evans R.H., Parker A.S. Behaviour of Prestressed Concrete Composite Beams. Journal of the American Concrete Institute, vol. 26 (Proc. vol. 51), May 1955, N 9 (p.p. 861 - 878).
19. Graegorzewski W. Obliczanie zelbetowych construkcij zginanych deskami strunobetonowymi. Wydawnictwo "Arkady", Warszawa, 1963.
20. Lyse J. Tests of full-sized prestressed concrete bridge beams. Journal of the American Concrete Institute, vol. 29 (proc. vol. 54), May 1958, N 11.
21. Okada K., Jochioka J. Study on the Differential Shrinkage of Composite Prestressed Concrete Beams. Memories of the Faculty of Engineering Kyoto University. Vol. 30, part 4, October 1968 (p.p. 359 - 370).
22. Ozell A.M. Behaviour of simple-span and continuous composite prestressed concrete beams. Journal of the Prestressed Concrete Institute, vol. 2, June 1957, N 1 (p.p. 18 - 31, 42 - 74).
23. Revesz S. The cracking Load of a Composite Pre-tensioned T-Beam. "Civil Engineering and Public Works-Review." Vol. 47, September 1952, N 555 (p.p. 733 - 735).
24. Khan F.P., Brawn A.J. Load tests of 120-ft precast prestressed bridge girder. Journal of the American Concrete Institute, vol. 30 (proc. vol. 55), July 1958, N 1.
25. Soutter P. Die Verbundwirkung zwischen vorgespannten und nicht vorgespannten Beton und ihre Anwendung aus den Platten-balken mit vorgespannten Steig. "Scheizerische Bauzeitung" Bd 124, 26. August 1944, N 9 (s.s. 103 - 108).
26. Stanger R.H. A Test of a Prestressed Concrete Railway Bridge Girder. "Concrete and Constructional Engineering", vol. 45, August 1950, N 8 (p.p 296 - 299).