Главная // Актуальные документы // ГОСТ (Государственный стандарт)СПРАВКА
Источник публикации
М.: Стандартинформ, 2016
Примечание к документу
Документ утратил силу с 01.12.2022 в связи с изданием Приказа Росстандарта от 20.10.2021 N 1183-ст. Взамен введен в действие
ГОСТ 33792-2021.
Документ
введен в действие с 01.03.2017.
Название документа
"ГОСТ 33792-2016. Межгосударственный стандарт. Конструкции фасадные светопрозрачные. Методы определения воздухо- и водопроницаемости"
(введен в действие Приказом Росстандарта от 13.07.2016 N 842-ст)
"ГОСТ 33792-2016. Межгосударственный стандарт. Конструкции фасадные светопрозрачные. Методы определения воздухо- и водопроницаемости"
(введен в действие Приказом Росстандарта от 13.07.2016 N 842-ст)
Введен в действие
агентства по техническому
регулированию и метрологии
от 13 июля 2016 г. N 842-ст
МЕЖГОСУДАРСТВЕННЫЙ СТАНДАРТ
КОНСТРУКЦИИ ФАСАДНЫЕ СВЕТОПРОЗРАЧНЫЕ
МЕТОДЫ ОПРЕДЕЛЕНИЯ ВОЗДУХО- И ВОДОПРОНИЦАЕМОСТИ
Curtain walling. Methods of determination
of air and water transmission
ГОСТ 33792-2016
Дата введения
1 марта 2017 года
Цели, основные принципы и основной порядок проведения работ по межгосударственной стандартизации установлены
ГОСТ 1.0-2015 "Межгосударственная система стандартизации. Основные положения" и
ГОСТ 1.2-2015 "Межгосударственная система стандартизации. Стандарты межгосударственные, правила и рекомендации по межгосударственной стандартизации. Правила разработки, принятия, обновления и отмены"
1 РАЗРАБОТАН федеральным государственным бюджетным учреждением "Научно-исследовательский институт строительной физики Российской академии архитектуры и строительных наук" (НИИСФ РААСН)
2 ВНЕСЕН Техническим комитетом по стандартизации ТК 465 "Строительство"
3 ПРИНЯТ Межгосударственным советом по стандартизации, метрологии и сертификации (протокол от 25 мая 2016 г. N 88-П)
За принятие проголосовали:
Краткое наименование страны по МК (ИСО 3166) 004-97 | Код страны по МК (ИСО 3166) 004-97 | Сокращенное наименование национального органа по стандартизации |
Армения | AM | Минэкономики Республики Армения |
Киргизия | KG | Кыргызстандарт |
Россия | RU | Росстандарт |
Таджикистан | TJ | Таджикстандарт |
4
Приказом Федерального агентства по техническому регулированию и метрологии от 13 июля 2016 г. N 842-ст межгосударственный стандарт ГОСТ 33792-2016 введен в действие в качестве национального стандарта Российской Федерации с 1 марта 2017 г.
5 ВВЕДЕН ВПЕРВЫЕ
Информация об изменениях к настоящему стандарту публикуется в ежегодном информационном указателе "Национальные стандарты", а текст изменений и поправок - в ежемесячном информационном указателе "Национальные стандарты". В случае пересмотра (замены) или отмены настоящего стандарта соответствующее уведомление будет опубликовано в ежемесячном информационном указателе "Национальные стандарты". Соответствующая информация, уведомление и тексты размещаются также в информационной системе общего пользования - на официальном сайте Федерального агентства по техническому регулированию и метрологии в сети Интернет
Настоящий стандарт устанавливает методы определения воздухо- и водопроницаемости наружных конструкций фасадных светопрозрачных, имеющих различные типы несущего каркаса, изготавливаемых из различных материалов и применяемых в зданиях и сооружениях различного назначения.
Методы, содержащиеся в настоящем стандарте, применяют при проведении типовых, сертификационных, периодических и других видов лабораторных испытаний.
В настоящем стандарте использованы нормативные ссылки на следующие межгосударственные стандарты:
ГОСТ 112-78 Термометры метеорологические стеклянные. Технические условия
ГОСТ 7502-98 Рулетки измерительные металлические. Технические условия
ГОСТ 6359-75 Барографы метеорологические анероидные. Технические условия
ГОСТ 6376-74 Анемометры ручные со счетным механизмом. Технические условия
ГОСТ 18140-84 Манометры дифференциальные ГСП. Общие технические условия
ГОСТ 22520-85 Датчики давления, разрежения и разности давлений с электрическими аналоговыми выходными сигналами ГСП. Общие технические условия
ГОСТ 22521-85 Датчики давления, разрежения и разности давлений с пневматическим аналоговым выходным сигналом ГСП. Общие технические условия
ГОСТ 26602.2-99 Блоки оконные и дверные. Методы определения воздухо- и водопроницаемости
Примечание - При пользовании настоящим стандартом целесообразно проверить действие ссылочных стандартов в информационной системе общего пользования - на официальном сайте Федерального агентства по техническому регулированию и метрологии в сети Интернет или по ежегодному информационному указателю "Национальные стандарты", который опубликован по состоянию на 1 января текущего года, и по выпускам ежемесячного информационного указателя "Национальные стандарты" за текущий год. Если ссылочный стандарт заменен (изменен), то при пользовании настоящим стандартом следует руководствоваться заменяющим (измененным) стандартом. Если ссылочный стандарт отменен без замены, то положение, в котором дана ссылка на него, применяется в части, не затрагивающей эту ссылку.
В настоящем стандарте применяют следующие термины с соответствующими определениями:
3.1 воздухопроницаемость: Свойство ограждающей конструкции пропускать воздух в закрытом состоянии при наличии разности давления воздуха на его наружных и внутренних поверхностях.
3.2
конструкция фасадная светопрозрачная; КФС: Наружная ненесущая стена, состоящая из каркаса, крепежных элементов, уплотнителей и светопрозрачного и/или непрозрачного заполнения. |
3.3 перепад давления

, Па: Разность давлений воздуха на наружной и внутренней поверхностях образца при проведении испытания.
Примечание - Перепад давления

считают положительным, если внешнее давление воздуха больше внутреннего, и отрицательным, если внутреннее давление больше внешнего.
3.4 объемный расход воздуха Qв, м3/ч: Объем воздуха, проникающего через закрытый образец в единицу времени.
3.5 массовый расход воздуха Gв, кг/ч: Масса воздуха, проникающего через закрытый образец в единицу времени.
3.6 воздухопроницаемость объемная Q1, м3/(ч·м2), Q2, м3/(ч·м): Воздухопроницаемость испытуемого образца, выражаемая отношением объемного расхода воздуха к площади поверхности образца Q1 или к общей длине притворов его створчатых элементов Q2.
3.7 воздухопроницаемость массовая G, кг/(ч·м2): Воздухопроницаемость испытываемого образца, выражаемая отношением массового расхода воздуха к площади поверхности образца.
3.8 показатель режима фильтрации n: Показатель, устанавливающий зависимость массовой воздухопроницаемости образца от перепада давления.
3.9 водопроницаемость: Свойство фасадной светопрозрачной конструкции пропускать дождевую воду при определенной (критической) разности давления воздуха на его наружных и внутренних поверхностях.
3.10 предел водонепроницаемости ПВ, Па: Наименьший перепад давления, при котором образуется сквозное проникновение воды через фасадную светопрозрачную конструкцию.
3.11 створчатый элемент: Открывающийся элемент (створка, полотно, форточка, фрамуга, клапан) испытуемой конструкции.
3.12 притвор: Место сопряжения створчатого элемента и коробки фасадной светопрозрачной конструкции. Сопряжение, как правило, происходит через уплотняющие прокладки.
3.13 длина притвора L, м: Протяженность притвора по периметру створчатого элемента.
3.14 фрагмент КФС: Часть конструкции, выбранная для испытания и отражающая конструктивные особенности, влияющие на оцениваемые параметры воздухо- и водопроницаемости.
3.15 образец для испытания: Конструкция в сборе или ее фрагмент, удовлетворяющие требованиям настоящего стандарта, технические характеристики которых полностью соответствуют официально представленной в испытательный центр сопроводительной конструкторской и нормативной документации.
3.16 площадь конструкции SКСФ, м2: площадь испытываемого образца, принимаемая для расчетов величин воздухо- и водопроницаемости.
4. Метод определения воздухопроницаемости
4.1 Общие положения
Сущность метода определения воздухопроницаемости КФС состоит в последовательном создании заданных положительных и отрицательных стационарных перепадов давления, измерении объемных расходов воздуха, проникающего через образец, с последующим вычислением показателей воздухопроницаемости и составлением диаграмм зависимости воздухопроницаемости от давления (см. также
ГОСТ 26602.2).
4.2 Испытательное оборудование и средства контроля
4.2.1 Испытательная установка:
- герметичная камера с регулируемым проемом и приспособлениями для жесткого крепления образца, рассчитанная на давление не менее 1500 Па;
- оборудование для создания, поддержания и быстрого изменения давления воздуха до 1200 Па во временном интервале от 1 с до 10 мин (компрессоры, воздушные насосы, регуляторы давления, регуляторы перепада давления, регуляторы расхода воздуха, запорная арматура).
4.2.2 Средства контроля:
- расходомеры (ротаметры) воздуха с пределом измерения расхода воздуха от 0 до 500 м
3/ч с погрешностью измерения не более +/- 5% по
ГОСТ 13045;
- термометр для измерения температуры воздуха в пределах 0 °C - 50 °C, с погрешностью не более +/- 0,5 °C по
ГОСТ 112;
- рулетка стальная, с погрешностью при измерении не более +/- 0,5 мм по
ГОСТ 7502.
4.2.3 Испытательное оборудование и средства контроля должны соответствовать требованиям действующих нормативных документов и быть поверены в установленном порядке.
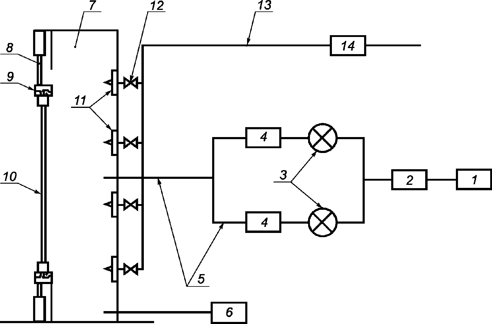
4.2.4 Принципиальная схема установки для определения воздухо- и водопроницаемости приведена на
рисунке 1.
1 - компрессор (воздушный насос); 2 - регулятор расхода
воздуха; 3 - воздушные запорные краны; 4 - ротаметры
с различными пределами измерения; 5 - шланги; 6 - датчик
давления (манометр); 7 - герметичная камера;
8 - приспособление для крепления образца; 9 - эластичные
уплотнительные прокладки; 10 - образец; 11 - форсунки;
12 - запорные устройства (вентили); 13 - шланг
для подачи воды; 14 - счетчик воды
Примечание - Позиции 11 - 14 относятся к дождевальному оборудованию и используются только в ходе испытаний на водопроницаемость.
Рисунок 1 - Принципиальная схема установки
для определения воздухо- и водопроницаемости
Дождевальное оборудование, показанное на схеме, при проведении испытаний на воздухопроницаемость не используют.
4.2.5 Испытательная установка должна быть проверена на герметичность в диапазоне режимов испытаний, которые обеспечиваются техническими возможностями испытательного оборудования.
При проверке герметичности камеры в регулируемый проем устанавливают и тщательно герметизируют образец КФС. С наружной либо внутренней его поверхности устанавливают мембрану из герметичного материала. Потери давления воздуха на любых стадиях испытания не должны превышать 2%.
Результаты испытаний оборудования на герметичность могут быть использованы для корректировки результатов лабораторных испытаний.
4.3 Порядок подготовки к испытанию
4.3.1 Перед проведением испытаний ограждающей конструкции составляют программу испытаний, в которой должны быть установлены значения конечного контрольного давления и уточненный график перепадов давления.
В случае испытаний конструкции со встроенными системами вентиляции или системами самовентиляции уточняют условия проведения испытаний при различных режимах работы вентиляционных систем.
4.3.2 Образцы должны соответствовать размеру межэтажного перекрытия либо типовому размеру конструкции, используемому при строительстве.
4.3.3 Допускается проведение испытаний на образцах с наклонными или ломанными поверхностями, а также включающие в себя выступающие и западающие элементы. При проведении испытаний на подобных образцах необходимо разработать методику расчета площади, согласовать ее с испытательным центром и отразить в приложении к протоколу испытаний. Возможная методика расчета площади конструкции представлена на
рисунке 2.
SКСФ = a x j + a x m + b x k + d x k + c x n +
+ c x e + c x f + 2f x n + (k - n) x f
Рисунок 2 - Схема расчета площади испытуемого образца
4.3.4 При необходимости изготавливается дополнительный силовой каркас, имитирующий систему крепления и монтажа испытываемого фрагмента реальной ограждающей конструкции.
4.4 Подготовка образцов
4.4.1 Для испытаний отбирают образцы для испытаний изделий полной готовности с установленными уплотняющими прокладками и окончательной отделкой.
4.4.2 Образцы проверяют на соответствие требованиям нормативной и проектной документации.
При проведении испытаний на воздухо- и водопроницаемость могут быть использованы стеклопакеты, отличные от указанных в проектной документации в части термообработки и/или наличия специальных и архитектурных покрытий, что не влияет на измеряемые показатели.
4.4.3 Габаритные размеры образца для испытаний определяют по наружному обмеру с помощью стальной рулетки по
ГОСТ 7502.
4.4.4 Образцы для испытаний кондиционируют при температуре (20 +/- 5) °C и относительной влажности воздуха (45 +/- 15)% не менее 3 сут.
4.4.5 Образец должен быть установлен без перекосов и деформаций. Створчатые элементы должны быть закрыты на все точки запирания. После установки образца проводят не менее пяти контрольных открываний и закрываний створчатых элементов и проверяют работу фурнитуры.
4.4.6 Образцы для испытаний принимают согласно акту отбора образцов, оформленному в установленном порядке.
В случае если отбор образцов из партии изделий проводят без привлечения сотрудников испытательного центра (лаборатории), при оформлении результатов испытаний в протоколе испытаний делают соответствующую запись.
4.4.7 Температура воздуха в помещении и испытательной камере должна быть (20 +/- 5) °C, значение температуры указывают в лабораторной документации.
4.4.8 Перед началом испытаний проверяют готовность испытательного оборудования и проводят предварительное воздействие на конструкцию тремя положительными импульсами заданного давления.
Продолжительность нарастания и снятия давления с помощью компрессора в каждом импульсе должна быть в пределах 1 - 3 с. Величину давления импульсов устанавливают на 10% выше максимального давления, требуемого для испытаний, но не менее 500 Па, продолжительность воздействия - не менее 3 с (рисунок 3).
Рисунок 3 - Примеры построения графиков испытаний
при контрольном конечном давлении 700 Па
4.4.9 В случае обнаружения при предварительном воздействии неустранимых нарушений в конструкции изделия образец снимают с испытаний, о чем делается отметка в протоколе испытаний.
4.5 Порядок проведения испытания на воздухопроницаемость
4.5.1 Давление на ограждающую конструкцию повышают ступенчато, время выдержки под стационарным давлением на каждой ступени должно составлять не менее 10 с.
На каждой ступени перепада давления замеряют объемный расход воздуха, проходящего через образец.
Значения перепадов давления по ступеням при испытании: (10), 50, 100, 150, 200 Па и далее до конечного контрольного давления.
Число ступеней давления при испытании должно быть не менее пяти, обязательным условием является проведение испытания при перепаде давления 100 Па.
4.5.2 После достижения заданного программой испытаний значения конечного давления нагрузку на оконную конструкцию последовательно уменьшают, используя ту же градацию по ступеням давления, но в обратном порядке, замеряя объемный расход воздуха на каждой ступени перепада давления.
4.5.3 Повторно проводят испытания конструкции на воздухопроницаемость при отрицательной разности давления. Порядок и последовательность подготовки и проведения испытаний не изменяют, а значения перепадов давления принимают по
4.5.1 со знаком "минус".
4.5.4 На
рисунке 3 представлены примеры построения графиков испытаний ограждающих конструкций при контрольном давлении 700 Па.
4.5.5 В начале и в конце испытаний измеряют температуру воздуха в помещении. Данные измерений заносят в журнал лабораторных испытаний.
4.6 Правила обработки результатов испытаний
4.6.1 Объемный расход воздуха, проходящего через образец, Qв, м3/ч, следует фиксировать при нарастании и при снижении давления по каждой отдельной ступени.
За результаты испытаний по каждому перепаду давления принимают наибольшее значение объемного расхода воздуха для каждой ступени независимо от того, было ли оно достигнуто при нарастании или при снижении давления.
При оформлении результатов испытания рекомендуется применять поправочные коэффициенты, учитывающие результаты проверки испытательной установки на герметичность (по
4.2.5) и истинные атмосферные условия проведения испытания (по сравнению с паспортными условиями градуировки приборов и средств контроля).
4.6.2 Результаты испытаний представляют в виде двух таблиц (для положительных и отрицательных перепадов давлений) и двух диаграмм, построенных в логарифмической системе координат.
4.6.3 Образец формы записи результатов испытаний при контрольном конечном перепаде давления 600 Па приведен в таблице 1.
Таблица 1
Форма записи результатов испытаний на воздухопроницаемость
| | ИС МЕГАНОРМ: примечание. Обозначения в графе "Воздухопроницаемость, массовая G" даны в соответствии с официальным текстом документа. | |
Перепад давления  , Па | Время воздействия, с | Объемный расход воздуха Qв, м3/ч | Массовый расход воздуха Gв, кг/ч | Воздухопроницаемость |
объемная Q1, м3/(ч x м2) | объемная Q2, м3/(ч x м) | массовая G, кг/(ч x м2) |
50 | 10 | + | * | * | * | * |
100 | 10 | + | * | * | * | * |
150 | 10 | + | * | * | * | * |
200 | 10 | + | * | * | * | *- |
300 | 10 | + | * | * | * | * |
400 | 10 | + | * | * | * | * |
500 | 10 | + | * | * | * | * |
600 | 10 | + | * | * | * | * |
500 | 10 | + | * | * | * | * |
400 | 10 | + | * | * | * | * |
300 | 10 | + | * | * | * | * |
200 | 10 | + | * | * | * | *- |
150 | 10 | + | * | * | * | * |
100 | 10 | + | * | * | * | * |
50 | 10 | + | * | * | * | * |
Примечание - Знаком "+" отмечены значения, получаемые опытным путем; знаком "*" - расчетные значения. |
К таблице прилагают чертеж образца (с изображением створчатых элементов и схемы их открывания) с указанием размеров: высоты и ширины, мм; площади образца S, м2; длины притворов L, м; а также значения средней температуры воздуха при испытании T, К.
4.6.4 Перевод объемного расхода воздуха Qв, м3/ч, в массовый Gв, кг/ч, производят по формуле
Gв = Qв353/T. (1)
Объемную воздухопроницаемость рассчитывают по формуле
Массовую воздухопроницаемость рассчитывают по формуле
4.6.5 Показатель режима фильтрации воздуха через ограждающую конструкцию
n определяют путем построения диаграммы зависимости массовой воздухопроницаемости
G от перепада давления

как тангенс угла наклона прямой, построенной аппроксимированием результатов испытания, к оси абсцисс (рисунок 4).
Рисунок 4 - Пример построения диаграммы зависимостей
объемной воздухопроницаемости
Q1 от перепада давлений

4.6.6 При наличии в КФС створчатых элементов на стадии разработки программы испытаний должна быть согласована методика оценки воздухопроницаемости испытываемых конструкций. В общем случае воздухопроницаемость створчатого элемента (по притвору) отличается от воздухопроницаемости КФС без створчатых элементов.
Могут применяться усредненная или дифференцированная оценки. При усредненной оценке в расчете используется вся площадь без выделения створчатого элемента по
формулам (2) и
(3).
Дифференцированная оценка применяется для получения отдельных параметров воздухопроницаемости для КФС без створчатого элемента и собственно створчатого элемента. В этом случае необходима специальная программа испытаний, позволяющая получить отдельные параметры.
5. Метод определения водопроницаемости
5.1 Общие положения
Сущность метода определения водопроницаемости КФС состоит в определении предельного давления, при котором испытуемый образец не пропускает воду в условиях имитации дождевого воздействия определенным количеством воды при заданных стационарных перепадах отрицательного давления.
5.2 Испытательное оборудование и средства контроля
5.2.1 Испытательное оборудование и средства контроля принимают по
4.2 со следующими дополнениями:
- дождевальное устройство (поз. 11 - 14 на
рисунке 1, позволяющее поддерживать во время испытания на всей поверхности образца сплошную водяную пленку. Пропускная способность дождевального устройства должна быть рассчитана из условия обеспечения подачи воды на 1 м
2 контрольной поверхности образца (2 + 0,5) л в минуту;
- термометр для измерения температуры воды с пределом измерения 0 °C - 50 °C, погрешностью +/- 1 °C;
- регулятор расхода и счетчик воды с пропускной способностью более 3,0 м3/ч и порогом чувствительности не более 0,05 м3/ч.
5.2.2 Испытательное оборудование и средства контроля должны соответствовать требованиям действующих нормативных документов и быть поверены в установленном порядке.
5.2.3 Принципиальная схема установки для определения водопроницаемости приведена на
рисунках 1 и
5.
1 - образец для испытаний;
2 - форсунка дождевальной системы
Рисунок 5 - Схема дождевания
5.2.4 Расстояние между форсунками при проведении испытаний на водопроницаемость СФК должно составлять (700 +/- 25) мм.
5.2.5 Расстояние между форсунками и образцом для испытаний КФС должно составлять (400 +/- 50) мм.
5.3 Порядок подготовки к испытанию
5.3.1 Перед началом проведения испытания составляют программу испытаний, в которой должны быть отражены значения конечного контрольного давления и уточненный график перепадов давления.
5.3.2 Порядок подготовки к проведению испытания, включая отбор образцов, аналогичен приведенному в
4.3.1 со следующими дополнениями:
- температура воды для дождевания должна быть от 8 °C до 20 °C;
- форсунки дождевального устройства располагают в камере таким образом, чтобы наружная поверхность образца орошалась равномерно и полностью;
- пропускная способность дождевального устройства должна быть отрегулирована согласно условиям
5.2.1.
5.3.3 Перед испытанием конструкции проводят пробное включение дождевального устройства и убеждаются в правильности расположения форсунок, после этого образец протирают и проводят предварительное воздействие на образец тремя импульсами заданного отрицательного давления согласно
4.4.8 (см. также
рисунок 5).
После снятия давления створчатые элементы образца пять раз открывают и закрывают, проверяя его исправность и готовность к испытанию. При обнаружении неустранимых нарушений в конструкции образца его снимают с испытаний, о чем делают отметку в протоколе испытания.
5.3.4 В случае испытаний образцов, прошедших предварительные испытания на воздухопроницаемость, предварительное воздействие на образец давлением допускается не проводить.
5.4 Порядок проведения испытания
5.4.1 Испытания начинают спустя 15 мин после окончания циклов предварительного воздействия на образец заданным давлением согласно
4.4.8 или непосредственно после завершения испытаний на воздухопроницаемость.
Испытание проводят путем непрерывного дождевания образца при одновременном изменении перепадов положительного давления в соответствии с градацией, приведенной в таблице 2.
Примеры построения графиков испытаний для конечного контрольного давления 600 Па приведены на
рисунке 6.
Таблица 2
Значения перепадов давления и время их воздействия
Перепад давления, Па | Время воздействия, мин |
0 | 15 |
50 | 5 |
100 | 5 |
150 | 5 |
200 | 5 |
300 | 5 |
Далее с интервалом 100 | 5 для каждого интервала |
Рисунок 6 - Графики испытаний образца на водопроницаемость
для конечного контрольного давления 600 Па
5.4.2 Испытание проводят до контрольного конечного перепада давления, установленного в программе испытаний (если не происходит сквозного проникновения воды через образец во время испытания).
5.4.3 При обнаружении сквозного проникновения воды через образец испытание прекращают и фиксируют в протоколе испытания перепад давления, при котором произошла протечка, время, прошедшее с начала испытания, и место, в котором произошло проникновение воды.
5.5 Правила обработки результатов испытаний
5.5.1 Устанавливают значение предела водонепроницаемости согласно
5.3.3.
По возможности определяют места проникновения воды в образец, пути ее движения внутри образца и места выхода из образца, их фотографируют и указывают на чертеже изделия. Результаты фотофиксации прикладывают к протоколу испытаний в качестве справочного приложения.
5.5.2 При наличии в КФС створчатых элементов на стадии разработки программы испытаний должна быть согласована методика оценки водопроницаемости испытываемых конструкций. В общем случае нормируемая и фактическая водопроницаемости створчатого элемента отличаются от соответствующих водопроницаемостей КФС без створчатых элементов.
6. Оформление результатов испытаний
Результаты испытаний оформляют протоколом испытаний, в котором приводят:
- наименование и номер аттестата аккредитации испытательного центра (лаборатории), проводившего испытания;
- наименование и юридический адрес организации - заказчика испытаний;
- наименование и юридический адрес организации - изготовителя испытываемой продукции;
- наименование испытуемой продукции и нормативного документа, регламентирующего требования к ее качеству;
- описание испытуемых образцов продукции: габаритные размеры, схема открывания, конструкция притворов, число рядов уплотняющих прокладок, наличие водосливных отверстий и др.;
- в случае проведения испытаний на образце меньшего размера должна быть указана причина отступления от типового размера КФС;
- дату поступления образцов в испытательный центр (лабораторию);
- номер регистрации образцов в испытательном центре (лаборатории);
- дату испытаний образцов;
- данные результатов испытаний по
5.5 и значения пределов воздухо- и водонепроницаемости;
- подписи руководителя испытательного центра (лаборатории) и испытателя, печать испытательного центра;
- справочное приложение, содержащее фотографии процесса испытаний, мест проникновения воды в образец (места выхода из образца фотографируют с указанием на чертеже изделия), графическая информация об испытуемом изделии (разрезы, чертежи, спецификация материалов по желанию заказчика).