Главная // Актуальные документы // ГОСТ (Государственный стандарт)
СПРАВКА
Источник публикации
М.: Издательство стандартов, 1988
Примечание к документу
С 1 июля 2003 года до вступления в силу технических регламентов акты федеральных органов исполнительной власти в сфере технического регулирования носят рекомендательный характер и подлежат обязательному исполнению только в части, соответствующей целям, указанным в пункте 1 статьи 46 Федерального закона от 27.12.2002 г. N 184-ФЗ.

Ограничение срока действия снято по Протоколу N 5-94 Межгосударственного Совета по стандартизации, метрологии и сертификации ("ИУС", N 11 - 12, 1994).

Утрачивает силу с 1 января 1991 года.

Введен в действие с 1 января 1981 года.

Взамен ГОСТ 16686-71.
Название документа
"ГОСТ 24133-80. Детали крепления трубопроводов. Скобы одноместные. Конструкция и размеры"
(введен в действие Постановлением Госстандарта СССР от 25.04.1980 N 1891)


"ГОСТ 24133-80. Детали крепления трубопроводов. Скобы одноместные. Конструкция и размеры"
(введен в действие Постановлением Госстандарта СССР от 25.04.1980 N 1891)

Введен в действие
Постановлением Госстандарта СССР
от 25 апреля 1980 г. N 1891
ГОСУДАРСТВЕННЫЙ СТАНДАРТ СССР
ДЕТАЛИ КРЕПЛЕНИЯ ТРУБОПРОВОДОВ
СКОБЫ ОДНОМЕСТНЫЕ
КОНСТРУКЦИЯ И РАЗМЕРЫ
Pipe-line fastening parts.
Single-seat cramps. Design and dimensions
ГОСТ 24133-80
Группа Г38
ОКП 12 8001
Взамен ГОСТ 16686-71
Постановлением Государственного комитета СССР по стандартам от 25 апреля 1980 г. N 1891 срок введения установлен с 01.01.1981.
Проверен в 1985 г. Постановлением Госстандарта от 16.10.1985 N 3332 срок действия продлен до 01.01.1991.
Переиздание. Апрель 1988 г.
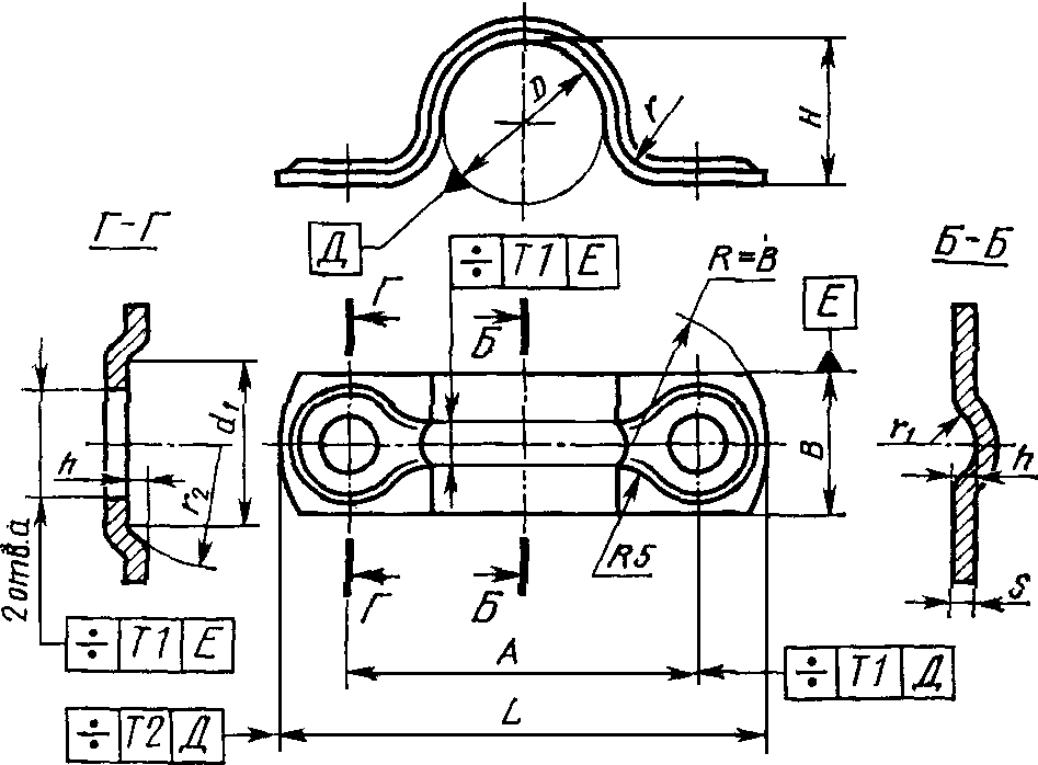
1. Настоящий стандарт распространяется на одноместные скобы диаметром D от 6 до 150 мм.
2. Конструкция и размеры одноместных скоб должны соответствовать указанным на чертеже и в таблице.
Исполнение 1
Исполнение 2
Примечания. 1. Все размеры, кроме размеров B и s, обеспечиваются инструментом.
2. Отклонение от центра радиуса R относительно оси поверхности E не должно быть более 1 мм.
Размеры, мм
───┬───────┬───────────────┬───┬───┬────┬──┬───┬─┬──┬──┬───────────┬────────
D │ A │ B x s │ H │ L │ d │d │ h │r│r │r │ Масса │Приме-
│+/- 0,5│для исполнений │ │ │H14 │ 1│ │ │ 1│ 2│ 1000 шт., │няемость
│ │ │ │ │ │ │ │ │ │ │ кг, для │для ис-
│ │ │ │ │ │ │ │ │ │ │исполнений │полнений
│ ├────────┬──────┤ │ │ │ │ │ │ │ ├─────┬─────┼────┬───
│ │ 1 │ 2 │ │ │ │ │ │ │ │ │ 1 │ 2 │ 1 │ 2
───┼───────┼────────┼──────┼───┼───┼────┼──┼───┼─┼──┼──┼─────┼─────┼────┼───
6│ 24 │16 x 1,0│16 x 2│ 5│ 40│5,8 │9 │1,0│3│ 2│10│ 5,3│ 10,6│ │
8│ 26 │ │ │ 6│ 42│ │ │ │ │ │ │ 5,7│ 11,4│ │
10│ 28 │ │ │ 8│ 44│ │ │ │ │ │ │ 6,4│ 12,8│ │
12│ 30 │ │ │ 10│ 46│ │ │ │ │ │ │ 7,0│ 14,0│ │
───┼───────┼────────┼──────┼───┼───┼────┼──┼───┼─┼──┼──┼─────┼─────┤ │
14│ 38 │18 x 1,6│18 x 3│ 12│ 56│7,0 │10│1,4│5│ 3│10│ 15,4│ 28,8│ │
16│ 40 │ │ │ 14│ 58│ │ │ │ │ │ │ 16,6│ 31,0│ │
18│ 42 │ │ │ 16│ 60│ │ │ │ │ │ │ 17,7│ 33,1│ │
20│ 45 │ │ │ 18│ 63│ │ │ │ │ │ │ 19,1│ 35,7│ │
───┼───────┼────────┼──────┼───┼───┼────┼──┤ │ │ │ ├─────┤ │ │
22│ 52 │22 x 1,6│22 x 3│ 20│ 74│9,0 │14│ │ │ │ │ 26,6│ 49,7│ │
25│ 55 │ │ │ 22│ 77│ │ │ │ │ │ │ 28,3│ 52,9│ │
28│ 58 │ │ │ 24│ 80│ │ │ │ │ │ │ 29,9│ 55,9│ │
32│ 62 │ │ │ 28│ 84│ │ │ │ │ │ │ 32,7│ 61,1│ │
36│ 65 │ │ │ 32│ 87│ │ │ │ │ │ │ 35,3│ 66,0│ │
───┼───────┼────────┼──────┼───┼───┤ │ ├───┼─┼──┼──┼─────┼─────┤ │
40│ 75 │30 x 2,0│30 x 3│ 35│105│ │ │2,0│6│ 4│16│ 71,1│106,7│ │
45│ 78 │ │ │ 40│108│ │ │ │ │ │ │ 76,3│114,5│ │
50│ 85 │ │ │ 45│115│ │ │ │ │ │ │ 83,2│124,8│ │
│ │ │ │ │ ├────┼──┼───┤ │ │ │ │ │ │
55│ 90 │ │ │ 50│120│11,0│16│ 2 │ │ │ │ 88,3│132,5│ │
60│ 95 │ │ │ 55│125│ │ │ │ │ │ │ 94,3│141,5│ │
65│ 105 │ │ │ 60│135│ │ │ │ │ │ │102,7│154,1│ │
───┼───────┼────────┤ │ │ │ ├──┼───┤ ├──┼──┼─────┤ │ │
70│ 110 │ - │ │ 60│140│ │- │ - │ │ -│- │ - │156,6│ │
75│ 115 │ │ │ 65│145│ │ │ │ │ │ │ │165,1│ │
│ │ ├──────┼───┼───┼────┤ │ │ │ │ │ │ │ │
80│ 125 │ │30 x 4│ 70│155│13,0│ │ │ │ │ │ │234,7│ │
85│ 130 │ │ │ 75│160│ │ │ │ │ │ │ │246,7│ │
90│ 135 │ │ │ 80│165│ │ │ │ │ │ │ │258,9│ │
95│ 140 │ │ │ 85│170│ │ │ │ │ │ │ │270,9│ │
100│ 145 │ │ │ 90│175│ │ │ │ │ │ │ │283,1│ │
105│ 150 │ │ │ 95│180│ │ │ │ │ │ │ │295,2│ │
110│ 155 │ │ │100│185│ │ │ │ │ │ │ │307,3│ │
───┼───────┤ ├──────┼───┼───┼────┤ │ │ │ │ │ │ │ │
115│ 170 │ │40 x 4│105│210│17,0│ │ │ │ │ │ │452,6│ │
120│ 170 │ │ │110│210│ │ │ │ │ │ │ │456,9│ │
125│ 180 │ │ │115│220│ │ │ │ │ │ │ │479,0│ │
130│ 180 │ │ │120│220│ │ │ │ │ │ │ │489,0│ │
135│ 190 │ │ │125│230│ │ │ │ │ │ │ │511,6│ │
140│ 190 │ │ │130│230│ │ │ │ │ │ │ │521,7│ │
145│ 200 │ │ │135│240│ │ │ │ │ │ │ │543,8│ │
150│ 200 │ │ │140│240│ │ │ │ │ │ │ │553,7│ │
Пример условного обозначения одноместной скобы исполнения 1 D = 25 мм из стали марки 20 с покрытием Ц9.хр:
Скоба 1-25-20-Ц9.хр ГОСТ 24133-80
То же, исполнения 2 из стали марки 12Х18Н10Т с покрытием Хим.Пас.:
Скоба 2-25-12Х18Н10Т-Хим.Пас. ГОСТ 24133-80
3. Технические требования - по ГОСТ 24140-80.