Главная // Актуальные документы // ГОСТ (Государственный стандарт)
СПРАВКА
Источник публикации
М.: Издательство стандартов, 1984
Примечание к документу
С 1 июля 2003 года до вступления в силу технических регламентов акты федеральных органов исполнительной власти в сфере технического регулирования носят рекомендательный характер и подлежат обязательному исполнению только в части, соответствующей целям, указанным в пункте 1 статьи 46 Федерального закона от 27.12.2002 г. N 184-ФЗ.

Введен в действие с 1 января 1984 года (Постановление Госстроя СССР от 26.01.1983 N 18).
Название документа
"ГОСТ 19231.1-83. Плиты железобетонные для покрытий трамвайных путей конструкция и размеры"
(утв. Постановлением Госстроя СССР от 26.01.1983 N 18)


"ГОСТ 19231.1-83. Плиты железобетонные для покрытий трамвайных путей конструкция и размеры"
(утв. Постановлением Госстроя СССР от 26.01.1983 N 18)

Утвержден
Постановлением Госстроя СССР
от 26 января 1983 г. N 18
ГОСУДАРСТВЕННЫЙ СТАНДАРТ СОЮЗА ССР
ПЛИТЫ ЖЕЛЕЗОБЕТОННЫЕ ДЛЯ
ПОКРЫТИЙ ТРАМВАЙНЫХ ПУТЕЙ
КОНСТРУКЦИЯ И РАЗМЕРЫ
Reinforced concrete slabs for tramway track
pavements. Structure and dimensions
ГОСТ 19231.1-83
Группа Ж33
ОКП 58 4600
Постановлением Государственного комитета СССР по делам строительства от 26 января 1983 г. N 18 срок введения установлен с 01.01.1984.
Переиздание. Февраль 1984 г.
1. Настоящий стандарт распространяется на железобетонные плиты типов 1П, 2П и 3П, изготовляемые из тяжелого бетона и предназначенные для устройства покрытий трамвайных путей, и устанавливает конструкцию плит и арматурных изделий к ним.
2. Плиты должны удовлетворять всем требованиям ГОСТ 19231.0-83 и настоящего стандарта.
3. Технические показатели плит приведены в табл. 1.
Таблица 1
───────────┬─────────────────┬───────────────┬────────────────────
Марка │ Нормативная │Класс бетона по│Расход материалов на
плиты │ подвижная │ прочности на │ плиту
│ автомобильная │ сжатие ├──────────┬─────────
│ нагрузка │ │Бетон, м3 │Сталь, кг
───────────┼─────────────────┼───────────────┼──────────┼─────────
1П14.15.12 │ Н-30 │ В30 │ 0,25 │ 19,73
1П14.15.10 │ Н-10 │ │ 0,21 │ 18,19
───────────┼─────────────────┤ ├──────────┼─────────
1П14.17.12 │ Н-30 │ │ 0,29 │ 21,89
1П14.17.10 │ Н-10 │ │ 0,24 │ 20,22
───────────┼─────────────────┤ ├──────────┼─────────
1П14.19.12 │ Н-30 │ │ 0,31 │ 22,20
1П14.19.10 │ Н-10 │ │ 0,26 │ 20,98
───────────┼─────────────────┤ ├──────────┼─────────
1П14.21.12 │ Н-30 │ │ 0,35 │ 24,81
1П14.21.10 │ Н-10 │ │ 0,29 │ 23,46
───────────┼─────────────────┤ ├──────────┼─────────
1П7.14.12 │ Н-30 │ │ 0,11 │ 10,42
1П7.14.10 │ Н-10 │ │ 0,09 │ 8,58
───────────┼─────────────────┤ ├──────────┼─────────
2П14.15.12 │ Н-30 │ │ 0,22 │ 16,98
2П14.15.10 │ Н-10 │ │ 0,20 │ 16,06
───────────┼─────────────────┤ ├──────────┼─────────
2П14.17.12 │ Н-30 │ │ 0,26 │ 19,07
2П14.17.10 │ Н-10 │ │ 0,23 │ 18,01
───────────┼─────────────────┤ ├──────────┼─────────
2П14.19.12 │ Н-30 │ │ 0,28 │ 19,46
2П14.19.10 │ Н-10 │ │ 0,24 │ 18,32
───────────┼─────────────────┤ ├──────────┼─────────
2П14.21.12 │ Н-30 │ │ 0,31 │ 21,45
2П14.21.10 │ Н-10 │ │ 0,27 │ 20,19
───────────┼─────────────────┤ ├──────────┼─────────
2П7.14.12 │ Н-30 │ │ 0,09 │ 7,15
2П7.14.10 │ Н-10 │ │ 0,08 │ 6,06
───────────┼─────────────────┤ ├──────────┼─────────
3П7.7.8 │ Н-30 │ │ 0,04 │ 6,06
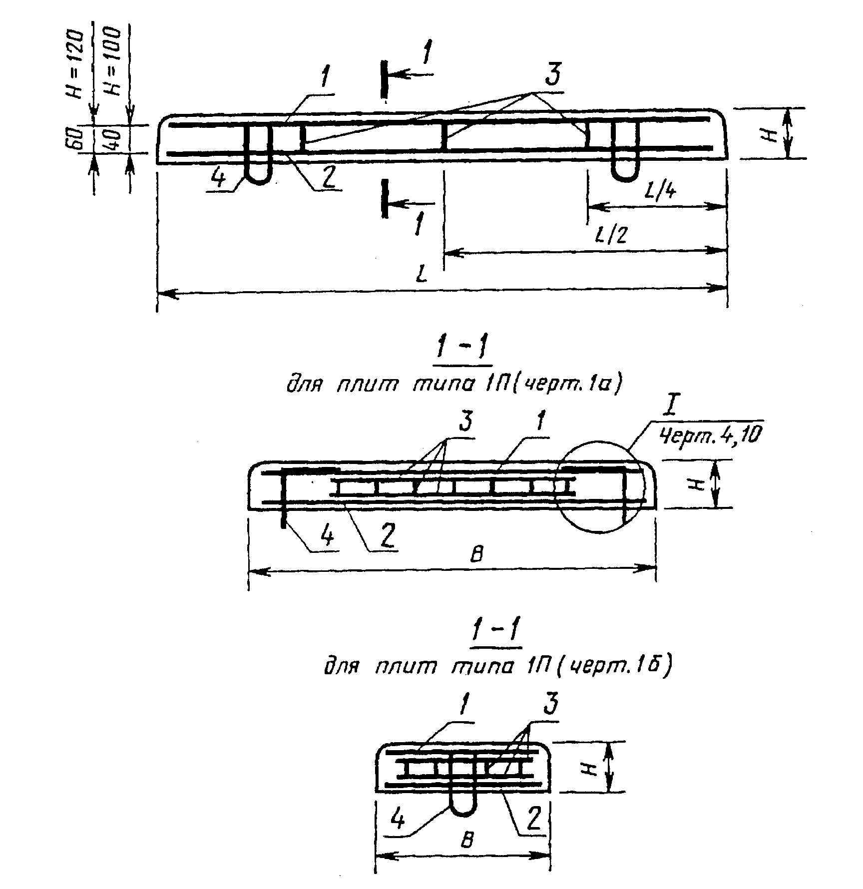
4. Армирование плит должно соответствовать приведенному на черт. 1 - 4.
5. Спецификация арматурных изделий и выборка стали на одну плиту приведены в табл. 2 и 3.
6. Форма и размеры арматурных изделий должны соответствовать приведенным на черт. 5 - 10 и в табл. 2.
7. Соединение стержней следует производить контактной точечной сваркой по ГОСТ 14098-68 и СН 393-78.
Армирование плит типа 1П
(черт. 1 а, б по ГОСТ 19231.0-83)
H, L, B - по ГОСТ 19231.0-83; 1 - верхняя сетка
(С1, С3, С5, С7, С21);
2 - нижняя сетка (С2, С4, С6, С8, С9, С10, С11, С12, С22, С23);
3 - фиксатор (Ф1, Ф2, Ф3, Ф4);
4 - подъемная технологическая петля (Т1-1, Т1-2)
Черт. 1
Армирование плит типа 2П
(черт. 2 а, б по ГОСТ 19231.0-83)
H, L, B - по ГОСТ 19231.0-83; 1 - верхняя сетка (С1, С3, С5, С7, С21);
2 - нижняя сетка (С13, С14, С15, С16, С17, С18, С19, С20, С24, С25);
3 - фиксатор (Ф1, Ф2, Ф3, Ф4);
4 - подъемная технологическая петля (Т2-1, Т2-2)
Черт. 2
Армирование плит типа 3П
(черт. 3 по ГОСТ 19231.0-83)
2 - нижняя сетка (С26);
4 - подъемная технологическая плита (Т1-3)
Черт. 3
Черт. 4
Таблица 2
────────┬────────┬────────┬───────┬──────┬───────┬─────────┬──────
Марка │ Номер │Диаметр,│Длина, │Коли- │Общая │ Масса │Общая
арматур-│позиции │ мм, │ мм │чество│длина, │отдельных│масса,
ного │ │ класс │ │ │ м │стержней,│ кг
изделия │ │ │ │ │ │ кг │
────────┼────────┼────────┼───────┼──────┼───────┼─────────┼──────
1 │ 2 │ 3 │ 4 │ 5 │ 6 │ 7 │ 8
────────┼────────┼────────┼───────┼──────┼───────┼─────────┼──────
С1 │ 1 │ 6АIII │ 1450 │ 7 │ 10,15 │ 2,25 │ 3,79
├────────┼────────┼───────┼──────┼───────┼─────────┤
│ 2 │ 5BpI │ 1340 │ 8 │ 10,72 │ 1,54 │
────────┼────────┼────────┼───────┼──────┼───────┼─────────┼──────
С2 │ 3 │ 10АIII │ 1450 │ 8 │ 11,60 │ 7,16 │ 13,51
├────────┼────────┼───────┼──────┼───────┼─────────┤
│ 4 │ 8AIII │ 1340 │ 12 │ 16,08 │ 6,35 │
────────┼────────┼────────┼───────┼──────┼───────┼─────────┼──────
С3 │ 5 │ 6АIII │ 1670 │ 7 │ 11,69 │ 2,60 │ 4,34
├────────┼────────┼───────┼──────┼───────┼─────────┤
│ 2 │ 5BpI │ 1340 │ 9 │ 12,06 │ 1,74 │
────────┼────────┼────────┼───────┼──────┼───────┼─────────┼──────
С4 │ 6 │ 10АIII │ 1670 │ 8 │ 13,36 │ 8,24 │ 15,12
├────────┼────────┼───────┼──────┼───────┼─────────┤
│ 4 │ 8AIII │ 1340 │ 13 │ 17,42 │ 6,88 │
────────┼────────┼────────┼───────┼──────┼───────┼─────────┼──────
С5 │ 7 │ 6АIII │ 1800 │ 7 │ 12,60 │ 2,80 │ 4,54
├────────┼────────┼───────┼──────┼───────┼─────────┤
│ 2 │ 5BpI │ 1340 │ 9 │ 12,06 │ 1,74 │
────────┼────────┼────────┼───────┼──────┼───────┼─────────┼──────
С6 │ 8 │ 10АIII │ 1800 │ 8 │ 14,40 │ 8,88 │ 15,23
├────────┼────────┼───────┼──────┼───────┼─────────┤
│ 4 │ 8AIII │ 1340 │ 12 │ 16,08 │ 6,35 │
────────┼────────┼────────┼───────┼──────┼───────┼─────────┼──────
С7 │ 9 │ 6АIII │ 2010 │ 7 │ 14,07 │ 3,12 │ 5,05
├────────┼────────┼───────┼──────┼───────┼─────────┤
│ 2 │ 5BpI │ 1340 │ 10 │ 13,40 │ 1,93 │
────────┼────────┼────────┼───────┼──────┼───────┼─────────┼──────
С8 │ 10 │ 10АIII │ 2010 │ 8 │ 16,08 │ 9,92 │ 17,33
├────────┼────────┼───────┼──────┼───────┼─────────┤
│ 4 │ 8AIII │ 1340 │ 14 │ 18,76 │ 7,41 │
────────┼────────┼────────┼───────┼──────┼───────┼─────────┼──────
С9 │ 3 │ 10АIII │ 1450 │ 7 │ 10,15 │ 6,26 │ 12,08
├────────┼────────┼───────┼──────┼───────┼─────────┤
│ 4 │ 8AIII │ 1340 │ 11 │ 14,74 │ 5,82 │
────────┼────────┼────────┼───────┼──────┼───────┼─────────┼──────
С10 │ 6 │ 10АIII │ 1670 │ 7 │ 11,69 │ 7,21 │ 13,56
├────────┼────────┼───────┼──────┼───────┼─────────┤
│ 4 │ 8AIII │ 1340 │ 12 │ 16,08 │ 6,35 │
────────┼────────┼────────┼───────┼──────┼───────┼─────────┼──────
С11 │ 8 │ 10АIII │ 1800 │ 7 │ 12,60 │ 7,77 │ 14,12
├────────┼────────┼───────┼──────┼───────┼─────────┤
│ 4 │ 8AIII │ 1340 │ 12 │ 16,08 │ 6,35 │
────────┼────────┼────────┼───────┼──────┼───────┼─────────┼──────
С12 │ 10 │ 10АIII │ 2010 │ 7 │ 14,07 │ 8,68 │ 16,09
├────────┼────────┼───────┼──────┼───────┼─────────┤
│ 4 │ 8AIII │ 1340 │ 14 │ 18,76 │ 7,41 │
────────┼────────┼────────┼───────┼──────┼───────┼─────────┼──────
С13 │ 11 │ 10АIII │ 1250 │ 8 │ 10,00 │ 6,17 │ 11,12
├────────┼────────┼───────┼──────┼───────┼─────────┤
│ 12 │ 8AIII │ 1140 │ 11 │ 12,54 │ 4,95 │
────────┼────────┼────────┼───────┼──────┼───────┼─────────┼──────
С14 │ 13 │ 10АIII │ 1470 │ 8 │ 11,76 │ 7,26 │ 12,66
├────────┼────────┼───────┼──────┼───────┼─────────┤
│ 12 │ 8AIII │ 1140 │ 12 │ 13,68 │ 5,40 │
────────┼────────┼────────┼───────┼──────┼───────┼─────────┼──────
С15 │ 14 │ 10АIII │ 1600 │ 8 │ 12,80 │ 7,90 │ 12,85
├────────┼────────┼───────┼──────┼───────┼─────────┤
│ 12 │ 8AIII │ 1140 │ 11 │ 12,54 │ 4,95 │
────────┼────────┼────────┼───────┼──────┼───────┼─────────┼──────
С16 │ 15 │ 10АIII │ 1810 │ 8 │ 14,48 │ 8,93 │ 14,33
├────────┼────────┼───────┼──────┼───────┼─────────┤
│ 12 │ 8AIII │ 1140 │ 12 │ 13,68 │ 5,40 │
────────┼────────┼────────┼───────┼──────┼───────┼─────────┼──────
С17 │ 11 │ 10АIII │ 1250 │ 7 │ 8,75 │ 5,40 │ 10,35
├────────┼────────┼───────┼──────┼───────┼─────────┤
│ 12 │ 8AIII │ 1140 │ 11 │ 12,54 │ 4,95 │
────────┼────────┼────────┼───────┼──────┼───────┼─────────┼──────
С18 │ 13 │ 10АIII │ 1470 │ 7 │ 10,29 │ 6,35 │ 11,75
├────────┼────────┼───────┼──────┼───────┼─────────┤
│ 12 │ 8AIII │ 1140 │ 12 │ 13,68 │ 5,40 │
────────┼────────┼────────┼───────┼──────┼───────┼─────────┼──────
С19 │ 14 │ 10АIII │ 1600 │ 7 │ 11,20 │ 6,91 │ 11,86
├────────┼────────┼───────┼──────┼───────┼─────────┤
│ 12 │ 8AIII │ 1140 │ 11 │ 12,54 │ 4,95 │
────────┼────────┼────────┼───────┼──────┼───────┼─────────┼──────
С20 │ 15 │ 10АIII │ 1810 │ 7 │ 12,67 │ 7,82 │ 13,22
├────────┼────────┼───────┼──────┼───────┼─────────┤
│ 12 │ 8AIII │ 1140 │ 12 │ 13,68 │ 5,40 │
────────┼────────┼────────┼───────┼──────┼───────┼─────────┼──────
С21 │ 16 │ 6АIII │ 1330 │ 4 │ 5,32 │ 1,18 │ 1,82
├────────┼────────┼───────┼──────┼───────┼─────────┤
│ 17 │ 5BpI │ 630 │ 7 │ 4,41 │ 0,64 │
────────┼────────┼────────┼───────┼──────┼───────┼─────────┼──────
С22 │ 18 │ 10АIII │ 1330 │ 6 │ 7,98 │ 4,92 │ 7,37
├────────┼────────┼───────┼──────┼───────┼─────────┤
│ 19 │ 8AIII │ 620 │ 10 │ 6,2 │ 2,45 │
────────┼────────┼────────┼───────┼──────┼───────┼─────────┼──────
С23 │ 20 │ 8АIII │ 1330 │ 6 │ 7,98 │ 3,15 │ 5,60
├────────┼────────┼───────┼──────┼───────┼─────────┤
│ 19 │ 8AIII │ 620 │ 10 │ 6,2 │ 2,45 │
────────┼────────┼────────┼───────┼──────┼───────┼─────────┼──────
С24 │ 21 │ 10АIII │ 1130 │ 4 │ 4,52 │ 2,79 │ 4,28
├────────┼────────┼───────┼──────┼───────┼─────────┤
│ 22 │ 8AIII │ 420 │ 9 │ 3,78 │ 1,49 │
────────┼────────┼────────┼───────┼──────┼───────┼─────────┼──────
С25 │ 23 │ 8АIII │ 1130 │ 4 │ 4,52 │ 1,79 │ 3,28
├────────┼────────┼───────┼──────┼───────┼─────────┤
│ 22 │ 8AIII │ 420 │ 9 │ 3,78 │ 1,49 │
────────┼────────┼────────┼───────┼──────┼───────┼─────────┼──────
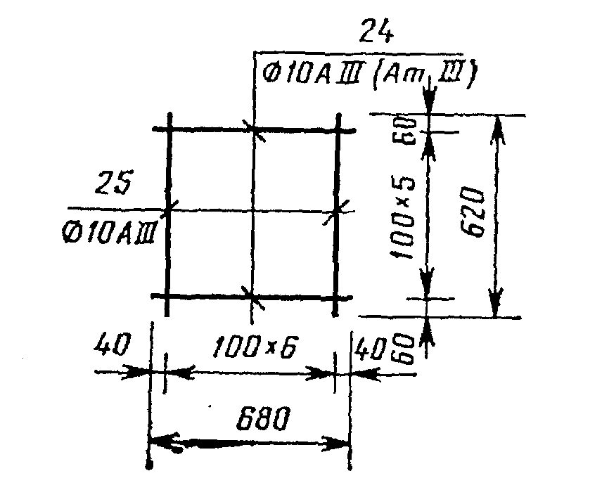
С26 │ 24 │ 10АIII │ 680 │ 6 │ 4,08 │ 2,52 │ 5,20
├────────┼────────┼───────┼──────┼───────┼─────────┤
│ 25 │ 10AIII │ 620 │ 7 │ 4,34 │ 2,68 │
────────┼────────┼────────┼───────┼──────┼───────┼─────────┼──────
Ф1 │ 1 │ 4BpI │ 80 │ 7 │ 0,56 │ 0,05 │ 0,17
├────────┼────────┼───────┼──────┼───────┼─────────┤
│ 2 │ 4BpI │ 650 │ 2 │ 1,30 │ 0,12 │
────────┼────────┼────────┼───────┼──────┼───────┼─────────┼──────
Ф2 │ 3 │ 4BpI │ 60 │ 7 │ 0,42 │ 0,04 │ 0,16
├────────┼────────┼───────┼──────┼───────┼─────────┤
│ 2 │ 4BpI │ 650 │ 2 │ 1,30 │ 0,12 │
────────┼────────┼────────┼───────┼──────┼───────┼─────────┼──────
Ф3 │ 1 │ 4BpI │ 80 │ 4 │ 0,32 │ 0,03 │ 0,09
├────────┼────────┼───────┼──────┼───────┼─────────┤
│ 4 │ 4BpI │ 350 │ 2 │ 0,7 │ 0,06 │
────────┼────────┼────────┼───────┼──────┼───────┼─────────┼──────
Ф4 │ 3 │ 4BpI │ 60 │ 4 │ 0,24 │ 0,02 │ 0,08
├────────┼────────┼───────┼──────┼───────┼─────────┤
│ 4 │ 4BpI │ 350 │ 2 │ 0,7 │ 0,06 │
────────┼────────┼────────┼───────┼──────┼───────┼─────────┼──────
Т1-1 │ 1 │ 10АII │ 785 │ 1 │ 0,785 │ 0,48 │ 0,48
────────┼────────┼────────┼───────┼──────┼───────┼─────────┼──────
Т1-2 │ 2 │ 10АII │ 745 │ 1 │ 0,745 │ 0,46 │ 0,46
────────┼────────┼────────┼───────┼──────┼───────┼─────────┼──────
Т1-3 │ 3 │ 10АII │ 705 │ 1 │ 0,705 │ 0,43 │ 0,43
────────┼────────┼────────┼───────┼──────┼───────┼─────────┼──────
Т2-1 │ 1 │ 10АII │ 630 │ 1 │ 0,630 │ 0,39 │ 0,39
────────┼────────┼────────┼───────┼──────┼───────┼─────────┼──────
Т2-2 │ 2 │ 10АII │ 590 │ 1 │ 0,590 │ 0,36 │ 0,36
ИС МЕГАНОРМ: примечание.
Взамен ГОСТ 10884-81 Постановлением Госстандарта РФ от 13.04.1995 N 214 с 1 января 1996 года введен в действие ГОСТ 10884-94.
Примечание. Арматура класса A-III диаметром 10 мм может быть заменена арматурой класса Aт-III диаметром 10 мм по ГОСТ 10884-81.
Таблица 3
───────────┬───────────────────┬─────────┬─────────────┬────────────────────────────────────────────────────────────────
Марка плиты│ Сетка │ Фиксатор│Подъемная │ Выборка арматурной стали, кг
├─────────┬─────────┤ │технологичес-├───────┬───────┬──────────────────┬─────┬───────────┬─────┬─────
│ верхняя│ нижняя │ │кая петля │Класс │ │ Класс А-III │Итого│Класс Bp-I │Итого│Всего
│ │ │ │ │А-II │ │ по ГОСТ 5781-82. │ │по ГОСТ │ │
│ │ │ │ │по │ │ Диаметр, мм │ │6727-80. │ │
│ │ │ │ │ГОСТ │ │ │ │Диаметр, мм│ │
│ │ │ │ │5781- │ │ │ │ │ │
│ │ │ │ │82. │ │ │ │ │ │
├────┬────┼────┬────┼────┬────┼─────┬───────┤Диаметр│ ├──────┬─────┬─────┤ ├─────┬─────┤ │
│Мар-│Кол-│Мар-│Кол-│Мар-│Кол-│Марка│Количе-│10 мм │ Итого │ 6 │ 8 │ 10 │ │ 4 │ 5 │ │
│ка │во │ка │во │ка │во │ │ство │ │ │ │ │ <*> │ │ │ │ │
───────────┼────┼────┼────┼────┼────┼────┼─────┼───────┼───────┼───────┼──────┼─────┼─────┼─────┼─────┼─────┼─────┼─────
1П14.15.12 │ C1 │ 1 │ C2 │ 1 │Ф1 │ 3 │Т1-1 │ 4 │ 0,48 │ 1,92 │ 2,25 │6,35 │7,16 │15,76│0,17 │1,54 │2,05 │19,73
───────────┤ │ ├────┤ ├────┤ ├─────┤ ├───────┼───────┼──────┼─────┼─────┼─────┼─────┼─────┼─────┼─────
1П14.15.10 │ │ │ C9 │ │Ф2 │ │Т1-2 │ │ 0,46 │ 1,84 │ 2,25 │5,82 │6,26 │14,33│0,16 │1,54 │2,02 │18,19
───────────┼────┤ ├────┤ ├────┤ ├─────┤ ├───────┼───────┼──────┼─────┼─────┼─────┼─────┼─────┼─────┼─────
1П14.17.12 │ C3 │ │ C4 │ │Ф1 │ │Т1-1 │ │ 0,48 │ 1,92 │ 2,60 │6,88 │8,24 │17,72│0,17 │1,74 │2,25 │21,89
───────────┤ │ ├────┤ ├────┤ ├─────┤ ├───────┼───────┼──────┼─────┼─────┼─────┼─────┼─────┼─────┼─────
1П14.17.10 │ │ │ C10│ │Ф2 │ │Т1-2 │ │ 0,46 │ 1,84 │ 2,60 │6,35 │7,21 │16,16│0,16 │1,74 │2,22 │20,22
───────────┼────┤ ├────┤ ├────┤ ├─────┤ ├───────┼───────┼──────┼─────┼─────┼─────┼─────┼─────┼─────┼─────
1П14.19.12 │ C5 │ │ C6 │ │Ф1 │ │Т1-1 │ │ 0,48 │ 1,92 │ 2,80 │6,35 │8,88 │18,03│0,17 │1,74 │2,25 │22,20
───────────┤ │ ├────┤ ├────┤ ├─────┤ ├───────┼───────┼──────┼─────┼─────┼─────┼─────┼─────┼─────┼─────
1П14.19.10 │ │ │ C11│ │Ф2 │ │Т1-2 │ │ 0,46 │ 1,84 │ 2,80 │6,35 │7,77 │16,92│0,16 │1,74 │2,22 │20,98
───────────┼────┤ ├────┤ ├────┤ ├─────┤ ├───────┼───────┼──────┼─────┼─────┼─────┼─────┼─────┼─────┼─────
1П14.21.12 │ C7 │ │ C8 │ │Ф1 │ │Т1-1 │ │ 0,48 │ 1,92 │ 3,12 │7,41 │9,92 │20,45│0,17 │1,93 │2,44 │24,81
───────────┤ │ ├────┤ ├────┤ ├─────┤ ├───────┼───────┼──────┼─────┼─────┼─────┼─────┼─────┼─────┼─────
1П14.21.10 │ │ │ C12│ │Ф2 │ │Т1-2 │ │ 0,46 │ 1,84 │ 3,12 │7,41 │8,68 │19,21│0,16 │1,93 │2,41 │23,46
───────────┼────┤ ├────┤ ├────┤ ├─────┼───────┼───────┼───────┼──────┼─────┼─────┼─────┼─────┼─────┼─────┼─────
1П7.14.12 │ C21│ │ C22│ │Ф3 │ │Т1-1 │ 2 │ 0,48 │ 0,96 │ 1,18 │2,45 │4,92 │8,55 │0,09 │0,64 │0,91 │10,42
───────────┤ │ ├────┤ ├────┤ ├─────┤ ├───────┼───────┼──────┼─────┼─────┼─────┼─────┼─────┼─────┼─────
1П7.14.10 │ │ │ C23│ │Ф4 │ │Т1-2 │ │ 0,46 │ 0,92 │ 1,18 │5,60 │ - │6,78 │0,08 │0,64 │0,88 │8,58
───────────┼────┤ ├────┤ ├────┤ ├─────┼───────┼───────┼───────┼──────┼─────┼─────┼─────┼─────┼─────┼─────┼─────
2П14.15.12 │ C1 │ │ C13│ │Ф1 │ │Т2-1 │ 4 │ 0,39 │ 1,56 │ 2,25 │4,95 │6,17 │13,37│0,17 │1,54 │2,05 │16,98
───────────┤ │ ├────┤ ├────┤ ├─────┤ ├───────┼───────┼──────┼─────┼─────┼─────┼─────┼─────┼─────┼─────
2П14.15.10 │ │ │ C17│ │Ф2 │ │Т2-2 │ │ 0,36 │ 1,44 │ 2,25 │4,95 │5,40 │12,60│0,16 │1,54 │2,02 │16,06
───────────┼────┤ ├────┤ ├────┤ ├─────┤ ├───────┼───────┼──────┼─────┼─────┼─────┼─────┼─────┼─────┼─────
2П14.17.12 │ C3 │ │ C14│ │Ф1 │ │Т2-1 │ │ 0,39 │ 1,56 │ 2,60 │5,40 │7,26 │15,26│0,17 │1,74 │2,25 │19,07
───────────┤ │ ├────┤ ├────┤ ├─────┤ ├───────┼───────┼──────┼─────┼─────┼─────┼─────┼─────┼─────┼─────
2П14.17.10 │ │ │ C18│ │Ф2 │ │Т2-2 │ │ 0,36 │ 1,44 │ 2,60 │5,40 │6,35 │14,35│0,16 │1,74 │2,22 │18,01
───────────┼────┤ ├────┤ ├────┤ ├─────┤ ├───────┼───────┼──────┼─────┼─────┼─────┼─────┼─────┼─────┼─────
2П14.19.12 │ C5 │ │ C15│ │Ф1 │ │Т2-1 │ │ 0,39 │ 1,56 │ 2,80 │4,95 │7,90 │15,65│0,17 │1,74 │2,25 │19,46
───────────┤ │ ├────┤ ├────┤ ├─────┤ ├───────┼───────┼──────┼─────┼─────┼─────┼─────┼─────┼─────┼─────
2П14.19.10 │ │ │ C19│ │Ф2 │ │Т2-2 │ │ 0,36 │ 1,44 │ 2,80 │4,95 │6,91 │14,66│0,16 │1,74 │2,22 │18,32
───────────┼────┤ ├────┤ ├────┤ ├─────┤ ├───────┼───────┼──────┼─────┼─────┼─────┼─────┼─────┼─────┼─────
2П14.21.12 │ C7 │ │ C16│ │Ф1 │ │Т2-1 │ │ 0,39 │ 1,56 │ 3,12 │5,40 │8,93 │17,45│0,17 │1,93 │2,44 │21,45
───────────┤ │ ├────┤ ├────┤ ├─────┤ ├───────┼───────┼──────┼─────┼─────┼─────┼─────┼─────┼─────┼─────
2П14.21.10 │ │ │ C20│ │Ф2 │ │Т2-2 │ │ 0,36 │ 1,44 │ 3,12 │5,40 │7,82 │16,34│0,16 │1,93 │2,41 │20,19
───────────┼────┤ ├────┤ ├────┤ ├─────┼───────┼───────┼───────┼──────┼─────┼─────┼─────┼─────┼─────┼─────┼─────
2П7.14.12 │ C21│ │ C24│ │Ф3 │ │Т2-1 │ 2 │ 0,39 │ 0,78 │ 1,18 │1,49 │2,79 │5,46 │0,09 │0,64 │0,91 │7,15
───────────┤ │ ├────┤ ├────┤ ├─────┤ ├───────┼───────┼──────┼─────┼─────┼─────┼─────┼─────┼─────┼─────
2П7.14.10 │ │ │ C25│ │Ф4 │ │Т2-2 │ │ 0,36 │ 0,72 │ 1,18 │3,28 │ - │4,46 │0,08 │0,64 │0,88 │6,06
───────────┼────┼────┼────┤ ├────┼────┼─────┤ ├───────┼───────┼──────┼─────┼─────┼─────┼─────┼─────┼─────┼─────
3П7.7.8 │ - │ - │ C26│ │ - │ - │Т1-3 │ │ 0,43 │ 0,86 │ - │ - │5,20 │5,20 │ - │ - │ - │6,06
ИС МЕГАНОРМ: примечание.
Взамен ГОСТ 10884-81 Постановлением Госстандарта РФ от 13.04.1995 N 214 с 1 января 1996 года введен в действие ГОСТ 10884-94.
------------------------------------
<*> Арматура класса A-III может быть заменена арматурой класса Aт-III по ГОСТ 10884-81.
С1, С3, С5, С7
Черт. 5
С2, С4, С9, С10, С17, С18
Черт. 6
С13, С14
С15, С16
Черт. 7
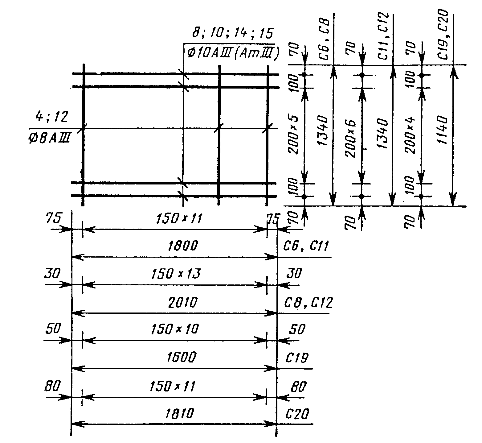
С6, С8, С11, С12, С19, С20
Черт. 8
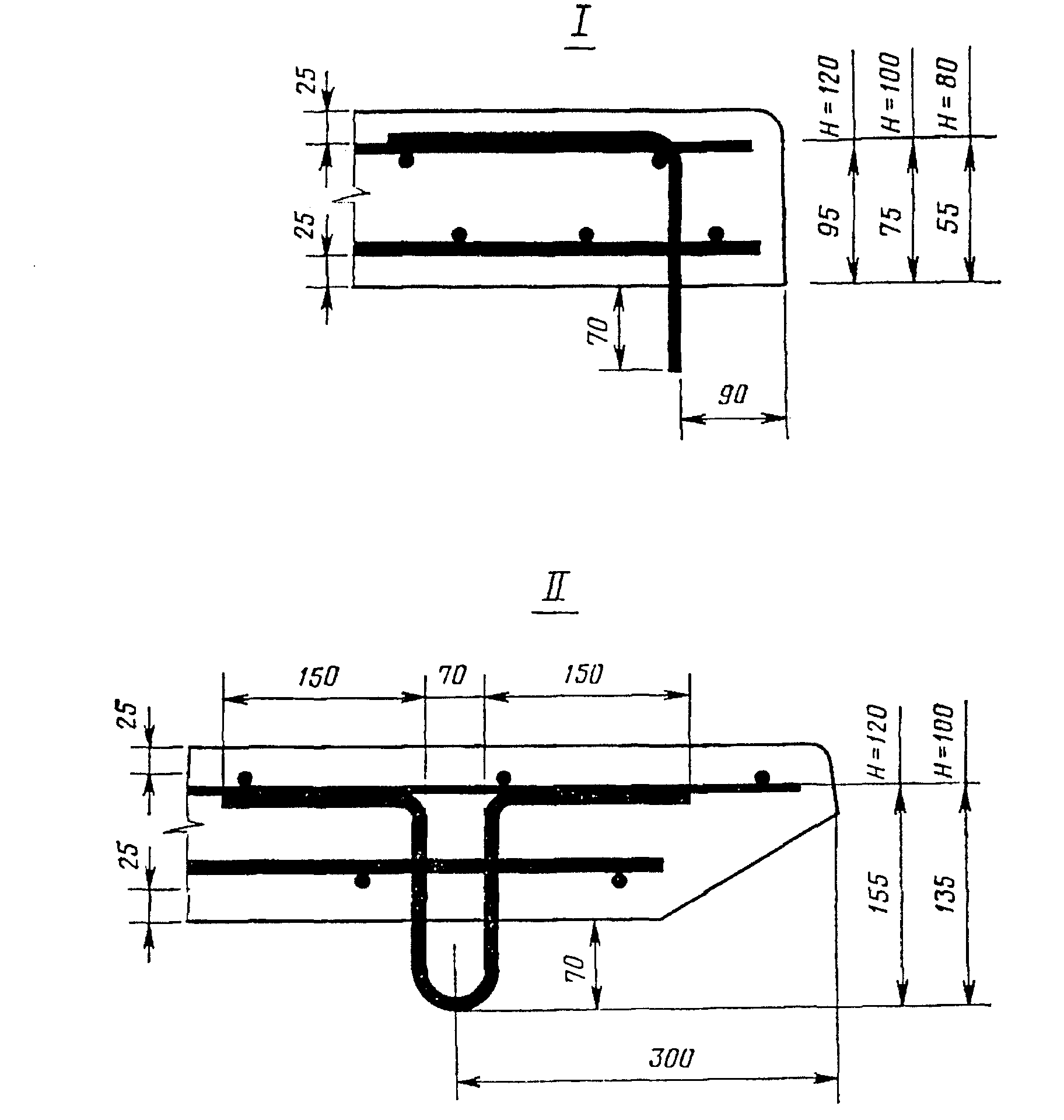
С21
С22, С23, С24, С25
С26
Черт. 9
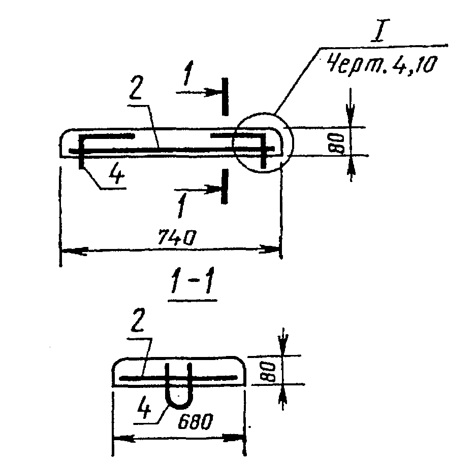
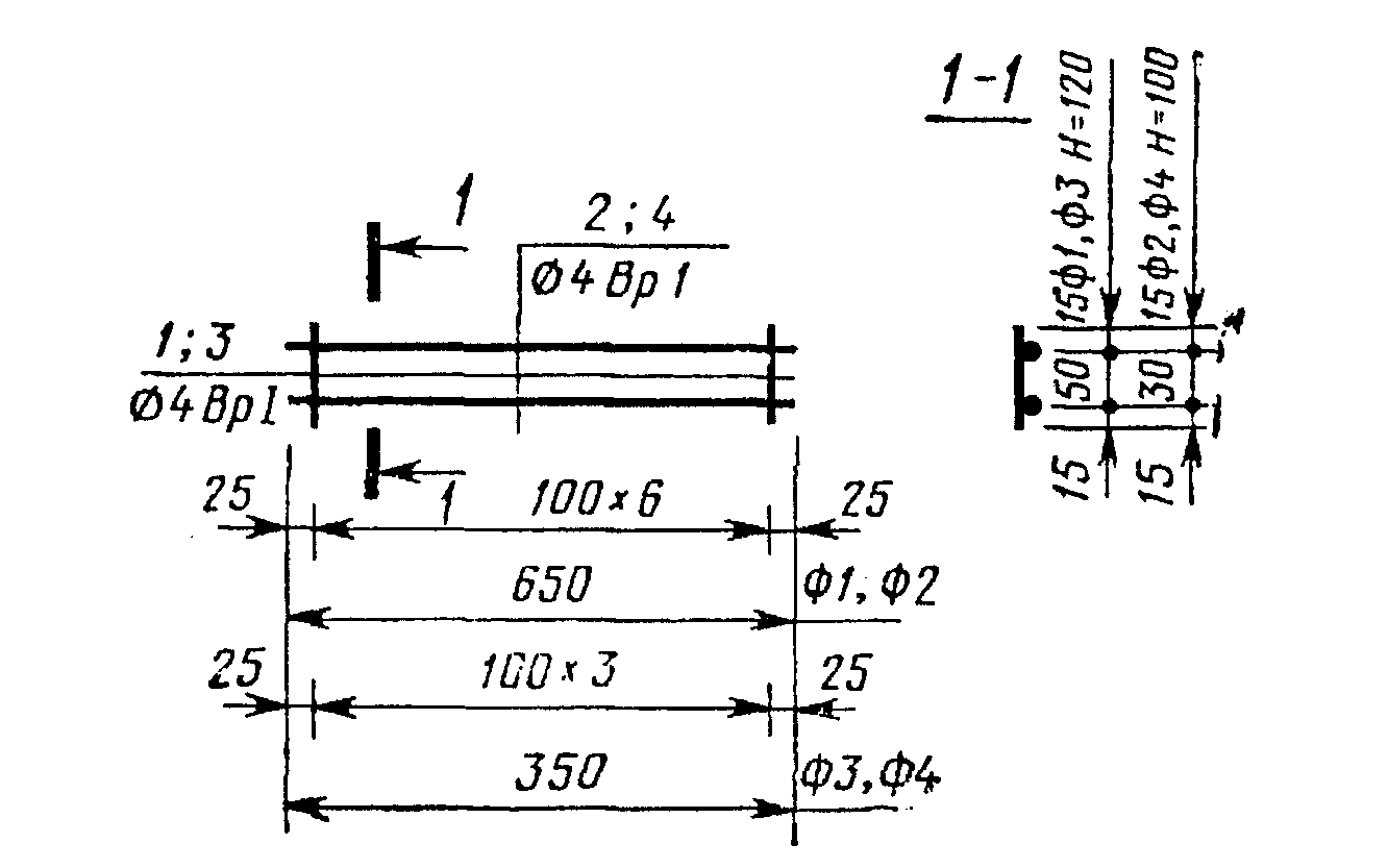
Ф1, Ф2, Ф3, Ф4
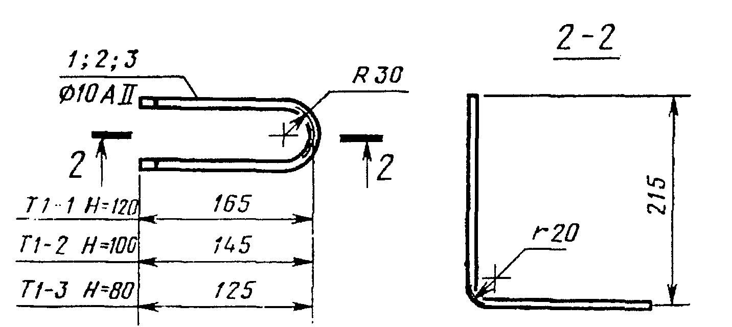
Т1
Т2
Черт. 10