Главная // Актуальные документы // ГОСТ (Государственный стандарт)СПРАВКА
Источник публикации
М.: Издательство стандартов, 1984
Примечание к документу
С 1 июля 2003 года до вступления в силу технических регламентов акты федеральных органов исполнительной власти в сфере технического регулирования носят рекомендательный характер и подлежат обязательному исполнению только в части, соответствующей целям, указанным в
пункте 1 статьи 46 Федерального закона от 27.12.2002 N 184-ФЗ.
Введен в действие с 1 января 1984 года (
Постановление Госстроя СССР от 26.01.1983 N 18).
Взамен ГОСТ 19231-73.
Название документа
"ГОСТ 19231.0-83. Государственный стандарт Союза ССР. Плиты железобетонные для покрытия трамвайных путей. Технические условия"
(утв. Постановлением Госстроя СССР от 26.01.1983 N 18)
"ГОСТ 19231.0-83. Государственный стандарт Союза ССР. Плиты железобетонные для покрытия трамвайных путей. Технические условия"
(утв. Постановлением Госстроя СССР от 26.01.1983 N 18)
Утвержден и введен в действие
от 26 января 1983 г. N 18
ГОСУДАРСТВЕННЫЙ СТАНДАРТ СОЮЗА ССР
ПЛИТЫ ЖЕЛЕЗОБЕТОННЫЕ ДЛЯ ПОКРЫТИЙ ТРАМВАЙНЫХ ПУТЕЙ
ТЕХНИЧЕСКИЕ УСЛОВИЯ
Reinforced concrete slabs for tramway track
pavements. Specifications
ГОСТ 19231.0-83
Взамен ГОСТ 19231-73
Постановлением Государственного комитета СССР по делам строительства от 26 января 1983 г. N 18 срок введения установлен
с 1 января 1984 года
Переиздание. Февраль 1984 г.
Настоящий стандарт распространяется на железобетонные плиты, изготовляемые из тяжелого бетона и предназначенные для устройства покрытий трамвайных путей колеи 1524 мм, строящихся и эксплуатируемых в районах со среднемесячной температурой наиболее холодного месяца до минус 20 °С включительно.
Плиты предназначены для укладки:
на прямых участках пути и кривых радиусом 20 м и более с рельсами желобчатого и железнодорожного типов;
в колее и на обочинах, а также в междупутьях шириной 3200, 3424, 3550, 3758 мм;
на необособленном, обособленном и самостоятельном земляном полотне.
1. ТИПЫ, ОСНОВНЫЕ ПАРАМЕТРЫ И РАЗМЕРЫ
1.1. Плиты в зависимости от назначения подразделяют на типы:
1П - для путей с деревянными шпалами;
2П - для путей с железобетонными шпалами;
3П - для путей с деревянными и с железобетонными шпалами.
1.2. Форма и основные размеры плит должны соответствовать указанным на черт. 1 -
3 и в
табл. 1.
Примечание. Допускается до 1 января 1986 г. изготовлять на действующем оборудовании плиты общим видом, отличным от указанного на черт. 1 -
3, при соблюдении всех остальных требований, установленных настоящим стандартом.
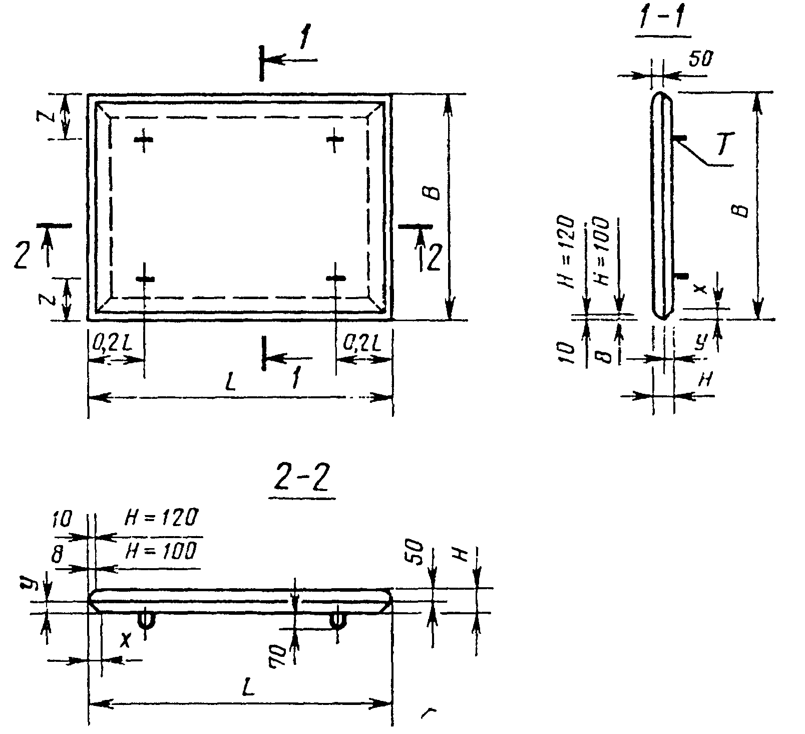
ПЛИТЫ ТИПА 1П
а) Для укладки в колее и междупутье на прямых участках пути
б) Для укладки на обочине и кривых участках пути - в колее
Т - подъемная технологическая петля
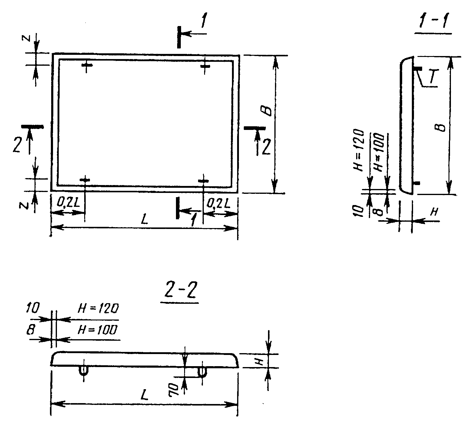
ПЛИТЫ ТИПА 2П
а) Для укладки в колее и междупутье на прямых участках пути
б) Для укладки на обочине и кривых участках пути - в колее
Т - подъемная технологическая петля
Черт. 2
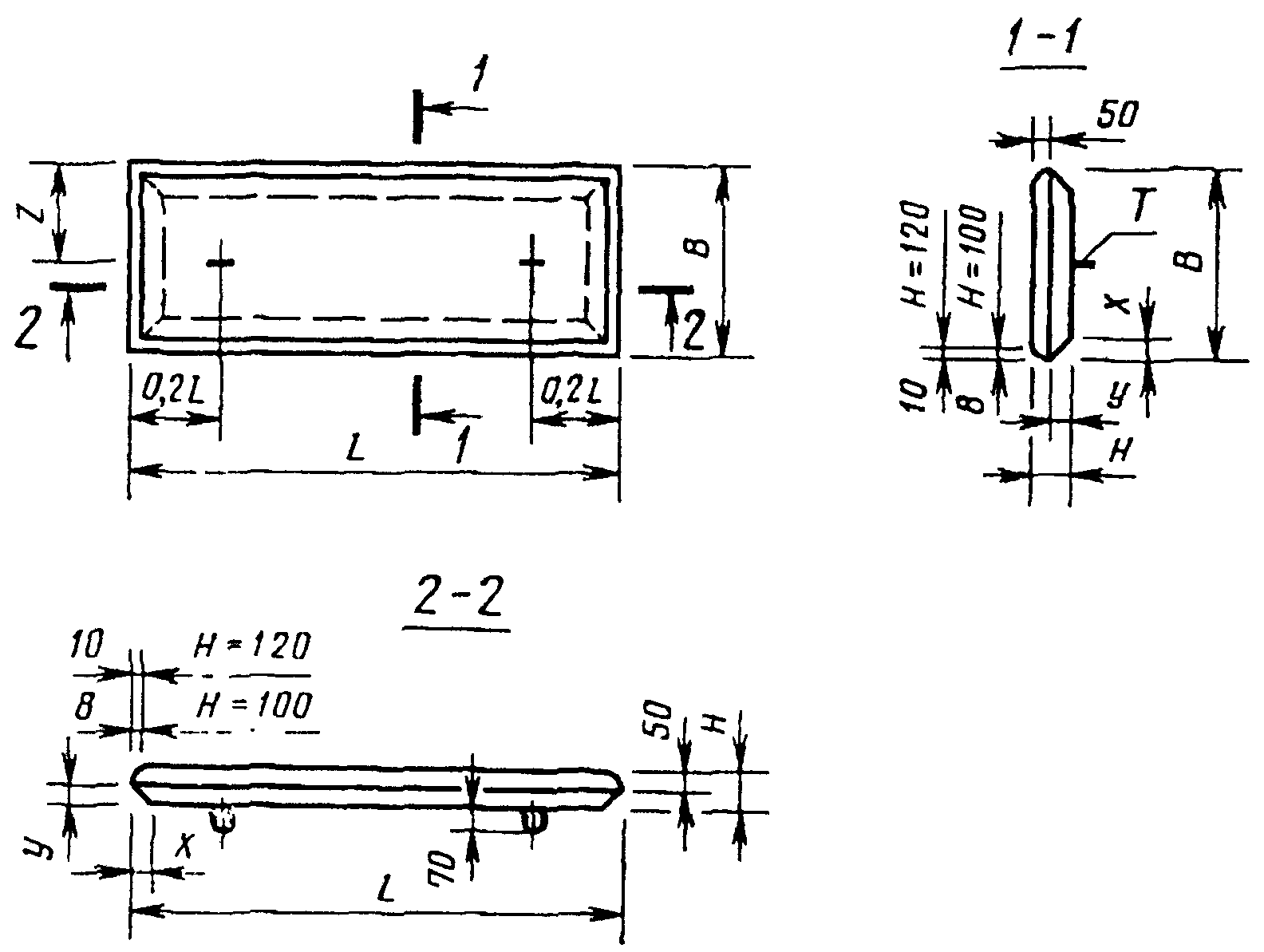
ПЛИТА ТИПА 3П
Т - подъемная технологическая петля
─────────────┬───────────────────────────────┬──────────┬─────────
Марка плиты │ Размеры плиты, мм │Привязоч- │Масса
│ │ный раз- │плиты
├──────┬──────┬───────┬─────────┤мер петли,│(справоч-
│Ширина│Длина │Толщина│ Скос │z, мм │ная), т
│ B │ L │ H ├────┬────┤ │
│ │ │ │ x │ y │ │
─────────────┼──────┼──────┼───────┼────┼────┼──────────┼─────────
1П14.15.12 │1400 │ 1510 │ 120 │ - │- │ 90 │ 0,63
1П14.15.10 │ │ │ 100 │ │ │ │ 0,53
─────────────┤ ├──────┼───────┤ │ │ ├─────────
1П14.17.12 │ │ 1730 │ 120 │ │ │ │ 0,73
1П14.17.10 │ │ │ 100 │ │ │ │ 0,60
─────────────┤ ├──────┼───────┤ │ │ ├─────────
1П14.19.12 │ │ 1860 │ 120 │ │ │ │ 0,78
1П14.19.10 │ │ │ 100 │ │ │ │ 0,65
─────────────┤ ├──────┼───────┤ │ │ ├─────────
1П14.21.12 │ │ 2070 │ 120 │ │ │ │ 0,88
1П14.21.10 │ │ │ 100 │ │ │ │ 0,73
─────────────┼──────┼──────┼───────┤ │ ├──────────┼─────────
1П7.14.12 <
*>│680 │ 1390 │ 120 │ │ │ 340 │ 0,28
1П7.14.10 <
*>│ │ │ 100 │ │ │ │ 0,23
─────────────┼──────┼──────┼───────┼────┼────┼──────────┼─────────
2П14.15.12 │1400 │ 1510 │ 120 │140 │70 │ 300 │ 0,55
2П14.15.10 │ │ │ 100 │100 │50 │ │ 0,50
─────────────┤ ├──────┼───────┼────┼────┤ ├─────────
2П14.17.12 │ │ 1730 │ 120 │140 │70 │ │ 0,65
2П14.17.10 │ │ │ 100 │100 │50 │ │ 0,58
─────────────┤ ├──────┼───────┼────┼────┤ ├─────────
2П14.19.12 │ │ 1860 │ 120 │140 │70 │ │ 0,70
2П14.19.10 │ │ │ 100 │100 │50 │ │ 0,60
─────────────┤ ├──────┼───────┼────┼────┤ ├─────────
2П14.21.12 │ │ 2070 │ 120 │140 │70 │ │ 0,78
2П14.21.10 │ │ │ 100 │100 │50 │ │ 0,68
─────────────┼──────┼──────┼───────┼────┼────┼──────────┼─────────
2П7.14.12 <
*>│680 │ 1390 │ 120 │140 │70 │ 340 │ 0,23
2П7.14.10 <
*>│ │ │ 100 │100 │50 │ │ 0,20
─────────────┤ ├──────┼───────┼────┼────┤ ├─────────
3П7.7.8 <
*> │ │ 740 │ 80 │ - │- │ │ 0,10
------------------------------------
<*> Для укладки на прямых участках пути и кривых радиусом 20 м и более.
Примечание. Масса плиты указана для тяжелого бетона со средней плотностью 2400 кг/м3.
1.3. Плиты типов 1П и 2П толщиной 120 мм типа 3П толщиной 80 мм рассчитаны на проезд по ним автомобилей массой 30 т, а типов 1П и 2П толщиной 100 мм - 10 т. При этом коэффициент динамичности принят равным 1,2, а модуль деформации основания - 50 МПа (500 кгс/см2).
1.4. Армирование плит предусмотрено сварными сетками из стержневой арматуры класса А-III или Ат-III и проволочной арматуры класса Вр-1.
1.5. Плиты следует изготовлять без подъемных технологических петель. Допускается изготовлять плиты с подъемными технологическими петлями, расположение которых должно соответствовать указанному на
черт. 1 -
3.
1.6. Конструкция плит и арматурных изделий (сетки, фиксаторы и подъемные технологические петли) к ним приведены в
ГОСТ 19231.1-83.
1.7. Величина защитного слоя бетона - 25 мм.
Марка плиты состоит из буквенно-цифровой группы, которая содержит обозначение типа плиты и ее номинальные размеры: длину и ширину в дециметрах (значения которых округляются до целого числа) и толщину в сантиметрах.
Пример условного обозначения (марки) плиты типа 1П шириной 1400 мм, длиной 2070 мм, толщиной 120 мм, предназначенной для укладки в колее и междупутье на прямых участках пути:
1П14.21.12
то же, типа 2П шириной 680 мм, длиной 1390 мм, толщиной 100 мм, предназначенной для укладки на обочине, и на кривых участках пути - в колее:
2П7.14.10
то же, типа 3П шириной 680 мм, длиной 740 мм, толщиной 80 мм, предназначенной для укладки на обочине, и на кривых участках пути - в междупутье:
3П7.7.8
2. ТЕХНИЧЕСКИЕ ТРЕБОВАНИЯ
2.1. Плиты следует изготовлять в соответствии с требованиями настоящего стандарта и технологической документации, утвержденной в установленном порядке, по чертежам, приведенным в
ГОСТ 19231.1-83.
2.2. Плиты следует изготовлять в стальных формах, удовлетворяющих требованиям ГОСТ 18886-73 и обеспечивающих соблюдение требований, установленных настоящим стандартом к качеству и точности изготовления плит.
2.3. Плиты по прочности и трещиностойкости должны выдерживать контрольные нагрузки, указанные в
табл. 4.
2.4. Плиты должны иметь заводскую готовность, соответствующую требованиям настоящего стандарта.
2.5. Бетон
2.5.1. Плиты следует изготовлять из тяжелого бетона класса по прочности на сжатие В30.
2.5.2. Фактическая прочность бетона плит на сжатие должна соответствовать требуемой, назначаемой по ГОСТ 18105.0-80 и ГОСТ 18105.1-80 в зависимости от класса бетона по прочности на сжатие и фактической однородности прочности бетона.
2.5.3. Коэффициент вариации прочности бетона в партии для плит высшей категории качества должен быть не более 8%.
2.5.4. Морозостойкость и водонепроницаемость бетона плит должны соответствовать установленным проектом сооружения маркам бетона по морозостойкости и водонепроницаемости, которые принимаются для плит, предназначенных к применению в районах со среднемесячной температурой наиболее холодного месяца (согласно
СНиП 2.01.01-82), соответственно:
до минус 5 °С включительно - Мрз 100, W2;
ниже минус 5 до минус 15 °С включительно - Мрз 150, W4;
ниже минус 15 °С - Мрз 200, W4.
Марки бетона по морозостойкости и водонепроницаемости указывают в заказе на изготовление плит.
2.5.5. Водопоглощение бетона плит должно быть не более 5% по массе.
2.5.6. Качество материалов, применяемых для приготовления бетона плит, должно обеспечивать выполнение технических требований к бетону, установленных настоящим стандартом, и соответствовать требованиям стандартов или утвержденных в установленном порядке технических условий на эти материалы.
| | ИС МЕГАНОРМ: примечание. Взамен ГОСТ 10178-76 Постановлением Госстроя СССР от 10.07.1985 N 116 с 1 января 1987 года введен в действие ГОСТ 10178-85. | |
Для приготовления бетона следует применять портландцемент бездобавочный или портландцемент с минеральными добавками до 5% (гранулированный доменный шлак) - по ГОСТ 10178-76.
Допускается применение портландцемента по ТУ 21-20-32-77.
Заполнители - по
ГОСТ 10268-80 (крупность зерен крупного заполнителя - не более 20 мм).
Пластифицирующие, газообразующие и воздухововлекающие добавки, применяемые при приготовлении бетона, должны удовлетворять требованиям технологической документации, утвержденной в установленном порядке.
2.6. Арматурные изделия
2.6.1. Форма и размеры арматурных изделий плит должны соответствовать приведенным в
ГОСТ 19231.1-83.
2.6.2. Сварные арматурные изделия плит должны удовлетворять требованиям
ГОСТ 10922-75.
2.6.3. Марки арматурных сталей должны соответствовать установленным в проекте сооружения в зависимости от условий эксплуатации плит (согласно
СНиП II-21-75) и указанным в заказе на изготовление плит.
2.6.4. Арматура должна удовлетворять требованиям:
| | ИС МЕГАНОРМ: примечание. Взамен ГОСТ 10884-81 Постановлением Госстандарта РФ от 13.04.1995 N 214 с 1 января 1996 года введен в действие ГОСТ 10884-94. | |
стержневая класса А-III -
ГОСТ 5781-82, Ат-III - ГОСТ 10884-81;
2.6.5. Подъемные технологические петли следует изготовлять из арматуры класса А-II марки 10 ГТ. Допускается применение для петель гладкой арматуры класса А1 марок ВСт3сп2 и ВСт3пс2.
2.7. Поставку плит потребителю следует производить после достижения бетоном требуемой отпускной прочности, назначаемой по
ГОСТ 18105.0-80 и
ГОСТ 18105.1-80 в зависимости от значения нормируемой отпускной прочности и фактической однородности прочности бетона.
Значения нормируемой отпускной прочности бетона плит должны назначаться и согласовываться в соответствии с требованиями ГОСТ 13015-75. При этом значения нормируемой отпускной прочности указываются в заказе на изготовление плит и должны быть не менее (в процентах от класса бетона по прочности на сжатие):
100 - для плит, предназначенных к укладке в путь при температуре наружного воздуха минус 5 °С и ниже;
70 - то же, выше минус 5 °С.
Поставку плит с отпускной прочностью бетона ниже прочности, соответствующей классу бетона по прочности на сжатие, производят только при условии, что изготовитель гарантирует достижение бетоном прочности, соответствующей классу (определяемой по результатам испытаний контрольных образцов) в возрасте 28 сут.
2.8. Точность изготовления плит
2.8.1. Отклонения фактических размеров плит и толщины защитного слоя бетона до арматуры от номинальных не должны превышать, мм:
по длине ..............................................

5
по ширине .............................................

3
по толщине ............................................

5
по толщине защитного слоя бетона ......................

3
Для плит высшей категории качества предельные отклонения по толщине плит и толщине защитного слоя бетона не должны превышать +3 мм.
2.8.2. Отклонение от прямолинейности (непрямолинейность) профиля рабочей поверхности и боковых граней плиты в любом сечении на всю длину плиты не должно превышать 3 мм.
2.8.3. Отклонение от плоскостности (неплоскостность) рабочей поверхности плиты не должно превышать 5 мм.
2.8.4. Разность длин диагоналей рабочей поверхности плиты не должна превышать 10 мм.
2.9. Качество поверхностей и внешний вид плит
2.9.1. Размеры раковин, местных наплывов и впадин на поверхностях плит и околов ребер бетона не должны превышать указанных в табл. 2.
Таблица 2
───────────┬──────────────────────────────────────────────────────
Поверхность│ Предельные размеры, мм
├───────────────┬───────────────┬──────────────────────
│ раковин │местных наплы- │ околов бетона
├───────┬───────┤вов (высота) ├───────────┬──────────
│Диаметр│Глубина│и впадин (глу- │ Глубина │ Длина на
│ │ │бина) │ │1 м ребра
───────────┼───────┼───────┼───────────────┼───────────┼──────────
Рабочая │ 6 │ 3 │ 3 │ 5 │ 50
Нерабочая │ 15 │ 5 │ 5 │ 10 │ 100
2.9.2. Трещины на поверхностях плит не допускаются. Местные поверхностные усадочные и технологические трещины шириной не более 0,1 мм и длиной не более 50 мм не являются основанием для браковки. При этом количество трещин не должно быть более пяти на 1,5 м2 поверхности плиты.
3.1. Приемку плит следует производить партиями в соответствии с требованиями
ГОСТ 13015.1-81 и настоящего стандарта.
3.2. Приемку плит по показателям прочности бетона (классу бетона по прочности на сжатие, отпускной прочности), соответствия арматурных изделий требованиям
ГОСТ 19231.1-83, прочности сварных соединений, толщины защитного слоя бетона до арматуры, точности геометрических параметров, качества поверхностей следует проводить по результатам приемосдаточных испытаний и контроля.
3.3. Приемку плит по показателям их прочности и трещиностойкости, а также по морозостойкости, водонепроницаемости, водопоглощению бетона следует проводить по результатам периодических испытаний.
3.4. В случаях, если при проверке будет установлено, что отпуская прочность бетона плит не удовлетворяет требованиям, приведенным в
п. 2.7, поставка плит потребителю не должна производиться до достижения бетоном плит прочности, соответствующей классу бетона по прочности на сжатие.
3.5. При приемке плит по показателям точности геометрических параметров, толщины защитного слоя бетона до арматуры и качества поверхностей, контролируемым путем измерений, следует применять выборочный одноступенчатый контроль.
4. МЕТОДЫ КОНТРОЛЯ И ИСПЫТАНИЙ
4.1. Испытание плит по прочности и трещиностойкости
4.1.1. Испытание плит по прочности и трещиностойкости следует проводить нагружением по ГОСТ 8829-77 с учетом требований настоящего стандарта.
4.1.2. Испытание плит нагружением проводят после достижения бетоном плит прочности, соответствующей классу бетона по прочности на сжатие.
Допускается использовать для испытаний плиты, имеющие раковины, местные наплывы и околы, размеры которых превышают допускаемые настоящим стандартом не более чем в два раза, и другие дефекты, не влияющие на прочность плит.
4.1.3. Схемы испытаний и загружения плит следует принимать по
черт. 4 и табл. 3, а значения контрольных нагрузок - по
табл. 4.
Таблица 3
мм
───────────────────┬──────────────────────────────────────────────
Длина плиты │ Расстояние (2а) между точками приложения
│ нагрузки для плит типов
├──────────────────────┬───────────────────────
│ 1П и 3П │ 2П
───────────────────┼──────────────────────┼───────────────────────
2070 │ 935 │ 795
│ │ ---
│ │ 835
│ │
1860 │ 830 │ 690
│ │ ---
│ │ 730
│ │
1730 │ 765 │ 625
│ │ ---
│ │ 665
│ │
1510 │ 655 │ 515
│ │ ---
│ │ 555
│ │
1390 │ 595 │ 455
│ │ ---
│ │ 495
│ │
740 │ 270 │ 130
│ │ ---
│ │ 170
Примечание. Для плит типа 2П в числителе указано расстояние при x = 140 мм, а в знаменателе - при x = 100 мм (где x - по
табл. 1).
СХЕМЫ ИСПЫТАНИЙ ПЛИТ
а) Для типов 1П и 3П
б) Для типа 2П
1 - испытуемая плита; 2 - деревянные брусья
сечением 10 х 10 см;
3 - нагрузка на всю ширину плиты
─────────────────────┬────────────────────────────────────────────
Марка плиты │Контрольная нагрузка (без учета собственного
│ веса), кН (кгс), при проверке плит
├──────────────────────┬─────────────────────
│ на прочность (P ) │ на трещиностойкость
│ разр │ (P )
│ │ конт
─────────────────────┼──────────────────────┼─────────────────────
1П14.15.12 │134,43 (13708) │81,69 (8330)
1П14.15.10 │89,65 (9142) │54,68 (5576)
─────────────────────┼──────────────────────┼─────────────────────
1П14.17.12 │120,62 (12300) │72,71 (7414)
1П14.17.10 │76,69 (7820) │45,70 (4660)
─────────────────────┼──────────────────────┼─────────────────────
1П14.19.12 │108,79 (11094) │65,12 (6640)
1П14.19.10 │69,78 (7116) │41,23 (4204)
─────────────────────┼──────────────────────┼─────────────────────
1П14.21.12 │101,50 (10350) │60,23 (6142)
1П14.21.10 │60,51 (6170) │35,15 (3584)
─────────────────────┼──────────────────────┼─────────────────────
1П7.14.12 │136,68 (13938) │83,28 (8492)
1П7.14.10 │99,65 (10162) │60,49 (6168)
─────────────────────┼──────────────────────┼─────────────────────
2П14.15.12 │173,42 (17684) │106,32 (10842)
2П14.15.10 │107,13 (10924) │65,15 (6644)
─────────────────────┼──────────────────────┼─────────────────────
2П14.17.12 │150,06 (15302) │91,44 (9324)
2П14.17.10 │89,55 (9132) │53,92 (5498)
─────────────────────┼──────────────────────┼─────────────────────
2П14.19.12 │133,31 (13594) │80,79 (8238)
2П14.19.10 │80,59 (8218) │48,13 (4908)
─────────────────────┼──────────────────────┼─────────────────────
2П14.21.12 │121,94 (12434) │73,80 (7526)
2П14.21.10 │68,92 (7028) │40,54 (4134)
─────────────────────┼──────────────────────┼─────────────────────
2П7.14.12 │183,95 (18758) │114,13 (11638)
2П7.14.10 │123,47 (12590) │76,39 (7790)
─────────────────────┼──────────────────────┼─────────────────────
3П7.7.8 │130,58 (13316) │81,24 (8284)
Примечания. 1. При испытании плит на трещиностойкость ширина раскрытия трещин не должна быть более 0,2 мм.
2. Контрольная нагрузка приведена без учета коэффициента надежности по назначению

.
Усилия, действующие на плиты, следует определять, применяя коэффициент надежности по назначению

в соответствии с
Правилами учета степени ответственности зданий и сооружений при проектировании конструкций.
4.2. Прочность бетона на сжатие следует определять по ГОСТ 10180-78 на серии образцов, изготовленных из бетонной смеси рабочего состава и хранившихся в условиях по ГОСТ 18105.1-80.
| | ИС МЕГАНОРМ: примечание. Взамен ГОСТ 17624-78 Постановлением Госстроя СССР от 26.12.1986 N 67 с 1 января 1988 года введен в действие ГОСТ 17624-87. | |
Допускается определять фактическую прочность бетона плит ультразвуковым методом по ГОСТ 17624-78 или приборами механического действия по ГОСТ 22690.0-77 - ГОСТ 22690.4-77, а также другими методами, предусмотренными действующими стандартами на методы испытаний бетона.
4.3. Морозостойкость бетона следует определять на серии образцов, изготовленных из бетонной смеси рабочего состава, по ГОСТ 10060-76. При этом бетонные образцы должны перед испытанием быть насыщены 5%-ным раствором хлористого натрия и в таком же растворе должны оттаивать после каждого цикла замораживания.
4.4. Водонепроницаемость бетона следует определять на серии образцов, изготовленных из бетонной смеси рабочего состава, по
ГОСТ 12730.0-78 и
ГОСТ 12730.5-78.
4.5. Водопоглощение бетона плит следует определять по
ГОСТ 12730.0-78 и
ГОСТ 12730.3-78 на серии образцов, изготовленных из бетонной смеси рабочего состава.
4.6. Методы контроля и испытаний сварных арматурных изделий следует принимать по
ГОСТ 10922-75.
4.7. Методы контроля и испытаний исходных сырьевых материалов, применяемых для изготовления плит, должны соответствовать установленным государственными стандартами или техническими условиями на эти материалы.
4.8. Размеры, непрямолинейность, неплоскостность, толщину защитного слоя, качество бетонных поверхностей и внешний вид плит следует проверять методами, установленными ГОСТ 13015-75.
4.9. Ширину раскрытия трещин следует измерять при помощи отсчетного микроскопа типа МПБ-2 с ценой деления шкалы 0,05 мм и набора щупов по ГОСТ 882-75.
5. МАРКИРОВКА, ХРАНЕНИЕ И ТРАНСПОРТИРОВАНИЕ
Маркировочные надписи и знаки следует наносить на боковой грани каждой плиты.
5.2. Требования к документу о качестве плит, поставляемых потребителю, - по
ГОСТ 13015.3-81. При этом, кроме основных фактических показателей качества, в документе должны быть приведены: марка бетона по морозостойкости; марка бетона по водонепроницаемости; водопоглощение бетона.
По требованию потребителя в документе о качестве следует указывать результаты контрольных испытаний плит по прочности и трещиностойкости.
5.3. Хранение и транспортирование плит должно производиться в рабочем (горизонтальном) положении.
5.4. Плиты следует хранить на складах грузоотправителей и грузополучателей в штабелях рассортированными по маркам и партиям.
Высота штабеля должна быть не более 1,5 м.
5.5. Нижний ряд плит в штабеле следует укладывать по плотному, тщательно выровненному основанию на подкладки, расположенные на расстоянии 0,25 длины плиты от каждого ее торца.
Толщина подкладок должна быть при грунтовом основании не менее 100 мм, при жестком основании - не менее 50 мм.
5.6. Плиты в штабеле и при транспортировании необходимо укладывать на поперечные прокладки толщиной не менее 25 мм, расположенные строго по вертикали одна над другой на расстоянии 0,25 длины плиты от каждого ее торца.
При этом следует обеспечивать возможность захвата каждой плиты краном и свободный подъем ее для погрузки на транспортные средства и монтажа.
5.7. Погрузка, транспортирование и разгрузка плит должны производиться с соблюдением мер, исключающих возможность повреждения плит и транспортных средств.
Не допускается:
разгрузка плит сбрасыванием;
захват плит за подъемные технологические петли при погрузке, разгрузке и монтаже.
5.8. Высота штабеля плит при транспортировании устанавливается в зависимости от грузоподъемности транспортных средств и допускаемых габаритов.
5.9. Плиты следует транспортировать автомобильным или железнодорожным транспортом в рабочем положении (лицевой поверхностью вверх) с надежным закреплением, предохраняющим плиты от смещения. Плиты при транспортировании не должны подвергаться ударам и толчкам.
5.10. Погрузку, крепление и транспортирование плит на открытом железнодорожном подвижном составе (полувагоны или платформы) следует осуществлять в соответствии с требованиями Правил перевозок грузов и Технических условий погрузки и крепления грузов, утвержденных Министерством путей сообщения.
5.11. При погрузке, транспортировании, разгрузке и хранении плит следует соблюдать требования главы
СНиП III-4-80.