Главная // Актуальные документы // ГОСТ (Государственный стандарт)СПРАВКА
Источник публикации
М.: Издательство стандартов, 1988
Примечание к документу
С 1 июля 2003 года до вступления в силу технических регламентов акты федеральных органов исполнительной власти в сфере технического регулирования носят рекомендательный характер и подлежат обязательному исполнению только в части, соответствующей целям, указанным в
пункте 1 статьи 46 Федерального закона от 27.12.2002 N 184-ФЗ.
Документ
введен в действие с 1 июля 1975 года.
Взамен ГОСТ 13969-68.
Название документа
"ГОСТ 13969-74. Государственный стандарт Союза ССР. Проходники ввертные для соединений трубопроводов по наружному конусу. Конструкция и размеры"
(введен в действие Постановлением Госстандарта СССР от 10.09.1974 N 2124)
"ГОСТ 13969-74. Государственный стандарт Союза ССР. Проходники ввертные для соединений трубопроводов по наружному конусу. Конструкция и размеры"
(введен в действие Постановлением Госстандарта СССР от 10.09.1974 N 2124)
Введен в действие
Постановлением Государственного
комитета стандартов
Совета Министров СССР
от 10 сентября 1974 г. N 2124
ГОСУДАРСТВЕННЫЙ СТАНДАРТ СОЮЗА ССР
ПРОХОДНИКИ ВВЕРТНЫЕ ДЛЯ СОЕДИНЕНИЙ ТРУБОПРОВОДОВ
ПО НАРУЖНОМУ КОНУСУ
КОНСТРУКЦИЯ И РАЗМЕРЫ
Screwed unions for tube connections on external cone.
Construction and dimensions
ГОСТ 13969-74
Взамен
ГОСТ 13969-68
Постановлением Государственного комитета стандартов Совета Министров СССР от 10 сентября 1974 г. N 2124 срок введения установлен
с 1 июля 1975 года
Проверен в 1985 г.
Переиздание. Январь 1988 г.
Несоблюдение стандарта преследуется по закону
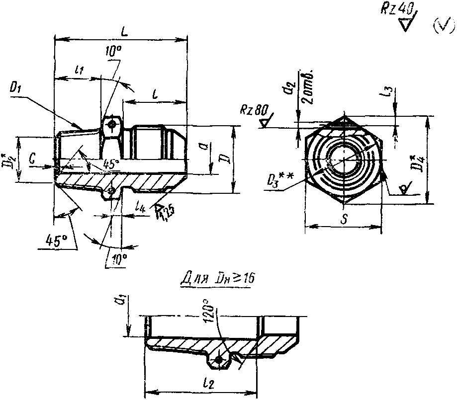
1. Конструкция и размеры ввертных проходников должны соответствовать указанным на чертеже и в
таблице.
--------------------------------
<*> Размер для справок.
<**>
D3
S.
Размеры в мм
| Применяемость | d | d1 | d2 | D | D1 | D2 | D4 | l | l1 |
Пред. откл. +0,12 -0,06 | Пред. откл. +/- 0,3 | Номин. | Пред. откл. |
3 | | 1,7 | - | 1,5 | М8 x 1 | К 1/16" | 6,135 | 11,5 | 13 | 9,5 | +/- 0,25 |
4 | | 2,7 | М10 x 1 | 13,8 | 14 |
6 | | 3,7 | М12 x 1 | К 1/8" | 8,480 | 16,2 | 15 |
8 | | 5,5 | М14 x 1 | 19,6 |
10 | | 7,5 | М16 x 1 | К 1/4" | 10,997 | 16 | 14,5 | +/- 0,3 |
12 | | 9,5 | М20 x 1,5 | К 3/8" | 14,416 | 25,4 | 20 |
14 | | 11,5 | М22 x 1,5 | 27,7 |
16 | | 13,5 | 14 | М24 x 1,5 | К 1/2" | 17,813 | 31,2 | 21 | 19,0 |
18 | | 15,5 | 19 | М27 x 1,5 | К 3/4" | 23,128 | 34,6 |
20 | | 17,0 | 20 | М30 x 1,5 | 36,9 | 22 |
22 | | 19,0 | М33 x 2 | 41,6 | 26 |
25 | | 22,0 | 25 | К 1" | 29,059 | 24,0 |
28 | | 25,0 | 30 | 2,0 | М39 x 2 | К1 1/4" | 37,784 | 53,1 | 27 | 24,5 |
30 | | 27,0 |
32 | | 28,0 | 32 | М42 x 2 |
34 | | 30,0 | М45 x 2 | 28 |
36 | | 32,0 | М48 x 2 | 57,7 | 29 |
38 | | 34,0 | 38 | К1 1/2" | 43,853 | 25,0 |
Продолжение
Размеры в мм
Наружный диаметр труб Dн | l2 | l3 | l4 | L | S | c | Масса 100 шт., кг |
Пред. откл. | Номин. | Пред. откл. | Номин. | Пред. откл. | Алюминиевый сплав | Сталь | Бронза |
+1,0 -0,5 | +/- 0,2 |
3 | - | 2,0 | 2,5 | +/- 0,2 | 27,5 | 10 | 0,4 | +/- 0,3 | - | - | 0,82 |
4 | 28,5 | 12 | - | 1,16 | 1,12 |
6 | 3,0 | 30,5 | 14 | 0,70 | 1,99 | 1,91 |
8 | 17 | 0,87 | 2,47 | 2,38 |
10 | 36,5 | 1,44 | 4,08 | 3,93 |
12 | 40,5 | 22 | 2,07 | 5,88 | 5,65 |
14 | 24 | 2,17 | 6,17 | 5,92 |
16 | 34 | 3,5 | +/- 0,25 | 47,0 | 27 | 3,06 | 8,68 | 8,36 |
18 | 30 | 3,32 | 9,43 | 9,06 |
20 | 36 | 4,0 | 49,0 | 32 | 4,29 | 12,18 | 11,70 |
22 | 53,0 | 36 | 4,70 | 13,35 | - |
25 | 42 | 58,0 | 1,0 | +/- 0,5 | 6,17 | 17,50 |
28 | 59,5 | 46 | 1,6 | 7,31 | 20,75 |
30 | 7,28 | 20,65 |
32 | 60,5 | 8,71 | 24,70 |
34 | 11,19 | 31,80 |
36 | 61,5 | 50 | 11,04 | 31,30 |
38 | 50 | 62,0 | 9,85 | 27,90 |
Пример условного обозначения ввертного проходника к трубопроводу Dн = 12 мм из алюминиевого сплава:
Проходник ввертной 12-31А ГОСТ 13969-74
То же, из стали марки 45:
Проходник ввертной 12-22А ГОСТ 13969-74
То же, из стали марки 12Х18Н9Т:
Проходник ввертной 12-13А ГОСТ 13969-74
То же, из стали марки 13Х11Н2В2МФ:
Проходник ввертной 12-11А ГОСТ 13969-74
То же, из бронзы:
Проходник ввертной 12-41А ГОСТ 13969-74
То же, для изделий общего применения:
Проходник ввертной 12-31 ГОСТ 13969-74
Проходник ввертной 12-22 ГОСТ 13969-74
Проходник ввертной 12-13 ГОСТ 13969-74
Проходник ввертной 12-11 ГОСТ 13969-74
Проходник ввертной 12-41 ГОСТ 13969-74