Главная // Актуальные документы // ГОСТ (Государственный стандарт)СПРАВКА
Источник публикации
М.: Издательство стандартов, 1985
Примечание к документу
Документ включен в
Перечень национальных стандартов, содержащих правила и методы исследований (испытаний) и измерений, в том числе правила отбора образцов, необходимые для применения и исполнения технического
регламента о безопасности объектов внутреннего водного транспорта и осуществления оценки соответствия (
Распоряжение Правительства РФ от 29.06.2011 N 1100-р).
С 01.07.2003 до вступления в силу технических регламентов акты федеральных органов исполнительной власти в сфере технического регулирования носят рекомендательный характер и подлежат обязательному исполнению только в части, соответствующей целям, указанным в
п. 1 ст. 46 Федерального закона от 27.12.2002 N 184-ФЗ.
Ограничение срока действия снято Протоколом Межгосударственного Совета по стандартизации, метрологии и сертификации от 17.05.1994 N 5-94 ("ИУС", N 11 - 12, 1994).
Документ
введен в действие с 01.01.1986.
Название документа
"ГОСТ 25.506-85. Государственный стандарт Союза ССР. Расчеты и испытания на прочность. Методы механических испытаний металлов. Определение характеристик трещиностойкости (вязкости разрушения) при статическом нагружении"
(утв. и введен в действие Постановлением Госстандарта СССР от 27.03.1985 N 902)
"ГОСТ 25.506-85. Государственный стандарт Союза ССР. Расчеты и испытания на прочность. Методы механических испытаний металлов. Определение характеристик трещиностойкости (вязкости разрушения) при статическом нагружении"
(утв. и введен в действие Постановлением Госстандарта СССР от 27.03.1985 N 902)
Утвержден и введен в действие
Постановлением Государственного
комитета СССР по стандартам
от 27 марта 1985 г. N 902
ГОСУДАРСТВЕННЫЙ СТАНДАРТ СОЮЗА ССР
РАСЧЕТЫ И ИСПЫТАНИЯ НА ПРОЧНОСТЬ
МЕТОДЫ МЕХАНИЧЕСКИХ ИСПЫТАНИЙ МЕТАЛЛОВ.
ОПРЕДЕЛЕНИЕ ХАРАКТЕРИСТИК ТРЕЩИНОСТОЙКОСТИ
(ВЯЗКОСТИ РАЗРУШЕНИЯ) ПРИ СТАТИЧЕСКОМ НАГРУЖЕНИИ
Design, calculation and strength testing.
Methods of mechanical testing of metals.
Determination of fracture toughness characteristics
under the static loading
ГОСТ 25.506-85
Срок введения в действие
с 1 января 1986 года
до 1 января 1991 года
Разработан Академией наук СССР, Государственным комитетом СССР по стандартам, Академией наук УССР, Министерством путей сообщения, Министерством авиационной промышленности, Государственным комитетом СССР по делам строительства, Министерством энергетического машиностроения, Министерством черной металлургии, Министерством строительства предприятий тяжелой индустрии, Министерством высшего и среднего специального образования СССР, Министерством высшего и среднего специального образования РСФСР.
Исполнители: Н.А. Махутов, д-р техн. наук; В.В. Панасюк, акад. АН УССР; Е.М. Морозов, д-р техн. наук; В.С. Иванова, д-р техн. наук; П.Ф. Кошелев, канд. техн. наук; Е.И. Тавер, канд. техн. наук; А.М. Соковиков, канд. техн. наук; О.В. Букатин, канд. техн. наук; Л.К. Бозрова, канд. техн. наук; С.Я. Ярема, канд. техн. наук; С.Е. Ковчик, канд. техн. наук; М.Э. Чапля, канд. техн. наук; В.М. Маркочев, канд. техн. наук; М.Н. Георгиев, канд. техн. наук; Б.А. Дроздовский, канд. техн. наук; А.Я. Красовский, д-р физ.-мат. наук; В.П. Науменко, канд. техн. наук; Н.В. Новиков, чл.-корр. АН УССР; А.Л. Майстренко, канд. техн. наук; А.Г. Козлов, канд. техн. наук; П.Д. Одесский, канд. техн. наук; В.В. Москвичев, канд. техн. наук; А.Н. Васютин, канд. техн. наук; А.А. Попов, канд. техн. наук; А.Е. Андрейкив, д-р техн. наук; В.В. Аниковский, канд. техн. наук; Е.М. Баско, канд. техн. наук; Г.С. Васильченко, д-р. техн. наук; О.Н. Винклер, канд. техн. наук; В.А. Волков, д-р техн. наук; В.С. Гиренко, канд. техн. наук; Я.А. Гохберг, канд. техн. наук; С.Е. Гуревич, канд. техн. наук; В.А. Зазуляк, канд. техн. наук; Г.П. Карзов, д-р техн. наук; И.И. Кокшаров; В.Г. Кудряшов, канд. техн. наук; Б.М. Овсянников, канд. техн. наук; М.В. Пирусский, канд. техн. наук; В.А. Раковский, канд. техн. наук; В.А. Ратов, канд. техн. наук; Е.Ю. Ривкин, канд. техн. наук; М.Н. Степнов, д-р техн. наук.
Внесен Академией наук СССР.
Вице-президент АН СССР акад. Е.П. Велихов.
Утвержден и введен в действие Постановлением Государственного комитета СССР по стандартам от 27 марта 1985 г. N 902.
Настоящий стандарт устанавливает методы механических испытаний для определения характеристик трещиностойкости металлов при статическом кратковременном нагружении на образцах толщиной не менее 1 мм при температуре от минус 269 до плюс 600 °С.
1.1. Обозначения и единицы измерения величин, применяемые в настоящем стандарте, указаны в обязательном
Приложении 1.
Примечание. Пояснения к обозначениям приведены в справочном
Приложении 2.
1.2. Для определения характеристик трещиностойкости испытывают с записью диаграмм "нагрузка-смещение" (

) или "нагрузка-прогиб" ("P-f") образцы с предварительно нанесенной усталостной трещиной.
1.3. По результатам испытаний определяют следующие основные характеристики трещиностойкости:
силовые - критические коэффициенты интенсивности напряжений K (или

):

,

,

,

;
деформационная - раскрытие в вершине трещины

;
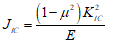
энергетические - критические значения J-интеграла

или

.
1.4. Трещиностойкость металлов оценивают по одной или нескольким силовым, деформационным и энергетическим величинам

,

,

,

,

,

(

).
При выполнении условий корректности определения характеристик трещиностойкости (
п. 5.1.3.2;
5.1.5.1 и
5.1.6) основной является величина

.
В случае невыполнения условий корректности величин

,

,

трещиностойкость металлов оценивают по величинам

,

,

(

).
Примечания. 1. Для определения трещиностойкости металлов в широком диапазоне длин трещин допускается использовать предел трещиностойкости

(рекомендуемое
Приложение 3).
2. Методы построения температурных зависимостей характеристик трещиностойкости и определение критических температур для малоуглеродистых и низколегированных сталей описаны в рекомендуемом
Приложении 4.
1.5. Определяемые по настоящему стандарту характеристики трещиностойкости (наряду с другими характеристиками механических свойств) могут быть использованы для:
сравнения различных вариантов химического состава, технологических процессов изготовления, обработки и контроля качества металлов и сплавов;
сопоставления материалов при обосновании их выбора для машин и конструкций;
расчетов на прочность несущих элементов конструкций с учетом их дефектности, геометрических форм и условий эксплуатации;
анализа причин аварий и разрушений конструкций.
1.6. Для металлов, предназначенных для использования в машинах и конструкциях с заданными условиями эксплуатации, могут быть применены методы испытаний, типы образцов и характеристики трещиностойкости металла в соответствии с отраслевыми нормативно-техническими документами.
2. ОБРАЗЦЫ И ИХ ИЗГОТОВЛЕНИЕ
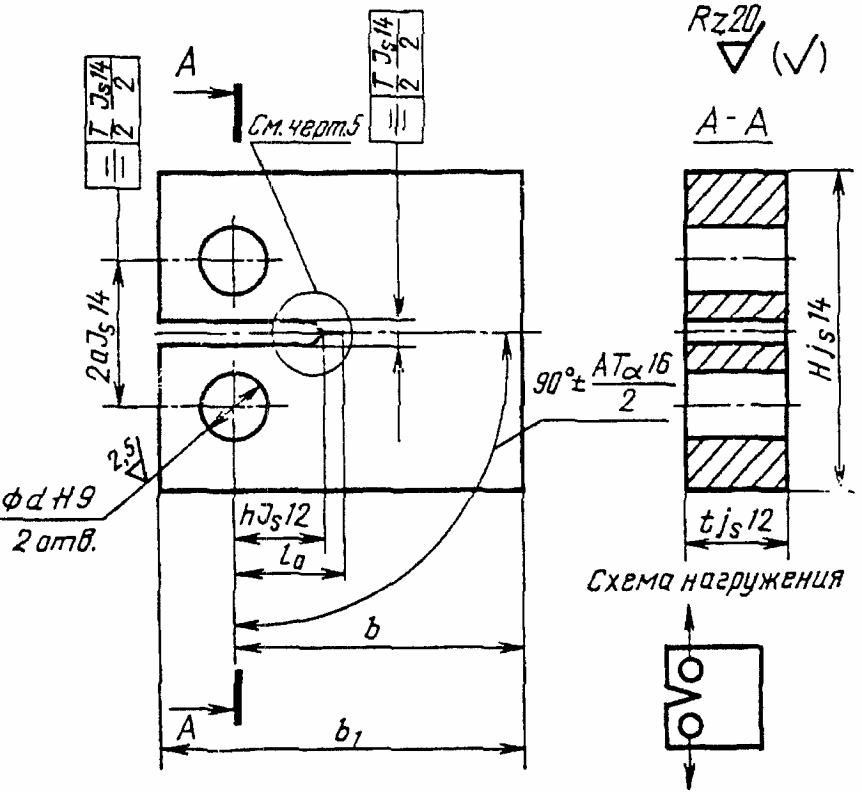
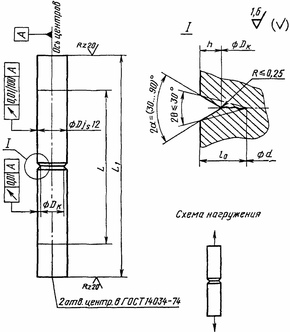
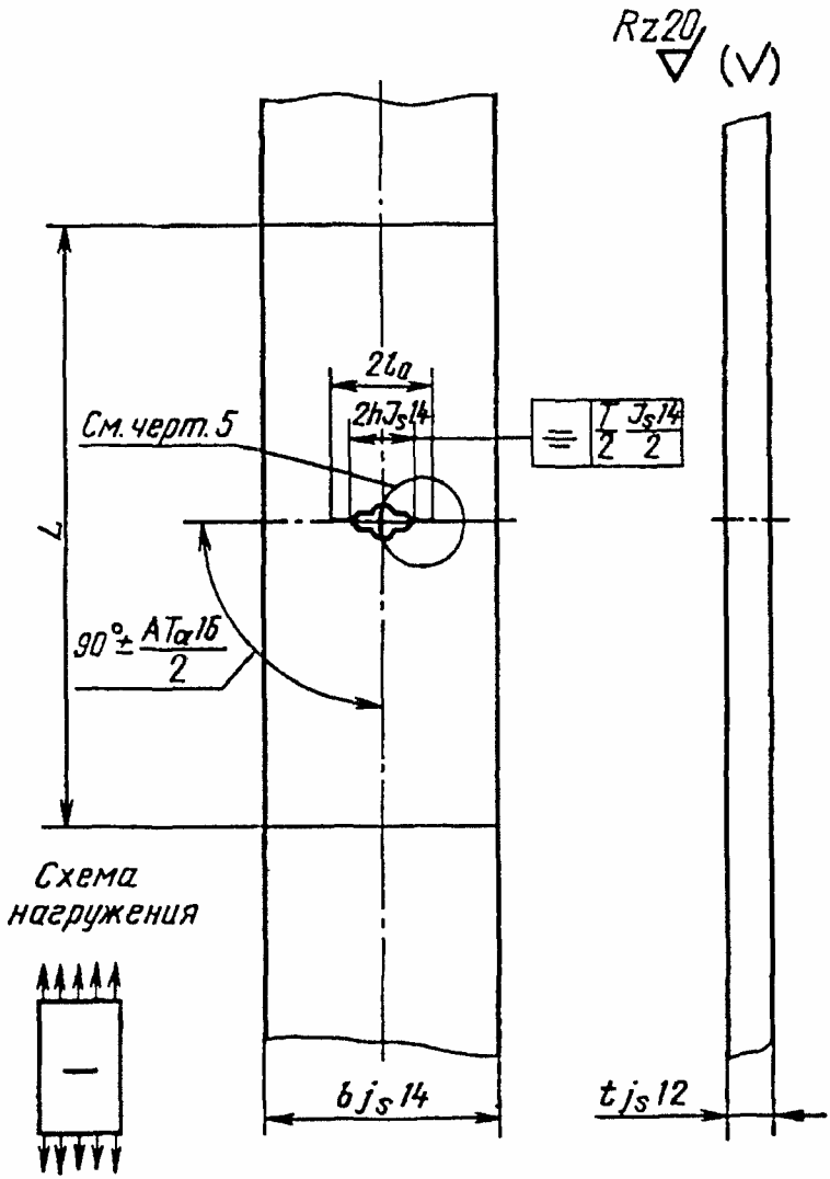
2.1. Для определения характеристик трещиностойкости применяют следующие образцы: тип 1 - плоский прямоугольный с центральной трещиной для испытаний на осевое растяжение (черт. 1); тип 2 - цилиндрический с кольцевой трещиной для испытаний на осевое растяжение (
черт. 2); тип 3 - прямоугольный компактный образец с краевой трещиной для испытаний на внецентренное растяжение (
черт. 3); тип 4 - плоский прямоугольный образец с краевой трещиной для испытаний на трехточечный изгиб (
черт. 4).
Тип 1
L - расстояние между частями образца,
служащими для крепления в захватах;
b >= 8t; 2h

(0,25 - 0,35)b;
L >= 2b; 2l

(0,3 - 0,5)h
Тип 2
L - расстояние между частями образца,
служащими для крепления в захватах;

и

Тип 3
Тип 4
L - расстояние между опорами
2.2. Соотношение размеров и схемы нагружения образцов показаны на
черт. 1 -
4. При этом рекомендуются следующие размеры образцов:
тип 1 ширина b не менее 50 мм;
тип 2 диаметр D не менее 12 мм;
тип 3 толщина t не менее 20 мм;
тип 4 толщина t не менее 10 мм.
В образцах типов 1 и 2 форму и размеры частей, служащих для крепления и нагружения, определяют после выбора конструкции захватов. Размер h назначают в зависимости от способа изготовления надреза и крепления образца так, чтобы он не разрушился в захватах.
Примечания. 1. Для образцов типов 1, 3, 4 шероховатость их боковой поверхности вблизи вершины надреза и исходной усталостной трещины должна соответствовать 8-му классу.
2. Рекомендации по выбору образцов приведены в рекомендуемом
Приложении 5.
2.3. Инициирующий надрез в образце типа 2 показан на
черт. 2, а в остальных - на
черт. 5. Ориентация надреза в случае анизотропии механических свойств должна быть одинаковой для всех образцов при данных испытаниях.
Для образцов типа 1 применяют надрезы вариантов 1а, 2а, 3 (черт. 5), для образцов типов 3 и 4 - вариантов 1б и 2б.
Надрез изготовляют с помощью специальных фрез (см. черт. 5, варианты 1а и 2б) или шлифовального круга (вариант 2б), пропиливанием от центрального отверстия (вариант 2а) или электроискровым способом (вариант 3). В отдельных случаях допускается комбинировать различные способы. Инициирующий надрез для образца типа 2 изготовляют на токарном станке с последующей шлифовкой.
Примечание. Для уменьшения нагрузки и времени, необходимых для зарождения трещин, можно применять лазерную, электронно-лучевую и другие обработки вершины надреза при условии, что область нарушенного состояния исходного материала у вершины надреза будет меньше длины создаваемой исходной усталостной трещины.
2.4. При вырезке и изготовлении образцов необходимо обеспечить минимальные наклеп, остаточные напряжения, а также изменения структуры и фазового состава в зоне разрушения образца. Окончательную механическую обработку образцов и нанесение исходной усталостной трещины проводят после термической обработки образцов.
2.5. Усталостную трещину наносят таким образом, чтобы контур надреза находился между прямыми, пересекающимися под углом

20 - 30° в вершине трещины (
черт. 5), а разность (

) была не меньше 1,5 мм.
2.6. Усталостные трещины в плоских образцах типов 1, 3 и 4 (
черт. 1,
3,
4) наносят при переменном растяжении с коэффициентом асимметрии цикла R = 0,1 - 0,2, а в образцах типа 2 - при круговом изгибе (R = -1). При этом регистрируют минимальные и максимальные усилия цикла и число циклов. Номинальные напряжения

при максимальном усилии цикла (должны быть не больше 0,5

(

определяют при температуре, при которой наносят усталостные трещины), а рекомендуемое число циклов нагружения при нанесении усталостной трещины - не меньше

.
Примечания. 1. В образцах типа 4 допускается нанесение усталостных трещин при знакопеременном консольном изгибе с соблюдением требований настоящего пункта.
2. При нанесении усталостной трещины на образцах, предназначенных для испытаний с целью определения

,

,

и

, максимальный коэффициент интенсивности напряжений цикла

, рассчитанный для надреза как для трещины длиной h, не должен превышать 0,75

, где

- предполагаемое значение

, а на конечном участке трещины длиной не менее 1,5 мм - не превосходить 0,6

. Если трещину наносят при температуре

, а испытывают образец при температуре

, то

не должен превышать 0,6

.

, где величины с индексом (1) относятся к температуре

, а с индексом (2) - к

(см. рекомендуемое
Приложение 6).
2.7. Отклонение длины нанесенной усталостной трещины на каждой из боковых поверхностей плоских образцов от заданной длины не должно превышать 2% от

при

мм и 0,5 мм при

мм.
Угол отклонения плоскости усталостной трещины от плоскости надреза на всех образцах не должен превышать 10°.
2.8. Рекомендации по конструкциям приспособлений для крепления и нагружения образцов при нанесении усталостных трещин даны в рекомендуемом
Приложении 6.
3. ИСПЫТАТЕЛЬНОЕ ОБОРУДОВАНИЕ
| | ИС МЕГАНОРМ: примечание. Взамен ГОСТ 7855-84 Постановлением Госстандарта СССР от 29.12.1990 N 3530 с 1 января 1993 года введен в действие ГОСТ 28840-90. | |
3.1. Для определения характеристик трещиностойкости используют машины с механическим, гидравлическим или электрогидравлическим приводом, метрологические параметры которых соответствуют ГОСТ 7855-84.
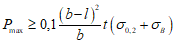
3.2. Необходимое максимальное усилие испытательной машины рассчитывают по формулам:
для образцов типа 1
для образцов типа 2
для образцов типа 3
для образцов типа 4

.
3.3. Для измерения смещений

или прогибов f применяют двухконсольные датчики тензорезисторного типа. Захватные части датчиков, способы их установки на образцах и размеры элементов датчиков в зоне их крепления приведены на черт. 6. Расчет остальных размеров датчиков и схема соединения тензорезисторов для обеспечения термокомпенсации приведены в рекомендуемом
Приложении 7.
1 - образец; 2 - накладные опорные призмы;
3 - датчик смещения; 4 - плоскость надреза;
5 - призматические выступы
Разность показаний прямого и обратного хода и нелинейность в диапазоне рабочего хода датчика и погрешность измерения датчика не должны превышать 2% от рабочего диапазона датчика. Тарировку датчика проводят с погрешностью не более +/- 0,01 мм.
3.3.1. Установку датчиков смещения на образцах типов 1 - 4 проводят с помощью накладных опорных призм (черт. 6а).
На образцах типов 3 и 4 допускается установка датчиков на призматических выступах, изготовленных на торцах образцов (
черт. 6б).
3.3.1.1. Оси отверстий для установки накладных опорных призм или призматические выступы должны располагаться на одинаковом расстоянии от плоскости надреза, с погрешностью не более +/- 0,2 мм.
3.3.1.2. Расстояние между осями отверстий Z (
черт. 6) для крепления накладных опорных призм должно быть для образцов:
типа 1 - не более 2l;
типа 2 - не более (D-d);
типов 3 и 4 - не более 2l.
Примечание. На образцах типа 2 допускается изготовление лысок глубиной не более 0,15 (D-d).
3.3.1.3. Расстояние между кромками призматических выступов на образцах типов 3 и 4 должно быть не более 2l.
3.3.2. Двухконсольный датчик прогиба f для образцов типа 4 устанавливается на опорных призмах, одна из которых жестко закреплена на нагружающем ноже, а другая на траверсе испытательной машины.
3.4. Датчики смещений

или прогибов f, а также устройства для записи диаграмм

и "P-f" должны обеспечивать:
тангенс угла наклона линейного участка диаграмм

и "P-f" к оси

или f в пределах 1 - 3;
масштаб диаграммы по оси

и f не менее 25:1.
Примечание. При испытаниях по определению

масштаб по оси

увеличивают не менее, чем в два раза по сравнению с приведенными выше.
3.5. Температуру образца измеряют термоэлектрическими датчиками (термопарами), приваренными к образцу вблизи вершины исходной усталостной трещины.
Примечание. Допускаются иные способы крепления термопар, при условии обеспечения надежного контакта спая термопары с поверхностью образца. Температуру образца измеряют приборами класса точности не ниже 0,5.
3.6. Приспособления для крепления и нагружения образцов (см. рекомендуемое
Приложение 6) должны обеспечивать реализацию заданной схемы нагружения, в частности, точную центровку образца и исключить его разрушение в захватах.
При испытании образцов типа 4 номинальные диаметры опорных роликов и центрального нагружающего ножа должны быть равными b/3.
4. ПОДГОТОВКА И ПРОВЕДЕНИЕ ИСПЫТАНИЙ
| | ИС МЕГАНОРМ: примечание. ГОСТ 24555-81 утратил силу на территории Российской Федерации с 1 июля 1998 года. Действует ГОСТ Р 8.568-97, утв. Постановлением Госстандарта РФ от 10.11.1997 N 364 (ИУС "Государственные стандарты", N 2, 1998). | |
4.1. Испытательные машины должны быть аттестованы в соответствии с ГОСТ 24555-81, при этом должны быть выполнены требования
разд. 3.
4.2. Размеры образцов

, b, D и t, а также толщина накладных опорных призм z перед испытаниями измеряют с погрешностью не выше 0,1 мм.
4.3. Скорости нагружения образцов устанавливают по скорости перемещения подвижного захвата в пределах от 0,02 до 0,2 мм/с.
При испытаниях на определение

,

,

и

скорость нагружения должна соответствовать скорости роста коэффициента интенсивности напряжений в пределах (0,5 - 1,5) МПа·м
1/2/с на линейном участке диаграмм

или "P-f".
Примечание. При наличии в НТД на металлопродукцию особых указаний допускается проведение испытаний при других скоростях нагружения. В этих случаях скорость нагружения должна быть указана в протоколе испытаний.
4.4. При проведении испытаний при температурах, отличающихся от комнатной, должны соблюдаться требования к испытаниям, установленным
ГОСТ 22706-77,
ГОСТ 11150-84,
ГОСТ 9651-84. В процессе испытания контролируют температуру образца. Погрешность соблюдения заданной температуры образца в сечении с трещиной не должна превышать +/- 2 °С при температурах от минус 269 до 20 °С и +/- 5 °С при температурах от 20 до 600 °С.
Примечание. Температурный диапазон испытаний на трещиностойкость не должен включать температуры, при которых происходят структурные превращения и возникают деформации ползучести.
4.5. При определении характеристик

,

,

и

испытания образцов и типов 1 - 4 проводят до разрушения с регистрацией диаграмм

.
Характерные типы диаграмм

(или "P-f") приведены на черт. 7.
Диаграмма I типа характеризуется расположением вершины (точка C) левее прямой OB, наклоненной к оси

(или f) под углом

, тангенс которого на 5% меньше тангенса угла

наклона касательной OA к начальному линейному участку диаграммы. Разрушение образца происходит в точке C диаграммы.
Диаграмма II типа характеризуется наличием локального максимума нагрузки (точка D), находящегося левее прямой OB. Разрушение образца происходит в точке С диаграммы, расположенной левее прямой OG, наклоненной к оси

(или f) под углом

, тангенс которого на 30% меньше, чем тангенс угла наклона касательной OA (угла

).
Диаграмма III типа характеризуется наличием максимума нагрузки (точка C), соответствующей разрушению образца, лежащей левее прямой OG.
Диаграмма IV типа представляет собой кривую с максимальной нагрузкой в точке C. Разрушение образца происходит в точке F диаграммы, расположенной правее точки C.
Примечание. Прямую OB удобно строить следующим образом: из точки A опускают перпендикуляр AE на ось

(или f) и откладывают отрезок AB = 0,05 AE. Через точку O и B проводят прямую OB. Построение прямой OG проводят таким же образом, но величина AG должна быть равна 0,3 AE.
4.5.1. После разрушения образцов вычисляют, с округлением до 0,1 мм, длину исходной усталостной трещины l для плоских образцов типов 1, 3 и 4 или для образцов типа 2 диаметра образца d.
4.5.1.1. Длину l в плоских образцах типов 1, 3 и 4 вычисляют с округлением 0,1 мм как среднее арифметическое измерение (с погрешностью не более 0,1 мм) не менее чем в 3 точках на контуре усталостной трещины, расположенных через равные промежутки по толщине образца, исключая боковые поверхности (черт. 8а).
Схемы изломов
а - плоских образцов типов 1, 3 и 4; б - цилиндрического
образца типа 2; 1 - граница надреза; 2 - контур усталостной
трещины; 3 - статический долом
Если какие-либо два из указанных результатов измерений отличаются более, чем на 10%, образец отбраковывают.
4.5.1.2. Если в образце типа 1 значение средней длины усталостной трещины справа и слева от центра образца отличается более чем на 10%, образец отбраковывается.
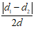
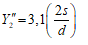
4.5.1.3. В образце типа 2 измеряют расстояние s между центрами поперечного сечения и статического долома образца, а также диаметры контура усталостной трещины в двух взаимно перпендикулярных направлениях

,

и вычисляют их среднее значение d (
черт. 8б). Если величина 2s/d и (или) значение

превышает 0,08, образец отбраковывают.
4.5.2. Все измеренные и вычисленные величины заносят в протокол испытания (рекомендуемое
Приложение 8).
4.6. Значения раскрытия трещины

определяют при испытании образцов типов 1 - 4 до разрушения с записью диаграмм

.
4.6.1. Замеры и вычисление длины исходной усталостной трещины l в образцах типов 1, 3 и 4 и размеров s и d в образцах типа 2 проводят в соответствии с
п. 4.5.1.
4.6.2. Все полученные при испытании величины (

, l или

, d) совместно с диаграммами

заносят в протокол испытания.
4.7. Критические значения J-интеграла

(

) определяют на образцах типов 3 и 4 с записью диаграмм

для образцов типа 3 и "P-f" для образцов типа 4.
4.7.1. Первый образец доводят до разрушения. По полученной при испытании диаграмме

или "P-f" анализируют, к какому характерному типу диаграмм она относится (см.
п. 4.5).
4.7.2. В случае получения при испытании диаграммы I типа (
черт. 7) по излому образца проводят вычисление длины исходной усталостной трещины l в соответствии с
п. 4.5.1.1.
Получение этого типа диаграмм проверяют на не менее трех одинаковых образцах в одинаковых условиях испытаний. Полученные значения

, l для каждого образца совместно с диаграммами

или "P-f" заносят в протокол испытания (рекомендуемое
Приложение 8).
4.7.3. Если при испытании первого образца по
п. 4.7.1 была получена диаграмма

или "P-f" II, III или IV типа, необходимо проведение дополнительных испытаний на одинаковых образцах в одних условиях испытаний.
4.7.4. Следующий образец статически нагружают до заранее выбранного смещения

или прогиба f, составляющего не менее 0,9

или 0,9

для диаграмм III и IV типов и 0,9

или 0,9

для диаграмм II типа (черт. 9). При этом значения

,

,

и

назначают по диаграммам, полученным при испытании по
п. 4.7.1. Затем образец разгружают, фиксируют контур статически подросшей трещины и доламывают.
Примечание. Способы фиксации контура статического подроста трещины указаны в рекомендуемом
Приложении 9.
Схемы нагружения и разгрузки образцов при испытании по
п. 4.7.4
а - диаграмма II типа; б - диаграмма III типа;
в - диаграмма IV типа
Примечания. 1. Пунктиром показаны диаграммы, полученные при испытании первого образца по
п. 4.7.1.
2.

- точка разгрузки образцов.
Черт. 9
4.7.5. Длину исходной усталостной трещины l вычисляют в соответствии с
п. 4.5.1.1.
4.7.6. Статический подрост трещины

вычисляют с округлением до 0,1 мм как среднее арифметическое измерение не менее, чем в 5 точках на контуре статически подросшей трещины, расположенных через равные промежутки по толщине образца, исключая боковые поверхности (черт. 10). Каждое измерение следует проводить с погрешностью не более 0,1 мм.
Схема измерения излома плоского образца
со статическим подростом трещины
1 - граница надреза; 2 - контур усталостной трещины;
3 - площадь статически подросшей трещины;
4 - контур статически подросшей
трещины; 5 - статический долом
4.7.7. В случае, когда статический подрост трещины

образца, испытанного по
п. 4.7.4, оказался меньше 0,3 мм для образцов толщиной t не более 30 мм или 0,01·t для образцов толщиной свыше 30 мм, то величины l и

, полученные по
пп. 4.7.5 и
4.7.6, совместно с диаграммами

, или "P-f" заносят в протокол испытания.
4.7.8. В случае, когда статический подрост трещины

образца, испытанного по
п. 4.7.4, оказался больше 0,3 мм для образцов толщиной t не более 30 мм и 0,01·t для образцов свыше 30 мм, то необходимо испытать дополнительно не менее четырех одинаковых образцов в одних условиях испытания. При этом, длины исходных усталостных трещин

, измеренных на боковых поверхностях образцов, должны отличаться не более, чем на 10%.
4.7.8.1. Каждый образец нагружают до заранее выбранного смещения

или прогиба

меньших 0,9

или 0,9

для диаграмм III и IV типов и 0,9

или 0,9

для диаграмм II типа. При этом значения

,

,

или

назначают по диаграммам, полученным при испытании по
п. 4.7.1. Затем образец разгружают, фиксируют статический подрост трещины и доламывают.
Примечания. 1. Схемы нагружения и разгрузки образцов приведены на
черт. 11.
2. Способы фиксации контура статического подроста трещины приведены в рекомендуемом
Приложении 9.
Схемы нагружения и разгрузки образцов
а - диаграмма II типа; б - диаграмма III типа;
в - диаграмма IV типа
Примечания. 1. Пунктиром показаны диаграммы, полученные при испытании первого образца по
п. 4.7.1.
2.

- точка разгрузки образцов.
4.7.8.2. Длину исходной усталостной трещины l вычисляют по
п. 4.5.1.1.
4.7.8.3. Статический подрост трещины

вычисляют в соответствии с
п. 4.7.6.
4.7.8.4. Полученные значения

для каждого образца совместно с диаграммами

или "P-f" заносят в протокол испытания.
4.7.9. В случае, когда при испытании по
п. 4.7.4 образец разрушился до достижении выбранного значения

или f и диаграмма

или "P-f" получилась IV типа, необходимо дополнительно испытать не менее пяти одинаковых образцов в одних условиях испытания. При этом длины исходных усталостных трещин, измеренных на боковых поверхностях образцов, не должны отличаться более, чем на 10%.
4.7.9.1. Каждый образец нагружают до заранее выбранного значения

или

. Затем образец разгружают, фиксируют статический подрост трещины и доламывают.
Примечания. 1. Рекомендуется первый образец нагружать до начала спада нагрузки на диаграммах

или "P-f". Каждый из последующих образцов нагружают последовательно до меньшей величины смещения

или прогиба

, как показано на черт. 12, и затем образец разгружают.
2. Способы фиксации статического подроста трещины указаны в
Приложении 9.
Схема нагружения и разгрузки образцов при испытании

- точка разгрузки образца
Черт. 12
4.7.9.2. Длину исходной усталостной трещины l вычисляют по
п. 4.5.1.1.
4.7.9.3. Статический подрост трещины

вычисляют по
п. 4.7.6.
4.7.9.4. Полученные значения

для каждого образца, совместно с диаграммами

или "P-f" заносят в протокол испытания.
4.7.10. В случае, когда при испытании по
п. 4.7.4 образец разрушился до достижения выбранного значения

или f и диаграмма

или "P-f" получилась II или III типа, проводят вычисление длины исходной усталостной трещины l по
п. 4.5.1.1.
4.7.10.1. Полученные значения

совместно с диаграммами

или "P-f" заносят в протокол испытания.
4.8. Толщину

в зоне максимального сужения разрушенных плоских образцов типов 1, 3 и 4 (
черт. 8а) определяют как среднее арифметическое двух измеренных значений толщины у вершины трещины на обеих половинках разрушенного образца. На образцах типа 1 также измерения проводят у двух вершин трещины.
4.9. Все измеренные и вычисленные при испытании величины и машинные диаграммы

или "P-f" заносят в протокол испытания (рекомендуемое
Приложение 8).
4.10. Требования по технике безопасности при проведении испытаний - по
ГОСТ 12.2.003-74 (СТ СЭВ 1085-78).
5. ОБРАБОТКА РЕЗУЛЬТАТОВ ИСПЫТАНИЙ
5.1. Вычисление критических коэффициентов интенсивности напряжений

,

,

и

.
5.1.1. По диаграммам

определяют нагрузки

,

и

. Характерные типы диаграммы

показаны на
черт. 7.
Для диаграммы I типа принимают

=

,
для диаграммы II типа -

=

.
По диаграммам III и IV типов нагрузки

определяют в точке пересечения диаграммы с прямой OB.
5.1.2. По значениям

вычисляют величины

по формулам для коэффициентов интенсивности K (

)

,
где
при 0,3b <= 2l <= 0,5b для образца типа 1;

,
где

;

,
при 0,6D <= d <= 0,7D и 2s < 0,08d для образца типа 2;

,
где
при 0,45b <= l <= 0,55b для образца типа 3
и

,
где
при 0,45b <= l <= 0,55b для образца типа 4.
Значения функций

и

приведены в табл. 1 -
3.
Таблица 1
Значения поправочной функции

для образцов типа 1
| Y1 | | Y1 | | Y1 | | Y1 |
0,300 | 0,727 | 0,350 | 0,800 | 0,400 | 0,879 | 0,450 | 0,962 |
0,305 | 0,734 | 0,355 | 0,808 | 0,405 | 0,887 | 0,455 | 0,971 |
0,310 | 0,741 | 0,360 | 0,816 | 0,410 | 0,895 | 0,460 | 0,980 |
0,315 | 0,748 | 0,365 | 0,824 | 0,415 | 0,904 | 0,465 | 0,988 |
0,320 | 0,756 | 0,370 | 0,832 | 0,420 | 0,912 | 0,470 | 0,997 |
0,325 | 0,763 | 0,375 | 0,839 | 0,425 | 0,920 | 0,475 | 1,003 |
0,330 | 0,770 | 0,380 | 0,847 | 0,430 | 0,928 | 0,480 | 1,014 |
0,335 | 0,778 | 0,385 | 0,855 | 0,435 | 0,937 | 0,485 | 1,024 |
0,340 | 0,785 | 0,390 | 0,863 | 0,440 | 0,945 | 0,490 | 1,032 |
0,345 | 0,793 | 0,395 | 0,871 | 0,445 | 0,954 | 0,495 | 1,041 |
| | | | | | 0,500 | 1,050 |
Таблица 2
Значения поправочных функций

и

для образцов типа 2
| | | | | |
0,600 | 1,57 | 0,650 | 1,35 | 0 | 0 |
0,605 | 1,54 | 0,655 | 1,33 | 0,01 | 0,03 |
0,610 | 1,52 | 0,660 | 1,31 | 0,02 | 0,06 |
0,615 | 1,50 | 0,665 | 1,29 | 0,03 | 0,09 |
0,620 | 1,47 | 0,670 | 1,27 | 0,04 | 0,12 |
0,625 | 1,45 | 0,675 | 1,25 | 0,05 | 0,16 |
0,630 | 1,43 | 0,680 | 1,23 | 0,06 | 0,19 |
0,635 | 1,41 | 0,685 | 1,21 | 0,07 | 0,22 |
0,640 | 1,39 | 0,690 | 1,19 | 0,08 | 0,25 |
0,645 | 1,37 | 0,695 | 1,17 | | |
| | 0,700 | 1,16 | | |
Таблица 3
Значения поправочных функций

и

для образцов
типов 3 и 4
| Y3 | Y4 | | Y3 | Y4 |
0,450 | 8,34 | 2,29 | 0,500 | 9,66 | 2,66 |
0,455 | 8,46 | 2,32 | 0,505 | 9,81 | 2,70 |
0,460 | 8,58 | 2,35 | 0,510 | 9,97 | 2,75 |
0,465 | 8,70 | 2,39 | 0,515 | 10,13 | 2,79 |
0,470 | 8,82 | 2,42 | 0,520 | 10,29 | 2,84 |
0,475 | 8,95 | 2,46 | 0,525 | 10,46 | 2,89 |
0,480 | 9,09 | 2,50 | 0,530 | 10,63 | 2,94 |
0,485 | 9,22 | 2,54 | 0,535 | 10,81 | 2,99 |
0,490 | 9,37 | 2,58 | 0,540 | 10,99 | 3,04 |
0,495 | 9,51 | 2,62 | 0,545 | 11,17 | 3,09 |
| | | 0,550 | 11,36 | 3,14 |
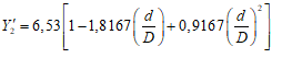
Примечания. 1. Допускается вычислять поправочные функции

,

,

и

по формулам:

;

;

;

.
2. При испытании образцов предпочтительных размеров (рекомендуемое
Приложение 5) значение

вычисляют по формуле

. Значения функции g для образцов типов 1, 2, 3 и 4 приведены в рекомендуемом
Приложении 5.
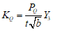
5.1.3. Вычисление значения

приводят по формулам для

по
п. 5.1.2.
5.1.3.1. По полученным для заданной температуры испытаний в соответствии с
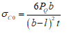
п. 5.1.2 величинам

и пределам текучести при той же температуре

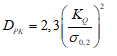
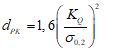
вычисляют расчетные размеры сечения

,
где безразмерный коэффициент

принимают равным 2,5 для алюминиевых, титановых, магниевых сплавов и сталей; 0,6 - для чугунов;
для цилиндрических образцов (
черт. 2)

,

.
5.1.3.2. Величину

, определенную по
п. 5.1.3, принимают равной

, если для диаграмм

III и IV типов

, а для диаграммы II типа

и если для плоских образцов типов 1, 3, 4 выполняются неравенства одной из двух групп:
1.

и

;
2.

для диаграмм III и IV типов и

для диаграмм II типа. Значения

,

и

находят графически по полученным диаграммам

в соответствии с
черт. 7, а для цилиндрических образцов (тип 2)

и

.
Если приведенные неравенства не удовлетворяются, то для определения

следует испытать образцы большей толщины t или диаметра D.
Примечание. Для нахождения

,

или

на диаграммах

из точек C, Q или D, соответственно, опускают перпендикуляр на ось

. Величины

,

или

соответствуют расстоянию от точки O до точки пересечения перпендикуляров с осью

(
черт. 7).
5.1.3.3. В протокол испытания (рекомендуемое
Приложение 8) записывают полученную величину

с указанием, какая группа неравенства
п. 5.1.3.2 удовлетворяется. Если ни одна группа неравенств
п. 5.1.3.2 не выполняется, то в протоколе испытания приводят величину

.
5.1.4. Вычисление значений

проводят по формулам
п. 5.1.2 с заменой

на

.
Полученные значения

принимают равным

.
5.1.5. Перед вычислением

необходимо вычислить величины

по формулам:

- для образцов типа 1;

- для образцов типа 2;

- для образцов типа 3;

- для образцов типа 4,
5.1.5.1. В случае, когда

меньше 0,8

, по формулам п. 5.1.2 вычисляют значения

.
5.1.5.2. По полученным по п. 5.1.5.1 значениям

вычисляют значения

для плоских образцов типов 1, 3 и 4 по формуле

и

для цилиндрических образцов типа 2

,
где

при

от

до

и

при

больших

.
5.1.5.3. Значение

получают по формулам
п. 5.1.2 с заменой

на

, l на

для образцов типов 1, 3 и 4 и d на

для образцов типа 2.
5.1.6. Вычисление

, при условии, когда

меньше

, проводят в соответствии с
п. 5.1.5 с заменой

на

и

на

.
5.1.7. Полученные значения

,

,

,

,

,

,

и

с учетом
п. 5.1.3.3 заносят в протокол испытания.
5.2. Вычисление раскрытия трещины

5.2.1. Величину

вычисляют для точек C диаграмм

I - IV типов (
черт. 7) по формулам:

- для образцов типов 1 и 2;

- для образцов типа 3;

- для образцов типа 4,
где

вычисляют по
п. 5.1.4 для соответствующих типов образцов, а

находят графически из полученных диаграмм

в соответствии с
черт. 7.
Примечание. Для нахождения

на диаграммах

из точки C проводят прямую, параллельную начальному линейному участку диаграммы, до пересечения с осью

(на
черт. 7 показана пунктиром). Величина

соответствует расстоянию на диаграмме между точкой O и точкой пересечения этой прямой с осью

.
5.2.2. Полученные значения

,

и

заносят в протокол испытания (рекомендуемое
Приложение 8).
5.3. Вычисление критических значений

5.3.1. По диаграммам

или "P-f", полученным при испытании образцов по
п. 4.7.2 или
4.7.10, выделяют пластическую часть (черт. 13 а, б, в) и вычисляют работу

, соответствующую пластической части площади под диаграммой.
Примечание. Для разделения площади под диаграммами

или "P-f" из точки C диаграммы (черт. 13 а, б, в) проводят прямую, параллельную начальному линейному участку диаграммы.
Схема выделения пластической части
по диаграммам

или "P-f"
а - диаграмма I типа; б - диаграмма II типа;
в - диаграмма III типа; г - при разгрузке образца;

- точка разгрузки образца
5.3.1.1. Значение

вычисляют по формуле

,
где

вычисляют в соответствии с
п. 5.1.4;
Значение

и k для образцов:
типа 3

,

,

;
типа 4

.
5.3.2. В случае, если при испытаниях, проводимых по
п. 4.7.4, и в результате замеров

по
п. 4.7.6, оказалось, что статический подрост трещины

менее 0,3 мм на образцах толщиной не более 30 мм или

менее 0,01 t при толщине образцов более 30 мм (
п. 4.7.7), то для вычисления

по диаграмме

или "P-f" выделяют пластическую часть (
черт. 13 г) и вычисляют работу

, соответствующую пластической части под диаграммой, ограниченной точкой разгрузки.
5.3.2.1. Значение

вычисляют по формуле
п. 5.3.1.1 с заменой

на

и

на

(значение

вычисляют в соответствии с
п. 5.1.4 с заменой

на

).
5.3.3. При получении результатов испытаний по
п. 4.7.8.4 по диаграммам

или "P-f" вычисляют для каждого испытанного образца работу

(
черт. 13 г), соответствующую пластической части площади под диаграммой, ограниченной точкой разгрузки.
5.3.3.1. Значение

для каждого образца вычисляют по формуле

,
где

вычисляют в соответствии с
п. 5.1.4 с заменой

на

, а значения параметров

и k - по
п. 5.3.1.1.
5.3.3.2. В координатах

для образцов толщиной t не более 30 мм или

для образцов толщиной t более 30 мм наносят расчетную прямую ON (черт. 14), вычисленную по формуле

- при t не более 30 мм,
при

- при t более 30 мм.

- скорректированные значения

5.3.3.3. Для образцов толщиной не более 30 мм параллельно полученной по
п. 5.3.3.2 прямой ON на расстояниях

, равных 0,15; 0,60; 1,05 и 1,50 мм проводят прямые

,

,

и

.
5.3.3.4. Для образцов толщиной t более 30 мм параллельно полученной по
п. 5.3.3.2 прямой ON на расстояниях

, равных 0,005t; 0,020t; 0,035t и 0,050t, проводят прямые

,

,

и

.
5.3.3.5. Для образцов толщиной t не более 30 мм вычисленные по
п. 5.3.3.1 значения

для каждого образца при соответствующих значениях

(
п. 4.7.8.4) представляют графически в виде точек в координатах

(
черт. 14).
5.3.3.6. Для образцов толщиной t более 30 мм вычисленные по
п. 5.3.3.1 значения

для каждого образца при соответствующих величинах

(
п. 4.7.8.4) представляют графически в виде точек в координатах

(
черт. 14).
5.3.3.7. Если не менее четырех точек, построенных по
п. 5.3.3.5 или 5.3.3.6 попало в интервал между прямыми

и

и в каждом из интервалов

-

,

-

и

-

находится не менее одной точки, то через эти точки проводят прямую линию ММ.
5.3.3.8. Если из всех точек, построенных по
п. 5.3.3.5 или
5.3.3.6 не более двух находятся правее прямой

, а не менее двух точек лежат в различных интервалах между

и

, то для образцов, соответствующим точкам, лежащим правее прямой

, необходимо дополнительно вычислить длину контура S и площадь

статически подросшей трещины по формулам:

и

.
5.3.3.9. Для точек, лежащих правее прямой

, скорректированное значение

вычисляют по формуле

.
Вычисленное скорректированное значение

наносят на график

в виде точек.
5.3.3.10. Через точки, лежащие левее прямой

и удовлетворяющие условиям
п. 5.3.3.8 и через скорректированные точки по
п. 5.3.3.9, проводят прямую ММ.
5.3.3.11. Если условия
пп. 5.3.3.7 и
5.3.3.8 не выполняются, необходимо провести дополнительные испытания образцов.
5.3.3.12. Значение J, соответствующее точке М пересечения прямых ON и MM, принимают равной

.
5.3.5. Величины

, полученные по
пп. 5.3.1.1,
5.3.2.1,
5.3.3.11 и по п. 5.3.4, принимают равными

, если они удовлетворяют неравенству

,
где

.
Коэффициент

равен 200 при

меньших 0,6 и
при значениях

больших или равных 0,6.
5.3.6. Если условия
п. 5.3.5 не выполняются, то для получения величины

следует испытать образцы большей толщины.
5.3.7. По полученным по
п. 5.1.3 величинам

допускается вычислять значения

по формуле

.
5.3.8. Полученные для каждого образца значения

или

,

или K*,

или

заносят в протокол испытания (
Приложение 8) с указанием формулы вычисления

. Кроме того, в протокол испытания заносят значения

и

.
Обязательное
ОБОЗНАЧЕНИЯ И ЕДИНИЦЫ ИЗМЕРЕНИЯ ВЕЛИЧИН
Символ | Название | Единица измерения | Примечание |
K | Коэффициент интенсивности напряжений | МПа·м1/2 | |
KI | Коэффициент интенсивности напряжений для трещины отрыва | То же | |
KQ | Расчетная величина коэффициента интенсивности напряжений | " | |
KIC | Критический коэффициент интенсивности напряжений | " | |
KQT | Критический коэффициент интенсивности напряжений для образца данной толщины или диаметра | " | |
KC | Критический коэффициент интенсивности напряжений для образца данной толщины или диаметра при максимальной нагрузке | " | |
K* | Условный коэффициент интенсивности напряжений | " | |
| Условный критический коэффициент интенсивности напряжений для образца данной толщины или диаметра | " | |
Kmax | Наибольший коэффициент интенсивности напряжений цикла | " | |
| Раскрытие в вершине трещины при максимальной нагрузке PC | м | |
J | Джей-интеграл | МДж/м2 | |
Ji | Расчетная величина J-интеграла | То же | |
JС (JIC) | Критический J-интеграл | " | |
P | Нагрузка, действующая на образец в процессе испытания | МН | |
| Статический подрост исходной усталостной трещины в соответствующем сечении плоских образцов | м | |
| Средний статический подрост исходной усталостной трещины | м | |
d | Средний диаметр контура исходной усталостной трещины в образцах типа 2 | То же | |
d1 d2 | Диаметры контура исходной усталостной трещины в двух взаимно перпендикулярных направлениях в образцах типа 2 | " | То же |
dT | Расчетный диаметр ослабленного сечения образца типа 2 с учетом пластической зоны | " | |
s | Расстояние между центрами поперечного сечения и статического излома в образцах типа 2 | " | |
z | Расстояние между торцевой поверхностью образцов типов 3 или 4 и кромками накладных опорных призм | " | |
tC | Средняя толщина плоских образцов в зоне разрушения | " | |
tPK | Расчетная толщина образцов типов 1, 3 и 4 при вычислении KIC | " | |
tPJ | Расчетная толщина плоских образцов типов 3 и 4 при вычислении JIC | " | |
t* | Безразмерный параметр, численно равный толщине образцов типов 1, 3 и 4 | " | |
dPK DPK | Расчетные диаметры по ослабленному и неослабленному сечениям образцов типа 2 | " | |
| Расчетная площадь статического подроста усталостной трещины | м2 | |
S | Расчетная длина контура статически подросшей трещины | м | |
PC | Максимальная нагрузка, действующая на образец | МН | |
PD | Нагрузка, действующая на образец и соответствующая точке локального максимума на диаграмме "P-v" или "P-f" II типа | То же | То же |
PQ | Расчетная нагрузка на образец | " | " |
| Условный предел текучести | МПа | |
| Временное сопротивление (предел прочности) | То же | |
| Номинальное напряжение по ослабленному сечению образца | " | |
| Номинальное разрушающее напряжение по ослабленному сечению образца | " | |
Api | Работа, соответствующая пластической части под диаграммами "P-v" или "P-f" | МДж | |
ApC | Работа, соответствующая пластической части под диаграммами "P-v" или "P-f" при разрушении образца | То же | |
H, d, l0, L, t, L1, b, e, a, D, h, b1 | Размеры образцов | м | |
l | Средняя длина (полудлина) исходной усталостной трещины | То же | |
l1, l2, l3 | Длина (полудлина) исходной усталостной трещины, измеренная в соответствующем сечении излома плоского образца | " | |
lT | Расчетная длина (полудлина) исходной трещины с учетом пластической зоны | " | |
| Относительное сужение образцов типов 1, 3 и 4 в зоне разрушения | % | |
v | Смещение берегов надрезов образцов типов 1, 2, 3 и 4 | м | |
f | Прогиб образцов типа 4 | То же | |
vC vQ vD | Смещение берегов надреза образцов, соответствующие характерным точкам на диаграммах "P-v" или "P-f" | " | |
vpC | Условное пластическое смещение v, соответствующее точке C диаграммы "P-v" | " | |
Y1,  ,  , Y3, Y4, g | Поправочные функции | | |
R | Коэффициент асимметрии цикла | | |
 ,  | Безразмерные коэффициенты | | |
| Безразмерный коэффициент | | |
k,  | Безразмерные коэффициенты | | |
rV | Расчетный параметр геометрии образца | м | |
| Коэффициент Пуассона | | |
E | Модуль нормальной упругости | МПа | |
Z | Расстояние между осями отверстий для крепления накладных опорных призм | м | |
Справочное
ТЕРМИНЫ, ИСПОЛЬЗУЕМЫЕ В СТАНДАРТЕ, И ПОЯСНЕНИЯ К НИМ.
ТАБЛИЦЫ ПЕРЕВОДА ЕДИНИЦ ИЗМЕРЕНИЯ
Термин | Пояснение |
1. Трещиностойкость | Термин, определяющий способность материала сопротивляться развитию трещин при механических и других воздействиях |
2. Смещение берегов трещины | Изменение расстояния между двумя точками на противоположных берегах трещины в процессе нагружения |
3. Модели трещины | Схемы нагружения и смещений в зонах трещин. Модель типа I - трещина отрыва; модель типа II - трещина поперечного сдвига; модель типа III - трещина продольного сдвига |
4. Коэффициент интенсивности напряжений K | Величина, определяющая напряженно-деформированное состояние и смещения вблизи вершины трещины для упругого тела, независимо от схемы нагружения, формы и размеров тела и трещины |
5. Коэффициент интенсивности напряжений  (  или  ) | Значение K для модели трещины типа I (типа II или типа III) |
6. Критический коэффициент интенсивности напряжений  | Силовая характеристика трещиностойкости для модели трещины типа I при предельном стеснении пластических деформаций у вершины трещины, когда выполняются условия п. 5.1.3.2 настоящего стандарта |
7. Критический коэффициент интенсивности напряжений  | Значение K, определяемое при нагрузке  и длине трещины  , учитывающей поправку на пластическую деформацию у вершины трещины. Силовой критерий разрушения |
8. Критический коэффициент интенсивности напряжений  | Значение K, определяемое при нагрузке  и длине трещины  , учитывающей поправку на пластическую деформацию у вершины трещины. Силовой критерий разрушения |
9. Условный коэффициент интенсивности напряжений K* | Значение K, вычисленное через действующую на образец нагрузку и исходную длину трещины l по формулам для упругого тела |
10. Критический условный коэффициент интенсивности напряжений  | Значения K* для нагрузки равной  (на диаграммах типов I - IV) и исходной длины трещины l. Силовой критерий разрушения |
11. Раскрытие трещины | Смещение берегов непосредственно у вершины трещины |
12. Раскрытие в вершине трещины  | Раскрытие трещины при нагрузке  . Деформационный критерий разрушения |
| Величина, характеризующая работу пластической деформации и разрушения, а также поле напряжений и деформаций при упругопластическом деформировании вблизи вершины трещины (аналогично коэффициенту интенсивности напряжений K для упругого тела) |
14. Критический J-интеграл  (  ) | Значение J-интеграла, характеризующее сопротивление материала началу распространения трещины независимо от вида разрушения. Энергетический критерий разрушения |
Таблица перевода единиц механического
напряжения (давления)
| МПа | кгс/мм2 | бар | ksi = 103 psi | дина/см2 |
МПа | 1 | 0,1020 | 10 | 0,1450 | 107 |
кгс/мм2 | 9,807 | 1 | 98,07 | 1,422 | 9,807·107 |
бар | 0,100 | 1,020·10-2 | 1 | 1,450·10-2 | 106 |
ksi = 103 psi | 6,895 | 0,7031 | 68,95 | 1 | 6,895·107 |
дина/см2 | 10-7 | 1,020·10-8 | 10-6 | 1,450·10-8 | 1 |
Таблица перевода единиц коэффициента
интенсивности напряжений
| МПа·м1/2 | Н/мм3/2 | кгс/мм3/2 | ksi·in1/2 | бар·см1/2 |
МПа·м1/2 | 1 | 31,62 | 3,225 | 0,9100 | 102 |
Н/мм3/2 | 3,162·10-2 | 1 | 0,1020 | 2,8780·10-2 | 3,162 |
кгс/мм3/2 | 0,3101 | 9,807 | 1 | 0,2822 | 31,01 |
ksi·in1/2 | 1,0990 | 34,7500 | 3,543 | 1 | 109,9 |
бар·см1/2 | 0,0100 | 0,3162 | 3,225·10-2 | 9,100·10-3 | 1 |
Таблица перевода единиц энергии и работы
| Дж | кгс·м | эрг | эВ | кал | ft·Ibf |
Дж | 1 | 0,1020 | 107 | 6,242·1018 | 0,2388 | 0,7376 |
кгс·м | 9,807 | 1 | 9,807·107 | 6,121·1019 | 2,342 | 7,233 |
эрг | 10-7 | 1,020·10-8 | 1 | 6,242·1011 | 2,388·10-8 | 7,376·10-8 |
эВ | 1,602·10-19 | 1,634·10-20 | 1,602·10-12 | 1 | 3,827·10-20 | 1,182·10-19 |
кал | 4,187 | 0,4269 | 4,187·107 | 2,613·1019 | 1 | 3,088 |
ft·Ibf | 1,356 | 0,1383 | 1,356·107 | 8,462·1018 | 0,3238 | 1 |
Рекомендуемое
ОПРЕДЕЛЕНИЕ ПРЕДЕЛА ТРЕЩИНОСТОЙКОСТИ
1. Предел трещиностойкости

- количественная мера сопротивления материала распространению трещины, представляющая собой критические значения условных коэффициентов интенсивности напряжений

в широком диапазоне исходных длин трещин l, определенных при максимальных нагрузках

, выдерживаемых образцами.
Для металлов, имеющих диаграммы I типа (
черт. 7 настоящего стандарта), предел трещиностойкости естественным образом переходит в критические коэффициенты интенсивности напряжений

и, с соблюдением условий корректности (
п. 5.1.3.2 настоящего стандарта), в

при данной длине трещины.
2. Предел трещиностойкости при широком варьировании длин трещин может быть использован в соответствии с
п. 1.5 настоящего стандарта.
3. Предел трещиностойкости определяют на сериях кратковременных статических испытаний плоских образцов
типа 1 (
черт. 1 настоящего стандарта) при 0 <= 2 l/b <= 0,6
типа 4 (
черт. 4 настоящего стандарта) при 0 <= l/b <= 0,6
типа 5 (
черт. 1) при 0 <= l/b <= 0,6
Примечание. Различие по длинам трещин от образца к образцу ориентировочно равно 0,1 (2 l/b) для образцов типа 1 и 0,1 (l/b) для образцов типов 4 и 5.
Тип 5
L - расстояние между частями образца, служащими для крепления
в захватах; b >= 6t; L >= 2b; h

0,1b
Черт. 1
4. Требования к образцам, их изготовлению, испытательному оборудованию и подготовке и проведению испытаний должны соответствовать требованиям настоящего стандарта.
5. По результатам испытаний образцов определяют разрушающую нагрузку

(
п. 5.1.1 настоящего стандарта) для всех видов диаграмм.
Кроме того, по результатам испытания до разрушения гладкого (l = 0) образца находят предельную нагрузку

(l = 0).
6. После испытания образцов измеряют длину трещины l в соответствии с
п. 4.5.1.
7. По значению нагрузки

и длине трещины l вычисляют величину

по формулам:
для образца типа 1

,
где

;
для образцов типа 4

,
где

;
для образцов типа 5

,
где

.
На черт. 2 -
4 графически представлены функции

,

и

.
Черт. 2
Черт. 3
8. По серии нагрузок

для образцов с различными длинами трещин и без них (l = 0) определяют номинальные разрушающие напряжений

по формулам:

- для образцов типов 1 и 5;

- для образцов типа 4.
| | ИС МЕГАНОРМ: примечание. Взамен ГОСТ 1497-73 Постановлением Госстандарта СССР от 16.07.1984 N 2515 с 1 января 1986 года введен в действие ГОСТ 1497-84. | |
Примечание. Вместо

при l = 0 допускается использовать величину временного сопротивления (предела прочности)

при заданной температуре, определяемого в соответствии с ГОСТ 1497-73 или ГОСТ 9651-73, или ГОСТ 11150-75, или
ГОСТ 22706-77.
9. Полученные результаты для каждого образца заносят в протокол испытания (см. рекомендуемое
Приложение 8). Результаты по определению предела трещиностойкости представляют в виде таблицы.
l/b (2 l/b) | 0 | 0,1 | 0,2 | 0,3 | 0,4 | 0,5 | 0,6 |
 , МПа | | | | | | | |
IC, МПа·м1/2 | | | | | | | |
Допустимо также представить результаты испытаний в виде графиков

,

или

.
Рекомендуемое
ОПРЕДЕЛЕНИЕ ПАРАМЕТРОВ ТЕМПЕРАТУРНЫХ ЗАВИСИМОСТЕЙ
ХАРАКТЕРИСТИК ТРЕЩИНОСТОЙКОСТИ
1. Определение температурных зависимостей характеристик трещиностойкости
1.1. Для построения температурных зависимостей требуется не менее трех значений характеристик трещиностойкости

,

,

,

,

,

, полученных при каждой температуре.
1.2. Для построения полной температурной зависимости характеристик трещиностойкости

,

,

,

,

,

проводят испытания не менее, чем при пяти температурах.
1.3. Температуры испытаний выбирают таким образом, чтобы охватить диапазон хрупкого, квазихрупкого и вязкого разрушений. При этом температуры испытаний следует назначать не более, чем через 20 - 30 °С.
1.4. При построении температурных зависимостей, указанных в
п. 1.1 настоящего приложения, характеристик трещиностойкости по оси ординат откладывают значения данной характеристики трещиностойкости, а по оси абсцисс - температуру испытаний Т. Допускается построение температурных зависимостей характеристик трещиностойкости, когда по оси абсцисс откладывают приведенную температуру, равную разнице (T -

) температуры испытания T и критической температуры хрупкости материала

, устанавливаемой по отраслевой НТД. При этом включение последнего указания необходимо в тех случаях, когда испытывают образцы, изготовленные из заготовок различных плавок.
1.5. В качестве основного сводного материала испытаний по настоящему стандарту следует строить рекомендуемые зависимости характеристик трещиностойкости

,

,

,

,

,

с выделением области действительных значений

,

,

(см. чертеж).
Схематическое изображение температурных
зависимостей характеристик трещиностойкости
2. Определение критических температур для малоуглеродистых и низколегированных сталей
2.1. Критические температуры

и

получают при испытаниях серии образцов для определения характеристик трещиностойкости в соответствии с требованиями настоящего стандарта.
Переход от вязких разрушений к квазихрупким определяют по первой критической температуре

, а от квазихрупких к хрупким - по второй критической температуре

.
2.1.1. Для определения

и

строят зависимости

(процент вязкой составляющей в изломе

- температура испытаний T) и

(номинальные разрушающие напряжения в опасном сечении

- температура испытаний Т).
2.1.2. По температурной зависимости

при

= 50% устанавливают

, а при

по температурной зависимости

устанавливают

. При этом предел текучести

определяют при соответствующей температуре испытаний Т.
2.1.3. Если при разрушении в рассматриваемом диапазоне температур четко выраженный переход от вязкого разрушения к квазихрупким не устанавливается, то величину

устанавливают как минимальную температуру по сужению в зоне разрушения

, составляющему 0,8 от максимального, соответствующего полностью вязкому разрушению, или по

= 25%.
2.2. Определение процента вязкой составляющей

в изломах испытанных образцов проводят макрофрактографическим методом. Определение

в изломах образцов типов 1, 2, 3 и 4 основаны на измерении площади хрупкой составляющей

. Процент вязкой составляющей в изломах

вычисляют по формуле

,
где

- площадь хрупкой составляющей в изломе;

- площадь образца в ослабленном исходной усталостной трещиной сечении.
Для образцов типа 1

;
для образцов типа 2

;
для образцов типа 3 и 4

.
2.2.1. Измерение

в изломах образцов осуществляется с помощью инструментальных микроскопов или путем планиметрирования изображения излома. При этом абсолютная погрешность измерений не должна превышать 10%.
2.2.2. В случае, если зоны хрупкого разрушения имеют сложную форму, то при необходимости планиметрирование площади соответствующего участка производят на увеличенном изображении.
2.2.3. При наличии в изломе нескольких зон хрупкого разрушения измеряют площади отдельных хрупких участков и суммируют их по всему излому.
2.3. Критические температуры

и

указывают на представленных графически температурных зависимостях характеристик трещиностойкости (см.
чертеж).
Рекомендуемое
ВЫБОР ОБРАЗЦОВ ДЛЯ ОПРЕДЕЛЕНИЯ ХАРАКТЕРИСТИК
ТРЕЩИНОСТОЙКОСТИ
1. Тип и размеры образцов выбирают исходя из цели испытаний, размера и формы заготовок или деталей, из которых они вырезаются, механических свойств исследуемого металла при температуре испытания, максимальной нагрузки, создаваемой испытательной машиной, конструкции и размеров термо- или криокамеры и экономических соображений.
2. Для листового металла толщиной:
от 1 до 10 мм рекомендуется использовать образцы типа 1;
от 20 до 100 мм рекомендуется использовать образцы типа 3;
от 10 до 200 мм и более рекомендуется использовать образцы типа 4.
Для пруткового материала круглого сечения диаметром от 12 до 40 мм рекомендуется использование образцов типа 2.
Для пруткового материала квадратного или прямоугольного сечения толщиной 10 - 40 мм рекомендуется использовать образцы типа 2; при диаметрах и толщинах более 40 мм - образцы типов 3 и 4.
Для фасонного проката с различной формой поперечного сечения (двутавры, швеллеры, уголки, трубы и т.п.) форму и размеры образцов устанавливают по дополнительному согласованию с учетом анализа наибольшей нагруженности деталей из проката.
3. Образцы для испытаний на трехточечный изгиб применяют для металлов низкой и средней прочности (с относительным удлинением

более 15%), как наиболее простые в изготовлении и не требующие мощной испытательной техники.
4. Образцы для испытаний на внецентренное растяжение применяют для сталей всех категорий прочности, а также цветных металлов.
5. Корректность получения достоверных значений величины по испытаниям образцов определяется требованиями к их размерам по толщине t или диаметру D согласно
п. 5.1.3.2.
Ориентировочно толщину t плоских образцов типов 1, 3 и 4 или диаметр цилиндрических образцов D (тип 2) устанавливают с использованием модуля упругости E и предела текучести

материала (кроме образцов из магниевых сплавов) по табл. 1.
Таблица 1
| D или t, мм |
До 0,0050 включ. | 100,0 |
Св. 0,0050 " 0,0057 " | 75,0 |
" 0,0057 " 0,0062 " | 63,0 |
" 0,0062 " 0,0065 " | 50,0 |
" 0,0065 " 0,0068 " | 44,0 |
" 0,0068 " 0,0071 " | 38,0 |
" 0,0071 " 0,0075 " | 32,0 |
" 0,0075 " 0,0080 " | 25,0 |
" 0,0080 " 0,0085 " | 20,0 |
" 0,0085 " 0,0100 " | 12,5 |
" 0,0100 | 6,5 |
6. При определении величин

,

,

,

,

следует толщину образца выбирать равной толщине заготовки или рассматриваемого элемента конструкции.
7. Если при изготовлении и испытании образцов отсутствуют специальные требования по выбору их габаритов, предпочтительными являются размеры образцов, указанные в табл. 2.
Таблица 2
Тип образцов | t или D, мм |
1 | 1,0 2,5 5,0 10,0 |
2 | 20,0 30,0 50,0 75,0 |
3 и 4 | 12,5 25,0 50,0 75,0 |
8. При определении характеристик трещиностойкости металлов по результатам испытаний образцов типов 1 - 4 размеров, приведенных в табл. 2, значения

рекомендуется определять по формуле

,
где g - поправочная функция.
8.1. Значения g, вычисленные по формулам
п. 5.1.2 стандарта, приведены в табл. 3 -
6.
Таблица 3
Значения g для образцов типа 1
2l х 103, м | g, м1/2/м2 | 2l х 103, м | g, м1/2/м2 | 2l х 103, м | g, м1/2/м2 | 2l х 103, м | g, м1/2/м2 |
22,50 | 2650 | 30,0 | 919 | 60,0 | 325 | 90,0 | 133 |
23,25 | 2710 | 31,0 | 937 | 62,0 | 331 | 93,0 | 135 |
24,0 | 2760 | 32,0 | 956 | 64,0 | 338 | 96,0 | 138 |
24,75 | 2810 | 33,0 | 974 | 66,0 | 344 | 99,0 | 141 |
25,5 | 2870 | 34,0 | 993 | 68,0 | 351 | 102,0 | 143 |
26,25 | 2920 | 35,0 | 1010 | 70,0 | 358 | 105,0 | 146 |
27,0 | 2980 | 36,0 | 1030 | 72,0 | 365 | 108,0 | 149 |
27,75 | 3040 | 37,0 | 1050 | 74,0 | 732 | 111,0 | 152 |
28,5 | 3090 | 38,0 | 1070 | 76,0 | 379 | 114,0 | 155 |
29,25 | 3150 | 39,0 | 1090 | 78,0 | 386 | 117,0 | 158 |
30,0 | 3210 | 40,0 | 1110 | 80,0 | 393 | 120,0 | 161 |
30,75 | 3270 | 41,0 | 1130 | 82,0 | 400 | 123,0 | 164 |
31,5 | 3330 | 42,0 | 1150 | 84,0 | 408 | 126,0 | 167 |
32,25 | 3390 | 43,0 | 1170 | 86,0 | 415 | 129,0 | 170 |
33,0 | 3450 | 44,0 | 1195 | 88,0 | 423 | 132,0 | 173 |
33,75 | 3510 | 45,0 | 1220 | 90,0 | 430 | 135,0 | 176 |
34,5 | 3580 | 46,0 | 1240 | 92,0 | 438 | 138,0 | 179 |
35,25 | 3640 | 47,0 | 1260 | 94,0 | 446 | 141,0 | 182 |
36,0 | 3700 | 48,0 | 1280 | 96,0 | 454 | 144,0 | 185 |
36,75 | 3770 | 49,0 | 1300 | 98,0 | 462 | 147,0 | 188 |
37,5 | 3830 | 50,0 | 1330 | 100,0 | 470 | 150,0 | 192 |
Таблица 4
Значения g для образцов типа 2
d х 103, м | g, м1/2/м2 (S х 103, м) |
D = 20 х 10-3 м |
12,0 | 553 (0,0) | 564 (0,06) | 575 (0,12) | 586 (0,18) | 597 (0,24) | 608 (0,30) | 619 (0,36) | 630 (0,42) | 641 (0,48) |
12,1 | 545 (0,0) | 556 (0,06) | 567 (0,12) | 578 (0,18) | 589 (0,24) | 600 (0,30) | 611 (0,36) | 622 (0,42) | 633 (0,48) |
12,2 | 537 (0,0) | 548 (0,06) | 559 (0,12) | 570 (0,18) | 581 (0,24) | 592 (0,31) | 603 (0,37) | 613 (0,43) | 624 (0,49) |
12,3 | 529 (0,0) | 540 (0,06) | 551 (0,12) | 562 (0,18) | 573 (0,25) | 584 (0,31) | 595 (0,37) | 605 (0,43) | 616 (0,49) |
12,4 | 521 (0,0) | 532 (0,06) | 543 (0,12) | 554 (0,19) | 565 (0,25) | 576 (0,31) | 587 (0,37) | 598 (0,43) | 609 (0,50) |
12,5 | 513 (0,0) | 524 (0,06) | 535 (0,12) | 546 (0,19) | 557 (0,25) | 568 (0,31) | 579 (0,38) | 590 (0,44) | 601 (0,50) |
12,6 | 505 (0,0) | 516 (0,06) | 527 (0,13) | 538 (0,19) | 549 (0,25) | 560 (0,32) | 571 (0,38) | 582 (0,44) | 593 (0,50) |
12,7 | 498 (0,0) | 509 (0,06) | 520 (0,13) | 531 (0,19) | 542 (0,25) | 553 (0,32) | 563 (0,38) | 574 (0,44) | 585 (0,51) |
12,8 | 490 (0,0) | 501 (0,06) | 512 (0,13) | 523 (0,19) | 534 (0,26) | 545 (0,32) | 556 (0,38) | 567 (0,45) | 578 (0,51) |
12,9 | 483 (0,0) | 494 (0,06) | 505 (0,13) | 516 (0,19) | 527 (0,26) | 538 (0,32) | 549 (0,39) | 560 (0,45) | 571 (0,52) |
13,0 | 476 (0,0) | 487 (0,06) | 497 (0,13) | 508 (0,20) | 519 (0,26) | 530 (0,32) | 541 (0,39) | 552 (0,46) | 563 (0,52) |
13,1 | 468 (0,0) | 479 (0,06) | 490 (0,13) | 501 (0,20) | 512 (0,26) | 523 (0,33) | 534 (0,40) | 545 (0,46) | 556 (0,52) |
13,2 | 461 (0,0) | 472 (0,07) | 483 (0,13) | 494 (0,20) | 505 (0,26) | 516 (0,33) | 527 (0,40) | 538 (0,46) | 549 (0,53) |
13,3 | 454 (0,0) | 465 (0,07) | 476 (0,13) | 487 (0,20) | 498 (0,26) | 509 (0,33) | 520 (0,40) | 531 (0,46) | 542 (0,53) |
13,4 | 447 (0,0) | 458 (0,07) | 469 (0,13) | 480 (0,20) | 491 (0,27) | 502 (0,34) | 513 (0,40) | 524 (0,47) | 535 (0,54) |
13,5 | 441 (0,0) | 452 (0,07) | 463 (0,14) | 474 (0,20) | 485 (0,27) | 496 (0,34) | 506 (0,41) | 517 (0,47) | 528 (0,54) |
13,6 | 434 (0,0) | 445 (0,07) | 456 (0,14) | 467 (0,20) | 478 (0,27) | 489 (0,34) | 500 (0,41) | 511 (0,48) | 522 (0,54) |
13,7 | 428 (0,0) | 439 (0,07) | 449 (0,14) | 460 (0,21) | 471 (0,27) | 482 (0,34) | 493 (0,41) | 504 (0,48) | 515 (0,55) |
13,8 | 421 (0,0) | 432 (0,07) | 443 (0,14) | 454 (0,21) | 465 (0,28) | 476 (0,34) | 487 (0,41) | 498 (0,48) | 509 (0,55) |
13,9 | 415 (0,0) | 426 (0,07) | 437 (0,14) | 448 (0,21) | 459 (0,28) | 470 (0,35) | 481 (0,42) | 491 (0,49) | 502 (0,56) |
14,0 | 409 (0,0) | 420 (0,07) | 430 (0,14) | 441 (0,21) | 452 (0,28) | 463 (0,35) | 474 (0,42) | 485 (0,49) | 496 (0,56) |
D = 30 х 10-3 м |
18,0 | 301 (0,0) | 307 (0,09) | 313 (0,18) | 319 (0,27) | 325 (0,36) | 331 (0,45) | 337 (0,54) | 343 (0,63) | 349 (0,72) |
18,15 | 297 (0,0) | 303 (0,09) | 309 (0,18) | 315 (0,27) | 320 (0,36) | 326 (0,45) | 332 (0,54) | 338 (0,64) | 343 (0,73) |
18,3 | 292 (0,0) | 298 (0,09) | 304 (0,18) | 310 (0,27) | 316 (0,37) | 322 (0,46) | 328 (0,55) | 334 (0,64) | 340 (0,73) |
18,45 | 288 (0,0) | 294 (0,09) | 300 (0,18) | 306 (0,28) | 312 (0,37) | 318 (0,46) | 324 (0,55) | 329 (0,65) | 335 (0,74) |
18,6 | 283 (0,0) | 289 (0,09) | 295 (0,19) | 301 (0,28) | 307 (0,37) | 313 (0,46) | 319 (0,56) | 325 (0,65) | 331 (0,74) |
18,75 | 279 (0,0) | 285 (0,09) | 291 (0,19) | 297 (0,28) | 303 (0,38) | 309 (0,47) | 315 (0,56) | 321 (0,66) | 327 (0,75) |
18,9 | 275 (0,0) | 281 (0,09) | 287 (0,19) | 293 (0,28) | 299 (0,38) | 305 (0,47) | 311 (0,57) | 317 (0,66) | 323 (0,76) |
19,05 | 271 (0,0) | 277 (0,10) | 283 (0,19) | 289 (0,29) | 295 (0,38) | 301 (0,48) | 307 (0,58) | 313 (0,67) | 319 (0,76) |
19,2 | 267 (0,0) | 273 (0,10) | 279 (0,19) | 285 (0,29) | 291 (0,38) | 297 (0,48) | 303 (0,58) | 309 (0,67) | 314 (0,77) |
19,35 | 263 (0,0) | 269 (0,10) | 275 (0,19) | 281 (0,29) | 287 (0,39) | 293 (0,48) | 299 (0,58) | 305 (0,67) | 310 (0,77) |
19,5 | 259 (0,0) | 265 (0,10) | 271 (0,20) | 277 (0,29) | 283 (0,39) | 289 (0,49) | 295 (0,58) | 301 (0,68) | 307 (0,78) |
19,65 | 255 (0,0) | 261 (0,10) | 267 (0,20) | 273 (0,30) | 279 (0,39) | 285 (0,49) | 291 (0,59) | 297 (0,69) | 303 (0,79) |
19,8 | 251 (0,0) | 257 (0,10) | 263 (0,20) | 269 (0,30) | 275 (0,40) | 281 (0,50) | 287 (0,59) | 293 (0,69) | 299 (0,79) |
19,95 | 247 (0,0) | 253 (0,10) | 259 (0,20) | 265 (0,30) | 271 (0,40) | 277 (0,50) | 283 (0,60) | 289 (0,70) | 295 (0,80) |
20,1 | 244 (0,0) | 249 (0,10) | 255 (0,20) | 261 (0,30) | 267 (0,40) | 273 (0,50) | 279 (0,60) | 285 (0,70) | 291 (0,80) |
20,25 | 240 (0,0) | 246 (0,10) | 252 (0,20) | 258 (0,30) | 264 (0,40) | 270 (0,51) | 276 (0,61) | 282 (0,71) | 288 (0,81) |
20,4 | 236 (0,0) | 242 (0,10) | 248 (0,20) | 254 (0,31) | 260 (0,41) | 266 (0,51) | 272 (0,61) | 278 (0,71) | 284 (0,82) |
20,55 | 233 (0,0) | 239 (0,10) | 245 (0,20) | 251 (0,31) | 257 (0,41) | 262 (0,52) | 268 (0,62) | 247 (0,72) | 280 (0,82) |
20,7 | 229 (0,0) | 235 (0,10) | 241 (0,21) | 247 (0,31) | 253 (0,41) | 259 (0,52) | 265 (0,62) | 271 (0,72) | 277 (0,83) |
20,85 | 226 (0,0) | 232 (0,10) | 238 (0,21) | 244 (0,31) | 250 (0,42) | 256 (0,52) | 261 (0,62) | 267 (0,73) | 273 (0,83) |
21,0 | 222 (0,0) | 228 (0,10) | 234 (0,21) | 240 (0,32) | 246 (0,42) | 252 (0,52) | 258 (0,63) | 264 (0,74) | 270 (0,84) |
D = 50 х 10-3 м |
30,0 | 140 (0,0) | 143 (0,15) | 145 (0,30) | 148 (0,45) | 151 (0,60) | 154 (0,75) | 157 (0,90) | 159 (1,05) | 162 (1,20) |
30,25 | 138 (0,0) | 141 (0,15) | 143 (0,30) | 146 (0,45) | 149 (0,61) | 152 (0,76) | 154 (0,91) | 157 (1,06) | 160 (1,21) |
30,5 | 136 (0,0) | 139 (0,15) | 141 (0,31) | 144 (0,46) | 147 (0,61) | 150 (0,76) | 152 (0,92) | 155 (1,07) | 158 (1,22) |
30,75 | 134 (0,0) | 136 (0,15) | 139 (0,31) | 142 (0,46) | 145 (0,62) | 148 (0,77) | 150 (0,92) | 153 (1,08) | 156 (1,23) |
31,0 | 132 (0,0) | 134 (0,16) | 137 (0,31) | 140 (0,46) | 143 (0,62) | 146 (0,78) | 148 (0,93) | 151 (1,08) | 154 (1,24) |
31,25 | 130 (0,0) | 132 (0,16) | 135 (0,31) | 138 (0,47) | 141 (0,62) | 144 (0,78) | 147 (0,94) | 149 (1,09) | 152 (1,25) |
31,5 | 128 (0,0) | 131 (0,16) | 133 (0,32) | 136 (0,47) | 139 (0,63) | 142 (0,79) | 144 (0,94) | 147 (1,10) | 150 (1,26) |
31,75 | 126 (0,0) | 129 (0,16) | 131 (0,32) | 134 (0,48) | 137 (0,64) | 140 (0,79) | 142 (0,95) | 145 (1,11) | 148 (1,27) |
32,0 | 124 (0,0) | 127 (0,16) | 130 (0,32) | 132 (0,48) | 135 (0,64) | 138 (0,80) | 141 (0,96) | 143 (1,12) | 146 (1,28) |
32,25 | 122 (0,0) | 125 (0,16) | 128 (0,32) | 130 (0,48) | 133 (0,65) | 136 (0,81) | 139 (0,97) | 141 (1,13) | 144 (1,29) |
32,50 | 120 (0,0) | 123 (0,16) | 126 (0,32) | 129 (0,49) | 131 (0,65) | 134 (0,81) | 137 (0,98) | 140 (1,14) | 142 (1,30) |
32,75 | 118 (0,0) | 121 (0,16) | 124 (0,33) | 127 (0,49) | 130 (0,66) | 132 (0,82) | 135 (0,98) | 138 (1,15) | 141 (1,31) |
33,0 | 117 (0,0) | 119 (0,17) | 122 (0,33) | 125 (0,50) | 128 (0,66) | 131 (0,83) | 133 (0,99) | 136 (1,16) | 138 (1,32) |
33,25 | 115 (0,0) | 118 (0,17) | 120 (0,33) | 123 (0,50) | 126 (0,66) | 129 (0,83) | 132 (1,00) | 134 (1,16) | 137 (1,33) |
33,5 | 113 (0,0) | 116 (0,17) | 119 (0,34) | 121 (0,50) | 124 (0,67) | 127 (0,84) | 130 (1,01) | 133 (1,17) | 135 (1,34) |
33,75 | 111 (0,0) | 114 (0,17) | 117 (0,34) | 120 (0,51) | 123 (0,68) | 125 (0,84) | 128 (1,01) | 131 (1,18) | 134 (1,35) |
34,0 | 110 (0,0) | 113 (0,17) | 115 (0,34) | 118 (0,51) | 121 (0,68) | 124 (0,85) | 126 (1,02) | 129 (1,19) | 132 (1,36) |
34,25 | 108 (0,0) | 111 (0,17) | 114 (0,34) | 116 (0,51) | 119 (0,68) | 122 (0,86) | 125 (1,03) | 128 (1,20) | 130 (1,37) |
34,5 | 106 (0,0) | 109 (0,17) | 112 (0,34) | 115 (0,52) | 118 (0,69) | 120 (0,86) | 123 (1,04) | 126 (1,21) | 129 (1,38) |
34,75 | 105 (0,0) | 108 (0,17) | 110 (0,35) | 113 (0,52) | 116 (0,70) | 119 (0,87) | 122 (1,04) | 124 (1,22) | 127 (1,39) |
35,0 | 103 (0,0) | 106 (0,18) | 109 (0,35) | 112 (0,52) | 114 (0,70) | 117 (0,88) | 120 (1,05) | 123 (1,22) | 125 (1,40) |
D = 75 х 10-3 м |
45,0 | 76,2 (0,0) | 77,7 (0,22) | 79,2 (0,45) | 80,7 (0,68) | 82,2 (0,90) | 83,7 (1,12) | 85,2 (1,35) | 86,7 (1,58) | 88,2 (1,80) |
45,38 | 75,0 (0,0) | 76,5 (0,23) | 78,0 (0,45) | 79,6 (0,68) | 81,1 (0,91) | 82,6 (1,13) | 84,1 (1,36) | 85,6 (1,59) | 87,1 (1,82) |
45,75 | 73,9 (0,0) | 75,4 (0,23) | 76,9 (0,46) | 78,4 (0,69) | 79,9 (0,92) | 81,5 (1,14) | 83,0 (1,37) | 84,5 (1,60) | 86,0 (1,83) |
46,12 | 72,8 (0,0) | 74,3 (0,23) | 75,8 (0,46) | 77,3 (0,69) | 78,8 (0,92) | 80,4 (1,15) | 81,9 (1,38) | 83,4 (1,61) | 84,9 (1,84) |
46,5 | 71,7 (0,0) | 73,2 (0,23) | 74,7 (0,46) | 76,2 (0,70) | 77,8 (0,93) | 79,3 (1,16) | 80,8 (1,40) | 82,3 (1,63) | 83,8 (1,86) |
46,88 | 70,6 (0,0) | 72,1 (0,23) | 73,7 (0,47) | 75,2 (0,70) | 76,7 (0,94) | 78,2 (1,17) | 79,7 (1,41) | 81,2 (1,64) | 82,7 (1,88) |
47,25 | 70,0 (0,0) | 71,1 (0,24) | 72,6 (0,47) | 74,1 (0,71) | 75,6 (0,94) | 77,1 (1,18) | 78,6 (1,42) | 80,1 (1,65) | 81,7 (1,89) |
47,62 | 68,5 (0,0) | 70,0 (0,24) | 71,5 (0,48) | 73,1 (0,71) | 74,6 (0,95) | 76,1 (1,19) | 77,6 (1,43) | 79,1 (1,67) | 80,6 (1,91) |
48,0 | 67,5 (0,0) | 69,0 (0,24) | 70,5 (0,48) | 72,0 (0,72) | 73,5 (0,96) | 75,0 (1,20) | 76,6 (1,44) | 78,1 (1,68) | 79,6 (1,92) |
48,38 | 66,5 (0,0) | 68,0 (0,24) | 69,5 (0,48) | 71,0 (0,73) | 72,5 (0,97) | 74,0 (1,21) | 75,5 (1,45) | 77,0 (1,69) | 78,6 (1,94) |
48,75 | 65,5 (0,0) | 67,0 (0,24) | 68,5 (0,49) | 70,0 (0,73) | 71,5 (0,98) | 73,0 (1,22) | 74,5 (1,46) | 76,0 (1,71) | 77,6 (1,95) |
49,12 | 64,5 (0,0) | 66,0 (0,25) | 67,5 (0,49) | 69,0 (0,74) | 70,5 (0,98) | 72,0 (1,23) | 73,5 (1,47) | 75,1 (1,72) | 76,6 (1,96) |
49,5 | 63,5 (0,0) | 65,0 (0,25) | 66,5 (0,50) | 68,0 (0,74) | 69,6 (0,99) | 71,1 (1,24) | 72,6 (1,48) | 74,1 (1,73) | 75,6 (1,98) |
49,88 | 62,6 (0,0) | 64,1 (0,25) | 65,6 (0,50) | 67,1 (0,75) | 68,6 (1,00) | 70,1 (1,25) | 71,6 (1,50) | 73,1 (1,75) | 74,6 (2,00) |
50,25 | 61,6 (0,0) | 63,1 (0,25) | 64,6 (0,50) | 66,1 (0,75) | 67,6 (1,00) | 69,2 (1,26) | 70,7 (1,51) | 72,2 (1,76) | 73,7 (2,01) |
50,62 | 60,7 (0,0) | 62,2 (0,25) | 63,7 (0,51) | 65,2 (0,76) | 66,7 (1,01) | 68,2 (1,27) | 69,7 (1,52) | 71,2 (1,77) | 72,8 (2,02) |
51,1 | 59,8 (0,0) | 61,3 (0,26) | 62,8 (0,51) | 64,3 (0,76) | 65,8 (1,02) | 67,3 (1,28) | 68,8 (1,53) | 70,3 (1,78) | 71,8 (2,04) |
51,38 | 58,9 (0,0) | 60,4 (0,26) | 61,9 (0,51) | 63,4 (0,77) | 64,9 (1,03) | 66,4 (1,28) | 67,9 (1,54) | 69,4 (1,80) | 70,9 (2,06) |
51,75 | 58,0 (0,0) | 59,5 (0,26) | 61,0 (0,52) | 62,5 (0,78) | 64,0 (1,04) | 65,5 (1,29) | 67,0 (1,55) | 68,5 (1,81) | 70,1 (2,07) |
52,12 | 57,1 (0,0) | 58,6 (0,26) | 60,1 (0,52) | 61,6 (0,78) | 63,1 (1,04) | 64,7 (1,30) | 66,2 (1,56) | 67,6 (1,82) | 69,2 (2,08) |
52,5 | 56,3 (0,0) | 58,8 (0,26) | 59,3 (0,52) | 60,8 (0,79) | 62,3 (1,05) | 63,8 (1,31) | 65,3 (1,58) | 66,8 (1,84) | 68,3 (2,1) |
Таблица 5
Значение g для образцов типа 3
l х 103, м | g, м1/2/м2 | l х 103, м | g, м1/2/м2 | l х 103, м | g, м1/2/м2 | l х 103, м | g, м1/2/м2 |
11,250 | 4220 | 22,50 | 1490 | 45,0 | 528 | 67,50 | 287 |
11,375 | 4280 | 22,75 | 1510 | 45,5 | 535 | 68,25 | 291 |
11,5 | 4340 | 23,0 | 1530 | 46,0 | 542 | 69,0 | 295 |
11,625 | 4400 | 23,25 | 1560 | 46,5 | 550 | 69,75 | 299 |
11,75 | 4460 | 23,5 | 1580 | 47,0 | 558 | 70,5 | 304 |
11,875 | 4530 | 23,75 | 1600 | 47,5 | 566 | 71,25 | 308 |
12,0 | 4600 | 24,0 | 1630 | 48,0 | 575 | 72,0 | 313 |
12,125 | 4670 | 24,25 | 1650 | 48,5 | 583 | 72,75 | 318 |
12,25 | 4740 | 24,5 | 1680 | 49,0 | 592 | 73,5 | 322 |
12,375 | 4810 | 24,75 | 1700 | 49,5 | 602 | 74,25 | 327 |
12,5 | 4890 | 25,0 | 1730 | 50,0 | 611 | 75,0 | 332 |
12,625 | 4960 | 25,25 | 1760 | 50,5 | 620 | 75,75 | 338 |
12,75 | 5040 | 25,5 | 1780 | 51,0 | 630 | 76,5 | 343 |
12,875 | 5120 | 25,75 | 1810 | 51,5 | 641 | 77,25 | 349 |
13,0 | 5210 | 26,0 | 1840 | 52,0 | 651 | 78,0 | 354 |
13,125 | 5290 | 26,25 | 1870 | 52,5 | 662 | 78,75 | 360 |
13,25 | 5380 | 26,50 | 1900 | 53,0 | 672 | 79,5 | 366 |
13,375 | 5470 | 26,75 | 1930 | 53,5 | 684 | 80,25 | 372 |
13,5 | 5560 | 27,0 | 1965 | 54,0 | 695 | 81,00 | 378 |
13,625 | 5650 | 27,25 | 2000 | 54,5 | 706 | 81,75 | 384 |
13,75 | 5750 | 27,5 | 2030 | 55,0 | 718 | 82,5 | 391 |
Таблица 6
Значения g для образцов типа 4
l х 103, м | g, м1/2/м2 | l х 103, м | g, м1/2/м2 | l х 103, м | g, м1/2/м2 | l х 103, м | g, м1/2/м2 |
11,250 | 4630 | 22,50 | 1640 | 45,0 | 578 | 67,50 | 315 |
11,375 | 4690 | 22,75 | 1660 | 45,5 | 587 | 68,25 | 319 |
11,5 | 4760 | 23,0 | 1680 | 46,0 | 595 | 69,0 | 324 |
11,625 | 4830 | 23,25 | 1710 | 46,5 | 604 | 69,75 | 329 |
11,75 | 4905 | 23,5 | 1730 | 47,0 | 613 | 70,5 | 334 |
11,875 | 4980 | 23,75 | 1760 | 47,5 | 623 | 71,25 | 339 |
12,0 | 5060 | 24,0 | 1790 | 48,0 | 632 | 72,0 | 344 |
12,125 | 5140 | 24,25 | 1820 | 48,5 | 642 | 72,75 | 350 |
12,25 | 5220 | 24,5 | 1850 | 49,0 | 652 | 73,5 | 355 |
12,375 | 5300 | 24,75 | 1870 | 49,5 | 663 | 74,25 | 361 |
12,5 | 5390 | 25,0 | 1900 | 50,0 | 673 | 75,0 | 367 |
12,625 | 5470 | 25,25 | 1935 | 50,5 | 684 | 75,75 | 373 |
12,75 | 5560 | 25,5 | 1970 | 51,0 | 695 | 76,5 | 379 |
12,875 | 5655 | 25,75 | 2000 | 51,5 | 707 | 77,25 | 385 |
13,0 | 5750 | 26,0 | 2030 | 52,0 | 719 | 78,0 | 391 |
13,125 | 5840 | 26,25 | 2070 | 52,5 | 731 | 78,75 | 398 |
13,25 | 5940 | 26,5 | 2100 | 53,0 | 743 | 79,5 | 404 |
13,375 | 6040 | 26,75 | 2140 | 53,5 | 755 | 80,25 | 411 |
13,5 | 6140 | 27,0 | 2170 | 54,0 | 768 | 81,00 | 418 |
13,625 | 6250 | 27,25 | 2210 | 54,5 | 781 | 81,75 | 425 |
13,75 | 6350 | 27,5 | 2250 | 55,0 | 794 | 82,5 | 432 |
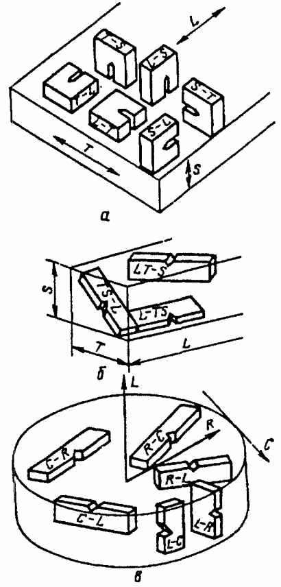
9. Рекомендуется следующая система кодирования обозначения конфигурации образца и способа его нагружения, ориентации плоскости трещины и направления ее развития по отношению к базовым направлениям заготовки и технологического процесса получения заготовки:
Х (Х/Х) (Х) Х
│ │ │ │ │
│ │ │ │ └──── технологический процесс получения
│ │ │ │ заготовки
│ │ │ │
│ │ │ │ обозначение ориентации плоскости
│ │ │ └───────── {трещины и ожидаемого направления ее
│ │ │ роста по отношению к базовым
│ │ │ направлениям заготовки
│ │ │
│ │ └──────────────── ширина плоских образцов типов 1, 3 и 4
│ │
│ │ толщина плоских образцов типов 1, 3 и 4
│ └────────────────── {или диаметр цилиндрического образца
│ типа 2
│
│ обозначение конфигурации образца и
└──────────────────────── {способа его нагружения
9.1. Обозначение конфигурации образцов и способа их нагружения по
п. 2.1 настоящего стандарта.
9.2. Толщину t и (через риску) ширину b плоских образцов типов 1, 3 и 4 или диаметр D для цилиндрических образцов типа 2 обозначают числами (в миллиметрах) в скобках.
9.3. Обозначения ориентации плоскости трещины и направления ее роста по отношению к базовым направлениям заготовок прямоугольного и кругового поперечного сечения используют буквенные обозначения, которые заключают в скобки и следуют за обозначениями толщины образцов в соответствии с чертежом.
а, б - заготовки прямоугольного сечения; в - заготовки
с круговым поперечным сечением; L - направление проката (а, б)
или направление оси заготовки (в)
9.4. Для образцов из материала, не обладающего анизотропией механических свойств, ориентация плоскости трещины и направление роста трещины указывается символом "0".
9.5. Технологический процесс получения заготовки указывают в скобках после обозначения ориентации плоскости трещины, например: (прокат); (поковка); (отливка); (штамповка) и др.
9.6. Пример кодированного обозначения образца, испытанного на трещиностойкость:
тип 3 (25/50) (L-T) (прокат).
Расшифровка кода: образец на внецентренное растяжение толщиной t равной 25 мм, шириной b равной 50 мм; плоскость начальной трещины ориентирована перпендикулярно к направлению проката; развитие трещины поперек проката; вид заготовки - листовой прокат.
Рекомендуемое
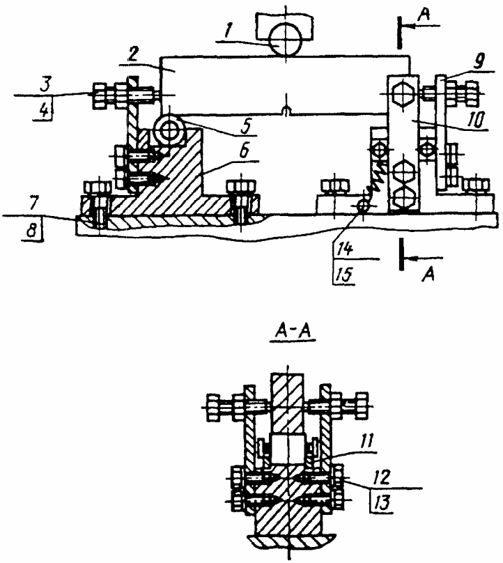
МЕТОДИКА НАНЕСЕНИЯ УСТАЛОСТНЫХ ТРЕЩИН И ПРИСПОСОБЛЕНИЯ
ДЛЯ УСТАНОВКИ ОБРАЗЦОВ В ЗАХВАТЫ ИСПЫТАТЕЛЬНОЙ МАШИНЫ
1. Конструкцию, а также технологию и точность изготовления приспособлений для крепления и нагружения образцов выбирают так, чтобы обеспечить выполнение требований
п. 3.6 настоящего стандарта и соблюсти ограничения на геометрические параметры трещины (
пп. 2.5,
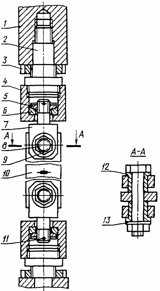
2.7 настоящего стандарта). Размеры и материал приспособлений назначать с учетом требований к их прочности и жесткости. В подвижных соединениях стремятся максимально уменьшить трение и выработку, для чего применяют антифрикционные втулки и смазку. В приспособлениях по возможности используют (частично или полностью) захваты серийных испытательных машин и прилагаемые к ним приспособления.
2. Нет принципиальных различий в требованиях к приспособлениям, используемым для предварительного нанесения исходной трещины и при последующих испытаниях на трещиностойкость, то если эти операции осуществляют на различных машинах, приспособления могут отличаться.
3. Образцы, испытываемые на растяжение (типы 1 и 2), нагружают через самоцентрирующиеся соединения (двойной цилиндрический шарнир, сферический шарнир, либо шаровые опоры). Жесткое соединение приспособлений с тягами (траверсой) испытательной машины допускается только в том случае, если возникающие в образце изгибные напряжения составляют не более +/- 5% от растягивающих.
4. Приспособления для образцов типа 1
4.1. Усилие на образцы типа 1 небольшой ширины (до 80 мм) передается непосредственно через палец и вилку (черт. 1), а более широкие образцы предварительно зажимают болтами или шпильками через накладки расположенных в один, два или три (редко больше) ряда (
черт. 2). Ширина накладок должна быть не меньше ширины образца. Для увеличения сцепления между накладками и образцом обычно на их внутренней стороне закрепляют сменные вкладыши из твердой стали (HRC 45-50) с острыми выступами на поверхности, контактирующей с образцом. Вместо вкладышей допускается делать насечку непосредственно на внутренней поверхности накладок. При испытании образцов из твердых материалов допускается делать вкладыши из фрикционного материала или из мягкого материала, а насечку наносить на образце.
Приспособление для крепления образцов типа 1
1 - тяга машины; 2 - переходник; 3 - гайка фиксирующая;
4 - стакан; 5 - гайка сферическая; 6 - шайба сферическая;
7 - вилка; 8 - палец; 9 - гайка; 10 - образец; 11 - штифт;
12 - втулка установочная; 13 - шайба
Приспособление для крепления образцов типа 1
1 - тяга машины; 2 - вилка; 3 - гайка фиксирующая; 4 - палец;
5 - шплинт; 6 - накладка; 7 - болт; 8 - гайка; 9 - шайба;
10 - образец; 11 - вкладыши
4.2. Диаметр отверстий под палец в образце и накладках не должен превышать 0,3 ширины образца, отклонение центров этих отверстий (в самом образце и в собранном с накладками) от оси образца не должно превышать 0,001 его ширины, а расстояние между центрами отверстий по оси образца должна быть не менее чем в 2,2 раза больше ширины. Посадка пальца в отверстии образца, накладки или вилки -

.
4.3. Боковые зазоры между образцом (
черт. 1) или накладками и вилкой назначают около 5% его ширины. При больших зазорах применяют сменные установочные втулки различной длины (
черт. 1).
4.4. При необходимости ослабленное отверстием сечение образцов шириной до 80 мм усиливают с двух сторон пластинами толщиной не менее 3 мм, которые прикрепляют к образцу заклепками или болтами (черт. 3). С этой целью концевые части образцов можно также расширить в 1,2 - 1,5 раза, причем длина рабочей части образца должна быть не менее 1,8 ее ширины.
Приспособление для крепления образцов типа 1
1 - тяга машины; 2 - переходник; 3 - гайка фиксирующая;
4 - вилка; 5 - палец; 6 - шплинт; 7 - болт; 8 - гайка;
9 - образец; 10 - пластина
Черт. 3
5. Приспособление для образца типа 3
Усилие на образец типа 3 передается через палец и вилку (черт. 4). Свободное вращение пальца обеспечивается посадкой

. Боковые зазоры образца и их регулировка такие же, как в случае образца типа 1 (см.
4.3 настоящего приложения). Если диаметры отверстий в вилке и в образце не равны, то применяют установочные втулки соответствующего размера.
Приспособление для крепления образцов типа 3
1 - тяга машины; 2 - вилка; 3 - гайка фиксирующая; 4 - образец;
5 - палец; 6 - гайка; 7 - шайба; 8 - втулка установочная
Черт. 4
6. Приспособления для образцов типа 2 для нанесения усталостной трещины и для испытаний отличаются
6.1. Усталостные трещины рекомендуется образовывать при круговом жестком (с заданным прогибом) изгибе, что способствует осесимметричному развитию трещины. С этой целью используют нагрузочное приспособление, показанное на черт. 5. Образцы диаметром более 15 мм нагружают по четырехточечной, а менее - по трехточечной схеме изгиба. Трещину можно образовать также при нагружении по схеме кругового консольного изгиба. Для контроля усилия в приспособление вмонтирован тензорезисторный динамометр, который позволяет по уменьшению жесткости образца судить также о продвижении усталостной трещины. Требуемая ее глубина обычно достигается при падении нагрузки на 10 - 14%. Установка образца по отношению к нагружающему ролику должна быть такова, чтобы перемещение ролика было перпендикулярным к оси образца с погрешностью не более 2°, усилие передавалось на образец равномерно по всей ширине ролика, и линия контакта располагалась симметрично плоскости надреза с относительной погрешностью не более 2%. Крепление приспособления должно позволять плавно изменять прогиб образца и поддерживать его постоянным с погрешностью не более 5%. В случае нанесения трещины на токарном станке образец зажимают в центрах или в патроне, а нагрузочное приспособление закрепляют на суппорте.
Приспособление для нанесения усталостных
трещин на образцах типа 2
а - трехточечный изгиб; б - четырехточечный изгиб; 1, 6 - вилка
нагрузочная; 2 - шарик; 3 - динамометр; 4 - корпус; 5 - гайка;
7 - шарикоподшипник; 8, 13 - ось; 9 - кольцо; 10, 14 - образец;
11 - шайба; 12 - гайка
Черт. 5
| | ИС МЕГАНОРМ: примечание. Взамен ГОСТ 1497-73 Постановлением Госстандарта СССР от 16.07.1984 N 2515 с 1 января 1986 года введен в действие ГОСТ 1497-84. | |
6.2. Образцы типа 2 испытывают в стандартных захватах, предназначенных для испытаний цилиндрических образцов на растяжение по ГОСТ 1497-73.
7. Приспособление для образцов типа 4
7.1. Образцы типа 4 устанавливают на роликовых опорах диаметром, равным b/3 (с погрешностью +/- 0,5 мм) (черт. 6). Оси роликов должны быть параллельны (с погрешностью до 2°) друг к другу и плоскости надреза и находиться на равных расстояниях от нее с относительной погрешностью не более 1%. Роликовые опоры фиксируют упругими элементами (например, пружинами), которые прижимают их к гнезду в корпусе опоры. Положение образца фиксируют установочными болтами, между концами которых и образцом во избежание его зажатия должен оставаться зазор порядка 0,1 - 0,2 мм. Установка образца и по отношению к нагружающему ролику (призмы) должна быть такова, чтобы перемещение ролика было перпендикулярным с погрешностью до 2° к верхней грани образца, усилие передавалось на образец равномерно по всей его ширине, а относительная погрешность совпадания линии контакта с плоскостью надреза не превышала 1%.
Приспособление для установки образцов типа 4
1 - ролик нагружающий; 2 - образец; 3 - болт установочный;
4 - гайка; 5 - ролик опорный; 6 - корпус опоры; 7 - болт;
8 - шайба; 9 - пластина торцевая; 10 - пластина боковая;
11 - пластина ограничительная; 12 - болт; 13 - шайба;
14 - винт; 15 - пружина
Черт. 6
7.2. Допускается наносить усталостные трещины в образцах типа 4 при чистом или консольном изгибе. Приспособления для зажима образцов должны обеспечить установку образца без проскальзывания и перекосов.
8. Выбор нагрузки при нанесении исходных усталостных трещин на образцах, предназначенных для определения

,

,

,

(см.
примечание 2 п. 2.6 настоящего стандарта).
8.1. Максимальную нагрузку цикла при нанесении исходных усталостных трещин для образцов типов 1, 3 и 4 вычисляют по формуле

,
где

= 0,75

на начальном участке и

= 0,6

на конечном участке усталостной трещины длиной не менее 1,5 мм (

- предполагаемое значение

).
Значения Y для образцов типов 1, 3 и 4, рассчитанные для надреза, как для трещины длиной h, приведены в таблице, где

- для образцов типа 1,

- для образцов типа 3 и

- для образцов типа 4.
2h/b | 0,20 | 0,21 | 0,22 | 0,23 | 0,24 | 0,25 | 0,26 | 0,27 | 0,28 | 0,29 |
| 0,575 | 0,590 | 0,605 | 0,620 | 0,635 | 0,650 | 0,664 | 0,679 | 0,693 | 0,708 |
h/b | 0,25 | 0,275 | 0,300 | 0,325 | 0,350 | 0,375 | 0,400 | 0,425 | | |
| 4,925 | 5,265 | 5,621 | 5,995 | 6,392 | 6,818 | 7,279 | 7,782 | | |
| 5,332 | 5,688 | 6,064 | 6,465 | 6,896 | 7,365 | 7,878 | 8,446 | | |
8.2. Максимальную нагрузку цикла при нанесении усталостной трещины в образцах типа 2 при нагружении круговым изгибом вычисляют по формуле

,

- рабочая длина образца при нагружении круговым изгибом.
Значение

вычисляют по формуле

,
где

;

.
Рекомендуемое
ДАТЧИКИ ДЛЯ ИЗМЕРЕНИЙ СМЕЩЕНИЯ
1. При испытаниях на трещиностойкость при температурах, отличающихся от комнатной, датчики смещения рекомендуется размещать в пределах крио- или термокамеры. Для монтажа тензорезисторов на упругие элементы датчиков необходимо использовать соответствующие клеи.
2. Диапазон измерений датчиков смещения v или прогибов f должен примерно на 50% превышать абсолютную деформацию образца в месте крепления датчика, соответствующую максимальной нагрузке на образец.
3. В качестве материала упругого элемента используют пружинные стали, бериллиевые бронзы, алюминиевые или титановые сплавы с высоким пределом упругости, со стабильными механическими свойствами в выбранном температурном диапазоне испытаний.
4. Тарировку датчиков смещения в соответствии с
п. 3.3 стандарта проводят в составе всей измерительной системы с применением градуировочных приспособлений, обеспечивающих отсчет перемещений с погрешностью не ниже +/- 0,005 мм.
Для датчиков, предназначенных для работы при температурах, отличающихся от комнатной, как исключение, допускается проведение градуировки при комнатной температуре с последующим уточнением ее в нескольких точках при температуре испытания.
5. Конструкцию двухконсольного датчика смещений рекомендуется выбирать исходя из следующих соображений:
5.1. Размер датчика G должен быть согласован с размером между установочными местами на образце (см. черт. 1):

,
где

- рабочий диапазон датчика;

- расстояние, измеряемое на ненагруженном образце.
Черт. 2
5.2. Рабочий диапазон датчика смещения

равен

,
где

- предел текучести;
Е - модуль упругости материала упругого элемента датчика;

, L - его толщина и длина, соответственно (см.
черт. 1).
5.3. На упругие элементы датчика наклеивают тензорезисторы с сопротивлением 100 - 300 Ом и базой 5 - 20 мм и соединяют их в полный мост, обеспечивая температурную компенсацию (см.
черт. 1).
6. Чувствительность датчика с мостовой измерительной схемой равна

,
где

- напряжение питания моста тензорезисторов, которое рекомендуется выбирать от 6 до 12 В;
k - коэффициент тензочувствительности тензорезисторов по паспортным данным на тензорезистор.
Рекомендуемое
ОПРЕДЕЛЕНИЕ ХАРАКТЕРИСТИК ТРЕЩИНОСТОЙКОСТИ
Материал | Способ выплавки |
Химический состав | | | | | | | | |
| | | | | | | |
Механические свойства при температуре |  , МПа |  , МПа |  , % |  , % | | | | |
| | | | | | | |
Образец | Тип | Номер | Заготовка | Термообработка |
| | | |
Направление и место вырезки | Состояние поверхности | Микроструктура |
| | |
Размеры, м |
t | b | D | d | h | | |
| | | | | | |
Условия нанесения усталостной трещины |
Температура, К | R |  , МПа | N, цикл | Частота нагружения, Гц | Форма цикла | (l0 - h)*, м |
| | | | | |
Условия испытания | Испытательная машина | Температура, K | Среда | Давление, МПа | Скорость нагружения, МПа·м1/2/с (мм/с) | |
| | | | | |
| l1(d1), м | l2(d2), м | l3, м | l(d), м | S, м |  , м |  , м |  , м |
| | | | | | | |
 , м |  , м | | tC1, м | tC2, м | | S, м |  , м 2 |
| | | | | | | |
PQ, МН | PD, МН | РС, МН | tP, м | dP, м | DP, м |  , % | |
| | | | | | | |
vC, м | vD, м | vQ, м | vpC, м | ApC, МДж | Api, МДж |  , МПа | KC,  |
| | | | | | | |
KQ,  | KIC,  | lT, м | KQT,  |  ,  | Ji, МДж/м2 |  , м | JC, МДж/м2 |
| | | | | | | |
--------------------------------
<1> Для образцов типов 3 и 4

измеряют с обеих сторон образца. Записывают среднее арифметическое. Для образцов типа 1 необходимо провести четыре измерения

. В протокол записывают также среднее арифметическое (п. 2.7). При испытаниях на

в протокол записывают величины

,

, измеренные с каждой стороны образцов типов 3 и 4.
<2> К протоколу испытания прикладывают машинные диаграммы

или "P-f".
<3> При испытаниях на

в протокол записывают не менее 5 измерений статического подроста трещины (
п. 4.7.6).
<4> При испытаниях образцов типа 1 в протокол записывают еще

и

(
п. 4.8).
Рекомендуемое
СПОСОБЫ ФИКСАЦИИ ФРОНТА СТАТИЧЕСКИ ПОДРОСШЕЙ ТРЕЩИНЫ
Маркировка фронта подросшей трещины на изломе образца осуществляется либо тепловым окрашиванием поверхностей подросшей трещины, либо повторным циклическим нагружением образца. Для сталей целесообразно использовать тепловое окрашивание. Оно заключается в нагреве образца до 300 °С (600 °С для коррозионно-стойких сталей аустенитного класса) на воздухе и в воздействии этой температуры на образец в течение 10 мин на каждые 25 мм толщины образца. Для неподдающихся контрастному окрашиванию металлических материалов, а также для сталей применяют повторное циклическое нагружение образца. Длительность этого нагружения должна обеспечивать удлинение трещины не менее 1 - 2 мм на обеих боковых поверхностях образца. Максимальная нагрузка цикла должна составлять 0,4 - 0,7 от максимального уровня нагрузки, достигнутой в процессе испытаний образца.