Главная // Актуальные документы // ГОСТ (Государственный стандарт)СПРАВКА
Источник публикации
М.: Стандартинформ, 2007
Примечание к документу
С 1 июля 2003 года до вступления в силу технических регламентов акты федеральных органов исполнительной власти в сфере технического регулирования носят рекомендательный характер и подлежат обязательному исполнению только в части, соответствующей целям, указанным в
пункте 1 статьи 46 Федерального закона от 27.12.2002 N 184-ФЗ.
Документ
введен в действие с 1 января 1990 года.
Название документа
"ГОСТ 28114-89 (МЭК 885-2-87, МЭК 885-3-88). Межгосударственный стандарт. Кабели. Метод измерения частичных разрядов"
(утв. и введен в действие Постановлением Госстандарта СССР от 24.04.1989 N 1064)
"ГОСТ 28114-89 (МЭК 885-2-87, МЭК 885-3-88). Межгосударственный стандарт. Кабели. Метод измерения частичных разрядов"
(утв. и введен в действие Постановлением Госстандарта СССР от 24.04.1989 N 1064)
Утвержден и введен в действие
Постановлением Государственного
комитета СССР по стандартам
от 24 апреля 1989 г. N 1064
МЕЖГОСУДАРСТВЕННЫЙ СТАНДАРТ
КАБЕЛИ
МЕТОД ИЗМЕРЕНИЯ ЧАСТИЧНЫХ РАЗРЯДОВ
Cables. Method of measuring partial discharges
ГОСТ 28114-89
(МЭК 885-2-87, МЭК 885-3-88)
Дата введения
1 января 1990 года
1. РАЗРАБОТАН И ВНЕСЕН Министерством электротехнической промышленности СССР
2. УТВЕРЖДЕН И ВВЕДЕН В ДЕЙСТВИЕ Постановлением Государственного комитета СССР по стандартам от 24.04.89 N 1064
3. В стандарт введены международные стандарты МЭК 885-2-87 и МЭК 885-3-88
4. ВВЕДЕН ВПЕРВЫЕ
5. ССЫЛОЧНЫЕ НОРМАТИВНО-ТЕХНИЧЕСКИЕ ДОКУМЕНТЫ
Обозначение НТД, на который дана ссылка | Номер пункта, раздела |
| | ИС МЕГАНОРМ: примечание. Взамен ГОСТ 16962-71 в части требований по климатическим воздействиям к электротехническим изделиям народнохозяйственного назначения Постановлением Госстандарта СССР от 14.07.1989 N 2381 с 1 января 1990 года введен в действие ГОСТ 15543.1-89, в части методов климатических испытаний электротехнических изделий народнохозяйственного назначения Постановлением Госстандарта СССР от 14.07.1989 N 2382 с 1 января 1990 года введен в действие ГОСТ 16962.1-89, в части методов механических испытаний электротехнических изделий народнохозяйственного назначения Постановлением Госстандарта СССР от 23.05.1990 N 1266 с 1 января 1991 года введен в действие ГОСТ 16962.2-90, в части требований по механическим воздействиям к электротехническим изделиям народнохозяйственного назначения Постановлением Госстандарта СССР от 23.05.1990 N 1265 с 1 января 1991 года введен в действие ГОСТ 17516.1-90. | |
|
ГОСТ 16962-71 | |
| |
6. Ограничение срока действия снято по протоколу N 7-95 Межгосударственного совета по стандартизации, метрологии и сертификации (ИУС 11-95)
7. ПЕРЕИЗДАНИЕ. Август 2007 г.
Настоящий стандарт распространяется на силовые кабели с пластмассовой изоляцией и устанавливает метод измерения частичных разрядов.
Сущность метода - определение значения частичного разряда или проверка того, что значение частичного разряда не превышает установленное значение при установленных напряжении и чувствительности.
2.1. Оборудование
Оборудование включает в себя источник высокого напряжения промышленной частоты и мощности, достаточной для испытания строительных длин кабелей, высоковольтный вольтметр, измерительную схему, калибратор частичных разрядов, генератор двойных импульсов и при необходимости конечный импеданс и подавитель отражений.
2.2. Измерительная схема и приборы
Измерительная схема включает в себя соединительный конденсатор, испытуемый кабель, измерительный элемент, соединительные провода и измерительный прибор (детектор).
Детектор включает в себя усилитель, осциллоскоп и при необходимости дополнительное индикаторное устройство для регистрации частичных разрядов и измерения их кажущегося заряда.
2.3. Генератор двойных импульсов
Для проверки измерительной схемы используют генератор двойных импульсов, создающий два одинаковых импульса (одинакового кажущегося заряда), следующих друг за другом в плавно изменяющихся интервалах времени от 0,2 до 100 мкс. Длительность фронта импульсов (между 10% и 90% значения амплитуды) не должна превышать 20 нс; ширина импульса (время между 10%-ными значениями переднего и заднего фронтов) не должна превышать 150 нс. Импульсы могут быть синхронизированы с частотой сети.
2.4. Конечный импеданс
Для подавления отражения импульсов от конца кабеля, отдаленного от детектора, к нему может быть подключен конечный импеданс, соответствующий волновому сопротивлению кабеля.
2.5. Подавитель отражений
Для устранения наложения отражений при испытании без конечного импеданса можно применять подавитель отражений, который является электронным переключателем и в большинстве случаев может запереть вход детектора для импульсов, отраженных от открытого конца кабеля. Если источник частичных разрядов находится вблизи открытого конца, то положительное наложение неизбежно.
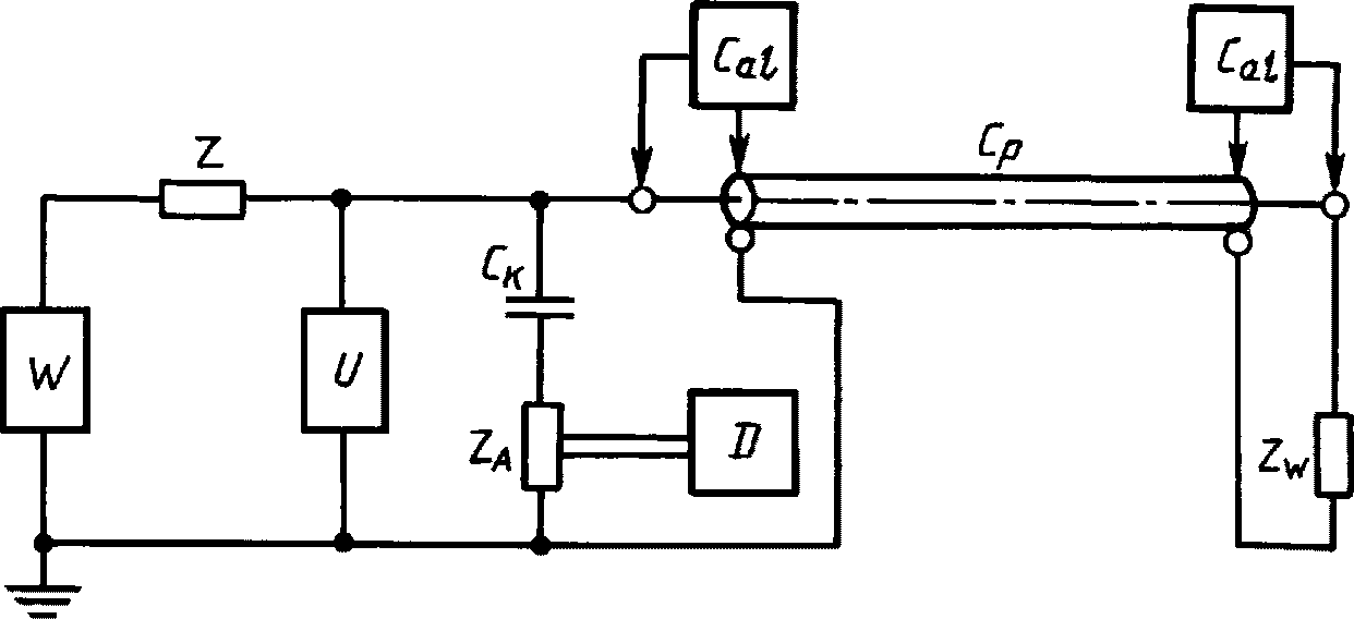
3. ОПРЕДЕЛЕНИЕ ХАРАКТЕРИСТИК ИЗМЕРИТЕЛЬНОЙ СХЕМЫ
Характеристики измерительной схемы должны быть определены в соответствии с условиями проведения измерения. Применяют измерительные схемы для подключения одного конца кабеля в соответствии с
черт. 1 -
5. Такую же измерительную схему можно применять, если оба конца кабеля соединены между собой. При этом оба конца экрана также должны быть соединены друг с другом.
Схема измерения с входным узлом и соединительным
конденсатором, включенными последовательно
Черт. 1
Схема измерения с входным узлом и кабелем,
включенными последовательно
Черт. 2
Черт. 3
Схема измерения с конечным импедансом
Черт. 4
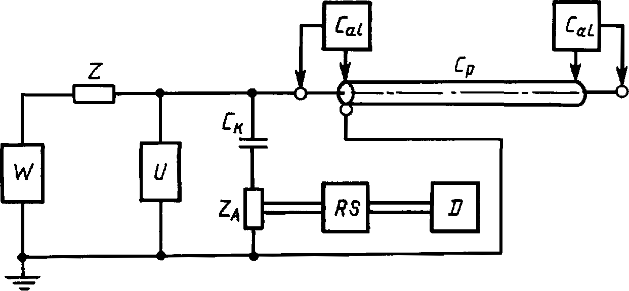
Схема измерения с подавителем отражений
Черт. 5
3.1. Наложение
Если не применяют конечный импеданс, необходимо определять свойства измерительной схемы с учетом наложения отраженных волн. Генератор двойных импульсов присоединяют согласно
черт. 6 и снимают диаграмму двойных импульсов (
п. 4.5 и
черт. 7 -
9).
Проверку проводят не реже одного раза в год, а также при замене или ремонте элементов схемы.
Присоединение генератора двойных импульсов
(при схеме измерения согласно
черт. 1)
Черт. 6
Примечание.
R1 - согласующее сопротивление со значением, соответствующим волновому сопротивлению коаксиального измерительного кабеля
M;
R2 - согласующее сопротивление со значением

(нагрузочное сопротивление ~
R от 50 до 60 Ом).
Диаграмма двойных импульсов типа 1
без отрицательного наложения
Черт. 7
Диаграмма двойных импульсов типа 2 с отрицательным
наложением между t1 и t2
Влияние положительного наложения между t2 и t100
Черт. 8
Диаграмма двойных импульсов типа 3 с отрицательным
и положительным наложениями между t1 и t2
Черт. 9
3.2. Конечный импеданс
Если применяют конечный импеданс
(черт. 4), его пригодность для испытуемого типа кабеля определяют по
п. 4.6.
Проверку проводят не реже одного раза в год, а также при замене или ремонте элементов схемы.
3.3. Подавитель отражений
Применение подавителя отражений целесообразно только тогда, когда благодаря ему достигается диаграмма двойных импульсов типа 1 согласно
черт. 7.
При применении схемы, изображенной на
черт. 10, эффективность подавителя отражений проверяют не реже одного раза в год, а также при замене или ремонте элементов схемы.
Присоединение генератора двойных импульсов в измерительной
схеме (согласно
черт. 5) с подавителем отражений
Черт. 10
W - источник высокого напряжения; U - высоковольтный
вольтметр; Z - импеданс или фильтр; ZA - измерительный
элемент; ZW - конечный импеданс; Cр - силовой кабель
(объект испытания); Cк - соединительный конденсатор;
D - детектор; Cal - калибратор; RS - подавитель отражений;
I - генератор двойных импульсов; M - коаксиальный кабель;
R1, R2 - согласующие сопротивления
Для градуировки должен применяться метод по
ГОСТ 20074.
При этом калибратор при обесточенном источнике высокого напряжения присоединен на одном конце испытуемого кабеля параллельно образцу для подачи коротких импульсов тока предварительно установленного значения заряда в испытуемый объект согласно
разд. 4.
Полученные импульсы на осциллоскопе должны дать высоту показаний не менее 10 мм.
Если конденсатор для подачи градуировочного импульса не рассчитан на полное напряжение, при котором проводят измерения, то необходимо отключать его от измерительной схемы до подачи напряжения. После этого регулировка усилителя не должна изменяться, за исключением тех случаев, когда применяются меры, обеспечивающие постоянное присутствие градуировочного импульса на экране осциллоскопа в течение всего времени измерения.
Такими мерами могут быть:
1) Использование для подачи градуировочного импульса конденсатора, рассчитанного на полное напряжение. В этом случае нет необходимости отключать калибратор до подачи напряжения.
2) Подключение дополнительного калибратора непосредственно на вход детектора. Импульс от этого калибратора должен быть предварительно отградуирован с помощью калибратора, подключенного к одному из концов испытуемого кабеля.
Градуировочный заряд (qcal) в пикокулонах вычисляют по формуле

(1)
где Ccal - калибровочная емкость, пФ (калибровочная емкость меньше емкости испытуемого объекта);

- амплитуда калибровочного импульса, В.
Для кабелей больших длин устанавливается дополнительное требование - емкость градуировочного конденсатора не должна превышать 150 пФ.
Градуировочный (масштабный) коэффициент измерительного прибора k - это коэффициент, на который должно быть умножено показание измерительного прибора, чтобы получить величину заряда, подаваемого в испытуемый объект при градуировке.
Чувствительность измерительной схемы (с источником высокого напряжения и контрольно-измерительными приборами) определяется минимально измеряемым импульсом частичных разрядов qmin в пикокулонах, наблюдаемым при фоновых помехах. Отдельные, четко не определенные импульсы помех могут не приниматься во внимание.
Для ясной различимости величина импульса частичных разрядов (полезный сигнал) должна быть не ниже двойной величины уровня помех hп:
qmin = 2k·hп. (2)
Требуемая чувствительность должна быть выбрана согласно
разд. 4.
При контрольных испытаниях чувствительность должна быть не менее 20 пКл для таких изоляционных материалов, как полиэтилен, сшитый полиэтилен, этиленпропиленовая резина, бутилкаучук, и не менее 40 пКл для поливинилхлорида.
В случае типовых испытаний чувствительность должна быть не менее 5 пКл для любых изоляционных материалов.
| | ИС МЕГАНОРМ: примечание. Взамен ГОСТ 16962-71 в части требований по климатическим воздействиям к электротехническим изделиям народнохозяйственного назначения Постановлением Госстандарта СССР от 14.07.1989 N 2381 с 1 января 1990 года введен в действие ГОСТ 15543.1-89, в части методов климатических испытаний электротехнических изделий народнохозяйственного назначения Постановлением Госстандарта СССР от 14.07.1989 N 2382 с 1 января 1990 года введен в действие ГОСТ 16962.1-89, в части методов механических испытаний электротехнических изделий народнохозяйственного назначения Постановлением Госстандарта СССР от 23.05.1990 N 1266 с 1 января 1991 года введен в действие ГОСТ 16962.2-90, в части требований по механическим воздействиям к электротехническим изделиям народнохозяйственного назначения Постановлением Госстандарта СССР от 23.05.1990 N 1265 с 1 января 1991 года введен в действие ГОСТ 17516.1-90. | |
Измерение проводят в нормальных климатических условиях по ГОСТ 16962 на строительных или коротких длинах кабеля.
Напряжение, нормы частичных разрядов и чувствительность (если она указана) должны быть установлены в соответствии с требованиями стандартов или технических условий на кабели.
Испытательное напряжение прикладывают между токопроводящей жилой и экраном. Напряжение предварительно должно повышаться до значения, превышающего на 0,25U0 напряжение, при котором производится измерение частичного разряда. Время выдержки при этом значении напряжения не более 1 мин.
Если стандарт на конкретный тип кабеля требует, чтобы измерения частичных разрядов проводились при 1,5U0, то напряжение плавно уменьшают и измерение частичных разрядов осуществляют при напряжении, установленном для измерения в стандарте на конкретный тип кабеля.
Выбор измерительной схемы зависит от диаграммы двойных импульсов
(п. 4.5) для кабеля короткой длины
(п. 4.1) и большой длины (
пп. 4.2,
4.3 и
4.4).
Для достижения требуемой чувствительности измерительная схема должна быть свободна от частичных разрядов
(п. 3.5). Градуировка должна быть проведена при обесточенном источнике высокого напряжения
(п. 3.4).
4.1.1. Требования
При коротких длинах кабель можно рассматривать как сосредоточенную емкость. Значение длины кабеля Lк, при которой кабель уже нельзя рассматривать как сосредоточенную емкость, зависит от схемы измерения и должно быть вычислено с помощью диаграммы двойных импульсов по формуле
Lк = 0,5tк·v, (3)
где v - волновая скорость, м/мкс.
Примечание. Длины до 2
Lк считают короткими, если оба конца кабеля соединены между собой согласно указанному в
разд. 3.
4.1.2. Проверка чувствительности
Калибратор подключают параллельно кабелю на конце, отдаленном от детектора.
Подают градуировочный заряд qcal и получаемое значение величины показания (на осциллоскопе) a2 используют для расчета масштабного коэффициента (k2) в пикокулонах на миллиметр
k2 = qcal/a2, (4)
и чувствительности (qmin) в пикокулонах
qmin = 2k2·hп, (5)
где hп - высота уровня помех, мм.
4.1.3. Метод измерения
Измерение должно быть проведено только на одном конце кабеля.
Величину частичных разрядов (q) в пикокулонах вычисляют по формуле
q = k2·A, (6)
где A - измеренное значение, мм.
4.2. Большие длины, испытуемые без конечного импеданса
4.2.1. Требования
Для длин кабелей, превышающих значение Lк, возможно проведение испытания без конечного импеданса при условии, что учитываются явления наложения и затухания. Испытание без конечного импеданса допустимо, если диаграмма двойных импульсов соответствует:
типам 2 и 3 (
черт. 8 и
9), если длина кабеля
L лежит вне пределов
2L1 <= L <= 2L2.
Для длин внутри этих пределов должна быть применена альтернативная измерительная схема (
черт. 1 -
3 и
5) или метод, описанный в
пп. 4.3 и
4.4.
4.2.2. Проверка чувствительности
Как показано на
черт. 1 -
3 и
5, калибратор поочередно соединяют с каждым концом кабеля при одинаковой установке усилителя и одинаковом градуировочном заряде.
Должны быть определены следующие значения:
a1, мм - измеренное значение высоты импульса при присоединении калибратора к концу вблизи детектора;
a2, мм - измеренное значение высоты импульса при присоединении калибратора к концу, отдаленному от детектора.
Значение a1 и градуировочный заряд qcal (в пикокулонах) используют для вычисления масштабного коэффициента (k1) в пикокулонах на миллиметр
k1 = qcal/a1. (7)
Значения a1 и a2 используют для вычисления поправочного коэффициента (F), учитывающего затухание
F = 1, если a2 >= a1; (8)

, если
a2 <
a1. (9)
Чувствительность (qmin) в пикокулонах вычисляют по формуле
qmin = 2k1·hп·F, (10)
где hп - высота уровня помех, мм.
Измерение должно быть проведено дважды путем присоединения высоковольтного зажима соединительного конденсатора один раз к одному и другой раз к другому концу кабеля.
Из двух измеренных значений A1 и A2 выбирают большее Amax, мм. С помощью масштабного коэффициента k1 и поправочного коэффициента F вычисляют величину частичного разряда (q) в пикокулонах по формуле
q = k1·Amax·F. (11)
Если диаграмма двойных импульсов типа 1
(черт. 7) и
a2 >=
a1, достаточно измерения
A, мм, при этом оба конца кабеля соединены между собой согласно
разд. 3. Величина частичных разрядов тогда
q = k1·A. (12)
4.3. Большие длины, испытуемые с конечным импедансом
4.3.1. Требования
Для исключения погрешностей, вызванных наложением отраженных импульсов, кабели с длиной более
Lк могут испытываться с конечным импедансом, как показано на
черт. 4. Этот метод может быть применен при любых типах детекторов и любых длинах кабеля при условии, что импеданс
ZW соответствует требованиям
п. 4.6.
Соответствие требованиям должно быть проверено методом по
п. 4.6.
4.3.2. Проверка чувствительности
Калибратор должен быть поочередно соединен с каждым концом кабеля, как показано на
черт. 4, при одинаковой установке усилителя и одинаковом калибровочном заряде.
Должны быть определены следующие значения:
a1, мм - измеренное значение высоты импульса при присоединении калибратора к концу вблизи детектора. Это измерение не требуется, если достаточен метод, изложенный в
п. 4.3.3.2;
a2, мм - измеренное значение высоты импульса при присоединении калибратора к концу, отдаленному от детектора.
Масштабный коэффициент (k2) в пикокулонах на миллиметр и чувствительность (qmin) в пикокулонах вычисляют по формулам:
k2 = qcal/a2; (13)
qmin = 2k2·hп, (14)
где hп - высота уровня помех, мм.
4.3.3. Метод измерения
4.3.3.1. Для определения значения частичных разрядов с большей точностью высоковольтный конец соединительного конденсатора должен быть поочередно соединен с каждым концом кабеля и определены оба значения A1 и A2 (мм).
Величину частичных разрядов (q) в пикокулонах вычисляют по формуле

(15)
4.3.3.2. Для проверки, не превышает ли значение частичного разряда установленного значения, проводят испытание, при котором высоковольтный конец соединительного конденсатора присоединяют только к одному концу кабеля. В этом случае градуировочный импульс подают только на отделенный от детектора конец кабеля, нагруженный конечным импедансом.
На основании измеренного значения (A1) в миллиметрах и масштабного коэффициента (k2) в пикокулонах на миллиметр получают величину частичных разрядов (q) в пикокулонах:
q = k2·A1. (16)
4.4. Большие длины, испытуемые с подавителем отражений
4.4.1. Требования
В случае применения подавителя отражений диаграмма двойных импульсов должна соответствовать типу 1
(черт. 7).
4.4.2. Проверка чувствительности и метод измерения соответствуют изложенному в
пп. 4.2.2 и
4.2.3.
4.5. Снятие диаграммы двойных импульсов
4.5.1. Генератор двойных импульсов должен быть соединен с элементами измерительной схемы согласно
черт. 6. На диаграмму двойных импульсов влияет каждое изменение отдельных элементов схемы. Поэтому необходимо снимать диаграмму двойных импульсов при тех же самых условиях, как и при испытании высоким напряжением.
Силовой кабель заменяют нагрузочным сопротивлением, соответствующим максимальному волновому сопротивлению кабеля с пластмассовой изоляцией R ~ от 50 до 60 Ом.
Двойные импульсы подают на те же места, что и градуировочные импульсы для различных испытательных схем, изображенных на
черт. 1 -
3.
4.5.2. Условия для снятия диаграммы двойных импульсов
4.5.2.1. Генератор двойных импульсов 1 должен отвечать требованиям
п. 2.3. Интервалы между импульсами должны быть определены с применением дополнительного осциллоскопа с градуированной линией времени с погрешностью +/- 3% или не менее 50 нс. Общий выходной импеданс должен лежать в пределах от 50 до 60 Ом. Для достижения этих величин можно включать параллельно или последовательно с выходом дополнительные активные сопротивления.
Диаграмму двойных импульсов снимают следующим методом.
Выполняют соединения генератора двойных импульсов с соединительным конденсатором
Cк и с измерительным импедансом
ZA с помощью соединительных проводов длиной не более 3 м. Для больших соединений следует применять коаксиальный кабель
(черт. 6). В этом случае необходимы два согласующих сопротивления
R1 и
R2, чтобы для согласованной системы был обеспечен импеданс от 50 до 60 Ом в качестве нагрузочного сопротивления.
4.5.2.2. Конденсатор Cк и другие высоковольтные элементы измерительной схемы должны быть такими же и с тем же соединением, как при испытании высоким напряжением.
4.5.2.3. При снятии диаграммы двойных импульсов так же, как и при испытании высоким напряжением, должны применяться согласующие сопротивления или импеданс детектора.
4.5.2.4. Усилитель показаний D должен быть с тем же усилением и с тем же пределом частот, как и при испытании высоким напряжением. Для точного измерения изменений амплитуды импульса при явлении наложения на выходе усилителя показаний D дополнительно должен быть присоединен осциллоскоп.
4.5.3. Временный интервал генератора двойных импульсов должен быть установлен на 100 мкс и измерены оба импульса
A100 на детекторе частичных разрядов. Затем временной интервал уменьшается до 0,2 мкс; для различных значений в интервале
t, измеренных между максимальными амплитудными значениями двух импульсов, должна быть измерена максимальная высота показания
At. Особое внимание уделяют зонам положительных и отрицательных наложений. Значения
At/
A100 должны быть нанесены в виде функции от
t, для получения диаграммы двойных импульсов. Примеры диаграммы приведены на
черт. 7 -
9.
Значение tк, когда At/A100 = 1,4 на начальном участке с положительным наложением, должно быть определено по диаграмме. Должны быть определены t1 и t2, когда At/A100 <= 1,0 во всех зонах отрицательного наложения. Учитывая погрешность измерения, зонами отрицательного наложения до 10% можно пренебречь. Длины кабелей Lк, L1 и L2, соответствующие tк, t1 и t2, должны быть вычислены по формуле
L = 0,5t·v,
где v - средняя скорость распространения, м/мкс.
Значения для большинства кабелей с пластмассовой изоляцией лежат между 150 и 170 м/мкс. При необходимости должно быть измерено соотношение скоростей распространения путем подачи градуировочного импульса в кабель без конечного импеданса и измерения времени задержки между входящим и отраженным импульсами.
Кабельные длины
L <
Lк можно рассматривать в качестве коротких длин. Их длина может быть 100 м и более 1000 м. Длины между 2
L1 и 2
L2 считаются недопустимыми, и кабели с такими длинами должны испытываться с конечным импедансом
(п. 4.3) или с изменением измерительной схемы (
D,
ZA,
Cк), чтобы иметь возможность получить для
L1 и
L2 более подходящие значения. Альтернативно можно удвоить значение
Lк, соединяя оба конца кабеля между собой.
4.6. Требования к конечному импедансу
Конечный импеданс
ZW, изображенный на
черт. 4, представляет собой RC-цепь или RLC-цепь, выбрасываемые экспериментально.
4.6.1. RC-цепь
Для проверки пригодности конденсатора CW применяют следующую методику измерения.
RC-цепь должна быть присоединена к концу кабеля, отдаленному от детектора. Емкостная составляющая закорачивается, а активная составляющая устанавливается равной волновому сопротивлению кабеля.
Затем к тому же отдаленному от детектора концу присоединяют калибратор и измеряют значение a2. При устранении короткого замыкания конденсатора CW значение a2 не должно измениться более чем на 15%.
Для детекторов частичных разрядов с верхней граничной частотой менее 2 МГц можно достигнуть положительной оценки емкости CW (высоковольтный соединительный конденсатор от ZW), применяя формулу

(17)
где RW - активная составляющая конечного импеданса (соответствует приблизительно волновому сопротивлению);
fm - средняя измерительная частота детектора (среднеарифметическое значение верхней и нижней граничных частот детектора).
Для измерительных приборов с широкополосным усилителем с верхней граничной частотой более 2 МГц, в связи с электронным интегрирующим блоком, значение CW должно быть оценено соотношением

(18)
где Tj - продолжительность оригинального импульса частичного разряда (менее 0,2 мкс).
4.6.2. RLC-цепь (последовательный резонансный контур)
Для контроля пригодности резонансного контура при соответствующей измерительной частоте должно быть выполнено следующее измерение.
При отсоединенном конечном импедансе к концу кабеля, отдаленному от детектора, присоединяют активное сопротивление, равное волновому сопротивлению кабеля. К концу, отдаленному от детектора, присоединяют калибратор и измеряют значение a2.
Активное сопротивление заменяют конечным импедансом, состоящим из RLC-цепи. При частоте измерения активная составляющая конечного импеданса должна соответствовать сопротивлению RW.
При этом значение a2 не должно изменяться более чем на 15%.
Ориентировочные величины значений емкости CW и индуктивности вычисляют по формулам:

(19)

(20)
где RW - активная составляющая конечного импеданса (соответствует приблизительно волновому сопротивлению кабеля);
fm - средняя измерительная частота детектора (среднеарифметическое значение верхней и нижней граничных частот детектора);

- ширина полосы детектора (разность верхней и нижней граничных частот детектора).
Результат считают удовлетворительным, если максимальное значение частичных разрядов, указанное в стандарте или технических условиях на кабель, не превышено.