Список изменяющих документов (в ред. Изменения N 1, утв. в мае 1979 г., Изменения N 2, утв. в декабре 1985 г., Изменения N 3, утв. в январе 1989 г., Изменения N 4, утв. в октябре 1991 г.) |
Обозначение НТД, на который дана ссылка | Номер пункта |
ТУ 48-19-367-83 |
Обозначение формы | Область применения | Эскиз |
Для оснащения долотчатых коронок перфораторного бурения | ![]() | |
Для оснащения крестовых коронок перфораторного и пневмоударного бурения | ![]() | |
Для оснащения буровых коронок к погружным пневмоударникам | ![]() | |
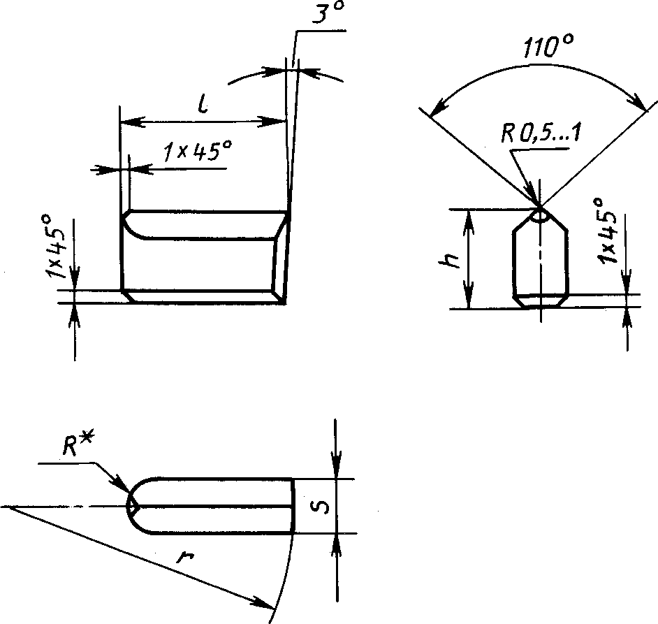
Для оснащения буровых коронок с прерывистым лезвием | ||
Для армирования угольных резцов | ![]() | |
Для армирования зубков угольных комбайнов и одношарошечных долот | ||
Для армирования резцов врубовых машин и угольных комбайнов | ![]() | |
Для армирования резцов врубовых машин и угольных комбайнов | ![]() | |
Для армирования шарошечных долот | ![]() | |
Для армирования шарошечных долот | ![]() | |
Для армирования резцов вращательного бурения | ![]() | |
Для армирования резцов вращательного бурения | ![]() | |
Для армирования резцов вращательного бурения по углю и мягким породам | ![]() | |
Для армирования резцов вращательного бурения по углю и мягким породам | ![]() | |
Для армирования резцов вращательного бурения по углю | ![]() | |
Для армирования резцов вращательного бурения по углю и мягким породам | ![]() | |
Для армирования резцов вращательного бурения | ![]() | |
Для армирования резцов вращательного бурения шпуров по вязким горючим сланцам и породам в сланцевых шахтах | ![]() | |
Для армирования коронок вращательного бурения геологоразведочных скважин и лопастных долот нефтяного бурения | ||
Для армирования коронок вращательного бурения геологоразведочных скважин | ||
Для армирования коронок вращательного бурения геологоразведочных скважин | ||
Для армирования шарошечных долот | ||
Для армирования коронок гидроударного бурения геологоразведочных скважин | ||
Для армирования коронок гидроударного бурения геологоразведочных скважин | ||
Для армирования буровых сверл | ||
Для армирования тангенциальных резцов | ![]() | |
Для армирования резцов вращательного бурения по породам средней крепости и крепким | ||
Для армирования резцов горнодобывающих комбайнов по углю | ![]() | |
Для армирования резцов соледобывающих комбайнов | ![]() | |
Для армирования строительных инструментов | ![]() | |
Для армирования породных и угольных резцов | ![]() |

Номер изделия | l (пред. откл. +1) | h (пред. откл. -0,8) | s (пред. откл. +0,5) | r (пред. откл. +/- 1,0) |
Г1101 | 28 | 16 | 7,5 | 14,0 |
Г1102 | 32 | 16,0 | ||
Г1103 | 36 | 18,0 | ||
Г1104 | 9,5 | |||
Г1105 | 40 | 7,5 | 20,0 | |
Г1106 | 18 | 9,5 | ||
Г1107 | 43 | 21,5 | ||
Г1108 | 46 | 23,0 | ||
Г1109 | 52 | 26,0 | ||
Г1110 | 49 | 24,5 |

Номер изделия | l (пред. откл. +/- 0,5) | h (пред. откл. -0,8) | s (пред. откл. +0,5) | r (пред. откл. +/- 1,0) | c (пред. откл. +/- 0,5) |
Г1201 | 12 | 16 | 7,5 | 16 | 1,0 |
Г1202 | 13 | ||||
Г1203 | 14 | 9,5 | 20 | ||
Г1204 | 15 | 7,5 | 18 | ||
Г1205 | 21 | ||||
Г1206 | 16 | 18 | 9,5 | 20 | |
Г1207 | 17 | 7,5 | |||
Г1208 | 18 | 9,5 | 21 | 1,5 | |
Г1209 | 12 | 16 | 18 | 1,0 |

Номер изделия | l (пред. откл. +/- 0,5) | h (пред. откл. -0,8) | s (пред. откл. +0,5) | R <*> | r (пред. откл. +/- 1,0) |
Г1301 | 28 | 18 | 9,5 | 5 | 52 |
Г1302 | 32 | 78 | |||
Г1303 | 49 | ||||
Г1304 | 36 | ||||
Г1305 | 40 | 64 | |||
Г1306 | 14 | 11,5 | 6 | 30 | |
Г1307 | 16 | ||||
Г1308 | 16 | 20 | |||
Г1309 | 20 | ||||
Г1310 | 24 | ||||
Г1311 | 23 | 24 | 13,5 | 7 | 62 |
Г1312 | 37 | ||||
Г1313 | 26 | 20 | 11,5 | 6 | 30 |

Номер изделия | d | h (пред. откл. +/- 0,4) | |
Номин. | Пред. откл. | ||
Г1401 | 8 | -0,35 | 16 |
Г1402 | 10 | -0,45 | |
Г1403 | 12 | -0,60 | |
Г1404 | 14 | 20 | |
Г1405 | 15 | ||
Г1406 | 16 | ||
Г1407 | 22 | ||
Г1408 | 17 | 20 | |
Г1409 | 18 | ||
Г1410 | 20 | ||


Номер изделия | d | h | r (пред. откл. +/- 0,25) | ||
Номин. | Пред. откл. | Номин. | Пред. откл. | ||
Г2301 | 8,2 | +0,3 | 14 | +/- 0,35 | 4,5 |
Г2302 | 12 | ||||
Г2303 <*> | 10,0 | 16 | 5,5 | ||
Г2307 | 12,2 | 20 | +/- 0,40 | 6,5 | |

Номер изделия | h | l | s | r | h1 | c | c1 | |||||
Номин. | Пред. откл. | Номин. | Пред. откл. | Номин. | Пред. откл. | |||||||
Г2401 | 15 | +/- 0,4 | 12 | +/- 0,35 | 4,0 | +/- 0,20 | 4,5 | 2,5 | 8,0 | 6,5 | 10° | 3° |
Г2402 | 5,5 | +/- 0,25 | ||||||||||
Г2403 | 21 | +/- 0,5 | 18 | +/- 0,45 | 7,0 | +/- 0,25 | 5,5 | 4,0 | 11,5 | 8,0 | 15° | 4° |

Номер изделия | h | l | s | r | h1 | c | c1 | |||||
Номин. | Пред. откл. | Номин. | Пред. откл. | Номин. | Пред. откл. | |||||||
Г24а-02 | 16 | +/- 0,40 | 13 | +/- 0,35 | 4 | +/- 0,20 | 4,5 | 3 | 9,0 | 6 | 10° | 3° |
Г24а-03 | 22 | +/- 0,50 | 16 | +/- 0,40 | 7 | +/- 0,25 | 5,6 | 13,5 | 8 | 15° | 4° | |
Г24а-05 | 27 | 20 | +/- 0,45 | 8 | 7,0 | 4 | 17,5 | 10 | ||||
Г24а-06 | 6 | |||||||||||

Номер изделия | d | h | r | r1 | c | |||
Номин. | Пред. откл. | Номин. | Пред. откл. | Номин. | Пред. откл. | |||
Г2501 | 3,2 | +0,3 | 5 | +/- 0,20 | 8 | +/- 0,15 | 0,5 | 0,5 |
Г2502 | 4,2 | 7 | +/- 0,25 | |||||
Г2503 | 6 | +/- 0,20 | ||||||
Г2504 | 5,2 | 9 | +/- 0,25 | 10 | ||||
Г2505 | 8 | |||||||
Г2506 | 7 | |||||||
Г2507 | 6,2 | 10 | 12 | |||||
Г2508 | 9 | |||||||
Г2509 | 8 | |||||||
Г2510 | 7,2 | 12 | +/- 0,30 | 14 | ||||
Г2511 | 10 | |||||||
Г2512 | 8,2 | 13 | 16 | |||||
Г2513 | 12 | |||||||
Г2514 | 11 | |||||||
Г2515 | 10 | +/- 0,25 | ||||||
Г2516 | 9,2 | 14 | 18 | |||||
Г2517 | 13 | |||||||
Г2518 | 12 | |||||||
Г2519 | 11 | +/- 0,30 | ||||||
Г2520 | 10,2 | 16 | 20 | +/- 0,20 | 1,0 | 1,0 | ||
Г2521 | 15 | |||||||
Г2522 | 14 | |||||||
Г2523 | 13 | |||||||
Г2524 | 12 | |||||||
Г2525 | 11,2 | 16 | 22 | |||||
Г2526 | 15 | |||||||
Г2527 | 14 | |||||||
Г2528 | 13 | |||||||
Г2529 | 12 | |||||||
Г2530 | 11 | |||||||
Г2531 | 10 | |||||||
Г2532 | 12,3 | +0,3 | 18 | +/- 0,40 | 24 | +/- 0,20 | 1,0 | 1,0 |
Г2533 | 17 | |||||||
Г2534 | 16 | +/- 0,30 | ||||||
Г2535 | 15 | |||||||
Г2536 | 14 | |||||||
Г2537 | 13,3 | 19 | +/- 0,40 | 26 | ||||
Г2538 | 18 | |||||||
Г2539 | 17 | +/- 0,30 | ||||||
Г2540 | 16 | |||||||
Г2541 | 15 | |||||||
Г2542 | 14,3 | +0,4 | 21 | +/- 0,40 | 28 | |||
Г2543 | 20 | |||||||
Г2544 | 18 | +/- 0,30 | ||||||
Г2545 | 17 | |||||||
Г2546 | 16 | |||||||
Г2547 | 15,3 | 22 | 30 | |||||
Г2548 | 21 | |||||||
Г2549 | 20 | |||||||
Г2550 | 19 | |||||||
Г2551 | 18 | |||||||
Г2552 | 16,3 | 24 | 32 | |||||
Г2553 | 22 | |||||||
Г2554 | 20 | |||||||
Г2555 | 19 | |||||||
Г2556 | 18 | |||||||

Номер изделия | d | h | r | Номер изделия | d | h | r | ||||||
Номин. | Пред. откл. | Номин. | Пред. откл. | Номин. | Пред. откл. | Номин. | Пред. откл. | Номин. | Пред. откл. | Номин. | Пред. откл. | ||
3,2 | 5 | +/- 0,20 | 1,8 | Г2643 | 11,2 | +0,3 | 12 | +/- 0,30 | 6,0 | +/- 0,25 | |||
Г2602 | 4,2 | 6 | 2,3 | Г2644 | 11 | ||||||||
Г2603 | 5 | Г2645 | 10 | +/- 0,25 | |||||||||
Г2604 | 5,2 | 8 | +/- 0,25 | 2,8 | Г2646 | 12,3 | 18 | +/- 0,30 | 6,5 | ||||
7 | Г2647 | 17 | |||||||||||
Г2606 | 6 | +/- 0,20 | Г2648 | 16 | |||||||||
Г2607 | 6,2 | 9 | +/- 0,25 | 3,4 | Г2649 | 15 | |||||||
Г2608 | 8 | Г2650 | 14 | ||||||||||
Г2609 | 7 | Г2651 | 13 | ||||||||||
Г2610 | 6 | +/- 0,20 | Г2652 | 12 | |||||||||
Г2611 | 7,2 | 11 | +/- 0,30 | 3,9 | Г2653 | 11 | |||||||
Г2612 | 10 | +/- 0,25 | +/- 0,20 | Г2654 | 13,3 | 19 | 7,0 | ||||||
Г2613 | 9 | Г2655 | 18 | ||||||||||
Г2614 | 8 | Г2656 | 17 | ||||||||||
Г2615 | 7 | Г2657 | 16 | ||||||||||
Г2616 | 6 | +/- 0,20 | Г2658 | 15 | |||||||||
Г2617 | 8,2 | 13 | +/- 0,30 | 4,5 | Г2659 | 14 | |||||||
Г2618 | 12 | Г2660 | 13 | ||||||||||
Г2619 | 11 | Г2661 | 12 | ||||||||||
Г2620 | 10 | +/- 0,25 | Г2662 | 14,3 | 21 | 7,5 | |||||||
Г2621 | +0,3 | 9 | Г2663 | 20 | |||||||||
Г2622 | 8 | Г2664 | 18 | ||||||||||
Г2623 | 7 | Г2665 | 17 | ||||||||||
Г2624 | 9,2 | 14 | +/- 0,30 | 5,0 | +/- 0,25 | Г2666 | 16 | ||||||
Г2625 | 13 | Г2667 | 15 | ||||||||||
Г2626 | 12 | Г2668 | 14 | ||||||||||
Г2627 | 11 | Г2669 | 13 | ||||||||||
Г2628 | 10 | +/- 0,25 | Г2670 | 15,3 | 22 | 8,0 | |||||||
Г2629 | 9 | Г2671 | 21 | +/- 0,40 | |||||||||
Г2630 | 8 | Г2672 | 20 | ||||||||||
Г2631 | 10,2 | 16 | +/- 0,30 | 5,5 | Г2673 | 15,3 | +0,4 | 19 | |||||
Г2632 | 15 | Г2674 | 18 | ||||||||||
Г2633 | 14 | Г2675 | 17 | ||||||||||
Г2634 | 13 | Г2676 | 16 | ||||||||||
Г2635 | 12 | Г2677 | 15 | ||||||||||
Г2636 | 11 | Г2678 | 16,3 | 24 | 8,5 | ||||||||
Г2637 | 10 | +/- 0,25 | Г2679 | 22 | |||||||||
Г2638 | 9 | Г2680 | 20 | ||||||||||
Г2639 | 11,2 | 16 | +/- 0,30 | 6,0 | Г2681 | 19 | |||||||
Г2640 | 15 | Г2682 | 18 | ||||||||||
Г2641 | 14 | Г2683 | 17 | ||||||||||
Г2642 | 13 | Г2684 | 16 | ||||||||||









Номер изделия | b | h | s | |||
Номин. | Пред. откл. | Номин. | Пред. откл. | Номин. | Пред. откл. | |
Г4101 | 3,0 | +/- 0,20 | 15 | +/- 0,40 | 1,5 | +/- 0,15 |
Г4102 | 6,0 | +/- 0,25 | 20 | +/- 0,45 | 4,0 | +/- 0,20 |
Г4103 | 8,0 | 6,0 | +/- 0,25 | |||
Г4104 | 7,5 | +/- 0,20 | 15 | +/- 0,25 | 0,7 | +/- 0,15 |
Г4105 | 8,5 | |||||
Г4106 | 9,5 | |||||
Г4107 | 1,8 | +/- 0,15 | 10 | +/- 0,25 | 1,8 | +/- 0,15 |
Г4108 | 3,0 | +/- 0,20 | 1,5 | |||

Номер изделия | b | h | s (пред. откл. +/- 0,2) | ||
Номин. | Пред. откл. | Номин. | Пред. откл. | ||
Г5101 | 5,0 | +/- 0,20 | 7 | +/- 0,25 | 3 |
Г5102 | 7,5 | +/- 0,25 | 10 | +/- 0,30 | |
Г5103 | 8,5 | +/- 0,30 | 8 | +/- 0,25 | |
Г5104 | 10 | +/- 0,30 | |||
Г5105 | 10,0 | 14 | +/- 0,40 | 4 | |
Г5106 | 1,5 | +/- 0,10 | 12 | +/- 0,35 | 3 |
Г5107 | 4,0 | +/- 0,20 | 10 | +/- 0,30 | 4 |
Г5108 | 3,0 | 8 | +/- 0,25 | 3 | |
Г5109 | 2,5 | +/- 0,15 | 12 | +/- 0,35 | |
Г5110 | 2,0 | ||||
Г5111 | 3,0 | 20 | +/- 0,50 | 4 | |

Номер изделия | d (пред. откл. +/- 0,2) | h | |
Номин. | Пред. откл. | ||
Г5301 | 5 | 5 | +/- 0,20 |
Г5302 | 8 | +/- 0,25 | |
Г5303 | 10 | +/- 0,30 | |
Г5304 | 7 | 15 | |
Г5305 | 20 | +/- 0,40 | |

Номер изделия | d (пред. откл. +/- 0,3) | h | Номер изделия | d (пред. откл. +/- 0,3) | h | ||
Номин. | Пред. откл. | Номин. | Пред. откл. | ||||
Г5401 | 3,2 | 3 | +/- 0,15 | Г5408 | 7,2 | 5 | +/- 0,20 |
Г5402 | 4,2 | 4 | Г5409 | 8,2 | 8 | +/- 0,25 | |
Г5403 | 5,2 | 5 | +/- 0,20 | Г5410 | 7 | ||
Г5404 | 4 | +/- 0,15 | Г5411 | 6 | +/- 0,20 | ||
Г5405 | 6,2 | 6 | +/- 0,25 | Г5412 | 10,2 | 8 | +/- 0,25 |
Г5406 | 5 | +/- 0,20 | Г5413 | 12,2 | 10 | +/- 0,30 | |
Г5407 | 7,2 | 6 | +/- 0,25 | Г5414 | 8 | +/- 0,25 | |

Номер изделия | s (пред. откл. +/- 0,35) | r | r1 | ||||
Пред. откл. +/- 1 | |||||||
| |||||||
Р5501 | 10,7 | 29,5 | 19,5 | ||||
Г5502 | 17,7 | 38,0 | 21,0 | ||||

Номер изделия | s (пред. откл. +/- 0,35) | b (пред. откл. +/- 0,4) | r | r1 | r2 | |
Пред. откл. +/- 1 | ||||||
Г5701 | 10,7 | 9 | 4,5 | 19,5 | 29,5 | 2° |
Г5702 | 12,7 | 10 | 5,0 | 26,0 | 38,0 | 4° |
Г5703 | 14,7 | 11 | 5,5 | 43,0 | 57,5 | |



Номер изделия | s (пред. откл. +/- 0,4) |
Г6301 | 6 |
Г6302 | 8 |
Г6303 | 10 |




Номер изделия | d | h | R1 | ||
Номин. | Пред. откл. | Номин. | Пред. откл. | ||
Г6701 | 7 | +/- 0,3 | 15 | +/- 0,45 | 3,5 |
Г6702 | 9 | +/- 0,3 | 17 | +/- 0,45 | 4,5 |
Г6703 | 12 | +/- 0,3 | 20 | +/- 0,60 | 6,0 |
Г6704 | 16 | +/- 0,3 | 24 | +/- 0,60 | 8,0 |
,
при заказе:
.
мм контролируют на цилиндрической части изделия от его основания до начала клиновой поверхности.Форма изделия | Номер изделия | Марка твердого сплава | Ориентировочная масса изделия, г |
Г1101 | ВК15 | 43,5 | |
Г1102 | 50,9 | ||
Г1103 | 56,9 | ||
Г1104 | 70,1 | ||
Г1105 | 58,7 | ||
Г1106 | 82,5 | ||
Г1107 | 89,1 | ||
Г1108 | 97,3 | ||
Г1109 | 106,3 | ||
Г1110 | 106,0 | ||
Г1101 | ВК11-В; ВК10-КС | 44,6 | |
Г1102 | 52,2 | ||
Г1103 | 58,3 | ||
Г1104 | 71,8 | ||
Г1105 | 60,1 | ||
Г1106 | 84,5 | ||
Г1107 | 91,3 | ||
Г1108 | 99,7 | ||
Г1109 | 108,4 | ||
Г1110 | 108,0 | ||
Г1101 | ВК8-В | 45,7 | |
Г1102 | 53,5 | ||
Г1103 | 59,8 | ||
Г1104 | 73,6 | ||
Г1105 | 61,6 | ||
Г1106 | 86,6 | ||
Г1107 | 93,5 | ||
Г1108 | 102,1 | ||
Г1109 | 111,6 | ||
Г1110 | 110,3 | ||
Г1101 | ВК6-В | 46,3 | |
Г1102 | 54,2 | ||
Г1103 | 60,6 | ||
Г1104 | 74,6 | ||
Г1105 | 62,5 | ||
Г1106 | 87,7 | ||
Г1107 | 94,8 | ||
Г1108 | 103,5 | ||
Г1109 | 113,1 | ||
Г1110 | 111,6 | ||
Г1201 | ВК15 | 18,5 | |
Г1202 | 20,2 | ||
Г1203 | 26,6 | ||
Г1204 | 23,4 | ||
Г1205 | 29,0 | ||
Г1206 | 34,8 | ||
Г1207 | 30,3 | ||
Г1208 | 39,4 | ||
Г1201 | ВК11-В; ВК10-КС | 18,9 | |
Г1202 | 20,7 | ||
Г1203 | 27,3 | ||
Г1204 | 24,0 | ||
Г1205 | 29,7 | ||
Г1206 | 35,6 | ||
Г1207 | 31,0 | ||
Г1208 | 40,4 | ||
Г1201 | ВК8-В | 19,4 | |
Г1202 | 21,2 | ||
Г1203 | 27,9 | ||
Г1204 | 24,6 | ||
Г1205 | 30,5 | ||
Г1206 | 36,5 | ||
Г1207 | 31,8 | ||
Г1208 | 41,3 | ||
Г1201 | ВК6-В | 19,7 | |
Г1202 | ВК6-В | 21,5 | |
Г1203 | ВК6-В | 28,3 | |
Г1204 | ВК6-В | 24,9 | |
Г1205 | ВК6-В | 30,9 | |
Г1206 | ВК6-В | 37,0 | |
Г1207 | ВК6-В | 32,2 | |
Г1208 | ВК6-В | 41,9 | |
Г1209 | ВК15 | 23,2 | |
Г1209 | ВК11-В; ВК10-КС | 23,8 | |
Г1209 | ВК8-В | 24,4 | |
Г1209 | ВК6-В | 24,7 | |
Г1301 | ВК15 | 54,0 | |
Г1302 | 63,3 | ||
Г1303 | 102,0 | ||
Г1304 | 72,3 | ||
Г1305 | 81,9 | ||
Г1306 | 39,6 | ||
Г1307 | 40,3 | ||
Г1308 | 45,3 | ||
Г1309 | 57,3 | ||
Г1310 | 69,2 | ||
Г1311 | 93,7 | ||
Г1312 | 162,9 | ||
Г1301 | ВК11-В; ВК10-КС | 55,7 | |
Г1302 | 65,3 | ||
Г1303 | 105,2 | ||
Г1304 | 74,2 | ||
Г1305 | 83,9 | ||
Г1306 | 40,2 | ||
Г1307 | 40,9 | ||
Г1308 | ВК11-В; ВК10-КС | 46,0 | |
Г1309 | 58,1 | ||
Г1310 | 70,2 | ||
Г1311 | 95,2 | ||
Г1312 | 165,3 | ||
Г1313 | 74,4 | ||
Г1301 | ВК8-В | 57,5 | |
Г1302 | 67,3 | ||
Г1303 | 108,5 | ||
Г1304 | 76,5 | ||
Г1305 | 86,0 | ||
Г1306 | 41,3 | ||
Г1307 | 42,0 | ||
Г1308 | 47,2 | ||
Г1309 | 59,8 | ||
Г1310 | 72,2 | ||
Г1311 | 97,8 | ||
Г1312 | 169,9 | ||
Г1401 | ВК15 | 10,0 | |
Г1402 | 15,0 | ||
Г1403 | 22,0 | ||
Г1404 | 39,0 | ||
Г1405 | 42,0 | ||
Г1406 | 48,0 | ||
Г1407 | 54,0 | ||
Г1408 | 48,0 | ||
Г1409 | 49,0 | ||
Г1410 | 58,5 | ||
Г1401 | ВК11-В; ВК10-КС | 10,3 | |
Г1402 | 15,5 | ||
Г1403 | 22,7 | ||
Г1404 | 40,7 | ||
Г1405 | 43,4 | ||
Г1406 | 49,1 | ||
Г1407 | 56,7 | ||
Г1408 | 49,6 | ||
Г1409 | 50,1 | ||
Г1410 | 59,4 | ||
- | ВК6-В | 33,0 | |
Г2301 | ВК8 | 9,2 | |
Г2302 | 7,7 | ||
Г2303 | 16,2 | ||
Г2307 | 26,1 | ||
Г2301 | ВК11-ВК | 8,8 | |
Г2302 | 7,4 | ||
Г2303 | 15,5 | ||
Г2307 | 25,0 | ||
Г2401 | ВК8-В | 9,0 | |
Г2402 | 12,0 | ||
Г2403 | 25,0 | ||
Г24а-02 | ВК8-В | 8,9 | |
Г24а-03 | 26,1 | ||
Г24а-05 | 46,8 | ||
Г24а-06 | 35,3 | ||
Г2501 | 0,6 | ||
Г2502 | 1,2 | ||
Г2503 | 1,0 | ||
Г2504 | 2,4 | ||
Г2505 | 2,1 | ||
Г2506 | 1,8 | ||
Г2507 | 3,8 | ||
Г2508 | 3,1 | ||
Г2509 | 2,9 | ||
Г2510 | 6,7 | ||
Г2511 | 4,4 | ||
Г2512 | 9,0 | ||
Г2513 | 7,7 | ||
Г2514 | 7,0 | ||
Г2515 | 6,2 | ||
Г2516 | 11,0 | ||
Г2517 | 10,0 | ||
Г2518 | 9,0 | ||
Г2519 | 8,1 | ||
Г2520 | 16,2 | ||
Г2521 | ВК15; ВК11-ВК | 15,0 | |
Г2522 | 13,9 | ||
Г2523 | 12,8 | ||
Г2524 | 11,6 | ||
Г2525 | 17,7 | ||
Г2526 | 16,4 | ||
Г2527 | 15,5 | ||
Г2528 | 14,0 | ||
Г2529 | 12,7 | ||
Г2530 | 11,6 | ||
Г2531 | 10,5 | ||
Г2532 | 24,8 | ||
Г2533 | 24,6 | ||
Г2534 | 23,0 | ||
Г2535 | 19,8 | ||
Г2536 | 18,2 | ||
Г2537 | 30,5 | ||
Г2538 | 27,7 | ||
Г2539 | 26,2 | ||
Г2540 | 24,6 | ||
Г2541 | 23,1 | ||
Г2542 | 39,2 | ||
Г2543 | 38,9 | ||
Г2544 | 33,9 | ||
Г2545 | 30,2 | ||
Г2546 | 26,9 | ||
Г2547 | 46,8 | ||
Г2548 | 44,2 | ||
Г2549 | 41,6 | ||
Г2550 | 39,1 | ||
Г2551 | 36,5 | ||
Г2552 | 58,2 | ||
Г2553 | 52,4 | ||
Г2554 | ВК15; ВК11-ВК | 46,5 | |
Г2555 | 43,6 | ||
Г2556 | 40,7 | ||
Г2601 | 0,5 | ||
Г2602 | 1,0 | ||
Г2603 | 0,8 | ||
Г2604 | 2,2 | ||
Г2605 | 1,9 | ||
Г2606 | 1,7 | ||
Г2607 | 4,1 | ||
Г2608 | 3,0 | ||
Г2609 | 2,5 | ||
Г2610 | 2,2 | ||
Г2611 | 5,9 | ||
Г2612 | 5,3 | ||
Г2613 | 4,7 | ||
Г2614 | 4,1 | ||
Г2615 | ВК8-В; ВК8-ВК | 3,5 | |
Г2616 | 2,9 | ||
Г2617 | 9,1 | ||
Г2618 | 8,4 | ||
Г2619 | 7,6 | ||
Г2620 | 6,8 | ||
Г2621 | 6,0 | ||
Г2622 | 5,2 | ||
Г2623 | 4,4 | ||
Г2624 | 12,3 | ||
Г2625 | 11,3 | ||
Г2626 | 10,3 | ||
Г2627 | 9,3 | ||
Г2628 | 8,4 | ||
Г2629 | 7,4 | ||
Г2630 | 6,4 | ||
Г2631 | 17,3 | ||
Г2632 | 16,0 | ||
Г2633 | 14,9 | ||
Г2634 | 13,7 | ||
Г2635 | 13,2 | ||
Г2636 | 11,2 | ||
Г2637 | 10,0 | ||
Г2638 | 8,8 | ||
Г2639 | 20,5 | ||
Г2640 | 19,1 | ||
Г2641 | 17,6 | ||
Г2642 | 16,2 | ||
Г2643 | 14,7 | ||
Г2644 | 13,3 | ||
Г2645 | 11,8 | ||
Г2646 | 27,8 | ||
Г2647 | 26,1 | ||
Г2648 | 24,2 | ||
Г2649 | 22,5 | ||
Г2650 | 20,7 | ||
Г2651 | 18,9 | ||
Г2652 | 17,2 | ||
Г2653 | 15,5 | ||
Г2654 | 34,1 | ||
Г2655 | 32,0 | ||
Г2656 | 29,9 | ||
Г2657 | 27,9 | ||
Г2658 | 25,9 | ||
Г2659 | 23,8 | ||
Г2660 | 21,8 | ||
Г2661 | 19,7 | ||
Г2662 | 43,7 | ||
Г2663 | 41,3 | ||
Г2664 | 36,5 | ||
Г2665 | 34,2 | ||
Г2666 | 31,8 | ||
Г2667 | 29,4 | ||
Г2668 | 27,0 | ||
Г2669 | 24,7 | ||
Г2670 | 52,1 | ||
Г2671 | 49,4 | ||
Г2672 | 46,7 | ||
Г2673 | 44,0 | ||
Г2674 | 41,2 | ||
Г2675 | 38,5 | ||
Г2676 | 36,8 | ||
Г2677 | 35,8 | ||
Г2678 | 64,7 | ||
Г2679 | 58,5 | ||
Г2680 | 52,3 | ||
Г2681 | 49,2 | ||
Г2682 | 46,1 | ||
Г2683 | 43,0 | ||
Г2684 | 40,0 | ||
- | ВК8 | 30,0 | |
- | 14,0 | ||
- | 11,8 | ||
- | 11,8 | ||
- | 10,0 | ||
- | 8,0 | ||
- | 14,0 | ||
- | 14,9 | ||
Г4101 | ВК6 | 1,0 | |
Г4102 | 7,1 | ||
Г4103 | 14,2 | ||
Г4104 | 1,2 | ||
Г4105 | 1,3 | ||
Г4106 | 1,5 | ||
Г4101 | ВК8 | 0,9 | |
Г4102 | 7,0 | ||
Г4103 | 14,0 | ||
Г4104 | 1,1 | ||
Г4105 | 1,2 | ||
Г4106 | 1,4 | ||
Г4107 | ВК6, ВК8 | 0,5 | |
Г4108 | 0,7 | ||
Г5101 | ВК6 | 1,5 | |
Г5102 | 3,2 | ||
Г5103 | 2,9 | ||
Г5104 | 3,6 | ||
Г5105 | 7,8 | ||
Г5106 | 0,8 | ||
Г5107 | 2,3 | ||
Г5108 | 1,1 | ||
Г5109 | 1,4 | ||
Г5110 | 1,0 | ||
Г5111 | 3,5 | ||
Г5101 | ВК8 | 1,4 | |
Г5102 | 3,1 | ||
Г5103 | 2,8 | ||
Г5104 | 3,5 | ||
Г5105 | 7,7 | ||
Г5106 | 0,8 | ||
Г5107 | 2,2 | ||
Г5108 | 1,0 | ||
Г5109 | 1,3 | ||
Г5110 | 1,0 | ||
Г5111 | 3,4 | ||
Г5301 | 1,6 | ||
Г5302 | 2,2 | ||
Г5303 | 2,3 | ||
Г5304 | 7,5 | ||
Г5305 | 10,0 | ||
Г5401 | ВК6-В; ВК4-В | 0,3 | |
Г5402 | 0,8 | ||
Г5403 | 1,5 | ||
Г5404 | 1,0 | ||
Г5405 | 2,6 | ||
Г5406 | 1,8 | ||
Г5407 | 3,6 | ||
Г5408 | 3,4 | ||
Г5409 | 6,2 | ||
Г5410 | 5,9 | ||
Г5411 | 5,0 | ||
Г5412 | 9,8 | ||
Г5413 | 16,7 | ||
Г5414 | 13,3 | ||
Г5501 | ВК15 | 22,0 | |
Г5502 | 36,5 | ||
Г5701 | 20,0 | ||
Г5702 | 26,3 | ||
Г5703 | 30,8 | ||
Г6010 | ВК6 | 492,0 | |
- | ВК8-В | 30,0 | |
Г6301 | ВК8 | 17,4 | |
Г6302 | 22,0 | ||
Г6303 | 27,4 | ||
- | 39,5 | ||
- | 41,5 | ||
Г6601 | ВК6-В | 20,0 | |
Г6602 | ВК15 | 22,0 | |
Г6603 | 38,0 | ||
Г6604 | 44,0 | ||
Г6602 | ВК8-В | 23,0 | |
Г6701 | ВК8-В | 8,8 | |
Г6702 | 14,4 | ||
Г6703 | 28,8 | ||
Г6704 | 58,7 |
Форма изделия | Марка сплава | Код ОКП |
ВК15 | 19 6527 2852 | |
ВК11В | 19 6534 2852 | |
ВК8-В | 19 6533 2852 | |
ВК6-В | 19 6532 2852 | |
ВК10-КС | 19 6536 2852 | |
ВК15 | 19 6527 2853 | |
ВК11-В | 19 6534 2853 | |
ВК8-В | 19 6533 2853 | |
ВК6-В | 19 6532 2853 | |
ВК10-КС | 19 6536 2853 | |
ВК15 | 19 6527 2854 | |
ВК11-В | 19 6534 2854 | |
ВК8-В | 19 6533 2854 | |
ВК10-КС | 19 6536 2854 | |
ВК15 | 19 6527 2855 | |
ВК11-В | 19 6534 2855 | |
ВК10-КС | 19 6536 2855 | |
ВК6-В | 19 6532 2856 | |
ВК8 | 19 6525 2857 | |
ВК11-ВК | 19 6537 2857 | |
ВК8-В | 19 6533 2858 | |
ВК8-В | 19 6533 2859 | |
ВК15 | 19 6527 2860 | |
ВК11-ВК | 19 6537 2860 | |
ВК8-В | 19 6533 2861 | |
ВК8-ВК | 19 6535 2861 | |
ВК8 | 19 6525 2862 | |
ВК8 | 19 6525 2863 | |
ВК8 | 19 6525 2864 | |
ВК8 | 19 6525 2865 | |
ВК8 | 19 6525 2866 | |
ВК8 | 19 6525 2867 | |
ВК8 | 19 6525 2868 | |
ВК8 | 19 6525 2877 | |
ВК6 | 19 6524 2870 | |
ВК8 | 19 6525 2870 | |
ВК6 | 19 6524 2871 | |
ВК8 | 19 6525 2871 | |
ВК8 | 19 6525 2872 | |
ВК6-В | 19 6532 2873 | |
ВК4-В | 19 6531 2873 | |
ВК15 | 19 6527 2874 | |
ВК15 | 19 6527 2878 | |
ВК6 | 19 6524 2880 | |
ВК8-В | 19 6533 2881 | |
ВК8 | 19 6525 2883 | |
ВК8 | 19 6525 2884 | |
ВК8 | 19 6525 2885 | |
ВК6-В | 19 6532 2886 | |
ВК15 | 19 6527 2886 | |
ВК8-В | 19 6533 2886 | |
ВК8-В | 19 6533 2887 |