Главная // Актуальные документы // ГОСТ (Государственный стандарт)СПРАВКА
Источник публикации
М.: ИПК Издательство стандартов, 2005
Примечание к документу
С 1 июля 2003 года до вступления в силу технических регламентов акты федеральных органов исполнительной власти в сфере технического регулирования носят рекомендательный характер и подлежат обязательному исполнению только в части, соответствующей целям, указанным в
пункте 1 статьи 46 Федерального закона от 27.12.2002 N 184-ФЗ.
Документ
введен в действие с 1 января 1992 года.
Название документа
"ГОСТ 28918-91. Государственный стандарт Союза ССР. Соединения трубопроводов резьбовые. Кольца зажимные и упорные. Конструкция"
(утв. и введен в действие Постановлением Госстандарта СССР от 26.02.1991 N 177)
"ГОСТ 28918-91. Государственный стандарт Союза ССР. Соединения трубопроводов резьбовые. Кольца зажимные и упорные. Конструкция"
(утв. и введен в действие Постановлением Госстандарта СССР от 26.02.1991 N 177)
Утвержден и введен в действие
Постановлением Государственного
Комитета СССР по управлению
качеством продукции и стандартам
от 26 февраля 1991 г. N 177
ГОСУДАРСТВЕННЫЙ СТАНДАРТ СОЮЗА ССР
СОЕДИНЕНИЯ ТРУБОПРОВОДОВ РЕЗЬБОВЫЕ
КОЛЬЦА ЗАЖИМНЫЕ И УПОРНЫЕ
КОНСТРУКЦИЯ
Threaded pipe fittings. Clamping and thrust rings.
Construction
ГОСТ 28918-91
Дата введения
1 января 1992 года
ИНФОРМАЦИОННЫЕ ДАННЫЕ
1. РАЗРАБОТАН И ВНЕСЕН Государственным Комитетом СССР по управлению качеством продукции и стандартам
2. УТВЕРЖДЕН И ВВЕДЕН В ДЕЙСТВИЕ Постановлением Государственного Комитета СССР по управлению качеством продукции и стандартам от 26.02.91 N 177
3. ВВЕДЕН ВПЕРВЫЕ
4. ССЫЛОЧНЫЕ НОРМАТИВНО-ТЕХНИЧЕСКИЕ ДОКУМЕНТЫ
Обозначение НТД, на который дана ссылка | Номер пункта |
| | ИС МЕГАНОРМ: примечание. Взамен ГОСТ 15763-91 Приказом Ростехрегулирования от 19.06.2008 N 122-ст с 1 января 2009 года введен в действие ГОСТ 15763-2005. | |
|
ГОСТ 15763-91 | |
| |
| |
5. ПЕРЕИЗДАНИЕ. Январь 2005 г.
Настоящий стандарт распространяется на зажимные и упорные кольца, применяемые в резьбовых соединениях трубопроводов, арматуре и гидропневмооборудовании с углом конуса присоединительного конца 24°.
Требования пунктов 1;
3;
4 настоящего стандарта являются обязательными, остальные - рекомендуемыми.
1. Конструкция и размеры зажимных и упорных колец должны соответствовать указанным на черт. 1,
2 и в
табл. 1 и
2.
Зажимное кольцо
Черт. 1
Размеры, мм
Группа | | (Dу) | d H8 | D Js 13 | D1 | D2 Js 13 | l +0,2 | Масса 1000 шт., кг |
2 | 6 | 4 | 6,15 | 7 | 8 | 7,1 | 5,0 | 0,3 |
8 | 6 | 8,15 | 9 | 10 | 9,1 | 5,5 | 1,11 |
10 | 8 | 10,15 | 11 | 12 | 11,1 | 6,0 | 1,52 |
12 | 10 | 12,30 | 13 | 14 | 13,3 | 6,5 | 1,76 |
15 | 12 | 15,30 | 16 | 17 | 16,3 | 7,0 | 2,33 |
18 | 15 | 18,30 | 19 | 20 | 19,3 | 2,76 |
22 | 20 | 22,30 | 23 | 24 | 23,3 | 7,5 | 3,58 |
--------------------------------
<*>
Dн - наружный диаметр трубы,
DN (
Dу) - условный проход (номинальный размер).
Примечания:
1. Обозначения, приведенные в скобках, непредпочтительны.
2. Масса указана для справок.
Пример условного обозначения зажимного кольца группы 2 с Dн = 10 мм:
Кольцо зажимное 2-10 ГОСТ 28918-91
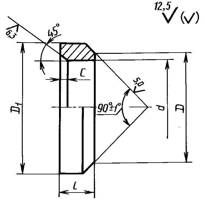
Черт. 2
Размеры, мм
Группа | | (Dу) | d H12 | D H11 | D1 h12 | l +/- 0,1 | c | Масса 1000 шт., кг |
2 | 6 | 4 | 6,15 | 7 | 9,5 | 4,5 | 1,0 | 1,01 |
8 | 6 | 8,15 | 9 | 11,5 | 1,39 |
10 | 8 | 10,15 | 11 | 13,5 | 5,0 | 1,60 |
12 | 10 | 12,30 | 13 | 15,5 | 2,09 |
15 | 12 | 15,30 | 16 | 19,5 | 4,57 |
18 | 15 | 18,30 | 19 | 24,5 | 5,5 | 1,5 | 7,50 |
22 | 20 | 22,30 | 23 | 27,5 | 7,21 |
--------------------------------
<*>
Dн - наружный диаметр трубы,
DN (
Dу) - условный проход (номинальный размер).
Примечания:
1. Обозначения, приведенные в скобках, непредпочтительны.
2. Масса указана для справок.
Пример условного обозначения упорного кольца группы 2 с Dн = 10 мм:
Кольцо упорное 2-10 ГОСТ 28918-91
| | ИС МЕГАНОРМ: примечание. Взамен ГОСТ 15763-91 Приказом Ростехрегулирования от 19.06.2008 N 122-ст с 1 января 2009 года введен в действие ГОСТ 15763-2005. | |
2. Значения номинального (условного) давления для зажимных и упорных колец группы 2 - по ГОСТ 15763 (приложение 3).
3. Технические требования, приемка и методы испытаний - по ГОСТ 15763.
4. Схема сборки соединения с зажимным и упорным кольцами приведена в
приложении.
Справочное
СХЕМА СБОРКИ СОЕДИНЕНИЯ С ЗАЖИМНЫМ И УПОРНЫМ КОЛЬЦАМИ
1 - труба; 2 - присоединительный конец корпусной детали
с углом конуса 24° по
ГОСТ 22525; 3 - накидная гайка
по
ГОСТ 23353; 4 - зажимное кольцо; 5 - упорное кольцо
Черт. 3