Список изменяющих документов (в ред. Изменения N 1, утв. Постановлением Минстроя РФ от 29.07.1996 N 18-51) |
Наименование государства | Наименование органа государственного управления строительством |
Республика Армения | Министерство градостроительства Республики Армения |
Грузия | Министерство урбанизации и строительства Грузии |
Республика Казахстан | Минстрой Республики Казахстан |
Киргизская Республика | Министерство архитектуры и строительства Киргизской Республики |
Российская Федерация | Минстрой России |
Республика Таджикистан | Госстрой Республики Таджикистан |
Республика Узбекистан | Госкомархитектстрой Республики Узбекистан |
Украина | Госкомградостроительства Украины |
Обозначение НТД, на который дана ссылка | Номер пункта |
ГОСТ 24.303-80 | |
СТ СЭВ 160-75 |
Наименование | Обозначение сооружений и устройств | |
действующих | проектируемых | |
Для указания разновидности узлов около обозначений приводят их аббревиатуру: 1.1. сетевые узлы: ТСУ-1 (2, 3) - территориальный сетевой узел; СУП-1 (2, 3) - сетевой узел переключения; СУВ-1 (2, 3) - сетевой узел выделения. Цифры после аббревиатуры узла обозначают принадлежность к первичным сетям: магистральной (1); внутризоновой (2); местной (3). При необходимости, сокращенное наименование подразделения системы оперативно-технического управления первичной сети вписывают в треугольник. | ![]() | ![]() |
1.2. объединенные узлы: ТАУК - территориальный автоматизированный узел коммутации и управления; АУК - автоматизированный узел коммутации. | ||
Примеры: - территориальный сетевой узел магистральной первичной сети с оконечным пунктом управления (ОПУ) | ![]() | ![]() |
- сетевой узел переключения внутризоновой первичной сети с информационным пунктом (ИП) | ![]() | ![]() |
- территориальный автоматизированный узел коммутации и управления | ![]() | ![]() |
![]() | ![]() | |
![]() | ![]() | |
4.1. Оконечный пункт (ОП) | ![]() | ![]() |
4.2. Транзитный пункт (ТрП) | ![]() | ![]() |
4.3. Питающий усилительный (регенерационный) пункт. Для указания разновидности пунктов около обозначений приводят их аббревиатуру: ОУП (ОРП) - обслуживаемый; ПОУП (ПОРП) - полуобслуживаемый; ПНУП (ПНРП) - необслуживаемый | ![]() | ![]() |
4.4. Необслуживаемый усилительный (регенерационный) пункт кабельных линий передачи или вспомогательный усилительный пункт воздушных линий передачи, питаемый дистанционно. При необходимости около обозначений приводят: 4.4.1. аббревиатуру пункта: НУП - необслуживаемый усилительный пункт; НРП - необслуживаемый регенерационный пункт; ВУП - вспомогательный усилительный пункт | ![]() | ![]() |
Пример: НУП номер 2/3 | ![]() | ![]() |
4.5. Необслуживаемый регенерационный пункт с автономным питанием. | ![]() | ![]() |
Около обозначения указывают те же данные, что и в п. 4.4.2, и дополнительно тип автономного источника питания. | ||
Пример: НРП номер 1/5 с автономным источником питания типа РИТЭГ. | ![]() | ![]() |
Наименование | Обозначение сооружений и устройств | |
действующих | проектируемых | |
Общее обозначение (для схем развития) основное и упрощенное: | ||
1.1. для однополосной СП магистральной первичной сети (СМП) и внутризоновых первичных сетей (ВЗПС) или двухкабельной СП местных первичных сетей | ![]() | ![]() |
1.2. для двухполосной СП СМП и ВЗПС или однокабельной СП местных первичных сетей. | ![]() | ![]() |
Примечание. Около обозначения указывают тип и, при необходимости, количество образуемых каналов системы передачи, номера групп и их использование (по потребителям) | ||
Основные и упрощенные обозначения | ||
2.1. Для СП с частотным разделением каналов | ||
2.1.1. Канального преобразования 0,3 - 3,4/60 - 108 кГц | ![]() | ![]() |
2.1.2. Первичных групп 60 - 108/312 - 552 кГц | ![]() | ![]() |
2.1.3. Вторичных групп 312 - 552/812 - 2044 кГц | ![]() | ![]() |
2.1.4. Третичных групп 812 - 2044/8516 - 12388 кГц | ![]() | ![]() |
2.2. Для СП с временным разделением каналов | ||
2.2.1. Цифрового каналообразования 64/2048 кбит/с | ![]() | ![]() |
2.2.2. Аналого-цифрового каналообразования 0,3 - 3,4/2048 кбит/с | ![]() | ![]() |
2.2.3. Аналого-цифрового преобразования вторичных групп 312 - 552/8448 кбит/с | ![]() | ![]() |
2.2.4. Аналого-цифрового преобразования третичных групп 812 - 2044/3 х 8448 кбит/с | ![]() | ![]() |
2.2.5. Вторичного временного группообразования 2048/8448 кбит/с | ![]() | ![]() |
2.2.6. Третичного временного группообразования 8448/34368 кбит/с | ![]() | ![]() |
2.2.7. Четвертичного временного группообразования 34368/139264 кбит/с | ![]() | ![]() |
![]() | ![]() | |
Основное и упрощенное обозначения | ||
- первичных | ![]() | ![]() |
- вторичных | ![]() | ![]() |
- третичных | ![]() | ![]() |
- четверичных | ![]() | ![]() |
5. Аппаратура объединения цифровых потоков в СП ИКМ 480 х 2 и ИКМ 1920 х 2. Основное и упрощенное обозначения | ![]() | ![]() |
Около обозначения указывают тип СП | ||
Наименование | Обозначение сооружений и устройств | |
действующих | проектируемых | |
Основное и упрощенное обозначения | ||
1.1. Для однополосной СП | ![]() | ![]() |
1.2. Для двухполосной СП | ![]() | ![]() |
Внутри или около обозначений указывают тип системы | ||
Общее обозначение | ||
Для двухполосных СП: - с раздельными усилителями направления передачи | ![]() | ![]() |
- с общим усилителем для обоих направлений передачи | ![]() | ![]() |
Для однополосных СП | ![]() | ![]() |
При необходимости указывают тип системы передачи. При наличии в аппаратуре промежуточных станций разного числа КЧ в обозначение вписывают их количество Пример: Обслуживаемая усилительная станция К-60П с 3-частотной АРУ | ![]() | ![]() |
Для аппаратуры НУП в обозначение вписывают их разновидности: с грунтовой АРУ ( Примеры: | ||
- необслуживаемая усилительная станция с грунтовой АРУ | ![]() | ![]() |
- необслуживаемая усилительная станция с коррекцией | ![]() | ![]() |
- необслуживаемая усилительная станция с выключенной грунтовой АРУ | ![]() | ![]() |
3.1. Для городских первичных сетей | ||
3.1.1. При однокабельном одноконтейнерном режиме работы с РЛ двустороннего действия | ![]() | ![]() |
3.1.2. При двухкабельном одноконтейнерном режиме работы с РЛ двустороннего действия | ![]() | ![]() |
3.1.3. При двухкабельном двухконтейнерном режиме работы | ![]() | ![]() |
3.2. Для магистральной и внутризоновых первичных сетей при двухкабельном и однокабельном режимах работы При необходимости указывают тип аппаратуры, количество систем и номер НРП | ![]() | ![]() |
![]() | ||
![]() | ![]() | |
Наименование | Обозначение сооружений и устройств | |
действующих | проектируемых | |
![]() | ![]() | |
При необходимости указания назначения канала используют следующие обозначения: | ||
- канал при ручном способе установления соединения во вторичных сетях | ![]() | ![]() |
- канал при автоматическом и полуавтоматическом способах установления соединения во вторичных сетях | ||
- канал, передаваемый арендатору (АС) | ||
- канал служебной связи | ||
Каналы, передаваемые во вторичную сеть для передачи различного вида сообщений, обозначают: ТТ - тональный телеграф; ПД - передача данных; Ф - факсимильная передача; ЗВ - передача программ звукового вещания | ||
![]() | ||
![]() | ||
- двухпроводный односторонний | ![]() | ![]() |
- двухпроводный двусторонний | ![]() | ![]() |
- четырехпроводный двусторонний | ||
6.1. В необслуживаемых пунктах (НУП, НРП) | ||
6.1.1. По двухпроводной схеме: | ||
- с усилителем | ![]() | ![]() |
- без усилителя | ![]() | |
6.1.2. По четырехпроводной схеме | ![]() | ![]() |
6.2. В обслуживаемых пунктах Указывают аббревиатуру обозначений разновидности служебных связей: | ||
МСС - магистральная | ||
ПСС - постанционная | ||
УСС - участковая | ||
Примеры: | ||
УСС в оконечном пункте: | ||
- по двухпроводной схеме | ![]() | ![]() |
- по четырехпроводной схеме | ![]() | ![]() |
ПСС в оконечном пункте по четырехпроводной схеме | ![]() | ![]() |
ПСС в промежуточном пункте по четырехпроводной схеме | ![]() | ![]() |
Указывают аббревиатуру разновидности: | ||
ТМУ - телемеханика участковая | ![]() | ![]() |
ТММ - телемеханика магистральная и др. | ![]() | ![]() |
Внутри обозначения указывают тип аппаратуры: | ||
- приемный комплект | ![]() | ![]() |
- передающий комплект | ![]() | ![]() |
![]() | ![]() | |
![]() | ![]() | |
Наименование | Обозначение сооружений и устройств | |
действующих | проектируемых | |
Указывают типы (УАК-1, УАК-2) | ![]() | ![]() |
Допускается для схем развития и схем организации связи | По ГОСТ 2.739 | |
2.1. Общее обозначение Для указания разновидностей станций, подстанций и узлов около обозначения приводят сокращенное наименование или наименование и тип оборудования | ![]() | ![]() |
2.2. Упрощенное обозначение для кабельных схем. Указывают номер станции. Примеры: | ||
АМТС - междугородная телефонная станция автоматическая | ![]() | ![]() |
ЦС - центральная телефонная станция (сельская), тип оборудования ИАТСКЭ 1 | ![]() | ![]() |
ПСК-1000 - подстанция координатной системы емкостью 1000 номеров | ![]() | ![]() |
АТС ДШ | ![]() | ![]() |
АТСК | ![]() | ![]() |
АТСКЭ: | ||
- коммутационное поле без концентрации | ![]() | ![]() |
- коммутационное поле с концентрацией | ![]() | ![]() |
АТСЭ: | ||
- коммутационное поле без концентрации | ![]() | ![]() |
- коммутационное поле с концентрацией | ![]() | ![]() |
На планах зданий и сооружений допускается упрощенное обозначение | ||
4.1. Телефонные аппараты: | ||
- местной телефонной сети | ||
- учрежденческо-производственной телефонной станции | ||
- производственной связи | ||
Внутри условного знака указывают порядковый номер коммутатора, к которому подключается аппарат. | ||
4.2. Коммутатор производственной связи Внутри условного знака указывают порядковый номер коммутатора | ||
![]() | ![]() | |
Указывают наименование устройства (маркер - М, пересчетчик - П, регистр - Р, УЗПИ, УКС, УРС, ЦУУ и др.) | ![]() | ![]() |
Указывают назначение ПЩ Пример: ПЩ 1 ГИ | ![]() | |
Кроссировочное соединение на ПЩ, выполняемое между рамками на стороне поля и приборов | ||
Кроссировочное соединение на ПЩ, выполняемое между рамками на одной из сторон | ||
Допускается при сложных переключениях на ПЩ | ![]() | |
Наименование | Обозначение сооружений и устройств | |
действующих | проектируемых | |
Указывают: количество управляемых ОУС, УС (n); количество управляемых ТП, БС (m) | ![]() | ![]() |
Указывают: тип станции (М); номер станции (N); существующую мощность, кВт (а); проектируемую мощность, кВт (б) | ||
Указывают номер станции (N) и количество оконечных усилителей (заштрихованные прямоугольники - рабочие усилители, незаштрихованные - резервные) | ||
3.1. Для ОУС с оконечными усилителями мощностью по 5 кВт | ![]() | ![]() |
3.2. То же, мощностью по 15 кВт | ![]() | ![]() |
![]() | ![]() | |
Указывают количество оконечных усилителей и номер станции (N) | ||
5.1. Для УС с оконечными усилителями мощностью по 5 кВт | ![]() | ![]() |
5.2. То же, мощностью по 15 кВт | ![]() | ![]() |
Указывают мощность в киловаттах (W) | ![]() | ![]() |
Указывают: номер ТП (N); существующее количество радиотрансляционных точек (а); существующее количество уличных громкоговорителей в 10-ваттном исчислении (б); проектируемое количество радиотрансляционных точек (в); проектируемое количество уличных громкоговорителей в 10-ваттном исчислении (г) | ![]() | ![]() |
Указывают номера подстанции (N) | ![]() | ![]() |
Указывают мощность трансформатора (W) и, при необходимости, количество радиотрансляционных точек (n) | ![]() | ![]() |
10.1. ответвительная | ||
10.2. ограничительная | ||
12.1. абонентский | ||
12.2. рупорный | ||
12.3. радиальный | ||
Для указания разновидности аппаратных около обозначения приводят аббревиатуру их наименований. Например: РУМВА - аппаратная регионального узла магистральных связей; МВА - междугородная вещательная аппаратная; КРА - коммутационно-распределительная аппаратная. | ||
![]() | ![]() | |
Наименование | Обозначение сооружений и устройств | |
действующих | проектируемых | |
Допускается в схемах, насыщенных коммуникациями связи | По СТ СЭВ 160 | |
1.1. Подземная в грунте | ![]() | ![]() |
1.2. Подводная | ![]() | ![]() |
1.3. Подвесная | ![]() | ![]() |
1.4. В кабельной канализации, шахте, коллекторе, смотровом устройстве, туннеле, метро, по стенам зданий, в канале скрытой проводки, по металлическому желобу Примечание. При необходимости указывают: номер линии (N); марку кабеля, диаметр жил (m, мм); длину линии (l, км) | ![]() | ![]() |
![]() | ||
![]() | ![]() | |
При необходимости указывают число каналов, номер канала, в котором прокладывается проектируемый кабель, направление счета каналов, длина пролета канализации Примеры: | ![]() | ![]() |
1) кабельная канализация: количество каналов - 12; номер канала - 2; длина пролета канализации - 120 м; проектируемое число каналов (в кружке) - 12 | ![]() | ![]() |
2) докладка каналов к действующей кабельной канализации (указывается в кружке) | ![]() | |
- канал свободный | ||
- канал, занятый существующим кабелем | ||
- канал, занятый частично | ||
- канал, забронированный по другому объекту | ||
Пример: 16-канальный блок кабельной канализации | ||
Номера занимаемых каналов указывают цифрами (9, 1, 2) | ![]() | ![]() |
При необходимости около обозначения указывают число пар и номера коробок | ||
По СТ СЭВ 160 | ||
Допускается в схемах, насыщенных коммуникациями связи, упрощенное обозначение Для указания типоразмера колодца вписывают цифровое или буквенное обозначение. Примеры: | ||
- колодец кабельной канализации связи типоразмера ККС-4 | ||
- колодец кабельной канализации связи специального типа | ||
При необходимости на линии-выноске указывают номер колодца (N) и тип колодца (М). Допускается, при необходимости, наносить на геоподоснову кабельные колодцы в масштабе чертежа: | ![]() | |
9.1. проходной | ||
9.2. угловой | ||
9.3. разветвительный | ||
При необходимости указывают около или внутри обозначения тип колодца | ||
Допускается на планах и схемах: | По СТ СЭВ 160 | |
11.1. при установке на улице | ||
11.2. при установке внутри здания Указывают номер, емкость шкафа и, при необходимости, номер магистрали, число пар | ||
11.3. на схеме магистральных участков телефонной сети В обозначение вписывают: - по горизонтали - номер шкафа - по вертикали - номера защитных полос (ЗП) | ![]() | ![]() |
![]() | ![]() | |
12.1. распределительная | ||
12.2. распределительная параллельная Указывают: номер коробки (N); количество подключенных телефонных аппаратов (К) | ![]() | ![]() |
![]() | ![]() | |
13.1. общее обозначение | ||
13.2. параллельный Указывают: номер кабельного ящика (N); емкость кабельного ящика (n) | ![]() | ![]() |
Над обозначением указывают марку и сечение провода | ![]() | ![]() |
![]() | ![]() | |
Указывают тип КИП | ![]() | ![]() |
![]() | ![]() | |
![]() | ![]() | |
Общее обозначение Указывают количество электродов (n) | ||
20.1. Контурное Указывают количество электродов (n) | ![]() | ![]() |
20.2. Протяженное Указывают длину (l, м) | ![]() | ![]() |
21.1. прямая | ![]() | ![]() |
21.2. разветвительная (перчатка) | ![]() | ![]() |
21.3. симметрирующая | ![]() | ![]() |
21.4. конденсаторная | ![]() | ![]() |
21.5. стыковая | ![]() | ![]() |
21.6. газонепроницаемая | ![]() | ![]() |
21.7. изолирующая | ![]() | ![]() |
21.8. изолирующая газонепроницаемая | ![]() | ![]() |
22.1. Электродренаж: | ||
22.1.1. усиленный | ||
22.1.2. прямой | ||
22.1.3. поляризованный | ||
22.2. Установка катодная | ||
22.3. Протектор | ||
22.4. Совместная электрозащита (вентильная электроперемычка) | ||
Указывают: номер линии (N); длину линии (l, км); материал и диаметр проволоки (m, мм); номера опор, при необходимости, (1, 2, 3) | ![]() | ![]() |
23.1. Упраздняемая воздушная линия связи | ![]() | |
24.1. для 8-штыревой траверсы | ![]() | ![]() |
24.2. для 4-штырной траверсы | ![]() | ![]() |
24.3. для крюкового профиля Указывают: номер цепи или линии (N); материал и диаметр проводов (М), например, М-4, С-4; количество опор на 1 км (A); высоту опоры (h) | ![]() | |
Указывают: номер линии (N); материал и диаметр провода (m, мм); длину линии (l, км); номера опор, при необходимости, (1, 2, 3) | ![]() | ![]() |
Указывают: номер линии (N); материал и диаметр провода (m, мм); длину линии (l, км); номера опор, при необходимости, (1, 2, 3) | ![]() | ![]() |
![]() | ||
Указывают: рабочий (М); резервный (Мр); номер линии (N); длину линии (l, км); материал и диаметр провода (m, мм) | ![]() | ![]() |
Допускается около обозначения указывать тип стойки и число пар | ||
![]() | ![]() | |
Допускается указывать назначение и материал опор: контрольная (К); резервная (Р); железобетонная (Ж); деревянная (Д) | ![]() | ![]() |
Примечание. В обозначениях по пп. 31 - 34 указывают нормальный вылет угла (Ам) | ![]() | ![]() |
![]() | ![]() | |
![]() | ![]() | |
Указывают нормальный вылет угла (Ам) | ![]() | ![]() |
![]() | ![]() | |
![]() | ![]() | |
![]() | ![]() | |
![]() | ![]() | |
Указывают тип разрядника (р) | ![]() | ![]() |
- дренажная (ДК) | ||
- запирающая (ЗК) | ||
![]() | ![]() | |
![]() | ![]() | |
![]() | ![]() | |
Указывают марку, емкость и диаметр жил кабеля | ![]() | ![]() |
Указывают высоту мачт (H, м) | ![]() | ![]() |
- вставка | ![]() | ![]() |
- ввод | ![]() | ![]() |
Указывают марку, емкость и диаметр жил кабеля | ||
2-проводная | ![]() | ![]() |
3-проводная | ![]() | ![]() |
4-проводная | ![]() | ![]() |
Наименование | Обозначение сооружений и устройств | |
действующих | проектируемых | |
Для указания разновидности предприятий (сооружений) около обозначения приводят их аббревиатуру Пример: ТПОМС - территориально-производственное объединение междугородными связями и телевидения; ЭТУС - эксплуатационный технический узел связи; РУС - районный узел связи и т.п. | ![]() | ![]() |
Указывают тип аппаратуры и, при необходимости, номер стойки (статива): | ||
- стоечного или шкафного типа в рядах | ![]() | ![]() |
- стоечного, устанавливаемого в каркасах ряда | ![]() | ![]() |
- ряды в аппаратной, стативной и др. Указывают расстояние между осями рядов (l1), в свету (l2) и от стены (l3) | ![]() | |
Примечание. Оборудование обозначают: | ||
- проектируемое | ![]() | |
- действующее | ![]() | |
- переносимое | ![]() | |
- развитие | ![]() | |
- демонтируемое | ![]() | |
- свободные места на каркасе ряда, используемые при развитии | ![]() | |
- фасад оборудования (указывают стрелкой) | ![]() | |
- без направляющей платы для проводников (кабелейтора) | ![]() | |
- с направляющей платой для проводников (кабелейтором) | ![]() | |
![]() | ![]() | |
Указывают тип коробки (ПК); размер (H) | ||
![]() | ||
- открытый | ![]() | ![]() |
- закрытый | ![]() | ![]() |
Указывают: количество труб (n); диаметр трубы (d, мм); протяженность (l, м) | ![]() | ![]() |
![]() | ||
То же, сетевых и групповых трактов и широкополосных каналов | ![]() | |
То же, коммутируемых каналов вторичных сетей | ![]() | |
- "провод - земля" | ![]() | ![]() |
- то же, резервное | ![]() | ![]() |
Направление основного ДП по схеме: | ||
- "провод - провод" | ![]() | ![]() |
- то же, резервное Указывают число используемых жил | ![]() | ![]() |
![]() | ![]() | |
Наименование | Обозначение сооружений и устройств | |
действующих | проектируемых | |
1) 2 Мбит/с | Е1 | E1 |
2) 34 Мбит/с | Е3 | Е3 |
3) 140 Мбит/с | Е4 | Е4 |
4) STM-1 | S1 | S1 |
5) STM-4 | S4 | S4 |
6) STM-16 | S16 | S16 |
1) ВОСП 155 Мбит/с (STM-1): а) с окончанием на один тракт 140 Мбит/с | ![]() | ![]() |
б) с окончанием на 63 тракта 2 Мбит/с | ![]() | ![]() |
в) с окончанием на три тракта 34 Мбит/с | ![]() | ![]() |
г) с комбинированным окончанием на 42 тракта 2 Мбит/с и один тракт 34 Мбит/с | ![]() | ![]() |
2) ВОСП 622 Мбит/с (STM-4): | ![]() | ![]() |
а) с окончанием на четыре тракта STM-1 или четыре тракта 140 Мбит/с | ||
б) с окончанием на 126 трактов 2 Мбит/с и шесть трактов 34 Мбит/с | ![]() | ![]() |
в) с комбинированным окончанием на два тракта STM-1 и 126 трактов 2 Мбит/с или шесть трактов 34 Мбит/с | ![]() | ![]() |
г) с комбинированным окончанием на два тракта 140 Мбит/с и 126 трактов 2 Мбит/с или шесть трактов 34 Мбит/с | ![]() | ![]() |
3) ВОСП 2,5 Гбит/с (STM-16) с окончанием на 16 трактов STM-1 или 16 трактов 140 Мбит/с | ![]() | ![]() |
4) Оконечный пункт ЛП с аппаратурой СП СЦИ (ВОСП 155 Мбит/с/622 Мбит/с/2,5 Гбит/с) с резервированием по схеме 1 + 1 или 1 : 1 | ![]() | ![]() |
1) ВОСП 155 Мбит/с: а) с вводом/выводом одного тракта STM-1 | ![]() | ![]() |
б) с вводом/выводом 63 трактов 2 Мбит/с | ![]() | ![]() |
в) с вводом/выводом трех трактов 34 Мбит/с | ![]() | ![]() |
г) с вводом/выводом трактов 2 Мбит/с, 34 Мбит/с с кросскоммутацией на уровне VC-12 | ![]() | ![]() |
д) регенератор | ![]() | ![]() |
2) ВОСП 622 Мбит/с: а) с вводом/выводом четырех трактов 140 Мбит/с или STM-1 | ![]() | ![]() |
б) с вводом/выводом 126 трактов 2 Мбит/с и шести трактов 34 Мбит/с | ![]() | ![]() |
в) с вводом/выводом двух трактов STM-1 или 140 Мбит/с или 126 трактов 2 Мбит/с | ![]() | ![]() |
г) с вводом/выводом двух трактов STM-1 или 140 Мбит/с и шести трактов 34 Мбит/с | ![]() | ![]() |
д) с вводом/выводом трактов 2 Мбит/с, 34 Мбит/с с кросскоммутацией на уровне VC-12 | ![]() | ![]() |
е) с вводом/выводом трактов 140 Мбит/с, STM-1 с кросскоммутацией на уровне VC-12 | ![]() | ![]() |
ж) с вводом/выводом трактов STM-1 или 140 Мбит/с с кросскоммутацией на уровне VC-4 | ![]() | ![]() |
з) регенератор | ![]() | ![]() |
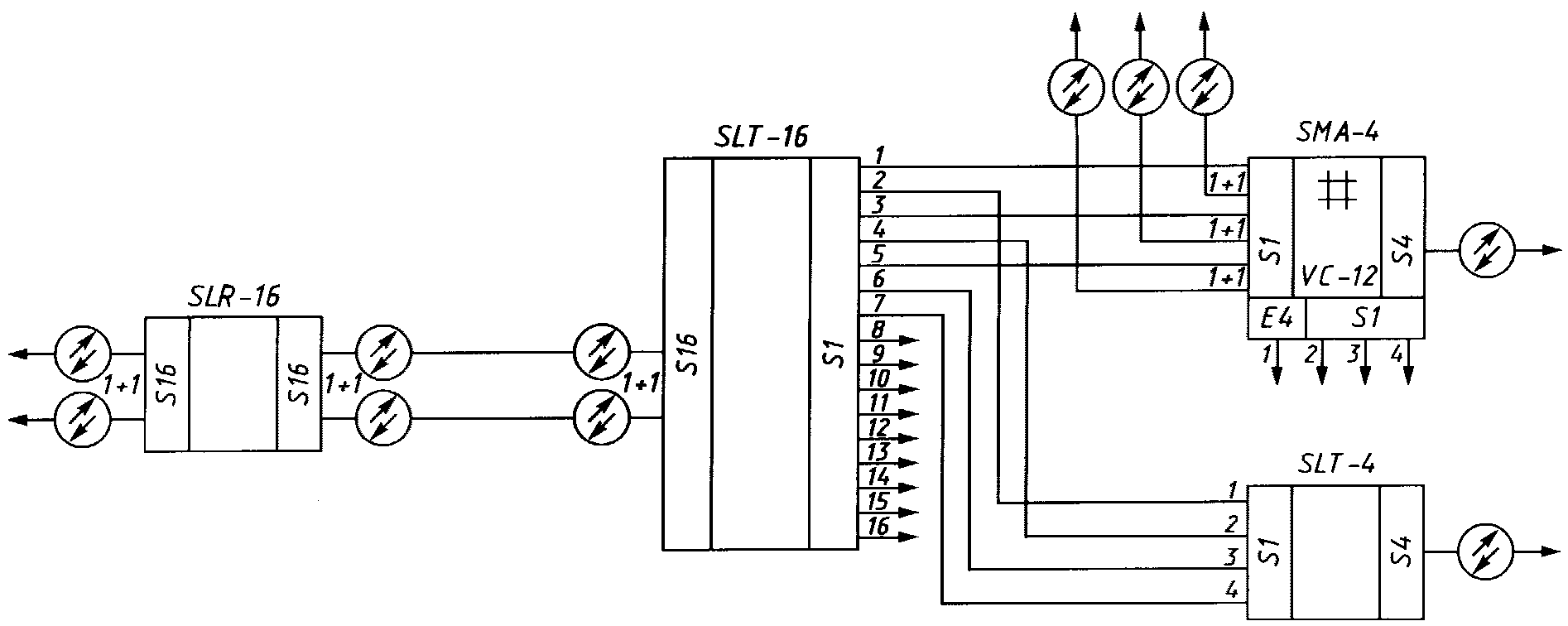
3) ВОСП 155 Мбит/с/622 Мбит/(STM-1/STM-4) с вводом//выводом трактов 2 Мбит/с, 34 Мбит/с, 140 Мбит/с, STM-1 | ![]() | ![]() |
4) ВОСП 155 Мбит/с/622 Мбит/(STM-1/STM-4) с вводом//выводом до 252 трактов 2 Мбит/с с кросскоммутацией на уровнях TU-12, TU-2, AU-4 | ![]() | ![]() |
5) ВОСП 2,5 Гбит/с: а) с вводом/выводом 16 трактов 140 Мбит/с или 16 трактов STM-1, или их комбинация | ![]() | ![]() |
б) с вводом/выводом трактов 140 Мбит/с, STM-1 с кросскоммутацией на уровне VC-12 | ![]() | ![]() |
в) с вводом/выводом трактов 140 Мбит/с, STM-1 с кросскоммутацией на уровне VC-4 | ![]() | ![]() |
г) регенератор | ![]() | ![]() |
6) Кроссовый коммутатор: | ||
а) с вводом/выводом до 256 трактов 140 Мбит/с или STM-1, или до 1024 трактов 34 Мбит/с, или до 16384 трактов 2 Мбит/с, или их комбинация с кросскоммутацией на уровнях TU-12, TU-3, AU-4 | ![]() | ![]() |
б) с вводом/выводом до 1024 трактов 140 Мбит/с или STM-1, или их комбинация с кросскоммутацией на уровне AU-4 | ![]() | ![]() |
Наименование | Обозначение сооружений и устройств | |
действующих | проектируемых | |
1. Кабельные системы передачи | ||
1.1. Оконечная станция и аппаратура оконечного пункта линейного тракта (ОПЛТ) СП К-3600 (основное обозначение) | ![]() | ![]() |
1.2. Оконечная станция и аппаратура ОПЛТ СП К-102ОС (упрощенное обозначение) | ![]() | ![]() |
1.3. Оконечная станция и аппаратура ОПЛТ СП ИКМ-480 (основное обозначение) | ![]() | ![]() |
1.4. Оконечная станция и аппаратура ОПЛТ СП ИКМ-12ОУ (упрощенное обозначение) | ![]() | ![]() |
1.5. Транзитное соединение групповых трактов оконечных станций СП К-60ПС и СП К-24Р (упрощенное обозначение) | ![]() | ![]() |
1.6. Транзитное соединение групповых трактов оконечных станций СП ИКМ-12ОУ и СП К-60ПС (основное обозначение) | ![]() | ![]() |
1.7. Транзитное соединение групповых трактов оконечных станций СП ИКМ-120 4/5 и СП ИКМ-30 по двухкабельной схеме (основное обозначение) | ![]() | ![]() |
1.8. Сопряжение аппаратуры СП ИКМ-120 4/5 по однокабельной схеме с АТСК-У (основное обозначение) | ![]() | ![]() |
1.9. Сопряжение аппаратуры СП ИКМ-30 с АТС: | ||
- координатной системы | ![]() | ![]() |
- электронной системы | ![]() | ![]() |
2. Воздушные системы передачи | ![]() | ![]() |
2.1. Оконечная станция воздушной линии передачи (основное обозначение) | ||



Наименование | Номер таблицы | Порядковый номер в таблице |
Автотрансформатор согласовывающий (АТ) | ||
Аппарат телеграфный | ||
Аппарат телеграфный с магнитной приставкой | ||
Аппарат факсимильный | ||
Аппараты телефонные | ||
Аппаратура двусторонней групповой междугородной телефонной связи | ||
Аппаратная звукового или телевизионного вещания | ||
Аппаратура контрольно-измерительная | ||
Аппаратура образования дискретных каналов магистральных и внутризоновых связей | ||
Аппаратура образования дискретных каналов местных телеграфных связей | ||
Аппаратура образования канала звукового вещания | ||
Аппаратура оконечная линейного тракта (ОПЛТ) | ||
Аппаратура передачи данных | ||
Аппаратура преобразования и временного группообразования | ||
Аппаратура служебной связи | ||
Аппаратура сопряжения | ||
Аппаратура телемеханики | ||
Аппаратура транзита групповых трактов | ||
Блок-станция (БС) | ||
Бокс кабельный | ||
Вставка кабельная и ввод на воздушных линиях | ||
Вывод кабеля, защищаемого металлическим угольником (трубой), на стену здания | ||
Выделение и введение в ОУП групповых трактов | ||
Граница района трансформаторной подстанции (ТП), блок-станции (БС), усилительной станции (УС), хозяйства (совхоза, колхоза) | ||
Громкоговоритель | ||
Желоб воздушный для прокладки кабелей | ||
Желоб подпольный | ||
Заземление | ||
Знак створный на речных переходах | ||
Интерфейсы | ||
Кабель демонтируемый | ||
Кабель электродренажа | ||
Канал телеграфный (ТГ) | ||
Канал тональной частоты (ТЧ) | ||
Канал тональной частоты или групповой тракт резервный | ||
Каналы кабельной канализации | ||
Каналы скрытых проводок | ||
Канализация связи кабельная | ||
Катушка | ||
Катушка пупиновская на опоре | ||
Колодец кабельный | ||
Колодец кабельной канализации переустраиваемый | ||
Колодец кабельной канализации на геодезической подоснове | ||
Колодец кабельной канализации на поперечном и продольном профиле | ||
Колонка звуковая | ||
Коммутатор низовой связи станции прямых соединений | ||
Коммутатор станции прямых соединений схемный | ||
Коммутатор телеграфный особой корреспонденции | ||
Коммутаторы телефонные | ||
Комплекс аппаратно-программный "Телеграф" | ||
Комплекс управляющий вычислительный | ||
Комплекты реле соединительных линий | ||
Концентратор каналов ПД | ||
Концентратор телеграфной связи | ||
Коробка абонентская | ||
Коробка подпольная | ||
Коробка универсальная сети проводного вещания | ||
Линия воздушная столбовая | ||
Линия кабельная связи | ||
Линия передачи соединительная ГТС и СТС | ||
Линия сети проводного вещания на электроопорах | ||
Линия стоечная городских телефонных сетей и сетей проводного вещания | ||
Муфта кабельная (для линий связи) | ||
Оборудование станционное на планах расположения | ||
Опора для болотистых грунтов | ||
Опора кабельная с кабельным шкафом или ящиком | ||
Опора мачтовая | ||
Опора, оборудованная двойными траверсами | ||
Опора П-образная | ||
Опора полуанкерная | ||
Опора сдвоенная | ||
Опора с молниеотводом | ||
Опора с разрядником | ||
Опоры столбовые | ||
Опора угловая, укрепленная оттяжкой | ||
Опора угловая, укрепленная подпорой и оттяжкой | ||
Опора угловая, укрепленная подпорой с левой стороны по ходу нумерации опор | ||
Опора угловая, укрепленная подпорой с правой стороны по ходу нумерации опор | ||
Опора, укрепленная двумя деревянными приставками | ||
Опора, укрепленная двумя железобетонными или рельсовыми приставками | ||
Опора, укрепленная контрольной оттяжкой | ||
Опора, укрепленная одной деревянной приставкой | ||
Опора, укрепленная одной железобетонной или рельсовой приставкой | ||
Опора, установленная в ряже | ||
Отверстие для прохода кабелей | ||
Отверстие в ОУП групповых трактов с потерей спектра | ||
Переключение каналов ТЧ, ТТ | ||
Переход кабельный подводный | ||
Переход мачтовый | ||
Питание дистанционное (ДП) | ||
Подстанция трансформаторная (ТП) | ||
Подстанция трансформаторная однолучевого питания (ТПО) | ||
Предприятия (сооружения) эксплуатационные сетей связи | ||
Прибор вызывной | ||
Провод защитный | ||
Профили опор воздушных линий передачи и сети проводного вещания | ||
Пульт контрольно-измерительный | ||
Пункт абонентский (АП) сети АТ | ||
Пункт абонентский сети ПД | ||
Пункт контрольно-измерительный (КИП) | ||
Пункт оконечный ЛП с аппаратурой СП СЦИ | ||
Пункт промежуточный ЛП с аппаратурой СП СЦИ | ||
Пункт оконечный (ОП) передачи (ПРД) или приема (ПРМ) газетных полос по каналам связи | ||
Пункт оконечный телеграфной сети общего пользования | ||
Пункт переприема каналов звукового вещания (ЗВ) или телевизионного вещания (ТВ) | ||
Пункт телефонный переговорный (ПП) | ||
Переход кабельный подводный | ||
Переход мачтовый | ||
Питание дистанционное (ДП) | ||
Подстанция трансформаторная (ТП) | ||
Подстанция трансформаторная однолучевого питания (ТПО) | ||
Предприятия (сооружения) эксплуатационные сетей связи | ||
Прибор вызывной | ||
Провод защитный | ||
Профили опор воздушных линий передачи и сети проводного вещания | ||
Пульт контрольно-измерительный | ||
Пункт абонентский (АП) сети АТ | ||
Пункт абонентский сети ПД | ||
Пункт контрольно-измерительный (КИП) | ||
Пункт оконечный (ОП) передачи (ПРД) или приема (ПРМ) газетных полос по каналам связи | ||
Пункт оконечный телеграфной сети общего пользования | ||
Пункт переприема каналов звукового вещания (ЗВ) или телевизионного вещания (ТВ) | ||
Пункт телефонный переговорный (ПП) | ||
Пункт транзита каналов звукового вещания (ЗВ) или телевизионного вещания (ТВ) | ||
Пункты на первичной сети | ||
Радиорозетка | ||
Рамка штифтовая на схемах подключения | ||
Розетка телефонная | ||
Станция оконечная междугородная (ОМС) объединенная | ||
Станция опорная усилительная (ОУС) | ||
Станция передвижная усилительная | ||
Станция ПВ централизованной сети проводного вещания | ||
Станция промежуточная регенерационная | ||
Станция промежуточная усилительная | ||
Станция сетевая | ||
Станция системы передачи оконечная (СП) | ||
Станция телефонная | ||
Станция усилительная (УС) | ||
Станция усилительная проводного вещания | ||
Станция центральная (ЦСПВ) | ||
Стойка коммутационных устройств | ||
Стойка телефонная | ||
Столбик замерный | ||
Ступень искания для функциональных схем станций и узлов | ||
Таксофоны телефонные | ||
Термодатчик грунтовый АРУ | ||
Трансформатор абонентский или фидерный | ||
Узел телеграфный коммутации 1-го класса | ||
Узел телеграфный коммутации 2-го класса | ||
Узел телеграфный коммутации 3-го класса | ||
Узел телефонный автоматической коммутации | ||
Узлы ЕАСС сетевые | ||
Усилитель тональной частоты | ||
Устройство защиты от ошибок | ||
Устройство управления релейное или электронное | ||
Устройства сопряжения каналов ПД и ЭВМ | ||
Устройства электрозащиты | ||
Устройства переходные | ||
Фидер магистральный на схемах сети проводного вещания | ||
Цепь фантомная двухпроводная | ||
Цепь физическая | ||
Шкаф кабельный распределительный | ||
Штыри на крыше | ||
Щит переключений промежуточный (ПЩ) | ||
Ящик кабельный телефонный | ||
Ящик пупиновский |