Главная // Актуальные документы // ГОСТ (Государственный стандарт)
СПРАВКА
Источник публикации
М.: Стандартинформ, 2014
Примечание к документу
Документ включен в Перечень международных и региональных (межгосударственных) стандартов, а в случае их отсутствия - национальных (государственных) стандартов, в результате применения которых на добровольной основе обеспечивается соблюдение требований технического регламента Таможенного союза "О безопасности низковольтного оборудования" (ТР ТС 004/2011) и в Перечень международных и региональных (межгосударственных) стандартов, а в случае их отсутствия - национальных (государственных) стандартов, содержащих правила и методы исследований (испытаний) и измерений, в том числе правила отбора образцов, необходимые для применения и исполнения требований технического регламента Таможенного союза "О безопасности низковольтного оборудования" (ТР ТС 004/2011) и осуществления оценки соответствия объектов технического регулирования (Решение Коллегии Евразийской экономической комиссии от 11.05.2023 N 55).

Документ включен в Перечень международных и региональных (межгосударственных) стандартов, а в случае их отсутствия - национальных (государственных) стандартов, в результате применения которых на добровольной основе обеспечивается соблюдение требований технического регламента Таможенного союза "О безопасности машин и оборудования" (ТР ТС 010/2011) и отдельные положения данного документа включены в Перечень международных и региональных (межгосударственных) стандартов, а в случае их отсутствия - национальных (государственных) стандартов, содержащих правила и методы исследований (испытаний) и измерений, в том числе правила отбора образцов, необходимые для применения и исполнения требований технического регламента Таможенного союза "О безопасности машин и оборудования" (ТР ТС 010/2011) и осуществления оценки соответствия объектов технического регулирования (Решение Коллегии Евразийской экономической комиссии от 09.03.2021 N 28).

Документ введен в действие с 1 января 2015 года.

Название документа
"ГОСТ IEC 60745-2-5-2014. Межгосударственный стандарт. Машины ручные электрические. Безопасность и методы испытаний. Часть 2-5. Частные требования к дисковым пилам"
(введен в действие Приказом Росстандарта от 10.07.2014 N 726-ст)

"ГОСТ IEC 60745-2-5-2014. Межгосударственный стандарт. Машины ручные электрические. Безопасность и методы испытаний. Часть 2-5. Частные требования к дисковым пилам"
(введен в действие Приказом Росстандарта от 10.07.2014 N 726-ст)


Содержание


Введен в действие
Приказом Федерального
агентства по техническому
регулированию и метрологии
от 10 июля 2014 г. N 726-ст
МЕЖГОСУДАРСТВЕННЫЙ СТАНДАРТ
МАШИНЫ РУЧНЫЕ ЭЛЕКТРИЧЕСКИЕ
БЕЗОПАСНОСТЬ И МЕТОДЫ ИСПЫТАНИЙ
ЧАСТЬ 2-5
ЧАСТНЫЕ ТРЕБОВАНИЯ К ДИСКОВЫМ ПИЛАМ
Hand-held motor-operated electric tools - Safety -
Part 2-5. Particular requirements for circular saws
(IEC 60745-2-5:2010, IDT)
ГОСТ IEC 60745-2-5-2014
МКС 25.140.20
Дата введения
1 января 2015 года
Предисловие
Цели, основные принципы и порядок проведения работ по межгосударственной стандартизации установлены ГОСТ 1.0-92 "Межгосударственная система стандартизации. Основные положения" и ГОСТ 1.2-2009 "Межгосударственная система стандартизации. Стандарты межгосударственные, правила и рекомендации по межгосударственной стандартизации. Правила разработки, принятия, применения, обновления и отмены".
Сведения о стандарте
1. Подготовлен Закрытым акционерным обществом "ИНТЕРСКОЛ" (ЗАО "ИНТЕРСКОЛ") на основе собственного аутентичного перевода на русский язык международного стандарта, указанного в пункте 5, Межгосударственным техническим комитетом по стандартизации МТК 262 "Инструмент механизированный и ручной".
2. Внесен Федеральным агентством по техническому регулированию и метрологии.
3. Принят Межгосударственным советом по стандартизации, метрологии и сертификации по переписке (Протокол от 30 мая 2014 г. N 67-П).
За принятие проголосовали:
Краткое наименование страны по МК (ИСО 3166) 004-97
Код страны по МК (ИСО 3166) 004-97
Сокращенное наименование национального органа по стандартизации
Армения
AM
Минэкономики Республики Армения
Беларусь
BY
Госстандарт Республики Беларусь
Киргизия
KG
Кыргызстандарт
Молдова
MD
Молдова-Стандарт
Россия
RU
Росстандарт
Таджикистан
TJ
Таджикстандарт
4. Приказом Федерального агентства по техническому регулированию и метрологии от 10 июля 2014 г. N 726-ст межгосударственный стандарт ГОСТ IEC 60745-2-5-2014 введен в действие в качестве национального стандарта Российской Федерации с 1 января 2015 г.
5. Настоящий стандарт идентичен международному стандарту IEC 60745-2-5:2010 Hand-held motor-operated electric tools - Safety - Part 2-5: Particular requirements for circular saws (Инструменты ручные электромеханические. Безопасность. Часть 2-5. Дополнительные требования к дисковым пилам).
Международный стандарт разработан техническим комитетом 116 "Безопасность ручного электрического механизированного инструмента" Межгосударственной электротехнической комиссии (IEC/TC 116 Safety of motor-operated electric tools).
Перевод с английского языка (en).
Официальные экземпляры международного стандарта, на основе которого подготовлен настоящий межгосударственный стандарт, находятся в ФГУП "СТАНДАРТИНФОРМ".
Настоящий межгосударственный стандарт взаимосвязан с техническими регламентами Таможенного союза ТР ТС 010/2011 "О безопасности машин и оборудования", ТР ТС 004/2011 "О безопасности низковольтного оборудования" и реализует их требования безопасности.
Сведения о соответствии межгосударственных стандартов ссылочным международным стандартам приведены в дополнительном Приложении ДА.
Степень соответствия - идентичная (IDT).
6. Взамен ГОСТ IEC 60745-2-5-2011.
Информация об изменениях к настоящему стандарту публикуется в ежегодном информационном указателе "Национальные стандарты", а текст изменений и поправок - в ежемесячном информационном указателе "Национальные стандарты". В случае пересмотра (замены) или отмены настоящего стандарта соответствующее уведомление будет опубликовано в ежемесячном информационном указателе "Национальные стандарты". Соответствующая информация, уведомление и тексты размещаются также в информационной системе общего пользования - на официальном сайте Федерального агентства по техническому регулированию и метрологии в сети Интернет.
Введение
Настоящий стандарт входит в комплекс стандартов, устанавливающих требования безопасности для ручных электрических машин и методы их испытаний.
Настоящий стандарт применяют совместно с ГОСТ IEC 60745-1-2013 "Машины ручные электрические. Безопасность и методы испытаний. Часть 1. Общие требования", который идентичен международному стандарту IEC 60745-1:2006 (Электроинструменты ручные с приводом от электродвигателя. Безопасность. Часть 1. Общие требования).
Настоящий стандарт устанавливает частные требования безопасности для дисковых пил и методы их испытаний, которые дополняют, изменяют или заменяют соответствующие разделы, подразделы, пункты, таблицы и рисунки IEC 60745-1:2006.
Номера разделов, пунктов, таблиц и рисунков соответствуют приведенным в IEC 60745-2-5:2010. Пункты, дополняющие IEC 60745-1:2006, имеют соответствующую нумерацию, начиная со 101. Пункты, дополняющие IEC 60745-1:2006 (приложение M), имеют соответствующую нумерацию, начиная с 301.
В настоящем стандарте методы испытаний дисковых пил выделены курсивом.
Изменение наименования раздела 3 вызвано необходимостью приведения в соответствие с требованиями ГОСТ 1.5-2001.
1. Область применения
По IEC 60745-1 со следующими изменениями:
1.1. Дополнение:
Настоящий стандарт распространяется на дисковые пилы, называемые далее пилами.
Настоящий стандарт не распространяется на пилы, предназначенные для применения с абразивными кругами.
Примечание. На пилы, предназначенные для применения с абразивными кругами в качестве отрезных машин, распространяется стандарт IEC 60745-2-22.
2. Нормативные ссылки
По IEC 60745-1.
3. Термины и определения
По IEC 60745-1 со следующими изменениями:
1.1. Дополнение:
3.101. Дисковая пила (circular saw): машина, предназначенная для резки различных материалов вращающимся зубчатым диском.
3.102. Зона режущей кромки (cutting edge zone): внешние 20% радиуса пильного диска.
3.103. Направляющая плита (base plate): деталь, служащая опорой пилы на обрабатываемом материале (рисунок 113).
3.104. Нижний защитный кожух (lower guard): подвижный закрывающий диск кожух, который в закрытом или нерабочем положении находится в основном под направляющей плитой.
3.105. Верхний защитный кожух (upper guard): неподвижная и (или) подвижная крышка диска, находящаяся над направляющей плитой.
3.106. Расклинивающий нож (riving knife): металлическая деталь, установленная в плоскости пильного диска с целью предотвратить заклинивание задней части пильного диска в распиливаемом материале.
3.107. Пила с наружным откидным кожухом (saw with outer pendulum guard): пила, нижний защитный кожух которой при работе поворачивается снаружи вокруг верхнего защитного кожуха (рисунок 101).
3.108. Пила с внутренним качающимся защитным кожухом (saw with inner pendulum guard): пила с нижним защитным кожухом, качающимся внутри верхнего защитного кожуха (рисунок 102).
3.109. Пила с ведомым защитным кожухом (saw with tow guard): пила с нижним защитным кожухом, скользящим вдоль верхнего защитного кожуха (рисунок 103).
3.110. Отдача (kickback): внезапная реакция на защемление, заклинивание или перекос пильного диска, вызывающая неуправляемый подъем пилы с выходом из обрабатываемого материала.
3.111. Пила погружного типа (plunge type saw): пила, имеющая только верхний защитный кожух, в который входит пильный диск, когда он не используется (рисунок 104).
Применение на добровольной основе раздела 4 обеспечивает соблюдение требований технического регламента Таможенного союза "О безопасности машин и оборудования" (ТР ТС 010/2011) (Решение Комиссии Таможенного союза от 18.10.2011 N 823).
4. Общие требования
По IEC 60745-1.
Применение на добровольной основе раздела 5 обеспечивает соблюдение требований технического регламента Таможенного союза "О безопасности машин и оборудования" (ТР ТС 010/2011) и осуществления оценки (подтверждения) соответствия продукции (Решение Комиссии Таможенного союза от 18.10.2011 N 823).
5. Общие условия испытаний
По IEC 60745-1.
6. Аннулирован
7. Классификация
По IEC 60745-1.
8. Маркировка и инструкции
По IEC 60745-1 со следующими изменениями:
8.1. Дополнение:
Пилы должны иметь дополнительно следующую маркировку:
- направление вращения шпинделя, указываемое на пиле в виде выступающей или утопленной стрелки или иными не менее различимыми и неудаляемыми средствами;
- номинальная частота вращения рабочего шпинделя на холостом ходу;
- рекомендуемый диаметр или диапазон диаметров для пильных дисков.
Дополнение:
8.12.1.101. Должны быть в наличии следующие дополнительные инструкции по безопасности. Инструкция на английском языке, которая должна быть приведена дословно и, если это применимо, в указанной (в соответствующем международном стандарте) последовательности; инструкции в других языковых редакциях, которые должны быть равнозначны английской версии. Эти инструкции могут быть отпечатаны отдельно, независимо от общих указаний по технике безопасности. Все примечания к ним печатать не следует, поскольку они представляют собой информацию по разработке инструкции.
8.12.1.101.1. Указания по мерам безопасности для всех пил. Порядок пиления:
ОПАСНО:
a) Не допускайте попадания рук в зону пиления и не прикасайтесь к пильному диску. Держитесь второй рукой за дополнительную рукоятку или за корпус двигателя. При удержании пилы обеими руками они будут защищены от пореза пильным диском.
Примечание. Для дисковых пил с пильным диском диаметром не более 140 мм требование "Держитесь второй рукой за дополнительную рукоятку или за корпус двигателя" может быть опущено.
b) Не держите руки ниже обрабатываемого изделия. Защитный кожух не может защищать от пильного диска снизу обрабатываемой детали.
c) Отрегулируйте глубину пропила в зависимости от толщины обрабатываемой детали. Из обрабатываемой детали пильный диск должен выступать не более чем на полную высоту зуба.
d) Никогда не удерживайте распиливаемую деталь в руках или на коленях. Закрепляйте обрабатываемую деталь на устойчивой подставке. Это является важным условием минимизации опасности от контакта с пильным диском, в том числе при его заклинивании или при потере контроля над пилой.
e) Удерживайте пилу только за изолированные поверхности захвата в случае, если выполняется работа, при которой возможно касание режущим инструментом скрытой электропроводки или своего шнура питания. Контакт с проводкой, находящейся под напряжением, приводит к тому, что металлические части пилы также оказываются под напряжением, что, в свою очередь, ведет к поражению оператора электрическим током.
f) При продольной распиловке всегда применяйте упор или прямую направляющую планку. Это улучшает точность пропила и снижает возможность заклинивания пильного диска.
g) Всегда используйте пильные диски нужного размера и имеющие соответствующее посадочное отверстие (круг, ромб и т.п.). Пильные диски, которые не подходят к соответствующим деталям пилы, вращаются с радиальным биением, что ведет к потере управления пилой.
h) Никогда не применяйте поврежденные или неверно подобранные подкладные шайбы или винты для крепления пильного диска. Подкладные шайбы и винты для крепления пильного диска сконструированы специально для данной пилы в целях получения оптимальных эксплуатационных характеристик и обеспечения безопасности в работе.
8.12.1.101.2. Дополнительные указания по технике безопасности для всех пил. Причины отдачи и соответствующие предупреждения:
- отдача - это внезапная реакция вследствие блокирования, заклинивания или перекоса пильного диска, приводящая к неконтролируемому подъему пилы с выходом пильного диска из пропила в направлении оператора;
- при сильном защемлении пильного диска или ограничении его хода реактивная сила, создаваемая двигателем, отбрасывает пилу в направлении оператора;
- если пильный диск искривляется или перекашивается, то зубья диска задней кромкой цепляются за обрабатываемую деталь, из-за чего пильный диск может перемещаться в направлении выхода из пропила, а пила - отбрасываться в направлении оператора.
Отдача является следствием неверной или ошибочной эксплуатации пилы, нарушения правил выполнения работ. Она может быть предотвращена принятием соответствующих мер предосторожности, указанных далее:
a) Надежно удерживайте пилу обеими руками, а руки располагайте так, чтобы можно было противодействовать силам отдачи. Всегда находитесь в стороне от пильного диска, не допускайте нахождения пильного диска на одной линии с вами. Отдача может вызвать "скачок" пилы назад, но при принятии указанных мер предосторожности оператор способен компенсировать возникающие усилия и не потерять способности управления.
Примечание. Такую меру предосторожности, как удержание пилы двумя руками, можно опустить для дисковых пил с диаметром дисков 140 мм и менее.
b) Если происходит заклинивание пильного диска или работа прерывается по какой-либо другой причине, отпустите выключатель и удерживайте пилу в материале до полной ее остановки. Ни в коем случае не пытайтесь извлечь пилу из распиливаемой детали или вести ее в обратном направлении, пока пильный диск вращается и может произойти отдача. Найдите причину заклинивания пильного диска и устраните ее.
c) Прежде чем включить пилу, находящуюся в заготовке, выровняйте пильный диск в пропиле, проверьте, не зацепились ли зубья пилы за деталь. Если имеет место заклинивание пильного диска, то при повторном пуске пилы может произойти отдача.
d) При распиловке больших тонких заготовок с целью снизить риск отдачи из-за заклинивания пильного диска надежно закрепляйте обрабатываемые детали на опорах.
Длинные заготовки при распиловке могут прогибаться под действием собственной массы, поэтому поддерживающие опоры должны располагаться с обеих сторон доски, рядом с линией реза и около края доски.
e) Не пользуйтесь пильными дисками с тупыми, неразведенными или поврежденными зубьями. Использование пильных дисков с тупыми, неразведенными или поврежденными зубьями ведет к образованию "узкого" пропила, к повышенному трению пильного диска о материал, к заклиниванию и отдаче пилы.
f) До начала пиления надежно зафиксируйте рычаги установки глубины пропила и угла наклона диска. Если во время пиления произойдет изменение этих установок, то может произойти заклинивание пильного диска и обратная отдача пилы.
g) При врезании в пазуху за существующей стеной и в другие скрытые места будьте особо осторожны. Погружающийся пильный диск может начать резание скрытых (например, за стеной) предметов, что может стать причиной отдачи пилы.
8.12.1.101.3. Указания по мерам безопасности для пил, показанных на рисунках 101, 102 и 103. Работа нижнего защитного кожуха:
a) Перед началом использования пилы каждый раз проверяйте правильность закрытия нижнего защитного кожуха. Не применяйте пилу, если нижний защитный кожух свободно не открывается и/или закрывается с задержками и заеданием. Никогда не фиксируйте нижний защитный кожух в открытом положении. Если пила случайно упадет, нижний защитный кожух может погнуться. Откройте защитный кожух за рычаг его отвода и убедитесь, что он перемещается свободно при любом угле и любой глубине пропила, не касаясь ни пильного диска, ни других частей пилы.
Примечание. Для рычага отвода могут быть применены альтернативные наименования.
b) Проверяйте, как функционирует пружина нижнего защитного кожуха. При отсутствии нормальной работы нижнего защитного кожуха и его возвратной пружины, прежде чем приступить к работе, выполните техническое обслуживание машины. Замедленное срабатывание может быть обусловлено повреждением деталей, наличием клейких отложений или попаданием в механизм обломков.
c) Нижний защитный кожух можно отводить вручную при выполнении специальных распилов, например распилов с "погружением" и сложных распилов. Поднимите нижний защитный кожух за ручку отвода и опустите нижний кожух, как только диск войдет в обрабатываемый материал. При любой другой распиловке нижний защитный кожух должен работать автоматически.
Примечание. Можно применить другую редакцию для обозначения ручки отвода нижнего кожуха.
d) Не кладите пилу на верстак или на пол, если пильный диск не закрыт нижним защитным кожухом. Не защищенный кожухом и движущийся по инерции пильный диск перемещает пилу в направлении, противоположном направлению пиления, и пилит все, что попадается ему на пути. Обратите внимание, что для полной остановки диска после выключения необходимо некоторое время.
8.12.1.101.4. Указания по мерам безопасности для пил, показанных на рисунке 104. Работа нижнего защитного кожуха (функции защиты):
a) Перед началом использования пилы каждый раз проверяйте правильность закрытия защитного кожуха. Не применяйте пилу, если защитный кожух свободно не перемещается и/или закрывается с задержками и заеданием. Никогда не фиксируйте защитный кожух в открытом положении. Если пила случайно упадет, нижний защитный кожух может погнуться. Убедитесь, что защитный кожух перемещается свободно при всех углах и любых глубинах пропила, не касаясь ни пильного диска, ни других частей пилы.
b) Проверяйте, как функционирует пружина нижнего защитного кожуха. При отсутствии нормальной работы нижнего защитного кожуха и его возвратной пружины, прежде чем приступить к работе, выполните техническое обслуживание машины. Замедленное срабатывание может быть обусловлено повреждением деталей, наличием клейких отложений или попаданием в механизм обломков.
c) Не допускайте смещения направляющей плиты при "погружной" распиловке, когда угол наклона диска не равен 90°. При поперечном смещении диска возможно заклинивание с отдачей.
d) Не кладите пилу на верстак или на пол, если пильный диск не закрыт защитным кожухом. Не защищенный кожухом и движущийся по инерции пильный диск перемещает пилу в направлении, противоположном направлению пиления, и пилит все, что попадается ему на пути. Обратите внимание, что для полной остановки диска после выключения необходимо некоторое время.
8.12.1.101.5. Дополнительные указания по безопасности для всех пил с расклинивающим ножом. Работа с расклинивающим ножом:
a) Для работы с расклинивающим ножом пользуйтесь подходящим диском. Для работы с расклинивающим ножом полотно диска должно быть тоньше расклинивающего ножа, при этом ширина разводки зубьев должна быть больше толщины расклинивающего ножа.
b) Установите и отрегулируйте расклинивающий нож в соответствии с требованиями руководства по эксплуатации. Неправильно выбранные толщина, положение и ориентация расклинивающего ножа могут стать причиной того, что расклинивающий нож не будет эффективно предотвращать отдачу.
c) Работайте всегда с расклинивающим ножом, кроме выполнения врезных пропилов. По окончании этой операции снова установите расклинивающий нож. При выполнении врезных пропилов расклинивающий нож может мешать и вызывать обратную отдачу.
Примечание. Это предупреждение не распространяется на погружные пилы с подпружиненным расклинивающим ножом.
d) Чтобы расклинивающий нож работал на предотвращение отдачи, он должен находиться в пропиле. При коротких пропилах расклинивающий нож неэффективен.
e) Не работайте пилой с погнутым расклинивающим ножом. Даже небольшой дефект расклинивающего ножа увеличит время закрытия защитного кожуха.
8.12.2 a) Дополнение:
101) Указание о неприменении любых абразивных кругов.
102) Для пил с расклинивающим ножом инструкция должна включать следующее:
- указания о настройке расклинивающего ножа таким образом, чтобы расстояние между расклинивающим ножом и зубчатым венцом диска не превышало 5 мм; при этом зубчатый венец диска не должен быть более чем на 5 мм ниже самой нижней точки кромки расклинивающего ножа;
- информацию о допустимых пределах толщины полотна диска и ширины разводки зубьев диска.
103) Указания о применении дисков только с соответствующим маркировке диаметром(ами).
8.12.2 b) Дополнение:
101) Указания о порядке замены диска.
102) Указания о порядке проверки работы (функционирования) всех защитных кожухов.
103) Информация о видах обрабатываемого материала. Информация об исключении перегрева зубьев диска, а также об исключении плавления пластмассы, если резание пластмассы допускается.
104) Указания о правильном применении пылесборной системы.
8.12.2 c) Дополнение:
101) Указания о правильной очистке машины и системы защитных кожухов.
9. Защита от контакта с токоведущими частями
По IEC 60745-1.
10. Пуск
По IEC 60745-1.
11. Потребляемая мощность и ток
По IEC 60745-1.
12. Нагрев
По IEC 60745-1.
13. Ток утечки
По IEC 60745-1.
14. Влагостойкость
По IEC 60745-1.
15. Электрическая прочность
По IEC 60745-1.
16. Защита от перегрузки трансформаторов
и соединенных с ними цепей
По IEC 60745-1.
17. Надежность
По IEC 60745-1 со следующими изменениями:
Дополнение:
17.101. Для обеспечения достаточной надежности при длительном использовании показанный на рисунках 101, 102, 103 нижний защитный кожух или система защитных кожухов, показанная на рисунке 104, должны иметь ресурс 50000 циклов срабатывания.
Соответствие проверяется посредством следующего испытания нового образца пилы.
Пилу настраивают на 90° при горизонтальном положении направляющей плиты без диска. Нижний защитный кожух или систему защитных кожухов (по рисунку 104) отводят из положения полного закрытия в рабочее положение максимального открытия, а затем отпускают. Этот цикл повторяют с частотой не менее 10 циклов в мин.
Используемый в этом испытании образец не обязательно располагать горизонтально, если можно доказать равноценность или меньшую выгодность другого положения.
По завершении описанного выше циклического испытания пила должна выдерживать испытания по приведенным далее пунктам 17.101.1 и 17.101.2.
17.101.1. Испытание и измерение производят при максимальной глубине пропила и угле 90°. Пилу удерживают за рукоятки, расположив направляющую плиту горизонтально и с защитным кожухом сверху.
Нижний защитный кожух (по рисункам 101, 102 и 103) или систему защитных кожухов (по рисунку 104) полностью отводят, а затем отпускают для закрытия без проведения ремонта или очистки. Время перехода из полностью открытого положения в положение полного закрытия не должно превышать 0,3 с.
17.101.2. Испытания и измерения производят при максимальной глубине пропила, угле 90° и в следующих положениях:
a) сначала, расположив направляющую плиту горизонтально, удерживают пилу в положении с верхним защитным кожухом сверху;
b) затем, расположив направляющую плиту вертикально, удерживают пилу в положении передней частью вверх.
У пил с защитными кожухами по рисункам 101 и 102 нижний защитный кожух полностью отводят, а затем отпускают для закрытия. После этого нижний защитный кожух в конечном (закрытом) положении в обоих случаях (по рисунку 101 и по рисунку 102) должен без каких-либо изменений контактировать с упором нижнего защитного кожуха, и это положение не должно изменяться из-за перемещения направляющей плиты на минимальную глубину пропила; при этом защитный кожух должен отвечать требованиям пункта 19.102.3.
У пил с защитными кожухами (по рисункам 103 и 104) нижний защитный кожух или систему защитных кожухов (по рисунку 104) полностью отводят и отпускают, после чего они должны зафиксироваться в положении закрытия диска.
17.102. Нижний защитный кожух (по рисункам 103 и 104) или система защитных кожухов (по рисунку 104) должны быть стойкими к воздействию внешних факторов и ожидаемому скоплению пыли.
Соответствие проверяется посредством испытаний - соответственно по пунктам 17.102.1 и 17.102.2.
17.102.1. Если пила предназначена для пиления материалов на основе древесины, новым образцом пилы выполняют 1000 распилов каждого из материалов в указанном далее порядке:
a) поперечная распиловка древесины;
b) поперечная распиловка не менее чем пятислойной фанеры;
c) распиловка стандартной древесно-волокнистой плиты средней плотности (MDF) 650 кг/м3 - 850 кг/м3.
Перед распиловкой материалы хранят в помещении в течение 72 ч. Толщина и длина каждого образца материала могут быть различными, но при этом минимальная толщина материала должна составлять 10 мм, а площадь поперечного сечения каждого распила - не менее 30 мм·D, где D - диаметр диска.
При каждой распиловке нижний защитный кожух или система защитных кожухов должны отрабатывать цикл перехода из положения полного закрытия в рабочее положение максимального открытия в ходе каждого цикла пиления без помощи рук. Кроме того, у погружных пил с подпружиненным расклинивающим ножом расклинивающий нож должен отрабатывать цикл перехода из полностью выдвинутого в полностью отведенное положение.
Если нижний защитный кожух, система защитных кожухов или расклинивающий нож не вернутся в нормальное положение в любое время в ходе испытания, пила считается не прошедшей испытания.
Каждая распиловка производится пилой, настроенной на 90° и на максимальную глубину пропила. Распиловку производят комбинированным диском общего назначения, приложенным к машине. Присоединенную к пиле внешнюю систему пылеотсоса при этом не используют. Несъемная система пылеотсоса должна оставаться на месте - в соответствии с подпунктом 104) пункта 8.12.2 b).
Примечание. Рекомендуется достаточная вентиляция помещения и применение средств индивидуальной защиты.
После выполнения всех указанных выше распилов пилу выдерживают в течение 24 ч на воздухе с относительной влажностью (93 +/- 3)%. Температуру воздуха поддерживают с точностью 1 К на любом уровне между 20 °C и 30 °C.
После этого пила должна выдерживать испытания по 17.101.1 и 17.101.2.
17.102.2. Если пила предназначена для распиловки таких материалов, как пластмасса, металл или камень, новый образец пилы проходит указанные далее испытания:
- Пластмасса: 1000 распилов ПВХ. Толщина и длина каждого материала могут быть различными, но при этом площадь поперечного сечения каждого распила должна составлять не менее 0,012·D2, где D - диаметр диска.
Примечание 1. Приведенная выше формула моделирует поперечное сечение типичных труб из ПВХ диаметром, равным приблизительно 2/3 максимальной глубины пропила пилы. Распиловка таких труб представляет собой наиболее часто встречающийся вариант использования пил для распиловки пластмассы.
- Металл: 200 распилов мягкой стали. Толщина и длина каждого материала могут быть различными, но при этом площадь поперечного сечения каждого распила составляет не менее 0,13·D1,46 в мм2, где D - диаметр диска.
Примечание 2. Приведенная выше формула моделирует поперечное сечение типичных металлических труб диаметром, равным приблизительно 1/2 максимальной глубины пропила пилы. Распиловка таких труб представляет собой наиболее часто встречающийся вариант использования пил для распиловки металла.
- Стеновой материал (камень): 500 распилов фибролита (фибролитовой плиты). Толщина и длина каждой фибролитовой плиты материала могут быть различными, но при этом минимальная толщина материала составляет 10 мм, а площадь поперечного сечения каждого распила составляет не менее 30 мм·D, где D - диаметр диска.
При каждой распиловке нижний защитный кожух или система защитных кожухов должны отрабатывать цикл перехода из положения полного закрытия в рабочее положение максимального открытия в ходе каждого цикла пиления без помощи рук. Кроме того, у погружных пил с подпружиненным расклинивающим ножом расклинивающий нож должен отрабатывать цикл перехода из полностью выдвинутого в полностью отведенное положение.
Если нижний защитный кожух, система защитных кожухов или расклинивающий нож не вернутся в нормальное положение в любое время в ходе испытания, пила считается не прошедшей испытания.
Каждая распиловка производится пилой, настроенной на 90° и на максимальную глубину пропила. Для соответствующего материала должны назначаться определенные глубина пропила, пильный диск и скорость резания. Присоединенную к пиле внешнюю систему пылеотсоса при этом не используют. Несъемная система пылеотсоса должна оставаться на месте ? в соответствии с подпунктом 104) пункта 8.12.2 b).
Примечание. Рекомендуется достаточная вентиляция помещения и применение средств индивидуальной защиты.
После выполнения всех указанных выше распилов пилу выдерживают в течение 24 ч на воздухе с относительной влажностью (93 +/- 3)%. Температуру воздуха поддерживают с точностью 1 К на любом уровне между 20 °C и 30 °C.
После этого пила должна выдерживать испытания по 17.101.1 и 17.101.2.
18. Ненормальный режим работы
По IEC 60745-1 со следующими изменениями:
18.10.4. Дополнение:
В ходе этих испытаний частота вращения шпинделя не должна превышать 130% номинальной частоты вращения на холостом ходу.
19. Механическая безопасность
По IEC 60745-1 со следующими изменениями:
19.1. Замена первого абзаца:
Движущиеся и вращающиеся детали, помимо вращающегося диска, должны быть расположены или закрыты таким образом, чтобы при нормальном использовании обеспечивалась достаточная защита оператора от телесного повреждения. Требования к системе защитных кожухов вращающегося диска приведены в 19.1.101.
Дополнительный подпункт:
19.1.101. Пилы должны иметь защитные ограждения, которые обеспечивали бы снижение риска случайного прикосновения к вращающемуся пильному диску в той степени, в какой это возможно при существующих условиях работы. Защитные ограждения не должны демонтироваться без применения инструмента.
Существуют четыре обычно используемые в пилах системы защитных ограждений, изображенные на рисунках 101, 102, 103 и 104. Данные системы вместе с пильным диском могут располагаться как на правой, так и на левой стороне пилы. Они должны соответствовать требованиям 19.101 и 19.102. Каждая из систем конструктивно может быть выполнена как с расклинивающим ножом (позиция 6 на рисунках 101, 102, 103 и 104), так и без него.
Если конструкцией защитной системы предусмотрен расклинивающий нож, то она должна соответствовать дополнительным требованиям Приложения AA.
Если конструкцией защитной системы не предусмотрен расклинивающий нож, то она должна соответствовать дополнительным требованиям Приложения BB.
Допускается обеспечивать необходимую степень механической безопасности другими средствами - при условии, что они столь же эффективны и надежны, как указанные в настоящем стандарте.
Соответствие проверяется путем осмотра.
19.3. Этот подпункт не применяется.
Дополнительные подпункты:
19.101. Защита над направляющей плитой:
19.101.1. Пильный диск над направляющей плитой должен быть закрыт верхним защитным кожухом.
Соответствие проверяется путем осмотра.
19.101.2. Проемы в системе защитных кожухов над направляющей плитой, если иное не оговорено в 19.101.2.1 - 19.101.2.4, не должны допускать прикосновения к режущей зоне любого назначенного диска.
Соответствие проверяется с помощью испытательного щупа 'a' (по рисунку 105), который вводят под любым возможным углом и на любую возможную глубину. Испытание проводят с пилой, настроенной под углом 90° и на максимальную глубину пропила.
19.101.2.1. На боковой стороне верхнего защитного кожуха, обращенной к двигателю, вблизи зоны зубчатого венца с передней (по ходу подачи) стороны пильного диска допускается наличие проема, служащего для наблюдения линии реза. Конструкция данного проема должна соответствовать требованиям 19.101.2 (рисунок 106), или нормированные расстояние и высота проема должны соответствовать приведенным далее требованиям.
В отношении ограничения по расстоянию - должно выдерживаться расстояние в 120 мм между зоной режущей кромки любого назначенного диска и заданными точками измерения в следующих зонах захвата:
- или на дополнительной рукоятке, если она поставляется;
- или, если дополнительная рукоятка не поставляется, то:
а) на корпусе двигателя, если корпус двигателя выполнен как зона захвата;
б) на поверхности захвата клавиши включения, если корпус двигателя не выполнен как зона захвата.
Соответствие проверяется посредством следующих измерений, которые проводятся при настройке направляющей плиты на максимальную глубину пропила при угле 90°.
a) В целях нахождения точек измерения на дополнительной рукоятке или на корпусе двигателя (как показано на рисунке 107) придерживайтесь следующего порядка:
Найдите ближайшую (A) и наиболее удаленную (B) от диска точки на поверхностях захвата, образованных дополнительной рукояткой или корпусом двигателя. Для корпуса двигателя за ближайшую к диску точку (A) принимается самая удаленная от диска точка в плоскости основной рукоятки. Проведите между точками A и B вертикальную равноотстоящую от них, но не удаленную от точки A более чем на 45 мм прямую, пересекающую параллельную диску плоскость и поверхность либо дополнительной рукоятки, либо корпуса двигателя.
Найдите ближайшую (C) и наиболее удаленную (D) от плоскости направляющей плиты точки на поверхностях захвата, образованных дополнительной рукояткой или корпусом двигателя. Проведите между токами C и D горизонтальную равноотстоящую от них прямую, пересекающую параллельную направляющей плите плоскость и поверхность либо дополнительной рукоятки, либо корпуса двигателя.
Назначенная точка измерения лежит на пересечении вертикальной и горизонтальной линий, проведенных на соответствующей поверхности.
Далее измеряйте расстояние от этой найденной точки до зоны режущей кромки.
b) В целях нахождения точек измерения для зоны захвата выключателя придерживайтесь следующего порядка:
Измеряйте расстояние от зоны режущей кромки до геометрического центра клавиши выключателя, находящегося в выключенном положении.
В отношении ограничения по высоте - высота проема для наблюдения (H), измеряемая от нижней плоскости направляющей плиты (как показано на рисунке 108a), ограничена точкой, в которой линия прямой видимости, проведенная из обычного положения головы оператора до кончика пильного диска при резании древесины, пересекается с наружной поверхностью верхнего защитного кожуха.
Максимально допустимую высоту H в мм вычисляют по формуле
где U - максимальное расстояние в миллиметрах от зоны режущей кромки до наружной поверхности верхнего защитного кожуха в верхнем конце проема для наблюдения, измеренное перпендикулярно плоскости пильного диска (рисунок 108b);
S - расстояние в миллиметрах от плоскости пильного диска до параллельной срединной плоскости рукоятки с выключателем (рисунок 108c).
Соответствие проверяется посредством испытания, проводимого при настройке направляющей плиты на максимальную глубину пропила при угле 90°.
19.101.2.2. Ортогональная проекция верхнего защитного кожуха на диск должна закрывать по меньшей мере наименьшую назначенную зону режущей кромки диска. Зазор между верхним защитным кожухом и диском рассчитывают так, чтобы исключить контакт с кончиками пильных зубьев назначенного пильного диска.
Соответствие проверяется с помощью испытательного щупа a (по рисунку 105), который вводят под любым возможным углом и на любую возможную глубину, как показано на рисунке 106. Испытание проводят с пилой, настроенной под углом 90° и на максимальную глубину пропила.
19.101.2.3. Для пил с наклоняемой направляющей плитой расстояние X между направляющей плитой и кромкой боковой стороны верхнего защитного кожуха со стороны, противоположной двигателю и примыкающей к передней зоне режущей кромки диска (как показано на рисунке 109), не должно превышать:
a) 38 мм - для дисковых пил с диаметром диска менее 265 мм;
b) 45 мм - для дисковых пил с диаметром диска, равным 265 мм или более;
c) 55 мм - для дисковых пил с диаметром диска, равным 265 мм или более, в случае, когда нижний защитный кожух не имеет ручки отвода и при этом нижний защитный кожух управляется только удаленно, со стороны верхнего защитного кожуха рядом с двигателем.
Соответствие проверяется посредством измерения расстояния X по линии, перпендикулярной плоскости направляющей плиты, как показано на рисунке 109.
Для всех пил, у которых глубину пиления настраивают поворотом направляющей плиты перед диском, измерение должно производиться при настройке направляющей плиты на 90° и на максимальную глубину пиления.
Для всех пил, у которых глубину пиления настраивают поворотом направляющей плиты за диском, измерение должно производиться при настройке направляющей плиты на 90° и при любой настройке глубины пиления.
19.101.2.4. Зона режущей кромки диска над направляющей плитой должна быть недоступна с передней стороны пилы.
Соответствие проверяют с помощью показанного на рисунке 110 жесткого испытательного щупа b, который не должен прикасаться к диску при настройке пилы на пиление под углом 90° и на любую глубину пропила. Щуп b центрируют относительно диска, а затем перемещают в любой одной плоскости, перпендикулярной диску и параллельной направляющей плите, как показано на рисунке 111. Это испытание повторяют, сместив щуп b на 13 мм вправо от центра диска, а затем - на 13 мм влево от центра диска.
19.101.3. Пилы с системой защитных кожухов, показанной на рисунке 104, должны иметь верхний защитный кожух, в который автоматически убирается любой назначенный диск на время, когда он не используется, при этом время, требуемое для отвода диска в верхний защитный кожух, должно отвечать требованиям 19.102.2. Верхний защитный кожух должен автоматически запирать диск в закрытом положении, когда обрабатываемая деталь не препятствует движению плиты основания.
Соответствие проверяется путем осмотра и посредством измерения. Измерение производят, удерживая пилу за рукоятки, при этом плита основания должна удерживаться первоначально в горизонтальном положении при настройке на максимальную глубину пропила под углом 90°, а затем - отпускаться в положение закрытия диска.
Затем пилу устанавливают на горизонтальную обрабатываемую деталь направляющей плитой вниз. Пилу прижимают, держа за рукоятки, к обрабатываемой поверхности с расчетом на максимальную глубину пропила. После отпускания рукояток пила вместе с пильным диском должна переместиться вверх и автоматически запереться в положении закрытия пильного диска.
Проем в верхнем защитном кожухе для прохода диска и расклинивающего ножа при его наличии должен отвечать требованиям 19.101.2, как показано на рисунке 106.
Соответствие проверяется путем осмотра и посредством приложения испытательного щупа a, показанного на рисунке 105.
Отверстие в верхнем защитном кожухе для опускания двигателя должно быть как можно меньше.
Соответствие проверяется путем осмотра.
19.102. Защита под направляющей плитой:
19.102.1. Для пил с защитными кожухами или системой защитных кожухов (по рисункам 101, 102 и 103) ортогональная проекция нижнего защитного кожуха на диск должна закрывать по меньшей мере зону режущей кромки наименьшего назначенного диска с учетом открытой зоны диска, оговоренной в 19.102.3.
Соответствие проверяется путем осмотра.
19.102.2. Для пил с диаметром диска менее 210 мм время закрытия нижнего защитного кожуха не должно превышать 0,2 с. Для пил с диаметром диска 210 мм и более время закрытия нижнего защитного кожуха в секундах должно быть численно меньше наибольшего назначенного диаметра диска в метрах, но не более 0,3 с.
Соответствие проверяется посредством измерений. Измерения производят при максимальной глубине пропила и угле 90°. Пилу удерживают, расположив направляющую плиту горизонтально нижним защитным кожухом вниз. Нижний защитный кожух полностью отводят, а затем отпускают для закрытия.
19.102.3. Для пил с системой защитных кожухов, показанной на рисунках 101 и 102, в случае, когда направляющая плита не наклонена и настроена на максимальную глубину пропила, а нижний защитный кожух находится в закрытом положении, угол открытия диска ACB, показанный на рисунке 112, не должен превышать:
- 0°, если наружная часть направляющей плиты не закрывает диск со стороны, противоположной двигателю, или если главный размер H направляющей плиты, указанный на рисунке 113, составляет менее 0,10D;
- 10°, если наружная часть направляющей плиты закрывает диск со стороны, противоположной двигателю, и главный размер H направляющей плиты, указанный на рисунке 113, составляет от 0,10D до 0,15D;
- 25°, если наружная часть направляющей плиты закрывает диск со стороны, противоположной двигателю, и главный размер H направляющей плиты, указанный на рисунке 113, больше 0,15D.
Соответствие проверяется путем осмотра и посредством измерения.
19.102.4. У пил с системой защитных кожухов, показанной на рисунке 103, нижний защитный кожух должен автоматически запираться в закрытом положении, когда обрабатываемая деталь не препятствует перемещению нижнего защитного кожуха и позволяет ему закрыться.
Соответствие проверяется посредством испытания вручную.
19.102.5. У пил с расклинивающим ножом и показанной на рисунках 102 и 103 системой защитных кожухов, у которых нижний защитный кожух должен допускать проход диска, расклинивающего ножа и устройства его крепления, проем в нижнем защитном кожухе должен быть как можно меньшего размера.
Соответствие проверяется с помощью испытательного щупа a (по рисунку 105), который вводят под любым возможным углом и на любую возможную глубину, как показано на рисунке 106. Щуп не должен касаться зоны режущей кромки самого большого назначенного диска.
19.103. Направляющая плита:
19.103.1. Направляющая плита должна охватывать нижний защитный кожух (либо диск - для пилы погружного типа) по меньшей мере спереди, сзади и со стороны двигателя. Если наружная часть направляющей плиты съемная или откидная, размер H необходимо измерять в самом невыгодном положении. Направляющая плита должна иметь следующие основные размеры, как показано на рисунке 113:
F > 0,2D; H > 0,
где D - диаметр пильного диска;
F - размер от периферии наибольшего назначенного диска до передней кромки направляющей плиты, измеренный по нижней поверхности направляющей плиты при максимальной глубине пропила;
H - размер от наружного края направляющей плиты со стороны диска до ближайшей поверхности самого толстого назначенного диска при отсутствии наклона направляющей плиты.
Соответствие проверяется посредством измерения.
19.103.2. Размеры направляющей плиты и распределение веса пилы не должны допускать заклинивания диска.
Соответствие проверяется посредством следующего испытания.
Настраивают пилу на максимальную глубину пропила и снимают расклинивающий нож, если он установлен. Любую наружную часть, поставляемую с пилой, настраивают в наиболее невыгодное положение. Положение кабеля не должно влиять на результат испытания. В пилах погружного типа, как показано на рисунке 104, направляющую плиту фиксируют в положении максимальной глубины пропила. Далее направляющую плиту пилы устанавливают на плоскую горизонтальную поверхность, при этом нижний защитный кожух пил, показанных на рисунках 101, 102 и 103, фиксируют в открытом положении. Пила не должна опрокидываться, при этом направляющая плита должна оставаться единственным опорным конструктивным элементом. Испытание проводят с направляющей плитой, настроенной на угол 90° и при максимальной настройке угла наклона.
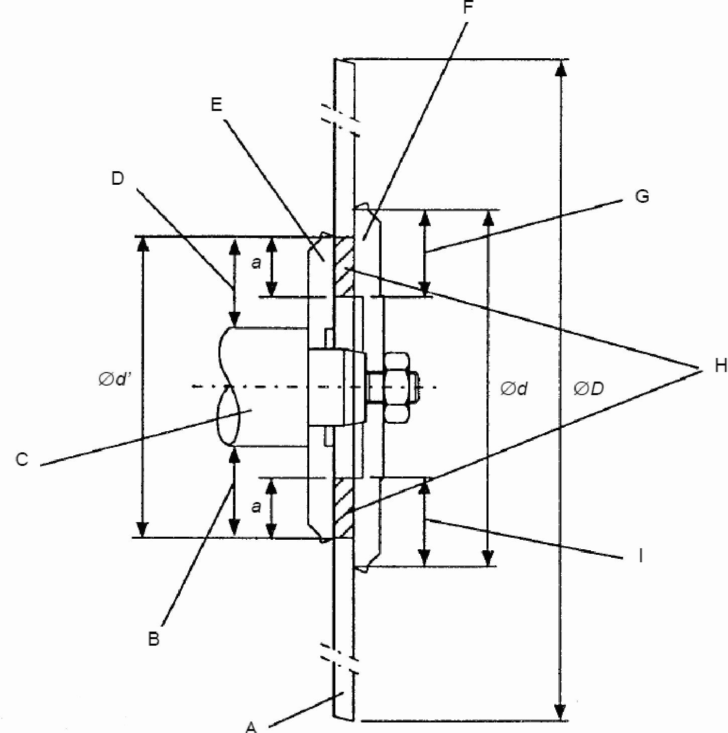
19.104. Фланцы:
Наружный диаметр поверхности контакта должен быть не менее 0,15 диаметра диска, при этом по меньшей мере один из фланцев должен быть зафиксирован и посажен на шпонке на рабочем шпинделе. Перекрытие зон прижима двух фланцев должно быть шириной по меньшей мере 1,5 мм, как показано на рисунке 114.
Соответствие проверяется посредством измерения и путем осмотра.
19.105. Рукоятки:
Пилы с максимальным назначенным диаметром диска более 140 мм должны иметь по меньшей мере две рукоятки.
У пил с массой менее 6 кг корпус двигателя может считаться второй рукояткой. В этом случае корпус двигателя должен иметь соответствующую форму.
Соответствие проверяется путем осмотра и посредством измерения. Массу пилы измеряют без пильного диска и без гибкого кабеля или шнура.
19.106. Замена диска:
Необходимо предусмотреть конструкции, обеспечивающие замену диска оператором без затруднений и без необходимости снятия защитных кожухов.
Примеры таких конструкций: фиксатор шпинделя от поворота, лыски на внешнем фланце или иные средства, указанные в инструкциях по 8.12.2.
Соответствие проверяется путем осмотра.
20. Механическая прочность
По IEC 60745-1 со следующими изменениями:
Помимо этого, после испытаний нижний защитный кожух или система защитных кожухов должны пройти испытания по 17.101.1 и 17.101.2.
Дополнение:
20.3. Замена:
Дисковая пила, настроенная на угол 90°, должна выдерживать трехкратное сбрасывание на бетонную поверхность с высоты 1 м. В ходе этого трехкратного сбрасывания образец располагают для изменения точки удара в трех самых невыгодных положениях, при этом самая крайняя нижняя точка машины должна быть на высоте 1 м над бетонной поверхностью.
Пилы, имеющие защитные кожухи или систему защитных кожухов, показанные на рисунках 101, 102 и 103, настраивают на максимальную глубину пропила. Необходимо избегать удара нижним защитным кожухом или расклинивающим ножом о бетонную поверхность. Это можно обеспечить путем удаления расклинивающего ножа и фиксации нижнего защитного кожуха в полностью отведенном положении или путем снятия нижнего защитного кожуха.
Пилы с системой защитных кожухов, показанной на рисунке 104, испытывают в положении полного закрытия диска. Необходимо избегать удара направляющей плиты о бетонную поверхность.
Если расклинивающий нож и нижний защитный кожух были удалены, то перед проведением дальнейшей оценки дисковой пилы их необходимо установить на место, не изменяя состояния пилы.
Примечание 1. В то время как первичные удары можно контролировать, ориентируя соответствующим образом пилу перед сбрасыванием, для исключения вторичных ударов по нижнему защитному кожуху его необходимо фиксировать.
Примечание 2. Ударные испытания нижнего защитного кожуха рассмотрены в Приложении BB.
21. Конструкция
По IEC 60745-1 со следующими изменениями:
21.18. Дополнение:
Сетевой выключатель должен автоматически отключать электродвигатель, как только будет отпущен орган управления выключателем.
Этот выключатель не должен иметь никакого стопорного устройства в положении "ВКЛ.".
Сетевой выключатель пилы должен иметь автоматическое стопорное устройство в положении "ВЫКЛ.", включающееся при отпускании органа управления выключателем. Для включения машины должны быть предусмотрены два разнородных движения, или же ход органа управления выключателем, имеющего наибольшую длину хода из отключенного положения в положение включения, должен быть не менее 6,4 мм.
Соответствие проверяется путем осмотра.
21.101. Пила должна иметь такую конструкцию, чтобы ее невозможно было использовать в качестве стационарной машины в перевернутом положении без применения какой-либо насадки или без изменения конструкции.
Соответствие проверяется путем осмотра.
22. Внутренняя проводка
По IEC 60745-1.
23. Комплектующие изделия
По IEC 60745-1.
24. Присоединение к источнику питания
и внешние гибкие шнуры
По IEC 60745-1.
25. Зажимы для внешних проводников
По IEC 60745-1.
26. Заземление
По IEC 60745-1.
27. Винты и соединения
По IEC 60745-1.
28. Пути утечки тока, воздушные зазоры
и расстояния по изоляции
По IEC 60745-1.
29. Теплостойкость, огнестойкость и стойкость к образованию
токопроводящих мостиков (трекингостойкость)
По IEC 60745-1.
30. Коррозионная стойкость
По IEC 60745-1.
31. Радиация, токсичность и подобные опасности
По IEC 60745-1.
1 - верхний защитный кожух, 2 - отверстие для выброса
опилок, 3 - указатель направления вращения пильного диска,
4 - нижний защитный кожух, 5 - направляющая плита,
6 - расклинивающий нож, 7 - направления открытия нижнего
защитного кожуха, 8 - устройство крепления расклинивающего
ножа, 9 - выключатель, 10 - пильный диск
Рисунок 101. Дисковая пила с наружным
качающимся защитным кожухом
1 - верхний защитный кожух, 2 - отверстие для выброса
опилок, 3 - указатель направления вращения пильного диска,
4 - нижний защитный кожух, 5 - направляющая плита,
6 - расклинивающий нож, 7 - направления открытия нижнего
защитного кожуха, 8 - устройство крепления расклинивающего
ножа, 9 - выключатель, 10 - пильный диск
Рисунок 102. Дисковая пила с внутренним
качающимся защитным кожухом
1 - верхний защитный кожух, 2 - отверстие для выброса
опилок, 3 - указатель направления вращения пильного диска,
4 - нижний защитный кожух, 5 - направляющая плита,
6 - расклинивающий нож, 7 - направления открытия нижнего
защитного кожуха, 8 - устройство крепления расклинивающего
ножа, 9 - выключатель, 10 - пильный диск, 11 - рычаг
разблокирования фиксации нижнего ведомого защитного кожуха
Рисунок 103. Дисковая пила с ведомым защитным кожухом
ИС МЕГАНОРМ: примечание.
Подпись к рисунку дана в соответствии с официальным текстом документа.
1 - верхний защитный кожух, 2 - отверстие для выброса
опилок, 3 - указатель направления вращения пильного диска,
5 - направляющая плита, 6 - расклинивающий нож,
8 - устройство крепления расклинивающего ножа,
9 - выключатель, 10 - пильный диск, 12 - рычаг
разблокирования фиксации защитного кожуха
погружения, 13 - направление погружения
Рисунок 104. Пила погружного типа
1 - рукоятка, 2 - испытательный калибр
Примечание. Размеры даны в миллиметрах.
Рисунок 105. Испытательный щуп a
1 - пильный диск, 2 - основание защитного кожуха,
3 - испытание плиты, 4 - испытательный щуп a
Рисунок 106. Применение испытательного щупа a
для защитных кожухов дисковых пил
1 - найденная точка измерения, 2 - рукоятка, 3 - диск,
A - ближайшая к пильному диску точка на рукоятке, B - самая
удаленная от пильного диска точка на рукоятке, C - точка
на рукоятке, ближайшая к плоскости направляющей плиты,
D - точка на рукоятке, наиболее удаленная
от плоскости направляющей плиты
Рисунок 107. Расстояние от поверхности захвата
до зоны резания пильного диска
Рисунок 108a. Ограничение высоты проема (по 19.101.2.1).
Высота проема для наблюдения
Рисунок 108b. Ограничение высоты проема. Размер U
Рисунок 108c. Ограничение высоты проема. Размер S
Рисунок 109. Расстояние от кромки боковой стороны
верхнего защитного кожуха до направляющей плиты
Примечание. Размеры даны в миллиметрах.
Рисунок 110. Испытательный щуп b
1 - испытательный щуп b
Рисунок 111. Доступ к передней зоне режущей кромки
A - точка пересечения окружности диска с нижней плоскостью
направляющей плиты, B - точка пересечения окружности диска
с ортогональной проекцией на диск любой стороны переднего
конца подвижного защитного кожуха, образующего
наибольший угол ACB, C - центр диска
Рисунок 112. Угол открытия пильного диска
нижним защитным кожухом
1 - наружная часть направляющей плиты,
H, D, F - основные размеры (по 19.103.1)
Примечание. Форма направляющей плиты не должна быть прямоугольной и такой не показана.
Рисунок 113. Основные размеры направляющей плиты
a >= 1,5 mm
A - диск, B - зона прижима, C - инструментальный шпиндель,
D - зона прижима, E - внутренний фланец, F - внешний
фланец, G - контактная поверхность, H - площадь перекрытия,
I - контактная поверхность
Рисунок 114. Характеристики фланцев
Приложение K
(обязательное)
АККУМУЛЯТОРНЫЕ МАШИНЫ И АККУМУЛЯТОРНЫЕ БАТАРЕИ
По IEC 60745-1 со следующими изменениями:
K.1. Дополнение:
При отсутствии иных указаний в данном приложении применимы все пункты настоящего стандарта.
K.8.12.1.101.1. Указания мер безопасности для всех пил
Замена пункта e):
e) При производстве работы, при которой режущий инструмент может прикоснуться к скрытой проводке, удерживайте ручную машину только за изолированную поверхность захвата. При прикосновении к находящемуся под напряжением проводу открытые металлические части ручной машины могут попасть под напряжение и вызвать поражение оператора электрическим током.
Приложение L
(обязательное)
АККУМУЛЯТОРНЫЕ МАШИНЫ И АККУМУЛЯТОРНЫЕ БАТАРЕИ,
ПРЕДУСМАТРИВАЮЩИЕ ПОДКЛЮЧЕНИЕ К СЕТИ ИЛИ НЕИЗОЛИРОВАННЫМ
ИСТОЧНИКАМ ПИТАНИЯ
По IEC 60745-1 со следующими изменениями:
L.1. Дополнение:
Применимы все пункты настоящего стандарта.
Приложение M
(обязательное)
БЕЗОПАСНОСТЬ РАБОЧИХ ОПОР, ИСПОЛЬЗУЕМЫХ ПРИ ЭКСПЛУАТАЦИИ
РУЧНЫХ ЭЛЕКТРИЧЕСКИХ МАШИН, ПРИВОДИМЫХ В ДЕЙСТВИЕ ДВИГАТЕЛЕМ
По IEC 60745-1 со следующими изменениями:
Примечание. Подпункты, таблицы и рисунки, приводимые в дополнение к тем, которые содержатся в приложении M IEC 60745-1, пронумерованы, начиная с 301, для того, чтобы отличать их от дополнений к приложению M IEC 60745-1.
M.1. Область применения
По IEC 60745-1 со следующими изменениями:
Дополнение:
Данное приложение относится к столам для пил, которые предназначены для оснащения ручными дисковыми пилами с максимальным диаметром пильного диска 260 мм, предназначенными для распиловки древесины и подобных ей материалов.
При отсутствии иных указаний в данном приложении применимы все пункты приложения M IEC 60745-1.
M.3. Термины и определения
По IEC 60745-1 со следующими изменениями:
ИС МЕГАНОРМ: примечание.
В официальном тексте документа, видимо, допущена опечатка: имеется в виду рисунок M.301 a, а не рисунок M.301.
M.3.301. Стол для пил (saw table): рабочая площадка, с помощью которой ручную дисковую пилу можно использовать в неподвижном положении, аналогично настольной дисковой пиле (рисунок M.301).
ИС МЕГАНОРМ: примечание.
В официальном тексте документа, видимо, допущена опечатка: имеется в виду рисунок M.301 b, а не рисунок M.301.
M.3.302. Защитный кожух диска (blade guard): защита, установленная над столом для пил и предотвращающая доступ к пильному диску (рисунок M.301).
M.3.303. Электрическая система (electrical system): соединение с сетью питания и соответствующей системой управления.
M.8. Маркировка и инструкции
По IEC 60745-1 со следующими изменениями:
M.8.1. Изменение:
Столы для пил имеют следующую маркировку:
- направление вращения пильного диска;
- максимальная глубина пропила или максимальный диаметр пильного диска;
- номинальное напряжение и максимальная потребляемая мощность (максимальный потребляемый ток);
Примечание. Столы для пил оборудуются электрическими системами, вследствие чего для них требуются нормативы номинального напряжения и номинальной потребляемой мощности (максимального потребляемого тока).
Соответствие проверяется путем осмотра.
M.8.12.1. Дополнение:
Инструкция по эксплуатации должна содержать следующие предупреждения:
- предупреждение о недопустимости удаления вручную обломков, опилок и подобных им частей обрабатываемой детали вблизи движущегося пильного диска;
- предупреждение о недопустимости применения стола для пиления вне помещения во время дождя;
- предупреждение о недопустимости выполнения любой операции распиловки с установкой направления распиливаемого материала вручную, т.е. без использования направляющей планки или угольника.
Соответствие проверяется путем осмотра.
M.8.12.2. Дополнение:
Инструкция по эксплуатации должна при необходимости содержать следующие сведения:
- сведения о том, как монтировать и крепить ручную пилу к столу для пил;
- сведения о назначенных размерах пильных дисков (толщина полотна, ширина разводки зубьев) для соответствия расклинивающему ножу;
- указания о том, как заменять расклинивающий нож ручной пилы на защитный кожух, конструктивные элементы которого служат расклинивающим ножом, с возможностью регулировки его положения;
- указания об обязательном хранении толкателя или подающей колодки вместе со столом для пил, когда он не используется;
- указания о правильном пользовании защитным кожухом диска;
- пояснения об отдаче и указания о порядке пиления, исключающем отдачу;
- указания о правильном применении и о регулировке расклинивающего ножа;
- указания по продольной и поперечной распиловке, в том числе о правильном применении направляющей планки (угольника) для поперечной распиловки и направляющей планки для продольной распиловки;
- указания о совмещении диска с пазами направляющей планки, а также с пазами направляющей планки (угольника) для поперечной распиловки;
- указания по регулировкам глубины пропила и угла наклона пилы;
- указания о том, как поддерживать обрабатываемую деталь со стороны выхода и со стороны поверхности стола;
- указания по пазованию и шпунтованию;
- указание по правильному применению и по конструкции вспомогательных приспособлений, таких как толкатель, толкающая колодка, вспомогательная линейка и гребенка;
- указания по замене и регулировке вставки стола;
ИС МЕГАНОРМ: примечание.
Текст дан в соответствии с официальным текстом документа.
- предупреждение о неправильном применении стола для пил, т.е. о недопустимости применения стола для в целях распиловки бревен на дрова;
- указания по выбору пильного диска в зависимости от распиливаемого материала;
- предупреждение о недопустимости применения деформированного или поврежденного пильного диска;
- указание о присоединении дисковой пилы к пылесборнику на время распиловки.
M.19. Механические опасности
По IEC 60745-1 со следующими изменениями:
M.19.1. Дополнение:
Стол для пил должен быть оборудован надлежащей системой защитных кожухов в соответствии с требованиями M.19.1.301 и M.19.1.302.
M.19.1.301. Ограждение ниже пильного стола:
Если конструкция стола для пил не допускает контакта направляющей плиты дисковой пилы с пильным столом, то зона режущей кромки пильного диска между направляющей плитой пилы и пильным столом должна ограждаться неподвижным защитным кожухом в любом положении.
Соответствие проверяется путем осмотра и посредством следующего испытания.
Испытание проводится с помощью щупа a (см. рисунок 105) при минимальной и максимальной глубине пропила и при любом наклоне пильного диска. Для всех пил, оговоренных в инструкциях по требованию M.8.12.2, не допускается касания зубьев пильного диска в зоне между пильным столом и направляющей плитой пилы.
M.19.1.302. Ограждение выше пильного стола:
M.19.1.302.1. Должен быть предусмотрен такой защитный кожух диска, чтобы этот кожух ограждал часть пильного диска, находящуюся выше пильного стола и не требующуюся для резания.
Столы для дисковой пилы должны иметь защитный кожух зубчатого венца и передней части пильного диска, который может быть выполнен в виде регулируемого кожуха, автоматического защитного кожуха или их сочетания. После настройки регулируемого защитного кожуха тот должен оставаться в положении, необходимом для обеспечения требуемой защиты.
M.19.1.302.1.1. Конструкция защитного кожуха диска не должна допускать касания с периферией и (или) с обеими сторонами зубчатого венца пильного диска, при этом расклинивающий нож считается средством защиты от прикосновения к зоне подъема зубчатого венца. Такая защита должна обеспечиваться при любом угле наклона пильного диска. Должна быть предусмотрена возможность опускания защитного кожуха на поверхность пильного стола перед пильным диском.
Соответствие проверяется путем осмотра.
M.19.1.302.1.2. Защитный кожух диска должен выполняться из материала, достаточно мягкого для резания пильным диском без повреждения пильного диска (например, из пластмассы или алюминия). На непрозрачные защитные кожухи диска должна быть нанесена маркировка линии резания.
Соответствие проверяется путем осмотра.
M.19.1.302.1.3. Защитный кожух диска должен иметь патрубок для удаления стружки.
Соответствие проверяется путем осмотра и посредством следующего испытания.
Испытательный щуп a (по рисунку 105), вводимый через патрубок после удаления съемных средств, не должен касаться опасных подвижных частей. В ходе испытания регулируемый защитный кожух должен прилегать к поверхности стола и на стол должна быть установлена дисковая пила с наибольшей предполагаемой глубиной пропила.
M.19.1.302.1.4. Боковые стенки защитного кожуха диска либо должны иметь толщину не менее 6 мм, либо должны иметь внутренние ребра минимальной толщиной 3 мм, прилегающие к полотну пильного диска для сведения к минимуму риска повреждения защитного кожуха диска.
Соответствие проверяется путем осмотра.
M.19.1.302.1.5. Конструкция защитного кожуха диска должна обеспечивать его подъем при подаче на обрабатываемую деталь, толщина которой на 20 мм больше настроенной высоты защитного кожуха.
Соответствие проверяется путем осмотра и посредством испытания вручную.
M.19.1.302.2. Устройство крепления защитного кожуха:
M.19.1.302.2.1. Защитный кожух диска должен крепиться с помощью устройства крепления защитного кожуха, которое либо располагается на линии резания и одновременно отвечает требованиям к расклинивающим ножам, либо располагается снаружи относительно линии резания.
Соответствие проверяется путем осмотра.
M.19.1.302.2.2. Размещенное снаружи относительно линии резания устройство крепления защитного кожуха диска должно быть расположено таким образом, чтобы допускать пиление при максимальной ширине распила, которую можно настроить направляющей планкой для продольной распиловки, причем без помех со стороны устройства крепления защитного кожуха диска.
Соответствие проверяется путем осмотра.
M.19.1.302.2.3. Устройство крепления защитного кожуха диска должно быть достаточно устойчивым.
Соответствие проверяется посредством следующего испытания, которое проводят без установленного пильного диска.
При этом выполняют следующие условия (рисунок M.302):
- Точка X - ближайшая к оператору часть защитного кожуха со стороны врезания.
- Точка Y - часть защитного кожуха, лежащая на одной линии с самым первым зубом пильного диска, предназначенного для максимальной глубины пропила.
К защитному кожуху диска прикладывают нагрузку величиной 20 Н с передней стороны защитного кожуха диска (точка X): сначала - в направлении A, затем - в направлении B. Расстояние между двумя смещенными положениями, измеренное в точке Y, не должно превышать 30 мм.
M.19.1.303. Расклинивающий нож:
M.19.1.303.1. Готовые к эксплуатации столы для пил должны быть оборудованы расклинивающим ножом. Это требование считается выполненным, если установленная на стол дисковая пила снабжена своим расклинивающим ножом.
При установке на стол дисковой пилы без своего расклинивающего ножа необходимо отдельно установить расклинивающий нож, допускающий регулировку при каждой глубине пропила.
Расклинивающий нож должен быть жестко закреплен в пределах глубины пропила, находиться в плоскости пильного диска и быть расположенным относительно него с возможностью свободного прохода через распил, при этом нож не должен касаться пильного диска. В результате работы положение расклинивающего ножа не должно изменяться.
Соответствие проверяется путем осмотра и посредством следующего испытания.
Расклинивающий нож настраивают на максимальное расстояние, оговоренное в M.19.1.303.2. Расклинивающий нож закрепляют по указаниям M.8.12.2. В течение 1 мин прикладывают силу величиной 100 Н в центре кончика расклинивающего ножа в направлении резания и параллельно направляющей плите, как показано на рисунке AA.101.
В ходе испытания расклинивающий нож не должен касаться зоны режущей кромки диска. После этого испытания кончик расклинивающего ножа не должен быть смещен в направлении действия силы на расстояние более 3 мм.
M.19.1.303.2. Конструкция расклинивающего ножа и устройства его крепления должна допускать регулировку расклинивающего ножа при всех тех диаметрах пильного диска, при которых глубина пропила составляет от 100% до 90% максимальной глубины пропила, для выполнения следующих условий (рисунок AA.102):
a) радиальное расстояние между расклинивающим ножом и режущей кромкой диска над столом не должно превышать 5 мм при настроенной глубине пропила;
b) расстояние от кончика расклинивающего ножа до зубчатого венца диска не должно превышать 5 мм при измерении по линии, перпендикулярной верху стола.
Соответствие проверяется путем осмотра и проведением измерения.
M.19.1.303.3. Расклинивающий нож не должен быть толще ширины пропила, производимого пильным диском, и не должен быть тоньше полотна пильного диска.
Для пил с номинальной глубиной пропила более 55 мм конструкция самого расклинивающего ножа и устройства его крепления должна обеспечивать автоматическое выполнение требований M.19.1.303.2 при регулировке глубины пропила.
Соответствие проверяется путем осмотра.
M.19.1.303.4. В случае если расклинивающий нож поставляется со столом для пил, нож должен быть изготовлен из стали с твердостью от 35 HRC до 48 HRC и должен иметь сопротивление разрыву не менее 800 МПа.
Его кончик должен быть скруглен радиусом не менее 2 мм, а кромки не должны быть острыми. Ширина расклинивающего ножа, измеренная на уровне верха стола при максимальной глубине пропила, должна быть равна по меньшей мере 1/8 максимального диаметра пильного диска по маркировке, требуемой M.8.1. Кроме того, поверхности расклинивающего ножа должны быть плоскими, параллельными и с небольшими фасками на обращенной к диску кромке.
Соответствие проверяется путем осмотра, проведением измерения и посредством следующего испытания.
Дисковую пилу и (или) стол для пил настраивают на максимальную глубину резания под углом 90°. Настраивают расклинивающий нож на максимальный назначенный пильный диск по M.19.1.303.2. Расклинивающий нож закрепляют по указаниям M.8.12.2.
В течение 1 мин прикладывают силу W величиной, указанной в таблице M.301, в центре кончика расклинивающего ножа перпендикулярно диску, как показано на рисунке AA.101.
После этого испытания кончик расклинивающего ножа не должен быть смещен в направлении действия силы на расстояние более половины толщины расклинивающего ножа. Испытание проводят в обоих направлениях.
Таблица M.301
Параметры, задаваемые при испытании
на прочность расклинивающего ножа
ИС МЕГАНОРМ: примечание.
Значения диаметров даны в соответствии с официальным текстом документа.
Диаметр пильного диска, мм
Нагрузка, прикладываемая к расклинивающему ножу, Н,
H
D < 60
10
60 < D <= 100
15
100 < D < 200
20
200 < D <= 250
25
D > 250
30
M.19.1.304. Верхняя плоскость стола:
ИС МЕГАНОРМ: примечание.
В официальном тексте документа, видимо, допущена опечатка: рисунок M.303 отсутствует.
M.19.1.304.1. Размеры столов для пил должны соответствовать размерам, приведенным на рисунке M.303, в зависимости от максимального диаметра пильного диска.
Соответствие проверяется путем осмотра и проведением измерения.
M.19.1.304.2. Ширина паза стола не должна превышать 12 мм.
При необходимости изменения ширины паза для применения других пильных дисков или для выполнения наклонных пропилов это можно сделать с помощью взаимозаменяемых вставок стола.
Паз стола должен иметь покрытие из материала, достаточно мягкого для резания пильным диском, не менее 3 мм в ширину (например, из дерева, пластмассы или алюминия).
Вставки стола должны закрепляться таким образом, чтобы они не выбрасывались движущейся вверх частью пильного диска.
Соответствие проверяется путем осмотра и проведением измерения.
M.19.1.304.3. При применении стола для пиления под углом регулировка должна производиться посредством наклона пильного диска, а не наклона стола.
Соответствие проверяется путем осмотра.
M.19.1.305. Направление обрабатываемой детали:
ИС МЕГАНОРМ: примечание.
В официальном тексте документа, видимо, допущена опечатка: имеется в виду рисунок M.301 a, а не рисунок M.301.
M.19.1.305.1. Столы для ручных дисковых пил должны иметь направляющую планку, а именно: направляющую планку для продольной распиловки или направляющую планку для поперечной распиловки, которую также можно использовать в качестве направляющей планки для продольной распиловки (рисунок M.301).
Положение направляющей планки должно регулироваться без помощи инструмента.
Направляющая сторона направляющей планки должна быть выполнена из материала, достаточно мягкого для резания пильным диском без повреждения пильного диска (например, из дерева, пластмассы или алюминия), если регулировка направляющей планки не ограничена таким образом, что контакт между направляющей планкой и пильным диском невозможен.
Направляющая планка должна быть расположена по меньшей мере между передней стороной стола и центром пильного диска.
Если направляющая планка выполнена с возможностью регулировки параллельно пильному диску, то должна быть предусмотрена возможность ее закрепления в таком положении, параллельном пильному диску, при котором ее выходной конец находится между точками A и B (см. рисунок M.304).
Минимальная высота контакта направляющей планки с обрабатываемой деталью должна составлять половину глубины пропила или 50 мм - в зависимости от того, что меньше. При небольших глубинах пропила высота контакта направляющей планки с обрабатываемой деталью должна быть от 6 мм до 15 мм. Направляющая планка должна представлять собой либо часть одной из сторон разновысокой направляющей планки, которую можно устанавливать в двух положениях, либо две части планки с устанавливаемыми поочередно разновысокими сторонами.
Если пильный диск может наклоняться в сторону разновысокой направляющей планки, он не должен касаться точки B направляющей планки (рисунок M.305).
Направляющие стороны и верхняя поверхность направляющей планки должны быть ровными и непрерывными. Допускаются отверстия диаметром до 10 мм.
Соответствие проверяется путем осмотра и проведением измерения.
ИС МЕГАНОРМ: примечание.
В официальном тексте документа, видимо, допущена опечатка: имеется в виду рисунок M.301 a, а не рисунок M.301.
M.19.1.305.2. Столы должны иметь направляющую планку для поперечной распиловки или угловую направляющую планку, которую также можно использовать в качестве направляющей планки для поперечной распиловки (рисунок M.301). При распиловке любое перемещение направляющей планки для поперечной распиловки должно происходить параллельно пильному диску.
Регулировка угла установки угловой линейки должна быть возможна без помощи инструмента.
Крепежное приспособление не должно допускать подъема или поворота линейки из установленного положения, как показано на рисунке M.306.
Минимальная высота направляющей планки должна составлять 30 мм или должна быть равна максимальной глубине пропила - в зависимости от того, что меньше.
Если направляющая планка для поперечной распиловки заходит под защитный кожух, эта часть линейки для поперечной распиловки должна иметь высоту не более 15 мм.
ИС МЕГАНОРМ: примечание.
В официальном тексте документа, видимо, допущена опечатка: рисунок M.303 отсутствует.
Нерегулируемая по длине направляющая планка для поперечной распиловки должна иметь размеры, при которых указанное на рисунке M.303 расстояние e между направляющей планки для поперечной распиловки и пильным диском не превышается.
Если направляющая планка для поперечной распиловки регулируется по длине, должна быть предусмотрена возможность фиксации такого ее размера по длине, при котором расстояние между направляющей планкой для поперечной распиловки и пильным диском не превышает расстояния e, приведенного на рисунке M.303.
При невозможности недопущения соприкосновения направляющей планки для поперечной распиловки с пильным диском часть направляющей планки для поперечной распиловки, которая может контактировать с пильным диском, должна быть выполнена из материала, достаточно мягкого для резания пильным диском без повреждения пильного диска (например, из дерева, пластмассы или алюминия).
Соответствие проверяется путем осмотра и проведением измерения.
M.19.1.306. Толкатель:
Необходимо предусмотреть наличие толкателя или ручки толкающей колодки. Поверхность, которая может контактировать с пильным диском, должна быть выполнена из стойкого к расщеплению материала, способного выдерживать давление, необходимое для подачи заготовки. Этот материал должен быть достаточно мягким для резания пильным диском без повреждения пильного диска (например, таким как дерево, пластмасса или алюминий).
ИС МЕГАНОРМ: примечание.
В официальном тексте документа, видимо, допущена опечатка: имеется в виду рисунок M.301 a, а не рисунок M.301.
Минимальная длина толкателя должна составлять 400 мм или должна быть равна длине стола - в зависимости от того, что меньше (см. рисунок M.301 и рисунок M.307).
Соответствие проверяется путем осмотра и проведением измерения.
M.19.301. Стол для пил должен иметь конструкцию, исключающую его опрокидывание или перемещение во время работы.
Соответствие проверяется посредством следующих испытаний.
На столе для пил монтируют указанную изготовителем ручную дисковую пилу по M.8.12.2, причем таким образом, чтобы обеспечивались, по всей вероятности, наиболее невыгодные результаты при проверке выполнения данного требования.
Испытание проводят на горизонтальной поверхности из трех слоев древесно-стружечных плит.
В самой верхней точке переднего края стола для пил прикладывают силу величиной 100 Н в плоскости пильного диска и в направлении его подачи. Стол для пил в результате этого испытания не должен перемещаться.
Дополнительно прикладывают в самой верхней точке переднего края стола для пил толкающее усилие величиной 300 Н в плоскости пильного диска и в направлении его подачи. Стол для пил в результате этого испытания не должен опрокидываться.
M.20. Механическая прочность
По IEC 60745-1 со следующими изменениями:
M.20.1.301. Стол для пил должен иметь достаточную прочность.
Соответствие проверяется приложением к столу для пил нагрузки массой 15 кг. Эту нагрузку прикладывают в центре стола, равномерно распределяя ее в области прямоугольной формы с размерами, равными: по длине - 0,5 длины стола, по ширине - 0,5 ширины стола.
После удаления нагрузки массой 15 кг стол для пил не должен иметь признаков остаточной деформации.
M.20.1.302. Характеристики материала защитного кожуха пилы должны быть следующими:
a) Для легкого сплава:
Предел прочности на растяжение, Н/мм2
Минимальная толщина, мм
160
2,5
200
2,0
b) Для поликарбоната или иной пластмассы: предел прочности на растяжение - равный ударной прочности поликарбоната или превышающий ее; толщина - не менее 3 мм.
Соответствие проверяется рассмотрением соответствующих чертежей, проведением измерений и путем осмотра, а также получением подтверждения о пределе прочности материала от изготовителя материала.
M.21. Конструкция
По IEC 60745-1 со следующими изменениями:
M.21.1. Дополнение:
Стол для пил должен иметь упоры для предотвращения смещения дисковой пилы - и в направлении пиления, и в поперечном направлении. Эти упоры могут быть регулируемыми, чтобы имелась возможность установки различных дисковых пил.
Винты для фиксации должны стопориться от отворачивания, например пружинными шайбами.
Соответствие проверяется путем осмотра.
M.21.16. Этот подпункт не применяется.
M.21.18. Замена:
Столы для пил должны оснащаться переключающим устройством для включения и выключения ручной дисковой пилы. Привод этого устройства должен быть расположен с левой стороны пильного диска под столом (см. рисунки M.301a и M.301b) и таким образом, чтобы обеспечивался легкий доступ к нему из положения оператора.
Переключающее устройство должно допускать выключение пилы оператором одним нажатием.
Соответствие проверяется путем осмотра.
M.21.18.301. Стол для пил должен иметь устройство для фиксации выключателя ручной дисковой пилы во включенном положении. Это устройство должно отключаться при снятии ручной дисковой пилы со стола.
Соответствие проверяется путем осмотра и посредством испытания вручную.
M.21.203. Дополнение:
При возобновлении подачи напряжения после отключения питания дисковая пила, установленная на столе для пил, не должна включаться автоматически.
Соответствие проверяют путем осмотра и посредством испытания в ходе работы пилы.
M.21.301. Стол должен иметь специальное средство для удержания нижнего защитного кожуха дисковой пилы в открытом положении, когда дисковая пила установлена на столе. Удержание нижнего защитного кожуха в открытом положении должно осуществляться с помощью соответствующих механических средств.
Соответствие проверяют путем осмотра.
1 - основная рама, 2 - верхняя поверхность стола,
3 - вставка стола с пазом под пильный диск,
4 - расклинивающий нож, 5 - устройство крепления защитного
кожуха, 6 - защитный кожух, 7 - дисковая пила, 8 - линейка
для поперечной распиловки, 9 - направляющая планка
для продольной распиловки, 10 - защитный кожух под столом,
11 - выключатель с вилкой и розеткой, 12 - место хранения
толкателя, 13 - толкатель, 14 - выхлопной патрубок
Рисунок M.301a. Стол для ручных дисковых пил,
защитный кожух которых смонтирован на отдельном
устройстве крепления защитного кожуха
Примечание. Обозначения аналогичны приведенным на рисунке M.301a.
Рисунок M.301b. Защитный кожух,
смонтированный на расклинивающем ноже
1 - защитный кожух, 2 - устройство крепления защитного
кожуха на линии резания, 3 - устройство крепления
защитного кожуха снаружи линии резания, 4 - пильный диск,
A, B - направления приложения нагрузки
в точке X, d - смещение в точке Y
Рисунок M.302. Испытание устойчивости устройства
крепления защитного кожуха
1 - линейка для поперечной распиловки, 2 - направление
подачи, 3 - направляющая планка для продольной распиловки
Максимальный диаметр пильного диска D, мм
aмин, мм
bмин, мм
c <a>, мм
Допуск для c, мм
eмакс, мм
fмин, мм
D < 60
150
175
b/2
+30 0
10
70
60 < D <= 100
200
300
b/2
+40 0
10
80
100 < D <= 200
335
500
b/2
+50 0
10
125
200 < D <= 260
400
5D/2
b/2
+80 0
12
150
Примечание. <a> - самая высокая настройка пильного диска.
1 - наибольший предполагаемый пильный диск при максимальной
высоте пропила, 2 - расклинивающий нож, 3 - стол,
A, B - точки положения (по M.19.1.305.1)
ИС МЕГАНОРМ: примечание.
Нумерация рисунков дана в соответствии с официальным текстом документа.
Рисунок M.304. Положение выходного
конца направляющей планки
1 - пильный диск, 2 - стол, 3 - направляющая планка,
B - точка положения (по M.19.1.305.1)
Рисунок M.305. Направляющая планка в нижнем положении
Рисунок M.306. Примеры геометрии паза для размещения
линейки в целях поперечной распиловки на столах для пил
Примечание. Размеры даны в миллиметрах.
1 - толкающая колодка, 2 - ручка толкающей колодки
Рисунок M.307. Примеры толкателя и толкающих колодок
Приложение AA
(обязательное)
ДОПОЛНИТЕЛЬНЫЕ ТРЕБОВАНИЯ
К ПИЛАМ С РАСКЛИНИВАЮЩИМ НОЖОМ
В настоящем приложении представлены дополнительные требования к пилам с расклинивающим ножом. Здесь нумерация пунктов и подпунктов соответствует нумерации пунктов и подпунктов основного текста с введением следующих дополнительных требований.
AA.19. Механические опасности
Расклинивающие ножи для пил должны отвечать требованиям AA.19.101 - AA.19.105:
AA.19.101. Расклинивающий нож должен быть жестко закреплен в пределах глубины пропила и должен находиться в плоскости пильного диска, при этом должен быть расположен относительно него с возможностью свободного прохода через распил и не должен касаться пильного диска. В результате работы положение расклинивающего ножа не должно изменяться.
Соответствие проверяется путем осмотра и посредством следующего испытания.
Расклинивающий нож настраивают на максимальное расстояние, оговоренное в AA.19.102. Расклинивающий нож закрепляют по указаниям 8.12.2.
В течение 1 мин прикладывают усилие величиной 100 Н в центре кончика расклинивающего ножа в направлении резания и параллельно направляющей плите, как показано на рисунке AA.101.
В ходе испытания расклинивающий нож не должен касаться зоны режущей кромки диска.
После этого испытания кончик расклинивающего ножа не должен быть смещен в направлении действия усилия на расстояние более 3 мм.
AA.19.102. Конструкция расклинивающего ножа и устройства его крепления должна допускать регулировку расклинивающего ножа при всех тех диаметрах пильного диска, при которых глубина резания составляет от 100% до 90% максимальной глубины резания, для выполнения следующих условий (см. рисунок AA.102):
a) радиальное расстояние между расклинивающим ножом и режущей кромкой диска под направляющей плитой не должно превышать 5 мм при настроенной глубине пропила;
b) расстояние от кончика расклинивающего ножа до зубчатого венца диска не должно превышать 5 мм при измерении по линии, перпендикулярной направляющей плите.
Соответствие проверяется путем осмотра и проведением измерения.
AA.19.103. Для пил с номинальной глубиной пропила более 55 мм конструкция расклинивающего ножа и устройства его крепления должна обеспечивать автоматическое выполнение требований подпунктов a) и b) пункта AA.19.102 после регулировки глубины пропила.
Соответствие проверяется путем осмотра.
AA.19.104. Расклинивающий нож должен быть изготовлен из стали с твердостью от 35 HRC до 48 HRC и должен иметь сопротивление разрыву не менее 800 МПа.
Кончик расклинивающего ножа должен быть скруглен радиусом не менее 2 мм, а кромки его не должны быть острыми.
Ширина расклинивающего ножа, измеренная на уровне направляющей плиты при максимальной глубине пропила, должна быть равна по меньшей мере 1/8 максимального диаметра диска. Кроме того, поверхности расклинивающего ножа должны быть плоскими, параллельными и с небольшими фасками на обращенной к диску кромке.
Соответствие проверяется путем осмотра, проведением измерения и посредством следующего испытания.
Дисковую пилу настраивают на максимальную глубину резания под углом 90°. Настраивают расклинивающий нож на максимальный назначенный пильный диск по AA.19.104. Расклинивающий нож закрепляют по указаниям 8.12.2.
В течение 1 мин прикладывают усилие W величиной, равной весу машины, в центре кончика расклинивающего ножа перпендикулярно диску, как показано на рисунке AA.101.
После этого испытания кончик расклинивающего ножа не должен быть смещен в направлении действия усилия на расстояние более половины толщины расклинивающего ножа. Испытание проводят в обоих направлениях.
AA.19.105. Пила должна иметь такую конструкцию и быть выполнена так, чтобы она не опиралась на расклинивающий нож при установке на горизонтальную плоскость в любом устойчивом положении при закрытом нижнем защитном кожухе.
Соответствие проверяется посредством испытания вручную.
AA.20. Механическая прочность
AA.20.2. Дополнение:
Это испытание проводят также с системой защитных кожухов. Не допускается видимых невооруженным глазом поломок или трещин, при этом защитный кожух должен отвечать требованиям 19.101 и 19.102.
d - смещение, W - испытательная сила (по AA.19.104)
Рисунок AA.101. Испытание устойчивости расклинивающего ножа
Рисунок AA.102. Регулировка расклинивающего ножа
Приложение BB
(обязательное)
ДОПОЛНИТЕЛЬНЫЕ ТРЕБОВАНИЯ
К ПИЛАМ БЕЗ РАСКЛИНИВАЮЩЕГО НОЖА
В настоящем приложении представлены дополнительные требования к пилам без расклинивающего ножа. Здесь нумерация пунктов и подпунктов соответствует нумерации пунктов и подпунктов основного текста с введением следующих дополнительных требований.
BB.20. Механическая прочность
Дополнительные подпункты:
BB.20.101. Нижний защитный кожух или система защитных кожухов по рисунку 104 должны быть стойкими к небрежному обращению.
Соответствие проверяется посредством следующих испытаний, проводимых с новым образцом и с установленным диском.
Пилу настраивают на угол 90°. Пилы, имеющие защитные кожухи или систему защитных кожухов, показанные на рисунках 101, 102 и 103, настраивают на максимальную глубину пропила. Пилы с системой защитных кожухов, показанной на рисунке 104, испытывают в положении полного закрытия диска. Разместив пилу нижней точкой на высоте 1 м над бетонным полом, сбрасывают ее дважды на пол, как указано далее:
a) нижним защитным кожухом снизу для удара пилы о бетонный пол, когда направляющая плита параллельна полу;
b) в положении, при котором пила ударится о бетонный пол при падении, если во время переноски рукой оператор выронит пилу.
По завершении каждого из указанных двух вариантов испытаний пила должна выдерживать последующие испытания по 17.101.1 и 17.101.2.
Приложение ДА
(справочное)
СВЕДЕНИЯ О СООТВЕТСТВИИ МЕЖГОСУДАРСТВЕННЫХ СТАНДАРТОВ
ССЫЛОЧНЫМ МЕЖДУНАРОДНЫМ СТАНДАРТАМ
Таблица ДА.1
Обозначение и наименование ссылочного международного стандарта
Степень соответствия
Обозначение и наименование соответствующего межгосударственного стандарта
IEC 60745-1:2006 Электроинструменты ручные с приводом от электродвигателя. Безопасность. Часть 1. Общие требования
IDT
ГОСТ IEC 60745-1-2013 Машины ручные электрические. Безопасность и методы испытаний. Часть 1. Общие требования
IEC 60745-2-22:2011 Электроинструменты ручные с приводом от двигателя. Безопасность. Часть 2-22. Частные требования к отрезным станкам
IDT
ГОСТ IEC 60745-2-22-2014 Машины ручные электрические. Безопасность и методы испытаний. Часть 22. Частные требования к отрезным машинам
Примечание. В настоящем стандарте использовано следующее условное обозначение степени соответствия стандартов:
IDT - идентичные стандарты.
БИБЛИОГРАФИЯ
По IEC 60745-1 со следующими изменениями:
Дополнение:
IEC 60745-2-5:2010 Hand-held motor-operated electric tools - Safety - Part 2-22: Particular requirements for cut-off machines (Электроинструменты ручные с приводом от двигателя. Безопасность. Часть 2-22. Частные требования к отрезным станкам).