Главная // Актуальные документы // ГОСТ (Государственный стандарт)
СПРАВКА
Источник публикации
М.: Стандартинформ, 2015
Примечание к документу
Документ введен в действие с 1 января 2016 года.
Название документа
"ГОСТ IEC 60255-13-2014. Межгосударственный стандарт. Реле электрические. Часть 13. Процентно-дифференциальные реле"
(введен в действие Приказом Росстандарта от 14.10.2014 N 1319-ст)

"ГОСТ IEC 60255-13-2014. Межгосударственный стандарт. Реле электрические. Часть 13. Процентно-дифференциальные реле"
(введен в действие Приказом Росстандарта от 14.10.2014 N 1319-ст)


Содержание


Введен в действие
Приказом Федерального
агентства по техническому
регулированию и метрологии
от 14 октября 2014 г. N 1319-ст
МЕЖГОСУДАРСТВЕННЫЙ СТАНДАРТ
РЕЛЕ ЭЛЕКТРИЧЕСКИЕ
ЧАСТЬ 13
ПРОЦЕНТНО-ДИФФЕРЕНЦИАЛЬНЫЕ РЕЛЕ
Electrical relays. Part 13.
Percentage-differential relays
(IEC 60255-13:1980, IDT)
ГОСТ IEC 60255-13-2014
Группа Е71
МКС 29.120.70
ОКСТУ 3425
Дата введения
1 января 2016 года
Предисловие
Цели, основные принципы и порядок проведения работ по межгосударственной стандартизации установлены ГОСТ 1.0-92 "Межгосударственная система стандартизации. Основные положения" и ГОСТ 1.2-2009 "Межгосударственная система стандартизации. Стандарты межгосударственные, правила и рекомендации по межгосударственной стандартизации. Правила разработки, принятия, применения, обновления и отмены"
Сведения о стандарте
1 ПОДГОТОВЛЕН Автономной некоммерческой организацией "Научно-технический центр "Энергия" (АНО "НТЦ "Энергия") на основе собственного аутентичного перевода на русский язык стандарта, указанного в пункте 5
2 ВНЕСЕН Федеральным агентством по техническому регулированию и метрологии (Росстандарт)
3 ПРИНЯТ Межгосударственным советом по стандартизации, метрологии и сертификации (протокол от 25 июня 2014 г. N 45-2014)
За принятие проголосовали:
Краткое наименование страны по МК (ИСО 3166) 004-97
Код страны по МК (ИСО 3166) 004-97
Сокращенное наименование национального органа по стандартизации
Армения
AM
Минэкономики Республики Армения
Беларусь
BY
Госстандарт Республики Беларусь
Киргизия
KG
Кыргызстандарт
Молдова
MD
Молдова-Стандарт
Россия
RU
Росстандарт
Таджикистан
TJ
Таджикстандарт
Узбекистан
UZ
Узстандарт
4 Приказом Федерального агентства по техническому регулированию и метрологии от 14 октября 2014 г. N 1319-ст межгосударственный стандарт ГОСТ IEC 60255-13-2014 введен в действие в качестве национального стандарта Российской Федерации с 1 января 2016 г.
5 Настоящий стандарт идентичен международному стандарту IEC 60255-13:1980, Electrical relays - Part 13: Biased (percentage) differential relays (Реле электрические. Часть 13. Процентно-дифференциальные реле).
Международный стандарт разработан техническим комитетом по стандартизации IEC/TC 95 "Измерительные реле и защитное оборудование".
Перевод с английского языка (en).
Официальные экземпляры международного стандарта, на основе которого подготовлен настоящий межгосударственный стандарт, и международных стандартов, на которые даны ссылки, имеются в Федеральном агентстве по техническому регулированию и метрологии.
Степень соответствия - идентичная (IDT).
Сведения о соответствии межгосударственных стандартов ссылочным международным стандартам приведены в дополнительном приложении ДА
6 ВВЕДЕН ВПЕРВЫЕ
Информация об изменениях к настоящему стандарту публикуется в ежегодном информационном указателе "Национальные стандарты", а текст изменений и поправок - в ежемесячном информационном указателе "Национальные стандарты". В случае пересмотра (замены) или отмены настоящего стандарта соответствующее уведомление будет опубликовано в ежемесячном информационном указателе "Национальные стандарты". Соответствующая информация, уведомление и тексты размещаются также в информационной системе общего пользования - на официальном сайте Федерального агентства по техническому регулированию и метрологии в сети Интернет
Введение
Настоящий стандарт является одной из частей серии межгосударственных стандартов, разрабатываемых на базе международных стандартов серии IEC 60255 на электрические реле измерения, контроля и управления. В частности, он относится к стандартам на электрические реле.
Целями настоящего стандарта являются установление единых требований к характеристикам и снятие проблем вследствие разницы между различными стандартами применительно к реле, выполняющим функции реализации защиты на основе принципов пропорционального приращения воздействующей величины.
В настоящем стандарте использованы ссылки на следующие стандарты:
IEC 60050-131 International Electrotechnical Vocabulary - Part 131: Circuit theory (Международный электротехнический словарь. Глава 131. Теория цепей)
IEC 60255-0-20 Electrical relays - Contact performance of electrical relays (Реле электрические. Рабочие характеристики контактов электрических реле)
IEC 60255-5 Electrical relays - Part 5: Insulation coordination for measuring relays and protection equipment - Requirements and tests (Реле электрические. Часть 5. Координация изоляции измерительных реле и защитных устройств. Требования и испытания)
IEC 60255-6 <1> Electrical relays - Part 6: Measuring relays and protection equipment (Реле электрические. Часть 6. Измерительные реле и защитное оборудование)
IEC 60255-6A <2> First supplement - Electrical relays - Part 6: Measuring relays with more than one input energizing quantity (Первое дополнение. Реле электрические. Часть 6A. Измерительные реле с более чем одной входящей характеристической величиной)
Настоящий стандарт может быть использован при подтверждении соответствия электрических реле техническим регламентам на низковольтное оборудование.
--------------------------------
<1> IEC 60255-6 отменен. Взамен действует IEC 60255-1.
<2> IEC 60255-6A отменен. Взамен действует IEC 60255-1.
Раздел 1. Область применения и термины
1. Область применения
Настоящий стандарт устанавливает требования к характеристикам электрических процентно-дифференциальных реле. Данные реле относятся к частному виду измерительных реле с более чем одной входной воздействующей величиной, как определяют IEC 60255-6 и характеристики, значения которых указывает изготовитель таких реле. Он также устанавливает методы представления (указания) характеристик для таких реле.
Настоящий стандарт применяют к реле, разработанным для определения повреждений, в частности, в генераторах переменного тока, двигателях и трансформаторах. Он не применим к реле, разработанным для защиты шинопроводов, и также не применим к реле дифференциальных токов, применяемым для защиты линий электропередачи. Настоящий стандарт охватывает большинство процентно-дифференциальных реле, а также, например, случаи, когда ограничение процентного роста есть увеличение сквозного тока. Для частных случаев дополнительные требования могут быть установлены в национальных стандартах.
Для целей настоящего стандарта все испытания являются типовыми.
Требования настоящего стандарта справедливы для реле в новом (неиспользованном) состоянии.
2. Термины и определения
В настоящем стандарте применены термины и определения по IEC 60255-6, международным словарям, а также следующие термины с соответствующими определениями:
2.1 дифференциальное реле (differential relay): Реле, предназначенное для реагирования на дифференциальный ток.
2.2 процентно-дифференциальные реле (biased (or percentage) differential relays): Дифференциальное реле, спроектированное для реагирования на изменение тока торможения.
2.3 дифференциальный ток (differential current): В дифференциальном реле - разность между установленным выходящим и обратно возвращающимся током в пределах фазы.
2.4 ток торможения (restraint current): В дифференциальном реле - комбинация выходящего и обратно возвращающегося токов, ограничивающее срабатывание реле.
2.5 процентное ограничение (restraint percentage): Уровень, выраженный в процентах между дифференциальным и током торможения (токами), выше которого реле не срабатывает.
Примечание - Определение процентного ограничения не учитывает ошибку, которая не может быть незначительной, т.к. конечный ток срабатывания установлен в условиях нулевого тока торможения. Это может быть при необходимости принято в расчет.
2.6 сквозной ток (through current): В дифференциальном реле - это часть полного выходного тока, который также представляет собой возвращающийся ток.
Раздел 2. Требования
3. Стандартные значения
3.1 Входящая и вспомогательная воздействующие величины и частота
Стандартные значения входящей и вспомогательной воздействующих величин и частоты установлены в IEC 60255-6.
3.2 Стандартные рекомендуемые значения внешних воздействующих факторов и стандартные значения соответствующих номинального и предельного диапазонов
3.2.1 Внешние воздействующие величины и факторы
Стандартные рекомендуемые внешние воздействующие факторы установлены в IEC 60255-6, таблица I. Дополнительные стандартные условия, применимые для процентно-дифференциальных реле, приведены в таблице I.
Таблица I
Стандартные рекомендуемые условия и испытательные допуски
воздействующих величин и факторов
Воздействующие величины или факторы
Рекомендуемые условия
Испытательные допуски
Характеристики и входные воздействующие величины
Входные воздействующие токи:
- ограниченный;
- дифференциальный
Установленные изготовителем или установленные в национальных стандартах, если не установлены в нижеследующих разделах или документах более низкого уровня
Фазный угол между входными воздействующими величинами
00
+/- 20
Временные составляющие постоянного тока в переменном токе
Нуль
5% пикового значения переменного тока
Установленное(ые) значение(я), когда возможна установка уставки
Установленные изготовителем или установленные в национальных стандартах, если не установлены в настоящем стандарте или документах более низкого уровня
Вспомогательная воздействующая величина
Временные составляющие постоянного тока в переменном токе
Нуль
(см. примечание)
5% пикового значения переменного тока
Примечание - В специальных случаях при многофазных измерениях одним реле изготовитель или национальный стандарт должны установить, что входные токи должны быть в пределах рекомендуемых условий.
ИС МЕГАНОРМ: примечание.
Нумерация пунктов дана в соответствии с официальным текстом документа.
3.3.2 Пределы номинального диапазона воздействующих величин и факторов
Стандартные значения приведены в IEC 60255-6, таблица II. Дополнительные стандартные значения, применимые для процентно-дифференциальных реле, приведены в таблице II.
Таблица II
Стандартные значения пределов номинального диапазона
воздействующих величин и факторов
Воздействующие величины или факторы
Номинальный диапазон
Характеристики и входные воздействующие величины
Рекомендуемая входящая воздействующая величина
Установленный изготовителем или установленный в национальных стандартах
Нерекомендуемая входящая воздействующая величина
Фазный угол между входными воздействующими величинами
Частота
Форма волны
Установившийся режим постоянной составляющей в переменном токе
Переходной режим постоянной составляющей в переменном токе
Вспомогательные воздействующие величины
Напряжение или ток
Установленный изготовителем или установленный в национальных стандартах, если не установлено в настоящем стандарте
Частота
Форма волны
Установившийся режим постоянной составляющей в переменном токе
Переходной режим постоянной составляющей в переменном токе
Коэффициент пульсации постоянного тока
От 0% до 12% номинального значения постоянного тока <1>
<1> Значение допуска основано на определении термина 131-03-14 "пиковое значение пульсации" в IEC 60050-131.
3.3 Характеристическая(ие) величина(ны) и значение(я) уставки(ок)
Стандартизованные номинальные значения характеристической(их) величины (величин) и значение(я) уставки(ок) отсутствуют. Данные значения должны указываться изготовителем.
3.4 Процентное ограничение
Стандартизованные процентные ограничения отсутствуют. Данные значения должны указываться изготовителем.
3.5 Уровень возврата и разъединения
Стандартизованные значения уровня возврата и разъединения отсутствуют. Данные значения должны указываться изготовителем.
4. Срабатывание и характеристики точности
4.1 Срабатывание
4.1.1 Характеристики срабатывания
Изготовитель должен указывать характеристики срабатывания реле в установленных условиях, включая установленные значения различных цепей и максимальные и минимальные значения уставок ограничения токов, что применимо.
4.1.2 Эффективный диапазон <1>
Изготовитель должен указать значение эффективного диапазона <1> ограничения тока.
--------------------------------
<1> См. также IEC 60255-6A, подраздел 2.3.
4.1.3 Максимальный сквозной ток
Изготовитель должен установить максимальный сквозной ток, выше которого реле не выдает действия. Реле должно быть способным выдерживать внезапные приложения и проведение сквозного тока выше этого значения. Длительность воздействия должна указываться изготовителем и быть не менее 100 мс.
Примечание - Максимальное значение сквозного тока определяется испытаниями при отсутствии воздействия приложенного дифференциального тока и равенстве входящего и выходящего токов.
4.2 Точность
Для процентно-дифференциальных реле понятие точности применяется к характеристикам срабатывания и времени срабатывания в установленных условиях. Для этого изготовитель должен указать допустимые погрешности, как определено в IEC 60255-6.
4.2.1 Характеристики срабатывания
Точность характеристик срабатывания может быть представлена графически, в виде линий максимальных и минимальных значений, как показано на рисунке 1. Альтернативно изготовитель может указать процентное ограничение в виде плюсового и минусового допусков эффективного диапазона тока торможения.
4.2.2 Время срабатывания
Точность времени срабатывания может быть представлена графически, как показано на рисунке 2, или может быть указана изготовителем в виде заданного диапазона дифференциальных токов.
Примечание - Часто приводится только для максимального времени срабатывания.
Примечание - Значение уставки должно быть фиксированным.
Рисунок 1 - Характеристика срабатывания в заданных условиях
Рисунок 2 - Характеристика времени срабатывания
в заданных условиях
5. Методы представления характеристик реле
5.1 Характеристики срабатывания
Когда указываются характеристики срабатывания реле, изготовитель в зависимости от конструкции реле может применить любые комбинации входящих и выходящих как ограниченные токи.
Рисунок 1 иллюстрирует рекомендованный метод представления характеристики срабатывания и соответствующих пределов погрешностей. Дифференциальный ток указан по вертикальной оси, а ток торможения - по горизонтальной оси.
Примечание 1 - Для представления характеристики может быть использован метод, отличный от графического.
Примечание 2 - Где возможно, изготовитель указывает характеристики для одно- и трехфазного тока.
5.2 Время срабатывания
Рисунок 2 иллюстрирует рекомендуемый метод представления указываемого изготовителем времени срабатывания и его пределов в зависимости от токов.
Изготовитель должен установить время срабатывания реле в заданных условиях в диапазоне от трех- до десятикратного значения дифференциального тока при минимальной и максимальной уставках (если имеются). Где возможно, изготовитель указывает характеристики для одно- и трехфазного тока.
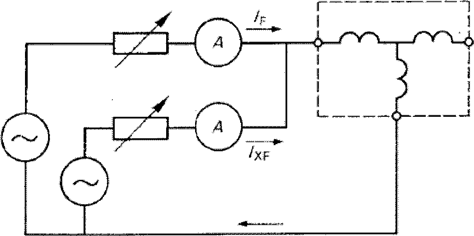
5.3 Влияние гармоник
Рисунок 3A иллюстрирует рекомендуемый метод представления в графической форме влияния характеристик гармоник дифференциальных реле, когда воздействует только одна влияющая гармоническая частота. Рисунок 3B иллюстрирует рекомендуемый метод представления в графической форме влияния характеристик гармоник дифференциальных реле, когда воздействует более одной гармонической частоты.
Примечание - Величина уставки должна быть фиксированной.
IF - ток при номинальной частоте;
IXF - ток при гармониках определенной частоты.
Рисунок 3A - Характеристика устойчивости к гармоникам,
представленная для одной частоты гармоники
Рисунок 3B - Характеристика устойчивости к гармоникам,
представленная для различных частот гармоник
6. Термические характеристики
Требования к термическим характеристикам указаны в IEC 60255-6A.
Дополнительно для процентно-дифференциальных реле применяют следующее требование: изготовитель должен указать термическую стойкость, когда цепь дифференциального тока имеет термическую стойкость ниже, чем стойкость цепи тока торможения.
7. Механические характеристики
Требования к механическим характеристикам указаны в IEC 60255-6A.
8. Значения предельного диапазона срабатывания
вспомогательной воздействующей величины
Значения предельного диапазона срабатывания вспомогательной воздействующей величины должны соответствовать указанным в IEC 60255-6A.
9. Вибрация и удар
Требования к характеристикам вибрации и удара указаны в IEC 60255-6A.
10. Характеристики контактов
Требования к характеристикам контактов указаны в IEC 60255-0-20.
11. Номинальная нагрузка
Номинальная нагрузка указана в IEC 60255-6A. Дополнительно для процентно-дифференциальных реле применяются следующее требования:
- если цепь дифференциального тока имеет термическую стойкость ниже (и, соответственно, низкое номинальное значение), чем стойкость цепи тока торможения, то должно быть предусмотрено наличие несколько номинальных значений токов торможения для целей измерения включаемой нагрузки;
- изготовитель должен указать нагрузку между каждым предназначенным комплектом входных выводов для:
a) текущего недифференциального тока;
b) дифференциального тока, равного входящему току.
12. Изоляция
Требования к изоляционным характеристикам указаны в IEC 60255-5.
13. Маркировка и сопроводительные данные
Требования к маркировке и сопроводительным данным указаны в IEC 60255-6.
14. Испытание воздействием высокой частоты
Требования к испытаниям воздействием высокой частоты указаны в IEC 60255-6.
Раздел 3. Методы испытаний
Ниже приведены применяемые методы испытаний, если иное не установлено изготовителем.
15. Испытания зависимости точности
и характеристик срабатывания
15.1 Основные требования
15.1.1 Все воздействующие факторы должны иметь установленные значения (при указанном испытательном допуске), если иное не установлено в настоящем стандарте.
15.1.2 Вспомогательная воздействующая величина для всех испытаний должна иметь номинальное значение, если иное не установлено в настоящем стандарте.
15.1.3 Методы приложения входящей воздействующей величины (т.е. внезапно или ступенчато) должны быть указаны изготовителем, если иное не установлено в настоящем стандарте.
15.1.4 Измерение времени при испытании проводят с нулевым сквозным током в диапазоне значений дифференциального тока, время для которого устанавливает изготовитель. Другие испытания с присутствием сквозного тока подлежат соглашению между изготовителем и пользователем.
15.2 Испытательные цепи и методы измерения характеристик реле
Руководства по испытаниям, указанные в настоящем разделе, основаны на испытаниях однофазных реле. Многофазные реле должны испытываться при возможных комбинациях фазных токов, амплитуды испытательных токов должны быть указаны изготовителем или установлены в национальных стандартах.
15.2.1 Характеристики срабатывания (рисунок 4A)
Для дифференциальных реле испытания проводят в такой последовательности:
a) при значении тока I2, равном 0, определяют пороговое значение срабатывания реле;
b) при низком значении I2 проводят повышение Id до срабатывания реле;
c) поднимают ток I2 до наибольшего значения. Снова повышают ток Id до срабатывания реле;
d) повторяют испытание при нескольких значениях тока I2, поднимаясь до верхнего предела эффективного диапазона. Значения должны быть указаны изготовителем или установлены в национальных стандартах.
15.2.2 Характеристики времени срабатывания (рисунок 4B)
Для дифференциальных реле испытания проводят в такой последовательности:
a) устанавливают уровень тока при замкнутом выключателе;
b) отключают выключатель;
c) прикладывают испытательный ток включением выключателя и измеряют время срабатывания;
d) если применяется управление точка на кривой, то выбирают угол, имеющий максимальное время. Если это управление неприменимо, применяют десять попыток при случайных углах включения;
e) повторяют испытание при наибольшем значении тока.
Рисунок 4A - Схема испытаний характеристик
Рисунок 4B - Схема испытаний времени срабатывания
15.2.3 Характеристики устойчивости к гармоническим составляющим (рисунок 4C)
Применяют следующую процедуру испытаний:
Пропускают ток IF при номинальной частоте и ток IXF при заданной частоте (см. рисунок 3A).
a) принимают значение IXF в качестве начального значения;
b) увеличивают IF от нулевого значения до срабатывания реле.
Рекомендованные условия фазовой зависимости между IF и IXF должны быть такими, как указал изготовитель;
c) повторяют при различных значениях IXF;
d) повторяют процедуру, указанную в перечислении b), с различными фазовыми зависимостями между IF и IXF, построив, при необходимости, соответствующие кривые;
e) имея значения при стабильных условиях, испытания повторяют при динамических условиях включения токов IF и IXF, начиная от нулевых значений.
Испытания должны быть проведены без кратковременных постоянных составляющих в токе. Если необходимо, увеличивают IXF, когда реле сблокировано на срабатывание.
Рисунок 4C - Схема испытаний устойчивости
к гармоническим составляющим
16. Испытания термических характеристик
Требования к испытаниям термических характеристик указаны в IEC 60255-6A.
17. Испытания характеристик при сквозном токе
17.1 Когда испытания определяются предельным значением сквозного тока, выше которого реле не срабатывает, длительность приложения тока должна быть указана изготовителем.
17.2 Для реле с более чем двумя цепями торможения общий прикладываемый ток должен быть равен единому току торможения как входящему току и разделяться по цепям торможения, приближенно равными каждому току торможения, как отходящие токи. Если одна или более цепей торможения менее важны, испытательная процедура должна быть определена изготовителем.
18. Испытания механических характеристик
Испытания механических характеристик проводят в соответствии с IEC 60255-6A.
Дополнительно к условиям испытаний, указанным в IEC 60255-6A, перечисления a) - e), к дифференциальным реле применяют завершающее испытание:
f) при значениях дифференциального тока, равных 0 для начального значения и трехкратного значения срабатывания для конечного значения. Если не указано, дифференциальный ток прикладывают внезапно (см. рисунок 4B).
Приложение ДА
(справочное)
СВЕДЕНИЯ О СООТВЕТСТВИИ МЕЖГОСУДАРСТВЕННЫХ СТАНДАРТОВ
ССЫЛОЧНЫМ МЕЖДУНАРОДНЫМ СТАНДАРТАМ
Таблица ДА.1
Обозначение и наименование международного стандарта
Степень соответствия
Обозначение и наименование межгосударственного стандарта
IEC 60050-131 Международный электротехнический словарь. Глава 131. Теория цепей
-
IEC 60255-0-20 Реле электрические. Рабочие характеристики контактов электрических реле
-
IEC 60255-5 Реле электрические. Часть 5. Координация изоляции измерительных реле и защитных устройств. Требования и испытания
IDT
ГОСТ IEC 60255-5-2014 Реле электрические. Часть 5. Координация изоляции измерительных реле и защитных устройств. Требования и испытания <**>
IEC 60255-6 <1> Реле электрические. Часть 6. Измерительные реле и защитное оборудование
-
IEC 60255-6A <2> Первое дополнение. Реле электрические. Часть 6A. Измерительные реле с более чем одной входящей характеристической величиной
-
<*>
<*> Соответствующий межгосударственный стандарт отсутствует. До его принятия рекомендуется использовать перевод на русский язык данного международного стандарта.
<**> Межгосударственный стандарт разрабатывается параллельно с настоящим межгосударственным стандартом.
Примечание - В настоящей таблице использовано следующее условное обозначение степени соответствия стандарта:
- IDT - идентичный стандарт.
--------------------------------
<1> IEC 60255-6 отменен. Взамен действует IEC 60255-1.
<2> IEC 60255-6A отменен. Взамен действует IEC 60255-1.