Главная // Актуальные документы // ГОСТ (Государственный стандарт)СПРАВКА
Источник публикации
М.: Стандартинформ, 2014
Примечание к документу
Документ включен в
Перечень международных и региональных (межгосударственных) стандартов, а в случае их отсутствия - национальных (государственных) стандартов, в результате применения которых на добровольной основе обеспечивается соблюдение требований технического
регламента Таможенного союза "О безопасности машин и оборудования" (ТР ТС 010/2011) и отдельные положения данного документа включены в
Перечень международных и региональных (межгосударственных) стандартов, а в случае их отсутствия - национальных (государственных) стандартов, содержащих правила и методы исследований (испытаний) и измерений, в том числе правила отбора образцов, необходимые для применения и исполнения требований технического
регламента Таможенного союза "О безопасности машин и оборудования" (ТР ТС 010/2011) и осуществления оценки соответствия объектов технического регулирования (
Решение Коллегии Евразийской экономической комиссии от 09.03.2021 N 28).
Документ
введен в действие с 01.07.2014.
Название документа
"ГОСТ EN 536-2012. Межгосударственный стандарт. Машины строительно-дорожные. Установки асфальтосмесительные. Требования безопасности"
(введен в действие Приказом Росстандарта от 06.09.2013 N 947-ст)
"ГОСТ EN 536-2012. Межгосударственный стандарт. Машины строительно-дорожные. Установки асфальтосмесительные. Требования безопасности"
(введен в действие Приказом Росстандарта от 06.09.2013 N 947-ст)
Приказом Федерального
агентства по техническому
регулированию и метрологии
от 6 сентября 2013 г. N 947-ст
МЕЖГОСУДАРСТВЕННЫЙ СТАНДАРТ
МАШИНЫ СТРОИТЕЛЬНО-ДОРОЖНЫЕ
УСТАНОВКИ АСФАЛЬТОСМЕСИТЕЛЬНЫЕ
ТРЕБОВАНИЯ БЕЗОПАСНОСТИ
Road construction machines. Asphalt mixing plants.
Safety requirements
(EN 536:1999, IDT)
ГОСТ EN 536-2012
Дата введения
1 июля 2014 года
Цели, основные принципы и основной порядок проведения работ по межгосударственной стандартизации установлены
ГОСТ 1.0-92 "Межгосударственная система стандартизации. Основные положения" и
ГОСТ 1.2-2009 "Межгосударственная система стандартизации. Стандарты межгосударственные, правила и рекомендации по межгосударственной стандартизации. Правила разработки, принятия, применения, обновления и отмены".
1 ПОДГОТОВЛЕН Научно-производственным республиканским унитарным предприятием "Белорусский государственный институт стандартизации и сертификации" (БелГИСС).
2 ВНЕСЕН Техническим комитетом по стандартизации ТК 267 "Строительно-дорожные машины и оборудование"
3 ПРИНЯТ Межгосударственным советом по стандартизации, метрологии и сертификации (протокол от 3 декабря 2012 г. N 54-П)
За принятие стандарта проголосовали:
Краткое наименование страны по МК (ИСО 3166) 004-97 | Код страны по МК (ИСО 3166) 004-97 | Сокращенное наименование национального органа по стандартизации |
Армения | AM | Минэкономики Республики Армения |
Беларусь | BY | Госстандарт Республики Беларусь |
Казахстан | KZ | Госстандарт Республики Казахстан |
Киргизия | KG | Кыргызстандарт |
Молдова | MD | Молдова-Стандарт |
Россия | RU | Росстандарт |
Узбекистан | UZ | Узстандарт |
Украина | UA | Минэкономразвития Украины |
4 Настоящий стандарт идентичен европейскому стандарту EN 536:1999 Road construction machines. Asphalt mixing plants. Safety requirements (Машины строительно-дорожные. Установки асфальтосмесительные. Требования безопасности).
Европейский стандарт разработан Техническим комитетом по стандартизации CEN/TC 151 "Безопасность строительных машин и машины по производству строительных материалов".
Европейский стандарт, на основе которого подготовлен настоящий стандарт, реализует существенные требования безопасности директив ЕС, приведенные в
приложении ZA.
Перевод с английского языка (en).
Официальные экземпляры европейского стандарта, на основе которого подготовлен настоящий межгосударственный стандарт, и европейских стандартов, на которые даны ссылки, имеются в Госстандарте Республики Беларусь.
В
разделе "Нормативные ссылки" и тексте стандарта ссылки на европейские стандарты активизированы.
Сведения о соответствии межгосударственных стандартов ссылочным европейским и международным стандартам приведены в дополнительном
приложении ДА.
Степень соответствия - идентичная (IDT).
5 Приказом Федерального агентства по техническому регулированию и метрологии от 6 сентября 2013 г. N 947-ст межгосударственный стандарт ГОСТ EN 536-2012 введен в действие в качестве национального стандарта Российской Федерации с 1 июля 2014 г.
6 ВВЕДЕН ВПЕРВЫЕ
Информация об изменениях к настоящему стандарту публикуется в ежегодном информационном указателе "Национальные стандарты", а текст изменений и поправок - в ежемесячном информационном указателе "Национальные стандарты". В случае пересмотра (замены) или отмены настоящего стандарта соответствующее уведомление будет опубликовано в ежемесячном информационном указателе "Национальные стандарты". Соответствующая информация, уведомление и тексты размещаются также в информационной системе общего пользования - на официальном сайте Федерального агентства по техническому регулированию и метрологии в сети Интернет
Настоящий стандарт представляет собой стандарт типа C согласно EN ISO 12100.
Если положения настоящего стандарта отличаются от положений, которые установлены в стандартах типа A или B, то положения настоящего стандарта имеют преимущество над положениями других стандартов для машин, которые сконструированы и изготовлены в соответствии с положениями настоящего стандарта типа C.
Соответствующие машины и связанные с ними опасности, опасные ситуации и события, рассматриваемые в настоящем стандарте, приведены в области применения.
1.1 Настоящий стандарт устанавливает требования безопасности к стационарным и перемещаемым установкам для производства асфальтобетонных смесей, используемым для устройства и поддержания автомобильных дорог (улиц, автомагистралей, аэродромов и т.п.), дамб, выполнения водоохранных работ, укладки дренажных труб и т.п.
Стационарная установка при работе находится в неподвижном состоянии.
Перемещаемая установка может транспортироваться по дорогам от одной производственной площадки к другой, но при работе должны находиться в неподвижном состоянии.
Настоящий стандарт распространяется на установки:
a) асфальтосмесительные;
b) для холодного смешивания материалов;
c) для производства битумных регенерируемых материалов;
d) для производства обычного асфальтобетона;
e) для производства мастичного асфальтобетона;
f) для хранения битумных вяжущих.
1.2 Настоящий стандарт рассматривает существенные опасности, которые имеют место при применении асфальтосмесительных установок по назначению в условиях, предусмотренных изготовителем (см.
раздел 4). Настоящий стандарт устанавливает соответствующие технические меры по устранению или уменьшению рисков, возникающих от существенных опасностей.
1.3 Настоящий стандарт не распространяется на машины для производства бетона.
1.4 Настоящий стандарт не рассматривает опасности, вызванные горючими газами. При появлении необходимой информации она будет включена.
1.5 Настоящий стандарт не рассматривает опасности, вызванные механическим и пневматическим погрузочно-разгрузочным оборудованием, таким как ленточные, шнековые или скребковые питатели, поворотные заслонки, ленточные, шнековые или пневматические конвейеры, компрессоры и насосы.
Примечание - По мере вступления в силу других стандартов настоящий стандарт будет проверен на предмет необходимости ссылок на них.
1.6 Настоящий стандарт не распространяется на машины, которые движутся во время работы.
1.7 Требования настоящего стандарта распространяются на установки, техническое задание на которые разработано после даты введения в действие настоящего стандарта.
Для применения настоящего стандарта необходимы следующие ссылочные документы. Для датированных ссылок применяют только указанное издание ссылочного документа.
EN 292-1:1991 Safety of machinery - Basic concepts, general principles for design - Part 1: Basic terminology, methodology (Безопасность машин. Основные понятия, общие принципы конструирования. Часть 1. Основные термины, методика)
EN 292-2:1991 Safety of machinery - Basic concepts, general principles for design - Part 2: Technical principles and specifications (Безопасность машин. Основные понятия, общие принципы конструирования. Часть 2. Технические правила и технические требования)
EN 292-2:1991+A1:1995 Safety of machinery - Basic concepts, general principles for design - Part 2: Technical principles and specifications (Безопасность машин. Основные понятия, общие принципы конструирования. Часть 2. Технические правила и технические требования (изменение 1))
EN 294:1992 Safety of machinery - Safety distances to prevent danger zones being reached by the upper Limbs (Безопасность машин. Безопасные расстояния для предохранения верхних конечностей от попадания в опасную зону)
EN 418:1992 Safety of machinery - Emergency stop equipment, functional aspects - Principles for design (Безопасность машин. Установки аварийного выключения. Функции. Принципы проектирования)
EN 547-1:1996 Safety of machinery - Human body measurements - Part 1: Principles for determining the dimensions required for openings for whole body access into machinery (Безопасность машин. Размеры тела человека. Часть 1. Основные принципы для определения размеров прохода для доступа человека всем телом к рабочим местам у машин)
EN 547-2:1996 Safety of machinery - Human body measurements - Part 2: Principles for determining the dimensions required for access openings (Безопасность машин. Размеры тела человека. Часть 2. Основные принципы для определения размеров отверстий для доступа отдельными частями тела)
EN 563:1994 Safety of machinery - Temperatures of touchable surfaces - Ergonomics data to establish temperature limit values for hot surface (Безопасность машин. Температура касаемых поверхностей. Эргономические данные для установления предельных величин температур горячих поверхностей)
EN 746-1:1997 Industrial thermoprocessing equipment - Part 1: Common safety requirements for industrial thermoprocessing equipment (Установки термические промышленные. Часть 1. Общие требования безопасности к промышленным термическим установкам)
EN 1037:1995 Safety of machinery - Prevention of unexpected start-up (Безопасность машин. Предотвращение неожиданного пуска)
EN 1070:1998 Safety of machinery. Terminology (Безопасность оборудования. Термины и определения)
EN 1088:1995 Safety of machinery - Interlocking devices associated with guards - Principles for design and selection (Безопасность машин. Блокировочные устройства, связанные с защитными устройствами. Принципы конструирования и выбора)
EN 60204-1:1997 Safety of machinery - Electrical equipment of machines - Part 1: General requirements (Безопасность машин. Электрооборудование машин и механизмов. Часть 1. Общие требования)
EN 60529:1991 Degrees of protection provided by enclosures (IP code) (Степени защиты, обеспечиваемые оболочками (IP-код))
3. Термины и определения, обозначения и сокращения
В настоящем стандарте применены термины по EN 1070:1998, а также следующие термины с соответствующими определениями:
3.1 дозированное и непрерывное производство (batch and continuous production): Производство, характеризующееся тем, что:
- при дозированном производстве смешивание проводят последовательными партиями в смесителе;
- при непрерывном производстве смешивание проводят или в непрерывном смесителе, или в барабанно-смесительной машине без прерывания движения материалов.
3.2 асфальтосмесительная установка (asphalt mixing plant) (см.
D.1,
D.2,
D.3): Установка, выполняющая следующие функции:
- хранение и загрузку компонентов;
- дозирование компонентов;
- просушку и нагрев компонентов;
- очистку от пыли и газов, выделяемых сушильной установкой;
- повторное введение регенерируемых присадок;
- дозирование нагретых углеводородных вяжущих;
- дозирование нагретых компонентов;
- смешивание составных частей для получения однородного материала;
- хранение и загрузку материалов;
- хранение и распределение углеводородных вяжущих;
- хранение и использование топлив.
3.3 установка холодного смешивания (cold mixing plant) (см.
D.4): Установка, выполняющая следующие функции:
- дозирование компонентов;
- дозирование жидких или углеводородных вяжущих;
- смешивание составных частей для получения однородного материала;
- хранение и распределение материалов;
- хранение и распределение вяжущих.
3.4 регенерирующие агрегаты (recycling units): Агрегаты, перерабатывающие материалы, которые взяты из асфальтобетонных слоев дорожного покрытия. Они являются вспомогательными машинами, установленными на асфальтосмесительной установке, и обеспечивают:
- просушивание и нагрев восстанавливаемых асфальтобетонных смесей;
- дозирование составных частей.
3.5 установка мастичного асфальта (mastic asphalt plant): Группа машин, аналогичных установке для горячего смешивания асфальтобетонных смесей, в которых материалы обрабатываются при высокой температуре (до 250 °C), включая дополнительный заполнитель и повышенное содержание битума. Эта установка может быть оборудована вторичными нагревателями заполнителя, а также башнями-хранилищами, оборудованными вторичными нагревателями и смесителями (например, мешалками).
3.6 баки для хранения (storage tanks): Емкости, предназначенные для хранения горячих углеводородных вяжущих, которые располагаются рядом с установкой и обеспечивают хранение и поддержание рабочей температуры углеводородных вяжущих, а также их подачу в смесители.
3.7 посты управления (control stations): Посты, включающие пульты управления и стойки; пульты управления и стойки содержат аппаратуру для пуска и защиты двигателей совместно с автоматическими устройствами и устройствами с сервоприводом.
4. Перечень существенных опасностей
В настоящем разделе определены все опасности и опасные ситуации, которые посредством оценки риска идентифицированы как существенные для данного типа машин, и предусмотрено принятие мер по исключению или уменьшению риска.
Опасности и нумерация пунктов, перечисленные ниже, соответствуют EN 414:1992, приложение A.
4.1 Механические опасности
Опасность | Место или причина возникновения опасности |
| Бункеры для поставки или хранения обрабатываемых или необрабатываемых материалов |
1.1 Защемление | При установке машины; в рабочей зоне скипов |
1.3 Разрезание или дробление | Движущиеся элементы машины, например: - шнековые конвейеры; - бункеры с затворами для разгрузки |
1.5 Затягивание или захват | Опорные ролики вращающихся барабанов; ленточные конвейеры; крыльчатки вентиляторов; ковшовые элеваторы и скребковые конвейеры; движущиеся части смесителей |
1.9 Выброс жидкости под большим давлением | Гибкие трубопроводы под гидравлическим давлением; горячие и горючие жидкости в системах смазки и системах распределения битума |
1.10 Выброс деталей | Системы подачи материала |
1.11 Потеря устойчивости | Недостаточная несущая способность основания; установка перемещаемых машин |
1.12 Падение | Подающий бункер, бункер для нагретых камней, бункеры готовой смеси для хранения минеральных заполнителей или баки для хранения вяжущих; проходы; проходы или платформы для доступа |
Соскальзывание |
--------------------------------
<*> Не рассматривается в EN 414:1992.
4.2 Электрические опасности
Опасность | Место или причина возникновения опасности |
2.1 Электрический контакт (прямой или косвенный) | Цепь питания |
4.3 Термические опасности
Опасность | Место или причина возникновения опасности |
3.1 Ожоги от соприкосновения или излучения | Нагревательное оборудование сушильных установок, барабанных смесителей, регенерирующих барабанов и оборудования для нагрева вяжущих; грохоты, бункеры-накопители; гибкие трубопроводы для транспортирования горячих и легковоспламеняющихся продуктов и их соединения (горячее масло, углеводородные вяжущие); переполнение баков для битума |
3.2 Вредное воздействие горячей окружающей среды | Техническое обслуживание барабанных сушильных установок и смесительных барабанов; замена сеток грохотов; техническое обслуживание рукавных фильтров; внутренние поверхности смесительных башен |
4.7 Опасности, создаваемые обрабатываемыми материалами или веществами (техническое обслуживание)
Опасность | Место или причина возникновения опасности |
7.1 Контакт или вдыхание вредной пыли | Работы по техническому обслуживанию: - в корпусе грохотов и рукавных фильтров (см. 5.9) - при изготовлении специальных изделий, включающих вредные добавки, присадки (см. 5.13) |
7.2 Пожар или взрыв | В барабанах, пылеулавливающих фильтрах; в баках для хранения жидкого битума и оборудовании для нагрева масла |
4.8 Опасности вследствие несоблюдения эргономических принципов
Опасность | Место или причина возникновения опасности |
8.1 Неудобная рабочая поза | Кабины управления (положение стоек, недостаточный обзор терминалов) |
8.4 Неудовлетворительное освещение поста управления | Неудовлетворительное естественное и искусственное освещение кабины управления |
4.10 Опасности вследствие отказа источника питания и других сбоев
Опасность | Место или причина возникновения опасности |
10.1 Отказ (электрического, пневматического и гидравлического) источника питания | Автоматическое закрывание затвора на бункерах и бункерах-хранилищах |
10.5 Непредумышленная потеря устойчивости машины, опрокидывание | В частности, для перемещаемых машин при подъеме и сборке |
4.11 Опасности вследствие отсутствия или неправильной установки устройств безопасности
Опасность | Место или причина возникновения опасности |
11.8 Средства загрузки и выгрузки | Опробование на работающей машине для производственного контроля |
11.9 Основные и вспомогательные устройства для технического обслуживания | Подъемные приспособления для погрузки-выгрузки тяжелых и неудобных запасных частей (например, элеваторов, экранов, смесителей), если эти машины установлены на верхний уровень |
5. Требования и/или меры безопасности
Машины должны соответствовать требованиям и/или мерам безопасности, приведенным в настоящем разделе.
| | ИС МЕГАНОРМ: примечание. Текст дан в соответствии с официальным текстом документа. | |
Для применения требований/мер безопасности, содержащихся в других стандартах, таких как EN 292-1:1991 и EN 292-1:1991, или в стандартах типа B, ссылки даны на соответствующие подразделы этих стандартов или на соответствующие характеристики.
Подвижные части (например, опорные ролики сушильных установок, барабанных смесителей и регенерирующих барабанов, скипов), досягаемые со средств доступа, должны быть оборудованы неподвижными защитными ограждениями в соответствии с EN 292-1:1991 (пункт 3.22.1), если безопасные расстояния меньше приведенных в EN 294:1992.
Размеры отверстий доступа, приведенные в EN 547-1:1996 и EN 547-2:1996, принимаются для людей, для которых
h1 = 1,8 м,
a1 = 0,6 м. Если невозможно применить эти значения, то минимальные размеры отверстий доступа должны соответствовать приведенным в
приложении B.
Требования к мосткам, платформам, лестницам, ступенькам и поручням приведены в
приложении C. После разработки соответствующих стандартов типа B
приложение C будет аннулировано.
5.1 Бункеры-накопители и бункеры готовой смеси
Если верхняя часть бункеров-накопителей и бункеров готовой смеси доступна, должно быть встроено одно из следующих устройств:
- смотровые люки должны быть оснащены решеткой, изготовленной из металлических секций с размером ячейки не более 250 x 250 мм. Крепление решеток к бункерам-накопителям и бункерам готовой смеси должно быть выполнено с помощью болтового соединения. Удаление решеток должно быть возможно с помощью специального инструмента;
- если решетки не используются, доступ к люкам должен быть защищен ограждением и затвором с электрической блокировкой. Открытие затвора гарантирует, что люки автоматически закрываются, а механическое погрузочно-разгрузочное оборудование не работает.
Если смотровые люки расположены на сторонах бункеров-накопителей и бункеров готовой смеси, они должны иметь удерживающее устройство, предотвращающее их падение, когда они открыты.
| | ИС МЕГАНОРМ: примечание. Текст дан в соответствии с официальным текстом документа. | |
Проемы для технического обслуживания/осмотра сверху баков должны быть оснащены решеткой с размером ячейки не более 100 x 100 мм. Эта решетка должна быть оборудована блокирующим устройством в соответствии с EN 292:1991 (пункт 3.22.4) и EN 1088:1995 (пункт 3.2), которое предотвращает подачу вяжущих, циркуляцию нагретого масла и работу нагревательных устройств, если решетка снята. При этом при необходимости должна быть возможность введения загрузочного рукава размером 200 x 200 мм.
5.3 Барабанные смесители с параллельным потоком и регенерирующие барабаны
Ленточный конвейер или распределительное устройство этих барабанов должны быть оборудованы датчиком для проверки подачи материала. Датчик должен быть установлен настолько близко к подающему барабану, насколько это возможно.
Если материал не подается, датчик должен автоматически остановить движение ленты и работу горелки(ок).
При пуске реле времени должно допускать работу горелки(ок) не более 10 с при отсутствии материалов в барабане. Это гарантирует, что максимальная температура, допускаемая изготовителем рукавного фильтра, не будет превышена.
После остановки оборудования должна быть обеспечена работа горелки в течение времени, необходимого для опорожнения барабана.
5.4 Нагревательное оборудование
Горелки, установленные на барабанах и баках, должны быть сконструированы и установлены в соответствии с типом используемого топлива.
Применяемые требования безопасности должны соответствовать типу горелки и используемому топливу. Должны быть рассмотрены соответствующие требования EN 746-1:1997.
Воздушные вентиляторы для отвода продуктов сгорания на закрытых моделях и моделях с подводом воздуха должны иметь защитное ограждение на впуске воздуха и защитное ограждение люков контроля пламени, обеспечивающие защиту операторов от травмирования при обратном пламени или излучении.
Если содержимое баков для хранения имеет температуру свыше 60 °C, для защиты персонала от ожогов должна быть принята одна из следующих мер по EN 563:1994:
- мостики или проходы для доступа должны быть расположены на расстоянии, позволяющем избежать контакта с горячими поверхностями в соответствии с EN 294:1992;
- стенки контейнера должны быть покрыты изолирующим материалом.
Сушильные установки, барабанные смесители и регенерирующие барабаны должны быть оборудованы дверцей, обеспечивающей доступ внутрь вращающегося барабана.
Дверца должна быть оснащена защитным ограждением с блокировкой, предотвращающим, если она открыта, пуск и функционирование:
- горелок и вспомогательного оборудования;
- агрегатов, упомянутых выше.
Это блокирующее устройство должно отключать вентилятор для отвода продуктов сгорания. Однако, если это необходимо для технического обслуживания, должна быть обеспечена возможность повторного пуска вентилятора для отвода продуктов сгорания при открытой дверце барабана и уменьшенной скорости вращения.
Защитное ограждение с блокировкой должно соответствовать EN 292-1:1991 (пункт 3.22.4) и EN 1088:1995 (пункт 3.2).
5.6 Вентиляторы для отвода продуктов сгорания
На кожухе вентилятора для отвода продуктов сгорания должен быть установлен смотровой люк. Люк должен быть оснащен блокирующим защитным ограждением с фиксацией закрытия по EN 292-1:1991 (пункт 3.22.5) и EN 1088:1995 (пункт 3.3), которое останавливает работу вентилятора для отвода продуктов сгорания и совместно работающего технологического оборудования, когда люк открыт.
Если впускной и выпускной каналы, соединенные с вентилятором для отвода продуктов сгорания, имеют смотровые люки и верхние конечности могут попасть в зону досягаемости лопастей вентилятора, то такие каналы должны быть оборудованы блокирующим устройством согласно
5.5.
Дренажный отвод и продувочный трубопровод должны быть установлены в нижней части кожуха вентилятора.
5.7 Вертикальные или наклонные ковшовые элеваторы
Кожух, закрывающий цепь и ковши, должен иметь люк в задней части для обеспечения возможности контроля и регулирования натяжных устройств, а также удаления материала, если машина заблокировалась. Люк должен быть оборудован блокирующим устройством по EN 292-1:1991 (пункт 3.22.4) и EN 1088:1995 (подраздел 3.2), которое останавливает работу ковшового элеватора и совместно работающего технологического оборудования.
Кожух, закрывающий цепи и скребки, должен иметь ряд люков для обеспечения возможности контроля и регулирования натяжных устройств, а также удаления материала, если машина заблокировалась.
Люки или доступы к ним должны быть оборудованы блокирующим устройством по EN 292-1:1991 (пункт 3.22.4) и EN 1088:1995 (подраздел 3.2), которое регулирует работу скребковых конвейеров и совместно работающего технологического оборудования.
Расположенная в хвосте конвейера открытая загрузка должна быть оборудована решеткой с размером ячейки не более 250 x 250 мм.
Крепление решетки к скребковому конвейеру следует выполнять с помощью болтового соединения, а ее удаление должно быть возможно с помощью специального инструмента.
5.9 Грохоты и пылеулавливающие устройства
5.9.1 Грохоты
Грохоты следует устанавливать в пылезащитных кожухах, которые имеют люки для обеспечения возможности замены сеток грохотов.
5.9.2 Пылеулавливающие устройства
Пылеулавливающие устройства должны быть установлены в пылезащитных кожухах с люками, предназначенными для технического обслуживания фильтра.
Люки должны быть оборудованы блокирующим устройством по EN 292-1:1991 (пункт 3.22.4) и EN 1088:1995 (подраздел 3.2).
5.10 Бункеры-накопители, бункеры готовой смеси и битумные баки
5.10.1 Пробоотборники должны быть сконструированы и изготовлены так, чтобы исключить возможность случайного сброса материала при их работе и получения ожогов обслуживающим персоналом.
5.10.2 Для обеспечения защиты персонала в конструкции оборудования должны быть предусмотрены устройства защиты от переполнения.
5.10.3 Скиповая система загрузки бункеров для хранения должна быть оборудована и установлена в соответствии с
приложением A.
5.11.1 Смотровые люки бункеров готовой смеси, бункеров-дозаторов и смесителей должны иметь защитное ограждение с блокировкой, которое:
- закрывает разгрузочные дверцы и дверцы для прохода внутрь смесительной башни и останавливает движение смесительных лопастей;
- отключает все источники питания внутри смесительной башни и совместно работающего технологического оборудования;
- предотвращает автоматический повторный пуск оборудования, когда смотровые люки закрыты.
Эти блокировки должны соответствовать EN 292-1:1991 (пункт 3.22.4) и EN 1088:1995 (подраздел 3.2).
5.11.2 Бункеры готовой смеси должны быть оборудованы устройством, которое предотвращает их от переполнения вяжущими в случае выхода из строя системы управления.
5.12 Обращение с порошковыми добавками
Оборудование для транспортирования порошковых добавок должно быть уплотнено и соединено с системой пылеулавливания.
Примечание - Порошковые добавки включают, например, заполнитель и краситель.
Если установка предназначена для приема материалов, предварительно упакованных в мешки, введение материала в смеситель должно осуществляться устройством, которое предотвращает захватывание верхних конечностей оператора при подаче.
5.13 Оборудование для нагрева вяжущих
Электрическая установка должна соответствовать EN 60204-1:1997.
5.13.1 Баки, оборудованные электронагревательными элементами
Электронагревательные элементы должны быть всегда погруженными, а бак должен быть оборудован блокировочным устройством, отключающим источник электропитания в случае понижения уровня вяжущих над самым верхним электронагревательным элементом до:
- 100 мм для вертикальных баков;
- 200 мм для горизонтальных баков.
5.13.2 Баки, оборудованные трубчатыми конвекторами с прямым нагревом
Такое нагревательное устройство должно нагревать битумное вяжущее до необходимой температуры и сохранять ее постоянной, избегая местного перегрева.
Трубчатые конвекторы, размещенные вдоль бака, должны быть всегда погруженными. Бак должен быть оборудован блокировочным устройством, прекращающим подачу топлива к горелке в случае понижения уровня вяжущих над трубами конвектора до 200 мм.
Каналы для отвода продуктов сгорания должны быть расположены вне бака.
5.13.3 Нагреватели с косвенным нагревом
5.13.3.1 Если нагреватели расположены в отдельной камере на заданном уровне, эта камера должна иметь не менее двух выходов, расположенных противоположно друг другу, с возможностью свободного доступа. Выходы должны иметь огнестойкие двери.
5.13.3.2 Система пуска и управления должна находиться в запираемом помещении управления или в защищенном от внешнего атмосферного воздействия запираемом помещении.
5.14 Трубопроводы и гибкие трубопроводы для горячих жидких материалов
Трубопроводы и гибкие трубопроводы для битума и горячего масла должны быть расположены таким образом, чтобы избегать:
- ожогов при контакте;
- внешних повреждений;
- причинения травм персоналу при разрушении.
Для гибких трубопроводов, подводящих горячие жидкости, должна быть приведена следующая информация:
- номинальный диаметр;
- максимальное давление;
- максимальная температура.
5.15 Перемещаемые машины с опорным устройством
Опоры должны быть расположены таким образом, чтобы исключать необходимость доступа оператора под машину для приведения в действие опорного устройства.
Гидравлическое или механическое устройство безопасности должно предотвращать непредумышленную потерю устойчивости машины вследствие выхода опор из строя.
5.16.1 Пост управления, расположенный в одном помещении
Если пост управления расположен в одном помещении, дверь каждого пульта управления и каждой стойки должна быть оборудована блокировкой в соответствии с EN 292-1:1991 (пункт 3.22.4) и EN 1088:1995 (подраздел 3.2), обеспечивающей отключение от источника электроэнергии.
Размеры помещения и расположение пультов управления и стоек должны быть такими, чтобы зоны доступа для персонала оставались свободными, когда двери пультов управления и стоек открыты.
5.16.2 Пост управления с отдельным расположением пультов управления и стоек
Доступ к пультам управления и стойкам, расположенным отдельно, должен осуществляться посредством двери(ей), оснащенной(ых) блокировкой, обеспечивающей отключение всей установки от источника электроэнергии. Подача электроэнергии не должна возобновляться автоматически при закрытии двери.
5.16.3 Общие технические требования к постам управления
Посты управления должны быть сконструированы таким образом, чтобы:
- температура внутри помещения была от 20 °C до 26 °C;
- смотровые окна, изготовленные из безопасного стекла возможно было легко заменить изнутри;
- был один или более одного дверной проем для выхода наружу;
- размеры платформы обеспечивали возможность персонала стоять в стороне от двери.
5.17 Электрическое оборудование
Электрическое оборудование должно соответствовать EN 60204-1:1997 и следующим требованиям.
5.17.1 Электрические кабели
Изоляция электрических кабелей, подводящих энергию или передающих сигналы или информацию, должна быть устойчива к углеводородам.
Степень защиты электрических соединителей, обеспечиваемая оболочками, должна быть не менее IP 54 по EN 60529:1991, если они установлены внутри конструкции, и не менее IP 55 по EN 60529:1991, если они установлены снаружи.
5.17.2 Устройства аварийного останова
Для отключения гидравлического и/или пневматического, и/или электрического источников питания должны быть предусмотрены устройства аварийного останова категории 1 по EN 418:1992 (пункт 4.1.5).
5.17.2.1 Устройства аварийного останова составных частей
Устройства аварийного останова должны быть размещены на следующих составных частях установки:
- устройствах подачи;
- сушильных установках, барабанных смесителях, регенерирующих барабанах;
- пылеулавливающих установках и вентиляторах для отвода продуктов сгорания;
- смесительных башнях и лопастных смесителях;
- бункерах-накопителях и бункерах готовой смеси;
- битумных баках и нагревателях.
Устройства аварийного останова должны быть установлены в легкодоступных и четко обозначенных местах составных частей установок.
5.17.2.2 Устройства аварийного останова всей установки
Вся установка должна быть оборудована одним устройством аварийного останова, непосредственно обеспечивающим отключение одним движением подачи питания ко всем электрическим, и/или пневматическим и/или гидравлическим цепям на любой стадии производственного цикла и вне зависимости от последствий для качества материала.
Главный аварийный выключатель должен быть установлен на пульте управления рабочего поста установки.
5.17.2.3 Звуковой сигнал
Повторному пуску установки или ее составных частей должен предшествовать звуковой сигнал.
Повторный пуск должен быть осуществлен с помощью ручного воздействия на устройства управления после возвращения устройства аварийного останова в исходное положение.
5.17.3 Заземление
Все установки, составные части установки и посты управления должны быть заземлены.
5.17.4 Электрическая изоляция при техническом обслуживании
Для целей технического обслуживания все отдельные составные части установки с электроприводом должны иметь устройства управления, обеспечивающие отключение от источника питания и предотвращающие непредумышленное повторное включение в соответствии с EN 1037:1995 (например, запирающее устройство).
5.17.5 Альтернативные системы, блокирующие доступ
В качестве альтернативы блокирующим устройствам, установленным на средствах доступа, которые перечислены в
5.5 -
5.9 и
5.11, специальные секции асфальтосмесительной установки могут иметь неподвижные защитные ограждения для предотвращения доступа и быть оборудованы дверью, оснащенной электрической блокировкой.
Блокировка должна предотвращать работу машины внутри зоны неподвижного ограждения, если дверь открыта.
Средства доступа к постам управления и зонам технического обслуживания, например мостки, платформы, лестницы, ступеньки, поручни, должны соответствовать
приложению C.
5.19 Зоны ограниченного доступа
Следующие зоны должны быть обозначены соответствующим образом, и доступ персонала к ним должен быть ограничен при:
- подаче от лопастного смесителя;
- подаче смешанного материала из бункера;
- подаче минерального материала при переполнении;
- срабатывании трубопровода подачи битума при переполнении.
Эти зоны должны быть обозначены предупредительным знаком.
6. Контроль требований и/или мер безопасности
В настоящем разделе приведены методы проверки требований безопасности, установленных в
разделе 5.
Мера безопасности и номер подраздела | Проверка |
Визуальный контроль | Проверка функционирования | Измерение |
5.1 Бункеры-накопители и бункеры готовой смеси | Доступы/решетки | Блокирующее устройство | Размеры решетки |
| Доступы/решетки | Блокирующее устройство | Размеры решетки |
| Подача материала | Функция пуска и останова | Время |
5.4 Нагревательное оборудование | Защитные ограждения | - | Температура |
| Дверца | Блокирующее устройство | - |
5.6 Вентиляторы для отвода продуктов сгорания | Смотровые люки | Блокирующее устройство с фиксацией | - |
| Смотровые люки | Блокирующее устройство | - |
| Смотровые люки | Блокирующее устройство | Размеры решетки |
| Смотровые люки | Блокирующее устройство | - |
5.10 Бункеры-накопители, бункеры готовой смеси | Пробоотборники | Блокирующее устройство | - |
| Смотровые люки бункеров готовой смеси | Блокирующее устройство | - |
| Качество уплотнений | - | - |
5.13 Оборудование для нагрева вяжущих | Устройство безопасности | Отключающее устройство | - |
| Маркировка | - | - |
| Расположение опор | Гидравлическое и/или механическое устройство безопасности | - |
| Панели, двери | Блокирующее устройство | Температура |
5.17 Электрическое оборудование | Кабели, заземление | Устройства аварийного останова. Звуковой сигнал. ... Электрическая изоляция. Блокирующее устройство | - |
| - | - | Размеры |
5.19 Зоны ограниченного доступа | Знаки | - | - |
7. Информация для потребителя
Информация для потребителя должна соответствовать требованиям EN 292-2:1991 (подраздел 5.5) и содержать следующее.
7.1 Общее описание установок
Должна быть определена область применения установок, в частности для работы с какими материалами они предназначены. Должен быть установлен риск, возникающий при использовании других материалов.
Должны быть приведены характеристики установки, обязательные для соблюдения.
7.2 Информация по основаниям
Для обеспечения устойчивости машин при работе под нагрузкой должны быть приведены значения нагрузки и давления на основания.
7.3 Инструкции по монтажу (демонтажу)
Для каждой составной части установки должны быть указаны:
- последовательность монтажа и при необходимости демонтажа перемещаемых машин;
- информация о местах строповки и максимальной массе составных частей;
- технические характеристики требуемого источника питания.
7.4 Руководство по эксплуатации
Должны быть приведены указания по последовательности и объему работ, необходимых для поиска отказов и повреждений.
Должны быть описаны зоны ограниченного доступа по
5.19. Должна быть приведена информация, содержащая требования по ограничению доступа персонала при работающей установке.
Барабаны, пылеулавливающие фильтры, баки для хранения жидкого битума и нагреватели с горячим маслом представляют определенные риски в отношении пожара. Следовательно, должны быть даны рекомендации по установке противопожарных устройств.
7.5 Информация по техническому обслуживанию
Для каждой составной части установки для обслуживающего персонала должны быть даны рекомендации по проведению технического обслуживания.
Для обслуживающего персонала должна быть обеспечена возможность осмотра и проверки органов управления во время работы установки при открытых дверцах панелей.
Должна быть приведена информация по использованию средств индивидуальной защиты.
Должно быть обеспечено достаточное освещение.
7.6 Рабочий инструмент и оборудование
Должна быть сделана ссылка на специальный инструмент и оборудование, необходимые для проведения регулировочных работ, осмотров и технического обслуживания.
7.7 Каталог деталей и сборочных единиц
Должна быть приведена информация по запасным частям и быстро изнашивающимся деталям.
Маркировка должна соответствовать требованиям EN 292-2:1991 (подраздел 5.4).
8.1 Табличка, устанавливаемая на машине
Табличка, устанавливаемая на машине, должна содержать:
- наименование и адрес изготовителя;
- обязательную маркировку;
- год изготовления;
- обозначение модели или типа (при наличии);
- серийный номер машины (при наличии).
8.2 Термические нагреватели
На табличке термических нагревателей должна быть приведена следующая информация:
- теплопроизводительность;
- характеристики нагретого масла;
- рабочая температура;
- максимально допустимая температура;
- объем масла в нагревателе;
- рабочее давление (давление устройств безопасности).
8.3 Баки и сосуды
На табличке баков и сосудов, видимой с места заполнения, должна быть приведена следующая информация:
- тип и качество содержимого продукта;
- максимальная вместимость.
(обязательное)
СКИПОВАЯ СИСТЕМА ЗАГРУЗКИ БУНКЕРОВ-НАКОПИТЕЛЕЙ
Для обеспечения безопасной работы скиповой системы должны быть приняты следующие меры.
A.1 Скипы при работе не должны разгружаться непредумышленно.
A.2 Барабаны лебедок не должны иметь выступов, которые могут повредить канаты. Их диаметр должен быть равен не менее чем 20-кратному диаметру каната.
A.3 Диаметр реборд барабана лебедки должен быть больше диаметра верхних витков каната не менее чем на два диаметра каната.
A.4 При любом положении скипа на барабане лебедки всегда должно быть не менее трех витков каната.
A.5 Максимальная нагрузка каната не должна превышать одной трети минимального разрывного усилия.
A.6 Автоматическое срабатывание механической тормозной системы подъема скипов должно передаваться непосредственно на барабан(ы) лебедки.
A.7 В случае отказа источника питания и аварийной остановки тормоз должен автоматически удерживать скип.
A.8 Для фиксации скипа на направляющем устройстве должны быть установлены механические блокирующие устройства (например, для замены каната).
A.9 Длина направляющей скипа должна быть не менее самого дальнего положения скипа, или он должен быть оборудован механическим устройством останова.
A.10 Должен быть установлен механизм, реагирующий на ослабление натяжения каната, который отключает источник питания от электродвигателя и приводит в действие тормозную систему.
A.11 Защитное ограждение должно предотвращать доступ в зону подачи скипа. Защитное ограждение должно быть высотой не менее 2 м. Дверца доступа должна быть оборудована блокирующим устройством по EN 292-2:1991 (пункт 3.7.10), которое останавливает лебедку, когда дверца открыта. После закрытия дверцы должна быть обеспечена возможность повторного пуска скипа после срабатывания включающего устройства.
(обязательное)
РАЗМЕРЫ ПРОЕМОВ ДЛЯ ДОСТУПА
Если невозможно применить требования, установленные в EN 547-1:1997 (например, вследствие размера машин), размеры проемов должны быть не менее значений, указанных ниже.
Таблица B.1
Машина | Подраздел настоящего стандарта | Размер проема |
Бункеры-накопители и бункеры готовой смеси | | Минимальная площадь >= 0,2 м2 Минимальный размер >= 400 мм |
Вентиляторы для отвода продуктов сгорания | |
Ковшовый элеватор | |
Бункеры-накопители, бункеры готовой смеси и битумные баки | |
Смесительные башни | |
Баки | | Минимальная площадь >= 0,25 м2 Минимальный размер >= 400 мм |
Оборудование для нагрева вяжущих | |
Барабанные смесители с параллельным потоком и регенерирующие барабаны | | Минимальная площадь >= 0,35 м2 Минимальная ширина >= 500 мм |
Вращающиеся барабаны | |
Грохоты | |
(обязательное)
ДОСТУП (МОСТКИ, ПЛАТФОРМЫ, ЛЕСТНИЦЫ, СТУПЕНЬКИ, ПОРУЧНИ)
После того, как будут введены в действие соответствующие стандарты и на них будет приведена ссылка, приложение C может быть отменено.
В настоящее время действуют следующие требования.
C.1 Ширина мостков и лестниц должна быть не менее 600 мм. Если конструкцией предусмотрены узкие проходы, ширина самого узкого места должна быть не менее 500 мм. Минимальная высота прохода должна составлять 2100 мм.
C.2 Проходы и лестницы должны быть изготовлены из противоскользящих материалов, таких как рифленые листы или решетки.
C.3 При наклоне от 10° до 30° мостки должны быть оснащены планками или ступеньками.
C.4 Если наклон составляет более 30°, требуются ступеньки. Ширина лестниц должна быть не менее 600 мм с уклоном от 30° до 45°. После каждых 18 ступеней должна быть обеспечена платформа для отдыха. Расстояние по вертикали между ступенями должно быть не более 250 мм, а глубина ступеней должна быть не менее 225 мм. Перекрытие ступеней должно составлять не менее 25 мм.
Эти требования не применяют к скребковым конвейерам.
C.5 Платформы на различных подъемах смесительных башен должны быть соединены лестницами.
C.6 Рабочие места на поднятых площадках, мостках, расположенные на высоте более 1 м от поверхности грунта, должны быть оборудованы ограждающими поручнями. Минимальная высота поручней должна составлять 1,1 м.
Перила состоят из поручня, дополнительного второго поручня и бортика для ног.
Высота бортика для ног должна быть не менее 50 мм, расстояние между бортиком для ног и дополнительным вторым поручнем должно быть не менее 500 мм.
C.7 Не должно быть остаточной деформации перил при приложении к ним горизонтального усилия 500 Н/м.
C.8 Лестницы должны быть сконструированы в соответствии с
рисунком C.1.
1 - наклонный поручень
Рисунок C.1 - Размеры лестниц и защитного ограждения
тоннельного типа
(справочное)
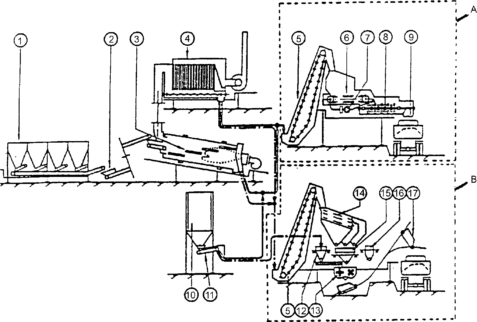
ПРИМЕРЫ АСФАЛЬТОСМЕСИТЕЛЬНЫХ УСТАНОВОК И ТЕРМИНОЛОГИЯ
D.1 Порционная установка для прерывистого производства

Термин на английском языке | Термин на французском языке | Термин на немецком языке | Термин на русском языке |
Batch plant | Centrale d'enrobage pour  aux liants  chauds | Chargenmischanlage | Порционная установка |
1 Cold feed bins | Doseurs continues de granulats froids | Vordoseure | Бункеры для холодной подачи |
2 Belt conveyor | Transporteur  courroie | | Ленточный конвейер |
3 Dryer | Tambour  | Trockner | Сушильная установка |
4 Dust collector | | Entstaubungsanlage | Пылеулавливающее устройство |
5 Filler silo | Conteneur vertical  | | Бункер готовой смеси |
6 Elevators |  godets | Elevatoren | Элеваторы |
7 Vibrating screen with bin | Crible reclaasseur avec silo | Vibrationssieb mit Silo | Вибрационный грохот с бункером |
8 Aggregate-weighing scale | Doseur  granulats chauds | Mineralwaage | Объемный дозатор |
9 Bitumen-weighing scale | Bac peseur  liants | Bitumenwaage | Весовой дозатор битума |
10 Filler-weighing scale | Doseur  | | Весовой дозатор наполнителя |
11 Batch mixer | Malaxeur discontinu | Chargenmischer | Порционный смеситель |
12 Skip | | | Скип |
13 Mixed material silos | Silos de stockage des  | Mischgutsilos | Бункеры готовой смеси |
D.2 Барабанная смесительная установка для непрерывного производства
Термин на английском языке | Термин на французском языке | Термин на немецком языке | Термин на русском языке |
Drum-mix plant | Centrale d'enrobage pour  aux liants  chauds | Trommelmischanlage | Барабанная смесительная установка |
1 Cold feed bins | Doseurs continus granulats froids | Vordoseure | Бункеры для холодной подачи |
2 Recycling feeder | Doseur continu granulats artificiels | Doseur  Ausbauasphalt | Регенерирующий питатель |
3 Belt conveyor | Transporteur  courroie | | Ленточный конвейер |
4 Drum-mixer | Tambour  enrobeur-recycleur | Trommelmischer | Барабанный смеситель |
5 Dust collector | | Entstaubungsanlage | Пылеулавливающее устройство |
6 Drag slat conveyor | Transporteur  racloirs | | Скребковый конвейер |
7 Mixed material storage bin | Silo de stockage des  | Verladesilo | Бункер готовой смеси |
8 Batcher | | Puffersilo | Дозатор |
9 Imported filler dosing unit | Doseur continu  | | Дозирующее устройство введенного наполнителя |
10 Imported filler silo | Conteneur  | | Дополнительный бункер-накопитель |
11 Bitumen-dosing unit | Doseur liants  | Bindemitteldosierung | Дозирующее устройство битума |

Терминология для примеров 2 и 3
Термин на английском языке | Термин на французском языке | Термин на немецком языке | Термин на русском языке |
Drum-mix plant | Centrale d'enrobage pour  aux liants  chauds | Trommelmischanlage | Барабанная смесительная установка |
3 Belt conveyor | Transporteur  courroie | | Ленточный конвейер |
4.1 Dryer-counterflow | Tambour  contre-courant | Trockner Gegenstrom | Сушильная установка противоточная |
4.2 Dryer-parallel flow | | Trockner Gleichstrom | Сушильная установка параллельная |
5 Mixer | Malaxeur | Mischer | Смеситель |
6 Drag slat conveyor | Transporteur  racloirc | | Скребковый конвейер |
11 Bitumen-dosing units | Doseurs liants  | Bindemitteldosierung | Дозирующее устройство битума |
A Counterflow | A contre-courant | Gegenstrom | Противоток |
B Parallel flow | A  | Gleichstrom | Параллельный поток |
C To the dust collector | Vers le  | Zur Entstaubungsanlage | К пылеулавливающему устройству |
D To the mixed material silos | Vers silos de stockage des  | Zu den Verladesilos | К бункерам готовой смеси |
E From the cold feed bins | Des doseurs continues des granulats | Von den Doseuren | От бункеров для холодной подачи |
D.3 Асфальтосмесительная установка для непрерывного производства (A) или прерывистого производства (B)

Термин на английском языке | Термин на французском языке | Термин на немецком языке | Термин на русском языке |
Asphalt mixing plant | Centrale d'enrobage pour  aux liants  chauds | Asphaltmischanlage | Асфальтосмесительная установка |
A Continuous plant | Centrale continue | Kontinuierliche Anlage | Установка непрерывного производства |
B Batch plant | Centrale discontinue | Diskontinuierliche Anlage | Порционная установка |
1 Cold feed bins | Doseurs continues de granulats froids | Vordoseure | Бункеры для холодной подачи |
2 Belt conveyor | Transporteur  courroie | | Ленточный конвейер |
3 Dryer | Tambour  | Trockner | Сушильная установка |
4 Dust collector | | Entstaubungsanlage | Пылеулавливающее устройство |
5 Elevators |  godets | Elevatoren | Элеваторы |
6 Feed bin | Doseur continu de granulats chauds | Doseur | Подающий бункер |
7 Bitumen-dosing unit | Doseur de liants  | Bindemitteldosierung | Дозирующее устройство битума |
8 Continuous mixer | Malaxeur continu | Kontinuierlicher Mischer | Непрерывный смеситель |
9 Batcher | | Puffersilo | Дозатор |
10 Filler silo | Conteneur vertical  | | Бункер готовой смеси |
11 Filler dosing unit | Doseur continu  | | Дозирующее устройство наполнителя |
12 Filler weighing unit | Doseur  | | Взвешивающее устройство наполнителя |
13 Batch mixer | Malaxeur discontinu | Chargenmischer | Порционный смеситель |
14 Vibrating screen | Crible-reclasseur | Vibrationssieb | Вибрационный грохот |
15 Aggregate-weighing scale | Doseur  granulats chauds | Mineralwaage | Объемный дозатор |
16 Bitumen-weighing scale | Bacpeseur  liants | Bitumenwaage | Весовой дозатор битума |
17 Skip | Skip | | Скип |
D.4 Установка для холодного смешивания

Термин на английском языке | Термин на французском языке | Термин на немецком языке | Термин на русском языке |
Cold mixing plant | Centrale d'enrobage pour  froid | Kaltmischanlage | Установка для холодного смешивания |
1 Cold feed bins | Doseurs continus des granulats | Doseure | Бункеры для холодной подачи |
2 Belt conveyor | Transporter  courroie | | Ленточный конвейер |
3 Filler silos | Conteneurs vericaux de  | | Бункеры готовой смеси |
4 Bin and screw conveyor |  tampon et transporter  vis | Zwischensilo und  | Бункер и шнековый конвейер |
5 Belt-weighing unit | Doseur en continu  sur courroie transporteuse | Bandwaage | Взвешивающее устройство ленточного конвейера |
6 Screw conveyor for filler | Transporter  vis des  | | Шнековый конвейер для наполнителя |
7 Water-dosing unit | Doseur d'eau d'apport | Wasserdosierung | Дозирующее устройство воды |
8 Continuous mixer | Malaxeur continu | Kontinuierlicher Mischer | Непрерывный смеситель |
9 Conveyor | Convoyeur | | Конвейер |
10 Batcher | | Zwischensilo | Дозатор |
11 Output for bitumen emulsion | Dsage pour  | Zugabeeinrichtung  Bitumenemulsion | Выход битумной эмульсии |
(справочное)
БИБЛИОГРАФИЯ
В настоящей библиографии перечислены стандарты, которые имеют отношение к техническим требованиям, изложенным в настоящем стандарте, но на которые отсутствуют нормативные ссылки.
EN 614-1:1995 | Safety of machinery - Ergonomic design principles - Part 1: Terminology general principles (Безопасность машин. Эргономические принципы проектирования. Часть 1. Термины, определения и общие принципы) |
EN 811:1996 | Safety of machinery - Safety distances to prevent danger zones being reached by the lower limbs (Безопасность машин. Безопасные расстояния для предохранения нижних конечностей от попадания в опасную зону) |
EN 894-1:1997 | Safety of machinery - Ergonomic requirements for the design of displays and control actuators - Part 1: General principles for human interactions with displays and control actuators (Безопасность машин. Эргономические требования к оформлению индикаторов и органов управления. Часть 1. Общие принципы при взаимодействии оператора с индикаторами и органами управления) |
EN 894-2:1997 | Safety of machinery - Ergonomic requirements for the design of displays and control actuators - Part 2: Displays (Безопасность машин. Эргономические требования к оформлению индикаторов и органов управления. Часть 2. Индикаторы) |
EN 953:1997 | Safety of machinery - Guards - General requirements for the design and construction of fixed and movable guards (Безопасность машин. Защитные ограждения. Общие требования к конструированию и изготовлению неподвижных и подвижных защитных ограждений) |
EN 954-1:1996 | Safety of machinery - Safety-related parts of control systems - Part 1: General principles for design (Безопасность машин. Элементы безопасности систем управления. Часть 1. Общие принципы конструирования) |
EN 982:1996 | Safety of machinery - Safety requirements for fluid power systems and their components - Hydraulics (Безопасность оборудования. Требования безопасности к гидравлическим и пневматическим системам и их компонентам. Гидравлика) |
EN 983:1996 | Safety of machinery - Safety requirements for fluid power systems and their components - Pneumatics (Безопасность оборудования. Требования безопасности к гидравлическим и пневматическим системам и их компонентам. Пневматика) |
Pr EN 999:1997 | Safety of machinery - The positioning of protective equipment in respect of approach speeds of parts of the human body (Безопасность машин. Позиционирование защитных устройств с учетом скорости приближения частей тела человека) |
(справочное)
ВЗАИМОСВЯЗЬ МЕЖДУ ЕВРОПЕЙСКИМ СТАНДАРТОМ
И СУЩЕСТВЕННЫМИ ТРЕБОВАНИЯМИ ДИРЕКТИВ ЕС
Европейский стандарт, на основе которого подготовлен настоящий межгосударственный стандарт, разработан Европейским комитетом по стандартизации (CEN) по поручению Комиссии Европейского сообщества и Европейской ассоциации свободной торговли (EFTA) и реализует существенные требования Директив ЕС:
- Директивы 98/37/ЕС;
ВНИМАНИЕ! К продукции, на которую распространяется европейский стандарт, допускается применять требования других стандартов и директив ЕС.
(справочное)
СВЕДЕНИЯ О СООТВЕТСТВИИ МЕЖГОСУДАРСТВЕННЫХ СТАНДАРТОВ
ССЫЛОЧНЫМ ЕВРОПЕЙСКИМ СТАНДАРТАМ
Таблица ДА.1
Сведения о соответствии межгосударственных стандартов
ссылочным европейским стандартам
Обозначение и наименование европейского стандарта | Степень соответствия | Обозначение и наименование межгосударственного стандарта |
EN 292-1:1991 Безопасность машин. Основные понятия, общие принципы конструирования. Часть 1. Основные термины, методика | MOD | ГОСТ ИСО/ТО 12100-1-2001 <*> Безопасность оборудования. Основные понятия, общие принципы конструирования. Часть 1. Основные термины, методика |
EN 292-2:1991 Безопасность машин. Основные понятия, общие принципы конструирования. Часть 2. Технические правила и технические требования | MOD | ГОСТ ИСО/ТО 12100-2-2002 <**> Безопасность оборудования. Основные понятия, общие принципы конструирования. Часть 2. Технические правила и технические требования |
EN 1070:1998 Безопасность оборудования. Термины и определения | IDT | |
<*> Внесенные технические отклонения обеспечивают выполнение требований настоящего стандарта. На территории Российской Федерации действует ГОСТ Р ИСО 12100-1-2007 Безопасность машин. Основные понятия, общие принципы конструирования. Часть 1. Основные термины, методология. <**> Внесенные технические отклонения обеспечивают выполнение требований настоящего стандарта. На территории Российской Федерации действует ГОСТ Р ИСО 12100-2-2007 Безопасность машин. Основные понятия, общие принципы конструирования. Часть 2. Технические принципы. |
Таблица ДА.2
Сведения о соответствии межгосударственных стандартов
ссылочным европейским стандартам, которые являются
идентичными или модифицированными международным стандартам
Обозначение и наименование ссылочного европейского стандарта | Обозначение и наименование международного стандарта другого года издания | Степень соответствия | Обозначение и наименование межгосударственного стандарта |
EN 60529:1991 Степени защиты, обеспечиваемые оболочками (IP-код) | IEC 60529:1989 Степени защиты, обеспечиваемые оболочками (IP-код) | MOD | ГОСТ 14254-96 <*> (МЭК 529-89) Степени защиты, обеспечиваемые оболочками (Код IP) (IEC 60529:1989, MOD) |
| | ИС МЕГАНОРМ: примечание. Текст дан в соответствии с официальным текстом документа. | |
|
EN 60204-1:1997 Безопасность машин. Электрооборудование машин и механизмов. Часть 1. Общие требования | IEC 60204-1:1997 Безопасность машин. Электрооборудование машин и механизмов. Часть 1. Общие требования | IDT | ГОСТ МЭК 60204-1-2002 <**> Безопасность машин. Электрооборудование машин и механизмов. Часть 1. Общие требования (IEC 60204-1:1997, IDT) |
<*> Внесенные технические отклонения обеспечивают выполнение требований настоящего стандарта. |