Главная // Актуальные документы // ГОСТ (Государственный стандарт)СПРАВКА
Источник публикации
М.: Стандартинформ, 2012
Примечание к документу
Текст данного документа приведен с учетом
поправки, опубликованной в "ИУС", N 2, 2023.
Документ
введен в действие с 01.09.2012.
Название документа
"ГОСТ EN 12430-2011. Межгосударственный стандарт. Изделия теплоизоляционные, применяемые в строительстве. Метод определения прочности при действии сосредоточенной нагрузки"
(введен в действие Приказом Росстандарта от 17.04.2012 N 41-ст)
"ГОСТ EN 12430-2011. Межгосударственный стандарт. Изделия теплоизоляционные, применяемые в строительстве. Метод определения прочности при действии сосредоточенной нагрузки"
(введен в действие Приказом Росстандарта от 17.04.2012 N 41-ст)
агентства по техническому
регулированию и метрологии
от 17 апреля 2012 г. N 41-ст
МЕЖГОСУДАРСТВЕННЫЙ СТАНДАРТ
ИЗДЕЛИЯ ТЕПЛОИЗОЛЯЦИОННЫЕ, ПРИМЕНЯЕМЫЕ В СТРОИТЕЛЬСТВЕ
МЕТОД ОПРЕДЕЛЕНИЯ ПРОЧНОСТИ
ПРИ ДЕЙСТВИИ СОСРЕДОТОЧЕННОЙ НАГРУЗКИ
Thermal insulating products for building applications.
Method for determination of behaviour under point load
(EN 12430:1998, IDT)
ГОСТ EN 12430-2011
Дата введения
1 сентября 2012 года
Цели, основные принципы и основной порядок проведения работ по межгосударственной стандартизации установлены
ГОСТ 1.0-92 "Межгосударственная система стандартизации. Основные положения" и МСН 1.01-01-2009 "Система межгосударственных нормативных документов в строительстве. Основные положения".
1. Подготовлен Некоммерческим партнерством "Производители современной минеральной изоляции "Росизол" на основе аутентичного перевода на русский язык европейского регионального стандарта, указанного в
пункте 4.
2. Внесен Техническим комитетом по стандартизации ТК 465 "Строительство".
3. Принят Межгосударственной научно-технической комиссией по стандартизации, техническому нормированию и оценке соответствия в строительстве (МНТКС) (дополнение N 1 к приложению Д протокола N 38 от 18 марта 2011 г.).
За принятие стандарта проголосовали:
Краткое наименование страны по МК (ISO 3166) 004-97 | Код страны по МК (ISO 3166) 004-97 | Сокращенное наименование национального органа государственного управления строительством |
Азербайджан | AZ | Госстрой |
Армения | AM | Министерство градостроительства |
Казахстан | KZ | Агентство по делам строительства и жилищно-коммунального хозяйства |
Киргизия | KG | Госстрой |
Молдова | MD | Министерство строительства и регионального развития |
Российская Федерация | RU | Департамент регулирования градостроительной деятельности Министерства регионального развития |
Туркмения | TM | Главгосслужба "Туркменстандартлары" |
Украина | UA | Министерство регионального развития строительства и жилищно-коммунального хозяйства |
4. Настоящий стандарт идентичен европейскому региональному стандарту EN 12430:1998 Thermal insulating products for building applications - Determination of behaviour under point load (Теплоизоляционные изделия, применяемые в строительстве. Определение характеристик изделия при действии сосредоточенной нагрузки).
Наименование настоящего стандарта изменено относительно европейского регионального стандарта для приведения в соответствие с ГОСТ 1.5
(подраздел 3.6).
В настоящем стандарте учтены изменения к указанному европейскому региональному стандарту, одобренные Европейским комитетом по стандартизации 17 августа 2006 г.
Перевод с английского языка (en).
Сведения о соответствии межгосударственных стандартов ссылочным региональным стандартам приведены в дополнительном
Приложении ДА.
Степень соответствия - идентичная (IDT).
5.
Приказом Федерального агентства по техническому регулированию и метрологии от 17 апреля 2012 г. N 41-ст межгосударственный стандарт ГОСТ EN 12430-2011 введен в действие в качестве национального стандарта Российской Федерации с 1 сентября 2012 г.
6. Введен впервые.
Информация о введении в действие (прекращении действия) настоящего стандарта публикуется в указателе "Национальные стандарты".
Информация об изменениях к настоящему стандарту публикуется в указателе (каталоге) "Национальные стандарты", а текст изменений - в информационных указателях "Национальные стандарты". В случае пересмотра или отмены настоящего стандарта соответствующая информация будет опубликована в информационном указателе "Национальные стандарты"
Настоящий стандарт применяют, если заключенные контракты или другие согласованные условия предусматривают применение теплоизоляционных материалов с характеристиками, гармонизированными с требованиями европейских региональных стандартов, а также в случаях, когда это технически и экономически целесообразно.
Настоящий стандарт распространяется на теплоизоляционные изделия, применяемые в строительстве (далее - изделия), и устанавливает требования к средствам испытания и методике определения прочности под действием силы, прикладываемой к небольшому участку образца с заданной скоростью.
Метод, приведенный в настоящем стандарте, применяют для определения характеристик изделий, обладающих достаточной прочностью, чтобы выдерживать нагрузку, возникающую при хождении людей в процессе укладки или эксплуатации изделий.
Примечание. Методы, приведенные в тексте стандарта, а также в
Приложении А, не являются идентичными и не могут быть использованы для сравнения результатов испытаний, проведенных в соответствии с этими методами.
В настоящем стандарте использованы ссылки на следующие стандарты:
ISO 5725-2:1994 Accuracy (trueness and precision) of measurement methods and results - Part 2: Basic method for the determination of repeatability and reproducibility of a standard measurement method [Точность (правильность и прецизионность) методов и результатов измерений. Часть 2. Основной метод определения повторяемости и воспроизводимости стандартного метода измерений]
EN 12085:1997 Thermal insulating products for building applications - Determination of linear dimensions of test specimens (Теплоизоляционные изделия, применяемые в строительстве. Определение линейных размеров образцов для испытаний).
В настоящем стандарте применены следующие термины с соответствующими определениями:
3.1. сосредоточенная нагрузка (point load): Сжимающая сила, прикладываемая к образцу при помощи цилиндрического индентора площадью поперечного сечения 50 см2 (диаметр 79,8 мм).
3.2. критическая точка (critical point): Точка на кривой зависимости деформации образца от силы, в которой прямая, касательная к этой кривой, расходится с ней (см.
рисунок 4a).
При помощи индентора к образцу с квадратным поперечным сечением прикладывают с заданной скоростью сосредоточенную нагрузку в осевом направлении перпендикулярно к основным лицевым граням образца. Вычисляют сжимающую силу в критической точке и/или силу при заданной деформации.
5.1. Испытательная машина, создающая сжатие
5.1.1. Испытательная машина, создающая соответствующую сжимающую силу и деформацию и снабженная жесткой полированной квадратной или круглой, фиксированной или вертикально движущейся плитой, длина стороны (или диаметр) которой должна быть не менее длины стороны (или длины диагонали) образца, подвергаемого испытанию (см. рисунок 1).
1 - соединение индентора с испытательной машиной;
2 - индентор; 3 - образец для испытания; 4 - опорная плита
Рисунок 1. Устройство для испытания
5.1.2. Стальной цилиндрический индентор диаметром (79,8 +/- 0,1) мм, соединенный с вертикально движущейся или фиксированной опорной плитой (см. рисунки 2 и
3). Если это целесообразно, индентор соединяют с испытательной машиной через центрально расположенный шаровой шарнир, создавая строго осевое направление силы, действующей на конкретный участок образца. Скорость перемещения индентора или подвижной опорной плиты должна быть постоянной в соответствии с
7.2.
1 - цилиндрический индентор; 2 - образец для испытания
Рисунок 2. Образец для испытания
Рисунок 3. Цилиндрический индентор
5.2. Измерение смещения
Прибор для измерения смещения, соединенный с испытательной машиной, обеспечивающий непрерывное измерение смещения индентора или подвижной плиты и позволяющий снимать показания с погрешностью +/- 5% или +/- 0,1 мм; из двух значений выбирают меньшее (см.
5.1.1).
5.3. Измерение силы
Датчик для измерения силы, действующей на испытуемый образец, соединенный с опорной плитой испытательной машины или индентором. Датчик должен иметь такую конструкцию, чтобы при измерении его собственная деформация была пренебрежимо мала по сравнению с деформацией участка образца, в противном случае деформацию датчика следует учитывать при вычислении результатов. Датчик должен обеспечивать непрерывное измерение силы с погрешностью +/- 1%.
5.4. Записывающее устройство
Устройство, записывающее одновременно значение силы F и деформации X и построение кривой зависимости F(X) (см.
7.2).
6.1. Размеры образцов
Толщина образцов должна быть равна толщине изделия, из которого они вырезаны. При испытании образцов, вырезанных из изделий с обкладками, облицовками и/или покрытиями, эти обкладки, облицовки и/или покрытия следует сохранять. Образцы должны иметь поперечное сечение в форме квадрата с размерами сторон 300 x 300 мм.
Примечание. В стандарте или технических условиях на изделие конкретного вида могут быть предусмотрены другие размеры образцов; в конкретных случаях эти размеры могут быть согласованы между заинтересованными сторонами.
Размеры образцов определяют в соответствии с EN 12085 с погрешностью не более 1 мм.
Отклонения лицевых граней образцов от плоскостности и параллельности между ними не должны превышать 0,5% длины лицевых поверхностей и должны быть не более 0,5 мм.
6.2. Число образцов
Число образцов должно быть указано в стандарте или технических условиях на изделие. Если число образцов не установлено, то испытания следует проводить не менее чем на трех образцах.
Примечание. При отсутствии стандарта или технических условий на изделие число образцов может быть согласовано между заинтересованными сторонами.
6.3. Подготовка образцов к испытанию
Образцы вырезают так, чтобы основание образца было перпендикулярно к направлению сжатия изделия и соответствовало расположению изделия при его эксплуатации. Образцы следует вырезать и подготавливать так, чтобы не нарушилась структура изделия, из которого вырезают эти образцы.
Обкладки, облицовки и/или покрытия, которые удаляют с изделия перед их укладкой, с поверхностей образцов следует удалять.
Образцы с прямоугольным поперечным сечением и параллельными лицевыми гранями также следует вырезать из изделия так, чтобы основание образца было расположено перпендикулярно к направлению действия силы, которому подвергается изделие в процессе эксплуатации.
6.4. Кондиционирование образцов
Образцы перед испытанием следует выдерживать не менее 6 ч при температуре (23 +/- 5) °C. В случае разногласий образцы следует выдерживать при температуре (23 +/- 2) °C и относительной влажности воздуха (50 +/- 5)% в течение времени, указанного в стандарте или технических условиях на изделие.
7. Методика проведения испытания
7.1. Условия испытания
Испытание проводят при температуре (23 +/- 5) °C. В случае разногласий испытание проводят при температуре (23 +/- 2) °C и относительной влажности воздуха (50 +/- 5)%.
7.2. Проведение испытания
Измеряют размеры образцов в соответствии с EN 12085 с точностью до 1 мм.
Образец помещают на плиту испытательной машины так, чтобы индентор находился над центром образца (см.
рисунок 1).
Создают предварительную сжимающую силу, равную (2,50 +/- 0,25) Н, которая соответствует давлению (500 +/- 50) Па.
С помощью индентора, движущегося с постоянной скоростью (50 +/- 5) мм/мин, сжимают центральный участок образца и записывают кривую зависимости деформации от силы.
Испытание прекращают при достижении образцом критической точки (см. рисунок 4a) и/или когда относительная деформация будет составлять 20% (см. рисунок 4b).

- сжимающая сила в критической точке;

- предварительная сжимающая сила;

- деформация при

Рисунок 4. Примеры кривых зависимости деформации от силы
8. Обработка и представление результатов испытания
8.1. Общие положения
За результат испытания принимают среднеарифметическое значение результатов отдельных испытаний, округленное до второй значащей цифры.
Примечание. Результаты испытания не следует распространять на образцы толщиной, отличной от установленной настоящим стандартом.
Результаты испытания образцов любой толщины должны быть представлены в соответствии с 8.2 -
8.4.
8.2. Сжимающая сила/абсолютная деформация в критической точке

- сжимающая сила в критической точке для данного образца, кН.

- абсолютная деформация образца в критической точке, мм.
В случае если на кривых зависимости деформации от силы отсутствует точка пластической деформации образца, как показано на
рисунке 4b, силу

не определяют.
8.3. Сосредоточенная сила при заданной абсолютной деформации
Если необходимо, регистрируют значение сосредоточенной силы в килоньютонах, соответствующее абсолютной деформации, равной 5 мм.
Примечание. При необходимости регистрируют значения сосредоточенной силы в килоньютонах, соответствующие другим значениям деформации.
8.4. Кривая зависимости деформации от силы
Если на кривой зависимости деформации от силы отсутствует точка, соответствующая началу пластической деформации образца (см.
рисунок 4b), то для каждого испытуемого образца следует записать кривую зависимости деформации от силы и определить по этим кривым для каждого образца значение сжимающей силы, соответствующее значению деформации. Максимальную деформацию (абсолютную или относительную) в зависимости от силы указывают в стандарте или технических условиях на изделие или согласовывают между заинтересованными сторонами.
Приведенные в таблице 1 характеристики точности метода установлены на основе результатов "кругового испытания", при котором применялись аналогичные средства испытания и проводилась аналогичная подготовка образцов к испытанию.
Таблица 1
Прочность/напряжение | Нагрузка, вызывающая деформацию 2% или 5% | Прочность при сосредоточенной нагрузке  |
Предел повторяемости 95% | ~= 5% | ~= 8% |
Предел воспроизводимости 95% | ~= 15% | ~= 25% |
Термины, приведенные в
таблице, соответствуют ISO 5725-2.
Отчет об испытании должен содержать:
a) ссылку на настоящий стандарт;
b) идентификацию изделия:
1) наименование изделия, предприятия-изготовителя или поставщика;
2) код маркировки изделия;
3) вид изделия;
4) вид упаковки;
5) форму поставки изделия в лабораторию;
6) дополнительную информацию (если необходимо), например, номинальную толщину, номинальную плотность;
c) методику проведения испытания:
1) процедуру отбора образцов, например, кто и в каком месте проводил отбор образцов;
2) условия кондиционирования образцов;
3) любые отклонения от требований, приведенных в
разделах 6 и
7;
4) дату испытания;
5) общую информацию о методике проведения испытания, включая сведения об облицовке (или покрытии) на лицевой поверхности образца;
6) обстоятельства, которые могли бы повлиять на результаты испытания.
Примечание. Сведения об оборудовании и о лаборанте, проводившем испытание, должны находиться в лаборатории, однако в отчете их не указывают;
d) результаты испытания: результаты каждого отдельного испытания по определению силы

и среднеарифметическое значение силы

и/или результаты каждого отдельного испытания по определению сосредоточенной силы при заданном значении деформации и среднеарифметическое значение этой силы, и/или кривые зависимости силы от деформации для каждого образца.
(обязательное)
ИЗМЕНЕНИЯ К ОСНОВНОМУ МЕТОДУ ИСПЫТАНИЯ
ДЛЯ ИЗДЕЛИЙ ИЗ ЯЧЕИСТОГО СТЕКЛА
Для изделий из ячеистого стекла (далее - изделия) в метод испытания, описанный в настоящем стандарте, необходимо внести следующие изменения.
А.1. Средства испытания
Фиксирующее устройство, установленное на плоской плите испытательной машины, позволяющее точно установить образец относительно плиты испытательной машины.
Примечание. Испытание всегда следует проводить для одной и той же части изделия для обеспечения воспроизводимости результатов и возможности их сравнения (см. рисунки А.1 и
А.2).
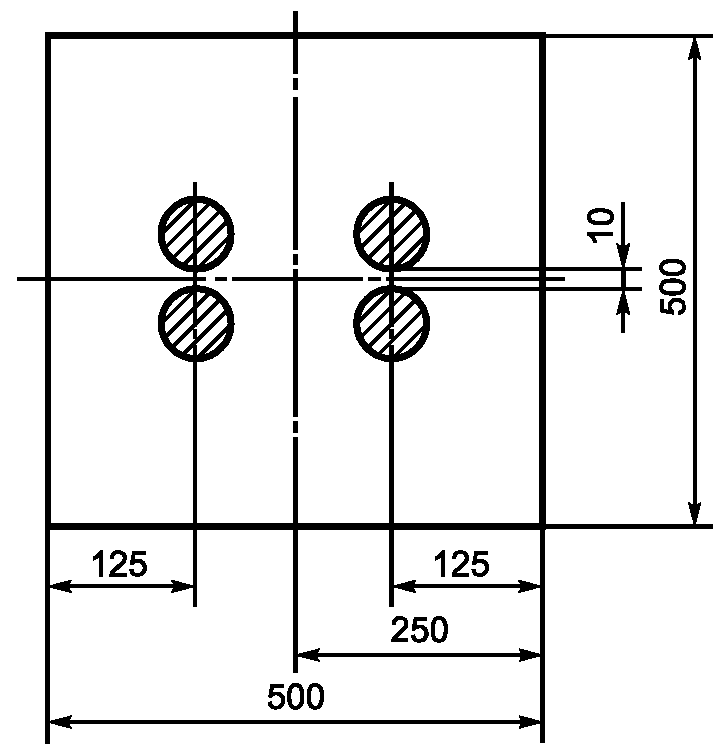
Рисунок А.1. Расположение индентора
для изделий длиной 600 мм
Рисунок А.2. Расположение индентора
для изделий длиной 500 мм
А.2. Образцы для испытания
Образцы должны представлять собой полноразмерные изделия или четвертую часть изделия, разрезанного так, чтобы инденторы можно было расположить, как показано на
рисунках А.1 и
А.2.
А.3. Методика проведения испытания
Образец располагают под индентором испытательной машины при помощи фиксирующего устройства. Необходимо проверить, чтобы испытуемый участок образца был выбран в соответствии с
рисунками А.1 и
А.2.
Четыре места расположения индентора для изделий длиной 600 и 500 мм соответственно показаны на
рисунках А.1 и
А.2. Для изделий других размеров расположение индентора указывают в стандарте или технических условиях на изделие.
При помощи индентора прикладывают к образцу предварительную нагрузку, равную (100 +/- 10) Н, и определяют его деформацию или устанавливают значение деформации на ноль.
Увеличивают нагрузку на образец до (1000 +/- 10) Н при скорости перемещения индентора 2 мм/мин +/- 25%.
Образец переворачивают и повторяют испытание на другой его лицевой поверхности.
А.4. Обработка и представление результатов испытания
За деформацию образца

принимают значение перемещения индентора при воздействии сжимающей нагрузки 100 и 1000 Н.
Для каждого образца определяют результаты четырех измерений, проведенных на каждой лицевой грани. Вычисляют среднеарифметическое значение четырех результатов измерений, проведенных на каждой лицевой грани образца.
За деформацию образца

в миллиметрах при толщине d, измеренной в соответствии с
7.2, принимают наибольшее значение из двух среднеарифметических значений, определенных для каждой из двух лицевых граней образца.
За окончательный результат испытания принимают среднеарифметическое значение, полученное при испытании трех образцов.
(справочное)
СВЕДЕНИЯ О СООТВЕТСТВИИ МЕЖГОСУДАРСТВЕННЫХ СТАНДАРТОВ
ССЫЛОЧНЫМ МЕЖДУНАРОДНЫМ И ЕВРОПЕЙСКИМ
РЕГИОНАЛЬНЫМ СТАНДАРТАМ
Таблица ДА.1
Обозначение ссылочного международного, европейского стандарта | Степень соответствия | Обозначение и наименование соответствующего межгосударственного стандарта |
|
|
ISO 5725-2:1994 Точность (правильность и прецизионность) методов и результатов измерений. Часть 2. Основной метод определения повторяемости и воспроизводимости стандартного метода измерений | IDT | ГОСТ ИСО 5725-2-2003 Точность (правильность и прецизионность) методов и результатов измерений. Часть 2. Основной метод определения повторяемости и воспроизводимости стандартного метода измерений |
EN 12085:1997 Теплоизоляционные изделия, применяемые в строительстве. Определение линейных размеров образцов для испытаний | IDT | ГОСТ EN 12085-2011 Изделия теплоизоляционные, применяемые в строительстве. Методы измерения линейных размеров образцов, предназначенных для испытаний |
Примечание - В настоящей таблице использовано следующее условное обозначение степени соответствия стандартов: IDT - идентичные стандарты. |