Главная // Актуальные документы // ГОСТ (Государственный стандарт)
СПРАВКА
Источник публикации
М.: Стандартинформ, 2014
Примечание к документу
Документ включен в Перечень стандартов, в результате применения которых на добровольной основе обеспечивается соблюдение требований Технического регламента Таможенного союза "Электромагнитная совместимость технических средств" (ТР ТС 020/2011) и в Перечень стандартов, содержащих правила и методы исследований (испытаний) и измерений, в том числе правила отбора образцов, необходимые для применения и исполнения требований Технического регламента Таможенного союза "Электромагнитная совместимость технических средств" (ТР ТС 020/2011) и осуществления оценки (подтверждения) соответствия продукции (Решение Комиссии Таможенного союза от 09.12.2011 N 879).

Документ введен в действие с 1 января 2014 года.
Название документа
"ГОСТ 32140-2013 (EN 13309:2000). Межгосударственный стандарт. Совместимость технических средств электромагнитная. Машины строительные с внутренними источниками электропитания. Требования и методы испытаний"
(введен в действие Приказом Росстандарта от 22.07.2013 N 420-ст)

"ГОСТ 32140-2013 (EN 13309:2000). Межгосударственный стандарт. Совместимость технических средств электромагнитная. Машины строительные с внутренними источниками электропитания. Требования и методы испытаний"
(введен в действие Приказом Росстандарта от 22.07.2013 N 420-ст)


Содержание


Введен в действие
Приказом Федерального
агентства по техническому
регулированию и метрологии
от 22 июля 2013 г. N 420-ст
МЕЖГОСУДАРСТВЕННЫЙ СТАНДАРТ
СОВМЕСТИМОСТЬ ТЕХНИЧЕСКИХ СРЕДСТВ ЭЛЕКТРОМАГНИТНАЯ
МАШИНЫ СТРОИТЕЛЬНЫЕ С ВНУТРЕННИМИ
ИСТОЧНИКАМИ ЭЛЕКТРОПИТАНИЯ
ТРЕБОВАНИЯ И МЕТОДЫ ИСПЫТАНИЙ
Electromagnetic compatibility of technical equipment.
Construction machines with internal electrical
power supply. Requirements and test methods
(EN 13309:2000, MOD)
ГОСТ 32140-2013
(EN 13309:2000)
МКС 33.100
91.220
Дата введения
1 января 2014 года
Предисловие
Цели, основные принципы и основной порядок проведения работ по межгосударственной стандартизации установлены ГОСТ 1.0-92 "Межгосударственная система стандартизации. Основные положения" и ГОСТ 1.2-2009 "Межгосударственная система стандартизации. Стандарты межгосударственные, правила и рекомендации по межгосударственной стандартизации. Правила разработки, принятия, применения, обновления и отмены"
Сведения о стандарте
1 ПОДГОТОВЛЕН Закрытым акционерным обществом "Научно-испытательный центр "САМТЭС" и Техническим комитетом по стандартизации ТК 30 "Электромагнитная совместимость технических средств"
2 ВНЕСЕН Федеральным агентством по техническому регулированию и метрологии (Росстандарт)
3 ПРИНЯТ Межгосударственным советом по стандартизации, метрологии и сертификации (протокол N 55-П от 25 марта 2013 г.)
За принятие стандарта проголосовали:
Краткое наименование страны по МК (ИСО 3166) 004-97
Код страны по МК (ИСО 3166) 004-97
Сокращенное наименование национального органа по стандартизации
Беларусь
BY
Госстандарт Республики Беларусь
Кыргызстан
KG
Кыргызстандарт
Молдова
MD
Молдова-Стандарт
Российская Федерация
RU
Росстандарт
Таджикистан
TJ
Таджикстандарт
Узбекистан
UZ
Агентство "Узстандарт"
4 Приказом Федерального агентства по техническому регулированию и метрологии от 22 июля 2013 г. N 420-ст межгосударственный стандарт ГОСТ 32140-2013 (EN 13309:2000) введен в действие в качестве национального стандарта Российской Федерации с 1 января 2014 г.
5 Настоящий стандарт модифицирован по отношению к европейскому стандарту EN 13309:2000 Construction machinary. Electromagnetic compatibility of machines with internal electrical power supply (Строительные машины. Электромагнитная совместимость машин с внутренними источниками электрического питания).
Европейский стандарт EN 13309:2000 разработан Европейской организацией по стандартизации (CEN), Техническим комитетом 151 "Строительное оборудование и машины по производству строительных материалов - Безопасность".
Перевод с английского языка (en).
Наименование настоящего стандарта изменено относительно наименования международного стандарта для приведения в соответствие с ГОСТ 1.5-2001 (подраздел 3.6).
Ссылки на международные стандарты, которые приняты в качестве межгосударственных стандартов, заменены в разделе "Нормативные ссылки" и тексте стандарта ссылками на соответствующие межгосударственные стандарты.
Дополнительные фразы и слова, внесенные в текст стандарта для уточнения области распространения и объекта стандартизации, выделены полужирным курсивом.
Сведения о соответствии межгосударственных стандартов ссылочным международным стандартам приведены в дополнительном приложении ДА.
Степень соответствия - модифицированная (MOD).
Стандарт разработан на основе применения ГОСТ Р 53391-2009 (ЕН 13309:2000)
6 ВВЕДЕН ВПЕРВЫЕ
Информация об изменениях к настоящему стандарту публикуется в ежегодном информационном указателе "Национальные стандарты", а текст изменений и поправок - в ежемесячном информационном указателе "Национальные стандарты". В случае пересмотра (замены) или отмены настоящего стандарта соответствующее уведомление будет опубликовано в ежемесячном информационном указателе "Национальные стандарты". Соответствующая информация, уведомление и тексты размещаются также в информационной системе общего пользования - на официальном сайте национального органа Российской Федерации по стандартизации в сети Интернет
Введение
В связи с использованием в местах работы строительных машин большого числа различных электронных устройств необходимо, чтобы строительные машины обладали адекватной помехоустойчивостью при воздействии внешних электромагнитных полей. Поскольку в конструкциях большинства строительных машин применяются электрические и электронные устройства, необходимо также, чтобы электромагнитные помехи, излучаемые строительными машинами, соответствовали допустимым предельным значениям.
Электромагнитные помехи возникают во время работы многих устройств и систем строительных машин. Эти помехи создаются в широкой полосе частот с различными электрическими характеристиками и могут воздействовать на другие электрические/электронные устройства и приборы строительных машин через проводники или посредством электромагнитного излучения.
Узкополосные электромагнитные помехи, генерируемые источниками помех внутри и вне строительных машин, также могут возникать в электрических/электронных системах и тем самым оказывать влияние на нормальное функционирование электрических/электронных устройств. Источниками узкополосных помех являются, например, машины со встроенными микропроцессорами.
В строительных машинах могут возникать электростатические разряды, поскольку контрольные элементы могут быть расположены вне кабины, и на их контактах возможно возникновение разности потенциалов. Необходимо также принимать во внимание возникновение переходных процессов в проводниках, поскольку строительные машины часто представляют собой открытые системы, и несколько устройств и/или компонентов строительного оборудования могут быть взаимосвязаны друг с другом.
Методы, установленные в EN 13309:2000, основаны на испытаниях строительных машин, проводимых с использованием испытательного оборудования, соответствующего рабочим характеристикам строительных машин рассматриваемых типов, а также на испытаниях "электрических/электронных сборочных узлов" (отдельных технических блоков строительных машин), проводимых в специальных экранированных помещениях.
Поскольку строительные машины включают в себя системы, состоящие из компонентов, которые могут применяться в различных строительных машинах, электрические/электронные сборочные узлы (отдельные технические блоки) используются при проведении испытаний на помехоустойчивость и электромагнитную эмиссию. При проведении испытаний электрических/электронных сборочных узлов необходимо учитывать влияние внутренней силовой электропроводки и кабельных соединений, используемых для соединения сборочных узлов в строительных машинах. Испытания электрических/электронных сборочных узлов могут проводиться также в составе строительных машин.
1. Область применения
Настоящий стандарт распространяется на строительные машины, оборудованные внутренними источниками электропитания переменного и/или постоянного тока (далее - машины), и электрические/электронные сборочные узлы, входящие в состав машин.
Настоящий стандарт устанавливает требования, методы испытаний и критерии приемки, относящиеся к оценке электромагнитной совместимости машин.
Требования настоящего стандарта к помехоустойчивости не применяют для электрических/электронных сборочных узлов, не используемых непосредственно для управления машиной и не оказывающих влияния на ее функционирование.
Установленные в настоящем стандарте требования и методы испытаний, применяют при:
- ограничении широкополосных и узкополосных электромагнитных помех, создаваемых машинами;
- ограничении широкополосных и узкополосных электромагнитных помех, создаваемых электрическими/электронными сборочными узлами;
- обеспечении помехоустойчивости машин при воздействии электромагнитного поля;
- обеспечении помехоустойчивости электрических/электронных сборочных узлов при воздействии электромагнитного поля;
- обеспечении помехоустойчивости машин при воздействии электростатических разрядов и переходных процессов в проводниках.
Настоящий стандарт не распространяется на машины, подключаемые к низковольтным электрическим сетям общего назначения.
2. Нормативные ссылки
В настоящем стандарте использованы нормативные ссылки на следующие стандарты:
ИС МЕГАНОРМ: примечание.
ГОСТ 14777-76 утратил силу с 1 июля 2013 года в связи с введением в действие ГОСТ Р 55055-2012 (Приказ Росстандарта от 12.11.2012 N 719-ст).
ГОСТ 14777-76 Радиопомехи индустриальные. Термины и определения
ГОСТ 30372-95 Совместимость технических средств электромагнитная. Термины и определения
ГОСТ ИСО 11451-1-2005 Транспорт дорожный. Методы испытаний транспортных средств на устойчивость к воздействию узкополосного излучения электромагнитной энергии. Часть 1. Общие положения и определения
ГОСТ ИСО 11451-2-2005 Транспорт дорожный. Методы испытаний транспортных средств на устойчивость к воздействию узкополосного излучения электромагнитной энергии. Часть 2. Источники излучения вне транспортного средства
ГОСТ ИСО 11452-1-2007 Транспорт дорожный. Методы испытаний компонентов на устойчивость к воздействию узкополосного излучения электромагнитной энергии. Часть 1. Общие положения и терминология
ГОСТ ИСО 11452-2-2007 Транспорт дорожный. Методы испытаний компонентов на устойчивость к воздействию узкополосного излучения электромагнитной энергии. Часть 2. Экранированная камера с поглощающим покрытием
ГОСТ ИСО 11452-3-2007 Транспорт дорожный. Методы испытаний компонентов на устойчивость к воздействию узкополосного излучения электромагнитной энергии. Часть 3. Камера поперечной электромагнитной волны (TEM-камера)
ГОСТ ИСО 11452-4-2007 Транспорт дорожный. Методы испытаний компонентов на устойчивость к воздействию узкополосного излучения электромагнитной энергии. Часть 4. Инжекция объемного тока
ГОСТ ИСО 11452-5-2007 Транспорт дорожный. Методы испытаний компонентов на устойчивость к воздействию узкополосного излучения электромагнитной энергии. Часть 5. Полосковая линия передачи
ГОСТ 30805.16.1.1-2013 (СИСПР 16-1-1:2006) Совместимость технических средств электромагнитная. Требования к аппаратуре для измерения параметров индустриальных радиопомех и помехоустойчивости и методы измерений. Часть 1-1. Аппаратура для измерения параметров индустриальных радиопомех и помехоустойчивости. Приборы для измерения индустриальных радиопомех
ГОСТ 30805.16.1.2-2013 (СИСПР 16-1-2:2006) Совместимость технических средств электромагнитная. Требования к аппаратуре для измерения параметров индустриальных радиопомех и помехоустойчивости и методы измерений. Часть 1-2. Аппаратура для измерения параметров индустриальных радиопомех и помехоустойчивости. Устройства для измерения кондуктивных радиопомех и испытаний на устойчивость к кондуктивным радиопомехам
ИС МЕГАНОРМ: примечание.
В официальном тексте документа, видимо, допущена опечатка: имеется в виду ГОСТ 30805.16.1.4-2013, а не ГОСТ 30805.16.1.1-2013.
ГОСТ 30805.16.1.1-2013 (СИСПР 16-1-4:2007) Совместимость технических средств электромагнитная. Требования к аппаратуре для измерения параметров индустриальных радиопомех и помехоустойчивости и методы измерений. Часть 1-4. Аппаратура для измерения параметров индустриальных радиопомех и помехоустойчивости. Устройства для измерения излучаемых радиопомех и испытаний на устойчивость к излучаемым радиопомехам
Примечание - При пользовании настоящим стандартом целесообразно проверить действие ссылочных стандартов в информационной системе общего пользования - на официальном сайте Федерального агентства по техническому регулированию и метрологии в сети Интернет или по ежегодному информационному указателю "Национальные стандарты", который опубликован по состоянию на 1 января текущего года, и по выпускам ежемесячного информационного указателя "Национальные стандарты" за текущий год. Если ссылочный стандарт заменен (изменен), то при пользовании настоящим стандартом следует руководствоваться заменяющим (измененным) стандартом. Если ссылочный стандарт отменен без замены, то положение, в котором дана ссылка на него, применяется в части, не затрагивающей эту ссылку.
3. Термины и определения
ИС МЕГАНОРМ: примечание.
ГОСТ 14777-76 утратил силу с 1 июля 2013 года в связи с введением в действие ГОСТ Р 55055-2012 (Приказ Росстандарта от 12.11.2012 N 719-ст).
В настоящем стандарте использованы термины, установленные в ГОСТ 14777, ГОСТ 30372, а также следующие термины с соответствующими определениями:
3.1 электромагнитная совместимость: Способность машины или ее части (частей), или отдельного технического блока (отдельных технических блоков) удовлетворительно функционировать в своей электромагнитной обстановке, не создавая недопустимых электромагнитных помех другим устройствам в данной обстановке.
3.2 электромагнитная помеха: Любое электромагнитное явление, которое может ухудшить функционирование машины или ее части (частей), или отдельного технического блока (отдельных технических блоков).
Примечание - Электромагнитная помеха может представлять собой электромагнитный шум, нежелательный сигнал или изменение среды распространения сигнала.
3.3 устойчивость к электромагнитной помехе; помехоустойчивость: Способность машины или ее части (частей), или отдельного технического блока (отдельных технических блоков) функционировать без ухудшения качества при наличии электромагнитных помех.
3.4 электромагнитная обстановка: Совокупность электромагнитных явлений, существующих в данном месте.
3.5 контрольный предельный уровень: Предельное значение электромагнитных помех/устойчивости к электромагнитным помехам, при котором машина соответствует требованиям к электромагнитной совместимости.
3.6 опорная антенна в полосе частот от 30 до 80 МГц: Укороченный линейный симметричный вибратор, размер которого равен длине полуволнового симметричного вибратора на частоте 80 МГц (см. ГОСТ 30805.16.1.1).
3.7 опорная антенна в полосе частот свыше 80 МГц: Полуволновый симметричный вибратор, настроенный на частоту измерений (см. ГОСТ 30805.16.1.1).
3.8 широкополосная электромагнитная помеха: Электромагнитная помеха, ширина полосы частот которой больше, чем у конкретного измерительного прибора или приемника.
3.9 узкополосная электромагнитная помеха: Электромагнитная помеха, ширина полосы частот которой меньше, чем у конкретного измерительного прибора или приемника.
3.10 электрическая/электронная система: Электрическое и/или электронное изделие или совокупность изделий с соответствующими электрическими соединениями, предназначенные для использования в качестве части машины.
3.11 электрический/электронный сборочный узел: Электрическое и/или электронное изделие или совокупность изделий с соответствующими электрическими соединениями, предназначенные для использования в качестве части машины, выполняющие одну или несколько специализированных функций.
3.12 тип машины: Машина, относящаяся к совокупности машин, к которым установлены требования, не имеющие существенных отличий в отношении:
- конструкции;
- общего расположения электрических/электронных частей и общего расположения электропроводки;
- основных материалов, используемых в машине (например, сталь, алюминий или стекловолокно покрытий деталей).
3.13 тип электрического/электронного сборочного узла: Электрический/электронный сборочный узел, относящийся к совокупности электрических/электронных сборочных узлов, к которым установлены требования, не имеющие существенных отличий в отношении:
- выполняемых функций;
- расположения электрических и/или электронных элементов (при наличии);
- основных материалов корпуса.
3.14 электростатический разряд; ЭСР: Перенос электрического заряда между телами, электростатические потенциалы которых отличаются друг от друга, при их сближении или непосредственном контакте.
3.15 кондуктивный переходный процесс: Напряжение или ток переходного процесса, возникающие в проводке машины или ее части, или отдельного технического блока.
4. Требования
Применение на добровольной основе подраздела 4.1 обеспечивает соблюдение требований технического регламента Таможенного союза "Электромагнитная совместимость технических средств" (ТР ТС 020/2011) (Решение Комиссии Таможенного союза от 09.12.2011 N 879).
4.1. Общие требования
4.1.1 Выполнение требований
В разделе 4 настоящего стандарта установлены требования, которым должны соответствовать машины и относящиеся к ним электронные системы, части или сборочные узлы, применяемые в соответствии с назначением.
В зависимости от выбора изготовителя машины возможны следующие способы проверки соответствия требованиям настоящего стандарта.
Требования настоящего стандарта считают выполненными, если:
a) выполнены требования 4.2 - 4.4 (если применимы). Если изготовитель машины выбрал данный способ проверки соответствия, испытания электрических/электронных систем, частей или сборочных узлов не проводят;
b) изготовитель машины подтвердил, что все электрические/электронные системы, части или сборочные узлы соответствуют требованиям 4.5 - 4.9 и установлены в машине в соответствии с условиями установки и монтажа электрических/электронных частей или сборочных узлов;
c) машина не имеет оборудования, для которого необходимы испытания на помехоустойчивость. В этом случае в испытаниях на помехоустойчивость, установленных настоящим стандартом, нет необходимости (см. раздел 5).
4.1.2 Образец для испытаний
Образец для испытаний выбирают в соответствии с определениями, приведенными в 3.11 и/или 3.12. Для каждого метода испытаний установлены контрольные предельные уровни, которым должны соответствовать машины и электрические/электронные сборочные узлы.
Поскольку испытания образца проводят для оценки соответствия характеристик семейства одинаковых машин, для образцов должны быть установлены более жесткие контрольные предельные уровни. В частности, контрольные предельные уровни электромагнитных помех, создаваемых образцом для испытаний, должны быть уменьшены на 20%, а контрольные предельные уровни помехоустойчивости - увеличены на 25%, с тем чтобы учесть непостоянство значений помех и помехоустойчивости с учетом отклонений производственного процесса при изготовлении типов машин или типов электрических/электронных сборочных узлов и изменения факторов, влияющих на результаты испытаний. При последующих испытаниях одинаковых образцов соответствие контрольным предельным уровням должно рассматриваться как выполнение требований настоящего стандарта. Для электростатических разрядов и кондуктивных переходных процессов контрольные предельные уровни остаются действующими для всех испытаний образцов.
4.1.3 Дополнительные требования к испытаниям на помехоустойчивость
Считают, что образец для испытаний соответствует требованиям к помехоустойчивости, установленным в настоящем стандарте, если при проведении испытаний органы управления пульта оператора и автоматические органы управления машин, а также любые устройства или механизмы нормально функционируют, обеспечивая непрерывное управление машиной. Данное требование распространяется также на дополнительные системы, которые должны функционировать при выходе из строя основных органов управления.
4.2. Технические требования, относящиеся к широкополосным электромагнитным помехам, создаваемым машинами
Применение на добровольной основе пунктов 4.2.1 и 4.2.2 обеспечивает соблюдение требований технического регламента Таможенного союза "Электромагнитная совместимость технических средств" (ТР ТС 020/2011) (Решение Комиссии Таможенного союза от 09.12.2011 N 879).
4.2.1 Метод измерений
Измерения электромагнитных помех следует проводить с использованием метода, приведенного в приложении B, при любом из двух установленных расстояний от машины до измерительной антенны.
4.2.2 Контрольные предельные уровни широкополосных электромагнитных помех
В настоящем стандарте контрольные предельные уровни электромагнитных помех установлены в дБ (исх. 1 мкВ/м) (мкВ/м) [далее вместо дБ (исх. 1 мкВ/м) (мкВ/м) применяется дБ (1 мкВ/м) (мкВ/м)].
Если измерения проводят с использованием метода, приведенного в приложении B, при расстоянии от машины до антенны (10 +/- 0,2) м, контрольные предельные уровни должны быть равны: 34 дБ (1 мкВ/м) (50 мкВ/м) в полосе частот от 30 до 75 МГц и от 34 до 45 дБ (1 мкВ/м) (от 50 до 180 мкВ/м) - в полосе частот от 75 до 400 МГц. Эти уровни увеличиваются логарифмически (линейно) при частотах свыше 75 МГц, как показано на рисунке A.1 (см. приложение A). В полосе частот от 400 до 1000 МГц контрольный предельный уровень помех остается постоянным и равным 45 дБ (1 мкВ/м) (180 мкВ/м).
Если измерения проводят с использованием метода, приведенного в приложении B, при расстоянии от машины до антенны (3 +/- 0,05) м, контрольные предельные уровни должны быть равны 44 дБ (1 мкВ/м) (160 мкВ/м) в полосе частот от 30 до 75 МГц и от 44 до 55 дБ (1 мкВ/м) (от 160 до 562 мкВ/м) - в полосе частот от 75 до 400 МГц. Эти уровни увеличиваются логарифмически (линейно) при частотах свыше 75 МГц, как показано на рисунке A.2 (см. приложение A). При частотах от 400 до 1000 МГц контрольный предельный уровень помех остается постоянным и равным 55 дБ (1 мкВ/м) (562 мкВ/м).
Результаты измерений испытуемого образца, выраженные в дБ (1 мкВ/м) (мкВ/м), должны быть не менее чем на 2 дБ (20%) ниже контрольных предельных уровней помех.
4.3. Технические требования, относящиеся к узкополосным электромагнитным помехам, создаваемым машинами
Применение на добровольной основе пунктов 4.3.1 и 4.3.2 обеспечивает соблюдение требований технического регламента Таможенного союза "Электромагнитная совместимость технических средств" (ТР ТС 020/2011) (Решение Комиссии Таможенного союза от 09.12.2011 N 879).
4.3.1 Метод измерений
Измерения электромагнитных помех следует проводить с использованием метода, приведенного в приложении C, при любом из двух установленных расстояний от машины до измерительной антенны по выбору пользователя настоящего стандарта.
4.3.2 Контрольные предельные уровни узкополосных электромагнитных помех
Если измерения проводят с использованием метода, приведенного в приложении C, при расстоянии от машины до антенны (10 +/- 0,2) м контрольные предельные уровни должны быть равны 24 дБ (1 мкВ/м) (16 мкВ/м) в полосе частот от 30 до 75 МГц и от 24 до 35 дБ (1 мкВ/м) (от 16 до 56 мкВ/м) - в полосе частот от 75 до 400 МГц. Эти уровни увеличиваются логарифмически (линейно) при частотах свыше 75 МГц, как показано на рисунке A.3 (см. приложение A). В полосе частот от 400 до 1000 МГц контрольный предельный уровень помех остается постоянным и равным 35 дБ (1 мкВ/м) (56 мкВ/м).
Если измерения проводят с использованием метода, приведенного в приложении C, при расстоянии от машины до антенны (3 +/- 0,05) м, контрольные предельные уровни должны быть равны 34 дБ (1 мкВ/м) (50 мкВ/м) в полосе частот от 30 до 75 МГц и от 34 до 45 дБ (1 мкВ/м) (от 50 до 180 мкВ/м) - в полосе частот от 75 до 400 МГц. Эти уровни увеличиваются логарифмически (линейно) при частотах свыше 75 МГц, как показано на рисунке A.4 (см. приложение A). При частотах от 400 до 1000 МГц контрольный предельный уровень помех остается постоянным и равным 45 дБ (1 мкВ/м) (180 мкВ/м).
Результаты измерений испытуемого образца, выраженные в дБ (1 мкВ/м) (мкВ/м), должны быть не менее чем на 2 дБ (20%) ниже контрольных предельных уровней помех.
4.4. Технические требования, относящиеся к помехоустойчивости машин при воздействии электромагнитного поля
Применение на добровольной основе пунктов 4.4.1 и 4.4.2 обеспечивает соблюдение требований технического регламента Таможенного союза "Электромагнитная совместимость технических средств" (ТР ТС 020/2011) (Решение Комиссии Таможенного союза от 09.12.2011 N 879).
4.4.1 Метод испытаний
Испытания машин на помехоустойчивость при воздействии электромагнитного излучения должны проводиться методами по ГОСТ ИСО 11451-1 и ГОСТ ИСО 11451-2.
Рабочие режимы функционирования при испытаниях устанавливают отдельно для каждой машины, что должно быть отражено в протоколе испытаний. Применяемый метод контроля предельно допустимых уровней помехоустойчивости указывают в отчете об испытаниях, при этом допускается использование мощности прямой волны для контроля независимо от коэффициента стоячей волны системы. Испытания проводят в полосе частот от 20 до 1000 МГц при амплитудной модуляции испытательного электромагнитного поля синусоидальным сигналом частотой 1 кГц при глубине модуляции 80% (см. ГОСТ ИСО 11451-1). Применяют вертикальную либо горизонтальную поляризацию, исходя из условия создания наиболее интенсивных помех, что должно быть отражено в протоколе испытаний.
4.4.2 Контрольный предельный уровень помехоустойчивости машин
Контрольный предельный уровень должен быть 24 В/м (среднеквадратичное значение напряженности немодулированного испытательного электромагнитного поля) в полосе частот от 20 до 1000 МГц. Пиковое значение напряженности испытательного поля при амплитудной модуляции должно быть равно пиковому значению напряженности немодулированного испытательного поля, соответствующего установленному контрольному предельному уровню. По отношению к испытуемому образцу применяют предельный уровень, увеличенный на 25%. Должны быть выполнены также общие ограничения при испытаниях на помехоустойчивость, установленные в 4.1.3.
4.5. Технические требования, относящиеся к широкополосным электромагнитным помехам, создаваемым электрическими/электронными сборочными узлами
Применение на добровольной основе пунктов 4.5.1, 4.5.2, 4.6.1, 4.6.2 обеспечивает соблюдение требований технического регламента Таможенного союза "Электромагнитная совместимость технических средств" (ТР ТС 020/2011) (Решение Комиссии Таможенного союза от 09.12.2011 N 879).
4.5.1 Метод измерений
Измерения электромагнитных помех следует проводить с использованием метода, указанного в приложении D.
4.5.2 Контрольные предельные уровни широкополосных электромагнитных помех
Если измерения проводят с использованием метода, приведенного в приложении D, контрольные предельные уровни помех в полосе частот от 30 до 75 МГц логарифмически (линейно) уменьшаются от 64 до 54 дБ (1 мкВ/м) (1600 - 500 мкВ/м); в полосе от 75 до 400 МГц они логарифмически (линейно) увеличиваются от 54 до 65 дБ (1 мкВ/м) (500 - 1800 мкВ/м), как показано на рисунке A.5 (см. приложение A). В полосе от 400 до 1000 МГц контрольный предельный уровень помех остается постоянным и равным 65 дБ (1 мкВ/м) (1800 мкВ/м).
Результаты измерений испытуемых образцов, выраженные в дБ (1 мкВ/м) (мкВ/м), должны быть не менее чем на 2 дБ (20%) ниже контрольных предельных уровней помех.
4.6. Технические требования, относящиеся к узкополосным электромагнитным помехам, создаваемым электрическими/электронными сборочными узлами
4.6.1 Метод измерений
Измерения электромагнитных помех следует проводить с использованием метода, приведенного в приложении E.
4.6.2 Контрольные предельные уровни узкополосных электромагнитных помех
Если измерения проводят с использованием метода, приведенного в приложении E, контрольные предельные уровни помех в полосе частот от 30 до 75 МГц логарифмически (линейно) уменьшаются от 54 до 44 дБ (1 мкВ/м) (500 - 160 мкВ/м); в полосе частот от 75 до 400 МГц они логарифмически (линейно) увеличиваются от 44 до 55 дБ (1 мкВ/м) (160 - 562 мкВ/м), как показано на рисунке A.6 (приложение A). В полосе частот от 400 до 1000 МГц контрольный предельный уровень помех остается постоянным и равным 55 дБ (1 мкВ/м) (562 мкВ/м).
Результаты измерений испытуемых образцов, выраженные в дБ (1 мкВ/м) (мкВ/м), должны быть не менее чем на 2 дБ (20%) ниже контрольных предельных уровней помех.
4.7. Технические требования, относящиеся к помехоустойчивости электрических/электронных сборочных узлов при воздействии электромагнитного поля
Применение на добровольной основе пунктов 4.7.1 и 4.7.2 обеспечивает соблюдение требований технического регламента Таможенного союза "Электромагнитная совместимость технических средств" (ТР ТС 020/2011) (Решение Комиссии Таможенного союза от 09.12.2011 N 879).
4.7.1 Методы испытаний
Испытания электрических/электронных сборочных узлов на устойчивость к электромагнитному полю допускается проводить с применением любого метода испытаний, установленного в ГОСТ ИСО 11452-2, ГОСТ ИСО 11452-3, ГОСТ ИСО 11452-4 или ГОСТ ИСО 11452-5.
Выбранные методы испытаний должны обеспечивать перекрытие полосы частот испытательного электромагнитного поля от 20 до 1000 МГц.
Следует использовать метод замещения и амплитудную модуляцию глубиной 80% синусоидальным сигналом частотой 1 кГц (см. ГОСТ ИСО 11452-1). Применяемый метод контроля предельно допустимых уровней помехоустойчивости указывают в отчете об испытаниях. Если испытания проводят в экранированной безэховой камере, то мощность прямой волны может быть использована для контроля независимо от коэффициента стоячей волны системы. Используемый метод испытаний должен быть отражен в протоколе испытаний.
4.7.2 Контрольные предельные уровни помехоустойчивости электрических/электронных сборочных узлов
При проведении испытаний в соответствии с ГОСТ ИСО 11452-1, ГОСТ ИСО 11452-2, ГОСТ ИСО 11452-3, ГОСТ ИСО 11452-4, ГОСТ ИСО 11452-5 контрольные предельные уровни помехоустойчивости в полосе 20 - 1000 МГц должны быть:
48 В/м - при использовании метода испытаний с применением полосковой линии (см. ГОСТ ИСО 11452-5);
60 В/м - при использовании метода испытаний с применением камеры с поперечными электромагнитными колебаниями (TEM-камеры) (см. ГОСТ ИСО 11452-3);
48 мА - при использовании метода инжекции тока (см. ГОСТ ИСО 11452-4);
24 В/м - при использовании метода испытаний в безэховой камере с радиопоглощающим материалом при воздействии излучаемого испытательного электромагнитного поля (только при вертикальной поляризации) (см. ГОСТ ИСО 11452-2).
Во всех испытаниях должен применяться класс функциональных состояний A (см. ГОСТ ИСО 11452-1). По отношению к испытуемому образцу применяют предельный уровень, увеличенный на 25%. Пиковое значение напряженности испытательного поля при амплитудной модуляции должно быть равным пиковому значению напряженности немодулированного испытательного поля, соответствующего установленному контрольному предельному уровню. Должны быть выполнены также общие ограничения при испытаниях на помехоустойчивость, установленные в 4.1.3. При испытаниях не допускаются изменения рабочих характеристик электрических и электронных сборочных узлов, препятствующие их использованию в машине.
4.8. Электростатические разряды
Применение на добровольной основе пунктов 4.8.1, 4.8.2, 4.9.1, 4.9.2 обеспечивает соблюдение требований технического регламента Таможенного союза "Электромагнитная совместимость технических средств" (ТР ТС 020/2011) (Решение Комиссии Таможенного союза от 09.12.2011 N 879).
4.8.1 Методы испытаний
При испытаниях применяют метод, установленный в [1] <1>. Испытаниям подвергают машины или электрические/электронные сборочные узлы, применяемые в зонах, где возможно возникновение электростатических разрядов в условиях обычного применения (например при прикосновении оператора).
--------------------------------
<1> Межгосударственный стандарт находится в разработке.
4.8.2 Контрольные предельные уровни устойчивости к электростатическим разрядам
Испытательное напряжение при контактном и воздушном разрядах должно составлять +/- 4 кВ (степень жесткости испытаний 1). При испытаниях применяют требования функционального класса A в соответствии с [1].
4.9. Кондуктивные переходные процессы
4.9.1 Методы испытаний
Испытания проводят методом, установленным в [2] <2>, [3] <2>.
--------------------------------
<2> Межгосударственный стандарт находится в разработке.
4.9.2 Контрольные предельные уровни устойчивости к переходным процессам
При испытаниях применяют испытательные импульсы при степени жесткости испытаний 1 и требованиях функционального класса A в соответствии с [2], [3]. Сведения о применимости различных испытательных импульсов в бортовых электрических сетях напряжением 12 и 24 В приведены в таблице 1.
Таблица 1
Испытательные импульсы в бортовых электрических сетях
напряжением 12 и 24 В
Испытательный импульс
Предельно допустимое значение, В, для бортовых электрических сетей напряжением
Применение
12 В
24 В
1a
-25
-50
Испытательный импульс моделирует переходные процессы, которые возникают при отключении параллельных индуктивных нагрузок. Применяется к испытуемым устройствам, которые подключаются к бортовой сети таким образом, чтобы при отключении индуктивной нагрузки они остались параллельно подключенными
2
+25
+25
Испытательный импульс моделирует переходные процессы, которые вызваны внезапным прерыванием тока, подаваемого индуктивным источником в бортовую сеть
3a
3b
-25
+25
-35
+35
Испытательные импульсы моделируют пиковые значения напряжений, которые возникают при коммутационных процессах. На параметры этих импульсов оказывают влияние значения распределенных емкостей и индуктивности бортовой сети
4
-4
-5
Испытательный импульс моделирует посадку напряжения питания, которая вызывается включением стартера двигателя внутреннего сгорания (пульсации при прокручивании стартера не учитываются)
5
+26,5
+70
Испытательный импульс моделирует переходный процесс при режиме сброса нагрузки, а также размыкании аккумуляторной батареи в то время, когда от генератора все еще продолжается подача зарядного тока, а другая нагрузка остается в цепи генератора. Амплитуда переходного процесса зависит от числа оборотов и тока возбуждения генератора в момент размыкания батареи. Продолжительность переходного процесса определяют, главным образом, постоянной времени цепи возбуждения и амплитудой импульса
5. Исключения
При выполнении требований, установленных в разделе 4 настоящего стандарта, действуют следующие исключения:
a) считают, что машина, электрическая/электронная система или электрический/электронный сборочный узел испытания соответствуют требованиям 4.3 и 4.6, если данная машина, электрическая/электронная система или электрический/электронный сборочный узел не включают в себя электронных схем тактовой частотой свыше 9 кГц;
b) не проводят испытаний на помехоустойчивость в соответствии с 4.4 и 4.8 машин, не имеющих электрических/электронных систем или электрических/электронных сборочных узлов, применяемых для непосредственного управления и изменения характера функционирования машины;
c) не проводят испытаний на помехоустойчивость в соответствии с 4.7 и 4.8 электрических/электронных сборочных узлов, в функции которых не входят непосредственное управление и изменение характера функционирования машины;
d) если машина не имеет средств соединения с внешними электрическими/электронными системами, испытания на устойчивость к кондуктивным переходным процессам в соответствии с 4.8 не проводят;
e) специальные испытания, относящиеся к радиопередатчикам или радиотелефонам, не проводят. Каждый изготовитель машин должен указать в комплекте инструкций меры предосторожности, если они необходимы, при установке и работе радиопередатчиков и радиотелефонов внутри машины;
f) считают, что системы, состоящие только из электромеханических частей, соответствуют требованиям к помехоустойчивости, установленным в настоящем стандарте.
6. Протокол испытаний
В протокол испытаний рекомендуется включать следующую информацию:
6.1 Описание образца для испытаний в соответствии с определениями, приведенными в 3.11 или 3.12 [идентификация модели машины или электрического/электронного сборочного узла, или отдельного технического блока (отдельных технических блоков)].
6.2 Описание или классификация испытательного оборудования или места проведения испытаний.
6.3 Описание средств измерений и указание стандартов, которым соответствуют приборы.
6.4 Уровень широкополосных электромагнитных помех в соответствии с 4.2.2.
6.5 Уровень широкополосных электромагнитных помех в соответствии с 4.3.2.
6.6 Идентификацию нарушений функционирования машины при контрольном предельном уровне помехоустойчивости в соответствии с 4.4.2.
6.7 Уровень широкополосных электромагнитных помех в соответствии с 4.5.2.
6.8 Уровень узкополосных электромагнитных помех в соответствии с 4.6.2.
6.9 Идентификацию нарушений функционирования электрических/электронных сборочных узлов, что может повлиять на управление машиной, в соответствии с 4.7.2.
6.10 Идентификацию компонентов, не отвечающих требованиям 4.8.2.
6.11 Идентификацию компонентов, не отвечающих требованиям 4.9.2.
Приложение A
(обязательное)
КОНТРОЛЬНЫЕ ПРЕДЕЛЬНЫЕ УРОВНИ ЭЛЕКТРОМАГНИТНЫХ ПОМЕХ
Контрольные предельные уровни широкополосных и узкополосных электромагнитных помех приведены на рисунках A.1 - A.6.
Рисунок A.1 - Контрольные предельные уровни
широкополосных электромагнитных помех, создаваемых
машинами (расстояние от машины до антенны 10 м)
Рисунок A.2 - Контрольные предельные уровни
широкополосных электромагнитных помех, создаваемых
машинами (расстояние от машины до антенны 3 м)
Примечание - Если измеренные значения узкополосных электромагнитных помех превышают контрольные предельные уровни, анализ и оценку пиковых значений помех проводят с использованием метода установления соответствия излучаемых и кондуктивных помех (см. [4]).
Рисунок A.3 - Контрольные предельные уровни узкополосных
электромагнитных помех, создаваемых машинами
(расстояние от машины до антенны 10 м)
Примечание - Если измеренные значения узкополосных электромагнитных помех превышают контрольные предельные уровни, анализ и оценку пиковых значений помех проводят с использованием метода установления соответствия излучаемых и кондуктивных помех (см. [4]).
Рисунок A.4 - Контрольные предельные уровни узкополосных
электромагнитных помех, создаваемых машинами
(расстояние от машины до антенны 3 м)
Рисунок A.5 - Контрольные предельные уровни
широкополосных электромагнитных помех, создаваемых
электрическими/электронными сборочными узлами
Примечание - Если измеренные значения узкополосных электромагнитных помех превышают контрольные предельные уровни, анализ и оценку пиковых значений помех проводят с использованием метода установления соответствия излучаемых и кондуктивных помех (см. [4]).
Рисунок A.6 - Контрольные предельные уровни
узкополосных электромагнитных помех, создаваемых
электрическими/электронными сборочными узлами
Приложение B
(обязательное)
МЕТОД ИЗМЕРЕНИЙ ШИРОКОПОЛОСНЫХ ЭЛЕКТРОМАГНИТНЫХ ПОМЕХ,
СОЗДАВАЕМЫХ МАШИНАМИ
B.1 Общие положения
B.1.1 Применение
Метод испытаний, приведенный в настоящем приложении, применяют только для машин.
B.1.2 Измерительные приборы
Измерительные приборы должны соответствовать требованиям ГОСТ 30805.16.1.1 и ГОСТ 30805.16.1.4.
При измерениях широкополосных электромагнитных помех следует использовать квазипиковый детектор. Возможно использование пикового детектора с применением соответствующего поправочного коэффициента (см. B.6 и [5]).
B.1.3 Метод измерений
Данный метод предназначен для измерения широкополосных электромагнитных помех, создаваемых машинами. Допускаются два значения расстояния между измерительной антенной и машиной - 10 и 3 м. При этом должны быть выполнены требования, установленные в B.2.
B.2 Результаты измерений
Результаты измерений должны быть выражены в дБ (1 мкВ/м) (мкВ/м) при ширине полосы пропускания измерительного прибора 120 кГц. Если фактическая ширина полосы пропускания B (выраженная в килогерцах) отличается от 120 кГц, показания следует преобразовать к ширине полосы 120 кГц путем умножения на коэффициент 120/B.
B.3 Место проведения измерений
B.3.1 Открытая измерительная площадка
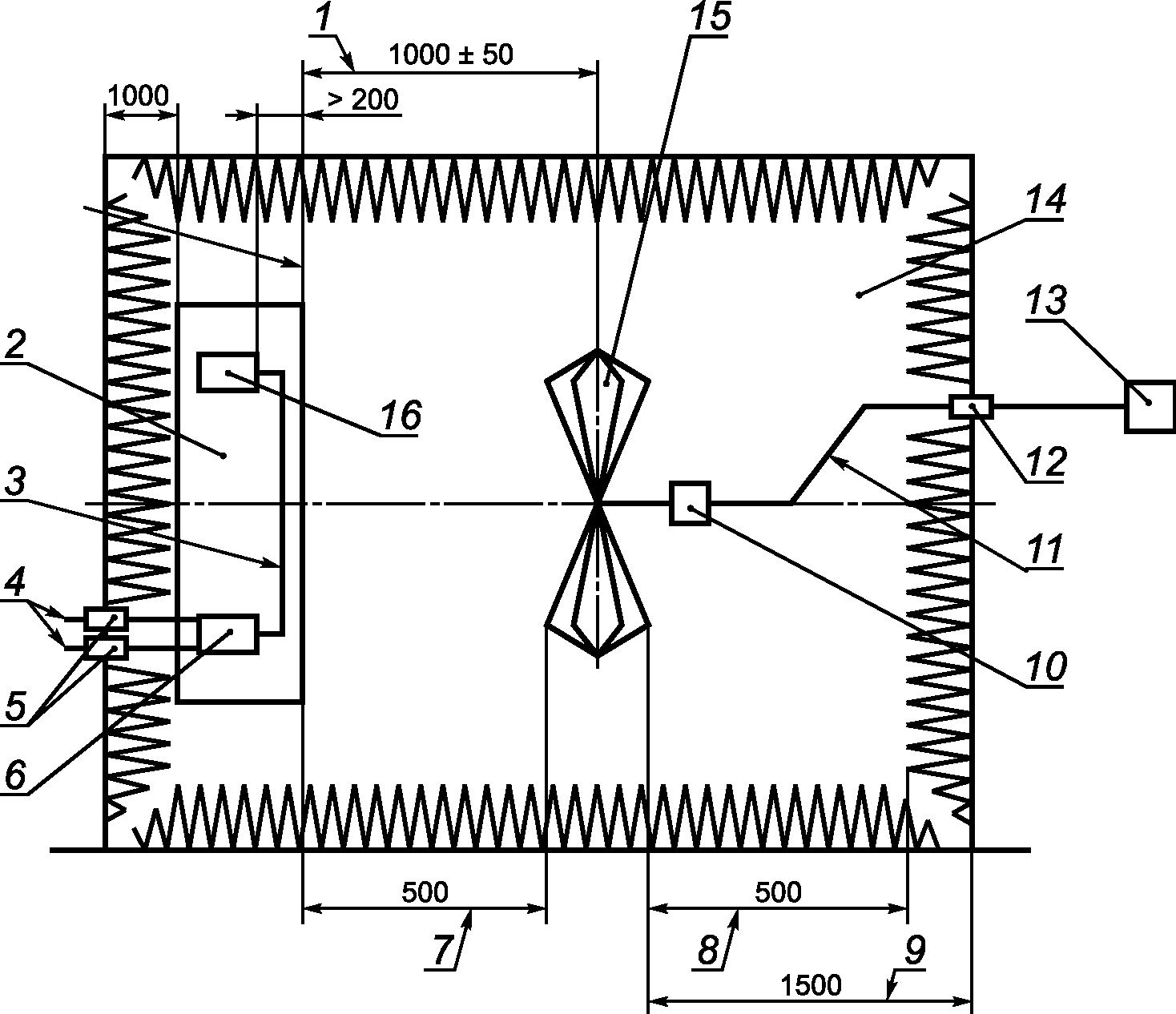
Открытая измерительная площадка должна представлять собой зону, свободную от предметов, отражающих электромагнитную энергию, в пределах окружности радиусом не менее 30 м, с центром в средней точке расстояния между машиной и антенной (см. рисунок B.1).
B.3.2 Измерительное оборудование
Испытательную станцию или передвижной пункт, в котором располагаются измерительные приборы, допускается размещать в пределах измерительной площадки, но только в допустимой зоне, показанной на рисунке B.1. В пределах зоны испытаний допускается размещать другие измерительные антенны на минимальном расстоянии 10 м от измерительной антенны и испытуемой машины, при отсутствии их влияния на результаты испытаний.
B.3.3 Безэховая экранированная камера
Безэховую камеру используют в случае, если полученные результаты коррелируются с результатами, получаемыми на открытой измерительной площадке. Соответствие безэховой камеры размерам, приведенным на рисунке B.1, не является обязательным, за исключением требований к расстоянию между машиной и антенной и к высоте антенны (см. рисунки B.1 и B.2). Проверка уровней посторонних радиопомех до испытаний и после них, как указано в B.3.4, также не является обязательной.
B.3.4 Внешние радиопомехи
Для проверки отсутствия внешних радиопомех или сигналов, имеющих уровни, достаточные для оказания заметного влияния на результаты измерений, проводят измерения внешних радиопомех до основных испытаний и после них. Если во время проведения измерений внешних радиопомех на площадке присутствует испытуемая машина, необходимо принять меры (например, перемещение машины из зоны испытаний, удаления ключа зажигания или отсоединения батарей), гарантирующие, чтобы какое-либо излучение от машины существенно не повлияло на результаты измерения внешних радиопомех. Внешние радиопомехи или сигналы при проведении измерений на расстояниях 10 и 3 м должны иметь уровень менее чем на 10 дБ ниже контрольных предельных уровней, указанных в 4.2.2 (за исключением преднамеренной передачи узкополосных радиосигналов в окружающем пространстве).
B.4 Состояние машины во время проведения испытаний
B.4.1 Общие положения
Во время испытаний должны быть включены все постоянно используемые источники широкополосных помех.
Если машина оборудована двигателем, он должен работать при нормальной рабочей температуре и при нейтральном положении рычага переключения передач. Следует принять меры, исключающие влияние механизма регулировки скорости на электромагнитные помехи. В течение каждого измерения частота вращения вала двигателя должна быть, как показано в таблице B.1.
Таблица B.1
Частота вращения вала двигателя в течение испытаний
Тип двигателя
Частота вращения вала двигателя, об/мин, при методе измерений
квазипиковым детектором
пиковым детектором
Искровое зажигание
Один цилиндр
2500 +/- 250
2500 +/- 250
Несколько цилиндров
1500 +/- 150
1500 +/- 150
Дизельный двигатель
Соответствующая нормальной производительности машины +/- 10%
B.4.2 Погодные условия при проведении испытаний
Во время дождя или других осадков, попадающих на машину, или в течение 10 мин после окончания выпадения таких осадков измерения не проводят.
B.5 Тип, положение и ориентация антенны
B.5.1 Тип антенны
При измерениях используют симметричный вибратор по ГОСТ 30805.16.1.4. Допускается использовать широкополосные антенны по ГОСТ 30805.16.1.4.
B.5.2 Высота антенны и измерительное расстояние
B.5.2.1 Высота
B.5.2.1.1 Испытания на расстоянии 10 м
Фазовый центр антенны должен располагаться на высоте (3 +/- 0,05) м над поверхностью, на которой располагается машина.
B.5.2.1.2 Испытания на расстоянии 3 м
Фазовый центр антенны должен находиться на высоте (1,8 +/- 0,05) м над поверхностью, на которой располагается машина.
B.5.2.1.3 Местоположение антенны
Ни одна часть принимающих элементов антенны не должна находиться ближе 0,25 м от поверхности, на которой располагается машина.
B.5.2.2 Измерительное расстояние
B.5.2.2.1 Испытания на расстоянии 10 м
Антенну располагают на расстоянии (10,0 +/- 0,2) м по горизонтали от ближайшей металлической части корпуса машины.
B.5.2.2.2 Испытания на расстоянии 3 м
Антенну располагают на расстоянии (3 +/- 0,05) м по горизонтали от ближайшей металлической части корпуса машины.
B.5.2.2.3 Местоположение антенны в безэховой экранированной камере
Если испытания проводят в безэховой экранированной камере, принимающие элементы антенны не должны находиться ближе 1 м от любого поглощающего радиоволны материала и ближе 1,5 м - от стенки камеры. Радиопоглощающий материал не должен находиться между приемной антенной и испытуемой машиной.
B.5.3 Ориентация антенны
Антенну последовательно устанавливают с левой и правой сторон машины, параллельно плоскости продольной симметрии машины и на одной линии со средней точкой двигателя или машины, если двигатель отсутствует (см. рисунок B.2).
B.5.4 Поляризация
В каждой точке измерений снимают показания измерительного прибора при вертикальной и горизонтальной поляризациях антенны (см. рисунок B.2).
B.5.5 Показания
На каждой частоте измерений необходимо снимать четыре показания измерительного прибора с учетом B.5.3 и B.5.4. При подтверждении соответствия учитывают максимальное значение на частоте измерений.
B.6 Частоты
Измерения необходимо проводить в полосе частот от 30 до 1000 МГц. Минимальное время сканирования должно соответствовать требованиям [5]. В случае превышения в ходе испытаний установленных предельных уровней необходимо убедиться, что указанное превышение связано с электромагнитными помехами, создаваемыми машиной, а не с внешними радиопомехами.
Измерения могут быть проведены с использованием квазипикового или пикового детекторов. Контрольные предельные уровни, приведенные в 4.2, относятся к измерениям с использованием квазипикового детектора. При применении пикового детектора следует прибавлять к измеренным значениям 38 дБ для ширины полосы пропускания 1 МГц или вычесть значение 22 дБ для ширины полосы пропускания 1 кГц.
Размеры в метрах
1 - машина; 2 - центр свободной области посередине
между антенной и машиной; 3 - антенна; 4 - допустимая зона
расположения испытательной станции или передвижного пункта,
в котором располагаются измерительные приборы
Рисунок B.1 - Открытая измерительная площадка
Размеры в метрах
a) Положение симметричной дипольной антенны
для измерения вертикальной компоненты излучения
b) Положение симметричной вибраторной антенны для измерения
горизонтальной компоненты излучения
A - машина
Рисунок B.2 - Расположение антенны
относительно машины при измерениях
Приложение C
(обязательное)
МЕТОД ИЗМЕРЕНИЙ УЗКОПОЛОСНЫХ ЭЛЕКТРОМАГНИТНЫХ ПОМЕХ,
СОЗДАВАЕМЫХ МАШИНАМИ
C.1 Общие положения
C.1.1 Применение
Метод испытаний, приведенный в настоящем приложении, применяют только для машин.
C.1.2 Измерительные приборы
Измерительные приборы должны соответствовать требованиям ГОСТ 30805.16.1.1 и ГОСТ 30805.16.1.4.
При измерениях узкополосных электромагнитных помех следует использовать пиковый детектор или детектор средних значений.
C.1.3 Метод измерений
Данный метод предназначен для измерения узкополосных электромагнитных помех, которые могут возникать, например, в системах с использованием микропроцессоров или других источников узкополосных излучений. Допускаются два значения расстояния между измерительной антенной и машиной - 10 и 3 м. При этом должны быть выполнены требования, установленные в C.3.
C.2 Результаты измерений
Результаты измерений должны быть выражены в дБ (1 мкВ/м) или мкВ/м.
C.3 Место проведения измерений
C.3.1 Открытая измерительная площадка
Открытая измерительная площадка должна представлять собой зону, свободную от предметов, отражающих электромагнитную энергию, в пределах окружности радиусом не менее 30 м, с центром в средней точке расстояния между машиной и антенной (см. приложение B, рисунок B.1).
C.3.2 Измерительное оборудование
Испытательную станцию или передвижной пункт, в котором располагаются измерительные приборы, допускается размещать в пределах измерительной площадки, но только в допустимой зоне, показанной на рисунке B.1. В пределах зоны испытаний допускается размещать другие измерительные антенны на минимальном расстоянии 10 м от измерительной антенны и испытуемой машины, при отсутствии их влияния на результаты испытаний.
C.3.3 Безэховая экранированная камера
Безэховую камеру используют в случае, если полученные результаты коррелируются с результатами, получаемыми на открытой измерительной площадке. Соответствие безэховой камеры размерам, приведенным на рисунке B.1, не является обязательным, за исключением требований к расстоянию между машиной и антенной и к высоте антенны (см. приложение B, рисунки B.1 и B.2). Проверка уровней посторонних радиопомех до испытаний и после них, как указано в C.3.4, также не является обязательной.
C.3.4 Внешние радиопомехи
Для проверки отсутствия внешних радиопомех или сигналов, имеющих уровни, достаточные для оказания заметного влияния на результаты измерений, проводят измерения внешних радиопомех до основных испытаний и после них. Если во время проведения измерений внешних радиопомех на площадке присутствует испытуемая машина, необходимо принять меры (например перемещение машины из зоны испытаний, удаление ключа зажигания или отсоединения батарей), гарантирующие, чтобы какое-либо излучение от машины существенно не повлияло на результаты измерения внешних радиопомех. Внешние радиопомехи или сигналы при проведении измерений на расстояниях 10 и 3 м должны иметь уровень менее чем на 10 дБ ниже контрольных предельных уровней, указанных в 4.2.2 (за исключением преднамеренной передачи узкополосных радиосигналов в окружающем пространстве).
C.4 Состояние машины во время проведения испытаний
C.4.1 Электронные системы машины
Все электронные системы машины должны нормально функционировать в рабочем режиме. Машина должна быть неподвижной.
C.4.2 Органы управления машины
Орган управления зажиганием (орган управления работой двигателя) должен быть включен. Двигатель не должен работать.
C.4.3 Погодные условия при проведении испытаний
Во время дождя или других осадков, попадающих на машину, или в течение 10 мин после окончания выпадения таких осадков измерения не проводят.
C.5 Тип, положение и ориентация антенны
C.5.1 Тип антенны
При измерениях используют симметричный вибратор по ГОСТ 30805.16.1.4. Допускается использовать широкополосные антенны по ГОСТ 30805.16.1.4.
C.5.2 Высота антенны и измерительное расстояние
C.5.2.1 Высота
C.5.2.1.1 Испытания на расстоянии 10 м
Фазовый центр антенны должен располагаться на высоте (3 +/- 0,05) м над поверхностью, на которой располагается машина.
C.5.2.1.2 Испытания на расстоянии 3 м
Фазовый центр антенны должен находиться на высоте (1,8 +/- 0,05) м над поверхностью, на которой располагается машина.
ИС МЕГАНОРМ: примечание.
Нумерация пунктов дана в соответствии с официальным текстом документа.
B.5.2.1.3 Местоположение антенны
Ни одна часть принимающих элементов антенны не должна находиться ближе 0,25 м от поверхности, на которой располагается машина.
C.5.2.2 Измерительное расстояние
C.5.2.2.1 Испытания на расстоянии 10 м
Антенну располагают на расстоянии (10,0 +/- 0,2) м по горизонтали от ближайшей металлической части корпуса машины.
C.5.2.2.2 Испытания на расстоянии 3 м
Антенну располагают на расстоянии (3 +/- 0,05) м по горизонтали от ближайшей металлической части корпуса машины.
C.5.2.2.3 Местоположение антенны в безэховой камере
Если испытания проводят в безэховой экранированной камере, то принимающие элементы антенны не должны находиться ближе 1 м от любого поглощающего радиоволны материала и ближе 1,5 м - от стенки камеры. Радиопоглощающий материал не должен находиться между приемной антенной и испытуемой машиной.
C.5.3 Ориентация антенны
Антенну следует располагать последовательно слева и справа от машины, параллельно плоскости продольной симметрии машины и на одной линии со средней точкой двигателя или машины, если двигатель отсутствует (см. приложение B, рисунок B.2).
C.5.4 Поляризация
В каждой точке измерений снимают показания измерительного прибора при вертикальной и горизонтальной поляризациях антенны (см. приложение B, рисунок B.2).
C.5.5 Показания
На каждой частоте измерений снимают четыре показания измерительного прибора с учетом C.5.3 и C.5.4. При подтверждении соответствия учитывают максимальное значение на частоте измерений.
C.6 Частоты
Измерения необходимо проводить во всей полосе частот от 30 до 1000 МГц. Минимальное время сканирования должно соответствовать требованиям [5]. В случае превышения в ходе испытаний установленных предельных уровней необходимо убедиться, что указанное превышение связано с помехами, создаваемыми машиной, а не с посторонними помехами.
Приложение D
(обязательное)
МЕТОД ИЗМЕРЕНИЙ ШИРОКОПОЛОСНЫХ ЭЛЕКТРОМАГНИТНЫХ ПОМЕХ,
СОЗДАВАЕМЫХ ЭЛЕКТРИЧЕСКИМИ/ЭЛЕКТРОННЫМИ СБОРОЧНЫМИ УЗЛАМИ
D.1 Общие положения
D.1.1 Применение
Метод измерений, приведенный в настоящем приложении, может быть применен для электрических/электронных сборочных узлов.
D.1.2 Измерительные приборы
Измерительные приборы должны соответствовать требованиям ГОСТ 30805.16.1.1 и ГОСТ 30805.16.1.4.
При измерениях широкополосных электромагнитных помех следует использовать квазипиковый детектор. Возможно использование пикового детектора с применением соответствующего поправочного коэффициента (см. [5]).
D.1.3 Метод испытаний
Данный метод предназначен для измерения широкополосных помех, создаваемых электрическими/электронными сборочными узлами.
D.2 Результаты измерений
Результаты измерений должны быть выражены в дБ (1 мкВ/м) или мкВ/м при ширине полосы пропускания измерительного прибора 120 кГц. Если значение фактической ширины полосы пропускания B (выраженное в килогерцах) отличается от 120 кГц, показания следует преобразовать к ширине полосы 120 кГц путем умножения на коэффициент 120/B.
D.3 Место проведения измерений
D.3.1 Измерительная площадка
Измерения проводят на открытой измерительной площадке, соответствующей требованиям ГОСТ 30805.16.1.4.
D.3.2 Измерительное оборудование
Испытательную станцию или передвижной пункт, в котором располагаются измерительные приборы, располагают на открытой измерительной площадке вне границы, приведенной на рисунке D.1.
D.3.3 Безэховая экранированная камера
Безэховую камеру используют в случае, если полученные результаты могут коррелироваться с результатами, получаемыми на открытой измерительной площадке. Безэховая камера (см. рисунки D.2, D.3) не обязательно должна соответствовать размерам, указанным на рисунке D.1, исключая требования к расстоянию между машиной и измерительной антенной и к высоте антенны.
D.3.4 Внешние радиопомехи
Для проверки отсутствия внешних радиопомех или сигналов, имеющих уровни, достаточные для оказания заметного влияния на результаты измерений, следует проводить измерения внешних радиопомех до и после основных испытаний. Внешние радиопомехи или сигналы при измерениях обоих видов должны иметь уровень не менее чем на 10 дБ ниже контрольных предельных уровней, указанных в 4.5.2 (за исключением преднамеренной передачи узкополосных сигналов в окружающем пространстве).
D.4 Состояние электрических/электронных сборочных узлов во время проведения испытаний
D.4.1 Рабочий режим
Электрический/электронный сборочный узел должен в процессе испытаний функционировать в нормальном рабочем режиме.
D.4.2 Погодные условия при проведении испытаний
Во время дождя или других осадков, попадающих на электрический/электронный сборочный узел, или в течение 10 мин после окончания выпадения таких осадков измерения не проводят.
D.4.3 Установка электрических/электронных сборочных узлов при испытаниях
В процессе испытаний электрический/электронный сборочный узел и относящиеся к нему жгуты проводов должны находиться на высоте (50 +10/-0) мм над пластиной заземления. Для этого применяются опоры из дерева или эквивалентного ему непроводящего материала. Однако, если какая-либо часть испытуемого электрического/электронного сборочного узла предназначена для работы в условиях электрического соединения с металлическим корпусом машины, то эта часть должна быть размещена на пластине заземления и электрически соединена с ней.
Пластина заземления должна представлять собой металлический лист толщиной не менее 0,5 мм. Минимальные размеры пластины заземления зависят от размеров испытуемого электрического/электронного сборочного узла и должны быть достаточными для размещения испытуемого оборудования, включая компоненты и кабели. Пластина заземления должна быть соединена с защитным проводом системы заземления. Пластина заземления должна быть расположена на высоте (1 +/- 0,1) м над поверхностью открытой измерительной площадки (полом безэховой экранированной камеры) и параллельно ей.
Испытуемый электрический/электронный сборочный узел должен быть расположен и соединен в соответствии с относящимися к нему требованиями изготовителя. Провода электропитания должны быть проложены вдоль края пластины заземления (стола, на котором размещают пластину заземления), ближайшего к антенне, на расстоянии не более (100 +/- 10) мм от него.
Испытуемый электрический/электронный сборочный узел должен быть соединен с системой заземления в соответствии с техническими требованиями к монтажу, устанавливаемыми изготовителем. Дополнительные соединения не допускаются. Минимальное расстояние от испытуемого электрического/электронного сборочного узла до других проводящих конструкций, например стен экранированного помещения (исключая пластину заземления под испытуемым объектом), должно быть не менее 1 м.
D.4.4 Электропитание испытуемого электрического/электронного сборочного узла
Электропитание испытуемого электрического/электронного сборочного узла осуществляют через эквивалент сети электропитания с параметрами 5 мкГн/50 Ом, по ГОСТ 30805.16.1.2, электрически соединенный с пластиной заземления. Отклонения напряжения электропитания от номинального рабочего напряжения должны быть в пределах +/- 10%. Колебания напряжения, измеряемые на контрольном входе эквивалента сети, должны быть менее 1,5% номинального рабочего напряжения системы.
D.4.5 Электрические/электронные сборочные узлы, состоящие из нескольких блоков
Если испытуемый электрический/электронный сборочный узел состоит из более чем одного блока, то в качестве соединительных проводов необходимо использовать жгуты проводов, применяемые при установке и эксплуатации указанного электрического/электронного сборочного узла в машине. Если это невозможно, расстояние между испытуемым оборудованием и эквивалентом сети должно быть 1,5 м. Монтаж проводов в жгутах должен соответствовать условиям их практического применения, предпочтительно с использованием реальных соединителей и нагрузок. Если для обеспечения нормального функционирования испытуемого электрического/электронного сборочного узла необходимо применить дополнительное подключаемое оборудование, то влияние указанного оборудования на измеряемый уровень электромагнитных помех необходимо исключить.
D.5 Антенна
D.5.1 Тип антенны
При измерениях используют симметричный вибратор по ГОСТ 30805.16.1.4.
Допускается использовать широкополосные антенны по ГОСТ 30805.16.1.4.
D.5.2 Расположение антенны
Высота фазового центра антенны над поверхностью открытой измерительной площадки (полом безэховой экранированной камеры) должна на (150 +/- 10) мм превышать высоту пластины заземления.
Расстояние по горизонтали от фазового центра антенны или ее вершины, в зависимости от того, что приемлемо, до края пластины заземления должно быть (1 +/- 0,05) м. Никакая часть антенны не должна находиться ближе 0,5 м от края пластины заземления.
Антенна должна быть расположена параллельно плоскости, перпендикулярной к пластине заземления, проходящей через край пластины заземления, вдоль которого проходит основная часть проводов.
Если испытания проводят в безэховой экранированной камере, то принимающие элементы антенны не должны находиться ближе 0,5 м от любого поглощающего радиоволны материала и ближе 1,5 м от стены экранированной камеры. Радиопоглощающий материал не должен находиться между испытуемым электрическим/электронным сборочным узлом и антенной.
D.5.3 Ориентация антенны
На каждой частоте измерений необходимо снимать показания измерительного прибора при горизонтальной и вертикальной поляризациях антенны.
D.6 Показания
На частоте измерений необходимо снимать два показания измерительного прибора с учетом D.5.3. При подтверждении соответствия учитывают максимальное значение.
D.7 Частоты
Измерения проводят во всей полосе частот от 30 до 1000 МГц. Минимальное время сканирования должно соответствовать требованиям [5]. В случае превышения в ходе испытаний установленных предельных уровней необходимо убедиться в том, что указанное превышение связано с помехами, создаваемыми испытуемым электрическим/электронным сборочным узлом, а не с посторонними помехами.
Размеры в метрах
1 - испытуемый образец на пластине заземления; 2 - антенна
Рисунок D.1 - Открытая измерительная площадка
Размеры в миллиметрах
1 - расстояние от оси антенны или от ближайшего элемента
логарифмической периодической решетки до края пластины
заземления; 2 - испытательный стенд с пластиной заземления,
соединенной со стеной экранированной камеры; 3 - комплект
соединительных кабелей длиной (1500 +/- 75) мм,
расположенных на высоте (50 +/- 5) мм над пластиной
заземления; 4 - кабели электропитания испытуемого
оборудования; 5 - ввод кабелей электропитания
в экранированную камеру; 6 - соединительная коробка,
включающая в себя эквивалент сети электропитания;
7 - минимальное расстояние элементов антенны от края
пластины заземления; 8 - минимальное расстояние элементов
антенны от материала, поглощающего радиоволны;
9 - минимальное расстояние элементов антенны от стены
экранированного помещения; 10 - согласующее устройство
антенны (при необходимости), расположенное как можно ближе
к антенне; 11 - антенный коаксиальный кабель с двойным
экранированием; 12 - ввод антенного кабеля в экранированную
камеру; 13 - измерительный приемник; 14 - безэховая
экранированная камера; 15 - антенна; 16 - испытуемый
электрический/электронный сборочный узел
Рисунок D.2 - Измерение в безэховой экранированной
камере широкополосных электромагнитных помех, создаваемых
электрическими/электронными сборочными узлами (вид сверху)
Размеры в миллиметрах
1 - антенна; 2 - плоскость, в которой находятся
контрольная точка и основная часть комплекта соединительных
кабелей; 3 - контрольная точка; 4 - пластина заземления;
5 - минимальное расстояние элементов антенны
от поглощающего радиоволны материала; 6 - минимальное
расстояние элементов антенны от стены экранированного
помещения; 7 - минимальное расстояние элементов антенны
от пола экранированной камеры
Рисунок D.3 - Измерение в безэховой экранированной камере
широкополосных электромагнитных помех, создаваемых
электрическими/электронными сборочными узлами.
Сечение испытательной установки в плоскости
продольной симметрии
Приложение E
(обязательное)
МЕТОД ИЗМЕРЕНИЯ УЗКОПОЛОСНЫХ ЭЛЕКТРОМАГНИТНЫХ ПОМЕХ,
СОЗДАВАЕМЫХ ЭЛЕКТРИЧЕСКИМИ/ЭЛЕКТРОННЫМИ СБОРОЧНЫМИ УЗЛАМИ
E.1 Общие положения
E.1.1 Применение
Метод измерений, приведенный в настоящем приложении, следует применять только для электрических/электронных сборочных узлов.
E.1.2 Измерительное оборудование
Измерительные приборы должны соответствовать требованиям ГОСТ 30805.16.1.1 и ГОСТ 30805.16.1.4.
При измерениях узкополосных электромагнитных помех следует использовать пиковый детектор.
E.1.3 Метод испытаний
Данный метод предназначен для измерения узкополосных помех, которые могут возникать в системах на основе микропроцессоров.
E.1.4 Результаты
Результаты измерений должны быть выражены в дБ (1 мкВ/м) (мкВ/м).
E.2 Место проведения измерений
E.2.1 Измерительная площадка
Измерительная площадка должна соответствовать требованиям ГОСТ 30805.16.1.4 (см. приложение D, рисунок D.1).
E.2.2 Измерительное оборудование
Испытательную станцию или передвижной пункт, в котором располагаются измерительные приборы, располагают на открытой измерительной площадке вне границы, приведенной в приложении D (см. рисунок D.1).
E.2.3 Безэховая экранированная камера
ИС МЕГАНОРМ: примечание.
В официальном тексте документа, видимо, допущена опечатка: пункт D.2.4 отсутствует.
Безэховую камеру используют в случае, если полученные результаты могут коррелироваться с результатами, получаемыми на открытой измерительной площадке. Безэховая камера (см. приложение D, рисунки D.2, D.3) не обязательно должна соответствовать требованиям к размерам в соответствии с приложением D, рисунок D.1, а также требованиям к расстоянию между машиной и измерительной антенной и к высоте антенны. Проверка уровней посторонних радиопомех до испытаний и после них, как указано в D.2.4 приложения D, также не является обязательной.
E.2.4 Измерение уровней посторонних радиопомех
ИС МЕГАНОРМ: примечание.
В официальном тексте документа, видимо, допущена опечатка: пункт 6.4.2 отсутствует.
Для проверки отсутствия посторонних радиопомех или сигналов, имеющих уровни, достаточные для оказания заметного влияния на результаты измерений, проводят измерения посторонних радиопомех до основных испытаний и после них. Уровень посторонних радиопомех или сигналов при измерениях должен быть не менее чем на 10 дБ ниже контрольных предельных уровней, указанных в 6.4.2 (за исключением преднамеренной передачи узкополосных сигналов в окружающем пространстве).
E.3 Состояние электрических/электронных сборочных узлов в течение испытаний
E.3.1 Общие положения
Электрический/электронный сборочный узел должен в процессе испытаний функционировать в нормальном рабочем режиме.
Во время дождя или других осадков или в пределах 10 мин после окончания выпадения осадков на испытуемое оборудование измерения не проводят.
E.3.2 Установка электрических/электронных сборочных узлов при испытаниях
В процессе испытаний электрический/электронный сборочный узел и относящиеся к нему жгуты проводов должны находиться на высоте (50 +/- 5) мм над пластиной заземления. Для этого применяют опоры из дерева или эквивалентного непроводящего материала. Однако, если какая-либо часть испытуемого электрического/электронного сборочного узла предназначена для работы в условиях электрического соединения с металлическим корпусом машины, то данная часть узла должна быть размещена на пластине заземления и электрически соединена с ней.
Пластина заземления должна представлять собой металлический лист толщиной не менее 0,5 мм. Минимальные размеры пластины заземления зависят от размеров испытуемого электрического/электронного сборочного узла и должны быть достаточными для размещения испытуемого оборудования, включая компоненты и кабели. Пластина заземления должна быть соединена с защитным проводом системы заземления. Пластина заземления должна быть расположена на высоте (1 +/- 0,1) м над поверхностью открытой измерительной площадки (полом безэховой экранированной камеры) и должна быть параллельна поверхности площадки.
Испытуемый электрический/электронный сборочный узел должен быть расположен и соединен в соответствии с относящимися к нему требованиями изготовителя. Провода электропитания должны быть проложены вдоль края пластины заземления (стола, на котором размещают пластину заземления), ближайшего к антенне, на расстоянии не более (100 +/- 10) мм от него.
Испытуемый электрический/электронный сборочный узел должен быть соединен с системой заземления в соответствии с техническими условиями изготовителя. Дополнительные соединения не допускаются.
Минимальное расстояние от испытуемого электрического/электронного сборочного узла до других проводящих конструкций, например стен экранированного помещения (за исключением пластины заземления под испытуемым объектом), должно быть не менее 1 м.
E.3.3 Электропитание испытуемого электрического/электронного сборочного узла
Электропитание испытуемого электрического/электронного сборочного узла осуществляют через эквивалент сети электропитания с параметрами 5 мкГн/50 Ом, электрически соединенный с пластиной заземления. Отклонения напряжения электропитания от номинального рабочего напряжения должны быть в пределах +/- 10%. Колебания напряжения, измеряемые на контрольном входе эквивалента сети, должны быть менее 1,5% номинального рабочего напряжения системы.
E.3.4 Электрические/электронные сборочные узлы, состоящие из нескольких блоков
Если испытуемый электрический/электронный сборочный узел состоит из более чем одного блока, то в качестве соединительных проводов необходимо использовать жгуты проводов, применяемые при установке и эксплуатации указанного электрического/электронного сборочного узла в машине. Если это невозможно, расстояние между испытуемым оборудованием и эквивалентом сети должно быть 1,5 м. Монтаж проводов в жгутах должен соответствовать условиям их практического применения, предпочтительно с использованием реальных соединителей и нагрузок. Если для обеспечения нормального функционирования испытуемого электрического/электронного сборочного узла необходимо применить дополнительное подключаемое оборудование, то влияние указанного оборудования на измеряемый уровень электромагнитных помех необходимо исключить.
E.4 Антенна
E.4.1 Тип антенны
При измерениях используют симметричный вибратор по ГОСТ 30805.16.1.4.
Допускается использовать широкополосные антенны по ГОСТ 30805.16.1.4.
E.4.2 Расположение антенны
Высота фазового центра антенны над поверхностью открытой измерительной площадки (полом безэховой экранированной камеры) должна на (150 +/- 10) мм превышать высоту пластины заземления.
Расстояние по горизонтали от фазового центра антенны или ее вершины, в зависимости от того, что приемлемо, до края пластины заземления должно быть (1 +/- 0,05) м. Никакая часть антенны не должна находиться ближе 0,5 м от края пластины заземления.
Антенна должна быть расположена параллельно плоскости, перпендикулярной к пластине заземления, проходящей через край пластины заземления, вдоль которого проходит основная часть проводов.
Если испытания проводят в безэховой экранированной камере, то принимающие элементы антенны не должны находиться ближе 0,5 м от любого поглощающего радиоволны материала и 1,5 м - от стены экранированной камеры. Радиопоглощающий материал не должен находиться между испытуемым электрическим/электронным сборочным узлом и антенной.
E.4.3 Ориентация антенны
На каждой частоте измерений необходимо снимать показания измерительного прибора при горизонтальной и вертикальной поляризации антенны.
E.5 Показания
На частоте измерений два показания измерительного прибора снимают в соответствии с E.4.3. При подтверждении соответствия учитывают максимальное значение.
E.6 Частоты
Измерения проводят во всей полосе частот от 30 до 1000 МГц. Минимальное время сканирования должно соответствовать требованиям [5].
Приложение F
(справочное)
РЕКОМЕНДАЦИИ
ПО ВЫБОРУ КОНФИГУРАЦИИ ОБРАЗЦОВ ДЛЯ ИСПЫТАНИЙ
F.1 Введение
Поскольку в конструкции машины могут быть применены многие варианты электрических/электронных сборочных устройств, образец машины или электрического/электронного сборочного узла для испытаний рекомендуется выбирать на основе оценки условий, которые могут оказывать наиболее существенное влияние на машину в отношении создаваемых электромагнитных помех, а также влияния окружающей электромагнитной обстановки. Информация, приведенная в настоящем приложении, может оказаться полезной для уменьшения числа конфигураций машины или электрического/электронного сборочного узла, при выборе образца для испытаний.
F.2 Критерии для анализа
Рекомендуется ответить на приведенные ниже вопросы.
F.2.1 Создаваемые узкополосные электромагнитные помехи
Имеются ли в конструкции машины источники узкополосного электромагнитного излучения (генераторы) с частотой, превышающей 9 кГц (примерами источников с частотами, превышающими 9 кГц, являются микропроцессорные генераторы тактовых импульсов и устройства, создающие сигналы, модулированные по длительности)?
F.2.2 Создаваемые широкополосные электромагнитные помехи
Присутствуют ли в конструкции машины источники широкополосного электромагнитного излучения (примерами источников широкополосного шума являются движки стеклоочистителей и искровые разрядники)?
Действуют ли они непрерывно?
F.2.3 Устойчивость к внешним электромагнитным помехам
Могут ли указанные ниже факторы привести к ухудшению рабочих характеристик системы:
- непосредственное управление машиной оператором;
- управление числом оборотов двигателя;
- работа системы рулевого управления;
- работа системы торможения;
- перемещение частей машины;
- выполнение любой функции машины, способной создать опасность;
- выполнение любой функции машины, способной ввести в заблуждение оператора или лиц, находящихся непосредственно вблизи оборудования.
Имеются ли в конструкции машины активные полупроводниковые устройства (примерами активных полупроводниковых устройств являются транзисторы и микропроцессоры)? Как осуществляется электропитание устройств, а именно, непосредственно или через контакты реле?
Если ухудшение рабочих характеристик системы не замечается оператором, изготовитель должен идентифицировать и указать предельные значения ухудшения рабочих характеристик.
Приложение ДА
(справочное)
СВЕДЕНИЯ О СООТВЕТСТВИИ МЕЖГОСУДАРСТВЕННЫХ СТАНДАРТОВ
ССЫЛОЧНЫМ МЕЖДУНАРОДНЫМ СТАНДАРТАМ
Таблица ДА.1
Обозначение и наименование международного стандарта
Степень соответствия
Обозначение и наименование межгосударственного стандарта
ИС МЕГАНОРМ: примечание.
ГОСТ 14777-76 утратил силу с 1 июля 2013 года в связи с введением в действие ГОСТ Р 55055-2012 (Приказ Росстандарта от 12.11.2012 N 719-ст).
IEC 60050-161:1990 Международный электротехнический словарь. Глава 161. Электромагнитная совместимость
NEQ
ГОСТ 14777-76 Радиопомехи индустриальные. Термины и определения
IEC 60050-161:1990 Международный электротехнический словарь. Глава 161. Электромагнитная совместимость
MOD
ГОСТ 30372-95 Совместимость технических средств электромагнитная. Термины и определения
ISO 11451-1:2005 Транспорт дорожный. Методы испытаний транспортных средств на устойчивость к воздействию узкополосного излучения электромагнитной энергии. Часть 1. Общие положения и определения
IDT
ГОСТ ИСО 11451-1-2005 Транспорт дорожный. Методы испытаний транспортных средств на устойчивость к воздействию узкополосного излучения электромагнитной энергии. Часть 1. Общие положения и определения
ISO 11451-2:2005 Транспорт дорожный. Методы испытаний транспортных средств на устойчивость к воздействию узкополосного излучения электромагнитной энергии. Часть 2. Источники излучения вне транспортного средства
IDT
ГОСТ ИСО 11451-2-2005 Транспорт дорожный. Методы испытаний транспортных средств на устойчивость к воздействию узкополосного излучения электромагнитной энергии. Часть 2. Источники излучения вне транспортного средства
ISO 11452-1:2005 Транспорт дорожный. Методы испытаний компонентов на устойчивость к воздействию узкополосного излучения электромагнитной энергии. Часть 1. Общие положения и терминология
IDT
ГОСТ ИСО 11452-1-2007 Транспорт дорожный. Методы испытаний компонентов на устойчивость к воздействию узкополосного излучения электромагнитной энергии. Часть 1. Общие положения и терминология
ISO 11452-2:2004 Транспорт дорожный. Методы испытаний компонентов на устойчивость к воздействию узкополосного излучения электромагнитной энергии. Часть 2. Экранированная камера с поглощающим покрытием
IDT
ГОСТ ИСО 11452-2-2007 Транспорт дорожный. Методы испытаний компонентов на устойчивость к воздействию узкополосного излучения электромагнитной энергии. Часть 2. Экранированная камера с поглощающим покрытием
ISO 11452-3:2001 Транспорт дорожный. Методы испытаний компонентов на устойчивость к воздействию узкополосного излучения электромагнитной энергии. Часть 3. Камера поперечной электромагнитной волны (TEM-камера)
IDT
ГОСТ ИСО 11452-3-2007 Транспорт дорожный. Методы испытаний компонентов на устойчивость к воздействию узкополосного излучения электромагнитной энергии. Часть 3. Камера поперечной электромагнитной волны (TEM-камера)
ISO 11452-4:2005 Транспорт дорожный. Методы испытаний компонентов на устойчивость к воздействию узкополосного излучения электромагнитной энергии. Часть 4. Инжекция объемного тока
IDT
ГОСТ ИСО 11452-4-2007 Транспорт дорожный. Методы испытаний компонентов на устойчивость к воздействию узкополосного излучения электромагнитной энергии. Часть 4. Инжекция объемного тока
ISO 11452-5:2002 Транспорт дорожный. Методы испытаний компонентов на устойчивость к воздействию узкополосного излучения электромагнитной энергии. Часть 5. Полосковая линия передачи
IDT
ГОСТ ИСО 11452-5-2007 Транспорт дорожный. Методы испытаний компонентов на устойчивость к воздействию узкополосного излучения электромагнитной энергии. Часть 5. Полосковая линия передачи
CISPR 16-1-1:2006 Требования к аппаратуре для измерения радиопомех и помехоустойчивости и методы измерений. Часть 1-1. Аппаратура для измерения радиопомех и помехоустойчивости. Измерительная аппаратура
MOD
ГОСТ 30805.16.1.1-2013 (CISPR 16-1-1:2006) Совместимость технических средств электромагнитная. Требования к аппаратуре для измерения параметров индустриальных радиопомех и помехоустойчивости и методы измерений. Часть 1-1. Аппаратура для измерения параметров индустриальных радиопомех и помехоустойчивости. Приборы для измерения индустриальных радиопомех
CISPR 16-1-2:2006 Требования к аппаратуре для измерения радиопомех и помехоустойчивости и методы измерений. Часть 1-2. Аппаратура для измерения и помехоустойчивости. Вспомогательное оборудование. Кондуктивные радиопомехи
MOD
ГОСТ 30805.16.1.2-2013 (CISPR 16-1-2:2006) Совместимость технических средств электромагнитная. Требования к аппаратуре для измерения параметров индустриальных радиопомех и помехоустойчивости и методы измерений. Часть 1-2. Аппаратура для измерения параметров индустриальных радиопомех и помехоустойчивости. Устройства для измерения кондуктивных радиопомех и испытаний на устойчивость к кондуктивным радиопомехам
Примечание - В настоящей таблице использованы следующие обозначения степени соответствия стандартов:
- IDT - идентичные стандарты;
- MOD - модифицированные стандарты;
- NEQ - неэквивалентные стандарты.
БИБЛИОГРАФИЯ
[1] ISO/TR 10605:2008
Дорожные машины. Методы испытаний для электрических помех от электростатических разрядов.
[2] ISO 7637-1:1990
Транспорт дорожный. Электрические помехи, вызываемые проводимостью и связью. Часть 1. Термины, определения и общие положения.
[3] ISO 7637-2:1990
Транспорт дорожный. Электрические помехи, вызываемые проводимостью и связью. Часть 2. Кондуктивные импульсные помехи в цепях питания.
[4] CISPR 25:2008
Самоходные средства, моторные лодки и двигатели внутреннего сгорания. Характеристики индустриальных радиопомех. Нормы и методы измерений для защиты радиоприемных устройств, расположенных на подвижных средствах.
[5] СИСПР 12:2009
Самоходные средства, моторные лодки и двигатели внутреннего сгорания. Характеристики индустриальных радиопомех. Нормы и методы измерений для защиты радиоприемных устройств, расположенных вне подвижных средств.