Главная // Актуальные документы // ГОСТ (Государственный стандарт)СПРАВКА
Источник публикации
М.: Стандартинформ, 2014
Примечание к документу
Документ
введен в действие с 1 июля 2015 года.
Название документа
"ГОСТ 31970-2012. Межгосударственный стандарт. Технические средства организации дорожного движения. Методы испытаний дорожных ограждений"
(введен в действие Приказом Росстандарта от 28.10.2013 N 1222-ст)
"ГОСТ 31970-2012. Межгосударственный стандарт. Технические средства организации дорожного движения. Методы испытаний дорожных ограждений"
(введен в действие Приказом Росстандарта от 28.10.2013 N 1222-ст)
агентства по техническому
регулированию и метрологии
от 28 октября 2013 г. N 1222-ст
МЕЖГОСУДАРСТВЕННЫЙ СТАНДАРТ
ТЕХНИЧЕСКИЕ СРЕДСТВА ОРГАНИЗАЦИИ ДОРОЖНОГО ДВИЖЕНИЯ
МЕТОДЫ ИСПЫТАНИЙ ДОРОЖНЫХ ОГРАЖДЕНИЙ
Traffic control devices. Test methods of roadside barriers
ГОСТ 31970-2012
Дата введения
1 июля 2015 года
Цели, основные принципы и основной порядок проведения работ по межгосударственной стандартизации установлены
ГОСТ 1.0-92 "Межгосударственная система стандартизации. Основные положения" и
ГОСТ 1.2-2009 "Межгосударственная система стандартизации. Стандарты межгосударственные, правила и рекомендации по межгосударственной стандартизации. Порядок разработки, принятия, применения, обновления и отмены".
1. Разработан Федеральным государственным унитарным предприятием "Российский дорожный научно-исследовательский институт" (ФГУП "РОСДОРНИИ") при участии НИЦИАМТ ГУП "Автополигон НАМИ" (Российская Федерация).
2. Внесен Межгосударственным техническим комитетом по стандартизации МТК 278 "Безопасность дорожного движения".
3. Принят Межгосударственным советом по стандартизации, метрологии и сертификации (Протокол от 3 декабря 2012 г. N 54-П).
За принятие проголосовали:
Краткое наименование страны по МК (ИСО 3166) 004-97 | Код страны по МК (ИСО 3166) 004-97 | Сокращенное наименование национального органа по стандартизации |
Казахстан | KZ | Госстандарт Республики Казахстан |
Киргизия | KG | Кыргызстандарт |
Молдова | MD | Молдова-Стандарт |
Россия | RU | Росстандарт |
Украина | UA | Минэкономразвития Украины |
4.
Приказом Федерального агентства по техническому регулированию и метрологии от 28 октября 2013 г. N 1222-ст межгосударственный стандарт ГОСТ 31970-2012 "Технические средства организации дорожного движения. Методы испытаний дорожных ограждений" введен в действие в качестве национального стандарта Российской Федерации с 1 июля 2015 г.
5. Введен впервые.
Информация об изменениях к настоящему стандарту публикуется в ежегодном информационном указателе "Национальные стандарты", а текст изменений и поправок - в ежемесячном информационном указателе "Национальные стандарты". В случае пересмотра (замены) или отмены настоящего стандарта соответствующее уведомление будет опубликовано в ежемесячном информационном указателе "Национальные стандарты". Соответствующая информация, уведомление и тексты размещаются также в информационной системе общего пользования - на официальном сайте Федерального агентства по техническому регулированию и метрологии в сети Интернет.
Настоящий стандарт распространяется на дорожные удерживающие боковые ограждения (далее - ограждения) по
ГОСТ 31994 и устанавливает требования к методам испытаний этих ограждений, проводящихся в целях подтверждения соответствия ограждений требованиям безопасности и определения их потребительских характеристик (удерживающей способности, динамического прогиба и рабочей ширины ограждений).
В настоящем стандарте использованы нормативные ссылки на следующие межгосударственные стандарты:
ГОСТ 5781-82 Сталь горячекатаная для армирования железобетонных конструкций. Технические условия
ГОСТ 26633-91 Бетоны тяжелые и мелкозернистые. Технические условия
ГОСТ 31994-2013 Технические средства организации дорожного движения. Ограждения дорожные удерживающие боковые для автомобилей. Общие технические требования.
Примечание. При пользовании настоящим стандартом целесообразно проверить действие ссылочных стандартов в информационной системе общего пользования - на официальном сайте Федерального агентства по техническому регулированию и метрологии в сети Интернет или по ежегодному информационному указателю "Национальные стандарты", который опубликован по состоянию на 1 января текущего года, и по выпускам ежемесячного информационного указателя "Национальные стандарты" за текущий год. Если ссылочный стандарт заменен (изменен), то при пользовании настоящим стандартом следует руководствоваться заменяющим (измененным) стандартом. Если ссылочный стандарт отменен без замены, то положение, в котором дана ссылка на него, применяется в части, не затрагивающей эту ссылку.
В настоящем стандарте применены термины по
ГОСТ 31994, а также следующие термины с соответствующими определениями:
3.1. Стендовое испытание: испытание на стенде, обеспечивающем приложение к испытуемому изделию (элементу или фрагменту ограждения) статической или ударной нагрузки, а также регистрацию необходимых параметров.
3.2. Натурное испытание: испытание ограждения, смонтированного на испытательной площадке, методом наезда на него транспортного средства.
3.3. Испытательная площадка: комплекс инженерных сооружений и оборудования, предназначенный для натурных испытаний, обеспечивающий возможность монтажа ограждения достаточной длины, разгон испытательного автомобиля до необходимой скорости и наезд им на ограждение под необходимым углом, а также регистрацию необходимых параметров.
3.4. Индекс тяжести травмирования: показатель, характеризующий воздействие инерционных перегрузок, действующих на пассажиров транспортного средства при его взаимодействии с ограждением.
Примечание. Индекс тяжести травмирования равен значению корня квадратного из суммы квадратов отношений средних фактических и допустимых значений инерционных перегрузок, возникающих и действующих в процессе взаимодействия транспортного средства с ограждением, по направлениям главных осей транспортного средства. Выбирают интервал воздействия наибольших перегрузок длительностью (воздействия по времени) 50 мс.
3.5. Инерционная перегрузка: отношение среднего ускорения (замедления), действующего в течение 50 мс при наезде транспортного средства на ограждение и измеренного вблизи центра масс транспортного средства, к ускорению свободного падения.
3.6. Автолифт: транспортное средство или прицепное шасси, предназначенное для доставки человека или оборудования на высоту для осуществления видеосъемки сверху процесса соударения автомобиля с ограждением.
E - удерживающая способность (энергоемкость) ограждения, фрагмента ограждения или элемента, кДж;
P - усилие нагружения при стендовых статических испытаниях, кН;
H - высота маятника, м;
h - высота ограждения, м;
V - скорость движения испытательного автомобиля;
Q - масса испытательного автомобиля;
y - прогиб ограждения, фрагмента ограждения или стойки, м;
B, W, F - характеристики бетона (класс прочности на сжатие и марка по водонепроницаемости и морозостойкости соответственно).
5. Стендовые статические испытания
5.1. Испытуемые устройства
5.1.1. Стендовым статическим испытаниям подвергают элементы конструкций ограждений для определения их деформативных характеристик и прочности. К таким элементам относят балки и стойки барьерных ограждений, фрагменты барьерных ограждений длиной 3 - 10 м, отдельные блоки парапетных ограждений.
Испытуемый элемент мостового ограждения крепят к жесткому основанию. Стойки или фрагменты ограждений дорожной группы при испытании размещают на грунтовой площадке, имитирующей земляное полотно дороги.
5.1.2. Техническое состояние испытуемых стоек или фрагментов барьерных ограждений и способ их установки на стенде должны соответствовать конструкторской документации предприятия-изготовителя и техническому заданию заказчика. На испытуемых стойках должны быть смонтированы консоли, предусмотренные конструкцией ограждения.
5.2. Основные требования к испытательному оборудованию
5.2.1. Стойки или фрагменты барьерных ограждений и блоки парапетных ограждений нагружают плоской жесткой (недеформируемой) плитой. При испытании парапетного ограждения между его блоком и плитой нагружения должна располагаться эластичная прокладка (например, из резины), исключающая точечную передачу усилия.
5.2.2. Основные параметры стенда для статических испытаний стоек:
- высота приложения нагрузки (от уровня нижней плоскости стойки или грунта) от 300 до 1500 мм;
- нагрузка на стойку или фрагмент - не менее 50 кН;
- расстояние между нагружающей плитой и стойкой - не менее 100 мм;
- скорость нагружения стойки (скорость движения нагружающей плиты) от 1 до 80 мм/мин;
- ход нагружающего устройства (нагружающей плиты) - не менее 500 мм;
- возможность приостановки нагружения и сохранения нагрузки в течение не менее 30 с.
| | ИС МЕГАНОРМ: примечание. Нумерация пунктов дана в соответствии с официальным текстом документа. | |
5.2.2. Стенд должен обеспечивать плавность статического нагружения - без ударов, толчков и пульсаций, действующих на образец и силоизмерительную систему, а также плавность разгрузки.
5.2.3. При испытании измеряют усилия и деформации после контакта, записывают диаграмму испытаний. При отсутствии автоматизированной записи диаграммы ее строят по результатам испытания на основании измерений:
- деформации с точностью 1,0 мм;
- усилия с точностью 1,0 кН.
Интервалы между измерениями не должны превышать: 10 кН - усилия или 100 мм - деформации.
5.3. Критерии приемки
5.3.1. Стендовые статические испытания завершают при достижении одного из перечисленных ниже случаев:
- разрушения (разрыва) испытуемого фрагмента (элемента) барьерного ограждения (стойки, балки, амортизатора или др. хотя бы одного элемента ограждения) или непредусмотренного разъединения его элементов;
- разрушения (скола) части блока парапетного ограждения;
| | ИС МЕГАНОРМ: примечание. В официальном тексте документа, видимо, допущена опечатка: рисунок 1 отсутствует. | |
- наклона

стойки барьерного ограждения или отклонения

ее верхнего конца сверх допустимых значений, приведенных на рисунке 1.
5.3.2. Результатом стендового статического испытания является значение поглощаемой энергии (энергоемкость), определяемое по площади диаграммы деформации (рисунок 2) испытуемого фрагмента (элемента) барьерного ограждения, или значение предельного усилия, кН, достигнутое при испытании блока парапетного ограждения.
Установленные значения характеристик испытанных элементов учитывают в расчетах при дальнейшей разработке конструкторской документации.
| | ИС МЕГАНОРМ: примечание. Нумерация рисунков дана в соответствии с официальным текстом документа. | |
Рисунок 2. Примеры диаграмм деформации
элементов (фрагментов) барьерного ограждения
при различных случаях завершения испытаний по
5.3.1
6. Стендовые ударные испытания
6.1. Требования к испытательной площадке
6.1.1. Испытательная площадка включает в себя участок с жестким основанием для испытания фрагментов, отдельных элементов и блоков ограждений мостовой группы, участок с грунтовым основанием для испытания фрагментов, отдельных элементов и блоков ограждений дорожной группы и маятниковый стенд.
6.1.2. Испытательная площадка должна быть огорожена щитами для защиты операторов. Высота щитов должна вдвое превышать высоту испытуемой конструкции, от которой щиты должны располагаться на расстоянии не менее 3 м.
На участке испытательной площадки с жестким основанием должны быть предусмотрены съемные опорные пластины для размещения стоек с различным закреплением.
6.2. Основные требования к испытуемому устройству и испытательному оборудованию
6.2.1. Испытания на удар с применением маятника проводят для уточнения полученных ранее характеристик или определения новых характеристик ограждения, в котором изменены некоторые размеры или конфигурация элементов по сравнению с ранее испытанными конструкциями. В частности, ударным стендовым испытаниям подвергают конструкции барьерных ограждений, в которых:
- изменен шаг стоек, но не более чем на 1 м;
- изменены прочностные характеристики применяемых материалов (бетона, стали...);
- изменен способ крепления элементов конструкции ограждения между собой;
- изменена толщина (площадь сечения) элементов, но не более чем на 30%.
В случае если изменения размеров превышают указанные значения, проводят натурные испытания.
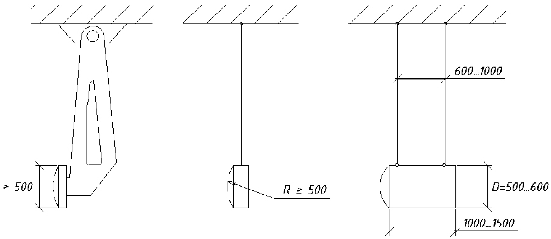
6.2.2. Смонтированный на испытательной площадке элемент или фрагмент ограждения должен располагаться так, чтобы расстояние от него до ударной части бойка было не менее 50 мм и не превышало значения размера a (см.
рисунок 3), рассчитываемого по формуле (1)
a <= 50 + 0,01·H, (1)
где H - высота маятника.
| | ИС МЕГАНОРМ: примечание. В официальном тексте документа, видимо, допущена опечатка: возможно, рисунок имеет номер 3. | |
1 - грунтовое основание, 2 - стойка дорожного ограждения,
3 - жесткое основание, 4 - боек, 5 - подвеска,
H - высота маятника, a - размер, определяемый по
6.2.2
6.2.3. Нагружение элемента (фрагмента) рабочей нагрузкой должно осуществляться на стенде маятникового типа с бойком в виде плоской или закругленной плиты либо в виде цилиндра. Радиус закругления ударной части должен быть не менее 500 мм, а размер плиты - не менее 500 x 500 мм (или диаметром от 500 до 600 мм).
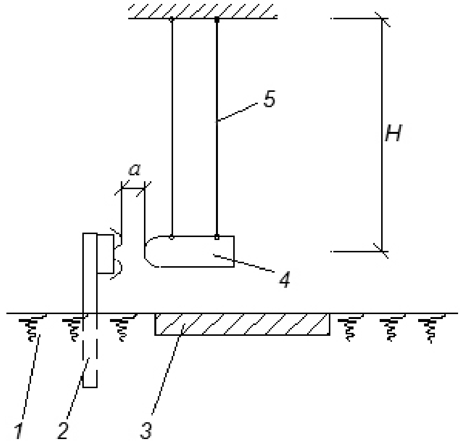
Подвеска маятника может быть жесткой или гибкой, шарнирно соединенной с бойком и верхней неподвижной плоскостью (см. рисунок 4). Длина подвески должна быть не менее 3,0 м.
| | ИС МЕГАНОРМ: примечание. Обозначения на рисунках даны в соответствии с официальным текстом документа. | |
а - жесткая подвеска, б - гибкая одиночная подвеска,
в - гибкая сдвоенная подвеска
Рисунок 4. Схемы закрепления маятника
6.2.4. Стенд динамического нагружения должен обеспечивать скорость приложения ударной нагрузки в интервале от 1 до 5 м/с и энергию удара от 10 до 100 кДж.
Кинетическая энергия ударной части установки динамического нагружения в момент контакта со стойками должна быть не менее расчетного значения энергоемкости испытуемого элемента (фрагмента). Процесс испытания регистрируют с помощью видеокамеры, установленной в плоскости фрагмента ограждения или его элемента (перпендикулярно к направлению удара).
6.3. Критерии приемки
6.3.1. Фрагмент (элемент) ограждения выдержал испытания, если маятник в процессе удара не пересек плоскость, в которой расположен испытуемый объект. В случае отрыва стоек или балок испытания повторяют с другим их закреплением.
6.3.2. На основании испытания элементов (фрагментов) барьерных ограждений определяют значения двух показателей испытуемой конструкции:
- достигнутую энергоемкость E, кДж;
- максимальную деформацию (прогиб) y, м.
При испытании блоков парапетных ограждений определяют разрушающее усилие P, кН. Полученные значения показателей являются основанием для определения удерживающей способности и прогиба разрабатываемой конструкции ограждения.
7.1. Общие положения
7.1.1. Цель испытаний - определение фактических значений удерживающей способности и соответствующих ей динамического поперечного прогиба (прогиба), рабочей ширины ограждения, а также определение фактических значений показателей безопасности этого ограждения для людей, находящихся в удерживаемом автомобиле, безопасности автомобиля и других участников дорожного движения.
7.1.2. Испытание осуществляют путем наезда на ограждение под углом 20° к его оси автомобиля определенного типа и массы (грузового, легкового, автобуса, автопоезда) с определенной скоростью в зависимости от заявленного уровня удерживающей способности ограждения по
ГОСТ 31994 в соответствии с конструкторской документацией или техническими условиями на ограждение.
Режимы испытаний в зависимости от требуемого уровня удерживающей способности ограждения принимают по ГОСТ 31994
(таблица 7). Угол наезда должен быть в пределах от 15° до 20°. При угле наезда меньше 20° следует увеличивать скорость наезда для обеспечения требуемой энергии удара. Допускается отклонение скорости движения в пределах 5% от указанной в ГОСТ 31994
(таблица 7) при сохранении энергии удара для каждого режима испытаний.
Ограждение каждого типа должно быть испытано как минимум одним наездом легкового автомобиля и одним наездом автобуса, грузового автомобиля или автопоезда. Вначале проводят испытание наездом легкового автомобиля. При положительном результате испытания ограждение восстанавливают и проводят последующее испытание наездом автобуса в случае проверки ограждения, предназначенного для применения в городских условиях, и грузовым автомобилем - для применения вне городских условий. Испытания автопоездом проводят при испытании ограждений с требуемым уровнем удерживающей способности У8, У9 и У10, предназначенных для применения на автомобильных дорогах в случаях, когда интенсивность движения автомобилей с разрешенной максимальной массой 30 т и более составляет не менее 1000 авт./сут.
7.1.3. Испытания проводят на специальной испытательной площадке, сооружения и оборудование которой, а также имеющаяся на ней измерительная и регистрирующая аппаратура позволяют проводить испытания ограждений в режимах, указанных в
7.1.2.
7.2. Требования к испытательной площадке
7.2.1. На испытательной площадке должна быть предусмотрена возможность установки ограждений различных типов дорожной и мостовой групп в соответствии с техническими требованиями изготовителя ограждений.
Ограждения дорожной группы устанавливают на грунтовую площадку, отсыпанную в соответствии с требованиями, предъявляемыми к земляному полотну (обочине) автомобильных дорог. В качестве грунта для отсыпки площадки используют гравелистые пески (ненабухающие и непучинистые), соответствующие требованиям к материалам для отсыпки рабочего слоя земляного полотна (обочин). Коэффициент уплотнения грунта должен быть не менее 0,98. Соответствие требованиям по качеству грунта, влажности и коэффициенту его уплотнения проверяют перед каждой серией испытаний. Длина грунтового участка должна быть не менее 80 м.
Ограждения дорожной группы, предназначенные для монтажа на участках с асфальтобетонным покрытием (например, на разделительных полосах), монтируют на площадке, воспроизводящей соответствующие условия их работы.
Мостовые ограждения устанавливают на горизонтальной железобетонной плите (допускается наличие уклона плиты в пределах до

), имеющей закладные детали для крепления стоек ограждения.
7.2.2. Специальная железобетонная плита для закрепления ограждений мостовой группы должна быть выполнена из тяжелого бетона по
ГОСТ 26633, класса прочности на сжатие B35, с водонепроницаемостью W6, морозостойкостью F200, с максимальной крупностью щебня 20 мм с разбивкой по фракциям. Арматура плиты должна быть из горячекатаной арматурной стали по
ГОСТ 5781 класса А-III, марки 25Г2С или 35ГС. Плита должна обеспечивать возможность установки на ней прямолинейных участков ограждений длиной не менее 70 м под углом 20° по отношению к продольной оси полосы разгона. Расстояние от оси закладных деталей до края плиты должно быть в пределах от 0,75 до 1,0 м. При этом за пределами точки удара в ограждение длина плиты должна быть не менее 50 м, а перед точкой удара - не менее 15 м (см.
рисунок 5).
Размеры в метрах
1 - полоса для установки ограждений мостовой группы,
2 - полоса для установки ограждений дорожной группы,
3 - ось направляющего монорельса для разгона
испытательного автомобиля, 4 - установленное ограждение
дорожной группы, 5 - точка удара транспортного средства
в ограждение, 6 - место установки автолифта,
L - длина установленного ограждения,

- номинальный угол
наезда автомобиля на ограждение, равный 20°
Рисунок 5. Схема типовой испытательной площадки
с установленным дорожным ограждением
7.2.3. Вблизи каждого конца смонтированного ограждения должна быть площадка для установки видеокамеры. На начальном участке смонтированного ограждения должна предусматриваться площадка для установки консольного автолифта для обеспечения видеосъемки процесса соударения автомобиля с ограждением сверху, или испытательная площадка должна быть оборудована стационарной конструкцией (например, фермой или эстакадой на разнесенных опорах), позволяющей осуществлять такую съемку.
7.2.4. Полоса для разгона автомобилей должна быть прямолинейной, с твердым и ровным покрытием, шириной не менее 3,5 м.
Системы разгона и наведения автомобиля должны обеспечивать прямолинейное движение автомобиля до его столкновения с ограждением. За 5 м до удара в ограждение автомобиль должен двигаться равнозамедленно под действием инерционных сил.
7.2.5. Для определения величины динамического прогиба ограждения, а также скорости движения автомобиля в процессе его взаимодействия с ограждением, на поверхность испытательной площадки на всю длину рабочего участка ограждения перед проведением испытания должна быть нанесена координатная сетка с квадратными ячейками, имеющими размер стороны 1,0 м. Разметка должна ярко выделяться на фоне поверхности испытательной площадки. Продольные линии разметки должны быть параллельны начальному положению продольной оси ограждения.
7.3. Требования к испытуемому ограждению
7.3.1. Испытуемое ограждение должно соответствовать требованиям конструкторской документации. Подвергаемое испытанию ограждение не должно иметь повреждений. Протяженность ограждений, поставляемых для испытаний, должна быть достаточной для выполнения программы испытаний, с учетом числа заменяемых элементов после каждого испытания (наезда автомобиля на ограждение).
7.3.2. Ограждение перед испытанием должно быть установлено таким образом, чтобы точка контакта испытательного автомобиля с ограждением находилась на расстоянии не менее 1/3 общей длины ограждения, считая от его начала (см.
рисунок 5).
7.4. Требования к испытательному транспортному средству
7.4.1. Транспортные средства, применяемые при испытаниях, должны выбираться из числа серийных моделей. При их выборе и подготовке, в том числе загрузке и распределении балласта в салоне или кузове, должны быть выдержаны требования, приведенные в
таблице 1. Допускается увеличение массы автомобилей, указанных в
таблице 1, в пределах 10%, с соответствующей коррекцией скорости наезда на ограждение для сохранения той же энергии удара.
7.4.2. Балласт на транспортном средстве должен быть закреплен так, чтобы исключить его смещение при ударе автомобиля об ограждение.
Балластировка испытательного автомобиля (автобуса) должна состоять в размещении части балласта, соответствующей массе сидящих пассажиров, на сиденьях в салоне и остальной части балласта на полу салона или грузовой платформы - равномерно по его длине.
Таблица 1
Параметры испытательных транспортных средств
Общая масса автомобиля Q, кг | легкового | грузового | автобуса | автопоезда |
1000 +/- 50 | 1200 +/- 75 | 1500 +/- 100 | 12000 +/- 400 | 16000 +/- 500 | 18000 +/- 600 | 22000 +/- 750 | 12000 +/- 400 | 15000 +/- 500 | 20000 +/- 750 | 35000 +/- 1000 |
Число осей | 2 | 2 | 2 | 2 | 2 | 3 | 3 | 3 | 2 | 2 | 3 | 4 | 5 |
Масса, приходящаяся на переднюю ось, % от Q | 50 +/- 10 | 50 +/- 10 | 50 +/- 10 | 30 +/- 10 | 30 | 25 | 25 +/- 4 | 20 +/- 3 | 40 +/- 6 | 35 +/- 5 | 25 +/- 3 | 15 | 12 |
+/- 5 | +/- 1 |
Колесная база (минимальное расстояние между крайними осями), м | - | - | - | 4,0 | 4,0 | 5,0 | 5,0 | 4,5 | 5,0 | 6,0 | 10 | 11 |
Высота центра массы груза над землей, м (+/- 10%) | 0,5 | 0,6 | 0,6 | 1,5 | 1,6 | 1,8 | 2,0 | 1,0 | 1,2 | 1,2 | 2,2 |
Расстояние от центра масс автомобиля до передней оси, м (+/- 10%) | - | - | - | 3,5 | 3,5 | 4,0 | 4,0 | 2,5 | 3,5 | 4,0 | 7,8 |
7.4.3. Транспортное средство должно быть укомплектовано всеми основными агрегатами. Общее состояние транспортного средства должно удовлетворять требованиям, предъявляемым инструкцией по его эксплуатации, в отношении шин, подвески, регулировки углов установки колес и общего состояния рамы и кузова. Транспортное средство не должно быть модернизировано или подвергнуто ремонту с изменением его характеристик таким образом, чтобы это могло оказать заметное влияние на результат испытания. Топливный бак транспортного средства должен быть пустым. Аккумуляторы должны быть демонтированы. В системе кондиционирования (при наличии) должно отсутствовать давление хладагента. Должны быть слиты все масла и рабочие жидкости, включая охлаждающую жидкость системы охлаждения двигателя, за исключением необходимых для нормального функционирования рулевого управления и подвески (например, амортизаторной жидкости). Допускается не опорожнять гидравлические тормозные системы. Допускается не сливать масло и рабочие жидкости из отдельных узлов и агрегатов, если возможность их слива при выполнении регламентных работ не предусматривается конструкцией автомобиля или их выброс или утечка в процессе и после столкновения автомобиля с ограждением маловероятны.
Транспортное средство должно быть чистым. Перед началом испытаний с него должна быть удалена вся грязь и влага, которые могут вызвать возникновение пыли и брызг при ударе, способных ухудшить условия ведения кино- и видеосъемки. С этой же целью для уменьшения количества стеклянной и пластиковой крошки, образующейся в процессе соударения автомобиля с ограждением, допускается демонтаж светотехнических устройств, а также невклеиваемого остекления кабины (салона).
7.4.4. Для облегчения проведения анализа результатов испытаний на транспортное средство наносят маркировочные метки и порядковый номер испытания. У легкового автомобиля номер наносят на капот и передние двери, у автобуса - на переднюю и обе боковые панели кузова; у грузового автомобиля - на обе двери кабины. Маркировочные метки наносят на капот и кабину транспортного средства.
7.5. Требования к оборудованию транспортного средства
7.5.1. Минимальный перечень оборудования транспортного средства для записи линейных ускорений и угловых скоростей включает в себя набор из трех линейных преобразователей ускорения и угловых скоростей (ориентированных взаимно перпендикулярно, выровненных по главным осям транспортного средства - продольной, поперечной и вертикальной) и одного преобразователя угловой скорости для записи скорости отклонения.
Три акселерометра и датчик отклонения скорости помещают в один блок и располагают как можно ближе к центру тяжести транспортного средства. Преобразователи ускорения и угловой скорости и соответствующие записывающие устройства должны соответствовать требованиям
[1], класс частот определяется в соответствии с требованиями
[2].
7.5.2. Легковой автомобиль может быть дополнительно оснащен двумя полноразмерными манекенами, размещенными на передних сидениях и закрепленными ремнями безопасности.
7.6. Требования к измерительным устройствам и регистрирующей аппаратуре
Измерительные устройства должны обеспечивать получение данных о скорости наезда автомобиля на ограждение, о значениях скорости и угла выбега автомобиля в момент прекращения его контакта с ограждением, а также об ускорениях в центре масс автомобиля по его трем главным осям в процессе взаимодействия автомобиля с ограждением.
Для измерений скорости наезда следует использовать стационарное устройство, находящееся рядом с полосой разгона и обеспечивающее измерение скорости автомобиля в момент его нахождения на расстоянии не более 5 м от точки контакта с ограждением. Для определения угла наезда следует использовать данные высокоскоростной кино-, видеосъемки, выполненной сверху.
Высокоскоростная кино-, видеосъемка должна осуществляться с минимальной частотой 200 кадров/с.
Для видеосъемки участков, представляющих особый интерес, могут быть использованы дополнительные камеры:
- одна камера, работающая с нормальной скоростью 24 кадра/с, располагается в правом углу траектории движения транспортного средства;
- одну или две высокоскоростные камеры располагают сверху таким образом, чтобы они могли зафиксировать движение транспортного средства как минимум за 5 м до точки удара и до выхода за границы площадки выбега;
- одна высокоскоростная камера снимает вдоль ограждения из точки сзади удара для того, чтобы записать вращение транспортного средства, вертикальный подъем, последовательность повреждений во время удара;
- одна высокоскоростная камера снимает вдоль ограждения спереди (из точки, в направлении которой двигается автомобиль после удара).
Для измерений ускорений в центре масс автомобиля по его главным осям следует использовать блок датчиков ускорений по
7.5.1. Регистрация данных с этих датчиков может осуществляться с помощью измерительного комплекса, размещенного в автомобиле сопровождения. В этом случае автомобиль сопровождения движется вслед за испытательным транспортным средством на безопасном расстоянии и связан с его приборами кабелем.
7.7. Порядок проведения испытания
7.7.1. До начала испытания выполняют следующие работы:
- регистрируют массу и расположение центра массы транспортного средства, включая добавленный груз в соответствии с
[3];
- определяют распределение масс по осям;
- фотографируют внутреннюю и внешнюю части транспортного средства;
- фотографируют положение и конструкцию ограждения.
При необходимости определяют моменты инерции транспортного средства в трех плоскостях (на специальном стенде).
Испытательный автомобиль устанавливают на разгонной полосе, проводят проверку сцепных устройств испытательного автомобиля с тягачом.
7.7.2. В процессе испытания осуществляют разгон автомобиля (автобуса) тягачом до заданной скорости столкновения в соответствии с выбранным режимом испытаний. Сброс тянущего троса с автомобиля осуществляется не менее чем за 5 м от точки контакта автомобиля с ограждением.
Процесс соударения снимают высокоскоростными кино- и (или) видеокамерами, установленными таким образом, чтобы была проведена полная запись реакции транспортного средства и поведения ограждения, и по ее результатам можно было определить динамический прогиб и рабочую ширину ограждения. Съемка проводится вдоль линии ограждения и сверху.
Во время испытаний фиксируют:
- скорость транспортного средства перед столкновением с ограждением;
- углы наезда и выбега транспортного средства;
- линейные ускорения и угловые скорости различных точек на испытательном автомобиле.
Скорость испытательного автомобиля перед столкновением с ограждением должна измеряться на расстоянии не более 5 м от места столкновения. Погрешность измерения скорости не должна превышать 1,5%.
Значение фактического угла наезда автомобиля на ограждение определяют по результатам обработки кино- и/или видеосъемки (точность измерений - не ниже 1,0°).
Значения параметров перегрузок, действующих на испытательный автомобиль в процессе взаимодействия с ограждением, регистрируют с использованием датчиков, перечисленных в
7.5.1. Погрешность измерений перегрузок не должна превышать 3%.
7.7.3. После испытаний фиксируют:
- повреждения и деформации испытательного транспортного средства, включая деформацию кабины;
- повреждения и остаточную деформацию испытанного ограждения.
Фотографируют транспортное средство и ограждение, обрабатывают результаты испытаний.
7.8. Обработка результатов испытания
7.8.1. Оценка безопасности выбега в пределах допускаемой полосы осуществляется путем обработки кино- и/или видеосъемки, выполненной сверху и навстречу движению испытательного автомобиля.
Траектория транспортного средства в процессе выбега оценивается в соответствии со схемой, представленной на рисунке 6.
1 - траектория наезда, 2 - ограждение,
3 - траектория выбега, удовлетворяющая требованиям
безопасности, 4 - траектория выбега, не удовлетворяющая
требованиям безопасности
Рисунок 6. Границы коридора выбега автомобиля
после столкновения с ограждением
Безопасным считается выбег, при котором испытательный автомобиль после взаимодействия с ограждением движется в пределах полосы шириной K на длине коридора B (см. рисунок 6). Рассматривают траекторию движения переднего колеса со стороны ограждения. Длину коридора B принимают равной 10 м или 20 м соответственно при наезде легковым и грузовым (автобусом) автомобилем. Ширину коридора определяют по формуле (2)
K = C + 0,16·L + 0,22·B, (2)
где C и L - габаритные ширина и длина испытательного автомобиля, м.
7.8.2. Прогиб ограждения определяют при обработке кино- и/или видеоматериалов и измерением остаточной деформации ограждения после испытаний. Определяют динамический прогиб ограждения, рабочую ширину и остаточную деформацию испытанного ограждения, с округлением числовых значений до второго знака.
7.8.3. Обработка результатов испытания предполагает определение показателей, приведенных в
7.7.1, а также регистрируемых в процессе испытаний.
Скорость в момент контакта ограждения и автомобиля принимают равной средней скорости на участке 5 м перед ограждением с точностью 0,1 м/с.
7.8.4. Фактическую энергию соударения E, кДж, определяют по значению поперечной составляющей скорости, используя формулу (3)

(3)
где Q - масса автомобиля, т;
V - скорость движения автомобиля перед соударением, м/с;

- угол наезда автомобиля на ограждение.
7.8.5. Ускорения в центре масс в трех направлениях определяют по спектру ускорений и выражают в единицах ускорения свободного падения g, принимаемого равным 9,81 м/с
2, что является фактически показателем инерционных перегрузок. Рассматривают участки в зоне самых высоких перегрузок. На этих участках продолжительностью 50 мс определяют средние значения перегрузок, отфильтрованные по частоте 180 Гц (см.
рисунок 7).
1, 2, 3 - сечения с максимальными перегрузками
по осям X, Y и Z
Рисунок 7. Пример совмещенной диаграммы
ускорений (перегрузок) в центре масс автомобиля
по осям X, Y и Z
Обобщенным показателем инерционной перегрузки в центре масс автомобиля является показатель индекса безопасности И (индекс тяжести травмирования), определяемый по формуле (4)

(4)
где NX, NY, NZ - средние величины инерционных перегрузок на рассматриваемом участке вдоль продольной, поперечной и вертикальной осей автомобиля, проходящих через центр масс.
7.8.6. Результатом измерений деформации кабины является коэффициент сохранности внутренних размеров после удара. При испытании боковых ограждений измеряют расстояние между стенами кабины в поперечном направлении на уровне деформированного участка:
- в плоскости центра масс - для легкового автомобиля;
- в плоскости водителя - для грузового автомобиля;
- в плоскости водителя и в плоскости последних рядов сидений, если удар произошел со стороны водителя, - для автобуса;
- если удар произошел со стороны, противоположной водителю (справа при левостороннем расположении руля), - в плоскости передних и задних рядов.
Коэффициент сохранности внутренних размеров кабины равен отношению измеренных расстояний до и после удара.
7.9. Требования к протоколу и отчету
По результатам испытания составляют протокол и отчет.
7.9.1. Протокол испытания должен содержать следующие разделы:
1. Данные испытательного центра
Наименование и адрес.
Номера телефона и факса.
2. Данные заказчика
Наименование заказчика.
Адрес.
Номера телефона и факса.
3. Данные объекта испытаний
Марка объекта.
Чертежи объекта, представленные заказчиком.
4. Режим испытания
Испытательный автомобиль (тип, марка).
Режим испытания:
- скорость наезда, км/ч;
- полная масса испытательного автомобиля, распределение ее по осям;
- положение центра масс испытательного автомобиля.
5. Характеристика объекта, установленного на полигоне
Длина начального, рабочего и конечного участков объекта.
Положение рабочего участка относительно оси полосы разгона.
Фотографии объекта.
6. Результаты испытания
Дата испытания.
Погодные условия при испытании.
Скорость наезда, определенная по результатам испытания, км/ч.
Угол наезда, град.
Выбег автомобиля в пределах площадки (да/нет).
Поведение автомобиля:
- опрокинулся через ограждение (да/нет);
- опрокинулся перед ограждением (да/нет).
Схема траектории движения автомобиля.
Динамический прогиб ограждения, м.
Остаточный прогиб ограждения, м.
Рабочая ширина ограждения, м.
Длина пути взаимодействия автомобиля и ограждения, м.
Место возникновения контакта автомобиля и ограждения.
Разрушение и отделение элементов ограждения (да/нет).
Деформации элементов ограждения.
Особенности работы начального и конечного участков ограждения.
Фотографии ограждений после испытания.
Графики перегрузок в центре масс автомобиля.
Обобщенный индекс тяжести травм.
Фотографии автомобиля.
7. Утверждение протокола
Дата и подписи.
7.9.2. Отчет по результатам испытания должен содержать следующие разделы:
1. Анализ результатов по критериям приемки.
2. Фотографическая часть отчета (подробные фотографии ограждения и автомобиля до наезда, в процессе взаимодействия).
3. Выводы и рекомендации (рекомендуемые условия применения испытанного ограждения).
7.10. Критерии приемки
7.10.1. Общие положения
7.10.1.1. Натурные испытания считаются состоявшимися, если:
- испытательный автомобиль не изменил своей траектории в процессе разгона (не сошел с разгонной полосы);
- скорость наезда находится в пределах допуска +/- 5% по отношению к ее номинальному значению, в соответствии с выбранным режимом испытания;
- автомобиль, вступивший в контакт с ограждением, не опрокинулся перед ограждением и через ограждение, а также не переехал ограждение;
- автомобиль не получил серьезных повреждений (отрыв осей, отрыв кузова, разрыв стоек кузова легкового автомобиля, падение двигателя);
- не произошло возгорания автомобиля и не произошла разгерметизация топливного бака от контакта с элементами ограждения;
- выбег автомобиля после взаимодействия с ограждением соответствует нормативным ограничениям, установленным в
7.8.1 исходя из условий обеспечения безопасности других участников движения по дороге.
Если одно из указанных условий не соблюдено, составляют только протокол, в котором указывают наиболее вероятную причину недопустимого отклонения и делают вывод о необходимости повторных испытаний. Однако, если скорость наезда превышает установленную для выбранного режима испытания, но результат испытания по критериям, перечисленным в 7.10.1.2, является положительным, испытания могут быть признаны состоявшимися.
7.10.1.2. Приемка испытанных ограждений осуществляется по четырем критериям:
- безопасность пассажиров по
7.10.2;
- безопасность транспортного средства по
7.10.3;
- надежность ограждения по
7.10.4;
- безопасность пешеходов по
7.10.5.
Удовлетворение требованиям по этим критериям означает, что результат испытания положительный и ограждение данной конструкции с зафиксированными при испытании характеристиками (энергоемкость, динамический прогиб и рабочая ширина) может применяться на автомобильных дорогах.
7.10.2. Оценка безопасности пассажиров и водителя
Безопасность людей (пассажиров и водителя), находящихся в автомобиле при наезде на ограждение, оценивают по обобщенному показателю инерционной перегрузки И в центре масс автомобиля
[формула (4)]. Безопасность считается обеспеченной, если экспериментальные значения показателя не превышают допустимых значений И, равных:
- 1,0 - для легкового автомобиля;
- 1,1 - для автобуса и грузового автомобиля при условиях, требующих применения ограждений с уровнем удерживающей способности до У7 включительно;
- 1,3 - для грузового автомобиля или автопоезда при условиях, требующих применения ограждений с уровнем удерживающей способности У8 и более.
В отдельных случаях по требованию заказчика испытаний безопасность пассажиров в легковом автомобиле оценивают по результатам испытаний легкового автомобиля с манекеном. Манекен размещают на месте переднего пассажира.
Степень травмирования манекена при столкновении с испытуемым ограждением должна удовлетворять следующим условиям:
- значение критерия травмирования головы не должно превышать 1000 единиц в соответствии с
[4];
- результирующее ускорение головы при длительности воздействия 3 мс не должно превышать 80g;
- максимальное результирующее ускорение головы не должно превышать 120g;
- растягивающее усилие шеи (кумулятивная величина), приведенное ко времени 0 мс, должно быть не более 3,3 кН;
- сдвигающее усилие в шее (без учета направления действия), приведенное ко времени 0 мс, должно быть не более 3,1 кН;
- изгибающий момент шеи, действующий назад, должен быть не более 57 Нм;
- критерий сжатия грудной клетки должен быть не более 50 мм;
- критерий сжатия бедра (левого, правого), приведенный ко времени 0 мс, должен быть не более 9,07 кН;
- смещение коленных шарниров не должно превышать 15 мм.
7.10.3. Оценка безопасности транспортного средства
Безопасность транспортного средства оценивают по коэффициентам сохранности внутренних размеров в соответствии с
7.8.6 [5]. Среднее арифметическое всех коэффициентов сохранности внутренних размеров, полученных по результатам измерений до и после столкновения транспортного средства с ограждением, не должно быть менее 0,9, а наименьший коэффициент не должен быть менее 0,8.
7.10.4. Оценка надежности работы ограждения
Испытанная конструкция ограждения признается надежной, если удовлетворены следующие требования:
При наезде испытательного автомобиля на ограждение барьерного или комбинированного типа не произошел разрыв направляющей балки.
При наезде испытательного автомобиля на железобетонное ограждение парапетного или бордюрного типа не произошло разрушение конструкции ограждения. Допускается появление трещин или других повреждений железобетонных конструкций, которые существенно не влияют на надежность работы ограждения и устранение которых не требует их замены.
При наезде легкового автомобиля на ограждение мостовой группы не произошел отрыв балки (балок) от консолей-амортизаторов или балок и консолей-амортизаторов от стоек, также должны отсутствовать разрывы болтов во всех элементах.
При наезде грузового автомобиля или автобуса на ограждение дорожной группы не произошло:
- выдергивания стоек из земляного полотна;
- отрыва стоек от закладных деталей (при их наличии);
- повреждения анкеров закладных деталей (при их наличии);
- разрушения бетона цоколя (бордюра), на котором установлены стойки;
- разрушения парапетных блоков (сколы углов и трещины допускаются).
При наезде грузового автомобиля или автобуса на ограждение мостовой группы не произошло:
- разрушения конструкции дорожной одежды в зоне расположения закладных деталей, к которым крепятся стойки;
- повреждения плиты в месте анкеровки ограждений;
- разрывов анкеров закладных деталей.
7.10.5. Оценка безопасности пешеходов
Безопасность пешеходов оценивают по значению прогиба ограждения. При этом сопоставляют прогиб, зафиксированный на стадии испытания, с допустимым прогибом для тех или иных условий применения ограждений. Для того чтобы выполнить подобное сопоставление, в протоколе испытания указывают зафиксированное значение прогиба y при достигнутой энергии удара E.
7.10.6. Вывод
Если одно или несколько ограничений по различным критериям (см.
7.10.2 -
7.10.4) не выдержаны в процессе испытаний, в отчете по результатам испытания указывают сниженное значение потребительских параметров. При этом комиссия, подписавшая протокол, имеет право снизить выходной показатель по энергоемкости не более чем на 15%. Если требуется большее снижение - делают вывод о необходимости корректировки конструкции ограждения и повторных испытаниях.
| ИСО 6487:2012 | Транспорт дорожный. Методы измерений при испытаниях на удар. Контрольно-измерительные приборы (ISO 6487:2012 Road vehicles - Measurement techniques in impact tests-Instrumentation) |
| Правила ЕЭК ООН N 94 (01) | Единообразные предписания, касающиеся официального утверждения транспортных средств в отношении защиты водителя и пассажиров в случае лобового столкновения |
| ИСО 10392:2011 | Транспорт дорожный. Определение центра тяжести (ISO 10392:2011 Road vehicles - Determination of centre of gravity) |
| Правила ЕЭК ООН N 94 (02) | Единообразные предписания, касающиеся официального утверждения транспортных средств в отношении защиты водителя и пассажиров в случае лобового столкновения |
| Правила ЕЭК ООН N 33 | Единообразные предписания, касающиеся официального утверждения транспортных средств в отношении поведения их конструкции в случае лобового столкновения. |