Главная // Актуальные документы // ГОСТ (Государственный стандарт)СПРАВКА
Источник публикации
В данном виде документ опубликован не был.
Первоначальный текст документа опубликован в издании
М.: Издательство стандартов, 1986.
Информацию о публикации документов, создающих данную редакцию, см. в справке к этим документам.
Примечание к документу
Документ утратил силу с 1 марта 2017 года в связи с изданием
Приказа Росстандарта от 23.06.2016 N 675-ст. Взамен введен в действие
ГОСТ 10390-2015.
С 1 июля 2003 года до вступления в силу технических регламентов акты федеральных органов исполнительной власти в сфере технического регулирования носят рекомендательный характер и подлежат обязательному исполнению только в части, соответствующей целям, указанным в
пункте 1 статьи 46 Федерального закона от 27.12.2002 N 184-ФЗ.
Изменение N 1, утв. Постановлением Госстандарта СССР от 19.12.1988 N 4240, введено в действие с 1 января 1990 года.
Взамен ГОСТ 10390-71.
Название документа
"ГОСТ 10390-86. Государственный стандарт Союза ССР. Электрооборудование на напряжение свыше 3 кВ. Методы испытаний внешней изоляции в загрязненном состоянии"
(утв. и введен в действие Постановлением Госстандарта СССР от 26.06.1986 N 1860)
(ред. от 19.12.1988)
"ГОСТ 10390-86. Государственный стандарт Союза ССР. Электрооборудование на напряжение свыше 3 кВ. Методы испытаний внешней изоляции в загрязненном состоянии"
(утв. и введен в действие Постановлением Госстандарта СССР от 26.06.1986 N 1860)
(ред. от 19.12.1988)
Утвержден и введен в действие
Постановлением Государственного
комитета по стандартам
от 26 июня 1986 г. N 1860
ГОСУДАРСТВЕННЫЙ СТАНДАРТ СОЮЗА ССР
ЭЛЕКТРООБОРУДОВАНИЕ НА НАПРЯЖЕНИЕ СВЫШЕ 3 кВ
МЕТОДЫ ИСПЫТАНИЙ ВНЕШНЕЙ ИЗОЛЯЦИИ В ЗАГРЯЗНЕННОМ СОСТОЯНИИ
Electrical equipment for voltages 3 kV and higher.
Test methods of electric strength of external
insulation in conditions of contamination
ГОСТ 10390-86
(СТ СЭВ 6109-87)
| | Список изменяющих документов Госстандарта СССР от 19.12.1988 N 4240) | |
Группа Е09
ОКП 34 1000
Взамен ГОСТ 10390-71
Постановлением Государственного комитета СССР по стандартам от 26 июня 1986 г. N 1860 срок введения установлен
с 1 июля 1987 года
РАЗРАБОТАН Министерством электротехнической промышленности
ИСПОЛНИТЕЛИ
И.М. Бортник, В.П. Белотелов, Е.И. Остапенко, В.В. Годулян
ВНЕСЕН Министерством электротехнической промышленности
Начальник главного технического управления
Е.Г. Орлов
УТВЕРЖДЕН И ВВЕДЕН В ДЕЙСТВИЕ Постановлением Государственного комитета по стандартам от 26 июня 1986 г. N 1860
Настоящий стандарт распространяется на электрооборудование, предназначенное для работы в наружных установках переменного тока частоты 50 Гц и постоянного тока классов напряжения 3 кВ и выше: трансформаторы (силовые, тока и напряжения), реакторы, аппараты, конденсаторы, кабельные концевые муфты, а также изоляторы, и устанавливает общие методы испытаний внешней изоляции в загрязненном состоянии при длительном воздействии переменного или постоянного напряжения или коммутационных импульсах.
Стандарт не распространяется на изоляторы, поверхность которых покрыта полупроводящей глазурью или гидрофобными пастами, а также на вентильные разрядники и ограничители перенапряжений.
1.1. Для испытаний используют изоляторы, загрязняющиеся следующими методами:
ПЗ - предварительного загрязнения;
СТ - соленого тумана;
ЕЗ - загрязнения в естественных условиях.
1.2. Для испытаний методом ПЗ изоляторы искусственно покрывают равномерным слоем загрязняющего вещества. В качестве загрязняющего вещества должны применяться материалы или композиции, имеющие в своем составе вещества, растворимые в воде и образующие электролит, создающий на поверхности слой с заданной проводимостью, а также связующее или цементирующее вещество.
Дополнительные указания к этому методу приведены в
приложении 1.
1.3. Для испытаний методом СТ изоляторы устанавливают в помещении, которое заполняют соленым туманом, создаваемым путем распыления в воздухе раствора поваренной соли (NaCl) в воде. Дополнительные указания к этому методу и пример устройства для создания соленого тумана приведены в обязательном
приложении 2.
1.4. Для испытаний методом ЕЗ используют изоляторы, предварительно находившиеся в эксплуатационных условиях или на специальном стенде.
Срок нахождения изоляторов в эксплуатации или на стенде до испытания определяется условиями загрязнения.
Изоляторы должны демонтироваться, упаковываться и транспортироваться таким образом, чтобы имеющийся на них слой загрязнения не был нарушен.
1.5. Испытания должны проводиться на полностью собранных объектах, которые устанавливают в положении (горизонтальном, вертикальном, наклонном), соответствующем их рабочему положению.
Минимальное расстояние между любой точкой испытуемого изолятора и любым заземленным объектом должно быть не менее 0,5 м на 100 кВ испытательного напряжения, но в любом случае не менее 1,5 м.
(в ред.
Изменения N 1, утв. Постановлением Госстандарта СССР от 19.12.1988 N 4240)
1.6. При испытании изоляторов, загрязненных в естественных условиях, когда объем выборки (количество одновременно демонтированных изоляторов, находившихся одно и то же время в зоне с одинаковыми условиями загрязнения) недостаточен для полномасштабных испытаний гирлянд или колонок, допускается определять электрическую прочность тарельчатых изоляторов в гирляндах не менее чем из двух элементов, а опорные изоляторы или покрышки испытывать из одного элемента.
1.7. При испытании переменным или постоянным напряжением допускается испытывать внешнюю изоляцию электрооборудования и изоляторов без внутренней части, а также не макетируя экранную арматуру, провод (ошиновку) и заземленные конструкции (траверсы опор, подножники аппаратов, корпуса трансформаторов и т.д.).
1.8. Источник напряжения (испытательный трансформатор или выпрямительная установка вместе с питающим их устройством) должен выбираться таким, чтобы ток утечки по испытуемому изолятору при напряжении, равном 50%-ному разрядному испытательному, не вызывал снижения напряжения более чем на 10% по сравнению с напряжением холостого хода.
Требования к источнику переменного напряжения устанавливают в соответствии с
Приложением 5 по согласованию между потребителем и изготовителем.
(абзац введен
Изменением N 1, утв. Постановлением Госстандарта СССР от 19.12.1988 N 4240)
Примечание. Источники напряжения постоянного тока при наличии большой выходной емкости могут выбираться с иными характеристиками при условии, если экспериментально показано, что измеряемые при этом разрядные напряжения отличаются от получаемых при большой мощности не более чем на 5%.
| | ИС МЕГАНОРМ: примечание. Взамен ГОСТ 1516.2-76 Постановлением Госстандарта России от 07.04.1998 N 109 с 1 января 1999 года введен в действие ГОСТ 1516.2-97. | |
1.9. Форма кривой напряжения промышленной частоты в режиме испытания должна соответствовать требованиям ГОСТ 1516.2-76. Частота напряжения должна быть (50 +/- 2) Гц.
(в ред.
Изменения N 1, утв. Постановлением Госстандарта СССР от 19.12.1988 N 4240)
1.10. Источник напряжения постоянного тока должен обеспечивать такую форму напряжения, чтобы при испытании пульсация напряжения не превышала 5% основной амплитуды.
1.11. Разрядные испытательные напряжения должны измеряться устройствами, включенными на стороне высокого напряжения параллельно испытуемому объекту. Методы измерения - по
ГОСТ 17512-82.
1.12. Токи утечки должны определяться осциллографированием или другим эквивалентным методом.
1.13. Испытания электрооборудования и изоляторов переменного тока проводят апериодическими коммутационными импульсами с параметрами:
время подъема, мкс ... 100 +/- 20
длительность, мкс ... 5000 +/- 1500
или стандартным колебательным коммутационным импульсом 4000/7500 по ГОСТ 1516.2-76.
2. ПОДГОТОВКА К ИСПЫТАНИЮ
2.1. Изоляторы, предназначенные для испытаний методами ПЗ и СТ, до нанесения слоя загрязнения должны быть тщательно очищены от грязи и жиров.
Используемые для очистки изоляторов посторонние материалы после очистки должны быть тщательно удалены с поверхности изоляторов с тем, чтобы они не могли повлиять на результаты испытаний.
2.2. При проведении испытаний методами ПЗ и ЕЗ в качестве меры степени загрязнения должна использоваться удельная поверхностная электрическая проводимость, измеряемая на испытуемом или контрольном изоляторе, находящемся в одинаковых условиях с испытуемым. Общее число измерений удельной поверхностной проводимости должно быть не менее 5.
Для изоляторов, загрязненных методом ЕЗ, рекомендуется определять удельную поверхностную проводимость отдельных участков, имеющих разную степень загрязнения.
Удельную поверхностную проводимость определяют путем умножения измеренного значения поверхностной проводимости увлажненного до состояния насыщения слоя загрязнения испытуемого изолятора на коэффициент формы f, определяемый из размеров изолятора по формуле
где L - длина пути утечки изолятора;
l - расстояние по поверхности до текущей точки;
r(l) - наикратчайшее расстояние от оси изолятора до текущей точки на его поверхности.
Удельная поверхностная проводимость должна быть приведена к температуре 20 °C.
Поверхностную проводимость увлажненного слоя загрязнения испытуемого изолятора определяют по измеренным значениям тока утечки и напряжения на испытуемом или контрольном изоляторе при приложении к нему переменного или постоянного напряжения, равного разрядному или близкому к нему. При этом напряжение должно прикладываться толчком, а ток утечки должен измеряться в течение 2 - 3 полупериодов после приложения напряжения (до начала подсушки поверхности и интенсивного образования на ней частичных дуг). Допускается проводить измерения при меньших напряжениях, но не менее 2 кВ на метр длины пути утечки.
(в ред.
Изменения N 1, утв. Постановлением Госстандарта СССР от 19.12.1988 N 4240)
Удельная поверхностная проводимость отдельных участков изоляторов, загрязненных методом ЕЗ, должна определяться путем измерения сопротивления между наложенными на них электродами.
Сопротивление может измеряться любым способом при условии, что на всех участках оно будет определяться при одной и той же поверхностной напряженности.
2.3. При испытании изоляторов методом ПЗ определяют поверхностную плотность загрязняющего слоя путем взвешивания загрязняющего вещества, отнесенного к единице поверхности. Общее число измерений должно быть не менее 5.
2.4. При испытании изоляторов методом СТ в качестве меры степени загрязнения должна использоваться соленость раствора, применяемого для создания искусственного тумана. Степень солености раствора может контролироваться как удельной плотностью, так и его удельной электрической проводимостью, отнесенных к 20 °C.
2.5. При испытании изоляторов методом ЕЗ определяют поверхностную плотность загрязнения отдельных участков путем взвешивания количества загрязнения, отнесенного к единице поверхности, а также характеристики загрязняющего вещества (химический состав, содержание растворимых веществ, содержание углеродистых веществ и т.д.).
2.6. Для увлажнения поверхности изолятора как во время нанесения слоя искусственного загрязнения, так и в процессе испытаний, должна применяться вода с проводимостью не более 200 мкСм·см-1 при 20 °C.
3.1. При проведении испытаний начальная температура объекта должна быть по возможности близкой к температуре окружающей среды и отличаться от нее не более чем на +/- 2 °C. Температура окружающего воздуха при испытаниях должна быть в пределах от 5 до 40 °C.
(в ред.
Изменения N 1, утв. Постановлением Госстандарта СССР от 19.12.1988 N 4240)
3.2. Испытания, как правило, должны проводиться не менее чем на 3 изоляторах.
При испытании крупногабаритных объектов класса напряжения 110 кВ и выше, а также гирлянд подвесных изоляторов, составленных из однотипных элементов, число испытываемых объектов (гирлянд) может быть сокращено до одного.
3.3. Один и тот же изолятор, как правило, испытывают один раз. Для следующего приложения напряжения используют другой изолятор с той же степенью загрязнения. Допускается проводить несколько повторных испытаний на одном изоляторе, если после предыдущего воздействия напряжения визуально не отмечено разрушения слоя загрязнения и удельная поверхностная проводимость, замеренная перед очередным приложением напряжения, отличается не более чем на 15% от значения, замеренного перед первым приложением напряжения.
(в ред.
Изменения N 1, утв. Постановлением Госстандарта СССР от 19.12.1988 N 4240)
3.4. Результаты определения разрядных напряжений должны быть приведены к нормальному атмосферному давлению 101300 Па (1013 мбар, 760 мм рт. ст.) путем деления результатов измерений на коэффициент K.
При работе изоляции при пониженных атмосферных давлениях (в высокогорных условиях) значение разрядного напряжения, приведенное к нормальному атмосферному давлению, должно умножаться на коэффициент K.
Значение коэффициента K определяют по формуле
где P - атмосферное давление в условиях опыта или эксплуатации, мм рт. ст.
3.5. При испытании объектов, у которых внешняя изоляция состоит из отдельных последовательно включенных элементов (например, каскадные трансформаторы тока, конденсаторы, гирлянды изоляторов), разрядное напряжение может определяться на одном или нескольких элементах с экстраполяцией полученных результатов на всю конструкцию при условии, если специальными исследованиями будет установлена допустимость такой экстраполяции.
3.6. Испытание длительным воздействием напряжения проводят с целью:
проверки электрической прочности изоляторов, загрязненных методом ПЗ, при нормированной степени загрязнения и нормированном испытательном напряжении;
определения степени загрязнения изоляторов, загрязненных методом ПЗ, при которой нормированное напряжение равно 50%-ному разрядному напряжению;
определения максимальной выдерживаемой солености при испытании методом СТ;
определения 50%-ного разрядного напряжения изоляторов при данной степени загрязнения.
3.7. При испытании загрязненных изоляторов длительным воздействием переменного или постоянного напряжения должен использоваться один из следующих способов приложения напряжения:
ПД - длительное приложение напряжения к загрязненному изолятору с последующим его увлажнением или к чистому изолятору с последующим осаждением на него соленого тумана;
ПТД - приложение напряжения быстродействующим коммутирующим устройством ("толчком") к загрязненному и заранее увлажненному изолятору и выдержка его при неизменном напряжении и продолжающемся увлажнении;
ПП - плавный подъем напряжения при предварительном увлажнении загрязненного изолятора;
ПТ - приложение напряжения толчком к загрязненному и заранее увлажненному изолятору и выдержке его.
В стандартах или технических условиях на отдельные виды электрооборудования и изоляторы должен быть указан способ приложения напряжения.
3.8. При испытании способом ПД (методы ПЗ, СТ, ЕЗ) к загрязненным изоляторам до начала увлажнения прикладывают напряжение, значение которого в течение всего времени испытания остается неизменным. После этого изолятор увлажняют мелкокапельной влагой. Испытание продолжают до тех пор, пока не произойдет перекрытие изолятора или пока изолятор не выдержит приложенное напряжение в течение заданного времени. Длительность испытания должна приблизительно в два раза превышать время, необходимое для насыщения слоя загрязнения влагой, но не менее 15 мин.
(в ред.
Изменения N 1, утв. Постановлением Госстандарта СССР от 19.12.1988 N 4240)
| | ИС МЕГАНОРМ: примечание. Нумерация пунктов дана в соответствии с официальным текстом документа. | |
3.3. При испытании способом ПТД (методы ПЗ и ЕЗ) изолятор увлажняют мелкокапельной влагой до насыщения слоя загрязнения. Состояние насыщения устанавливают при достижении поверхностного сопротивления (измеренного, например, мегаомметром) установившегося значения. После этого к изолятору, при продолжающемся увлажнении, прикладывают толчком напряжение, значение которого в течение всего времени испытания остается неизменным. Испытание продолжают до тех пор, пока не произойдет перекрытие изолятора или пока изолятор не выдержит приложенное напряжение в течение не менее 15 мин.
(в ред.
Изменения N 1, утв. Постановлением Госстандарта СССР от 19.12.1988 N 4240)
3.10. При испытании способом ПП (методы ПЗ и ЕЗ) загрязненные поверхности изоляторов предварительно увлажняют мелкокапельной влагой до насыщения слоя загрязнения, что может быть установлено по появлению на поверхности этого слоя отдельных капель влаги или в соответствии с
п. 3.9. При этом количество влаги не должно быть чрезмерным и вызывать смывания слоя загрязнения с поверхности испытуемого изолятора.
На изоляторе, предварительно увлажненном до насыщения, производят несколько последовательных измерений разрядных напряжений при плавном подъеме напряжения без дополнительного увлажнения поверхностей изолятора. Измерения проводят до тех пор, пока значения разрядных напряжений не будут систематически возрастать вследствие подсыхания поверхности изолятора.
После этого проводят новое увлажнение и новую серию измерений. Допускается производить несколько повторных серий измерений на одном изоляторе без смены загрязнения, если не наблюдается разрушения слоя загрязнения, приводящего к систематическому увеличению разрядных напряжений в последующих сериях измерений.
Таких серий измерений проводят двенадцать.
За значение разрядного напряжения принимают среднее значение из минимальных, полученных в каждой серии, измерений.
Если минимальное значение разрядного напряжения, полученное на одном и том же изоляторе, в первой серии измерений будет превышать более чем на 10% среднее значение из минимальных, полученных в последующих сериях, то проводят еще одну дополнительную серию измерений, а результат, полученный в первой серии, не учитывают.
Интервалы между двумя подъемами напряжения в каждой серии измерений не должны превышать 1 мин.
Скорость подъема напряжения до величины, равной 50% от ожидаемой величины разрядного напряжения, - произвольная.
Сверх этой величины скорость подъема напряжения должна быть 2 - 10% в секунду. Если во время подъема напряжения будет наблюдаться интенсивная подсушка поверхности изоляторов, то скорость подъема напряжения должна быть увеличена.
3.11. При испытании способом ПТ (методы ПЗ и ЕЗ) поверхность изоляторов предварительно увлажняют так же, как указано в
п. 3.10. После этого к изолятору толчком прикладывают напряжение до тех пор, пока не произойдет разряд или поверхность изолятора настолько подсохнет, что перекрытие его станет невозможным.
Перед каждым приложением напряжения увлажняют поверхности изоляторов.
3.12. 50%-ое разрядное напряжение определяют способом "вверх-вниз".
По этому способу испытательное напряжение изменяют от опыта к опыту на постоянную величину, составляющую 5 - 7% от ожидаемого 50%-ного разрядного напряжения. Порядок изменения напряжения следующий: если на данной ступени произошел разряд, то переходят на ступень ниже, если разряда не было - на ступень выше.
(в ред.
Изменения N 1, утв. Постановлением Госстандарта СССР от 19.12.1988 N 4240)
По результатам измерений определяют 50%-ное разрядное напряжение по следующей формуле
где k - число зачетных ступеней;
Ui - напряжение ступени, В;
ni - число воздействий на i-ой ступени;
N - общее число зачетных воздействий.
Общее число испытаний - не менее 10.
Пример определения 50%-ного разрядного напряжения приведен в справочном
Приложении 3.
3.13. При испытаниях по методу СТ к чистому изолятору прикладывают напряжение, после чего включают туманообразующие сопла и это напряжение держат приложенным до момента перекрытия изолятора или в течение заданного времени.
При этом возможны два способа оценки качества изолятора:
определение максимальной выдерживаемой солености.
Опыты начинают с туманом большой солености, при которой происходит перекрытие изолятора. Последующие испытания проводят при уменьшающихся ступенях солености тумана до тех пор, пока изолятор не выдержит приложенного напряжения в течение 30 мин без перекрытия, после чего опыты на данной ступени солености повторяют. Если изолятор выдержит четыре таких приложения напряжения, то это значение принимают за выдерживаемую соленость;
определение 50%-ного разрядного напряжения.
50%-ное разрядное напряжение определяют так же, как указано в
п. 3.12.
Время выдержки под напряжением при каждом испытании должно быть не менее 30 мин.
3.14. Для определения степени загрязнения, при которой нормированное напряжение равно 50%-ному разрядному, испытания проводят при воздействии испытательного напряжения на нескольких (не менее 4) степенях загрязнения. При каждой степени загрязнения производят не менее 20 приложений напряжения и определяют отношение воздействий, приведших к перекрытию изолятора, к общему числу воздействий. Результаты испытаний наносят на вероятностную бумагу логарифмически нормального распределения, на которой степень загрязнения откладывают по оси абсцисс способом наименьших квадратов и проводят прямую линию, загрязнение, соответствующее вероятности полного разряда p = 0,5, используют для определения 50%-ной разрядной степени загрязнения.
50%-ная разрядная степень загрязнения может определяться также другим методом, обеспечивающим не меньшую точность.
3.15. Разрядные напряжения определяют при нескольких различных степенях загрязнения, обуславливающих изменение разрядных напряжений в пределах от наибольшего фазового напряжения изолятора (или приходящейся на него доли этого напряжения) до напряжения, превышающего фазовое приблизительно в два раза.
Для линейной изоляции разрядные напряжения определяют при нескольких различных значениях поверхностной проводимости:
для нормальной изоляции в пределах от 2 до 15 мкСм;
для усиленной изоляции в пределах от 8 до 45 мкСм.
В стандартах или технических условиях на отдельные типы линейной изоляции указывают конкретное значение поверхностной проводимости из этого интервала.
3.16. Для проверки электрической прочности к изолятору с нормированной степенью загрязнения прикладывают испытательное нормированное напряжение.
Испытания проводят десятью приложениями напряжения. Изолятор считают выдержавшим испытание, если во время испытания не произошло ни одного перекрытия. В случае одного перекрытия испытание должно быть повторено при 10 приложениях напряжения; изолятор считают выдержавшим испытание, если при повторном испытании не произошло ни одного перекрытия.
3.17. Испытания коммутационными импульсами напряжения проводят с целью:
проверки электрической прочности изоляторов, загрязненных методом ПЗ, при нормированной степени загрязнения и испытательном нормированном напряжении;
определения 50%-ного разрядного напряжения изоляторов, загрязненных методом ПЗ, при данной степени загрязнения.
3.18. При испытании коммутационными импульсами к изолятору, загрязненному методом ПЗ, прикладывают предварительное напряжение способом ПТ или ПД. Значение предварительного напряжения должно быть равно наибольшему рабочему напряжению, деленному на

. Изолятор выдерживают под предварительным напряжением до тех пор, пока не произойдет стабилизация процессов в поверхностном слое. Длительность воздействия предварительного напряжения устанавливают на основании предварительных опытов по стабилизации предразрядных процессов на изоляторе, которая может быть определена как визуально, так и регистрацией токов по поверхности, однако длительность предварительного воздействия напряжения должна быть не менее 5 мин. После этого предварительное напряжение и увлажнение отключают и к изолятору прикладывают коммутационный испытательный импульс. Интервал между отключением длительного напряжения и включением импульса не должен превышать 30 с.
3.19. При испытании определяют 50%-ное разрядное напряжение способом "вверх-вниз", как указано в
п. 3.12. Перед каждым новым приложением напряжения проводят увлажнение.
3.20. Проверка электрической прочности изоляторов на коммутационных импульсах должна проводиться в соответствии с
п. 3.16.
4. ОБРАБОТКА РЕЗУЛЬТАТОВ ИСПЫТАНИЙ
4.1. В протоколах испытаний должны быть указаны:
тип испытуемого изолятора;
эскиз с основными размерами испытанных изоляторов (габариты, длина пути утечки, коэффициент формы изолятора), а для нестандартных изоляторов - чертеж изоляционной части;
параметры испытательной установки;
характеристика загрязняющего вещества;
измеренные значения поверхностной проводимости, при которой проводились испытания, и способы ее определения;
поверхностная плотность загрязнения и соли;
соленость тумана;
способ увлажнения;
способ приложения напряжения;
результаты испытаний.
(п. 4.1 в ред.
Изменения N 1, утв. Постановлением Госстандарта СССР от 19.12.1988 N 4240)
Обязательное
ДОПОЛНИТЕЛЬНЫЕ УКАЗАНИЯ К МЕТОДУ
ПРЕДВАРИТЕЛЬНОГО ЗАГРЯЗНЕНИЯ (ПЗ)
Госстандарта СССР от 19.12.1988 N 4240)
1. В качестве загрязняющих веществ рекомендуется применять суспензии, содержащие в своем составе инертное связующее вещество и поваренную соль (NaCl) не более 10%.
Могут быть применены, например, следующие суспензии:
1) 40 г каолина или аналогичного инертного связующего, 1000 г воды, необходимое количество соли (NaCl) в зависимости от требуемой степени загрязнения;
2) 100 г кизельгура, 10 г высокодисперсной двуокиси кремния, 1000 г воды, необходимое количество соли (NaCl) в зависимости от требуемой степени загрязнения;
3) содержащие влагу (на основе аэросила, метилцеллюлозы и др.).
2. Изоляторы покрывают слоем искусственного загрязнения любым способом, например:
1) разбрызгиванием водной суспензии загрязняющего вещества на поверхности изолятора;
2) погружением изолятора в водную суспензию загрязняющего вещества.
3. Для приготовления водных суспензий загрязняющих веществ должна применяться вода с удельной электрической проводимостью при 20 °C не более 500 мкСм·см-1.
4. Рекомендуется применять значения удельной поверхностной проводимости из ряда: 5; 10; 15; 20; 30; 40; 50; 60 и 80 мкСм. Максимальное отклонение от номинального значения не должно превышать +/- 15%.
5. Удельная поверхностная проводимость слоя загрязнения

(мкСм) должна быть приведена к температуре 20 °C по формуле
где

- удельная поверхностная проводимость, измеренная при температуре 0 °C;
b - коэффициент, приведенный в
п. 3 Приложения 2.
6. При испытании изоляторов методом предварительного загрязнения рекомендуется дополнительно определять поверхностную плотность соли.
7. Средняя поверхностная плотность загрязнения, выражаемая в миллиграммах сухого вещества на квадратный сантиметр поверхности, для изоляторов, одновременно проходящих испытание, не должна отличаться от заданной более чем на +/- 15%.
8. Равномерность слоя загрязнения в пределах изолятора должна быть такова, чтобы поверхностная плотность слоя загрязнения в любом месте поверхности не отличалась от среднего значения более чем на +/- 25%.
9. Степень неравномерности загрязнения в пределах изолятора рекомендуется контролировать при помощи специальных зондов измерением на заранее выбранных участках поверхности. Проводимость, измеряемая зондом в любом месте поверхности, не должна отличаться от среднего значения более чем на +/- 30%.
10. Поверхностную плотность определяют взвешиванием загрязняющего вещества, счищенного с определенной части поверхности испытуемого или контрольного изолятора.
Поверхностную плотность загрязняющего вещества

определяют по формуле
где M - масса счищенного вещества, мг;
S - площадь очищенной поверхности, см2.
11. Поверхностную плотность соли

определяют по формуле
где m - отношение массы соли к общей массе загрязняющего вещества, состоящего из масс соли и инертного вещества.
Рекомендуется определять поверхностную плотность соли по удельной электрической проводимости раствора загрязняющего вещества, снятого с изолятора, в деминерализованной воде. Слой загрязнения тщательно снимают с поверхности испытуемого или контрольного изолятора. Загрязняющее вещество затем растворяют в определенном количестве деминерализованной воды, и измеряют удельную электрическую проводимость полученного раствора. Концентрацию (соленость) соленого раствора
C (масса NaCl в единице объема раствора) определяют по удельной электрической проводимости и температуре раствора с использованием таблицы, приведенной в
Приложении 2.
Плотность соли на изоляторе

определяют по формуле
где V - объем соленого раствора, см3;
S - площадь очищенной поверхности, см2".
Обязательное
К МЕТОДУ СОЛЯНОГО ТУМАНА (СТ)
1. Перед испытанием все металлические части и цемент должны быть окрашены противокоррозийной краской. При очистке должны быть удалены следы грязи и жиров, после чего изолятор должен быть ополоснут водой с проводимостью не более 500 мкСм·см-1.
2. Соленый раствор должен приготовляться путем растворения в воде соли (NaCl) в заданной концентрации в граммах на литр. Концентрация раствора может быть измерена по плотности (ареометром) или проводимости с поправкой на температуру.
Рекомендуется применение следующего ряда концентрации: 2,5; 3,5; 5; 7%; 10; 14; 20; 28; 40; 56; 80; 112; 160 в 224 г/л. Максимальное отклонение от номинального значения не должно превышать +/- 5%.
(в ред.
Изменения N 1, утв. Постановлением Госстандарта СССР от 19.12.1988 N 4240)
Значения удельной электрической проводимости и плотности раствора, отвечающие этому ряду концентрации раствора, указаны в таблице данного приложения.
Соленость раствора при 20 °C, г/л | Плотность раствора при 20 °C, кг/л | Удельная электрическая проводимость раствора при 20 °C, мСм·см-1 |
2,5 | 0,9999 | 4,32 |
(в ред. Изменения N 1, утв. Постановлением Госстандарта СССР от 19.12.1988 N 4240) |
3,5 | 1,0007 | 6,0 |
(в ред. Изменения N 1, утв. Постановлением Госстандарта СССР от 19.12.1988 N 4240) |
5 | 1,0017 | 8,33 |
7 | 1,0031 | 11,52 |
10 | 1,0052 | 15,91 |
14 | 1,0082 | 21,59 |
(в ред. Изменения N 1, утв. Постановлением Госстандарта СССР от 19.12.1988 N 4240) |
20 | 1,0124 | 29,86 |
28 | 1,0180 | 40,97 |
40 | 1,0259 | 55,94 |
56 | 1,0373 | 75,63 |
(в ред. Изменения N 1, утв. Постановлением Госстандарта СССР от 19.12.1988 N 4240) |
80 | 1,0527 | 100,80 |
112 | 1,0746 | 130,10 |
(в ред. Изменения N 1, утв. Постановлением Госстандарта СССР от 19.12.1988 N 4240) |
160 | 1,1045 | 167,30 |
224 | 1,1400 | 202,60 |
(в ред. Изменения N 1, утв. Постановлением Госстандарта СССР от 19.12.1988 N 4240) |
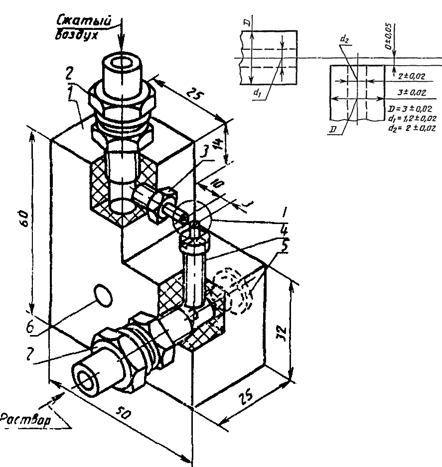
3. Пример устройства для создания в помещении солевого тумана приведен на чертеже.
Устройство для создания соленого тумана
Госстандарта СССР от 19.12.1988 N 4240)
1 - корпус из пластика; 2 - соединительная гайка
из нержавеющей стали; 3 - гайка с резьбой М6
и внутренним отверстием диаметром 1,2 мм;
4 - деталь из нержавеющей стали с резьбой М6
и внутренним отверстием диаметра 2,0 мм;
5 - заглушка из пластика; 6 - отверстие для крепления
Госстандарта СССР от 19.12.1988 N 4240)
При помощи определенного числа распылителей из соленого раствора струей сжатого воздуха, проходящей поперек сопла подающего раствор, создают мелкий туман.
Концы обоих сопел должны быть срезаны перпендикулярно оси и полированы.
В период испытания расход воды на каждое сопло должен составлять (0,5 +/- 0,05) л/мин и допуск на расход воды всеми распылителями должен составлять +/- 5%.
Распылители устанавливают на двух параллельных колоннах, располагаемых с противоположных сторон испытуемого изолятора, параллельных его оси, т.е. для подвесных гирлянд колонны располагаются вертикально, а для натяжных гирлянд - горизонтально. В случае наклонного расположения изолятора колонны должны также располагаться наклонно. Расстояние между распылителями и осью изолятора должно составлять (3 +/- 0,05) м.
Распылители должны быть установлены на колоннах с интервалом 0,6 м. Каждый распылитель установлен перпендикулярно оси колонны по направлению к противоположной колонне в пределах 1° по проекции факела. Средняя точка изолятора должна располагаться по центру с распылителями. Обе колонны должны с обоих концов выступать за края изолятора на 0,6 м. При вертикальных изоляторах нижнее сопло должно быть на 0,6 м выше пола помещения.
Минимальное число сопел (N) на колонке не должно быть менее рассчитанного по формуле
где H - высота изолятора, м.
(абзац введен
Изменением N 1, утв. Постановлением Госстандарта СССР от 19.12.1988 N 4240)
К воздушному соплу должен подводиться отфильтрованный очищенный от масла сжатый воздух при давлении (7 +/- 0,28) кгс/см2.
Настоящее устройство пригодно для испытаний при напряжении до 600 кВ. При этом число распылителей в колонне может быть доведено до 10 и более. При испытании объектов меньшего класса напряжения число сопел в колонне может быть уменьшено.
Если температура раствора отличается от 20 °C, значения проводимости должны быть пересчитаны по следующей формуле
где t - температура раствора, °C;

- проводимость при температуре t °C, мСм·см
-1;

- проводимость при температуре 20 °C, мСм·см
-1;
b - коэффициент со следующими значениями:
при t = 0 °C .......................... 0,03675
при t = 10 °C ......................... 0,02817
при t = 20 °C ......................... 0,02277
при t = 30 °C ......................... 0,01905
Для промежуточных температур значения b могут быть получены интерполяцией.
Справочное
ПРИМЕР ОПРЕДЕЛЕНИЯ 50%-НОГО РАЗРЯДНОГО НАПРЯЖЕНИЯ
Расчет производят на основании результатов испытаний, приведенных к таблице данного приложения (X - перекрытие, O - нет перекрытия).
Номер ступени | Воздействующее напряжение Ui, кВ | Номер воздействия | Количество воздействий на ступени ni | Примечание |
1 | 2 | 3 | 4 | 5 | 6 | 7 | 8 | 9 | 10 | 11 | 12 |
- | 34 | X | | | | | | | | | | | | 1 | Незачетные точки |
- | 32 | | X | | | | | | | | | | | 1 |
1 | 30 | | | X | | X | | | | | | | | 2 | Зачетные точки |
2 | 28 | | | | O | | X | | | | | | X | 4 |
3 | 26 | | | | | | | O | | X | | O | | 3 |
4 | 24 | | | | | | | | | | O | | | 1 |
Примечание. Зачетными являются точки всех ступеней, на которых имели место как наличие, так и отсутствие перекрытий, а также точки ближайшей ступени, на которой имели место только перекрытия, и ближайшей ступени, на которой перекрытия отсутствовали.
Справочное
ПОЯСНЕНИЕ
ТЕРМИНОВ, ВСТРЕЧАЮЩИХСЯ В СТАНДАРТЕ
Испытательные напряжения - напряжение установленной величины, приложенное к изолятору.
50%-ное разрядное напряжение - величина напряжения, вызывающая в 50% случаев приложения разряд по изолятору.
Ток утечки - ток, протекающий по поверхности испытуемого изолятора при приложении к нему напряжения заданной величины.
Длина пути утечки - кратчайшее расстояние по поверхности изолятора между его электродами.
Максимальная выдерживаемая соленость - наибольшая соленость тумана, при нахождении в котором изолятор выдерживает заданное напряжение в течение установленного времени без его перекрытия.
Обязательное
ТРЕБОВАНИЯ К ИСТОЧНИКУ ПЕРЕМЕННОГО НАПРЯЖЕНИЯ
Госстандарта СССР от 19.12.1988 N 4240)
Источник переменного напряжения (испытательный трансформатор вместе с питающим устройством) следует выбирать так, чтобы эффективное значение тока короткого замыкания не менее чем в 10 раз превышало наибольшее значение амплитуды импульсов тока утечки по испытуемому изолятору, возникающих в процессе испытания и не приводящих к перекрытию изолятора.