Главная // Актуальные документы // ГОСТ (Государственный стандарт)СПРАВКА
Источник публикации
М.: Издательство стандартов, 1987
Примечание к документу
С 1 июля 2003 года до вступления в силу технических регламентов акты федеральных органов исполнительной власти в сфере технического регулирования носят рекомендательный характер и подлежат обязательному исполнению только в части, соответствующей целям, указанным в
пункте 1 статьи 46 Федерального закона от 27.12.2002 N 184-ФЗ.
Ограничение срока действия снято по Протоколу N 3-93 Межгосударственного совета по стандартизации, метрологии и сертификации ("ИУС", N 5-6, 1993).
Срок действия продлен до 1 января 1992 года Постановлением Госстандарта СССР от 04.02.1986 N 271.
Документ
введен в действие с 1 января 1977 года.
Взамен ГОСТ 9453-60.
Название документа
"ГОСТ 9453-75. Государственный стандарт Союза ССР. Волоки-заготовки из твердых спеченных сплавов для волочения проволоки и прутков круглого сечения"
(утв. и введен в действие Постановлением Госстандарта СССР от 25.03.1975 N 737)
(ред. от 01.07.1987)
"ГОСТ 9453-75. Государственный стандарт Союза ССР. Волоки-заготовки из твердых спеченных сплавов для волочения проволоки и прутков круглого сечения"
(утв. и введен в действие Постановлением Госстандарта СССР от 25.03.1975 N 737)
(ред. от 01.07.1987)
Утвержден и введен в действие
Постановлением
Государственного комитета стандартов
Совета Министров СССР
от 25 марта 1975 г. N 737
ГОСУДАРСТВЕННЫЙ СТАНДАРТ СОЮЗА ССР
ВОЛОКИ-ЗАГОТОВКИ ИЗ ТВЕРДЫХ СПЕЧЕННЫХ СПЛАВОВ
ДЛЯ ВОЛОЧЕНИЯ ПРОВОЛОКИ И ПРУТКОВ КРУГЛОГО СЕЧЕНИЯ
Dies-blanks of sintered hard alloys
for drawing wire and round section rods
ГОСТ 9453-75
| | Список изменяющих документов (в ред. Изменения N 1, утв. в декабре 1981 г., Изменения N 2, утв. в феврале 1986 г., Изменения N 3, утв. в июле 1987 г.) | |
1980-0000
ОКП 19 6500
Срок действия
с 1 января 1977 года
до 1 января 1992 года
1. РАЗРАБОТАН И ВНЕСЕН Министерством цветной металлургии СССР
ИСПОЛНИТЕЛИ: Н.А. Кудря, канд. техн. наук; В.С. Рыжеванов, канд. техн. наук; Г.Ф. Колдина
2. УТВЕРЖДЕН И ВВЕДЕН В ДЕЙСТВИЕ Постановлением Государственного комитета стандартов Совета Министров СССР от 25.03.75 N 737
3. ВЗАМЕН ГОСТ 9453-60
4. ССЫЛОЧНЫЕ НОРМАТИВНО-ТЕХНИЧЕСКИЕ ДОКУМЕНТЫ
Обозначение НТД, на который дана ссылка | Номер пункта |
| |
ГОСТ 19106-73 | |
| |
ГОСТ 20018-74 | |
ГОСТ 20019-74 | |
5. ПЕРЕИЗДАНИЕ (июль 1987 г.) с Изменениями N 1, 2, 3, утвержденными в декабре 1981 г., феврале 1986 г., июле 1987 г. (ИУС 4-82, 5-86, 11-87)
6. СРОК ДЕЙСТВИЯ ПРОДЛЕН до 01.01.92 Постановлением Госстандарта от 04.02.86 N 271
Настоящий стандарт распространяется на волоки-заготовки из твердых спеченных сплавов для инструмента, предназначенного для волочения проволоки и прутков круглого сечения из черных и цветных металлов.
1.1. Формы и размеры волоков-заготовок должны соответствовать указанным на черт. 1 -
20 и в
табл. 1 -
20.
Размеры в мм
Обозначение волоков-заготовок | Применяемость | D | H | h | h1 | Масса, г, не более, для твердого сплава марок |
ВК3, ВК3М | ВК4 |
1980-0001 | | 6,0 | 4,0 | 1,4 | 0,8 | 1,60 | 1,59 |
1980-0002 | | 8,0 | 5,0 | 1,6 | 1,0 | 3,59 | 3,57 |
Пример условного обозначения волока-заготовки формы 1 размером D = 6,0 мм из твердого сплава марки ВК3:
Волок-заготовка 1980-0001 ВК3 ГОСТ 9453-75
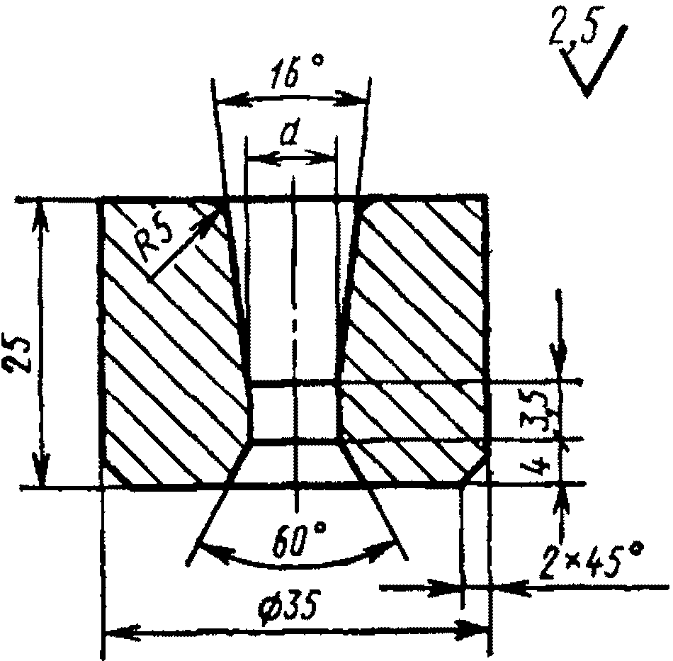
Черт. 2
Таблица 2
Размеры в мм
Обозначение волоков-заготовок | Применяемость | D | H | d | h | h1 | h2 | r | Масса, г, не более, для твердого сплава марок |
ВК3, ВК3М | ВК4 |
1980-0011 | | 6,0 | 4,0 | 0,1 | 0,6 | 0,8 | 1,2 | 1,2 | 1,59 | 1,58 |
1980-0012 | | 0,2 | 0,7 |
1980-0013 | | 0,4 | 0,8 |
1980-0014 | | 8,0 | 5,0 | 0,1 | 0,6 | 1,0 | 1,5 | 1,5 | 3,58 | 3,56 |
1980-0015 | | 0,2 | 0,7 |
1980-0016 | | 0,4 | 0,8 | 3,57 | 3,55 |
Пример условного обозначения волока-заготовки формы 2 размерами D = 6,0 мм, d = 0,1 мм из твердого сплава марки ВК3:
Волок-заготовка 1980-0011 ВК3 ГОСТ 9453-75
Черт. 3
Таблица 3
Размеры в мм
Обозначение волока-заготовки | D | H | d | h | h1 | Масса, г, не более, для твердого сплава марок |
ВК3, ВК3М | ВК4 |
1980-0021 | 6,0 | 4,0 | 0,1 | 0,6 | 1,3 | 1,61 | 1,6 |
1980-0022 | 0,2 | 0,7 | 1,5 |
1980-0023 | 8,0 | 5,0 | 0,1 | 0,6 | 1,8 | 3,68 | 3,65 |
1980-0024 | 0,4 | 0,8 | 2,1 | 3,63 | 3,60 |
Пример условного обозначения волока-заготовки формы 3 размерами D = 6,0 мм, d = 0,1 мм из твердого сплава марки ВК3:
Волок-заготовка 1980-0021 ВК3 ГОСТ 9453-75
Черт. 4
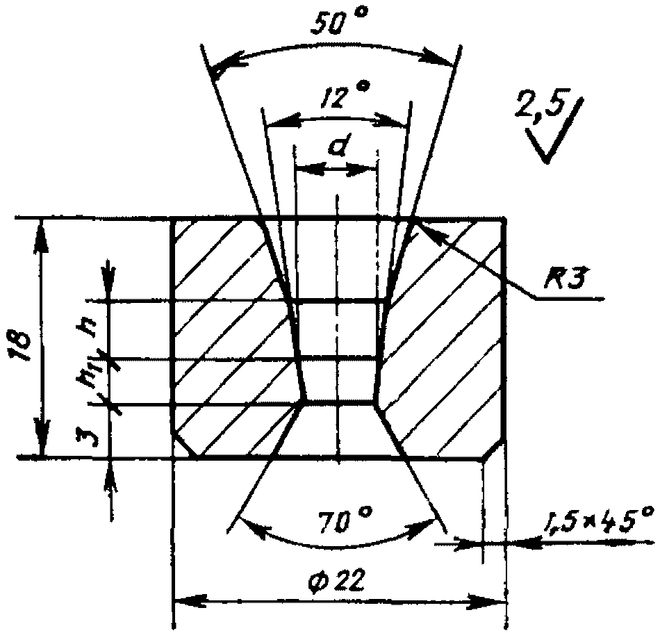
Таблица 4
Размеры в мм
Обозначение волоков-заготовок | Применяемость | d | h | h1 | h2 | Масса, г, не более, для твердого сплава марок |
ВК3, ВК3М | ВК4 |
1980-0031 | | 0,6 | 1,3 | 0,2 | 1,5 | 3,48 | 3,46 |
1980-0032 | | 0,8 | 1,5 | 0,3 | 1,3 | 3,46 | 3,44 |
1980-0033 | | 1,0 | 1,8 | 3,42 | 3,40 |
1980-0034 | | 1,3 | 2,1 | 0,4 | 1,0 | 3,39 | 3,37 |
Пример условного обозначения волока-заготовки формы 4 размером d = 0,6 мм из твердого сплава марки ВК3:
Волок-заготовка 1980-0031 ВК3 ГОСТ 9453-75
Черт. 5
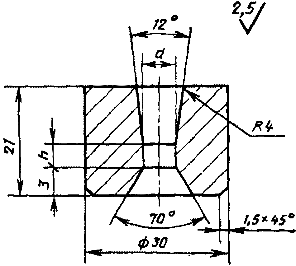
Таблица 5
Размеры в мм
Обозначение волоков-заготовок | Применяемость | d | h | h1 | h2 | Масса, г, не более, для твердого сплава марок |
ВК3, ВК3М | ВК4 |
1980-0041 | | 0,2 | 1,2 | 0,2 | 2,5 | 5,59 | 5,56 |
1980-0042 | | 0,4 | 5,57 | 5,54 |
1980-0043 | | 0,6 | 1,4 | 2,3 | 5,55 | 5,52 |
1980-0044 | | 0,8 | 1,8 | 0,3 | 2,0 |
1980-0045 | | 1,0 | 2,1 | 1,8 | 5,54 | 5,51 |
1980-0046 | | 1,3 | 2,4 | 0,4 | 1,5 | 5,48 | 5,45 |
1980-0047 | | 1,5 | 2,6 | 0,5 | 1,3 | 5,41 | 5,38 |
| | 0,1 | 1,2 | 0,2 | 2,5 | 5,60 | 5,58 |
--------------------------------
<*> Срок введения с 01.07.88.
Пример условного обозначения волока-заготовки формы 5 размером d = 0,2 мм из твердого сплава марки ВК3:
Волок-заготовка 1980-0041 ВК3 ГОСТ 9453-75
Черт. 6
Таблица 6
Размеры в мм
Обозначение волоков-заготовок | Применяемость | d | h | h1 | h2 | h3 | Масса, г, не более, для твердого сплава марок |
ВК3, ВК3М | ВК4 |
1980-0051 | | 0,5 | 2,0 | 0,3 | 3,0 | 2,5 | 12,9 | 12,8 |
1980-0052 | | 0,8 | 2,8 | 2,6 |
1980-0053 | | 1,3 | 3,5 | 0,4 | 2,2 | 2,0 | 12,7 | 12,7 |
1980-0054 | | 1,8 | 4,5 | 1,8 | 1,5 | 12,6 | 12,5 |
1980-0055 | | 2,3 | 5,5 | 0,6 | 1,5 | 12,5 | 12,4 |
1980-0602 | | 1,1 | 3,5 | 0,4 | 2,2 | 2,0 | 12,7 | 12,7 |
Пример условного обозначения волока-заготовки формы 6 размером d = 0,5 мм из твердого сплава марки ВК3:
Волок-заготовка 1980-0051 ВК3 ГОСТ 9453-75
Черт. 7
Таблица 7
Обозначение волоков-заготовок | Применяемость | d, мм | Масса, г, не более, для твердого сплава марок |
ВК3, ВК3М | ВК4 | ВК6, ВК6М |
1980-0061 | | 0,3 | 18,8 | 18,6 | 18,4 |
1980-0062 | | 0,5 | 18,6 | 18,4 | 18,2 |
Пример условного обозначения волока-заготовки формы 7 размером d = 0,3 мм из твердого сплава марки ВК3:
Волок-заготовка 1980-0061 ВК3 ГОСТ 9453-75
Черт. 8
Таблица 8
Размеры в мм
Обозначение волоков-заготовок | Применяемость | d | h | h1 | h2 | h3 | Масса, г, не более, для твердого сплава марок |
ВК3, ВК3М | ВК4 | ВК6, ВК6М |
1980-0071 | | 0,8 | 2,5 | 0,3 | 4,7 | 3,0 | 38,7 | 38,5 | 38,0 |
1980-0072 | | 1,3 | 3,5 | 0,4 | 4,2 | 38,4 | 38,2 | 37,8 |
1980-0073 | | 1,5 | 4,0 | 4,0 | 2,5 | 38,3 | 38,0 | 37,6 |
1980-0074 | | 1,8 | 4,5 | 3,8 | 38,2 |
1980-0075 | | 2,0 | 5,0 | 3,5 | 38,1 | 37,9 | 37,5 |
1980-0076 | | 2,3 | 5,5 | 0,5 | 3,3 | 2,0 | 37,8 | 37,4 |
1980-0077 | | 2,5 | 6,0 | 3,1 | 38,0 |
1980-0078 | | 2,8 | 6,5 | 2,9 | 37,9 | 37,7 | 37,2 |
1980-0079 | | 3,2 | 7,5 | 0,6 | 2,4 | 37,8 | 37,6 |
1980-0081 | | 3,4 | 8,0 | 2,2 | 1,5 | 37,4 | 37,1 | 36,7 |
1980-0082 | | 3,8 | 8,5 | 0,7 | 2,0 | 36,9 | 36,5 | 36,1 |
1980-0603 | | 4,2 | 9,0 | 1,8 | 36,5 | 36,1 | 35,8 |
1980-0604 | | 4,7 | 9,5 | 1,6 | 35,2 | 34,8 | 34,4 |
Примечание. По заказу потребителя допускается изготовление волоков-заготовок со смазочным конусом 60°.
Пример условного обозначения волока-заготовки формы 8 размером d = 0,8 мм из твердого сплава марки ВК3:
Волок-заготовка 1980-0071 ВК3 ГОСТ 9453-75
Черт. 9
Таблица 9
Размеры в мм
Обозначение волоков-заготовок | Применяемость | d | h | h1 | Масса, г, не более, для твердого сплава марок |
ВК3, ВК3М | ВК4 | ВК6, ВК6М |
1980-0091 | | 0,8 | 2,5 | 0,3 | 39,0 | 38,5 | 38,2 |
1980-0092 | | 1,0 | 3,0 |
1980-0093 | | 1,3 | 3,5 | 0,4 |
1980-0094 | | 1,5 | 4,0 |
1980-0095 | | 1,8 | 4,5 | 0,5 |
1980-0096 | | 2,0 | 5,0 | 38,9 | 38,4 | 38,1 |
1980-0097 | | 2,3 | 5,5 | 38,8 | 38,3 | 38,0 |
1980-0098 | | 2,5 | 6,0 | 38,6 | 38,1 | 37,9 |
1980-0099 | | 2,8 | 6,5 | 38,5 | 38,0 | 37,8 |
1980-0101 | | 3,0 | 7,0 | 0,6 | 38,4 | 37,9 | 37,6 |
1980-0102 | | 3,3 | 7,5 | 38,2 | 37,7 | 37,4 |
1980-0103 | | 3,5 | 8,0 | 37,9 | 37,5 | 37,2 |
1980-0104 | | 3,8 | 8,5 | 0,7 | 37,8 | 37,3 | 37,0 |
1980-0105 | | 4,2 | 9,0 | 37,6 | 37,1 | 36,8 |
1980-0106 | | 4,7 | 9,5 | 0,8 | 37,4 | 36,9 | 36,6 |
Пример условного обозначения волока-заготовки формы 9 размером d = 0,8 мм из твердого сплава марки ВК3:
Волок-заготовка 1980-0091 ВК3 ГОСТ 9453-75
Черт. 10
Таблица 10
Размеры в мм
Обозначение волоков-заготовок | Применяемость | d | h | h1 | h2 | h3 | Масса, г, не более, для твердого сплава марок |
ВК3, ВК3М | ВК4 | ВК6, ВК6М |
1980-0111 | | 1,5 | 3,2 | 1,0 | 5,6 | 4,0 | 94 | 93 | 92 |
1980-0112 | | 1,8 | 3,5 | 5,2 |
1980-0113 | | 2,3 | 4,7 | 4,8 |
1980-0114 | | 2,7 | 5,8 | 4,5 |
1980-0115 | | 3,2 | 7,0 | 4,1 | 3,5 |
1980-0116 | | 3,8 | 8,2 | 3,8 |
1980-0117 | | 4,0 | 8,4 | 3,6 |
1980-0118 | | 4,2 | 8,8 | 3,4 | 3,0 | 93 |
1980-0119 | | 4,5 | 9,2 | 3,0 | 92 | 92 | 91 |
1980-0121 | | 4,7 | 9,5 |
1980-0122 | | 5,2 | 9,0 | 90 | 90 | 89 |
1980-0123 | | 5,5 | 8,7 | 89 | 88 | 87 |
1980-0124 | | 5,7 | 8,5 | 1,2 |
Примечание. По согласованию изготовителя с потребителем допускается изготовление заготовок волок
форм 5 - 10 с углом рабочего канала 16° и с углом смазочного конуса 60°.
В обозначениях заготовок волок с углом рабочего конуса 16° к цифровому обозначению волок-заготовок добавляется угол рабочего конуса 16°.
Например: Волок-заготовка 1980-0041-16° ВК3 ГОСТ 9453-75
Пример условного обозначения волока-заготовки формы 10 размером d = 1,5 мм из твердого сплава марки ВК3:
Волок-заготовка 1980-0111 ВК3 ГОСТ 9453-75
(Измененная редакция, Изм. N 1).
Черт. 11
Таблица 11
Размеры в мм
Обозначение волоков-заготовок | Применяемость | d | h | h1 | Масса, г, не более, для твердого сплава марок |
ВК3, ВК3М | ВК4 | ВК6, ВК6М |
1980-0131 | | 2,3 | 8,0 | 1,0 | 97 | 96 | 96 |
1980-0132 | | 2,8 | 96 | 95 | 94 |
1980-0133 | | 3,2 | 9,0 |
1980-0134 | | 3,5 |
1980-0135 | | 3,8 |
1980-0136 | | 4,2 | 95 | 94 | 93 |
1980-0137 | | 4,5 | 10,0 |
1980-0138 | | 4,7 | 93 |
1980-0139 | | 5,2 | 93 | 92 | 91 |
1980-0141 | | 5,4 | 11,0 | 1,2 | 92 | 91 | 90 |
1980-0142 | | 5,7 |
1980-0143 | | 6,2 | 91 | 90 | 88 |
Пример условного обозначения волока-заготовки формы 11 размером d = 2,3 мм из твердого сплава марки ВК3:
Волок-заготовка 1980-0131 ВК3 ГОСТ 9453-75
Черт. 12
Таблица 12
Размеры в мм
Обозначение волоков-заготовок | Применяемость | d | h | h1 | h2 | h3 | Масса, г, не более, для твердого сплава марок |
ВК4 | ВК6, ВК6М | ВК8 |
1980-0151 | | 4,2 | 10,0 | 0,8 | 2,5 | 4,0 | 198 | 196 | 193 |
1980-0152 | | 4,7 | 9,5 | 1,0 | 3,0 | 196 | 194 | 191 |
1980-0153 | | 5,2 | 9,0 | 3,5 | 3,0 | 195 | 192 | 190 |
1980-0154 | | 5,4 | 1,2 | 4,0 | 193 | 191 | 189 |
1980-0155 | | 5,7 | 8,8 | 192 | 190 | 187 |
1980-0156 | | 6,0 | 8,5 | 1,5 | 4,5 | 191 | 188 | 186 |
1980-0157 | | 6,2 |
1980-0158 | | 6,7 | 190 | 187 | 185 |
1980-0159 | | 7,0 | 2,0 | 4,0 | 188 | 185 | 183 |
1980-0161 | | 7,7 | 186 | 184 | 181 |
1980-0162 | | 8,0 | 184 | 182 | 180 |
1980-0163 | | 8,6 | 182 | 180 | 178 |
1980-0164 | | 9,0 | 2,5 | 3,5 | 180 | 178 | 176 |
1980-0165 | | 9,6 | 178 | 176 | 174 |
1980-0166 | | 10,0 | 3,5 | 175 | 173 | 171 |
1980-0167 | | 10,5 | 173 | 171 | 169 |
1980-0168 | | 11,5 | 8,0 | 3,0 | 3,0 | 166 | 165 | 163 |
1980-0169 | | 12,5 | 7,5 | 158 | 156 | 154 |
Пример условного обозначения волока-заготовки формы 12 размером d = 4,2 мм из твердого сплава марки ВК4:
Волок-заготовка 1980-0151 ВК4 ГОСТ 9453-75
Черт. 13
Таблица 13
Размеры в мм
Обозначение волоков-заготовок | Применяемость | d | h | Масса, г, не более, для твердого сплава марок |
ВК4 | ВК6, ВК6М | ВК8 |
1980-0171 | | 5,7 | 2,0 | 203 | 202 | 199 |
1980-0172 | | 6,2 | 201 | 200 | 197 |
1980-0173 | | 6,7 | 2,5 | 200 | 198 | 196 |
1980-0174 | | 7,0 | 197 | 195 | 193 |
1980-0175 | | 7,7 | 3,0 | 196 | 194 | 192 |
1980-0176 | | 8,6 | 191 | 190 | 188 |
1980-0177 | | 9,6 | 186 | 185 | 182 |
1980-0178 | | 10,5 | 3,5 | 182 | 180 | 178 |
1980-0179 | | 11,5 | 175 | 174 | 172 |
1980-0181 | | 12,5 | 169 | 168 | 165 |
Пример условного обозначения волока-заготовки формы 13 размером d = 5,7 мм из твердого сплава марки ВК4:
Волок-заготовка 1980-0171 ВК4 ГОСТ 9453-75
Черт. 14
Таблица 14
Размеры в мм
Обозначение волоков-заготовок | Применяемость | d | h | h1 | h2 | h3 | Масса, г, не более, для твердого сплава марок |
ВК4 | ВК6, ВК6М | ВК8 |
1980-0191 | | 9,6 | 8,0 | 3,0 | 5,0 | 4,0 | 273 | 270 | 267 |
1980-0192 | | 10,5 | 267 | 263 | 261 |
1980-0193 | | 11,5 | 260 | 257 | 254 |
1980-0194 | | 12,5 | 9,0 | 4,5 | 255 | 252 | 249 |
1980-0195 | | 13,5 | 9,5 | 3,5 | 3,5 | 250 | 247 | 244 |
1980-0196 | | 14,5 | 10,0 | 243 | 240 | 237 |
1980-0197 | | 15,5 | 10,5 | 4,0 | 237 | 233 | 230 |
1980-0198 | | 16,5 | 11,0 | 230 | 225 | 223 |
Пример условного обозначения волока-заготовки формы 14 размером d = 9,6 мм из твердого сплава марки ВК4:
Волок-заготовка 1980-0191 ВК4 ГОСТ 9453-75
Черт. 15
Таблица 15
Обозначение волоков-заготовок | Применяемость | d, мм | Масса, г, не более, для твердого сплава марок |
ВК6, ВК6М | ВК8 |
1980-0201 | | 14,5 | 279 | 271 |
1980-0202 | | 15,0 | 274 | 266 |
1980-0203 | | 15,5 | 269 | 261 |
Пример условного обозначения волока-заготовки формы 15 размером d = 14,5 мм из твердого сплава марки ВК6:
Волок-заготовка 1980-0201 ВК6 ГОСТ 9453-75
Черт. 16
Таблица 16
Размеры в мм
Обозначение волоков-заготовок | Применяемость | d | d1 | h | h1 | Масса, г, не более, для твердого сплава марок |
ВК6, ВК6М | ВК8 |
1980-0211 | | 14,5 | 30,0 | 3,0 | 6,0 | 726 | 711 |
1980-0212 | | 15,5 | 3,5 | 717 | 702 |
1980-0213 | | 16,5 | 706 | 692 |
1980-0214 | | 17,5 | 4,0 | 5,5 | 696 | 681 |
1980-0215 | | 18,0 | 32,0 | 688 | 674 |
1980-0216 | | 18,5 | 682 | 667 |
1980-0217 | | 19,5 | 4,5 | 671 | 656 |
1980-0218 | | 20,5 | 36,0 | 5,0 | 659 | 644 |
1980-0219 | | 21,5 | 648 | 634 |
1980-0221 | | 22,5 | 5,0 | 639 | 625 |
1980-0222 | | 23,5 | 629 | 615 |
1980-0223 | | 24,5 | 620 | 606 |
1980-0224 | | 25,5 | 608 | 595 |
Пример условного обозначения волока-заготовки формы 16 размером d = 14,5 мм из твердого сплава марки ВК6:
Волок-заготовка 1980-0211 ВК6 ГОСТ 9453-75
Черт. 17
Таблица 17
Размеры в мм
Обозначение волоков-заготовок | Применяемость | d | h | Масса, г, не более, для твердого сплава марок |
ВК8 | ВК10 |
1980-0231 | | 14,5 | 3,5 | 710 | 704 |
1980-0232 | | 15,5 | 698 | 693 |
1980-0233 | | 16,5 | 4,0 | 688 | 682 |
1980-0234 | | 17,5 | 676 | 670 |
1980-0235 | | 18,0 | 666 | 662 |
1980-0236 | | 18,5 | 660 | 656 |
1980-0237 | | 19,5 | 646 | 642 |
1980-0238 | | 21,5 | 5,0 | 621 | 616 |
1980-0239 | | 23,5 | 588 | 584 |
1980-0241 | | 24,5 | 572 | 567 |
Пример условного обозначения волока-заготовки формы 17 размером d = 14,5 мм из твердого сплава марки ВК8:
Волок-заготовка 1980-0231 ВК8 ГОСТ 9453-75
Черт. 18
Таблица 18
Размеры в мм
Обозначение волоков-заготовок | Применяемость | d | h | h1 | Масса, г, не более, для твердого сплава марок |
ВК8 | ВК10 |
1980-0251 | | 24,5 | 5,0 | 7,0 | 1037 | 1019 |
1980-0252 | | 25,5 | 1020 | 1005 |
1980-0253 | | 26,5 | 1017 | 990 |
1980-0254 | | 27,5 | 5,5 | 6,5 | 1005 | 978 |
1980-0255 | | 28,5 | 994 | 966 |
1980-0256 | | 29,5 | 980 | 954 |
1980-0257 | | 30,5 | 6,0 | 6,0 | 967 | 940 |
1980-0258 | | 31,5 | 954 | 928 |
1980-0259 | | 32,5 | 939 | 912 |
1980-0261 | | 34,5 | 923 | 895 |
Пример условного обозначения волока-заготовки формы 18 размером d = 24,5 мм из твердого сплава марки ВК8:
Волок-заготовка 1980-0251 ВК8 ГОСТ 9453-75
Черт. 19
Таблица 19
Размеры в мм
Обозначение волоков-заготовок | Применяемость | d | h | h1 | Масса, г, не более, для твердого сплава марок |
ВК8 | ВК10 |
1980-0271 | | 33,5 | 6,0 | 7,0 | 1598 | 1571 |
1980-0272 | | 34,5 | 1577 | 1550 |
1980-0273 | | 35,5 | 1554 | 1529 |
1980-0274 | | 36,5 | 1531 | 1506 |
1980-0275 | | 37,5 | 6,5 | 1507 | 1482 |
1980-0276 | | 38,5 | 1485 | 1459 |
1980-0277 | | 39,5 | 6,0 | 1460 | 1434 |
1980-0278 | | 40,5 | 1440 | 1414 |
1980-0279 | | 41,5 | 1417 | 1392 |
1980-0281 | | 42,5 | 7,0 | 1396 | 1371 |
1980-0282 | | 43,5 | 1372 | 1348 |
Пример условного обозначения волока-заготовки формы 19 размером d = 33,5 мм из твердого сплава марки ВК8:
Волок-заготовка 1980-0271 ВК8 ГОСТ 9453-75
Обозначение волоков-заготовок | Применяемость | d, мм | Масса, г, не более, для твердого сплава марок |
ВК8 | ВК10 |
1980-0291 | | 44,5 | 2185 | 2149 |
1980-0292 | | 45,5 | 2154 | 2117 |
1980-0293 | | 46,5 | 2119 | 2090 |
1980-0294 | | 47,5 | 2083 | 2053 |
1980-0295 | | 48,5 | 2045 | 2019 |
1980-0296 | | 49,5 | 2006 | 1981 |
1980-0297 | | 52,5 | 1934 | 1911 |
1980-0298 | | 54,5 | 1872 | 1851 |
1980-0605 | | 51,5 | 1989 | 1949 |
Пример условного обозначения волока-заготовки формы 20 размером d = 44,5 мм из твердого сплава марки ВК8:
Волок-заготовка 1980-0291 ВК8 ГОСТ 9453-75
(Измененная редакция, Изм. N 2).
1.2. Условное обозначение волоков-заготовок при заказе составляют с учетом Общесоюзного классификатора промышленной и сельскохозяйственной продукции (ОКП).
Полный код ОКП волоков-заготовок состоит из 18 знаков: десять знаков приведены в обязательном
приложении; последние восемь знаков - код типоразмера волоков-заготовок, приведены в
табл. 1 -
20.
Пример условного обозначения при заказе волока-заготовки
формы 1 сплава марки ВК3М с размерами:
D = 6,0 мм;
H = 4,0;
h = 1,4;
h1 = 0,8 мм:
19 6511 3482 1980-0001 ГОСТ 9453-75
(Введен дополнительно, Изм. N 2).
2. ТЕХНИЧЕСКИЕ ТРЕБОВАНИЯ
2.1. Волоки-заготовки должны изготовляться из твердых спеченных сплавов по
ГОСТ 3882-74.
Плотность твердого сплава для изготовления волоков-заготовок
формы 20 должна быть:
для ВК8 - 14,7 - 15,1 г/см3;
для ВК10 - 14,4 - 14,9 г/см3.
2.2. Предельные отклонения наружного диаметра
D и высоты
H волоков-заготовок должны соответствовать указанным в табл. 21.
Таблица 21
мм
D; H |
Номин. | Пред. откл. |
От 4 до 6 | +/- 0,3 |
" 6 " 10 | +/- 0,4 |
" 10 " 18 | +/- 0,5 |
" 18 " 30 | +/- 0,6 |
От 30 до 50 | +/- 0,8 |
" 50 " 60 | +/- 1,2 |
" 60 " 75 | +/- 1,5 |
" 75 " 90 | +/- 2,0 |
(Измененная редакция, Изм. N 2).
2.3. Предельные отклонения канала отверстия диаметра d волоков-заготовок не должны быть более указанных в табл. 22.
Таблица 22
мм
Номин. | Пред. откл. |
0,1 | +/- 0,05 |
| +0,05 |
От 0,2 до 0,3 | -0,10 |
" 0,3 " 1,0 | -0,20 |
Св 1,0 " 2,0 | -0,25 |
" 2,0 " 6,0 | -0,35 |
Св. 6,0 до 10,0 | -0,45 |
" 10,0 " 18,0 | -0,50 |
" 18,0 " 30,0 | -0,60 |
" 30,0 " 50,0 | -0,75 |
" 50,0 " 60,0 | -1,00 |
Примечание. Предельные отклонения формы цилиндрических поверхностей волоков-заготовок допускаются в пределах 0,5 поля допуска на размер.
2.4. Предельные отклонения угловых размеров не должны быть более +/- 1°.
2.5. Предельные отклонения остальных линейных размеров установлены для прессформы и не должны быть более указанных в табл. 23.
Таблица 23
мм
Номин. | Пред. откл. |
До 0,5 | +/- 0,10 |
Св. 0,5 до 1,0 | +/- 0,15 |
" 1,0 " 3,0 | +/- 0,20 |
Св. 3,0 до 6,0 | +/- 0,30 |
" 6,0 " 10,0 | +/- 0,40 |
" 10,0 | +/- 0,50 |
2.6. Места переходов всех зон отверстия канала волоков-заготовок должны иметь плавные сопряжения.
2.7. В местах перехода входной и выходной распушек на торцы волоков-заготовок, не указанных в
черт. 1 -
20, допускается скругление радиусом не более 0,5 мм или заусенцы размером не более 0,5 мм.
(Измененная редакция, Изм. N 3).
2.8. Выкрашивание на рабочих поверхностях волоков-заготовок в отверстии канала не допускается.
2.9. Глубина выкрашивания на нерабочих поверхностях волоков-заготовок не должна превышать 1 мм для волоков-заготовок с наружным диаметром до 30 мм и 2 мм для волоков-заготовок с наружным диаметром до 100 мм.
2.10. Макроструктура волоков-заготовок в изломе должна быть однородной. Раковины, расслой и посторонние включения не допускаются.
2.11. На поверхностях волоков-заготовок (внутренней и наружной) не должно быть корочки, вспучивания, расслоя, трещин.
Заготовки следует поставлять в очищенном виде.
(Измененная редакция, Изм. N 2).
2.12. (Исключен, Изм. N 2).
3.1. Для проверки соответствия волоков-заготовок требованиям настоящего стандарта предприятие-изготовитель должно проводить приемо-сдаточные испытания.
3.2. При приемо-сдаточных испытаниях для проверки требований
пп. 2.2 -
2.11 должно быть отобрано 5% волоков-заготовок от предъявленной партии, но не менее 5 шт.
3.3. Партия должна состоять из изделий одной марки сплава, изготовленного из смеси одного приготовления, и принята техническим контролем предприятия-изготовителя по одному документу.
3.4. При неудовлетворительных результатах испытаний хотя бы по одному из показателей проводят повторные испытания на удвоенном количестве волоков-заготовок из той же партии. Результаты повторных испытаний являются окончательными.
4.1. Определение предела прочности волоков-заготовок - по ГОСТ 20019-74.
4.2. Определение плотности волоков-заготовок - по ГОСТ 20018-74.
4.3. Определение твердости волоков-заготовок по Роквеллу - по
ГОСТ 20017-74.
4.4. Определение макроструктуры производят по излому при помощи лупы 20 - 30-кратного увеличения.
4.5. Внешний вид следует проверять без увеличительных приборов.
В сомнительных случаях допускается применение лупы до 4-кратного увеличения.
4.6. Определение микроструктуры, пористости и свободного углерода - по ГОСТ 9391-80.
(Введен дополнительно, Изм. N 2).
5. МАРКИРОВКА, УПАКОВКА, ТРАНСПОРТИРОВАНИЕ И ХРАНЕНИЕ
5.1. Маркировка, упаковка, транспортирование и хранение - по ГОСТ 19106-73.
Обязательное
КОДЫ ОКП ВОЛОКОВ-ЗАГОТОВОК
Номер формы волока-заготовки | Марка сплава | Код ОКП |
| ВК3 | 19 6522 3482 |
| То же | 19 6522 3483 |
| " | 19 6522 3484 |
| " | 19 6522 3485 |
| " | 19 6522 3486 |
| " | 19 6522 3487 |
| " | 19 6522 3488 |
| " | 19 6522 3489 |
| " | 19 6522 3490 |
| " | 19 6522 3491 |
| " | 19 6522 3492 |
| ВК3М | 19 6511 3482 |
| То же | 19 6511 3483 |
| " | 19 6511 3484 |
| " | 19 6511 3485 |
| " | 19 6511 3486 |
| " | 19 6511 3487 |
| " | 19 6511 3488 |
| " | 19 6511 3489 |
| " | 19 6511 3490 |
| " | 19 6511 3491 |
| " | 19 6511 3492 |
| ВК4 | 19 6523 3482 |
| То же | 19 6523 3483 |
| " | 19 6523 3484 |
| " | 19 6523 3485 |
| " | 19 6523 3486 |
| " | 19 6523 3487 |
| " | 19 6523 3488 |
| " | 19 6523 3489 |
| " | 19 6523 3490 |
| " | 19 6523 3491 |
| " | 19 6523 3492 |
| " | 19 6523 3493 |
| " | 19 6523 3494 |
| " | 19 6523 3495 |
| ВК6 | 19 6524 3488 |
| То же | 19 6524 3489 |
| " | 19 6524 3490 |
| " | 19 6524 3491 |
| " | 19 6524 3492 |
| " | 19 6524 3493 |
| " | 19 6524 3494 |
| " | 19 6524 3495 |
| " | 19 6524 3496 |
| " | 19 6524 3497 |
| ВК6М | 19 6512 3488 |
| То же | 19 6512 3489 |
| " | 19 6512 3490 |
| " | 19 6512 3491 |
| " | 19 6512 3492 |
| " | 19 6512 3493 |
| " | 19 6512 3494 |
| " | 19 6512 3495 |
| " | 19 6512 3496 |
| " | 19 6512 3497 |
| ВК8 | 19 6525 3493 |
| То же | 19 6525 3494 |
| " | 19 6525 3495 |
| " | 19 6525 3496 |
| " | 19 6525 3497 |
| " | 19 6525 3498 |
| " | 19 6525 3499 |
| " | 19 6525 3500 |
| " | 19 6525 3501 |
| ВК10 | 19 6525 3498 |
| То же | 19 6526 3499 |
| " | 19 6526 3500 |
| " | 19 6526 3501 |