Список изменяющих документов (в ред. Изменения N 1, утв. в декабре 1987 г.) |
Обозначение НТД, на который дана ссылка | Номер пункта, приложения | ||||
ГОСТ 2848-75 | |||||
| |||||
ГОСТ 17024-82 | |||||
| |||||
ГОСТ 25557-82 | |||||



Исполнение 1 | Исполнение 2 | D | L | l | d | |||
Обозначение фрез | Применяемость | Обозначение фрез | Применяемость | |||||
2220-0491 | 2220-0492 | 1,5 | 25 | 4 | 2 | 20° | ||
2220-0493 | 2220-0494 | 1,8 | ||||||
2220-0505 | 2220-0506 | 2,0 | ||||||
2220-0507 | 2220-0508 | 2,2 | 30 | 6 | 3 | |||
2220-0509 | 2220-0510 | 2,5 | ||||||
2220-0511 | 2220-0512 | 2,8 | ||||||
2220-0513 | 2220-0514 | 3,0 | 36 | 8 | ||||
2220-0515 | 2220-0516 | 4,0 | 43 | 11 | 4 | |||
2220-0517 | 2220-0518 | 51 | 19 | |||||
2220-0519 | 2220-0520 | 5,0 | 47 | 13 | 5 | |||
2220-0521 | 2220-0522 | 58 | 24 | |||||
2220-0523 | 2220-0524 | 6,0 | 52 | 16 | 6 | 30° | ||
2220-0525 | 2220-0526 | 66 | 30 | |||||
2220-0527 | 2220-0528 | 8,0 | 59 | 19 | 8 | |||
2220-0529 | 2220-0530 | 78 | 38 | |||||
2220-0531 | 2220-0532 | 10,0 | 72 | 22 | 10 | |||
2220-0533 | 2220-0534 | 95 | 45 | |||||
2220-0535 | 2220-0536 | 12,0 | 81 | 26 | 12 | 40° | ||
2220-0537 | 2220-0538 | 108 | 53 | |||||


Исполнение 1 | Исполнение 2 | D | L | l | Конус Морзе | ||||
Обозначение фрез | Применяемость | Обозначение фрез с числом зубьев z = 2 | Применяемость | Обозначение фрез с числом зубьев z = 3 | Применяемость | ||||
2223-1001 | 2223-1002 | - | (12) | 108 | 26 | 2 | |||
2223-1003 | 2223-1004 | 135 | 53 | ||||||
2223-1005 | 2223-1006 | 2223-1061 | 14 | 108 | 26 | ||||
2223-1007 | 2223-1008 | 2223-1062 | 135 | 53 | |||||
2223-1009 | 2223-1010 | 2223-1063 | 16 | 114 | 32 | ||||
2223-1011 | 2223-1012 | 2223-1064 | 145 | 63 | |||||
2223-1013 | 2223-1014 | 2223-1065 | 18 | 114 | 32 | ||||
2223-1015 | 2223-1016 | 2223-1066 | 145 | 63 | |||||
2223-1017 | 2223-1018 | 2223-1067 | 20 | 137 | 38 | 3 | |||
2223-1019 | 2223-1020 | 2223-1068 | 174 | 75 | |||||
2223-1021 | 2223-1022 | 2223-1069 | 22 | 137 | 38 | ||||
2223-1023 | 2223-1024 | 2223-1070 | 174 | 75 | |||||
2223-1025 | 2223-1026 | 2223-1071 | (24) | 144 | 45 | ||||
2223-1027 | 2223-1028 | 2223-1072 | 189 | 90 | |||||
2223-1029 | 2223-1030 | 2223-1073 | 25 | 144 | 45 | ||||
2223-1031 | 2223-1032 | 2223-1074 | 189 | 90 | |||||
2223-1033 | 2223-1034 | 2223-1075 | 28 | 170 | 45 | 4 | |||
2223-1035 | 2223-1036 | 2223-1076 | 215 | 90 | |||||
2223-1037 | 2223-1038 | 2223-1077 | (30) | 175 | 50 | ||||
2223-1039 | 2223-1040 | 2223-1078 | 220 | 90 | |||||
2223-1041 | 2223-1042 | 2223-1079 | 32 | 178 | 53 | ||||
2223-1043 | 2223-1044 | 2223-1080 | 231 | 106 | |||||
2223-1045 | 2223-1046 | 2223-1081 | 36 | 178 | 53 | ||||
2223-1047 | 2223-1048 | 2223-1082 | 231 | 106 | |||||
2223-1049 | 2223-1050 | 2223-1083 | 40 | 188 | 63 | ||||
2223-1051 | 2223-1052 | 2223-1084 | 250 | 125 | |||||
2223-1053 | 2223-1054 | 2223-1085 | 45 | 188 | 63 | ||||
2223-1055 | 2223-1056 | 2223-1086 | 250 | 125 | |||||
2223-1057 | 2223-1058 | 2223-1087 | 50 | 200 | 75 | ||||
2223-1059 | 2223-1060 | 2223-1088 | 275 | 150 | |||||
ИС МЕГАНОРМ: примечание. Взамен ГОСТ 25557-82 Приказом Ростехрегулирования от 12.07.2007 N 171-ст с 1 января 2008 года введен в действие ГОСТ 25557-2006. ГОСТ 25557-2006 утратил силу с 1 января 2018 года в связи с введением в действие ГОСТ 25557-2016 (Приказ Росстандарта от 20.03.2017 N 160-ст). |
ИС МЕГАНОРМ: примечание. Взамен ГОСТ 17024-82 Приказом Росстандарта от 08.06.2016 N 565-ст с 01.01.2017 введен в действие ГОСТ 17024-2015. |




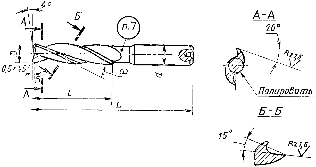
Диаметр фрезы D | L1 | l1 | l2 | d0 | d h8 | d1 | d2 | d3 | f | r | r1 | r2 | r3 | h | h1 | a | Шаг винтовой канавки |
1,5 | 27,3 | - | - | - | 2 | - | 0,7 | - | 0,25 | 0,2 | 0,6 | 0,2 | 0,1 | 0,7 | 0,3 | 0,35 | 12,9 |
1,8 | 27,5 | 0,8 | 0,3 | 0,9 | 0,8 | 0,50 | 15,5 | ||||||||||
2,0 | 27,6 | 1,0 | 0,9 | 0,4 | 0,55 | 17,2 | |||||||||||
2,2 | 33,4 | 3 | 0,30 | 1,0 | 1,1 | 0,60 | 18,9 | ||||||||||
2,5 | 33,6 | 1,1 | 0,2 | 1,2 | 0,5 | 21,5 | |||||||||||
2,8 | 33,8 | 1,2 | 1,3 | 1,4 | 0,70 | 24,1 | |||||||||||
3,0 | 40,0 | 1,5 | 1,5 | 0,6 | 0,80 | 25,8 | |||||||||||
4,0 | 48,2 | 4 | 1,8 | 0,40 | 0,5 | 2,0 | 2,0 | 0,8 | 0,90 | 34,5 | |||||||
56,2 | |||||||||||||||||
5,0 | 52,6 | 5 | 2,2 | 0,3 | 2,5 | 1,0 | 1,20 | 43,1 | |||||||||
63,8 | |||||||||||||||||
6,0 | - | 8 | 1,6 | 6 | 5,7 | 2,4 | 0,50 | 0,50 | 1,0 | 3,3 | 0,5 | 0,4 | 3,0 | 1,2 | 1,40 | 32,6 | |
8,0 | 8 | 7,5 | 3,0 | 0,5 | 4,0 | 1,5 | 2,00 | 43,5 | |||||||||
10,0 | 10 | 30 | 2,0 | 10 | 9,5 | 4,0 | 0,80 | 2,0 | 5,0 | 0,6 | 5,0 | 1,7 | 2,50 | 54,3 | |||
53 | |||||||||||||||||
12,0 | 34 | 12 | 11,0 | 4,8 | 0,63 | 1,00 | 1,0 | 0,7 | 6,0 | 2,0 | 3,00 | 44,9 | |||||
61 |



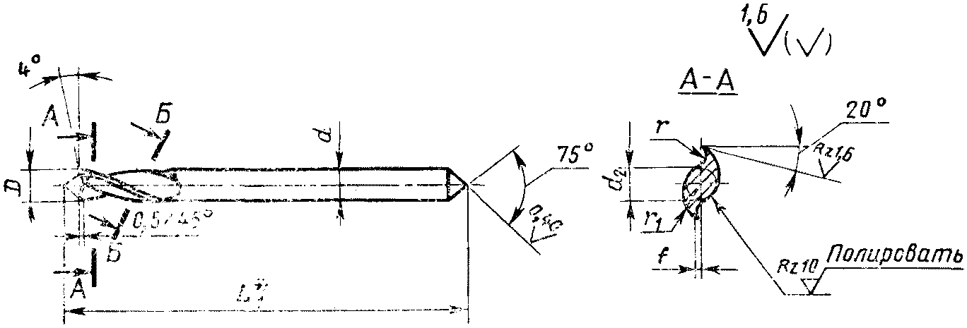
Диаметр фрезы D | l1 | l2 | d0 | d | d2 | f | r | r1 | r2 | a | a1 | h | h1 | Шаг винтовой канавки |
12 | 34 | 69 | 0,8 | 11 | 4,8 | 1,6 | 2,0 | 6 | 0,8 | 0,2 - 0,5 | 3,0 | 6,0 | 2,0 | 44,9 |
61 | ||||||||||||||
14 | 34 | 13 | 5,6 | 2,5 | 7 | 3,5 | 7,0 | 2,5 | 52,4 | |||||
61 | ||||||||||||||
16 | 40 | 15 | 7,0 | 8 | 4,0 | 8,0 | 2,7 | 59,8 | ||||||
71 | ||||||||||||||
18 | 40 | 17 | 8,0 | 3,0 | 10 | 0,5 - 1,0 | 4,7 | 9,0 | 3,0 | 67,3 | ||||
71 | ||||||||||||||
20 | 46 | 86 | 1,0 | 18 | 8,6 | 5,2 | 10,0 | 3,2 | 74,8 | |||||
83 | ||||||||||||||
22 | 46 | 20 | 9,6 | 4,0 | 1,0 | 5,5 | 11,0 | 3,5 | 82,3 | |||||
83 | ||||||||||||||
24 | 53 | 1,6 | 22 | 10,2 | 12 | 6,0 | 12,0 | 4,0 | 89,8 | |||||
98 | ||||||||||||||
25 | 53 | 23 | 11,0 | 6,5 | 12,5 | 4,2 | 93,5 | |||||||
98 | ||||||||||||||
28 | 55 | 109 | 26 | 12,1 | 2,0 | 5,0 | 14 | 1,3 | 7,5 | 14,0 | 4,6 | 104,7 | ||
100 | ||||||||||||||
30 | 60 | 2,0 | 28 | 12,6 | 8,0 | 15,0 | 5,0 | 112,2 | ||||||
100 | ||||||||||||||
32 | 63 | 30 | 13,4 | 8,4 | 16,0 | 5,5 | 119,7 | |||||||
116 | ||||||||||||||
36 | 63 | 14,5 | 2,5 | 6,0 | 17 | 1,5 | 9,5 | 18,0 | 6,0 | 134,7 | ||||
116 | ||||||||||||||
40 | 73 | 2,5 | 17,0 | 11,0 | 20,0 | 6,5 | 149,7 | |||||||
135 | ||||||||||||||
45 | 73 | 20,6 | 6,5 | 18 | 12,0 | 22,5 | 7,5 | 168,4 | ||||||
135 | ||||||||||||||
50 | 85 | 7,0 | 20 | 13,0 | 25,0 | 8,0 | 187,1 | |||||||
160 |

Диаметр фрезы D | l1 | l2 | d0 | d | d1 | f | r | r1 | r2 | h | h1 | h2 | Шаг винтовой канавки |
14 | 34 | 69 | 1,6 | 4,0 | 13 | 1,6 | 2,5 | 7 | 1,0 | 4,0 | 3,5 | 2,0 | 52,4 |
61 | |||||||||||||
16 | 40 | 15 | 8 | 4,3 | 4,0 | 59,8 | |||||||
71 | |||||||||||||
18 | 40 | 17 | 3,0 | 10 | 1,5 | 5,0 | 4,5 | 67,3 | |||||
71 | |||||||||||||
20 | 46 | 86 | 18 | 6,0 | 5,0 | 74,8 | |||||||
83 | |||||||||||||
22 | 46 | 2,0 | 5,0 | 20 | 4,0 | 5,5 | 2,5 | 82,3 | |||||
83 | |||||||||||||
24 | 53 | 22 | 12 | 7,0 | 6,5 | 89,8 | |||||||
98 | |||||||||||||
25 | 53 | 23 | 93,5 | ||||||||||
98 | |||||||||||||
28 | 55 | 109 | 26 | 2,0 | 5,0 | 14 | 2,0 | 8,0 | 7,0 | 104,7 | |||
100 | |||||||||||||
30 | 60 | 28 | 8,5 | 7,5 | 112,5 | ||||||||
100 | |||||||||||||
32 | 63 | 2,50 | 6,0 | 30 | 9,0 | 8,0 | 4,0 | 119,7 | |||||
116 | |||||||||||||
36 | 63 | 2,5 | 6,0 | 17 | 10,5 | 9,0 | 134,7 | ||||||
116 | |||||||||||||
40 | 73 | 11,5 | 10,0 | 149,7 | |||||||||
135 | |||||||||||||
45 | 73 | 3,15 | 7,3 | 6,5 | 18 | 12,0 | 11,5 | 6,0 | 168,4 | ||||
135 | |||||||||||||
50 | 85 | 7,0 | 20 | 14,5 | 12,5 | 187,1 | |||||||
160 |