Главная // Актуальные документы // ГОСТ (Государственный стандарт)СПРАВКА
Источник публикации
М.: ИПК Издательство стандартов, 1998
Примечание к документу
Документ включен в
Перечень документов в области стандартизации, в результате применения которых на добровольной основе обеспечивается соблюдение требований Федерального
закона от 27.12.2009 N 347-ФЗ "Технический регламент о безопасности низковольтного оборудования" (
Приказ Росстандарта от 14.09.2010 N 3546).
Документ включен в
Перечень документов в области стандартизации, содержащих правила и методы исследований (испытаний) и измерений, в том числе правила отбора образцов, необходимые для применения и исполнения Федерального
закона от 27.12.2009 N 347-ФЗ и осуществления оценки соответствия (
Распоряжение Правительства РФ от 29.07.2010 N 1284-р).
Документ
введен в действие с 01.01.1999.
Взамен ГОСТ 22505-83.
Название документа
"ГОСТ 22505-97. Межгосударственный стандарт. Совместимость технических средств электромагнитная. Радиопомехи индустриальные от радиовещательных приемников, телевизоров и другой бытовой радиоэлектронной аппаратуры. Нормы и методы испытаний"
(введен в действие Постановлением Госстандарта России от 28.08.1998 N 337)
"ГОСТ 22505-97. Межгосударственный стандарт. Совместимость технических средств электромагнитная. Радиопомехи индустриальные от радиовещательных приемников, телевизоров и другой бытовой радиоэлектронной аппаратуры. Нормы и методы испытаний"
(введен в действие Постановлением Госстандарта России от 28.08.1998 N 337)
Постановлением Государственного
Комитета Российской Федерации
по стандартизации,
метрологии и сертификации
от 28 августа 1998 г. N 337
МЕЖГОСУДАРСТВЕННЫЙ СТАНДАРТ
СОВМЕСТИМОСТЬ ТЕХНИЧЕСКИХ СРЕДСТВ ЭЛЕКТРОМАГНИТНАЯ
РАДИОПОМЕХИ ИНДУСТРИАЛЬНЫЕ ОТ РАДИОВЕЩАТЕЛЬНЫХ ПРИЕМНИКОВ,
ТЕЛЕВИЗОРОВ И ДРУГОЙ БЫТОВОЙ РАДИОЭЛЕКТРОННОЙ АППАРАТУРЫ
НОРМЫ И МЕТОДЫ ИСПЫТАНИЙ
Electromagnetic compatibility of technical equipment.
Man-made noise of sound and television broadcast receivers
and associated equipment. Limits and test methods
ГОСТ 22505-97
Группа Э02
Дата введения
1 января 1999 года
1. Разработан Ленинградским отраслевым научно-исследовательским институтом радио (ЛОНИИР), Техническим комитетом по стандартизации в области электромагнитной совместимости технических средств (ТК 30 ЭМС).
Внесен Госстандартом России.
2. Принят Межгосударственным Советом по стандартизации, метрологии и сертификации (протокол N 12-97 от 21 ноября 1997 г.).
За принятие проголосовали:
┌────────────────────────────┬───────────────────────────────────┐
│ Наименование государства │ Наименование национального органа │
│ │ стандартизации │
├────────────────────────────┼───────────────────────────────────┤
│Азербайджанская Республика │Азгосстандарт │
│Республика Армения │Армгосстандарт │
│Республика Беларусь │Госстандарт Беларуси │
│Грузия │Грузстандарт │
│Республика Казахстан │Госстандарт Республики Казахстан │
│Киргизская Республика │Киргизстандарт │
│Российская Федерация │Госстандарт России │
│Республика Таджикистан │Таджикгосстандарт │
│Туркменистан │Главная государственная инспекция │
│ │Туркменистана │
│Украина │Госстандарт Украины │
│Республика Узбекистан │Узгосстандарт │
└────────────────────────────┴───────────────────────────────────┘
3. Постановлением Государственного Комитета Российской Федерации по стандартизации, метрологии и сертификации от 28 августа 1998 г. N 337 межгосударственный стандарт ГОСТ 22505-97 введен в действие непосредственно в качестве государственного стандарта Российской Федерации с 01.01.1999.
4. Взамен ГОСТ 22505-83.
Настоящий стандарт распространяется на бытовую радиоэлектронную аппаратуру (БРЭА): радиовещательные приемники (РП), телевизоры (ТВ), ТВ и тюнеры для приема сигналов спутникового телевизионного вещания (СТВ), видеомагнитофоны (ВМ), видеоигры (ВИ) <*>, звуковую и видеоаппаратуру, электромузыкальные инструменты и т.п., в том числе аппаратуру, являющуюся их комбинациями, и устанавливает нормы и методы измерений индустриальных радиопомех (далее в тексте - радиопомехи) в полосе частот 0,15 - 1750 МГц.
--------------------------------
<*> Настоящий стандарт распространяется на ВИ, формирующие высокочастотный сигнал, подаваемый на антенный вход ТВ. Нормы и методы испытаний для остальных ВИ - по
ГОСТ 29216.
Нормы радиопомех от оборудования информационной техники, подключаемого к ТВ, и методы испытаний - по
ГОСТ 29216.
Требования настоящего стандарта являются обязательными.
В настоящем стандарте использованы ссылки на следующие стандарты:
ГОСТ 9021-88 Телевизоры. Методы измерения параметров
ГОСТ 9783-88 Аппаратура радиоэлектронная бытовая. Методы электрических высокочастотных измерений
ГОСТ 11001-80 Приборы для измерения индустриальных радиопомех. Технические требования и методы испытаний
ГОСТ 11157-87 Устройства воспроизведения механической звукозаписи. Общие технические условия
| | ИС МЕГАНОРМ: примечание. ГОСТ 14777-76 утратил силу с 1 июля 2013 года в связи с введением в действие ГОСТ Р 55055-2012 (Приказ Росстандарта от 12.11.2012 N 719-ст). | |
ГОСТ 14777-76 Радиопомехи индустриальные. Термины и определения
| | ИС МЕГАНОРМ: примечание. ГОСТ 16842-82 утратил силу на территории Российской Федерации с 1 января 2001 года в связи с введением в действие ГОСТ Р 51320-99 (Постановление Госстандарта России от 22.12.1999 N 655-ст). | |
ГОСТ 16842-82 Радиопомехи индустриальные. Методы испытаний источников индустриальных радиопомех
ГОСТ 21879-88 Телевидение вещательное. Термины и определения
ГОСТ 23849-87 Аппаратура радиоэлектронная бытовая. Методы измерения электрических параметров усилителей сигналов звуковой частоты
ГОСТ 24838-87 Аппаратура радиоэлектронная бытовая. Входные и выходные параметры
ГОСТ 27418-87 Аппаратура радиоэлектронная бытовая. Термины и определения
ГОСТ 28375-89 Проигрыватели компакт-дисков. Общие технические требования и методы измерений
ГОСТ 29037-91 Совместимость технических средств электромагнитная. Сертификационные испытания. Общие положения
ГОСТ 29216-91 Совместимость технических средств электромагнитная. Радиопомехи индустриальные от оборудования информационной техники. Нормы и методы испытаний
В настоящем стандарте применяют термины, установленные в ГОСТ 14777, ГОСТ 21879, ГОСТ 27418,
ГОСТ 30372, а также следующий:
- аппаратура, функционально связанная с РП и ТВ - БРЭА, предназначенная для непосредственного подключения к РП или ТВ, а также для генерирования, записи, усиления или воспроизведения звуковой или визуальной информации (например, усилители сигналов звуковой частоты, активные акустические системы, электрофоны, проигрыватели компакт-дисков, магнитофоны, электронные органы и т.п.).
Требования настоящего стандарта распространяются на комплекс БРЭА, а также на каждое отдельное устройство, если комплекс БРЭА состоит из устройств, которые могут продаваться и эксплуатироваться отдельно.
5.1. Несимметричное напряжение радиопомех в децибелах относительно 1 мкВ на сетевых зажимах аппаратуры не должно превышать значений, приведенных в таблице 1.
Таблица 1
┌────────────────────┬─────────────┬─────────────────────────────┐
│ Тип аппаратуры │ Полоса │Напряжение радиопомех, дБмкВ │
│ │ частот, МГц ├─────────────┬───────────────┤
│ │ │квазипиковое │ среднее │
│ │ │ значение │ значение │
├────────────────────┼─────────────┼─────────────┼───────────────┤
│ РП, ТВ и │ 0,15 - 0,5 │ 66 - 56 │ 56 - 46 │
│аппаратура, ├─────────────┼─────────────┼───────────────┤
│функционально │ 0,5 - 5
<1> │ 56 │ 46 │
│связанная с РП и ТВ ├─────────────┼─────────────┼───────────────┤
│ │ 5
<1> - 30 │ 60 │ 50 │
│ │
│ <1> На граничных частотах нормой является меньшее из│
│допускаемых значений напряжения радиопомех. │
└────────────────────────────────────────────────────────────────┘
В полосе частот 0,15 - 0,5 МГц допускаемые значения напряжения радиопомех U в децибелах относительно 1 мкВ на частоте измерения вычисляют по формулам:
- квазипиковое значение

; (1)
- среднее значение

, (2)
где f - частота измерений, МГц.
5.2. Квазипиковое значение напряжения радиопомех в децибелах относительно 1 мкВ на антенных входах аппаратуры при номинальном входном сопротивлении, равном 75 Ом, не должно превышать значений, приведенных в таблице 2.
Таблица 2
┌─────────────────┬──────────────────┬──────────────┬─────────────────────┐
│ Тип аппаратуры │ Источник │Полоса частот,│ Напряжение │
│ │ радиопомех │ МГц │ радиопомех, дБмкВ │
├─────────────────┼──────────────────┼──────────────┼─────────────────────┤
│ ТВ, ВМ и ВИ
<1>,│ Гетеродин, │ 30 - 1000 │ Основная частота 46 │
│работающие в │модулятор ВМ и ВИ │ │(40
<2>) │
│полосе частот │ ├──────────────┼─────────────────────┤
│30 - 1000 МГц │ │ 30 - 1000 │ Гармоники 46 │
│ ├──────────────────┼──────────────┼─────────────────────┤
│ │ Другие источники │ 30 - 1000 │ 46 │
├─────────────────┼──────────────────┼──────────────┼─────────────────────┤
│ ТВ и тюнеры для │ Гетеродин │ 30 - 950
<4> │ Основная частота 46 │
│приема сигналов │ ├──────────────┼─────────────────────┤
│СТВ
<3> │ │950
<4> - 1750│ Основная частота 54 │
│ ├──────────────────┼──────────────┼─────────────────────┤
│ │ Другие источники │ 30 - 1750 │ 46 │
├─────────────────┼──────────────────┼──────────────┼─────────────────────┤
│ РП частотно- │ Гетеродин │ 30 - 1000 │ Основная частота 54 │
│модулированных │ │ │(50
<5>) │
│(ЧМ) сигналов │ ├──────────────┼─────────────────────┤
│(кроме │ │ 30 - 300
<4> │ Гармоники 50 │
│автомобильных) │ ├──────────────┼─────────────────────┤
│ │ │300
<4> - 1000│ Гармоники 52 │
│ ├──────────────────┼──────────────┼─────────────────────┤
│ │ Другие источники │ 30 - 1000 │ 46 │
├─────────────────┼──────────────────┼──────────────┼─────────────────────┤
│ РП ЧМ сигналов │ Гетеродин │ 30 - 1000 │ Основная частота 66 │
│автомобильные │ │ │(60
<5>) │
│ │ ├──────────────┼─────────────────────┤
│ │ │ 30 - 300
<4> │ Гармоники 59 │
│ │ ├──────────────┼─────────────────────┤
│ │ │300
<4> - 1000│ Гармоники 52 │
│ │
│ <1> Напряжение радиопомех регламентируется на антенном входе│
│входящего в комплект ВИ антенного переключателя, подключающего к ТВ│
│антенну или ВИ. │
│ <2> При промежуточных частотах изображения ТВ и ВМ, отличных от│
│38 МГц, и для ВИ. │
│ <3> Под антенным входом ТВ и тюнеров для приема сигналов СТВ│
│понимается вход по первой промежуточной частоте приемника СТВ. │
│ <4> На граничных частотах нормой является меньшее из допускаемых│
│значений напряжения радиопомех. │
│ <5> Для РП, работающих в полосе частот 65,8 - 74 МГц. │
│ │
│ Примечания. │
│ 1. Допускаемое значение напряжения радиопомех L в децибелах│
│ z │
│относительно 1 мкВ для РП ЧМ сигналов, ТВ, ВМ и ВИ с номинальным входным│
│сопротивлением, отличным от 75 Ом, вычисляют по формуле │
│ │
│ Z │
│ z 75 75 │
│ │
│ где L - допускаемое значение напряжения радиопомех для аппаратуры│
│ 75 │
│с номинальным входным сопротивлением 75 Ом; │
│ Z - номинальное входное сопротивление, Ом. │
└─────────────────────────────────────────────────────────────────────────┘
5.3. Квазипиковое значение напряжения полезного сигнала и радиопомех в децибелах относительно 1 мкВ на выходе ВМ по высокой частоте при номинальном выходном сопротивлении, равном 75 Ом, не должно превышать значений, приведенных в таблице 3.
Таблица 3
┌──────────────┬──────────────────┬──────────────┬────────────────────────┐
│ Тип │ Источник │Полоса частот,│ Напряжение, дБмкВ │
│ аппаратуры │ │ МГц │ │
├──────────────┼──────────────────┼──────────────┼────────────────────────┤
│ ВМ в режиме │ Полезный сигнал │ 30 - 1000 │ Несущие частоты 76
<1> │
│воспроизведе- │ │ │ Боковые полосы 76
<1> │
│ния │ │ │ Гармоники 46
<1> │
│ ├──────────────────┼──────────────┼────────────────────────┤
│ │ Другие источники │ 30 - 1000 │ 46 │
│ │
│ <1> Допускаемое значение напряжения полезного сигнала и радиопомех│
│для аппаратуры с номинальным выходным сопротивлением, отличным от 75 Ом,│
└─────────────────────────────────────────────────────────────────────────┘
5.4. Квазипиковое значение напряженности поля радиопомех в децибелах относительно 1 мкВ/м не должно превышать значений, приведенных в таблице 4.
Таблица 4
┌──────────────────┬────────────┬────────────────┬────────────────────────┐
│ Тип аппаратуры │ Источник │ Полоса частот, │ Напряженность поля │
│ │ радиопомех │ МГц │ радиопомех, дБмкВ/м │
├──────────────────┼────────────┼────────────────┼────────────────────────┤
│ ТВ, ВМ и ВИ, │ Гетеродин, │ 30 - 200
<1> │ Основная частота 54 │
│работающие в │модулятор ├────────────────┼────────────────────────┤
│полосе частот │ВМ и ВИ │ 200
<1> - 300 │ Основная частота 60 │
│30 - 300 МГц │ │ │(57
<2>) │
│ │ ├────────────────┼────────────────────────┤
│ │ │ 30 - 300
<1> │ Гармоники 52 │
│ │ ├────────────────┼────────────────────────┤
│ │ │ 300
<1> - 1000 │ Гармоники 56 │
│ ├────────────┼────────────────┼────────────────────────┤
│ │ Другие │ 121,5 │ 40 │
│ │источники ├────────────────┼────────────────────────┤
│ │ │ 243 │ 47 │
├──────────────────┼────────────┼────────────────┼────────────────────────┤
│ ТВ, ВМ и ВИ, │ Гетеродин, │ 300 - 1000 │ Основная частота 66 │
│работающие в │модулятор │ │(56
<2>) │
│полосе частот │ВМ и ВИ ├────────────────┼────────────────────────┤
│300 - 1000 МГц │ │ 300 - 1000 │ Гармоники 56 │
│ ├────────────┼────────────────┼────────────────────────┤
│ │ Другие │ 121,5 │ 40 │
│ │источники ├────────────────┼────────────────────────┤
│ │ │ 243 │ 47 │
├──────────────────┼────────────┼────────────────┼────────────────────────┤
│ РП ЧМ сигналов │ Гетеродин │ 30 - 1000 │ Основная частота 60 │
│ │ ├────────────────┼────────────────────────┤
│ │ │ 30 - 300
<1> │ Гармоники 52 (43,5
<4>)│
│ │ ├────────────────┼────────────────────────┤
│ │ │ 300
<1> - 1000 │ Гармоники 56 (43,5
<4>)│
├──────────────────┼────────────┼────────────────┼────────────────────────┤
│ Аппаратура, │ Все │ 30 - 230
<1> │ 40 │
│функционально │источники ├────────────────┼────────────────────────┤
│связанная с РП и │ │ 230
<1> - 1000 │ 47 │
│ТВ (кроме ВМ и ВИ)│ │ │ │
│ │
│ <1> На граничных частотах нормой является меньшее из допускаемых│
│значений напряженности поля радиопомех. │
│ <2> При промежуточных частотах изображения ТВ и ВМ, отличных от│
│38 МГц, и для ВИ. │
│ <3> Напряженность поля радиопомех от автомобильных РП ЧМ сигналов не│
│регламентируется. │
│ <4> Для РП, работающих в полосе частот 65,8 - 74 МГц. │
└─────────────────────────────────────────────────────────────────────────┘
5.5. Мощность радиопомех в децибелах относительно 1 пВт в сетевых проводах аппаратуры, а также других соединительных кабелях не должна превышать значений, приведенных в таблице 5.
Таблица 5
Тип аппаратуры | Полоса частот, МГц | Мощность радиопомех, дБпВт |
квазипиковое значение | среднее значение |
Аппаратура, функционально связанная с РП и ТВ (кроме ВМ и ВИ) | 30 - 300 | 45 - 55 | 35 - 45 |
300 - 1000 | 55 | - |
В полосе частот 30 - 300 МГц допускаемое значение мощности радиопомех P в децибелах относительно 1 пВт на частоте измерения вычисляют по формулам:
- квазипиковое значение

; (4)
- среднее значение

, (5)
где f - частота измерений, МГц.
Примечание к
5.4 и
5.5. Для аппаратуры, функционально связанной с РП и ТВ (кроме ВМ и ВИ), измеряют либо напряженность поля, либо мощность радиопомех. Испытания проводят только тех видов аппаратуры, которые создают радиопомехи в полосе частот свыше 30 МГц (например, проигрыватели компакт-дисков и др.).
| | ИС МЕГАНОРМ: примечание. ГОСТ 16842-82 утратил силу на территории Российской Федерации с 1 января 2001 года в связи с введением в действие ГОСТ Р 51320-99 (Постановление Госстандарта России от 22.12.1999 N 655-ст). | |
6.1.1. Испытания на соответствие требованиям к радиопомехам проводят по ГОСТ 16842,
ГОСТ 29037 и настоящему стандарту.
6.1.2. Испытания на соответствие нормам радиопомех проводят:
- серийно выпускаемых устройств - при периодических, типовых и сертификационных испытаниях;
- разрабатываемых и модернизируемых устройств - при приемочных испытаниях;
- импортируемых устройств - при сертификационных испытаниях.
6.1.3. Порядок отбора образцов при приемочных, периодических, типовых и сертификационных испытаниях - по ГОСТ 16842.
6.1.4. Если при измерении радиопомех для установления и поддержания необходимого режима работы испытуемого устройства требуются дополнительные взаимодействующие устройства, то используют устройства, соответствующие требованиям нормативных документов (НД) на эти устройства.
После установления режима работы испытуемого устройства взаимодействующее устройство заменяют эквивалентом нагрузки.
Если взаимодействующее устройство нельзя отключить, то принимают меры для исключения его влияния на результаты измерения радиопомех, создаваемых испытуемым устройством.
6.1.5. Аппаратура, функционально связанная с РП и ТВ (кроме ВМ), при испытаниях на радиопомехи должна работать в режимах, приведенных в
Приложении А, если в технической документации на конкретное устройство не указаны иные. Аппаратура, не приведенная в
Приложении А, при испытаниях должна работать в режимах, приведенных в технической документации на эту аппаратуру.
6.1.6. Испытуемое устройство должно быть настроено на испытательный сигнал. Параметры испытательного сигнала должны соответствовать требованиям НД на устройство. Уровень испытательного сигнала должен обеспечивать изображение и (или) звук без помех.
Испытательный сигнал для ТВ и ВМ представляет собой несущую изображения, модулированную полным цветовым видеосигналом цветных полос номенклатуры 100/0/75/0 последовательности 1 и немодулированную несущую звука по ГОСТ 9021.
Напряжение испытательного сигнала на входе ТВ и ВМ должно быть равно 70 дБ относительно 1 мкВ при входном сопротивлении, равном 75 Ом.
Испытательный сигнал для РП - монофонический сигнал, параметры которого соответствуют стандартному входному сигналу по ГОСТ 9783 со следующими отличиями:
- входное напряжение для РП ЧМ сигналов равно 60 дБ относительно 1 мкВ;
- коэффициент модуляции равен 50%.
Испытательные сигналы для аппаратуры, функционально связанной с РП и ТВ (кроме ВМ):
- для усилителей сигналов звуковой частоты и магнитофонов в режиме записи - синусоидальный сигнал частоты 1 кГц;
- для магнитофонов в режиме воспроизведения - синусоидальный сигнал частоты 1 кГц, воспроизводимый с типовой магнитной ленты или с магнитной ленты, на которую предварительно был записан этот сигнал;
- для электрофонов - синусоидальный сигнал частоты 1 кГц, наведенный посредством магнитной связи в провода, подключенные к звукоснимателю, или воспроизводимый с измерительной грампластинки;
- для проигрывателей компакт-дисков - синусоидальный сигнал частоты 1 кГц, воспроизводимый с измерительного компакт-диска;
- для электронных органов - синусоидальный сигнал, воспроизводимый при нажатии на клавишу, соответствующую ноте "До" второй октавы (тон порядка 523 Гц).
При испытании ТВ и ВМ радиопомехи измеряют в режиме приема радиосигналов телевизионного вещания на 1 - 12, 25 и 55 каналах. При испытании ВМ радиопомехи измеряют также в режиме воспроизведения.
При испытании РП радиопомехи измеряют в режиме приема радиосигналов на границах поддиапазонов приемника или вблизи их, а также на одной или нескольких частотах в середине поддиапазонов.
В диапазонах волн ДВ, СВ частоты настройки приемников выбирают из ряда: 160; 180; 200; 224; 250; 280; 560; 630; 710; 800; 900; 1000; 1120; 1250; 1400; 1600 кГц.
В диапазоне КВ частоты настройки приемников выбирают из ряда: 4; 6,1; 7,2; 9,6; 11,8; 15,3; 17,8; 21,6; 25,8 МГц.
В диапазоне УКВ частоты настройки РП выбирают из ряда: 66; 67; 69; 71; 73; 88; 90; 92; 94; 96; 98; 100; 104; 108 МГц.
Если в данной местности проводить измерения при настройке приемников на рекомендуемые частоты не представляется возможным из-за внешних помех, то измерения проводят при настройке приемников на частоты, ближайшие к рекомендуемым.
6.2. Аппаратура и оборудование
6.2.1. Измеритель радиопомех на полосу рабочих частот 0,15 - 1000 МГц - по ГОСТ 11001.
6.2.2. Измеритель радиопомех с квазипиковым детектором на полосу рабочих частот 1,00 - 1,75 ГГц, на который распространены технические требования ГОСТ 11001 для измерителей радиопомех с квазипиковым детектором в полосе рабочих частот 30 - 1000 МГц.
6.2.3. V-образный эквивалент сети - по ГОСТ 11001, тип 4.
6.2.4. Поглощающие клещи на полосу рабочих частот 30 - 1000 МГц - по ГОСТ 11001.
6.2.5. Измерительные антенны - по ГОСТ 11001.
6.2.6. Аппаратура для формирования радиосигнала СЕКАМ и ПАЛ цветных полос номенклатуры 100/0/75/0 последовательности 1 в диапазонах частот 1 - 12 и 21 - 60 каналов - по ГОСТ 9021.
6.2.7. Высокочастотный генератор сигналов с непрерывной генерацией синусоидального напряжения, внутренней или внешней амплитудной модуляцией синусоидальным напряжением, а также регулируемым уровнем выходного напряжения для формирования испытательного сигнала для РП амплитудно-модулированных (АМ) сигналов, имеющий следующие технические характеристики:
диапазон частот, МГц..................................... 0,14 - 30
погрешность установки частоты, %, не более............... +/- 0,01
-5
относительная нестабильность частоты..................... +/- 10
-6
выходное напряжение при нагрузке 50 Ом, В................ 10 - 1
погрешность установки выходного напряжения, %, не более.. +/- 10
пределы установки коэффициента АМ, %..................... 20 - 60
погрешность установки коэффициента АМ, %, не более....... +/- 10
частота модуляции, Гц.................................... 1000 +/- 100.
6.2.8. Высокочастотный генератор сигналов с непрерывной генерацией синусоидального напряжения, внутренней или внешней частотной модуляцией синусоидальным напряжением, а также регулируемым уровнем выходного напряжения для формирования испытательного сигнала для РП ЧМ сигналов, имеющий следующие технические характеристики:
диапазон частот, МГц..................................... 60 - 800
погрешность установки частоты, %, не более............... +/- 0,001
-6
относительная нестабильность частоты..................... +/- 10
-6
выходное напряжение при нагрузке 50 Ом, В................ 10 - 1
погрешность установки выходного напряжения, %, не более.. +/- 10
пределы установки девиации частоты, кГц.................. 20 - 50
погрешность установки девиации частоты, %, не более...... +/- 10.
6.2.9. Низкочастотный генератор сигналов с непрерывной генерацией синусоидального напряжения и регулируемым уровнем выходного напряжения для формирования испытательного сигнала аппаратуры, функционально связанной с РП и ТВ, имеющий следующие технические характеристики:
частота, Гц.............................................. 1000
погрешность установки частоты, Гц, не более.............. +/- 50
-3
относительная нестабильность частоты..................... +/- 10
-4
выходное напряжение при нагрузке 50 или 600 Ом, В........ 10 - 2
погрешность установки выходного напряжения, %, не более.. +/- 10.
6.2.10. Измерительная грампластинка для формирования синусоидального испытательного сигнала частотой 1000 Гц для электрофонов - грампластинка для измерения чувствительности по ГОСТ 11157.
6.2.11. Измерительный компакт-диск для формирования синусоидального испытательного сигнала частотой 1000 Гц для проигрывателей компакт-дисков - компакт-диск для измерения чувствительности по ГОСТ 28375.
6.2.12. Высокочастотные генераторы сигналов, работающие в полосе частот 25 - 1750 МГц, для формирования сигнала замещения при измерении напряжения радиопомех на антенных входах, а также напряжения полезного сигнала и радиопомех на выходе ВМ по высокой частоте, имеющие следующие технические характеристики:
погрешность установки частоты, %, не более............... +/- 0,001
-5
относительная нестабильность частоты..................... +/- 10
-6
выходное напряжение при нагрузке 50 или 75 Ом, В......... 10 - 1
погрешность установки выходного напряжения, %, не более.. +/- 10.
6.2.13. Милливольтметр переменного тока, имеющий следующие технические характеристики:
диапазон частот, кГц..................................... 0,02 - 30
-4
пределы измерения напряжения, В.......................... 10 - 100
погрешность измерения напряжения, %, не более............ +/- 2,5
входное сопротивление, МОм, не менее..................... 1,0
входная емкость, пФ, не более............................ 20.
6.2.14. Яркомер для измерения яркости основных цветов и белого цвета на экране кинескопа. Диапазон измерения яркостей от 1 до 200 кд/м2.
6.2.15. Разветвитель (схема смешения сигналов) для связи испытуемого устройства, генератора испытательных сигналов и измерителя радиопомех при измерении напряжения радиопомех на антенных входах РП ЧМ сигналов, ТВ, ВМ, ТВ и тюнеров для приема сигналов СТВ по
Приложению Б, имеющий следующие технические характеристики:
диапазон частот, МГц..................................... 25 - 1750
входные и выходные сопротивления, Ом..................... 75 +/- 3
ослабление напряжения между любыми двумя гнездами при
нагрузках 75 Ом, дБ...................................... 6 - 10
погрешность ослабления, дБ, не более..................... 1,0.
6.2.16. Приемная антенна на полосу рабочих частот 30 - 800 МГц - симметричный вибратор общей длиной не более 0,6 м с фидером, выполненным из коаксиального кабеля с волновым сопротивлением 75 Ом длиной от 0,5 до 1,5 м. Рекомендуется использовать широкополосные антенны с симметрирующим согласующим трансформатором по
Приложению В.
6.2.17. Приемная антенна на полосу рабочих частот 0,14 - 30 МГц - штыревая антенна высотой (1 +/- 0,03) м.
6.2.18. Излучающая антенна на полосу рабочих частот 30 - 800 МГц - симметричный вибратор общей длиной не более 0,6 м с фидером, выполненным из коаксиального кабеля с волновым сопротивлением, соответствующим выходному сопротивлению источника сигнала. Рекомендуется использовать широкополосные антенны с симметрирующим согласующим трансформатором по
Приложению В.
6.2.19. Излучающая антенна на полосу рабочих частот 0,14 - 30 МГц - симметричный вибратор общей длиной не более 1 м с фидером, выполненным из коаксиального кабеля с волновым сопротивлением, соответствующим выходному сопротивлению источника сигнала. Рекомендуется использовать широкополосные антенны с симметрирующим согласующим трансформатором по
Приложению В.
6.2.20. Излучающая антенна на полосу рабочих частот 0,14 - 30 МГц - рамочная антенна диаметром не более 0,6 м, подключаемая к выходу генератора через резистор сопротивлением 50 Ом.
6.2.21. Ферритовый дроссель, состоящий из отрезка коаксиального кабеля длиной (1 +/- 0,1) м с волновым сопротивлением 75 Ом с надетыми на него ферритовыми кольцами, плотно прилегающими друг к другу и к кабелю. При этом наружный диаметр колец должен быть не менее чем в 1,5 раза больше внутреннего диаметра.
Набор ферритовых колец должен иметь длину не менее 0,2 м и быть расположен возможно ближе к разъему, подключаемому к испытуемому устройству. Пример выполнения дросселя приведен в
Приложении Г.
6.2.22. Согласующие аттенюаторы с номинальными значениями входного/выходного сопротивления 75 Ом/50 Ом и 50 Ом/75 Ом, имеющие следующие технические характеристики:
полоса рабочих частот, МГц............................... 30 - 1750
ослабление напряжения, дБ................................ 6 - 10
погрешность ослабления, дБ, не более..................... 0,5
коэффициент стоячей волны по напряжению, не более........ 1,3.
6.2.23. Эквиваленты антенн и выходных сопротивлений источников сигнала - по ГОСТ 9021, ГОСТ 9783, ГОСТ 24838.
6.2.24. Эквиваленты нагрузок - по ГОСТ 9021, ГОСТ 9783, ГОСТ 23849, ГОСТ 24838.
6.2.25. Развязывающий трансформатор для проведения измерения радиопомех от усилителей сигналов звуковой частоты, имеющий следующие технические характеристики:
полное выходное сопротивление вторичной обмотки
трансформатора, подключенного к выходу генератора, на
частоте 1000 +/- 50 Гц, Ом............................... 600 +/- 100
полное сопротивление между обмотками трансформатора, а
также между вторичной обмоткой и корпусом трансформатора
в полосе частот 0,15 - 30 МГц, Ом, не менее.............. 500.
6.2.26. Источники питания постоянного тока - по ГОСТ 9021, ГОСТ 9783, ГОСТ 23849.
6.2.27. Регулятор напряжения однофазный, имеющий следующие технические характеристики:
входное напряжение частоты 50 Гц, В...................... 220 +/- 22
выходное напряжение, В................................... 20 - 250
допустимый выходной ток, А, не менее..................... 2.
6.2.28. Вольтметр для измерения напряжения источников питания, имеющий следующие технические характеристики:
пределы измерения постоянного напряжения, В.............. 1 - 100
пределы измерения переменного напряжения, В.............. 20 - 250
погрешность измерения, %, не более....................... +/- 0,5.
6.2.29. Согласующие устройства - по ГОСТ 9021, ГОСТ 9783, ГОСТ 23849, ГОСТ 24838.
6.2.30. Измерительная линейка, имеющая следующие технические характеристики:
пределы измерения, мм.................................... 20 - 600
цена деления, мм, не более............................... 1.
6.2.31. Рулетка, имеющая следующие технические характеристики:
измеряемое расстояние, м................................. 0,3 - 10,0
погрешность измерения, м, не более....................... +/- 0,01.
6.2.32. Угломер, имеющий следующие технические характеристики:
измеряемые углы, град.................................... 0 - 90
погрешность измерения, град, не более.................... +/- 2.
6.2.33. Металлический лист, используемый при измерении напряжения радиопомех, размером не менее 2 x 2 м.
6.2.34. Стол из изоляционного материала высотой 0,8 м с минимальными размерами 1 x 1 м для размещения РП, ТВ и ВМ при измерении напряжения радиопомех на сетевых зажимах.
6.2.35. Стол из изоляционного материала высотой 0,8 м с минимальными размерами 1 x 4 м для размещения аппаратуры, функционально связанной с РП и ТВ (кроме ВМ), при измерении напряжения радиопомех на сетевых зажимах; РП ЧМ сигналов, ТВ, ТВ и тюнеров для приема сигналов СТВ, ВМ и ВИ при измерении напряжения радиопомех на антенных входах; ВМ при измерении напряжения полезного сигнала и радиопомех на выходе ВМ по высокой частоте.
6.2.36. Поворотный стол из изоляционного материала высотой 0,8 м с минимальными размерами 1 x 1 м для размещения аппаратуры при измерении напряженности поля радиопомех.
6.2.37. Стол из изоляционного материала высотой 0,8 м и длиной не менее 7 м для размещения аппаратуры, функционально связанной с РП и ТВ (кроме ВМ и ВИ), при измерении мощности радиопомех в сетевом проводе и других соединительных кабелях.
6.2.38. Шнур удлинительный длиной 6 м.
| | ИС МЕГАНОРМ: примечание. ГОСТ 16842-82 утратил силу на территории Российской Федерации с 1 января 2001 года в связи с введением в действие ГОСТ Р 51320-99 (Постановление Госстандарта России от 22.12.1999 N 655-ст). | |
6.2.39. Помехоподавляющий фильтр, характеристики которого обеспечивают уровень посторонних радиопомех при выключенном испытуемом устройстве в соответствии с ГОСТ 16842.
6.3. Подготовка и проведение измерений напряжения радиопомех на сетевых зажимах испытуемых устройств
6.3.1. На сетевых зажимах испытуемых устройств измеряют квазипиковые и средние значения напряжения радиопомех в полосе частот 0,15 - 30 МГц.
6.3.2. Напряжение радиопомех на сетевых зажимах испытуемых устройств измеряют в экранированной камере. Эффективность ее экранирования и фильтрация сети питания должны обеспечивать выполнение требований ГОСТ 16842 к допускаемым значениям посторонних радиопомех.
Напряжение радиопомех на сетевых зажимах аппаратуры, функционально связанной с РП и ТВ (кроме ВМ), допускается измерять в неэкранированном помещении при условии выполнения требований ГОСТ 16842 к допускаемым значениям посторонних радиопомех.
Размеры неэкранированного помещения и экранированной камеры должны быть такими, чтобы расстояние от испытуемого устройства до металлических предметов и токопроводящих поверхностей (кроме металлического листа или одной стены экранированной камеры) было не менее 0,8 м.
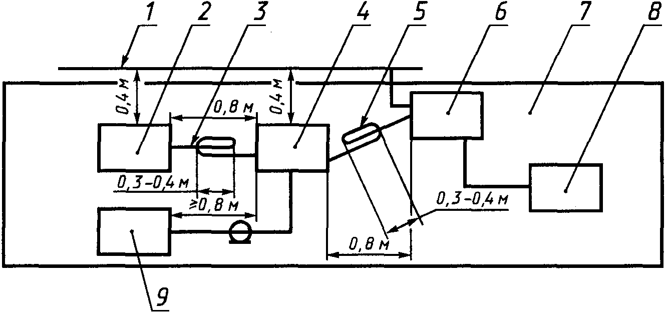
6.3.3. Расположение испытуемого устройства, измерительной аппаратуры и вспомогательного оборудования при измерении напряжения радиопомех на сетевых зажимах РП ЧМ сигналов, ТВ и ВМ приведено на рисунке 1.
а - общий вид; б - вид сверху;
1 - экранированная камера; 2 - излучающая антенна;
3 - приемная антенна; 4 - испытуемое устройство; 5 - лицевая
сторона испытуемого устройства; 6 - стол; 7 - эквивалент
сети; 8 - переключатель; 9 - коаксиальный кабель;
10 - помехоподавляющий фильтр; 11 - измеритель радиопомех
Рисунок 1. Расположение испытуемого устройства,
измерительной аппаратуры и вспомогательного оборудования
при измерении напряжения радиопомех на сетевых
зажимах РП ЧМ, ТВ и ВМ
При измерении напряжения радиопомех на сетевых зажимах РП АМ сигналов в качестве излучающей антенны используют симметричный вибратор
(6.2.19), расположенный вертикально, а в качестве приемной - штыревую антенну
(6.2.17). Если РП АМ сигналов имеет встроенную ферритовую антенну, то в качестве излучающей используют рамочную антенну
(6.2.20).
Испытуемое устройство устанавливают на столе из изоляционного материала высотой 0,8 м на расстоянии 0,4 м от стены экранированной камеры лицевой стороной к стене.
Эквивалент сети располагают под столом на расстоянии 0,8 м от испытуемого устройства.
Сетевой провод испытуемого устройства прокладывают вертикально до пола и далее кратчайшим путем к эквиваленту сети. Излишек провода сворачивают на полу возле эквивалента сети плоскими петлями длиной 0,3 - 0,4 м. Зажим заземления эквивалента сети соединяют с экраном помещения проводом или шиной шириной не менее 0,03 м минимально возможной длины, которая не должна превышать 0,4 м.
Если испытуемое устройство имеет коаксиальный входной антенный разъем, то измерения проводят с подключением и без подключения корпуса коаксиального антенного разъема к зажиму заземления эквивалента сети. В этом случае не должно быть никакого другого заземления.
Если испытуемое устройство не имеет коаксиального входного антенного разъема, то при наличии зажима для подключения защитного заземления провод заземления кратчайшим путем подсоединяется к зажиму заземления эквивалента сети.
В экранированное помещение от источника испытательного сигнала (
6.2.6 -
6.2.8) прокладывают коаксиальный кабель, к которому подключают излучающую антенну (
6.2.18 -
6.2.20).
К испытуемому устройству, не имеющему встроенной антенны или с отключаемой встроенной антенной, подключают внешнюю приемную антенну (
6.2.16,
6.2.17). Встроенную антенну отключают.
Если встроенная антенна не отключается, то в качестве приемной антенны используют встроенную антенну.
Не используемые в процессе измерения входы и выходы испытуемых устройств нагружают на экранированные эквиваленты антенн
(6.2.23) или нагрузок
(6.2.24).
Испытуемое устройство настраивают на испытательный сигнал, соответствующий требованиям
6.1.6. Измерения напряжения радиопомех на сетевых зажимах РП ЧМ сигналов, ТВ и ВМ проводят при настройке испытуемого устройства только на одну из рекомендуемых частот, указанных в
6.1.6.
Органами управления ТВ (ручками контрастности, яркости, цветовой насыщенности) получают на экране нормированное изображение, при котором яркость полос полного цветового видеосигнала должна составлять:
черной полосы испытательной таблицы, кд/м2............... 2
пурпурной полосы испытательной таблицы, кд/м2............ 30
белой полосы испытательной таблицы, кд/м2................ 80.
Если указанные значения яркости полос получить невозможно, то устанавливают ближайшие к ним значения и отмечают это в протоколе испытаний.
ВМ испытывают в режимах записи и воспроизведения. Перед измерением радиопомех контролируют качество записываемого и воспроизводимого сигнала на контрольном ТВ (мониторе), подключенном к ВМ коаксиальным кабелем, входящим в комплект ВМ.
При измерении радиопомех контрольный ТВ (монитор) выключают и вместо него подключают к кабелю эквивалент нагрузки сопротивлением 75 Ом
(6.2.24).
РП при испытании устанавливают в стандартные условия измерений по ГОСТ 9783 со следующими отличиями:
- испытательный высокочастотный сигнал подают на антенный вход приемника с использованием излучающей (
6.2.18 -
6.2.20) и приемной (
6.2.16,
6.2.17) антенн;
- регулятор громкости устанавливают в положение, при котором мощность выходного сигнала составляет одну восьмую от номинальной выходной мощности испытуемого РП;
- монофонический сигнал подают на вход стереофонических РП.
Примечание. Для РП, не имеющих коаксиального антенного разъема, допускается входной сигнал подавать от источника испытательного сигнала через эквивалент антенны
(6.2.23).
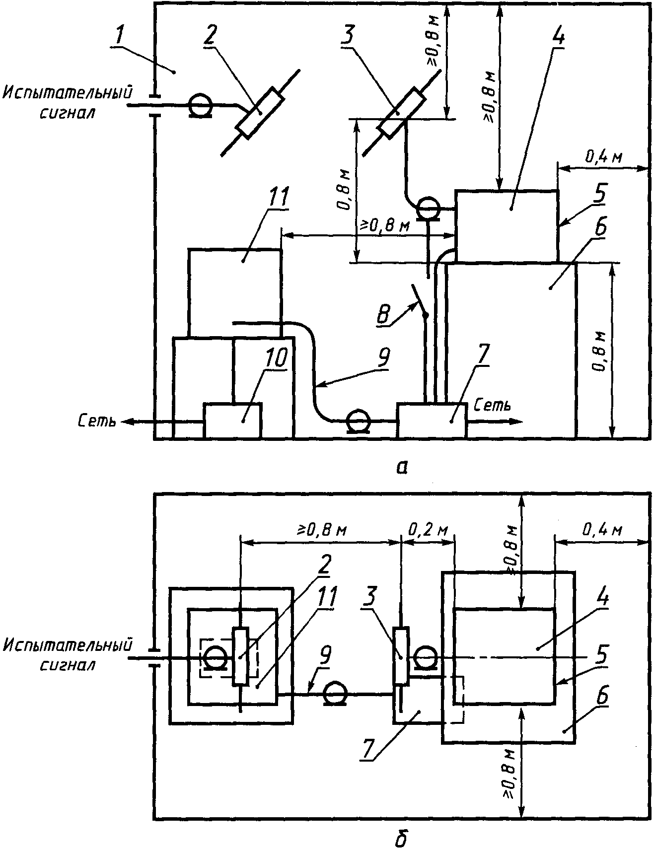
6.3.4. Расположение испытуемого устройства, измерительной аппаратуры и вспомогательного оборудования при измерении напряжения радиопомех на сетевых зажимах аппаратуры, функционально связанной с РП и ТВ (кроме ВМ), приведено на рисунке 2.
1 - вертикально расположенный металлический лист или стена
экранированной камеры; 2 - внешнее устройство; 3 - кабель
для подключения внешнего устройства; 4 - испытуемое
устройство; 5 - сетевой шнур; 6 - эквивалент сети;
7 - стол; 8 - измеритель радиопомех; 9 - генератор
испытательных сигналов
Рисунок 2. Расположение испытуемого устройства,
измерительной аппаратуры и вспомогательного оборудования
при измерении напряжения радиопомех на сетевых зажимах
аппаратуры, функционально связанной с РП и ТВ (кроме ВМ)
Испытуемое устройство устанавливают на столе высотой 0,8 м на расстоянии 0,4 м от вертикально расположенного металлического листа или стены экранированной камеры.
Эквивалент сети устанавливают на расстоянии 0,8 м от испытуемого устройства непосредственно у металлического листа или стены экранированной камеры.
Зажим заземления эквивалента сети соединяют с металлическим листом или экраном камеры шиной шириной не менее 0,03 м минимально возможной длины, которая не должна превышать 0,4 м.
Испытуемое устройство подключают к эквиваленту сети штатным сетевым шнуром. Излишне длинный шнур сворачивают плоскими петлями длиной 0,3 - 0,4 м.
Если испытуемое устройство имеет зажим для подключения защитного заземления, то провод заземления минимально необходимой длины, но не более 1 м прокладывают параллельно сетевому шнуру на расстоянии не более 0,1 м и соединяют с зажимом заземления эквивалента сети.
Если сетевой шнур включает провод для заземления, то заземляющий контакт сетевой вилки проверяемого устройства должен быть соединен с зажимом заземления эквивалента сети.
Режим работы испытуемого устройства устанавливают в соответствии с требованиями
6.1.5. Перед измерением радиопомех от ВИ контролируют качество сигнала на контрольном ТВ (мониторе), подключенном к ВИ кабелем, входящим в комплект ВИ. При измерении радиопомех контрольный ТВ (монитор) выключают и вместо него подключают к кабелю эквивалент нагрузки сопротивлением 75 Ом
(6.2.24).
6.3.5. Измерения радиопомех проводят в следующей последовательности:
а) плавно перестраивая измеритель радиопомех с квазипиковым детектором в пределах полос частот 0,15 - 0,5 МГц, 0,5 - 5 МГц и 5 - 30 МГц, отмечают в каждой полосе не менее пяти частот, на которых значения напряжения радиопомех максимально приближены к нормируемым значениям или превышают их;
б) на каждой из полученных частот измеряют напряжение радиопомех для обоих проводов, принимая за результат измерения наибольшее значение;
в) повторяют измерения по
перечислениям а) и
б) для измерителя радиопомех с детектором средних значений.
Допускается не измерять средние значения напряжения радиопомех, если измеренные квазипиковые значения меньше нормы для средних значений.
6.3.6. При измерении напряжения радиопомех, создаваемых РП, ТВ и ВМ, с заземлением и без заземления корпуса коаксиального антенного разъема за результат измерений на каждой частоте принимают наибольшее из полученных значений напряжения радиопомех.
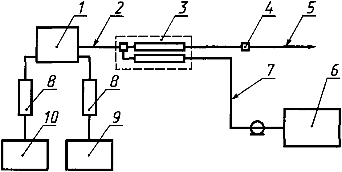
6.4. Подготовка и проведение измерений напряжения радиопомех на антенных входах
6.4.1. На антенных входах РП ЧМ сигналов, ТВ, ВМ и ВИ измеряют квазипиковые значения напряжения радиопомех в полосе частот 30 - 1000 МГц.
6.4.2. Напряжение радиопомех на несимметричном антенном входе (в том числе коаксиальном) РП ЧМ сигналов, ТВ и ВМ измеряют в соответствии со схемой, приведенной на рисунке 3, а ВИ - в соответствии со схемой, приведенной на
рисунке 4.
1 - генератор замещающих сигналов; 2 - испытуемое
устройство; 3 - генератор испытательных сигналов;
4 - согласующий аттенюатор; 5 - разветвитель;
6 - измеритель радиопомех
Рисунок 3. Структурная схема измерения напряжения
радиопомех на несимметричном (в том числе коаксиальном)
антенном входе РП ЧМ сигналов, ТВ и ВМ
1 - ВИ; 2 - соединительный кабель, входящий в комплект ВИ;
3 - антенный переключатель, входящий в комплект ВИ;
4 - генератор замещающих сигналов; 5 - согласующий
аттенюатор; 6 - измеритель радиопомех; 7 - контрольный ТВ
(монитор); 8 - эквивалент нагрузки сопротивлением 75 Ом
Рисунок 4. Структурная схема измерения напряжения
радиопомех от ВИ на антенном входе переключателя
Испытуемое устройство и измерительную аппаратуру устанавливают на столе
(6.2.35) из изоляционного материала высотой 0,8 м. Расстояние от испытуемого устройства до стен и любых металлических предметов должно быть не менее 0,8 м.
При испытании РП ЧМ сигналов, ТВ и ВМ испытуемое устройство и генератор испытательных сигналов подключают к измерителю радиопомех с помощью коаксиальных кабелей и разветвителя с ослаблением не менее 6 дБ, выполненного на резистивных элементах. При испытании ВИ измеритель радиопомех подключают к антенному переключателю ВИ.
Входное сопротивление измерительной схемы со стороны испытуемого устройства должно быть равно номинальному входному сопротивлению приемной антенны, на которую рассчитан РП ЧМ сигналов, ТВ, ВМ или антенный переключатель ВИ. Если выходное сопротивление генератора испытательных сигналов и входные сопротивления измерителя радиопомех, разветвителя или антенного переключателя ВИ отличаются от требуемых, то в соответствии с
рисунками 3 и
4 в коаксиальный тракт включают дополнительные согласующие аттенюаторы с ослаблением не менее 6 дБ.
При испытании РП ЧМ сигналов, ТВ и ВМ испытательный сигнал должен соответствовать требованиям
6.1.6.
Регулировка РП ЧМ сигналов, ТВ и ВМ производится аналогично
6.3.3, а ВИ - аналогично
6.3.4. Качество изображения испытательной таблицы на экране ТВ устанавливают визуально. Измерение радиопомех ВМ проводится в режимах записи и воспроизведения.
Плавно перестраивая, измеритель радиопомех настраивают на частоту измерений и фиксируют показание измерителя радиопомех.
При испытаниях РП ЧМ сигналов, ТВ и ВМ (в режиме записи) измерение радиопомех не проводят в полосе частот испытательного сигнала.
Затем вместо испытуемого устройства подключают генератор замещающих сигналов
(6.2.12) с выходным сопротивлением, равным номинальному входному сопротивлению соединительного кабеля (при необходимости используют согласующие аттенюаторы). Напряжение генератора устанавливают таким, чтобы показание измерителя радиопомех было таким же, как при подключении испытуемого устройства.
Примечания.
1. Для подавления высокочастотного тока, протекающего от шасси РП ЧМ сигналов, ТВ или ВМ по наружной поверхности экранирующей оболочки коаксиального кабеля и влияющего на результаты измерений, вместо коаксиального кабеля, подключаемого к РП ЧМ сигналов, ТВ или ВМ, рекомендуется использовать ферритовый дроссель
(6.2.21).
2. При измерении напряжения радиопомех на антенных входах плавно повышают выходное напряжение источников сигналов до требуемого уровня.
6.4.3. Результатом измерений на каждой частоте является значение напряжения в децибелах относительно 1 мкВ на выходе замещающего генератора. В протоколе испытаний следует указывать номинальное значение входного сопротивления антенного входа испытуемого устройства.
6.4.4. На антенных входах ТВ и тюнеров для приема сигналов СТВ измеряют напряжение радиопомех в полосе частот 30 - 1750 МГц.
Режимы работы испытуемой аппаратуры устанавливают в соответствии с НД на эту аппаратуру.
6.5. Подготовка и проведение измерений напряжения полезного сигнала и радиопомех на выходе ВМ по высокой частоте
6.5.1. На выходе ВМ по высокой частоте измеряют квазипиковые значения напряжения полезного сигнала и радиопомех в полосе частот 30 - 1000 МГц в соответствии со схемой, приведенной на рисунке 5.
1 - генератор замещающих сигналов; 2 - испытуемый ВМ;
3 - коаксиальный кабель; 4 - согласующий аттенюатор;
5 - измеритель радиопомех
Рисунок 5. Структурная схема измерения напряжения полезного
сигнала и радиопомех на выходе ВМ по высокой частоте
6.5.2. Испытуемый ВМ и измерительную аппаратуру устанавливают на столе
(6.2.35) из изоляционного материала высотой 0,8 м. Расстояние от испытуемого ВМ до стен и любых металлических предметов должно быть не менее 0,8 м.
Выход по высокой частоте испытуемого ВМ подключают к измерителю радиопомех с помощью коаксиального кабеля.
Входное сопротивление измерительной схемы со стороны испытуемого ВМ должно быть равно номинальному выходному сопротивлению ВМ. Если выходное сопротивление ВМ и входное сопротивление измерителя радиопомех отличаются от требуемых, то в соответствии с
рисунком 5 в коаксиальный тракт включают дополнительный согласующий аттенюатор с ослаблением не менее 6 дБ.
Испытуемый ВМ должен работать в режиме воспроизведения испытательного сигнала, соответствующего требованиям
6.1.6, получаемого со стандартной видеомагнитофонной ленты. Регулировка ВМ производится аналогично
6.3.3. Качество изображения испытательной таблицы на контрольном ТВ (мониторе) устанавливают визуально.
Плавно перестраивая, измеритель радиопомех настраивают на частоту измерения и фиксируют показание измерительного прибора.
Уровень напряжения полезного сигнала или радиопомех на выходе ВМ по высокой частоте может быть получен путем сложения вносимого затухания согласующего аттенюатора и показаний измерительного прибора.
Альтернативно уровень напряжения полезного сигнала или радиопомех на выходе ВМ по высокой частоте может быть измерен методом замещения аналогично
6.4.2. После настройки измерительного прибора на частоту измерения вместо испытуемого ВМ подключают генератор замещающих сигналов
(6.2.12) с выходным сопротивлением, равным номинальному входному сопротивлению соединительного кабеля (при необходимости используют согласующие аттенюаторы). Напряжение генератора устанавливают таким, чтобы показание измерительного прибора было таким же, как при подключении испытуемого ВМ.
Примечание. При измерении напряжения методом замещения плавно повышают выходное напряжение генератора до требуемого уровня.
6.5.3. Результатом измерений на каждой частоте является значение напряжения в децибелах относительно 1 мкВ, полученное путем сложения вносимого затухания согласующего аттенюатора и показаний измерительного прибора, или напряжение на выходе замещающего генератора. В протоколе испытаний следует указывать номинальное значение выходного сопротивления ВМ.
6.6. Подготовка и проведение измерений напряженности поля радиопомех
6.6.1. При испытаниях измеряют квазипиковые значения напряженности поля радиопомех, создаваемых испытуемыми устройствами, в полосе частот 30 - 1000 МГц.
| | ИС МЕГАНОРМ: примечание. ГОСТ 16842-82 утратил силу на территории Российской Федерации с 1 января 2001 года в связи с введением в действие ГОСТ Р 51320-99 (Постановление Госстандарта России от 22.12.1999 N 655-ст). | |
6.6.2. Напряженность поля радиопомех измеряют на измерительной площадке или в безэховой камере, отвечающих требованиям ГОСТ 16842.
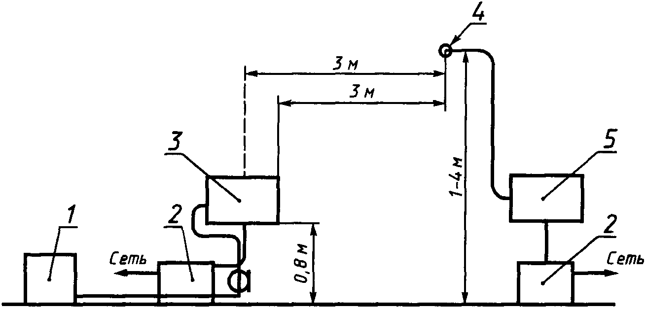
6.6.3. Расположение испытуемого устройства, измерительной аппаратуры и вспомогательного оборудования при измерении напряженности поля радиопомех приведено на рисунке 6.
1 - генератор испытательных сигналов; 2 - помехоподавляющий
фильтр; 3 - испытуемое устройство; 4 - антенна измерителя
радиопомех; 5 - измеритель радиопомех
Рисунок 6. Расположение испытуемого устройства,
измерительной аппаратуры и вспомогательного оборудования
при измерении напряженности поля радиопомех от РП ЧМ
сигналов, ТВ, ВМ и аппаратуры, функционально
связанной с РП и ТВ
Испытуемое устройство и измерительную антенну устанавливают над токопроводящей поверхностью.
Антенну измерителя радиопомех устанавливают так, чтобы расстояние между проекциями на землю центра симметрии измерительной антенны и геометрического центра испытуемой аппаратуры при испытании РП ЧМ сигналов, ТВ и ВМ или ближайшей к антенне точки испытуемой аппаратуры при испытаниях аппаратуры, функционально связанной с РП и ТВ, было равно 3 м.
Испытуемое устройство располагают на поворотном столе из изоляционного материала высотой 0,8 м
(6.2.36).
Сетевой провод прокладывают вертикально от отверстия в центре стола, излишек провода сворачивают в виде плоских петель длиной 0,3 - 0,4 м.
Испытательный сигнал, соответствующий требованиям
6.1.6, подают от генератора сигналов (
6.2.6,
6.2.8,
6.2.9), размещенного на проводящей поверхности рядом с испытуемым устройством, или с носителя записи.
Испытуемое устройство и генератор сигналов соединяют экранированным кабелем минимально возможной длины, проложенным вертикально через отверстие в центре стола. Экран кабеля должен быть подсоединен к проводящей поверхности площадки.
При испытании РП ЧМ сигналов, ТВ и ВМ, не имеющих внешних антенных входов, используют встроенную антенну испытуемого устройства. Испытательный сигнал
(6.1.6) подают с помощью излучающей антенны
(6.2.18), расположенной вертикально и подсоединенной к генератору испытательных сигналов. Излучающая антенна должна быть расположена на расстоянии не менее 3 м от антенны испытуемого устройства и не менее 6 м от антенны измерителя радиопомех. Телескопическую антенну испытуемого устройства следует вытянуть на всю длину и зафиксировать в вертикальном положении, если это одиночный штырь, либо в положении 45 град от вертикальной оси, т.е. формируя букву V, если антенна имеет два штыря.
Фидер измерительной антенны располагается в соответствии с
рисунком 6. Расстояние между вертикальной осью, проведенной через центр антенны, и вертикальным отрезком снижения фидера должно быть более 1 м.
6.6.4. Напряженность поля радиопомех измеряют в следующей последовательности:
а) испытуемое устройство устанавливают так, чтобы его лицевая сторона была обращена к измерительной антенне, и настраивают на стандартный испытательный сигнал;
б) измеритель радиопомех настраивают на частоту измерения при горизонтальном положении измерительной антенны;
в) плавно изменяя высоту установки антенны в пределах 1 - 4 м, находят наибольшее показание измерителя радиопомех и на этой высоте фиксируют антенну;
г) поворачивая поворотный стол, находят положение испытуемого устройства, при котором показание измерителя радиопомех наибольшее;
д) повторно изменяя высоту установки антенны в пределах 1 - 4 м, находят наибольшее показание измерителя радиопомех, которое принимают за результат измерения на этой частоте;
е) операции, приведенные в
перечислениях а) -
д), повторяют при вертикальном положении измерительной антенны. При этом высоту установки антенны изменяют в пределах 2 - 4 м;
За результат измерения на каждой частоте принимают наибольшее из значений, полученное при горизонтально или вертикально расположенной измерительной антенне.
ВМ испытывают в режимах записи и воспроизведения в соответствии с
6.3.3.
6.6.5. Испытания проводят при настройке испытуемых устройств на частоты, указанные в
6.1.6. Режим работы испытуемых устройств - в соответствии с
6.1.5,
6.3.3 и
6.3.4. Качество изображения испытательной таблицы на экране ТВ устанавливают визуально.
6.7. Подготовка и проведение измерений мощности радиопомех
6.7.1. В сетевом проводе и других кабелях аппаратуры, функционально связанной с РП и ТВ (кроме ВМ и ВИ), в полосе частот 30 - 300 МГц измеряют квазипиковое и среднее значение мощности радиопомех, а в полосе частот 300 - 1000 МГц - только квазипиковое.
6.7.2. Расположение испытуемого устройства, измерительной аппаратуры и вспомогательного оборудования при измерении мощности радиопомех приведено на рисунке 7.
1 - испытуемое устройство; 2 - провод, в котором проводится
измерение мощности радиопомех; 3 - поглощающие клещи;
4 - соединительный разъем; 5 - удлинительный шнур;
6 - измеритель радиопомех; 7 - высокочастотный кабель;
8 - ферритовый поглотитель или дополнительный экземпляр
поглощающих клещей; 9 - внешнее устройство;
10 - генератор испытательных сигналов
Рисунок 7. Расположение испытуемого устройства,
измерительной аппаратуры и вспомогательного оборудования
при измерении мощности радиопомех с использованием
поглощающих клещей
Испытуемое устройство, провод, в котором проводят измерение мощности радиопомех, и поглощающие клещи располагают на столе
(6.2.37) из изоляционного материала на расстоянии не менее 0,8 м от металлических предметов, токопроводящих поверхностей и персонала.
Провод, в котором проводят измерения мощности радиопомех, должен быть натянут горизонтально в прямую линию. Провод укладывают в поглощающие клещи, направленные трансформатором тока к испытуемому устройству.
Любой другой провод должен быть либо отключен, если механически и функционально это возможно, либо на него должен быть надет набор ферритовых колец длиной не менее 0,2 м с магнитной проницаемостью

, чтобы исключить возможные влияния высокочастотных токов на результаты измерения. Такой провод располагают перпендикулярно проводу, в котором проводят измерения.
Все неиспользуемые разъемы должны быть не нагружены. Все входы и выходы, имеющие подключенные провода, должны быть нагружены на соответствующие эквиваленты нагрузок. Если провода экранированы и предназначены для подключения к экранированным устройствам, то эквивалент нагрузки также должен быть экранированным.
6.7.3. Измерение мощности радиопомех проводят последовательно во всех проводах длиной не менее 0,25 м, которые могут быть подключены к испытуемой аппаратуре. На соединительных проводах между устройствами, принадлежащими одной и той же испытуемой аппаратуре, делают два измерения: первое - при расположении трансформатора тока поглощающих клещей, направленного в сторону одного из устройств, второе - в сторону другого устройства.
На каждой частоте измерения поглощающие клещи передвигают вдоль провода от испытуемого устройства на расстояние, равное примерно половине длины волны, до тех пор, пока не будет найдено такое положение клещей, при котором показание измерителя радиопомех будет наибольшим. При необходимости длина провода, в котором измеряют мощность радиопомех, должна быть увеличена до размера, равного половине длины волны колебаний с частотой 30 МГц (т.е. 5 м) плюс две длины поглощающих клещей.
Разъемы и т.п., не проходящие через поглощающие клещи, должны быть удалены, а провод удлинен соответствующим проводом до необходимой длины.
Если соединительный провод короче половины длины волны, соответствующей нижней частоте измерения, и подключен к устройству, не имеющему других внешних проводов, то:
- провод длиной не менее 0,25 м, но менее удвоенной длины поглощающих клещей увеличивают до двойной длины поглощающих клещей;
- провод длиной не менее удвоенной длины поглощающих клещей оставляют без изменения.
Примечание. В случаях, когда измеряемое значение мощности радиопомех не менее чем на 3 дБ ниже норм и на проводе есть препятствие движению клещей для нахождения первого максимума (например, разъем, выключатель и т.п.), то допускается проводить измерения по одному из следующих способов:
- находят второй максимум. Результатом измерения является измеренное значение плюс 1 дБ;
- поглощающие клещи помещают вплотную к препятствиям сначала с одной стороны, а затем с другой. Результатом измерений является наибольшее из двух измеренных значений плюс 2 дБ.
6.7.4. Первоначально поглощающие клещи располагают в непосредственной близости от работающего испытуемого устройства и определяют частоты, на которых измеритель радиопомех дает наибольшие показания. Затем на каждой из отмеченных частот поглощающие клещи передвигают вдоль провода до получения максимального показания измерителя радиопомех.
Допускается не измерять средние значения мощности радиопомех, если измеренные квазипиковые значения меньше нормы для средних значений.
6.7.5. За результат измерения мощности радиопомех в проводах и кабелях испытуемого устройства принимают наибольшее из максимальных значений, зарегистрированных на каждой частоте измерения.
6.8. Обработка и оценка результатов испытаний
| | ИС МЕГАНОРМ: примечание. ГОСТ 16842-82 утратил силу на территории Российской Федерации с 1 января 2001 года в связи с введением в действие ГОСТ Р 51320-99 (Постановление Госстандарта России от 22.12.1999 N 655-ст). | |
Обработка и оценка результатов испытаний - по ГОСТ 16842.
(обязательное)
РЕЖИМЫ РАБОТЫ АППАРАТУРЫ, ФУНКЦИОНАЛЬНО СВЯЗАННОЙ С РП И ТВ
А.1. Электропроигрыватели
Непрерывная работа без пластинки при номинальной частоте вращения диска 33,33 об/мин.
А.2. Усилители мощности сигналов звуковой частоты
К входным зажимам усилителя через согласующее звено
(6.2.29) подключают генератор синусоидальных сигналов низкой частоты
(6.2.9). Если усилитель имеет несколько входных зажимов, то генератор подключают к наиболее чувствительному входу.
К выходным зажимам усилителя подключают номинальный эквивалент нагрузки
(6.2.24), представляющий собой постоянный резистор соответствующей мощности и сопротивления, если иное не указано в ТУ, и вольтметр
(6.2.13).
Неиспользуемые входные и выходные зажимы усилителя подключают так, как указано в ТУ. Регуляторы тембра (при их наличии) должны быть отключены, если это возможно, в противном случае они должны быть установлены в положение, заданное в ТУ, которое, если не оговорено иное, должно обеспечивать равномерную частотную характеристику усиления.
На выходе генератора устанавливают синусоидальный сигнал частотой 1000 Гц, значение напряжения которого равно номинальной э.д.с. источника.
Регуляторы громкости или усиления (при их наличии) устанавливают в положение, соответствующее номинальному выходному напряжению. Затем уровень входного сигнала устанавливают таким, чтобы мощность выходного сигнала составляла восьмую часть номинальной мощности усилителя.
Измерение помех стереофонических или квадрофонических усилителей проводят аналогично: ко всем каналам присоединяют генераторы синусоидальных сигналов, а выходы нагружают на соответствующие эквиваленты нагрузок. Регулятор баланса устанавливают таким образом, чтобы мощность сигнала на выходе всех каналов была одинаковой.
Примечание. Рекомендуется подачу испытательного сигнала осуществлять через развязывающий трансформатор
(6.2.25).
А.3. Другое оборудование, содержащее усилители сигналов звуковой частоты (электрофоны, магнитолы и т.п.)
Непрерывная работа двигателя или преобразователя.
Выходную мощность устанавливают в соответствии с требованиями
А.2. Входной сигнал подают от носителя записи звуковой частоты или от генератора через согласующее звено. Амплитуда сигнала частотой 1000 Гц должна быть достаточной для обеспечения на выходе требуемой выходной мощности.
А.4. Магнитофоны записывающие-воспроизводящие, предназначенные для записи и воспроизведения сигналов звуковой частоты
Непрерывная работа с протягиванием типовой магнитной ленты в режиме записи и воспроизведения с учетом требований
А.2 и
А.3.
А.5. Электроорганы
Сигнал звуковой частоты создают нажатием на клавишу, соответствующую ноте "До" второй октавы (тон порядка 523 Гц).
(справочное)
ПРИМЕР СХЕМЫ РАЗВЕТВИТЕЛЯ
X1, X2, X3 - высокочастотный коаксиальный разъем
с волновым сопротивлением 75 Ом; R1, R2, R3 - резисторы
сопротивлением 24,5 Ом +/- 0,5%
Рисунок Б.1
(справочное)
ПРИМЕРЫ ВЫПОЛНЕНИЯ АНТЕНН
1 - вибраторы:

,

,

, d = (0,6 +/- 0,1) см (по
6.2.19);
2 - резистор сопротивлением (75 +/- 3) Ом (по
6.2.16) и
согласующий трансформатор; 4 - высокочастотные разъемы;
5 - коаксиальный кабель РК-75-2-13 (по
6.2.16) и РК-50-2-11
б, г - внешний проводник кабеля
Рисунок В.1. Широкополосная антенна с симметрирующим
согласующим трансформатором
1 - кольцевой ферритовый сердечник М30ВН-11 К32 x 16 x 8
2 - обмотка: 10 витков кабелем РК-75-1-12 (по
6.2.16),
проводник кабеля; б, г - внешний проводник кабеля
Рисунок В.2. Симметрирующий согласующий трансформатор
(справочное)
ПРИМЕР ВЫПОЛНЕНИЯ ФЕРРИТОВОГО ДРОССЕЛЯ
1 - разъем для подключения к испытуемому устройству;
2 - ферритовые кольца

; 3 - коаксиальный
кабель; 4 - высокочастотный разъем для подключения
к измерителю радиопомех
Рисунок Г.1