Главная // Актуальные документы // ГОСТ (Государственный стандарт)
СПРАВКА
Источник публикации
В данном виде документ опубликован не был.
Первоначальный текст документа опубликован в издании
М.: Издательство стандартов, 1992.
Информацию о публикации документов, создающих данную редакцию, см. в справке к этим документам.
Примечание к документу
С 1 июля 2003 года до вступления в силу технических регламентов акты федеральных органов исполнительной власти в сфере технического регулирования носят рекомендательный характер и подлежат обязательному исполнению только в части, соответствующей целям, указанным в пункте 1 статьи 46 Федерального закона от 27.12.2002 N 184-ФЗ.

Ограничение срока действия снято по Протоколу N 3-93 Межгосударственного совета по стандартизации, метрологии и сертификации ("ИУС", N 5 - 6, 1993).

Срок действия продлен до 1 января 1994 года Постановлением Госстандарта СССР от 14.03.1988 N 527.

Изменение N 6, утв. Постановлением Госстандарта России от 08.08.2001 N 321-ст, введен в действие с 1 января 2002 года.
Название документа
"ГОСТ 18677-73. Государственный стандарт Союза ССР. Пломбы. Конструкция и размеры"
(утв. и введен в действие Постановлением Госстандарта СССР от 28.04.1973 N 1115)
(ред. от 08.08.2001)

"ГОСТ 18677-73. Государственный стандарт Союза ССР. Пломбы. Конструкция и размеры"
(утв. и введен в действие Постановлением Госстандарта СССР от 28.04.1973 N 1115)
(ред. от 08.08.2001)


Содержание


Утвержден и введен в действие
Постановлением Государственного комитета
стандартов Совета Министров СССР
от 28 апреля 1973 г. N 1115
ГОСУДАРСТВЕННЫЙ СТАНДАРТ СОЮЗА ССР
ПЛОМБЫ
КОНСТРУКЦИЯ И РАЗМЕРЫ
Seals. Design and dimensions
ГОСТ 18677-73
Список изменяющих документов
(в ред. Изменения N 1, утв. в сентябре 1977 г.,
Изменения N 2, утв. в феврале 1979 г.,
Изменения N 3, утв. в марте 1981 г.,
Изменения N 4, утв. в январе 1983 г.,
Изменения N 5, утв. в марте 1988 г.,
Госстандарта России от 08.08.2001 N 321-ст)
Группа Д97
ОКСТУ 4180
Срок действия
с 1 января 1974 года
до 1 января 1994 года
ИНФОРМАЦИОННЫЕ ДАННЫЕ
1. РАЗРАБОТЧИКИ: Л.А. Дашкова, Л.Н. Дивина, Ю.А. Мирошниченко, Л.Н. Пушкарева, О.Д. Соколов, С.К. Федорова
2. УТВЕРЖДЕН И ВВЕДЕН В ДЕЙСТВИЕ Постановлением Государственного комитета стандартов Совета Министров СССР от 28.04.73 N 1115.
3. Срок проверки - 1992 г., периодичность проверки - 5 лет.
4. ВВЕДЕН ВПЕРВЫЕ
5. ССЫЛОЧНЫЕ НОРМАТИВНО-ТЕХНИЧЕСКИЕ ДОКУМЕНТЫ
Обозначение НТД, на который дана ссылка
Номер пункта
ГОСТ 3489.5-71
ГОСТ 18680-73
ГОСТ 23436-83
6. Переиздание (декабрь 1991 г.) с Изменениями N 1, 2, 3, 4, 5, утвержденными в сентябре 1977 г., феврале 1979 г., марте 1981 г., январе 1983 г., марте 1988 г. (ИУС 10-77, 4-79, 6-81, 5-83, 6-88)
7. Проверен в 1987 г. Срок действия продлен до 01.01.94 (Постановление Госстандарта СССР от 14.03.88 N 527)
1. Настоящий стандарт распространяется на пломбы металлические и бумажные, предназначенные для пломбирования изделий и их составных частей, а также транспортной тары.
2. Стандарт устанавливает пломбы семи типов:
1, 2, 3, 4, 5, 6 - металлические;
7 - бумажные.
(Измененная редакция, Изм. N 1).
3. Примеры способов пломбирования указанными пломбами даны в приложении.
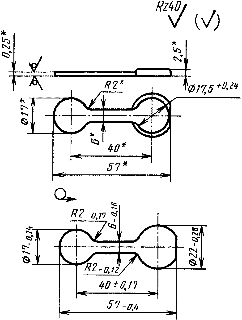
4. Конструкция и размеры металлических пломб должны соответствовать указанным на черт. 1 - и в табл. 1 - 3.
Тип 1
--------------------------------
<*> Размеры для справок.
Черт. 1
Таблица 1
Размеры, мм
D
Применяемость
L
s
Масса
1000 шт., кг ~=
Номин.
Пред. откл.
6
8
-0,9
1,00
0,350
10
0,75
0,360
8
1,00
0,620
12
-1,1
0,680
Примечание. Допускается применение трубы диаметром 6 мм и длиной 10 мм из стали марки 12Х18Н10Т со стенкой толщиной в пределах от 0,4 до 1,00 мм.
Пример условного обозначения пломбы типа 1, D = 6 мм, L = 10 мм, из сплава марки АД1М без покрытия:
Пломба 1-6x10-АД1М ГОСТ 18677-73
То же, из сплава марки АД1М с покрытием 10:
Пломба 1-6x10-АД1М-10 ГОСТ 18677-73
То же, из стали марки 12Х18Н10Т без покрытия:
Пломба 1-6x10-12Х18Н10Т ГОСТ 18677-73
Тип 2
--------------------------------
<*> Размеры для справок.
Черт. 2
Таблица 2
Размеры, мм
D
+0,7
Применяемость
D1
D2
-0,43
D3
-0,52
r
+/- 0,5
A
+/- 0,6
A1
H
b
-0,48
Масса
1000 шт., кг ~=
14
13,5
13,5
19
7,2
20
20
3,3
4
1,27
16
15,5
15,5
25
8,2
22
22
5,0
5
2,05
Пример условного обозначения пломбы типа 2, D = 16 мм, из черной жести:
Пломба 2-16 ГОСТ 18677-73
То же, из белой жести (1):
Изменением N 6, утв. Постановлением Госстандарта России от 08.08.2001 N 321-ст, в чертеж 3 были внесены изменения.
Пломба 2-16-1 ГОСТ 18677-73
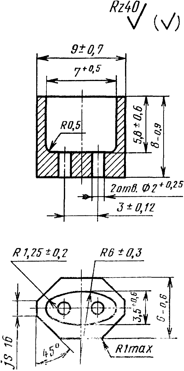
Тип 3
Черт. 3
Пример условного обозначения пломбы типа 3, из сплава марки АД1М без покрытия:
Пломба 3-АД1М ГОСТ 18677-73
То же, с покрытием 10:
Пломба 3-АД1М-10 ГОСТ 18677-73
Тип 4
--------------------------------
<*> Размер для справок.
Черт. 4
Таблица 3
Размеры, мм
D
-0,7
Применяемость
D1
+/- 0,5
d
d1
+/- 0,5
r
+/- 0,3
H
Масса
1000 шт., кг ~=
Номин.
Пред. откл.
12
17,5
6
12
1,9
5
+/- 0,4
0,65
18
29
8
18
2,5
8
+/- 0,5
1,65
Примечания:
1. Допускается огранка отверстия Б, образующаяся при штамповке.
2. Допускается разворот кромок после штамповки на отверстиях В и Г.
Пример условного обозначения пломбы типа 4, D = 18 мм, из сплава марки АД1М без покрытия:
Пломба 4-18-АД1М ГОСТ 18677-73
То же, с покрытием 10:
Пломба 4-18-АД1М-10 ГОСТ 18677-73
Тип 5
--------------------------------
<*> Размеры для справок.
Черт 4а
Пример условного обозначения пломбы типа 5 из жести ГГЖР-25-11:
Пломба 5-ГГЖР-25-11 ГОСТ 18677-73
Тип 6
--------------------------------
<*> Размеры для справок.
Черт. 4б
Пример условного обозначения пломбы типа 6 из жести ГГЖР-25-11:
Пломба 6-ГГЖР-25-11 ГОСТ 18677-73
(Измененная редакция, Изм. 1, 2, 5).
5. Масса 1000 шт. пломб типа 3 приблизительно равна 0,8 кг.
6. Конструкция и размеры бумажных пломб должны соответствовать указанным на черт. 5 и в табл. 4.
Тип 7
Черт. 5
Таблица 4
B
Применяемость
L
l
l1
b
10
36
8
10
3,0
40
14
50
12
14
4,5
60
14
18
90
20
30
Пример условного обозначения пломбы типа 7, B = 14 мм, L = 90 мм:
Пломба 7-14x90 ГОСТ 18677-73
(Измененная редакция, Изм. N 1, 2, 3).
7. Пломбы должны изготовляться из материалов, указанных в табл. 5.
Таблица 5
Тип пломбы
Материал
Замена материала
Трубы круглые отожженные из сплава марки АД1М - по ГОСТ 18475-82
Трубы круглые отожженные из сплавов марок АМцМ, АМг1М, АВМ - по ГОСТ 18475-82, АД1М - по нормативно-технической документации, утвержденной в установленном порядке
Труба из стали марки 12Х18Н10Т - по ГОСТ 9941-81
(в ред. Изменения N 6, утв. Постановлением Госстандарта России от 08.08.2001 N 321-ст)
Жесть черная ГЧЖ-2, N 36 - по нормативно-технической документации, утвержденной в установленном порядке
Жесть белая ГГЖР, NN 28, 32, 36 по нормативно-технической документации, утвержденной в установленном порядке
Лист АД1М, А5.М толщиной 2,5 мм - по ГОСТ 21631-76
-
(в ред. Изменения N 6, утв. Постановлением Госстандарта России от 08.08.2001 N 321-ст)
Лист АД1М, А5.М толщиной 1 мм - по ГОСТ 21631-76
Лист АД1М, А5.М толщиной 0,8 мм по ГОСТ 21631-76
(в ред. Изменения N 6, утв. Постановлением Госстандарта России от 08.08.2001 N 321-ст)
5, 6
Жесть белая ГГЖР-25-11 - по нормативно-технической документации, утвержденной в установленном порядке, ГЖР и ЭЖР - по ГОСТ 13345-85
Жесть белая ГГЖК-25-11 - по нормативно-технической документации, утвержденной в установленном порядке, ГЖК и ЭЖК - по ГОСТ 13345-85
Бумага К-120 цвета натурального волокна - по ГОСТ 23436-83
-
Примечание. При изготовлении пломб типа 1 диаметром 6 мм холодной высадкой допускается применение проволоки из материала Д18 по ГОСТ 14838-78, при этом длина пломбы должна быть (7 +/- 0,5) мм.
(примечание в ред. Изменения N 6, утв. Постановлением Госстандарта России от 08.08.2001 N 321-ст)
(Измененная редакция, Изм. N 1, 2, 4, 5).
8. Остальные технические требования - по ГОСТ 18680-73.
Приложение
Рекомендуемое
ПРИМЕРЫ СПОСОБОВ ПЛОМБИРОВАНИЯ
МЕТАЛЛИЧЕСКИМИ И БУМАЖНОЙ ПЛОМБАМИ
Тип пломбы
Пример пломбирования
5, 6
(Измененная редакция, Изм. N 1).