Главная // Актуальные документы // ГОСТ (Государственный стандарт)СПРАВКА
Источник публикации
М.: Стандартинформ, 2013
Примечание к документу
Документ утрачивает силу на территории Российской Федерации с 01.01.2025 в связи с изданием
Приказа Росстандарта от 12.09.2024 N 1226-ст. Взамен вводится в действие
ГОСТ Р 71355-2024.
Документ
введен в действие с 1 января 2015 года.
Название документа
"ГОСТ 31588.3-2012 (ISO 18369-3:2006). Межгосударственный стандарт. Оптика офтальмологическая. Линзы контактные. Методы измерений"
(введен в действие Приказом Росстандарта от 01.11.2012 N 653-ст)
"ГОСТ 31588.3-2012 (ISO 18369-3:2006). Межгосударственный стандарт. Оптика офтальмологическая. Линзы контактные. Методы измерений"
(введен в действие Приказом Росстандарта от 01.11.2012 N 653-ст)
по техническому регулированию
и метрологии
от 1 ноября 2012 г. N 653-ст
МЕЖГОСУДАРСТВЕННЫЙ СТАНДАРТ
ОПТИКА ОФТАЛЬМОЛОГИЧЕСКАЯ
ЛИНЗЫ КОНТАКТНЫЕ
МЕТОДЫ ИЗМЕРЕНИЙ
Ophthalmic optics. Contact lenses. Methods of measurement
(ISO 18369-3:2006, MOD)
ГОСТ 31588.3-2012
(ISO 18369-3:2006)
Дата введения
1 января 2015 года
Цели, основные принципы и порядок проведения работ по межгосударственной стандартизации установлены
ГОСТ 1.0-92 "Межгосударственная система стандартизации. Основные положения" и
ГОСТ 1.2-2009 "Межгосударственная система стандартизации. Стандарты межгосударственные, правила и рекомендации по межгосударственной стандартизации. Правила разработки, принятия, применения, обновления и отмены"
1 ПОДГОТОВЛЕН Федеральным государственным унитарным предприятием "Всероссийский научно-исследовательский институт стандартизации и сертификации в машиностроении" (ВНИИНМАШ)
2 ВНЕСЕН Федеральным агентством по техническому регулированию и метрологии Российской Федерации
3 ПРИНЯТ Межгосударственным советом по стандартизации, метрологии и сертификации (протокол от 24 мая 2012 г. N 41)
За принятие стандарта проголосовали:
Краткое наименование страны по МК (ИСО 3166) 004-97 | Код страны по МК (ИСО 3166) 004-97 | Сокращенное наименование национального органа по стандартизации |
Азербайджан | AZ | Азстандарт |
Беларусь | BY | Госстандарт Республики Беларусь |
Кыргызстан | KG | Кыргызстандарт |
Молдова | MD | Молдова-Стандарт |
Российская Федерация | RU | Росстандарт |
Таджикистан | TJ | Таджикстандарт |
Узбекистан | UZ | Узстандарт |
4
Приказом Федерального агентства по техническому регулированию и метрологии от 1 ноября 2012 г. N 653-ст межгосударственный стандарт ГОСТ 31588.3-2012 (ISO 18369-3:2006) введен в действие в качестве национального стандарта Российской Федерации с 1 января 2015 г.
5 Настоящий стандарт модифицирован по отношению к международному стандарту ISO 18369-3:2006 Ophthalmic optics - Contact lenses - Part 3: Methods of measurement (Офтальмологическая оптика. Контактные линзы. Часть 3. Методы измерений) путем изменения структуры.
Сравнение структуры международного стандарта со структурой настоящего стандарта приведено в
приложении ДА.
Дополнительные фразы, слова, показатели и/или их значения, внесенные в текст стандарта, выделены курсивом.
Степень соответствия - модифицированная (MOD).
6 ВВЕДЕН ВПЕРВЫЕ
Информация об изменениях к настоящему стандарту публикуется в ежегодно издаваемом информационном указателе "Национальные стандарты", а текст изменений и поправок - в ежемесячно издаваемом информационном указателе "Национальные стандарты". В случае пересмотра (замены) или отмены настоящего стандарта соответствующее уведомление будет опубликовано в ежемесячно издаваемом информационном указателе "Национальные стандарты". Соответствующая информация, уведомление и тексты размещаются также в информационной системе общего пользования - на официальном сайте Федерального агентства по техническому регулированию и метрологии в сети Интернет
Настоящий стандарт распространяется на жесткие корнеальные и склеральные контактные линзы, а также мягкие контактные линзы и устанавливает методы измерения физических и оптических свойств контактных линз: радиуса кривизны, вершинной рефракции, диаметра, толщины, проверки кромок, включений и поверхностных дефектов, определение светового коэффициента пропускания и спектрального коэффициента пропускания.
Настоящий стандарт устанавливает также требования к стандартному солевому раствору, применяемому для измерения контактных линз.
В настоящем стандарте использованы нормативные ссылки на следующие межгосударственные стандарты:
| | ИС МЕГАНОРМ: примечание. ГОСТ 8.332-78 утратил силу с 1 октября 2015 года в связи с введением в действие ГОСТ 8.332-2013 (Приказ Росстандарта от 11.06.2014 N 539-ст). | |
ГОСТ 8.332-78 Государственная система обеспечения единства измерений. Световые измерения. Значения относительной спектральной световой эффективности монохроматического излучения для дневного зрения
ГОСТ ИСО 5725-1-2003 <*> Точность (правильность и прецизионность) методов и результатов измерений. Часть 1. Основные положения и определения
--------------------------------
<*> На территории Российской Федерации действует
ГОСТ Р ИСО 5725-1-2002 "Точность (правильность и прецизионность) методов и результатов измерений. Часть 1. Основные положения и определения".
ГОСТ ИСО 5725-4-2003 <**> Точность (правильность и прецизионность) методов и результатов измерений. Часть 4. Основные методы определения правильности стандартного метода измерений
--------------------------------
<**> На территории Российской Федерации действует
ГОСТ Р ИСО 5725-4-2002 "Точность (правильность и прецизионность) методов и результатов измерений. Часть 4. Основные методы определения правильности стандартного метода измерений".
ГОСТ 7721-89 Источники света для измерений цвета. Типы, технические требования. Маркировка
ГОСТ 28956-91 (ИСО 8320-86) Линзы контактные. Термины и определения
ГОСТ 31587-2012 Линзы контактные мягкие. Общие технические условия
Примечание - При пользовании настоящим стандартом целесообразно проверить действие ссылочных стандартов по указателю "Национальные стандарты", составленному по состоянию на 1 января текущего года, и по соответствующим выпускам информационного указателя, за текущий год. Если ссылочный стандарт заменен (изменен), то при пользовании настоящим стандартом следует руководствоваться заменяющим (измененным) стандартом. Если ссылочный стандарт отменен без замены, то положение, в котором дана ссылка на него, применяется в части, не затрагивающей эту ссылку.
В настоящем стандарте применены термины и определения по ГОСТ 28956, ГОСТ ИСО 5725-1, а также следующие термины с соответствующими определениями:
3.1.1 вершинный радиус кривизны (vertex radius of curvature): Радиус кривизны в вершине асферической поверхности контактной линзы при стрелке прогиба, приблизительно равной стрелке прогиба асферической поверхности в малой области, окружающей ее вершину.
3.1.2 офтальмометр (ophthalmometr): Короткофокусный телескоп с системой удвоения, предназначенный, в основном, для измерения кривизны центральной части роговицы глаза.
3.1.3 калибровка (calibration): Определение точности измерения.
3.1.4 рефлектометр Муара (deflektometer Moire): Измерительный прибор для оценки отклонений прямолинейного распространения пучка лучей, прошедших или отраженных от измеряемого объекта.
3.1.5 стрелка прогиба контактной линзы (sagittal depth contact lenses): Расстояние от вершины поверхности контактной линзы до хорды, проходящей по поверхности при известном диаметре.
3.1.6 спектральный коэффициент пропускания
(spectral transmittance): Величина, определяемая отношением прошедшего спектрального потока излучения

к падающему спектральному потоку излучения

, измеренному на данной длине волны

.
3.1.7 световой коэффициент пропускания
(luminous transmittance): Отношение проходящего светового потока

к падающему световому потоку

.
4. Методы измерения радиуса кривизны контактных линз
4.1.1 Измерение радиуса кривизны поверхности жестких контактных линз проводят с помощью микросферометра по
4.2.
Допускается проводить измерение радиуса кривизны поверхности жестких контактных линз с помощью офтальмометра с насадкой для удержания контактных линз по приложению A.
4.1.2 Радиус кривизны поверхности гидрогельных контактных линз определяют путем ультразвуковых, механических и оптических методов измерений стрелки прогиба по
4.3. Для жестких сферических поверхностей ультразвуковые, механические и оптические методы измерения стрелки прогиба выполнять не рекомендуется, т.к. во время проведения измерений аберрации, торообразность и другие искажения не определяются. Метод измерения стрелки прогиба по
4.3 используют только при определении эквивалентного сферического радиуса кривизны жестких асферических поверхностей.
| | ИС МЕГАНОРМ: примечание. В официальном тексте документа, видимо, допущена опечатка: имеется в виду Приложение B, а не Б. | |
В
приложении Б приведен интерферометрический метод измерения радиуса кривизны, применимый к жестким контактным линзам.
4.1.3 Воспроизводимость результатов измерений методами по 4.2 - 4.3 должна соответствовать приведенной в таблице 1.
Таблица 1
Методы измерений, применение и воспроизводимость
результата измерений
Подраздел | Метод измерения/применение | Воспроизводимость результата измерения <а> R |
| С помощью микросферометра: | |
Сферические жесткие линзы | +/- 0,015 мм в воздухе |
| Стрелки прогиба: | |
гидрогельные линзы (содержание воды 38%, tC > 0,1 мм) | +/- 0,050 мм в солевом растворе |
гидрогельные линзы (содержание воды 55%, tC > 0,1 мм) | +/- 0,100 мм в солевом растворе |
гидрогельные линзы (содержание воды 70%, tC > 0,1 мм) | +/- 0,200 мм в солевом растворе |
Примечание - Воспроизводимость указана для сферических жестких линз, т.к. этот тип линз включен в проводимое кольцевое испытание на относительную текучесть. Однако приведенные значения в равной степени применимы к асферическим и торическим жестким линзам. -------------------------------- <а> Воспроизводимость метода должна составлять половину (или менее) допуска, установленного в [1] на контактные линзы конкретного типа. |
4.1.4 Оценка правильности полученных средних значений радиуса кривизны контактных линз по 4.2.2.9, 4.2.3.2, 4.3.2.8, 4.3.3.2, то есть оценка систематической погрешности, должна быть выполнена в соответствии с ГОСТ ИСО 5725-4 (раздел 5).
4.2. Метод измерения с помощью микросферометра
4.2.1.1 Микросферометр локализует "изображение вершины поверхности" и "мнимое (зеркальное) изображение" (центр кривизны) по принципу Дрисдейла, как описано ниже. Расстояние между этими двумя точками - радиус кривизны сферической поверхности - известно как вершинный радиус кривизны асферической поверхности, полученный из конического сегмента. Микросферометр используют для измерения радиусов двух главных меридианов жесткой торической поверхности, а с помощью специальной наклонной насадки могут быть измерены эксцентрические радиусы, обнаруженные в торической периферии жесткой асферической поверхности. Радиус кривизны задней оптической зоны получают измерением задней поверхности контактной линзы.
4.2.1.2 Оптическая схема микросферометра представлена на рисунке 1. Оптический микросферометр состоит из светового микроскопа с осветителем отраженного света. Свет от миры T отражается в тубус микроскопа посредством посеребренного зеркала M, проходит через объектив микроскопа и формирует изображение миры в точке T'. Если фокус совпадает с поверхностью линзы, то свет отражается обратно по диаметрально противоположному пути и формирует изображения в точках T и T". Изображение в T" совпадает с первым главным фокусом окуляра, когда наблюдатель видит резкое изображение [рисунок 1 а)]. Это называется "изображением вершины поверхности".
Расстояние между микроскопом и поверхностью линзы увеличивается путем поднятия микроскопа, либо опусканием линзы на столике микроскопа, пока изображение T', формируемое объективом, не совпадет с C (центр кривизны поверхности). Свет от мишени T падает на поверхность линзы и отражается обратно по тому же пути, формируя изображения в T и T", согласно рисунку 1 б). Наблюдатель снова видит резкое изображение. Это называется "мнимым (зеркальным) изображением".
C - центр кривизны поверхности, которую нужно измерить;
T - мира; T' - изображение T в самосопряженной точке;
T" - изображение T', расположенное в первом главном фокусе
окуляра, TM = MT"; M - полусеребряное зеркало; r - радиус
кривизны поверхности контактной линзы
Рисунок 1 - Оптическая схема микросферометра
Расстояние, на которое переместились микроскоп или столик, равно радиусу r кривизны поверхности линзы. Расстояние перемещения измеряют аналоговым или цифровым измерителем расстояний, встроенным в прибор.
4.2.1.3 В случае торической поверхности определяют радиус кривизны, измеренный в каждом из двух главных меридианов, совмещенных с линиями в освещенной мире микросферометра.
Допускается радиус кривизны передней поверхности измерять путем ориентирования линзы таким образом, чтобы ее передняя поверхность была обращена к микроскопу. В этом случае, "мнимое (зеркальное) изображение" находится ниже линзы. Необходимо переместить вниз фокус микроскопа в T' из первоначального положения на вершине передней поверхности линзы, чтобы T' совпал с C.
4.2.2 Требования к средствам измерения, вспомогательным устройствам и порядок подготовки к измерениям
4.2.2.1 При измерении применяют оптический микросферометр, включающий в себя световой микроскоп с осветителем отраженного света и мирой и снабженный механизмом точной фокусировки. Регулировочное устройство обеспечивает плавное перемещение микроскопа или столика. Регулировочный измеритель снабжен линейной шкалой.
4.2.2.2 Минимальное увеличение линзы объектива должно быть 6,5x, числовая апертура не менее 0,25. Полное увеличение должно быть не менее 65x. Диаметр действительного изображения миры, формируемого микроскопом, должен быть не более 1,2 мм.
4.2.2.3 Цена деления шкалы измерительного инструмента должна составлять не более 0,02 мм. Точность измерительного инструмента должна составлять +/- 0,010 мм для показаний 2,00 мм или более при температуре (20 +/- 5) °C. Воспроизводимость измерительного инструмента должна быть +/- 0,003 мм.
Примечания:
1 Термин "измерительный инструмент" относится и к аналоговому, и к цифровому измерительному инструменту.
2 "Воспроизводимость" означает близкое совпадение взаимонезависимых результатов измерения, полученных при одних и тех же условиях.
4.2.2.4 В механизме измерительного инструмента должно быть встроено средство для устранения люфта (обратного хода). Если показания снимаются в одном направлении, люфт можно не учитывать.
4.2.2.5 Освещенная мира состоит из четырех линий, радиально пересекающихся в центре, повернутых относительно друг друга на 45°.
4.2.2.6 Конструкцией микросферометра должен быть предусмотрен держатель для контактных линз, который удерживает опорную плоскость контактной линзы перпендикулярно к оптической оси прибора. Держатель должен регулироваться в поперечном направлении так, чтобы вершину поверхности контактной линзы можно было отцентрировать относительно оси. Держатель контактной линзы должен обеспечивать нейтрализацию нежелательных отражений от поверхности контактной линзы, не подлежащей измерению.
4.2.2.7 Калибровка прибора перед началом измерения должна проводиться с использованием трех вогнутых испытательных пластинок (тест-пластинок), изготовленных из крона, со следующими сферическими радиусами:
- пластинка 1: от 6,30 до 6,70 мм;
- пластинка 2: от 7,80 до 8,20 мм;
- пластинка 3: от 9,30 до 9,70 мм.
Радиусы испытательных пластинок должны быть известны с точностью +/- 0,0075 мм.
4.2.2.8 Калибровку следует проводить в помещении с температурой (20 +/- 5) °C. Прибор должен иметь достаточное время для стабилизации температуры.
4.2.2.9 Калибровку проводят следующим образом:
- установить первую испытательную пластинку так, чтобы оптическая ось светового микроскопа располагалась перпендикулярно испытуемой поверхности;
- отрегулировать расстояние между микроскопом и столиком, чтобы изображение миры сфокусировалось на измеряемую поверхность, при этом через микроскоп наблюдают четкое изображение миры;
- поставить измерительный инструмент на ноль;
- увеличивать расстояние между микроскопом и столиком до наблюдения второго четкого изображения миры. Теперь микроскоп и поверхность занимают положение, показанное на
рисунке 1б). Оба изображения должны наблюдаться в центре поля зрения, если это не происходит, следует перемещать испытательную пластинку по горизонтали и/или наклонять ее до нужного положения;
- снять показание расстояния, указанное на измерительном инструменте, в тот момент когда второе изображение находится в фокусе. Это показание равно радиусу кривизны измеряемой поверхности;
- провести десять независимых измерений и рассчитать среднеарифметическое;
- повторить процедуру для двух других испытательных пластинок;
- занести результаты на калибровочную кривую и использовать для корректировки результатов, полученных в
4.2.3.
Примечание - Термин "независимый" означает, что испытательная пластинка или линза должна быть вынута из прибора, прибор обнулен и изделие повторно установлено.
4.2.3 Порядок проведения измерений
4.2.3.1 Измерения проводят с использованием тест-линзы при температуре воздуха (20 +/- 5) °C.
4.2.3.2 Порядок проведения измерения заключается в проведении следующих действий:
- установить тест-линзу так, чтобы оптическая ось микроскопа была перпендикулярна той части поверхности линзы, радиус которой нужно измерить;
- выполнить три независимых замера по
4.2.2.9;
- скорректировать среднеарифметическое замеров, используя калибровочную кривую, полученную в
4.2.2.9;
- полученный результат записать с точностью до 0,01 мм.
4.2.3.3 Для определения радиуса кривизны торической поверхности контактную линзу центрируют и поворачивают так, чтобы два главных меридиана линзы были параллельны линиям миры в пределах микросферометра. Процедуру измерения следует проводить для каждого из двух главных меридианов.
4.2.3.4 При определении вершинного радиуса кривизны асферической поверхности, процедура измерения аналогична процедуре измерения для сферической поверхности. В этом случае размещение вершины поверхности в фокусе микроскопа должно быть более точным, то есть торичность в "зеркальном изображении" не должна быть заметна.
Примечание - Эквивалентный сферический радиус кривизны асферической поверхности можно определить путем измерения стрелки прогиба
s поверхности в оптической зоне с диаметром измерения
y, используя методы, описанные в
4.2 - 4.3 и приложении A. Эквивалентный сферический радиус кривизны
r получают согласно формуле

. (1)
Настоящий метод не зависит от эксцентриситета e и может использоваться для подтверждения тех эквивалентных радиусов, которые рассчитаны с использованием значений эксцентриситета.
4.3. Метод измерения стрелки прогиба
задней оптической зоны
4.3.1.1 Для определения стрелки прогиба задней оптической зоны, контактную линзу вогнутой стороной устанавливают на круглую опору, имеющую фиксированный внешний диаметр (см. рисунок 2). Гидрогельная контактная линза перед измерением должна быть выдержана в стандартном солевом растворе в соответствии с
разделом 12.
r2 = (r - s)2 + 0,25 y2
s = r - (r2 - 0,25y2)0,5
r - радиус кривизны линзы; s - стрелка прогиба; y - внешний
диаметр (хорда) опоры линзы
Рисунок 2 - Геометрия измерения стрелки прогиба
4.3.1.2 Для измерения стрелки прогиба используют следующие три метода:
а) с помощью оптического компаратора: при увеличении визуально измеряют вертикальное расстояние между вершиной задней поверхности и хордой;
б) механическим способом: вводят вертикальный щуп, который проходит до вершины задней поверхности. Его длина от хорды при касании задней поверхности равняется значению стрелки прогиба (см.
рисунок 4);
в) с помощью ультразвукового импульса: стрелку прогиба определяют путем измерения времени прохождения через стандартный солевой раствор ультразвукового импульса от преобразователя к вершине задней плоскости и отражения обратно на преобразователь. Измеренное значение времени прохода умножают на значение скорость звука в стандартном солевом растворе при заданной температуре. Значение стрелки прогиба рассчитывают как половину полученного расстояния за вычетом вертикального расстояния от преобразователя до верхней части опоры линзы.
Радиус кривизны сферической поверхности (e = 0) или вершинный радиус кривизны конусоидальной поверхности с заданным эксцентриситетом (e > 0) получают из стрелки прогиба с использованием соответствующего уравнения.
4.3.1.3 При использовании методов, указанных в
перечислениях а) -
в), воспроизводимость результатов измерения составляет 0,05 мм - для линз с низким содержанием воды (менее 38%); 0,1 мм - для линз со средним содержанием воды (от 38% до 54%) и 0,2 мм - для линз с высоким содержанием воды (выше 54%).
4.3.2 Требования к средствам измерений и вспомогательным устройствам
4.3.2.1 Минимальное увеличение оптического компаратора должно быть 10
x. В оптический компаратор должен быть вставлен наливной элемент с полой цилиндрической опорой для контактной линзы. Контактная линза должна быть установлена в горизонтальное положение, как показано на
рисунке 2, при этом задняя поверхность ее отцентрирована по круглому наружному краю опоры с плоским ободом.
4.3.2.2 Опора должна быть сконструирована таким образом, чтобы диаметр хорды
y составлял не менее 8,0 мм. В примере на
рисунке 2 предпочтительный хордовый диаметр опоры составляет 10,0 мм. Для измерения стрелки прогиба в пределах центральной части контактной линзы (при условии отцентровки линзы на опоре) следует использовать сетку с минимальным шагом 0,01 мм с тем, чтобы стрелку прогиба можно было визуально определить с повторяемостью +/- 0,02 мм. Оптический компаратор должен быть снабжен средством контроля температуры наливного элемента.
Примечание - Увеличение, превышающее 50x, будет повышать воспроизводимость метода, но метод измерения не подтвержден межлабораторными испытаниями.
4.3.2.3 Сферометр должен проецировать профили контактной линзы, опоры контактной линзы и щупа на экран (см. рисунок 3). Увеличение проекционной системы должно быть не менее 10
x для измерений жестких контактных линз и не менее 14x для измерений мягких контактных линз. Проекционная система должна обеспечивать одновременную фокусировку контактной линзы, опоры контактной линзы и щупа. Система позволяет оператору проконтролировать центрировку линзы на опоре так, что щуп перемещается по оси линзы и достигает вершины задней поверхности линзы (см.
рисунок 4). Вершина задней поверхности линзы является конечной точкой, необходимой для получения значения измерения. Расстояние, пройденное твердотельным механическим щупом (копировальный палец или чувствительный элемент), от плоскости опоры линзы к вершине задней поверхности линзы, является стрелкой прогиба
s. Точность измерения аналогового или цифрового измерительного инструмента должна составлять не менее 0,01 мм и
не выходить за пределы +/- 0,1 мм при измерении мягких контактных линз.

1 - осветительная система; 2 - линза; 3 - измерительный
элемент; 4 - экран
Рисунок 3 - Принцип механического анализатора для наливного
элемента
s - стрелка прогиба; 1 - контактная линза; 2 - опора линзы;
3 - щуп
Рисунок 4 - Детальное представление механического
анализатора с показом опоры линзы и щупа
Требования, предъявляемые к наливному элементу и опоре - по
4.3.2.1 -
4.3.2.2 стандарта.
4.3.2.4 Ультразвуковой преобразователь должен располагаться под центром опоры контактной линзы (см. рисунок 5). Частота преобразователя f должна быть не менее 18 МГц, ширина полосы пропускания (1,4f +/- 5) МГц, ширина луча не более 2,0 мм в фокусе и фокусное расстояние от 25 до 50 мм. Дополнительное электронное устройство должно подавать соответствующий электронный сигнал на преобразователь. Таймер должен регистрировать интервал времени с точностью до 0,01 мкс. Рекомендуется время срабатывания по управляющему входу для того, чтобы можно было использовать усредненное время. Отражение звука происходит от двух поверхностей контактной линзы и любой другой имеющейся акустической поверхности, поэтому дополнительное устройство должно отклонять или не учитывать нежелательный отраженный сигнал.
1 - контактная линза; 2 - контейнер; 3 - стандартный солевой
раствор; 4 - преобразователь; 5 - дополнительное устройство
Рисунок 5 - Схема ультразвукового измерения стрелки прогиба
в наливном элементе
4.3.2.5 Требование, предъявляемое к наливному элементу и опоре, - по
4.3.2.1 и
4.3.2.2.
4.3.2.6 Независимо от конструкции, повторяемость ультразвукового преобразователя с наливным элементом должна составлять не менее +/- 0,02 мм, когда он используется для измерения стрелки прогиба в пределах центральной части контактной линзы (если линза отцентрирована на опоре).
4.3.2.7 Калибровка должна выполняться с использованием трех жестких сферических вогнутых тестовых измерителей, изготовленных из полиметилметакрилата или стекла. Измерители должны быть расположены на таком расстоянии, чтобы определять точность измерения в широком диапазоне. Расстояния должны быть не менее следующих: (7,50 +/- 0,1) мм, (8,50 +/- 0,1) мм и (9,50 +/- 0,1) мм. Действительный радиус должен быть в пределах 0,01 мм.
Примечание - Рекомендуется использовать плосковогнутые контрольные образцы с толщиной в центре 3 мм и диаметром 12 мм.
4.3.2.8 Калибровку следует проводить при температуре окружающей среды (20 +/- 5) °C при применении трех методов, после чего приборам дают время для стабилизации. Тестовые измерители должны быть выдержаны в стандартном солевом растворе в наливном элементе.
Каждый тестовый измеритель должен быть откалиброван по каждому направлению не менее 20 раз. По полученным результатам вычисляют среднеарифметическое. Разности между вычисленным и действительным радиусами используют для построения калибровочной кривой.
4.3.3 Порядок подготовки и проведение измерений
4.3.3.1 Порядок подготовки к проведению измерений заключается в проведении следующих операций:
- осторожно центрируя измеряемую линзу на опоре, дать возможность линзе опуститься под действием силы тяжести на опору в стандартный солевой раствор.
При измерении стрелки прогиба асферических поверхностей необходимо особо точно центрировать контактную линзу на опоре;
- выдержать линзу перед измерениями в стандартном солевом растворе в течение 30 мин при температуре (20 +/- 0,5) °C.
4.3.3.2 Порядок проведения измерений состоит из трех отдельных этапов определения стрелки прогиба посредством оптического компаратора, механическим методом или ультразвукового измерения.
Вычислить среднеарифметическое трех измерений.
Результат принять за стрелку прогиба s поверхности контактной линзы.
4.3.4 Правила обработки результатов измерений
4.3.4.1 Стрелку прогиба
s по
4.3.3.2 пересчитывают в радиус кривизны (для сферических поверхностей) или эквивалентный сферический радиус кривизны (для асферических поверхностей) по диаметру измерения
y, используя следующую формулу

, (2)
где r - радиус кривизны.
4.3.4.2 Радиус кривизны можно получить из калибровочной кривой путем внесения среднеарифметического стрелки прогиба.
5. Методы измерения задней вершинной рефракции
контактных линз
5.1.1 Заднюю вершинную рефракцию жестких контактных линз определяют в воздухе с помощью диоптриметра с ручной фокусировкой методом по
5.2.
| | ИС МЕГАНОРМ: примечание. Здесь и далее в официальном тексте документа, видимо, допущены опечатки: имеется в виду Приложение D, а не Г. | |
5.1.2 Заднюю вершинную рефракцию мягких контактных линз определяют в воздухе с помощью диоптриметра методом по
5.2 либо методом с помощью рефлектометра Муара, либо методом Гартмана - погружением линз в стандартный солевой раствор (см.
приложение Г).
| | ИС МЕГАНОРМ: примечание. Здесь и далее в официальном тексте документа, видимо, допущены опечатки: имеется в виду Приложение C, а не В. | |
5.1.3 Методы измерения гидрогельных контактных линз, погруженных в стандартный солевой раствор (метод с использованием рефлектометра Муара и метод Гартмана приведены в
приложении В).
5.1.4 Точность методов измерений в соответствии с разделом 5 и
приложением В соответствует представленному в таблице 2.
Таблица 2
Точность методов измерений вершинной рефракции
контактных линз
Тип линзы/параметра | Точность методов измерений |
в воздухе | погружением в солевой раствор |
SR с помощью диоптриметра | R с помощью диоптриметра | SR метод Муара | R Метод Муара | SR метод Гартмана | R метод Гартмана |
Сферические гидрогельные линзы |
Задняя вершинная рефракция, дптр | 0,143 (для диапазона мощностей |F'v| <= 10) | 0,400 (для диапазона мощностей |F'v| <= 10) | 0,0903 | 0,2528 | 0,0253 | 0,0708 |
Торические гидрогельные линзы |
Сферическая вершинная рефракция, дптр | - | - | 0,1579 | 0,4421 | 0,0649 | 0,1817 |
Цилиндрическая вершинная рефракция, дптр | - | - | 0,093 | 0,2604 | 0,0871 | 0,2439 |
Направление оси, ° | - | - | 1,22 | 3,416 | 2,016 | 5,6448 |
Примечание - SR - воспроизводимость стандартного отклонения результата измерения; R - воспроизводимость результата измерения. |
5.1.5 Оценка правильности полученных средних значений вершинной рефракции контактных линз по 5.2.2.3, 5.2.3.2, 5.2.4.3, то есть оценка систематической погрешности, должна быть выполнена в соответствии с ГОСТ ИСО 5725-4 (раздел 5).
5.2. Метод измерений с помощью диоптриметра
5.2.1 Требования к средствам измерения и вспомогательным устройствам
5.2.1.1 Минимальный диапазон вершинной рефракции диоптриметра с ручной фокусировкой должен быть от минус 20,00 дптр до плюс 20,00 дптр, максимальный диапазон - по ГОСТ 31587.
Точность измерения - не менее +/- 0,06 дптр.
Точность измерения для диапазонов измерения вершинной рефракции - от минус 30,0 дптр до плюс 25,0 дптр - по ГОСТ 31587.
Допускается использовать другие диоптриметры при условии, что их показания будут эквивалентны показаниям диоптриметра с ручной фокусировкой. Допускается применение диоптриметров по
[2], но с дополнительной модификацией специальной опоры контактной линзы.
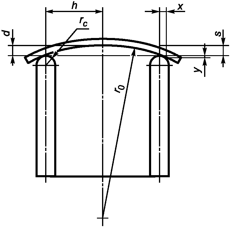
Конструкция специальной опоры контактной линзы (диафрагмы контактной линзы) должна обеспечивать расположение контактной линзы на удерживающем кольце только так, как показано на рисунке 6.
s - стрелка прогиба центральной оптической зоны задней
поверхности; h - длина полухорды (диаметр хорды = 2h);
r0 - радиус оптической зоны задней поверхности контактной
линзы; rc - радиус диафрагмы очковой линзы
Рисунок 6 - Расположение контактной линзы
на специальной опоре
5.2.1.2 На рисунке 7 приведен пример специальной опоры для контактной линзы.
hs - hc = (0,55 +/- 0,02) мм; d = (4,50 +/- 0,50) мм
Примечание - числовые размеры приведены для справки.
hc - высота опоры контактной линзы; hs - высота опоры
очковой линзы; rc - радиус опоры контактной линзы; 1 - опора
контактной линзы; 2 - опора очковой линзы
Рисунок 7 - Пример специальной опоры (диафрагмы)
для контактной линзы
Диаметр центральной диафрагмы опоры составляет (4,50 +/- 0,50) мм. Высота опоры очковой линзы на (0,55 +/- 0,02) мм больше высоты опоры контактной линзы. Радиус rc кольцеобразной поверхности, которая контактирует с задней поверхностью контактной линзы, составляет 0,50 мм. Это будет обеспечивать соответствующую вершинную рефракцию путем компенсации изменения стрелки прогиба с радиусом оптической зоны задней поверхности контактной линзы в 8,00 мм. Для линз, значения радиуса оптической зоны задней поверхности которых отличаются от указанного значения, может потребоваться коррекция на фокусное расстояние.
Примечание - Диафрагма контактной линзы будет вызывать появление ошибок, связанных со стрелкой прогиба, но это не окажет значительного влияния на снижение сферических аберраций.
5.2.2 Порядок подготовки к измерениям
5.2.2.1 Для калибровки диоптриметра используют восемь сферических пробных линз по
[3] с задней вершинной рефракцией в пределах одной диоптрии. Оптическая сила пробных линз составляет: минус 20,00 дптр, минус 15,00 дптр, минус 10,00 дптр, минус 5,00 дптр, плюс 5,00 дптр, плюс 10,00 дптр, плюс 15,00 дптр и плюс 20,00 дптр. соответственно.
Калибровку диоптриметра, снабженного соответствующей опорой для линз, проводят при температуре (20 +/- 5) °C.
5.2.2.2 Порядок проведения калибровки заключается в проведении следующих действий:
- поместить каждую пробную линзу так, чтобы задняя поверхность находилась на опоре;
- сфокусировать диоптриметр для получения наиболее четкого изображения;
- снять показания диоптриметра.
5.2.2.3 Провести три независимых измерения в течение 30 с и вычислить среднеарифметическое.
5.2.2.4 Нанести результаты на калибровочную кривую.
Примечание - Термин "независимый" означает, что между снятием каждого показания пробная линза вынимается из прибора и снова ставится.
5.2.2.5 Перед проведением измерений жесткие контактные линзы должны быть выдержаны при температуре (20 +/- 5) °C в течение не менее 30 мин.
5.2.3 Порядок проведения измерений жестких контактных линз
5.2.3.1 Во время проведения измерений необходимо поддерживать температуру окружающей среды на уровне (20 +/- 5) °C.
5.2.3.2 Порядок проведения измерений заключается в проведении следующих действий:
- поместить линзу задней поверхностью на опору. Задняя вершина контактной линзы должна располагаться по центру диафрагмы линзы. Поверхность линзы должна быть чистой, без сколов и раствора;
- произвести четыре независимых замера задней вершинной рефракции;
- рассчитать среднеарифметическое;
- откорректировать полученное среднеарифметическое по калибровочной кривой.
5.2.4 Порядок проведения измерений гидрогельных линз
5.2.4.1 Перед проведением измерений гидрогельные линзы должны быть выдержаны в стандартном солевом растворе не менее 30 мин при температуре (20 +/- 0,5) °C.
5.2.4.2 Порядок проведения измерений заключается в проведении следующих действий:
- промокнуть линзу безворсовой абсорбирующей тканью или фильтровальной бумагой, чтобы удалить раствор с поверхности;
- спустя 10 с поместить линзу на опору.
5.2.4.3 Порядок проведения измерений - по
5.2.3.2.
При измерении сферических гидрогельных линз следует снять пять независимых показаний задней вершинной рефракции, рассчитать среднеарифметическое и, используя калибровочную кривую, определить откорректированное среднее значение.
При измерении торических гидрогельных линз следует снять:
- девятнадцать независимых показаний для определения средней сферической вершинной рефракции с точностью +/- 0,25 дптр;
- семнадцать независимых показаний для определения средней цилиндрической вершинной рефракции с точностью +/- 0,25 дптр;
- семь независимых показаний для определения средней цилиндрической оси с точностью до +/- 5°.
Эти критерии для торических гидрогельных линз установлены межлабораторными испытаниями, проводимыми различными учреждениями.
Если требуется получить значения с меньшей точностью, количество снимаемых показаний можно уменьшить.
6. Методы измерений общего диаметра
контактных линз
6.1.1 Измерение общего диаметра жестких контактных линз должно проводиться методом с использованием V-образного шаблона или проекционного компаратора.
6.1.2 Измерение общего диаметра мягких контактных линз должно проводиться методом с использованием проекционного компаратора.
6.1.3 Точность результатов измерений общего диаметра контактных линз по каждому методу должна составлять не более +/- 0,05 мм.
6.2. Метод с использованием V-образного шаблона
6.2.1.1 При перемещении круглого диска по V-образному шаблону расположение места остановки относительно вершины шаблона зависит от диаметра диска и внутреннего угла V-образного шаблона. Значение диаметра определяют по положению верхнего края линзы относительно шкалы, имеющей гравировку в центре (по оси) или по краю шаблона.
6.2.2 Требования к средствам измерения и вспомогательным устройствам
6.2.2.1 Пример V-образного шаблона приведен на рисунках 8 и
9.
Размеры шаблона: | глубина: (1,0 +/- 0,25) мм; |
длина: (100,0 +/- 0,25) мм; |
ширина: большая сторона: (11,0 +/- 0,01) мм; |
малая сторона: (7,0 +/- 0,01) мм |
1 - контур линзы; 2 - действительный центр линзы;
3 - 1/2 диаметра линзы; 4 - срезанные углы, предотвращающие
образование грязи; 5 - гравированные отметки (выпуклые
или утопленные); Xa - положение гравированной отметки
на верхнем крае
Рисунок 8 - V-образный шаблон
1 - вершина; 2 - узкий край шаблона; m - расстояние
от вершины угла до оси диска D, мм; M - длина шаблона;
t - расстояние от вершины угла до оси диска, мм;
L - расстояние от вершины угла до наружного края диска, мм;

- внутренний угол V-образного шаблона
Рисунок 9 - Геометрия измерения диаметров
V-образным шаблоном
6.2.2.2 Шкала, деления которой нанесены методом гравировки, предназначена для отсчета диаметров в диапазоне от 7 до 11 мм. Риски на шкале должны располагаться через интервалы 0,10 мм, при этом более длинная риска должна быть нанесена через каждые 0,50 мм, и наиболее выделяющаяся риска - через каждые 1,00 мм. Измерение с помощью V-образного шаблона производится с точностью до +/- 0,05 мм.
6.2.3 Порядок подготовки к измерениям
6.2.3.1 Для калибровки V-образного шаблона по первоначальному расположению гравированных меток следует использовать три калибровочных диска (см. рисунок 10) с диаметрами (10,50 +/- 0,01) мм, (9,50 +/- 0,01) мм и (7,50 +/- 0,01) мм, изготовленных из твердого, прочного материала, например, алюминия или пластика.
Рисунок 10 - Калибровочный диск
6.2.3.2 Калибровка должна проводиться при температуре окружающего воздуха (20 +/- 5) °C.
Порядок проведения калибровки заключается в проведении следующих действий:
- расположить калибровочные диски в V-образном шаблоне так, чтобы диск касался каждой стороны шаблона;
- снять десять независимых показаний диаметров каждого диска.
Примечание - Термин "независимых" означает, что калибровочные диски должны быть переставлены после снятия каждого отсчета;
- рассчитать среднеарифметическое для каждого диска;
- нанести результаты на калибровочную кривую и использовать их для корректировки результатов, полученных в
6.2.4.2.
Калибровку считают выполненной при значениях диаметра с точностью в пределах +/- 0,02 мм.
6.2.4 Порядок проведения измерений
6.2.4.1 Измерения должны проводиться при температуре окружающего воздуха (20 +/- 5) °C.
6.2.4.2 Порядок проведения измерений заключается в проведении следующих действий:
- поместить сухую жесткую контактную линзу на широкий конец V-образного шаблона и наклонить шаблон под углом приблизительно 45° так, чтобы линза медленно смещалась под действием силы тяжести по направлению к узкому концу шаблона. Постороннее давление со стороны кончиком пальца и т.п. не допускается. Линза должна двигаться до тех пор, пока не достигнет фиксированной позиции между верхним и нижним краями шаблона в том месте, где ширина шаблона равняется диаметру линзы;
- снять показание диаметра от расположения верхнего края линзы по шкале, гравированной на шаблоне;
- поворачивая линзу, определить максимальный и минимальный диаметры, сняв три независимых показания. Деформация линзы во время проведения измерений не допускается;
- вычислить общий диаметр по среднеарифметическому шести показаний и скорректировать полученное значение по калибровочной кривой. В случае, если линза имеет неравномерный диаметр, необходимо рассчитать среднеарифметическое значение максимальных и минимальных диаметров по отдельности.
6.2.5 Точность метода измерений
6.2.5.1 Точность метода зависит от зрительных способностей наблюдателя, так как показание значения диаметра снимается при визуальном наблюдении смещения края линзы на гравированной шкале. Изменение позиции на гравированной шкале пропорционально обратной величине синуса внутреннего угла шаблона (25:1, в качестве примера). Так как гравированные метки находятся на расстоянии 2,5 мм друг от друга, изменение диаметра 0,01 мм эквивалентно расстоянию 0,25 мм по шкале диаметров. Полагая, что расстояние 0,38 мм легко различимо, при измерении достигается сходимость результатов измерений
r = 0,015 мм. Поскольку гравированные метки дают приращение в 0,1 мм, 1/4 этого расстояния можно легко измерить. Следовательно, справедливо установить сходимость стандартного отклонения результата измерения
Sr для V-образного шаблона, равный

, где

- внутренний угол шаблона. Сходимость стандартного отклонения результата измерения
Sr V-образного шаблона, представленного на
рисунке 8, соответствует 0,75 sin(1,145) = 0,015 мм.
6.3. Метод с использованием проекционного компаратора
6.3.1 Требования к средствам измерения и вспомогательным устройствам
6.3.1.1 Принципиальная схема проекционного компаратора показана на рисунке 11. Проекционная система должна обеспечивать измерение с точностью до +/- 0,05 мм - для жестких контактных линз и +/- 0,1 мм - для мягких контактных линз в диапазоне от 0 до 17 мм. Опора контактной линзы 6 должна быть установлена в горизонтальное положение и перемещаться по вертикали. Шкала экрана 1 должна иметь линейное увеличение не менее 15x - для жестких контактных линз и 14x - для мягких контактных линз. Проекционный компаратор должен иметь телецентрический ход лучей, который обеспечивается расположением диафрагмы 3 в задней фокальной плоскости объектива 4.
1 - экран для наблюдения со шкалой; 2 - зеркало;
3 - диафрагма; 4 - объектив; 5 - измеряемая контактная
линза; 6 - опора контактной линзы (кювета);
7 - конденсор; 8 - источник света
Рисунок 11 - Принципиальная схема проекционного компаратора
Диаметр линзы снимается по линейным меткам на экране либо по маркированной стеклянной шкале (аналогичной градусной сетке микроскопа), под линзой, находящейся внутри опоры, проецируемой на экран.
6.3.2 Порядок подготовки к измерениям
6.3.2.1 При калибровке проекционного компаратора используют диски по
6.2.3.1 и дополнительно два диска с диаметрами (13,0 +/- 0,01) мм и (15,0 +/- 0,01) мм для измерения мягких контактных линз.
6.3.2.2 Калибровка должна проводиться при температуре окружающего воздуха (20 +/- 5) °C.
6.3.2.3 Порядок проведения калибровки заключается в проведении следующих действий:
- поместить калибровочный диск в положение измеряемой линзы;
- отрегулировать проекционный компаратор до получения на шкале экрана четкого сфокусированного изображения калибровочного диска;
- снять 10 независимых показаний по каждому калибровочному диску;
- рассчитать среднеарифметическое для каждого калибровочного диска;
- нанести результаты на калибровочную кривую и использовать их для корректировки результатов, полученных по
6.3.3.
Калибровка считается выполненной при показаниях диаметра в пределах +/- 0,02 мм.
6.3.3 Порядок проведения измерений
6.3.3.1 Перед проведением измерения гидрогельные линзы должны быть выдержаны в стандартном солевом растворе не менее 30 мин при температуре (20 +/- 0,5) °C.
Измерение проводят при температуре воздуха (20 +/- 5) °C.
6.3.3.2 Порядок проведения измерений заключается в проведении следующих действий:
- установить линзу на опоре. Мягкие контактные линзы поместить в стандартный солевой раствор (см.
раздел 12) при температуре (20 +/- 0,5) °C. Раствор должен быть заменен перед каждым измерением для обеспечения постоянной температуры при измерении, пока опора не будет обеспечена системой непрерывного термостатирования;
- поворачивая линзу, определить максимальный и минимальный диаметры;
- снять три независимых показания по каждому диаметру. Деформация линзы во время проведения измерения не допускается;
- вычислить общий диаметр по среднеарифметическому значению шести показаний;
- скорректировать полученное значение по калибровочной кривой.
В случае, если линза имеет неравномерный диаметр, необходимо рассчитать среднее максимальных и минимальных диаметров по отдельности.
Если диаметры двух из четырех измеренных меридианов поверхности мягкой линзы отличаются более чем на 0,4 мм, мягкую контактную линзу следует охарактеризовать как "овальную" (эксцентричную).
Примечание - Под меридианами поверхности контактных линз (здесь и далее по тексту) понимают любую плоскость, содержащую центр(ы) кривизны этой поверхности.
6.3.4 Точность результатов измерения
6.3.4.1 Оценка правильности полученных средних значений общего диаметра контактных линз по 6.2.3.2, 6.2.4.2, 6.3.2.3, 6.3.3.2, то есть оценка систематической погрешности, должна быть выполнена в соответствии с ГОСТ ИСО 5725-4 (раздел 5).
7.
Методы измерений диаметров или ширины оптической и периферийных зон контактных линз
7.1.1 Диаметры или ширины центральной оптической зоны, периферийной оптической и периферийной зон контактных линз измеряют методом с использованием проекционного компаратора по
6.3 или с помощью портативной лупы со шкалой - для жестких линз по 7.2.
7.2. Метод измерения с помощью портативной лупы со шкалой
7.2.1 Требования к средствам измерения и вспомогательным устройствам
7.2.1.1 Минимальное увеличение портативной лупы со шкалой должно быть 7H. Шкала с ценой деления не менее 0,10 мм должна проходить через центр поля зрения лупы.
7.2.2 Порядок подготовки к измерениям
7.2.2.1 При калибровке лупы используют калибровочные диски по
6.2.3.1 для определения точности различных участков шкалы. При необходимости, должны быть получены поправочные коэффициенты, откорректированные с учетом точности фокусировки лупы во время калибровки.
7.2.3 Порядок проведения измерений
7.2.3.1 Измерения проводят при температуре окружающего воздуха (20 +/- 5) °C.
7.2.3.2 Порядок проведения измерения заключается в проведении следующих действий:
- провести измерения диаметров по меридианам или продолжениям меридианов, проходящих через геометрический центр жесткой контактной линзы;
- провести три измерения диаметра или ширины соответствующей зоны вдоль измеряемого меридиана;
- вычислить среднеарифметическое числа замеров по каждому измеренному меридиану.
7.2.4 Точность результатов измерения
7.2.4.1 Оценка правильности полученных средних значений диаметров или ширины контактных линз по 7.2.3.2, то есть оценка систематической погрешности, должна быть выполнена в соответствии с ГОСТ ИСО 5725-4 (раздел 5).
8. Методы измерений толщины контактных линз
8.1.1 Толщина контактных линз измеряется по сечению контактной линзы методами с применением микрометра - для жестких линз по
8.2 и с применением микрометра "с низким давлением" - для мягких контактных линз по
8.3.
8.1.2 Методы измерения с применением микросферометра или проекционного компаратора допускается применять для сравнения толщин контактных линз, но они не позволяют получить значение абсолютной толщины контактной линзы, и точность этих методов не подтверждена межлабораторными исследованиями.
8.2. Метод измерения с использованием микрометра
8.2.1 Требования к средствам измерения и вспомогательным устройствам
8.2.1.1 Измерительная поверхность микрометра должна быть сферической с радиусом от 1,2 до 5,0 мм. Давление измерительной поверхности на линзу должно осуществляться с силой не более 1,4 Н. Минимальная цена деления должна быть не более 0,01 мм. Воспроизводимость результата измерения R должна быть <= 0,01 мм в диапазоне толщин от 0 до 5 мм.
8.2.1.2 Микрометр устанавливают на ноль с помощью фиксированного стопора так, чтобы поверхности контактной линзы в том месте, где должна быть измерена толщина, находились в контакте с регулируемым пишущим узлом и фиксированным стопором.
8.2.2 Порядок подготовки к измерениям
8.2.2.1 Для калибровки микрометра применяют высокоточные калибровочные прокладки, толщина которых известна с точностью до +/- 0,005 мм и которые соответствуют калиброванной стандартной единице измерения. Следует использовать три образца для испытания, имеющих номинальную толщину:
а) меньше ожидаемой минимальной толщины;
б) больше ожидаемой максимальной толщины;
8.2.2.2 Поместить каждую калибровочную прокладку последовательно между измерительной головкой микрометра и опорой и снять пять независимых показаний толщины прокладки. Рассчитать среднеарифметическое толщины каждой прокладки. По средним значениям трех показаний построить калибровочную кривую.
8.2.3 Порядок проведения измерений
8.2.3.1 Измерения проводят при температуре окружающего воздуха (20 +/- 5) °C.
8.2.3.2 Порядок проведения измерений заключается в проведении следующих действий:
- снять три независимых показания в точке, в которой надо произвести замер (см.
рисунок 12);
- откорректировать каждое показание по калибровочной кривой, построенной по
8.2.2.2;
- рассчитать толщину контактной линзы как среднеарифметическое значение трех показаний.
1 - измерительная поверхность; 2 - контактная линза
Рисунок 12 - Измерение толщины линзы в центре с помощью
микрометра
8.3. Метод измерения с использованием микрометра с низким давлением
8.3.1 Требования к средствам измерения и вспомогательным устройствам
8.3.1.1 Микрометр с низким давлением предназначен для измерения позиционного линейного смещения и состоит из жесткой рамки, в которой установлены датчик и измерительная опора, способные измерять смещение с точностью 0,001 мм. Датчик снабжен плоским наконечником диаметром не менее 2,0 мм. Сила, генерируемая датчиком, должна быть не более 0,015 Н (1,5 г) при смещении на 1 мм от его неограниченного положения (например, покоя). Опора, которая поддерживает линзу под датчиком, имеет выпуклую форму радиусом от 7,0 до 8,0 мм и диаметром от 14 до 16 мм. Следует предусмотреть устройство торможения перемещения датчика, а на опору нанести концентрические круги для центрирования линзы.
8.3.2 Порядок подготовки к измерениям
8.3.2.1 Порядок выполнения подготовки к измерениям - по
8.2.2.
8.3.2.2 Толщина испытательных прокладок должна быть в пределах +/- 0,0005 мм.
8.3.2.3 Перед проведением измерений гидрогельные линзы должны быть выдержаны в стандартном солевом растворе не менее 30 мин при температуре (20 +/- 0,5) °C, если иначе не указано изготовителем.
8.3.3 Порядок проведения измерения
8.3.3.1 Измерения проводят при температуре окружающего воздуха (20 +/- 5) °C.
8.3.3.2 Порядок проведения измерений заключается в проведении следующих действий:
- произвести пять независимых измерений в нужной точке. Время снятия измерений должно быть минимальным, чтобы избежать обезвоживания линзы. Между измерениями контактную линзу необходимо возвращать в стандартный солевой раствор;
- откорректировать каждое показание по калибровочной кривой, построенной по
8.3.2.1 с учетом
8.3.2.2;
- рассчитать толщину контактной линзы как среднеарифметическое пяти измерений.
8.3.4 Точность результатов измерения
8.3.4.1 Показатели точности результатов измерений толщины гидрогельных контактных линз представлены в таблице 3.
Таблица 3
Показатели точности результатов измерений толщины
гидрогельных контактных линз с использованием микрометра
с низким давлением
Диапазон толщин, мм | Точность результатов измерений, мм |
SR | R |
От 0,04 до 0,60 | 0,006 | 0,017 |
Примечания: 1 Приведенные в таблице значения точности получены в результате измерений толщины в геометрическом центре контактной линзы. Данные значения точности не допускается применять к слишком тонким и слишком толстым контактным линзам. 2 SR - воспроизводимость стандартного отклонения результата измерения; R - воспроизводимость результата измерения. |
8.3.4.2 Оценка правильности полученных средних значений диаметров или ширины контактных линз по 8.2.2.2, 8.2.3.2, 8.3.3.2, то есть оценка систематической погрешности должна быть выполнена в соответствии с ГОСТ ИСО 5725-4 (раздел 5).
9. Методы проверки кромок, включений и поверхностных дефектов
контактных линз
9.1.1 Толщина и форма обработанной кромки контактной линзы должны оцениваться визуально с использованием прямого освещения при увеличении 7x.
9.1.2 Включения и поверхностные дефекты в материале контактных линз оценивают с помощью увеличителей методом по
9.2.
9.1.3 Оценке включений в материале контактных линз подлежат, например, неоднородности или пузыри размером более 3 мкм. Оценке поверхностных дефектов в материале контактных линз подлежат, например, царапины размером более 9 мкм.
Маркировка, выполненная на поверхности контактных линз, поверхностным дефектом не считается.
9.1.4 К определению допускаются наблюдатели, имеющие опыт в проверке кромок контактных линз, включений и поверхностных дефектов.
9.2. Метод определения включений и поверхностных дефектов
9.2.1 Требования к средствам измерения и вспомогательным устройствам, порядок подготовки к определению
9.2.1.1 Для определения наличия включений используют 6x увеличитель, а для проверки поверхностных дефектов - 2x увеличитель.
9.2.1.2 Освещенность контактных линз, подвергаемых определению дефектов, должна составлять (350 +/- 35) лк, включая комнатное освещение.
9.2.1.3 Температура контактной линзы и окружающей среды при определении должна быть (20 +/- 5) °C.
9.2.2 Порядок проведения определения
9.2.2.1 Принципиальная схема устройства для определения включений и поверхностных дефектов контактных линз приведена на рисунке 13.
1 - увеличительное устройство; 2 - контактная линза;
3 - опора для контактной линзы; 4 - регулируемая ширина
освещенного участка; 5 - диафрагма; 6 - люминесцентная
лампа; 7 - матовая черная пластина: 150 мм x 360 мм;
8 - контрольное расстояние: 400 мм
Рисунок 13 - Принципиальная схема устройства для определения
включений и поверхностных дефектов контактных линз
9.2.2.2 Порядок проведения определения заключается в проведении следующих действий:
- поместить контактную линзу на опору для контактной линзы (см.
рисунок 13), при этом линза не должна быть деформирована;
- рассмотреть линзу с помощью увеличителя на границе свет - тень и записать размеры дефектов и класс, согласно приведенным в таблице 4.
Таблица 4
Класс при обозначении размеров дефектов
Класс | Размер дефектов |
0 | Невидимый при увеличении 6x |
1 | Невидимый при увеличении 2x |
2 | Видимый при увеличении 6x |
3 | Видимый при увеличении 2x |
9.2.2.3 Допускается применение других методов определения дефектов, которые отвечают требованиям, указанным в
9.1.3.
10. Методы измерения (определения) спектрального и светового коэффициентов пропускания
10.1.1 На практике измерение спектрального коэффициента пропускания

проводят в небольшом диапазоне длин волн

, в котором поток излучения

равен

.
Спектральный коэффициент пропускания

определяют путем измерения потока излучения относительно длины волны с контактной линзой и без контактной линзы и рассчитывают по формуле

. (3)
10.1.2 Значения светового коэффициента пропускания определяют по формуле

, (4)
где

- относительное спектральное распределение потока излучения стандартного источника излучения;

- относительная спектральная световая эффективность монохроматического излучения для дневного зрения.
Примечания
1 Значения произведения относительного спектрального распределения потока излучения стандартного источника излучения
D65 на относительную спектральную световую эффективность монохроматического излучения для дневного зрения приведены в
приложении Г.
| | ИС МЕГАНОРМ: примечание. ГОСТ 8.332-78 утратил силу с 1 октября 2015 года в связи с введением в действие ГОСТ 8.332-2013 (Приказ Росстандарта от 11.06.2014 N 539-ст). | |
2 Значения

в диапазоне длин волн от 380 до 780 нм должны соответствовать значениям, приведенным в таблице 1 ГОСТ 8.332.
На практике интеграл аппроксимируется использованием одного из двух методов:
а) суммированием с использованием данных спектрального коэффициента пропускания, взвешенных произведением спектрального распределения указанного источника излучения и функции

относительной спектральной световой эффективности [см.
формулу (5)];
б) измерением с помощью фотометра, частотная характеристика которого аппроксимирует произведение спектрального распределения потока излучения указанного источника излучения и функцию относительной спектральной световой эффективности.
Если используют спектральные данные, расстояние между последовательными длинами волн при сложении должно быть не более 10 нм

:

. (5)
Если расстояние меньше 10 нм, допустима линейная интерполяция.
10.1.3 В отчете должен быть указан стандартный источник света. Рекомендуются
источники света типа A или D65 по
ГОСТ 7721.
10.2. Требования к средствам измерения и вспомогательным устройствам
10.2.1 Для определения спектрального и светового коэффициентов пропускания используют устройство, приведенное на рисунке 14.
а) Устройство для определения спектрального и светового
коэффициентов пропускания
б) Пример кюветы для стандартного солевого раствора и мягкой
контактной линзы
1 - интегрирующая сфера; 2 - приемник; 3 - лампа;
4 - диафрагма; 5 - фильтр; 6 - зеркало; 7 - кювета
с контактной линзой; 8 - пластинка из кварцевого стекла;
9 - стандартный солевой раствор; 10 - центрирующее кольцо;
11 - контактная линза
Рисунок 14 - Устройство для определения спектрального
и светового коэффициентов пропускания
Допускается применение любого другого устройства, которое имеет эквивалентные результаты.
10.2.2 Ширина полосы пропускания не должна превышать 10 нм.
10.2.3 Точность измерения устройства должна быть указана в отчете.
10.3. Порядок подготовки к измерениям, порядок проведения измерений
10.3.1 Измерения мягких контактных линз должны проводиться с использованием гидратированной линзы, полностью погруженной в стандартный солевой раствор (см.
раздел 12) в измерительной кювете.
10.3.2 Измерения жестких контактных линз проводят в воздухе. Жесткие контактные линзы помещают как можно ближе к входному отверстию интегрирующей сферы.
10.3.3 Измерения коэффициентов следует проводить внутри центральной оптической зоны контактной линзы, предполагаемые значения должны быть измерены с контактной линзой и без контактной линзы. По результатам измерений спектральный коэффициент пропускания

и/или световой коэффициент пропускания

рассчитывают по
формулам (3),
(4) или
(5).
10.3.4 Световой коэффициент пропускания многих линз измерен в воздухе. Чтобы откорректировать эти значения по значениям, "измеренным в стандартном солевом растворе", следует учитывать различие в поверхностном отражении линзы, погруженной в раствор и линзы в воздухе. Для этого используют формулу коэффициента пропускания Френеля на границе раздела диэлектрических сред при нормальном падении

, (6)
где T - коэффициент пропускания на границе раздела двух сред;
n1, n2 - коэффициенты преломления двух сред.
Преобразованный световой коэффициент пропускания рассчитывают по следующей формуле:
Tраствора = M·Tвоздуха, (7)
где

;
nвоздуха - коэффициент преломления воздуха (равен 1);
nраствора - коэффициент преломления стандартного солевого раствора;
nкл - коэффициент преломления материала линзы.
11. Правила оформления результатов измерений
11.1 По результатам измерений, проведенных в соответствии с
разделами 4 -
10, должен быть составлен отчет, содержащий следующую информацию:
а) наименование лаборатории, проводящей измерение;
б) всю необходимую информацию для идентификации измеряемой контактной линзы;
в) ссылку на настоящий стандарт (соответствующий подраздел, раздел);
г) отклонения от заданного метода;
д) результат измерения, включая, если возможно, оценку ошибок;
е) дату проведения измерения и фамилию ответственного лица;
ж) состав используемого солевого раствора (в случае отличия от стандартного);
и) температуру окружающей среды при измерениях (в случае отличия от установленной в стандарте).
12. Требования к стандартному солевому раствору
12.1.1 Стандартный солевой раствор применим для равновесия либо контактной линзы, либо для материала, из которого изготовлена линза, перед проведением измерения, а также для погружения измеряемой контактной линзы при проведении измерения. Данный раствор не предназначен для упаковывания готовых контактных линз.
Если при измерениях используют раствор, не соответствующий требованиям данного раздела, состав используемого раствора должен быть указан в отчете.
12.1.2 Стандартный солевой раствор должен быть фосфатным буфером при pH (7,4 +/- 0,1) и иметь осмотическую концентрацию (310 +/- 5) мОсм/кг. Раствор изготавливают, используя гидратированные соли фосфата натрия, которые соответствуют требованиям, указанным в монографиях современной Официальной Фармакопеи (например,
[4]), либо безводные соли фосфата натрия, по чистоте эквивалентные заданному реагенту для общей лабораторной работы (SLR). Жидкая фаза - это вода, соответствующая требованиям национального стандарта государства, упомянутого в предисловии, как проголосовавшего за принятие настоящего межгосударственного стандарта. Вода должна быть свежеприготовленной либо стерилизованной в течение 24 ч приготовления стандартного раствора.
12.2. Требования к рецептуре готового раствора
12.2.1 Составление рецептуры с учетом молярных концентраций
В готовом растворе применяют следующие молярные концентрации:
а) хлорид натрия (NaCl) 1,420·10-1 моль/л;
б) дигидрофосфат натрия (NaH2PO4) 3,384·10-3 моль/л;
в) двунатриевый фосфат (Na2HPO4) 1,673·10-2 моль/л.
12.2.2 Пример состава с использованием веществ USP
В готовом растворе используют вещества USP следующего состава:
а) хлорид натрия USP (NaCl): 8,300 г;
б) моноосновной моногидрат фосфата натрия USP (NaH2PO4·H2O): 0,467 г;
в) двуосновной гептагидрат фосфата натрия USP (Na2HPO4·7H2O): 4,486 г;
г) вода в соответствии с требованиями национальных стандартов государств, упомянутых в предисловии, как проголосовавших за принятие настоящего межгосударственного стандарта: объем до 1000 мл <*>.
--------------------------------
<*> В Российской Федерации действует
ГОСТ Р 52501-2005 "Вода для лабораторного анализа. Технические условия".
12.2.3 Пример состава с использованием веществ Ph Eur
В готовом растворе используют Ph Eur вещества следующего состава:
а) хлорид натрия Ph Eur (NaCl): 8,300 г;
б) дигидрат дигидрогенофосфата натрия Ph Eur (NaH2PO4·2H2O): 0,528 г;
в) додекагидрат двунатриевого фосфата Ph Eur (Na2HPO4·12H2O): 5,993 г;
г) вода в соответствии с требованиями национальных стандартов государств, упомянутых в предисловии, как проголосовавших за принятие настоящего межгосударственного стандарта <*>: объем до 1000 мл.
--------------------------------
<*> В Российской Федерации действует
ГОСТ Р 52501-2005 "Вода для лабораторного анализа. Технические условия".
12.2.4 Пример состава с использованием безводных веществ
В готовом растворе используют следующие безводные вещества:
а) NaCl 8,300 г;
б) NaH2PO4 0,406 г;
в) Na2HPO4 2,376 г;
г) вода в соответствии с требованиями национальных стандартов государств, упомянутых в предисловии, как проголосовавших за принятие настоящего межгосударственного стандарта <*>: объем до 1000 мл.
--------------------------------
<*> На территории Российской Федерации действует
ГОСТ Р 52501-2005 "Вода для лабораторного анализа. Технические условия".
12.3. Требования к процедуре приготовления раствора
12.3.1 Гидратированные фосфаты натрия могут отличаться по количеству молекул воды гидратации, в зависимости от типа и периода воздействия окружающей среды. Это может повлиять на массу состава и рецептуру по
12.2.1 -
12.2.3, рецептуры могут не достигнуть требуемой молярности и, следовательно, pH (7,4 +/- 0,1). В таком случае солевой раствор не рассматривают в качестве стандартного до корректировки его с помощью pH-метра, калиброванного по стандартизированным опорным растворам (например, по
[5] или
[6]). Чтобы откорректировать раствор, следует добавить водянистую ортофосфорную кислоту (например, 5 моль/л) либо водянистую гидроокись натрия (например, 5 моль/л) после растворения всех ингредиентов в воде. При разработке рецептуры раствора требуется небольшое количество корректирующих добавок (менее чем 1 моль/л).
12.3.2 Последовательно добавляя три ингредиента к 70% воды (700 мл в примерах, представленных в
12.2.1 -
12.2.3), обеспечивают их полное растворение при помешивании.
12.3.3 Проверяют этот раствор калиброванным pH-метром и корректируют, добавляя по капле кислоту либо щелочь до получения pH = 7,4 +/- 0,1. Разбавляют откорректированный раствор водой до объема 1000 мл, тщательно размешивают, снова проверяют pH. Если необходимо, добавляют еще кислоту или щелочь.
Если используются безводные вещества (см.
12.2.4), корректирование pH добавлением кислоты и щелочи не требуется.
Перед использованием необходимо проверять pH конечного раствора.
12.4. Требования к упаковке и маркировке раствора
12.4.1 Если раствор нужно сохранить, он должен быть упакован в контейнеры с автоклавом, предпочтительно изготовленные из нейтрального стекла и стерилизованные методом, утвержденным в установленном порядке. Если раствор не требует хранения, он должен быть использован в течение 24 ч с момента приготовления и обработки в автоклаве не требуется.
12.4.2 Упаковка должна быть герметичной.
12.4.3 Маркировка должна включать в себя:
а) ссылку на настоящий стандарт;
б) описание стандартного солевого раствора;
в) дату приготовления.
(рекомендуемое)
ИЗМЕРЕНИЕ РАДИУСА КРИВИЗНЫ ЖЕСТКИХ КОНТАКТНЫХ ЛИНЗ С ПОМОЩЬЮ
ОФТАЛЬМОМЕТРА С НАСАДКОЙ ДЛЯ УДЕРЖАНИЯ КОНТАКТНЫХ ЛИНЗ
A.1.1 С помощью офтальмометра измеряют размер отраженного изображения миры, размещенной на известном расстоянии перед поверхностью жесткой или мягкой контактной линзы. Для определения радиуса задней оптической зоны используют отношение между кривизной и увеличением отраженного изображения.
A.1.2 Офтальмометр используют при измерении радиуса кривизны участка поверхности, диаметр хорды которой составляет приблизительно 3,0 мм. Для проведения измерений контактных линз на офтальмометре требуется специальная насадка для удержания контактной линзы в положении, при котором задняя поверхность измеряемой линзы перпендикулярна оптической оси офтальмометра. Радиус кривизны поверхности контактной линзы определяют путем использования системы удвоения, установленной в офтальмометре. Система удвоения работает на основе определения размера отраженного изображения объекта известного размера, отстоящего на известном расстоянии. При этом известно отношение размера изображения к радиусу кривизны зеркальных поверхностей. Оптическая схема офтальмометра приведена на рисунке A.1. Допускается применение офтальмометра по ГОСТ ISO 10343.
r0 - радиус кривизны; 2y' - расстояние между отраженными
изображениями;
,
- углы падения; 1 - мира 1;
2 - изображение миры 1; 3 - мира 2; 4 - изображение миры 2;
5 - система удвоения с объективом; 6 - окуляр;
7 - плоскость изображения объектива совпадает
с плоскостью предмета окуляра
Рисунок A.1 - Оптическая система офтальмометра
Радиус кривизны вычисляют по следующей формуле в первом приближении, допуская, что поверхность измеряемого участка сферичная:
, (A.1)
где r0 - радиус кривизны;
y' - половина расстояния между отраженными изображениями;
n - коэффициент преломления иммерсионной среды (n = 1 для измерений в воздухе);
- угол падения.
A.1.3 Воспроизводимость результатов измерений должна соответствовать приведенной в таблице A.1.
Таблица A.1
Метод измерения, применение и воспроизводимость
результата измерения
Подраздел | Метод измерения/применение | Воспроизводимость результата измерения <а> R |
Приложение A | С помощью офтальмометра: | |
сферические жесткие линзы | +/- 0,015 мм в воздухе |
сферические гидрогельные линзы (содержание воды 38%, tC > 0,1 мм) | +/- 0,025 мм в солевом растворе +/- 0,050 мм в солевом растворе |
Примечание - В данной таблице значения воспроизводимости указаны для сферических жестких линз, потому что этот тип линз включен в проводимое кольцевое испытание на относительную текучесть. Приведенные значения в равной степени применимы к асферическим и торическим жестким линзам. -------------------------------- <а> Воспроизводимость метода должна составлять половину (или менее) допуска, установленного в [1] на конкретный тип контактной линзы. |
A.1.4 Оценка правильности полученных средних значений радиуса кривизны контактных линз по A.2.7, A.3.1 - A.3.2, A.4.1 - A.4.2, то есть оценка систематической погрешности должна быть выполнена в соответствии с ГОСТ ИСО 5725-4 (раздел 5).
A.2 Требования к средствам измерения, вспомогательным устройствам и порядок подготовки к измерениям
A.2.1 Специальная насадка обеспечивает расположение и ориентацию измеряемой контактной линзы во время проведения измерения как показано на рисунках A.2 и A.3.
,
- углы падения; 2y' - расстояние между отраженными
изображениями; 1 - мира 1; 2 - изображение миры 1;
3 - мира 2; 4 - изображение миры 2; 5 - система удвоения
с объективом; 6 - окуляр; 7 - плоскость изображения
объектива совпадает с плоскостью предмета окуляра;
8 - соляной раствор
Рисунок A.2 - Принципиальная схема офтальмометра
для измерения контактной линзы в воздухе
а)
б)
,
- углы падения; 2y' - расстояние между отраженными
изображениями; 1 - мира 1; 2 - изображение миры 1; 3 - мира
2; 4 - изображение миры 2; 5 - система удвоения
с объективом; 6 - окуляр; 7 - плоскость изображения
объектива совпадает с плоскостью изображения окуляра; 8 -
солевой раствор; 9 - призма; 10 - фронтальная поверхность
посеребренного зеркала; 11 - прозрачная съемная крышка
Рисунок A.3 - Устройство офтальмометра для измерения радиуса
кривизны контактной линзы в кювете с солевым раствором
A.2.2 Офтальмометр должен иметь освещенную миру, расположенную так, чтобы отражаться от оптической поверхности измеряемой контактной линзы. Размер освещенной миры должен быть фиксированным или регулируемым посредством системы удвоения офтальмоскопа для того, чтобы получить отраженное изображение фиксированного размера. Регулируемая оптическая система удвоения офтальмометра должна оценивать размеры отраженного изображения миры и расстояние.
A.2.3 Полное увеличение прибора должно быть не менее 20x.
A.2.4 Цена деления измерительного инструмента должна быть не более 0,02 мм. Если шкала отградуирована в диоптриях, максимальная цена деления должна быть 0,25 дптр. Для преобразования значений оптической силы линзы в радиусы кривизны используется переводная таблица по каждому конкретному прибору.
A.2.5 Для калибровки офтальмометра следует использовать тест-пластинки по 4.2.2.7.
A.2.6 Калибровку следует производить в помещении с температурой окружающей среды (20 +/- 5) °C при стабилизации параметров прибора в течение некоторого времени после проведения калибровки. При калибровке прибора для измерений линз в растворе следует использовать солевой раствор по разделу 12.
A.2.7 Измерение каждого образца проводят на одном и том же расстоянии не менее 10 раз. После этого вычисляют среднеарифметическое полученных значений. Для построения корректирующей калибровочной кривой используют разность между вычисленным и действительным радиусами кривизны.
A.3 Порядок проведения измерений контактной линзы в воздухе
A.3.1 Измерения проводят при температуре окружающей среды (20 +/- 5) °C, после периода стабилизации образца для измерения и измерительного оборудования при этой температуре.
Порядок проведения измерения заключается в проведении следующих действий:
- установить измеряемую жесткую контактную линзу, помещенную в насадку перпендикулярно оптической оси офтальмометра;
- выполнить три независимых измерения радиуса кривизны. Результат измерений должен быть записан с точностью до 0,01 мм;
- вычислить среднеарифметическое трех показаний (скорректированных с помощью калибровочной кривой). Полученный результат считать радиусом кривизны сферической поверхности.
A.3.2 При проведении измерений радиуса торической поверхности порядок проведения измерения заключается в проведении следующих действий:
- снять три показания;
- определить среднеарифметическое значение для каждого из двух главных меридианов;
- скорректировать среднеарифметические с помощью калибровочной кривой.
Полученные результаты принимаются как радиусы кривизны соответствующих меридианов.
Примечание - Жесткие контактные линзы обычно измеряют в воздухе, но также, при необходимости, могут измерять в кювете со стандартным солевым раствором.
A.4 Порядок проведения измерений контактной линзы в кювете с солевым раствором
A.4.1 Данный порядок применим только для измерений в центральном участке контактной линзы. Измерения выполняют при температуре окружающей среды (20 +/- 0,5) °C.
Перед измерением мягкую контактную линзу необходимо выдержать в стандартном солевом растворе (требования по разделу 12) при температуре (20 +/- 0,5) °C.
Порядок проведения измерений заключается в проведении следующих действий:
- мягкую контактную линзу поместить в кювету со стандартным солевым раствором;
- расположить измеряемую мягкую контактную линзу, помещенную в насадку, перпендикулярно оптической оси офтальмометра;
- выполнить три независимых измерения радиуса. Результат измерений должен быть записан с точностью до 0,01 мм;
- вычислить среднеарифметическое трех показаний (скорректированных с помощью калибровочной кривой). Полученные результаты принимают как радиус кривизны сферической поверхности.
A.4.2 При проведении измерений торической поверхности контактной линзы порядок проведения измерений заключается в проведении следующих действий:
- снять три показания;
- определить среднеарифметическое для каждого из двух главных меридианов в отраженном изображении;
- скорректировать все среднеарифметические с помощью калибровочной кривой. Полученные результаты считать радиусом кривизны торической поверхности контактной линзы.
(справочное)
ИЗМЕРЕНИЕ РАДИУСА КРИВИЗНЫ ЖЕСТКИХ КОНТАКТНЫХ ЛИНЗ
МЕТОДОМ ИНТЕРФЕРОМЕТРИИ
B.1.1 В данном приложении приводится метод измерения радиуса кривизны жестких контактных линз методом интерферометрии.
Чтобы оценить интерференционную картину, необходимо определить отклонение интерференционной картины от идеальной оптимально-приближенной. Для оценки поверхности контактной линзы обычно используется оптимально-приближенная коническая сферическая поверхность.
B.2 Требования к средствам измерения и вспомогательным устройствам
B.2.1 Измерение радиуса кривизны задней и фронтальной поверхностей жестких контактных линз проводится на интерферометре Тваймана - Грина, принципиальная схема которого приведена на рисунке B.1.
1 - лазер; 2 - линзовая система L1, L2, L3; 3 - делитель
пучка; 4 - опорное зеркало; 5 - голограмма, сформированная
ЭВМ; 6 - светосильный объектив; 7 - линза; 8 - измеряемая
поверхность контактной линзы; 9 - камера; 10 - диафрагма
Рисунок B.1 - Принципиальная схема измерения кривизны
жестких контактных линз с помощью интерферометра
Тваймана - Грина
B.2.2 Коллимированный лазерный пучок разделяется с помощью делителя 3 на тест-пучок и опорный пучок. Опорный пучок отражается очень точным опорным зеркалом 4 и поступает на выход интерферометра, где помещается голограмма 5, сформированная компьютером (при испытании асферической поверхности).
Тест-пучок проходит через линзовую систему 2, состоящую из светосильного объектива 6 и одной или нескольких дополнительных линз 7, чтобы получить сферическую форму волны, соответствующую измеряемой поверхности контактной линзы 8. При отражении свет проходит по тому же пути и интерферирует с опорным пучком на выходе интерферометра. Для измерения различных асферических поверхностей, используют голограмму, сформированную компьютером, чтобы преобразовать аберрационный порядок дифракции, поскольку голограмма не плоская. Голограмма может интерферировать с недифрагированным светом опорного пучка для формирования интерференционной картины с идеально прямыми интерференционными полосами либо вообще без полос.
B.3 Требования к точности измерения
B.3.1 Любое отклонение формы измеряемой поверхности контактной линзы приводит к формированию искривленной или неправильной интерференционной картины, что можно интерпретировать как контурное изображение отклонений от идеальной поверхности. Соседние полосы имеют разность высот в половину используемой длины волны, например, 633,2 нм - для гелий-неонового лазера.
Применяя автоматические методы анализа интерференционной полосы с помощью видео- или ПЗС-камеры, управляемой компьютером, измеряют отклонения от формы всей поверхности либо ее большего участка, в зависимости от отношения диаметра к вершинному радиусу кривизны и от числовой апертуры объектива.
Достигнутая точность формы более 300 нм. Точность измерения вершинного радиуса равна разрешающей способности дистанционного измерителя.
B.4 Требования к образцам для измерения
B.4.1 Образцами для измерения являются готовые жесткие контактные линзы.
B.5 Порядок проведения измерения
Порядок проведения измерения заключается в проведении следующих действий:
- расположить поверхность контактной линзы, которая подлежит измерению, очень точно относительно фокуса объектива 6 с помощью дистанционного измерителя с разрешающей способностью 0,001 мм;
- визуально проконтролировать фокус объектива регулированием интерференционной картины до получения минимального количества полос;
- переместить по оси контактную линзу на расстояние равное ее вершинному радиусу кривизны. В этом положении произвести анализ интерференционных полос;
- вычислить оптимально-приближенный вершинный радиус кривизны, а также коническую постоянную поверхности по результату анализа интерференционных полос;
- исключить остаточные отклонения от идеальной конической поверхности.
(справочное)
ИЗМЕРЕНИЕ ЗАДНЕЙ ВЕРШИННОЙ РЕФРАКЦИИ МЯГКИХ КОНТАКТНЫХ ЛИНЗ,
ПОГРУЖЕННЫХ В РАСТВОР, С ИСПОЛЬЗОВАНИЕМ РЕФЛЕКТОМЕТРА МУАРА
И МЕТОДА ГАРТМАНА
C.1.1 Данное приложение устанавливает метод измерения задней вершинной рефракции мягких контактных линз, погруженных в раствор, используя рефлектометр Муара или метод Гартмана.
C.1.2 Метод основан на эффекте Муара - явлении, которое вызывает появление интерференционной картины, в тот момент когда две решетки устанавливаются под небольшим углом друг к другу. Интерференционная картина воспринимается ПЗС-матрицей и оцифровывается. Цифровые данные поступают через электрооптический интерфейс на управляющее программное устройство для анализа. Полученное изображение отображается на экране дисплея.
Система откалибрована так, что при отсутствии линзы в кювете пучок параллелен; наблюдаются прямые вертикальные полосы. Когда линза вставляется в кювету, полосы отклоняются от вертикали. Лазерный источник света перемещают посредством сервомотора с программным управлением, пока полосы не вернутся в вертикальное положение. По положению лазерного источника света определяют заднюю вершинную рефракцию системы "контактная линза - кювета", а затем, с учетом параметров кюветы и солевого раствора, рассчитывают заднюю вершинную рефракцию измеряемой контактной линзы в воздухе.
C.1.3 Метод Гартмана используют для измерения связанных с рефракцией компонентов оптических элементов, устанавливаемых на пути следования пучка света, который затем проходит через экран, состоящий из массива микролинз, составляющих квадратную матрицу. Измерительная система устроена так, что опорное изображение принимается до того, как оптический элемент помещается в систему. Изображение, формируемое микролинзами, запоминается и действует как опорное изображение. Затем, измеряемый оптический элемент вводится в систему изображения. Изображение микролинз изменяется посредством связанных с рефракцией параметров измеряемого элемента. Поперечные аберрации изображения микролинз являются функцией параметров измеряемого элемента, связанных с вершинной рефракцией. Исходя из разницы исходного и измененного изображений, рассчитывают заднюю вершинную рефракцию контактной линзы.
C.2 Требования к средствам измерения и вспомогательным устройствам
C.2.1 Используют рефлектометр Муара или прибор Гартмана со следующими параметрами:
- диаметр центральной апертуры, через которую измеряется рефракция, должен быть регулируемым и составлять не менее (4,50 +/- 0,50) мм;
- диапазон измерения должен быть не менее от минус 20,00 дптр до плюс 20,00 дптр включительно.
Данное требование следует применять для значений рефракций линз, измеренных в воздухе; для линз, погруженных в раствор, следует внести в систему соответствующую поправку на рефракцию.
C.2.2 Прибор должен иметь механизм для позиционирования кювет с контактными линзами, при этом измеряемые линзы должны быть расположены по центру измерительной системы.
C.2.3 Восемь сферических контрольных линз, задняя вершинная рефракция которых составляет: минус 20,00 дптр, минус 15,00 дптр, минус 10,00 дптр, минус 5,00 дптр, плюс 5,00 дптр, плюс 10,00 дптр, плюс 15,00 дптр и плюс 20,00 дптр соответственно с точностью в пределах одной диоптрии. Для каждой контрольной линзы должны быть известны следующие параметры, с точностью до:
- толщина по центру - +/- 0,01 мм;
- базовая кривая - +/- 0,05 мм;
- диаметр - +/- 0,05 мм;
- коэффициент преломления - до третьего знака после запятой.
C.2.4 Оптические свойства стенок калиброванных кювет не должны влиять на результат измерения.
C.2.5 Стандартный солевой раствор - в соответствии с требованиями
раздела 12. Коэффициент преломления солевого раствора должен быть известен с точностью до третьего знака после запятой.
C.3 Порядок подготовки к измерениям
C.3.1 Порядок подготовки контактной линзы к измерениям заключается в выполнении следующего действия: погрузить линзу в пробирку, наполненную стандартным солевым раствором и выдержать при температуре (20 +/- 0,5) °C в течение 30 мин.
Если 30 мин недостаточно, чтобы уравновесить линзу, изготовитель линз должен установить требуемое время.
C.3.2 Калибровка прибора производится согласно инструкции изготовителя при температуре (20 +/- 5) °C, с использованием сферических контрольных линз по
C.2.3, установленных в калиброванные кюветы с учетом
C.2.4.
Средняя измеренная рефракция каждой контрольной линзы должна быть в пределах +/- 0,04 дптр от номинального значения.
C.3.3 Снять три независимых показания и записать среднее значение.
Примечание - "Независимое показание" - это показание, на которое не влияет предыдущее показание; контрольные линзы следует вынимать между снятием показаний.
C.3.4 Нанести результаты на калибровочную кривую.
Примечание - Предпочтительным методом составления калибровочной кривой является метод наименьших квадратов.
C.4 Порядок проведения измерений
C.4.1 Перенести линзу из пробирки в калиброванную кювету, наполненную стандартным солевым раствором при температуре (20 +/- 5) °C.
Убедиться, что линза не деформирована.
C.4.2 Поместить кювету в механизм для позиционирования с учетом
C.2.2 или как указано изготовителем прибора.
C.4.3 Выполняя инструкции изготовителя, получить показания задней вершинной рефракции измеряемой линзы.
C.4.4 Порядок проведения измерений задней вершинной рефракции сферических линз заключается в выполнении следующих действий:
- снять необходимое количество независимых показаний задней вершинной рефракции, указанное в
таблице C.1, и вычислить среднее значение;
- с помощью калибровочной кривой по
C.3.4 определить откорректированное среднее значение.
Таблица C.1
Количество измерений параметров, требуемых для сферических
мягких линз
Параметр | Допускаемое отклонение, дптр | Количество измерений по методу Муара | Количество измерений по методу Гартмана |
Задняя вершинная рефракция, дптр |
От 0 до +/- 10 | +/- 0,25 | 2 | 1 |
" +/- 10 " +/- 20 | +/- 0,50 | 1 | 1 |
Свыше +/- 20 | +/- 1,00 | 1 | 1 |
C.4.5 Порядок проведения измерений задней вершинной рефракции торических линз заключается в выполнении следующих действий:
- снять необходимое количество независимых показаний задней вершинной рефракции, указанное в
таблице C.2, и вычислить среднее значение;
- с помощью калибровочной кривой по
C.3.4 определить откорректированное среднее значение.
Таблица C.2
Количество измерений параметров, требуемых для торических
мягких линз
Параметр | Допускаемое отклонение, дптр | Количество измерений по методу Муара | Количество измерений по методу Гартмана |
Сферическая вершинная рефракция, дптр | | | |
От 0 до +/- 10 | +/- 0,25 | 7 | 2 |
" +/- 10 " +/- 20 | +/- 0,50 | 2 | 2 |
Свыше +/- 20 | +/- 1,00 | 2 | 2 |
Цилиндрическая вершинная рефракция, дптр | | | |
До 2,00 | +/- 0,25 | 2 | 2 |
От 2,00 до 4,00 | +/- 0,37 | 1 | 2 |
Свыше 4,00 | +/- 0,50 | 1 | 2 |
Направление оси, ° | +/- 5 | 2 | 3 |
C.4.6 Количество измерений, требуемых для сферических мягких линз, указано в
таблице C.1. Количество измерений, требуемых для торических мягких линз, указано в
таблице C.2.
Примечание - Количество необходимых измерений параметров будет зависеть от допускаемого отклонения измеряемого размера и воспроизводимости метода измерения, оцениваемых межлабораторными испытаниями. Данные
таблиц C.1 и
C.2 основаны на результатах межлабораторных испытаний.
C.5 Правила оформления результатов измерения
C.5.1 Задняя вершинная рефракция сферических гидрогельных линз, выраженная в диоптриях, должна быть указана в отчете в виде откорректированного среднего значения, установленного в
C.3.3.
C.5.2 Сферическая вершинная рефракция и цилиндрическая сферическая рефракция, выраженные в диоптриях, направление оси, выраженное в градусах, торических гидрогельных линз должны быть указаны в отчете в виде откорректированного(ых) среднего(них) значения(ий), установленного(ых) в
C.3.3.
C.6 Точность результатов измерений
C.6.1 Точность результатов измерений задней вершинной рефракции сферических и торических гидрогельных контактных линз соответствует приведенной в
таблице 2.
Примечание - Значения воспроизводимости R и воспроизводимость стандартного отклонения sR были определены во время проведения межлабораторных испытаний в соответствии с ГОСТ ИСО 5725-4 в течение 1996 и 1997 гг., в проведение которых были вовлечены четыре и еще пять независимых лабораторий, соответственно, и был использован 21 образец контактных линз.
C.6.2 Одиночные результаты по идентичным контрольным линзам, приведенные в отчетах двух лабораторий, будут отличаться не более, чем в одном из 20 случаев на значение воспроизводимости R при правильном измерении задней вершинной рефракции.
(рекомендуемое)
ДЛЯ РАСЧЕТА СВЕТОВОГО КОЭФФИЦИЕНТА ПРОПУСКАНИЯ 
Таблица D.1
Спектральные функции для расчета светового коэффициента
пропускания 
Длина волны , нм | |
380 | 0 |
390 | 0,0005 |
400 | 0,0031 |
410 | 0,0104 |
420 | 0,0354 |
430 | 0,0952 |
440 | 0,2283 |
450 | 0,4207 |
460 | 0,6688 |
470 | 0,9894 |
480 | 1,5245 |
490 | 2,1415 |
500 | 3,3438 |
510 | 5,1311 |
520 | 7,0412 |
530 | 8,7851 |
540 | 9,4248 |
550 | 9,7922 |
560 | 9,4156 |
570 | 8,6754 |
580 | 7,8870 |
590 | 6,3540 |
600 | 5,3740 |
610 | 4,2648 |
620 | 3,1619 |
630 | 2,0889 |
640 | 1,3861 |
650 | 0,8100 |
660 | 0,4629 |
670 | 0,2492 |
680 | 0,1260 |
690 | 0,0541 |
700 | 0,0278 |
710 | 0,0148 |
720 | 0,0058 |
730 | 0,0033 |
740 | 0,0014 |
750 | 0,0006 |
760 | 0,0004 |
770 | 0 |
780 | 0 |
Сумма | 100 |
| ISO 18369-2:2006 | Ophthalmic optics - Contact lenses - Part 2: Tolerances (Офтальмологическая оптика. Контактные линзы. Часть 2. Допуски) |
| ISO 8598:1996 | Optics and optical instruments - Focimeters (Оптика и оптические приборы. Диоптриметры) |
| ISO 9342-2:2005 | Optics and optical instruments - Test lenses for calibration of focimeters - Part 2: Test lenses for focimeters used for measuring contact lenses (Оптика и оптические приборы. Линзы для поверки диоптриметров. Часть 2. Линзы для поверки, диоптриметров используемых для измерения контактных линз) |
| | Государственная фармакопея. Издание 11 (в части воды) |
| Британский стандарт BS 1647-2:1984 | Measuring pH - Specification on standard solutions for measuring the benchmark and working solutions for measurement standard sample (Измерение pH. Спецификация на стандартные растворы для измерения опорной величины и на рабочие растворы для измерения стандартного образца) |
| Британский стандарт BS 3145:1978 | Specification of the laboratory pH-meters (Спецификация на лабораторные pH-метры) |
--------------------------------
<*> Действует на территории Российской Федерации.
(рекомендуемое)
СРАВНЕНИЕ СТРУКТУРЫ МЕЖДУНАРОДНОГО СТАНДАРТА СО СТРУКТУРОЙ
МЕЖГОСУДАРСТВЕННОГО СТАНДАРТА
Таблица ДА.1
Структура международного стандарта | Структура межгосударственного стандарта |
Подраздел | Пункт | Подпункт | Раздел | Пункт | Подпункт |
Раздел 1 | | | |
Раздел 2 | | | |
Раздел 3 | | | |
Раздел 4 | | | |
4.1 | 4.1.1 | | | | |
| 4.1.2 | 4.1.2.1 | | | |
| | 4.1.2.2 | | | |
| | 4.1.2.3 | | | |
| | 4.1.2.4 | | | |
| 4.1.3 | 4.1.3.1 | | | |
| | 4.1.3.2 | | | |
| | 4.1.3.3 | | | |
| | 4.1.3.4 | | | |
| | 4.1.3.4.1 | | | |
| | 4.1.3.4.2 | | | |
| 4.1.4 | 4.1.4.1 | | | |
| | 4.1.4.2 | | | |
| | 4.1.4.2.1 | | | |
| | 4.1.4.2.2 | | | |
| | 4.1.4.2.3 | | | |
| | 4.1.4.4 | | | |
| | 4.1.4.5 | | | |
4.2 | 4.2.1 | 4.2.1.1 | | | |
| | 4.2.1.2 | | | |
| 4.2.2 | 4.2.2.1 | | | |
| | 4.2.2.2 | | | |
| 4.2.3 | | | | |
4.3 | 4.3.1 | 4.3.1.1 | | | |
| | 4.3.1.2 | | | |
| | 4.3.1.2.1 | | | |
| | 4.3.1.2.2 | | | |
| | 4.3.1.2.3 | | | |
| | 4.3.1.2.3.1 | | | |
4.3 | 4.3.1 | 4.3.1.2.3.2 | | | |
| | 4.3.1.2.3.4 | | | |
| | 4.3.1.2.5 | | | |
| | 4.3.1.3 | | | |
| | 4.3.1.3.1 | | | |
| | 4.3.1.3.2 | | | |
| | 4.3.1.3.2.1 | | | |
| | 4.3.1.3.2.2 | | | |
| | 4.3.1.3.2.3 | | | |
| 4.3.2 | 4.3.2.1 | | | |
| | 4.3.2.2 | | | |
| | 4.3.2.2.1 | | | |
| | 4.3.2.2.2 | | | |
| | 4.3.2.2.3 | | | |
4.4 | 4.4.1 | | | | |
| 4.4.2 | 4.4.2.1 | | | |
| | 4.4.2.2 | | | |
| | 4.4.2.2.1 | | | |
| | 4.4.2.2.2 | | | |
| | 4.4.2.2.3 | | | |
| 4.4.3 | 4.4.3.1 | | | |
| | 4.4.3.2 | | | |
| | 4.4.3.3 | | | |
4.5 | 4.5.1 | | | | |
| 4.5.2 | 4.5.2.1 | | | |
| | 4.5.2.2 | | | |
| | 4.5.2.3 | | | |
4.6 | 4.6.1 | 4.6.1.1 | | | |
| | 4.6.1.2 | | | |
| 4.6.2 | | | | |
Раздел 5 | | | |
4.7 | 4.7.1 | | | | |
| 4.7.2 | | | | |
| 4.7.3 | | | | |
| 4.7.4 | | | | |
Приложение A | |
| A.1 | | | | |
| A.2 | | | | |
| A.3 | | | | |
| A.4 | | | | |
| A.5 | | | | |
Приложение B | |
| B.1 | | | | |
| B.2 | | | | |
| B.3 | | | | |
| B.4 | B.4.1 | | | |
| | B.4.2 | | | |
| | B.4.3 | | | |
| | B.4.4 | | | |
| | B.4.5 | | | |
| | B.4.6 | | | |
- | |
Библиография | |
- | Приложение ДА |
- | |
| | ИС МЕГАНОРМ: примечание. В официальном тексте документа, видимо, допущена опечатка: стандарт имеет номер ГОСТ ИСО 5725-1, а не ГОСТ ИСО 725-1. | |
|
| | ИС МЕГАНОРМ: примечание. В официальном тексте документа, видимо, допущена опечатка: стандарт имеет номер ГОСТ Р 1.5-2004, а не ГОСТ 1.5-2004. | |
|
Примечания: <*> В настоящем стандарте данный раздел содержит 7 терминов и ссылку на ГОСТ ИСО 725-1 в связи с необходимостью уточнения понимания текста стандарта. <**> Данные разделы, приложения в настоящем стандарте разбиты на подразделы, пункты, подпункты, что обусловлено необходимостью приведения его в соответствие с ГОСТ 1.5-2004. <***> Включение данного приложения в стандарт обусловлено необходимостью учета потребностей национальных экономик государств, упомянутых в предисловии, как проголосовавших за принятие настоящего межгосударственного стандарта. |
(справочное)
СВЕДЕНИЯ О СООТВЕТСТВИИ МЕЖГОСУДАРСТВЕННЫХ СТАНДАРТОВ
ССЫЛОЧНЫМ МЕЖДУНАРОДНЫМ СТАНДАРТАМ
Таблица ДБ.1
Обозначение и наименование международного стандарта | Степень соответствия | Обозначение и наименование межгосударственного стандарта |
ISO 18369-1:2006 "Офтальмологическая оптика. Контактные линзы. Часть 1: Словарь, система классификации и рекомендации по техническим условиям на этикетирование" | (NEQ) | ГОСТ 28956-91 (ИСО 8320-86) "Линзы контактные. Термины и определения" |
ISO/CIE 10526:1999 "Стандартные источники освещения МКО для калориметрии" | (NEQ) | ГОСТ 7721-89 "Источники света для измерения цвета. Типы. Технические требования. Маркировка" |
|
|
ISO 5725-4:1986 "Точность (правильность) и прецизионность методов и результатов измерений. Часть 4. Основные методы определения правильности стандартного метода измерений" | (IDT) | ГОСТ ИСО 5725-4-2003 "Точность (правильность и прецизионность) методов и результатов измерений. Часть 4. Основные методы определения правильности стандартного метода измерений" |
|
|
ISO 5725-1-2002 "Точность (правильность и прецизионность) методов и результатов измерений. Часть 1. Основные положения и определения" | (IDT) | ГОСТ ИСО 5725-1-2003 "Точность (правильность и прецизионность) методов и результатов измерений. Часть 1. Основные положения и определения" |
ISO 10343:1997 "Офтальмологические приборы. Офтальмометры" | (IDT) | |
Примечание - В настоящем стандарте использованы следующие условные обозначения степени соответствующих стандартов: - IDT - идентичный стандарт; - NEQ - неэквивалентный стандарт. |