Главная // Актуальные документы // ГОСТ (Государственный стандарт)
СПРАВКА
Источник публикации
М.: Стандартинформ, 2016
Примечание к документу
Документ включен в Перечень международных и региональных (межгосударственных) стандартов, а в случае их отсутствия - национальных (государственных) стандартов, в результате применения которых на добровольной основе обеспечивается соблюдение требований технического регламента Таможенного союза "О безопасности машин и оборудования" (ТР ТС 010/2011) и в Перечень международных и региональных (межгосударственных) стандартов, а в случае их отсутствия - национальных (государственных) стандартов, содержащих правила и методы исследований (испытаний) и измерений, в том числе правила отбора образцов, необходимые для применения и исполнения требований технического регламента Таможенного союза "О безопасности машин и оборудования" (ТР ТС 010/2011) и осуществления оценки соответствия объектов технического регулирования (Решение Коллегии Евразийской экономической комиссии от 09.03.2021 N 28).

Документ введен в действие с 01.05.2017.
Название документа
"ГОСТ ISO 3164-2016. Межгосударственный стандарт. Машины землеройные. Лабораторные испытания по оценке устройств защиты. Требования к пространству, ограничивающему деформацию"
(введен в действие Приказом Росстандарта от 30.09.2016 N 1258-ст)

"ГОСТ ISO 3164-2016. Межгосударственный стандарт. Машины землеройные. Лабораторные испытания по оценке устройств защиты. Требования к пространству, ограничивающему деформацию"
(введен в действие Приказом Росстандарта от 30.09.2016 N 1258-ст)


Содержание


Введен в действие
Приказом Федерального
агентства по техническому
регулированию и метрологии
от 30 сентября 2016 г. N 1258-ст
МЕЖГОСУДАРСТВЕННЫЙ СТАНДАРТ
МАШИНЫ ЗЕМЛЕРОЙНЫЕ
ЛАБОРАТОРНЫЕ ИСПЫТАНИЯ ПО ОЦЕНКЕ УСТРОЙСТВ ЗАЩИТЫ
ТРЕБОВАНИЯ К ПРОСТРАНСТВУ, ОГРАНИЧИВАЮЩЕМУ ДЕФОРМАЦИЮ
Earth-moving machinery. Laboratory evaluations of protective
structures. Specifications for deflection-limiting volume
(ISO 3164:2013, IDT)
ГОСТ ISO 3164-2016
МКС 53.100
Дата введения
1 мая 2017 года
Предисловие
Цели, основные принципы и основной порядок проведения работ по межгосударственной стандартизации установлены ГОСТ 1.0-2015 "Межгосударственная система стандартизации. Основные положения" и ГОСТ 1.2-2015 "Межгосударственная система стандартизации. Стандарты межгосударственные, правила и рекомендации по межгосударственной стандартизации. Правила разработки, принятия, обновления и отмены"
Сведения о стандарте
1 ПОДГОТОВЛЕН Обществом с ограниченной ответственностью "ИЦ "ЦНИП СДМ" (ООО "ИЦ "ЦНИП СДМ") на основе собственного аутентичного перевода на русский язык международного стандарта, указанного в пункте 4
2 ВНЕСЕН Межгосударственным техническим комитетом по стандартизации МТК 267 "Строительно-дорожные машины и оборудование"
3 ПРИНЯТ Межгосударственным советом по стандартизации, метрологии и сертификации (протокол от 29 февраля 2016 г. N 85-П)
За принятие проголосовали:
Краткое наименование страны по МК (ИСО 3166) 004-97
Код страны по МК (ИСО 3166) 004-97
Сокращенное наименование национального органа по стандартизации
Армения
AM
Минэкономики Республики Армения
Беларусь
BY
Госстандарт Республики Беларусь
Киргизия
KG
Кыргызстандарт
Молдова
MD
Молдова-Стандарт
Россия
RU
Росстандарт
Таджикистан
TJ
Таджикстандарт
4 Настоящий стандарт идентичен международному стандарту ISO 3164:2013 "Машины землеройные. Лабораторные испытания по оценке устройств защиты. Требования к пространству, ограничивающему деформацию" ("Earth-moving machinery - Laboratory evaluations of protective structures - Specifications for deflection-limiting volume", IDT).
Сведения о соответствии межгосударственных стандартов ссылочным международным стандартам приведены в дополнительном приложении ДА
5 Приказом Федерального агентства по техническому регулированию и метрологии от 30 сентября 2016 г. N 1258-ст межгосударственный стандарт ГОСТ ISO 3164-2016 введен в действие в качестве национального стандарта Российской Федерации с 1 мая 2017 г.
6 Настоящий стандарт может быть использован при ежегодной актуализации перечня стандартов, содержащих правила и методы исследований (испытаний), а также стандартов, в результате применения которых на добровольной основе обеспечивается соблюдение требований технического регламента Таможенного союза "О безопасности машин и оборудования"
7 ВВЕДЕН ВПЕРВЫЕ
Информация об изменениях к настоящему стандарту публикуется в ежегодном информационном указателе "Национальные стандарты" (по состоянию на 1 января текущего года), а текст изменений и поправок - в ежемесячном информационном указателе "Национальные стандарты". В случае пересмотра (замены) или отмены настоящего стандарта соответствующее уведомление будет опубликовано в ежемесячном информационном указателе "Национальные стандарты". Соответствующая информация, уведомление и тексты размещаются также в информационной системе общего пользования - на официальном сайте Федерального агентства по техническому регулированию и метрологии в сети Интернет (www.gost.ru)
1. Область применения
Настоящий стандарт устанавливает требования к объему ограничения деформации (DLV) при проведении лабораторных испытаний по оценке устройств защиты операторов землеройных машин, определенных в ISO 6165.
2. Нормативные ссылки
Для применения настоящего стандарта необходимы следующие ссылочные документы. Для датированных ссылок применяют только указанное издание ссылочного документа, для недатированных ссылок применяют последнее издание ссылочного документа (со всеми поправками и изменениями).
ISO 3411:2007 Earth-moving machinery - Physical dimensions of operators and minimum operator space envelope (Машины землеройные. Антропометрические данные операторов и минимальное рабочее пространство вокруг оператора)
ISO 5353:1995 Earth-moving machinery, and tractors and machinery for agriculture and forestry - Seat index point (Машины землеройные, тракторы и машины для сельского и лесного хозяйства. Контрольная точка сиденья)
ISO 6165 Earth-moving machinery - Basic types - Identification and terms and definitions (Машины землеройные. Основные типы. Идентификация, термины и определения)
3. Термины и определения
В настоящем стандарте применены следующие термины с соответствующими определениями:
3.1 объем ограничения деформации (DLV) (deflection-limiting volume DLV): Приближение к объему, занимаемому оператором высокого роста в положении сидя по ISO 3411.
3.1.1 ортогональный DLV (orthogonal DLV): DLV (3.1) ортогональное приближение к объему, занимаемому оператором.
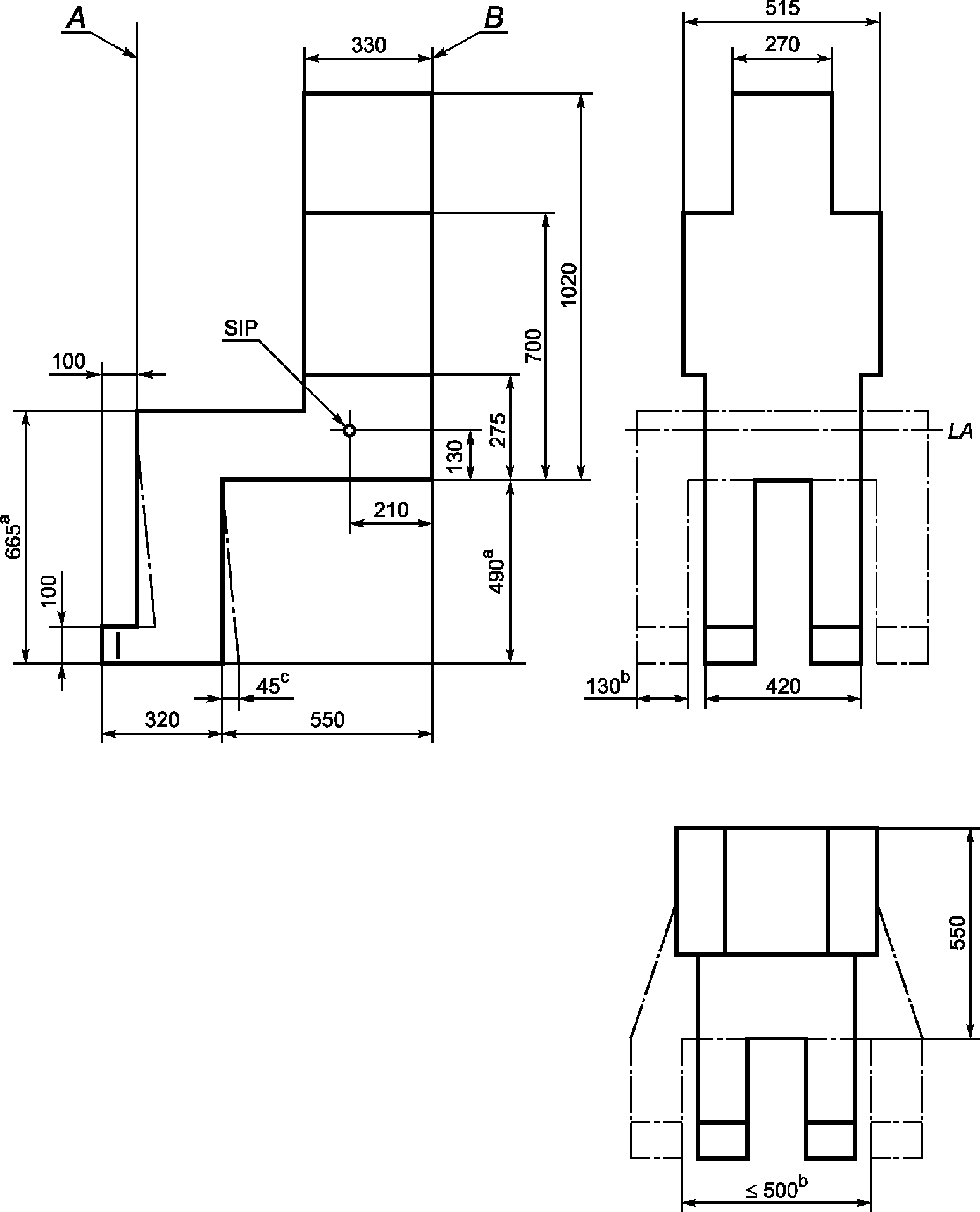
Примечание - См. рисунок 1.
Размеры в миллиметрах
A - граница передней плоскости; B - граница задней
плоскости; LA - установочная ось; SIP - контрольная точка
сиденья;
--------------------------------
<a> - размер может быть уменьшен на толщину настила пола;
<b> - детали машины или органы управления могут потребовать дополнительного разделения DLV ног и ступней;
<c> - допускается перемещать ноги на 45 мм назад
Рисунок 1 - Размеры ортогонального DLV
3.1.2 округленный DLV (rounded DLV): Ортогональный DLV (3.1.1) с округленными углами приблизительных изгибов фигуры оператора (например: голова, плечи).
Примечание - См. рисунок 2.
Размеры в миллиметрах
A - граница передней плоскости; B - граница задней
плоскости; LA - установочная ось; SIP - контрольная точка
сиденья;
--------------------------------
<a> - размер может быть уменьшен на толщину настила пола;
<b> - детали машины или органы управления могут потребовать дополнительного разделения DLV ног и ступней;
<c> - допускается перемещать ноги на 45 мм назад
Рисунок 2 - Размеры округленного DLV
3.1.3 ортогональная плоскость верхней части головы (orthogonal top head plane): Прямоугольная горизонтальная плоскость размером 270 мм на 330 мм с округленным DLV (3.1.2), имитирующая верхнюю часть горизонтальной плоскости ортогонального DLV (3.1.1).
Примечание 1 - См. рисунок 3.
Примечание 2 - Верхняя часть горизонтальной плоскости с округленным DLV используется при испытании FOPS (устройство защиты от падающих предметов).
Рисунок 3 - Проекция и ортогональная плоскость верхней части
головы с округленным DLV при испытании FOPS
3.2 контрольная точка сиденья SIP (seat index point SIP): Точка в центральной вертикальной плоскости сиденья, как определено в ISO 5353.
3.3 установочная ось LA (locating axis LA): Горизонтальная ось, определяющая расположение DLV (3.1) относительно SIP (3.2).
4. Размеры, способы и точность измерений DLV
4.1 Ортогональные размеры DLV должны соответствовать рисунку 1 и иметь размеры округления DLV согласно рисунку 2.
4.2 Размер от SIP до задней границы DLV приведен с учетом наличия продольной регулировки сиденья 150 мм; если сиденье не имеет продольной регулировки сиденья, размер должен быть уменьшен с 210 до 135 мм. Если продольная регулировка сиденья составляет менее 150 мм, то размер 210 мм должен быть уменьшен на половину разницы между 150 мм и фактическим размером продольной регулировки сиденья.
4.3 При испытании устройств ROPS (устройство защиты при опрокидывании) и TOPS (устройства защиты при опрокидывании мини-экскаваторов) должен быть использован округленный или ортогональный DLV. При испытании FOPS (устройство защиты от падающих предметов) должен быть использован ортогональный DLV или округленный DLV с добавлением ортогональной плоскости верхней части головы.
4.4 При испытании TOPS и ROPS на боковую нагрузку допустимый наклон верхней части DLV относительно SIP равен 15° (см. таблицу 1). При испытании TOPS и ROPS на продольную нагрузку допустимый наклон вперед верхней части DLV относительно LA не должен превышать 15° (см. рисунок 4). Часть DLV ниже SIP не имеет наклона. При наличии соприкосновения с любыми деталями машины угол наклона DLV должен быть ограничен.
Таблица 1
Суммарный допустимый угол наклона DLV
при испытании TOPS/ROPS
TOPS/ROPS направление нагрузки
Угол наклона
Направление угла наклона DLV
Боковая нагрузка
15°
Боковое
Продольная нагрузка
15°
Продольное
Примечание - Округленный DLV в большей степени отражает форму головы оператора при боковом и продольном направлении угла наклона DLV.
a) Боковая нагрузка на каток с сиденьем, установленным сбоку
b) Продольная нагрузка на бульдозер
c) Боковая нагрузка на каток с сиденьем,
установленным впереди
SIP - контрольная точка сиденья
Рисунок 4 - Примеры наклона DLV
4.5 Все линейные размеры DLV, показанные на рисунках 1 и 2, должны иметь допуск +/- 5 мм. Точность расположения DLV относительно SIP - +/- 13 мм по горизонтали и по вертикали. Точность наклона должна составлять +/- 1°.
5. Расположение DLV
5.1 DLV должен быть расположен с учетом SIP, как это определено в ISO 5353, в качестве контрольной точки (см. рисунки 1 и 2).
5.2 Для машин, имеющих различное расположение сиденья и имеющих несколько SIP (см. ISO 5353, пункт 5.3.3), используется метод определения SIP оператора в рабочем режиме передвижения машины.
5.3 DLV должен быть расположен так, чтобы установочная ось (LA), показанная на рисунке 1, проходила через местоположение SIP, определяемого в пункте 5.2. DLV должен быть расположен в поперечном направлении сиденья оператора с основными горизонтальными и вертикальными осями (оси X' и Z', как определено в ISO 5353, рисунок 2).
5.4 Расположение LA относительно DLV должно совпадать с SIP при любых перемещениях или нагрузках в течение всех испытаний.
Примечание - Органы управления машины и ее компоненты, обычно расположенные в DLV, не рассматриваются как нарушение.
Приложение ДА
(справочное)
СВЕДЕНИЯ О СООТВЕТСТВИИ ССЫЛОЧНЫХ МЕЖДУНАРОДНЫХ СТАНДАРТОВ
МЕЖГОСУДАРСТВЕННЫМ СТАНДАРТАМ
Таблица ДА.1
Обозначение ссылочного международного стандарта
Степень соответствия
Обозначение и наименование соответствующего межгосударственного стандарта
ISO 3411:2007
-
ISO 5353:1995
MOD
ГОСТ 27715-88 (ИСО 5353-78) "Машины землеройные, тракторы и машины для сельскохозяйственных работ и лесоводства. Контрольная точка сиденья"
ISO 6165
-
<*>
<*> Соответствующий межгосударственный стандарт отсутствует. До его утверждения рекомендуется использовать перевод на русский язык данного международного стандарта.
Примечание - В настоящей таблице использовано следующее условное обозначение степени соответствия стандарта:
- MOD - модифицированные стандарты.