Главная // Актуальные документы // ГОСТ (Государственный стандарт)
СПРАВКА
Источник публикации
М.: Стандартинформ, 2015
Примечание к документу
Документ включен в Перечень международных и региональных (межгосударственных) стандартов, а в случае их отсутствия - национальных (государственных) стандартов, в результате применения которых на добровольной основе обеспечивается соблюдение требований технического регламента Таможенного союза "О безопасности машин и оборудования" (ТР ТС 010/2011) и в Перечень международных и региональных (межгосударственных) стандартов, а в случае их отсутствия - национальных (государственных) стандартов, содержащих правила и методы исследований (испытаний) и измерений, в том числе правила отбора образцов, необходимые для применения и исполнения требований технического регламента Таможенного союза "О безопасности машин и оборудования" (ТР ТС 010/2011) и осуществления оценки соответствия объектов технического регулирования (Решение Коллегии Евразийской экономической комиссии от 09.03.2021 N 28).

Документ введен в действие с 1 ноября 2015 года.
Название документа
"ГОСТ ISO 22915-3-2014. Межгосударственный стандарт. Автопогрузчики промышленные. Проверка устойчивости. Часть 3. Автопогрузчики"
(введен в действие Приказом Росстандарта от 15.06.2015 N 694-ст)

"ГОСТ ISO 22915-3-2014. Межгосударственный стандарт. Автопогрузчики промышленные. Проверка устойчивости. Часть 3. Автопогрузчики"
(введен в действие Приказом Росстандарта от 15.06.2015 N 694-ст)


Содержание


Введен в действие
Приказом Федерального
агентства по техническому
регулированию и метрологии
от 15 июня 2015 г. N 694-ст
МЕЖГОСУДАРСТВЕННЫЙ СТАНДАРТ
АВТОПОГРУЗЧИКИ ПРОМЫШЛЕННЫЕ
ПРОВЕРКА УСТОЙЧИВОСТИ
ЧАСТЬ 3
АВТОПОГРУЗЧИКИ
Industrial trucks. Verification of stability.
Part 3. Reach and straddle trucks
(ISO 22915-3:2008, IDT)
ГОСТ ISO 22915-3-2014
МКС 53.060
Дата введения
1 ноября 2015 года
Предисловие
Цели, основные принципы и основной порядок проведения работ по межгосударственной стандартизации установлены ГОСТ 1.0-92 "Межгосударственная система стандартизации. Основные положения" и ГОСТ 1.2-2009 "Межгосударственная система стандартизации. Стандарты межгосударственные, правила и рекомендации по межгосударственной стандартизации. Правила разработки, принятия, применения, обновления и отмены"
Сведения о стандарте
1 ПОДГОТОВЛЕН Обществом с ограниченной ответственностью "ИЦ "ЦНИП СДМ" (ООО "ИЦ "ЦНИП СДМ") на основе собственного аутентичного перевода на русский язык международного стандарта, указанного в пункте 5
2 ВНЕСЕН Техническим комитетом по стандартизации ТК 56 "Дорожный транспорт"
3 ПРИНЯТ Межгосударственным советом по стандартизации, метрологии и сертификации (протокол от 22 декабря 2014 г. N 73-П)
За принятие проголосовали:
Краткое наименование страны по МК (ИСО 3166) 004-97
Код страны по МК (ИСО 3166) 004-97
Сокращенное наименование национального органа по стандартизации
Азербайджан
AZ
Азстандарт
Армения
AM
Минэкономики Республики Армения
Беларусь
BY
Госстандарт Республики Беларусь
Казахстан
KZ
Госстандарт Республики Казахстан
Киргизия
KG
Кыргызстандарт
Молдова
MD
Молдова-Стандарт
Россия
RU
Росстандарт
Таджикистан
TJ
Таджикстандарт
Туркменистан
TM
Главгосслужба "Туркменстандартлары"
Узбекистан
UZ
Узстандарт
Украина
UA
Минэкономразвития Украины
4 Приказом Федерального агентства по техническому регулированию и метрологии от 15 июня 2015 г. N 694-ст межгосударственный стандарт ГОСТ ISO 22915-3-2014 введен в действие в качестве национального стандарта Российской Федерации с 1 ноября 2015 г.
5 Настоящий стандарт идентичен международному стандарту ISO 22915-3:2008 Industrial trucks. - Verification of stability. - Part 3. Reach and straddle trucks (Автопогрузчики промышленные. Проверка устойчивости. Часть 3. Автопогрузчики)
Международный стандарт подготовлен Техническим комитетом по стандартизации ISO/ТС 110/SC 2 "Безопасность грузовых самоходных тележек" Международной организации по стандартизации (ISO) и утвержден Европейским комитетом по стандартизации CEN в качестве европейского стандарта без внесения изменений.
Перевод с английского языка (en).
Сведения о соответствии межгосударственных стандартов ссылочным международным стандартам приведены в дополнительном приложении ДА.
Степень соответствия - идентичная (IDT)
6 Подготовленный стандарт может быть использован при ежегодной актуализации перечня стандартов, содержащих правила и методы исследований (испытаний), а также стандартов, в результате применения которых на добровольной основе обеспечивается соблюдение требований технического регламента Таможенного союза "О безопасности машин и оборудования"
7 ВВЕДЕН ВПЕРВЫЕ
Информация об изменениях к настоящему стандарту публикуется в ежегодном информационном указателе "Национальные стандарты" (по состоянию на 1 января текущего года), а текст изменений и поправок - в ежемесячном информационном указателе "Национальные стандарты". В случае пересмотра (замены) или отмены настоящего стандарта соответствующее уведомление будет опубликовано в ежемесячном информационном указателе "Национальные стандарты". Соответствующая информация, уведомление и тексты размещаются также в информационной системе общего пользования - на официальном сайте Федерального агентства по техническому регулированию и метрологии в сети Интернет
1. Область применения
Настоящий стандарт определяет требования к испытаниям на устойчивость погрузчиков с выдвижными вилами (с выдвигающейся мачтой или телескопической стрелой) и автопогрузчиков для длинномерных грузов, оборудованных наклоняемой или не наклоняемой мачтой или вилами, грузоподъемностью до 5000 кг.
Настоящий стандарт также распространяется на погрузчики, работающие в тех же условиях, оборудованные дополнительным/навесным оборудованием.
2. Нормативные ссылки
В настоящем стандарте использованы нормативные ссылки на следующие международные стандарты. Для недатированных ссылок применяют последнее издание ссылочного документа (включая все его изменения).
ISO 5053 Powered industrial trucks - Terminology (Тележки грузовые самоходные. Терминология)
ISO 22915-1 Industrial trucks - Verification of stability - Part 1: General (Автопогрузчики промышленные. Проверка устойчивости. Часть 1. Общие положения)
3. Термины и определения
В настоящем стандарте используются термины и определения в соответствии с ISO 5053 и ISO 22915-1.
4. Условия испытаний
4.1. Общие требования
См. ISO 22915-1.
4.2. Расположение на опрокидывающей платформе
4.2.1 Несущая и ведущие оси
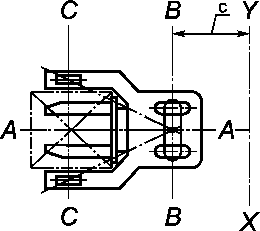
Несущие и ведущие оси показаны на рисунке 1.
A-A - средняя вертикальная плоскость погрузчика;
B-B - ведущая ось; C-C - несущая ось
Рисунок 1 - Несущая и ведущие оси
4.2.2 Испытания 1, 2, 6, 7 и 8
Погрузчик должен быть установлен на опрокидывающую платформу так, чтобы несущая ось C-C была параллельна оси опрокидывания X-Y опрокидывающей платформы. См. таблицу 1.
Таблица 1
Проверка устойчивости
Условия испытаний
Испытание 1
Испытание 2
Испытание 3
Испытание 4
Испытание 5
Испытание 6
Испытание 7
Испытание 8
Положение погрузчика
Продольное
x
x
x
x
x
Под углом
x
x
x
Положение рабочего органа
Нагрузка на ведущую ось
x
x
Нагрузка на ведомую ось
x
x
x
Режим работы
Транспортный
x
x
x
Складирование/Разгрузка
x
x
x
x
x
Грузовые испытания
С грузом
x
x
x
x
Без груза
x
x
x
x
Высота подъема
Максимальная
x
x
x
x
x
Транспортная
x
x
x
Положение рабочего органа
Выдвинут
x <a>
Собран
x
x
x
x
x
x
x
Положение мачты
Вертикально
x
Отклонена назад
x
Угол наклона опрокидывающей платформы
4%
18%
6%
8
(15 + 1,1v)% или 50% max.
14%
14%
(15 + 0,5i + 1,55v)%
(40 + 0,5i)% max.
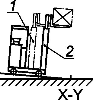
Положение погрузчика на опрокидывающей платформе
1 - Положение погрузчика на опрокидывающей платформе, предназначенных для погрузки/разгрузки длинномерных материалов, в том числе с раздвижным рабочим органом.
2 - Положение погрузчика на опрокидывающей платформе, предназначенных для погрузки/разгрузки стандартных материалов.
Продолжение таблицы 1
Условия испытаний
Испытания 1, 2, 6, 7 и 8
Положение погрузчика на опрокидывающей платформе
В соответствии с п. 4.2.2. - Испытания 1 и 2
В соответствии с п. 4.2.2. - Испытания 6, 7 и 8
1 - Шарнирно-сочлененное соединение управляемой и приводной оси (любое положение колеса разрешено для проведения испытаний).
2 - Жестко закрепленные, неподрессоренные ролики (любое положение колеса разрешено для проведения испытаний).
3 - Жестко закрепленные, неподрессоренные ролики повернутые по направлению продольной оси симметрии груза.
4 - Шарнирно-сочлененные соединения управляемой и приводной оси (в продольном направлении).
Окончание таблицы 1
Условия испытаний
Испытания 3, 4 и 5 (точки M и N)
Положение погрузчика на опрокидывающей платформе
В соответствии с п. 4.2.3 a)
В соответствии с п. 4.2.3 b) 1)
В соответствии с п. 4.2.3 b) 2)
В соответствии с п. 4.2.3 c)
В соответствии с п. 4.2.3 d)
В соответствии с п. 4.2.3 e)
В соответствии с п. 4.2.3 f)
В соответствии с п. 4.2.3 g)
1 - Неподрессоренный ролик.
2 - Упорный подрессоренный ролик.
3 - Жестко закрепленный, неподрессоренный ролик, направленный вдоль оси симметрии погрузчика.
4 - Подрессоренный ролик, направленный вдоль оси симметрии погрузчика.
v - максимальная транспортная скорость погрузчика без груза, км/ч
i - максимальная проектная величина преодолеваемого уклона погрузчиком без груза, %
ИС МЕГАНОРМ: примечание.
Сноски даны в соответствии с официальным текстом документа.
<a> - Только для доставочных тележек.
<b> - В случае оборудования погрузчика наклоняемой мачтой или вилами, он должен быть установлен в положение соответствующее наименьшей устойчивости.
<c> - Параллельно.
<d> - В любом положении.
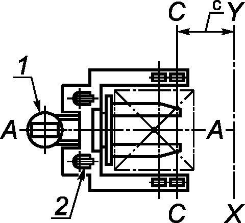
4.2.3 Испытания 3, 4 и 5
Погрузчик должен быть установлен на опрокидывающую платформу так, чтобы ось опрокидывания погрузчика M-N была параллельна оси опрокидывания X-Y опрокидывающей платформы. См. таблицу 1.
Точка M определяется следующим образом:
a) Для погрузчиков с одним ведущим колесом и жесткой рамой точка M определяется проекцией точки пересечения оси симметрии приводной/управляемой оси и оси симметрии ведущего колеса на поверхность опрокидывающей платформы.
b) Для погрузчиков с несочлененными, не подрессоренными поворачивающимися колесами/роликами точка M определяется следующим образом:
1) вертикальная проекция на опрокидывающую платформу точки пересечения оси поворачивающихся роликов, их оси симметрии и оси симметрии неповоротных роликов, находящихся параллельно оси опрокидывания X-Y;
2) вертикальная проекция на опрокидывающую платформу точки пересечения оси симметрии поворотного ролика/колеса с осью не подрессоренного ролика, установленного параллельно оси X-Y.
c) Для погрузчиков с сочлененными ведущими/управляющими колесами симметрично средней вертикальной плоскости погрузчика точка M определяется вертикальной проекцией на опрокидывающую платформу точки пересечения оси сочлененной пары колес и средней вертикальной плоскости погрузчика A-A.
d) Для погрузчиков с подрессоренными поворачивающимися роликами и одним не подрессоренным ведущим/управляющим роликом точка M определяется вертикальной проекцией на опрокидывающую платформу точки пересечения центра оси ведущего ролика B-B и осью, соединяющей центр пятна контакта ближайшего ролика к оси опрокидывания X-Y, с приводными роликами, установленными параллельно оси X-Y.
e) Для погрузчиков со сдвоенными ведущими/управляемыми поворачивающимися колесами/роликами точка M определяется проекцией на плоскость опрокидывающей платформы точки пересечения ведущей оси B-B и оси, проходящей через центр пятна контакта ближайшего к оси опрокидывания X-Y колеса/ролика при ведущих/управляемых колесах, установленных параллельно оси X-Y.
f) Для погрузчиков с несочлененными двойными ведущими/управляемыми колесами на поворотной платформе точка M определяется вертикальной проекцией на опрокидывающую платформу точки пересечения оси ведущих колес, оси симметрии ведущего колеса, находящегося ближе к оси опрокидывания X-Y, и оси, проходящей через центральную точку пятна контакта с поверхностью опрокидывающей платформы переднего колеса несущей оси погрузчика, находящегося ближе всех к оси опрокидывания X-Y.
h) Для погрузчиков с несочлененными, не подрессоренными поворачивающимися колесами/роликами точка M определяется вертикальной проекцией на опрокидывающую платформу точки пересечения оси поворачивающихся роликов, их оси симметрии и оси симметрии неповоротных роликов, находящихся параллельно оси опрокидывания X-Y.
g) Для погрузчиков с несочлененным, подрессоренным приводным (управляемым) колесом, расположенным в средней вертикальной плоскости A-A погрузчика, точка M определяется проекцией на плоскость опрокидывающей платформы точки пересечения оси ведущего колеса и оси, проходящей параллельно оси X-Y через центр пятна контакта несущего колеса/ролика, находящегося ближе всего к оси X-Y.
Точка N определяется как центральная точка пятна контакта с поверхностью опрокидывающей платформы переднего колеса несущей оси погрузчика, находящегося ближе всех к оси опрокидывания X-Y опрокидывающей платформы (см. таблицу 1).
4.3. Определение контрольной точки
Определение контрольной точки при проведении испытания 1 проводится по горизонтали, начиная с минимальной высоты подъема груза относительно точки E, и заканчивая максимальной высотой подъема груза, как показано на рисунке 2.
Рисунок 2 - Расположение контрольных точек
На вилы погрузчика устанавливается испытательный груз, мачта устанавливается в вертикальное положение и испытательный груз поднимается на высоту 300 мм.
С учетом изгиба передней поверхности вил устанавливают точку E, как показано в рисунке 2 a), 2 b) и центрируют груз на вилах в соответствии с центром тяжести погрузчика. Точка E используется для определения точки F на опрокидывающей платформе. При поднятой мачте, на опрокидывающей платформе может появиться новая точка F1, как показано в рисунке 2 c), 2 d). Положение этой новой точки может быть возвращено в положение точки F, как показано на рисунке 2 e), 2 f) с помощью изменения угла наклона мачты или вылета вил в пределах конструктивных характеристик погрузчика.
4.4. Высота подъема вил для испытаний, имитирующих движение
Для испытаний, имитирующих движение (испытания 2, 5 и 8), высота подъема измеряется от основания вил и должна быть 300 мм от поверхности опрокидывающей платформы.
5. Проверка устойчивости
Устойчивость погрузчиков проверяется в соответствии с таблицей 1.
Приложение ДА
(справочное)
СВЕДЕНИЯ О СООТВЕТСТВИИ МЕЖГОСУДАРСТВЕННЫХ СТАНДАРТОВ
ССЫЛОЧНЫМ МЕЖДУНАРОДНЫМ СТАНДАРТАМ
Таблица ДА.1
Обозначение и наименование ссылочного международного стандарта
Степень соответствия
Обозначение и наименование соответствующего межгосударственного стандарта
ISO 5053 Тележки грузовые самоходные. Терминология
-
<*>
ISO 22915-1 Автопогрузчики промышленные. Проверка устойчивости. Часть 1. Общие положения
IDT
ГОСТ ISO 22915-1-2014 Автопогрузчики промышленные. Проверка устойчивости. Часть 1. Общие положения
<*> Соответствующий межгосударственный стандарт отсутствует. До его утверждения рекомендуется использовать перевод на русский язык данного международного стандарта. Перевод данного международного стандарта находится в Федеральном информационном фонде технических регламентов и стандартов.
Примечание - В настоящей таблице использовано следующее условное обозначение степени соответствия стандартов:
- IDT - идентичные стандарты.