Главная // Актуальные документы // ГОСТ (Государственный стандарт)
СПРАВКА
Источник публикации
М.: Стандартинформ, 2016
Примечание к документу
Документ введен в действие с 1 марта 2017 года.
Название документа
"ГОСТ IEC 60906-2-2015. Межгосударственный стандарт. Система МЭК вилок и штепсельных розеток бытового и аналогичного назначения. Часть 2. Вилки и штепсельные розетки на переменные токи 15 А, напряжение 125 В и 20 А, напряжение 125 В"
(введен в действие Приказом Росстандарта от 28.06.2016 N 713-ст)

"ГОСТ IEC 60906-2-2015. Межгосударственный стандарт. Система МЭК вилок и штепсельных розеток бытового и аналогичного назначения. Часть 2. Вилки и штепсельные розетки на переменные токи 15 А, напряжение 125 В и 20 А, напряжение 125 В"
(введен в действие Приказом Росстандарта от 28.06.2016 N 713-ст)


Содержание


Введен в действие
Приказом Федерального
агентства по техническому
регулированию и метрологии
от 28 июня 2016 г. N 713-ст
МЕЖГОСУДАРСТВЕННЫЙ СТАНДАРТ
СИСТЕМА МЭК ВИЛОК И ШТЕПСЕЛЬНЫХ РОЗЕТОК
БЫТОВОГО И АНАЛОГИЧНОГО НАЗНАЧЕНИЯ
ЧАСТЬ 2
ВИЛКИ И ШТЕПСЕЛЬНЫЕ РОЗЕТКИ НА ПЕРЕМЕННЫЕ ТОКИ 15 А,
НАПРЯЖЕНИЕ 125 В И 20 А, НАПРЯЖЕНИЕ 125 В
IEC system of plugs and socket-outlets for household
and similar purposes. Part 2. Plugs and socket-outlets
15 A 125 V a.c. and 20 A 125 V а.с.
(IEC 60906-2:2011, IDT)
ГОСТ IEC 60906-2-2015
МКС 29.120.30
Дата введения
1 марта 2017 года
Предисловие
Цели, основные принципы и порядок проведения работ по межгосударственной стандартизации установлены ГОСТ 1.0-92 "Межгосударственная система стандартизации. Основные положения" и ГОСТ 1.2-2009 "Межгосударственная система стандартизации. Стандарты межгосударственные, правила и рекомендации по межгосударственной стандартизации. Правила разработки, принятия, применения, обновления и отмены"
Сведения о стандарте
1 ПОДГОТОВЛЕН Автономной некоммерческой организацией "Научно-технический центр "Энергия" (АНО "НТЦ "Энергия") на основе собственного аутентичного перевода на русский язык международного стандарта, указанного в пункте 5
2 ВНЕСЕН Федеральным агентством по техническому регулированию и метрологии
3 ПРИНЯТ Межгосударственным советом по стандартизации, метрологии и сертификации (протокол от 29 сентября 2015 г. N 80-П)
За принятие проголосовали:
Краткое наименование страны по МК (ИСО 3166) 004-97
Код страны по МК (ИСО 3166) 004-97
Сокращенное наименование национального органа по стандартизации
Армения
AM
Минэкономики Республики Армении
Беларусь
BY
Госстандарт Республики Беларусь
Казахстан
KZ
Госстандарт Республики Казахстан
Киргизия
KG
Кыргызстандарт
Молдова
MD
Молдова-Стандарт
Россия
RU
Росстандарт
Таджикистан
TJ
Таджикстандарт
Украина
UA
Минэкономразвития Украины
4 Приказом Федерального агентства по техническому регулированию и метрологии от 28 июня 2016 г. N 713-ст межгосударственный стандарт ГОСТ IEC 60906-2-2015 введен в действие в качестве национального стандарта Российской Федерации с 1 марта 2017 г.
5 Настоящий стандарт идентичен международному стандарту IEC 60906-2:2011 IEC system of plugs and socket-outlets for household and similar purposes - Part 2: Plugs and socket-outlets 15 A 125 V a.c. and 20 A 125 V a.c. (Вилки и штепсельные розетки по системе МЭК бытового и аналогичного назначения. Часть 2. Вилки и штепсельные розетки на переменные токи 15 А, напряжение 125 В и 20 А, напряжение 125 В).
Наименование настоящего стандарта изменено относительно наименования указанного международного стандарта в связи с особенностями построения межгосударственной системы стандартизации.
Перевод с английского языка (en).
Официальные экземпляры международного стандарта, на основе которого подготовлен настоящий межгосударственный стандарт, и международных стандартов, на которые даны ссылки, имеются в национальных органах по стандартизации.
Сведения о соответствии межгосударственных стандартов ссылочным международным стандартам приведены в дополнительном приложении ДА.
Степень соответствия - идентичная (IDT)
6 ВВЕДЕН ВПЕРВЫЕ
Информация об изменениях к настоящему стандарту публикуется в ежегодном информационном указателе "Национальные стандарты" (по состоянию на 1 января текущего года), а текст изменений и поправок - в ежемесячном информационном указателе "Национальные стандарты". В случае пересмотра (замены) или отмены настоящего стандарта соответствующее уведомление будет опубликовано в ежемесячном информационном указателе "Национальные стандарты". Соответствующая информация, уведомление и тексты размещаются также в информационной системе общего пользования - на официальном сайте Федерального агентства по техническому регулированию и метрологии в сети Интернет
Введение
Целью настоящего стандарта является формулирование требований к безопасности, габаритным размерам и практическому применению вилок и штепсельных розеток на напряжение 125 В переменного тока. Настоящий стандарт может быть принят в настоящее время или ближайшем будущем многими странами в качестве национального стандарта.
Рекомендуется, при введении в любой стране новой или замены действующей системы распределения на напряжения от 100 В до 130 В переменного тока, применять данный стандарт в качестве единственного национального стандарта.
1 Область применения
Настоящий стандарт распространяется на вилки и штепсельные розетки бытового и аналогичного назначения на переменный ток 15 А и 20 А напряжением 125 В для присоединения оборудования к системам распределения, номинальным напряжением от 100 до 130 В переменного тока, если указанные размеры применимы.
Штепсельные розетки в настоящем стандарте в зависимости от назначения классифицируются следующим образом:
a) штепсельные розетки, предназначенные для применения в цепях с единственной цепью заземления, в которых выходы гнезд расположены по кругу, а одно из гнезд в ряду обеспечивает соединение с заземлением токопроводящих частей оборудования и открытых частей штепсельной розетки, если имеются;
b) штепсельные розетки, предназначенные для применения в цепях, где цепь заземления подключенного оборудования должна быть устойчива к электромагнитным помехам. Выходы гнезд расположены по кругу, а одно из гнезд выделено из общего ряда гнезд и обеспечивает соединение заземления оборудования, и электрически разделена с защитной цепью заземления для открытых токопроводящих частей штепсельной розетки, если имеются.
Вилки и штепсельные розетки бытового и аналогичного назначения на переменный ток 16 А и напряжение 250 В должны соответствовать требованиям IEC 60906-1.
2 Нормативные ссылки
Для применения настоящего стандарта необходимы следующие ссылочные документы. Для датированных ссылок применяют только указанное издание ссылочного документа, для недатированных ссылок применяют последнее издание ссылочного документа (включая все его изменения).
IEC 60417 Graphical symbols for use on equipment (Графические символы, применяемые на оборудовании)
IEC 60884-1:2002 Plugs and socket-outlets for household and similar purposes - Part 1: General requirements. Amendment 1 (2006) [Вилки и штепсельные розетки бытового и аналогичного назначения. Часть 1. Общие требования. Изменение 1 (2006)]
ISO 1101 Geometrical Product Specification (GPS) - Geometrical tolerancing - Tolerances of form, orientation, location and run-out [Геометрические характеристики изделий (GPS). Установление геометрических допусков. Допуски на форму, ориентацию, расположение и биение]
3 Требования и испытания
Вилки и штепсельные розетки по системе МЭК, рассчитанные на 125 В, должны соответствовать стандартным листам настоящего стандарта. Кроме того, вилки и штепсельные розетки должны отвечать соответствующим требованиям IEC 60884-1.
4 Стандартные листы
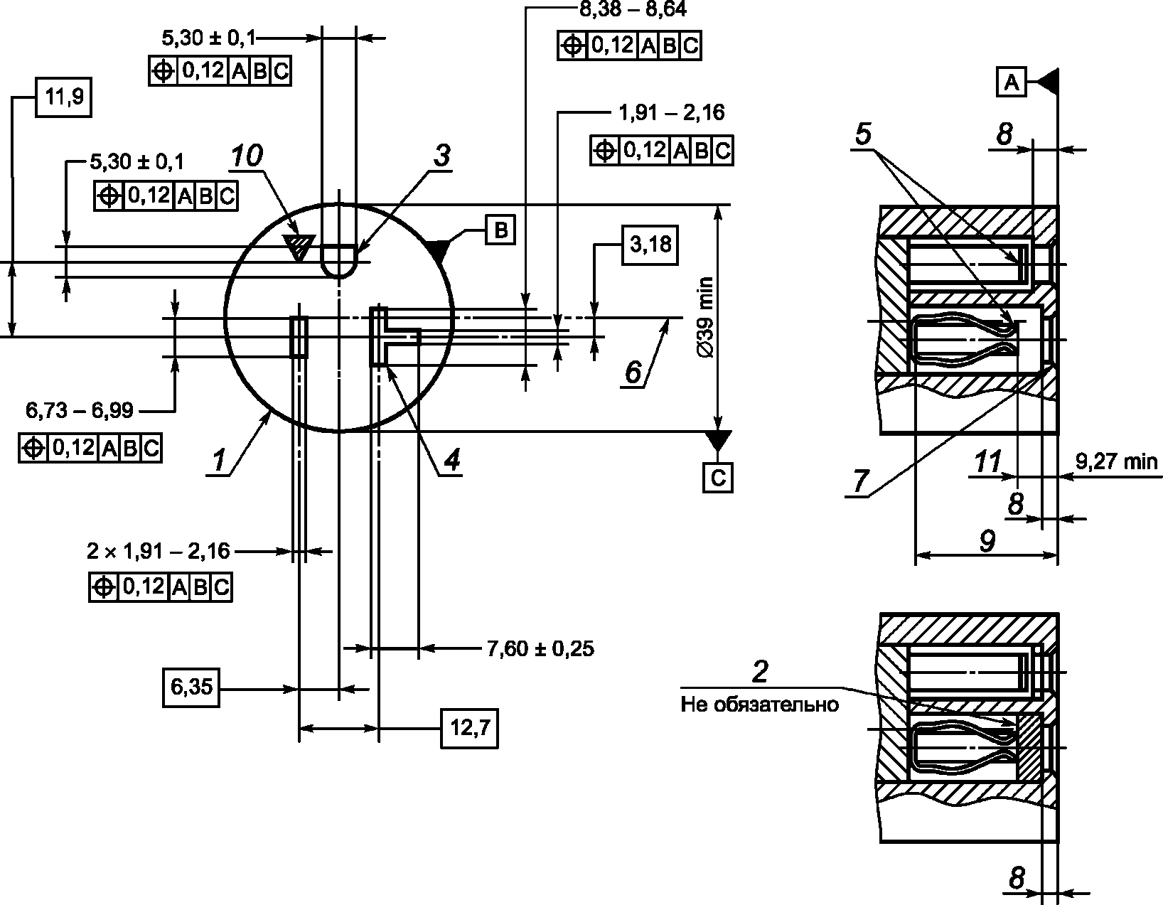
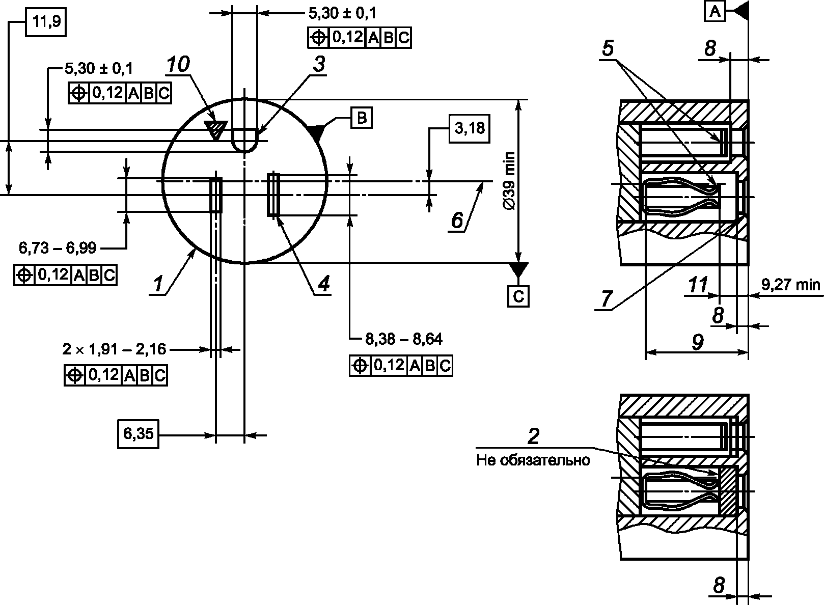
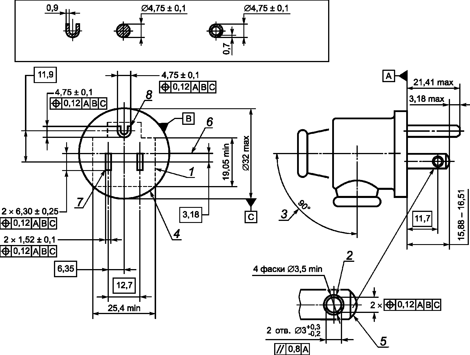
Стандартный лист 1
Двухполюсная штепсельная розетка с заземляющим гнездом
на переменный ток 15 А и напряжение 125 В
Пояснения к выносным номерам на рисунках приведены в "Условных обозначениях к стандартным листам 1, 1А, 5 и 5А".
Приведенные рисунки не отражают конструкцию, за исключением размеров.
Они могут быть использованы для различных исполнений, например многоместные штепсельные розетки.
Символы, указывающие допуск на форму или положение, - см. ISO 1101.
Стандартный лист 1А
Сдвоенная двухполюсная штепсельная розетка с заземляющим
гнездом на переменный ток 15 А и напряжение 125 В
Пояснения к выносным номерам на рисунках приведены в "Условных обозначениях к стандартным листам 1, 1А, 5 и 5А".
Приведенные рисунки не отражают конструкцию, за исключением размеров.
Размеры для двухместных розеток могут быть использованы для различных исполнений, например многоместные штепсельные розетки.
Условные обозначения к стандартным листам 1 и , 5 и
1 - в области поверхности зацепления в пределах указанных размеров, включая закрывающую пластину (при наличии) не должно быть выступа; 2 - шторки не обязательны. См. IEC 60884-1; 3 - вывод заземления обозначают символом 5019 по IEC 60417 (2006); 4 - маркировка других выводов не обязательна. Маркировка должна быть расположена вблизи выводов; 5 - точки первого соприкосновения с токопроводящими и заземляющим контактами розетки проверяют с помощью калибров по рисункам 1 и 2. Необходимо предусмотреть подходящую форму, например, скос или скругление, во избежание повреждения контакта розетки при вводе вилки под наиболее неблагоприятным углом; 6 - для устройств нецилиндрической формы должны быть разработаны особенности конфигураций и сориентированы от центральной линии теоретического круга, аналогично показанному; 7 - фаска или скругление; 8 - при данной толщине направляющая для штырей должна быть не менее 1,5 мм на указанный диаметр; 9 - минимально 18,5 мм для токопроводящих контактов и 22 мм для контакта заземления; 10 - на штепсельных розетках для цепей с цепью заземления подключаемого оборудования, устойчивой к электромагнитным помехам. Цепь заземления оборудования электрически разделена с защитной цепью заземления для открытых токопроводящих частей штепсельной розетки, если имеются. Такие штепсельные розетки идентифицируют треугольником, видимым после установки; 11 - углубление определяется по обеспечению защиты от электрического удара при неполном введении или извлечении вилки. Минимальный приведенный размер определяет точку первого соприкосновения. Углубление токопроводящих контактов проверяют калибрами по рисункам 3 и 4.
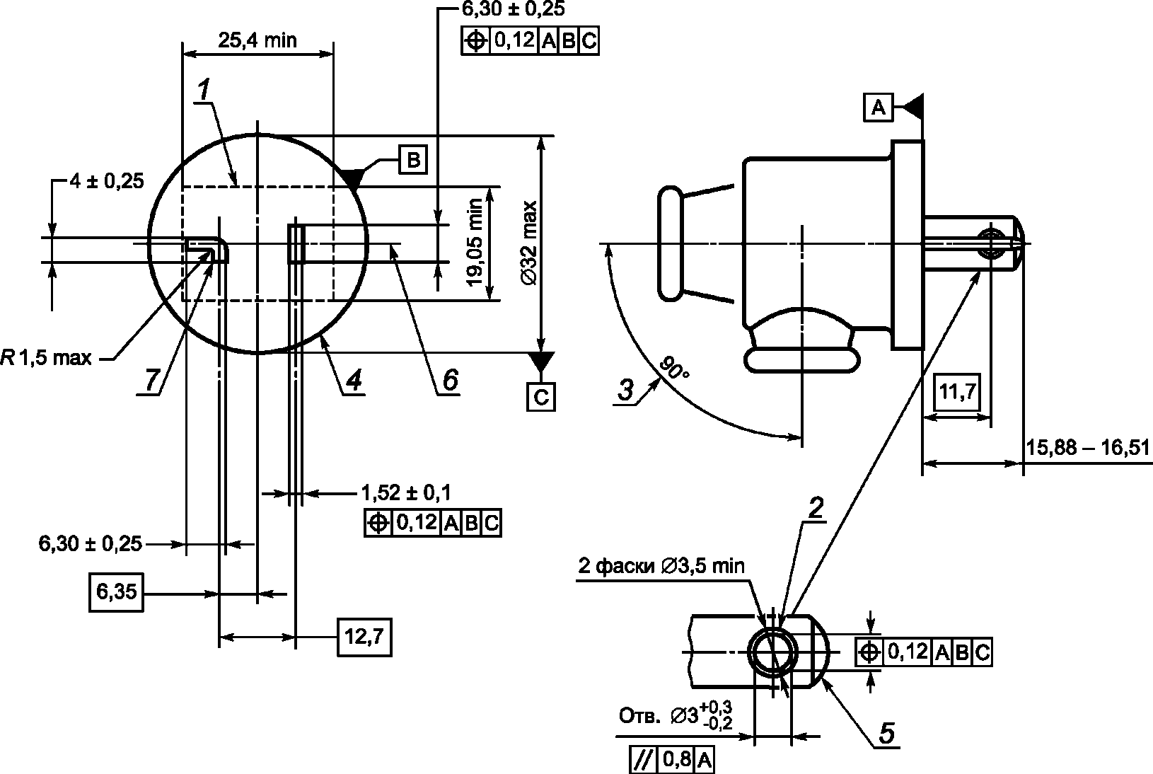
Стандартный лист 2
Двухполюсные вилки на 15 А 125 В переменного тока
(реверсивные)
Разрешены двухполюсные неполяризованные (обратимые) вилки, если не требуется поляризация при подсоединении цепи.
Пояснения к выносным номерам на рисунках приведены в "Условных обозначениях к стандартным листам 2, 3, 4, 6 и 7".
Приведенные рисунки не отражают конструкцию, за исключением размеров.
Символы, указывающие допуск на форму или положение, - см. ISO 1101.
Стандартный лист 3
Двухполюсные вилки на 15 А 125 В переменного тока
(не реверсивные)
Разрешены двухполюсные поляризованные (необратимые) вилки, если требуется поляризация при подсоединении цепи.
Пояснения к выносным номерам на рисунках приведены в "Условных обозначениях к стандартным листам 2, 3, 4, 6 и 7".
Приведенные рисунки не отражают конструкцию, за исключением размеров.
Символы, указывающие допуск на форму или положение, - см. ISO 1101.
Стандартный лист 4
Двухполюсные вилки на 15 А 125 В переменного тока
с заземляющим контактом
Пояснения к выносным номерам на рисунках приведены в "Условных обозначениях к стандартным листам 2, 3, 4, 6 и 7".
Приведенные рисунки не отражают конструкцию, за исключением размеров.
Символы, указывающие допуск на форму или положение, - см. ISO 1101.
Стандартный лист 5
Двухполюсная штепсельная розетка с заземляющим гнездом
на переменный ток 20 А и напряжение 125 В
Пояснения к выносным номерам на рисунках приведены в "Условных обозначениях к стандартным листам 1, 1А, 5 и 5А".
Приведенные рисунки не отражают конструкцию, за исключением размеров.
Размеры розеток могут быть использованы для различных исполнений, например многоместные штепсельные розетки.
Символы, указывающие допуск на форму или положение, - см. ISO 1101.
Стандартный лист 5А
Сдвоенная двухполюсная штепсельная розетка с заземляющим
гнездом на переменный ток 20 А и напряжение 125 В
Пояснения к выносным номерам на рисунках приведены в "Условных обозначениях к стандартным листам 1, 1А, 5 и 5А".
Приведенные рисунки не отражают конструкцию, за исключением размеров.
Размеры двухместных розеток могут быть использованы для различных исполнений, например многоместные штепсельные розетки.
Стандартный лист 6
Двухполюсные вилки на 20 А 125 В переменного тока
(не реверсивные)
Пояснения к выносным номерам на рисунках приведены в "Условных обозначениях к стандартным листам 2, 3, 4, 6 и 7".
Приведенные рисунки не отражают конструкцию, за исключением размеров.
Символы, указывающие допуск на форму или положение, - см. ISO 1101.
Стандартный лист 7
Двухполюсные вилки на 20 А 125 В переменного тока
с заземляющим контактом
Пояснения к выносным номерам на рисунках приведены в "Условных обозначениях к стандартным листам 2, 3, 4, 6 и 7".
Приведенные рисунки не отражают конструкцию, за исключением размеров.
Символы, указывающие допуск на форму или положение, - см. ISO 1101.
Условные обозначения к стандартным листам 2, 3, 4, 6 и 7
1 - минимальные размеры поверхности зацепления не должны превышать периметра; 2 - данное отверстие не обязательно. При его наличии расположение и размеры должны соответствовать приведенным; 3 - максимальной допустимой областью ориентации гибкого кабеля или шнура является угол 90°; 4 - периметр вилки не должен превышать приведенного максимального диаметра для гарантированного ввода в соответствующую двухместную штепсельную розетку на стандартном листе 1А или ; 5 - во избежание повреждения шторок концы штырей не должны иметь острых краев или заусенцев; 6 - для устройств нецилиндрической формы должны быть разработаны особенности конфигураций и сориентированы от центральной линии теоретического круга, аналогично показанному; 7 - маркировка других выводов не обязательна. Маркировка должна быть размещена вблизи выводов. Нет необходимости маркировать неразборные вилки; 8 - вывод заземления маркируют символом 5019 по IEC 60417 (2006).
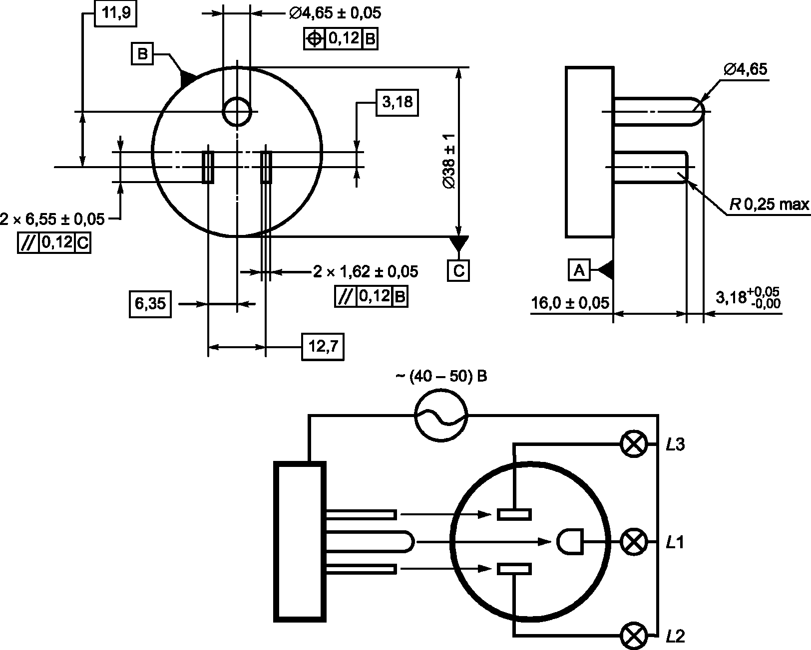
Рисунок 1 - Система вилок и штепсельных розеток на 15 А
и 125 В переменного тока. Калибр для проверки позиции 5
стандартных листов 1 и , 5 и
Калибр при полном введении в направлении перпендикулярно к поверхности штепсельной розетки должен вызвать свечение ламп L1, L2 и L3.
Введение калибра в устройство под разными углами ввода должно вызвать свечение сначала лампы L1, затем ламп L2 и L3.
Извлечение калибра должно вызвать погасание сначала ламп L2 и L3, а затем лампы L1.
Рисунок 2 - Система вилок и штепсельных розеток на 20 А
и 125 В переменного тока. Калибр для проверки позиции 5
стандартных листов 1 и , 5 и
Калибр при полном введении в направлении перпендикулярно к поверхности штепсельной розетки должен вызвать свечение ламп L1, L2 и L3.
Введение калибра в устройство под разными углами ввода должно вызвать свечение сначала лампы L1, затем ламп L2 и L3.
Извлечение калибра должно вызвать погасание сначала ламп L2 и L3, а затем лампы L1.
Рисунок 3 - Система вилок и штепсельных розеток на 15 А
и 125 В переменного тока. Калибр для проверки позиции 11
стандартных листов 1 и , 5 и
Калибр при полном введении в направлении перпендикулярно к поверхности штепсельной розетки не должен вызвать свечение лампы L1 или L2.
Рисунок 4 - Система вилок и штепсельных розеток на 20 А
и 125 В переменного тока. Калибр для проверки позиции 11
стандартных листов 5 и
Калибр при полном введении в направлении перпендикулярно к поверхности штепсельной розетки не должен вызвать свечение лампы L1 или L2.
Приложение ДА
(справочное)
СВЕДЕНИЯ О СООТВЕТСТВИИ МЕЖГОСУДАРСТВЕННЫХ СТАНДАРТОВ
ССЫЛОЧНЫМ МЕЖДУНАРОДНЫМ СТАНДАРТАМ
Таблица ДА.1
Обозначение и наименование международного стандарта
Степень соответствия
Обозначение и наименование межгосударственного стандарта
IEC 60417 Графические обозначения, применяемые на оборудовании
-
IEC 60884-1:2002, изменение 1 (2006) Вилки и штепсельные розетки бытового и аналогичного назначения. Часть 1. Общие требования
IDT
ГОСТ IEC 60884-1-2013 Соединители электрические штепсельные бытового и аналогичного назначения. Часть 1. Общие требования и методы испытаний
ISO 1101 Технические условия геометрических изделий. Геометрический допуск. Допуск на форму, направление, размещение и износ
-
<*> Соответствующий межгосударственный стандарт отсутствует. До его принятия рекомендуется использовать перевод на русский язык данного международного стандарта. Перевод данного международного стандарта находится в Федеральном информационном фонде технических регламентов и стандартов.
Примечание - В настоящей таблице использовано следующее условное обозначение степени соответствия стандартов:
- IDT - идентичный стандарт.
БИБЛИОГРАФИЯ
IEC 60038:2009
IEC standard voltages (Напряжения стандартные по МЭК)
IEC 60083:2009
Plugs and socket-outlets for domestic and similar general use standardized in member countries of IEC (Штепсели и розетки бытового и аналогичного общего назначения, стандартизованные в странах - членах IEC)
IEC 60906-1:2009
IEC system of plugs and socket-outlets for household and similar purposes - Part 1: Plugs and socket-outlets 16 A 250 V a.c. (Вилки и штепсельные розетки по системе IEC бытового и аналогичного назначения. Часть 1. Вилки и штепсельные розетки на 16 А 250 В переменного тока)