Главная // Актуальные документы // ГОСТ (Государственный стандарт)
СПРАВКА
Источник публикации
М.: Стандартинформ, 2016
Примечание к документу
Документ введен в действие с 1 марта 2017 года.
Название документа
"ГОСТ IEC 60906-1-2015. Межгосударственный стандарт. Система МЭК вилок и штепсельных розеток бытового и аналогичного назначения. Часть 1. Вилки и штепсельные розетки на 16 А, 250 В переменного тока"
(введен в действие Приказом Росстандарта от 28.06.2016 N 712-ст)

"ГОСТ IEC 60906-1-2015. Межгосударственный стандарт. Система МЭК вилок и штепсельных розеток бытового и аналогичного назначения. Часть 1. Вилки и штепсельные розетки на 16 А, 250 В переменного тока"
(введен в действие Приказом Росстандарта от 28.06.2016 N 712-ст)


Содержание


Введен в действие
Приказом Федерального
агентства по техническому
регулированию и метрологии
от 28 июня 2016 г. N 712-ст
МЕЖГОСУДАРСТВЕННЫЙ СТАНДАРТ
СИСТЕМА МЭК ВИЛОК И ШТЕПСЕЛЬНЫХ РОЗЕТОК
БЫТОВОГО И АНАЛОГИЧНОГО НАЗНАЧЕНИЯ
ЧАСТЬ 1
ВИЛКИ И ШТЕПСЕЛЬНЫЕ РОЗЕТКИ НА 16 А, 250 В
ПЕРЕМЕННОГО ТОКА
IEC system of plugs and socket-outlets for household
and similar purposes. Part 1. Plugs and socket-outlets
16 A 250 V a. c.
(IEC 60906-1:2009, IDT)
ГОСТ IEC 60906-1-2015
МКС 29.120
Дата введения
1 марта 2017 года
Предисловие
Цели, основные принципы и порядок проведения работ по межгосударственной стандартизации установлены ГОСТ 1.0-2015 "Межгосударственная система стандартизации. Основные положения" и ГОСТ 1.2-2015 "Межгосударственная система стандартизации. Стандарты межгосударственные, правила и рекомендации по межгосударственной стандартизации. Правила разработки, принятия, обновления и отмены"
Сведения о стандарте
1 ПОДГОТОВЛЕН Автономной некоммерческой организацией "Научно-технический центр "Энергия" (АНО "НТЦ "Энергия") на основе собственного аутентичного перевода на русский язык международного стандарта, указанного в пункте 5
2 ВНЕСЕН Федеральным агентством по техническому регулированию и метрологии
3 ПРИНЯТ Межгосударственным советом по стандартизации, метрологии и сертификации (протокол от 29 сентября 2015 г. N 80-П)
За принятие проголосовали:
Краткое наименование страны по МК (ИСО 3166) 004-97
Код страны по МК (ИСО 3166) 004-97
Сокращенное наименование национального органа по стандартизации
Армения
AM
Минэкономики Республики Армения
Беларусь
BY
Госстандарт Республики Беларусь
Казахстан
KZ
Госстандарт Республики Казахстан
Киргизия
KG
Кыргызстандарт
Молдова
MD
Молдова-Стандарт
Россия
RU
Росстандарт
Таджикистан
TJ
Таджикстандарт
Украина
UA
Минэкономразвития Украины
4 Приказом Федерального агентства по техническому регулированию и метрологии от 28 июня 2016 г. N 712-ст межгосударственный стандарт ГОСТ IEC 60906-1-2015 введен в действие в качестве национального стандарта Российской Федерации с 1 марта 2017 г.
5 Настоящий стандарт идентичен международному стандарту IEC 60906-1:2009 IEC system of plugs and socket-outlets for household and similar purposes - Part 1: Plugs and socket-outlets 16 A 250 V a. c. (Вилки и штепсельные розетки по системе МЭК бытового и аналогичного назначения. Часть 1. Вилки и штепсельные розетки на 16 А, 250 В переменного тока).
Официальные экземпляры международного стандарта, на основе которого подготовлен настоящий межгосударственный стандарт, и международных стандартов, на которые даны ссылки, имеются в национальных органах по стандартизации.
Сведения о соответствии межгосударственных стандартов ссылочным международным стандартам приведены в дополнительном приложении ДА.
6 ВВЕДЕН ВПЕРВЫЕ
Информация об изменениях к настоящему стандарту публикуется в ежегодном информационном указателе "Национальные стандарты" (по состоянию на 1 января текущего года), а текст изменений и поправок - в ежемесячном информационном указателе "Национальные стандарты". В случае пересмотра (замены) или отмены настоящего стандарта соответствующее уведомление будет опубликовано в ежемесячном информационном указателе "Национальные стандарты". Соответствующая информация, уведомление и тексты размещаются также в информационной системе общего пользования - на официальном сайте Федерального агентства по техническому регулированию и метрологии в сети Интернет (www.gost.ru)
Введение
Целью настоящего стандарта является формулирование требований к безопасности, габаритным размерам и практическому применению вилок и штепсельных розеток на 16 А, 250 В переменного тока и создание системы стандартов на вилки и штепсельные розетки, которые могли бы быть приняты в ближайшем будущем многими странами в качестве национальных стандартов. Стандарт рекомендуется для применения в качестве нового или заменяющего национальный стандарт в странах, заинтересованных в этом.
Многоместная штепсельная розетка должна иметь такую конструкцию, чтобы вставленные вилки, согласно стандартным листам настоящего стандарта, не препятствовали правильному вводу и извлечению соседних вилок.
1 Область применения
Настоящий стандарт распространяется на вилки и штепсельные розетки по системе МЭК бытового и аналогичного назначения, рассчитанные на 16 А, 250 В переменного тока для подключения к распределительным системам с номинальными напряжениями от 200 до 250 В переменного тока при соблюдении требований к габаритным размерам.
Настоящий стандарт не распространяется на вилки и штепсельные розетки на 15 А, 125 В переменного тока бытового и аналогичного назначения для подключения к распределительным системам с номинальными напряжениями от 100 до 125 В переменного тока.
Примечание - В Испании и Великобритании запрещено применение в быту вилок и штепсельных розеток согласно настоящему стандарту.
2 Нормативные ссылки
Для применения настоящего стандарта необходимы следующие ссылочные документы. Для датированных ссылок применяют только указанное издание ссылочного документа, для недатированных ссылок применяют последнее издание ссылочного документа (включая все его изменения).
IEC 60417 Graphical symbols for use on equipment (Графические символы, применяемые на оборудовании)
IEC 60884-1:2002 Plugs and socket-outlets for household and similar purposes - Part 1: General requirements. Amendment 1 (2006) [Вилки и штепсельные розетки бытового и аналогичного назначения. Часть 1. Общие требования. Изменение 1 (2006)]
ISO 1101 Geometrical Product Specification (GPS) - Geometrical tolerancing - Tolerances of form, orientation, location and run-out [Геометрические характеристики изделий (GPS). Установление геометрических допусков. Допуски на форму, ориентацию, расположение и биение]
3 Требования и испытания
Вилки и штепсельные розетки по системе МЭК, рассчитанные на 250 В, должны соответствовать стандартным листам настоящего стандарта.
Кроме того, вилки и штепсельные розетки должны отвечать соответствующим требованиям IEC 60884-1 и при необходимости - соответствующим частям IEC 60884-2. Калибры для проверки соответствия требованиям IEC 60884-1 приведены на рисунках 1, 5A, 5B и 6 настоящего стандарта.
Примечание 1 - Системой МЭК на 250 В не предусмотрено применение иных вилок и штепсельных розеток, кроме указанных в стандартных листах.
Примечание 2 - Применения в какой-либо стране конструкции вилок (штепсельных розеток), альтернативной системе МЭК на 250 В, если такая альтернатива допускается, следует избегать, т.к. это может создать угрозу безопасности.
4 Стандартные листы
Стандартный лист 1-1
Двухполюсная штепсельная розетка с контактом заземления
на 16 А, 250 В переменного тока
В соответствии с IEC 60884-1
На рисунках приведены различные варианты установки штепсельных розеток: утопленного, полуутопленного и наружного исполнения.
При необходимости применения поляризованной системы нейтральный вывод маркируют знаком "N" на нижнем выводе, а контакт заземления размещают слева.
Приведенные рисунки не отражают конструкцию, за исключением размеров.
Они могут быть использованы для различных исполнений, например многоместных штепсельных розеток.
Символы, указывающие допуск на форму или положение, - по ISO 1101.
Обозначения на стандартном листе 1-1:
1 - наличие выемки или буртика или сочетание того и другого;
2 - данный размер предусмотрен для закрывающей пластины, направляющей штырей и механизма шторок.
Наличие шторок обязательно;
3 - при данной толщине направляющая для штырей должна быть не менее 1,5 мм на указанный диаметр;
4 - фаска или скругление;
5 - точность расстояния между поверхностью зацепления и точкой первого соприкосновения с токопроводящими контактами розетки проверяют с помощью калибров по рисунку 2;
6 - калибры, приведенные на рисунке 3, предназначены для проверки того, что:
- при вводе вилки соединение заземляющего штыря с гнездовым контактом заземления устанавливается до того, как токоведущие штыри вилки окажутся под напряжением;
- при извлечении вилки токоведущие штыри разъединятся с гнездовыми контактами до разрыва соединения с заземлением;
7 - гнездовые контакты должны обладать достаточной гибкостью.
Гибкость и контактное давление гнездового контакта проверяют калибрами по рисунку 4.
Примечание - Чтобы исключить повреждение гнездовых контактов при введении вилки под самым неблагоприятным углом, необходимо предусмотреть удобную форму ввода, например скос или скругление;
8 - вывод заземления обозначают символом 5019 по IEC 60417 (2006). Маркировку размещают вблизи выводов. Выводы неразборных вилок не маркируют.
Стандартный лист 2-1
Двухполюсная вилка с контактом заземления на 16 А,
250 В переменного тока
X - размеры не обозначены.
Приведенные рисунки не отражают конструкцию, за исключением размеров.
Символы, указывающие допуск на форму или положение, - по ISO 1101.
Стандартный лист 2-2
Двухполюсная вилка класса II на 16 А, 250 В переменного тока
X - размеры не обозначены.
Приведенные рисунки не отражают конструкцию, за исключением размеров.
Символы, указывающие допуск на форму или положение, - по ISO 1101.
Обозначения на стандартных листах 2-1 и 2-2:
1 - вывод заземления обозначают символом 5019 по IEC 60417 (2006). Маркировку размещают внутри корпуса вблизи выводов. Выводы неразборных вилок не маркируют;
2 - расстояние между зацепляющей поверхностью и шнуром или защитой шнура, при ее наличии, должно быть не менее 13,5 мм;
3 - в пределах данного расстояния габариты не должны быть менее зацепляющей поверхности;
4 - в пределах данного расстояния габариты не должны превышать зацепляющую поверхность;
5 - изолирующие втулки на токоведущих штырях обязательны. Если изолирующие втулки являются отдельными частями, они должны находить на штырь не менее чем на 3 мм от зацепляющей поверхности.
Примечание - В Бразилии данное требование является добровольным;
6 - внешний диаметр изолирующих втулок должен быть углублен во внешний диаметр токопроводящей зоны штырей;
7 - чтобы избежать повреждения шторок, концы штырей не должны иметь острых краев или заусенцев в передней части штыря и в области между контактной и изолирующей частями.
Они должны быть скругленной формы, как показано, с допустимым плоским концом диаметром не более 2 мм (см. вид B);
8 - угол 90° является максимальным допустимым углом для ориентации ввода гибкого кабеля или шнура.
Примечание - В Великобритании применение вилок, соответствующих стандартному листу 2-2, запрещено, поскольку их совмещение со штепсельной розеткой, отвечающей требованиям BS 1363-2 и BS 546, не отвечает требованиям безопасности.
Стандартный лист 3-1
Двухполюсная переносная штепсельная розетка с контактом
заземления на 16 А, 250 В переменного тока
Неуказанные размеры см. в стандартном листе 1-1.
Приведенные рисунки не отражают конструкцию, за исключением размеров.
Они могут быть использованы для различных исполнений, например для многоместных штепсельных розеток.
Символы, указывающие допуск на форму или положение, - по ISO 1101.
Стандартный лист 3-2
Двухполюсная переносная штепсельная розетка без контакта
заземления на 16 А, 250 В переменного тока
Приведенные рисунки не отражают конструкцию, за исключением размеров.
Они могут быть использованы для различных исполнений, например для многоместных штепсельных розеток.
Символы, указывающие допуск на форму или положение, - по ISO 1101.
Обозначения на стандартных листах 3-1 и 3-2
Данные стандартные листы также охватывают приборные штепсельные розетки.
1 - наличие выемки или буртика или сочетание того и другого;
2 - не применяют;
3 - данный размер предусмотрен для закрывающей пластины, направляющей штырей и механизма шторок.
Наличие шторок обязательно;
4 - при данной толщине направляющая для штырей должна быть не менее 1,5 мм на указанный диаметр;
5 - фаска или скругление;
6 - точность расстояния между поверхностью зацепления и точкой первого соприкосновения с токопроводящими контактами розетки проверяют с помощью калибров по рисунку 2;
7 - гнездовые контакты должны обладать достаточной гибкостью.
Гибкость и контактное давление гнездового контакта проверяют калибрами по рисунку 4.
8 - Вывод заземления. Маркировку размещают вблизи выводов. Выводы неразборных вилок не маркируют.
Примечание 1 - Чтобы исключить повреждение гнездовых контактов при введении вилки под самым неблагоприятным углом, необходимо предусмотреть удобную форму ввода, например скос или скругление.
Примечание 2 - В Великобритании запрещено применение переносных штепсельных розеток без контакта заземления.
Рисунок 1 - Система вилок и штепсельных розеток на 16 А,
250 В переменного тока. Калибр для проверки невозможности
однополюсного включения по позициям 1 и 2
стандартных листов 1-1, 3-1 и 3-2
(IEC 60884-1, подраздел 10.3)
Испытание проводят с поверхностью зацепления штепсельной розетки в горизонтальном положении и с открытыми створками. Калибр прикладывают в любом возможном положении под его собственной тяжестью. Прикосновения к гнездовым контактам только одним штырем калибра не допускаются; для проверки используют электрический индикатор контакта напряжением не менее 40 В и не более 50 В. Общая масса калибра должна составлять (200 +/- 5) г, он должен быть изготовлен из твердого коррозионно-стойкого металла, обладающего достаточной жесткостью (например нержавеющая сталь).
Примечание - Относится к штепсельным розеткам с корпусом или основанием из резины или поливинилхлорида, см. IEC 60884-1 (подраздел 10.3).
Рисунок 2 - Система вилок и штепсельных розеток на 16 А,
250 В переменного тока. Калибр для проверки расстояний
по позициям 2 и 5 стандартных листов 1-1, 3-1 и 3-2
При испытании калибром створки держат открытыми.
Металлические части калибров A, B и C изготовляют из твердого коррозионно-стойкого металла (например, нержавеющая сталь).
Для проверки используют электрический индикатор контакта с напряжением не менее 40 В и не более 50 В.
Калибр A вводят во всех возможных положениях во входные отверстия механизма контактных гнезд до полного соприкосновения плоскости X-X с зацепляющей поверхностью.
При этом индикатор не должен светиться.
Затем полностью вводят штыри калибров B и C. При этом:
- индикатор для калибра B должен светиться;
- индикатор для калибра C не должен светиться.
Рисунок 3 - Система вилок и штепсельных розеток на 16 А,
250 В переменного тока. Калибр для проверки позиции 6
стандартных листов 1-1 и 3-1
Напряжение источника питания должно быть не менее 40 В и не более 50 В.
Калибр при вводе в штепсельную розетку под любым возможным углом без чрезмерного усилия должен вызвать загорание лампы L2 раньше ламп L1 и L3.
При извлечении калибра погасание ламп L1 и L3 должно происходить раньше лампы L2.
Калибр должен быть изготовлен из твердого коррозионно-стойкого металла (например, нержавеющая сталь).
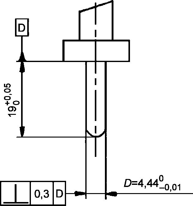
Рисунок 4 - Система вилок и штепсельных розеток на 16 А,
250 В переменного тока. Калибр для проверки позиции 7
стандартных листов 1-1, 3-1 и 3-2
Исполнение калибра
A, мм
Масса, г
C1
4,44+0,05
200 +/- 5
C2
4,56-0,05
400 +/- 5
При испытаниях створки должны быть открыты.
Перед применением калибр следует обезжирить.
Калибр C2 вводят в контактные гнезда с усилием 50 Н перпендикулярно к зацепляющей поверхности штепсельной розетки, после чего калибр не должен выпасть из контактных гнезд под собственной тяжестью, при этом штепсельную розетку размещают в наиболее неблагоприятном положении.
Затем калибр C1 вводят в контактные гнезда, после чего калибр не должен выпасть из контактных гнезд под собственной тяжестью, при этом штепсельную розетку размещают в наиболее неблагоприятном положении.
Рисунок 5A - Система вилок и штепсельных розеток на 16 А,
250 В переменного тока. Калибр для проверки максимального
извлекающего усилия (IEC 60884-1, раздел 22)
Калибр должен быть изготовлен из твердого коррозионно-стойкого металла (например, нержавеющая сталь).
Рисунок 5B - Система вилок и штепсельных розеток на 16 А,
250 В переменного тока. Калибр для проверки максимального
извлекающего усилия (IEC 60884-1, раздел 22)
Калибр должен быть изготовлен из твердого коррозионно-стойкого металла (например, нержавеющая сталь).
Рисунок 6 - Система вилок и штепсельных розеток на 16 А,
250 В переменного тока. Калибр для проверки минимального
извлекающего усилия (IEC 60884-1, подраздел 22.2)
Калибр должен быть изготовлен из твердого коррозионно-стойкого металла (например, нержавеющая сталь).
Примечание - В Южной Африке испытание на минимальное извлекающее усилие проводят с калибрами, штыри которых имеют размеры, приведенные ниже, согласно IEC 60884-1 (подраздел 22.2). Это позволяет избежать опасной совместимости с вилками класса II по EN 50075.
D1 = 3,94-0,01, вес = 1,5 Н.
D2 = 4,44-0,01, вес = 2,0 Н.
Приложение ДА
(справочное)
СВЕДЕНИЯ О СООТВЕТСТВИИ МЕЖГОСУДАРСТВЕННЫХ СТАНДАРТОВ
ССЫЛОЧНЫМ МЕЖДУНАРОДНЫМ СТАНДАРТАМ
Таблица ДА.1
Обозначение международного стандарта
Степень соответствия
Обозначение и наименование межгосударственного стандарта
IEC 60417
-
IEC 60884-1:2002
IDT
ГОСТ IEC 60884-1-2013 "Соединители электрические штепсельные бытового и аналогичного назначения. Часть 1. Общие требования и методы испытаний"
ISO 1101
-
<*> Соответствующий межгосударственный стандарт отсутствует. До его принятия рекомендуется использовать перевод на русский язык данного международного стандарта. Перевод данного международного стандарта находится в Федеральном информационном фонде технических регламентов и стандартов.
Примечание - В настоящей таблице использовано следующее условное обозначение степени соответствия стандартов:
- IDT - идентичный стандарт.