Главная // Актуальные документы // ГОСТ (Государственный стандарт)
СПРАВКА
Источник публикации
М.: Стандартинформ, 2015
Примечание к документу
Документ включен в Перечень международных и региональных (межгосударственных) стандартов (п. п. 398, 495), а в случае их отсутствия - национальных (государственных) стандартов, в результате применения которых на добровольной основе обеспечивается соблюдение требований технического регламента Таможенного союза "О безопасности машин и оборудования" (ТР ТС 010/2011) и в Перечень международных и региональных (межгосударственных) стандартов, а в случае их отсутствия - национальных (государственных) стандартов, содержащих правила и методы исследований (испытаний) и измерений, в том числе правила отбора образцов, необходимые для применения и исполнения требований технического регламента Таможенного союза "О безопасности машин и оборудования" (ТР ТС 010/2011) и осуществления оценки соответствия объектов технического регулирования (Решение Коллегии Евразийской экономической комиссии от 09.03.2021 N 28).

Текст данного документа приведен с учетом поправки, опубликованной в "ИУС", N 12, 2017; поправки, опубликованной в "ИУС", N 1, 2023.

Документ введен в действие с 01.01.2016.
Название документа
"ГОСТ 33168-2014. Межгосударственный стандарт. Краны грузоподъемные. Оборудование для подъема людей. Требования безопасности"
(введен в действие Приказом Росстандарта от 24.06.2015 N 803-ст)

"ГОСТ 33168-2014. Межгосударственный стандарт. Краны грузоподъемные. Оборудование для подъема людей. Требования безопасности"
(введен в действие Приказом Росстандарта от 24.06.2015 N 803-ст)


Содержание


Введен в действие
Приказом Федерального
агентства по техническому
регулированию и метрологии
от 24 июня 2015 г. N 803-ст
МЕЖГОСУДАРСТВЕННЫЙ СТАНДАРТ
КРАНЫ ГРУЗОПОДЪЕМНЫЕ
ОБОРУДОВАНИЕ ДЛЯ ПОДЪЕМА ЛЮДЕЙ
ТРЕБОВАНИЯ БЕЗОПАСНОСТИ
Cranes. Equipment for the lifting of persons.
Safety reguirements
(EN 14502-1:2010, NEQ)
(EN 14502-2:2009, NEQ)
ГОСТ 33168-2014
МКС 53.020.20
Дата введения
1 января 2016 года
Предисловие
Цели, основные принципы и основной порядок проведения работ по межгосударственной стандартизации установлены в ГОСТ 1.0-92 "Межгосударственная система стандартизации. Основные положения" и ГОСТ 1.2-2009 "Межгосударственная система стандартизации. Стандарты межгосударственные, правила и рекомендации по межгосударственной стандартизации. Правила разработки, принятия, применения, обновления и отмены"
Сведения о стандарте
1 РАЗРАБОТАН Закрытым акционерным обществом "РАТТЕ" (ЗАО "РАТТЕ")
2 ВНЕСЕН Федеральным агентством по техническому регулированию и метрологии (Росстандарт)
3 ПРИНЯТ Межгосударственным советом по стандартизации, метрологии и сертификации (протокол от 5 декабря 2014 г. N 46)
За принятие проголосовали:
Краткое наименование страны по МК (ИСО 3166) 004-97
Код страны по МК (ИСО 3166) 004-97
Сокращенное наименование национального органа по стандартизации
Армения
AM
Минэкономики Республики Армения
Казахстан
KZ
Госстандарт Республики Казахстан
Киргизия
KG
Кыргызстандарт
Россия
RU
Росстандарт
Таджикистан
TJ
Таджикстандарт
Туркмения
TM
Главгосслужба "Туркменстандартлары"
Узбекистан
UZ
Узстандарт
4 Приказом Федерального агентства по техническому регулированию и метрологии от 24 июня 2015 г. N 803-ст межгосударственный стандарт ГОСТ 33168-2014 введен в действие в качестве национального стандарта Российской Федерации с 1 января 2016 г.
5 Настоящий стандарт разработан с учетом основных нормативных положений европейских стандартов EN 14502-1:2010 Cranes - Equipment for the lifting of persons Part 1: Suspended baskets (Краны. Оборудование для подъема людей. Часть 1. Подвесные кабины (люльки)) и EN 14502-2:2009 Cranes - Equipment for the lifting of persons - Part 2: Elevating control stations (Краны. Оборудование для подъема людей. Часть 2. Подъемные посты управления).
Степень соответствия - неэквивалентная (NEQ)
6 ВВЕДЕН ВПЕРВЫЕ
Информация об изменениях к настоящему стандарту публикуется в ежегодном информационном указателе "Национальные стандарты" (по состоянию на 1 января текущего года), а текст изменений и поправок - в ежемесячном информационном указателе "Национальные стандарты". В случае пересмотра (замены) или отмены настоящего стандарта соответствующее уведомление будет опубликовано в ежемесячном информационном указателе "Национальные стандарты". Соответствующая информация, уведомление и тексты размещаются также в информационной системе общего пользования - на официальном сайте Федерального агентства по техническому регулированию и метрологии в сети Интернет
Введение
Настоящий стандарт устанавливает общие требования к оборудованию для подъема и транспортировки людей при помощи грузоподъемных кранов. Стандарт разработан с учетом основных нормативных положений европейских стандартов EN 14502-1:2010 Cranes - Equipment for the lifting of persons Part 1: Suspended baskets (Краны. Оборудование для подъема людей. Часть 1. Подвесные кабины (люльки)) и EN 14502-2:2009 Cranes - Equipment for the lifting of persons - Part 2: Elevating control stations (Краны. Оборудование для подъема людей. Часть 2. Подъемные посты управления). Применение положений данного стандарта на добровольной основе может быть использовано при подтверждении и оценке соответствия данного оборудования требованиям Технического регламента Таможенного союза "О безопасности машин и оборудования" (ТР ТС 010/2011).
1. Область применения
Настоящий стандарт устанавливает общие требования к оборудованию для подъема и транспортировки людей при помощи грузоподъемных кранов.
В данном стандарте рассматриваются возможные риски при использовании подвесных кабин (люлек), а также способы предотвращения аварийных ситуаций при условии использования кабин (люлек) по назначению и в соответствии с условиями, предусмотренными изготовителем кабин (люлек).
Настоящий стандарт не распространяется на подвесные кабины (люльки), изготовленные до введения настоящего стандарта.
Настоящий стандарт применим ко всем новым кабинам (люлькам), изготовленным после истечения одного года после его утверждения. Стандарт не имеет целью требовать замены или модернизации существующего оборудования. Однако при модернизации оборудования требования к его свойствам должны быть пересмотрены в соответствии с данным стандартом. Если выполнение требований стандарта при модернизации вызывает существенные изменения конструкции, то возможность и необходимость приведения оборудования в соответствие с требованиями данного стандарта должна определяться изготовителем (проектировщиком), а при его отсутствии - организацией, выполняющей его функции, а последующие изменения должны быть выполнены владельцем (пользователем) в течение одного года.
2. Нормативные ссылки
В настоящем стандарте использованы нормативные ссылки на следующие стандарты:
ГОСТ 12.2.058-81 Краны грузоподъемные. Требования к цветовому обозначению частей крана, опасных при эксплуатации
ГОСТ 12.2.071-90 Система стандартов безопасности труда. Краны грузоподъемные. Краны контейнерные. Требования безопасности
ГОСТ 15150-69 Машины, приборы и другие технические изделия Исполнения для различных климатических районов. Категории, условия эксплуатации, хранения и транспортирования в части воздействия климатических факторов внешней среды
ГОСТ 27555-87 (ИСО 4306-5-85) Краны грузоподъемные. Термины и определения
ГОСТ 33169-2014 Краны грузоподъемные. Металлические конструкции. Подтверждение несущей способности
ГОСТ ISO 12100-2013 Безопасность машин. Основные принципы конструирования. Оценки риска и снижения риска
Примечание - При пользовании настоящим стандартом целесообразно проверить действие ссылочных стандартов в информационной системе общего пользования - на официальном сайте Федерального агентства по техническому регулированию и метрологии в сети Интернет или по ежегодному информационному указателю "Национальные стандарты", который опубликован по состоянию на 1 января текущего года, и по выпускам ежемесячного информационного указателя "Национальные стандарты" за текущий год. Если ссылочный стандарт заменен (изменен), то при пользовании настоящим стандартом следует руководствоваться заменяющим (измененным) стандартом. Если ссылочный стандарт отменен без замены, то положение, в котором дана ссылка на него, применяется в части, не затрагивающей эту ссылку.
3. Термины и определения
В настоящем стандарте применены термины по ГОСТ 27555, ГОСТ ISO 12100, [1] - [3], а также следующие термины с соответствующими определениями:
3.1 подвесная кабина (люлька): Устройство для подъема людей при помощи крана, подвешиваемое на грузозахватный орган.
3.2 номинальная грузоподъемность: Груз максимальный массой, включающей массу людей и массу дополнительного оборудования, для которого спроектирована кабина (люлька).
3.3 максимальная скорость: Максимальная скорость подъема или опускания кабины (люльки) при загрузке, соответствующей номинальной.
4. Общие положения
4.1.1 Описываемые в стандарте устройства должны применяться таким образом, чтобы гарантировать безопасную работу крана с учетом его типа.
4.1.2 Климатическое исполнение проектируемых подвесных кабин (люлек) (далее - "кабины (люльки)") должно соответствовать ГОСТ 15150.
4.1.3 Кабины (люльки) должны подвешиваться к крану на гибких канатных или цепных стропах или с использованием контейнерного захвата (спредера).
Примечание - Примеры подвесных кабин (люлек) с гибкими стропами показаны на рисунках 1 - 3.
Рисунок 1 - Кабина (люлька) длиной не более 2 м
Рисунок 2 - Кабина (люлька) длиной более 2 м
Рисунок 3 - Кабина (люлька) с одним стропом
5. Требования безопасности
5.1 Общие требования
5.1.1 Кабины (люльки) должны быть изготовлены из огнестойких материалов.
5.1.2 Кабины (люльки) должны быть окрашены в предупредительные цвета в соответствие с ГОСТ 12.2.058.
5.1.3 С целью минимизации риска удара головой при нахождении людей в кабине (люльке) расстояние по высоте от пола кабины (люльки) до любого возможного препятствия: крыша кабины (люльки), балка каркаса кабины, перекладина и т.п. должно быть не менее 2 м.
5.1.4 Если существует риск падения предметов на людей, находящихся в кабине (люльке), она должна быть снабжена крышей. Размер отверстий (при наличии) в крыше должен быть таким, чтобы через них не мог пройти шар диаметром 20 мм.
5.1.5 Крыша кабины (люльки) должна выдерживать падение стального шара массой 7 кг с высоты 2 м. При этом остаточная деформация не должна превысить 50 мм.
5.1.6 Кабина (люлька) должна быть спроектирована таким образом, чтобы при приложении испытательной нагрузки в 1,5 раза превышающей номинальную грузоподъемность в любом месте настила кабины (люльки) наклон пола (настила) не превышал 20° как в подвешенном состоянии, так и при нахождении кабины (люльки) на земле.
5.1.7 Элементы конструкции кабины (люльки) должны быть защищены от коррозии.
5.2 Требования к подъемным механизмам
Кабины (люльки) могут использоваться только на кранах, соответствующим следующим требованиям:
- при подвеске кабины (люльки) на гибких стропах имеется не менее чем двукратный запас по грузоподъемности по сравнению с суммой массы самой кабины (люльки), массы стропов и ее номинальной грузоподъемности;
- при подвеске кабины (люльки) на спредере имеется не менее чем двукратный запас по грузоподъемности на спредере по сравнению с суммой массы самой кабины (люльки) и ее номинальной грузоподъемности;
- обеспечивающих максимальную скорость подъема/спуска, не превышающую 0,33 м/с;
- система управления обеспечивает плавный пуск и остановку механизмов;
- имеется неразрывная кинематическая связь элементов в механизмах подъема груза, изменения вылета и подъема стрелы крана. Исключено применение фрикционных, прессовых и других подобных соединений, а также фрикционных и кулачковых муфт;
- опускание груза может осуществляться только от работающего двигателя;
- крюк крана оснащен предохранительным замком.
5.3 Расчеты на прочность
5.3.1 Общие требования к расчетам установлены ГОСТ 33169.
5.3.2 В расчетах кабин (люлек) на прочность при проектировании принимается (с коэффициентом 2,0):
- масса каждого человека не менее 80 кг;
- масса дополнительного оборудования - не менее 40 кг на каждого человека.
5.4 Требования к стропам
5.4.1 Стропы, используемые для подвески кабины (люльки) к крану, должны соответствовать требованиям, установленным в национальных стандартах государств, упомянутых в предисловии как проголосовавших за принятие межгосударственного стандарта.
5.4.2 Стропы, используемые для подвеса кабины (люльки), не должны использоваться для других целей и иметь запас по разрушающей нагрузке:
- не менее 8 для цепных стропов;
- не менее 10 для канатных стропов и коушей (скоб, колец), служащих для подвешивания кабины (люльки) на крюк.
5.4.3 Концы канатных стропов должны крепиться при помощи заплетенных коушей или коушей с зажимами. Изготовление коуша при помощи обжимных втулок не допускается.
5.4.4 Коуши должны соответствовать требованиям, установленным в национальных стандартах государств, упомянутых в предисловии как проголосовавших за принятие межгосударственного стандарта.
5.4.5 Длина используемых для подъема люльки стропов должна обеспечивать расстояние между ее полом и крюком не менее 3 м.
5.5 Требования к контейнерным захватам (спредерам)
Для подъема и перемещения кабины (люльки) допускается использовать только автоматические спредеры с двойной электрической блокировкой раскрытия поворотных замков в соответствии с требованиями ГОСТ 12.2.071, а кабины (люльки) должны быть оснащены страховочными цепными стропами с укоротителем, закрепляемыми за скобы спредера. Допускается использовать страховочные канатные стропы.
5.6 Настил пола кабины (люльки)
5.6.1 Настил пола кабины (люльки) должен быть надежно закреплен на раме кабины (люльки), например, при помощи сварки или болтовых соединений.
5.6.2 Настил должен соответствовать требованиями [3] <*>.
--------------------------------
<*> В Российской Федерации действует ГОСТ Р 55178-2012 (ИСО 11660-1:2008) "Краны грузоподъемные. Средства доступа ограждения и защиты. Часть 1. Общие положения".
5.6.3 Настил должен быть снабжен дренажными отверстиями для предотвращения скопления жидкости. Размер отверстий должен быть таким, чтобы через них не мог пройти шар диаметром 20 мм.
5.6.4 Площадь настила должна быть не менее чем 0,6 x 0,6 м на одного человека и 0,4 x 0,4 м на каждого дополнительного человека.
5.7 Основание
5.7.1 По внешнему краю основания кабины (люльки) должно быть образовано пространство, исключающее зажатие ног находящихся рядом людей при опускании кабины (люльки) на землю (рисунок 4).
Рисунок 4 - Минимальные размеры пространства для ног
5.8 Боковая защита (ограждения)
5.8.1 Кабина (люлька) должна быть ограждена со всех сторон, а внутри ограждения снабжена поручнями высотой 1,1 м.
5.8.2 Ограждения должны отвечать следующим требованиям:
5.8.2.1 До высоты 0,5 м ограждение должно быть сплошным. При наличии в нем отверстий (например, дренажных), их размер должен быть таким, чтобы через них не мог пройти шар диаметром 20 мм.
5.8.2.2 Если высота ограждений менее 1 м от пола кабины (люльки), то выше должно быть установлено дополнительное ограждение до высоты 1 м.
5.8.2.3 Перила должны быть установлены выше ограждений.
5.8.3 Перила должны отвечать следующим требованиям:
5.8.3.1 Поручень перил должен быть круглого сечения диаметром от 16 до 40 мм и покрыт малотеплопроводным материалом.
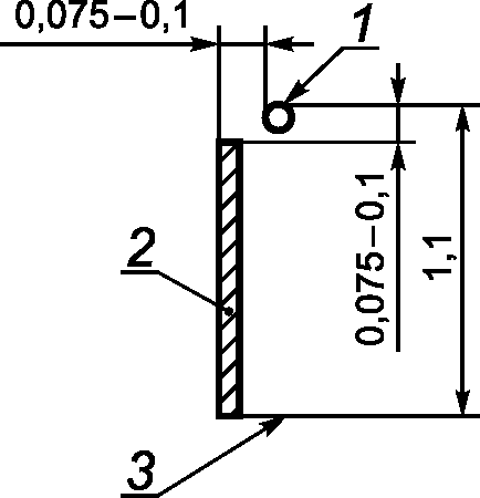
5.8.3.2 Поручень должен располагаться на расстоянии от 0,075 до 0,1 м от бокового ограждения по горизонтали и на расстоянии от 0,075 до 0,1 м выше верхней кромки бокового ограждения (рисунок 5).
1 - поручень; 2 - боковое ограждение;
3 - пол (настил) кабины (люльки)
Рисунок 5 - Расположение поручня изнутри кабины (люльки)
5.8.3.3 Поручень должен выдерживать точечные нагрузки 500 Н на каждого человека с шагом 0,5 м в наихудших положениях и в наиболее неблагоприятных направлениях без остаточной деформации.
5.8.3.4 Если кабина (люлька) снабжена крышей (на высоте не менее 2 м), которая опирается на жесткие опоры (стойки) по углам кабины (люльки), то:
- поручень перил должен располагаться на расстоянии от 0,075 до 0,1 м от бокового ограждения и стойки по горизонтали и на расстоянии от 0,075 до 0,1 м выше верхней кромки бокового ограждения (рисунок 6).
1 - стойка крыши кабины (люльки); 2 - поручень;
3 - боковое ограждение; 4 - пол (настил) кабины (люльки)
Рисунок 6 - Расположение поручня изнутри
кабины (люльки) при наличии крыши
5.9 Вход/выход подвесной кабины (люльки)
5.9.1 Для кабин (люлек) должен быть предусмотрен безопасный вход/выход.
5.9.2 Вход/выход кабины (люльки) должен соответствовать требованиям к средствам доступа типа 1 [3] <*>.
--------------------------------
<*> В Российской Федерации действует ГОСТ Р 55178-2012 (ИСО 11660-1:2008) "Краны грузоподъемные. Средства доступа ограждения и защиты. Часть 1. Общие положения".
5.9.3 Двери входа/выхода не должны открываться наружу и должны иметь автоматический замок, который предотвращает их случайное открытие.
5.9.4 В случае если кабина (люлька) используется в качестве выносного поста управления внешним оборудованием, должны быть предусмотрены места для посадки/высадки оператора.
5.9.5 В случае если кабина (люлька) используется в качестве выносного поста управления внешним оборудованием и ее размеры не позволяют установить двери, соответствующие требованию 5.9.4, должны быть предусмотрены запоры, требующие для открывания двери выполнения не менее двух действий, а в месте посадки/высадки должна быть предусмотрена посадочная площадка.
5.10 Крепление средств индивидуальной защиты
Кабины (люльки) должны быть оснащены точками крепления для средств индивидуальной защиты в соответствии с требованиями, установленными в национальных стандартах государств, упомянутых в предисловии как проголосовавших за принятие межгосударственного стандарта.
5.11 Проверка требований безопасности и/или защитных мероприятий
Проверка соблюдения требований безопасности и/или защитных мероприятий, перечисленных в разделе 5, выполняется в соответствии с указаниями таблицы 1.
Таблица 1
Номер пункта
Процедура проверки
Визуально-измерительный контроль
Испытания соответствующей нагрузкой
Подтверждение того, что все требования выполнены
Подтверждение наличия расчетов
Подтверждение того, что все требования выполнены
Подтверждение того, что все требования выполнены
Визуально-измерительный контроль
Визуально-измерительный контроль
Визуально-измерительный контроль
Визуально-измерительный контроль
Испытания соответствующей нагрузкой
Визуально-измерительный контроль
Визуально-измерительный контроль
Визуально-измерительный контроль
6. Требования безопасности при эксплуатации
6.1 Общие положения
6.1.1 Изготовитель кабины (люльки) обязан поставить вместе с изделием руководство по эксплуатации, содержащее требования по безопасной эксплуатации, обслуживанию, периодическим осмотрам и испытаниям, техническому освидетельствованию, браковочные показатели и способы безопасной утилизации.
6.1.2 Изготовитель кабины (люльки) обязан учитывать требования национальных правил безопасности государств, упомянутых в предисловии как проголосовавших за принятие межгосударственного стандарта, в части использования кабин (люлек) с кранами.
6.2 Требования безопасности при использовании подвесной кабины (люльки)
6.2.1 Общие требования
6.2.1.1 К работе с кабинами (люльками) допускаются только лица, прошедшие соответствующее обучение, в том числе, на знание правил безопасности при использовании кабин (люлек), а также правил эвакуации персонала из кабины (люльки) при аварийных ситуациях, например, при сбое в электропитании или управлении крана.
6.2.1.2 Подъем и транспортировка людей в кабинах (люльках) должны производиться под контролем (в присутствии) специально назначенного ответственного лица.
6.2.1.3 При нахождении людей в кабине (люльке) оператору крана (крановщику) запрещается отвлекаться от управления краном, а лицо, находящееся в кабине (люльке) и обеспечивающее связь с оператором крана (крановщиком), не должно отвлекаться на выполнение других работ. При этом между оператором крана (крановщиком) и людьми в кабине (люльке) должна быть обеспечена постоянная двухсторонняя радио- или телефонная связь. Должен быть установлен порядок обмена сигналами между людьми в люльке и оператором крана (крановщиком).
6.2.1.4 При выполнении работ по подъему и перемещению людей в кабине (люльке) следует обеспечить наличие и исправность соответствующего аварийно-спасательного оборудования (индивидуальных средств эвакуации).
6.2.1.5 Люди, которые не в состоянии двигаться обычным образом (например, после возникновения аварий или инцидентов), перемещаются на жестких носилках, надежно прикрепленных к люльке, и в сопровождении двух человек.
6.2.1.6 Стропы, предназначенные для подъема кабин (люлек), должны иметь дополнительную маркировочную бирку в целях исключения их использования в иных целях.
6.2.1.7 Запрещается использовать кабины (люльки) при ветре, скорость которого превышает 10 м/с на любой высоте, плохой видимости (при сильном дожде, снеге, тумане), обледенении, а также в любых других условиях, которые могут поставить под угрозу безопасность людей.
6.2.1.8 Если имеется риск столкновения крана с подвешенной кабиной (люлькой) с соседними машинами, их работа должна быть прекращена.
6.2.1.9 Случайные движения кабины (люльки) следует предотвращать с помощью оттяжных канатов или других способов ее стабилизации.
6.2.1.10 Кабины (люльки), стропа, крюки, предохранительные защелки и другие несущие элементы должны быть проверены перед каждым использованием.
6.2.1.11 Если кабину (люльку) необходимо перемещать через люки или проемы, должны быть разработаны дополнительные меры безопасности, предотвращающие запутывание стропов и канатов, а также снижающие риск зажатия и ударов.
6.2.1.12 Проверки состояния кабины (люльки) включают ежесменный осмотр, плановую проверку состояния, грузовые испытания.
6.2.1.13 Ежесменный осмотр кабины (люльки) осуществляется специалистом, ответственным за безопасное производство работ.
6.2.1.14 Плановая проверка состояния кабины (люльки) проводится не реже одного раза в месяц.
6.2.1.15 Грузовые испытания кабины (люльки) проводятся не реже одного раза в шесть месяцев. Испытания включают подъем и удержание в течение 10 минут груза, расположенного на дне кабины (люльки), масса которого в два раза превышает грузоподъемность кабины (люльки).
6.2.1.16 При выявлении в процессе проверок состояния кабины (люльки) дефектов и повреждений, отклонений от эксплуатационной документации кабины (люльки) ее дальнейшая эксплуатация должна быть запрещена.
6.2.2 Указания для оператора крана (крановщика)
6.2.2.1 Оператор крана (крановщик) должен видеть кабину (люльку) с людьми во время всей операции транспортировки, а также зоны начала подъема и опускания люльки. При перемещении кабины (люльки) с людьми запрещается выполнять совмещение движений крана.
6.2.2.2 Зоны начала подъема и опускания люльки должны быть свободны от любых посторонних предметов.
6.2.2.3 Все движения должны выполняться плавно и на пониженной скорости.
6.2.2.4 Запрещается превышать грузоподъемность кабины (люльки), а также допустимое количество находящихся в ней людей.
6.2.3 Указания для работников, находящихся в кабине (люльке)
6.2.3.1 Нагрузка на люльку должна распределяться как можно равномернее. При наклоне люльки на угол более 5° работа не допускается, при этом запрещается использовать противовесы (балласт) для уравновешивания массы груза в кабине (люльке).
6.2.3.2 Страховочные пояса людей, находящихся в кабине (люльке) должны быть постоянно закреплены за соответствующие точки крепления кабины (люльки). Длина фала страховочного устройства должна быть такой, чтобы человек в любом случае оставался в пределах кабины (люльки). Эта длина должна быть указана производителем в Руководстве по эксплуатации кабины (люльки).
6.2.3.3 Находящиеся в кабине (люльке) инструменты и материалы должны быть закреплены. В первую очередь, необходимо учитывать риски падения, скольжения и опрокидывания.
6.2.3.4 Во время перемещения кабины (люльки) люди должны находиться внутри ограждений кабины (люльки) для того, чтобы избежать риска зажатия.
6.2.3.5 Лицам, находящимся в кабине (люльке), запрещается вставать на поручни или ограждения кабины (люльки) и выполнять из такого положения какую-либо работу. Запрещается использовать какие-либо подставки в кабине (люльке) для увеличения зоны работы по высоте.
6.2.3.6 При входе и выходе людей кабина (люлька) должна быть установлена на твердую ровную поверхность. Выход и вход в кабину (люльку), находящуюся в подвешенном состоянии, не допускается.
6.2.4 Указания по безопасному производству работ из подвесной кабины (люльки)
6.2.4.1 Все электрические кабели или шланги, предназначенные для выполнения работ из кабины (люльки), должны быть закреплены так, чтобы они не влияли на безопасность людей, находящихся в кабине (люльке).
6.2.4.2 Оборудование, находящееся в кабине (люльке), страховочные и оттяжные канаты должны быть размещены и закреплены так, чтобы они не влияли на безопасность людей, находящихся в кабине (люльке) и не допускали наклона кабины (люльки) более величины, установленной 6.2.3.1
6.2.4.3 Запрещается использовать электрические кабели или шланги в качестве оттяжных канатов.
6.2.4.4 При выполнении сварочных работ особое внимание следует уделить заземлению так, чтобы обеспечить безопасность людей в кабине (люльке), а также не допустить повреждения грузовых канатов крана, а также его оборудования.
7. Требования к маркировке
7.1 На кабине (люльке), на видном месте должна быть закреплена фирменная табличка с указанием:
- наименование и адрес изготовителя;
- год выпуска;
- тип кабины (люльки) (условное обозначение);
- идентификационный номер (заводской номер);
- масса кабины (люльки);
- грузоподъемность кабины (люльки) с указанием максимального количества людей в кабине (люльке).
БИБЛИОГРАФИЯ
[1]
ISO 4301-1:1986
Cranes and lifting appliances - Classification - Part 1: General (Краны и подъемные устройства. Классификация. Часть 1. Общие положения)
[2]
ISO 4306-1:2007
Cranes - Vocabulary - Part 1: General (Краны. Словарь. Часть 1. Общие термины)
[3]
ISO 11660-1:2008
Cranes - Access, guards and restraints - Part 1: General (Краны грузоподъемные. Доступ, защита и ограждения. Часть 1. Общие положения)