Главная // Актуальные документы // ГОСТ (Государственный стандарт)СПРАВКА
Источник публикации
М.: Стандартинформ, 2016
Примечание к документу
Документ
введен в действие с 1 июля 2016 года.
Название документа
"ГОСТ 32969-2014 (ISO 13253:2011). Межгосударственный стандарт. Кондиционеры и воздухо-воздушные тепловые насосы с воздуховодами. Испытания и оценка рабочих характеристик"
(введен в действие Приказом Росстандарта от 22.06.2015 N 784-ст)
"ГОСТ 32969-2014 (ISO 13253:2011). Межгосударственный стандарт. Кондиционеры и воздухо-воздушные тепловые насосы с воздуховодами. Испытания и оценка рабочих характеристик"
(введен в действие Приказом Росстандарта от 22.06.2015 N 784-ст)
агентства по техническому
регулированию и метрологии
от 22 июня 2015 г. N 784-ст
МЕЖГОСУДАРСТВЕННЫЙ СТАНДАРТ
КОНДИЦИОНЕРЫ И ВОЗДУХО-ВОЗДУШНЫЕ
ТЕПЛОВЫЕ НАСОСЫ С ВОЗДУХОВОДАМИ
ИСПЫТАНИЯ И ОЦЕНКА РАБОЧИХ ХАРАКТЕРИСТИК
Ducted air-conditioners and air-to-air heat pumps.
Testing and rating for performance
(ISO 13253:2011, MOD)
ГОСТ 32969-2014
(ISO 13253:2011)
Дата введения
1 июля 2016 года
Цели, основные принципы и основной порядок проведения работ по межгосударственной стандартизации установлены
ГОСТ 1.0-92 "Межгосударственная система стандартизации. Основные положения" и
ГОСТ 1.2-2009 "Межгосударственная система стандартизации. Стандарты межгосударственные, правила и рекомендации по межгосударственной стандартизации. Правила разработки, принятия, применения, обновления и отмены".
1 ПОДГОТОВЛЕН Техническим комитетом по стандартизации ТК 061 "Вентиляция и кондиционирование" и Федеральным государственным унитарным предприятием "Всероссийский научно-исследовательский институт стандартизации и сертификации в машиностроении" (ВНИИНМАШ)
2 ВНЕСЕН Федеральным агентством по техническому регулированию и метрологии (Росстандарт)
3 ПРИНЯТ Межгосударственным советом по стандартизации, метрологии и сертификации (протокол от 30 сентября 2014 г. N 70-П)
За принятие проголосовали:
Краткое наименование страны по МК (ИСО 3166) 004-97 | Код страны по МК (ИСО 3166) 004-97 | Сокращенное наименование национального органа по стандартизации |
Армения | AM | Минэкономики Республики Армения |
Беларусь | BY | Госстандарт Республики Беларусь |
Казахстан | KZ | Госстандарт Республики Казахстан |
Киргизия | KG | Кыргызстандарт |
Молдова | MD | Молдова-Стандарт |
Россия | RU | Росстандарт |
Таджикистан | TJ | Таджикстандарт |
Узбекистан | UZ | Узстандарт |
4
Приказом Федерального агентства по техническому регулированию и метрологии от 22 июня 2015 г. N 784-ст межгосударственный стандарт ГОСТ 32969-2014 (ISO 13253:2011) введен в действие в качестве национального стандарта Российской Федерации с 1 июля 2016 г.
5 Настоящий стандарт является модифицированным по отношению к международному стандарту ISO 13253:2011 Ducted air-conditioners and air-to-air heat pumps - Testing and rating for performance (Кондиционеры и воздухо-воздушные тепловые насосы с воздуховодами. Испытания и оценка рабочих характеристик) путем изменения ссылок, которые выделены в тексте курсивом.
Внесение указанных технических отклонений направлено на учет целесообразности использования ссылочных межгосударственных стандартов вместо ссылочных международных стандартов.
Международный стандарт разработан техническим комитетом по стандартизации ISO/TC 86 "Охлаждение и кондиционирование воздуха" Международной организации по стандартизации (ISO).
Перевод с английского языка (en).
Степень соответствия - модифицированная (MOD).
Ссылки на международные стандарты, которые приняты в качестве межгосударственных стандартов, заменены в
разделе "Нормативные ссылки" и тексте стандарта ссылками на соответствующие идентичные и модифицированные межгосударственные стандарты.
Перечень технических отклонений приведен в приложении С.
6 ВВЕДЕН ВПЕРВЫЕ
Информация об изменениях к настоящему стандарту публикуется в ежегодном информационном указателе "Национальные стандарты", а текст изменений и поправок - в ежемесячном информационном указателе "Национальные стандарты". В случае пересмотра (замены) или отмены настоящего стандарта соответствующее уведомление будет опубликовано в ежемесячном информационном указателе "Национальные стандарты". Соответствующая информация, уведомление и тексты размещаются также в информационной системе общего пользования - на официальном сайте Федерального агентства по техническому регулированию и метрологии в сети Интернет (www.gost.ru).
Настоящий стандарт устанавливает стандартные условия для оценки производительности и эффективности кондиционеров с воздуховодами и тепловых насосов "воздух - воздух".
Настоящий стандарт устанавливает методы испытаний для определения номинальных значений производительности и эффективности, включая моноблочные и раздельные ("сплит-системы") установки кондиционирования воздуха и тепловые насосы. Настоящий стандарт распространяется на оборудование, установленное в жилых, коммерческих и промышленных помещениях. Оборудование (кондиционеры и/или тепловые насосы с воздуховодами) должно быть заводского изготовления и иметь электропривод и механический компрессор.
Настоящий стандарт распространяется на оборудование, использующее одну или несколько систем охлаждения, один наружный блок и один или более внутренних блоков, управляемых отдельным термостатом или регулятором. Настоящий стандарт распространяется на оборудование, которое состоит из одного, нескольких или переменного количества компонентов различной производительности.
В область применения настоящего стандарта не входит оценка и испытания следующего оборудования:
a) тепловых насосов, использующих воду, и кондиционеров с водяным охлаждением;
b) мультисплит-систем кондиционеров и тепловых насосов воздух-воздух.
Примечание - Порядок испытаний и оценки рабочих характеристик таких устройств установлен в
[1];
c) мобильных (не оконных) устройств, имеющих конденсаторный вытяжной канал;
d) отдельных узлов, не составляющих законченную систему охлаждения;
e) оборудования, использующего абсорбционный цикл охлаждения;
f) оборудования без воздуховодов. Порядок испытаний и оценки такого оборудования установлены в
ГОСТ 32970-2014 (ISO 5151:2010).
Настоящий стандарт не распространяется на определение сезонной эффективности, которое может потребоваться в некоторых странах, поскольку более точное определение эффективности обеспечивается в реальных условиях эксплуатации.
В настоящем стандарте использованы ссылки на следующие нормативные документы (для датированных ссылок применяют только указанное издание ссылочного документа, для недатированных ссылок - последнее издание ссылочного документа (включая все его изменения):
ГОСТ 32970-2014 (ISO 5151:2010) Кондиционеры и тепловые насосы без воздуховодов. Испытания и оценка рабочих характеристик
Примечание - При пользовании настоящим стандартом целесообразно проверить действие ссылочных стандартов в информационной системе общего пользования - на официальном сайте Федерального агентства по техническому регулированию и метрологии в сети Интернет или по ежегодному информационному указателю "Национальные стандарты", который опубликован по состоянию на 1 января текущего года, и по выпускам ежемесячного информационного указателя "Национальные стандарты" за текущий год. Если ссылочный стандарт заменен (изменен), то при пользовании настоящим стандартом следует руководствоваться заменяющим (измененным) стандартом. Если ссылочный стандарт отменен без замены, то положение, в котором дана ссылка на него, применяется в части, не затрагивающей эту ссылку.
В настоящем стандарте применены следующие термины с соответствующими определениями:
3.1 кондиционер с воздуховодами
<1> (ducted air-conditioner): Помещенное в корпус устройство или устройства, предназначенные для обеспечения подвода через воздушный тракт кондиционированного воздуха в замкнутое пространство комнаты или зоны (кондиционируемое пространство).
Примечание - Это может быть моноблочная или раздельная (сплит) система, которая включает основной источник холода для охлаждения и осушки воздуха. Она может также включать средства отопления (кроме теплового насоса), а также средства для обеспечения циркуляции, очистки, увлажнения, вентиляции или удаления воздуха. Такое оборудование может содержать более одного агрегата и отдельных блоков (сплит-системы), которые предназначены для работы совместно.
3.2 тепловой насос с воздуховодами <1> (ducted heat pump): Помещенное в корпус устройство или устройства, предназначенные для обеспечения подвода через воздушный тракт кондиционированного воздуха в замкнутое пространство комнаты или зоны (кондиционируемое пространство), в том числе с помощью основного источника холода, используемого для отопления.
--------------------------------
<1> В настоящем стандарте кондиционер с воздуховодами и тепловой насос с воздуховодами также называются "сетевым оборудованием" или "сетевыми устройствами".
Примечание - Может быть сконструирован для отвода тепла из кондиционируемого пространства с последующим теплоотводом. При этом охлаждение и осушение предпочтительнее с применением одного и того же оборудования. Может также включать средства для обеспечения циркуляции, очистки, увлажнения, вентиляции или удаления воздуха. Такое оборудование может содержать более одного агрегата и отдельных блоков (сплит-системы), которые предназначены для работы совместно.
3.3 стандартный воздух (standard air): Сухой воздух при 20 °C и стандартном барометрическом давлении в 101,325 кПа, с массовой плотностью в 1,204 кг/м3.
3.4 общая холодопроизводительность (total cooling capacity): Количество явного и скрытого тепла, которое оборудование может удалить из кондиционируемого пространства за определенный промежуток времени.
3.5 теплопроизводительность (heating capacity): Количество тепла, отдаваемое оборудованием в кондиционируемое помещение за определенный промежуток времени.
Примечание - Теплопроизводительность выражают в Вт.
3.6 скрытая холодопроизводительность (latent cooling capacity): Количество скрытого тепла, которое оборудование может удалить из кондиционируемого пространства за определенный промежуток времени.
Примечания
1 Скрытую холодопроизводительность иногда называют осушающей производительностью (room dehumidifying capacity).
2 Скрытую холодопроизводительность выражают в Вт.
3.7 явная холодопроизводительность (sensible cooling capacity): Количество явного тепла, которое оборудование может удалить из кондиционируемого пространства за определенный промежуток времени.
Примечание - Явную холодопроизводительность выражают в Вт.
3.8 коэффициент явного тепла (sensible heat ratio), SHR: Отношение явной холодопроизводительности к общей холодопроизводительности.
3.9 номинальное напряжение (rated voltage): Напряжение, указанное на заводской табличке оборудования.
3.10 номинальная частота (rated frequency): Частота, указанная на заводской табличке оборудования.
3.11 коэффициент полезного действия охлаждения (energy efficiency ratio), EER: Отношение общей холодопроизводительности к полезной потребляемой мощности устройства при любых заданных номинальных условиях.
Примечание - Там, где EER приведен без указания единиц (безразмерно), следует понимать соотношение Вт/Вт.
3.12 коэффициент полезного действия нагрева (coefficient of performance), COP: Отношение теплопроизводительности к полезной потребляемой мощности устройства при любых заданных номинальных условиях.
Примечание - Там, где COP приведен без указания единиц (безразмерно), следует понимать соотношение Вт/Вт.
3.13 общая подведенная мощность (total power input), Pt: Средняя электрическая входная мощность, подведенная к оборудованию, измеренная во время проведения испытания.
Примечание - Общую подведенную мощность выражают в Вт.
3.14 полезная потребляемая мощность (effective power input), PE: Средняя потребляемая электрическая мощность оборудования.
Примечания
1 Полезная потребляемая мощность представляет собой сумму потребляемых мощностей:
- компрессора;
- электронагревательных приборов, используемых для размораживания;
- управляющих, контрольных и защитных устройств оборудования;
- используемой для работы всех вентиляторов.
2 Полезную потребляемую мощность выражают в Вт.
3.15 работа с полной нагрузкой (full-load operation): Работа оборудования и управляющих устройств, настроенных на режим максимальной постоянной производительности по холоду, заявленной изготовителем, которая не ограничена устройством управления.
Примечание - Все внутренние блоки и компрессоры оборудования работают в режиме полной нагрузки при условии, что автоматические регуляторы не срабатывают для перехода в другой режим.
В настоящем стандарте применены следующие обозначения:
Al - коэффициент утечки тепла, Дж/с °C;
An - площадь сопла, м2;

- соотношение давлений;
Cd - коэффициент расхода через сопло;
co - концентрация масла;
cpa - удельная теплоемкость влажного воздуха, Дж/кг·°C;
cpa1 - удельная теплоемкость влажного воздуха, подводимого на внутреннюю сторону, Дж/кг·°C;
cpa2 - удельная теплоемкость влажного воздуха, отводимого из внутренней стороны, Дж/кг·°C;
cpw - удельная теплоемкость воды, Дж/кг·°C;
De - эквивалентный диаметр, мм;
Dn - диаметр сопла, мм;
Di - диаметр круглых впускных воздуховодов, мм;
Do - диаметр круглых выпускных воздуховодов, мм;
Dt - наружный диаметр трубки хладагента, мм;
ha1 - удельная энтальпия воздуха, подаваемого на внутреннюю сторону, сухой воздух, Дж/кг;
ha2 - удельная энтальпия воздуха, отводимого из внутренней стороны, сухой воздух, Дж/кг;
ha3 - удельная энтальпия воздуха, подаваемого на наружную сторону, сухой воздух, Дж/кг;
ha4 - удельная энтальпия воздуха, отводимого из наружной стороны, сухой воздух, Дж/кг;
hf1 - удельная энтальпия жидкого хладагента, подаваемого в расширительное устройство, Дж/кг;
hf2 - удельная энтальпия жидкого хладагента, отводимого из конденсатора, Дж/кг;
hg1 - удельная энтальпия паров хладагента, подаваемого в компрессор, Дж/кг;
hg2 - удельная энтальпия паров хладагента, отводимого из компрессора, Дж/кг;
hk2 - удельная энтальпия жидкости, отводимой из испарителя калориметра, Дж/кг;
hr1 - удельная энтальпия хладагента, подаваемого на внутреннюю сторону, Дж/кг;
hr2 - удельная энтальпия хладагента, отводимого из внутренней стороны, Дж/кг;
hw1 - удельная энтальпия воды или пара, подводимых на внутреннюю сторону, Дж/кг;
hw2 - удельная энтальпия конденсированной влаги, отводимой из внутренней стороны, Дж/кг;
hw3 - удельная энтальпия конденсата, удаленного теплообменником обработки воздуха в компоненте оборудования на наружной стороне для повторного кондиционирования, Дж/кг;
hw4 - удельная энтальпия воды, подводимой в компонент на наружной стороне, Дж/кг;
hw5 - удельная энтальпия водного конденсата (при испытаниях для высоких температурных условий) и соответственно снеговой шубы (при испытаниях для низких или сверхнизких температурных условий) в исследуемом устройстве, Дж/кг;
K1 - скрытая теплота испарения воды (2 500,4 Дж/г при 0 °C), Дж/г;
Ld - длина воздуховода, м;
Lm - расстояние до точки измерения внешнего статического давления, м;
ln - натуральный логарифм;
m1 - масса пустого баллона и предохранительного клапана в сборе, г;
m3 - масса баллона и предохранительного клапана в сборе, вместе с образцом, г;
m5 - масса баллона и предохранительного клапана в сборе вместе с маслом из образца, г;

- расчетная статическая эффективность внутреннего вентилятора;

- расчетная эффективность внутреннего двигателя;
pa - барометрическое давление, кПа;
pc - давление выравнивания в компоненте, кПа;
pe - внешнее статическое давление (ESP), кПа;
pisc - перепад внутреннего статического давления во внутреннем теплообменнике в сборке на внутренней стороне, который измеряют во время испытания холодопроизводительности, Па;
pm - измеренное внешнее статическое давление, кПа;
pn - давление в горловине сопла, кПа (абсолютное давление);
pv - динамическое давление в горловине сопла или перепад статических давлений, Па;
Re - число Рейнольдса;

- теплота, отведенная из компонента на внутренней стороне, Вт;

- теплота, отведенная охлаждающим теплообменником в компонент на наружной стороне, Вт;

- протечки тепла в компонент на внутренней стороне через перегородку, которая отделяет внутреннюю сторону от внешней, Вт;

- протечки тепла в компонент на внутренней стороне через стены, пол и потолок, Вт;

- протечки тепла в отсек наружной стороны через стены, пол и потолок, Вт;

- потери тепла в контуре соединительных трубок, Вт;

- количество подводимого тепла в испаритель калориметра, Вт;

- явная холодопроизводительность, Вт;

- явная холодопроизводительность (данные с внутренней стороны), Вт;

- скрытая холодопроизводительность (осушение), Вт;

- теплопроизводительность (компонент на внутренней стороне), Вт;

- теплопроизводительность (компонент на наружной стороне), Вт;

- скрытая холодопроизводительность (данные с внутренней стороны), Вт;

- общая холодопроизводительность (данные с внутренней стороны), Вт;

- общая холодопроизводительность (данные с наружной стороны), Вт;

- общая теплопроизводительность (данные с внутренней стороны), Вт;

- общая теплопроизводительность (данные с наружной стороны), Вт;
Pfan - расчетная мощность вентилятора для циркуляции внутреннего воздуха, Вт;
Pi - подводимая мощность (данные с внутренней стороны), Вт;

- прочая подводимая мощность в компонент на внутренней стороне (например, освещение, электрическая и тепловая энергия, подводимая в компенсирующее устройство, устройство регулировки теплового баланса влажности), Вт;

- сумма всех общих подводимых мощностей на наружную сторону, за исключением мощности, подводимой к испытуемому оборудованию, Вт;
PE - потребляемая мощность оборудования, Вт;
PK - мощность, подводимая к компрессору, Вт;
Pt - общая мощность, подведенная к оборудованию, Вт;
qm - массовый расход воздуха, кг/с;
qr - расход хладагента, кг/с;
qro - расход смеси хладагента и масла, кг/с;
qV - объемный расход воздуха, м3/с;
qV,i - внутренний объемный расход воздуха, м3/с;
qV,o - измеренный наружный объемный расход воздуха, м3/с;
qw - расход воды в конденсаторе, кг/с;
qwc - скорость, с которой водяной пар конденсируется оборудованием, г/с;
qm,w - массовый расход воды, подаваемой к наружному компоненту для поддержания условий испытания, кг/с;
ta - температура окружающей среды, °C;
ta1 - температура воздуха, подводимого на внутреннюю сторону, по сухому термометру, °C;
ta2 - температура воздуха, отводимого из внутренней стороны, по сухому термометру, °C;
ta3 - температура воздуха, подводимого на наружную сторону, измеренная по сухому термометру, °C;
ta4 - температура воздуха, отводимого из наружной стороны, по сухому термометру, °C;
tc - температура поверхности конденсатора калориметра, °C;
tw1 - температура воды, подаваемой в калориметр, °C;
tw2 - температура воды, отводимой из калориметра, °C;
v - кинематическая вязкость воздуха, м2/с;
va - скорость воздуха на выходе из сопла, м/с;
Vn - удельный объем сухого воздуха в смеси на выходе из сопла, м3/кг;
V'n - удельный объем паровоздушной смеси на выходе из сопла, м3/кг;
Wi1 - удельная влажность воздуха, подаваемого на внутреннюю сторону, кг/кг (сухого воздуха);
Wi2 - удельная влажность воздуха, отводимого из внутренней стороны, кг/кг (сухого воздуха);
Wn - удельная влажность на выходе из сопла, кг/кг (сухого воздуха);
Wr - водяной пар (темп), сконденсированный оборудованием, г/с;

- отношение массы холодильного агента к смеси хладагента с маслом;
Y - коэффициент расширения.
Скорость воздушного потока должна быть заявлена производителем. Этот параметр должен быть указан для оборудования, работающего с полной нагрузкой, и выражен для стандартных воздушных условий с работающими или с неработающими компрессорами.
Pfan - расчетная мощность вентилятора, выраженная в Вт, необходимая для циркуляции внутреннего воздуха.
5.2. Регулировка внутреннего воздушного потока
Регулировка скорости воздушного потока должна быть произведена при работе только одного вентилятора при температуре окружающей среды в пределах 20 - 30 °C и относительной влажности 30 - 70%. Регулирование воздушного потока следует проводить в соответствии с
приложением А.
Необходимо установить номинальную скорость воздушного потока, заданную производителем, а также измерить внешнее статическое давление (далее по тексту - ESP <1>)
pe. Измеренное ESP не должно быть меньше значения ESP, применяемого для оценки, которое приведено в
таблице 1. Если в устройстве имеется возможность регулировки скорости, то скорость должна быть отрегулирована на минимальное значение, обеспечивающее значение ESP для проведения оценки.
--------------------------------
<1> Аббревиатура от английского: external static pressure - внешнее статическое давление.
5.3. Выбор ESP для оценки
Величина ESP может быть как указана изготовителем, так и определена из положения кривых на предоставляемом графике, иллюстрирующим характеристики вентилятора.
При выборе ESP для оценки используют наиболее подходящий вариант из представленных ниже:
5.3.1 Если номинальное ESP, указанное изготовителем, больше или равно значению, указанному в таблице 1, то используется соответствующее значение из таблицы 1 для оценки.
Таблица 1
Требования к давлению для комфортного кондиционера
Номиналы стандартной производительности, кВт | Минимальное внешнее статическое давление (ESP) <a>, Па |
0 < Q < 8 | 25 |
8 <= Q < 12 | 37 |
12 <= Q < 20 | 50 |
20 <= Q < 30 | 62 |
30 <= Q < 45 | 75 |
45 <= Q < 82 | 100 |
82 <= Q < 117 | 125 |
117 <= Q < 147 | 150 |
Q > 147 | 175 |
<a> Для оборудования, испытанного без установленного воздушного фильтра, минимальное значение ESP pe должно быть увеличено на 10 Па. |
5.3.2 Если номинальное ESP, указанное изготовителем:
- меньше одного из значений, указанных в
таблице 1;
- составляет не менее 80% от этого значения
таблицы 1,
то используют верхнее (максимальное) значение из
таблицы 1, с которым провели сравнение.
5.3.3 Если номинальное ESP, указанное изготовителем:
- меньше одного из значений, указанных в
таблице 1;
- составляет менее 80% от этого значения
таблицы 1;
то используют предыдущее (минимальное) значение из
таблицы 1.
5.3.4 Если номинальное значение ESP не задано производителем, то используют максимальное значение из
таблицы.
5.3.5 Процесс выбора ESP для оценки показан на рисунке 1.
Рисунок 1 - Блок-схема выбора ESP для оценки
5.3.6 В случае, если установленная величина ESP для оценки меньше 25 Па, устройство может считаться без воздуховодов и должно проходить испытания в соответствии с
ГОСТ 32970-2014 (ISO 5151:2010).
5.4. Наружный воздушный поток
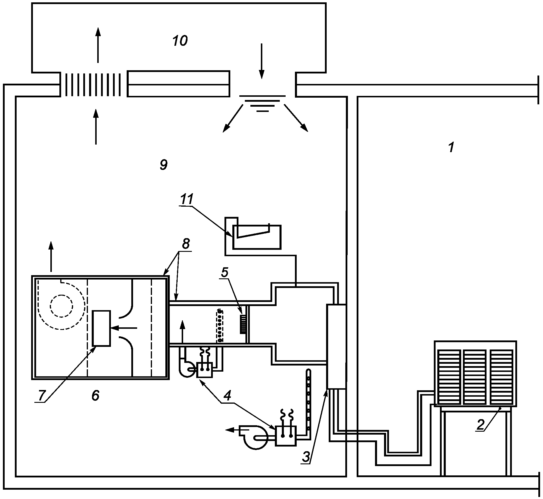
Если наружный воздушный поток является регулируемым, то все испытания должны быть проведены на наружной стороне с количеством воздуха или при настройке регулятора вентилятора в соответствии с инструкцией производителя. В случае, когда вентилятор нерегулируемый, то все испытания проводят с объемным расходом воздуха наружной стороны, присущим оборудованию, когда оно работает с набором компонентов, установленных в положенных местах. К таким компонентам относятся все элементы сопротивления воздушному потоку, связанные с устройствами впуска, а также жалюзи, любые воздуховоды и приспособления, рассматриваемые производителем как нормальные условия монтажа. Когда все смонтировано, то схема циркуляции воздуха наружной стороны должна оставаться без изменения на протяжении всех испытаний, указанных в настоящем стандарте. Исключением является регулировка любого изменения, вызванного присоединением устройства измерения воздушного потока, когда используется метод испытаний на основе данных энтальпии воздуха наружной стороны (см.
И.2.1).
5.5. Устройство, поставляемое без внутреннего вентилятора
Если вентилятор не поставляется вместе с устройством (т.е. устройство имеет только змеевик), то применяются также требования, указанные в
приложении А, и дополнительные
требования, указанные в приложении П.
6. Испытания в режиме охлаждения
6.1. Испытания на холодопроизводительность
6.1.1 Общие условия
6.1.1.1 Для всего оборудования, соответствующего требованиям настоящего стандарта, должны быть установлены значения холодопроизводительности и коэффициента полезного действия охлаждения (energy efficiency ratios - EERs), полученные на основании положений настоящего стандарта и вычисленные в условиях испытаний на охлаждение, установленных в таблице 2. Все испытания должны быть проведены в соответствии с
требованиями приложения Б и с применением методов испытаний
раздела 8. Все испытания должны быть проведены с использованием оборудования, работающего с полной нагрузкой, как определено в
3.15. Значения подводимой электроэнергии, используемой при проведении испытаний, должны быть измерены во время проведения испытания на холодопроизводительность.
Таблица 2
Условия оценки холодопроизводительности
Параметр | Стандартные номинальные условия |
| | |
Температура воздуха, подаваемого на внутреннюю сторону испытательной камеры, измеренная: | | | |
- по сухому термометру, °C | 27 °C | 21 °C | 29 °C |
- по влажному термометру, °C | 19 °C | 15 °C | 19 °C |
Температура воздуха, подаваемого на наружную сторону испытательной камеры, измеренная: | | | |
- по сухому термометру, °C | 35 °C | 27 °C | 46 °C |
- по влажному термометру, °C <a> | 24 °C | 19 °C | 24 °C |
Испытательная частота <b> | Номинальная частота |
Испытательное напряжение | |
<a> Условие температуры, измеренной по влажному термометру, должно требоваться только при испытании конденсаторов с воздушным охлаждением, которые испаряют конденсат. <b> Оборудование, рассчитанное на две номинальные частоты, должно быть испытано на каждой частоте. |
Примечания 1 Т1 - стандартные номинальные условия для холодопроизводительности в умеренном климате. 2 Т2 - стандартные номинальные условия для холодопроизводительности в холодном климате. 3 Т3 - стандартные номинальные условия для холодопроизводительности в жарком климате. |
6.1.1.2 Если производитель оборудования с компрессором, имеющим переменную скорость, не предоставляет информацию о рабочей частоте вращения при полной нагрузке, а также о том, как она достигается во время проведения испытания на холодопроизводительность, то это оборудование должно управляться имеющимся в оборудовании термостатом или регулятором, настроенным на минимальное допустимое значение температуры.
6.1.2 Температурные условия
6.1.2.1 Температурные условия, установленные в таблице 2 (
графы Т1,
Т2 и
Т3), должны считаться стандартными номинальными условиями для определения холодопроизводительности. Если оборудование предназначается для охлаждения помещений, то испытания должны быть проведены в одном или нескольких стандартных номинальных условиях, приведенных в
таблице 2.
6.1.2.2 Оборудование, предназначенное для использования в умеренном климате с температурами, установленными в
графе Т1 таблицы 2, должно иметь номинальные характеристики, установленные путем испытаний, проведенных в условиях Т1, после чего оно должно быть отнесено к оборудованию типа Т1.
6.1.2.3 Оборудование, предназначенное для использования только в холодном климате с температурами, установленными в
графе Т2 таблицы 2, должно иметь номинальные характеристики, установленные путем испытаний, проведенных в условиях Т2, после чего оно должно быть отнесено к оборудованию типа Т2.
6.1.2.4 Оборудование, предназначенное для использования только в жарком климате с температурами, установленными в
графе Т3 таблицы 2, должно иметь номинальные характеристики, установленные путем испытаний, проведенных в условиях Т3, после чего оно должно быть отнесено к оборудованию типа Т3.
6.1.2.5 Оборудование, предназначенное для использования в более чем одном из климатических условий, определенных в
таблице 2, должно иметь в паспортной табличке обозначение типа (Т1, Т2 и/или Т3). Соответствующие номинальные характеристики должны быть определены в стандартных номинальных условиях, установленных в
таблице 2.
Таблица 3
Напряжения для испытаний производительности и режимов работы
(кроме испытаний на максимальную эффективность охлаждения
и испытаний при максимальном нагреве)
Номинальные (паспортные) напряжения <a>, В | Испытательное напряжение <b>, В |
90 - 109 | 100 |
110 - 127 | 115 |
180 - 207 | 200 |
208 - 253 | 230 |
254 - 341 | 265 |
342 - 420 | 400 |
421 - 506 | 460 |
507 - 633 | 575 |
<a> Для оборудования с двумя номиналами напряжения, например 115/230 и 220/440, испытательными напряжениями являются 115 В и 230 В в первом случае и 220 В и 440 В во втором случае. Для оборудования с диапазоном напряжений, например 110 - 120 В или 220 - 240 В, испытательным напряжением является 115 В или 230 В соответственно. Когда имеющийся диапазон напряжений охватывает два или более диапазона номинальных напряжений, используют среднее значение номинальных напряжений для определения испытательного напряжения из таблицы. Пример - Для оборудования с диапазоном 200 - 220 В испытательным является напряжение 230 В на основе среднего напряжения 210 В. <b> Напряжения в таблице даны для испытаний производительности и рабочих характеристик, при этом данные значения не распространяются на испытания на максимальную эффективность охлаждения и испытания при максимальном нагреве. |
6.1.3 Условия проведения испытаний
6.1.3.1 Предварительные условия
Аппаратура испытательной камеры и испытуемое оборудование должны работать, пока не будут достигнуты условия равновесия в соответствии с
8.3. Режим равновесия следует поддерживать в течение не менее 1 ч до начала регистрации данных испытаний производительности.
6.1.3.2 Продолжительность испытания
Данные следует регистрировать через равные промежутки времени в соответствии с
8.3.3. Регистрацию данных следует проводить не менее чем в течение 30 мин, не выходя за пределы допустимых отклонений, указанных в
8.3.
6.2. Испытание рабочих характеристик при максимальном охлаждении
6.2.1 Общие условия
Испытания следует проводить на оборудовании, функционирующем в режиме полной нагрузки, как определено в
3.15. Напряжение при проведении испытаний следует поддерживать в заданных процентных отношениях для условий эксплуатации (см.
таблицу 4). Кроме этого, напряжение следует регулировать так, чтобы оно составляло не менее 86% номинального напряжения в момент перезапуска оборудования после останова согласно требованиям в
6.2.4.2. Определение холодопроизводительности и подводимой электрической мощности не требуется при проведении испытания данного режима работы.
6.2.2 Температурные условия
Испытания следует провести в условиях, указанных в графах Т1, Т2 или Т3 таблицы 4, на основе планируемого использования сетевого оборудования в различных климатических условиях, как установлено в
6.1.2. Если оборудование рассчитано для эксплуатации в нескольких рабочих режимах, то при проведении испытаний к оборудованию следует применить набор наиболее строгих предполагаемых условий эксплуатации.
Таблица 4
Условия проведения испытаний при максимальном охлаждении
Параметр | Стандартные номинальные условия |
Т1 | Т2 | Т3 |
Температура воздуха, подаваемого на внутреннюю сторону испытательной камеры, измеренная: | | | |
- по сухому термометру | 32 °C | 27 °C | 32 °C |
- по влажному термометру | 23 °C | 19 °C | 23 °C |
Температура воздуха, подаваемого на наружную сторону испытательной камеры, измеренная: | | | |
- по сухому термометру | 43 °C | 35 °C | 52 °C |
- по влажному термометру <a> | 26 °C | 24 °C | 31 °C |
Испытательная частота <b> | Номинальная частота |
Испытательное напряжение | a) 90% и 110% номинального напряжения с одним номинальным напряжением, указанным на заводской табличке b) 90% нижнего номинального напряжения и 110% верхнего номинального напряжения для оборудования с двойным или расширенным паспортным значением напряжения |
<a> Условие температуры по влажному термометру следует использовать только при испытании конденсаторов с воздушным охлаждением, которые испаряют конденсат. <b> Оборудование, рассчитанное на две номинальные частоты, должно быть испытано на каждой частоте. |
6.2.3 Условия для воздушного потока
Испытание в режиме работы с максимальным охлаждением должно быть проведено с регулировкой скорости вентилятора на внутренней стороне, как определено в
5.2.
6.2.4 Условия проведения испытаний
6.2.4.1 Предварительные условия
Органы управления оборудованием должны быть отрегулированы на максимальное охлаждение, и все воздушные и вытяжные заслонки должны быть закрыты.
6.2.4.2 Продолжительность испытания
Оборудование должно работать непрерывно 1 ч после установления температур воздуха (см.
таблицу 4), с допустимыми отклонениями (см.
таблицу 13). После чего все энергоснабжение оборудования отключают на 3 мин, а затем восстанавливают. Работа оборудования может быть повторно возобновлена либо автоматически, либо с использованием дистанционного управления или с помощью аналогичного устройства. Испытание должно продолжаться в течение 60 мин с момента перезапуска оборудования.
6.2.5 Требования к рабочим характеристикам
6.2.5.1 Кондиционеры и тепловые насосы при работе в условиях, указанных в
таблице 4, должны удовлетворять следующим требованиям:
a) на протяжении одного полного испытания оборудование должно работать без какого-либо сообщения (индикации) неисправности;
b) двигатели оборудования должны работать непрерывно в течение первого часа испытания без отключения их защитными устройствами, предохраняющими от перегрузки;
c) после перерыва в подаче энергоснабжения оборудование должно возобновлять работу в пределах 30 мин и работать непрерывно в течение 1 ч, кроме случаев, указанных в 6.2.5.2 и
6.2.5.3.
6.2.5.2 Предохранительное устройство может срабатывать на отключение только в течение первых 5 мин работы после периода отключения в 3 мин. На протяжении оставшегося часового периода испытания никакое предохранительное устройство не должно срабатывать на отключение. Если установлено автоматическое устройство управления, то допускается остановка и запуск оборудования под его управлением.
6.2.5.3 В том случае, если изделия спроектированы таким образом, что возобновление работы не должно происходить в пределах первых 5 мин после начального отключения, оборудование может оставаться в неработающем состоянии. Затем оно должно непрерывно работать 1 ч.
6.3. Испытание рабочих характеристик при минимальном охлаждении
6.3.1 Общие условия
Испытательные и рабочие условия, указанные в
таблице 5, должны быть соблюдены при испытании с минимальным охлаждением. Данный вид испытания проводят на оборудовании, работающем в режиме полной нагрузки (см.
3.15), за исключением требования
6.3.3. Определение холодопроизводительности и подводимой электрической мощности не требуется при проведении испытания данного режима работы.
6.3.2 Температурные условия
Испытания должны быть проведены в температурных условиях, указанных в
таблице 5.
6.3.3 Условия для воздушного потока
Управление (скоростью вращения вентиляторов, заслонками и воздухораспределительными решетками оборудования) должно быть настроено таким образом, чтобы обеспечить максимально возможные условия для обмерзания испарителя, при условии, что такие настройки не противоречат инструкциям по эксплуатации, предоставленным производителем. Испытательную аппаратуру следует оставить в конфигурации, определенной в
5.2 и
приложении А.
6.3.4 Условия проведения испытаний
6.3.4.1 Предварительные условия
Оборудование должно быть включено и работать до стабилизации рабочих условий, приведенных в таблицах 5 и
13.
Таблица 5
Условия проведения испытаний при минимальном охлаждении
Параметр | Стандартные условия испытания |
Т1 и Т3 | Т2 |
Температура воздуха, подаваемого на внутреннюю сторону испытательной камеры, измеренная: | | |
- по сухому термометру | 21 °C | 21 °C |
- по влажному термометру | 15 °C | 15 °C |
Температура воздуха, подаваемого на наружную сторону испытательной камеры, измеренная: | | |
- по сухому термометру | 21 °C | 10 °C |
- по влажному термометру <a> | - | - |
Испытательная частота <b> | Номинальная частота |
Испытательное напряжение | |
<a> Условие температуры по влажному термометру следует использовать только при испытании конденсаторов с воздушным охлаждением, которые испаряют конденсат. <b> Оборудование, рассчитанное на две номинальные частоты, должно быть испытано на каждой частоте. |
6.3.4.2 Продолжительность испытания
После стабилизации рабочих условий (см.
таблицу 5) с допустимыми отклонениями (см.
таблицу 13), оборудование должно работать на протяжении 4 ч. Допускается остановка и запуск оборудования под управлением автоматического ограничивающего устройства, если оно установлено.
6.3.5 Требования к рабочим характеристикам
6.3.5.1 Оборудование должно работать в заданных условиях без какого-либо сообщения (индикации) неисправности.
6.3.5.2 В конце 4-часового испытания слой льда или инея, образовавшийся на испарителе внутреннего блока, не должен превышать 50% площади лицевой поверхности или снижать скорость воздушного потока более чем на 25% от исходного значения. Если оборудование не позволяет осуществить визуальный осмотр испарителя и измерить внутренний объемный расход воздуха, то должны быть удовлетворены требования 6.3.5.3.
6.3.5.3 На протяжении 4-часового испытательного периода следует измерять температуру в средней точке каждого контура испарителя внутреннего блока или давление всасывания хладагента. Эти измерения следует проводить через равные интервалы времени с периодичностью в 1 мин или менее. Измерения, сделанные через 10 мин после начала 4-часового испытания, принимают в качестве исходных значений. Если давление всасывания поддается измерению, то полученные величины следует использовать для расчета температуры насыщенного всасывания.
a) Если компрессор (компрессоры) при управлении в автоматическом режиме во время проведения испытания не выключается периодически, и
если проводят замер температуры испарителя, то значение температуры в каждом контуре испарителя в течение более 20 мин подряд не должно понижаться более чем на 2 °C от соответствующего начального значения, или
если измеряют давление всасывания, то температура насыщенного всасывания в течение более 20 мин подряд не должна понижаться более чем на 2 °C от начального значения.
b) Если компрессор при управлении в автоматическом режиме во время проведения испытания периодически включается и выключается, и
если проводят замер температуры испарителя, то при проведении испытания значение температуры в каждом контуре испарителя после любого цикла включения компрессора, измеренной спустя 10 мин, не должно понижаться более чем на 2 °C соответствующей начальной температуры контура, или
если проводят замер давления всасывания, то при проведении испытания значение температуры насыщенного всасывания, измеренной спустя 10 мин после начала любого цикла включения компрессора, не должно понижаться более чем на 2 °C начальной температуры насыщенного всасывания.
Если вентилятор внутреннего блока останавливается автоматически во время проведения испытания, то воздушный поток через контур испарителя равен нулю.
6.4. Испытание на запотевание корпуса и удаление конденсата
6.4.1 Общие условия
Условия, которые должны быть использованы во время проведения испытания на запотевание корпуса и удаление конденсата, приведены в
таблице 6. Данный вид испытания проводят на оборудовании, работающем в режиме полной нагрузки (см.
3.15), за исключением требования
6.4.3. Определение холодопроизводительности и подводимой электрической мощности не требуется при проведении испытания данного режима работы.
6.4.2 Температурные условия
Испытания должны быть проведены в температурных условиях, указанных в
таблице 6.
6.4.3 Условия для воздушного потока
Управление (скоростью вращения вентиляторов, заслонками и воздухораспределительными решетками оборудования) должно быть настроено таким образом, чтобы обеспечить максимально возможные условия для запотевания, при условии, что такие настройки не противоречат инструкциям по эксплуатации, предоставленным производителем.
6.4.4 Условия проведения испытаний
6.4.4.1 Предварительные условия
После достижения заданных температурных условий оборудование должно быть запущено со штатным поддоном для сбора конденсата, заполненным до точки переполнения, и оборудование должно работать до тех пор, пока поток конденсата не станет равномерным.
6.4.4.2 Продолжительность испытания
Оборудование должно работать на протяжении 4 ч.
6.4.5 Требования к рабочим характеристикам
6.4.5.1 Во время работы оборудования в условиях испытаний, указанных в таблице 6, конденсированная вода не должна капать или струиться из оборудования.
Таблица 6
Условия испытания на удаление конденсата
Параметр | Стандартные условия испытания |
Температура воздуха, подаваемого на внутреннюю сторону испытательной камеры, измеренная: | |
- по сухому термометру | 27 °C |
- по влажному термометру | 24 °C |
Температура воздуха, подаваемого на наружную сторону испытательной камеры, измеренная: | |
- по сухому термометру | 27 °C |
- по влажному термометру <a> | 24 °C |
Испытательная частота <b> | Номинальная частота |
Испытательное напряжение | |
<a> Условие температуры по влажному термометру следует использовать только при испытании конденсаторов с воздушным охлаждением, которые испаряют конденсат. <b> Оборудование, рассчитанное на две номинальные частоты, должно быть испытано на каждой частоте. |
6.4.5.2 Оборудование, которое испаряет конденсат в атмосферу через конденсатор, должно отводить весь конденсат. Не допускается капание или разбрызгивание воды из оборудования, способное вызвать намокание здания или окружающих предметов.
7. Испытания в режиме отопления
7.1. Испытания на теплопроизводительность
7.1.1.1 Для всех испытаний на теплопроизводительность должны быть применены
требования, установленные в приложении Б. Испытания проводят, используя методы и средства измерения, которые удовлетворяют требованиям
8.1 и
8.2.
7.1.1.2 Выбираемые резистивные элементы, используемые для нагревания внутреннего воздуха, должны быть предохранены от включения во время проведения всех испытаний на теплопроизводительность, за исключением тех элементов, которые используют во время цикла размораживания.
7.1.1.3 Испытательная установка должна включать средства измерения, позволяющие измерять изменения температуры вдоль внутреннего теплообменника. Если используется метод энтальпии внутреннего воздуха, то следует применять те же термометры, которые используются для измерения производительности. Если используется калориметрический метод, то изменение температуры должно быть установлено с помощью датчиков, указанных в
приложении В.
7.1.1.4 Стандартные номинальные условия для испытаний в режиме отопления указаны в таблице 7.
Таблица 7
Условия испытаний на теплопроизводительность
Параметр | Стандартные номинальные условия |
| | |
Температура воздуха, подаваемого на внутреннюю сторону испытательной камеры, измеренная: | |
- по сухому термометру, °C | 20 |
- по влажному термометру, °C | 15 |
Температура воздуха, подаваемого на наружную сторону испытательной камеры, измеренная: | | | |
- по сухому термометру, °C | 7 | 2 | -7 |
- по влажному термометру, °C | 6 | 1 | -8 |
Испытательная частота <b> | Номинальная частота |
Испытательное напряжение | |
<a> Если во время проведения испытаний на теплопроизводительность по условиям Н1, Н2 или Н3 предусмотрен цикл размораживания, то следует использовать либо калориметрический метод, либо метод энтальпии внутреннего воздуха (см. приложения Г и Д). <b> Оборудование, рассчитанное на две номинальные частоты, должно быть испытано на каждой частоте. |
7.1.1.5 Все испытания в режиме отопления, рассмотренные в разделе 7, должны быть проведены при работе теплового насоса с полной нагрузкой, как определено в
3.15.
7.1.1.6 Для компрессоров, управляемых инвертором, производитель должен четко определить частоту для работы с полной нагрузкой. Работу теплового насоса следует поддерживать на этой частоте при проведении всех испытаний на теплопроизводительность. Если производитель теплового насоса, работающего с переменной скоростью компрессора, не дает информацию о частоте при работе с полной нагрузкой и не объясняет, как ее достигнуть во время испытаний на теплопроизводительность, то в этом случае тепловой насос должен работать с термостатом или контроллером, настроенным на максимальное допустимое значение температуры.
7.1.2. Температурные условия
7.1.2.1 Три вида различных температурных условий на наружной стороне, обозначенные как Н1, Н2 и Н3, приведены в
таблице 7.
7.1.2.2 Температурные условия, приведенные в
таблице 7, для воздуха, поступающего на внутреннюю сторону, должны быть применены для всех испытаний теплопроизводительности.
7.1.2.3 Все тепловые насосы следует испытывать в температурных условиях Н1. Испытание теплопроизводительности должно быть также сделано в температурных условиях Н2 и/или Н3, если производитель заявляет, что оборудование предназначено для работы в одном или двух температурных режимах.
7.1.2.4 Если тепловой насос рассчитан для работы на двух частотах или если в некоторых случаях оборудование имеет двойное номинальное напряжение, то должно быть проведено несколько испытаний на теплопроизводительность в условиях каждой заявляемой производителем наружной температуры.
Таблица 7 (и
таблица 3) должна быть использована, чтобы определить, требуются ли дополнительные испытания теплопроизводительности.
7.1.3. Условия для воздушного потока
7.1.3.1 Общие условия
7.1.3.1.1 Измерение объемного расхода воздуха на внутренней стороне требуется во всех случаях, независимо от того, применяется ли калориметрический метод или метод энтальпии внутреннего воздуха для обеспечения первичного измерения теплопроизводительности.
7.1.3.1.2 В зависимости от конкретной ситуации, измерения воздушного потока должны быть сделаны в соответствии с положениями
приложения В, а также положениями, установленными в других соответствующих приложениях к настоящему стандарту.
Примечание - Все расходы воздуха выражаются в м
3/с стандартного воздуха. В расчетах теплопроизводительности, приведенных в
приложении Д, расход воздуха на внутренней стороне выражается в м
3/с смеси паров воды и воздуха.
7.1.3.1.3 Когда испытания проводят при настройках, отличных от
7.1.3.1.1 и
7.1.3.1.2, то следует указать значения этих настроек вместе со значениями теплопроизводительности.
7.1.3.2 Требования при испытании тепловых насосов, обеспечивающих как охлаждение, так и отопление
7.1.3.2.1 Настройки оборудования как на внутренней, так и на наружной стороне должны быть такими же, как и при проведении испытаний холодопроизводительности. Испытания теплопроизводительности должны быть проведены на воздушном протоке с наружной стороны, который должен быть типичен для данной воздушной схемы, за исключением любых корректировок, которые используются для проведения испытаний методом энтальпии наружного воздуха (см.
приложение И).
7.1.3.2.2 Испытания теплопроизводительности должны быть проведены с теми же настройками воздушной заслонки или вытяжного вентилятора, как и в случае испытаний холодопроизводительности. Если испытания холодопроизводительности осуществляются для нескольких климатических условий (Т1, Т2, Т3) с различными расходами воздуха, то в этом случае для испытаний теплопроизводительности следует использовать настройку, дающую наибольший расход.
7.1.3.3 Требования при испытании тепловых насосов, предназначенных только для отопления
7.1.3.3.1 На наружной стороне на тепловом насосе должны быть установлены все резистивные элементы, связанные с впусками, жалюзи, воздуховодами и принадлежностями, которые производитель считает нормой при осуществлении монтажа. Если наружный поток воздуха является регулируемым, то все испытания должны быть проведены на наружной стороне с настройкой вентилятора, которая указана изготовителем. После настройки воздушная схема оборудования на наружной стороне должна оставаться неизменной на протяжении всех испытаний, установленных в настоящем стандарте, за исключением регулировок, вызванных необходимостью в связи с подключением устройства для измерения воздушного потока для проведения испытаний методом энтальпии наружного воздуха (см.
приложение И).
7.1.3.3.2 На внутренней стороне теплового насоса позиции заслонок, скорости вентилятора и т.д. должны быть установлены в соответствии с официальными инструкциями производителя по монтажу, которые находятся в сопроводительной документации оборудования. В случае отсутствия инструкций по монтажу, позиции задвижек, скорости вентилятора и т.д. должны быть установлены для обеспечения максимальной теплопроизводительности при испытании в температурных условиях Н1.
7.1.3.3.3 Настройка теплового насоса для температурных условий Н1 должна быть использована во время проведения испытаний для температурных условий Н2 и/или Н3, если требуется провести такие испытания. Минимальные требования к ESP, pe, при испытании в режиме Н2 и Н3 отсутствуют.
7.1.4.1 Преобладание размораживания над автоматическим управлением запрещается. Управление может быть блокировано только вручную при инициировании цикла размораживания во время предварительной подготовки.
7.1.4.2 Любой цикл размораживания, инициированный автоматически или вручную, который происходит во время подготовки или проведения испытания теплопроизводительности, должен всегда отключаться автоматически блоком управления размораживанием теплового насоса.
7.1.4.3 Если в тепловом насосе срабатывает отключение вентилятора во внутреннем блоке во время цикла размораживания, то воздушный поток через теплообменник на внутренней стороне должен быть прекращен.
7.1.5. Методика испытаний. Общие положения
7.1.5.1 Методика испытаний включает три периода: предварительная подготовка, период равновесия и сбор данных. Длительность периода сбора данных зависит от того, работает ли тепловой насос в режиме установившегося или переходного состояния. При этом, в случае работы в условиях переходного состояния, заданный период сбора данных при использовании метода энтальпии воздуха по внутренней стороне камеры (см.
7.1.11.5) отличается от периода сбора данных, если используется калориметрический метод (см.
7.1.11.6).
7.1.5.2
Приложение Р наглядно представляет большинство различных последовательностей действий, которые возможны в случае испытаний теплопроизводительности.
7.1.6. Предварительная подготовка
7.1.6.1 Аппаратура предварительного кондиционирования испытательной камеры и тепловой насос, испытываемый на теплопроизводительность, должны работать до тех пор, пока не будут достигнуты допустимые отклонения, указанные в
8.3, и работать в этом состоянии не менее 10 мин.
7.1.6.2 Цикл размораживания может завершить период предварительной подготовки. Если период предварительной подготовки не заканчивается циклом размораживания, то тепловой насос должен работать в режиме отопления не менее 10 мин после окончания размораживания и до начала периода равновесия.
7.1.6.3 Рекомендуется заканчивать предварительную подготовку автоматическим или ручным включением цикла размораживания в случае испытаний теплопроизводительности в температурных условиях Н2 и Н3.
7.1.7.1 Период равновесия следует сразу за периодом предварительной подготовки.
7.1.7.2 Полная продолжительность периода равновесия составляет 1 ч.
7.1.7.3 Кроме требований, указанных в
7.1.11.3, тепловой насос должен работать с допустимыми отклонениями, указанными в
8.3.
7.1.8. Период сбора данных
7.1.8.1 Период сбора данных следует непосредственно за периодом равновесия.
7.1.8.2 Данные следует собирать, как указано в
8.1 для выбранных методов испытаний. Если используется калориметрический метод, то теплопроизводительность следует вычислять в соответствии с
приложением Г. При использовании метода энтальпии внутреннего воздуха на внутренней стороне камеры теплопроизводительность следует вычислять в соответствии с
приложением Д. Для случаев, когда используется один из подтверждающих методов испытаний из
8.1.3, теплопроизводительность рассчитывают, как указано в соответствующем приложении.
7.1.8.3 Интегрированный прибор учета электрической мощности (Вт·ч) или измерительная система должны быть использованы для измерения электроэнергии, подводимой к оборудованию. Во время циклов размораживания и в течение первых 10 мин после завершения размораживания прибор или измерительная система должны осуществлять регистрацию данных с периодичностью не менее чем через каждые 10 с.
7.1.8.4 За исключением требований, указанных в
7.1.8.3 и 7.1.8.5, сбор данных следует осуществлять через равные интервалы, но не более чем в 30 с.
7.1.8.5 Во время циклов размораживания, а также в течение первых 10 мин после завершения размораживания сбор некоторых данных, используемых для оценки полной теплопроизводительности теплового насоса, следует осуществлять через равные интервалы, не превышающие 10 с. Когда используется метод энтальпии воздуха на внутренней стороне, то в число наиболее часто собираемых данных включают измерение температуры по сухому термометру на внутренней стороне. При использовании калориметрического метода в число наиболее часто собираемых данных включают все измерения, необходимые для определения производительности на внутренней стороне.
7.1.8.6 Для тепловых насосов при использовании метода энтальпии внутреннего воздуха, при автоматической остановке во время размораживания вентилятора внутреннего блока, который предназначен для передачи тепла, и/или при изменении температуры на внутренней стороне по сухому термометру, начиная с момента выключения вентилятора, значения не собирают и считают, что производительность равна нулю. Если используется калориметрический метод, то суммирование производительности следует продолжать и при выключенном внутреннем вентиляторе.
7.1.8.7 Для указанных методов испытаний (энтальпия воздуха на внутренней стороне и калориметрический метод) разность между температурой воздуха, отводимого и подводимого через теплообменник внутреннего блока, должна быть измерена по сухому термометру. Для каждого пятиминутного интервала во время периода сбора данных должна быть вычислена средняя разность температур

. За первые 5 мин сбора данных средняя разность

, должна быть сохранена для вычисления изменения

, выраженного в процентах, как представлено в формуле (1)

. (1)
7.1.9. Методика испытания, когда цикл размораживания (включенный автоматически или вручную) завершает период предварительной подготовки
7.1.9.1 Если величина

превышает 2,5% в течение первых 35 мин периода сбора данных, то испытание теплопроизводительности должно быть обозначено как переходное испытание (см.
7.1.11). Аналогичным образом, если тепловой насос инициирует цикл размораживания во время равновесного периода или в течение первых 35 мин периода сбора данных, испытание теплопроизводительности должно быть обозначено как переходное испытание.
7.1.9.2 Если условия, указанные в
7.1.9.1, не возникают и допустимые отклонения, указанные в
8.3, удовлетворяются одновременно в период равновесия и первые 35 мин периода сбора данных, то испытание теплопроизводительности должно быть обозначено как испытание в установившемся режиме. Такие испытания должны быть прекращены по истечении 35 мин сбора данных.
7.1.10. Методика испытания, когда цикл размораживания не завершает период предварительной подготовки
7.1.10.1 Если тепловой насос инициирует цикл размораживания во время равновесного периода или в течение первых 35 мин периода сбора данных, то испытание теплопроизводительности должно быть повторено, как указано в
7.1.10.3.
7.1.10.2 Если величина

превышает 2,5% в любой момент на протяжении первых 35 мин периода сбора данных, то испытание теплопроизводительности должно быть повторено, как указано в 7.1.10.3. Перед повторным запуском испытания должен произойти цикл размораживания. Цикл размораживания может быть запущен вручную или с задержкой до тех пор, пока тепловой насос не инициирует автоматическое размораживание.
7.1.10.3 Если выполняются
7.1.10.1 или
7.1.10.2, то повторный запуск испытания следует начинать через 10 мин после того, как цикл размораживания заканчивается и наступает новый часовой период равновесия. Эта вторая попытка должна быть проведена в соответствии с требованиями, указанными в
7.1.7 и
7.1.8, а также по методике испытания в соответствии с
7.1.9.
7.1.10.4 Если условия, указанные в
7.1.10.1 или
7.1.10.2, не возникают и допустимые отклонения, приведенные в
8.3, удовлетворяются как в период равновесия, так и в течение первых 35 мин периода сбора данных, то испытание теплопроизводительности должно быть обозначено как испытание в установившемся режиме. Такие испытания должны быть прекращены по истечении 35 мин сбора данных.
7.1.11. Процедура для переходных испытаний
7.1.11.1 Когда в соответствии
7.1.9.1 испытание теплопроизводительности обозначено как переходное испытание, то должны быть применены регулировки, указанные в 7.1.11.2 -
7.1.11.6.
7.1.11.2 Метод энтальпии воздуха на наружной стороне не используется, а измерительная аппаратура, связанная с измерениями по наружной стороне, должна быть отключена от теплового насоса. Во всех случаях нормальный воздушный поток по наружной стороне теплового насоса не должен быть нарушен. Использование других испытательных методов для подтверждения не требуется.
7.1.11.3 Для того чтобы обозначить испытание теплопроизводительности как переходное испытание, допуски, указанные в
таблице 8, должны быть выполнены на протяжении периода равновесия и периода сбора данных. Как указано в
таблице 8, допуски определены для двух интервалов. Интервал H состоит из данных, собранных в течение каждого периода нагрева, за исключением первых 10 мин после прекращения размораживания. Интервал D состоит из данных, собранных во время каждого цикла размораживания, а также первых 10 мин последующего периода нагрева.
7.1.11.4 Значения величин допусков по таблице 8 следует соблюдать на протяжении периодов равновесия и сбора данных. Все данные, собранные в течение каждого интервала H или D, следует сравнить на соответствие с допусками, установленными в таблице 8. Не допускается объединение данных от двух или более H-интервалов или D-интервалов и использование их для оценки соответствия таблице 8. Соответствие должно быть получено на основе оценки данных отдельно для каждого конкретного интервала.
Таблица 8
Отклонения, допустимые при проведении испытаний
теплопроизводительности в режиме переходного состояния (T)
Показание | Среднеарифметическое отклонение от заданных условий испытания | Отклонение отдельных показаний от заданных условий испытания |
| | | |
Температура воздуха, подаваемого на внутреннюю сторону испытательной камеры, измеренная: | | | | |
- по сухому термометру, °C | +/- 0,6 | +/- 1,5 | +/- 1,0 | +/- 2,5 |
- по влажному термометру, °C | - | - | - | - |
Температура воздуха, подаваемого на наружную сторону испытательной камеры, измеренная: | | | | |
- по сухому термометру, °C | +/- 0,6 | +/- 1,0 | +/- 1,0 | +/- 5,0 |
- по влажному термометру, °C | +/- 0,3 | +/- 1,0 | +/- 0,6 | - |
Напряжение, % | - | - | +/- 2 | +/- 2 |
Внешнее сопротивление воздушному потоку Па | - | - | +/- 5 | - |
<a> Применяется, когда тепловой насос работает в режиме отопления, кроме первых 10 мин после окончания цикла размораживания. <b> Применяется в течение цикла размораживания и первых 10 мин после окончания цикла размораживания при работе теплового насоса в режиме отопления. |
7.1.11.5 Если используется метод энтальпии внутреннего воздуха, то период сбора данных должен быть продолжен до наступления одного из следующих событий: или пока не истекут 3 ч, или пока тепловой насос не завершит три полных цикла в течение 3 ч. За период сбора данных принимается то, что случается ранее. Если по истечении 3 ч тепловой насос проводит цикл размораживания, то до прекращения сбора данных цикл должен быть завершен. Полный цикл состоит из: периода нагрева и периода размораживания, начиная от завершения оттаивания и, соответственно, до следующего завершения оттаивания.
7.1.11.6 Если используется калориметрический метод, то период сбора данных должен быть продолжен до наступления одного из следующих событий: или пока не истекут 6 ч, или пока тепловой насос не завершит шесть полных циклов в течение этого периода. За период сбора данных принимается то, что случается ранее. Если по истечении 6 ч тепловой насос проводит цикл размораживания, то до прекращения сбора данных цикл должен быть завершен. Полный цикл состоит из: периода нагрева и периода размораживания, начиная от завершения оттаивания и, соответственно, до следующего завершения оттаивания.
Примечание - Последовательные циклы повторяются с аналогичными периодами замораживания и размораживания, прежде чем отбирают данные для использования в вычислениях суммарной производительности и мощности.
7.1.11.7 Поскольку имеется требование для подтверждения методом испытания в соответствии с
8.1.3, аппаратуру для испытания методом энтальпии наружного воздуха, возможно, придется отключить от теплового насоса, как указано в
7.1.11.2, при проведении испытания теплопроизводительности. Если во время проведения этого испытания потребуется демонтаж, то затраченное время не должно рассматриваться как часть истекшего времени периодов равновесия или сбора данных.
7.1.12. Результаты испытаний теплопроизводительности
7.1.12.1 Электроэнергия, подводимая к тепловому насосу во время испытания, должна быть учтена вместе с соответствующим истекшим временем по окончании каждого цикла размораживания в течение периода сбора данных и, при необходимости, по окончании периода сбора данных.
7.1.12.2 Среднюю теплопроизводительность и среднюю подводимую электрическую мощность рассчитывают в соответствии с
9.1.4. Величины при проведении испытаний в режиме переходного периода должны быть вычислены, используя данные из общего числа завершенных полных циклов до окончания периода сбора данных. В случае, если полный цикл не завершен в течение периода сбора данных переходного периода, то весь набор данных должен быть использован для расчетов (см.
9.1.4.2).
7.2. Испытание рабочих характеристик при максимальном нагреве
7.2.1 Общие условия
Условия, приведенные в
таблице 9, должны быть использованы во время проведения испытания рабочих характеристик при максимальном нагреве. Это испытание должно быть проведено при работе оборудования с полной нагрузкой, как определено в
3.15. При работе испытательные напряжения по
таблице 9 должны поддерживаться в заданных процентных соотношениях. Определение теплопроизводительности и подводимой электрической мощности не требуется при проведении испытания данного режима работы.
7.2.2 Температурные условия
При проведении испытания следует применить температурные условия, приведенные в
таблице 9.
7.2.3 Условия для воздушного потока
Испытания в режиме максимального нагрева должны быть проведены с регулировкой скорости вентилятора на внутренней стороне, как определено в
5.2 и
приложении А.
7.2.4 Условия проведения испытания
7.2.4.1 Предварительные условия
Органы управления оборудованием должны быть отрегулированы на максимальное отопление. Все вентиляционные и вытяжные воздушные заслонки, если они имеются, должны быть закрыты.
7.2.4.2 Продолжительность испытания
Оборудование должно работать 1 ч после того, как были достигнуты заданные температуры воздуха из
таблиц 9 и
13. Допускается остановка и пуск под управлением автоматического ограничивающего устройства, если оно установлено.
7.2.5 Требования к рабочим характеристикам
Оборудование должно работать при условиях, указанных в
таблице 9 и
7.2.4.2, без индикации повреждения.
7.3. Испытание рабочих характеристик при минимальном нагреве
7.3.1 Общие условия
Условия, приведенные в
таблице 10, должны быть использованы для данного испытания. Это испытание должно быть проведено при работе оборудования с полной нагрузкой, как определено в
3.15. Напряжение должно поддерживаться в заданном значении для условий эксплуатации. Определение теплопроизводительности и подводимой электрической мощности не требуется при проведении испытания данного режима работы.
Таблица 9
Условия для испытания рабочих характеристик
при максимальном нагреве
Параметр | Стандартные условия испытания |
Температура воздуха, подаваемого на внутреннюю сторону испытательной камеры, измеренная: | |
- по сухому термометру, °C | 27 |
Температура воздуха, подаваемого на наружную сторону испытательной камеры, измеренная: | |
- по сухому термометру, °C | 24 |
- по влажному термометру, °C | 18 |
Испытательная частота <a> | Номинальная частота |
Испытательное напряжение | a) 90% и 110% номинального напряжения с одним номинальным напряжением, указанным на заводской табличке b) 90% нижнего номинального напряжения и 110% верхнего номинального напряжения для оборудования с двойным или расширенным паспортным значением напряжения |
<a> Оборудование, рассчитанное на две номинальные частоты, должно быть испытано на каждой частоте. |
7.3.2 Температурные условия
Температурные условия для настоящего испытания должны быть, как указано в таблице 10.
Таблица 10
Условия для испытания рабочих характеристик
при минимальном нагреве
Параметр | Стандартные условия испытания |
Температура воздуха, подаваемого на внутреннюю сторону испытательной камеры, измеренная: | |
- по сухому термометру, °C | 20 |
Температура воздуха, подаваемого на наружную сторону испытательной камеры, измеренная: | |
- по сухому термометру, °C | -7 |
- по влажному термометру, °C | -8 |
Испытательная частота <a> | Номинальная частота |
Испытательное напряжение <b> | |
<a> Оборудование, рассчитанное на две номинальные частоты, должно быть испытано на каждой частоте. <b> Оборудование с парным номинальным напряжением должно быть проверено на более высокой частоте. Это требование заменяет испытание на одном напряжении. |
7.3.3 Условия для воздушного потока
Испытание при минимальном нагреве должно быть проведено, используя расход воздуха по внутренней стороне, как определено в
5.2 и
приложении А.
7.3.4 Условия проведения испытания
7.3.4.1 Предварительные условия
Оборудование должно работать 1 ч при условиях температуры и напряжения, указанных в
таблице 10.
7.3.4.2 Продолжительность испытания
После того как оборудование вошло в установившийся рабочий режим в соответствие с
таблицами 10 и
13, этот режим должен поддерживаться в течение 1 ч.
7.3.5 Требования к рабочим характеристикам
Оборудование должно работать на протяжении всего испытания без какого-либо ручного вмешательства. Допускается останов и запуск оборудования под управлением автоматического ограничивающего устройства, если оно установлено.
Оборудование должно работать в условиях, указанных в
таблице 10 и
7.3.4.2, без индикации повреждения.
8. Методы испытаний и погрешности измерения
8.1.1 Основные положения
Испытания производительности должны быть проведены в соответствии с испытательными
требованиями, указанными в приложении Б, используя либо калориметрический метод (см.
приложение Г), либо метод энтальпии воздуха по внутренней стороне (см.
приложение Д) при условии, что результаты испытаний находятся в пределах погрешностей измерений, установленных в
8.2.
8.1.2 Калориметрический метод испытания
8.1.2.1 При использовании калориметрического метода для испытаний холодопроизводительности и для испытаний теплопроизводительности в режиме установившегося состояния должны быть использованы одновременно два метода. Один метод устанавливает производительность на внутренней стороне, а другой - на наружной стороне. Значение производительности, полученное на основе данных наружной стороны, должно согласовываться в пределах 5% со значением производительности, полученным на основе данных на внутренней стороне, чтобы испытание считать достоверным.
8.1.2.2 Условия установившегося состояния достигаются в том случае, когда измеренная мощность на каждом десятиминутном промежутке времени не изменяется более чем на 2% от средней измеренной мощности за предыдущие 30 мин.
8.1.2.3 Аппаратура, используемая для приготовления воздушного потока на внутренней стороне и измерения статического давления, должна располагаться на внутренней стороне для всех калориметрических испытаний, за исключением случая, когда используется метод сопротивления воздуховода для регулировки воздушного потока, определенный в
А.3. В этом случае аппаратура измерения воздушного потока может быть снята после установки задвижки, чтобы получать необходимый воздушный поток и внешнее статическое давление, как задано в
приложении А.
8.1.3 Метод энтальпии внутреннего воздуха
8.1.3.1 При проведении испытаний холодопроизводительности и испытаний теплопроизводительности в установившемся состоянии для подтверждения результатов следует использовать один из следующих методов:
d) метод подтверждения внутренним калориметром (см.
приложение К);
e) метод подтверждения наружным калориметром (см.
приложение Л);
f) метод подтверждения калориметром сбалансированного типа (см.
приложение М).
Примечание - Положения
приложения М не должны использоваться в качестве подтверждающего испытания в испытательных лабораториях (см.
М.1.1).
8.1.3.2 Результаты первичного испытания должны соответствовать результатам подтверждающего испытания в пределах 5%, чтобы их можно было считать достоверными.
8.1.4 Испытания производительности
В цикле охлаждения рекомендуется, чтобы скрытая холодопроизводительность быть определена с использованием метода охлаждения конденсата (см.
приложение Р) с учетом того, что результаты испытания находятся в пределах погрешности измерений, установленных в 8.2.
8.2. Погрешности измерения
8.2.1 Погрешности измерения не должны превышать значений, установленных в таблице 11.
Таблица 11
Погрешность измерения
Измеренная величина | Погрешность измерения <a> |
Вода: | |
- температура, °C | 0,1 |
- разность температур, °C | 0,1 |
- объемный поток, % | 1 |
- перепад статического давления, % | 5 |
Воздух: | |
- температура по сухому термометру, °C | 0,2 |
- температура по влажному термометру, °C <b> | 0,3 |
- объемный поток | 5% |
- перепад статического давления | 5 Па для давления <= 100 Па 5% для давления > 100 Па |
Подводимые значения электроэнергии, % (частота, напряжение) | 0,5 |
Время, % | 0,2 |
Масса, % | 1,0 |
Скорость, % | 1,0 |
Давление хладагента, % | 2,0 |
<a> Погрешность измерения - количественная оценка, характеризующая диапазон значений, в пределах которого лежит истинное значение измерения на основе доверительного интервала 95% (см. [2]). <b> Может быть измерена прямо или косвенно. |
Примечание - Погрешность измерения включает, как правило, много компонентов. Некоторые из этих компонентов могут быть оценены на основе статистического распределения результатов серии измерений и могут быть охарактеризованы экспериментальными среднеквадратическими отклонениями. Оценки других компонентов могут быть сделаны на основе эксперимента или другой информации. |
8.2.2 Установившиеся значения холодо- и теплопроизводительности, определенные калориметрическим методом, должны быть определены с максимальной погрешностью 5%, независимо от отдельных погрешностей измерений, в том числе неопределенности свойств жидкостей.
8.2.3 Теплопроизводительность, определенная во время работы в условиях переходных состояний (циклов размораживания) с использованием калориметрического метода, должна быть определена с максимальной погрешностью 10%, независимо от отдельных погрешностей измерений, в том числе неопределенности свойств жидкостей.
8.2.4 Значения холодо- и теплопроизводительности, измеренные на воздушной стороне, методом энтальпии воздуха, должны определяться с максимальной погрешностью 10%, независимо от неопределенности свойств жидкостей.
8.3. Допустимые отклонения испытаний холодо- и теплопроизводительности в установившемся состоянии
8.3.1 Максимально допустимое изменение любого отдельного измерения от заданного условия в течение испытаний холодо- и теплопроизводительности в установившемся состоянии перечислены в графе 3 таблицы 12. Максимально допустимые колебания средней величины измерений или заданных условий проведения испытаний приведены в графе 2 таблицы 12.
Таблица 12
Колебания, допустимые во время испытаний холодо-
и теплопроизводительности в установившемся состоянии
Показание | Среднеарифметическое отклонение от заданных условий испытания | Максимальное отклонение отдельных показаний от заданных условий испытания |
Температура воздуха, подаваемого на внутреннюю сторону испытательной камеры, измеренная: | | |
- по сухому термометру, °C | +/- 0,3 | +/- 0,5 |
- по влажному термометру, °C <a> | +/- 0,2 | +/- 0,3 |
Температура воздуха, подаваемого на наружную сторону испытательной камеры измеренная: | | |
- по сухому термометру, °C | +/- 0,3 | +/- 0,5 |
- по влажному термометру, °C <b> | +/- 0,2 | +/- 0,3 |
Напряжение, % | +/- 1 | +/- 2 |
Объемный расход воздуха, % <c> | +/- 5 | +/- 10 |
<a> Не применяется для испытаний теплопроизводительности. <b> Применяется только для испытаний холодопроизводительности, когда оборудование отводит конденсат в поддон теплообменника на наружной стороне. <c> Применяется только к методу энтальпии воздуха по внутренней стороне. Условие испытания определяют как измеренное среднее арифметическое расхода воздуха, взятого в пределах 5 мин периода сбора данных. |
8.3.2 Для испытаний холодопроизводительности отбор воздуха для измерения температуры по сухому и влажному термометру, подаваемого на внутреннюю и наружную сторону камеры, должен осуществляться через равные (не более 1 мин) промежутки времени на протяжении периодов предварительной подготовки и сбора данных. Для оборудования, которое отводит конденсат не в поддон теплообменника на наружной стороне, а в другое место, замер по влажному термометру температуры воздуха, который подается на наружную сторону, должен быть временно приостановлен.
8.3.3 Для испытаний теплопроизводительности в установившемся состоянии частота замера температуры воздуха по сухому термометру, подаваемого на внутреннюю сторону, и температур воздуха по сухому и влажному термометру, подаваемого на наружную сторону, должна осуществляться через равные промежутки времени (не более чем 30 с) на протяжении периодов предварительной подготовки и сбора данных. Как указано в
7.1.8.5, частота замеров температуры по сухому термометру на внутренней стороне подлежит изменению в течение циклов размораживания, если используется метод энтальпии воздуха на внутренней стороне.
8.3.4 В период предварительной подготовки равновесие определяется как промежуток времени заданной продолжительности, когда удовлетворяются применимые допустимые отклонения из
таблицы 13. Когда происходит цикл размораживания во время периода предварительной подготовки для испытания теплопроизводительности, то полученные значения между началом размораживания и 10 мин после завершения размораживания должны быть исключены при оценке соответствия допустимым отклонениям из
таблицы 13.
8.3.5 Во время периода сбора данных, чтобы определить производительность оборудования для кондиционирования в измеряемом пространстве, должно быть достигнуто соответствие допустимым отклонениям из
таблицы 13.
8.4. Допустимые отклонения при испытании рабочих характеристик в установившемся состоянии
Максимально допустимое изменение любого отдельного измерения от заданного условия при проведении испытаний рабочих характеристик указаны в таблице 13.
Таблица 13
Допустимые отклонения при испытании рабочих характеристик
Показания | Максимальное отклонение отдельных показаний от заданных условий испытания <a> |
Температуры воздуха: | |
- по сухому термометру, °C | +/- 1,0 |
- по влажному термометру, °C | +/- 0,5 |
Напряжение, % | +/- 2 |
<a> Допустимые отклонения не применяют при остановке оборудования, когда изменяется скорость компрессора или в период от начала размораживания и спустя 10 мин после завершения размораживания. Как исключение, во время этих интервалов могут применяться допуски +/- 2,5 °C для температуры по сухому термометру на внутренней стороне и +/- 5 °C на наружной стороне. |
9.1. Результаты испытаний производительности
9.1.1 Общие положения
Результаты испытаний производительности должны количественно выражать воздействия работы испытуемого оборудования на воздух. При заданных условиях испытаний результаты испытаний должны включать следующие величины применительно к охлаждению или обогреву:
a) общую холодопроизводительность, Вт;
b) явную холодопроизводительность, Вт;
c) скрытую холодопроизводительность, Вт;
d) теплопроизводительность, Вт;
e) расход воздушного потока на внутренней стороне для стандартного воздуха, м3/с;
f) внешнее сопротивление внутреннему воздушному потоку, Па;
g) эффективную подводимую электрическую мощность в оборудование или отдельные входящие мощности по каждому компоненту, Вт.
Примечание - Определение скрытой холодопроизводительности, приведено в
приложении Г (при использовании калориметрического метода испытания) и
приложении Д (при использовании метода энтальпии внутреннего воздуха).
9.1.2 Поправки
Результаты испытаний должны быть использованы для определения значений производительности без поправок на допустимые отклонения в условиях испытаний. Энтальпии воздуха, удельные объемы и удельные изобарические производительности должны быть основаны на измерениях барометрического давления, pa.
9.1.3 Расчет холодопроизводительности
9.1.3.1 Среднюю холодопроизводительность определяют из множества производительностей, зарегистрированных за период сбора данных не менее чем в 30 мин.
9.1.3.2 Среднюю подводимую электрическую мощность определяют из множества подводимых электрических мощностей, зарегистрированных за период сбора данных, или из объединенной электрической мощности за тот же самый промежуток времени для тех случаев, когда используется электросчетчик.
9.1.3.3 Стандартные номиналы производительности должны включать эффекты тепла циркуляционного вентилятора, но не должны включать еще какую-либо теплоту. Для сетевого оборудования, поставляемого без вентилятора, эффект вентилятора, который надо принимать во внимание, определяют в соответствии с
приложением П.
9.1.4 Расчет теплопроизводительности
9.1.4.1 Испытания производительности в установившемся режиме
9.1.4.1.1 Если испытания теплопроизводительности осуществляют в соответствии с
7.1.9.2 или
7.1.10.4, то теплопроизводительность должна быть рассчитана по данным каждой выборки в соответствии с
приложением Г (если используется калориметрический метод испытания) или в соответствии с
приложением Д (если используется метод энтальпии внутреннего воздуха).
9.1.4.1.2 Среднюю теплопроизводительность определяют из множества теплопроизводительностей, зарегистрированных за период сбора данных (см.
рисунок Р.2 приложения Р).
9.1.4.1.3 Среднюю подводимую электрическую мощность определяют из множества подводимых электрических мощностей за период сбора данных или из объединенной электрической мощности, зарегистрированной за период сбора данных.
9.1.4.2 Испытания производительности в режиме переходного состояния
9.1.4.2.1 Если испытание теплопроизводительности осуществляется в соответствии с
7.1.11, то должна быть установлена средняя теплопроизводительность. Она должна быть вычислена, как указано в
приложении Г (если используется калориметрический метод испытания) и в
приложении Д (если используется метод энтальпии внутреннего воздуха).
9.1.4.2.2 Когда происходит один или более полных циклов за период сбора данных, то к оборудованию применяют следующие положения. Среднюю теплопроизводительность устанавливают, исходя из объединенной производительности и истекшего промежутка времени, соответствующего суммарному числу полных циклов за период сбора данных (см.
рисунки Р.5,
Р.6 и
Р.7 приложения Р). Среднюю подводимую электрическую мощность определяют, исходя из суммарной подводимой мощности и истекшего времени суммарного числа полных циклов за тот же самый период сбора данных, что и в случае определения теплопроизводительности.
Примечание - Полный цикл состоит из периода нагрева и периода размораживания после завершения размораживания и до конца следующего цикла размораживания.
9.1.4.2.3 Для оборудования, которое не проходит полный цикл в течение периода сбора данных, применяют следующие положения. Среднюю теплопроизводительность устанавливают, исходя из объединенной производительности и истекшего времени, соответствующего общему периоду сбора данных (3 ч, если используется метод энтальпии внутреннего воздуха; и 6 ч, если используется калориметрический метод испытания). Среднюю подводимую электрическую мощность определяют, исходя из суммарной подводимой мощности и истекшего времени, соответствующего тому же периоду сбора данных, что и в случае определения теплопроизводительности (см.
рисунок Р.3 приложения Р).
9.1.4.2.4 Для оборудования, в котором происходит единственное размораживание в течение испытательного периода, применяют следующие положения. Среднюю теплопроизводительность устанавливают, исходя из суммарной производительности и истекшего времени, соответствующего общему испытательному периоду (3 ч, если используется метод энтальпии внутреннего воздуха; и 6 ч, если используется калориметрический метод). Среднюю подводимую электрическую мощность определяют исходя из объединенной подводимой мощности и истекшего времени, соответствующего общему испытательному периоду (см.
рисунок Р.4 приложения Р).
9.2. Регистрируемые данные
Данные подлежат регистрации в ходе испытаний производительности, как указано в
таблицах 14 и
15 для калориметрического метода и в
таблице 16 для метода энтальпии внутреннего воздуха. Эти таблицы дают необходимую общую информацию, но не ограничивают получение данных. Значения подводимой электроэнергии, используемые для оценки, должны быть теми значениями, которые были измерены во время испытаний производительности.
9.3.1 Общая информация
В протоколе испытания как минимум должна содержаться следующая общая информация:
a) ссылка на настоящий стандарт;
b) дата проведения испытания;
c) сведения об организации, проводившей испытания;
d) место проведения испытания;
e) основное испытание и методы испытаний для подтверждения;
f) руководитель испытания;
g) тип климата (для охлаждения) и номинальные условия (для отопления) (т.е. Т1, Т2, Т3, Н1, Н2 и Н3);
h) описание испытательной установки, включая расположение оборудования;
i) информация с заводской таблички (см.
10.2).
Таблица 14
Регистрируемые данные испытаний холодопроизводительности
при калориметрическом методе
| Данные |
1 | Дата проведения испытания |
2 | Испытатели |
3 | Барометрическое давление, кПа |
4 | Установочная скорость вентиляторов, внутри и снаружи |
5 | Приложенное напряжение, В |
6 | Частота, Гц |
7 | Суммарный ток, подводимый к оборудованию, А |
8 | Общая мощность, подводимая к оборудованию <a>, Вт |
9 | Температура воздуха по сухому и влажному термометру (на внутренней стороне) <b>, °C |
10 | Температура воздуха по сухому и влажному термометру (на наружной стороне) <b>, °C |
11 | Средняя температура наружного калориметра, (см. рисунок Г.1), °C |
12 | Общая подводимая мощность к внутренней и наружной стороне камеры, кВт |
13 | Количество воды, испаряемой увлажнителем, кг |
14 | Температура воды увлажнителя, на внутренней и наружной (если используется) стороне, или в емкости увлажнителя, °C |
15 | Расход воды для охлаждения в теплообменнике на наружной стороне, л/с |
16 | Температура воды для охлаждения, подаваемой в теплообменник на наружной стороне, °C |
17 | Температура воды для охлаждения, отводимой от теплообменника на наружной стороне, °C |
18 | Масса воды из оборудования, которая конденсируется при повторном кондиционировании <c>, кг |
19 | Температура конденсата, отводимого из отсека на наружной стороне, °C |
20 | Расход воздушного потока через измеряющее сопло в перегородке камеры, м3/с |
21 | Перепад статического давления воздуха между калориметрами через перегородку, Па |
22 | Зарядка дополнительным хладагентом испытательного комплекса, кг |
23 | Внешнее сопротивление воздушному потоку, Па |
24 | Объемный расход воздуха и все соответствующие измерения для его расчета, м3/с |
<a> Общая подводимая к оборудованию мощность, кроме случая, когда оборудование имеет более одного подсоединения. Следует регистрировать подводимую мощность для каждого подсоединения отдельно. <c> Для оборудования, которое испаряет конденсат в теплообменнике на наружной стороне. |
9.3.2 Результаты испытаний производительности
Отчетные значения должны быть средним значений, взятых за период сбора данных. Они должны быть заявлены с погрешностью измерения на уровне доверия 95% в соответствии с
[2].
10. Требования к маркировке
10.1. Требования к заводской табличке
Каждый отдельный блок кондиционера и теплового насоса, в одной упаковке или как сборка сплит-системы, должен иметь заводскую табличку с данными, нанесенными нестираемым способом, прочно укрепленную в доступном для чтения месте.
Таблица 15
Регистрируемые данные испытаний теплопроизводительности
при калориметрическом методе
| Данные |
1 | Дата проведения испытания |
2 | Испытатели |
3 | Барометрическое давление, кПа |
4 | Установочная скорость вентиляторов, внутри и снаружи |
5 | Приложенное напряжение, В |
6 | Частота, Гц |
7 | Суммарный ток, подводимый к оборудованию, А |
8 | Общая мощность, подводимая к оборудованию <a>, Вт |
9 | Температура воздуха по сухому и влажному термометру (на внутренней стороне) <b>, °C |
10 | Температура воздуха по сухому и влажному термометру (на наружной стороне) <b>, °C |
11 | Средняя температура наружного калориметра, (см. рисунок Г.1), °C |
12 | Общая подводимая мощность к внутренней и наружной стороне камеры, кВт |
13 | Количество воды, испаряемой увлажнителем, кг |
14 | Температура воды увлажнителя, на внутренней и наружной (если используется) стороне, или в емкости увлажнителя, °C |
15 | Расход воды для охлаждения в теплообменнике на наружной стороне, л/с |
16 | Температура воды для охлаждения, подаваемой в теплообменник на наружной стороне, °C |
17 | Температура воды для охлаждения, отводимой от теплообменника на наружной стороне, °C |
18 | Масса воды из оборудования, которая конденсируется при повторном кондиционировании, кг |
19 | Температура конденсата, отводимого из отсека на наружной стороне, в °C |
20 | Расход воздушного потока через измеряющее сопло в перегородке камеры, м3/с |
21 | Перепад статического давления воздуха между калориметрами через перегородку, Па |
22 | Зарядка дополнительным хладагентом испытательного комплекса, кг |
23 | Внешнее сопротивление воздушному потоку, Па |
24 | Объемный расход воздуха и все соответствующие измерения для его расчета, м3/с |
<a> Общая подводимая к оборудованию мощность, кроме случая, когда оборудование имеет более одного подсоединения. Следует регистрировать подводимую мощность для каждого подсоединения отдельно. |
10.2. Информация на заводской табличке
На заводской табличке должна содержаться как минимум следующая информация:
a) наименование или торговая марка производителя;
b) обозначение модели или другой отличительный тип, а также серийный номер;
c) номинальное напряжение (напряжения);
d) номинальная частота (частоты);
e) обозначение климатического исполнения (для охлаждения) и номинальное условие (условия) (для отопления) (т.е. Т1, Т2, Т3, Н1, Н2 и Н3);
g) масса заряжаемого хладагента (на компрессорном блоке).
Информация из перечисления 10.2, а именно:
a),
b),
c),
d) и
f), должна быть предоставлена по каждому элементу сплит-системы.
Таблица 16
Регистрируемые данные испытаний теплопроизводительности
методом энтальпии внутреннего воздуха
N | Данные |
1 | Дата проведения испытания |
2 | Испытатели |
3 | Барометрическое давление, кПа |
4 | Время испытания |
5 | Подведенная к оборудованию мощность <a>, Вт |
6 | Потребляемая мощность оборудования, Вт·ч |
7 | Приложенное напряжение (напряжения), В |
8 | Ток, А |
9 | Частота, Гц |
10 | Внешнее сопротивление воздушному потоку, Па |
11 | Установочная скорость вентиляторов внутри и снаружи |
12 | Температура подаваемого на оборудование воздуха по сухому термометру, °C |
13 | Температура подаваемого на оборудование воздуха по влажному термометру, °C |
14 | Температура воздуха отводимого от оборудования по сухому термометру, °C |
15 | Температура воздуха отводимого от оборудования по влажному термометру, °C |
16 | Наружные температуры по сухому и влажному термометрам, °C |
17 | Объемный расход воздуха и все соответствующие измерения для его расчета, м3/с |
18 | Зарядка дополнительным хладагентом испытательного комплекса, кг |
<a> Общая подведенная мощность или, в случае, когда требуется, подведенная на компоненты оборудования. |
11. Публикация показателей
11.1 Стандартные показатели
11.1.1 Стандартные показатели для холодопроизводительности (явной, скрытой и общей), теплопроизводительности, скорости воздушного потока, ESP, EER и COP должны быть опубликованы для каждого устройства, изготовленного в соответствии с настоящим стандартом. Эти стандартные значения должны быть определены в заявляемых номинальных условиях на основе данных, полученных в соответствии с требованиями настоящего стандарта.
11.1.2 Значения стандартных производительностей должны быть выражены в кВт (или Вт округленных до трех знаков).
11.1.3 Значения EER и COP должны быть округлены до трех знаков.
11.1.4 За каждым номиналом производительности должно следовать соответствующее испытательное напряжение (см.
графу 2 таблицы 3) и номинал частоты.
11.2 Другие показатели
Дополнительные показатели, полученные на основе условий, которые отличаются от номинальных условий настоящего стандарта, или на основе условий, заданных в национальных стандартах, могут быть опубликованы при условии, что они четко определены, а данные получены с помощью аналитических методов и методов испытаний, указанных в настоящем стандарте.
(обязательное)
РЕГУЛИРОВАНИЕ ВОЗДУШНОГО ПОТОКА СЕТЕВЫХ УСТРОЙСТВ
Применяются два метода регулирования:
a) метод сопротивления закрепленного воздуховода;
b) метод установки регулируемого вытяжного вентилятора.
В приложении А приведено описание этих методов с измерительной аппаратурой, соответствующей каждому методу.
Чтобы измерить статическое давление воздуха, отводимого из сетевого оборудования, измерительный воздуховод присоединяют к фланцу воздуховода исследуемого оборудования. Этот измерительный воздуховод используется для каждого из двух методов. Если размеры выпускной секции воздуховода равны A и B, то эквивалентный диаметр, De, определяется, используя уравнение (А.1):

. (А.1)
В случае, если выпускной канал имеет круглое сечение диаметром D, то эквивалентный диаметр, De, равен D.
Длина измерительного воздуховода, Ld, должна быть не меньше 2,5De. Отверстия для измерения статического давления следует располагать на дистанции Lm = 2De от выпускного фланца.
А.2.1 Регулирование расхода (объема) воздуха сетевых устройств должно осуществляться с помощью метода сопротивления закрепленного воздуховода, как показано на
рисунке А.1, или метода установки регулируемого вытяжного вентилятора, как показано на
рисунке А.2.
А.2.2 Отверстия для измерения статического давления должны быть расположены, как показано на
рисунках А.1 и
А.2. Исследуемое устройство должно работать без компрессора.
А.2.3 В зависимости от конкретной ситуации, измерения воздушного потока должны быть сделаны в соответствии с положениями
приложения В, а также другими положениями, установленными в настоящем стандарте.
Примечание - Дополнительное руководство, касающееся измерений воздушного потока, см.
[3] и
[4].
А.3. Метод сопротивления закрепленного воздуховода
А.3.1 Общие положения
Измерительный воздуховод должен быть подсоединен к исследуемому устройству и заслонке, установленной на противоположном конце измерительного воздуховода, там, где присоединена разгрузочная камера. Эта камера должна иметь достаточные размеры поперечного сечения, чтобы скорость воздушных потоков в направлении поверхности стенки у отверстия для измерения статического давления (рисунок А.1) составляла не более 1,25 м/с. Минимальная длина разгрузочной камеры по направлению потока J должна быть 2De.
1 - аппарат измерения воздушного потока; 2 - вытяжной
вентилятор; 3 - манометры; 4 - отверстия для измерения
статического давления в разгрузочной камере; 5 - исследуемое
оборудование; 6 - заслонка; 7 - разгрузочная камера;
J - минимальная длина; Ld - длина измерительного
воздуховода; Lm - расстояние до отверстий измерения
статического давления; pe - ESP из исследуемого оборудования
Рисунок А.1 - Метод сопротивления
закрепленного воздуховода. Схема установки
Примечание - Схема испытательной установки, измерительного воздуховода и разгрузочной камеры показана на
рисунке А.1.
А.3.2 Методика испытания
А.3.2.1 Условия проведения испытания
Условия температуры и влажности в помещении для испытаний должны быть в пределах диапазона, указанного в
5.2. Исследуемое устройство должно работать в режиме выдува воздуха без работающего компрессора. Заслонку следует регулировать таким образом, чтобы получить номинальную скорость потока в стандартном воздухе. В то же самое время скорость потока в аппарате измерения расхода воздуха должна регулироваться таким образом, чтобы статическое давление в разгрузочной камере составляло (0 +/- 2) Па. Эти условия необходимо поддерживать не менее 1 ч.
А.3.2.2 Испытание дутьем
Следует измерять температуры воздуха на входе по сухому и влажному термометрам, расход воздуха, ESP (
pe), температуры воздуха по сухому и влажному термометрам перед соплом и барометрическое давление (
pa). Измеренный массовый расход воздуха
qm должен быть рассчитан в соответствии с
формулой (В.3). Измеренный массовый расход
qm должен быть преобразован в стандартный расход
qs.
А.3.2.3 Оценка
Значение ESP,
pe, должно быть таким, как задано в
5.2.
А.3.2.4 Испытание на охлаждение и нагрев
Позиция заслонки должна оставаться постоянной в условиях, определенных в
А.3.2.1, для всех испытаний на охлаждение и нагрев воздуха (отопление), которые должны быть проведены при соответствующей температуре и влажности. Статическое давление разгрузочной камеры во время испытаний на охлаждение и нагрев должно поддерживаться на уровне (0 +/- 2) Па.
Значение ESP, pe, измерительного воздуховода во время испытаний на охлаждение и нагрев служит только в качестве базового, поэтому его не публикуют. Расход воздуха, измеренный при работающем оборудовании в режиме охлаждения или нагрева, используют для вычисления холодо- и теплопроизводительностей.
А.4. Метод установки регулируемого вытяжного вентилятора
А.4.1 Общие положения
Измерительный воздуховод должен быть подсоединен к исследуемому устройству, а на противоположном конце - к аппарату измерения воздушного потока.
Примечание - Схема испытательной установки, измерительного воздуховода и аппарата измерения воздушного потока показана на рисунке А.2.
1 - аппарат измерения воздушного потока; 2 - вытяжной
вентилятор; 3 - манометры; 4 - исследуемое оборудование;
5 - сопла; Ld - длина измерительного воздуховода;
Lm - расстояние до отверстий для измерения статического
давления; pe - ESP исследуемого оборудования
Рисунок А.2 - Метод установки регулируемого вытяжного
вентилятора. Схема установки
А.4.2 Методика испытания
Условия температуры и влажности в помещении для испытаний должны быть в пределах диапазона, заданного в
5.2. Исследуемое устройство должно работать в режиме выдува воздуха без работающего компрессора. Аппарат измерения воздушного потока регулируют таким образом, чтобы получить номинальную скорость потока в стандартном воздухе. Эти условия необходимо поддерживать не менее 1 ч.
А.4.3 Воздуходувное испытание
Следует измерять температуры воздуха на входе по сухому и влажному термометрам, расход воздуха, ESP (
pe), температуры воздуха по сухому и влажному термометрам перед соплом и барометрическое давление (
pa). Измеренный массовый расход воздуха
qm должен быть рассчитан по
формуле (В.3). Измеренный массовый расход
qm должен быть преобразован в стандартный расход
qs.
А.4.4 Вычисление значения C
Значение C вычисляют по формуле (А.2)

. (А.2)
А.4.5 Оценка
Значение ESP,
pe, должно быть таким, как задано в
5.2.
А.4.6 Испытание на охлаждение и нагрев
Испытания на охлаждение и нагрев следует выполнять после проверки продувом в соответствующих условиях температуры и влажности. Скорость вытяжного вентилятора в аппарате измерения воздушного потока регулируют для испытаний на охлаждение и нагревание следующим образом.
Для испытания в режиме охлаждения следует включить оборудование с компрессором в режиме охлаждения и дождаться стабилизации температуры. Когда температура стабилизировалась, следует отрегулировать аппарат измерения воздушного потока для достижения значения C путем постепенного изменения скорости вытяжного вентилятора. Результирующее значение C должно быть в диапазоне +/- 1% от величины, измеренной в течение воздуходувного испытания. Скорость охлаждающего потока воздуха и ESP должны быть измерены в установившемся режиме.
Для испытания в режиме нагрева (отопление) следует повторить те же действия для испытания в режиме охлаждения, но с компрессором, работающим в режиме нагревания. Следует измерить скорость потока нагретого воздуха и ESP.
Измеренная скорость воздушного потока при работе оборудования в режиме охлаждения или нагрева должна быть использована для вычисления холодо- и теплопроизводительностей.
Значение ESP, pe, измерительного воздуховода во время испытаний на охлаждение и нагревание служит только в качестве базового, поэтому его не публикуют.
А.5. Сетевое устройство без внутреннего вентилятора
Если сетевое устройство поставляется без вентилятора, т.е. только с теплообменником, то должны применяться также дополнительные
требования, указанные в приложении П.
(обязательное)
Б.1. Общие требования к помещению для проведения испытаний
Б.1.1 Если требуется проводить испытания сетевых устройств в условиях внутреннего помещения, то это должна быть камера или пространство, где может поддерживаться требуемый режим испытаний с указанными допустимыми отклонениями. Рекомендуется сохранять скорости воздуха вблизи исследуемого оборудования не выше 2,5 м/с.
Б.1.2 Если требуется помещение или пространство с имитацией наружных условий, то оно должно быть достаточного объема и обеспечивать циркуляцию воздуха в таком виде, чтобы она не изменяла нормальную модель циркуляции воздуха исследуемого оборудования. Расстояние от любой поверхности помещения до любой поверхности оборудования, от которой нагнетается воздух, должно быть не меньше 1,8 м. Расстояние от любой другой поверхности помещения до любой другой поверхности оборудования должно быть не меньше 1,0 м, за исключением расстояний до пола или стен, необходимых для нормальной установки оборудования. Аппаратуру кондиционирования помещения следует настроить на обработку воздуха со скоростью, которая не меньше скорости наружного воздушного потока. Необходимо также, чтобы кондиционер помещения осуществлял забор воздуха со стороны выпуска воздуха из оборудования и возвращал его в заданном режиме, равномерно и на низких скоростях.
Б.1.3 Если используется калориметрический метод и камера, имеющая более двух отсеков, то дополнительные помещения также должны соответствовать требованиям
приложения Г. Если используется метод энтальпии воздуха и камера, имеющая более двух отсеков, то дополнительные помещения должны соответствовать требованиям
приложения Д.
Б.2. Установка оборудования
Б.2.1 Испытуемое оборудование должно быть установлено в соответствии с инструкциями производителя, с использованием рекомендованных монтажных процедур и вспомогательных приспособлений. Если оборудование позволяет осуществить монтаж в нескольких позициях, то испытания должны быть проведены в позиции, заданной производителем в его инструкциях по монтажу, или следует использовать наихудшую допустимую конфигурацию. Во всех случаях необходимо следовать рекомендациям производителя в отношении расстояний от смежных стен, ширины стен и т.д.
Б.2.2 Сетевые устройства, рассчитанные на производительность меньше 8 кВт и предназначенные для работы при внешнем статическом давлении (ESP,
pe) меньше 25 Па, должны проходить испытания на свободное нагнетание воздуха в соответствии с
ГОСТ 32970-2014 (ISO 5151:2010).
Б.2.3 Не допускается никакого внесения изменений в оборудование, за исключением присоединения необходимой испытательной аппаратуры и контрольно-измерительных приборов в соответствии с установленными процедурами.
Б.2.4 Если необходимо, то оборудование может быть удалено для зарядки хладагентом, тип и количество которого должны быть указаны в инструкциях производителя.
Б.2.5 Все стандартные подводы для оборудования, в котором конденсатор и испаритель являются двумя отдельными узлами в сборе, должны быть определены на основе технических спецификаций производителя в пределах 5 - 7,5 м соединительных труб (хладагента) каждой линии. Длины должны быть действительные, а не эквивалентные величины, не должно приниматься во внимание сопротивление за счет изгибов, ответвлений, соединительных элементов или других фитингов, используемых при установке испытуемого образца. Длина соединительной системы труб должна быть измерена от корпуса внутреннего агрегата до корпуса наружного агрегата. Любое оборудование, в котором соединительный трубопровод исполнен как неотъемлемая часть агрегата и его не рекомендуется укорачивать, должно проходить испытание вместе с готовой системой труб полной длины. Не менее 40% полной длины соединительного трубопровода должно быть открыто для воздействия наружных условий эксплуатации, а оставшаяся часть этого трубопровода - для воздействия внутренних условий. Диаметры трубок, изоляция, подробности монтажа, удаления и зарядки хладагентом должны соответствовать опубликованным рекомендациям производителя.
Б.3. Измерения статического давления через внутренний теплообменник. Оборудование с вентилятором и одним выпуском
Б.3.1 Небольшую камеру статического давления следует присоединить на выпуске из оборудования. Эта камера должна иметь размеры поперечного сечения, равные размерам выпускных отверстий оборудования. Отверстие для измерения статического давления должно быть добавлено в центре каждой стороны разгрузочной камеры, если она имеет форму прямоугольника. На камерах овального или круглого сечения четыре отверстия под измерительные отверстия равномерно распределяются по длине замкнутой кривой. Эти отверстия для измерения статического давления должны быть комплектно объединены между собой. Минимальная длина разгрузочной камеры и расположение отверстий для измерений статического давления относительно выпусков оборудования должно соответствовать рисунку Б.1, если испытывается сетевое устройство сплит-системы и, как показано на
рисунке Б.2, при испытании моноблочного сетевого устройства.
1 - манометр; 2 - выпускная камера; 3 - исследуемое
оборудование; 4 - отверстия для измерения статического
давления; a - к аппарату измерения воздушного потока
Примечание - A и B - размеры испытуемого оборудования.
Рисунок Б.1 - Измерение ESP. Сплит-система
Рисунок Б.2, лист 1 - Измерение ESP.
Моноблочное сетевое устройство
1 - исследуемое оборудование - моноблочное сетевое
устройство; 2 - отверстие для измерения статического
давления, впуск (требуется 4 отверстия); 3 - отверстие
для измерения статического давления, выпуск
(требуется 4 отверстия)
Примечание - Для круглых воздуховодов диаметром
d следует заменить (
A·
B) или (
C·
D) на

.
Рисунок Б.2, лист 2 - Измерение ESP.
Моноблочное сетевое устройство
Б.3.2 Небольшую камеру статического давления следует присоединить на впуске в оборудование. В этом случае камера должна иметь размеры поперечного сечения, соответствующие впуску в оборудование. Кроме того, должны быть предусмотрены четыре отверстия для измерения статического давления, которые комплектно объединены между собой. Эту камеру следует устанавливать для впуска, как показано на
рисунке Б.2 (для испытаний моноблочного сетевого устройства) или на
рисунке Б.3 (для испытания сплит-системы).
Примечание - Ссылка на
рисунок Б.3 дается для руководства, даже если эта конструкция применяется для сетевых устройств, проходящих испытание без внутреннего вентилятора.
Б.4. Оборудование с вентиляторами и сложной системой выпусков или множеством внутренних устройств
| | ИС МЕГАНОРМ: примечание. В официальном тексте документа, видимо, допущена опечатка: пункт Б.3.1.1 отсутствует. | |
Б.4.1 К оборудованию, имеющему несколько выпусков, соединенных с воздуховодами, или множество внутренних устройств, следует присоединять небольшую камеру статического давления к каждому выпуску или внутреннему устройству. Каждая из этих камер должна иметь конструкцию в соответствии с Б.3.1.1, включая отверстия для замера статического давления. Все камеры на выпусках должны нагнетать воздух в одну общую секцию. Для выравнивания статического давления в каждой камере регулируемый ограничитель должен быть расположен в плоскости, где выпуск из каждой камеры входит в общую сетевую секцию. Несколько устройств, использующих совместно один фланец соединения нагнетательного воздуховода, должны быть испытаны с одной камерой на выпуске в соответствии с
Б.3.1. Не следует применять любое другое расположение камеры статического давления, кроме как для имитации сетевых конструкций, специально рекомендованных производителем оборудования.
| | ИС МЕГАНОРМ: примечание. В официальном тексте документа, видимо, допущена опечатка: пункт Б.3.1.2 отсутствует. | |
Б.4.2 Небольшую камеру статического давления следует присоединять на впуске каждого впускного сетевого соединения или наружного устройства. Каждая из этих камер должна быть установлена в соответствии с Б.3.1.2, включая отверстия для замера статического давления.
Б.5. Оборудование без вентилятора с одним выпуском
Для внутреннего теплообменника, который не включает в себя вентилятор, короткая камера должна быть присоединена к впуску и выпуску оборудования. Эти камеры должны иметь размеры поперечного сечения, равные соответственным размерам впуска и выпуска оборудования. Отверстие для измерения статического давления должно быть добавлено в центре каждой стороны каждой камеры, если она имеет прямоугольную форму, или четыре отверстия равномерно распределяются по длине замкнутой кривой овальной или круглой камеры. В каждой камере четыре отверстия для замера статического давления должны быть комплектно объединены между собой. Минимальная длина камер и расположение отверстий для замера статического давления относительно впуска и выпуска оборудования должны быть такими, как показано на рисунке Б.3.
1 - манометр; 2 - отвод для выпуска давления; 3 - впускной
воздуховод; 4 - секция теплообменника; 5 - выпускной
воздуховод; a - к аппарату измерения воздушного потока
Рисунок Б.3 - Измерение перепада статического давления
по теплообменнику сетевого устройства, имеющего только
теплообменник с хладагентом
Примечания
1 A и B - размеры выпуска; C и D - размеры впуска.
2 Для круглых воздуховодов диаметром
D следует заменить (
C·
D) на

и (
A·
B) на

, где
Di - диаметр впускного воздуховода,
Do - диаметр выпускного воздуховода.
3 Длина впускного воздуховода

- это минимальный размер. Для более точных результатов следует использовать

.
(справочное)
ИЗМЕРЕНИЕ ВОЗДУШНОГО ПОТОКА
В.1. Определение воздушного потока
В.1.1 Воздушный поток следует измерять с использованием оборудования и методик проведения испытаний, указанных в данном приложении.
В.1.2 Величину воздушного потока определяют как массовый расход. Если величину воздушного потока необходимо выразить как показатель в объемных расходах, то следует указать условия (давление, температуру и влажность), в которых определяется удельный объем.
В.2. Воздушный поток и статическое давление
Площадь сопла An следует определять путем измерения его диаметра с точностью +/- 0,2% в четырех местах, вокруг сопла приблизительно в 45° друг от друга. Одно из двух мест должно находиться на горловине сопла, а остальные два - по прямой через радиус.
В.3.1 Аппаратура сопла состоит из приемной и разгрузочной камер, разделенных перегородкой, в которой расположено одно сопло или несколько (см.
рисунок В.1). Воздух из оборудования, проходящего испытание, поступает по воздуховоду в приемную камеру, где он проходит через сопло или сопла, а затем выпускается в камеру для испытаний или возвращается по воздуховодам обратно на вход оборудования.
Аппаратура сопла и его соединения к впуску оборудования следует герметизировать так, чтобы утечка воздуха не превышала 1,0% измеряемого воздушного потока.
Расстояние между соплами (от центра до центра) должно быть в 3 раза больше диаметра горловины большего сопла, а расстояние от центра каждого сопла до ближайшей боковой стенки разгрузочной или приемной камеры должно быть не менее чем 1,5 диаметра горловины сопла.
В.3.2 Рассекатели (рассеивающие перегородки) устанавливают в приемной камере (на расстоянии не менее чем 1,5 диаметра горловины Dn наибольшего сопла) до разделительной стенки и в разгрузочной камере (на расстоянии не менее чем 2,5 диаметра горловины Dn наибольшего сопла) после плоскости входа наибольшего сопла.
В.3.3 Вытяжной вентилятор создает желательное статическое давление на выпуске из оборудования. Вентилятор следует устанавливать в стенке разгрузочной камеры, при этом его следует оснастить средством регулирования производительности.
В.3.4 Манометры для измерения перепада статического давления через сопло или сопла
Один отвод манометра следует подсоединить к отверстию измерения статического давления, расположенному заподлицо с внутренней стенкой приемной камеры, а второй - к отверстию измерения статического давления, расположенному заподлицо с внутренней стенкой разгрузочной камеры. Предпочтительнее, чтобы несколько отводов из каждой камеры были соединены параллельно к нескольким манометрам или через коллектор к одному манометру. Соединения для измерения статического давления следует располагать так, чтобы не влиять на воздушный поток. Альтернативно скоростной напор воздушного потока из сопла может быть измерен трубкой Пито, как показано на рисунке В.1. При использовании нескольких сопел показания трубки Пито следует считывать для каждого сопла.
| | ИС МЕГАНОРМ: примечание. В официальном тексте документа, видимо, допущена опечатка: имеется в виду пункт В.5.1, а не пункт C.5.1. | |
1 - разгрузочная камера; 2 - вытяжной вентилятор;
3 - рассеивающая перегородка; 4 - трубка Пито; 5 - сопло;
6 - приемная камера; 7 - аппаратура измерения
дифференциального давления; 8 - воздуховод-переходник
(см.
C.5.1);
Dn - диаметр горловины сопла; a - рассеивающие
перегородки (следует перфорировать, сохраняя приблизительно
40% свободного пространства); b - воздушный поток
Рисунок В.1 - Аппаратура для измерения воздушного потока
В.3.5 Средства определения плотности воздуха на горловине сопла
В.3.5.1 Скорость через горловину любого используемого сопла следует поддерживать на уровне не меньше 15 м/с или не больше 35 м/с.
В.3.5.2 Сопла должны быть изготовлены в соответствии с рисунком В.2 и применяться в соответствии с
В.3.5.3 и
В.3.5.4.
1 - оси эллипса; 2 - секция горловины; 3 - эллиптическая
кривая; Dn - диаметр горловины сопла, м
Рисунок В.2 - Сопло для измерения воздушного потока
В.3.5.3 Коэффициент расхода сопла
Cd для конструкции, показанной на
рисунке В.2, которая имеет отношение длины горловины к диаметру горловины величиной 0,6, вычисляют по формуле (В.1)

(В.1)
для чисел Рейнольдса Re величиной 12 000 и больше.
Число Рейнольдса вычисляют по формуле (В.2)

, (В.2)
где va - скорость воздуха на выходе из сопла;
Dn - диаметр горловины сопла;

- кинематическая вязкость воздуха.
В.3.5.4 Сопла можно изготавливать в соответствии с национальными стандартами при условии, что их можно использовать в аппарате, показанном на
рисунке В.1, и они являются эквивалентными по точности.
В.4. Измерения статического давления
В.4.1 Следует использовать отверстия для измерения давления, состоящие из ниппелей диаметром (6,25 +/- 0,25) мм, которые прикрепляются пайкой к наружным поверхностям камер и центрируются в отверстиях диаметром 1 мм через стенку камеры. Кромки этих отверстий следует очистить от заусенцев и других неровностей.
В.4.2 Камеру статического давления и воздуховод следует герметизировать, чтобы предотвратить утечку воздуха к оборудованию и устройствам измерения воздуха, в частности, на соединениях, а также теплоизолировать для предотвращения утечки тепла между выпуском из оборудования и приборами измерения температуры.
В.5. Измерения разгрузочного воздушного потока
В.5.1 Выпуск или выпуски из исследуемого оборудования следует подсоединить к приемной камере с помощью переходника, обеспечивающего поток воздуха с незначительным сопротивлением, как показано на
рисунке В.1.
В.5.2 Чтобы измерить статическое давление приемной камеры, манометр с одной стороны следует подсоединить к одному или нескольким отверстиям для измерения статического давления, расположенным заподлицо с внутренней стенкой приемной камеры.
В.6. Измерения воздушного потока на внутренней стороне
В.6.1 Следует считывать следующие показания:
| | ИС МЕГАНОРМ: примечание. Нумерация подпунктов дана в соответствии с официальным текстом документа. | |
c) барометрическое давление;
d) температуры в соплах по сухому и влажному термометру или температуры точек росы;
e) перепад статического давления на сопле или соплах или (дополнительно) скоростной напор в сопле.
В.6.2 Массовый расход воздуха
qm через одно сопло вычисляют по формуле (В.3)

, (В.3)
где pv - динамическое давление в горловине сопла или разность статических давлений.
Коэффициент расширения Y вычисляют по формуле (В.4)

. (В.4)
Соотношение давлений,

, вычисляют по формуле (В.5)

. (В.5)
Объемный расход воздуха qV на выходе из сопла вычисляют по формуле (В.6)

, (В.6)
где

вычисляют по формуле (В.7)

, (В.7)
где Wn - удельная влажность на выходе из сопла.
В.6.3 Воздушный поток через несколько сопел может быть вычислен в соответствии с
В.6.2, учитывая, что общий расход есть сумма значений
qm или
qV для каждого используемого сопла.
В.7. Измерения воздушного потока вентиляции, вытяжки и утечки. Калориметрический метод испытания
В.7.1 Воздушные потоки вентиляции, вытяжки и утечки следует измерять, используя аппаратуру, подобную той, что представлена на рисунке В.3, с работающей системой охлаждения и после достижения равновесия конденсата.
1 - манометры давления; 2 - разгрузочная камера;
3 - вытяжной вентилятор; 4 - заслонка; 5 - сопло; 6 - трубка
забора; Dn - диаметр горловины сопла, м; pc - давление
выравнивания в отсеке; pv - скоростной напор через сопло
Рисунок В.3 - Устройство выравнивания давлений
В.7.2 С выравнивающим устройством, отрегулированным на перепад максимального статического давления 1 Па между отсеками на внутренней и наружной стороне калориметрической камеры, следует считывать следующие показания:
a) барометрическое давление;
b) температуры в соплах по сухому и влажному термометру;
c) скоростной напор в сопло.
В.7.3 Значения воздушного потока следует вычислять в соответствии с
В.6.2.
(обязательное)
КАЛОРИМЕТРИЧЕСКИЙ МЕТОД ИСПЫТАНИЯ
Г.1.1 Калориметр предоставляет метод для определения производительности одновременно на обеих сторонах (внутренней и наружной). В режиме охлаждения определение производительности на внутренней стороне следует осуществлять путем балансирования эффектов охлаждения и одновременного удаления влаги с измеренным подводом тепла и воды. Производительность с наружной стороны предоставляет данные для анализа охлаждения и удаления влаги путем балансирования отводом тепла и воды на стороне испарителя с измеренным количеством холода.
Г.1.2 Два калориметрических отсека (внутренняя и наружная сторона) разделяются изолированной перегородкой, имеющей отверстие, в которое монтируется моноблочное (не сетевое) оборудование. Это оборудование следует устанавливать максимально приближенно к условиям нормальной эксплуатации. Не следует герметизировать внутреннюю конструкцию оборудования для предотвращения утечки воздуха со стороны конденсирующего устройства на стороне испарителя или наоборот. Не следует производить никаких подсоединений или изменений в оборудовании, которые могли бы так или иначе изменить его нормальную работу.
Г.1.3 Устройство выравнивания давления, как показано на
рисунке В.3, следует установить в разделительной стенке между отсеками внутренней и наружной сторон, чтобы поддерживать баланс давлений между этими отсеками, а также предоставить возможность измерения утечки, отвода и вентиляции воздуха. Это устройство состоит из одного или нескольких сопел типа, показанного на
рисунке В.2, разгрузочной камеры, оснащенной вытяжным вентилятором и манометрами для измерения давлений в отсеке и воздушном потоке.
Так как воздушный поток из одного отсека в другой может быть любого направления, то следует использовать два таких устройства, работающих в противоположных направлениях, или одно устройство реверсивного типа. Трубки отбора давления, измеряемого манометрами, следует расположить таким образом, чтобы на них не влиял воздух, выходящий из оборудования, или отвод воздуха из устройства выравнивания давления. Вентилятор, который отводит воздух из разгрузочной камеры, может изменять воздушный поток любым подходящим способом, например, с помощью привода переменной скорости или с помощью заслонки, как показано на
рисунке В.3. Отвод воздуха от этого вентилятора следует осуществлять таким образом, чтобы не влиять на воздух, входящий в оборудование.
Устройство выравнивания давления следует регулировать во время калориметрических испытаний или измерений воздушного потока так, чтобы перепад статического давления между отсеками внутренней и наружной сторон поддерживался на уровне не более 1,25 Па.
Г.1.4 Калориметр следует делать такого размера, чтобы не существовало каких-либо ограничений для воздухозаборного или выпускного отверстия оборудования. Перфорированные пластины или подходящие для этих целей решетки следует установить на выпускном отверстии оборудования повторного кондиционирования так, чтобы они ограничивали фронтальную скорость, которая не должна превышать 0,5 м/с. Следует предусмотреть достаточное пространство перед любыми решетками впуска и выпуска воздуха из оборудования, чтобы не нарушать воздушный поток. Минимальное расстояние от оборудования до боковых стенок или потолка отсека(ов) должно быть 1 м, за исключением задней стороны оборудования консольного типа, которое следует устанавливать в нормальном положении по отношению к стене. Потолочное оборудование следует устанавливать на минимальном расстоянии 1,8 м от пола. В таблице Г.1 предлагаются размеры калориметра. При специфических размерах оборудования могут потребоваться изменения предложенных размеров.
Таблица Г.1
Размеры калориметрической камеры
Номинальная холодопроизводительность оборудования <a>, Вт | Предложенные минимальные внутренние размеры каждого отсека калориметра, м |
Ширина | Высота | Длина |
3 000 | 2,4 | 2,1 | 1,8 |
6 000 | 2,4 | 2,1 | 2,4 |
9 000 | 2,7 | 2,4 | 3,0 |
| 3,0 | 2,4 | 3,7 |
<a> Все значения являются округленными числами. <b> Для оборудования большей производительности требуется калориметрическая камера большего размера. |
Г.1.5 Каждый отсек следует оснастить оборудованием повторного кондиционирования, чтобы поддерживать заданный воздушный поток и установленные необходимые условия. Аппаратура повторного кондиционирования для отсека внутренней стороны включает нагреватели ощутимой теплоты и увлажнитель для обеспечения влажности. Аппаратура повторного кондиционирования для отсека наружной стороны обеспечивает охлаждение, удаление влаги и увлажнение. Подаваемую энергию следует контролировать и измерять.
Г.1.6 Когда калориметры используются для тепловых насосов, они должны обладать способностями отопления, увлажнения и охлаждения каждого помещения (см. рисунки Г.1 и
Г.2). Другие средства, например, вращающееся оборудование, можно использовать до тех пор, пока они поддерживают номинальные условия.
1 - отсек наружной стороны; 2 - теплообменник охлаждения;
3 - теплообменник нагрева; 4 - увлажнитель; 5 - вентилятор;
6 - смеситель; 7 - трубка отбора проб воздуха;
8 - исследуемое оборудование; 9 - отсек внутренней
стороны; 10 - устройство выравнивания давления
Рисунок Г.1 - Типичный калиброванный калориметр
комнатного типа
1 - воздушное пространство с регулируемой температурой;
2 - отсек наружной стороны; 3 - теплообменник охлаждения;
4 - теплообменник нагрева; 5 - увлажнитель; 6 - вентилятор;
7 - смеситель; 8 - трубка отбора пробы воздуха;
9 - исследуемое оборудование; 10 - отсек внутренней
стороны; 11 - устройство выравнивания давления
Рисунок Г.2 - Типичный калориметр комнатного типа,
сбалансированный по окружающей среде
Г.1.7 Аппаратура повторного кондиционирования для обоих отсеков следует оснастить вентиляторами достаточной производительности, чтобы обеспечить воздушные потоки не меньше двойной величины воздуха, выпускаемого исследуемым оборудованием в калориметрическую камеру. Калориметрическую камеру следует оснастить средствами измерения или определения заданных температур по сухому и влажному термометрам в обоих отсеках.
Г.1.8 Считается, что в обоих отсеках на внутренней стороне и наружной стороне температурные градиенты и модели воздушного потока являются результатом взаимодействия аппаратуры повторного кондиционирования и исследуемого оборудования. Следовательно, в отношении выпуска воздуха результирующие условия являются специфическими для комбинации различных факторов (размера отсека, расположения и габаритов аппарата повторного кондиционирования) и зависимы от них, а также от характеристик исследуемого оборудования.
Точку измерения заданной испытательной температуры, измеренной по сухому и влажному термометрам, следует подбирать так, чтобы выполнить следующие условия:
a) измеренные температуры должны быть репрезентативными для температуры среды, окружающей оборудование. Они должны имитировать условия, встречающиеся при реальном применении для обеих сторон (внутренней и наружной);
b) точку измерения температуры воздуха следует расположить так, чтобы оградить от влияния воздуха, выпускаемого любым блоком оборудования. Это условие делает обязательным замер температур на входящем потоке при любой рециркуляции, производимой оборудованием;
c) трубки отбора воздуха следует располагать со стороны впуска в оборудование, проходящего испытание.
Г.1.9 Во время испытаний теплопроизводительности теплового насоса температура воздуха, отводимого с внутренней стороны, должна быть под текущим контролем, чтобы на его тепловые характеристики не влияло образование инея и наледи на теплообменнике наружной стороны. Одно устройство измерения температуры, расположенное в центре выпуска воздуха с внутренней стороны, является достаточным, чтобы показывать любое изменение в температуре выпуска воздуха внутренней стороны, вызванное нарастанием снеговой шубы на теплообменнике наружной стороны.
Г.1.10 Внутренние поверхности отсеков калориметрической камеры следует делать не из пористого материала, с герметизацией всех соединений от утечки воздуха и влаги. Входную дверь следует делать плотной и предохраняющей от утечек воздуха и влаги с помощью прокладок или других уплотняющих средств.
Г.1.11 Если органы управления размораживанием на тепловом насосе предусматривают остановку внутреннего воздушного потока, то должны быть приняты меры одновременной остановки воздушных потоков измерительных приборов к оборудованию на обеих сторонах (внутренней и наружной) на протяжении периода размораживания. Если желательно поддерживать работу аппаратуры повторного кондиционирования во время периода размораживания, то могут быть приняты меры обхода кондиционированного воздуха вокруг оборудования до тех пор, пока существует уверенность, что кондиционированный воздух не помогает в размораживании. Следует использовать электросчетчик для получения значения полной электрической мощности, подводимой к оборудованию на испытании.
Г.2. Калиброванный калориметр комнатного типа
Г.2.1 Потери тепла могут быть установлены в отсеке внутренней или наружной стороны следующим методом. Все проемы следует закрыть. Один из двух отсеков следует отапливать с помощью электрических нагревателей до уровня температуры не менее чем на 11 °C выше температуры окружающего воздуха. Температуру окружающей среды следует поддерживать с точностью +/- 1 °C за пределами всех шести охватывающих поверхностей отсека, включая разделительную перегородку. Если конструкция перегородки аналогична другим стенам, то потери теплоты через перегородку могут быть установлены на основе пропорциональной площади.
Г.2.2 Для калибровки потери тепла только через одну разделительную перегородку можно использовать следующую методику. Испытание проводят согласно
Г.2.1. Затем температуру смежной зоны на другой стороне разделительной перегородки поднимают до уровня температуры отапливаемого отсека, исключая, таким образом, потери тепла через перегородку. Температуру поднимают до тех пор, пока сохраняется разность температур в 11 °C между отапливаемым отсеком и воздухом, окружающим пять охватывающих поверхностей другого отсека.
Разность в количестве подводимого тепла между первым и вторым испытанием позволит установить потери только через одну разделительную перегородку.
Г.2.3 Для отсека наружной стороны, оснащенного устройствами охлаждения, могут быть использованы альтернативные средства, чтобы охлаждать отсек до уровня температуры не менее чем на 11 °C ниже температуры окружающей среды (на шести поверхностях) и проводить аналогичный анализ.
Г.2.4 В дополнение к двухкомнатному одновременному методу определения производительностей, работоспособность отсека на внутренней стороне следует проверять не менее чем через каждые шесть месяцев, используя промышленно-стандартное устройство калибровки холодопроизводительности. Калибрующим устройством может быть также другой блок оборудования, характеристики которого были определены методом измерений одновременно на обеих сторонах, внутренней и наружной, в аккредитованной лаборатории.
Г.3. Калориметр комнатного типа, сбалансированный по окружающей среде
Г.3.1 Калориметр комнатного типа, сбалансированный по окружающей атмосфере, показан на
рисунке Г.2. Он основан на принципе поддержания температуры воздуха (по сухому термометру) в окружающем конкретный отсек воздушном пространстве, равной температуре (по сухому термометру) воздуха внутри отсека. Если температура в воздушном пространстве (по влажному термометру) также поддерживается равной температуре в отсеке, то положения
Г.1.10, касающиеся парообразования, не требуются.
Г.3.2 Чтобы обеспечить одинаковую температуру воздуха, пол, потолок и стены промежуточного отсека калориметра должны быть на достаточном расстоянии от пола, потолка и стен. Рекомендованное расстояние - 0,3 м. Должны быть предусмотрены средства для циркуляции воздуха в окружающем отсек воздушном пространстве.
Г.3.3 Потери тепла через разделительную перегородку должны быть представлены в виде расчета теплового баланса, а также могут быть измерены в соответствии с
Г.2.2.
Г.3.4 Чтобы ограничить тепловые потери (включая излучение) до величины не больше 10% производительности исследуемого оборудования (при использовании методики
Г.3.2), рекомендуется теплоизолировать пол, потолок и стены отсеков калориметрической камеры.
Примечание - Тепловые потери в 10% при температурной разнице в 11 °C или 300 Вт. Следует выбирать то, что больше.
Г.4. Расчет холодопроизводительности
Г.4.1 Измеряемые величины расхода энергии, используемые для расчета общей холодопроизводительности на основе измерений на внутренней и внешней стороне, показаны на рисунке Г.3.
1 - отсек наружной стороны; 2 - исследуемое оборудование;
3 - отсек внутренней стороны
Примечание - Значения показателей, представленных на рисунке, вычисляют по
формуле (Г.1) -
(Г.4).
Рисунок Г.3 - Потоки энергии в калориметрической камере
во время испытаний холодопроизводительности
Г.4.2 Общая холодопроизводительность на внутренней стороне

при испытании в калиброванной или сбалансированной по окружающей среде калориметрической камере комнатного типа (см.
рисунки Г.1 и
Г.2) вычисляют по формуле (Г.1)

. (Г.1)
Примечание - Если вода не используется во время испытания, то hw1 берется при температуре воды в баке увлажнителя аппаратуры кондиционирования.
Г.4.3 В случае, когда нецелесообразно измерять температуру воздуха, отводимого из отсека внутренней стороны и подаваемого в отсек наружной стороны, температуру конденсата можно принимать за величину, измеренную или рассчитанную по влажному термометру, для воздуха, отводимого из испытательного оборудования.
Г.4.4 Водяной пар, сконденсированный исследуемым оборудованием Wr, может быть определен путем измерения количества воды, которая испаряется в отсеке внутренней стороны оборудования внутреннего кондиционирования, чтобы поддерживать необходимую влажность.
Г.4.5 Тепловые потери

в отсеке внутренней стороны через разделительную перегородку между внутренней и наружной сторонами могут быть установлены путем проведения калибровочного испытания или, в случае сбалансированного по окружающей среде отсека комнатного типа, на основе расчетов.
Г.4.6 Общая холодопроизводительность на наружной стороне,

, при испытании в калиброванном или сбалансированном по окружающей среде калориметре комнатного типа (см.
рисунки Г.1 и
Г.2) вычисляют, используя уравнение (Г.2)

. (Г.2)
Примечание - Энтальпия hw3 берется при температуре, с которой конденсат отводится из аппарата повторного кондиционирования на наружной стороне.
Г.4.7 Оценка потерь тепла в отсеке внутренней стороны

через разделительную перегородку между отсеками внутренней и наружной сторон может быть количественно установлена из калибровочного испытания или, в случае сбалансированного по окружающей среде отсека комнатного типа, на основе вычислений.
Примечание - Эта величина численно равна величине из
формулы (Г.1), если площадь разделительной перегородки, открытая для потерь с наружной стороны, равна площади, открытой для потерь в отсеке внутренней стороны.
Г.4.8 Скрытую холодопроизводительность (осушающая производительность)

вычисляют по формуле (Г.3)

. (Г.3)
Г.4.9 Явную холодопроизводительность

вычисляют по формуле (Г.4)

. (Г.4)
Г.4.10 Коэффициент ощутимого тепла (SHR) вычисляют, используя следующее отношение

.
Г.5. Расчет теплопроизводительности
Г.5.1 Измеряемые величины расхода энергии, используемые для расчета общей теплопроизводительности на основе измерений на внутренней и наружной сторонах, показаны на рисунке Г.4.
1 - отсек наружной стороны; 2 - исследуемое оборудование;
3 - отсек внутренней стороны
Примечание - Значения показателей, представленных на рисунке, вычисляют по
формулам (Г.5) и
(Г.6).
Рисунок Г.4 - Потоки энергии в калориметрической камере
во время испытаний холодопроизводительности
Г.5.2 Теплопроизводительность на внутренней стороне путем измерений калориметром в отсеке на внутренней стороне

вычисляют по формуле (Г.5)

. (Г.5)
Примечание - Величина

- это другая мощность, подводимая в отсек внутренней стороны (например, освещение, электрическая и тепловая энергия, подводимая в компенсирующее устройство, тепловое устройство баланса влажности).
Г.5.3 Теплопроизводительность путем измерения на стороне поглощения тепла

вычисляют по формуле (Г.6) в случае, когда испаритель забирает тепло из воздушного потока

, (Г.6)
где

- общая мощность, подводимая к отсеку наружной стороны, за исключением мощности, подводимой к оборудованию, Вт;
qm,w - массовый расход воды, подаваемой в отсек наружной стороны для поддержания испытательных условий, кг/с;
hw5 - удельная энтальпия водного конденсата (при испытаниях для высоких температурных условий) и, соответственно, снеговой шубы (при испытаниях для низких или сверхнизких температурных условий) в исследуемом устройстве, Дж/кг;

- потери тепла через ограждающие поверхности в отсек наружной стороны, Вт.
(обязательное)
МЕТОД ЭНТАЛЬПИИ ВОЗДУХА НА ВНУТРЕННЕЙ СТОРОНЕ
Производительности по методу энтальпии воздуха определяются на основе измерений температур (по влажному и сухому термометру) подаваемого и отводимого воздуха, а также соответствующего расхода воздушного потока.
Д.2.1 Воздух, отводимый от оборудования, проходящего испытание, должен направляться непосредственно в разгрузочную камеру. Если прямое соединение между оборудованием и разгрузочной камерой невозможно, то небольшую камеру статического давления прикрепляют к оборудованию. В этом случае камера должна иметь такой же размер, как и выпускное отверстие оборудования или ее конструкция не должна допускать расширение потока воздуха. Площадь поперечного сечения канала воздушного потока через разгрузочную камеру должна быть такой, чтобы средняя скорость воздуха была меньше на 1,25 м/с по сравнению со скоростью воздушного потока исследуемого оборудования. Разность статического давления между разгрузочной камерой и впускным отверстием исследуемого оборудования должна быть равна нулю. Пример настройки испытательной разгрузочной камеры показан на рисунке Д.1.
a - к отборнику воздуха и аппарату измерения воздушного потока;
b -
J = 2
De, где

;
A и B - размеры выпускных отверстий оборудования;
c - v2 - средняя скорость воздуха
1 - наконечники в отверстиях измерения статического
давления; 2 - исследуемое оборудование
Рисунок Д.1 - Требования к разгрузочной
камере при использовании метода энтальпии
воздуха на внутренней стороне
Измерения воздушного потока осуществляют в соответствии с положениями, установленными в
приложении В.
Примечание - Дополнительное руководство можно найти в
[3] и
[4], а в зависимости от ситуации, и в положениях настоящего приложения.
Д.2.2 Если для проведения испытаний холодопроизводительности или теплопроизводительности в установившемся состоянии используется метод энтальпии внутреннего воздуха, то должны применяться дополнительные допустимые отклонения для испытания, приведенные в таблице Д.1.
Таблица Д.1
Колебания, допустимые во время проведения испытаний
холодопроизводительности или теплопроизводительности
в установившемся состоянии, при использовании
метода энтальпии внутреннего воздуха
Показание | Среднеарифметическое отклонение от заданных условий испытания | Максимальное отклонение отдельных показаний от заданных условий испытания |
Температура воздуха, отводимого из внутренней стороны калориметра: | | |
- измеренная по сухому термометру, °C <a> | - | +/- 2,0 |
Внешнее сопротивление внутреннему воздушному потоку, Па | +/- 5 | +/- 5 |
<a> Допустимое отклонение представляет наибольшую допустимую разность между минимальным и максимальным наблюдениями во время проверки. |
Д.2.3 Когда проводят испытания теплопроизводительности в режиме переходного процесса, используя метод испытания энтальпии воздуха на внутренней стороне, должны применяться дополнительные допустимые отклонения для испытания таблицы Д.2.
Таблица Д.2
Колебания, допустимые во время испытаний
в режиме отопления в условиях переходного процесса,
которые применяются только при использовании метода
энтальпии воздуха внутренней стороны
Показание | Среднеарифметическое отклонение от заданных условий испытания | Максимальное отклонение отдельных показаний от заданных условий испытания |
| | | |
Внешнее сопротивление потоку воздуха | +/- 5 Па | - | +/- 5 Па | - |
<a> Применяется, когда тепловой насос находится в режиме отопления, кроме первых 10 мин после завершения цикла размораживания. <b> Применяется во время цикла размораживания и первые 10 мин после окончания цикла при работе теплового насоса в режиме отопления. Примечание - Испытания в режиме переходного процесса см. 7.1.11. |
Д.3. Расчет холодопроизводительности
Общую холодопроизводительность на основе данных испытаний на внутренней стороне

вычисляют по формуле (Д.1)

. (Д.1)
Явную холодопроизводительность на основе данных испытания на внутренней стороне

вычисляют по формуле (Д.2):

. (Д.2)
Скрытую холодопроизводительность на основе данных испытания на внутренней стороне

вычисляют по формуле (Д.3) или
(Д.4)

, (Д.3)

. (Д.4)
Д.4. Расчет теплопроизводительности
Общую теплопроизводительность на основе данных испытания на внутренней стороне

вычисляют по формуле (Д.5)

. (Д.5)
Д.5. Измерения энтальпии воздушного потока
Д.5.1 Общие положения
Рекомендуемые расположения испытательной аппаратуры
Д.5.2 Метод энтальпии воздуха в туннеле
Испытуемое оборудование располагают в одном или нескольких помещениях для испытаний. Устройство для измерения воздуха присоединяют к разгрузочному оборудованию (внутри и/или снаружи, в зависимости от применения). Устройство разгрузки находится непосредственно в испытательной камере или в пространстве, которое снабжено подходящими средствами для поддержания воздуха, подаваемого в оборудование, в нужных температурах, измеренных по влажному и сухому термометру (см. рисунок Д.2). Должны быть предусмотрены соответствующие средства для измерения температуры поступающего в оборудование и отводимого из него воздуха по сухому и влажному термометру.
1 - отсек наружной стороны; 2 - наружный блок испытуемого
оборудования; 3 - секция испытуемого оборудования
с внутренним теплообменником; 4 - измерительные приборы
температуры и влажности; 5 - смеситель; 6 - аппаратура
измерения воздушного потока; 7 - дверь/окно; 8 - изоляция;
9 - отсек внутренней стороны; 10 - аппарат кондиционирования
помещения; 11 - аппаратура для измерения перепада давления
Рисунок Д.2 - Метод энтальпии воздуха в тоннеле
Д.5.3 Метод энтальпии воздуха в контуре
Эта схема расположения отличается от тоннельной тем, что разгрузочное устройство измерения воздуха подсоединяют к подходящему оборудованию повторного кондиционирования, которое, в свою очередь, подсоединяют к впуску в оборудование (см. рисунок Д.3). В результате испытательная "петля" должна быть герметичной, чтобы утечка воздуха в местах, влияющих на измерения производительности, не превышала 1,0% показателя испытательного воздушного потока. Температура по сухому термометру для воздуха, окружающего оборудование, должна поддерживаться с точностью +/- 3,0 °C желательной испытательной температуры на входе. Температуры (по сухому и влажному термометру) и внешнее сопротивление должны быть измерены с помощью соответствующих средств.
1 - отсек наружной стороны; 2 - наружный блок испытуемого
оборудования; 3 - внутренний блок испытуемого оборудования;
4 - измерительные приборы температуры и влажности;
5 - аппарат повторного кондиционирования; 6 - аппаратура
измерения воздушного потока; 7 - отсек внутренней стороны;
8 - аппаратура измерения перепада давления;
a - воздушный поток
Рисунок Д.3 - Схема расположения при методе энтальпии
воздуха в контуре
Д.6. Калориметрический метод энтальпии воздуха
Для оборудования, в котором компрессор проветривается независимо от внутреннего воздушного потока, следует использовать калориметрический метод энтальпии воздуха, чтобы учесть тепловое излучение компрессора (см. рисунок Д.4). В этом случае следует закрыть ограждающей оболочкой исследуемое оборудование или соответствующую его часть. Эта оболочка может быть изготовлена из любого подходящего материала, но она не должна быть гигроскопичной; она также должна быть воздухонепроницаемой и предпочтительно теплоизолированной. Она должна быть достаточно объемной, чтобы обеспечивать свободную циркуляцию приточного воздуха между оборудованием и оболочкой. Ни в коем случае оболочка не должна быть ближе 150 мм к любой части оборудования. Вход в оболочку должен быть удаленно расположен от входа в оборудование, чтобы вызвать циркуляцию по всему замкнутому пространству. Устройство измерения воздуха следует подсоединить к разряженному входу оборудования. Это устройство должно быть хорошо изолировано в местах, где оно входит в замкнутое пространство. Температуры воздуха по влажному и сухому термометру, который подается в оборудование, должны быть измерены на входе в оболочку. Измерения температуры и внешнего сопротивления должны быть проведены подходящими средствами.

1 - отсек наружной стороны; 2 - наружный блок испытуемого
оборудования; 3 - впуск воздуха; 4 - измерительные приборы
температуры и влажности; 5 - аппаратура для измерения
перепада давления; 6 - секция испытуемого оборудования
с внутренним теплообменником; 7 - оболочка; 8 - отсек
внутренней стороны; 9 - аппаратура измерения воздушного
потока; 10 - аппарат кондиционирования помещения;
a - воздушный поток
Рисунок Д.4 - Расположение для калориметрического
метода энтальпии воздуха
(справочное)
МЕТОД КАЛИБРОВКИ КОМПРЕССОРА
Е.1.1 В этом методе общие холодо- и теплопроизводительности определяются следующим образом:
a) по измерениям свойств входящего и выходящего хладагента на внутренней стороне и связанному расходу хладагента, установленному последующей калибровкой компрессора в идентичных условиях эксплуатации. Следует использовать прямые измерения производительности, когда перегрев хладагента из испарителя составляет меньше 3,0 °C;
b) путем измерения производительности непосредственно калориметром, когда компрессор работает в идентичных условиях, которые были и во время испытания оборудования.
| | ИС МЕГАНОРМ: примечание. В официальном тексте документа, видимо, допущена опечатка: имеются в виду пункты Е.2 и Е.3, а не пункты F.2 и F.3. | |
Е.1.2 Когда применяется метод калибровки компрессора, то требования в
F.2 и
F.3 применяются к испытанию оборудования и методу калибровки компрессора.
Е.1.3 В значения холодо- и теплопроизводительности, полученные методом калибровки компрессора, следует включить тепловой эффект вентилятора.
Е.2. Измерение свойств хладагента
Е.2.1 Оборудование должно работать в требуемых условиях испытаний, измерения температуры, и давления хладагента на входе и выходе из компрессора следует регистрировать через равные промежутки времени, продолжительностью не более 5 мин. Эти показания следует регистрировать во время периода сбора данных при проведении испытаний холодо- и теплопроизводительности.
Е.2.2 На оборудовании, на котором не предусмотрена зарядка хладагентом, манометры могут быть врезаны в линии хладагента.
Е.2.3 На оборудовании, чувствительном к зарядке хладагента, следует определять давление хладагента после проведения испытаний, поскольку подсоединение соответствующих манометров может привести к потери заряда. Чтобы измерить свойства хладагента, температуры измеряют во время испытания с помощью термопар, припаянных к изгибам возврата в средних точках каждого контура теплообменника на внутренней и наружной стороне или в точках, не затронутых перегревом пара или переохлаждением жидкости. Затем манометры подсоединяют к линиям, оборудование удаляют и заряжают типом и количеством хладагента, заданного на заводской табличке. Затем оборудование снова работает в режиме испытания. В случае необходимости хладагент добавляют или удаляют до тех пор, пока измерения термопар на теплообменнике не будут в пределах +/- 0,3 °C от первоначальных значений. Температуры пара хладагента, входящего в компрессор, и хладагента, выходящего из него, должны быть в пределах +/- 2,0 °C от первоначальных значений, а температура жидкости, поступающей в расширительное устройство, измеряется с точностью +/- 0,6 °C. Затем следует соблюдать рабочие давления.
Е.2.4 Температуры хладагента следует измерять с помощью термопар, припаянных к линиям в соответствующих местах.
Е.2.5 Термопары не следует снимать, заменять и т.д. на протяжении любого периода испытания полной производительности.
Е.2.6 Температуры и давления паров хладагента на входе в компрессор и хладагента на выходе следует измерять в линиях хладагента на расстоянии приблизительно в 250 мм от корпуса компрессора. Если обратный клапан включается в калибровку, такие же данные следует измерять на линиях к теплообменникам на расстоянии приблизительно в 250 мм от клапана.
Е.3. Калибровка компрессора
Е.3.1 Расход хладагента qr следует определять из калибровки компрессора по заданным значениям давления и температуры хладагента на входе и выходе из компрессора, оставляя испытания давления и температуры хладагента одним из основных методов испытаний.
Примечание - Методы испытаний установлены в
[5].
Е.3.2 Калибровочные испытания следует выполнять с компрессором и обратным клапаном (если применяется) при той же самой температуре окружающей среды и модели распределения воздуха, как и в испытуемом оборудовании.
Е.3.3 Расход хладагента
qr вычисляют по формуле (Е.1)

, (Е.1)
для:
a) калориметрического метода вторичного хладагента;
b) калориметрического метода первичного хладагента заполненной системы;
c) калориметрического метода первичного хладагента сухой системы;
d) калориметрического метода концентрических труб.
Е.3.4 Метод с применением измерителя расхода газообразного хладагента дает непосредственно величину потока хладагента.
Е.3.5 Общую холодопроизводительность вычисляют в соответствии с
Е.5.1 и
Е.5.2. Общую теплопроизводительность вычисляют в соответствии с
Е.6.
Е.4. Непосредственные измерения теплопроизводительности
Е.4.1 Для калибровочных испытаний компрессора, когда перегрев испарителя на цикле нагревания меньше 3,0 °C, расход хладагента следует определять с использованием отвода тепла из конденсатора калориметра. Для этого требуется конденсатор с водяным охлаждением, изолированный от потерь тепла. Этот конденсатор может быть использован с любой схемой калориметрического расположения, указанного в
Е.3.3.
Е.4.2 Этот метод может быть использован только в случае, если вычисленные потери тепла из конденсатора в окружающую среду составляют менее 2% холодильного эффекта компрессора.
Е.4.3 Калибровочное испытание компрессора следует проводить в соответствии с
Е.3. Дополнительными необходимыми данными являются:
a) температура и давление хладагента на входе в компрессор;
b) температура и давление хладагента на выходе из компрессора;
c) температуры воды на входе и выходе от конденсатора;
d) температура среды, окружающей конденсатор;
e) количество воды для охлаждения конденсатора;
f) средняя температура поверхности рубашки конденсатора, которая открыта для воздействия окружающей среды.
Е.4.4 Расход хладагента qr вычисляют по формуле (Е.2)

. (Е.2)
Е.5. Расчет холодопроизводительности
Е.5.1 Для испытаний, в которых перегрев испарителя составляет 3,0 °C или больше, общую холодопроизводительность на основе данных калибровки компрессора вычисляют на основании расхода хладагента по формуле (Е.3)

. (Е.3)
Е.5.2 Для испытаний, в которых перегрев испарителя составляет меньше 3,0 °C, общую холодопроизводительность вычисляют по формуле (Е.4)

. (Е.4)
Е.6. Расчет теплопроизводительности
Общую теплопроизводительность

на основе данных калибровки компрессора вычисляют из расхода хладагента по формуле (Е.5)

. (Е.5)
(справочное)
МЕТОД ЭНТАЛЬПИИ ХЛАДАГЕНТА
Ж.1 Общие положения
Ж.1.1 В данном испытательном методе производительность определяется из расхода и изменения энтальпии хладагента. Изменения энтальпии определяют на основе измерений давления и температуры хладагента на входе и выходе, а расход определяют с помощью соответствующего расходомера.
Ж.1.2 Этот метод может быть применен для испытаний оборудования, в которых количество хладагента для зарядки системы не имеет критического значения и нормальная процедура установки предусматривает подключение к имеющимся на месте трубопроводам хладагента.
Ж.1.3 Этот метод не следует применять как для испытаний, в которых охлаждающая жидкость на выходе расходомера переохлаждается менее чем на 2,0 °C, так и для испытаний, в которых перегревание пара на выходе внутренней стороны меньше 3,0 °C.
Ж.1.4 В значения холодо- и теплопроизводительности, полученные методом энтальпии хладагента, следует включить тепловой эффект вентилятора.
Ж.2 Метод расхода хладагента
Ж.2.1 Расход хладагента следует измерять расходомером интегрального типа в трубопроводе жидкого хладагента перед регулятором хладагента. Этот расходомер должен иметь такие размеры, чтобы падение давления на нем не превышало изменения давления пара, вызванного изменением температуры на 2,0 °C.
Ж.2.2 Приборы измерения температуры и давления, а также смотровое окно следует установить сразу после расходомера, чтобы определять, на нужную ли величину переохлаждена охлаждающая жидкость. Переохлаждение на 2,0 °C и отсутствие пузырьков пара в жидкости на выходе расходомера позволяют считать это условие выполненным. Рекомендуется устанавливать расходомер в нижней точке, вертикальной, обращенной вниз петли жидкостного трубопровода, чтобы воспользоваться статическим напором жидкости.
| | ИС МЕГАНОРМ: примечание. В официальном тексте документа, видимо, допущена опечатка: имеется в виду формула (Ж.1), а не формула (G.1). | |
Ж.2.3 В конце испытаний можно взять из оборудования пробу смеси циркулирующего в системе хладагента и масла и вычислить процентное содержимое смазочного масла по формуле (G.1)

. (Ж.1)
В указанную величину полного расхода следует вносить поправку на количество циркулирующего смазочного масла.
Ж.3 Измерения температуры и давления хладагента
Температуру и давление хладагента на входе и выходе на внутренней стороне оборудования следует измерять с помощью приборов, имеющих точность +/- 0,1 °C. Давление хладагента на входе и выходе на внутренней стороне оборудования следует измерять прибором, имеющим точность +/- 2,0% от указанного значения.
Ж.4 Расчет холодопроизводительности
| | ИС МЕГАНОРМ: примечание. В официальном тексте документа, видимо, допущена опечатка: имеется в виду формула (Ж.2), а не формула (G.2). | |
Общую холодопроизводительность

на основе данных расхода летучего хладагента вычисляют по формуле (G.2)

. (Ж.2)
Ж.5 Расчет теплопроизводительности
| | ИС МЕГАНОРМ: примечание. В официальном тексте документа, видимо, допущена опечатка: имеется в виду формула (Ж.3), а не формула (G.3). | |
Общую теплопроизводительность

на основе данных расхода летучего хладагента вычисляют по формуле (G.3)

. (Ж.3)
(справочное)
МЕТОД ЭНТАЛЬПИИ ВОЗДУХА НАРУЖНОЙ СТОРОНЫ
И.1.1 Используя метод воздушной энтальпии, значение производительности определяют, измеряя температуру воздуха на входе и выходе оборудования по влажному и сухому термометру, а также соответствующий расход воздуха.
И.1.2 На испытания с использованием метода энтальпии воздуха наружной стороны распространяются ограничения в схеме расположения испытательной аппаратуры в соответствии с
И.2.1. Дополнительные положения применяются, если компрессор вентилируется независимо (см.
И.2.2). Настройки для корректировки потерь линии (см.
И.4.3) могут быть выполнены, если в оборудовании применяются удаленные наружные теплообменники.
И.2. Требования к помещению для проведения испытаний
И.2.1 В случае использования для испытаний метода энтальпии воздуха наружной стороны необходимо проверить, не изменяются ли в результате включения измерительных устройств эксплуатационные характеристики испытуемого оборудования, и, если изменяются, внести корректировки (см.
рисунок И.1). Для этого на оборудовании должны быть установлены термопары, припаянные к U-образным коленам приблизительно в центральных точках контура каждого внутреннего и внешнего теплообменника. На оборудовании, для которого количество заправленного хладагента несущественно, можно установить манометры, соединенные с проходным клапаном или же вмонтировать их во всасывающий и нагнетательный трубопроводы. Затем оборудование следует включить в заданный рабочий режим с подсоединенной испытательной аппаратурой только на внутренней стороне. Данные следует регистрировать через каждые 10 мин на протяжении как минимум 30 мин после достижения состояния равновесия. Затем к оборудованию следует подключить испытательную аппаратуру наружной стороны и снять показания давления или температуры с упомянутых выше манометров и термопар. Если после достижения состояния равновесия показание будет отличаться от средних значений, полученных во время предварительных испытаний более чем на +/- 0,3 °C (или на эквивалент этой величины к давлению), то проводят настройку расхода воздуха внешней стороны до тех пор, пока это условие не будет соблюдено. Испытание следует проводить на протяжении 30 мин после достижения равновесия при нужных условиях с подключенной испытательной установкой для внешней стороны, и на протяжении этого периода результаты испытаний для внутренней стороны не должны отличаться от результатов предварительных испытаний более чем на +/- 2,0%. Это применимо как к циклу охлаждения, так и циклу нагрева, но только при проведении испытаний раздельно.
И.2.2 Для оборудования, в котором имеется независимая вентиляция компрессора, осуществляемая потоком воздуха наружной стороны, следует использовать калориметрический метод энтальпии воздуха для того, чтобы учесть тепловое излучение компрессора (см. рисунок И.1).
1 - аппарат кондиционирования помещения; 2 - отсек наружной
стороны; 3 - аппаратура измерения воздушного потока;
4 - измерительные приборы температуры и влажности;
5 - смеситель; 6 - наружный блок испытуемого оборудования;
7 - изоляция; 8 - аппаратура для измерения перепада
давления; 9 - секция испытуемого оборудования
с внутренним теплообменником; 10 - дверь/окно;
11 - отсек внутренней стороны
Рисунок И.1 - Схема расположения отсеков, оборудования
и аппаратуры для метода энтальпии воздуха наружной стороны
И.2.3 Если поток наружного воздуха отрегулирован согласно
И.2.1, то отрегулированный расход воздуха используют для расчетов производительности. При этом входную мощность вентилятора наружной стороны, определенную в ходе наблюдений во время предварительных испытаний, следует использовать для расчета номинальных характеристик.
И.3. Условия проведения испытаний
| | ИС МЕГАНОРМ: примечание. В официальном тексте документа, видимо, допущена опечатка: пункт К.2.1 отсутствует. | |
Когда применяется метод энтальпии воздуха наружной стороны, то необходимы требования как к предварительному испытанию, установленные в
6.1.3.1 (см. К.2.1), так и плановые испытания оборудования.
И.4.1 Общую холодопроизводительность на основе данных наружной стороны

вычисляют по формуле (И.1)

. (И.1)
И.4.2 Общую теплопроизводительность на основе данных наружной стороны

вычисляют по формуле (И.2)

. (И.2)
И.4.3 Если делают коррекции на потери в линиях, то их следует включить в расчеты производительности. Допуски следует вычислять по формуле (И.3):

, (И.3)
где

- разность температур между внутренней и наружной поверхностями трубы;

, (И.4)

. (И.5)
(справочное)
МЕТОД ПОДТВЕРЖДАЮЩЕГО ИСПЫТАНИЯ НА ВНУТРЕННЕЙ
СТОРОНЕ КАЛОРИМЕТРИЧЕСКОЙ УСТАНОВКИ
К.1 Общие положения
К.1.1 Настоящее приложение содержит метод испытаний для подтверждения результатов испытаний, когда холодопроизводительность и теплопроизводительность определяют методом энтальпии воздуха на внутренней стороне.
К.1.2 Подтверждение следует выполнить в испытательном помещении, указанном в
Л.2, используя метод измерения, указанный в
К.3.
К.2 Требования к помещению для проведения испытаний
Рекомендуемое помещение для испытаний показано на рисунке К.1. Это помещение следует оборудовать таким образом, чтобы испытательная аппаратура энтальпии воздуха была установлена в отсеке внутренней стороны калориметрической камеры (см.
приложение Г). Калориметрическая камера может быть по типу как калиброванным калориметром комнатного типа, так и калориметром комнатного типа, сбалансированным по окружающей среде. Испытательную аппаратуру энтальпии воздуха следует оснастить не только средством измерения расхода воздуха энтальпии на входе и выходе в испытуемом оборудовании, но и средством измерения общей потребляемой мощности испытательной аппаратуры энтальпии воздуха. Рекомендуется, чтобы воздух, выходящий из испытательной аппаратуры энтальпии воздуха, был направлен в сторону впуска в аппаратуру повторного кондиционирования калориметрической установки.
1 - отсек наружной стороны; 2 - наружный блок испытуемого
оборудования; 3 - трубка отбора пробы воздуха;
4 - внутренний блок испытуемого оборудования; 5 - аппарат
измерения воздушного потока; 6 - смеситель; 7 - вентилятор;
8 - увлажнитель; 9 - теплообменник для нагрева;
10 - теплообменник для охлаждения; 11 - пространство
с регулируемой температурой воздуха;
12 - отсек внутренней стороны
Рисунок К.1 - Схема расположения для метода подтверждающего
испытания на внутренней стороне калориметрической установки
К.3.1 Измерения следует проводить 1 ч после достижения условий равновесия.
К.3.2 Одновременные измерения (калориметрические и измерительной аппаратурой энтальпии воздуха) следует проводить соответствующими методами. Когда используется для измерений калориметрический метод, холодопроизводительность следует рассчитывать в соответствии с
формулой (Г.1), теплопроизводительность - в соответствии с
формулой (Г.5). Аналогично для случая с использованием измерительной аппаратуры энтальпии воздуха: холодопроизводительность следует рассчитывать по
формуле (Д.1), теплопроизводительность - по
формуле (Д.5).
(справочное)
МЕТОД ПОДТВЕРЖДАЮЩЕГО ИСПЫТАНИЯ НА НАРУЖНОЙ
СТОРОНЕ КАЛОРИМЕТРИЧЕСКОЙ УСТАНОВКИ
Л.1 Общие положения
Л.1.1 В настоящем приложении представлен метод испытаний для подтверждения результатов испытаний, когда холодопроизводительность и теплопроизводительность определяют методом энтальпии воздуха на внутренней стороне.
Л.1.2 Подтверждение следует выполнить в испытательном помещении, указанном в Л.2, используя метод измерения, указанный в
Л.3.
Л.2 Требования к помещению для проведения испытаний
Испытательную аппаратуру энтальпии воздуха в отсеке внутренней стороны следует располагать в соответствии с настоящим стандартом. Аппаратом наружной стороны является калориметр, который следует сконструировать и оснастить средствами измерения в соответствии с
приложением Г. Рекомендуемое помещение для испытаний показано на рисунке Л.1.
1 - пространство с регулируемой температурой воздуха; 2 -
отсек наружной стороны; 3 - теплообменник для охлаждения;
4 - теплообменник для нагрева; 5 - увлажнитель;
6 - вентилятор; 7 - смеситель; 8 - наружный блок испытуемого
оборудования; 9 - трубка отбора пробы воздуха; 10 -
внутренний блок испытуемого оборудования; 11 - аппаратура
измерения воздушного потока; 12 - отсек внутренней стороны
Рисунок Л.1 - Схема расположения метода подтверждающего
испытания на наружной стороне калориметрической установки
Л.3.1 Измерения следует проводить 1 ч после достижения условий равновесия.
Л.3.2 Одновременные измерения (с использованием аппаратуры энтальпии воздуха на внутренней стороне и калориметрические на наружной стороне) следует проводить соответствующими методами. Когда используется для измерений калориметрический метод, холодопроизводительность следует рассчитывать по
формуле (Г.2), теплопроизводительность - по
формуле (Г.6).
(справочное)
МЕТОД ПОДТВЕРЖДЕНИЯ РЕЗУЛЬТАТОВ ИСПЫТАНИЙ
В КАЛОРИМЕТРЕ СБАЛАНСИРОВАННОГО ТИПА
М.1 Общие положения
М.1.1 В настоящем приложении представлен метод для производителей, предназначенный для того, чтобы подтверждать результаты испытаний, когда холодопроизводительность и теплопроизводительность определяют испытательным методом энтальпии воздуха на внутренней стороне.
Настоящий метод не следует использовать в испытательных лабораториях в качестве метода подтверждения. Настоящий метод не предусматривает одновременного подтверждения результатов испытаний.
М.1.2 Настоящий метод следует использовать путем установки оборудования, которое было испытано в калориметрической установке сбалансированного типа, и, в тех же условиях, в аппаратуре испытаний энтальпии внутреннего воздуха.
М.1.3 Характеристики аппаратуры энтальпии внутреннего воздуха следует проверять, по крайней мере, каждые 12 месяцев, используя для этих целей стандартное устройство калибровки охлаждения/нагревания. Устройством калибровки может быть любой блок оборудования, для которого рабочие характеристики были измерены в аккредитованной испытательной лаборатории.
М.2 Измерение
М.2.1 При использовании этого метода желательно подтвердить, что нет различия между производительностями, измеренными калориметром и с помощью аппаратуры энтальпии внутреннего воздуха. Для этого на оборудовании должны быть установлены термопары, припаянные к U-образным коленам приблизительно в центральных точках контура каждого внутреннего и внешнего теплообменника. На оборудовании, для которого количество заправленного хладагента несущественно, можно установить манометры, соединенные с проходным клапаном, или же вмонтировать их во всасывающий и нагнетательный трубопроводы.
М.2.2 Сначала испытуемое оборудование следует установить в калориметрической установке сбалансированного типа, описанной в
приложении Г, с целью измерения производительности. Затем оборудование следует переместить в аппаратуру испытаний энтальпии внутреннего воздуха и провести измерения с помощью указанного метода. Желательно измерить значения холодо- и теплопроизводительности, хотя любое из двух значений может быть измерено отдельно. При этом, если холодопроизводительность измеряют калориметром, то же самое измерение следует проводить и с помощью испытательной аппаратуры энтальпии внутреннего воздуха.
М.2.3 Если никаких изменений не вносится при установке испытуемого оборудования, то результаты серии испытаний, проведенных одно за другим, следует считать обоснованными.
(справочное)
ИЗМЕРЕНИЯ КОНДЕНСАТА ОХЛАЖДЕНИЯ
Н.1 Общие положения
Скрытую холодопроизводительность следует определять из измерений расхода конденсата. Конденсат следует улавливать.
Н.2 Расчеты
Н.2.1 Скрытую холодопроизводительность

вычисляют по формуле (Н.1)

. (Н.1)
Н.2.2 Явную холодопроизводительность

вычисляют по формуле (Н.2)

. (Н.2)
(обязательное)
ДОПОЛНИТЕЛЬНЫЕ ТРЕБОВАНИЯ
ДЛЯ ОЦЕНКИ ХАРАКТЕРИСТИК УСТРОЙСТВ
БЕЗ ВЕНТИЛЯТОРОВ (ТЕПЛООБМЕННИКОВ)
П.1.1 За исключением случаев, указанных в настоящем приложении, сетевое оборудование, которое не включает в себя вентилятор (внутренние устройства), должно быть испытано и оценено по параметрам в соответствии с нормативными разделами настоящего стандарта.
П.1.2 Оборудование, которое не включает внутренний вентилятор, при испытании, как правило, объединяют с оборудованием, подающим подготовленный воздух, как и в случае установки в зданиях. Вентилятор такого оборудования обеспечивает поток воздуха через теплообменник кондиционера или теплового насоса.
П.2. Установка с внутренним теплообменником. Измерения статического давления
П.2.1 Небольшие камеры статического давления должны быть присоединены на впуске и выпуске оборудования. Эти камеры должны иметь размеры поперечных сечений, равные соответствующим размерам на входе и выходе из оборудования. Отверстие для измерения статического давления должно быть добавлено в центре каждой стороны камеры, если она имеет прямоугольную форму, или в четырех равно распределенных местах по замкнутой кривой овальной или круглой камеры. В каждой камере четыре отверстия для измерений статических давлений должны быть комплектно соединены между собой. Минимальная длина камер и местоположение отверстий для измерений статических давлений относительно впуска и выпуска оборудования должны быть такими, как показано на рисунке П.1.
1 - манометр; 2 - отверстия для замера давления на выпуске;
3 - канал впуска; 4 - секция теплообменника; 5 - канал
выпуска; A и B - размеры отверстия выпуска; C и D - размеры
отверстия впуска; a - к аппарату измерения воздушного потока
Примечания
1 Для круглых каналов следует заменить
C·
D на

и
A·
B на

.
2 Длина канала впуска должна быть минимально равна

. Для достижения более точных результатов используют

.
Рисунок П.1 - Измерение перепада статического давления
для сетевых устройств только с теплообменником
П.2.2 Отверстия для замера статического давления, описание которых дано в
П.2.1, должны быть изготовлены в соответствии с
В.4.1. Манометр (или аналогичный прибор для измерения перепада давления), который имеет точность в пределах +/- 2,5 Па, должен быть использован для измерения статического давления между впуском и выпуском воздуха внутреннего теплообменника. Одну сторону этого манометра подсоединяют к комплектно соединенным отверстиям для замера статического давления на впуске, а другую - к таким же отверстиям на выпуске.
П.3. Количество воздуха на внутренней стороне
П.3.1 Для оборудования, поставляемого без вентилятора внутреннего блока, испытание холодопроизводительности проводят на объемном расходе, заданном производителем. Он выражается на основе стандартного воздуха или на максимальном перепаде давления 75 Па через блок внутреннего теплообменника с использованием рекомендованных ограждений и средств крепления, которые приводят к снижению объемного расхода воздуха. Этот объемный расход должен быть использован при проведении всех испытаний на рабочие характеристики и при всех испытаниях теплопроизводительности.
П.3.2 Воздушный поток через теплообменник внутреннего блока должен быть создан отдельным вентилятором. Этот вентилятор должен быть расположен за теплообменником внутреннего блока, отверстиями на выпуске для измерения статического давления (см.
рисунок П.1) и за измерительными приборами измерения температуры по сухому термометру и количества водяного пара, находящимися на выходе оборудования.
Если объемный расход воздуха измеряют, как установлено в
приложении В, то вытяжной вентилятор аппаратуры измерения воздуха может быть использован для создания воздушного потока через теплообменник внутреннего блока.
П.4. Регулировки производительности
Измеренная холодопроизводительность должна быть скорректирована путем вычитания значения мощности, необходимой для обеспечения циркуляции внутреннего воздуха (см.
П.3). Измеренная теплопроизводительность должна быть скорректирована путем прибавления значения мощности, необходимой для обеспечения циркуляции внутреннего воздуха (см.
П.3).
Ориентировочную мощность вентилятора для оборудования без вентилятора Pfan вычисляют по формуле (П.1)

, (П.1)
где

- расчетная статическая эффективность вентилятора внутреннего блока, которую вычисляют по формуле (П.2)

, (П.2)

- расчетная эффективность внутреннего двигателя, которую вычисляют по формуле (П.3)

. (П.3)
(справочное)
ГРАФИЧЕСКИЕ ПРИМЕРЫ ИСПЫТАТЕЛЬНЫХ ПРОЦЕДУР,
ЗАДАННЫХ В
7.1, ДЛЯ ТЕПЛОПРОИЗВОДИТЕЛЬНОСТИ
Шесть схематических диаграмм, приведенных в Р.2, показывают несколько случаев, которые могут произойти во время проведения испытаний теплопроизводительности, как задано в
7.1. Во всех примерах цикл размораживания заканчивает период предварительной подготовки. Примеры (
рисунки Р.2 -
Р.7) представляют случаи использования метода энтальпии внутреннего воздуха и, как результат, период сбора данных в режиме переходного процесса продолжается 3 ч или три полных цикла (в отличие от 6 ч или шести полных циклов, если используется калориметрический метод испытания).
Р.2. Блок-схема для испытаний теплопроизводительности
Блок-схема, представленная на рисунке Р.1, показывает процедуры и номера разделов настоящего стандарта, которые надо использовать при проведении испытаний теплопроизводительности.
Рисунок Р.1 - Блок-схема процедуры
1 - достигнуто соответствие с допустимыми отклонениями
испытания; 2 - период предварительной подготовки
(минимально - 10 мин); 3 - размораживание в конце периода
предварительной подготовки; 4 - период равновесия (60 мин);
5 - период сбора данных (35 мин); 6 - разность в температуре
воздуха на внутренней стороне,

;
a -

уменьшается на 2,5% или меньше
в течение первых 35 мин периода сбора данных; b - испытание
в установившемся режиме: завершить испытание,
когда период сбора данных равен 35 мин
Рисунок Р.2 - Испытание теплопроизводительности
в установившемся режиме
1 - достигнуто соответствие с допустимыми отклонениями
испытания; 2 - период предварительной подготовки
(минимально - 10 мин); 3 - размораживание в конце периода
предварительной подготовки; 4 - период равновесия (60 мин);
5 - период сбора данных (3 ч); 6 - разность с температурой
воздуха на внутренней стороне,

;
a -

уменьшается на 2,5% или меньше
в течение первых 35 мин периода сбора данных; b - завершить
испытание, когда период сбора данных равен 3 ч
Рисунок Р.3 - Испытание теплопроизводительности в режиме
переходного процесса без циклов размораживания
1 - достигнуто соответствие с допустимыми отклонениями
испытания; 2 - период предварительной подготовки
(минимально - 10 мин); 3 - размораживание в конце периода
предварительной подготовки; 4 - период равновесия (60 мин);
5 - период сбора данных (3 ч); 6 - разность с температурой
воздуха на внутренней стороне,

;
a -

уменьшается на 2,5% или меньше
в течение первых 35 мин периода сбора данных; b - завершить
испытание, когда период сбора данных равен 3 ч
Рисунок Р.4 - Испытание теплопроизводительности с одним
циклом размораживания в течение периода сбора данных
1 - достигнуто соответствие с допустимыми отклонениями
испытания; 2 - период предварительной подготовки
(минимально - 10 мин); 3 - размораживание в конце периода
предварительной подготовки; 4 - период равновесия (60 мин);
5 - период сбора данных (3 ч); 6 - один полный цикл
размораживания,

; a - завершить
испытание, когда период сбора данных равен 3 ч
Рисунок Р.5 - Испытание теплопроизводительности с одним
полным циклом в течение периода сбора данных
1 - достигнуто соответствие с допустимыми отклонениями
испытания; 2 - период предварительной подготовки
(минимально - 10 мин); 3 - размораживание в конце периода
предварительной подготовки; 4 - период равновесия (60 мин);
5 - период сбора данных (3 ч); 6 - два полных цикла
размораживания,

; a - завершить
испытание, когда период сбора данных равен 3 ч
Рисунок Р.6 - Испытание теплопроизводительности с двумя
полными циклами в течение периода сбора данных
1 - достигнуто соответствие с допустимыми отклонениями
испытания; 2 - период предварительной подготовки
(минимально - 10 мин); 3 - размораживание в конце периода
предварительной подготовки; 4 - период равновесия (60 мин);
5 - период сбора данных; 6 - 3 ч; 7 - три полных цикла
размораживания; a - завершить испытание, когда период
сбора данных равен 3 ч
Рисунок Р.7 - Испытание теплопроизводительности с тремя
полными циклами в течение периода сбора данных
(справочное)
ПЕРЕЧЕНЬ ТЕХНИЧЕСКИХ ОТКЛОНЕНИЙ
Таблица С.1
Структурный элемент (раздел, подраздел, пункт, подпункт, таблица, приложение) | Модификация |
| Ссылка на ISO 817 "Хладагенты. Система обозначений" заменена ссылкой на ГОСТ ISO 817-2014 <1> "Хладагенты. Система обозначений". Ссылка на ISO 5151:2010 "Кондиционеры и тепловые насосы без воздуховодов. Испытания и оценка рабочих характеристик" заменена ссылкой на ГОСТ 32970 (ISO 5151:2010) <2> "Кондиционеры и тепловые насосы без воздуховодов. Испытания и оценка рабочих характеристик" |
<1> Степень соответствия - IDT. <2> Степень соответствия - MOD. |
| ISO 15042 | Multiple split-system air-conditioners and air-to-air heat pumps - Testing and rating for performance (Многоцелевые раздельные установки кондиционирования воздуха и тепловые насосы с передачей тепла от воздуха к воздуху. Испытание и оценка эксплуатационных свойств) |
| ISO/IEC Guide 98-3 | Uncertainty of measurement - Part 3: Guide to the expression of uncertainty in measurement (Неопределенность измерения. Часть 3. Руководство по выражению неопределенности измерений) |
| ISO 3966 | Measurement of fluid flow in closed conduits - Velocity area method using Pitot static tubes (Измерение расхода жидкости в закрытых каналах. Метод расчета площади эпюры скорости с применением трубок Пито) |
| ISO 5167-1 | Measurement of fluid flow by means of pressure differential devices inserted in circular cross-section conduits running full - Part 1: General principles and requirements (Измерение потока текучей среды с помощью устройств для измерения перепада давления, помещенных в заполненные трубопроводы круглого сечения. Часть 1. Общие принципы и требования) |
| | Testing of refrigerant compressors (Компрессоры холодильные. Испытания) |
--------------------------------